| Похожие рефераты | Скачать .docx |
Дипломная работа: Розробка інвертора напруги для апаратури зв'язку
Содержание
Вступ
1. Системи електропостачання
1.1 Види систем електроживлення
1.2 Планування систем електроживлення
1.3 Вимоги до систем електроживлення
1.4 Вимоги до джерела безперебійного живлення
2. Огляд існуючих перетворювачів напруги
2.1 Джерела безперебійного та гарантованого електроживлення
2.2 Електромеханічні перетворювачі напруги
2.3 Інвертор
2.4 Конвертори - перетворювачі постійної напруги
3. Синтез структурної схеми
3.1 Опис структурної схеми інвертора
3.2 Вибір схеми інвертора, опис принципу дії
4. Вибір елементної бази
4.1 Вибір діодів
4.2 Вибір транзисторів
4.3 Вибір конденсаторів
4.4 Вибір резисторів
4.5 Вибір трансформаторів
4.6 Вибiр пристроїв індикації
4.7 Вибір запобіжників
4.8 Вибір акомулятора
5. Економічна частина
5.1 Коротка характеристика собівартості продукції
5.2 Розрахунок собівартості виготовлення блоку живлення
6. Охорона праці
6.1 Організація заходів з безпеки праці при виготовленні та випробуванні блоків живлення
6.2 Безпечне ведення робіт
6.3 Пожежна безпека
6.4 Вимоги техніки безпеки до радіоелектронного обладнання
6.5 Вимоги безпеки при роботі ручними інструментами при збірних та монтажних роботах
Висновок
Вступ
В даний час спостерігається збільшення потреби у високошвидкісних центрах обробки даних, системах телекомунікаційного зв'язку в реальному масштабі часу і застосуванні систем з безперервним автоматичним технологічним процесом. Зростання потреби в такому устаткуванні поряд із забезпеченням великою кількістю різноманітних можливостей висуває вимоги до їхніх джерел електроживлення.
Незважаючи на те, що при генерації електроенергії сигнал має чудову форму, у той момент, коли електроживлення досягає споживача, його якість далека від ідеального. Більшість типів перекручувань неприпустимі, наприклад, значні провали напруги і коливання частоти, що можуть призвести до непоправних втрат, викликаних ушкодженням устаткування в сполученні c неможливістю його подальшого використання по призначенню. Звичайно ж фінансові наслідки цього можуть бути просто страшними, впливаючи не тільки на поточну роботу, але, що є серйознішим, і на розвиток бізнесу в майбутньому.
При проектуванні радіоелектронної апаратури, одним з основних критеріїв економічності є зниження споживаної пристроєм потужності (зокрема, застосування нових технологій дозволило скоротити на кілька порядків споживання енергії побутовою апаратурою в порівнянні навіть з десятком років тому).
За минулі більш ніж 100 років від моменту появи першого електронного пристрою (радіо А.С. Попова) до наших днів змінилось кілька поколінь електронних пристроїв, що мають принципові відмінності по функціональних можливостях, типу застосовуваної елементної бази, конструктивно-технічному рішенню і т.д. Це рівною мірою відноситься до радіоелектронної апаратури побутового призначення, так і системам керування складними технічними об'єктами, такими як повітряні лайнери, космічні апарати та ін. Однак кожен вид електронних засобів, будь це комп'ютер, схема керування роботою системи життєзабезпечення, програвач компакт-дисків чи радіолокаційна станція всі вони мають пристрій який забезпечує електроживленням всіх елементів (електронних ламп, транзисторів, мікросхем), пристроїв які входять до тієї чи іншої системи. Отже наявність джерела живлення в будь-якому пристрої річ цілком очевидна і вимоги до нього досить великі, адже від його якісної роботи залежить робота пристрою в цілому. Особливу увагу на живлення стали звертати при побудові складних цифрових пристроїв (персональний комп'ютер чи будь-яка інша мікропроцесорна техніки) де виникла потреба забезпечення цих пристроїв безперервним і найголовніше - якісним живленням. Пропадання напруги для пристроїв цього класу може бути фатальним: медицинські системи життєзабезпечення потребують постійної роботи комплексу пристроїв, і вимоги до їх живлення дуже суворі; системи банківського захисту і охоронні системи; системи зв'язку і передачі інформації.
При створенні електронного пристрою окремого класу і призначення (електронно-обчислювальні машини, медична і побутова електронна техніка, засоби автоматизації) чи джерело системи забезпечення гарантованого живлення можуть бути підібрані з тих, які серійно випускаються промисловістю. У деяких країнах існують фірми, що спеціалізуються на промисловому випуску Джерел безперервного живлення, і споживач має можливість вибрати той, котрий йому найбільше підходить. Однак, якщо по в експлуатаційному, конструкторському чи іншому розуміннях джерела безперебійного живлення, що випускаються серійно, не задовольняють потреб споживача, необхідно розробити новий, з урахуванням усіх правил і обмежень, специфічних для цього виду.
Темою даного проекту є розробка джерела безперервного живлення яке б було універсальним. Універсальність його заключається в тому, що він би міг використовуватись в будь-якій апаратурі, починаючи з персонального комп'ютера і закінчуючи медичною апаратурою. Причина побудови джерела - це можливість його використання в будь-якій апаратурі, для якої є важливим фактором мати саме синусоїдальну напругу, напругу яка б при роботі джерела від мережі чи від внутрішніх батарей немала б провалів напруги при переході роботи з одного в інше.
За своїми технічними даними ПБЖ працює і як акумулятор. Під час своєї роботи ПБЖ накопичує електроенергію. У разі відсутності подачі струму із зовнішніх електромереж пристрій здатний автономно забезпечити протягом певного часу (до повної розрядки) безперебійне живлення для роботи техніки.
Більшість сучасних ПБЖ, крім свого основного завдання - забезпечувати безперебійне живлення, - ще й фільтрують напругу, що надходить на навантаження (виступають як фільтр мережевих перешкод), і стабілізують напругу (виступають як стабілізатор напруги)
Функціонально ПБЖ містить такі вузли, як блок силовий, блок контролю і управління, блок індикації, вхідний і вихідний фільтри, акумуляторна батарея, вентилятори.
Результатом виконання дипломного проекту є розробка конструкції і технології виготовлення блоку контролю та управління відповідно до технічного завдання.
1. Системи електропостачання
Електропостачання стаціонарних споживачів, як правило, централізоване, тобто від енергетичних систем.
Енергетичною системою (енергосистемою) називається сукупність електростанцій електричних і теплових мереж, з'єднаних між собою й зв'язаних спільністю режиму й безперервністю процесу виробництва й розподіли електричної енергії й теплоти.
Системою електропостачання називається сукупність електроустановок, призначених для забезпечення споживачів електричною енергією.
Забезпечення споживачів електричною енергією називається електропостачанням .
Апаратура зв'язку призначена для перетворення електричної енергії в енергію, що несе інформацію (енергію електромагнітних хвиль: аналогових, дискретних, відео, графічних і звукових сигналів), відноситься до електроприймачів, тобто до споживачів електричної енергії.
Джерела електроживлення діляться на первинні й вторинні, незалежні й автономні.
Первинні джерела електроживлення (ПДЕЖ) - це пристрою, що перетворять теплову, механічну або хімічну енергію в електричну. До них відносяться генератори із приводом від парової, газової або гідравлічної турбіни: електроагрегати й електростанції із двигунами внутрішнього згоряння, акумулятори, паливні елементи й ін.
Джерела вторинного електроживлення (ВДЕЖ) - це пристрої, що перетворять електричну енергію первинних джерел по частоті, величині напруги й інших параметрах, що забезпечують живлення електрокористувачів. До них відносяться випрямлячі, інвертори, трансформатори, стабілізатори, фільтри й ін.
Сукупність функціонально зв'язаних первинних і вторинних джерел електроживлення, пристроїв керування, комунікацій розподілу, захисту, контролю й сигналізації утворюють систему електроживлення споживача електричної енергії .
Споживачі електричної енергії відносно забезпечення надійності електропостачання підрозділяються на перші, другу й третю категорії.
До першої категорії віднесені споживачі, перерив електропостачання яких може викликати перерву зв'язків, порушення передачі найважливішої інформації й, як наслідок, привести до зриву виконання з авдання.
До другої категорії віднесені споживачі, переривши в електропостачанні яких допускається на час, необхідне для включення резервного (автономного) джерела живлення діями особового складу чергової зміни (вручну). Це, як правило, електрокористувачі, що забезпечують експлуатацію різних систем робочого освітлення, вентиляції, водопостачання й ін.
До третьої категорії віднесені всі інші електрокористувачі, зовнішнє й освітлення, зарядні пристрої та ін.
Зовнішнє електропостачання, як правило, здійснюється по кабельних лініях від двох незалежних районних ТП напругою 35/10 кВ або 110/10 кВ, розташовуваних не далі 10-12 км від вузла зв'язку.
Система внутрішнього електропостачання призначена для перетворення й розподілу електричної енергії, одержуваної від систем зовнішнього або резервного електропостачання по центрах (елементам) вузла зв'язку.
У тих випадках, коли зовнішнє електропостачання відсутнє, живлення вузла зв'язку здійснюється від системи автономного електропостачання - автономного джерела електроживлення (АВЕЖ). У якості АВЕЖ може використовуватись резервна електростанція.
На вузлі зв'язку система автономного електропостачання є складовою частиною системи внутрішнього електропостачання.
Стаціонарні вузли зв'язку відносяться до першої категорії споживачів. Основною схемою електропостачання їх є двомережна схема. За цією схемою на центральний розподільний пункт (ЦРП) або головну трансформаторну підстанцію (ГТП або ТП) заводяться дві високовольтні лінії, приєднані до двох і більше незалежних джерел енергосистеми. На трансформаторних підстанціях, звичайно на стороні низької напруги, обладнається централізоване автоматичне включення резерву (АВР), що у випадку ушкодження однієї з ліній забезпечує швидке (менш 1 с) перемикання навантаження на справну лінію. Таким чином, завдяки наявності двох незалежних мереж електропостачання забезпечується висока надійність живлення СУЗ.
Для забезпечення безперебійного живлення засобів зв'язку на ВУС обладнаються резервне й аварійне джерело електроенергії.
Як резервні джерела на СУЗ обладнуються власні електростанції (ВЕСТ) з теплоелектричними агрегатами типу АД, АСДА, ДГА, ЕСД (ЕСБ). Причому одною з вимог, пропонованих до електростанцій, є те, що станція повинна бути двухагрегатного виконання з потужністю кожного агрегату рівної номінальної потужності, споживаної ЦЕП і стандартної напруги, величина якої повинна відповідати напрузі, одержуваної від трансформаторної підстанції электросистеми.
Як аварійне джерело електроживлення найбільш перспективної є система, що складається з акумуляторної батареї й автономного інвертора на тиристорах, на виході якого повинен бути змінний струм стандартної напруги (статичний УГП). Аварійне джерело, як правило, забезпечує електроенергією апаратуру зв'язку пріоритетних абонентів і аварійного освітлення ВУС.
1.1 Види систем електроживлення
Багато проблем, характерних для традиційних централізованих систем електроживлення, можуть бути вирішені за допомогою переходу до розподілених систем електроживлення. У цей час провідні виробники сучасного телекомунікаційного обладнання впроваджують нові децентралізовані системи електропостачання, які дозволяють забезпечити більш високі експлуатаційні характеристики:
· регулювання напруги на навантаженні,
· резервування мереж постійного струму,
· контроль і керування за допомогою мікропроцесорів,
· використання силового обладнання, виконаного у вигляді компактних і легких модульних пристроїв.
1.2 Планування систем електроживлення
При плануванні системи електроживлення необхідно відповісти на наступні питання:
· який тип електрообладнання буде забезпечуватися електроживленням (комутаційна техніка, контрольні пристрої та інше);
· яка СВМ арна потужність цих пристроїв і яке очікуване енергоспоживання цих пристроїв у найближчому майбутньому;
· параметри вхідної мережі змінного струму: номінальна напруга, кількість фаз;
· скільки відводів для споживача повинно бути реалізовано;
· яка частка обладнання із твердим допуском напруги або іншого номіналу (замовлення DC-DC перетворювача);
· потреба в наявності гарантованого електроживлення споживачів змінного струму і яка їхня СВМ арна потужність (замовлення інверторів)
· необхідність віддаленого моніторингу за роботою систем електроживлення;
· який час задається при роботі від акумуляторних батарей, який максимальний час їхнього відновлення при їх повному розряді, скільки груп акумуляторних батарей передбачається встановити; визначення необхідності установки резервної дизельної або газової електростанції;
· у яких умовах передбачається експлуатація електроживлюючого обладнання (температура, вологість, вібрація й т.д.).
1.3 Вимоги до систем електроживлення
До використовуваного у галузі зв'язку ДБЖ пред'являється ряд додаткових вимог. Серед них - низьке тепловиділення, близький до одиниці вхідний коефіцієнт потужності навантаження й відповідність галузевим стандартам за рівнем електромагнітної емісії в радіочастотному діапазоні (EMI/RFI).
Зниження негативного впливу електромагнітних перешкод на роботу телекомунікаційного обладнання - питання аж ніяк не незначне, тому більшість виробників приділяють йому підвищену увагу. Деякою гарантією "радіобезшумності" ДБЖ може служити відповідний сертифікат Мінзв'язку України.
Крім того, однією з найбільш важливих характеристик ДБЖ є наявність засобів віддаленого керування й моніторингу системи енергопостачання. Відповідно висувається ряд вимог до штатного програмного забезпечення, його СВМ існості із прикладним ПО й операційними системами, найбільш часто використовуваними в галузі телекомунікацій.
Не можна забувати й про конструктивне виконання (масогабаритних характеристиках) ДБЖ, але тут багато чого залежить від типу телекомунікаційного обладнання. Якщо мова йде про захист комунікаційного вузла провайдера Internet, ДБЖ повинен без проблем монтуватися в стандартну стійку або апаратну шафу, займаючи мінімум робочого простору.
У цей час питанням забезпечення споживачів якісними послугами передачі даних, телефонії, Інтернету й інфраструктурою для електронної комерції приділяється все більша увага. Жорстка конкуренція на ринку дозволяє споживачам вибирати не в рамках альтернативи мати телефон взагалі або не мати, а звертатися до операторів, які можуть забезпечити не тільки якісний телефонний зв'язок, але ще й комплекс додаткових послуг з передачі даних, по доступу до інформаційних ресурсів в Інтернеті і т.д. Для рішення проблеми якості в телекомунікаціях електроживлення не є, звичайно, достатньою умовою, але хотілося б підкреслити, що це - необхідно для надання будь-якої надійної та конкурентноспроможної послуги в інфокомунікаційних системах.
Звичайно при створенні об'єктів телекомунікацій витрати тільки на забезпечення пристроями безперебійного електроживлення становлять СВМ у 10% і вище від вартості телекомунікаційного обладнання. Якщо ж об'єкт має потребу в гарантовному електроживленні, то витрати на обладнання зростуть ще на 10% і досягнуть 20%. Якщо ще врахувати, що рівень безвідмовності електроживлення істотно впливає на доступність системи зв'язку або передачі даних у цілому, то стає зрозумілим значення й місце електроживлення в інфокомунікаціях.
Важливість надійного електроживлення в першу чергу пояснюється тим, що воно визначає надійність роботи обладнання електрозв'язку й, тим самим, забезпечення інформаційними й комунікаційними послугами. Обладнання електроживлення працює в найбільш важких умовах у порівнянні з іншими пристроями (по навантаженню, по температурі), і внаслідок цього для забезпечення необхідної надійності роботи систем електроживлення змушує застосовувати найбільш якісні й, відповідно, дорогі елементи.
Це необхідний захід, тому що надійність роботи обладнання електрозв'язку принципово не може бути вище надійності системи електроживлення.
1.4 Вимоги до джерела безперебійного живлення
Блок повинен відповідати вимогам існуючих технічних вимог.
Джерело безперебійного живлення повинне забезпечувати контроль параметрів вхідної напруги в межах, які забезпечують нормальну роботу імпульсного джерела живлення. Це обумовлено особливостями імпульсних блоків живлення, а саме широким діапазоном вхідної напруги. Межа зміни напруги на вході, при якому забезпечується нормальна робота від мережі ІБП, повинна складати:
· нижній поріг - 30%;
· верхній поріг + 20%.
ІБП повинен забезпечувати контроль параметрів на виході при забезпеченні живлення від зовнішньої мережі і в режимі харчування від батарей:
· контролювати вихідну напругу;
· контролювати рівень навантаження.
Вимірювання параметрів дозволяє спостерігати за процесами, які відбуваються в мережі, своєчасно реагувати на зникнення напруги або відхід його величини від меж, перевищення яких викликає порушення роботи імпульсних джерел живлення.
Так, як характеристики напруги мережі мають певні параметри, встановлені стандартами (ГОСТ 3413-96), та напруга живлення ДБП повинна відповідати величині 220В, і мати відхилення напруги і частоти, які не перевищують граничних значень.
Так, як ми розраховуємо джерело безперебійного живлення, яке можна було б застосовувати з різноманітним навантаженням, передбачувана вихідна потужність складатиме 100 Вт.
Так, як необхідно забезпечити час резервного живлення, під час якого необхідно, наприклад, виконати можливий перехід на живлення від енергоємнішого джерела (наприклад, генератора), або завершення роботи тих або інших пристроїв, що від нього живляться мінімальний необхідний час резервування (резервного живлення) повинно бути не менше 5 млн., при 100% навантаженні. Основні технічні вимоги зводимо в таблицю3.1
Таблиця 3.1Основні технічні вимоги.
| № | Параметр | Ед. вимірювання | Величина параметра |
| 1 | Вихідна потужність | Вт | 100 |
| 2 | Входноє/виходноє напруга | Вольт | 220/220 |
| 3 | Вхідна частота | Гц | 50 |
| 4 | Діапазон змін вхідної частоти при роботі від мережі | % | +/-5 |
| 5 | Діапазон змін вхідної напруги при роботі від мережі | % | +20/-30% |
| 6 | Діапазон стабілізації вихідної напруги при живленні від батареї | % | +/ - 1,5% |
| 8 | Час перемикання на батарею, не менше | мс | ® 0 |
| 9 | Час резервування (резервного живлення) від батарей при 100% навантаженні, не менше | мин. | 25 |
інвертор напруга блок живлення
2. Огляд існуючих перетворювачів напруги
Часто при живленні електронних пристроїв у резервному стані використовують акумуляторні батареї вони є низьковольтними, а для живлення ланцюгів вжитку потрібна значна напруга. При цьому удаються до перетворення напруги. Для цього використовують:
- інвертори
- конвертори
- електромагнітні перетворювачі
Електромагнітніперетворювачі виробляють напругу синусоїдальної форми, перетворюючи змінне магнітне поле. Такі перетворювачі використовуються на підприємствах зв’язку, банках і тому подібне. Недолік електромагнітного перетворювача: великі габарити і маса.
В даний час є статичні перетворювачі з вихідною напругою формою близьким до синусоїдального.
Конвертор - перетворювач постійної напруги в змінну, але іншого рівня (з проміжним перетворенням вхідної напруги в змінне і трансформацією до потрібного рівня).
Інвертор - пристрої, що перетворюють постійний струм в змінний з незмінною або регульованою частотою і що працюють на автономне (не пов'язану з мережею змінного струму) навантаження. Як навантаження автономного інвертора може виступати як одиничний споживач, так і розгалужена мережа споживачів.
2.1 Джерела безперебійного та гарантованого електроживлення
Під гарантованим живленням (ГЖ) варто розуміти забезпечення апаратури зв'язку й засобів автоматизації електроенергією в будь-яких режимах роботи системи електроживлення, за винятком короткочасних перерв при роботі комутаційних пристроїв, пуску автоматизованих дизельних електроагрегатів і струморозподільної мережі (СРС).
Таблиця 2.1.1 Основні види неполадок у мережах електроживлення і їх наслідки.
| Найменування неполадки | Визначення | Можлива причина | Наслідки |
| Сплески напруги | Короткочасні підвищення напруги в мережі на величину більше 10% на час більше 20 мс. |
Відключення енергоємного обладнання, короткі замикання в мережі електропостачання |
Втрата інформації, вихід апаратури з ладу. |
| Високовольтні викиди | Короткочасні імпульси напруги до 6000 В і тривалістю до 10 мс. |
Удар блискавки, іскріння перемикачів, статичний розряд. |
Втрата інформації, вихід з ладу елементів апаратури. |
| Просідання напруги | Короткочасне зниження напруги до величини менш 80-85% від номінального |
Включення енергоємного обладнання, запуск потужних електродвигунів. |
Втрата інформації, вихід апаратури з ладу. |
| Високочастотний шум | Радіочастотні перешкоди. Перешкоди електромагнітного або іншого походження |
Електромотори, реле, силова комутаційна техніка, передавачі, магнітні бури. |
Вихід з ладу дискових накопичувачів, зависання комп'ютерів. |
| Вибіг частоти | Відхід частоти на В Величину більше3Гц від номінального (50 Гц). |
В Підключення енергоємного обладнання, запуск потужних електродвигунів, перевантаження в лінії електроживлення. |
Вихід з ладу дискових накопичувачів, зависання комп'ютерів, втрата даних |
| Підсадження напруги | Спадання напруги в мережі на тривалий час |
Нестабільність генератора. | Втрата даних, при вихіді з ладу апаратури. |
| Провалля напруги | Відсутність напруги в Електромережі протягом більше 40 мс. |
Неполадки в лінії, спрацьовування систем захисту. |
Втрата даних, вихід з ладу апаратури. |
Під безперебійним живленням (БЖ) варто розуміти забезпечення засобів зв'язку й автоматизації електроенергією в будь-яких режимах роботи СЕЖ, за винятком аварій агрегатів безперебійного живлення й струморозподільної мережі.
Обчислювальні пристрої, об'єднані в мережі, більше піддані помилкам через проблеми з електроживленням. Це відбувається через те, що, наприклад, з різних причин обладнання мережних вузлів зберігає дані різного роду в оперативній пам'яті, і ймовірність втрати або спотворення цих даних, а також імовірність збою в роботі обладнання істотно зростає при зниженні якості електроживлення. Фінансові втрати від таких збоїв тим більше, чим більш відповідальну функцію виконує мережний вузол. У таблиці представлені основні види неполадок у мережах електроживлення і їх наслідки. Для забезпечення споживачів гарантованим живленням використовуються резервні джерела живлення (резервна мережа або резервна електростанція). Запровадження в дію резервних джерел відбувається автоматично. Пристрою, що забезпечують автоматичне включення резервного джерела, одержали назву пристроїв автоматичного включення резерву. Принцип побудови системи гарантованого живлення за допомогою пристроїв АВР показаний на Рис.1.1 Пристрої АВР складаються із двох контакторів - КМ1 (нормальної роботи), КМ2 (аварійні роботи) і ланцюгів керування цими контакторами, які забезпечують контроль напругі джерел живлення, їхнє перемикання й блокування.

Рис. 1.1 Принцип побудови системи гарантованого живлення з допомогою АВР
З розглянутого принципу видно, що в кожному разі перехід на резервне джерело (мережа, агрегат) пов'язаний з повною перервою в живлення споживачів. Тривалість цієї перерви залежить від типу використовуваних пристроїв АВР і ступеня автоматизації резервних електростанцій. Існуючі пристрої АВР із використанням електромеханічних реле й контакторів забезпечують перемикання на резервну мережу за 0,6.0…0,7с.
При аварійному переході від джерел зовнішнього електропостачання на резервну автоматизовану по другому й третьому ступені електростанцію перерва може досягати 15.60…60 с.
Пристрої, що забезпечують безперебійність живлення засобів зв'язку й автоматизації при аварійних режимах роботи зовнішніх джерел і резервних електростанцій називаються агрегатами безперебійного живлення. Деякі типи АБЖ на практиці одержали назву джерел безперебійного живлення (ДБЖ).
Досвід і практика застосування сучасної апаратури зв'язку й засобів автоматизації при живленні їх від електромереж загального призначення 220/380 В показують, що АБЖ необхідно застосовувати не тільки й не стільки тоді, коли напругу в мережі повністю зникає, але головним чином для забезпечення необхідного апаратурі якості електроенергії. Про це свідчать середні статичні дані розподіли несправностей в електромережах 220/380 В, (табл.2.2).
З табл.1.2 видно, що така несправність, як відключення (провалля) напруги мереж, у загальному обсязі всіх несправностей займає всього лише близько 12 %.
Таблиця 1.2
Розподіл несправностей в електромережах 230/380 В
| % | |
Тривале або короткочасне відключення напруги Високочастотні перешкоди Високовольтні викиди Провали (відключення) Спотворення Сплески |
45 20 16 12 5 2 |
| Всього | 100 |
Зараз на практиці знаходять застосування два типи АБЖ: електромашинні АБЖ і статичні ДБЖ із випрямлюючи-інверторними перетворювачами.
На нашому підприємстві використовуються ДБЖ із випрямлюючи-інверторними перетворювачами.
У цей час такі ДБЖ розроблені й впроваджуються в СЕЖ вузлів зв'язку й об'єктів автоматизації ДБЖ на основі статичних перетворювачів, які практично за всіма показниками перевершують електромашинні ДБЖ. Вони мають більш високий ККД, значно менші габарити й масу, більший термін служби. У них відсутні обертові частини, що істотно спрощує експлуатаційне обслуговування й зменшує шум при роботі.
Аналіз всіх типономіналів сучасних статичних ДБЖ показує, що за принципом роботи й можливостям їх можна класифікувати за трьома типами: перемикаються з мережним фільтром, що перемикаються з мережним стабілізатором і фільтром, з подвійним перетворенням енергії.
Перерва в електроживленні при перемиканні на резервне джерело завдяки використанню електронних ключів вдалося звести до 2,5…5 мс. Звичайно така перерва не страшна для споживачів, що мають безтрансформаторний вхід джерел вторинного електроживлення. Такими споживачами є більшість сучасних персональних комп'ютерів, для яких в основному й призначений даний тип ДБЖ.
2.2 Електромеханічні перетворювачі напруги
Електромеханічні перетворювачі енергії з обертальним рухом - електричні машини - складають найбільш важливий клас компонент електромеханічних систем. Електричні машини вельми всілякі по конструкції і призначенню, процеси в них відрізняються великою складністю. Електромеханічні перетворювачі енергії, дія яких заснована на законах електромагнітної індукції, підкоряються принципу оборотності. Один і той же пристрій може працювати як електрогенератор, якщо до нього підводиться механічна енергія, або як двигун, якщо до нього підводиться електрична енергія. Електромеханічні перетворювачі енергії - електричні машини працюють в космосі, глибоко під землею і у воді. Електромеханічні перетворювачі енергії, що працюють в космосі, знаходяться в умовах невагомості і мають сумірні моменти інерції якоря і індуктора, тому можуть рухатися в просторі обоє частини машини. Електрична машина в космосі отримує декілька мір свободи, і рівняння електромеханічного перетворення енергії ускладнюються, набуваючи загальнішого вигляду. Співвідношення моментів і швидкостей в різних режимах роботи двигунів. | Механічні характеристики двигуна і механізму в загальній системі координат. Електромеханічним перетворювачем енергії в приводах є електрична машина. У електромеханічних перетворювачах енергії частини, що взаємно переміщаються, розділені повітряним зазором. У повітряному зазорі зосереджена енергія електромагнітного поля, що зв'язує обмотки, що обертається і нерухому. Далі читач переконається в тому, що саме в повітряному зазорі відбувається перетворення енергії з електричної в механічну і назад. У цій книзі будуть розглянуті машини, в яких визначає є магнітне поле.
У практиці вивчення електромеханічних перетворювачів енергії знайшов вживання і інший вигляд моделювання, використання якого частенько пред'являє менш жорсткі вимоги до знання параметрів, а у ряді випадків дозволяє взагалі відмовитися від необхідності знаходження аналітичного опису явища. Цей метод - фізичне моделювання - встановлює відповідність між об'єктами однієї фізичної природи. Величини моделі, що кількісно характеризують явище, при цьому можуть вельми істотно відрізнятися від аналогічних величин оригінала. Якщо предметом дослідження є потужні електричні машини і системи, масштаби звичайна істотно менше одиниці; при моделюванні пристроїв малих розмірів і потужностей доцільно масштаби моделювання вибирати великими одиниці. Асинхронна машина є загальним електромеханічним перетворювачем енергії. Дійсно, вона може працювати як наступних перетворювачів.
Головними функціональними елементами є електромеханічні перетворювачі енергії - ЕП змінного і постійного струму. Робочі процеси ЕП базуються на фундаментальних законах електродинаміки і механіки. Для аналізу процесів в ЕПЕ можуть застосовуватися методи теорії електромагнітного поля і методи теорії електромеханічних систем. Далі використовується головним чином другий підхід, який дозволяє записати диференціальні рівняння для перехідних процесів електричних ланцюгів і руху ЕПЕ. Загальна структурна схема електричного приводу. Таким чином, ЕД є електромеханічним перетворювачем енергії. Електромагнітна потужність ЕПЕ, як і будь-якого електромеханічного перетворювача енергії, залежить від струму в обмотці якоря. Проведений розгляд показує, що узятий нами електромеханічний перетворювач енергії задовольняє всім основним вимогам, сформульованим на початку цього параграфа, і може бути використаний як кроковий двигун. Необхідно, проте, встановити циклічну повторюваність станів перетворювача і виявити види циклів. Однією з тенденцій розвитку електроприводу є поступове зближення електромеханічного перетворювача енергії (електричної машини) і споживача цієї енергії машини-знаряддя. У міру такого зближення як електрична машина, так і машина-знаряддя випробовують весь більший взаємний вплив.
Принципові схеми ЕПЕ з обертальним (а. Перехідний процес в ЕПЕ, як і в будь-якому електромеханічному перетворювачі енергії, описується системою диференціальних рівнянь електричної рівноваги і динаміки руху ротора. Значення відносного навантаження, як і в будь-якому електромеханічному перетворювачі енергії, впливає на ефективність роботи ЕПЕ. У двох крайніх положеннях:
1 - коротке замикання
2 - холостий хід, енергія в навантаженні не виділяється. Магнітозв'язність ланцюга. Для багатьох електромеханічних перетворювачів енергії характерне взаємне переміщення котушок. Хоча визначення повної картини поля реальної машини, що обертається, є практично неможливим, математична модель електромеханічного перетворювача енергії дозволяє вирішувати багато завдань, задаючись напругою на вхідних затисках перетворювача. Виходячи в своїх виставах з картини поля в повітряному зазорі, робимо в рівняннях незалежно змінними напруги на статорі або роторі. Електромашинний підсилювач (ЕМП) з поперечним полем є електромеханічним перетворювачем енергії, якого можна використовувати як силовий перетворювач в установках малої потужності до 10 кВт і як проміжний підсилювач в установках великої потужності. Реалізація елементів ЕП. Система управління ЕП - сукупність пристроїв, що управляють і інформаційних, і пристроїв сполучення ЕП, призначена для управління електромеханічним перетворювачем енергії з метою забезпечення заданого руху виконавського органу робочої машини. Тут лише коротко розглянемо вплив зворотних зв'язків на характеристики машини в тій мірі, скільки це необхідно для розуміння роботи електромеханічних перетворювачів енергії. Математичні моделі електричних машин в перехідних і сталих режимах; узагальнені досягнення в області аналізу і синтезу електромеханічних перетворювачів енергії; показано вживання нових математичних методів у вирішенні оптимізаційних завдань; освітлені останні досягнення у вживанні обчислювальних машин для вирішення завдань електромеханіки. Моделі електромеханічних систем складаються, як і при прямій реалізації, а саме з моделей електричного ланцюга і механічної системи, об'єднаних моделлю електромеханічного перетворювача енергії, - електричної машини. Для систем приводу змінного струму модель електричної машини складається по рівняннях. Для об'єднання електричної і механічної частин тут не вимагається джерел струму, оскільки струми і моменти зображаються напругою.
Конструкція генератора братів Пікси.
У останні десятиліття з'явилися нові конструктивні видозміни електричних машин: лінійні двигуни , машини з декількома мірами свободи, з рідким і газоподібним ротором і ін. Інженер-електромеханік повинні уміти підійти до створення і дослідження будь-якої електричної машини - електромеханічного перетворювача енергії, тому основи загальної теорії електромеханічного перетворювача енергії повинні викладатися не лише в спеціальних курсах, але і в загальному курсі електричних машин. Дані хвилевих крокових електродвигунів для прецизійних швидкодіючих систем управління, автоматичних цифрових стежачих систем, за устаткування. Електромеханічний перетворювач енергії в цих двигунах поєднується з одноступінчатою хвилевою зубчастою передачею. Двигуни характеризуються: високими точністю, швидкодією, роздільною здатністю; підвищеною надійністю, обумовленою відсутністю швидко вращающихся частин; великим моментом, що обертає, при малих масі і габаритних розмірах, що дуже важливе для їх вживання в інших двигунів закрите, кріплення - фланцеве, можуть займати в просторі будь-яке робоче положення, режим роботи - тривалий. Енергія з мережі (від включеного десь генератора) спочатку запасається в магнітному полі (у електричній машині енергія електромагнітного поля зосереджена, в основному, в повітряному зазорі), а потім перетвориться в механічну і теплову. Тому в ненасиченому лінійному електромеханічному перетворювачі енергії лише половина енергії, що забирається з мережі, перетвориться в механічну енергію, якщо вважати, що електрична енергія, що перетворюється в теплову, дорівнює нулю. Фізично це означає, що в мить, коли машина здійснює механічну роботу, така ж кількість енергії має бути запасена в електромагнітному полі. Пропонована увазі читачів книга присвячена математичному опису процесів, що відбуваються в електричних машинах. Основна увага приділена диференціальним рівнянням електромеханічних перетворювачів енергії і рішенню їх за допомогою аналогових і цифрових обчислювальних машин. У класичних підручниках по електричних машинах виклад теорії починається з комплексних рівнянь, схем заміщення і векторних діаграм. Почавши виклад з диференціальних рівнянь, що описують як динамічні режими, так і сталі, підвести читача до комплексних рівнянь електричних машин. Лінійні електричні машини застосовуються практично лише в руховому режимі. У генераторному режимі знаходить вживання МГД-генератор - електромеханічний перетворювач енергії. Але при пульсаціях магнітного поля або швидкості плазми на виході можна отримати змінні напруга і струм. Такий генератор за принципом дії і конструкції близький до лінійних двигунів і МГД-насосам.
РОЗГЛЯНЕМО ПРИКЛАД ЕЛЕКТРОМЕХАНІЧНОГО ПЕРЕТВОРЮВАЧА.
Найбільш повні і різносторонні характеристики електроприводів при їх синтезі і аналізі можуть бути отримані у разі, коли електрична машина розглядатиметься як узагальнена. Для подальшого аналізу розглянем машину з трифазними обмотками на статорі і роторі, які створюють магнітні поля, що складаються з головних полів і полів розсіяння. Головним полем - називають поле, магнітний потік якого бере участь в електромеханічному перетворенні енергії. При цьому його можна представити як два взаємодіючі поля: головного поля обмотки статора і головного поля роторної обмотки. У свою чергу головне поле обмотки статора або роторної можна представити як результуюче поле, утворене дією окремо кожної фази цих обмоток. Останні поля, які не створюють головного поля, тобто безпосередньо не беруть участь в електромеханічному перетворенні енергії, називають-полями розсіяння . Представимо електричну машину у вигляді, зручному для здобуття вихідних положень електромеханічного перетворення енергії. Виходячи з того, що всякий результуючий вектор сили, що намагнічує, від дії сил, що намагнічують, в багатофазній обмотці можна замінити дією однієї обмотки з таким же модулем сили, що намагнічує, вектор якої направлений в ту ж сторону, що і вектор результуючих сил багатофазної обмотки, представимо багатофазну узагальнену машину її еквівалентом - однофазною машиною. При цьому виходитимемо з того, що магнітне поле статора і ротора, що обертається, створюватиметься надалі трифазною обмоткою. Така машина і складові її магнітного потоку представлені на рис.1, де прийняті наступні позначення:
U1 і U2 - напруга, прикладена до статору і роторній обмоткам відповідно;
Ф1 - повний потік, пронизливий обмотку статора і викликаний всіма струмами в обмотках електричної машини;
Ф2 - повний потік, пронизливий обмотку ротора і викликаний всіма струмами в обмотках електричної машини;
Ф11 - частина потоку Ф1 , викликаного струмом І1 ;
Ф 22 - частини потоку Ф2 , викликаного струмом І2 ;
Ф12 - частина потоку Ф1 , викликаного струмом І2 ;
Ф 21 - частини потоку Ф2 , викликаного струмом І1 ;
Ф 01 - потоку розсіяння обмотки статора, викликаного струмом статора І1 , і пов'язаний з обмоткою статора, але не зчеплений з обмоткою ротора;
Ф 02 - потоку розсіяння обмотки статора, викликаного струмом ротора І2 , і пов'язаний з обмоткою ротора, але не зчеплений з обмоткою статора;

Рис.1. Магнітні потоки, утворені обмотками статора і ротора в електричній машині:
Ф - взаємний потік, зчеплений з обмоткою статора і з обмоткою ротора, тобто загальний для обох обмоток потік, створюючий головне поле і що бере участь в електромеханічному перетворенні енергії.
На рис.1 кожна замкнута лінія із стрілками змальовує відповідну складову магнітного потоку, вказаного на цьому ж малюнку.
Співвідношення між потоками наступне:
(1.1)
![]()
де з цих же співвідношень виходить, що
(1.2)
![]()
2.3 Інвертор
Інвертор - це пристрій, призначений для перетворення постійного струму в змінний. На відміну від джерел безперебійного живлення, інвертори забезпечують значно більший час автономної роботи при меншій або порівнянній вартості. У перетворювальних пристроях режим інвертування дуже часто чергується з режимом випрямляння, тобто один і той же перетворювач може працювати і у випрямних і інверторних режимах. Наприклад, якщо керований випрямляч працює на двигун, то при розгоні двигуна перетворювач працює у випрямному режимі, енергія поступає з мережі змінного струму в навантаження. При гальмуванні двигуна, рух під уклон і так далі перетворювач працює в режимі інвертування, а потужність (енергія) та, що генерується двигуном, що гальмується, передається в мережу змінного струму.
Інвертор значно дешевший за міні-електростанцію, мініатюрний і легкий. Спільно з одним, або декількома акумуляторами він може працювати як автономне джерело безперебійного живлення для будинку, котельної, пожежних і охоронних систем. Якщо є мережева напруга 220 Вольт, він просто пропускає його "крізь" себе і, при необхідності, заряджає акумулятори. Якщо напруга в мережі зникла, миттєво починає генерувати змінну напругу 220 Вольт від акумуляторів. Час автономної роботи залежить від потужності навантаження і ємкості акумуляторів. Так, наприклад, чотирьох акумуляторів по 190 А/ч вистачить на 17 годин автономної роботи при постійному навантаженні 500 Вт. При появі мережевої напруги прилад автоматично перемкнеться в початковий стан очікування і зарядить акумулятори.
Класифікація інверторів.
Розрізняють два типи інверторів: інвертори, ведені мережею, мережні (залежні інвертори) і автономні (незалежні інвертори). Перші (залежні) віддають енергію з ланцюга постійного струму тільки в мережу змінного струму, яка необхідна інвертору принципово, для комутації струму з одного тиристора на іншій. Частота інвертування рівна частоті мережі. У автономних інверторах енергія з ланцюга постійного струму передається в навантаження змінного струму, що не має інших джерел змінної напруги. Комутація струму тиристорів здійснюється або по ланцюгу управління (керовані ключі), або спеціальним комутуючим пристроєм. Частота інвертування визначається тільки схемою управління.
Також існує класифікація інверторів за формою вихідної напруги. Розрізняють інвертори з квадратичною (square), з трапецієвидною (modifed sine ware) і з синусоїдальною формою (sine ware) вихідної напруги. Для навантаження з магнітними сердечниками (двигуни, трансформатори) модифікація форми напруги приводить до деякої зміни потужності. Для телевізорів, комп'ютерів, ламп розжарювання і нагрівальних приладів вказаний чинник значення не має. Особливий випадок - двигуни асинхронного типу (насоси, холодильники, кондиціонери), що вимагають достатньо високої якості електроживлення.
Інвертор - прилад перетворює постійну напругу в змінну. Потреба в інверторах існує для вирішення завдання живлення пристроїв для побутової мережі 220В 50Гц від джерел постійної напруги, наприклад акумуляторів. З розвитком електроніки це завдання вирішувалося усе більш складними методами, що дають якісніші параметри вихідної електроенергії. Проте на практиці застосовуються як сучасні, так і більш архаїчні прилади, тому розглянемо основних типів інверторів в історичному порядку.
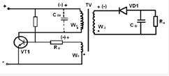
Першими з'явилися інвертори на основі трансформаторів тих, що працюють на частоті мережі 50Гц. Блок-схема інвертора приведена на мал. №1.

Рис 2.3.1 Блок-схема трансформаторного інвертора.
Джерело енергії постійного струму, в найпоширенішому випадку акумулятор 12В, підключається до трансформатора через трипозиційний комутатор. Комутатор є набором електронних ключів, що забезпечує 3 стани: до первинної обмотки трансформатора підключено джерело живлення позитивною полярністю, до первинної обмотки трансформатора підключено джерело живлення негативною полярністю і стан коли первинна обмотка закорочена. Послідовно перемикаючи ці стани, на первинній обмотці формується змінна напруга частотою 50Гц і амплітудою 12В. На вторинній обмотці трансформатора при цьому формується напруга з тією ж частотою і формою, проте ефективна напруга складає 220В. Графіки напруги на трансформаторі приведені на мал. №2. Вихідна напруга знімається з вторинної обмотки, тому має такі ж параметри.

Рис.2.3.2 Графіки напруги на трансформаторі
Дана форма напруги називається "Модифікована синусоїда" і широко застосовується в інверторах для мережі 50Гц, тому параметри, що описують її, розглянуті детальніше. Взагалі параметри, задаючі форму модифікованої синусоїди, це амплітуда вихідної напруги і коефіцієнт заповнення, що показує відношення тривалості імпульсу до періоду сигналу. Ці параметри задаються при конструюванні інверторів. З міркувань того, що інвертор повинен замінювати мережу 220В 50Гц, зазвичай вибирається амплітудне значення напруги модифікованої синусоїди таке ж, як і в мережі, тобто 311В. При цьому, аби забезпечити ефективну напругу 220в, таке ж як і в мережі, коефіцієнт заповнення виходить 0.5. Проте в інверторі цього типа амплітуда вихідної напруги виходить залежною прямо пропорціонально від напруги джерела. Якщо як джерело енергії використовується акумулятор, а це найпоширеніший випадок, то його напруга при розряді знижується, і амплітуда модифікованої синусоїди на виході перетворювача також знижується, відповідно знижується і ефективне значення напруга на виході перетворювача. Для того, щоб поліпшити якість енергії на виході перетворювача в цих умовах часто застосовують схеми управління, які змінюють коефіцієнт заповнення вихідної напруги так, щоб підтримувати ефективну напругу незмінним. Наприклад, інвертор, розрахований на напругу джерела 12В, працює від розрядженого акумулятора з напругою 10В. При цьому амплітудна напруга на виході знижується пропорційно до 259В. Схема управління змінює коефіцієнт заповнення вихідної напруги до 0.72, при цьому ефективна напруга залишається рівним 220В. Проте форма напруги і його амплітуда міняється, що може бути недопустимо для деяких навантажень, що буде показане далі.
Оскільки основним елементом інвертора цього типа є трансформатор 50Гц, можливості по мініатюризації, зменшенні матеріаломісткості і підвищенні ефективності роботи інвертора вельми обмежені. Тому на основі сучасної елементної бази були розроблені інвертори з вч перетворенням. Блок-схема такого інвертора приведена на мал. №3.

Рис.2.3.3 Блок-схема інвертора з вч перетворенням.
Джерело енергії постійного струму підключається на вхід високочастотного перетворювача постійної напруги (dcdc перетворювач). Даний блок перетворить вхідну напругу в напругу, відповідну амплітуді мережевої напруги, 311В. Це перетворення відбувається за допомогою трансформатора, що працює на підвищеній (десятки і сотні кілогерц) частоті, тому габарити і матеріаломісткість інвертора значно зменшилися. Вихідна напруга перетворювача подається на комутатор, аналогічний комутатору в інверторі трансформаторного типа. Графік вихідної напруги комутатора має такий же вигляд, як і напруга на виході комутатора в трансформаторному інверторі, проте амплітуда напруги досягає 311В. Вихід комутатора є виходом інвертора, і графік вихідної напруги відповідає напрузі на вторинній обмотці трансформатора в трансформаторному інверторі (рис.2). Міркування щодо форми вихідної напруги, викладені вищі, справедливі і для даного типа інвертора. Зміна ж форми вихідної напруги залежно від величини вхідної напруги може відбуватися або немає, це залежить від топології dcdc перетворювача. Якщо перетворювач стабілізований, то при зміні вхідної напруги вихідна напруга перетворювача не змінюється. При цьому також форма і амплітуда вихідної напруги інвертора не змінюється. Проте існують і простіші різновиди dcdc перетворювачів, які не є стабілізованими, і вихідна напруга яких пропорційно вхідному. Для інверторів, зібраних на основі таких перетворювачів, справедливі висновку щодо зміни вихідної напруги для трансформаторних інверторів.
З розвитком електроніки з'явилася можливість створити інвертори з синусоїдальною формою напруги на основі вч перетворення електричної енергії. За допомогою даних інверторів можливе здобуття вихідної напруги, що задовольняє стандартам на якість електроенергії в енергетиці, що неможливе для перетворювачів раніше розглянутих типів. Блок-схема інвертора приведена на мал. №4.

Рис.2.3.4 Блок-схема інвертора з синусоїдальною вихідною напругою.
Джерело енергії постійного струму підключається на вхід високочастотного перетворювача постійної напруги, як і в інверторі з вч перетворенням, розглянутому раніше. Вихідна напруга інвертора може бути різною залежно від конструкції, проте воно має бути вище за амплітудну напругу мережі, тобто вище 311В. Вихідна напруга перетворювача поступає на вч інвертор (dc/ac), керований знижуючий імпульсний перетворювач, що є. Даний перетворювач може встановлювати на своєму виході напругу по сигналу від схеми управління в діапазоні від нуля до напруги живлення, тобто до напруги більше 311В. Вч інвертор зазвичай містить два таких каналу за мостовою схемою, таким чином, напруга між їх виходами може досягати від - 311В до +311В, як і в мережі 220В. Графіки вихідної напруги по обох вихідних дротах і результуюча вихідна напруга інвертора представлені на Рис.2.3.5 З графіків виходить, що схема управління подає особливий сигнал на кожен канал вч перетворювача, що змінюється в часі таким чином, що вихідна напруга кожного каналу вч перетворювача змінюється по синусоїдальному закону з частотою 50Гц, і зміщено по фазі на 180? між каналами. Напруга ж між виходами є синусоїдою без постійною складовою амплітудою 311В. Зміна форми вихідної напруги залежно від величини вхідної напруги не відбувається унаслідок того що або dc/dc перетворювач або вч інвертор виконуються стабілізованими, тобто вихідна напруга не залежить від вхідної.

Рис.2.3.5 Графіки напруги на виходах інвертора.
2. Види електроприладів з активним характером навантаження і особливості роботи різних типів інверторів з даним виглядом навантаження.
Електричні прилади з активним характером опору поширені повсюдно. До них відносяться різні види нагрівальних приладів, а також освітлювальні прилади на основі ламп розжарювання. Також поширені комбіновані навантаження, в яких окрім основного споживача з активним характером опору присутні інші споживачі з різним характером опору, проте потужність цих споживачів значно нижча. Наприклад, нагрівальний елемент з схемою контролю температури. Такі навантаження також можна вважати наближеними до активними, міра наближення визначається відношенням потужностей основного активного навантаження і не додатковою активною. Взагалі активне навантаження є найбільш простим виглядом навантаження для інвертора, тому що вихідний струм інвертора у будь-який момент часу, тобто при будь-якому миттєвому значенні вихідної напруги, обмежений і визначається законом Ома. Тому допустима будь-яка форма вихідної напруги інвертора, наприклад модифікована синусоїда. Також весь вихідний струм інвертора йде на створення вихідної активної потужності, тому ефективність роботи (величина коефіцієнта корисної дії) інверторів будь-якого типа буде максимальна при даному типові навантаження.
Для коректної роботи активних навантажень важливе лише середньоквадратичне значення напруги, а всі розглянуті раніше типи інверторів здатні видавати таку ж середньоквадратичну напругу, як і мережу 220В. Проте потенційно важливим моментом для роботи з активним навантаженням є здатність інвертора видавати постійну середньоквадратичну напругу при напрузі живлення, що змінюється. Всі розглянуті раніше типи інверторів мають таку можливість при відповідних функціях системи управління, проте кожна конкретна модель інвертора може мати чи ні подібну функцію.
Також навантаження з активним характером опору можуть бути лінійними або нелінійними, тобто опір навантаження може бути постійним або змінним в часі. Типовим прикладом нелінійного навантаження є лампа розжарювання, причому відмінність в опорі в гарячому і холодному стані може досягати 10 разів. При роботі інвертора з таким типом навантаження може виникати короткочасне, але значне збільшення струму навантаження. В цьому випадку можлива втрата працездатності інвертора із-за спрацьовування захисту по максимальному вихідному струму. Проте робота схеми захисту не залежить від типа перетворювача, тому відмінності між роботою різних моделей інверторів відбуватимуться із-за відмінності в системах захисту, а не із-за принципової відмінності в типах інверторів.
Відмінність між типами інверторів з різною формою вихідної напруги можна оцінити за допомогою частотного аналізу по гармонійному складу вихідної напруги. Інвертори з синусоїдальною формою вихідної напруги містять в спектрі вихідної напруги лише основну гармоніку 50Гц. Інвертори ж з вихідною напругою у вигляді модифікованої синусоїди містять в спектрі вихідної напруги також вищі непарні гармоніки значної амплітуди. Оскільки форма вихідного струму при активному навантаженні повторює форму напруги, то подібні висновки будуть справедливі і про спектр вихідного струму. Практично оцінити відмінності у формі вихідного струму можна по вироблюваному їм акустичному ефекту. Акустичний ефект може мати різну фізичну природу, наприклад сила Ампера, що вимушує вагатися провідники із струмом, або магнітострикційний ефект в матеріалах, що знаходиться в магнітному полі, що збуджується струмом. Акустичний ефект може виникати у всіх ділянках послідовного вихідного ланцюга, наприклад в споживачі або сполучних дротах, або в самому інверторі. Людина здатна на слух розрізняти гармонійний склад вироблюваного акустичного ефекту. Так, звук від інвертора з синусоїдальною формою вихідної напруги відчувається як однотонний шум, що гуде (низькочастотний). А звук від інвертора з формою вихідної напруги у вигляді модифікованої синусоїди більш тембральний забарвлений, з вираженими обертонами, більш схожий на стук
3. Види електроприладів з індуктивним характером навантаження і особливості роботи різних типів інверторів з даним виглядом навантаження.
Електричні прилади з індуктивним характером опору часто зустрічаються в техніці і в побуті. До цих приладів відносяться електровібраційні прилади, наприклад бритви і насоси, освітлювальні прилади з індуктивними баластами, електромеханічні реле, електричні двигуни.
Реальне індуктивне навантаження є частково чистою індуктивністю і частково активним навантаженням. Для опису індуктивного навантаження можливо використовувати послідовну модель, в якій навантаження представляється у вигляді послідовний сполученої індуктивності і опору. Для опису співвідношення впливу цих елементів на вихідний струм перетворювача використовують параметр "коефіцієнт потужності (КМ.)", який визначає відношення активної потужності до повної потужності. При індуктивному навантаженні КМ<1. Таким чином, повна потужність, споживана навантаженням з індуктивним характером опору, буде більша, ніж активна потужність, що зазвичай вказується на електроприладі як номінальна. Тому індуктивне навантаження є складнішим виглядом навантаження для інвертора, тому що вихідний струм інвертора йде як на створення вихідної активної потужності, так і на запасання енергії в індуктивності (реактивна потужність). Втрати енергії в інверторі при роботі на навантаження з індуктивним характером опору будуть більш ніж при роботі на навантаження з активним характером опору такої ж номінальної (активною) потужності. Це дуже важлива властивість, оскільки часто при експлуатації інверторів саме рівень втрат енергії, тобто теплова потужність, що нагріває інвертор, є визначальній для забезпечення працездатності. Проте для різних типів інверторів міра збільшення втрат при індуктивному навантаженні різна. Це пов'язано з тим, що при різних топологиях побудови інверторів дорога вихідного струму, що нагріває перетворювач, може бути різна і захоплювати різну кількість складених блоків перетворювача. Розглянуті типи інверторів відносно даного питання розділяються на два види: однокаскадні і двохкаскадні. Однокаскадним інвертором є трансформаторний інвертор. Вихідний струм інвертора проходить через весь інвертор: через вихідний трансформатор, в трансформованому вигляді через ключі інвертора і через джерело вхідної напруги. При цьому нагріваються всі вищеназвані компоненти ланцюга і втрати великі. Відмінністю двокаскадних інверторів є наявність внутрішньої ланки постійного струму. Інвертор з вч перетворенням, з формою вихідної напруги як модифікованою синусоїдою так і з чистим синусом, є двокаскадним інвертором. Він містить ємкісною накопичувач енергії на виході dcdc перетворювача, через якого протікає частина реактивного вихідного струму. Тому через вхідну частину перетворювача, тобто через dcdc перетворювач і джерело вхідної напруги, протікає значно менша величина змінного струму, і відповідно ці блоки інвертора менше нагріваються. Тому двокаскадні типи інверторів можуть мати ККД вище, ніж однокаскадні для даного типа навантажень.
При роботі споживачів з індуктивним характером навантаження від різних типів перетворювачів виявляється відмінність ефективного струму навантаження. Даний ефект існує тому що для індуктивного навантаження окрім ефективної напруги важливе ще і середнє значення напруги за період. Цей вивід виходить із закону електромагнітної індукції, згідно якому розмах амплітуди змінного струму на індуктивності пропорційний прикладеним вольт, - секундам (В*С). А середня напруга для синусоїди з ефективною напругою 220В і для модифікованої синусоїди з піковою напругою 311В і ефективною напругою 220В вельми різно і складає 198В і 156В відповідно. Для визначення чисельного значення відмінності ефективного струму і активної потужності навантаження вироблено моделювання в середовищі micro-cap, результати якого представлені на Рис.2.3.6 Як навантаження при моделюванні використовувалася RL ланцюжок з КМ=0.7, тобто її активний опір і модуль індуктивного опору рівні і складають по 100Ом (величина індуктивності 318мГ).

Струм в навантаженні. Червоний графік при джерелі напруги у вигляді чистої синусоїди, синій - при джерелі напруги у вигляді модифікованої синусоїди

Рис.2.3.6 Графіки струму і вжитку активної енергії при індуктивному навантаженні.
Активна енергія, що виділяється в навантаженні. Червоний графік при джерелі напруги у вигляді чистої синусоїди, синій - при джерелі напруги у вигляді модифікованої синусоїди
З графіків виходить, що активна енергія ефективніше споживається при синусоїдальному джерелі напруги, причому різниця складає 16%. Така ж різниця буде і в активній потужності. Тобто, якщо підключити навантаження, призначене для роботи від мережі 220В до інвертора з формою вихідної напруги у вигляді модифікованої синусоїди, то споживана активна потужність знизиться на 16%. Ефективний струм при цьому знизиться на 9%. Для функціонування навантажень дане пониження активної потужності матиме негативні наслідки: електровібраційні прилади знизять механічну потужність, освітлювальні прилади світитимуть тьмяніше.
4. Види електроприладів з ємкісним характером навантаження і особливості роботи різних типів інверторів з даним виглядом навантаження.
Електричні прилади з ємкісним характером опору рідко застосовуються як закінчений блок, проте часто зустрічаються як частина інших електроприладів, наприклад ємкісні компенсатори реактивній потужності або фазозсувні ємкісні ланцюги для електродвигунів. Оскільки останні види навантажень розглядаються в інших розділах, має сенс розглянути окремо роботу інверторів різних типів на реальну ємкість. Модель реальної ємкості враховує втрати енергії в опорі виводів вживаних конденсаторів і є послідовно включеним ідеальний конденсатор і що емулює опір виводів резистор.
Спочатку розглянемо роботу інвертора з формою вихідної напруги у вигляді чистої синусоїди на реальну ємкість. Процеси, що протікають в цьому ланцюзі аналогічні процесам при роботі такого ж навантаження від мережі 220В. Як відомо, конденсатор в ланцюзі змінного струму є реактивним навантаженням, тобто повна потужність навантаження переважно складається з циркулюючої від навантаження до мережі і назад реактивної потужності і лише невелика частина повної потужності є активною потужністю втрат. При цьому корисний ефект навантаження створює саме реактивна потужність, а активна потужність є паразитним ефектом, що нагріває як саме навантаження так і інвертор. Величина активної потужності, що виділяється в інверторі, пропорційна вихідному опору інвертора.
Тепер же розглянемо роботу на таке ж навантаження інвертора з формою вихідної напруги у вигляді модифікованої синусоїди. Для здобуття наочних результатів використовувалося моделювання в середовищі micro-cap. Модель інвертора з формою вихідної напруги у вигляді модифікованої синусоїди є джерелом напруги з формою модифікованої синусоїди і послідовно включеного опору втрат Rг. Для порівняння використовувалося моделювання схеми з тим же самим навантаженням, але що працює від джерела змінної напруги 220В 50Гц з таким же вихідним опором. Схеми для моделювання представлені на Рис.2.3.7 Номінали елементів типові для звичайних вживань і складають: Сн=10мкФ, Rн=Rг=1Ом.

Рис.2.3.7 Схеми для моделювання в середовищі micro-cap
Результати моделювання представлені на мал. №8. З графіків струму навантаження видно, що форма і амплітуда струмів вельми різні. Струм навантаження з синусоїдальним джерелом напруги має також синусоїдальну форму і амплітуду 977мА, а струм навантаження з джерелом напруги у вигляді модифікованої синусоїди має вигляд експоненціальних імпульсів з амплітудою 152А і вельми короткою (десятки мікросекунд) тривалістю. Такі відмінності обумовлені тим, що у випадку з джерелом напруги у вигляді модифікованої синусоїди конденсатор заряджає від імпульсного джерела напруги з високою швидкістю зміни напруги, для якої конденсатор має низький опір. Тому напруги на опорах втрат Rг і Rн в імпульсі заряду великі і відповідно великі втрати. Виходячи з графіка виділення енергії на опорі втрат, загальна потужність втрат складає для синусоїдального джерела напругу 0.95Вт, а для джерела напруги у вигляді модифікованої синусоїди 98Вт, тобто відрізняється в сто разів.
Струм в навантаженні. Червоний графік при джерелі напруги у вигляді чистої синусоїди, синій - при джерелі напруги у вигляді модифікованої синусоїди


Рис.2.3.8 Графіки струму і енергії втрат для різних видів джерел напруги.
Енергія, що виділяється в опорі втрат. Червоний графік при джерелі напруги у вигляді чистої синусоїди, синій - при джерелі напруги у вигляді модифікованої синусоїди
Можна показати, що потужність втрат при джерелі напруги у вигляді модифікованої синусоїди не залежить від опору втрат, а лише від величини конденсатора. Проте розподіл втрат між інвертором і конденсатором пропорційно їх внутрішнім опорам. Але в будь-якому разі, такий високий рівень пікових струмів і потужності втрат небажаний як для інвертора, так і для навантаження. Небагато типів конденсаторів для мережі 220В здатні працювати з внутрішніми втратами в 100 разів більшими, ніж номінальні.
Також високий рівень струмів при джерелі напруги у вигляді модифікованої синусоїди створює підвищений акустичний ефект при роботі інвертора. Спектральний склад вихідного струму інвертора з формою вихідної напруги у вигляді модифікованої синусоїди при роботі на ємкість вельми широкосмуговий, а амплітуда струму вельми велика, тому звуковий ефект вироблюваний цим струмом вельми гучний і неприємний на слух.
5. Види електроприладів з випрямлячем на вході і особливості роботи різних типів інверторів з даним виглядом навантаження.
Електричні прилади з випрямлячем на вході повсюдно зустрічаються в техніці і в побуті. До цих приладів відноситься побутова електроніка з трансформаторним або імпульсним блоком живлення. Еквівалентна схема підключення такого навантаження представлена на Рис.2.3.9 Джерело живлячої напруги, в даному випадку інвертор, представлене у вигляді генератора напруги Vг з опором втрат Rг. Сам електричний прилад харчується випрямленою напругою і представлений опором Rн. Блок живлення електроприладу складається з мостового випрямляча і конденсатора Сн, що фільтрує. Неідеальність конденсатора моделюється послідовним опором Rк. Опір випрямляча, вхідних провідників і трансформатора живлення (в разі трансформаторного блоку живлення) моделюється послідовним опором Rп.

Рис.2.3.9 Еквівалентна схема підключення електроприладу з випрямлячем на вході.
Робота такого навантаження сильно відрізняється при використанні інверторів з різними видами вихідної напруги. Причина цього така ж, як і для ємкісного навантаження і полягає в тому, що конденсатор Сн, що фільтрує, заряджає від вхідного джерела напруги. Якщо швидкість зміни напруги велика, як при роботі від джерела з формою напруги у вигляді модифікованої синусоїди, то втрати в елементах ланцюга збільшуються багато разів. Можна аналітично показати, що при роботі від джерела з формою напруги у вигляді модифікованої синусоїди загальні втрати енергії залежатимуть лише від амплітуди змінної складової напруги на конденсаторі Сн і величини ємкості цього конденсатора, і не залежати від величини опорів Rг, Rп і Rк. Від величини цих опорів залежатиме лише розподіл втрат серед елементів схеми.
Для здобуття наочних результатів знову використовувалося моделювання в середовищі micro-cap. Для порівняння використовувалося моделювання схеми з одним і тим же навантаженням, але що працює від інвертора з синусоїдальною формою напруги 220В 50Гц і від інвертора з формою напруги у вигляді модифікованої синусоїди. Номінали елементів схеми для моделювання складають: Rн=500Ом, Сн=47мкФ, Rг=Rп=Rк=1Ом. Такі номінали типові для блоку живлення побутової електроніки потужністю 150Вт, наприклад телевізора. Результати моделювання представлені на мал. №10. З графіків вихідного струму інвертора видно, що форма і амплітуда струмів вельми різні для інверторів з різними видами вихідної напруги. Струм інвертора з синусоїдальним джерелом напруги має плавну форму і амплітуду 3.1А, а струм навантаження з джерелом напруги у вигляді модифікованої синусоїди має вигляд експоненціальних імпульсів з амплітудою 20.2А і вельми короткою (сотні мікросекунд) тривалістю. Виходячи з графіка виділення енергії на опорі втрат, загальна потужність втрат складає для синусоїдального джерела напругу 3.5Вт, а для джерела напруги у вигляді модифікованої синусоїди 9.4Вт. Таким чином, загальна потужність втрат при роботі навантаження від інвертора з формою напруги у вигляді модифікованої синусоїди майже в 3 рази більш ніж при роботі того ж навантаження від інвертора з синусоїдальною формою напруги. Оскільки опори втрат включені послідовно, розподіл потужності втрат на кожному конкретному елементі теж зберігатиметься, тому наприклад сам інвертор виділятиме потужності в 3 рази більше, конденсатор і трансформатор блоку живлення також грітимуться в 3 рази більше. Елементи побутових приладів можуть не мати трикратного запасу по вихідній потужності і вийти з буд в результаті живлення від інверторів з формою напруги у вигляді модифікованої синусоїди.

Графік струму в навантаженні. Зелений графік при джерелі напруги у вигляді чистої синусоїди, червоний - при джерелі напруги у вигляді модифікованої синусоїди

Рис.2.3.10. Графіки вихідного струму інвертора і енергії втрат для різних видів інверторів.
Енергія, що виділяється в опорі втрат. Зелений графік при джерелі напруги у вигляді чистої синусоїди, червоний - при джерелі напруги у вигляді модифікованої синусоїди
Як і для ємкісного навантаження, для навантаження з випрямлячем на вході, високий рівень струмів при джерелі напруги у вигляді модифікованої синусоїди створює підвищений акустичний ефект при роботі інвертора. Спектральний склад вихідного струму інвертора з формою вихідної напруги у вигляді модифікованої синусоїди при роботі на навантаження з випрямлячем на вході вельми широкосмуговий, а амплітуда струму вельми велика, тому звуковий ефект вироблюваний цим струмом вельми гучний і неприємний на слух. При цьому справляти звукове враження може будь-який елемент схеми, через який протікає вихідний струм інвертора, цей елемент може знаходитися в інверторі або в електроприладі, що підключається, або в сполучних дротах.
2.4 Конвертори - перетворювачі постійної напруги
Часто при живленні електронних пристроїв ІП є низьковольтними, а для живлення ланцюгів вжитку потрібна значна напруга. При цьому удаються до перетворення напруги. Для цього використовують інвертори і конвертори. Використовуються електромагнітні перетворювачі, віброперетворювачі і статичні перетворювачі.
Електромагнітні перетворювачі - виробляють напругу синусоїдальної форми, тоді як напівпровідникові і віброперетворювачі - напруга прямокутної форми. В даний час є статичні перетворювачі з вихідною напругою формою близьким до синусоїдального. Недолік електромагнітного перетворювача: великі габарити і маса.
Віброперетворювачі - малопотужні і малонадійні. Тому найбільше вживання знаходять напівпровідникові перетворювачі з малими габаритами і масою, високим ККД і експлуатаційною надійністю.
Побудова перетворювачів на тиристорах і транзисторах слід пов'язувати з величиною живлячої напруги, необхідної потужності, характером зміни навантаження.
Транзисторні перетворювачі напруги
Підрозділяються за способом збудження на 2 типи: з самозбудженням і перетворювачі з посиленням потужності.
Транзистори можуть включатися за схемою з ОЕ, ОК, Про, але найширше використовуються включення з ОЕ, оскільки в цьому випадку реалізується максимальне посилення транзисторів по потужності і тим більше просто досягаються умови самозбудження.
Перетворювачі з самозбудженням виконуються на потужних, до декількох десятків ватів, за однотактними і двотактними схемами. Проста схема однотактного перетворювача є релаксаційним генератором із зворотним зв'язком Рис.2.4.1.




Із
Рис.2.4.1 З зворотним включ. діода Рис.2.4.2 З прямим включ. діода.
При підключенні напруги живлення через резистор на базу транзистора подається потенціал, що спирає. Транзистор відкривається і через первинну обмотку Wк трансформатора протікає струм, який викликає магнітний потік в магнітопроводах транзистора. Напруга, що з'являється при цьому, на обмотці Wк трансформується в обмотці зворотного зв'язку Wб, полярність підключення якої така, що вона сприяє відмиканню транзистора. Коли струм колектора досягає свого максимального значення: Iк=Iб*h21 э, наростання магнітного потоку припиниться, полярність напруги на обмотках трансформатора змінюється на протилежне і відбувається лавиноподібний процес замикання транзистора. Напруга на вторинній обмотці трансформатора має прямокутну форму.
Полярність підключення силового діода випрямляча на вторинній обмотці трансформатора визначає спосіб передачі енергії в навантаження. Діод відкривається коли закривається транзистор, заряджає конденсатор, який підтримує постійність струму в навантаженні.
При прямому включенні діода Рис.2.4.2 передача енергії джерела живлення Uп в навантаження Rн відбувається в період часу tu, коли транзистор і силовий діод VD1 відкриті. Конденсатор згладжуючого фільтру Cф при цьому заряджає випрямленою напругою до Uп.
У перебігу паузи tп, коли транзистор закритий, ланцюг струму Iн замикається через дросель Lф і блокуючий діод VD2, як і в імпульсному стабілізаторі з послідовним регулюванням.
У однотактних перетворювачах трансформатор працює з подмагничиванием, для боротьби з яким можна застосовувати сердечник із зарядом. Проте він не личить при використанні тори. транзистора. У нашому випадку використовується блокуючий конденсатор, який в перебігу паузи tп разряжаетсячерез обмотку W1, перемагнічувавши сердечник струмом розряду.
Ємкість Cбл. Вибирається з умови, аби при максимальному коефіцієнті заповнення цmax тривалість паузи tп була не менше чверті періоду коливального контура L, Cбл.
Такий перетворювач із зворотним включенням діода забезпечує розв'язку і захист вихідної напруги від перешкод по вхідних шинах живлення.
Транзисторні перетворювачі визначаються по наступних формулах:
Uп=Uп (Iкм/2Iн-W1/W2)
tu = Iкм*L1/Uп
tп = Iкм*L2/Uн*W2
ц = fп*Iкм*L1/Uп = tu/ (tu+tп)
Кращі массогабаритные показники мають двотактні перетворювачі із знижувальним трансформатором.
Трансформатори виконуються на магнітопроводі з прямокутною петлею гістерезису. Тут також використовується позитивна ОС. Генератор працює таким чином. При включенні напруги живлення Uп із-за неідентичності параметрів один з транзисторів, наприклад VT1, починає відкриватися і його колекторний струм збільшується. Обмотки ОС Wб підключені так, що наведене в них ЕДС повністю відкриває транзистор VT1 і закриває транзистор VT2.
Перемикання транзисторів починається у момент насичення транзистора. Внаслідок цього наведені у всіх обмотках трансф. Напруга зменшується до нуля, а потім змінює свою полярність.
Тепер на базу раніше відкритого транзистора VT1 подається негативна напруга, а на базу раніше закритого транзистора VT2 поступає позитивна напруга і він починає відкриватися. Цей регенеративний процес формування фронту вихідної напруги протікає дуже швидко. Надалі процеси в схемі повторюються.
Частота перемикання залежить від значення напруги живлення, параметрів трансформатора і транзисторів і розраховуються по формуле:
fп= ( (Uп-Uкэ нас) *10000) /4*B*s*Wк*Sc*Kc.
Такий режим економічніший, ніж при перемиканні за рахунок граничного струму колектора і робота перетворювача стійкіша.
Такі перетворювачі використовуються як задаючі генератори для підсилювачів потужності і як автономні малопотужні джерела електроживлення. Основні достоїнства: простота схеми, а також нечутливість до короткого замикання в ланцюзі навантаження.
Недоліком перетворювача з сердечником, що насичується, є наявність викидів колекторного струму у момент перемикання транзисторів, що збільшує втрати а перетворювачі.
Напруга на закритому транзисторі може досягати значення:
Uкэm = (2,2: 2,4) Uпmax
дві напруга це сума Uп+ЭДС на непрацюючій обмотці, крім того враховуються викиди напруги під час перемикання. Для зменшення останніх в схему інколи включають шунтуючі діоди.
При перетворенні великих потужностей найбільшого поширення набули перетворювачі з використанням підсилювача потужності. Як задаючий генератор можна використовувати перетворювачі з самозбудженням. Вживання таких перетворювачів доцільне якщо необхідно забезпечити постійність частоти і напруги на виході, а також незмінність форми кривої змінної напруги при зміні навантаження перетворювача.
В разі високої вхідної напруги застосовують мостові підсилювачі потужності.
Передбачимо, в перший напівперіод одночасно працюють транзистори T1,T2. У другій T2,T3. Напруга живлення прикладається до первинної обмотки транзистора, його полярність міняється кожен напівперіод. Напруга на закритому транзисторі дорівнює напрузі джерела живлення. Вихідний транзистор працює в ненасиченому режимі, виконується він з матеріалу з непрямокутної петлі гістерезису.
Перетворювачі на тиристорах.
Тиристори на відміну від транзисторів мають однобічне управління. Для замикання тиристорів в схемах перетворювачів використовуються реактивні елементи в основному у вигляді комутуючих конденсаторів. Рис.2.4.3 графік перетворювачів на тиристорах
При відмиканні першого тиристора ємкість заряджає до напруги 2Uп. При відмиканні другого тиристора напруга конденсатора прикладається у зворотному напрямі до першого транзистора, під дією його він закривається. Конденсатор перезаряджається, і напруга на його обмотках і на первинній обмотці тиристора міняє знак (потенціали показані на схемі в дужках). У наступний напівперіод знов відмикається тиристор T1 і процес повторюється.
Для забезпечення замикання тиристорів необхідно, аби енергія комутуючого конденсатора була достатньою для того, щоб в процесі перезаряду зворотна напруга на тиристорах падала досить повільний і встигло б забезпечити відновлення їх замикаючих властивостей.

Рис.2.4.3 Графік перетворювачів на тиристорах
Недоліком такого інвертора є сильна залежність вихідної напруги від струму навантаження.
Для зменшення впливу характеру і величини навантаження на форму і величину вихідної напруги застосовують схеми із зворотними діодами, які у свою чергу необхідні для повернення реактивної енергії, накопиченої в індуктивному навантаженні і реактивних комутуючих елементах в джерелі живлення перетворювача.
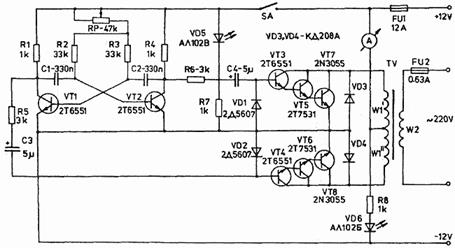
3. Синтез структурної схеми
Відповідно до технічного завдання необхідний пристрій, в якого на виході буде напруга та струм. У зв'язку з цим пристрій повинен живитися від акумулятора із постійною напругою 9…14В. Для виконання покладених на пристрій завдань він повинен містити вихідний підвищувальний трансформатор, який перетворюватиме постійну напругу 12Вв змінну 220В. Для забезпечення захисту пристрою від неправильно увімкненої напруги живлення, момент включення пристрою, необхідний пристрій захисту, який забезпечить захист пристрою. Щоб перетворювати постійну напругу в змінну необхідний пристрій перетворення постійної напруги в змінну, а також пристрій управління цим перетворювачем. Для здобуття необхідної нам постійної напруги на виході нам необхідний вихідний підвищувальний трансформатор. Для управління всіма пристроями необхідний пристрій управління, який включає в себе (мультивібратор, та змінні резистори).
Для контролю вихідної напруги і струму необхідний пристрій індикації. Щоб захистити всі системи пристрою від перевищення напруги та перенавантаження, від обриву фази необхідні схеми захисту від цих чинників. Для здобуття напруги живлення низьковольтних пристроїв необхідне вторинне джерело живлення, яке вироблятиме необхідні напруги.
3.1 Опис структурної схеми інвертора
Структурна схема джерела інвертора представлена Рис.3.1.1.
Побудова систем інвертного живлення залежить від вирішуваними ними задач. В деяких випадках необхідно якнайменший час переключення навантаження на живлення від АБ чи навпаки. В інших потрібно забезпечити довготривалу роботу від АБ, при цьому час переключення не являється критичною величиною. Тобто, можна сказати, що для кожного конкретного випадку потрібно вирішувати іншу технічну задачу.
Розроблюваний блок для забезпечення безперервного живлення різноманітних пристроїв (серверів, персональних комп’ютерів, модемів та ін.) напругою 220В, 50Гц.
Система призначена для живлення пристроїв, що мають джерела живлення т 220В 50Гц. Це дозволяє зменшити вимоги щодо розробки нашого приладу, так як імпульсні джерела живлення здатні працювати з мережею ± 20% від нормального значення. Ще однією перевагою є здатність їх працювати, що мають не синусоїдальну характеристику напруги (апроксимована синусоїда, квазі синусоїда).
Розглянемо основні блоки, що входять до складу пристрою:
1. Пристрій формування імпульсів.
2. Акумуляторна батарея.
3. Пристрої захисту.
4. Пристрій комутації.
5. Трансформатор вихідний.
Для забезпечення роботи та функціонування всіх частин ДБЖ, необхідна ланка, котра здійснювала б зв’язок між всіма цими частинами. Можна розглянути декілька видів таких схем:
1. Аналогові системи, операції регулювання в яких здійснюються шляхом порівняння, підсилення, перетворення аналогових сигналів. Похибка установки параметрів в такій системі сильно залежить від параметрів активних і пасивних елементів схеми. Такі системи використовуються, в основному в недорогих пристроях.
2. Цифрові системи, операції керування проводяться над цифровими величинами, отриманими із аналогових сигналів шляхом оцифровування аналого-цифровими перетворювачами (АЦП). Точність таких систем набагато вища за рахунок використання математичного апарату числення.
3. Комбіновані, операції керування та регулювання в яких виконуються або аналоговими, або цифровими пристроями. Перетворювач виконує роль перетворювача постійної напруги 12В в змінну 220В 50Гц. Даний пристрій побудований на схемі мультивібратора. На його виході утворюються імпульси різної полярності, але не стабільно, тобто залежить від зміни вхідної напруги. Напруга на акумуляторі змінюється в межах 9.14В, а вихідна ДБЖ повинна залишатись стабільною. Перетворювач постійної напруги в змінну здійснює формування вихідної напруги 220В, 50Гц.

Рис.3.1.1 Структурна схема інвертора напруги.
У початковий момент часу роботи на вхід перетворювача подається постійна напруга акумулятора 12 В. Пристрій захисту перетворювача забезпечує плавне включення і запобігає від невірно увімкненого живлення. Постійна напруга потрапляє на пристрій комутації, який здійснює обробку отриманих імпульсів від мультивібратора. За допомогою пристрою управління регулятором здійснюється регулювання на виході мультивібратора частоти імпульсів, що забезпечує отримання потрібної частоти. Необхідна змінна напруга поступає на вхід вихідного підвищувального трансформатора, на виході якого утворюється змінна напруга. Для захисту пристрою від перенапруження використовують запобіжники, він спрацьовує у разі виникнення аварійної ситуації. Живлення пристрою здійснюється за допомогою акумуляторної батареї. Схема структурна приведена на Рис.3.1.1
3.2 Вибір схеми інвертора, опис принципу дії
Розглянемо спершу можливі варіанти побудови схем інвертора напруги. У інверторі навантаження включається послідовно. Параметри комутуючого контура вибираються так, щоб забезпечити коливальний характер анодного струму тиристорів. Живлення схем здійснюється від джерела постійного струму, що має малий внутрішній опір. Схема, приведена на Рис.4.1 При значній розбіжності частот не забезпечується нормальний процес комутації, і робота інвертора стає неможливою. Ця схема так само забезпечує захист транзисторів від пробоя, високої швидкості наростання струму, при короткому замиканні (КЗ) в навантаженні і при “перекиданні” інвертора, перегоряє захисний запобіжник.
Вибір схеми інвертора, побудованою з використанням діодів в ланцюгах транзисторів, для захисту від шкідливих імпульсів. Схема перетворювача постійної напруги 12 в змінну 220 В приведена на Рис.4.1 Цей інвертор підходить для живлення споживачів, яким необхідна змінна напруга 220 В із загальною потужністю до 150 Вт.

Рис.4.1 Принципова схема інвертора
Інвертор складається із задаючого генератора (симетричний мультивібратор на VT1, VT2) і силового ланцюга (VT3. VT8). Інвертор працює таким чином. Після включення постійної напруги живлення, задаючий генератор на VT1 і VT2 починає генерувати імпульси, що управляють. Ці імпульси через R5 і СЗ подаються на одне плече силового ланцюга, а через R6 і С4 - на друге. Коли на колекторі VT1 - високий рівень (логічна "1"), а на колекторі VT2 - низький рівень ("0"), транзистори VT4, VT6 і VT8 відкриті, і струм тече по ланцюгу: "+" джерела живлення - обмотка W1" - перехід колектор-емітер транзистора VT8 - "-" джерела живлення. У цей момент транзистори VT3, VT5 і VT7 закриті.
У наступний момент на колекторі VT2 буде "1", а на колекторі VT1 - "0". Транзистори VT3, VT5, VT7 відкриті, і струм потече по ланцюгу: "+" джерела живлення - обмотка W1' - перехід колектор-емітер VT7 - "-" джерела живлення. Транзистори VT4, VT6 і VT8 закриті. Завдяки цьому, до первинної обмотки вихідного трансформатора прикладається змінна напруга прямокутної форми, амплітуда якої приблизно рівна напрузі живлення.
Створюване в магнітопроводі магнітне поле індукує у вторинній обмотці електрорушійну силу, величина якої визначається числом витків вторинної обмотки W2. Діоди VD1 і VD2 служать для запобігання викидам напруги негативної амплітуди при роботі задаючого генератора, а діоди VD3 і VD4 оберігають від пробою могутні транзистори в силовому ланцюзі на неодруженому ходу (за відсутності навантаження у вторинній обмотці трансформатора). Трансформатор TV намотаний на магнітопроводі Ш36х36. Обмотки W1' і W1" мають по 28 витків дроти ПЕЛ d2,1 мм (кожна), а обмотка W2 - 600 витків дроту ПЕЛ d0,59 мм. Спочатку намотується обмотка W2, а поверх неї - обмотки W1' і W2". На Рис.4.2 схема розташування на ній елементів. Транзистори VT5, VT7 і VT6, VT8 встановлюються по два на окремих радіаторах без ізолюючих прокладок.

Рис.4.2 Схема розташування елементів
Для контролю роботи схеми бажано включити між позитивним полюсом живлення і середньою точкою обмотки W1 амперметр з межею вимірювання 10 А (показаний на схемі рис.1). Він призначений для візуального стеження за величиною струму, що протікає через транзистори силового ланцюга. При включенні максимального навантаження у вторинну обмотку цей струм не повинен перевищувати 10 А. Прі відсутності навантаження він повинен бути менше 5 А. Якщо ж при включенні інвертора у відсутність навантаження струм перевищує 10 А, це означає, що пробитий (або включений неправильно) який-небудь з діодів VD3, VD4 або транзисторів силового ланцюга. Наладка інвертора полягає в настройці задаючого генератора і здійснюється за допомогою осцилографа або частотоміра. Вхід осцилографа (частотоміра) підключається до колектора одного з транзисторів VT1 або VT2, і на генератор подається живлення.
За допомогою RP частота генератора встановлюється 50 Гц. Осцилографом бажано проконтролювати і форму прямокутних імпульсів. Настроєний інвертор вмонтовується у відповідному корпусі, на передню панель якого виводяться амперметр, утримувач запобіжника, вимикач задаючого генератора, клеми підключення навантаження і акумуляторної батареї живлення, а також індикатори включення акумулятора (червоний) і задаючого генератора (зелений). Інвертор може здійснювати живлення споживача потужністю 100 Вт не менше 2 годин при використанні акумуляторної батареї ємкістю 44 А*ч.
Настройка перетворювача полягає в установці частоти задаючого генератора змінним резистором R9. Для настройки підключити осцилограф або частотомір до колектора одного з транзисторів мультивібратора і включити живлення перетворювача. Регулюванням змінного резистора добитися частоти коливань, що генеруються, 50 Гц. При розробці перетворювача допустимі наступне заміни елементів: 2T6551 - KT601A, 2Т7531 - КТ807а, 2N3055 - Тт819гм, 2D5607 - Д226А, діод КД208а застосований російського виробництва. Як індикатори можна застосувати світлодіоди АЛ307в (зелений) і АЛ307б (червоний).
4. Вибір елементної бази
Інвертор напруги здійснює живлення від джерела постійного струму. Враховуючи все вище перераховане вибиратимемо елементну базу.
4.1 Вибір діодів
Для реалізації інвертора напруги, застосованих в принципові схемі, використаємо діоди типу Д226А і 2D5607.
Діоди типу КД226А застосовані в схемі захисту від імпульсів іншої полярності. Їх вистачає для роботи в слабкострумових ланцюгах.
Інші діоди використані в пристрої типу 2D5607. Ці діоди мають високу надiйнiсть і низьку вартість, вони задовольняють наші вимоги, застосовані у захисту від пробою вихідних транзисторів.


Д226А 2D5607
4.2 Вибір транзисторів
Транзистори типу КТ601А вживаний для використання у мультивібраторі. Ці транзистори мають високу надійність і малу вартість.
Транзистори перетворювача вибираємо типу КТ807А, а транзистор кінцевий типу 2N3055, виходячи з того ці транзистори можуть працювати на струмах до 15А. максимальна напруга до 100В.
Тому вибираємо їх.


КТ601А КТ807А


2N3055
4.3 Вибір конденсаторів
Виходячи з технічних умов і надійності, як високовольтні конденсатори застосуємо конденсатори типу М75, що мають малі струми витоку і що працюють при низькій температурі, їх застосовуємо у мультивібраторі.
Для лінії затримки на входи транзисторів використаємо конденсатори типу К50-35.
Ці конденсатори використаємо виходячи з того що у них є потрібна нам ємність і широкий температурний діапазон, а також низька вартість.


К50-35 М75
4.4 Вибір резисторів
ЯкобмежуючийрезистордляпристроюпоступовогозарядуконденсаторівфільтрузастосуєморезистортипуЕ-24.
В якості підстроєчних вибираємо резистори типу для керування частотою мультивібратора.
Інші резистори вибираємо резистори типуС2-29 різної потужності.
Ці резистори мають широке поширення, низьку вартість і задовольняють нашим вимогам.


РП3 Е-24
4.5 Вибір трансформаторів
Вихідний трансформатор виготовляється в лабораторних умовах по виконаних розрахунках.
У джерелі перетворювача використаємо стандартний трансформатор типу МІТ намотаний на магнітопроводі Ш36х36, який зможе дати потрібну вихідну потужність.
4.6 Вибiр пристроїв індикації
В якості індикаторів роботи джерел живлення візьмемо світлодіоди зеленого і червоного кольорів типу АЛ307в (зелений) і АЛ307б (червоний)., в якості індикаторів наявності живлячої постійної напруги візьмемо світлодіод червоного кольору типу. Зелений буде показувати наявність напруги на МВ. Також іще один зелений буде показувати наявність напруги на виході інвертора напруги.
4.7 Вибір запобіжників
Для захисту джерел живлення при виникненні аварійної ситуації використаємо не відновлювані запобіжники типу ВП2Т-1Ш, розраховані на роботу до 2 А.
4.8 Вибір акомулятора
Для живлення приладів електроустаткування при малій частоті обертання колінчастого вола або при непрацюючому двигуні використовується хімічне джерело струму - акумуляторна батарея.
Акумуляторна батарея володіє властивістю після розряду відновлювати свою здатність віддавати струм в зовнішній ланцюг, якщо через неї пропустити струм в зворотному напрямів, т. е провести її заряд.
Акумуляторна батарея складається з шести свинцево-кислотних акумуляторів двохвольтів сполучених між собою послідовно, що забезпечує отримання в ланцюзі номінальної напруги 12В. Всі акумулятори розміщуються в загальному баку, розділеному внутрішніми перегородками на шість осередків. На дні бака є ребра, на які спираються пластини акумуляторів. Матеріалом для бака є кислототривка пластмаса або ебоніт.
Інвертор може здійснювати живлення споживача потужністю 150 Вт не менше 2 годин при використанні акумуляторної батареї ємкістю 12В 44 А/ч.
5. Економічна частина
5.1 Коротка характеристика собівартості продукції
Собівартість виготовлення продукції є одним з основних економічних показників виготовлення виробу. Собівартість продукції включає в себе суму всіх витрат по виробництву продукції, вираженні у грошовому виразі.
Є наступні види собівартості:
1) цехова собівартість - це всі витрати по виробництву продукції даним цехом;
2) виробнича собівартість - це всі витрати, що пов'язані з виробництвом та збутом продукції в цілому по підприємству. Іншими словами - це сума всіх цехових затрат;
3) повна собівартість - це витрати, що пов'язані з виробництвом та збутом продукції в цілому по підприємству. Вона визначається як сума виробничої собівартості та позавиробничих витрат;
4) планова собівартість - це витрати, що передбачаються на плановий випуск продукції;
5) фактична собівартість - це витрати, що пов'язані з виробництвом та збутом фактично виготовленої продукції;
6) індивідуальна собівартість - це витрати окремих підприємств по виробництву певного виду продукції.
Метою планування собівартості продукції є економічне обгрунтування величини витрат, що затрачаються на виробництво та збут продукції.
Собівартість продукції включає в себе вартість сировини, матеріалів, оплату праці, амортизацію основних засобів, вартість послуг, наданих іншими підприємствами, вартість електроенергії, води, палива, витрати по реалізації продукції. Тому собівартість продукції є одним з узагальнюючих факторів показників роботи підприємства.
Планування собівартості продукції за калькуляційними статтями називають калькулюванням. Результатом калькулювання є складання калькуляції - документу, в якому обумовлені всі витрати на виробництво і збут конкретного виду продукції. Калькулювання здійснюється за такими калькуляційними статтями:.
1) витрати на сировину, основні та допоміжні матеріали. Вони складаються з вартості сировини, матеріалів, або з вартості необхідних складових при їх виготовленні. Вони визначаються добутком норми кількості сировини та матеріалів на ціну одиниці сировини;
2) витрати на покупку комплектуючі вироби. Вони складаються з вартості витрат, що зроблені на купівлю напівфабрикатів, готових виробів, що вимагають додаткових витрат праці на їх обробку або складання при укомплектуванні продукції. Визначається добутком кількості комплектуючих виробів на їх ціну;
3) транспортно-заготівельні витрати (ТЗВ). Вони складаються з вартості доставки сировини, матеріалів, комплектуючих виробів, напівфабрикатів від підприємства - виготовлювача на склади даного підприємства. Визначаються добутком відсотку транспортно-заготівельних витрат на вартість двох попередніх калькуляційних статей, поділених на 100 відсотків;
4) основна заробітна плата виробничих працівників, яка складається з оплати робіт по відрядних розцінках, а також з погодинної оплати праці відрядних робочих. Вона визначається добутком норми часу по виготовленню виробу на тарифну ставку;
5) відрахування на соціальне страхування з заробітної плати робітників, які складаються з відрахувань на соціальне страхування по встановлених нормах Кабінету Міністрів України. Визначається добутком встановленого відсотку від основної заробітної плати працівників виробничих, поділено на 100 відсотків;
6) витрати на утримання устаткування, які складаються з витрат на допоміжні матеріали, які необхідні на утримання та ремонт устаткування, з заробітної плати допоміжних робочих, що займаються ремонтом та експлуатацією устаткування, з амортизаційних відрахувань обладнання, з вартості електроенергії, що споживається обладнанням. Вони визначаються сумуванням всіх перерахованих в даній статі витрат. А у її відношенні до основної заробітної плати виробничих працівників за рік, отримуємо відсоток ВУУ на рік. Вони визначаються добутком ВУУ на основну заробітну плату робітників конкретного виду продукції, поділено на 100 відсотків;
7) цехові витрати (ЦВ), які складаються; заробітної плати апарату управління цехом, амортизаційних відрахувань цехових будівель, витрати на раціоналізацію та винахідництво цехового характеру. Сумування всіх перерахованих витрат сьомої калькуляційної статті отримаємо цехові витрати на рік, а у відношенні її до суми основної зарплати виробничих робочих за рік, отримаємо відсоток ЦВ на рік. Вони визначаються добутком отриманого відсотку ЦВ на суму основної зарплати робітників по виготовленню конкретного виду продукції, поділених на 100 відсотків.
5.2 Розрахунок собівартості виготовлення блоку живлення
Для розрахунку собівартості виготовлення блоку живлення спочатку розрахуємо вартість виготовлення матеріалів. Дані вимірювань занесемо в таблицю.
Таблиця 5.1 Розрахунок вартості основних і допоміжних матеріалів для виготовлення блоку живлення
| Назва матеріалів | Одиниці вимірювання | Норма витрат | Ціна (грн.) | Вартість (грн.) |
| Дріт монтажний | М | 1,00 | 0,50 | 0,50 |
| Припой ПОС-61 | Кг | 0,1 | 7,00 | 1,70 |
| Каніфоль соснова | Кг | 0,05 | 5,00 | 0,25 |
| Ацетон | Л | 0,10 | 4,00 | 0,40 |
| Мідний купорос | Кг | 0,10 | 8,00 | 0,80 |
| Гетинакс | Кг | 0,05 | 10,00 | 0,50 |
Разом 4,15
Вартість основних та допоміжних матеріалів рівна 4,15 грн.
Підрахуємо вартість купованих виробів. Дані вимірювань занесемо в таблицю.
Таблиця 5.2 Підрахунок вартості купованих виробів, які витрачаються на виготовлення блоку живлення
| Назва комплектуючих виробів | Одиниці вимірювання | Норма витрат | Ціна (грн.) | Вартість (грн.) |
| Конденсатори К50-36 | шт. | 2 | 0,80 | 1,60 |
| Конденсатори К73-9 | шт. | 2 | 0,80 | 1,60 |
| Запобіжник ВП-1-1А | шт. | 2 | 0,50 | 1,00 |
| Резистор С2-23-2 | шт. | 1 | 1,00 | 1,00 |
| Резистори МЛТ | шт. | 8 | 0,50 | 4,00 |
| Вимикач МТ-1 | шт. | 1 | 3,00 | 3,00 |
| Трансформатори | шт. | 1 | 50,50 | 50,50 |
| Діоди Д226А | шт. | 2 | 1,00 | 2,00 |
| Діоди КД 208А | шт. | 2 | 0,80 | 1,60 |
| Транзистор КТ601А | шт. | 4 | 1,00 | 4,00 |
| Транзистор КТ807 А | шт. | 2 | 3,50 | 7,00 |
| Транзистор 2N3055 | шт. | 2 | 7,00 | 14,00 |
Разом 91,3
Отже вартість комплектуючих виробів рівна 41,3 гривні.
Підрахуємо вартість витрат на енергоносії. Дані підрахунку напишемо в таблицю.
Таблиця 5.3 Підрахунок вартості енергоносіїв
| Назва енергоносія | Одиниці вимірювання | Кількість | Тариф (грн.) | Сума (грн.) |
| Електроенергія | кВт/год | 0.9 | 0,40 | 3,34 |
| Вода гаряча | м | 3 | 0, 20 | 0,60 |
| Вода холодна | м | 6 | 0,05 | 0,03 |
| Повітря стиснуте | м | 10 | 0,02 | 0, 20 |
Разом 4,17
Отже вартість енергоносіїв становить 4,17 гривень.
Підрахуємо вартість основної заробітної плати, якщо на виготовлення блоку живлення було потрачено 42 нормо-години. Вартість однієї нормо-години для регулювання радіоапаратури 4-го розряду становить 1 грн.40 коп.
ОЗП = 42 к. г. х 1,4 грн. = 58,8 грн.
Отже величина основної заробітної плати становить 58, 8 грн.
Підрахуємо величину амортизаційних відрахувань. Дані підрахунку занесемо в таблицю.
Таблиця 5.4 Підрахунок амортизаційних відрахувань
| Перелік фондів | Вартість (грн.) | Норма аморт. % | Амортич. Відрахув. (грн.) |
| Паяльник ПНС-40 | 20,00 | 1,7 | 0,3 |
| Набір монтажний | 40,00 | 1 | 0,4 |
| Латр-1А-220В050Гц | 60 | 1 | 0,60 |
| Тестер Ц 4317 | 60 | 1 | 0,60 |
| Вольтметр ВУ-15 | 85 | 1 | 0,80 |
| Амперметр Е-59 | 40 | 1 | 0,40 |
| Опір навантаження | 5,00 | 1 | 0,05 |
Разом 3, 20
Отже вартість амортизаційних відрахувань становить 3,2 грн.
Підрахуємо кошторисну собівартість виготовлення блоку живлення. Вона рівна сумі всіх семи вище нарахованих калькуляційних статей.
Таблиця 5.5 Підрахунок собівартості виготовлення блоку живлення
Назва калькуляційної статті |
Сума (грн.) |
| Витрати на матеріали | 4,15 |
| Витрати на комплектуючі | 91,30 |
| Витрати на енергоносії | 3,17 |
| Основна заробітна плата | 58,80 |
| Амортизаційні відрахування | 3, 20 |
| Інші витрати | 1,76 |
Разом 162,38 грн.
Отже кошторисна собівартість виготовлення блоку живлення становить 162 гривні 38 копійок.
6. Охорона праці
У проекті розглядуються принципи роботи і побудови потужного джерела живлення. При розробці цього пристрою питання охорони праці розглядуються стосовно забезпечення оптимальних (здорових і безпечних) умов праці для розробника.
6.1 Організація заходів з безпеки праці при виготовленні та випробуванні блоків живлення
6.1.1 Як відомо будь-яка виробнича діяльність супроводжується наявністю небезпечних і шкідливих факторів, які поділяються на слідуючі групи: фізичні, хімічні, біологічні і психофізіологічні.
До фізичних факторів відносять такі, як рухомі машини і механізми підвищена забрудненість і загазованість повітря та ін.
Хімічні фактори поділяють: по характеру дії на організм людини - на загально токсичні; подразнюючі, канцерогенні, мутагенні і ті, які впливають на репродуктивну функцію.
Група біологічних факторів включає в себе біологічні об’єкти, які діляться на мікроорганізми (бактерії, віруси, грибки) і макроорганізми (рослини, тварини).
Група психофізичних факторів по характеру дії поділяються на фізичні і нервово-психічні перевантаження.
Всі перераховані фактори являються небезпечними або шкідливими в таких умовах: швидкість, температура, маса, концентрація, напруга електричного поля та ін.
6.1.2 Розрізняють 4 види відповідальності за порушення законодавства про працю і правил по охороні праці: дисциплінарну, кримінальну, адміністративну і матеріальну.
Дисциплінарну відповідальність несуть особи, які порушили трудову дисципліну, в тому числі і трудове законодавство і правила по охороні праці.
Кримінальну відповідальність несуть особи, які порушили правило по охороні праці, а в проектних організаціях-норми і правила, які являються обов’язковими при проектуванні будівель, технологічних ліній обладнання.
Адміністративна відповідальність заключається в попередженні або накладенні штрафу представниками органів державного нагляду в тому числі технічними інспекторами праці.
Матеріальна відповідальність виражається в вирахуванні сум, виплачених потерпілим від нещасних випадків і професійних захворювань.
У відповідності з ГОСТ 12.0.004 - 89ССБТ “Вивчення безпеки праці. Загальні положення" всі особи, які приймаються на роботу, а також працівники, які переводять з однієї роботи на іншу проходять інструктаж: ввідний, первинний на робочому місці, повторний, позаплановий і текучий.
Ввідний інструктаж носить обширний характер і проводиться інженером по охороні праці, іноді в присутності працівників медичної установи або пожарної служби.
Перш за все при поступленні до роботи в цеху робітник проходить первинний інструктаж на робочому місці у майстра виробничого участку.
Один раз в півроку, а для професій пов’язаних з підвищеною небезпекою, щоквартально організовується повторний інструктаж. Майстер переважно проводить його з групою робітників, а в деяких випадках індивідуально.
Позаплановий інструктаж проводиться в випадках: зміни правил, стандартів, інструкцій по охороні праці, зміни технологічного процесу, заміни або модернізації обладнання, сировини, матеріалів і інших змін в умовах праці; порушенні працівниками інструкції, норми, а також використання неправильних прийомів і методів праці, які можуть призвести до травми або професійного захворювання.
Текучий інструктаж проводять з працівниками перед виконанням робіт, на який оформляється допуск-наряд.
6.1.3 В залежності від небезпеки поражених людей електричним струмом всі приміщення поділяють слідуючим чином:
- приміщення без підвищеної небезпеки;
- з підвищеною небезпекою;
- дуже небезпечні приміщення.
До приміщень з підвищеною небезпекою відносять такі в яких є сирість або струмопровідний пил, струмопровідна підлога, температура повітря більша 35ºС.
Особливо небезпечні приміщення це такі, в яких вологість близька до 100%, стеля стіни і перегородки покриті вологою, хімічно реактивне або органічне середовище.
6.2 Безпечне ведення робіт
Живлення електроустаткування здійснюється від мережі змінного струму з напругою 220 В і частоти 50 Гц з глухозаземленною нейтраллю. Потужність, споживана від мережі змінного струму, не перевищує 50 Вт. Застосовується перший клас захисту від ураження електричним струмом обслуговуючого персоналу згідно ГОСТ 12.2.008.0-75* [23]. В даному випадку, згідно ГОСТ 12.1.030-81* [28] ефективною схемно-конструктивною мірою захисту є занулення. Клас приміщення по небезпеці ураження електричним струмом - приміщення з підвищеною небезпекою ураження електричним струмом. Можливість одночасного дотику до тих, що мають з'єднання із землею металоконструкції і металевим корпусам електричного устаткування. Регламентуючий документ - ПУЕ-87 [25], ГОСТ 12.1.013-78 [24].
Клас об'єкту розробки за способом захисту від ураження електричним струмом - 1. Прилад має робочу ізоляцію і елемент для заземлення (занулення). ГОСТ 12.2.008.0-75* [23].
8.3.1 Комплекс необхідних заходів по техніці безпеки при розробці пристрою виміру визначається виходячи з конструктивних і схемно-конструктивних способів захисту.
8.3.2 Конструктивні заходи електробезпеки запобігають можливості дотику людини до токоведучих частин. Всі вимірювальні прилади виконані в захисних корпусах. Застосовуються прилади закритого типа, згідно ПУЕ-87 [25] і ГОСТ 14254 - 80 [27] ступінь захисту Ip44, де перший знак “4”-защита від твердих тіл розміром більше 1 мм, другий знак “4” - захист від бризок.
8.3.3 Схемно-конструктивні міри знижують небезпеку дотику людини до нетоковедучим струмопровідним частинам електричних пристроїв при випадковому пробої ізоляції і виникненні електричного потенціалу на них.
6.3 Пожежна безпека
Пожежна безпека - достаток об'єкту при якому зі встановленою вірогідністю виключається можливість виникнення і розвитку пожежі, а також забезпечується захист матеріальних цінностей і людей.
Причинами, які можуть викликати пожежу в приміщенні лабораторії, є:
несправність електричної проводки і приладів;
коротке замикання електричного ланцюга;
перегрівши апаратури і електричної проводки;
розряд статичної електрики;
блискавка.
Категорія будівлі по пожежній і взривопожарної небезпеки - пожаронебезпечне, Ст В приміщенні знаходяться тверді матеріали, що згорають, і речовини. Регламентуючий документ - ОНТП 10-90 [29]. Клас приміщення (зона) по пожаронебезпеки - П-iiа, П-ii. Тверді матеріали, що згорають, і волокнисті горючі речовини. Відповідно до ПУЕ-87 [25].
Мінімальний допустимий ступінь захисту електричної апаратури і електричних світильників - Ip44-електрічеськая апаратура, Ip2х-електрічеськие світильники. Клас приміщення по пожаронебезпеки П-iiа, П-ii. Що відповідає ПУЕ-87 [25], ГОСТ 14254-80 [27].
Пожежна безпека відповідно до ГОСТ 12.1.004-91 [31] забезпечується системами запобігання пожежі, пожежного захисту, організаційно - технічними заходами.
Система запобігання пожежі направлена на запобігання виникненню пожежі і в даній лабораторії включає:
контроль і профілактику ізоляції;
максимальний струмовий захист від коротких замикань;
вибір перетину дротів по максимально допустимому нагріву;
охолоджування елементів, що нагріваються, і блоків апаратури за допомогою вбудованих вентиляторів;
для відведення зарядів статичної електрики діелектричні корпуси апаратури заземлені (Rз=100 Ом).
виконання, вживання і режиму експлуатації електроапаратури відповідає класу приміщення по пожежній небезпеці П-iiа, П-ii. Відповідно по положенню електроапаратура має ступінь захисту Ip44, електросвітильники - Ip2х.
для даного класу будівель, приміщення яких відносяться по ПУЕ-87 [25] до класу П-iiа, П-ii і місцевості з середньою грозовою діяльністю 10 і більше годин в рік (умови м. Харкова) встановлено III категорію молнієзахисту. На будівлі встановлений громовідвід, призначений для захисту від прямого удару блискавки.
Система пожежного захисту призначена для локалізації і гасіння пожежі і включає:
аварійне відключення апаратури і комунікацій;
сповіщення про пожежу повинне здійснюватися по телефону, крім того, в приміщенні встановлені теплові пожежники ізвещателі;
лабораторія оснащена углекислотним вогнегасником ОУ-2, який можна використовувати для гасіння електроустановок напругою до 380 В;
ступінь вогнестійкості будівельних конструкцій - III вибрана з врахуванням категорії приміщення по пожежній небезпеці В і поверховості будівлі 3;
для успішної евакуації людей на випадок пожежі відстань до найближчого евакуаційного виходу не перевищує 40 м, розміри дверей і ширину коридорів відповідає протипожежним нормам проектування виробничих будівель.
6.4 Вимоги техніки безпеки до радіоелектронного обладнання
Безпека робіт з радіоелектронним обладнанням та підтримка його у належному стані регламентуються правилами техніки безпеки та промислової санітарії в електронній промисловості (ПТБ та ПСЕБ), ПТЕ та ПТБ при експлуатації електропристроїв споживачем.
При монтажі радіоелектронного обладнання треба притримуватися вимог електробезпеки та працювати тільки робочім електропристроєм (електродриль, електропаяльник).
При монтажі радіосхем забороняється: перевіряти руками наявність струму та нагрів струмоведучих частин схеми; використовувати для з'єднання блоків та приборів проводу з ушкодженою ізоляцією;
виконувати пайку та встановлення деталей у обладнання, котре знаходиться під струмом;
вимірювати напругу та струм переносними приладами, з неізольованими дротами та щупами;
підключати блоки до обладнання, котре знаходиться під напругою; працювати на високовольтних установках без захисних засобів; змінювати запобіжники при ввімкненому обладнані.
6.5 Вимоги безпеки при роботі ручними інструментами при збірних та монтажних роботах
Основну небезпеку при експлуатації ручного механізованого інструменту, представляють його робочі органи, гострі кромки та грані обробляємих виробів, а також шкідливі фактори:
- надвисокий рівень шуму, вібрації (у пневматичних машин);
- надвисока наруга електричного струму (електроінструмент);
- запиленість повітря при операціях свердлення.
Необхідно використовувати індивідуальні засоби захисту:
- при роботі з ручним інструментом ударної дії (клепальні молотки, зубила та ін.): захисні окуляри з безосколковим склом, також рукавиці;
Забороняється експлуатація ручних електричних машин при виникненні поломок.
При виготовленні багатошарових друкованих плат виконується механічна обробка слоїстих пластиків (різка, пробивка отворів). Робочі на обробці слоїстих пластиків повинні виконувати ПТБ при холодній обробці матеріалів. Важливим фактором, погіршуючим умови праці у
відділах, є шум.
Промивка плат виконується у ізопропиловому сприті та ацетоні, тому необхідно ураховувати, що ці речовини є пожежонебезпечними та шкідливими для здоров'я. Хімічна очистка плат виконується розчинами фосфатів, натрієвої соди тощо. При постійній роботі з розчинниками нерідко бувають різні хронічні ураження шкіри. Також небезпечно потрапляння навіть самих малих часток NaOH у очі.
У процесі хімічного міднення використовуються шкідливі речовини: сірчана, соляна, азотна кислоти, хлорна мідь та інші речовини, але для травлення міді з пробільних ділянок плат використовується ряд травників: хлорне залізо, персульфат амонію, хромовий ангідрид із сірчаною кислотою та ряд інших токсичних речовин.
У випадку потрапляння травників на шкіру або слизову оболонку очей необхідно невідкладно промити їх проточною водою або 0,5-1% - ним розчином квасців та замазати вазеліном або оливковою олією, а потім звернутися до медпункту. Роботу з травниками необхідно поводити у спецодягу та захисних окулярах. Робочі місця повинні бути обладнані ефективною витяжною вентиляцією.
Висновок
У ході виконання дипломного проекту було розроблено інвертор, що для захисту різного роду електронної апаратури від проблем, які можуть виникнути в мережі живлення.
Провівши аналіз існуючих на сьогоднішній день схем побудови подібних систем була визначена й обґрунтована структурна схема, а саме пристрій має структуру побудови, що дозволяє повністю визначити вимоги до розв'язуваних пристроєм проблем, а також визначені технічні вимоги. Електричний розрахунок дозволяє визначити вимоги до силових елементів схеми електричної принципової, зокрема до силових ключів. Також в процесі виконання дипломної роботи були досягнуті відповідні технічні показники, які задовольняють вимоги технічного завдання. А також забезпечено належний рівень якості виробу, що відповідає загальноприйнятим стандартам.
Дана дипломна робота також містить у собі інформацію про умови, які повинні бути забезпечені на підприємстві для нормальної праці робітників та забезпечення належного стану їх здоров'я.
Похожие рефераты:
Електроніка та мікропроцесорна техніка
Діагностика системи запалення ДВЗ
Розробка двохсмугової активної акустичної системи з сабвуфером
Система факсимильной связи (Система факсимільного звязку)
Розробка датчика температур на акустичних хвилях
Оптимальне управління діяльністю авіакопанії засобами гетерогенних комп’ютерних мереж
Розвиток і вдосконалення льотної промисловості України
Електропоїзди постійного струму
Система автоматичного регулювання (САР) турбіни атомної електростанції
Розвиток електричної мережі ВАТ "Львівобленерго"
Ремонт и регулировка мониторов для компьютеров
Розробка, дослідження системи керування на основі нейронної мережі