| Похожие рефераты | Скачать .docx |
Реферат: Электромагнитная совместимость сотовых сетей связи
Введение
Сеть GSM.
История появления сети.
На заре развития мобильной связи (а было это не так давно - в начале восьмидесятых) Европа покрывалась аналоговыми сетями самых разных стандартов - Скандинавия развивала свои системы, Великобритания свои. Сейчас уже сложно сказать, кто был инициатором последовавшей очень скоро революции - "верхи" в виде производителей оборудования, вынужденные разрабатывать для каждой сети собственные устройства, или "низы" в качестве пользователей, недовольные ограниченной зоной действия своего телефона. Так или иначе, в 1982 году Европейской Комиссией по Телекоммуникациям (CEPT) была создана специальная группа для разработки принципиально новой, общеевропейской системы мобильной связи. Основными требованиями, предъявляемыми к новому стандарту, были: эффективное использование частотного спектра, возможность автоматического роуминга, повышенное качество речи и защиты от несанкционированного доступа по сравнению с предшествующими технологиями, а также, очевидно, совместимость с другими существующими системами связи (в том числе проводными) и тому подобное.
Плодом упорного труда многих людей из разных стран стала представленная в 1990 году спецификация общеевропейской сети мобильной связи, названная Global System for Mobile Communications или просто GSM. А дальше все замелькало, как в калейдоскопе - первый оператор GSM принял абонентов в 1991 году, к началу 1994 года сети, основанные на рассматриваемом стандарте, имели уже 1.3 миллиона подписчиков, а к концу 1995 их число увеличилось до 10 миллионов! Воистину, "GSM шагает по планете" - в настоящее время телефоны этого стандарта имеют около 200 миллионов человек, а GSM-сети можно найти по всему миру.
За рамками рассмотрения останутся два очень важных вопроса: во-первых, частотно-временное разделение каналов и, во-вторых, системы шифрования и защиты передаваемой речи.
Основные части системы GSM, их назначение и взаимодействие друг с другом.
Начнем с самого сложного - рассмотрения скелета сети. При описании будем придерживаться принятых во всем мире англоязычных сокращений, конечно, давая при этом их русскую трактовку.
Взгляните на рис. 1:

Рис.1 Упрощенная архитектура сети GSM.
Самая простая часть структурной схемы - переносной телефон, состоит из двух частей: собственно "трубки" - МЕ (Mobile Equipment - мобильное устройство) и смарт-карты SIM (Subscriber Identity Module - модуль идентификации абонента), получаемой при заключении контракта с оператором. Как любой автомобиль снабжен уникальным номером кузова, так и сотовый телефон имеет собственный номер - IMEI (International Mobile Equipment Identity - международный идентификатор мобильного устройства), который может передаваться сети по ее запросу, SIM, в свою очередь, содержит так называемый IMSI (International Mobile Subscriber Identity - международный идентификационный номер подписчика). Думаю, разница между IMEI и IMSI ясна - IMEI соответствует конкретному телефону, а IMSI - определенному абоненту.
"Центральной нервной системой" сети является NSS (Network and Switching Subsystem - подсистема сети и коммутации), а компонент, выполняющей функции "мозга" называется MSC (Mobile services Switching Center - центр коммутации). Именно последний называют "коммутатор", а также, при проблемах со связью, винят во всех смертных грехах. MSC в сети может быть и не один (в данном случае очень уместна аналогия с многопроцессорными компьютерными системами) - например, на момент написания статьи московский оператор Билайн внедрял второй коммутатор (производства Alcatel). MSC занимается маршрутизацией вызовов, формированием данных для биллинговой системы, управляет многими процедурами - проще сказать, что НЕ входит в обязанности коммутатора, чем перечислять все его функции.
Следующими по важности компонентами сети, также входящими в NSS, я бы назвал HLR (Home Location Register - реестр собственных абонентов) и VLR (Visitor Location Register - реестр перемещений). Обратите внимание на эти части, в дальнейшем мы будем часто упоминать их. HLR, грубо говоря, представляет собой базу данных обо всех абонентах, заключивших с рассматриваемой сетью контракт. В ней хранится информация о номерах пользователей (под номерами подразумеваются, во-первых, упоминавшийся выше IMSI, а во-вторых, так называемый MSISDN-Mobile Subscriber ISDN, т.е. телефонный номер в его обычном понимании), перечень доступных услуг и многое другое - далее по тексту часто будут описываться параметры, находящиеся в HLR.
В отличие от HLR, который в системе один, VLR`ов может быть и несколько - каждый из них контролирует свою часть сети. В VLR содержатся данные об абонентах, которые находятся на его и только его территории (причем обслуживаются не только свои подписчики, но и зарегистрированные в сети роумеры). Как только пользователь покидает зону действия какого-то VLR, информация о нем копируется в новый VLR, а из старого удаляется. Фактически, между тем, что есть об абоненте в VLR и в HLR, очень много общего - посмотрите таблицы, где приведен перечень долгосрочных (табл.1) и временных (табл.2 и 3) данных об абонентах, хранящихся в этих реестрах. Еще раз обращаю внимание читателя на принципиальное отличие HLR от VLR: в первом расположена информация обо всех подписчиках сети, независимо от их местоположения, а во втором - данные только о тех, кто находится на подведомственной этому VLR территории. В HLR для каждого абонента постоянно присутствует ссылка на тот VLR, который с ним (абонентом) сейчас работает (при этом сам VLR может принадлежать чужой сети, расположенной, например, на другом конце Земли).
| 1. | Международный идентификационный номер подписчика (IMSI) |
| 2. | Телефонный номер абонента в обычном смысле (MSISDN) |
| 3. | Категория подвижной станции |
| 4. | Ключ идентификации абонента (Ki) |
| 5. | Виды обеспечения дополнительными услугами |
| 6. | Индекс закрытой группы пользователей |
| 7. | Код блокировки закрытой группы пользователей |
| 8. | Состав основных вызовов, которые могут быть переданы |
| 9. | Оповещение вызывающего абонента |
| 10. | Идентификация номера вызываемого абонента |
| 11. | График работы |
| 12. | Оповещение вызываемого абонента |
| 13. | Контроль сигнализации при соединении абонентов |
| 14. | Характеристики закрытой группы пользователей |
| 15. | Льготы закрытой группы пользователей |
| 16. | Запрещенные исходящие вызовы в закрытой группе пользователей |
| 17. | Максимальное количество абонентов |
| 18. | Используемые пароли |
| 19. | Класс приоритетного доступа |
Таблица 1. Полный состав долгосрочных данных, хранимых в HLR и VLR.
| 1. | Параметры идентификации и шифрования |
| 2. | Временный номер мобильного абонента (TMSI) |
| 3. | Адрес реестра перемещения, в котором находится абонент (VLR) |
| 4. | Зоны перемещения подвижной станции |
| 5. | Номер соты при эстафетной передаче |
| 6. | Регистрационный статус |
| 7. | Таймер отсутствия ответа |
| 8. | Состав используемых в данный момент паролей |
| 9. | Активность связи |
Таблица 2. Полный состав временных данных, хранимых в HLR.
| 1. | Временный номер мобильного абонента (TMSI) |
| 2. | Идентификаторы области расположения абонента (LAI) |
| 3. | Указания по использованию основных служб |
| 4. | Номер соты при эстафетной передаче |
| 5. | Параметры идентификации и шифрования |
Таблица 3. Полный состав временных данных, хранимых в VLR.
NSS содержит еще два компонента - AuC (Authentication Center - центр авторизации) и EIR (Equipment Identity Register - реестр идентификации оборудования). Первый блок используется для процедур установления подлинности абонента, а второй, как следует из названия, отвечает за допуск к эксплуатации в сети только разрешенных сотовых телефонов. Подробно работа этих систем будет рассмотрена в следующем разделе, посвященном регистрации абонента в сети.
Исполнительной, если так можно выразиться, частью сотовой сети, является BSS (Base Station Subsystem - подсистема базовых станций). Если продолжать аналогию с человеческим организмом, то эту подсистему можно назвать конечностями тела. BSS состоит из нескольких "рук" и "ног" - BSC (Base Station Controller - контроллер базовых станций), а также множества "пальцев" - BTS (Base Transceiver Station - базовая станция). Базовые станции можно наблюдать повсюду, фактически это просто приемно-передающие устройства, содержащие от одного до шестнадцати излучателей. Каждый BSC контролирует целую группу BTS и отвечает за управление и распределение каналов, уровень мощности базовых станций и тому подобное. Обычно BSC в сети не один, а целое множество (базовых станций же вообще сотни).
Управляется и координируется работа сети с помощью OSS (Operating and Support Subsystem - подсистемауправленияиподдержки). OSS состоит из всякого рода служб и систем, контролирующих работу и трафик.
Регистрация в сети.
При каждом включении телефона после выбора сети начинается процедура регистрации. Рассмотрим наиболее общий случай - регистрацию не в домашней, а в чужой, так называемой гостевой, сети (будем предполагать, что услуга роуминга абоненту разрешена).
Пусть сеть найдена. По запросу сети телефон передает IMSI абонента. IMSI начинается с кода страны "приписки" его владельца, далее следуют цифры, определяющие домашнюю сеть, а уже потом - уникальный номер конкретного подписчика. Например, начало IMSI 25099… соответствует российскому оператору Билайн. (250-Россия, 99 - Билайн). По номеру IMSIVLR гостевой сети определяет домашнюю сеть и связывается с ее HLR. Последний передает всю необходимую информацию об абоненте в VLR, который сделал запрос, а у себя размещает ссылку на этот VLR, чтобы в случае необходимости знать, "где искать" абонента.
Очень интересен процесс определения подлинности абонента. При регистрации AuC домашней сети генерирует 128-битовое случайное число - RAND, пересылаемое телефону. Внутри SIM с помощью ключа Ki (ключ идентификации - так же как и IMSI, он содержится в SIM) и алгоритма идентификации А3 вычисляется 32-битовый ответ - SRES (Signed RESult) по формуле SRES = Ki * RAND. Точно такие же вычисления проделываются одновременно и в AuC (по выбранному из HLRKi пользователя). Если SRES, вычисленный в телефоне, совпадет со SRES, рассчитанным AuC, то процесс авторизации считается успешным и абоненту присваивается TMSI (Temporary Mobile Subscriber Identity-временный номер мобильного абонента). TMSI служит исключительно для повышения безопасности взаимодействия подписчика с сетью и может периодически меняться (в том числе при смене VLR).
Теоретически, при регистрации должен передаваться и номер IMEI, но есть большие сомнения насчет того, что московские операторы отслеживают IMEI используемых абонентами телефонов. Давайте будем рассматривать некую "идеальную" сеть, функционирующую так, как было задумано создателями GSM. Так вот, при получении IMEI сетью, он направляется в EIR, где сравнивается с так называемыми "списками" номеров. Белый список содержит номера санкционированных к использованию телефонов, черный список состоит из IMEI, украденных или по какой-либо иной причине не допущенных к эксплуатации телефонов, и, наконец, серый список - "трубки" с проблемами, работа которых разрешается системой, но за которыми ведется постоянное наблюдение.
После процедуры идентификации и взаимодействия гостевого VLR с домашним HLR запускается счетчик времени, задающий момент перерегистрации в случае отсутствия каких-либо сеансов связи. Обычно период обязательной регистрации составляет несколько часов. Перерегистрация необходима для того, чтобы сеть получила подтверждение, что телефон по-прежнему находится в зоне ее действия. Дело в том, что в режиме ожидания "трубка" только отслеживает сигналы, передаваемые сетью, но сама ничего не излучает - процесс передачи начинается только в случае установления соединения, а также при значительных перемещениях относительно сети (ниже это будет рассмотрено подробно) - в таких случаях таймер, отсчитывающий время до следующей перерегистрации, запускается заново. Поэтому при "выпадении" телефона из сети (например, был отсоединен аккумулятор, или владелец аппарата зашел в метро, не выключив телефон) система об этом не узнает.
Все пользователи случайным образом разбиваются на 10 равноправных классов доступа (с номерами от 0 до 9). Кроме того, существует несколько специальных классов с номерами с 11 по 15 (разного рода аварийные и экстренные службы, служебный персонал сети). Информация о классе доступа хранится в SIM. Особый, 10 класс доступа, позволяет совершать экстренные звонки (по номеру 112), если пользователь не принадлежит к какому-либо разрешенному классу, или вообще не имеет IMSI (SIM). В случае чрезвычайных ситуаций или перегрузки сети некоторым классам может быть на время закрыт доступ в сеть.
Территориальное деление сети и handover.
Как уже было сказано, сеть состоит из множества BTS - базовых станций (одна BTS - одна "сота", ячейка). Для упрощения функционирования системы и снижения служебного трафика, BTS объединяют в группы - домены, получившие название LA (Location Area - области расположения). Каждой LA соответствует свой код LAI (Location Area Identity). Один VLR может контролировать несколько LA. И именно LAI помещается в VLR для задания местоположения мобильного абонента. В случае необходимости именно в соответствующей LA (а не в отдельной соте, заметьте) будет произведен поиск абонента. При перемещении абонента из одной соты в другую в пределах одной LA перерегистрация и изменение записей в VLR/HLR не производится, но стоит ему (абоненту) попасть на территорию другой LA, как начнется взаимодействие телефона с сетью. Каждому пользователю, наверное, не раз приходилось слышать периодические помехи в музыкальной системе своего автомобиля от находящегося в режиме ожидания телефона - зачастую это является следствием проводимой перерегистрации при пересечении границ LA. При смене LA код старой области стирается из VLR и заменяется новым LAI, если же следующий LA контролируется другим VLR, то произойдет смена VLR и обновление записи в HLR.
Вообще говоря, разбиение сети на LA довольно непростая инженерная задача, решаемая при построении каждой сети индивидуально. Слишком мелкие LA приведут к частым перерегистрациям телефонов и, как следствие, к возрастанию трафика разного рода сервисных сигналов и более быстрой разрядке батарей мобильных телефонов. Если же сделать LA большими, то, в случае необходимости соединения с абонентом, сигнал вызова придется подавать всем сотам, входящим в LA, что также ведет к неоправданному росту передачи служебной информации и перегрузке внутренних каналов сети.
Теперь рассмотрим очень красивый алгоритм так называемого handover`ра (такое название получила смена используемого канала в процессе соединения). Во время разговора по мобильному телефону вследствие ряда причин (удаление "трубки" от базовой станции, многолучевая интерференция, перемещение абонента в зону так называемой тени и т.п.) мощность (и качество) сигнала может ухудшиться. В этом случае произойдет переключение на канал (может быть, другой BTS) с лучшим качеством сигнала без прерывания текущего соединения (добавлю - ни сам абонент, ни его собеседник, как правило, не замечают произошедшего handover`а). Handover`ы принято разделять на четыре типа:
· смена каналов в пределах одной базовой станции
· смена канала одной базовой станции на канал другой станции, но находящейся под патронажем того же BSC.
· переключение каналов между базовыми станциями, контролируемыми разными BSC, но одним MSC
· переключение каналов между базовыми станциями, за которые отвечают не только разные BSC, но и MSC.
В общем случае, проведение handover`а - задача MSC. Но в двух первых случаях, называемых внутренними handover`ами, чтобы снизить нагрузку на коммутатор и служебные линии связи, процесс смены каналов управляется BSC, а MSC лишь информируется о происшедшем.
Во время разговора мобильный телефон постоянно контролирует уровень сигнала от соседних BTS (список каналов (до 16), за которыми необходимо вести наблюдение, задается базовой станцией). На основании этих измерений выбираются шесть лучших кандидатов, данные о которых постоянно (не реже раза в секунду) передаются BSC и MSC для организации возможного переключения. Существуют две основные схемы handover`а:
· "Режим наименьших переключений" (Minimum acceptable performance). В этом случае, при ухудшении качества связи мобильный телефон повышает мощность своего передатчика до тех пор, пока это возможно. Если же, несмотря на повышение уровня сигнала, связь не улучшается (или мощность достигла максимума), то происходит handover.
· "Энергосберегающий режим" (Power budget). При этом мощность передатчика мобильного телефона остается неизменной, а в случае ухудшения качества меняется канал связи (handover).
Интересно, что инициировать смену каналов может не только мобильный телефон, но и MSC, например, для лучшего распределения трафика.
Маршрутизация вызовов.
Поговорим теперь, каким образом происходит маршрутизация входящих вызовов мобильного телефона. Как и раньше, будем рассматривать наиболее общий случай, когда абонент находится в зоне действия гостевой сети, регистрация прошла успешно, а телефон находится в режиме ожидания.
При поступлении запроса (рис.2) на соединение от проводной телефонной (или другой сотовой) системы на MSC домашней сети (вызов "находит" нужный коммутатор по набранному номеру мобильного абонента MSISDN, который содержит код страны и сети).

Рис.2 Взаимодействие основных блоков сети при поступлении входящего вызова.
MSC пересылает в HLR номер (MSISDN) абонента. HLR, в свою очередь, обращается с запросом к VLR гостевой сети, в которой находится абонент. VLR выделяет один из имеющихся в ее распоряжении MSRN (Mobile Station Roaming Number - номер "блуждающей" мобильной станции). Идеология назначения MSRN очень напоминает динамическое присвоение адресов IP при коммутируемом доступе в Интернет через модем. HLR домашней сети получает от VLR присвоенный абоненту MSRN и, сопроводив его IMSI пользователя, передает коммутатору домашней сети. Заключительной стадией установления соединения является направление вызова, сопровождаемого IMSI и MSRN, коммутатору гостевой сети, который формирует специальный сигнал, передаваемый по PAGCH (PAGer CHannel - канал вызова) по всей LA, где находится абонент.
Маршрутизация исходящих вызовов не представляет с идеологической точки зрения ничего нового и интересного. Приведу лишь некоторые из диагностических сигналов (таблица 4), свидетельствующие о невозможности установить соединение и которые пользователь может получить в ответ на попытку установления соединения.
| Тип ошибки | Частота | Тип сигнала |
| Номер абонента занят | 425±15 Гц | 500мс гудок, 500 мс пауза |
| Перегрузка сети | 425±15 Гц | 200мс гудок, 200 мс пауза |
| Общая ошибка | 950±50Гц 1400±50Гц 1800±50Гц | Тройной гудок (длительность каждой части 330 мс), 1 с пауза |
Таблица 4. Основные диагностические сигналы об ошибке при установлении соединения.
Перспективы GSM
Конечно, в мире нет ничего идеального. Рассмотренные выше сотовые системы GSM не исключение. Ограниченное число каналов создает проблемы в деловых центрах мегаполисов (а в последнее время, ознаменованное бурным ростом абонентской базы, и на их окраинах) - чтобы позвонить, часто приходится ждать уменьшения нагрузки системы. Малая, по современным меркам, скорость передачи данных (9600 бит/с) не позволяет пересылать объемные файлы, не говоря о видеоматериалах. Да и роуминговые возможности не так уж безграничны - Америка и Япония развивают свои, несовместимые с GSM, цифровые системы беспроводной связи.
Конечно, рано говорить, что дни GSM сочтены, но нельзя и не замечать появления на горизонте так называемых 3G-систем, олицетворяющих начало новой эры в развитии сотовой телефонии и лишенных перечисленных недостатков. Как хочется заглянуть на несколько лет вперед и посмотреть, какие возможности получим все мы от новых технологий! Впрочем, ждать осталось не так долго - начало коммерческой эксплуатации первой сети третьего было положено 2001 года… А вот какая судьба уготована новым системам - взрывообразный рост, как GSM, или разорение и уничтожение, как Iridium, покажет время…
Сеть CDMA - Code Division Multiplie Access (Множественный доступ с кодовым разделением)
Группа стандартов CDMA коренным образом отличается от своих собратьев по сотовой телефонии и эти стандарты по праву считаются стандартами 2.5 поколения. Если FDMA (NMT, AMPS, NAMPS) и его продолжение - TDMA (GSM, DAMPS) используют набор частотных диапазонов с разделением каждого канала на временные интервалы (для TDMA) для множественного доступа абонетов к услугам сотовой сети, то в CDMA всё по-другому.
CDMA использует технологию Direct Sequence (Pseudo Noise) Spread Spectrum (прямая последовательность (псевдошум) с широким спектром). Основа DSSS - использование шумоподобной несущей, и гораздо более широкой полосы, чем необходимо для обычных способов модуляции. Хотя DSSS была изобретена ещё в 1940-е, коммерческое применение началось только в 1995 году. Причиной тому - отсутствие технологий позволяющих создавать малогабаритные приёмопередатчики использующие DSSS.
Кратко о CDMA.
Представьте себе узкополосный сигнал промодулированный неким потоком данных со скоростью, например 9600 bps. Пусть есть уникальная, повторяющаяся, псевдослучайная цифровая последовательность со значительно большей скоростью, скажем 1.25 Mbps. Если менять фазу узкополосного сигнала в соответствии с псевдослучайной последовательностью, то мы получим шумоподобный сигнал с широким спектром, содержащий в себе информацию. Если рассмотреть, что происходит с точки зрения частоты - то получится что информационный сигнал "расплылся" (spread) по спектру шумоподобного сигнала (pseudonoise). Теперь осталось выдать этот широкополосный сигнал в эфир.
На пути от передатчика к приёмнику к сигналу добавятся помехи и сигналы других передатчиков. Принятый и демодулированный сигнал перемножим с точной копией шумоподобного сигнала, который использовался для модуляции (здесь необходима очень высокая степень синхронизации приёмника и передатчика) и получим узкополосную составляющую с высокой энергией на единицу частоты - переданный поток данных. Так как помехи и сигналы от других передатчиков не совпадают с использованным шумоподобным сигналом, то после перемножения они ещё больше расползутся по спектру и их энергия на единицу частоты уменьшится.
Таким образом, используя разные псевдослучайные последовательности (коды) можно организовать несколько независимых каналов передачи данных в одной и той же полосе частот.
Нужно сказать что вышеприведенное описание технологии DSSS сильно упрощено, хотя, надеюсь, даёт представление о том, как это всё работает.
Преимущества CDMA.
В системах с частотным разделением каналов (как в FDMA, так и в TDMA) существует проблема так называемого "многократного использования" (reuse) частотных каналов. Чтобы не мешать друг другу, соседние базовые станции должны использовать разные каналы. Таким образом, если у БС 6 соседей (наиболее часто рассматриваемый случай, при этом зону каждой БС можно представить как шестиугольник, а всё вместе выглядит как пчелиные соты) то количество каналов, которые может использовать эта БС в семь раз меньше чем общее количество каналов в отведённом для сети диапазоне. Это приводит к уменьшению ёмкости сети и необходимости увеличивать плотность установки БС в густонаселённых районах. Для CDMA такой проблемы вообще нет. Все БС работают на одном и том же канале. Таким образом, частотный ресурс используется более полно. Ёмкость CDMA сети обычно в несколько раз выше, чем TDMA, и на порядок выше чем FDMA сетей.
Для того, чтобы телефоны находящиеся близко к БС не забивали своим сигналом более отдалённых абонентов, в CDMA предусмотрена плавная регулировка мощности, что приводит к значительному сокращению энергопотребления телефона вблизи БС и, соответственно, увеличению времени работы телефона без подзарядки.
Одной из приятных особенностей CDMA сетей является возможность "мягкого" перехода от одной БС к другой (soft handoff). При этом, возможна ситуация когда одного абонента "ведут" сразу несколько БС. Абонент просто не заметит, что его "передали" другой БС. Естественно, чтобы такое стало возможным, необходима прецизионная синхронизация БС. В коммерческих системах это достигается использованием сигналов времени от GPS (Global Positioning System) американской спутниковой системы определения координат.
CDMA это практически полностью цифровой стандарт. Обычно все преобразования информационного сигнала происходят в цифровой форме, и только радиочасть аппарата является аналоговой, причём гораздо более простой, чем для других групп стандартов. Это позволяет практически весь телефон выполнить в виде одной микросхемы с большой степенью интеграции, тем самым значительно снизив стоимость телефона.
Цифровая сущность CDMA весьма располагает к использованию этой технологии для безпроводной передачи данных. В рассмотренном выше примере мы задали не очень высокую скорость, однако существующие реализации CDMA позволяют многократно увеличивать скорость передачи данных, правда за счет сокращения ёмкости сети.
Стандарты CDMA используют более современный кодек для оцифровки речи, что субъективно повышает качество передачи аналогового сигнала по сравнению с действующими TDMA стандартами.
Из минусов CDMA можно отметить необходимость использования достаточно широкой и неразрывной полосы, что не всегда возможно в современной обстановке дефицита частотного ресурса и большую сложность реализации данной технологии в "железе"
Перспективы CDMA
В мире, развитие CDMA идет нарастающими темпами. Наибольшее распространение получили стандарты IS-95 ( 800 MHz ) и CDMA PCS ( 1900 MHz ). На май 2000г в 43 странах использующих CDMA насчитывалось более 57 миллионов абонентов, причём с мая 1999 количество пользователей удвоилось. Исторически сложилось так, что CDMA наиболее распространён в Северной и Южной Америке и Юго-Восточной Азии. С принятием Китаем CDMA как федерального стандарта сомнений в том, что этот стандарт станет основным на нашей планете, практически не осталось.
Cтандарты CDMA изначально включали в себя функцию передачи данных и на сегодня, почти все современные CDMA телефоны способны предоставлять пользователю 14.4 Kbps цифровой канал. А сама сеть использует IP протокол для передачи данных. Таким образом, CDMA уже сейчас полностью Internet-совместима. Нет проблем и с более высокими скоростями. Некоторые операторы CDMA в US уже предоставляют услуги передачи данных со скоростями до 144 Kbps. Кроме того, система используемая этими операторами позволяет динамически изменять пропускную способность канала в зависимости от активности клиента и загрузки сети, тем самым оптимизируя использование ресурсов сети. По заявлениям CDMA Development Group уже сейчас достижима скорость 300 Kbps, что вплотную приближает существующие CDMA стандарты к 3-му поколению.
У CDMA гораздо меньше проблем с переходом к 3-му поколению по сравнению с TDMA системами. TIA/EIA (Telecommunication Industry Association / Electronic Industries Alliance) предолжила группу стандартов cdma2000 (IS-2000) которые являются развитием ныне действующего IS-95. Основные отличия cdma2000 от своего предшественника - большее количество диапазонов для использования в организации мобильной связи и увеличение скорости передачи данных до 1Mbps на физическом уровне. Также добавлены новые протоколы для обеспечения всевозможных сервисов. Особо следует подчеркнуть требование стандарта об обратной совместимости с IS-95. Все мобильные станции cdma2000 должны работать в сетях IS-95, и соответственно все базовые станции cdma2000 должны обслуживать мобильные станции IS-95. Более того, имеется требование обеспечения handoff'а (перехода от одной соты к другой) между cdma2000 и IS-95. Таким образом, возможна незаметная для пользователя миграция сети от IS-95 к cdma2000. Также примечателен факт, что стандартом предусмотрено использование некоторых диапазонов используемых ныне старыми аналоговыми стандартами (например Band Class 5 (NMT-450)) что даёт возможность операторам этих стандартов перейти от 1-го поколения сразу к 3-ему, постепенно отдавая участки своего диапазона под cdma2000, по мере увеличения количества абонентов пользующихся новым оборудованием. Однако даже в cdma2000 сохранена возможность работы мобильных и базовых станций в аналоговом режиме. Этот режим практически идентичен стандарту AMPS c A-Key идентификацией и предназначен для обеспечения связи там, где использование цифрового режима по тем или иным причинам невозможно.
CDMA2000 был принят в группу IMT-2000, которая определяет глобальное виденье организацией ITU (International Telecommunication Union) систем 3-го поколения, в качестве одного из основных радиоинтерфейсов, что позволяет предполагать его дальнейшее распространение. Причём из-за преимуществ перед TDMA технологиями ( стандарт UWC-136 также предлагается в качестве одного из возможных радиоинтерфейсов в IMT-2000 ) вполне возможно распространение CDMA и в Европе, которая на данный момент является вотчиной TDMA стандарта GSM.
CDMA в России
В России у CDMA тяжелая судьба. На мой взгляд есть несколько причин, по которым CDMA всячески "не пущают" на отечественный "рынок" сотовой телефонии.
Первая - вытекает из основной особенности CDMA - у каждого абонента свой код, который не может быть использован другими, независимо от того, разговаривает ли абонент, находится в режиме ожидания звонка или вообще выключил телефон. Поэтому, повременная оплата вообще не имеет смысла. "Unlimited" напрашивается сам собой. Причём, при достаточно большой абонентской базе она может быть весьма низкой. Даже в российских условиях это прямая конкуренция проводным (!!!!) линиям связи, не говоря уже о сотовых операторах. Вот и одна из причин по которым CDMA нежелателен для нашего государства и его монополий.
Вторая - высокий уровень конфиденциальности CDMA. Подслушать из эфира разговор можно, но стоимость и сложность оборудования способного на такое значительно выше чем для других стандартов. Причем дело усугубляется тем, что при незначительном удалении от БС мощность излучаемая телефоном крайне низка, поэтому подслушивающий должен находится в непосредственной близости от объекта наблюдения, а при значительном удалении от БС вообще не понятно через какую БС работает телефон. И последний удар по спецслужбам - БС могут не пользоваться проводными каналами связи для передачи сигнала от одной БС к другой, а передавать траффик по эфиру. Всё это тоже сильно не нравится государству.
И третья причина, вернее, повод для запрета CDMA - для синхронизации БС используются сигналы GPS, которую так не любит наше правительство. Шпионы ведь кругом... А без GPS возникают проблемы с мобильностью - чтобы обеспечить "soft handoff" нужна синхронность БС. Я ещё могу понять что американский GPS не стоит использовать в стратегических целях - потенциальный противник, как никак. Но гражданские-то средства связи тут причём? Тем более коммерческие.
Заявление г-на Реймана о том, что частотный диапазон используемый CDMA подлежит изъятию под нужды цифрового телевидения - просто лапша на уши для населения. Централизованного цифрового телевидения ещё нет. И вряд ли появится, тем более в этом диапазоне, ибо спутниковые системы уже давно доказали преимущества тарелочек перед телебашнями. И даже если безумные деятели всё-таки соберуться делать это цифровое телевидение - что мешает отвести под него другой диапазон?
Вот так коммерческие интересы монополий, и параноидальность государства мешают развитию техники. Многие помнят, как ещё недавно каждый копировальный аппарат находился под неусыпным надзором спецслужб, а летать самолётами Аэрофлота было выгодно и удобно. Так вот - судя по всему - ничего не изменилось.
Система сотовой подвижной связи CDMA
В последние годы значительный прогресс в телекоммуникационных технологиях достигнут благодаря переходу на цифровые виды связи, которые, в свою очередь, базируются на стремительном развитии микропроцессоров. Один из ярких примеров этого - появление и быстрое внедрение технологии связи с цифровыми шумоподобными сигналами на основе метода многостанционного доступа с кодовым разделением каналов (CDMA - Code Division Multiple Access), в ближайшие годы нового столетия затмит собой все остальные, вытесняя аналоговые NMT, AMPS и др. и составляя серьезную конкуренцию цифровым технологиям, таким как GSM.
Замечательное свойство цифровой связи с шумоподобными сигналами - защищенность канала связи от перехвата, помех и подслушивания. Именно поэтому данная технология была изначально разработана и использовалась для вооруженных сил США, и лишь недавно американская компания Qualcom на основе этой технологии создала стандарт IS-95 (CDMA one) и передала его для коммерческого использования. Оборудование для этого стандарта уже выпускают шесть компаний: Hughes Network Systems, Motorola и Samsung.
Общая характеристика и принципы функционирования
Принцип работы систем сотовой связи (ССС) с кодовым разделением каналов можно пояснить на следующем примере.
Предположим, что вы сидите в ресторане. За каждым столиком находится два человека. Одна пара разговаривает между собой на английском языке, другая на русском, третья на немецком и т.д. Получается так, что в ресторане все разговаривают в одно и то же время на одном диапазоне частот (речь от 3 кГц до 20 кГц), при этом вы, разговаривая со своим оппонентом, понимаете только его, но слышите всех.
Так же и в стандарте CDMA передаваемая в эфире информация от базовой станции к мобильной или наоборот попадает ко всем абонентам сети, но каждый абонент понимает только ту информацию, которая предназначена для него, т.е. русский понимает только русского, немец только немца, а остальная информация отсеивается. Язык общения в данный момент является кодом. В CDMA это организовано за счет применения кодирования передаваемых данных, если точнее, то за это отвечает блок умножения на функцию Уолша.
В отличие от стандарта GSM, который использует TDMA (Time Division Multiple Access - многостанционный доступ с кодовым разделением канала, т.е. несколько абонентом могут разговаривать на одной и той же частоте, как и в CDMA, но в отличие от CDMA, в разное время), стандарт IS-95 диапазон частот использует более экономично.
![]() |
CDMA называют широкополосной системой и сигналы идущие в эфире шумоподобными. Широкополосная - потому, что занимает широкую полосу частот. Шумоподобные сигналы - потому, что когда в эфире на одной частоте, в одно и то же время работают несколько абонентов, сигналы
Рис. 3 сигнал и помеха
накладываются друг на друга (можно представить шум в ресторане, когда все одновременно говорят). Помехоустойчивая - потому, что при возникновении в широкой полосе частот(1,23 Мгц) сигнала-помехи, узкого диапазона (<150кГц), сигнал примется почти неискаженный. За счет помехоустойчивого кодирования потерянные данные система восстановит, см. рис 1, где показан полезный сигнал.
А в стандарте GSM такое не получится. Из-за того, что GSM изначально сам узкополосный. Ширина полосы, которая используется, равна 200 кГц.
Система CDMA фирмы Qualcom рассчитана на работу в диапазоне частот 800 Мгц. Система CDMA построена по методу прямого расширения спектра частот на основе использования 64 видов последовательностей, сформированных по закону функций Уолша. Для передачи речевых сообщений выбрано речепреобразующее устройство с алгоритмом CELP со скоростью преобразования 8000 бит/с (9600 бит/с в канале). Возможны режимы работы на скоростях 4800, 2400, 1200 бит/с.
В каналах системы CDMA применяется сверточное кодирование со скоростью ? (в каналах от базовой станции) и 1/3 (в каналах от подвижной станции), декодер Витерби с мягким решением, перемежение передаваемых сообщений. Общая полоса канала связи составляет 1,25 Мгц.
Основные характеристики приведены в таблице 5.
| Диапазон частот передачи MS | 824,040 – 848, 860 Мгц |
| Диапазон частот передачи BTS | 869,040 – 893,970 мгц |
| Относительная нестабильность несущей частоты BTS | +/- 5*10^-8 |
| Относительная нестабильность несущей частоты MS | +/- 2,5*10^-6 |
| Вид модуляции несущей частоты | QPSK(BTS), O-QPSK(MS) |
Ширина спектра излучаемого cигнала: по уровню минус 3 Дб по уровню минус 40 Дб |
1,25 Мгц 1,50 Мгц |
| Тактовая частота ПСП М-функции | 1,2288 Мгц |
| Количество каналов BTS на 1 несущей частоте | 1 пилот-канал 1 канал синхронизации 7 каналов персонально вызова 55 каналов связи |
| Количество каналов MS | 1 канал доступа 1 канал связи |
Скорость передачи данных: В канале синхронизации В канале перс.вызова и доступа В каналах связи |
1200 бит/с 9600, 4800 бит/с 9600, 4800, 2400, 1200 бит/с |
| Кодирование в каналах передачи BTS | Сверточный код R=1/2, К=9 |
| Кодирование в каналах передачи MS | Сверточный код R=1/3, K=9 |
| Требуемое для приема отношение энергии бита информации | 6-7 дБ |
| Максимальная эффективная излучаемая мощность BTS | 50 Вт |
| Максимально эффективная излучаемая мощность MS | 6,3 – 1,0 Вт |
В стандарте используется раздельная обработка отраженных сигналов, приходящих с разными задержками, и последующее их весовое сложение, что значительно снижает отрицательное влияние эффекта многолучевости. При раздельной обработке лучей в каждом канале приема на базовой используется 4 параллельно работающих коррелятора, а на подвижной станции 3 коррелятора. Наличие параллельно работающих корреляторов позволяет осуществить мягкий режим "эстафетной передачи" при переходе из соты в соту.
Мягкий режим "эстафетной передачи" происходит за счет управления подвижной станцией двумя или более базовыми станциями. Транскодер, входящий в состав основного оборудования, проводит оценку качества приема сигналов от двух базовых станций последовательно кадр за кадром. Процесс выбора лучшего кадра приводит к тому, что результирующий сигнал может быть сформирован в процессе непрерывной коммутации и последующего "склеивания" кадров, принимаемых разными базовыми станциями, участвующими в "эстафетной передаче".
Протоколы установления связи в CDMA, так же как в стандартах AMPS основаны на использовании логических каналов.
В CDMA каналы для передачи с базовой станции называются прямыми (Forward), для приема базовой станцией - обратными (Reverse). Структура каналов в CDMA в стандарте IS-95 показана на рис:

Рис. 4
Прямые каналы в CDMA:
1. Пилотный канал - используется подвижной станцией для начальной синхронизации с сетью и контроля за сигналами базовой станции по времени, частоте и фазе.
2. Канал синхронизации - обеспечивает идентификацию базовой станции, уровень излучения пилотного сигнала, а так же фазу псевдослучайной последовательности базовой станции. После завершения указанных этапов синхронизации начинаются процессы установления соединения.
3. Канал вызова - используется для вызова подвижной станции. После приема сигнала вызова подвижная станция передает сигнал подтверждения на базовую станцию, после чего по каналу вызова на подвижную станцию передается информация об установлении соединения и назначения канала связи. Канал персонального вызова начинает работать после того, как подвижная станция получит всю системную информацию (частота несущей, тактовая частота, задержка сигнала по каналу синхронизации).
4. Канал прямого доступа - предназначен для передачи речевых сообщений и данных, а так же управляющей информации с базовой станции на подвижную.
Обратные каналы в CDMA:
1. Канал доступа - обеспечивает связь подвижной станции с базовой станций, когда подвижная станция еще не использует канал трафика. Канал доступа используется для установления вызовов и ответов на сообщения, передаваемые по каналу вызова, команды и запросы на регистрацию в сети. Каналы доступа совмещаются (объединяются) каналами вызова.
2. Канал обратного трафика - обеспечивает передачу речевых сообщений и управляющей информации с подвижной станции на базовую станцию.
Структура каналов передачи базовой станции показана на рис. 5:

Рис. 5
Каждому логическому каналу назначается свой код Уолша. Всего в одном физическом канале логических каналов может быть 64, т.к. последовательностей Уолша, которым в соответствие ставятся логические каналы, всего 64, каждая из которых имеет длину по 64 бита. Из всех 64 каналов на 1-й канал назначается первый код Уолша (W0) которому соответствует "Пилотный канал", на следующий канал назначается тридцать второй код Уолша (W32), следующим 7-ми каналам так же назначаются свои коды Уолша (W1,W2,W3,W4,W5,W6,W7) которым соответствуют каналы вызова, и оставшиеся 55 каналов предназначены для передачи данных по "Каналу прямого трафика".
При изменении знака бита информационного сообщения фаза используемой последовательности Уолша изменяется на 180 градусов. Так как эти последовательности взаимно ортогональны, то взаимные помехи между каналами передачи одной базовой станции отсутствуют. Помехи по каналам передачи базовой станции создают лишь соседние базовые станции, которые работают в той же полосе радиочастот и используют ту же самую ПСП, но с другим циклическим сдвигом.
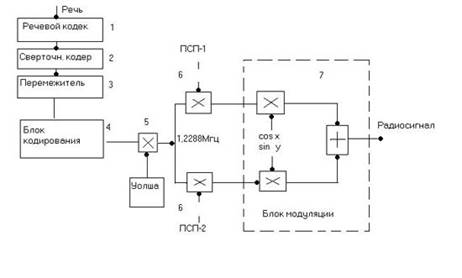
Порядок прохождения речевых данных в мобильной станции до момента отправки в эфир.
![]() |
Давайте подробней рассмотрим структурную схему обратного канала трафика. В прямом и обратном канале эта схема повторяется; в зависимости от того, какой канал используется в данный момент, некоторые блоки этой схемы исключаются.
Рис. 6
Речевой сигнал поступает на речевой кодек.
На этом этапе речевой сигнал оцифровывается и сжимается по алгоритму CELP.
1. Далее сигнал поступает на блок помехоустойчивого кодирования, который может исправлять до 3-х ошибок в пакете данных.
2. Далее сигнал поступает в блок перемежения сигнала.
Блок предназначен для борьбы с пачками ошибок в эфире. Пачки ошибок - искажение нескольких бит информации подряд.
Принцип такой. Поток данных записывается в матрицу по строкам. Как только матрица заполнена, начинаем с нее передавать информацию по столбцам. Следовательно, когда в эфире искажаются подряд несколько бит информации, при приеме пачка ошибок, пройдя через обратную матрицу, преобразуется в одиночные ошибки.
3. Далее сигнал поступает в блок кодирования (от подслушивания).
На информацию накладывается маска (последовательность) длиной 42 бита. Эта маска является секретной. При несанкционированном перехвате данных в эфире невозможно декодировать сигнал, не зная маски. Метод перебора всевозможных значений не эффективен т.к. при генерации этой маски, перебирая всевозможные значения, придется генерировать 8.7 триллиона масок длиной 42 бита. Хакер, пользуясь персональным компьютером, пропуская через каждую маску сигнал и преобразовывая его в файл звукового формата, потом, распознавая его на наличие речи, потратит уйму времени.
4. Блок перемежения на код Уолша. Цифровой поток данных перемножается на последовательность бит, сгенерированных по функции Уолша. На этом этапе кодирования сигнала происходит расширение спектра частот, т.е. каждый бит информации кодируется последовательностью, построенной по функции Уолша, длиной 64 бита. Т.о. скорость потока данных в канале увеличивается в 64 раза. Следовательно, в блоке модуляции сигнала скорость манипуляции сигнала возрастает, отсюда и расширение спектра частот.
Так же функция Уолша отвечает за отсев ненужной информации от других абонентов. В момент начала сеанса связи абоненту назначается частота, на которой он будет работать и один (из 64 возможных) логический канал, который определяет функция Уолша. В момент принятия сигнал по схеме проходит в обратную сторону. Принятый сигнал умножается на кодовую последовательность Уолша.
По результату умножения вычисляется корреляционный интеграл.
Если Z пороговая удовлетворяет предельному значению, значит, сигнал наш. Последовательность функции Уолша ортогональны и обладают хорошими корреляционными и автокорреляционными свойствами, поэтому вероятность спутать свой сигнал с чужим равна 0.01 %.
5. Блок перемножения сигнала на две М-функции (М1 - длиной 15 бит, М2 - длиной 42 бита) или еще их называют ПСП- псевдослучайными последовательностями. Блок предназначен для перемешивания сигнала для блока модуляции. Каждой назначенной частоте назначаются разные М -функции.
6. Блок модуляции сигнала. В стандарте CDMA используется фазовая модуляция ФМ4, ОФМ4.
В настоящее время оборудование стандарта CDMA является самым новым и самым дорогим, но в то же время самым надежным и самым защищенным. Европейским Сообществом в рамках исследовательской программы RACE разрабатывается проект CODIT по созданию одного из вариантов Универсальной системы подвижной связи (UMTS) на принципе кодового разделения каналов с использованием широкополосных сигналов с прямым расширением спектра (DS-CDMA).
Основным отличием концепции CODIT будет эффективное и гибкое использование частотного ресурса. Как мы раньше пояснили, на широкополосный сигнал CDMA влияние узкополосной помехи практически не сказывается. За счет этого свойства в стандарте CODIT для передачи данных дополнительно будут использоваться защитные интервалы между несущими частотами.
Цифровая сотовая система подвижной радиосвязи стандарта D-AMPS
Общий подход к развитию цифровых сотовых систем в США
В США работы по национальному стандарту на цифровые сотовые системы подвижной связи (ССПС) проводились с 1987 года. В отличие от Европы, где разрабатывался стандарт GSM, Федеральная комиссия связи (FCC) не смогла выделить отдельную полосу частот в диапазоне 900 МГц для перспективной цифровой ССПС США.
В условиях, когда национальная аналоговая ССПС стандарта AMPS уже не отвечала современным требованиям к подвижной связи из-за отсутствия необходимой пропускной способности, недостаточного качества связи, ограниченного набора услуг, отсутствия засекречивания передаваемых сообщений, Ассоциация промышленности сотовой связи (CTIA), совместно с Ассоциацией промышленности связи (TIA) приняли решение о совмещении в одной полосе частот аналоговой и цифровой ССПС, сохранив существовавший в AMPS разнос каналов, равный 30 кГц.
Стандарт на цифровую сотовую систему связи был разработан в 1990 году и система связи на его основе получила условное обозначение D-AMPS или ADC. В 1991-1992 годах проводились полевые испытания системы D-AMPS, по результатам которых TIA и CTIA были приняты три стандарта: IS-54 - на систему сотовой связи D-AMPS (ADC); IS-55 - на двухмодовую подвижную станцию, обеспечивающую связь как по аналоговому (AMPS), так и по цифровому (D-AMPS) каналам связи; IS-56 - на базовые станции.
Внедрение этих стандартов явилось временным шагом для того, чтобы как можно быстрее внедрить цифровую технологию на рынок сотовой связи США. Ожидалось, что стандарт IS-54 позволит увеличить емкость трафика существующих сетей сотовой связи AMPS до трех раз, но с использованием аналоговых каналов управления. Переход к полной цифровой версии AMPS затормозил бы внедрение цифровой технологии сотовой связи в США еще на три года.
Хотя стандарт IS-54 и не совсем цифровое решение, он оказался более прогрессивным, чем AMPS, и в настоящее время более 2 млн. абонентов в 14 странах мира, включая Россию, используют эту технологию.
В 1994 году был сформулирован новый стандарт США IS-136 на полностью цифровую систему сотовой связи, представляющую собой усовершенствованный вариант стандарта IS-54. Стандарт IS-136 по своим функциональным возможностям и предоставляемым услугам приближается к стандарту GSM. Стандарт IS-136 открывает возможность внедрения международного роуминга.
В настоящее время США приступили к созданию цифровых сетей персональной связи (PCS). Развитие технологии PCS осуществляется в условиях активной конкуренции.
Федеральная комиссия связи США в марте 1995 года выдала 102 лицензии операторам сетей PCS в диапазоне 1900 МГц.
Одним из направлений создания сетей PCS явился перевод стандарта IS-54 (D-AMPS) в диапазон 1900 МГц. Абоненты будут иметь возможность пользоваться двухдиапазонным терминалом, обеспечивающим доступ к услугам связи в диапазонах 800 МГц и 1900 МГц.
Многие из операторов сетей PCS, получивших лицензии, выбрали для реализации сетей персональной связи версию стандарта GSM для диапазона 1900 МГц - PCS-1900.
Значительным успехом у операторов сетей PCS пользуется стандарт CDMA IS-95.
Развитие цифровых сетей персональной связи в США будет осуществляться на фоне активных позиций сетей сотовой связи стандартов AMPS/D-AMPS, абонентами которых, в настоящее время, являются около 10% населения страны.
Структурная схема, характеристики и радиоинтерфейс D-AMPS
Структурная схема цифровой ССПС D-AMPS (IS-54) показана на рис. 6. Основные характеристики D-AMPS (IS-54) приведены в таблице 3.2. На рис. 7 показана структура кадров в системе D-AMPS для перспективного варианта с полускоростным речевым кодеком, когда будут использоваться шесть временных окон (вместо трех сегодня).
Структурная схема подвижной станции изображена на рис. 8.
Аналоговый речевой сигнал преобразуется в цифровую форму VSELP кодером. Речевой сигнал разбивается на сегменты по 20 мс, которые преобразуются в 159 кодированных бит передаваемых со скоростью 7,95 кбит/с.
Для канального кодирования используется сверточный код со скоростью г=1/2. В этом процессе пакет в 159 бит от речевого кодера разбивается на две группы бит: класс 1 - 77 бит, класс 2 - 82 бита. В группе бит 1 класса осуществляется указанное сверточное кодирование, причем 7 бит используются для обнаружения ошибок, биты второго класса передаются без кодирования. В результате преобразований в канальном кодере речевой фрагмент 20 мс представляется 260 битами, что соответствует скорости передачи 13,0 кбит/с. Структурные схемы канального кодировав приведены на рис. 9, Результирующая скорость (по результатам формирования TDMA кадра) составляет 16,2 кбит/с в расчете на одного абонента.
Пакет в 260 кодированных бит подвергается перемежению, принцип которого иллюстрируется рис. 10. Речевой фрагмент Y разбивается на две части. Одна часть передается в окне 1, вторая часть - в окне 4. Следующий фрагмент речи Z, длительностью 20 мс, передается в окне 4 иокне 1 в следующем кадре.
Для передачи сообщений по радиоканалу используется спектрально-эффективная n/4 DQPSK модуляция, реализуемая квадратурной схемой с прямым переносом на несущую частоту.
В целом, потенциальные характеристики стандарта IS-54 уступают характеристикам стандарта GSM. Для примера, на рис. 11 показаны графики зависимостей вероятности ошибки от отношения сигнал/помеха (C/I) в сетях стандартов GSM и D-AMPS (ADC) с учетом замираний сигнала при скорости перемещения подвижной станции 55 миль в час. Стандарт GSM обладает также преимуществами по отношению к стандарту IS-54 в части обеспечения безопасности связи функциональных возможностей. Кроме того, распространение GSM в глобальном масштабе (Европа, Азия, Африка, Австралия) позволяет абонентам этих сетей путешествовать по всему миру своим радиотелефоном в рамках автоматического международного роуминга. Стандарт D-AMPSпринят в Европе и России, где он ориентирован на региональное использование.
Характеристики стандарта DAMPS
Метод доступа - TDMA
Количество радиоканалов на несущую - 3
Рабочий диапазон частот: 824-840 МГц 869-894 МГц
Разнос каналов: 30 кГц
Эквивалентная полоса частот на один разговорный канал-10 кГц
Вид модуляции - n/4 DQPSK
Скорость передачи информации - 48 кбит/с
Скорость преобразования речи - 8 кбит/с
Алгоритм преобразования речи - VSELP
![]() |
Рис. 6 Структура кадров в стандарте IS -54 с полускоростным речевым каналом .


G: Guard Time, R: Ramp Time, DVCC: Digital Verification Color Code, RSVD: Reserved for Future Use
Рис. 7 Структура кадров в системе D - AMPS для перспективного варианта с полускоростным речевым кодеком, когда будут использоваться шесть временных окон.
Как следует из графиков рис. 11, в реальных каналах связи для одинаковых значений вероятности ошибки в D-AMPS требуется отношение сигнал/помеха на 6-10 дБ больше, чем в GSM.
На рис. 12 показана зависимость качества приема речи от отношения сигнал/помеха (C/I) в аналоговых и цифровых (ADC и GSM) сетях сотовой связи. Как следует из этих графиков, Для обеспечения "приемлемого качества речи" энергетические затраты в каналах D-AMPS должны быть на 6-7 дБ выше, чем в GSM.
Худшие энергетические характеристики радиоканалов D-AMPS по отношению к GSM сказываются также и при планировании сети. Для размещения сот с одинаковыми частотами в D-AMPS требуются большие координационные расстояния, что снижает эффективность повторного использования радиочастот.

Рис. 8 Структурная схема подвижной станции

Рис. 9 Структурные схемы канального кодирования .

Рис. 10 Принцип перемежения.

Рис. 11. Графики зависимостей вероятности ошибки от отношения
сигнал/помеха ( C / I ) в сетях стандартов GSM и D - AMPS .

Рис. 12. Зависимость качества приема речи от отношениясигнал/помеха ( C / I )
в аналоговых и цифровых ( ADC и GSM ) сетях сотовой связи.
Основная часть
Особенности проектирования сетей радиосвязи
Оценка ЭМС сетей радиосвязи
В настоящее время ввиду массового роста числа пользователей радиочастотным спектром, проблема ЭМС РЭС приобретает весьма важное значение не только в рамках отдельных служб радиосвязи, но и между разными службами. Успешное решение этой проблемы необходимо связывать прежде всего с развитием новых спектрально эффективных радиотехнологий, позволяющих при ограниченном частотном ресурсе существенно повышать потенциальную емкость сетей радиосвязи общего пользования. Эта комплексная проблема объединяет все элементы радиоинтерфейса современных сетей связи, включая радиосигналы как носители информации, средства их генерации, обработки и излучения (приема) и способы организации радиосвязи, - все в совокупности определяющее множественный (многостанционный) доступ в сети на основе методов частотного, временного, кодового и пространственного (или их совокупности) разделения каналов пользователей.
Под электромагнитной совместимостью РЭС понимается их способность одновременно функционировать в реальных условиях эксплуатации с требуемым качеством при воздействии на них непреднамеренных радиопомех, не создавая недопустимых радиопомех другим радиосредствам. Другими словами, ЭМС РЭС - это свойство РЭС функционировать без ухудшения качественных показателей ниже допустимого в заданной электромагнитной обстановке. Под электромагнитной обстановкой будем понимать совокупность электромагнитных полей РЭС различных служб радиосвязи в рассматриваемой области пространства. Оценка ЭМС РЭС является общей задачей и неотъемлемой частью процесса согласования условий совместной работы РЭС. В ходе оценки ЭМС РЭС вырабатываются условия, удовлетворяющие критерию ЭМС в данной электромагнитной обстановке. Эти условия могут включать: территориальные ограничения на размещение станции - источника помех; ограничение ЭИИМ станции - источника мешающих сигналов в направлении на станцию, подверженную помехе; защитные полосы и частотные ограничения РЭС; значение необходимого подавления боковых лепестков диаграмм направленности передающей и приёмной антенн; оптимизацию параметров расположения РЭС и ориентации антенн и др.
За критерий обеспечения ЭМС обычно принимают защитное отношение радиоприемника - минимальное допустимое отношение сигнал/радиопомеха на входе приемника, обеспечивающее требуемое качество функционирования в условиях воздействия непреднамеренных радиопомех. Численное значение защитного отношения, как правило, зависит от типа помехового сигнала. Иногда значение защитного отношения радиоприемника приводят к полосе пропускания его линейной части (совмещенный канал), т.е. не учитывают ослабление помехи за счет избирательных свойств приемника.
Для решения проблемы ЭМС РЭС используются организационные и технические меры. Технические меры обеспечения ЭМС обусловлены изменением технических параметров РЭС (например, снижение уровней внеполосных и побочных излучений передатчиков, повышение избирательных свойств приемников, снижение уровней боковых лепестков диаграмм направленности антенн и др.). Они достаточно эффективны, но могут быть применимы в основном при разработке новых типов оборудования. Для РЭС, находящихся в эксплуатации, наиболее приемлемыми и действенными мерами обеспечения ЭМС являются организационные меры. Они включают рациональное назначение рабочих частот, сочетаемое с введением частотных, территориальных, временных и пространственных ограничений, накладываемых на РЭС, - все вместе представляющее собой основу частотно-территориального планирования (ЧТП) сетей сухопутной подвижной связи, отвечающее требованиям эффективного использования спектра.
Уравнение ЭМС РЭС
Уравнение ЭМС РЭС устанавливает взаимосвязь энергетических, частотных и пространственных параметров РЭС полезного сигнала (рецептора радиопомех) и мешающих сигналов (источников непреднамеренных радиопомех), при которых обеспечивается требуемое качество функционирования РЭС. Обычно уравнение ЭМС составляют для "дуэльной" ситуации, когда оценка ЭМС производится для двух РЭС, одно из которых рассматривается в качестве приемника полезного сигнала, а второе РЭС является источником непреднамеренных радиопомех. В общем случае, возможно, учесть несколько источников непреднамеренных радиопомех.
Важнейшими факторами, которые необходимо учитывать при анализе ЭМС РЭС, являются потери при распространении радиоволн на трассе и флуктуации уровней принимаемых сигналов и радиопомех.
Считают, что качественная передача информации по радиоканалу обеспечивается в том случае, если выполняются следующие два условия:
• флуктуации уровня полезного сигнала, обусловленные его замираниями как вследствие многолучевости, так и вследствие препятствий, возникающих на пути распространения радиоволн, приводят к уменьшению интенсивности полезного сигнала ниже чувствительности РПМ (определяемой требуемой вероятностью ошибочного приема цифровых сигналов на выходе решающего устройства радиоприемника) не более чем в заданном ηs проценте времени;
• флуктуации уровня полезного сигнала и непреднамеренной радиопомехи приводят к снижению отношения сигнал/помеха ниже защитного на входе радиоприемника не более чем в заданном ηl проценте времени.
Флуктуации интенсивности полезного и мешающего сигналов в диапазонах волн, выделенных для подвижной связи, подчиняются логнормальному закону, т.е. мощность полезного PS и мешающего Р I сигналов в месте приема (на входе приемника) может быть записана следующим образом:
Ps=Pos + XS ,
PI = POI + XI . (3.1)
где Pos , POI - медианные значения мощности сигнала и радиопомехи; XS , XI - случайные гауссовские величины с нулевым средним значением и с дисперсией σ2 , определяющей глубину флуктуации этих уровней (обычно принимают, что для городов с малой и средней этажностью застройки стандартное отклонение σ = 6 дБ, а для пригородов и сельской местности σ = 4 дБ).
Тогда ηS и ηI выраженные в процентах, определяются интегралами вероятности:
,
(3.2)
.
где Рмин - чувствительность радиоприемника; АВХ - защитное отношение на входе радиоприемника; kS , kI - коэффициенты, учитывающие допустимый процент времени ухудшения качества радиосвязи ниже заданного уровня.
Отметим, что если ηS = ηI = 5% (что обычно принимается в качестве вероятностного критерия оценки границы зоны покрытия сотовой сети), то kS , = kI = k = 1.65, которое характеризует пороговые уровни сигнала и отношения сигнал/помеха. Снижение пороговых уровней может привести к увеличению времени некачественного обслуживания абонентов.
Условия, указанные в формулах (3.2), выполняются в процентах времени ηS
и ηI
в том случае, если имеют место следующие соотношения:
Р
OS
= РМИН
+
k
σ
(3.3)
.
(3.4)
где k σ - запас на замирания полезного сигнала, обеспечиваемый в системе радиотелефонной связи на входе РПМ.
Баланс мощности в сетях подвижной связи должен быть выбран таким образом, чтобы на границе зоны обслуживания сети всегда выполнялось требуемое соотношение, а территориальный и/или частотный разнос между совмещаемыми сетями должен быть таким, чтобы выполнялось соотношение (3.4). Принятый выше запас на замирания полезного сигнала соответствует требованиям обеспечения минимальной напряженности поля сигнала для защиты мобильных станций цифровых и аналоговых систем сотовой связи, указанным в Рекомендации СЕРТ.
Необходимо учитывать, что энергетические параметры РЭС сотовых сетей связи должны выбираться из условия обеспечения требуемого радиуса зоны покрытия базовой станции (БС) каждой сети. Радиусы зон покрытия БС должны быть учтены при расчете величины территориального разноса между РЭС.
Таким образом на основании (3.3) и (3.4) уравнение ЭМС РЭС может быть
записано в следующем виде:
(3.5)
где
РМИН - чувствительность РПМ (рецептора радиопомех), дБВт;
А - защитное отношение РПМ в совмещенном канале, дБ;
- запас на замирания сигнала и радиопомехи, дБ;
POI
- мощность радиопомехи на входе РПМ, дБВт.
POI
=
P
РПД
+G
РПД
(φРПМ
)
+ G
РПМ
(φРПД
)
+U
РПД
+ U
РПМ
+ N
(δ
f
) -
L
(
R
),
(3.6)
где
P РПД - мощность радиопередатчика источника радиопомех, дБВт;
G РПД (φРПМ ) - к-нт усиления антенны РПД в направлении на РПМ, дБ;
G РПМ (φРПД ) - к-нт усиления антенны РПМ в направлении на РПД, дБ;
U РПД , U РПМ — затухание в антенно-фидерном тракте РПД и РПМ, дБ;
N ( δ f ) - ослабление радиопомехи в линейном тракте РПМ, дБ;
δ f = f рпд - f ргм - частотная расстройка, МГц;
L ( R ) - потери на трассе распространения сигналов от РИД (в данном случае источника радиопомех) к РПМ (рецептору радиопомех), дБ. Эти потери принято называть основными потерями передачи, которые рассчитываются от входа передающей изотропной антенны до выхода приемной изотропной антенны. На рис. 13 показана структура линии радиосвязи и основные термины, используемые для представления о потерях передачи.

Рис. 13. Структура линии радиосвязи.
Зависимость ослабления помехи от расстройки δf вычисляется по формуле
.
(3.7)
Здесь
С - нормировочный коэффициент;
S
(
f
)
- спектр сигнала радиопередатчика;
K ( f ) - нормированная функция избирательности радиоприемника (амплитудно-частотная характеристика)[32].
Спектр сигнала и функция избирательности являются важнейшими техническими характеристиками РЭС, существенно влияющими на условия их ЭМС. Поэтому к уровням внеполосных и побочных излучений радиопередатчиков предъявляются особые требования.
При оценке ЭМС РЭС с целью проверки соответствия параметров сигналов РЭС установленным требованиям необходимо руководствоваться едиными нормами на внеполосные и побочные излучения радиопередающих устройств гражданского назначения.
По мнению ERC рекомендации CEPT/ERC 74-01E для уровней побочных излучений РЭС сухопутной подвижной службы должны пересматриваться каждые три года в соответствии с изменениями технологий и регулирующих требований и должны быть использованы администрациями в качестве руководства для разработки соответствующих стандартов.
Нормы частотно-территориального разноса РЭС
В ходе оценки ЭМС РЭС необходимо определить требуемые удаления потенциально несовместимых РПД и РПМ при различных частотных расстройках и при различных вариантах взаимной ориентации их антенн. Полученные результаты для наземных РЭС с учетом принятой модели распространения радиоволн и без учета влияния рельефа местности представляют собой оценку сверху требуемых территориальных разносов.
В случае, если реальные значения территориальных разносов больше чем требуемые, то считается, что ЭМС РЭС обеспечивается. В противном случае может потребоваться введение дополнительных ограничений на мощность излучения, частотную расстройку и (или) пространственную ориентацию и высоту расположения антенн РЭС.
Одним из эффективных способов согласования условий совместной работы РЭС является разработка и реализация норм частотно-территориального разноса (ЧТР) между взаимовлияющими РЭС.
Нормы ЧТР представляют собой совокупность взаимообусловленных значений территориального и частотного разноса РЭС с учетом ориентации их антенн, при которых обеспечивается их ЭМС. На основе норм ЧТР определяются или конкретные рабочие частоты, которые могут быть использованы в сетях подвижной связи, или необходимый для обеспечения ЭМС территориальный разнос для заявленных рабочих частот. Кроме того, нормы ЧТР позволяют установить требования к характеристикам направленности и ориентации антенных систем РЭС в пространстве при заданных рабочих частотах и расстояниях между РЭС.
Нормы ЧТР определяются для конкретных типов РЭС с учетом их энергетических, частотных и пространственных характеристик. В случае удовлетворения требованиям норм ЧТР, ЭМС между РЭС считается обеспеченной.
Нормы ЧТР рассчитываются на основании уравнения ЭМС РЭС (3.5). Часто основные потери передачи L(R) при распространении на трассе протяженностью Rот радиопередатчика к радиоприемнику представляют функцией, которую в относительных единицах (дБ) можно записать следующим образом:
.
(3.8)
Для примера, приведем известную формулу основных потерь передачи в свободном пространстве (без учета влияния земной поверхности, атмосферы и других факторов):
.(3.9)
Здесь
f -рабочая частота, МГц,
R - расстояние, км.
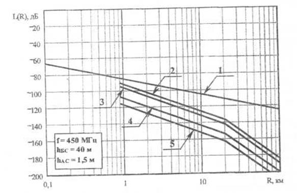
На рис. 14 показана зависимость ослабление радиоволн от расстояния в свободном пространстве для трех диапазонов частот. Наклон данной характеристики составляет 20 дБ на декаду. Модели ослабления радиоволн в приземном слое, соответствующие условиям сухопутной подвижной связи, будут иметь более сложную зависимость и более высокий показатель ослабления, а значит и более крутой спад характеристики ослабления по сравнению с приведенной на рис. 14.

Рис. 14. Зависимость ослабление радиоволн от расстояния в свободном пространстве для трех диапазонов частот.
На основании (3.5), (3.6) и (3.8) формула для расчета требуемых значений территориального разноса РЭС будет иметь вид:
, (3.10)
где
D - требуемый территориальный разнос, км;
Z - обобщенный энергетический параметр, дБ.
.
(3.11)
Физический смысл параметра Z заключается в том, что он характеризует отношение минимально допустимой мощности полезного сигнала на входе приемника (чувствительность РПМ) к мощности излучаемого помехового сигнала в полосе РПМ с учетом защитного отношения приемника, а также замирания сигнала и помехи на трассе распространения. Чем больше эта разность, тем ближе могут быть установлены РПД мешающего и РПМ полезного сигналов c сохранением условий обеспечения ЭМС. Необходимо отметить, что при реальном планировании систем радиосвязи обычно к чувствительности добавляют еще некоторый запас по полезному сигналу для устойчивой работы системы.
Параметр Z объединяет все основные ЭМС - характеристики двух потенциально несовместимых РЭС. Это обстоятельство позволяет получить обобщенную зависимость требуемого территориального разноса РЭС, работающих в заданном диапазоне частот.
Частные решения для норм частотно-территориального разноса РЭС могут быть получены из общего на основе вычисления значений Z, соответствующих конкретным значениям параметров (энергетических, частотных и пространственных), входящих в выражение (3.11).
Обычно нормы ЧТР представляют в виде:
- табличных данных дискретных значений изменяемых параметров РЭС (мощности радиопередатчиков, суммарного взаимного коэффициента усиления антенн РПД и РПМ, чувствительности РПМ, высоты расположения антенн над земной поверхностью, требований к устойчивости обеспечения радиосвязи и др.) и соответствующих им значений частотно-территориальных разносов РЭС;
- графических зависимостей (номограмм) территориальных разносов РЭС от частотной расстройки при заданных типовых значениях других исходных параметров, которые позволяют более гибко определять условия согласования работы РЭС по сравнению с табличной формой.
Особенности применения норм ЧТР:
1. Необходимо помнить, что нормы ЧТР обычно характеризуют «дуэльную» ситуацию и позволяют определить условия совместной работы для пары РЭС при тех или иных ограничениях и моделях распространения. В некоторых случаях нормы ЧТР могут учитывать группу РЭС - источников непреднамеренных помех с заданной плотностью их расположения на местности.
2.Нормы ЧТР целесообразно рассчитывать с некоторым запасом, учитывая несовершенство прежде всего математических моделей распространения сигналов вдоль земной поверхности.
3.При проектировании сетей сухопутной подвижной связи, которые содержат большое количество РЭС, сосредоточенных на ограниченной территории, пользоваться нормами ЧТР бывает нецелесообразно, т.к. необходимо учитывать, что непреднамеренные системные радиопомехи будут представлять собой сумму
большого числа пространственно разнесенных источников излучения с различными рабочими частотами. В этой ситуации необходимо проводить более детальную оценку ЭМС РЭС (учитывая наличие и других систем связи) на основе вычислительных программных комплексов с использованием цифровых карт местности.
Модели распространения сигналов, используемые при анализе ЭМС и проектировании сетей подвижной связи
Задачи, связанные с распространением радиоволн в приземной зоне, весьма сложны, поскольку поле около антенны радиоприемника как абонента, так и базовой станции представляет собой суперпозицию, полученную при многолучевом распространении сигнала в условиях данной местности. Проблема осложняется влиянием на условия распространения радиоволн подвижных объектов, рассеивающих радиоволны, так и перемещением самих абонентов в зоне неравномерного поля. Уровень сигнала может изменяться от пиковых значений, превышающих средний уровень на несколько единиц и даже десятков децибел, до десятков децибел ниже среднего в зонах сильного замирания.
Для расчета ослабления сигналов при анализе ЭМС и проектировании сетей сухопутной подвижной связи наиболее широко пользуются моделированием, основанным на результатах статистической обработки экспериментальных исследований распространения сигналов вдоль земной поверхности. Такие исследования проводились во многих странах мира для различных условий местности. Некоторые из этих моделей являются общепризнанными и рекомендованы МСЭ для использования при проектировании сетей подвижной связи.
Можно выделить два основных типа моделей, используемых в сухопутной связи. Первый тип, где в качестве основных параметров, характеризующих местность и условия распространения сигналов, являются эффективная высота расположения антенны и эффективная высота неровностей местности (перепад высот земной поверхности). Второй тип - модели ослабления сигналов в городских условиях, где рельеф местности обычно не учитывается. Кроме того целесообразно выделить в особую категорию модели распространения в пределах зданий.
Статистические методы по своей сути не учитывают индивидуальных особенностей конкретных трасс распространения радиоволн и поэтому позволяют оценить средние или медианные уровни сигналов для территории, где проводились испытания. Все методы расчета должны давать в принципе одинаковые результаты для одинаковых условий. К сожалению, различные рекомендации и модели часто дают разные результаты расчетов. Однако некоторые математические модели распространения радиоволн, построенные на основе эспериментальных данных и описывающие поле в статистически однородной среде (городская территория, пригород, сельская местность, открытое пространство), являются общепризнанными, о чем свидетельствуют Рекомендации ITU и СЕРТ, и могут быть использованы как достаточное приближение для расчета зон покрытия сетей сухопутной подвижной связи и оценки их ЭМС.
Модели распространения, рекомендованные МСЭ
Для расчета напряженности поля РЭС различных служб в диапазоне от 30 МГц до 1000 МГц в МСЭ была разработана рекомендация ITU-RP.370. Кроме того имеется рекомендация непосредственно для сухопутной подвижной службы ITU-RР.529, разработанная на основе ITU-RP.370 (в эту рекомендацию включеныкривые Okumura) и рекомендация ITU-RP.1146, которая явилась следствием расширения результатов ITU-RP.370 на диапазон волн до 3 ГГц.
Рекомендация ITU-RP.370 является наиболее ранней и наиболее разработанной рекомендацией для расчета напряженности поля радиоволн в диапазоне от 30 до 1000 МГц. Она основана на огромном экспериментальном материале, полученном в основном в Западной Европе и Северной Америке. Рекомендация предоставляет возможность определять напряженность поля на расстояниях от 10 км до 1000 км. Эта рекомендация позволяет учесть высоту передающей антенны в пределах от 37 м до 1200 м и приемной антенны от 1,5 м до 40 м, а также неровности земли от 25 м до 400 м. Кроме того, в рекомендации имеется возможность определения параметров пространственных и временных флуктуаций напряженности поля, а также могут учитываться углы закрытия со стороны приемной и передающей антенн и климатические особенности регионов.
Сфера действия рекомендации ITU-RP.529, предназначенной для расчета напряженности поля применительно к сухопутным подвижным системам связи, практически совпадает с частью сферы действия рекомендации ITU-RP.370, но она не учитывает многих особенностей распространения радиоволн, которые учитываются в рекомендации ITU-RP.370. Расчеты напряженности поля, проведенные по методам рекомендаций ITU-RP.370 и ITU-RP.529 для высоты приемной антенны 1,5 м на частоте 900 МГц примерно совпадают для городской местности до 100 км. Для других частот и больших расстояний рекомендация ITU-RP.529 не содержит никаких данных. Высотная зависимость в рекомендации ITU-R Р.529 приведена лишь в пределах 1…10 м и несколько отличается от данных рекомендации ITU-RP.370.
Рекомендация ITU-R Р.1146 предназначена для расчета напряженности поля в диапазоне от 1 ГГц до 3 ГГц. На частоте 1 ГГц расчеты по этой рекомендации должны были бы совпадать с расчетом по методу рекомендаций ITU-RP.370 и ITU-RP.529. Однако, различие в расчетах достигает 20 дБ для расстояний в области 25-120 км. Это вызвано, по-видимому, тем, что в рекомендации ITU-RР. 1146 выбран неудачный метод классификации трасс по числу препятствий, дающий возможность произвольного выбора того или иного варианта расчета без надлежащего учета условий распространения радиоволн.
По-видимому, методы рекомендации ITU-RP.370 следует в большинстве случаев считать более предпочтительными по сравнению с другими методами ввиду того, что эта рекомендация основана на очень большом экспериментальном материале и учитывает большее число факторов, влияющих на распространение радиоволн. Однако для условий городской местности и для малых расстояний (менее 10 км) целесообразно пользоваться рекомендацией ITU-R Р.529.
Модель Okumura - Hata
Среди многочисленных экспериментальных исследований, связанных с прогнозом распространения радиоволн для мобильных систем, исследования Okumura считаются наиболее исчерпывающими. На основе измерений импостроены кривые напряженности поля сигналов для различных условий городской и пригородной местности. Эмпирические формулы, аппроксимирующие кривые Okumura для медианного значения ослабления радиосигнала между двумя изотропными антеннами (передающей и приемной), были получены Hata и известны как эмпирическая модель Hata для ослабления.
Модель Hata описывает особенности распространения радиоволн над квазиплоской местностью и не учитывает особенности рельефа. Кроме того предполагается, что антенны базовых станций расположены выше окружающих строений, а размер ячеек при формировании макросотовой структуры сети составляет около 1 км и более. В этом случае потери распространения определяются главным образом процессом дифракции и рассеяния радиоволн на высоте крыш зданий, окружающих абонентскую станцию. Распространение основных лучей от базовой станции происходит выше крыш строений.
Область применения формулы Hata ограничена следующими значениями параметров:
рабочая частотаf , МГц150... 1000;
высота антенны базовой станции h БС , м30...200;
высота антенны абонентской станции h АС , м1... 10;
протяженность трассы R , км1 ...20.
В рекомендации ITU-R Р.529 дано уравнение Hata
для напряженности поля в следующем виде:
,(3.12)
гдеf - рабочая частота РЭС в МГц; h БС , hAC - высота расположения антенн БС и АС в метрах.
В формуле (3.12) используется поправочный коэффициент на высоту абонентской станции.
.(3.13)
Коэффициент к в (3.12) позволяет расширить действие модели для протяженности трассы до 100 км:
к = 1 для R < 20 км,
для 20 км <R
<
100 км.
Формула (3.12) может быть использована и в диапазоне от 1 ГГц до 2 ГГц с ограничением по дальности до 20 км.
Основные потери передачи L ( R ) [дБ] при распространении на трассе протяженностью R [км] от радиопередатчика к радиоприемнику в соответствии с этой моделью определяются формулой
,
(3.14)
где α, β — коэффициенты, зависящие от типа местности, рабочей частоты и высоты расположения антенн РЭС. Формулы для расчета L ( R ) для различных типов местности представлены ниже.
Потери в городе:
. (3.15)
Потери в пригороде;
.(3.16)
Потери в сельской местности:
.(3.17)
Потери на открытом пространстве:
.(3.18)
В формулах (3.15)-(3.18) используются те же поправочные коэффициенты, что и в (3.12). Для больших городов с плотной городской застройкой коэффициент a ( hAC ) равен:
для < 200 МГц,(3.19)
для > 400 МГц.(3.20)
Для корректного использования формул Hata необходимо придерживаться следующего соответствия между типами моделей и характеристиками местности:
7. Плотная городская застройка (большой город) - плотная застройка в
основном высокими зданиями (выше 20 этажей) с малой площадью зеленых
насаждений. Покрытие ячеек в значительной мере определяется дифракцией и
рассеянием сигнала на ближайших к абоненту зданиях.
7. Городская застройка - многоэтажная административная и жилая
застройка, индустриальные районы. Плотность зданий достаточно высокая, но
может быть разбавлена зелеными насаждениями, небольшими скверами.
7. Пригород - одиночные жилые дома, административные здания, магазины высотой 1-3 этажа. Большие площади зеленых насаждений (деревьев), парковые зоны с отдельными группами зданий плотной застройки.
7. Сельская местность - открытое пространство с несколькими зданиями, фермы, кустарниковые насаждения, шоссе.
7. Открытое пространство - озера, водохранилища, открытые участки
без насаждений, неплодородные земли.
На рис. 15, 16 представлены графики для медианного значения ослабления радиоволн по модели Hata и свободного пространства в диапазонах 450 МГц и 850 МГц. Значения параметров h БС , h АС , указаны на рисунках. Цифрами обозначены: 1 - свободное пространство; 2 - открытая местность; 3 - пригород; 4 - город; 5 - большой город.

Рис. 15. Графики для медианного значения ослабления радиоволн по модели Hata в диапазонах 450 МГц и 850 МГц.

Рис. 16. Графики для медианного значения ослабления радиоволн свободного пространства в диапазонах 450 МГц и 850 МГц.
Как видно из анализа формул (3.15) - (3.20) для модели Okumura-Hata спад функции основных потерь передачи L ( R ) существенно зависит от высоты расположения антенны БС и может составлять 30...35 дБ на декаду для R < 20 км и более 50 дБ при 20 км < R < 100 км.
Некоторые аспекты и тенденция увеличения емкости сетей подвижной связи
Число пользователей сотовых сетей мобильной связи растет значительно быстрее, чем могли себе представить изобретатели этой технологии. Каждый год количество абонентов возрастает на 40%, и предполагается, что данная тенденция сохранится до конца десятилетия. Резкое увеличение числа абонентов и растущая коммерциализация технологии обуславливают новые требования к сети; в частности, довольно остро стоит задача увеличения емкости ячеек и повышения качества передачи звука при телефонных переговорах.
С одной и той же базовой станцией сотовой сети может взаимодействовать большое число абонентов. Такой режим работы называется множественным доступом ( multiple access ) к базовой станции. Для обеспечения множественного доступа общий ресурс базовой станции подразделяется на определенное количество "каналов", к которым получают доступ пользователи. В одно и то же время абонент может использовать только один канал. Захват канала происходит при подсоединении к данной базовой станции (при переходе к ней из зоны действия другой базовой станции или инициализации вызова), освобождение канала - при переходе в зону действия другой базовой станции или окончании переговоров.
Разные стандарты организации множественного доступа по-разному "упаковывают" каналы в наличный диапазон частот; от способа этой упаковки зависит емкость ячейки сети.
Первыми появились методы множественного доступа, основанные на разделении каналов по частотам ( FDMA , frequency division multiple access ). Каждый канал занимает определенную частотную полосу в отведенном для ячейки частотном диапазоне. В настоящее время используются стандарты AMPS ( Advanced Mobile Phone Service , ширина канала 30 кГц), NAMPS ( Narrowband Advanced Multiple Phone Service , ширина канала 10 кГц), TACS ( Total Access Communications System , ширина канала 25 кГц). Все эти стандарты основаны на передаче аналогового сигнала. После установления соединения вся соответствующая каналу полоса частот используется для обслуживания диалога только между одним абонентским телефоном и базовой станцией, какое-либо совместное применение одной полосы частот несколькими абонентами невозможно.
Емкость ячейки сети определяется тем, сколько частотных каналов "умещается" в частотном диапазоне, отведенном для данной ячейки. Величина этого диапазона обычно составляет одну седьмую часть от общего диапазона частот, отведенного для конкретной сотовой сети, что необходимо для "разнесения" по частотам соседних ячеек сети. Благодаря этому можно повторно использовать одни и те же частоты в отдаленных друг от друга ячейках сети, а значит, строить сети неограниченных географических масштабов, применяя конечный диапазон частот.
Большей емкости сети можно достичь с помощью одного из многочисленных методов множественного доступа с временным разделением каналов ( Time Division Multiple Access , TDMA ). Весь диапазон частот, выделенный для данной ячейки, сначала подразделяется на определенное число несущих частот (как в методах множественного доступа), после чего каждая из несущих делится еще на некоторое число временных слотов, и именно эти слоты представляют собой каналы. Под термином "временной слот" понимается следующее. Базовая станция, работая на данной частоте, какую-то часть времени использует для связи с одним абонентом, какую-то - с другим и так далее. По существу, временной слот здесь мало чем отличается от применяемого при мультиплексировании с разделением по времени. Речь обычно передается в оцифрованном виде с компрессией. В качестве примеров TDMA можно привести следующие стандарты: IS-54 (частотные каналы AMPS шириной 30 кГц делятся на три временных слота), PDC (каналы на 25 кГц по три слота в каждом) и усиленно продвигаемый в настоящее время GSM (восемь временных слотов при несущем диапазоне 200 кГц).
Существенное увеличение емкости сети обеспечивает не так давно появившийся в технике сотовых сетей метод CDMA ( Code Division Multiple Access ). Как и метод множественного доступа, он подразумевает передачу голосовой информации только в оцифрованном виде. Мы не случайно подчеркиваем, что этот метод возник недавно именно в телефонии, - в основе его лежит давно применяемый в военной радиосвязи метод модуляции с использованием шумоподобного или широкополосного сигнала (ШПС; в англоязычной литературе используется термин spread spectrum , что часто переводится на русский язык как "растянутый" или "размытый" спектр). Полезная информация как бы "размазывается" по частотному диапазону, существенно более широкому, чем при традиционных способах модуляции сигнала (в данном контексте такой сигнал часто называют узкополосным). Осуществляется это за счет перемножения последовательности полезных битов информации на псевдослучайную последовательность более коротких импульсов. В результате получается сигнал, который занимает больший частотный диапазон и имеет значительно меньшую интенсивность, чем получаемый при узкополосной модуляции. CDMA как метод множественного доступа аналогичен методу модуляции DSSS ( direct - sequence spread spectrum ), используемому в беспроводных локальных сетях.
Ясно, что в этом случае можно принять информацию, только зная последовательность, на которую был перемножен полезный сигнал при передаче, в противном случае он будет выглядеть как шум (отсюда и название). В военныхприложениях данный метод используется в первую очередь для защиты от помех (широкополосный сигнал очень устойчив к узкополосным помехам) и подслушивания. Для нас же сейчас более важно следующее: если два абонентских телефона, находящихся в зоне действия одной базовой станции, работают на общей частоте, но с разными кодирующими последовательностями, то эти сигналы практически не будут создавать помех друг для друга.
Все абонентские телефонные аппараты, работающие в зоне действия одной базовой станции, используют одну и ту же несущую частоту. Для передачи информации отводятся частотный диапазон шириной 1,25 МГц и фрагменты общей "большой" псевдослучайной последовательности, по-разному смещенные от условно выбранного начала этой последовательности. Емкость ячейки сети CDMA определяется тем, насколько независимы друг от друга коды, используемые абонентскими аппаратами. При работе по этой технологии размер ячейки, качество звука и емкость оказываются тесно взаимосвязанными, поэтому при проектировании сети следует выбирать некое оптимальное решение; улучшить одну из этих характеристик можно только за счет ухудшения другой. Дело тут в следующем. Чем больше CDMA-каналов в данной ячейке сети, тем выше уровень взаимных помех из-за неполной независимости кодовых последовательностей. Отсюда ясно, что чем более низкое качество передачи звука считается приемлемым, тем больше каналов можно разместить в ячейке сети. Взаимная зависимость между размерами ячейки и емкостью сети обусловлена тем, что можно обеспечить заданное качество передачи речи, только если соотношение сигнал/шум оказывается выше определенного значения. Чем слабее сигнал (а при заданной мощности оборудования с увеличением размера ячейки сигнал становится слабее), тем меньшим должен быть уровень помех - а он, как мы знаем, зависит от числа используемых каналов. (Строго говоря, в последнем случае все несколько сложнее, однако сейчас мы не станем в это углубляться.)
По данным компании Motorola , одного из ведущих производителей аппаратуры для CDMA в одном несущем диапазоне шириной 1.25 МГц можно разместить до 18 каналов для сетей мобильной связи и около 30 - для фиксированных сетей (где абонентские терминалы не перемещаются в пространстве в процессе вызова). Много это или мало? Попробуем сравнить емкость сети CDMA с емкостью сети на базе AMPS . На первый взгляд, кажется, что для такого сравнения надо ширину несущего диапазона CDMA (1,25 МГц) поделить на ширину одного частотного канала AMPS (30 кГц) и выяснить, не больше ли получившееся число, чем 18.
(1,25 : 0,03=42 > 18).
Выходит, что сравнение не в пользу CDMA ?Однако это неверный вывод, поскольку, как уже говорилось выше, при работе в стандарте AMPS каналы, организованные в семи соседствующих между собой ячейках (см. рис. 17), должны различаться по частотам, а в CDMA во всех ячейках можно использовать один и тот же несущий диапазон. Поэтому полученный результат надо разделить на семь (42 : 7 = 6). Получаем, что емкость CDMA втрое выше, чем AMPS . Но и этот результат нельзя считать окончательным, поскольку и в CDMA , и в AMPS ячейку сети обычно делят на три сектора по 120° в каждом - это позволяет увеличить радиус ячейки сети, используя направленные антенны, и, таким образом, снизитьчисло базовых станций, необходимых для покрытия определенной площади. Так вот, при работе по стандарту AMPS в разных секторах одной и той же ячейки приходится использовать разные частотные каналы (иначе неизбежны взаимные помехи, поскольку секторы ограничены не линиями, а, скорее, областями постепенного спадания мощности сигнала), а в CDMA можно применять одни и те же. Соответственно, полученную выше цифру 6 надо поделить на три - получим двойку. В итоге оказывается, что при использовании одного и того же частотного диапазона шириной 1,25 МГц емкость сети CDMA в девять раз выше, чем емкость AMPS . При сравнении CDMA с другими стандартами выигрыш в емкости получается меньшим; конкретное число можно узнать путем аналогичных расчетов.
Возможность использования в двух соседних ячейках сети одной и той же несущей частоты значительно упрощает так называемое частотное планирование, которое является весьма сложной операцией при развертывании сети. Если же применяется частотное разделение каналов, необходимо расписать все используемые в ячейках сети частоты так, чтобы ни в одной паре соседних ячеек не оказалось двух одинаковых частотных каналов. Это совсем не просто и часто связано со значительными материальными затратами.
Качество связи
Общеизвестно, что мобильный телефон обеспечивает не слишком высокое качество связи. Причин тому много. В городах, где обычно и развертываются сети мобильной связи, имеется много индустриальных помех. Распространяясь между базовой станцией и мобильным аппаратом, радиоволна многократно отражается от препятствий; в результате интерференции сигналов, прошедших разными путями, интенсивность принимаемого сигнала может внезапно упасть. Такие явления, называемые в радиотехнике федингами ( fading ), обычно наблюдаются в ограниченных пространственных областях, чьи форма и расположение определяются расположением зданий и длиной волны, на которой ведется передача. Наконец, качество связи заметно снижается при переходах мобильного абонента от одной ячейки сети к другой: в обычных стандартах осуществляется так называемое "жесткое переключение" ( hard handoff ), при котором сначала разрывается связь с покидаемой ячейкой и только после этого устанавливается связь с новой.
Конечно, сравнивать качество связи, устанавливаемой с фиксированных телефонов, с качеством мобильной связи не вполне корректно: в последнем случае действует значительно больше факторов, обуславливающих ухудшение связи. Тем не менее факт остается фактом - CDMA позволяет получить значительно более высокое качество связи, чем стандарты, основанные на FDMA и TDMA . Причины этого следующие: во-первых, CDMA - чисто цифровая связь (аналоговый сигнал попросту невозможно передавать тем способом, какой принят в CDMA ), а во-вторых, в CDMA используется широкополосная модуляция сигнала.
Цифровой сигнал значительно меньше уязвим для помех, чем аналоговый. Кроме того, в CDMA применяются новейшие алгоритмы коррекции ошибок передачи, а в аппаратуре обычно используются самые современные методы сжатияголосового сигнала. Это позволяет достигнуть большой степени сжатия голоса при достаточно высоком качестве связи.
Очень большие преимущества с точки зрения качества связи дает применение широкополосной модуляции сигнала (рис. 18). Широкополосный сигнал значительно меньше страдает от помех, особенно узкополосных. Узкополосная помеха способна "испортить" широкополосный сигнал только в каком-то относительно узком частотном диапазоне, и полезная информация может быть восстановлена по неповрежденным участкам несущего диапазона. Это относится и к федингам, о которых говорилось выше: интерференция прошедших разными путями сигналов приводит к снижению суммарной интенсивности лишь в достаточно узком частотном диапазоне, и снова полезную информацию можно восстановить по неповрежденной части сигнала. Конечно, сигнал несколько ухудшается, однако это несопоставимо с потерями качества связи при использовании обычных методов модуляции.
Рис. 18. Воздействие узкополосных помех (а) и федингов (б) на широкополосный сигнал.
Помимо повышения качества связи, устойчивость CDMA к федингам приводит к значительной экономии ресурса источников питания и улучшению экологических параметров мобильных телефонов. В других сетях мобильные телефоны обычно работают на более высокой мощности, чем это нужно для устойчивой связи с базовой станцией, что позволяет при внезапном возникновении фединга не потерять связь (происходит лишь значительное снижение ее качества). В CDMA же такой резерв не нужен, поэтому телефон может работать с меньшей мощностью передаваемого сигнала.
Этим не ограничиваются преимущества технологии CDMA , связанные с использованием широкополосной модуляции сигнала. Вместо жесткого переключения ( hard handoff или break before make ) от ячейки к ячейке, принятого во всех прочих сотовых сетях, в CDMA можно использовать мягкий переход ( soft handoff или make before break ): мобильный аппарат сначала устанавливает связь с базовой станцией, в зону действия которой он переходит, и только после этого освобождает канал в покидаемой ячейке. Это возможно за счет того, что и в покидаемой, и в новой ячейке используется одна и та же несущая частота. Данное преимущество заметнее всего сказывается на работе телефонов, находящихся в пограничной зоне между двумя ячейками, где уровни сигналов от базовых станций примерно одинаковы. Тогда выбор базовой станции в значительной степени определяется случайными причинами, и абонент подключается то к одной, то к другой станции. При жестком переходе частые переключения значительно ухудшают качество связи и даже могут привести к ее обрыву, а при мягком переходе ничего подобного не происходит.
Далее, для работы системы CDMA необходимо, чтобы все приходящие на базовую станцию сигналы имели одинаковую интенсивность, - в противном случае возникнут проблемы с декодировкой информации. Ясно, что чем дальше телефон от базовой станции, тем выше должна быть мощность передаваемого им сигнала. Базовая станция следит за тем, чтобы сигналы, приходящие к ней от разных телефонов, были строго одинаковой интенсивности, и дает указания индивидуальным телефонам о повышении или понижении мощности передаваемого сигнала. Такая схема управления мощностью реализована во многих стандартах мобильной связи, однако в CDMA удается управлять мощностью передатчиков мобильных телефонов с очень высокой точностью. Мощность удерживается на том минимальном уровне, который обеспечивает уверенный прием сигнала базовой станцией. При этом снижается общий уровень взаимных помех в системе, что повышает качество связи. Кроме того, точное управление мощностью позволяет продлить срок службы аккумуляторов мобильных телефонов и улучшить экологические параметры технологии.
Недостатков у CDMA относительно немного. Главный из них - новизна технологии. Стандартизирована она была лишь в 1994 г. (соответствующий документ называется IS-95), поэтому значительно менее устоялась, чем другие технологии мобильной связи.
Другими недостатками являются большая сложность оборудования и, как следствие, довольно ограниченный круг производителей. В настоящее время базовые станции для этой технологии выпускают фирмы QUALCOMM , Samsung , Motorola , Lucent Technologies , Nortel и некоторые другие. Намного больше компаний выпускают абонентское оборудование, однако их тоже меньше, чем аналогичных производителей для других технологий.
Определенные проблемы вызывает и использование "мягкого переключения". В частности, если абонент находится в зоне действия нескольких базовых станций, то правило make before break может привести к тому, что для работы с ним будут одновременно резервироваться каналы в нескольких ячейках сети, что приведет к снижению эффективной емкости сети. В настоящее время разрабатываются различные способы, позволяющие избежать такой ситуации.
Помимо своего, так сказать, основного амплуа, сети CDMA могут обеспечивать целый ряд других функций. Прежде всего, следует упомянуть приложения так называемой "беспроводной последней мили" ( Wireless Local Loop , WLL ). Такое приложение реализуется в "фиксированных" сетях, не поддерживающих мобильных абонентов. Следует, впрочем, подчеркнуть, что совершенно неподвижными абоненты таких сетей быть не обязаны, - допускается, например, перемещение с места на место в пределах территории, на которой развернута сеть.
Наибольший интерес к фиксированным сетям проявляют компании-операторы из развивающихся стран, где необходимо быстро обеспечить связь на большой территории, и на прокладку разветвленной кабельной сети просто нет времени. Помимо недостаточно развитой коммуникационной инфраструктуры, существует и еще одна причина интереса к беспроводным технологиям "последней мили" - большие расстояния. Этот фактор не зависит от уровня экономического развития страны - проложить кабель к удаленному ранчо в Соединенных Штатах ничуть не дешевле (а скорее всего, значительно дороже), чем к какой-нибудь глухой российской деревушке на десять домов. Переход от мобильной связи к фиксированной сопряжен со значительным повышением качества передачи голоса и увеличением емкости сети. По данным корпорации QUALCOMM , максимальная емкость ячейки сети в этом случае возрастает до 45 каналов на одну несущую частоту.
В настоящее время испытания систем WLL на базе CDMA проходят в Канаде, Бразилии, Индии, России, Китае, Польше.
Другим весьма перспективным применением технологии CDMA будет, как предполагается, начинающая развиваться в США система сотовой связи в диапазоне 1900 МГц под названием PCS ( Personal Communications Services ). Идея PCS состоит в том, чтобы превратить сотовую связь во всепроникающую телекоммуникационную технологию. Ожидается, что ячейки такой сети будут мельче, мобильные аппараты - легче и дешевле и что эта система позволит связываться с абонентами в любое время и из любого места. Согласно прогнозам, одно из наиболее эффективных решений для организации PCS - применение технологии CDMA , в первую очередь благодаря большей емкости таких сетей, более высокому качеству связи (в частности, малый размер ячеек означает частые переключения, а они, как мы помним, в CDMA происходят менее болезненно, чем при использовании других технологий), а также малой стоимости в расчете на одного абонента. В настоящее время в США уже развернуты первые системы PCS на базеCDMA .
Расчет межсистемной ЭМС
Требуется провести анализ ЭМС между двумя базовыми станциями (БС) двух различных стандартов сотовой связи (CDMA и D-AMPS), с целью их взаимной беспомеховой (корректной) работы.
Ниже приведены исходные данные, необходимые для расчета:
| Характеристика | CDMA | GSM | D-AMPS |
| Рабочий диапазон | 824-840 869-894 |
880-915 | 824-840 869-894 |
| Мощность передатчика БС, дБ | 40 | 40 | 40 |
| Чувствительность приемника БС, дБ | -102 | -107 | -90 |
К-нт усиления антенны РПД в направлении на РПМ GРПД (φРПМ ),дБ |
16 | 14 | 16 |
| К-нт усиления антенны РПМ в направлении на РПД GРПМ (φРПД ),дБ | 16 | 0 | 16 |
| Разнос каналов, кГц | 1250 | 30 | |
| Защитное отношение (сигнал/помеха), дБ | 7 | 9 | 9 |
| Среда распространения радиоволн | Город | Город | Город |
Как видно из таблицы рассчитывать ЭМС сетей EGSMи D-AMPSне имеет смысла, т.к. рабочие диапазоны частот не совпадают.
БС CDMA- приемник помехи
БС D-AMPS источник помехи
Обе БС работают на одной несущей частоте f = 830 МГц, вследствие этого создают друг другу помехи
1. Начнем расчет с нахождения POI :
POI — мощность радиопомехи на входе РПМ (БС CDMA), дБВт.
POI = P РПД +G РПД (φРПМ ) + G РПМ (φРПД ) +U РПД + U РПМ + N (δ f ) - L ( R ),
Нам известно, что:
P РПД = 40дБ (мощность радиопередатчика источника радиопомех)
G РПД (φРПМ ) = 16дБ (к-нт усиления антенны РПД в направлении на РПМ)
G РПМ (φРПД ) = 16дБ (к-нт усиления антенны РПМ в направлении на РПД)
U РПД = 1,51дБ (затухание в антенно-фидерном тракте РПД)
U РПМ = 0,1дБ (затухание в антенно-фидерном тракте РПМ)
N ( δ f ) = 1 дБ (ослабление радиопомехи в линейном тракте РПМ)
L ( R ) - потери на трассе распространения сигналов от РПД (в данном случае источника радиопомех) к РПМ (рецептору радиопомех), дБ.
POI = 40+16+16+1,51+0,1+1- L ( R ) =74,61-L ( R ) ;
Т. к. среда распространения радиоволн - город, далее считаем.
Потери в городе:
L Г = 69,55 + 26,16 lgf - 13,82 lg( h БС ) - a ( h АС )+ k [44,9 - 6,55 lg( h БС ) ]lgR , где
H Б C =30 м.(высота антенны базовой станции)
hAC =1,5 м. (высота антенны абонентской станции)
R =0,5 км (протяженность трассы - расстояние между базовыми станциями)
Коэффициент k позволяет расширить действие модели для протяженности трассы до 100 км:
k =1 для R<20 км,
Поправочный коэффициент на высоту абонентской станции:
a(hAC ) = (1,1lgf - 0,7) hAC - 1,56 lgf + 0.8 .
L Г =69,55+76,36-20,41-10,6=114,9 дБ
Суммарные потери на трассе распространения радиоволн составляют 114,9 дБ.
Теперь мощность радиопомехи с учетом потерь в городе:
POI =74,61-114,9=-40дБ
Далее применяя уравнение ЭМС РЭС, определяем возможна ли взаимная беспомеховая работа двух базовых станций
- уравнение ЭМС РЭС, где:
k =1,65 (коэффициент, учитывающий допустимый процент времени ухудшения качества радиосвязи ниже заданного уровня)
σ = 6 дБ
РМИН = - 102 дБ (чувствительность приемника)
A =9 дБ (защитное отношение сигнал/помеха)
-102-(-40)> 9+1,65(0,4)6
-62>15 -Неравенство не выполняется.
Вывод: взаимная беспомеховая работа невозможна.
Так как стандарт CDMA-широкополосный, с кодовым разделением каналов и передатчик его БС обладает меньшей излучаемой мощностью, нежели передатчик БС стандарта D-AMPS, то дальнейшие рекомендации, в первую очередь, будут относиться к настройке, установке и использованию БС стандарта D-AMPS. Итак, если неравенство не выполняется, то необходимо:
1. Уменьшить мощность РРПД
БС стандарта D-AMPS, что в свою очередь
приведет к уменьшению обслуживаемой зоны.
2. Уменьшение G
РПД
(φРПМ
) -
коэффициента усиления антенны РПД в
направлении на РПМ. Это достигается применением направленных
(секторных) антенн и их ориентацией в пространстве.
3. Уменьшение G
РПМ
(φРПД
) -
коэффициента усиления антенны РПМ в
направлении на РПД. Это достигается применением направленных
(секторных) антенн и их ориентацией в пространстве.
4. Изменение несущей частоты БС D-AMPS.
ЭМС сотовых систем связи EGSM -900 и CDMA -800 в Москве
Исходные данные для расчета
Проблема электромагнитной совместимости (ЭМС) сотовых систем различных стандартов, действующих на одной территории, может возникнуть, если рабочие полосы частот в предусмотренных для этих систем диапазонах перекрываются или защитный интервал между ними недостаточен. Особенно тщательного исследования требует случай, когда одна из систем уже развернута и функционирует в выделенных для нее рабочих полосах частот, а вторая планируется к развертыванию на той же или сопредельной территории при дефиците частотных полос.
Оценка ЭМС систем EGSM -900 и CDMA -800 в Москве.
Распределение рабочих полос частот систем CDMA-800 (передача с БС; передача с МС) или (прием на МС; прием на БС):
• по России в целом: (873...876 МГц; 828...831 МГц) МГц;
• в Москве: (879...882 МГц; 834...837 МГц).
Полоса, выделенная для стандарта EGSM-900: 880...915 МГц. Следовательно, частотные полосы систем не только перекрываются, но, фактически, часть рабочей полосы частот EGSM-900 приходится на ранее выделенную и занятую полосу системы связи CDMA-800. В связи со сложившейся ситуацией необходимо провести оценку ЭМС этих двух систем.
Из анализа частот EGSM и CDMA в Москве, следует, что излучение передатчика БС CDMA воздействует на приемник БС EGSM. В свою очередь излучение передатчика МС EGSM воздействуют на приемник МС CDMA.
При анализе ЭМС проводится расчет для следующих исходных данных:
1. Характеристики передатчика БС CDMA:
• Максимальная мощность излучения БС CDMA: P БС CDMA = 17 Вт;
• Рабочая частота передатчика БС CDMA:f БС CDMA = 881,25 МГц (г.Москва);
• Полоса пропускания на уровне 3 дБ передатчика БС CDMA: 1,2 МГц;
• Потери радиочастотного кабеля, включая потери на радиочастотном разъеме: 3 дБ;
• Высота установки антенны передатчика БС CDMA: H БС CDMA =30 m;
• КУ секторной антенны передатчика БС CDMA: G БС CDMA = 14 дБ;
• Уровень внеполосного излучения БС CDMA при отстройке от несущей на МГц и более: менее -44 дБ;
2.Характеристики приемника МС CDMA:
· Частота приема МС CDMA: 881,25 МГц (г. Москва);
· Полоса пропускания на уровне 3 дБ приемника МС CDMA: 1,2 МГц;
· Выигрыш в отношении S /( N + I ) при использовании кодирования: 23 дБ;
· КУ антенны приемника МС CDMA: G МС CDMA = 0 дБ;
· Чувствительность приемника МС CDMA: -120,65 дБ;
· Уровень внутрисистемной помехи в системе CDMA: 8 дБ;
Требуемое отношение S /( N + I ) в системе CDMA: 5,5 дБ;
3.Характеристики передатчика МС EGSM:
• Мощность излучения МС EGSM:P МС EGSM = 2 Вт;
• Несущая частота передатчика МС EGSM:f МС EGSM = 889,6 МГц;
• Полоса пропускания на уровне 3 дБ передатчика МС EGSM: 6 МГц;
• Уровень внеполосного излучения МС EGSM при отстройке от несущей на 0,5 МГц и более: менее -60 дБ;
• КУ антенны передатчика МС EGSM: G МС EGSM = 0 дБ;
4.Характеристики приемника БС EGSM:
• Частота приема БС EGSM:f БС EGSM = 889,6 МГц;
• Полоса пропускания на уровне 3 дБ приемника БС EGSM: 6 МГц;
• Высота установки антенны приемника БС EGSM: H БС EGSM = 30 м;
• КУ секторной антенны приемника БС EGSM: G БС EGSM = 14 дБ;
• Чувствительность приемника БС EGSM: -107 дБ;
• Требуемое отношение S /( N + I ) в системе EGSM: 9 дБ;
5.Условные характеристики трасс распространения сигналов:
• Условия распространения сигнала передатчик БС CDMA - приемник БС EGSM: городская застройка;
• Условия распространения сигнала передатчик БС CDMA - приемник МС CDMA: городская застройка;
• Условия распространения сигнала передатчик МС EGSM - приемник МС CDMA: прямая видимость (распространение в свободном пространстве);
• Условия распространения сигнала передатчик МС EGSM - приемник БС EGSM: городская застройка.
Анализ параметров источников полезного и мешающего сигналов
1 .Мощность передатчиков:
Для передатчика БС CDMA:
, дБм;
Для передатчика МС EGSM:
, дБм.
2. Уменьшение уровня мощности мешающего сигнала на гармониках:
Частоты приемника МС CDMA и передатчика МС EGSM примерно равны:
, МГц.
Значит, уменьшение уровня мощности мешающего сигнала на гармониках отсутствует.
Частоты приемника БС EGSM и передатчика БС CDMA примерно равны:
МГц.
Значит, уменьшение уровня мощности мешающего сигнала на гармониках отсутствует.
3. Потери в фидерах:
Для передатчика БС CDMA: 3 дБ.
Для передатчика МС EGSM: 0 дБ.
4. Усиление антенн:
КУ секторной антенны передатчика БС CDMA: G БС CDMA = 14 дБ.
КУ антенны передатчика МС EGSM: G МС EGSM = 0 дБ;
5. Уменьшение уровня мощности для частот передатчика, лежащих вне рабочей полосы частот.
Уровень внеполосного излучения БС CDMAпри отстройке от несущей на 2 МГц и более: менее -44 дБ;
Уровень внеполосного излучения МС EGSM при отстройке от несущей на 0,5 МГц и более: менее -60 дБ;
6. Уменьшение коэффициента усиления антенны передатчика в направлении рецептора.
Секторная антенна БС CDMA должна обеспечивать примерно одинаковое усиление во всех направлениях, в т.ч. и направлении на БС EGSM. Следовательно, уменьшение КУ антенны БС CDMA принимаем равное 0 дБ.
Антенна МС является всенаправленной, поэтому уменьшение КУ антенны МС EGSM принимаем равным 0 дБ.
7. Итоговые данные по уровню эффективно передаваемой мощности.
С помощью расчета параметров передатчиков, полученные результаты сводятся в таблицу. Для нахождения результата необходимо сложить все строки таблицы.
Расчет уровня эффективной передаваемой мощности.
| Пара сигнал - помеха | БС EGSM | МС CDMA | ||||||
| МС EGSM | БС CDMA | БС CDMA | МС EGSM | |||||
| Параметры | Сигнал | Помеха | Сигнал | Помеха | ||||
| +дБ | -дБ | +дБ | -дБ | +дБ | -дБ | +дБ | -дБ | |
| 1. Мощность передатчика | 33 | 42,3 | 42,3 | 33 | ||||
| 2. Уменьшение уровня мощности на гармониках | 0 | 0 | ||||||
| 3. Потери в фидерах | 0 | 3 | 3 | 0 | ||||
| 4. КУ антенны передатчика | 0 | 14 | 14 | 0 | ||||
| 5. Уменьшение уровня мощности вне рабочей полосы частот | 44 | 60 | ||||||
| 6. Уменьшение КУ антенны в направлении рецептора | 0 | 0 | 0 | 0 | ||||
| 7. Уровень эффективной передаваемой мощности | +33 | +9,3 | +53,3 | -27 | ||||
Потери энергии на трассе распространения радиоволн
8, 9. Медианные и дифракционные потери.
Для трассы БС CDMA - БС EGSM .
Определим потери на трассе распространения по формулам Hata:
h 1 = h 2 = 30м - высоты антенн БС.
H m = min(h1, h2 ) = 30 м, Hb = max(h1, h2 ) = 30 м.
Для r > 0,1 км, городская застройка, f = 881,25 МГц:
;
;
α =1 при r < 20 км;
, при 20 < r
< 100 км
т.к. берем расстояние между БС меньше 20 км, то α= 1;
L = 69,6 + 26,2 log(f ) - 13,82log(max{30; Hb })+
+ α [44,9-6,55log(max{30;Hb })]logr -a (Hm )-b (Hb )
L = 69,6+26,2 log(881,25) - 13,821og(30)+1[44,9 - 6,551og(30)]log(r ) - 31,6;
L = 69,6 + 77,2 - 20,4 + 35,2log(r ) - 31,6;
L = 94,8 + 35,2 log(r БС ).
Где r БС - расстояние между базовыми станциями CDMA и EGSM, км.
Для трассы распространения МС EGSM - БС EGSM .
Определим потери на трассе распространения по формулам Хаты:
Городская застройка f =889,6 МГц, h 1 =30 м - высота расположения антенны БС EGSM, h 2 =1 м - высота расположения антенны МС EGSM, rEGSM - расстояние между МС и БС системы EGSM.
, ![]()
В формулах Хаты рассматривается несколько случаев, в зависимости от расстояния rEGSM . в данной задаче целесообразно рассматривать только худший для ЭМС случай, когда rEGSM > 0,1 км (большее расстояние - большие потери).

![]()
![]()

α =1, если r <20 км

т.к. расстояние между МС и БС меньше 20 км, то α= 1;
L = 69,6 + 26,2 log(f ) -13,82 log(max {30; Hb })+
+ α • [44,9 - 6,55log(max{30; Hb })]• logr - a(Hm ) – b(Hb )
L =69,6 + 26,21og(889,6) - 13,821og(30) + 1 • [44,9 - 6,551og(30)] • logrEGSM +1,3-0;
L = 69,6 + 77,3 - 20,41 + 35,2 •logrEGSM + 1,3 = 127,8 + 35,2 •logrEGSM .
Для трассы распространения БС CDMA - МС CDMA .
Определим потери на трассе распространения по формулам Хаты:
Городская застройка f = 881,25 МГц, h 1 =30 м - высота расположения антенны БС CDMA, h 2 = 1м - высота расположения антенны МС CDMA, rcdma - расстояние между МС и БС системы CDMA.
![]()
.
В формулах Хаты рассматривается несколько случаев, в зависимости от расстояния, но в данной задаче целесообразно рассматривать только худший для ЭМС случай, когда rEGSM > 0,1км.

![]()
α =1, если r <20 км

т.к. расстояние между МС и БС меньше 20 км, то α = 1;
L = 69,6 + 26,2 log(f ) -13,82 log(max {30; Hb })+
+ α • [44,9 - 6,55log(max{30; Hb })]• logr - a(Hm ) – b(Hb )
L =69,6 + 26,21og(881,25) - 13,821og(30) + 1 • [44,9 - 6,551og(30)] • logrCDMA +1,3-0;
L = 69,6 + 77,2 - 20,41 + 35,2 •logrCDMA + 1,3 = 127,7 + 35,2 •logrCDMA .
Для трассы распространения МС EGSM - МС CDMA .
Для оценки ЭМС МС систем связи с различными методами разделения каналов при их пространственном разнесении в пределах прямой видимости, целесообразно использовать модель распространения сигналов в свободном пространстве.
Несущая частота передатчика МС EGSM:^C egsm~ 889,6 МГц.
А =32,441 + 201grMC + 201gf=32,441 + 201grMC + 201g889,6;
A = 91,42 + 201grMC ,[AB]. Где rU c - расстояние между мобильными станциями CDMA и EGSM, км.
10. Замирание сигнала.
В формулах Хаты потери на замирание полезного сигнала лежат в пределах 3,5-17 дБ, в зависимости от расстояния и распространения выше или ниже уровня крыш. Т.к. расстояние между БС и МС - не определенно, а сигнал может идти как выше уровня крыш, так и ниже, то берем наибольшие потери на замирание 17 дБ.
Для «худшего случая» потери на замирание мешающих сигналов берем 0 ДБ.
11. Потери в атмосферных осадках сказываются на частотах выше 5 ГГц. Начастотах ниже 5 ГГц потери практически отсутствуют.
| Пара сигнал - помеха | БС EGSM | МС CDMA | ||||||
| МС EGSM | БС CDMA | БС CDMA | МС EGSM | |||||
| Параметры | Сигнал | Помеха | Сигнал | Помеха | ||||
| +дБ | -дБ | +дБ | -дБ | +дБ | -дБ | +дБ | -дБ | |
| 8. Медианные потери | -127,8-35,2logrEGSM | -94,8-35,2logrБС | -127,7-35,2logrCDMA | -91,42-20logrМС | ||||
| 9. Дифракционные потери | 0 | |||||||
| 10. Потери при замирании сигнала (интерференция) | 17 | 0 | 17 | 0 | ||||
| 11. Потери в атмосферных осадках | 0 | 0 | 0 | 0 | ||||
| 12. Суммарные потери на трассе распространения | -144,8-35,2logrEGSM | -94,8-35,2logrБС | -144,7-35,2logrCDMA | -91,42-20logrМС | ||||
12. Суммарные потери на трассе распространения подсчитываются с помощью таблицы сложением значений всех строк.
Потери на трассе распространения.
Характеристики рецептора
13. Коэффициент усиления приемной антенны.
КУ антенны МС - 0 дБ, КУ антенны БС - 14 дБ.
14.
Уменьшение коэффициента усиления приемной антенны в направлении
передатчика.
Секторная антенна БС EGSM должна обеспечивать примерно одинаковое усиление во всех направлениях, в т.ч. и направлении на БС CDMA. Следовательно, уменьшение КУ антенны БС EGSM принимаем равное 0 дБ. Антенна МС является всенаправленной, поэтому уменьшение КУ антенны МС CDMA принимаем равным 0 дБ.
15.
Уменьшение коэффициента усиления антенны из-за рассогласования
поляризации.
Принимаем равными 0 дБ.
16. Потери в фидере приемного тракта.
Для приемника БС EGSM: 3 дБ. Для приемника МС CDMA: 0 дБ.
| Пара сигнал - помеха | БС EGSM | МС CDMA | ||||||
| МС EGSM | БС CDMA | БС CDMA | МС EGSM | |||||
| Параметры | Сигнал | Помеха | Сигнал | Помеха | ||||
| +дБ | -дБ | +дБ | -дБ | +дБ | -дБ | +дБ | -дБ | |
| 13. Коэффициент усиления в приеной антенне | 14 | 14 | 0 | 0 | ||||
| 14. Уменьшение КУ премной антенны в направлении источника помехи | 0 | 0 | ||||||
| 15. Уменьшение КУ антенны из-за рассогласования поляризаций | 0 | 0 | ||||||
| 16. Потери в фидерах | 3 | 3 | 0 | 0 | ||||
| 17. Суммарное усиление антенны | +11 | +11 | 0 | 0 | ||||
17. Суммарное усиление антенны определяется с помощью таблицы путем суммирования значений для сигнала и помехи всех строк таблицы:
Суммарное усиление антенны рецептора.
18. Мощность на входе приемника определяется по результатам проведенных расчетов по таблице.
Мощность на входе приемника .
| Пара сигнал - помеха | БС EGSM | МС CDMA | ||||||
| МС EGSM | БС CDMA | БС CDMA | МС EGSM | |||||
| Параметры | Сигнал | Помеха | Сигнал | Помеха | ||||
| +дБ | -дБ | +дБ | -дБ | +дБ | -дБ | +дБ | -дБ | |
| 7. Уровень эффекнивной передаваемой мощности | +33 | +9,3 | +53,3 | -27 | ||||
| 12. Суммарные потери на трассе распространения | -144,8-35,2logrEGSM | -94,8-35,2logrБС | -144,7-35,2logrCDMA | -91,42-20logrМС | ||||
| 17. Суммарное усиление антенны рецептора | +11 | +11 | 0 | 0 | ||||
| 18. Мощность на входе приемника - рецептора | -100,8-35,2logrEGSM | -74,5-35,2logrБС | -91,4-35,2logrCDMA | -118,4-20logrМС | ||||
9. Поправка на несовпадение рабочих частот.
Полоса пропускания на уровне 3 дБ передатчика МС EGSM: ВТ = 6 МГц. Полоса пропускания на уровне 3 дБ приемника МС CDMA: BR = 1,2 МГц.
Несовпадение частоты приема МС CDMA и передачи МС EGSM равно:
МГц.
Параметр В позволяющий использовать равен:
МГц.
Поправочный коэффициент:
K ( ΔF , В) ≈ -39 дБ.
Полоса пропускания на уровне 3 дБ передатчика БС CDMA: ВТ = 1,2 МГц. Полоса пропускания на уровне 3 дБ приемника БС EGSM: BR = 6 МГц.
Несовпадение частоты приема БС EGSM и передачи БС CDMA равно:
Δ F = 889,6 - 881,25 = 8,35 МГц.
Параметр В позволяющий использовать графики на рисунке 1.9. равен:
B = ( BR + BT )/2 = (6+1,2)/2 = 3,6 МГц.
По графику на рис. 1.9. поправочный коэффициент K ( Δ F , В) ≈ -39 дБ.
20. Поправка на ширину полосы частот.
Для пары МС EGSM - МС CDMA:
BR < ВТ , следовательно, по таблице 1.8. коррекция на ширину полосы пропускания равна 10lg(BR /ВТ )= 10 lg( 1,2/6) = -7 дБ.
Для пары БС CDMA - БС EGSM:
BR > BT , следовательно, по таблице 1.8. коррекция на ширину полосы пропускания равна 0.
21. Чувствительность приемника .
Чувствительность приемника МС CDMA: -120,65 дБ.
Чувствительность приемника БС EGSM: -107 дБ.
22. Выигрыш в отношениях S / N и I / N при детектировании .
Выигрыш в отношениях S/N и I/N в приемнике МС CDMA при детектировании составляет 23 дБ.
Так как в приемнике БС EGSM не предусмотрено никаких специальных средств или приемов по выделению сигналов при детектировании, то отношения S / N и I / N останутся такие же, как и на входе детектора.
23. Отношение S / N и I / N на выходе детектора .
Отношения S / N для полезного сигнала и I / N для помехи с помощью таблицы, просуммировав данные соответствующих столбцов, беря значения строки 21 (чувствительность приемника) со знаком "минус".
24. Отношение сигнал/(помеха+шум).
Определяется по итоговым данным строки 23 таблицы 1.9. следующим образом:
S /( N + I )= S / N - I / N
Отношение S / N и I / N на входе детектора приемника.
| Пара сигнал - помеха | БС EGSM | МС CDMA | ||||||
| МС EGSM | БС CDMA | БС CDMA | МС EGSM | |||||
| Параметры | Сигнал | Помеха | Сигнал | Помеха | ||||
| +дБ | -дБ | +дБ | -дБ | +дБ | -дБ | +дБ | -дБ | |
| 18. Мощность на входе приемника | -100,8-35,2logrEGSM | -74,5-35,2logrБС | -91,4-35,2logrCDMA | -118,4-20logrМС | ||||
| 19. Поправка на несовпадение рабочих частот | 39 | 39 | ||||||
| 20. Поправка на ширину полосы | 7 | 0 | ||||||
| 21. Чувствительность приемника | -107 | -107 | -120,7 | -120,7 | ||||
| 22. Выигрыш на детекторе | 0 | 0 | +23 | 0 | ||||
| 23. Отношение S/N и I/N на выходе детектора | +6,2-35,2logrEGSM | -13,5-35,2logrБС | +52,3-35,2logrCDMA | -36,7-20logrМС | ||||
| 24. Отношение S/(N+I) | +19,7+35,2log(rБС / rEGSM) | +89-35,2logrCDMA+20lgrМС | ||||||
Оценка условий обеспечения ЭМС
Для пары БС CDMA – БС EGSM
Минимально допустимый уровень сигнала, при котором обеспечивается приемлемое качество речи, в системе EGSM равен 9 дБ. Это значит, что расстояние между МС и БС системы EGSM, r EGSM , при котором уровень сигнала будет больше 9 дБ, находится из условия:
![]()
![]()
Расстояние r БС между источником и рецептором помехи для пары БС CDMA– БС EGSM, при котором она может влиять на соотношение S /( N + I ) , можно найти из неравенства:
![]()
![]()
Если r БС меньше 413 м, то необходимо оценить уровень S /( N + I ) , который должен быть больше 9 дБ:
![]()
Для пары МС CDMA – МС CDMA
Минимально допустимый уровень сигнала, при котором обеспечивается приемлемое качество речи, в системе CDMA равен 5.5 дБ. Внутрисистемные помехи в системе CDMAподнимают минимально допустимый уровень сигнала на 8 дБ. Это значит, что расстояние между МС и БС системы CDMA,r CDMA , при котором уровень сигнала будет больше 5,5+8=13,5 дБ, находится из условия:
![]()
![]()
Расстояние r МС между источником и рецептором помехи для пары БС CDMA- БС EGSM, при котором она может влиять на соотношение S /( N + I ), можно найти из неравенства:
![]()
![]()
Если r МС < 15 м, то необходимо оценить уровень S /( N + I ), который должен быть больше 13,5 дБ:
дБ.
При оценке ЭМС сетей CDMA и EGSM не были учтены потери сигналов на проникновение в здания, автотранспорт и т.д. Влияние этих потерь уменьшает зону обслуживания сотовых сетей связи, но не сказывается на уровнях мешающих сигналов МС EGSM и БС CDMA. Антенны БС обеих систем располагаются на улице, следовательно, потери на проникновение сигнала от БС CDMA к БС EGSMотсутствуют. Расстояние, при котором сигнал МС EGSM может влиять на приемник МС CDMA - невелико, а значит можно считать, препятствия (а следовательно и потери на проникновение) между ними отсутствуют.
Выводы по результатам оценки ЭМС систем EGSM -900 и CDMA -800 в Москве:
Разнос БС CDMA и EGSM на расстояние 410 и более метров, обеспечивает ЭМС БС этих систем. Это расстояние можно уменьшить, применяя специальные преселекторы и/или фильтры.
Разнос МС CDMA и EGSM на расстояние 15 и более метров обеспечивает ЭМС МС этих систем. Но, т.к. расстояние между МС - случайный фактор, обеспечить защитное расстояние между МС - нельзя. Если принять, что МС будут находиться на расстоянии не ближе 0,5 м, то из-за мешающего сигнала МС EGSM, зона обслуживания БС CDMA уменьшается:
;
![]()
Если учитывать потери на проникновение в здания, автотранспорт и т.д., равные 20 дБ, то на уровень помехи они не скажутся (расстояние между МС 0,5 м, следовательно, ни о каких потерях проникновения не может быть и речи), а зона обслуживания БС CDMA составит:
;
![]()
Зона обслуживания 1,8 км для системы CDMA вполне приемлема, т.к. она определяется в основном параметрами обратной линии связи, т.е. параметрами сигнала МС CDMA - БС CDMA. Зона обслуживания МС CDMAнемного больше зоны обслуживания МС EGSM, и составляет 1...2 км. При уменьшении расстояния между МС до 10 см, зона обслуживания БС CDMA уменьшается до 750 м, что уже нежелательно.
Т. к. нахождение двух одновременно работающих МС двух разных систем CDMA и EGSM на расстояние меньше полуметра, - событие очень маловероятное, то можно считать, что ЭМС МС CDMA и EGSM - обеспечивается.
Технико-экономическое обоснование расчета ЭМС сотовых сетей связи
Для оценки новизны, технического уровня, технико-экономической и эксплутационной прогрессивности, качества и конкурентоспособности необходимо дать характеристику НТПр со следующих позиций: предназначение продукции, особенности и отличия от продукции конкурентов, основные качества (свойства), защищенность патентами и свидетельствами. Также необходимо определить затраты, цену, величину прибыли на единицу продукции, другие преимущества и организацию технического обслуживания и сервиса.
После выбора наиболее существенных свойств, изменяющих уровень текущих затрат при создании НТПр, производстве, эксплуатации техники или программного продукта, являющихся ее результатом, определяется научно-техническая прогрессивность результатов НТПр:

где
,
- обобщенный количественный показатель научно- технического уровня НТПр взятой за базу сравнения и НТПр являющейся результатом дипломной работы.
В качестве базы сравнения может быть принята передовая отечественная НТПр, а также зарубежная и теоретически возможная в будущем.
После выбора база сравнения заполняется таблица для оценки научно-технического уровня НТПр.
| Существенные свойства НТПр | Уровень свойств НТПр выбранной за базу сравнения | Уровень свойств НТПр являющейся результатом дипломной работы | Значение весового коэффициента |
| Кол-во циклов измерений | 204 | 102 | 0,5 |
| Кол-во циклов расчета | 204 | 204 | 0,3 |
| Точность метода | 0,05 | 0,03 | 0,15 |
| Длительность цикла расчета | 15 | 30 | 0,05 |
Обобщенный количественный показатель научно-технического уровня как для базовой НТПр, так и для разрабатываемой определяется с помощью среднеарифметической взвешенной:

где
-значение j-го показателя i-го признака (свойства НТПр, выраженного в соответствующих единицах измерения, либо в баллах);
- значение весового коэффициента i-го признака (свойства) НТПр, выраженного в процентах либо в долях единицы.

Для проведения корректного расчета научно технической прогрессивности обобщенный количественный показатель научно-технического уровня, как для базовой НТПр, так и для разрабатываемой, необходимо принять обратно пропорциональным т.к. положительным эффектом дипломной работы является снижение количества проводимых измерений и замена их расчетными величинами. В результате выражение для научно-технической прогрессивность результатов НТПр примет вид:
![]()
Определим научно-техническую прогрессивность результатов НТПр:

Определение затрат и цены на НТПр
Затраты на создание НТПр
определяются укрупненно по удельному весу наиболее простой для расчета статьи калькуляции, отражающей зарплату труда персонала, занятого в создании НТПр:
,
где
- оплата труда персонала в соответствии с действующими системами и формами оплаты труда;
- удельный вес оплаты труда с начислениями в общих затратах на создание НТПр.
Оплата труда персонала составит:
р.
Удельный вес оплаты труда с начислениями в общих затратах на создание научно-технической продукции:
.
Затраты на создание НТПр:
р.
Цена на НТПр, имеющая целью создание новой техники, технологии, вычислительных технологических средств и программного обеспечения, определяется исходя из принципа обеспечения безубыточности деятельности организации (предприятия), получения прибыли, позволяющей выплатить обязательные платежи в бюджет и инвестировать расширение ее деятельности. Цена первоначальной продажи (цена предложения)
определяется как
,
где
- текущие затраты на создание НТПр;
- оплата труда персонала в общих текущих затратах на создание НТПр;
- уровень рентабельности (прибыли по отношению к оплате труда персонала), обеспечивающий безубыточность деятельности (
=200-400%).
р.
| Стадия | Трудоемкость, чел./ч. | Исполнители | Часовая ставка, р. | Средняя дневная часовая ставка, р. | Заработная плата, р. | Заработная плата с учетом премии, р. | |
| Должность | численность | ||||||
| 1.Анализ помех, создаваемых станциями сотовых сетей | 10 |
Ведущий инженер Инженер |
1 1 |
60,8 43,8 |
52,3 |
523 |
653,75 |
| 2.Анализ существующих методов оценки помехоэмиссии | 5 |
Ведущий инженер Инженер |
1 1 |
60,8 43,8 |
52,3 |
261,5 |
326,88 |
| 3.Оптимизация методик по исследованию излучаемых ЭМП | 20 |
Ведущий инженер ИнженерТехнолог |
1 1 1 |
60,8 43,8 35,5 |
46,7 |
934 |
1167,5 |
| 4.Проведение расчета ЭМС между сотовыми сетями | 100 |
Ведущий инженер ИнженерЛаборант |
1 2 2 |
60,8 43,8 30,2 |
41,76 |
4176 |
5220 |
| 6.Анализ полученных результатов | 50 |
Ведущий инженер Инженер |
2 1 |
60,8 43,8 |
55,13 |
2756,5 |
3445,62 |
Оценка экономической эффективности НТПр
Влияние НТПр на экономические показатели в науке, производстве и эксплуатации разнообразно. Наиболее достоверным методом, позволяющим зафиксировать экономическое действие результатов конкретной НТПр, является анализ экономических показателей и локальная оценка (расчетная или экспертная) происходящих при этом изменений каждого из них.
Экономический эффект определяется как годовая экономия на текущих затратах, причем во внимание принимают изменяющиеся статьи затрат.
Если результаты НТПр находят применение в сфере науки, то экономический эффект отражает экономию на текущих затратах при выполнении других видов НТПр. Эта экономия является следствием усовершенствования теории и методики эксперимента, испытаний и вычислительных работ в связи с применением более высоких уровней математических моделей, алгоритмических языков и рациональным использованием ЭВМ.
Величина
определяется в зависимости от характера проводимого исследования: для тем, связанных с совершенствованием методики и техники испытаний,
,
где
ч – длительность цикла испытаний;
- коэффициент совершенства применяемых математических моделей и совершенства программирования (определяется по соотношению трудоемкостей программирования задач); n=408 – среднегодовое число циклов испытаний;
р/ч - затраты (текущие) на проведение одного цикла испытаний (определяются по данным предприятия) в расчете на соответствующую единицу времени.
р
Уровень экономической эффективности капиталовложений на НТПр по результатам в сфере науки:
.
Размер доли экономического эффекта
в пользу разработчика НТПр определяется укрупненно, пропорционально затратам всех участников создания и применения (эксплуатации) соответствующей НТПр.

Выводы
В результате проведенных вычислений получили уровень экономической эффективности E =1,2 и экономию ЭНТПр = 360 000 рублей.
Охрана труда и окружающей среды
Охрана труда при проведении расчета электромагнитной совместимости сотовых сетей связи.
В данной дипломной работе проводится исследование проблем электромагнитной совместимости (ЭМС) сетей сотовой связи. Основными источниками помех для станций сотовой связи являются станции сотовой связи других сетей. В задачу оператора ставится произвести с помощью ЭВМ расчет ЭМС станций сотовых сетей связи:
Proccesor Intel Pentium,
1000 MHz,
Memory 256mb ram,
Computer name t2y9v7,
Direct version direct 7/0 (4.07-00.0716).
Анализ условий труда
1.Санитарно-гигиенические факторы .
1.1. В помещении в теплый период года температура воздуха 12-30°С, в холодный период 16-24° С, по ГОСТ12.1005.88 температура воздуха в помещении в холодный период года должна быть от 22 до 24 °С, в теплый период от 23 до 25 °С. параметр не удовлетворяет.
1.2. Относительная влажность в помещении в теплый период года 30-90%, в холодный 40-70%,по ГОСТ12.1005.88 этот параметр находится в пределах 40-60% в холодный и теплый периоды года, данный параметр не удовлетворяет.
1.3. Скорость движения воздуха в помещении составляет 0.3-0.8м/с, по ГОСТ 12.005.88 скорость движения воздуха на рабочем месте оператора 0.1м/с, то
есть данный параметр не удовлетворяет.
1.4.1. Шум в помещении создается вентилятором системного блока и принтером, общий уровень шума составляет 45дБ*А, и соответствии с ГОСТ12.1003-83 общий уровень шума должен не превышать 75дБ*А, то есть
параметр удовлетворяет.
1.4.2. Вибрация на рабочем месте передается через опорные конструкции здания от системы вентиляции воздуха, уровень вибрации составляет 60дБ, по ГОСТ12.1.012-90 норму вибрационной нагрузки определяют не выше 75дБ (при длительном воздействии вибрации не менее 8 часов), делаем вывод, что параметр удовлетворяет.
1.4. Электростатический потенциал дисплея компьютера равен 460В, по ГОСТ 12.1.006-84 этот параметр не должен превышать 500В, следовательно, параметр удовлетворяет.
1.5. Напряженность электромагнитной составляющей переменного электромагнитного поля на расстоянии 50см от экрана дисплея составляет 1.9 В/м, по ГОСТ12.1.006-84 напряженность не должна превышать 2.5В/м, то есть параметр удовлетворяет.
1.6. На расстоянии 50см от экрана плотность магнитного потока равна 18нТл, а по ГОСТ 12.1.006-84 плотность магнитного потока не должна превышать 2.5 В/м, следовательно параметр удовлетворяет.
1.7. Мощность эквивалентной дозы рентгеновского излучения от экрана дисплея составляет 3.2бэр/год, в соответствии с НРБ-99 мощность эквивалентной дозы не больше 5бэр/год, следовательно, параметр удовлетворяет.
1.8. Наименьшим объектом различения является точ_и, ее минимальный размер 0,24мм, фон средний, контрастность объекта различения средняя, при таком характере зрительной работы согласно нормам СниП23-5-95 освещенность должна быть не менее 400 лк (для разряда работы 1-2), но в помещении освещенность достигает только 270 лк, что не удовлетворяет норме.
2. Психофизиологические факторы.
Психофизиологические факторы, влияющие на работу оператора, преимущественно определяются характером его зрительной работы, а именно постоянным контактом с дисплеем компьютера. ГОСТ Р 50948-96 и его приложения определяют критические величины, за которые не должны заходить параметры, влияющие на данные факторы.
Приложение В.
| Параметр | Фактические | Диапазон значений |
| значения | параметра по ГОСТ | |
| параметра | Р50948-96 | |
| 1. Временная | ||
| нестабильность | ||
| изображения | Не должна быть | |
| (мелькание). | Нет | зафиксирована |
| 2. Отношение шири- | ||
| ны знака к его | ||
| высоте для | От 0.7 до 0.9, | |
| прописных букв. | 0.6 | можно от 0.5 до 0.1 |
| 3. Контрастность | ||
| деталей изобра- | ||
| жения и фона не | ||
| менее | 5/1 | 3/1 |
| 4. Расстояние меж- | ||
| ду словами не | 1 ширина | ширины матрицы |
| менее | одного знака | |
| 5. Угол наклона | 25° | не более 30° ниже |
| линии наблюде- | горизонтали | |
| ния. |
Приложение Б
| Параметр | Значение параметра | Диапазон значений |
| параметра по ГОСТ | ||
| Р50948-96 | ||
| 1.Яркость знака | ||
| (яркость фо- | 140 | не менее 100, не |
| на) кд/мм | более 150 | |
| 2.Временная осве- | 400 | от 100 до 500 |
| щенность экрана, лк | ||
| 3.Угловой размер | 45 | от 16 до 60 |
| знака | ||
| 4.Угол наблюдения | 25° | не более плюс 40° |
| от нормали к любой | ||
| точке дисплея | ||
| 5.Размер экрана по | 38 | не менее 31° |
| диагонали,см |
3.Эргономические факторы.
Составляющими этих факторов являются: рабочий стол, кресло, дисплей, клавиатура, параметры которых определены ГОСТ Р50923-96.
3.1 Требования к дисплею: дисплей должен быть установлен ниже уровня глаз оператора, угол наблюдения линии взгляда не должен превышать 60°, он составляет 25°- удовлетворяет.
3.2. Клавиатура должна быть расположена на расстоя_ик от 30 до 100 мм от переднего края, обращенного к оператору – удовлетворяет.
| Параметр | Значение | Диапазон | Примечание |
| параметра | значений по | ||
| ГОСТР 50923-96 | |||
| 3.3. Высота | регулируемый | ||
| рабочей по- | 560-575мм | 680-800мм | параметр |
| верхности | не менее | ||
| стола | 600(800)мм | ||
| глубина | 620мм | не менее | не регулируе- |
| ширина. | 900мм | 1200(1600)мм | мый |
| 3.4. Простран | не более | не менее 500 мм | |
| ство для ног | 525 мм-620 мм | регулируемый | |
| на уровне колен | |||
| Высота | 620 мм | не менее 450 мм | не рег-ый |
| Глубина | 520 мм-540 мм | не менее 650 мм | |
| на уровне вы- | |||
| тянутых ног | |||
| 3.5. Поверх- | не менее | регулируемый | |
| ность сиденья | 520мм | 400мм | параметр |
| ширина | не менее | ||
| глубина | 580мм | 4 00мм | |
| 3.6. Опорная | |||
| поверхность | |||
| спинки кресла | |||
| Высота | 190мм-560мм | 300±20мм | |
| Ширина | 100-180мм | 380мм | |
| Угол наклона | 0°±30° от | ||
| в вертикаль- | 25° | вертикального | |
| ной плоскости | положения | ||
| 3.7. Подлокот- | |||
| ники, регу- | в пределах | ||
| лируемые по | (230±30)мм | ||
| высоте над | |||
| сиденьем | не менее | ||
| длина | 250мм | ||
| ширина | 50-70мм |
Расчет системы кондиционирования воздуха (СКВ).
Для обеспечения заданных параметров микроклимата целесообразно предусматривать кондиционирование воздуха и создавать небольшое избыточное давление для исключения поступления неочищенного воздуха.
Расчет СКВ производится для комнаты площадью S = 60 м2 , ширина которой 6 м, высота Н – 3.6 м; Нс = 0 м – расстояние от светильника до потолка; Нрп = 750 мм – высота рабочей поверхности над полом; Нр = Н – Нс – Нрп = 2.85 м – расчетная высота, N =10 – число светильников (люминесцентные лампы), число рабочих мест – 3.
Для выбора кондиционера необходимо рассчитать полную производительность кондиционера – Lп :
![]()
K пот – коэффициент, учитывающий потери в воздуховодах, Kпот =1,1 по СниП П-33-75;
L – полезная производительность системы, м3 /ч;

L – количество удаляемого воздуха, м3 /ч;
Q – избыток тепла в помещении, Вт;
с – удельная теплоёмкость воздуха, с=1 кДж/(кг о С);
ρ – плотность воздуха кг/ м3 , ρ =1,2 ( кг/ м3 ) ;
Δ tp – полная разность температур;
![]()
Q обор – тепло от оборудования, Вт;
![]()
K 1 – коэффициент использования установочной мощности оборудования, K1 =0,95;
K 2 – коэффициент, учитывающий процент одновременно работающего оборудования, K2 =1;
N обор – суммарная установочная мощность оборудования, N обор = 500 Вт;
Q л – поступление тепла от персонала, Вт;
![]()
n – количество, работающих в смену операторов, n=3;
q – количество тепла, выделяемое одним человеком, q=140 Вт;
Q осв – выделение тепла искусственным освещением;
K 3 – коэффициент, зависящий от способа установки светильников производственного освещения и типа источников света, K 3 = 1;
K 4 – коэффициент, учитывающий пускорегулирующую аппаратуру светильника, K 3 = 1,2;
N осв – суммарная установочная мощность светильников в Вт, N осв = 300, Вт
ty – температура воздуха, удаляемая из помещения, 30 о С;
tо – температура воздуха, подаваемая в помещение, 9 о С;
Qогр.к = 650 Вт;
, м3
/ч
Выбираем кондиционер КД-1500.
Общие выводы:
В данном разделе дипломного проекта был проведен анализ условий труда, который показал, что не все условия труда соответствуют нормам. Также проведен расчет системы кондиционирования, в результате которого был выбран кондиционер, обеспечивающий необходимые условия труда.
Список использованной литературы:
1. Князев А. Д., Петров Б. В,, Кечиев Л. Н. и др. Конструирование радиоэлектронной и электронно-вычислительной аппаратуры с учетом электромагнитной совместимости.-М.: Радио и связь, 1989.
2.Горелик Г. С. Колебания и волны.- 2-е изд.- М.; 1959.
3.Андронов А. А., Витт А. А., Хайкин С. Э. Теория колебаний.- 2-е изд.-М.,1959
4.Парсел Э. Электричество и магнетизм.- М.,1975
5. Ландау Л.Д., Лившиц Е.М. Теория поля-6-е изд.-М., 1973.
6.Изобретение радио. А. С. Попов. Документы и материалы. Под ред. А. И. Берга.- М., 1966
7.Фейнберг Е. Л. Распространение радиоволн вдоль земной поверхности,- М., 1961.
8. Альперт Я. Л. Распространение электромагнитных волн и ионосфера.- М.,1972
9.Гуревич А. В., Шварцбург А. Б. Нелинейная теория распространения радиоволн в ионосфере.-М., 1973
10.Бреховских Л. М. Волны в слоистых средах.- 2-е изд.- М., 1973
11.Татарский В. И. Распространение волн в турбулентной атмосфере.- М.,1967
12.Чернов Л. А. Распространение волн в среде со случайными неоднородностями - М., 1958
13.Гинзбург В. Л. Распространение электромагнитных волн в плазме.- М.,1967
14.Макаров Г. И., Павлов В. А. Обзор работ, связанных с подземным распространением радиоволн. Проблемы дифракции и распространениярадиоволн. Сб. 5-Л., 1966
15.Долуханов М. П. Распространение радиоволн. 4-е изд.- М., 1972
16.Гавелей Н. П., Никитин Л. М. Системы подземной радиосвязи.-"Зарубежная радиоэлектроника", 1963, № 10
17.И.Габиллард Р., Дегок П., Уэйт Дж. Радиосвязь между подземными и подводными пунктами.- 1972, № 12
18.Ратклифф Дж. А. Магнито-ионная теория и ее приложения к ионосфере, пер. с англ.- М., 1962
19.Хайкин С. Э. Электромагнитные волны.-2-е изд.-Л. 1964
20.Гольдштейн Л. Д., Зернов Н. В. Электромагнитные поля и волны- М, 1956
21.Рамо С, Уиннери Дж. Поля и волны в современной радиотехнике, пер. с англ.- 2-е изд. М. - Л. 1950
22.Харкевич А. А. Основы радиотехники.-М. 1962.
23. Гоноровский И. С. Радиотехнические цепи и сигналы.-4-е изд.-М.: 1986.
24.Баскаков С. И. Радиотехнические цепи и сигналы.-2-е изд.-М,: Высш. Шк.,1988
25.0лифер В. Г., Олифер Н. А., Компьютерные сети. Принципы, технологии, протоколы, С.-П.: ИД Питер, 2001;
Похожие рефераты:
Беспроводные телекоммуникационные системы
Архитектура сотовых сетей связи и сети абонентского доступа
Анализ систем безопасности, использующих GSM каналы связи
Модернизация сотовой сети стандарта GSM с применением технологий GPRS и EDGE
Технология размещения базовых станций связи стандарта DCS-1800
Построение мобильной телекоммуникационной сети стандарта CDMA
Проектирование сетей стандарта GSM
Перспективы развития телекоммуникации
Автоматизированные системы обработки информации и управления
Применение на судовых станциях автоматических идентификационных систем
Сравнительная характеристика потребительских свойств сотовых телефонов

