| Похожие рефераты | Скачать .docx |
Реферат: АТС Alkatel
GENERAL DESCRIPTION OF THE SYSTEM
общее описание системы
СОДЕРЖАНИЕ
1 ВВЕДЕНИЕ
1.1 ОКРУЖЕНИЕ
1.2 ALCATEL 1000 E10 В СЕТЕВОМ ОКРУЖЕНИИ
1.3 ОБЩАЯ ОРГАНИЗАЦИЯ
2. ОБЩИЕ ХАРАКТЕРИСТИКИ
2.1. ТИПЫ ВЫЗОВОВ
2.2. ЕМКОСТЬ
2.3. ИНТЕРФЕЙСЫ
2.4. УСЛУГИ
2.5. СИСТЕМА СИГНАЛИЗАЦИИ
2.6. ТРАНЗИТНЫЙ ПУНКТ СИГНАЛИЗАЦИИ
2.7. НУМЕРАЦИЯ И МАРШРУТИЗАЦИЯ
2.8. ТАРИФИКАЦИЯ
2.9. БЕЗОПАСНОСТЬ И НАДЕЖНОСТЬ
2.10. АППАРАТНЫЕ СРЕДСТВА
2.11. РАСШИРЕНИЕ
3. ПОДСИСТЕМА АБОНЕНТСКОГО ДОСТУПА
3.1 ФУНКЦИИ
3.2 АППАРАТНОЕ ОБЕСПЕЧЕНИЕ CSN
3.3 ПРОГРАММНОЕ ОБЕСПЕЧЕНИЕ CSN
3.4 ПРИМЕНЕНИЯ CSN
4. ПОДСИСТЕМА КОММУТАЦИИ И УПРАВЛЕНИЯ
4.1 АРХИТЕКТУРА
4.2 ФУНКЦИОНАЛЬНОЕ ОПИСАНИЕ
4.3 ОПИСАНИЕ АППАРАТНЫХ СРЕДСТВ
4.4 ОПИСАНИЕ ПРОГРАММНОГО ОБЕСПЕЧЕНИЯ
5 ЗАЩИТА И ТЕХОБСЛУЖИВАНИЕ
5.1 ЗАЩИТА
5.2 ТЕХОБСЛУЖИВАНИЕ
5.3 АВАРИЙНАЯ СИГНАЛИЗАЦИЯ
5.4 ЦЕНТРАЛИЗОВАННАЯ ЭКСПЛУАТАЦИЯ И ТЕХОБСЛУЖИВАНИЕ
6. НАБЛЮДЕНИЕ ТРАФИКА
6.1 НАБЛЮДЕНИЕ ТРАФИКА И НАГРУЗКИ
6.2. ИЗМЕРЕНИЯ
6.3. АБОНЕНТСКИЕ ЛИНИИ
6.4. ГРУППЫ ЛИНИЙ (УПАТС)
6.5. ГРУППЫ КАНАЛОВ
6.6. ИСХОДЯЩИЙ ТРАФИК
6.7. УСТРОЙСТВА АБОНЕНТСКОГО ДОСТУПА
6.8. ИНФОРМАЦИЯ, ОТНОСЯЩАЯСЯ К НАБЛЮДАЕМОМУ ПУНКТУ
6.9. SCOOP
7. ТЕХНОЛОГИЧЕСКИЕ РЕШЕНИЯ
7.1 ТЕХНОЛОГИЯ И ОБОРУДОВАНИЕ
7.2 ПИТАНИЕ
7.3 УСЛОВИЯ ОКРУЖАЮЩЕЙ СРЕДЫ
7.4 МОНТАЖ
7.5 РАСШИРЕНИЕ
8 ПОДДЕРЖКА ЗАКАЗЧИКА
8.1. ПОМОЩЬ В ЭКСПЛУАТАЦИИ И ТЕХОБСЛУЖИВАНИИ
8.2 ОБУЧЕНИЕ ПЕРСОНАЛА
8.3 ОРГАНИЗАЦИЯ РЕМОНТНЫХ РАБОТ
9. ТЕНДЕНЦИИ ДАЛЬНЕЙШЕГО РАЗВИТИЯ
10. СЛОВАРЬ ТЕРМИНОВ
Alcatel 1000 E10 представляет собой мультисервисную цифровую систему коммутации, выполняющую следующие функции :
t Оконечная (опорная) АТС.
t Транзитная АТС.
t Международный шлюз.
t Коммутатор служебного доступа интеллектуальных сетей и мобильных радиосетей.
Будучи установленными в 86 странах общим объемом более 55 миллионов линий, АТС Alcatel 1000 E10 продемонстрировали свою приспособляемость к различному окружению, начиная с густонаселенных городских районов, требующих использования АТС большой емкости, и заканчивая удаленными районами с малой плотностью населения, в которых АТС малой емкости сочетаются с удаленными абонентскими концентраторами, реализуя недорогую цифровую сеть.
Alcatel 1000 E10 основана на открытой модульной распределенной архитектуре, обеспечивающей повышенную гибкость и допускающей эффективную реализацию современных технологических решений в области компонентов и программного обеспечения.
Стремительное развитие сетей и услуг связи требует мощных ресурсов передачи данных между АТС. Общая канальная сигнализация ITU-Т N7, спроектированная специально для этой цели, с самого начала явилась ключевой особенностью Alcatel 1000 E10.
АТС Alcatel 1000 E10 реализуют функции как пункта сигнализации, так и транзитного пункта сигнализации.
Alcatel Telecom предлагает также услуги автономного транзитного пункта сигнализации, предназначенного для сетей большой емкости.
Введение ISDN сводится просто к расширению функций системы - стандартной операции для подключения новых услуг. Легкость, с которой новые функции могут быть введены в данную систему, объясняет чрезвычайно быстрое распространение ISDN во Франции, где уже эксплуатируются сотни АТС Alcatel 1000 E10.
Alcatel 1000 E10 предназначена для удовлетворения все возрастающих потребностей в мощных средствах обработки, необходимых для обеспечения услуг передачи данных и интеллектуальных сетей, которые, при том же трафике, требуют двух- или трехкратного увеличения производительности телефонных служб. В системе предусмотрена также возможность введения будущих телекоммуникационных услуг.
Alcatel 1000 E10 соответствует рекомендациям ITU-Т, ETSI и GSM.
Учитывая огромную важность проблемы качества, Alcatel Telecom использует в своей деятельности систему управления качеством с целью удовлетворения стандартов ISO 9000 в течение всего срока службы изделий компании, начиная с проектирования, разработки и производства, и заканчивая монтажом и техобслуживанием.
Этими стандартами ISO являются:
t ISO 9004 - Управление качеством и элементы системы качества.
t ISO 9002 - Гарантирование качества в ходе изготовления и монтажа.
t ISO 9001 - Гарантирование качества при проектировании/разработке, производстве, монтаже и обслуживании.
Соответствие стандартам ISO подтверждено независимым органом, Французской Ассоциацией по Гарантиям Качества (AFAQ).
Alcatel 1000 E10 является базовым модулем, допускающим развитие существующих сетей с целью удовлетворения новым требованиям. Ее окружение (см. рис.1) включает :
t аналоговую и/или цифровую (синхронную или асинхронную) телефонную сеть,
t сеть общей канальной сигнализации ОКС N7 ITU-T,
t сеть пакетной коммутации Х.25,
t интеллектуальную сеть Alcatel 1400,
t сеть мобильной радиосвязи Alcatel 900/1800,
t сеть управления телекоммуниациями Alcatel 1300,
t транзитный пункт сигнализации Alcatel 1070.

Рис.1. Окружение системы Alcatel 1000 E10.
1.2 ALCATEL 1000 E10 В СЕТЕВОМ ОКРУЖЕНИИ
Alcatel 1000 E10 вбирает в себя функциональные возможности интеллектуальной сети (IN), сети мобильной радиосвязи и Сети Управления Телекоммуникациями (TMN), благодаря чему способствует внедрению общей канальной сигнализации ОКС N7 с функцией транзитного пункта сигнализации (STP).
Интеллектуальная сеть
Интеллектуальная сеть (IN) представляет собой новую концепцию сети связи. Интеллектуальные системы обрабатывают весь спектр сетевых услуг, распределеных по выделеным узлам, называемым пунктами управления услугами (SCP).
IN предлагает :
t Простое и быстрое внедрение новых услуг с использованием стандартных методов в пределах сети,
t Гибкое управление услугами,
t Возможность проверки параметров услуги самим абонентом.
В систему Alcatel 1000 E10 введена также функция коммутатора служебного доступа (SSP). Указанная функция реализована посредством простого добавления соответствующих программных модулей.
Указанные функции могут быть реализованы в любой АТС Alcatel 1000 E10.
Более подробная информация о применениях интеллектуальной сети приведена в Обзоре Интеллектуальной Сети Alcatel 1400.
Сеть мобильной радиосвязи
В перечень производимого Alcatel оборудования входит цифровая система сотовой радиосвязи Alcatel 900/1800, которая предоставляет :
t POTS (Обычные телефонные услуги).
t Дополнительные виды обслуживания.
t Услуги поддержки.
t Полный спектр функций "мобильности".
Построение описываемой системы сотовой радиосвязи по принципу интеллектуальной сети означает, что эта услуга может быть реализована в АТС Alcatel 1000 E10 без каких-либо проблем.
Средствами АТС Alcatel 1000 E10 реализуются традиционные функции коммутации и пункта управления услугами. Специальные функции мобильной радиосвязи реализуются в пунктах управления радиосвязью (RCP).
Более подробная информация о применении системы мобильной радиосвязи приводится в Обзоре Мобильной Сети Общего пользования (PLMN) Alcatel 900/1800.
Cеть управления телекоммуникациями
В системе Alcatel 1000 E10 реализованы все функции, необходимые для эффективной эксплуатации, администрирования и техобслуживания (OA&M). Эти функции могут быть сосредоточены в АТС, либо распределены по сети управления телекоммуникациями (TMN).
Уполномоченный оператор TMN может взаимодействовать с телекоммуникационным оборудованием с любого терминала. Исходящие данные АТС Alcatel 1000 E10 (такие, как отчеты, сообщения, аварийные индикации, данные наблюдения) собираются, запоминаются и передаются операторам или прикладным программам. Записи всех транзакций фиксируются в системном журнале.
Более подробная информация о применениях TMN приведена в Обзоре Центра Управления Сетью (NMC) Alcatel 1000 E10.
Транзитный пункт сигнализации
Функция транзитного пункта сигнализации может быть либо встроена в систему Alcatel 1000 E 10, либо введена посредством автономного транзитного пункта сигнализации Alcatel 1070, описанного в общем описании STP Alcatel 1070.
Основными компонентами системы Alcatel 1000 E10 (см. рис.2) являются :
t Коммутатор ОСВ283 - системное устройство коммутации и управления.
В его функции входит :
pвыполнение основных функций управления,
pкоммутация (главная коммутационная матрица),
pсинхронизация,
pобеспечение доступа к ИКМ-трактам,
pуправление различными блоками системы (частотными приемниками и тональными генераторами),
pуправление конфигурацией,
pобработка вызовов.
t Подсистема абонентского доступа для подключения аналоговых и цифровых абонентских линий, состоящая из :
pцифровых блоков абонентского доступа (CSN), обеспечивающих подключение линий местных или удаленных абонентов и соединенных с ОСВ283 через сеть сигнализации №7. CSN обладает значительными собственными обрабатывающими возможностями и может устанавливать соединения местных абонентов между собой в случае нарушения связи с ОСВ283.
pвыносных цифровых концентраторов (CNE) для подключения абонентов в периферийных регионах, подсоединяемых к CSN посредством цифровыми соединительных линий.

Рис.2. Общая организация Alcatel 1000 E10.
Система Alcatel 1000 E10 обрабатывает телефонные вызовы к и от национальной и международной телефонной сети общего пользования. Она также коммутирует данные между абонентами ISDN и существующими сетями передачи данных, включая сети с коммутацией пакетов.
Система оперирует со следующими типами вызовов:
t Местные вызовы.
t Местные исходящие, входящие и транзитные вызовы.
t Междугородние исходящие, входящие и транзитные вызовы.
t Автоматические и полуавтоматические исходящие и входящие международные вызовы.
t Исходящие и входящие вызовы, управляемые оператором.
t Исходящие вызовы к спецслужбам.
t Тестовые вызовы.
Alcatel 1000 E10 поддерживает до 2048 ИКМ-интерфейсов. Абонентская функция обрабатывает около 200 000 линий, подключенных посредством местных или выносных блоков абонентского доступа (CSN).
Производительностьсистемы составляет приблизительно 25 000 Эрланг или 1 000 000 ЧНН, в зависимости от характеристик трафика и телефонного окружения.
Система Alcatel 1000 E10 поддерживает :
t Аналоговые абонентские линии.
t Цифровые абонентские линии с базовым доступом 2B+D.
t Цифровые абонентские линии с первичным доступом 30B+D.
t Телефонные аппараты с дисковым номеронабирателем или многочастотным тастатурным набором.
t 2 Мбит/с ИКМ-интерфейсыв соответствии с Рекомендациями ITU-Т серии G.700. ИКМ-интерфейсы используются для подключения:
pдругих АТС,
pпунктов сигнализации N7 ITU-T,
pоборудования подсистемы абонентского доступа,
pсети X.25 и других сетей,
pсети управления телекоммуникациями (TMN).
Коммутатор служебного доступа (SSP) Alcatel 1000 E10 подсоединяется к пунктам управления услугами (SCP) посредством ИКМ-трактов. Интерфейс между SSP и пунктами управления услугами GSM или IN является стандартным интерфейсом №7 ITU-T, построенным по уровневой архитектуре OSI.
Alcatel 1000 E10 предлагает черезвычайно широкий спектр услуг. Ниже приведены основные услуги, хотя этот перечень и не является исчерпывающим.
t Стандартные телефонные услуги и услуги по передаче данных с помощью модема.
t ISDN-услуги, включающие:
pуслуги передачи по широкополосному каналу передачи данных (64 кбит/с),
pтелекоммуникационные услуги (телефон, факс, телетекс, видеотекс) и дистанционное наблюдение.
t Дополнительные услуги для аналоговых абонентов:
pИдентификация вызывающей линии (CLIP),
pОграничение идентификации вызывающей линии (CLIR),
pПередача вызова , с дополнительной оплатой или без нее,
pПостановка вызовов в очередь,
pПовторный набор последнего номера,
pГорячая линия,
pТрехсторонняя конференц-связь,
pСокращенный набор,
pЛиния с бесплатным вызовом,
pОтслеживание злонамеренных вызовов,
pПрямой набор номера,
pГруппы линий и приоритетные линии,
pИнтеграция выделенных линий связи.
t Дополнительные услуги для ISDN абонентов:
pПрямой набор номера(DDI),
pМногозначный номер (MCN),
pИдентификация вызывающей линии (CLIP),
pОграничение идентификации вызывающей линии (CLIR),
pИдентификация вызывающей линии (COLP),
pОграничение идентификации вызывающей линии (COLR),
pОтслеживание злонамеренных вызовов (MCID),
pСубадресация (SUB),
pПередача вызова при занятой линии (CFB),
pПередача вызова в случае отсутствия ответа (CFNR),
pБезусловная передача вызова (CFU),
pПеренаправление терминала (CD),
pТрёхсторонная конференц-связь (3 PTY),
pПостановка вызовов в очередь (CW),
pУдержание вызова (HOLD),
pЗакрытая группа пользователей (CUG),
pУведомление о стоимости вызова во время разговора и в конце разговора (AOC-D, AOC-E),
pСигнализация "пользователь-пользователь" тип 1 и 2 (UUS1, UUS2),
pМобильность терминалов (TP)
t Услуги интеллектуальной сети:
pБесплатный телефон,
pУниверсальный номер,
pВиртуальная частная сеть,
pТелеголосование,
pРазделяемая оплата,
pВызовы по кредитной карточке.
t Услуги цифровой сотовой радиосвязи.
t Бизнес-услуги:
pСвязанные с услугами за дополнительную плату: передача сообщений, электронный справочник, коммутация данных,
pОператорские функции, автоматическое распределение вызовов по группам операторов,
pРечевые услуги.
Alcatel 1000 E10 располагает внушительной библиотекой программ обработки сигналов для работы с :
| t сигнализацией по абонентским линиям | дисковый набор и тастатурный набор для удовлетворения Рекомендации Q.23 ITU-Т, а также доступ с базовойскоростью и первичной скоростью для абонентов ISDN. |
| t сигнализацией №7 ITU-Т | TUP, ISUP, TCAP и SCCP. |
| t канальной сигнализацией | ITU-Т R2 и №5, десятичные коды, в соответствии с национальными вариантами, уже освоенными Alcatel |
Данная система работает с линиями, обслуживаемыми различными кодами сигнализации в любом соотношении на одном и том же ИКМ-тракте.
2.6. ТРАНЗИТНЫЙ ПУНКТ СИГНАЛИЗАЦИИ
Система Alcatel 1000 E10 может обеспечить функцию транзитного пункта сигнализации с описанными ниже основными характеристиками.
Эта функция:
t основана на ресоммендациях голубай книги ITU-Т,
t введена для поддержки линий передачи данных посредством ИКМ-трактов 2048 Кбит/с,
t включает базовые функции, необходимые для управления "семафорными" сетями:
pпроцедура запрещенного трансферта,
pпроцедура разрешенного трансферта,
pуправление потоком сигнального трафика,
pпроцедура тестирования маршрута сигнализации.
t пригодна к использованию в сетях малой и средней ёемкости, например, в рамках создания сети с сигнализацией N°7 или для удовлетворения требованиям режима “взаимопомощи“ или требованиям резервирования.
Для АТС большой ёмкости рекомендуется не превышать уровень в 1500 сообщений в секунду.
2.7. НУМЕРАЦИЯ И МАРШРУТИЗАЦИЯ
Данная система работает с открытым или закрытым планом нумерации с емкостью памяти до 20 цифр.
Ресурсы управления маршрутизацией Alcatel 1000 E10 соответствуют современным требованиям управления сетью. В частности, на оконечных маршрутах может быть введено разделение вызовов промежутками, а процедуры маршрутизации и переполнения могут быть модифицированы в соответствии с источником или получателем вызова, что обеспечивает достаточную гибкость для удовлетворения требований заказчика. Система поддерживает до 1023 различных маршрутов.
Функция тарификации системы Alcatel 1000 E10 хранит информацию об оплате звонков в виде базовых единиц, представляющих собой состояние тактируемого счетчика с памятью (или счетчика тарификации абонента). Она также хранит подробную информацию для составления подробных счетов оплаты. Эта информация хранится, как правило, на диске в виде, готовом к обработке центром составления счетов на оплату.
В системе могут быть реализованы различные типы тарификации.
В случае междугородных вызовов, центральная для данного абонента АТС генерирует данные, требующиеся для составления счетов. Помимо увеличения содержимого абонентских счетчиков, для каждого вызова может быть сгенерировано сообщение, предоставляющее информацию для составления подробных счетов, и/или могут быть переданы измерительные импульсы на установленное у пользователя оборудование, реализующее индивидуальную тарификацию.
В случае междугородных транзитных вызовов, соответствующая АТС может передавать информацию об оплате на исходную АТС, либо может сама выполнять функцию тарификации, основываясь на принятом идентификаторе вызывающего абонента.
Вызовы могут тарифицироваться несколькими способами (единый тариф; основывающийся на продолжительности путем периодических импульсов и т.п.).
Международные вызовы тарифицируются либо непосредственно на центральной для данного абонента АТС при приеме информации по тарификации, либо на международной исходящей АТС, когда она принимает номер вызывающего абонента от соответствующей центральной АТС.
В случае транзитных вызовов от АТС, не оборудованных средствами тарификации, транзитная АТС может ретранслировать измерительные импульсы, принятые по входящим линиям от АТС более высокого иерархического уровня, или измерительные импульсы, генерируемые локально самой транзитной АТС.
Функция тарификации в системе Alcatel 1000 E10 имеет средства для:
t 256 кодов тарификации,
t 16 групп подробных счетов,
t 4 категорий подробных счетов,
t 32 категорий тарификации.
Для обеспечения целостности данных оплаты и надежности функции тарификации, приняты все необходимые меры предосторожности (дублированная память и процессоры, защита данных и т.п.).
2.9. БЕЗОПАСНОСТЬ И НАДЕЖНОСТЬ
Система Alcatel 1000 E10 была спроектирована и разработана с учетом стандартов, изложенных в Рекомендациях ITU-T Q.543, Q.706 и Q.725 (Синяя Книга).
Безопасность и надежность гарантируются многожеством системных средств, включающих, в частности :
t Избыточность всех аппаратных и программных ресурсов АТС.
t Функции автоматической защиты для обнаружения аппаратных сбоев и программных ошибок, изоляции дефектных элементов и реконфигурирования программных машин для обеспечения непрерывности эксплуатации.
Ниже приведены данные, относящиеся к качеству работы Alcatel 1000 E10, а также величины, указанные в Рекомендациях ITU-Т.
| Показатели надежности работы Alcatel 1000 Рекомендации | Рекомендации ITU-Т | |
| Эксплуатационный коэффициент простоя (линий) | ||
1 линия 60000 линий |
0,295 x 10-5 0,004 x 10-5 |
5 x 10 -5 0,57 x 10-5 |
| Эксплуатационный коэффициент простоя (соединительные линии) | ||
1 точка доступа 512 точек доступа (1 точка доступа = 1 ИКМ- тракт) |
0,05 x 10-5 0,12 x 10-6 |
10-4 0,57 x 10-5 |
| Качество обработки вызовов | ||
Преждевременное разъединение (1 минута) Сбой разъединения |
0,01 x 10-5 0,04 x 10-5 |
2 x 10-5 2 x 10-5 |
| Тарификация | ||
Счетчик оплаты Составление подробных счетов |
0,05 x 10-4 4 x 10-5 |
2,4 x 10-4 5 x 10-5 |
| Рабочие функции | ||
Простой Надежность (1 минута) |
0,015 x 10-3 0,16 x 10-4 |
10-3 10-4 |
| Полупостоянные соединения | 0,02 x 10-4 | 10-4 |
| Характеристики подсистемы передачи сообщений SSTM | ||
Недоступность каналов сигнализации Потеря сообщений |
0,021 x 10-5 0,5 x 10-7 |
1,9 x 10-5 10-7 |
| Нагрузка по техобслуживанию | ||
| Коэффициент глобальных сбоев | 0,105 отказов/месяц/1000 линий | 0,85 отказов/месяц/1000 линий |
Аппаратура Alcatel построена с использованием новейших технлогий и БИС/СБИС-компонентов, а также специализированных заказных интегральных схем (ASIC).
Конструктивные узлы собраны на шести- или восьмислойных печатных платах, а объединительные печатные панели - на 12 слойных платах. Платы снабжены разъемами высокой плотности. Полный набор печатных плат, необходимых для реализации всех аппаратных блоков включает в себя тридцать два типа печатных плат. Они устанавливаются в стативах.
Имеется восемь базовых типов стативов, а разъемы, обеспечивающие всю внутристативную разводку проводов, монтируются в заводских условиях.
Это минимизирует объем требуемого оборудования, позволяет повысить уровень автоматизации производства и упрощает операции монтажа на объекте, расширения и ремонта.
Система Alcatel 1000 E10 базируется на таких фундаментальных концепциях как :
t независимые технические и программные средства,
t возможность установки новых аппаратных средств или новых рабочих версий,
t удобство подключения мультипроцессорных (МП) станций,
t интерфейс высокого уровня для связи между программными машинами.
Это означает, что заказчики могут выбирать конфигурации, с тем чтобы они удовлетворяли конкретным потребностям, и наращивать систему в соответствии с ростом трафика.
3. ПОДСИСТЕМА АБОНЕНТСКОГО ДОСТУПА
Alcatel разработала подсистему абонентского доступа, которая может быть децентрализована с целью подсоединения групп удаленных абонентов, что позволяет минимизировать среднюю длину абонентских линий и оптимизировать использование ресурсов линий передачи и техобслуживания локальных сетей.
Блок абонентского доступа (CSN) был спроектирован, исходя из задач повышения эффективности абонентской сети, обеспечения постепенного перехода к ISDN и повышения пропускной способности для удовлетворения потребностей, связанных с чрезвычайно быстрым развитием услуг.
Он связан с подсистемой коммутации и управления (ОСВ 283) АТС Alcatel 1000 E10 стандартными ИКМ-трактами в соответствии с Рекомендацией G.732 МККТТ (см. рис.3).

Рис.3. Подсистема абонентского доступа.
CSN имеет следующие характеристики :
t полностью цифровое оборудование с АЦП в каждой линии для дискретизации сигналов аналоговой линии,
t многосторонность: поддерживается любое сочетание аналоговых и ISDN цифровых линий, а каждое такое сочетание может быть легко изменено путем замены или добавления плат абонентских комплектов,
t децентрализация: CSN может быть смонтирован локально или на удалении без каких-либо модификаций (он может включать местные (CNL) или вынесенные (CNE) цифровые концентраторы),
t автономное функционирование в случае пропадания cвязи с ОСВ283; это допускает установление местных вызовов независимо от подсистемы коммутации и управления ОСВ283,
t дистанционная загрузка программных средств вплоть до уровня плат абонентских комплектов.
Для организации всех связей между CSN и ОСВ283, а также между CSN и выносными цифровыми концентраторами используются стандартные ИКМ-тракты. Местные и выносные CSN взаимодействуют с ОСВ283 с использованием сигнализации №7 ITU-T.
CSN имеет емкость 5120 аналоговых линий или 2560 цифровых линий, подсоединяемых локально или дистанционно и в любом сочетании в рамках указанных ограничений. Без какого-либо риска неравномерного рспределения, эти абонентские линии разделяют между собой трафик, создаваемый 16 ИКМ-трактами. Каждый местный или вынесенный CSN может обслуживать до 20 удаленных пунктов.
Каждый местный или выносной цифровой концентратор содержит резервные абонентские комплекты, поэтому в случае сбоя какого-либо работающего абонентского комплекта нет необходимости в срочных ремонтных работах.
Приведенные характеристики обеспечивают значительные преимущества при эксплуатации Alcatel 1000 E10:
t Экономически эффективное использование локальных сетей : парные системы усиления не требуются, поскольку как местные, так и удаленные линии могут одинаково подсоединяться к цифровым концентраторам и пользоваться одними и теми же средствами.
t Простота перехода к ISDN с предельно низкими затратами. ISDN-линии подсоединяются путем замены или добавления плат абонентских комплектов в CSN.
Блок абонентского доступа (CSN) поддерживает следующие типы линий, которые подсоединяются к местным (CNL) или выносным (CNE) цифровым концентраторам (см. рис.4):
t аналоговые линии.
t цифровые линии 2B+D (базовый доступ).
t цифровые линии 30B+D (основной доступ).

Рис.4. Типы линий.
CSN обеспечивает выполнение следующих функций для этих типов линий :
t Аналоговые линии:
pПодключение линий и подача питания.
pКонтроль состояния шлейфа.
pПередача на ОСВ283 всей абонентской сигнализации (снятие трубки, цифры адреса и т.п.).
pПередача абоненту всех сигналов от ОСВ283 (счетные импульсы, команды реверса батареи и т.п.).
pНахождение путей для входящих и исходящих вызовов.
pАналого-цифровое преобразование посредством АЦП в каждой линии.
pСбор информации наблюдения трафика.
pИндивидуальное тестирование линий и абонентских комплектов и обнаружение сбоев.
pВключение резервного абонентского комплекта в случае неисправности того или иного абонентского комплекта.
pУстановление местных вызовов в случае повреждения ИКМ- соединительных линий с ОСВ283.
t Цифровые абонентские линии 2B+D и 30B+D :
pПодключение линий.
pАктивация / деактивация линий (2B+D).
pРазделение B и D каналов, а тавже обработка протокола доступа к D каналу.
pПередача на ОСВ283 абонентской сигнализации, включая сигнализацию "пользователь-пользователь" и счетные импульсы.
pПередача по D-каналу сигнализации от ОСВ283, включая сигнализацию "пользователь-пользователь" и счетные импульсы.
pНахождение пути и маршрутизация для каналов B и D.
pНаблюдение трафика.
pИндивидуальное тестирование, техобслуживание и защита для каждой цифровой линии.
pВключение резервного абонентского комплекта в случае неисправности того или иного абонентского комплекта.
pУстановление местных вызовов в случае нарушения ИКМ-трактов с ОСВ283.
3.2 АППАРАТНОЕ ОБЕСПЕЧЕНИЕ CSN
CSN функционально делится на две части (см. рис.5) :
t Оборудование абонентского доступа и цифровой концентрации, образуемое местными (CNL) или выносными (CNE) цифровыми концентраторами. Линии подключаются к абонентским комплектам (SLICам) в каждом концентраторе. Каждый абонентский комплект поддерживает аналоговую линию или цифровую линию с базовым/основным доступом.
t Цифровой блок управления (UCN) со следующими основными функциями :
pОбработка входящих и исходящих вызовов.
pКоммутация.
pУстановление местных вызовов.

Рис.5. Общая организация CSN.
Элементы подсистемы абонентского доступа могут быть размещены на удалении (либо сам CSN, либо цифровые концентраторы, либо и то, и другое). Это обеспечивает высокую степень организационной гибкости и означает, что цифровые концентраторы могут быть географически размещены вблизи абонентов.
CSN обрабатывает 460 Эрланг исходящего и входящего трафика и 16 ИКМ-трактов, соединяющих его с ОСВ283.
Количество ИКМ-трактов зависит от прогнозируемого трафика для линий, подключенных к данному CSN, а также от уровня обслуживания, требуемого руководством, отвечающим за эксплуатацию. Требуются, по крайней мере, два ИКМ-тракта; могут добавляться отдельные линии связи, но общее число не должно превышать 16.
Каждый цифровой концентратор поддерживает до 256 аналоговых линий и содержит до 16 плат абонентских комплектов, каждая из которых подсоединяет 16 аналоговых линий или восемь цифровых линий с базовым/основным доступом.
3.2.1 ПЛАТЫ АНАЛОГОВЫХ АБОНЕНТСКИХ ЛИНИЙ
Каждая аналоговая линия подсоединяется к абонентскому комплекту, содержащему следующие компоненты (см. рис.6) :
t Интерфейсная схема абонентской линии (SLIC) со стандартными функциями "BORSHT".
(B) Батарея : Питание линии.
(О) Перегрузки : Защита от перенапряжений.
(R) Вызов : Подача вызывного тока.
(S) Контроль : Контроль состояния шлейфа.
(H) Гибрид : Преобразование вида "2/4-проводная" с регулировкой усиления и схемой балансировки. Эти две функции могут настраиваться динамически для каждого отдельного вызова.
(Т) Тест : Переключение линии на тестовую шину, благодаря чему могут быть измерены параметры линии и телефонного комплекта.
t БИС-кодировщик и фильтр (COFIDEC), выполняющий аналого-цифровое преобразование в соответствии с Рекомендацией Q.517 ITU-Т (кодирование по А-закону). Каждая линия имеет свой собственный COFIDEC.
Плата аналоговой абонентской линии содержит 16 абонентских комплектов.
Эта плата содержит также компоненты коммутации и управления, общие для всех 16 линий, подключенных к данной плате :

Рис.6. Плата аналоговых абонентских линий.
t Контроллер, действующий как Т-ступень для подключения любого абонентского комплекта к свободному каналу одного из четырех 120-канальных ИКМ-выходных трактов цифрового концентратора. Контроллер содержит также HDLC-кодировщик для информации о сигнализации и управляющих сообщений. Временной интервал на каждом ИКМ-тракте может программироваться для передачи сигнализации и управляющих данных. Два из этих временных интервалов образуют 64 кбит/с HDLC-звено связи между платами абонентских комплектов и цифровым устройством управления (UCN).
t Управляющий микропроцессор с соответствующей памятью, выполняющий следующие функции :
pИнициализация абонентских блоков и, в частности, контроллера.
pСканирование и управление 16 абонентскими комплектами в ответ на обнаруживаемые события или команды, принимаемые от UCN.
pПередача счетного импульса, сигналов реверса батареи и т.п. на абонентские комплекты.
pРаспознавание последовательностей вызова (сигналы снятия трубки, прием цифр, сигналы установки трубки на рычаг и т.п.).
pУправление HDLC-процедурами управляющей линии связи.
Эта организация базируется на 16-линейных модулях. Другими словами, неисправность одной платы абонентского комплекта СSN может повлиять не более, чем на 16 линий одновременно.
Кроме того, в случае неисправности отдельного абонентского комплекта, соответствующая линия может быть перекоммутирована на резервный абонентский комплект, совместно используемый рядом линий в CSN. Это избавляет от необходимости срочного выполнения ремонтных работ.
Имеются и другие типы плат аналоговых абонентских линий :
t плата 3-проводной аналоговой абонентской линии;
t плата 2- или 4-проводной аналоговой (линия передачи данных) абонентской линии.
Имеется также плата абонентских линий, поддерживающая сонаправленные 64 кбит/с линии передачи данных (Рекомендация G.703 ITU-Т). Эта плата используется для выделенных линий (полупостоянное соединение в CSN).
Все эти платы являются стандартными и могут монтироваться в любом месте цифрового концентратора, которое предназначено для установки плат абонентских линий.
3.2.2 ПЛАТЫ ЦИФРОВЫХ АБОНЕНТСКИХ ЛИНИЙ 2B+D
Каждая цифровая линия 2B+D (базовый доступ) подсоединяется к абонентскому комплекту, включающему (см. рис.7) :
t Цифровой абонентский комплект, выполняющий функции окончания цифровой линии (LT):
pПодключение цифровой линии.
pПередача по цифровой линии (с эхо-подавлением).
pАктивация / деактивация.
pЗащита от перенапряжений и короткого замыкания.
pДистанционная подача питания.
pТехобслуживание и измерение качества линии (сбой дистанционной подачи питания, сбой синхронизации, чрезмерный коэффициент ошибок и т.п.).
t Блок, выполняющий функции терминала АТС (ЕТ):
pКонтроль состояния линии.
pМультиплексирование / демультиплексирование В и D каналов.
pОбработка протокола доступа к D каналу.
pОбнаружение неисправностей цифровой линии, включая контроль D канала.
Все функции абонентского комплекта соответствуют спецификациям ITU-Т для базового доступа (Рекомендации I.412, I.430, I.441 и I.451).
Каждая плата цифровых абонентских комплектов 2B+D содержит до восьми абонентских комплектов, которые вставляются в эту плату посредством разъема. Кроме этого, плата содержит следующее совместно используемое оборудование :
pКонтроллер для коммутации любого В-канала , подключенного к плате посредством единственной Т-ступени, на любой из 120 каналов четырех исходящих ИКМ-трактов к ОСВ283. Этот контроллер коммутирует также пакетные данные и сигнализацию, принимаемые по D-каналам, на четыре указанных ИКМ-тракта.

Рис.7. Плата цифровых абонентских линий 2B+D.
pКонтроллер для коммутации любого В-канала , подключенного к плате посредством единственной Т-ступени, на любой из 120 каналов четырех исходящих ИКМ-трактов к ОСВ283. Этот контроллер коммутирует также пакетные данные и сигнализацию, принимаемые по D-каналам, на четыре указанных ИКМ-тракта.
pHDLC-контроллеры, причем один обрабатывает данные D-канала, а другой - информацию о сигнализации.
pМикропроцессор, управляющий схемами плат и обрабатывающий сигнализацию по каналам к / от ОСВ283.
Если подсоединены восемь цифровых линий 2B+D, неисправность совместно используемого оборудования может привести к потере восьми линий, а неисправность абонентского комплекта может привести к потере одной линии.
Однако последствий неисправности отдельного абонентского комплекта можно избежать, переключив соответствующую линию на резервный абонентский комплект, совместно используемый рядом абонентских комплектов в цифровом концентраторе. Это избавляет от необходимости срочного выполнения ремонтных работ.
3.2.3 ПЛАТЫ ЦИФРОВЫХ АБОНЕНТСКИХ ЛИНИЙ 30B+D
CSN поддерживает цифровые абонентские линии с основным доступом 30B+D.
Эти линии могут быть частью абонентской сети и реализованы на симметричных парах или оптических волокнах. Для увеличения расстояний до 30-40 километров на симметричных парах 0,4 , 0,6 или 0,8 мм используются стандартные 2 Мбит/с регенераторы. Мультимодовые волоконно-оптические системы передачи позволяют реализовать без регенераторовлинии связи длиной до 5 км (длина волны 850 нм) или до 10 км (длина волны 1300 нм). Для соединения CSN с мультисервисными ISDN-станциями используются линии 30B+D.

Рис.8. Плата цифровых абонентских линий 30B+D.
Каждая цифровая линия 30B+D подсоединяется к абонентскому комплекту, включающему следующие элементы (см. рис.8) :
t ИКМ-интерфейс, выполняющий следующие функции :
pПреобразование кодов и ресинхронизация сигнала.
p6 дБ HDB3-интерфейс (интерфейс V.3).
pТехобслуживание и измерение качества линий (контроль ошибок и контроль синхросигнала, проверка CRC4, обработка аварийной сигнализации и т.п.).
t Мультиплексор / демультплексор В и D каналов.
t Контроллер для коммутации любого В-канала посредством единственной Т-ступени на любой из 120 каналов четырех исходящих ИКМ-трактов к ОСВ283. Этот контроллер коммутирует также пакетные данные и сигнализацию от D-канала на 4 указанных ИКМ-тракта.
t HDLC-контроллеры, один из которых обрабатывает данные D-канала, а другой - сигнализацию.
t Микропроцессор для управления платой.
Все функции линейных блоков удовлетворяют Рекомендациям ITU-T G.703, G.704 и G.737 (интерфейсы) и I.412, I.431, I.441 и I.451 (каналы В и D).
Каждая плата обеспечивает полный доступ одного абонентского комплекта 30B+D к ИКМ-трактам к ОСВ283. В цифровом концентраторе устанавливается ряд плат абонентских линий 30B+D. Емкость ограничивается только объемом трафика, подаваемого на ИКМ-тракты доступа.
3.2.4 ЦИФРОВОЙ КОНЦЕНТРАТОР
Абонентский цифровой концентратор (CN) содержит до 16 аналоговых или цифровых (базовый или основной доступ) окончаний абонентских линий.
Он также содержит схемы позиционированияи тестирования, ИКМ-интерфейс и схемы синхросигнала (см. рис.9).
Основной функцией цифрового концентратора является концентрация канальных сигналов от этих плат (сигналы 64 кбит/с от аналоговых линий, сигналы В и D каналов от цифровых линий и т.п.) по направлению не более, чем к четырем ИКМ-трактам, соединяющим CN с цифровым устройством управления (UCN). CN использует HDLC-процедуру для связи с UCN по дублированной 64 кбит/с линии связи.
Все абонентские линии, соединеные с той или иной аналоговой или цифровой платой, а также все временные интервалы с основным доступом имеют полный доступ ко всем ИКМ-канальным интервалам, соединяющим CN c UCN. Это позволяет избежать риска неравномерного распределения трафика и приводит к отсутствию каких-либо ограничений на подключения (любая плата может быть смонтирована в CN на любом месте и любой абонентский комплект на плате может быть использован для подключения любой линии).
Линии, подсоединенные к CN, разделяют, таким образом, трафик, подаваемый по ИКМ-тракту от UCN, равными долями. Поскольку имеются до 4 ИКМ-трактов, вероятностью блокировки можно пренебречь.
Местный (CNL) или выносной (CNE) цифровой концентратор позволяет выполнять одни и те же функции для всех подсоединенных линий. С точки зрения аппаратного обеспечения, отличаются только интерфейсные схемы UCN.
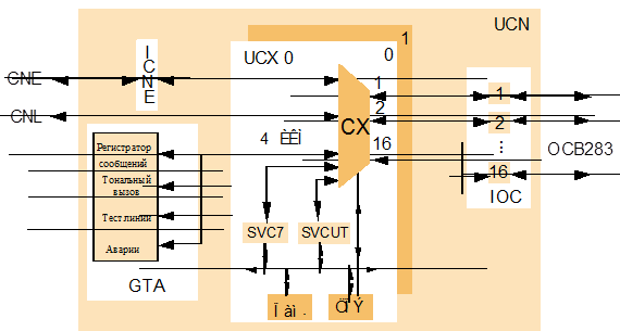
3.2.5 ЦИФРОВОЕ УСТРОЙСТВО УПРАВЛЕНИЯ
Управление CSN осуществляется цифровым управляющим устройством (UCN), которое также выполняет основные коммутационные функции. Оно стыкует CSN с ОСВ283 по стандартным 2 Мбит/с ИКМ-трактам. Оно использует для взаимодействия с ОСВ283 сигнализацию №7 ITU-Т.
Функции управления и коммутации выполняются главным образом двумя модулями (UCX), функционирующими в активном/резервном режиме.
Каждый UCX содержит (см. рис.10) :
t Коммутационную матрицу с временной коммутацией:
Эта матрица представляет собой квадратную матрицу, поддерживающую 64 ИКМ-трактов. 42 ИКМ-тракта используются для подключения цифровых концентраторов, а 16 ИКМ-трактов - для подключения к ОСВ283. Оставшиеся 6 ИКМ-трактов используются для подключения обслуживающих устройств и внутренних линий сигнализации UCN.

Рис.9. Цифровой концентратор (CN).
Матрица имеет модульную структуру (единственный ИКМ-тракт). Она используется для установлениявсех соединений и, в частности, местных соединений, если CSN оказывается изолированным от ОСВ283.
Каждый раз при установлении соединения выполняются динамические тесты. Это гарантирует правильное выполнение команд и надлежащую работу коммутационной матрицы.
t Станцию управления:
Станция управления содержит один главный процессор (PU) с его периферийными устройствами, главную память и три линейных драйвера, выполняющих следующие функции:
pдиалог с цифровым концентратором (протокол HDLC),
pдиалог с ОСВ283 (сигнализация ITU-T N7),
pуправление коммутационной матрицей (маркировка, управление авариями ИКМ и тесты целостности).
UCN содержит также интерфейсные схемы удаленных цифровых концентраторов (ICNE) и OCB283 (IOC), а также набор сервисных устройств:
t Частотные приемники.
t Тональные генераторы.
t Измерительное оборудование для абонентских линий и абонентских комплектов.
t Схема сортировки аварийных сигналов.
t Цифровой информатор, используемый в случае изоляции CSN от ОСВ283.

Рис.10. Цифровое устройство управлления (UCN).
Таким образом, UCN устанавливает входящие и исходящие вызовы вместе с блоками коммутации и управления ОСВ283. Оно также устанавливает местные вызовы (автономный режим) в случае повреждения всех ИКМ-трактов к ОСВ283.
Все временные канальные интервалы, подсоединенные к цифровым концентраторам, имеют полный доступ ко всем ИКМ-канальным интервалам в направлении ОСВ283. С учетом 16 ИКМ-трактов между CSN и ОСВ283, CSN может обрабатывать трафик 460 Е (вероятность потери 5 х 10-3 ).
3.3 ПРОГРАММНОЕ ОБЕСПЕЧЕНИЕ CSN
Основными функциями программного обеспечения (ПО) CSN являются:
t Коммутация сигналов на абонентских линиях и каналах в направлении ОСВ283.
t Эксплуатация и техобслуживание (OA&M) самого CSN и подключенных к нему линий.
Принципы проектирования ПО состоят в следующем :
t Программы и данные загружаются посредством функции OA&M. Это обеспечивает легкость инициализации и наращивания, а также гарантирует, что CSN сможет "воспринимать" последующие функциональные усовершенствования.
t Архитектура ПО является многоуровневой, а функции реального времени децентрализованы до уровня абонентских плат.
t Важные данные сортируются в UCN.
t В целях защиты UCN дублирован (активный/резервный режим).
В случае переключения с активного на резервный режим, уже установленные вызовы не будут затронуты. В случае преднамеренного переключения, устанавливающиеся вызовы также не затрагиваются.
3.3.1 ПО ПЛАТ АБОНЕНТСКИХ КОМПЛЕКТОВ
Это ПО содержит следующие программы :
t Программа инициализации:
pПредварительные тесты.
pHDLC-протокол связи сUCN.
pПроцедура загрузки.
t Прикладные программы :
pОбработка в реальном времени функции абонентской линии.
Прикладные программы различаются в соответствии с типами линий, подсоединенных к платам абонентских линий. Каждая плата распознает тип и версию своей собственной аппаратуры путем считывания некоторого кода, "зашитого" на данной плате. Затем она может информировать UCN о конфигурации своих аппаратных средств, гарантируя загрузку надлежащего прикладного ПО.
3.3.2 ПО цифрового управляющего устройства
ПО UCN включает все программы линейных драйверов (HDLC, ITU-Т №7 и т.д.) и собственное ПО UCN (см. рис.11).
ПО UCN включает программы инициализации, системное ПО и прикладные программы.
t ПО инициализации выполняет все функции, требующиеся для "холодного старта" UCX, включая :
pПредварительные тесты микропроцессора, памяти и линейного драйвера.
pПротокол уровня 2 ITU-T №7.
pПроцедуру загрузки прикладного ПО.
t Системное ПО :
Обеспечивает два машинных уровня для прикладного ПО: уровень ядра, связанный с аппаратными средствами, и уровень обработки в реальном масштабе времени.

Рис.11. ПО UCN.
Управление обработкой в реальном масштабе времени осуществляется монитором, который выделяет процессорное время на основе приоритетов.
Системное ПО размещается в ЗУПВ.
t Прикладное ПО :
Разделено на независимые функциональные модули, называемые программными блоками (OL).
pКоммутационный OL выполняет обработку вызовов, наблюдение за трафиком и нагрузкой и установление локальных вызовов.
pОперационное OL выполняет управление оборудованием и данными и играет определенную роль в тестировании линий и отслеживании / устранении неисправностей.
pOL техобслуживания управляет стандартными тестами или тестами, выполняемыми по запросу.
pТранспортное OL управляет каналами обмена HDLC и ITU-T №7, а также линией связи с резервным UCX.
pOL защиты включает все ПО защиты в оперативном и автономном режимах.
Все прикладное ПО загружается в ЗУПВ функциями OA&M АТС.
3.4.1 ПОДСИСТЕМА АБОНЕНТСКОГО ДОСТУПА
Блок абонентского доступа (CSN) - чрезвычайно многостороннее устройство. Оно может быть использовано в густонаселенных городских средах, а также для удаленного соединения в периферийных областях.
В городских средах абоненты, как правило, расположены вблизи АТС, а сильная загруженность линий является нормой. CSN устанавливаются в машинном зале АТС Alcatel 1000 E10, а большинство цифровых концентраторов являются местными (CNL). Каждый такой концентратор поддерживает до 5120 аналоговых линий или 2560 цифровых линий (где необходимо - доступ с первичной скоростью 30B+D).
В пригородных районах или городах средней величины плотность населения меньше и в конфигурации АТС сочетаются как местные, так и выносные CSN. Используются как местные, так и выносные цифровые концентраторы. В таких случаях CSN обслуживает 5120 линий со средним трафиком.
В периферийных районах абоненты рассредоточены по деревням и вокруг них. Единственный местный или выносной CSN обслуживает до 20 пунктов с выносными цифровыми концентраторами (CNE).
Все связи оборудования подсистемы абонентского доступа (связи между CNE и UCN, или CSN и OCB283) осуществляются посредством 2 Мбит/с цифровых линий связи.
Эти линии связи могут использовать любую передающую среду: медный кабель, оптические волокна или радиоканалы с использованием PDH (например, 2 Мбит/с, 34 Мбит/с) или SDH (например, 155 Мбит/с).
Оборудование подсистемы абонентского доступа может быть установлено в типовых зданиях, в контейнерах или в размещенных около дорог шкафах.
3.4.2 ВВЕДЕНИЕ ISDN
CSN поддерживает изменяющиеся сочетания типов линий: разнообразные аналоговые линии, а также 2B+D или 30B+D ISDN линии.
Области, уже оборудованные CSN, поддерживающими аналоговые линии, могут легко и без существенных затрат перейти к использованию цифровых устройств. Это сводится просто к добавлению абонентского комплекта ISDN в ближайший цифровой концентратор (или замене плат аналоговых линий на платы цифровых линий) с последующим заданием или модификацией характеристик линий командами оператора.
В областях, еще не оборудованных блоками доступа CSN, переход к использованию цифровых способов связан с установкой CSNов и цифровых концентраторов в существующей АТС Alcatel 1000 E10. Это означает, что оборудование ISDN будет доступно любому пользователю, подсоединенному к АТС Alcatel 1000 E10.
4. ПОДСИСТЕМА КОММУТАЦИИ И УПРАВЛЕНИЯ
Подсистема коммутации и управления системы Alcatel 1000 E10 выоплняет следующие функции:
t Главное устройство управления.
t Коммутационная матрица.
t Синхронизация.
t ИКМ-мультиплексный доступ.
t Сервисные блоки.
t Управление конфигурацией.
Архитектура подсистемы коммутации и управления ОСВ283 (см. рис.12) основывается на распределенном управлении с n+p избыточными мультипроцессорными станциями (МП-станциями) (SM), контролируемыми MП-станцией техобслуживания.
Программное обеспечение системы Alcatel 1000 E10 состоит из модулей (программных машин), поддерживаемых MП-станциями. Станция может иметь более одной программной машины. Связь между программными машинами в различных станциях осуществляется через локальную межпроцессорную сеть связи (LAN или ЛС).
Распределенное управление является фундаментальной характеристикой данной системы, позволяющей получить преимущества, о которых свидетельствует количество эксплуатируемых в настоящее время АТС Alcatel 1000 E10 :
t Количество станций, обрабатывающих вызовы и управляющих сигнализацией №7 ITU-T, например, может быть подобрано таким образом, чтобы оно в точности удовлетворяло требованиям подключенного телефонного оборудования (абонентские линии, каналы) и обрабатываемого трафика.
t Отличное качество обслуживания гарантируется :
pизбыточностьюn+1 для всех управляющих станций, в результате чего станции, выполняющие одну и ту же функцию, работают на основе разделения нагрузки.
pВ случае реализации избыточности1+1, станциии спроектированы таким образом, что они могут самостоятельно справляться с нагрузкой, если другое устройство становится недоступным.
pДублированием линий связи между управляющими MП-станциями и использованием мощных протоколов связи.
pОграничением распространения неисправностей физическим отключением управляющих МП-станций от их стандартных интерфейсов, что гарантирует надежность системы Alcatel 1000 E10.
pИспользованием отдельного оборудования и путей передачи информации для обработки линий сигнализации в одном и том же направлении ITU-T №7 (например, две линии с сигнализацией N7 на некотором цифровом комплекте абонентского доступа).
Установкой резервных станций для немедленного "подхватывания" всех функций в случае неисправности в эксплуатируемой станции (например, станция, выполняющая функции уровня 2 для ряда линий сигнализации №7).

Рис.12. Общая архитектура ОСВ283.
t Доступ к новым функциональным возможностям.
Новые функции могут быть включены в существующие АТС; при этом основой служит система управления функциональными версиями.
t Производительность управляющей станции может быть увеличена за счет использования новых технологий (микропроцессоров, дискретных компонентов, чипов памяти и т.п.).
t Управление программным обеспечением.
Благодаря концепции распределения управления по ряду станций и стандартизации интерфейсов между этими станциями оказалось возможным отдельно разрабатывать сравнительно несложные программные пакеты.
Станции ОСВ283 спроектированы на основе мультипроцессора Alcatel 8300. Варианты этой базовой мультипроцессорной станции используются для конфигурирования :
t Управляющей МП-станции (SMC) со следующими функциями :
pраспределение сообщений,
pобработка вызовов,
pтрансляция,
pтарификация.
t MП-станции устройства обработки сигнализации (SMA), способной работать как с многочастотной сигнализацией, так и с сигнализацией №7. Она поддерживает любое сочетание линий связи, работающих с этими двумя типами сигнализации, и легко адаптируется к использованию в сети сигнализации №7.
t MП-станции обработки ИКМ-окончаний (SMT), поддерживающей ИКМ-интерфейс и, там где это требуется, выполняющей предварительную обработку сигнализации по выделенному сигнальному каналу, а также обеспечивающей интерфейс центральной коммутационной матрицы.
t MП-станции местного техобслуживания (SMM), обрабатывающей внутренние и внешние аварийные сигналы.
Все управляющие MП-станции идентичны. Другие станции используют дополнительное оборудование для выполнения той или иной специальной функции.
Все MП-станции взаимодействуют через локальную сеть (LAN).
Соединение и коммутация
Все цифровые АТС соединены с местными абонентскими линиями и ИКМ-трактами, обеспечивающими линии связи.
Локальные блоки подсистемы абонентского доступа (CSNL) соединены непосредственно с коммутационной матрицей.
ИКМ-тракты используются для соединения с :
t Телефонной сетью общего пользования,
t Сетью сигнализации №7,
t Сетью коммутации пакетов Х.25,
t Интеллектуальной сетью,
t Сетью услуг за дополнительную плату,
t Сетью управления телекоммуникациями.
Все ИКМ-тракты (каким бы ни было их использование) подсоединяются к MП-станции ИКМ-окончания (SMT), которая, при необходимости, выполняет предварительную обработку сигнализации по выделенному каналу и обеспечивает интерфейс с центральной коммутационной матрицей.
В случае линий связи 64 кбит/с, полупостоянные соединения устанавливаются в SMT и центральной коммутационной матрице, расширяя уровень 1 системы сигнализации №7 ITU-T до MП-станции обработки сигнализации (SMA), которая, в частности, обрабатывает уровень 2.
SMA содержит сервисные блоки (тональные генераторы и генераторы многочастотных сигналов, частотные приемники, каналы конференц-связи и т.п.) и интерфейс с центральной коммутационной матрицей.
Дополнительный сервисный блок сортирует внутренние и внешние аварийные сигналы АТС, которые обрабатываются MП-станцией местного техобслуживания (SMM).
Синхросигналы, требующиеся для функционирования системы Alcatel 1000 E10, вырабатываются MП-станцией синхронизации и базы времени (STS), которая либо работает независимо, либо управляется внешним тактовым генератором, который трижды дублируется в STS.
Эксплуатация и техобслуживание (OA&M)
MП-станция местного техобслуживания (SMM) полностью дублирована и выполняет OA&M для нормального функционирования АТС и загрузки ПО. Она управляет всеми техническими и программными средствами, процедурами инициализации, реконфигурации системы (при необходимости) и обеспечивает резервные копии для программ и данных.
Она также выполняет функции локального мониторинга и отображения аварийной сигнализации и используется для местного администрирования, основанного на стандартных или интеллектуальных терминалах.
Она использует TMN-интерфейс Q.3, удовлетворяющий Рекомендациям ITU-Т для централизованного OA&M.
Основными функциями управления являются : обработка вызовов, трансляция, тарификация, обработка общей канальной сигнализации и распределение сообщений.
ОСВ283 управляет также коммутацией, подключением ИКМ-систем и реализует управление сервисными блоками.
4.2.1 ФУНКЦИИ ОБРАБОТКИ ВЫЗОВОВ
К функции обработки вызовов применяется избыточность n+1, причем n определяется в соответствии с условиями нагрузки и указанным качеством обслуживания.
Вызовы устанавливаются и сбрасываются путем выделения областей памяти (или "контекстов вызова").
Обработка вызовов включает :
t распознавание состояний абонентских линий (трубка положена, трубка снята) и сигналов вызова или занятий каналов, обнаруживаемых блоками доступа,
t прием, запоминание и анализ адресных цифр, принимаемых по линии или каналу,
t ретрансляцию адресных цифр по каналам с использованием процедур, специфических для конкретного кода сигнализации,
t выдачу команд центральной коммутационной матрице (МСХ) на установление или сброс соединений следующих типов : абонент-абонент, вызывающий абонент-частотный приемник, тональный генератор-абонент, абонент-конференц-канал, абонент-канал, канал-абонент, канал-канал,
t мониторинг распределения временных интервалов, контроль линий, освобождение линий и каналов и т.п. в блоках доступа,
t управление сигнализацией и передачей тональных сигналов,
t взаимодействие с функцией трансляции для определения характеристик линии или канала с целью их модификации тем или иным способом (например, ввод сокращенного номера),
t взаимодействие с функцией тарификации с целью запоминания информации об оплате.
Данные трансляции образуют базовую справочную память АТС.
Эти данные хранятся в двух отдельных управляющих MП-станциях (SMC) и, кроме того, архивируются в резервной памяти, связанной с MП-станцией местного техобслуживания (SMM).
Функция трансляции поставляет информацию, требующуюся функции обработки вызовов и другим функциям, и, в частности :
t Производит выборку характеристик вызывающей линии или канала для обработки нового вызова или состояния "трубка положена".
t Предварительно анализирует и анализирует номер вызываемого абонента, транслирует информацию о маршрутизации, транслирует информацию о маршрутизации при переполнении и т.п.
t Управляет дополнительными службами: сокращенным набором, передачей вызова, переносом вызова, горячей линией, автоматическим аварийным вызовом и т.п.
t Выдает характеристики оборудования для наблюдения трафика и нагрузки.
t Выполняет операции администрирования и тестирования: запись файла, чтение и стирание, копирование данных в процессор-дубликат, отслеживание неисправностей и т.д.
Операторы телефонной сети проявляют неизменную заботу о том, чтобы функция тарификации отвечала их требованиям.
Вот почему функция тарификации в Alcatel 1000 E10 обеспечивает гибкость, безопасность и точность.
t Она обладает встроенной гибкостью в отношении :
pправил тарификации,
pтипов оплачиваемых вызовов,
pадаптации ко всем способам организации тарификации посредством использования модульного ПО и организации параметров оплаты в виде файлов, доступных оператору.
t Безопасность и точность гарантируются :
pпроцессорными станциями тарификации с дублированными аппаратными средствами, работающими в режиме разделения нагрузки,
pдублированной памятью абонентских счетов (обновляемой в обеих станциях в конце каждого вызова) и защитой данных в памяти посредством кода с коррекцией ошибок,
pвыполнением периодического дампа абонентских счетчиков, инициируемого функцией OA&M, либо на регулярной основе (календарный файл), либо по запросу оператора,
pвнутренним тактированием, синхронизируемым системным генератором синхросигналов.
Функция тарификации:
t Отыскивает и выделяет ресурсы для вызова в начале разговорной фазы и освобождает эти ресурсы в конце вызова.
t Распознает счетные импульсы, принимаемые по каналам, и, при необходимости, ретранслирует принятые или вычисленные счетные импульсы в обратном направлении.
t Управляет передачей предупреждающих тонов таксофона и счетных импульсов для СРЕ-счетчиков.
t Рассчитывает оплату за вызовы и вырабатывает информацию для составления подробных счетов оплаты (LAMA, CAMA и т.д.) и/или данные наблюдения.
4.2.4 ФУНКЦИИ СИГНАЛИЗАЦИИ №7 ITU-T
Система Alcatel 1000 E10 может обеспечивать функции Пункта Сигнализации (SP) и Транзитного Пункта Сигнализации (STP).
SP-функция используется в :
t локальной сети для связи с CSNами,
t междугородной сети для связи с другими АТС и точками управления услугами в интеллектуальных сетях,
t международной сети для связи с международными АТС.
К имеющимся пользовательским подсистемам относятся TUP, ISUP и CSN UP.
Услугами, предлагаемыми для TUP и ISUP, являются услуги, определенные ITU-Т, вместе с национальными услугами, такими как удержание вызова, отслеживание злонамеренных вызовов, тарификация и операторские функции.
Alcatel 1000 E10 выполняет следующие основные функции подключения:
t Установление двусторонних соединений между каналами 64 кбит/с на входящих или исходящих ИКМ-трактах.
t Подключение выходов тонального и сигнального генераторов и устройств механического голоса к исходящим каналам 64 кбит/с.
t Подключение входящих каналов 64 кбит/с к частотным приемникам.
t Установление полупостоянных соединений 64 кбит/с для речи и данных (например, линии сигнализации №7 ITU-Т).
Качество коммутации гарантируется:
t Постоянной проверкой передачи для каждого соединения, с тем чтобы обеспечить соответствие качества передачи Рекомендациям ITU-Т серии Q.
t Постоянной проверкой установленных соединений.
t Средствами отслеживания неисправностей.
Времена распространения сигналов соответствуют Рекомендациям ITU-Т.
4.2.6 ПОДКЛЮЧНИЕ ТРАКТОВ 2 МБИТ/С
Функция подключения ИКМ-трактов управляет интерфейсами 2 Мбит/с между ОСВ283 и :
t Выносными устройствами абонентского доступа,
t Цифровыми и аналоговыми АТС,
t Сетью сигнализации №7 ITU-Т.
Существуют две совокупности функций подключения ИКМ-трактов :
Коммутационные функции
t Передача по ИКМ-трактам : генерация кадров и передача в коде HDB3 по исходящим ИКМ-каналам.
t Прием по ИКМ-трактам : преобразование из HDB3 в двоичный код, ресинхронизация по тактовым сигналам АТС и передача речевого канала на центральную коммутационную матрицу (МСХ).
t Функции реального времени, обрабатывающие сигнализацию по выделенному каналу :
pОбнаружение, подтверждение и упорядочение сигналов, принятых в канальном интервале 16, и передача на функцию управления.
pГенерация и передача сигналов в канальном интервале 16, основываясь на командах, принятых от функции управления.
t Управление полупостоянными линиями связи, в частности, линиями сигнализации №7 ITU-Т.
Функции защиты и безопасности
t Инициализация переходов состояний, запрашиваемых функцией OA&M.
t Передача ИКМ-аварийных сигналов.
t Самотестирование для обнаружения внутренних неисправностей.
t Обработка кода с исправлением ошибок CRC4.
4.2.7 ФУНКЦИИ УПРАВЛЕНИЯ БЛОКОМ ОБРАБОТКИ СИГНАЛИЗАЦИИ
ОСВ283 выполняет также ряд функций управления блоком обработки сигнализации (ЕТА), включая:
t Генерацию частот и тестовых тональных сигналов для соединительных линий.
Эти сигналы состоят из 1, 2, 3 или 4 частот и могут быть непрерывными или прерывистыми.
t Генерацию многочастотных сигналов, используемых для сигнализации по каналам MF (многочастотным) или R2 и т.п.
t Прием и измерение уровня частот, используемых для тестирования каналов.
t Прием МF-сигналов по каналам, обслуживаемым MF-сигнализацией.
t Прием частотных комбинаций от телефонов с тастатурным набором (сигнализация Q.23).
t Функции конференц-связи (с одновременным подключением трех TD-каналов).
4.2.8 ФУНКЦИИ ЭКСПЛУАТАЦИИ И ТЕХОБСЛУЖВАНИЯ
В отличие от функций управления, подключения и коммутации, функции OA&M не связаны непосредственно с обработкой вызовов и, следовательно, не являются предметом тех же ограничений реального масштаба времени.
Административные функции
К этим функциям относятся:
t Управление памятью трансляции : создание, модификация и удаление данных, относящихся к аналоговым и цифровым линиям, группам каналов, анализам, маршрутизациям и дополнительным услугам.
t Функции, относящиеся к тарификации:
pВыполнение периодического дампа счетчиков оплаты на диск и перенос на магнитную ленту для составления счетов.
pВывод содержимого счетчиков оплаты.
pОтображение и модификация файла времени и календаря.
t Управление постоянными соединениями, используемыми для передачи данных, линиями сигнализации №7 ITU-Т и специальными управляющими линиями.
t Временный или постоянный мониторинг абонентских линий.
t Управление паролями доступa к интеллектуальным терминалам.
t Управление приоритетами, с тем чтобы некоторые абонентские группы получали статус особо важных в случае стихийных бедствий, таких как землетрясения.
t Управление состоянием оборудования (эксплуатируется, не эксплуатируется) и т.д.
Функции мониторинга
t Временное или непрерывное наблюдение трафика и нагрузки : считывание состояния счетчиков нагрузки в различных станциях, подсчет телефонных событий, мониторингординарныхи групповых линий и т.д.
t Состояние постоянных линий : мониторинг и подсчет количества постоянных условий линий и вывод результатов тестирования.
Функции техобслуживания
t Нейтрализующее техобслуживание :
pобработка аварийных сигналов и неисправностей,
pотслеживание неисправностей : программа LOCAVAR, которая идентифицирует дефектные элементы, подключаемые посредством разъемов, путем внутреннего тестирования и моделирования.
t Профилактическое техобслуживание :
pавтоматические тесты аналоговых линий и комплектов,
pавтоматические тесты цифровых линий,
pавтоматические тесты соединительных линий, выполняемые регулярно или по запросу,
pтехобслуживание памяти станции управления : поиск ошибок, проверки согласованности данных, перезагрузка, архивирование и т.д.,
pдругие функции, такие как обработка непосредственных вызовов, тестирование тонального генератора и частотного приемника и т.п.
4.3 ОПИСАНИЕ АППАРАТНЫХ СРЕДСТВ
Описанные выше архитектура системы и функциональных узлов нашли выражение в следующей организации аппаратных средств:
t Распределенная архитектура : функции распределены по аппаратным станциям, соединенным посредством LAN.
t Расширяемая архитектура, позволяющая наращивать программные или аппаратные средства с целью удовлетворения потребностей, связанных с ростом трафика и новыми запросами пользователей.
t Программное обеспечение, не зависящее от текущей и будущей структуры аппаратных средств, т.е. возможность наращивания функций системы с течением времени.
Станции ОСВ283 имеют структуру стандартной мультипроцессорной станции.
Различные МП-станции выполняют различные функции (см. рис.13) :
t МП-станции управления (SMC) выполняют управляющие функции (тарификация, трансляция, распределение сообщений).
t МП-станции обработки ИКМ-окончаний (SMT) выполняют функции доступа к ИКМ-трактам.
t МП-станции блока обработки сигнализации (SMA) выполняют функции управления блоком обработки сигнализации.
t МП-станции техобслуживания (SMM) выполняют функции OA&M.
t Коммутационная МП-станция (SMX) управляет центральной коммутационной матрицей.
t МП-станция синхронизации и базы времени (STS) управляет хронированием системы.
Станции управления взаимодействуют между собойпосредством межстанционной локальной сетевой шины(MIS), представляющей собой надежное средство быстрой передачи сообщений.
Станции SMT и SMA взаимодействуют друг с другом и с управляющими станциями через локальную сетевой шинустанционного доступа(MAS), обеспечивающую надежное средство быстрой передачи сообщений.

Рис.13. Организация технических средств ОСВ283.
4.3.1. МП-СТАНЦИИ УПРАВЛЕНИЯ (smc)
Базовая МП-станция Alcatel 1000 E10 спроектирована на мультипроцессорной основе. Сама эта станция представляет собой микропроцессор Alcatel 8300, используемый Alcatel во всех приложениях, включая интеллектуальные сети и сети мобильной радиосвязи.
Каждая мультимикропроцессорная станция ОСВ283 содержит следующие элементы :
t Главную шину BSM, поддерживающую процессоры, память, драйверы линий и т.п.
t Первичный процессор (PUP), вторичные процессоры (PUS) и связанные с ними запоминающие устройства.
t Драйверы соединительных линий, соединяющие одну МП-станцию с другой через локальную шину (межпроцессорная шина MIS и шина станционного доступа MAS), а также выделенные драйверы линий.
МП-станция, таким образом, содержит совокупность базового оборудования, к которому может быть подключено дополнительное оборудование (см. рис.14).
Ядро системы включает BSM-шину, первичный процессор и драйвер шины первичногомультиплексирования. В соответствии с требуемыми функциями добавляется дополнительное оборудование: вторичные процессоры (PUS), драйверы шин вторичного мультиплексирования, выделенные драйверы линий и т.п.
4.3.1.1 BSM-ШИНА
Это - главная шина МП-станции, поддерживающая процессоры, платы памяти и драйверы линий. BSM-шина каждой МП-станции поддерживает до 32 плат соединительных линий.
4.3.1.2 ПРОЦЕССОР
Каждыйпроцессор содержит следующие ресурсы :
t Собственную память.
t Локальную шину, сопрягающую первичные процессоры с их окружением (например, локальной памятью, для того чтобы разгрузить BSM-шину от функций локального доступа).
t Платы памяти, доступ к каждой из которых осуществляется посредством локальной шины или BSM-шины. К каждому процессору может быть подключено несколько плат памяти.
МП-станция может иметь более одного процессора:
t Первичный процессор (PUP).
t До четырех вторичных процессоров (PUS).
4.3.1.3 ДРАЙВЕРЫ МУЛЬТИПЛЕКСИРОВАНИЯ ЛИНИЙ
Каждый линейный драйвер имеет доступ к межпроцессорной сетевой шине (MIS) или сетевой шине станционного доступа (MAS).
Каждая МП-станция содержит :
t по крайней мере, один драйвер первичной шины,
t до четырех драйверов вторичной шины (это количество соответствует всем конфигурациям).
4.3.1.4 ДРАЙВЕРЫ ВЫДЕЛЕННЫХ ЛИНИЙ
С целью удовлетворения функциональных потребностей каждая станция может иметь один или несколько драйверов выделенных линий.
Эти драйверы линий включают :
t Драйвер линии, соединяющий МП-станцию с центральной коммутационной матрицей (МСХ).
Этот драйвер линии принимает временные интервалы и выполняет ту или иную специализированную функцию, например, управление блоками обработки сигнализации (генерация тона, передача/прием частотных сигналов и т.д.) или обрабатывает уровня 2 сигнализации №7 ITU-Т.
t Драйвер линии, связывающий МП-станцию с двумя SCSI-шинами, поддерживающими контроллеры периферийных устройств (диск, лента, стример и т.п.).
Рис.14. Архитектура МП-станции.
МП-станции выполняют функции управления, причем каждая из них реализуется программным модулем или программной машиной. Каждая программная машина содержит набор программ, называемых "блоком обмена" (ЕСН). Программные машины обработки вызовов и тарификации содержат второй набор программ, представляющий собой программы обработки вызовов (ТАР) и программы тарификации (ТАХ).
Программы блока обмена всегда загружены в первичный процессор МП-станции (PUP).
4.3.2.1 ФУНКЦИЯ ОБРАБОТКИ ВЫЗОВОВ
В дополнение к ПО блока обмена, встроенному в главный процессор (PUP), программная машина обработки вызовов содержит программы обработки вызовов (ТАР).
МП-станция управления (SMC) может иметь до четырех вторичных процессоров (PUS), причем каждый из них загружен ТАР-программами посредством некоторой программы упорядочения, управляющей контекстами вызовов.
Конфигурация вторичного процессора, реализующая эту функцию, зависит от потребностей трафика и конкретных требований к качеству обслуживания.
МП-станция управления (SMC) может иметь четыре вторичных процессора (PUS), загруженных программами тарификации, причем каждый из них использует некоторую программу упорядочения для управления контекстами тарификации.
Конфигурация вторичного процессора зависит от потребностей трафика и конкретных требований к качеству обслуживания.
Функция OA&M поддерживается МП-станцией техобслуживания (SMM), которая является полностью дублированной для обеспечения работы в активном / резервном режиме.
Она выполняет функции инициализации системы, центральной защиты, безопасности данных и OA&M.
SMM может быть подключена к центру управления сетью (NMC).
Она состоит из двух полустанций, каждая из которых содержит (см. рис.15) :
t BSM-шину МП-станции.
t Первичный процессор (PUP) с запоминающим устройством.
t Драйвер первичной линии (СМР) для связи по межстанционной сетевой шине (MIS).
t Выделеный драйвер линии для подключения к двум стандартным SCSI-шинам.
t Выделеный драйвер линии для связи с шиной "Telecom".
t Выделеный драйвер линии для соединения с другой полустанцией.
Две SCSI-шины, общие для обеих полустанций, поддерживают магнитные носители информации : диски, ленты и стример.
Каждая полустанция имеет шину Telecom для подсоединения к драйверам линий передачи по синхронным или асинхронным линиям связи (V.24, J64) и линиям Х.25 для доступа к TMN.
t Драйверы дисков
Каждый из двух контроллеров подсоединяется к шине SCSI и два дисковода работают в "зеркальном" режиме, который означает, что данные записываются параллельно на оба диска одной или другой полустанцией.
t Накопители на магнитных лентах (НМЛ)
Базовая конфигурация включает один или два НМЛ (1600 бит на дюйм / 37,5 дюйм в сек) со встроенным форматтером. Данные могут переноситься с диска на ленту, что может быть использовано только для ввода/вывода в автономном режиме.
t Стримеры
Базовая конфигурация включает 1/4 " стример, используемый для начальной загрузки системы.

Рис.15. Станция техобслуживания SMM.
Драйверы линий передачи имеют два порта для подсоединения двух шин Telecom.
Используются различные типы драйверов линий:
t драйверы асинхронных линий связи (восемь линий),
t драйверы линий сбора и передачи аварийных сигналов,
t драйверы синхронных линий связи,
t драйверы линий J64 (интерфейс 64 кбит/с).
Интеллектуальными терминалами могут быть :
t мониторы,
t принтеры,
t интеллектуальные терминалы на базе РС или совместимые с ними.
Alcatel Telecom разработал интеллектуальный терминал, который подсоединяется к МП-станции эксплуатации и техобслуживания по стандартной асинхронной линии связи.
Этот интеллектуальный терминал, установленный в РС, заменяет множество выпускавшихся ранее терминалов.
Он предлагает следующие функции :
t Управление доступом оператора (пароль и т.п.).
t Выбор команд в режиме меню.
t Стандартные формы для задания опций.
t Архивация незатребованных сообщений и аварийных сигналов.
t Функции поиска и сортировки архивированных данных.
t Функция помощи оператору.
t Многоязыковый доступ.
t Предоставление документации в оперативном режиме.
4.3.2.4 ФУНКЦИЯ ПОДКЛЮЧЕНИЯ ИКМ-СИСТЕМЫ
Эта функция выполняется программной машиной в двух полустанциях SMT, работающих в активном/резервном режимах.
Каждая полустанция включает интерфейсы, управляющие доступом к модулям подключений.
Устройство механического голоса - полностью цифровое и подсоединяется через SMT.
4.3.2.5 ФУНКЦИЯ УПРАВЛЕНИЯ БЛОКОМ ОБРАБОТКИ СИГНАЛИЗАЦИИ
Эта функция выполняется программной машиной ЕТА в МП-станции блока обработки сигнализации (SMA).
Станция SMA содержит :
t драйверы линий для доступа к центральной коммутационной матрице (МСХ),
t совокупность идентичных драйверов линий, выполняющих вспомогательные функции обработки сигнализации и, в частности :
pгенерацию тона (одно-, двух-, трех- или четырехчастотных сигналов),
pгенерацию и прием одно- или двухчастотных сигналов (многочастотный сигнал, модуляция или обнаружение тона),
pконференц-каналы (CCF).
t драйверы линии сигнализации №7 ITU-Т, каждый поддерживающий 16 линий.
МП-станция может также содержать эталонный тактовый генератор для таких функций, как тарификация, составление подробных счетов и наблюдение.
Каждая станция SMA подключается к центральной коммутационной матрице (МСХ) максимум восемью ИКМ-трактами.
К станциям SMA применяются принципы разделения нагрузки и избыточности n+1.
4.3.3 РАСПРЕДЕЛЕНИЕ ПРОГРАММЫХ МАШИН В СТАНЦИИ
Программные машины, выполняющие функции доступа к ИКМ-трактам, загружены в отведенные для этой цели МП-станции обработки ИКМ-окончаний (SMT).
Программные машины обработки сигнализации встроены в станции обработки сигнализации (SMA). Каждая SMA может включать драйверы линий многочастотной сигнализации и драйверы линий сигнализации №7 ITU-Т, обслуживающие уровни 2 и 4. Функция, обслуживающая уровень 3, требующий информации о структуре сети сигнализации, всегда сосредоточена в двух управляющих МП-станциях (SMC).
Станции SMT и SMA подключены как к центральной коммутационной матрице (МСХ), так и к ряду МП-станций управления посредством дублированной сетевой шины станционного доступа (MAS).
Управляющие программные машины загружены в МП-станции управления (SMC), соединенные посредством дублированной межпроцессорной сетевой шины (MIS).
С целью минимизации требуемого объема аппаратных средств в малых и средних конфигурациях, одна МП-станция может совместно использоваться рядом программных машин (для функций, включающих обработку и трансляцию вызовов).
Резервная станция не является обязательной. Она автоматически берет на себя управление в случае выхода из строя управляющей МП-станции. Она сконфигурирована процессорами и драйверами линий таким образом, чтобы она могла принять управление от любой станции, находящейся в эксплуатации.
Программное обеспечение, требуемое для выполнения той функции, которая вышла из строя, загружается немедленно по запросу функции центральной защиты.
При установке резервной станции, сбой той или иной станции не приводит к ухудшению работы; с другой стороны работы по техобслуживанию могут быть перенесены на более поздний срок, поскольку потери пропускной способности АТС не происходит.
Подобная процедура может быть реализована также в станциях SMA для повышения готовности сети сигнализации №7. В обычных условиях двум различным станциям SMA выделяются по крайней мере две линии сигнализации в одном и том же направлении (CSN или международные каналы). Если одна из станций SMA выходит из строя, весь трафик будет обрабатываться другой. Чтобы избежать потери функции сигнализации в целом в случае выхода из строя и второго звена, а также для устранения потребности в срочном техобслуживании, может использоваться резервная станция SMA, а неисправные линии сигнализации могут автоматически реконфигурироваться.
Подсистема коммутации имеет следующие основные характеристики :
t Полностью дублированная однозвенная коммутационная матрица с временной коммутацией (две ветви, СХа и СХb).
t Модульное расширение без каких-либо нарушений непрерывности
t 16-битовая коммутация с временным разделением.
Помимо восьми прозрачно коммутируемых битов временного канального интервала, для выполнения проверок соединения используются три из восьми дополнительных битов. Остальные пять дополнительных битов в настоящее время не используются.
Центральная коммутационная матрица (МСХ) устанавливает двунаправленные соединения с блоками доступа (CSN, SMT и SMA) по каналам с временным разделением. Линии связи между этими блоками доступа и МСХ называются LR-линиями связи.
По LR-линиям связи осуществляется синхронная передача сигналов 32 16-битовых канальных интервалах (линии связи 4 Мбит/с). Они состоят из входящей линии (LRE) и исходящей линии (LRS).
4.3.5.1 ОПИСАНИЕ КОММУТАЦИОННОЙ МАТРИЦЫ
Коммутационная матрица имеет две идентичные ветви (CXa и CXb). Для каждого вызова соединения устанавливаются одновременно в обеих ветвях.
Каждая ветвь содержит следующие элементы :
t Квадратную матрицу с максимальной емкостью на 2048 ИКМ-систем.
t Интерфейс ILR для LRE и LRS.
Квадратная матрица
Центральная коммутационная матрица построена на модулях с временной коммутацией и коммутирует временные канальные интервалы с 64 LRE-линий на 64 LRS-линии.
Подсистема коммутации с максимальной емкостью 2048 LRE x 2048 LRS получается комбинацей n x n модулей временной коммутации (где n = 32) в квадратную матрицу.
Таким образом, подсистема коммутации может постепенно наращиваться без прерывания сервиса, путем простого добавления модулей временной коммутации .
Каждое соединение устанавливается на единственном коммутационном модуле, что означает, что данная матрица имеет единственную ступень временного искания.
Эта характеристика может быть использована для установления n x 64 кбит/с полупостоянных линий связи. Это означает также, что теоретическая средняя задержка МСХ составляет один кадр (125 мкс) для любого соединения.
Кроме того, подсистема коммутации является неблокируемой, а времена установки очень малы.
Квадратная коммутационная матрица строится путем композиции до восьми модулей коммутации (см. рис.16). Восемь модулей коммутации поддерживают 2048 ИКМ-систем. Управление каждым модулем коммутации осуществляет SMX-станция, которая реализует управление соединениями и обеспечивает интерфейс с другими МП-станциями и временной базой. Каждый модуль соединен с LRE-линиями и коммутирует любой временной канальный интервал входящего канала на любой временной канальный интервал исходящего канала по 256 LRS-линиям связи. Такая структура исключает необходимость поиска пути внутри матрицы.

Рис.16. Квадратная коммутационная матрица :
ILR-интерфейсы
LRE-линии подсоединяются к ILR-интерфейсам, которые передают закодированные выборки на квадратную матрицу и принимают выборки с этой матрицы для передачи по LRS-линиям.
ILR также использует три контрольных бита и биты активации тестов и распределяет сигналы хронирования.
МСХ-управление
Функции управления подсистемы коммутации выполняются программной машиной СОМ, поддерживаемой МП-станциями коммутации (SMX).
Каждый модуль коммутации (2048 LRE x 256 LRS) требует выделения SMX-станции, что дает в результате максимум восемь SMX-станций для каждой ветви.
SMX-станция выполняет функции управления соответствующим модулем коммутации и обеспечивает интерфейс между этим модулем коммутации и МП-станцией управления (SMC).
Она принимает команды соединения и разъединения от этих SMC-станций и посылает ответы от подсистемы коммутации.
Кроме того, каждая станция принимает трижды дублированные сигналы хронирования (8 МГц и кадровая синхронизация), которые она выбирает по мажоритарному принципу и распределяет на центральную коммутационную матрицу, а также на SMT и CSN блоки доступа через ILR-интерфейсы.
4.3.5.2 ИНТЕРФЕЙСЫ ПОДСИСТЕМЫ КОММУТАЦИИ
Подсистема коммутации соединена с блоками доступа (CSN, SMT, SMA) по LR-линиям (LRE и LRS).
Эти линии осуществляют передачу информации с темпом 4 Мбит/с (16 бит на канал) и состоят из проводных пар для расстояний до 50 м.
В дальнейшем предполагается использование волоконно-оптических линий 34 Мбит/с ( мультиплексирующих восемь линий LRE или LRS ) при расстояниях до 300 м.
Этот способ организации, вместе с указанной организацией распределения сигнала хронирования, обеспечивает высокую гибкость в размещении устройств доступа вокруг центральной коммутационной матрицы в машинном зале АТС.
4.3.5.3 БЕЗОПАСНОСТЬ ФУНКЦИИ КОММУТАЦИИ
Центральная коммутационная матрица имеет две идентичных ветви, каждая из которых управляется группой SMX-станций.
Поскольку каждое соединение устанавливается одновременно в обеих ветвях (СХа и СХb), для каждого вызова должно быть выбрано активное соединение. Эта задача решается функцией выбора ветви и усиления (SAB), которая является частью устройства доступа (SMT, SMA или CSN), подключенного к центральной коммутационной матрице.
t Функции передачи SAB :
pпреобразование из 8 в 16 бит,
pвставка трех контрольных бит,
pсопряжение с LRE-линиями связи.
t Функции приема SAB :
pсопряжение с LRS-линиями связи,
pвыбор активной ветви (СХа или СХb) для каждого вызова путем обработки контрольных бит и, в частности, путем использования бита четности и сравнения отдельных битов по исходящим каналам этих двух ветвей коммутационной матрицы,
pпреобразование из 16 в 8 бит.
Три контрольных бита используются для активации дополнительных проверочных процедур передачи и соединения.
4.3.6 СТАНЦИЯ СИНХРОНИЗАЦИИ И ВРЕМЕНОЙ БАЗЫ (STS)
Эта станция выводит сигналы хронирования и синхронизации и содержит :
t Трижды дублированную базу времени (ВТТ).
t Один или два модуля тактирования интерфейса синхронизации (HIS).
Данная база времени имеет три режима работы :
t Синхронный:
dF/F < 10-11
t Независимый (хранимый) :
dF/F < 2 х 10-9 ожидание 72 ч.
t Без интерфейса синхронизации :
dF/F < 5 х 10-7 ожидание 72 ч.
В синхронном режиме база времени принимает внешние сигналы хронирования посредством таймера интерфейса синхронизации. Применяется режим синхронизации ведущий/ведомый.
Таймер интерфейса синхронизации принимает сигналы синхронизации от одной или нескольких SMT-станций на максимум четырех портах. Он выбирает готовую линию связи с наивысшим приоритетом. Один или несколько портов хронирования могут быть автоматически изъяты из эксплуатации или возвращены в нее (например, при обнаружении ИКМ-аварийных сигналов, передаваемых SMT-станцией). Интерфейсы синхронизации отфильтровывают все возмущения на линиях синхронизации.
Такая организация гарантирует точность и стабильность в соответствии с Рекомендацией G.811 ITU-Т, независимо от возмущений в линии синхронизации и ее состояний.
Станция синхронизации и временной базы также распределяет сигналы хронирования на другие станции в АТС. Она передает 8 МГц сигнал и 8 МГц сигнал синхронизации кадров на каждую ветвь центральной коммутационной матрицы.
Эти два сигнала утраиваются и принимаются коммутирующей МП-станцией, которая выбирает одну совокупность сигналов обработкой логики большинства и распределяет их на центральную коммутационную матрицу и ILR-интерфейсы.
Связи между МП-станцией ИКМ-окончания (SMT) и таймером интерфейса синхронизации ограничены расстоянием 50 м, а связи между временной базой и центральной коммутационной матрицей - расстоянием 25 м. Это допускает значительную гибкость в выборе мест расположения станций.
Локальная межпроцессорная сеть связи представляет собой сетевую структуру, содержащую межпроцессорную шину (MIS) для пересылки сообщений между SMC-станциями и SMM-станцией, а также шину станционного доступа (MAS) для пересылки сообщений между станциями SMA, SMT и SMX и станциями SMC.
Сообщения пересылаются в единой среде с использованием уникального протокола передачи данных.
Этой средой является кольцевая сеть с эстафетным доступом (token ring), работающая в соответствии со стандартом 802.5 ИИЭР (применимым к кольцевым топологиям, использующим метод эстафетного доступа).
Это означает, что к одному и тому же кольцу может быть подсоединено множество станций или процессоров, что обеспечивает следующие преимущества :
t Станция может быть легко добавлена или изъята из кольца без нарушения трафика от других процессоров.
t Связи между процессорами являются асинхронными.
t Сообщения могут распределяться одновременно на одну, несколько или все станции.
t Качество передачи сообщений - отличное.
t Функционирование кольца и процедуры защиты могут быть адаптированы, с тем чтобы они удовлетворяли новым требованиям.
Каждая шина состоит из двух кольцевых сетей с эстафетным доступом, работающих на основе разделения нагрузки, причем каждая из них может обрабатывать весь трафик на данной шине. С целью обеспечения надежности передачи сообщений кольцо дублируется.
Шины в общем случае работают с темпом 4 Мбит/с по проводным парам.
Шина используется для :
t обменов сообщениями между управляющей МП-станцией (SMC) и МП-станцией техобслуживания (SMM).
Используемая шина является межстанционной шиной (MIS).
t обменов сообщениями между SMC-станциями и другими станциями (SMA, SMT и SMX).
Используемая шина является шиной станционного доступа (MAS).
4.4 ОПИСАНИЕ ПРОГРАММНОГО ОБЕСПЕЧЕНИЯ
С тех пор как система была введена в эксплуатацию, был разработан значительный объем ПО (например, объем прикладных программ сейчас достигает 5 миллионов строк кода). Это ПО сейчас работает в системах Alcatel 1000 E 10 во многих странах мира и в различных условиях эксплуатации.
Alcatel CIT сумел воспользоваться приобретенным в результате этого опытом для того, чтобы :
t Разработать и отладить широкий спектр программ, усиливающих функциональный потенциал системы. Могут использоваться все стандартные телефонные функции и, кроме того, сигнализация №7 ITU-Т и ISDN функции.
t Создать высококачественное ПО. В результате значительного опыта работы на объектах заказчиков большая часть программных ошибок была устранена, что гарантирует отличное качество обслуживания.
Быстрый прогресс в технологии компонентов привел к значительному развитию аппаратных средств. Однако программы остаются стабильной частью данной системы.
Все ПО, разработанное и улучшенное как с качественной, так и с количественной точек зрения в течение срока эксплуатации данной системы, легко переносится на последующие поколения аппаратных блоков.
Прикладные программы составляют более 90% всего ПО. Alcatel CIT разработал такие ресурсы и инструменты, как компиляторы и трансляторы, которые позволяют использовать одно и то же ПО безотносительно технологии аппаратных средств. Это гарантирует полную независимость ПО от аппаратных средств.
Эта независимость с самого начала являлась основной целью. В последующем, в процессе проектирования, обозначились и другие цели:
t Гарантия непрерывной и надежной эксплуатации в течение всего срока службы АТС, что охватывает все вопросы, связанные с функционированием.
t Простота генерации и инсталляции ПО, потребность в средствах управления, позволяющих хранить различные версии ПО, инсталлированные на различных объектах.
t Простота расширения и модификации : должна иметься возможность наращивать емкость АТС и вводить новые функции, не ухудшая качества обслуживания АТС.
t Структурная четкость : при обучении персонала каждый модуль может изучаться независимо от других. Программы являются достаточно короткими, а язык программирования - легкодоступным.
t Простота эксплуатации и техобслуживания : для отслеживания и корректировки ошибок, а также для предотвращения распространения ошибок предоставляются процедуры обеспечения безопасности.
ПО поставляется в виде конкретных версий, каждая из которых представляет собой некоторую совокупность совместимых объектных модулей (исполняемых двоичных), обеспечивающих функциональные возможности и характеристики данной системы.
Основными отличительными особенностями ПО системы Alcatel 1000 E10 являются :
t Количество :
Программные модули Alcatel с самого начала разрабатывались с целью формирования библиотеки, делающей систему Alcatel 1000 E10 одной из наиболее сложных цифровых систем с точки зрения реализуемых функций.
t Качество :
На всех фазах разработки и на многочисленных объектах выполняются обязательные тесты. "Остаточные" ошибки практически отсутствуют, что обеспечивает отличное качество функционирования.
t Модульность :
ПО Alcatel 1000 E10 и, в частности, коммутационное ПО состоит из независимых модулей.
Большинство разработанных модулей включает команды, относящиеся к отдельному функциональному режиму или функции.
Существуют два типа модулей :
pстандартные модули, выполняющие стандартные функции, или такие, которые могут быть адаптированы к реализации той или иной функции, требующейся заказчику,
pспециализированные модули, разработанные "под" требования конкретного заказчика.
Такой способ классификации модулей помогает определить и стандартизировать программные интерфейсы с целью строгого определения конкретных разработок и облегчения отладки.
t Адаптируемость к конкретным требованиям заказчика :
Система управления функциональной версией предназначена для обеспечения совместимости стандартных модулей. На основе требований, изложенных заказчиком, ПО строится из имеющихся стандартных модулей и специализированных модулей.
Заказчики, таким образом, могут быть совершенно уверены в том, что их требования будут удовлетворены во всех отношениях.
t Расширяемость :
Поскольку ПО является модульным и имеет стандартные программные интерфейсы и определенные структуры совместимости, новые функции могут легко вводиться в систему.
t Функциональная организация :
Для выполнения функций управления и OA&M комбинируются различные программные модули.
Группы модулей, предназначенных для выполнения конкретной функции (обработка вызовов, начисление оплаты и т.п.), объединяются, образуя "программную машину".
Система Alcatel 1000 E10 может содержать одну или несколько программных машин каждого типа в зависимости от конкретной функции.
4.4.2 ОРГАНИЗАЦИЯ ПРОГРАММЫХ МАШИН
Программные машины организованы по следующим правилам :
t для всех управляющих функций применяется защита n+1. Программная машина, таким образом, загружается в n+1 управляемых МП-станций.
При включении защиты система работает по принципу разделения нагрузки.
t Программная машина, поддерживаемая МП-станцией обработки ИКМ-окончаний (SMT), продублирована и с целью обеспечения высокой степени готовности работает в активном/резервном режиме.
t Программная машина, поддерживаемая МП-станцией техобслуживания (SMM), также продублирована и и с целью обеспечения высокой степени готовности работает в активном/резервном режиме.
С целью обеспечения повышенной избыточности для выполнения жизненно важных функций, таких как управление цепями сигнализации №7 ITU-T, Alcatel 1000 E10 может также включать в себя резервные программные машины, поддерживаемые резервными управляющими МП-станциями.
Программные машины взаимодействуют посредством локальной сети передачи данных. Эта связь является "прозрачной" для аппаратных станций, поддерживающих программную машину.
4.4.3 ЯЗЫК ПРОГРАММИРОВАНИЯ И ЗАГРУЗКА ПО
Язык программирования тесно связан с ограничениями реального времени, связанными с функциями, выполняемыми конкретным программным модулем.
Некоторые функции активируются часто и даже непрерывно. Времена реакции должны быть, таким образом, очень малыми (например, при сканировании состояний шлейфа абонентской линии). Эти функции требуют языка, подобного машинному языку. По тем же соображениям, программы ПЗУ (ПО, "зашитое" в платы) написаны на ассемблере.
Однако, программы, выполняющие диагностику и обеспечивающие связь человек-машина, а также большинство программ коммутации связаны с очень сложными процедурами. Из-за потребности в многочисленных мерах предосторожности, а также средствах тестирования и вывода, эти программы являются очень сложными. В этом случае большое значение приобретает функциональная и эксплуатационная гибкость. Кроме того, ограничения реального времени не являются столь жесткими. Этот тип ПО написан на языке высокого уровня CHILL, рекомендуемом ITU-Т.
4.4.3.2 ЗАГРУЗКА ПРОГРАММНОГО ОБЕСПЕЧЕНИЯ
По мере развития технологии появилась возможность загружать ПО с внешних устройств памяти аппаратных станций, которые выполняют функции коммутации и управления.
4.4.4 ОБЩЕЕ ОПИСАНИЕ ПРОГРАММНОГО ОБЕСПЕЧЕНИЯ МП-СТАНЦИИ
Во все МП-станции загружается следующее ПО :
t Операционная система (гипервизор), обеспечивающая доступ к аппаратным средствам, выделяющая программные ресурсы и обеспечивающая межстанционную связь.
t Ряд программных машин различных типов, которые выполняют :
pвсе функции, требующиеся для работы станции, включая связь, загрузку, инициализацию и защиту. Эти функции выполняются МП-программными машинами,
pотдельную системную функцию, такую как трансляция или начисление оплаты. Каждая функция реализуется отдельной функциональной программной машиной.
Гипервизор и МП-программная машина образуют системное ПО конкретной станции и устанавливаются во всех станциях (см. рис.17).

Рис.17. Архитектура ПО МП-станции.
4.4.4.1 ГИПЕРВИЗОР
Гипервизор представляет собой операционную систему, выполняющую следующие основные функции :
t обслуживание каждой программной машины, независимо от ее физического местоположения,
t обеспечение "сосуществования" различных функциональных программных машин в нескольких процессорах одной и той же станции или аппаратного процессора.
Стандартный гипервизор установлен во всех активных агентах МП-станций. Активным агентом является процессор с доступом к станционной шине (PUP, PUS, линейный драйвер).
Гипервизор выполняет следующие функции :
t Временное управление : различным программным машинам, установленным в процессоре, выделяется время центрального процессора на основании параметров конфигурационного файла.
t Полностью прозрачная связь для прикладных программ : связь является внутренней для программных машин, установленных в конкретной станции. Для связи между программными машинами в различных станциях используются мультиплексные линейные драйверы и конкретный протокол.
t Хронирование : таймеры запускаются, останавливаются и перезапускаются по запросу программной машины; сообщается также о тайм-аутах.
t Доступ к файлам по запросу программной машины.
t Управление прерываниями по запросу программной машины.
t Наблюдение : фиксируется время центрального процессора для программной машины и контролируются очереди.
t Помощь в отладке.
4.4.4.2 ПРОГАММНАЯ МАШИНА (ML)
Программная машина полностью устанавливается в одной МП-станции.
Она может состоять из одного или нескольких "исполняемых блоков", установленных в различных активных агентах данной станции. Каждый исполняемый блок является компонентом. Компонент представляет собой, таким образом, некоторое подмножество программной машины, выполняемое в отдельном процессоре.
Программная машина знает структуру своих собственных компонентов, но она не известна другим программным машинам. Поэтому ПЕРВИЧНЫЙ КОМПОНЕНТ представляет программную машину в целом во внешнем диалоге. Другие компоненты называются ВТОРИЧНЫМИ КОМПОНЕНТАМИ.
Пример :
В программных машинах обработки вызовов и тарификации используются различные исполняемые блоки : первичный компонент (обменный блок) и до четырех вторичных компонентов (MACRO).
С функциональной точки зрения компонент выполняет некоторую совокупность базовых действий, причем каждое из них активирует ту или иную УСЛУГУ (SERVICE). Последовательность услуг задается СУПЕРВИЗОРОМ (SUPERVISOR, SUP), который действует как операционная система компонента.
К основным функциям супервизора относятся :
t Активация / деактивация услуг в различных режимах : рекуррентный, по запросу от другой услуги, срочный,
t Предоставление стандартных услуг прикладным программам: периодическое управление задачами,
t Управление режимом возврата гипервизора : без возврата, прогнозируемый возврат,
t Счет времени и событий для целей наблюдения за нагрузкой.
Компонент состоит из супервизора и, в некоторых случаях, специализированных услуг. Он также содержит все прикладные программы программной машины.
4.4.4.3 МП-ПРОГРАММНАЯ МАШИНА (ML SM)
МП-программная машина "скопирована" во всех активных агентах (PUP, PUS) в МП-станции.
Она использует один компонент для каждого агента :
t первичный компонент установлен в драйвере первичной шины станции,
t вторичные компоненты установлены во всех других активных агентах станции.
Роль каждого компонента зависит от типа агента.
Например :
t В драйверах первичной или вторичной шины компонент выполняет загрузку и инициализацию агента, защиту, наблюдение и обеспечивает помощь в отладке.
t В драйвере первичной шины компонент также загружает и инициализирует SM-программы и функциональные программные машины, устанавливает состояние станции, обновляет файлы состояний, выполняет локальную защиту, управляет наблюдениями и обеспечивает помощь в отладке.
Подводя итог, можно сказать, что операционная система станции организована по двухуровневому принципу :
t гипервизор, связанный с данной станцией,
t супервизор, связанный с компонентом программной машины.
Взаимодействие программных машин основано на следующих принципах :
t передача: По запросу программной машины гипервизор в агенте, поддерживающем эту машину, определяет:
pМП-станцию, поддерживающую программную машину-получателя, путем обращения к файлам маршрутизации между программными машинами.
pдрайвер линии передачи (если программная машина-получатель не находится в той же МП-станции),
pочередь связи для пересылки сообщения.
t прием : Гипервизор данного драйвера шины определяет программную машину-получателя на основе системного адреса в сообщении. В соответствии с критериями управления потоком и приоритета, гипервизор выбирает очередь приема данной программной машины и пересылает сообщение.
Программные машины являются загружаемыми и инсталлируются на следующих станциях :
t управляющие программные машины - в SMC-станциях,
t программные машины подключения ИКМ-трактов - в SMT-станциях,
t программные машины обработки сигнализации N7 ITU-T (уровни 1, 2 и 3) и сервисного блока - в SMA-станциях.
t программные машины управления коммутацией - в SMX-станции.
4.4.5 ПРОГРАММНЫЕ МАШИНЫ ОБРАБОТКИ ВЫЗОВОВ
Программная машина обработки вызовов включает компонент блока обмена, который, в частности, реализует связь с другими программными машинами и подсистемой обработки вызовов.
Обработка вызовов связана с выделением областей памяти (или контекстов вызова), которые используются для установления и отбоя вызовов. Это включает:
t Распознавание состояний "трубка снята" и "трубка положена", а также состояний занятия/освобождения канала, обнаруживаемых устройствами доступа.
t Запоминание и анализ цифр адреса, принятых по линии или каналу.
t Ретрансляция цифр адреса по каналам (после модификации, где это требуется) с использованием процедур, специфичных для данного кода сигнализации.
t Выдачу команд на коммутационую матрицу на установление или прекращение соединений следующих типов : абонент-абонент, вызывающий абонент-частотный приемник, тональный генератор-абонент, абонент-конференц-канал, абонент-канал, канал-абонент и т.п.
t Выдачу команд на устройства доступа на выделение временных интервалов, контроль вызовов, отбой абонентских линий и каналов и т.п.
t Инициализацию передачи сигнализации и различных тонов.
t Взаимодействие с функцией трансляции с целью определения характеристик линии или канала, для того чтобы тем или иным способом модифицировать их (например, ввод сокращенного номера).
t Взаимодействие с функцией тарификации для предоставления той информации по оплате, которая должна быть сохранена.
Функция обработки вызовов может также осуществлять параллельную обработку : в этом режиме вместо выполнения отдельной программы выполняются две программы - одновременно и независимо.
При параллельной обработке процессы, выделяемые для каждой из программ, четко определены :
t Первая программа выполняет все функции управления вызовами, принимая решения, как только происходит каждое новое событие, и выполняя функции, относящиеся к вызывающей линии.
t Вторая программа выполняет функции, относящиеся к вызываемой линии.
Со структурной точки зрения, данное ПО обеспечивает легкую адаптируемость ко всем типам работы.
Функциональная организация
Программа имеет иерархическую структуру, в результате чего ее функциональная организация отражает различные фазы обработки, относящиеся к выполнению функций коммутации (см. рис.18) :
Уровень 1 : Общие функции, относящиеся к захвату контекста вызова. Этот уровень содержит модули уровня 2, выполняющие эти функции.
Уровень 2 : Модули, предназначенные для типа кода сигнализации, используемого на входящей линии.
Уровень 3 : Модуль инициализации режима параллельной обработки.
Уровень 4 : Функции коммутации: например, предварительный анализ и трансляция (программа 1), сигнализация, контроль вызываемого абонента (программа 2).
Совместно используемые части того или иного модуля соответствуют структурам вызовов и интерпретируются как подпрограммы с двенадцатью уровнями вызовов.
Программная машина обработки вызовов является (n+1)-избыточной и инсталлируется в SMC-станциях.

Рис.18. Организация ПО обработки вызовов.
4.4.6 ПРОГРАММНАЯ МАШИНА ТАРИФИКАЦИИ
Программная машина тарификации включает компонент "обменный блок" и подсистему тарификации ТАХ.
Функция тарификации включает :
t Поиск и выделение ресурсов для вызова в начале фазы разговора, и освобождение этих ресурсов в конце вызова (контекст оплаты).
t Обработку сигналов (счетных импульсов), принимаемых по каналам, и, если требуется, инициализацию обратной передачи принятых или вычисленных счетных импульсов.
t Инициализацию передачи предупреждающих тонов таксофона и счетных импульсов для CPE-счетчиков.
t Расчет оплаты за вызовы и генерацию подробных счетов оплаты и/или международной учетной информации, а также данных наблюдения за трафиком.
Отличительными чертами функции тарификации являются :
pподдержка двумя отдельными SMC-станциями, работающими в режиме разделения нагрузки,
pдублирование абонентских счетчиков оплаты (обновляются в обоих устройствах в конце вызова), а также защита данных в памяти корректирующим кодом,
pпериодическое считывание содержимого счетчика оплаты модулем OA&M на основе календарного файла или по запросу.
Как подсистема обработки вызовов (ТАР), так и подсистема тарификации (ТАХ) могут выполнять параллельную обработку.
Функция тарификации имеет три иерархических уровня : первый определяет задачу, которая должна быть выполнена, второй определяет режим тарификации и т.д. (см. рис.19).
Данная программа составлена из взаимозаменяемых модулей, выбираемых по критерию соответствия конкретному применению : тарификация с постоянным тарифом, периодическая тарификация, тарификация, основывающаяся на импульсах, принимаемых от удаленной АТС, и т.п.

Рис.19. Организация процесса начисления оплаты.
4.4.7 ПРОГРАММНАЯ МАШИНА ОБРАБОТККИ ИКМ-ТРАКТОВ
Эта программная машина выполняет :
t функции коммутации:
pИКМ-передача : генерация и передача кадров в коде HDB3 по исходящим каналам ИКМ-трактов.
pИКМ-прием : преобразование из HDB3 в двоичный, ресинхронизация на основе временной базы АТС и передача речевых выборок на центральную коммутационную матрицу.
pОбработка функций реального времени, связанных с сигнализацией по выделенному сигнальному каналу :
¨ обнаружение, подтверждение и упорядочение сигналов, принятых в TS16, и переход к функциям управления,
¨ генерация и передача сигналов в TS16, основываясь на командах, принятых от функций управления.
¨ Управление полупостоянными соединениями, в частности, линиями сигнализации №7 ITU-T.
t функции защиты и безопасности :
pинициализация переходов состояний, запрашиваемых функцией OA&M.
pпередача аварийной сигнализации ИКМ.
pсамотестирование для обнаружения внутренних неисправностей.
pобработка CRC4.
Любое оборудование, неисправность которого приводит к потере более одного ИКМ-тракта, дублировано.
В соответствии с выполняемыми функциями существуют два типа программ:
t Программы коммутации, которые обрабатывают все события, генерируемые телефонным оборудованием и другими системными блоками.
t Программы защиты, которые выполняются параллельно с обнаружением неисправностей, вызванных техническими и/или программными средствами.
Этими программами управляет некоторая функциональная программа, называемая планировщиком (см. рис.20).
Планировщик
Планировщик активизирует программы следующим образом :
t если сгенерировано прерывание, оно обрабатывается,
t если нет - активизирующие и исполняемые процессы выполняются по заранее определенному приоритетному принципу.
Обработчик прерываний
Прерываниями являются события, которые останавливают активный процесс. Они обслуживаются планировщиком в интервале между двумя задачами, которые могут относиться (либо могут не относиться) к одному и тому же процессу. К прерываниям приводят следующие типы событий: аппаратные сбои, тайм-ауты, запросы на пересылку сообщений. Требуемое действие выполняется программой обработки прерываний.

Рис. 20. Организация ПО ИКМ-трактов.
Процесс
Процессы могут активизироваться планировщиком и являются функционально специализированными. Процесс состоит из совокупности непрерываемых задач, каждая из которых относится к :
t событиям, обнаруживаемым процессом, и определяющим требуемое действие,
t подзадачам процесса, обеспечивающим состояния ожидания (например, для приема сообщения) и предназначенным для уменьшения времени обработки процесса.
Процесс является "активируемым", если от него требуется выполнить то или иное действие. Это действие может запрашиваться другим процессом, обработчиком прерываний, либо самим этим процессом. Процесс является "исполняемым", если он инициализируется и может выполняться другими процессами и утилитами, управляющими системой. В процессе исполнения процесс считается "активным".
Процессы взаимодействуют тремя способами :
t посредством простой реактивации без пересылки данных (команды вызова подпрограмм),
t через рабочие области данных, предназначенные для пересылок информации между двумя процессами,
t через области памяти, используемые для пересылки информации от нескольких процессов к единственному процессу-получателю (система "почтового ящика").
Сколь бы ни были надежными компоненты и сколь безошибочным ни было бы ПО, всегда существует риск сбоя в процессе функционирования АТС.
Архитектура Alcatel 1000 E10 основана на избыточности технических и программных средств. Кроме того, все сбои обнаруживаются МП-станциями либо функцией центральной защиты (SMM-станцией). В случае серьезной неисправности, дефектный элемент выводится из эксплуатации.
Инициируются процедуры коррективного техобслуживания (отслеживание неисправностей и генерация аварийной сигнализации) и система реконфигурируется.
На основе стандартного подхода, процедуры профилактического техобслуживания предоставляют целый спектр эффективных ресурсов для тестирования линий и каналов.
Система обработки аварийной сигнализации принимает и анализирует индикации неисправностей и обеспечивает всю информацию, требующуюся для точного отслеживания источника неисправности. Кроме того, аварийные сигналы и индикации могут направляться на "дружественную пользователю" панель общего контроля (PGS).
Функция защиты системы Alcatel 1000 E10 спроектирована таким образом, что она реагирует на неисправности быстрее чем оператор.
Защита Alcatel 1000 E10 основывается на:
t Обнаружении и анализе неисправностей.
t Идентификации и изоляции дефектных элементов.
t Инициализации процедур реконфигурации и техобслуживания:
pперераспределение задач, выполняемых дефектным элементом (там, где это возможно) на резервный элемент и перезапуск этих задач,
pгенерация аварийных сигналов,
pотслеживание неисправностей (программа LOCAVAR) : дефектный элемент снимается с эксплуатации с тем, чтобы можно было протестировать аппаратуру и инициировать ремонтные работы.
5.1.1. ОРГАНИЗАЦИЯ ФУНКЦИИ ЗАЩИТЫ
В системе Alcatel 1000 E10 имеется два типа физических объектов, требующих защиты: МП-станции и кольцевые сети с эстафетным доступом. Насколько это возможно, функции защиты для этих двух объектов реализованы отдельно.
Защита МП-станции
МП-станция обнаруживает свои собственные неисправности и индицирует серъезные нарушения в своей среде. Функция защиты состоит из совокупности иерархически структурированных процессоров, совместно обнаруживающих неисправности.
Каждая станция контролируется "снаружи" своей средой (другими станциями). Это обеспечивает определенное резервирование в случае, если собственные средства внутреннего обнаружения неисправностей на данной станции оказываются неэффективными. Индикация неисправностей должна быть централизованной, с тем чтобы результаты могли быть скоррелированы.
Каждая станция характеризуется некоторым "состоянием", указывающим ее возможности в части обработки трафика к другим станциям. Каждая станция знает также состояния других станций, что позволяет ей перенаправлять трафик в случае изменения конфигурации данной станции.
Станция представляет собой некоторый реконфигурируемый блок; это означает, что если на ней будет обнаружена неисправность, все ее задачи могут быть перераспределены на резервную станцию.
Защита кольцевых сетей с эстафетным доступом
Каждый ресурс связи (межстанционной шины MIS и шины станционного доступа MAS) состоит из двух кольцевых сетей с эстафетным доступом, обладающих средствами защиты от неисправностей.
Станция осуществляет доступ к каждому кольцу посредством адаптера (или кольцевого монитора), который является устройством, ограничивающим данное кольцо.
Адаптеры каждого кольца включают независимые защитные структуры, не требующие каких-либо действий со стороны более высокого иерархического уровня.
Протокол доступа к кольцевой сети с эстафетным доступом позволяет каждой станции обрабатывать трафик даже в случае появления каких-либо нарушений в кольце.
Эти структуры дополняются уровнем общего управления в соответствии со стандартом 802.5. Этот уровень состоит из иерархически структурированных логических объектов, роль которых сводится к контролю кольца, основывающемуся на информации, поставляемой адаптерами.
Системная защита
Системная защита основывается на распределении большинства функций обнаружения по станциям системы и централизации функций, требующих некоторого "общего взгляда" на систему.
Централизованные функции защиты могут быть разбиты на отдельные управляющие функции:
t Управление МП-станцией:
pконтроль станции,
pпозиционирование станции (изменение ее состояния),
pуправление реконфигурацией,
pтехобслуживание (программаы LOCAVAR, аварийная сигнализация).
t Управление сетью сигнализации N°7.
t Управление кольцевой сетью с эстафетным доступом.
t Управление коммутацией.
Функции управления станциями и кольцом комбинируются и выполняются функцией "центральной защиты" в МП-станции техобслуживания (SMM).
5.1.2 ЦЕНТРАЛЬНАЯ И МЕСТНАЯ ЗАЩИТА
Функции защиты Alcatel 1000 E10 могут быть двух типов: функции центральной защиты и функции местной защиты МП-станции.
5.1.2.1 ЦЕНТРАЛЬНАЯ ЗАЩИТА
Функция центральной защиты реализована в SMM-станции и выполняет:
t управление МП-станцией,
t управление кольцевой сетью с эстафетным доступом (MIS и MAS).
Функция центральной защиты состоит из функциональных модулей двух иерархических уровней:
t На высшем уровне системной защиты находится менеджер станции, который инициирует и координирует защитные действия на станционном уровне.
t Этот уровень состоит из совокупности функциональных модулей, которые станционный менеджер использует для выполнения задач защиты:
pмодуль контроля,
pмодуль позиционирования,
pмодуль LOCAVAR,
pмодуль реконфигурации,
pмодуль управления кольцом.
Функции управления кольцом и управления станцией имеют подобную внутреннюю структуру: менеджер и функциональные модули, называемые "серверами". Управление кольцами осуществляется станционным менеджером, поскольку любой сбой адаптера приводит к реконфигурации на станционном уровне (адаптер является частью блока реконфигурации МП-станции).
Менеджер МП-станции
Основными функциями станционного менеджера являются:
t Задачи инициализации и планирования защиты.
t Управление таблицами данных.
t Подтверждение команд позиционирования.
t Интерфейс с менеджером кольца.
t Интерфейс с оператором.
t Мониторинг надежности.
Модуль контроля МП-станции
Этот модуль гарантирует надлежащую работу МП-станций и обнаружение любых неисправностей, о которых становится известно станционному менеджеру, в результате чего могут быть инициированы операции защиты.
Модуль позиционирования МП-станции
Под управлением станционного менеджера этот модуль выполняет:
t позиционирование станции, если модуль контроля обнаруживает ту или иную неисправность, либо если принимается команда позиционирования,
t индикации переходов состояний распределительной станции, если состояние станции изменяется функцией центральной защиты,
t индикации переходов состояний распределительной станции и программной машины (ML) после перехода, инициированного самой станцией,
t проверка таблиц данных о состояниях.
Модуль реконфигурации МП-станции
Программные машины, поддерживаемые МП-станцией, реконфигурируются в случае одного из следующих событий :
t Неисправность.
t Переключение, инициированное оператором.
t Возврат отремонтированной станции в эксплуатацию.
Модуль LOCAVAR МП-станции
Этот модуль:
t инициирует неисправности, отслеживаемые LOCAVAR по запросу функции защиты или оператора,
t контролирует тестирование станции посредством LOCAVAR,
t выдает результаты на интерфейс оператора.
Управление кольцом
На среднем уровне управления доступом (MAC) имеется единственный менеджер кольца для всех колец, а каждое кольцо имеет два сервера.
Кольцевой менеджер работает с информацией, поставляемой адаптерами и восстанавливаемой серверами с целью обнаружения любых неисправностей. Он использует серверы для выполнения процедур техобслуживания.
Программная машина управления сигнализацией №7
Эта машина контролирует все функции, относящиеся к обработке сигнализации №7 ITU-T в системе:
t управление телефонными каналами, обслуживаемыми SS7
Если в SMA-станции проявляется какая-либо неисправность, эта программная машина реконфигурируется путем активации резервной программной машины.
t управление подсистемой передачи сообщений (MTP)
Реконфигурация MTP инициируется, если в звене сигнализации проявляется та или иная неисправность (процедура переключения) либо неисправность индицируется функцией управления линией сигнализации.
Программная машина защиты коммутации
Эта машина выполняет управление центральной коммутационной матрицей в целом: контроль, реконфигурирование дефектных элементов в коммутируемом маршруте и генерация диагностики для оператора.
5.1.2.2 МЕСТНАЯ ЗАЩИТА СТАНЦИИ
Функция местной защиты станции попросту контролирует внутренние функции станции и сообщает на функцию центральной защиты о следующих неисправностях:
t серьезная неисправность, требующая перехода в другое состояние,
t незначительная неисправность - для корреляции и/или вывода сообщения.
Станционные объекты имеют свои собственные ресурсы обнаружения неисправностей и организованы в иерархическую структуру.
Защита передачи сообщений является независимой и использует функцию местной защиты только для выдачи на функцию центральной защиты информации о значительных событиях.
Защитные роли объектов МП-станции указаны ниже:
t Функциональные программные машины:
ПО содержит контрольные точки, позволяющие удостовериться в надлежащей его работе путем обнаружения неожиданных событий. Для каждой программной машины серьезность каждого сбоя анализируется на основе вырабатываемых исключений.
t Драйвер линий сигнализации №7 ITU-T :
Неисправности звена сигнализации обнаруживаются с использованием протокола №7 и программного контроля.
t Драйвер кольца :
В случае, если какие-либо проблемы обнаруживаются данным протоколом и адаптером, защита драйвера кольца связана с защитой доступа к кольцу, а также с контролем технических и программных средств кольца.
t Программная машина опорной МП-станции (местная защита)
Эта машина восстанавливает аварийные индикации, относящиеся к объектам станции и посылаемые техническими средствами, программными средствами и функциями контроля передачи сообщений. Функция местной защиты отвечает на аварийную индикацию в соответствии с серьезностью конкретной неисправности. Она может изолировать станцию, запросить постепенное свертывание работы станции или просто послать аварийное сообщение для анализа.
Схемы обнаружения неисправностей в МП-станции
Сущеествуют три типа внутренних средств для обнаружения неисправностей:
pАппаратный контроль : мониторинг аппаратными детекторами.
pПрограммный контроль : мониторинг ресурсов связи, базирующийся на протоколе.
pКонтроль передачи сообщений : мониторинг ресурсов связи, базирующийся на протоколе.
Каждый из этих способов является максимально независимым. Однако программные схемы обнаружения неисправностей могут задействовать аппаратные ресурсы для указания неисправности.
Все эти схемы являются стандартными для всех станций.
5.1.3 ПОЗИЦИОНИРОВАНИЕ СТАНЦИИ
Неисправности обнаруживаются самой станцией или функцией центральной защиты.
Если в станции обнаруживается серьезная неисправность, эта станция изолируется (состояние BLOS) или позиционируется как "неготовая" (состояние IND).
Процедуры позиционирования различаются в зависимости от того, инициируется ли переход состояния станции центральной защитой или он просто индицируется самой станцией, а также в зависимости от состояния станции (BLOS или IND) (постепенное позиционирование).
Когда МП-станция переходит в состояние BLOS, функция защиты активизирует процедуры, анализирующие возможные причины возникшей неисправности и повторно восстанавливающие конфигурацию станции и программной машины.
Эти процедуры включают :
t Наблюдение за возникшей проблемой по запросу оператора
pВосстановление информации посредством дампа памяти.
pБлокирование действий центральной защиты, с тем, чтобы оператор мог исследовать дефектную станцию с использованием тестовых ресурсов.
t Реконфигурация: реактивация одной или нескольких программных машин
pПутем немедленного отключения дефектной станции.
pПутем активации одной или нескольких программных машин резервной станции или резервной программной машины.
t Техобслуживание: тестирование аппаратуры и устранение неисправности
pВыполнение программы отслеживания неисправностей LOCAVAR.
pГенерация диагностики и аварийной сигнализации.
pУстранение неисправности.
t Восстановление отремонтированной станции
При переходе станции в состояние IND (неготова), она устанавливается в состояние BLOS функцией центральной защиты, с тем, чтобы могла быть выполнена программа отслеживания неисправностей LOCAVAR.
5.1.4 ОТСЛЕЖИВАНИЕ НЕИСПРАВНОСТЕЙ ПОСРЕДСТВОМ LOCAVAR
Функции LOCAVAR могут быть инициированы оператором с целью отслеживания неисправности, либо функцией центральной защиты - как часть процесса обработки неисправности.
Эта процедура является одинаковой для всех классов реконфигурации и включает следующие этапы :
t Программа LOCAVAR МП-станции активизируется функцией центральной защиты после перевода станции в состояние BLOS.
t Станционная программа LOCAVAR активизируется некоторым сообщением и выполняется под управлением первичного драйвера линий в тестируемой станции. В течение этой фазы функция центральной защиты ожидает поступления диагностического сообщения.
После того, как сообщение будет принято, возникают две возможности:
pЕсли обнаружена неисправность:
Центральная защита генерирует диагностические сообщения для оператора, информирование которого осуществляется посредством аварийной сигнализации.
pЕсли аппаратура работает нормально:
Центральная защита возвращает станцию в состояние BLOS и запрашивает ее возврат в эксплуатацию.
t Центральная защита контролирует количество выполнений программы LOCAVAR на некоторой станции за данный период времени, и в случае необходимости выдает оператору соответствующую информацию, для того чтобы можно было проанализировать конкретную ситуацию.
5.1.5 РЕКОНФИГУРАЦИЯ ПРОГРАММНЫХ МАШИН
Если станция физически прекратила работу, для ее реконфигурации требуется совокупность процедур, обеспечивающих реактивацию одной или нескольких программных машин. Эти процедуры работают в предположении, что в системе существует по крайней мере одна работоспособная программная машина. В противном случае система требует полного сброса.
Реконфигурация является реакцией на три типа событий:
t неисправности :
После позиционирования дефектной станции, программная машина или машины этой станции активируются в резервной станции (при ее наличии).
t восстановление отремонтированной станции :
Резервная станцию отключается, если это нестандартная резервная станция, либо попросту возвращается в состояние резерва.
t команды :
Если станция выводится из эксплуатации командой оператора, опасность потери трафика отсутствует, а программные машины в резервной станции активизируются автоматически.
Процедура реконфигурации зависит от режимов резервирования, принятых для различных типов программных машин.
Alcatel 1000 E10 предлагает широкий спектр тестов для линий и каналов.
Тесты инициируются командами, вводимыми с телетайпа, консоли опреатора или интеллектуального терминала.
Существуют два типа тестов:
t Стандартные тесты, активизируемые АТС автоматически (как правило, в часы непиковой нагрузки) на основе команд в календарном файле.
t Запрашиваемые тесты, активизируемые путем ввода команд и имеющие более высокий приоритет чем стандартные тесты.
Эти тесты выполняются на :
t Аналоговых и ISDN цифровых линиях (с базовым доступом или с первичным доступом).
t Каналах, обслуживаемых сигнализацией по выделенному сигнальному каналу и сигнализацией №7 ITU-T.
5.2.1 ТЕСТЫ АНАЛОГОВЫХ ЛИНИЙ
Тесты аналоговых линий и телефонных аппаратов выполняются с использованием дистанционно управляемого тестера, подключаемого к а- и b-проводам линии.
Тестовые функции разделяются:
t подсистемой абонентского доступа, в состав которой входит тестер и шина передачи тестов,
t подсистемой QA&M, которая интерпретирует команды оператора, посылает команды тестирования и принимает результаты.
CSN включает тестер для местных цифровых концентраторов (CNL) и тестер для каждого выносного линейного концентратора (CNE).
Тестер выполняет следующие тесты:
t измерения характеристик линии (трубка положена),
t измерения характеристик телефонного аппарата (трубка снята).
Результаты тестов сравниваются с эталонными масками (результаты OK и NOK), которые могут быть модифицированы командой оператора.
Тесты линейных устройств
Линейные устройства, очевидно являются частью коммутационной системы. Тестами линейных устройств управляют объединенные программы обнаружения неисправностей, часть функции общего контроля АТС.
Основной целью тестирования является проверка того, имеют ли все абоненты постоянный доступ к телефонным услугам. Вот почему тестирование не ограничивается лишь абонентской линией, но выполняется также и по отношению к линейному устройству в местном или выносном цифровом концентраторе.
Периодически выполняется тест абонентского комплекта (REJA). Обычной периодичностью является запуск теста через каждые 18 часов для каждого абонента. Поскольку линия во время тестирования является недоступной, время тестирования минимизируется (менее трех секунд). REJA-тесты могут также выполняться по запросу на основе команды оператора.
Если результаты теста абонентского комплекта не укладываются в эталонную маску, соответствующий абонентский комплект автоматически заменяется на резервный. Резервный абонентский комплект присутствует в каждом цифровом концентраторе (16 плат абонентских линий).
Кроме того, АТС периодически выполняет проверку самого тестера.
Стандартные тесты абонентских линий
Возможен ввод команды инициализации тестовой программы, выполняемой в заданный момент времени, для:
t всех линий,
t групп линий,
t конкретной отдельной линии.
Тесты абонентских линий по запросу
Возможен ввод команды инициализации немедленного тестирования, охватывающего:
t одну или несколько линий,
t одно, некоторые или все измерения.
Та или иная конкретная фаза теста может повторяться до двадцати раз по запросу оператора.
Другие возможности
Оператор может также:
t Вызывать абонентов с целью тестирования их телефонных аппаратов (тест набора дисковым номеронабирателем и тастатурного набора),
t Контролировать вызов с целью контроля качества обслуживания. Для каждого вызова система распознает:
pабонентские номера вызывающего и вызываемого абонентов (если код сигнализации обеспечивает эту возможность),
pпродолжительность фаз вызова,
pмомент завершения вызова,
pпричины незавершенных вызовов,
pколичество базовых измеряемых единиц, подлежащих оплате.
t Выполнять дистанционные измерения,
t Проверять подачу вызывного тока,
t Тестировать функцию реверса батареи,
t Модифицировать пороги тестов,
t Настраивать или инициализировать тестер,
t Тестировать функцию передачи счетных импульсов (количество счетных импульсов),
t Тестировать таксофоны общего пользования (измерения времени и проверка импульсов).
Тесты линии в помещении абонента
Специалисты (техники) по монтажу и техобслуживанию могут использовать тестер DERAL для тестирования соответствующей линии и аппарата в помещении абонента. Тестовая последовательность DERAL может быть адаптирована к любым специальным требованиям.
Техник набирает специальный номер и определенная тестовая последовательность выполняется АТС в то время, когда техник прослушивает линию.
Результаты индицируются модулированным тоном:
pмедленно-прерывистый тон : значение слишком низкое,
pнепрерывный тон : правильное значение,
pбыстро-прерывистый тон : значение слишком высокое.
Сигналы телефоного аппарата нельзя проверить с помощью тестера DERAL. Это можно сделать путем вызова оператора центра эксплуатации и техобслуживания.
Тестер DERAL не выводит никаких результатов.
5.2.2 ТЕСТЫ ЦИФРОВЫХ ЛИНИЙ С БАЗОВЫМ ДОСТУПОМ
Техобслуживание линий с базовым доступом соответствует Рекомендации I.603 ITU-T (Синяя Книга). Оно включает следующие операции:
t обнаружение неисправности в пункте базового доступа (сбой активации, сбой передачи, неисправность подачи питания),
t идентификация дефектного объекта (плата абонентского комплекта, линия+NT1, NT1 или оборудование в помещении пользователя),
t индикация неисправности посредством некоторой периодической задачи, генерации аварийного сигнала или по запросу,
t если неисправность влияет на абонентский комплект, линия может быть переключена на резервный комплект,
t если неисправность влияет на саму линию, то для идентификации неисправности могут быть использованы линейные измерения, выполняемые по требованию.
Индикации неисправностей, выдаваемые оператору
АТС постоянно запоминает любую информацию, относящуюся к дефектным цифровым линиям.
Оператор информируется о сбоях в пунктах базового доступа посредством различных ресурсов:
t перечня неисправных пунктов базового доступа, указывающего причины этих неисправностей, который выводится для каждой АТС и для каждого CSN каждые 15 минут,
t генерации аварийных сигналов:
АТС генерирует аварийный сигнал каждый раз, когда количество неисправных пунктов базового доступа по отдельному CSN превышает определенный предел, а также каждый раз, когда обнаруживается дефект в цифровом абонентском комплекте (в этом случае будет указано, используется ли уже резервный комплект).
Кроме того, может быть введена команда на вывод на печать всех неисправных пунктов базового доступа (для каждого CSN, для каждого типа неисправности и т.д.).
Резервирование
Если в цифровом линейном устройстве будет обнаружена неисправность, соответствующая линия может быть переключена на резервный комплект в том же цифровом концентраторе.
Идентификация неисправностей в линии
Если какой-либо пункт базового доступа объявлен как неисправный, а линия является дефектной, может быть выведена информация о природе данной неисправности. Одна и та же команда используется для тестирования как аналоговых, так и цифровых линий.
5.2.3 ТЕСТЫ ЦИФРОВЫХ ЛИНИЙ С ПЕРВИЧНЫМ ДОСТУПОМ
Техобслуживание линий с первичным доступом соответствует Рекомендации I.604 ITU-T (Синяя Книга).
Оно включает следующие операции :
t обнаружение неисправностей в пункте доступа с первичной скоростью,
t идентификация дефектного объекта,
t информирование оператора.
Информирование оператора
АТС постоянно запоминает всю информацию, относящуюся к дефектным цифровым линиям.
Оператор информируется о сбоях в пункте доступа с первичной скоростью посредством различных ресурсов :
t перечня пунктов доступа с первичной скоростью, оказавшихся дефектными, а также причины конкретной неисправности для каждого пункта доступа; вся эта информация выводится по каждой АТС и каждому CSN каждые 15 минут.
t Генерации аварийных сигналов
АТС генерирует тот или иной аварийный сигнал, как только количество неисправных пунктов доступа с первичной скоростью превысит определенный предел и как только будет обнаружен дефект в том или ином цифровом абонентском комплекте.
Кроме того, все неисправные пункты доступа с первичной скоростью могут быть выведены на печать командой оператора (по каждому CSN, для каждого типа неисправности и т.п.).
5.2.4 ТЕСТЫ КАНАЛОВ СИГНАЛИЗАЦИИ ПО ВЫДЕЛЕННОМУ СИГНАЛЬНОМУ КАНАЛУ
В АТС Alcatel 1000 E10 выполняется множество различных тестов.
В систему Alcatel 1000 E10 включена гипсометрическая функция тестирования схемы. Она посылает тестовый тон 800 Гц на удаленный ответчик и анализирует 800 Гц сигнал, принимаемый в ответ, с целью проверки нормальной работы и уровня передачи. Если данная АТС не является Alcatel 1000 E10, на АТС дальнего конца должен быть смонтирован и подсоединен к абонентскому комплекту ответчик (входящий гипсометр).
Однако, если на АТС дальнего конца отсутствует ответчик, быстрый тест может быть выполнен на исходящих каналах АТС Alcatel 1000 E10.
Для выполнения измерений на кроссе имеются средства ручного тестирования, связанные с передачей тестовых тонов, частот сигнализации или сигналов E&M.
Средство направленного вызова может быть использовано для маршрутизации всех вызовов, выполненных посредством конкретного абонентского комплекта, по определенному исходящему каналу.
Дополнительным (необязательным средством), используемым главным образом в аналоговой среде, является возможность псофометрического измерения шума в каналах.
Гипсометрическое тестирование схемы, быстрые тесты каналов, ручные тесты и псофометрические измерения шума выполняются оператором с терминала ввода/вывода.
Стандартные тесты
Может быть введена специальная команда для выполнения автоматических тестов по конкретным исходящим или двусторонним каналам в заранее определенный день и время.
Тесты и измерения выполняются путем последовательного подсоединения всех каналов в тестируемой группе к исходящему гипсометру. Соединение устанавливается между исходящим гипсометром и входящим гипсометром на АТС дальнего конца по тестируемому каналу.
После соединения выполняется тест передачи путем обмена тестовыми частотами в обоих направлениях и проверки потерь в линии.
Если какой-либо канал занят, тестовые попытки повторяются до тех пор, пока этот канал не освободится, если только оператор не введет команду прекращения тестирования.
Результаты тестирования выводятся в конце каждого теста или измерения и указывают:
t количество неисправностей для каждой группы каналов,
t результаты тестирования (OK или NOK) и индикации неисправностей по каждому каналу.
Стандартные тесты каналов могут быть прерваны немедленно или в заранее определенный день и время командой оператора.
Тесты, выполняемые по запросу
Один или несколько каналов в конкретной группе каналов могут быть протестированы по запросу. Соответствующая команда указывает группу каналов и канал. Один и тот же тест может быть выполнен до 20 раз. Тестовый тон может контролироваться путем направления его либо на линейный интерфейс, либо на специальный интерфейс для сервисных блоков.
После тестирования выводится отчет, в котором указываются протестированные каналы и результаты тестирования.
5.2.5 ТЕСТЫ КАНАЛА СИГНАЛИЗАЦИИ № 7 ITU-T
В Alcatel 1000 E10 каналы, обслуживаемые сигнализацией №7 ITU-T, тестируются путем проверки связности в соответствии с Рекомендацией Q.724 ITU-Т (Синяя Книга).
Проверка связности реализована тремя способами:
t проверка связности во время стандартных тестов каналов,
t проверка связности во время тестов каналов, выполняемых по запросу,
t проверка связности в момент устанавления каждого вызова. Эта проверка требуется по всем аналоговым каналам, не использующим пилотного контроля. Параметр группы каналов указывает, требуется ли проверка связности.
Проверка связности во время стандартного тестирования каналов и тестирования каналов по запросу включает передачу сигнала запроса проверки связности CCR(см. Рекомендацию Q.724 ITU-T, параграф 7.5).
Проверка связности для каждого установленного вызова выполняется на основе индикатора проверки связности в начальных сообщениях.
Двухпроводные линии
Проверка связности по двухпроводным линиям включает следующие шаги :
t управляющая АТС подключает приемопередатчик к тестируемой линии и посылает тональный сигнал частотой 2000 Гц в прямом направлении,
t АТС дальнего конца также подсоединяет приемопередатчик к данной линии,
t когда АТС дальнего конца обнаружит тональный сигнал частотой 2000 Гц, она пересылает по линии в обратном направлении тональный сигнал частотой 1780 Гц ,
t управляющая АТС обнаруживает тональный сигнал частотой 1780 Гц и принимает решение о том, успешно ли завершилась проверка связности.
Четырехпроводные линии
Управляющая и отвечающая АТС должны иметь возможность подсоединить соответствующую тестируемую линию к приемопередатчику и проверить шлейф на соответствие характеристикам, указанным в Рекомендации Q.724 ITU-T, параграф 7.2.
В этой рекомендации указаны приемлемые (7.2.3.а: работает) и неприемлемые (7.2.3.b: не работает) результаты тестирования. Результат тестирования является также NOK, если частота проверочного тона оказывается:
t неправильно принятой в течение двух секунд передачи по данной линии,
t ниже предела неработоспособности в течение одной секунды после снятия проверочного тона.
Приемник используется также для того, чтобы можно было удостовериться в снятии проверочного тона (см. Рекомендацию Q.724, параграф 7.2.3.с).
Автоматические тесты
Линии, обслуживаемые сигнализацией №7, тестируются автоматически путем выполнения тестового вызова с целью проверки связности исходящих и двусторонних каналов.
Существуют два типа тестов:
t Стандартные тесты
Эти тесты выполняются по всем исходящим и двусторонним каналам под управлением соответствующей АТС (для того чтобы их можно было протестировать, каналы должны быть свободными, изолированными или неисправными).
t Тесты, выполняемые по запросу
Эти тесты выполняются по любому исходящему или двустороннему каналу, находящемуся не в занятом или заблокированном состоянии.
Все неисправности обнаруживаются, классифицируются, запоминаются и распечатываются оператору.
Роль функции аварийной сигнализации сводится к индикации нарушений, влияющих на качество обслуживания.
Аварийные сообщения генерируются в случае серьезной неисправности того или иного компонента. Соответствующие сообщения собираются системой обработки аварийной сигнализации, которая принимает решение относительно требуемых действий, а также способа использования данной информации (вывод сообщений, запоминание, отображение на контрольной панели, аудио или визуальная аварийная сигнализация).
Каждый аварийный сигнал обладает некоторой совокупностью характеристик, основывающейся на :
t Информации в аварийном сообщении или запросе.
t Категории аварийного сигнала.
На основе информации в аварийном сообщении или запросе и после обращения к соответствующим файлам системных характеристик, система обработки аварийной сигнализации определяет категорию аварийного сигнала и генерирует диагностику для оператора.
Аварийное сообщение индицирует:
t Тип аварийного сигнала: коммутация, передача, первичное питание, прерывание телефонного разговора оператором, кондиционирование воздуха, отопительная установка, пожар и т.п.
t Местоположение.
t Причину.
5.3.1 КАТЕГОРИИ АВАРИЙНОЙ СИГНАЛИЗАЦИИ
Аварийные сигналы классифицируются в соответствии со срочностью действия, требующегося со стороны оператора.
Существуют три категории:
t Категория А : Неисправности, требующие немедленного вмешательства (пропадание питания, обнаружение пожара и т.п. Это - категория аварийного сигнала IM ("быстрое действие").
t Категория В: Неисправности, не требующие немедленного действия и не влияющие на работу системы (неисправность в избыточном оборудовании и т.п.). Это - категория аварийного сигнала ID ("отсроченное действие").
t Категория С: Неисправности, требующие анализа, но не связанные с какой- либо срочностью. Это - категория SI ("только информация").
Как правило, категория аварийного сигнала зависит только от серьезности неисправности. Однако при некоторых обстоятельствах категория аварийного сигнала может быть модифицирована системой обработки аварийной сигнализации с целью учета других параллельно присутствующих аварийных сигналов.
Время, предоставляемое для выполнения действия по каждой категории аварийного сигнала, указывается оператором. Категория любого аварийного сигнала может быть модифицирована командой оператора.
5.3.2 СБОР И ОБРАБОТКА АВАРИЙНОЙ СИГНАЛИЗАЦИИ
Модули обработки аварийных сигналов в блоках АТС обнаруживают сбои и неисправности в этих блоках и генерируют аварийные сообщения. Эти сообщения посылаются на систему обработки аварийной сигнализации станции SMM. Каждый модуль обработки аварийных сигналов может собирать внешние аварийные сигналы (индикации шлейфа) для передачи на систему обработки аварийной сигнализации. Очевидно, что модуль обработки аварийных сигналов работает независимо от блока, работу которого он контролирует.
Кроме того, некоторые программы посылают аварийные сообщения на систему обработки аварийной сигнализации. Например, ПО станций SMC и SMM может посылать аварийные сигналы, поскольку некоторые временные сбойные состояния, хотя и не приводят непременно к генерации аварийных сигналов, тем не менее подлежат статистической обработке посредством ПО станций SMC и SMM и аварийные сообщения могут быть впоследствии пересланы на систему обработки аварийной сигнализации.
Сбор аварийных сообщений и запросов
Функция обработки аварийной сигнализации включена в МП-станцию техобслуживания (SMM).
Сбор аварийных сообщений и запросов выполняется на основе функционального или географического источника конкретного аварийного сигнала.
Каждая MП-станция включает вторичные драйверы линий, которые сканируют аварийные шлейфы. Каждый драйвер линий подключен к шине аварийных сигналов (MAL). SMM-станция включает драйверы линий сбора аварийной сигнализации, также подключенные к MAL.
Драйверы линий сбора аварийной сигнализации опрашивают вторичные драйверы линий для сбора аварийных сообщений.
Обработка аварийных сообщений
Обрабатываются все аварийные сообщения от аппаратных блоков, собранные на шине аварийной сигнализации MAL.
Аварийная сигнализация генерируется, если обнаруживаются сбои на ИКМ-окончаниях, удаленных абонентских блоках (CSND, CSED), оборудовании АТС и т.д.
Все сообщения посылаются на SMM-станцию.
Обработка аварийных запросов
Аварийные запросы генерируются ПО во всех блоках АТС, ПО эксплуатации и техобслуживания и ПО центральной защиты.
Это ПО разработано таким образом, что оно может обнаруживать ошибки, поскольку повторяющиеся ошибки могут указывать на серьезные неисправности. Это ПО также обрабатывает ошибки и в необходимых случаях посылает аварийные запросы на функцию обработки аварийной сигнализации.
5.3.3 ИСПОЛЬЗОВАНИЕ АВАРИЙНЫХ СИГНАЛОВ
После обработки аварийных сообщений и запросов, полученная информация может быть использована различными способами.
Ниже описаны способы использования аварийных сообщений:
t вывод сообщений, относящихся к началу, продолжению и концу аварийной сигнализации, на терминалы обслуживающего персонала (консоли, телетайпы и т.д.),
t сохранение активныхаварий на диске и распечатка аварийных сигналов по команде оператора,
t отображение аварийных сигналов на одной или нескольких панелях общего контроля (PGS) на интеллектуальном терминале (РС).
Все эти средства могут быть использованы на АТС.
Функция PGS
Панель общего контроля (PGS):
t управляет базой данных PGS, которая хранит текущую информацию, относящуюся к конфигурации АТС,
t управляет интерфейсом оператора, позволяющим отобразить по запросу оператора рабочее состояние всей АТС или какой-то ее части.
Функции PGS распределяются между МП-станцией техобслуживания (SMM) и интеллектуальным терминалом.
SMM-станция выполняет следующие функции :
t Указание для PGS состояний начала, конца и подтверждения аварийной сигнализации.
t Указание модификаций конфигурации АТС.
t Ответ на запросы PGS для:
pпроверки конфигурации или аварийной сигнализации,
pретрансляции данных о конфигурации или аварийной информации.
t Обработка запросов подтверждения от PGS.
Основные процессы выполняются интеллектуальным терминалом.
t Обмены с SMM-станцией.
t Сбор информации, относящейся к:
pконфигурации локальной сети и АТС,
pаварийным состояниям (начала, подтверждения, завершения),
pкомандам, вводимым местным оператором,
pвыбор "моментальной фотографии" (мгновенного состояния),
pподтверждения аварийных сигналов,
pпереход в режим IT,
pотображение "моментальной фотографии" и локальные аварийные аудиосигналы.
Описание PGS
Панель общего контроля (PGS) предоставляет оператору информацию о состоянии сети на экране интеллектуального терминала. Для представления состояния АТС и ее среды в целом либо для предоставления более подробной графической информации отображаются "иконки". Чтобы обеспечить схематическое представление системы, иконки комбинируются с текстом.
Интерфейс опратора основывается на стандарте Xerox, используемом в таких изделиях, как GEM. Он реализован как GEM-3-приложение и соответствует общепринятой в промышленности практике.
Интерфейс ввода/вывода базируется на использовании экрана и "мыши". Клавиатура используется только в случае крайней необходимости.
Экран делится на две области:
t область диалога (в верхней части), указывающая функции или совокупности функций, имеющиеся в распоряжении оператора,
t область картинок.
Эта область является представлением системы (АТС, сеть и т.д.).
Для целей аварийной сигнализации PGS выводит три картинки:
t схему сети,
t функциональную схему АТС,
t план машинного зала АТС.
Та или иная функция в области диалога либо сектор в области картинок могут быть выбраны при помощи "мышки" - операциями "указания" (pointing) и "щелчка" (clicking).
Более детальное представление какого-либо сектора в области картинок может быть выполнено с помощью "мыши".
Экранные представления кодированы цветами:
t Фон : Серый.
t Элементы фона : Черный.
(Связи, заголовки, объекты, не затрагиваемые аварийными сигналами).
t Аварийный сигнал быстрого реагирования : Красный.
t Аварийный сигнал отсроченного реагирования : Желтый.
t Аварийный сигнал лишь информационного характера : Синий.
t Аварийная сигнализация отсутствует : Зеленый.
Последние четыре цвета указывают категорию аварийного сигнала либо отсутствие аварийного сигнала. При желании их можно модифицировать, пользуясь командой PGS.
5.4 ЦЕНТРАЛИЗОВАННАЯ ЭКСПЛУАТАЦИЯ И ТЕХОБСЛУЖИВАНИЕ
Централизованная эксплуатация, администрирование и техобслуживание для телекоммуникационной сети является предпочтительным способом решения проблем, порождаемых непрерывным развитием инфраструктуры и все возрастающим спектром служб.
Основываясь на значительном опыте, Alcatel CIT спроектировал центр управления сетью (NMC), базирующийся на OSI-стандартах и архитектуре сети управления телекоммуникациями (TMN) ITU-T (Рекомендация М.30).
NMC обеспечивает централизованное средство для контроля, эксплуатации и техобслуживания всех элементов сети телекоммуникаций, поддерживающей несколько сотен тысяч линий, и обрабатывает генерируемую информацию (аварийные сигналы, начисление оплаты, измерения трафика, наблюдения и т.п.). NMC схематически представлен на рис.21.

Рис.21. Организация NMC.
NMC получает всю необходимую информацию в четырех областях управления: аварийная сигнализация, трафик, данные об оплате и администрирование сети управления (в частности, в отношении безопасности).
t Вся аварийная сигнализация АТС может быть проанализирована индивидуально или совместно, вместе с непосредственным окружением.
t Базовые данные наблюдений от системы Alcatel 1000 E10 собираются с целью контроля значений нагрузки и качества обслуживания АТС.
t Данные об оплате собираются и надежно хранятся на NMC для передачи по мере необходимости в файловом формате в центр составления счетов. Это может быть выполнено путем стандартной электронной пересылки (FTAM) или путем пересылки лент.
t Средства администрирования позволяют назначать различные совокупности задач или АТС отдельным операторам. NMC управляет доступом с целью повышения надежности хранения данных и ограждения доступа для посторонних лиц.
Эти четыре функциональные особенности NMC обеспечивают надежную основу для эффективного управления сетью.
Однако NMC обладает и другими преимуществами :
t централизованное администрирование,
t стандартные интерфейсы с другими работающими системами или типами АТС,
t система разработки ПО для усиления первоначальных возможностей NMC.
Централизованная эксплуатация и техобслуживание означает, что все местное администрирование АТС может проводиться c помощью терминала и линии связи между NMC и АТС Alcatel 1000 E10.
Например, при обнаружении аварийных сигналов, может быть выведена диагностика и выполнена проверка ремонтных работ, что, по существу, реализует квази-интегральные средства управления устранением неисправностей.
На NMC могут быть введены команды контроля трафика, управления линиями и управления конфигурацией (например, путем изменения маршрутизации).
Однако эта степень централизованного управления не исключает возможности выполнения некоторых операций на местном уровне.
NMC можно разделить на две главные секции (см. рис.22) :
t Секция "Telecom", основывающаяся на Alcatel 8300,
t Секция интерфейса человек-машина, основываящаяся на рабочих станциях UNIX .

Рис.22. Архитектура NMC.
Alcatel 8300 поддерживает АТС Alcatel 1000 E10, обеспечивая высокую надежность и целостность данных. Рабочие станции обеспечивают высокий уровень "дружественности" к пользователю, что является весьма существенным для тех, кто работает целыми днями перед экраном монитора. UNIX является, с одной стороны, достаточно гибким, воспринимая последние достижения как с точки зрения функциональности, так и с точки зрения практической работы, но как промышленный стандарт является достаточно устойчивым и мобильным.
NMC предлагает следующие услуги :
t управление связью (команды, аварийная сигнализация и сообщения о сбоях),
t наблюдение,
t администрирование,
t безопасность.
5.4.1 ИНТЕРФЕЙС ЧЕЛОВЕК - МАШИНА
Средство управления командами NMC позволяет операторам на одной или нескольких рабочих станциях взаимодействовать с АТС Alcatel 1000 E10 точно так же, как это делают местные операторы, использующие местные терминалы. Однако рабочая станция NMC позволяет гораздо больше. Используя экранное отображение специализированных окон, она может одновременно эмулировать ряд терминалов, подсоединенных к ряду АТС. Это означает, что оператор может посылать команды на любую АТС без перемещения на другую рабочую станцию. Команды можно также вводить в календарный файл для выполнения в тот или иной фиксированный момент времени либо периодически. Рабочая станция NMC, таким образом, эмулирует интеллектуальный терминал Alcatel 1000 E10.
Интерфейс человек-машина является "дружественным" по отношению к пользователю и спроектирован в соответствии с новейшими рабочими стандартами. "Хронологический" файл служит для напоминания об уже введенных командах, а макроязыковая функция используется для построения цепочек последовательностей команд и инициализации выполнения команд в соответствии со значениями, возвращаемыми теми командами, которые уже выполнены.
Процедуры связи являются одними и теми же и при работе с NMC, и при работе с местного терминала. Это означает, что обученный местный персонал не требует переподготовки. Однако добавлены некоторые возможности для обеспечения безопасности, требующейся при централизованной дистанционной работе.Обычно терминал подсоединяется к интерфейсу рабочей станции, поскольку это обеспечивает намного лучшее качество представления. Но можно также подсоединить какой-либо стандартный серийно выпускаемый терминал ввода непосредственно к системе NMC Alcatel 8300 и, хотя это ведет к некоторому снижению производительности, безопасная работа обеспечивается по-прежнему, даже если в NMC возникает тот или иной внутренний аппаратный сбой.
Те же средства используются для взаимодействия с самим NMC.
Все команды, вводимые на NMC, а также соответствующие им отчеты могут фиксироваться в системном журнале для последующего анализа ошибок в процедурах или ошибок доступа.
5.4.2 УПРАВЛЕНИЕ СИГНАЛИЗАЦИЕЙ ОБ АВАРИЯХ И ОТКАЗАХ
Эта функция обрабатывает аварийную сигнализацию всех типов, относящихся к АТС Alcatel 1000 E10 (аварийные сигналы, относящиеся собственно к АТС, и аварийные сигналы окружения, связанные с передачей, питанием, вмешательством в работу и т.д.). Она :
t Отображает представления АТС Alcatel 1000 E10 и аварийную информацию с той степенью детализации, которая указывается оператором (начиная с сети в целом и заканчивая отдельной печатной платой ОСВ283).
t Отображает обобщенные аварийные индикаторы, относящиеся к окружению.
t Обрабатывает аварийные сообщения АТС Alcatel 1000 E10 (например, модификация параметров отображения и организации отображаемых объектов). Эти функции недоступны для постороннего персонала.
Естественно, аварийные сообщения могут быть представлены в текстовом формате. Они хранятся в базе данных, а доступ к ним возможен на основе некоторых критериев.
5.4.3 УПРАВЛЕНИЕ НАБЛЮДЕНИЕМ
Наблюдение за АТС в сети может быть инициировано с NMC. Данные наблюдения собираются и обрабатываются с целью определения условий нагрузки на АТС и качества обслуживания.
Данные о нагрузке позволяют составить точное представление об объеме используемых ресурсов АТС и о том, насколько их выделение адекватно реальной потребности.
Данные о качестве обслуживания позволяют быстро обнаружить неисправности на абонентских линиях или в ресурсах АТС.
Эти данные могут обрабатываться в реальном времени, например, с целью контроля обработки трафика на каждой АТС. После их запоминания, их можно передать на внешние прикладные задачи для генерации статистической информации.
NMC обрабатывает два формата данных наблюдения: формат вывода и архивный формат.
5.4.4 УПРАВЛЕНИЕ ТАРИФИКАЦИЕЙ
Функции управления тарификацией NMC позволяют выполнять следующие работы:
t Сбор и хранение данных об оплате, генерируемых каждой АТС в сети.
t Команды и процедуры для обработки показаний счетчиков оплаты и информации подробных счетов оплаты.
t Передача хранимых данных в центр тарификации.
NMC использует для электронной пересылки данных интерфейс FTAM, стандарт Х.25. Организация данных может быть адаптирована для удовлетворения требований подключенных центров тарификации.
Данные об оплате могут также выводиться на ленту, что служит определенным резервированием на случай неисправности средства EDT.
Средство реформатирования позволяет выполнять некоторое реформатирование данных и файлов до их передачи или вывода.
Кроме того, средства безопасности и интерфейс человек-машина NMC могут использоваться имеющими соответствующий допуск операторами для манипуляций с функциями измерения оплаты вызовов в АТС и обнаружения возможных причин ошибок (например, переполнение дискового пространства). Организация этих операций и соответствующих процедур определяется администратором.
5.4.5 АДМИНИСТРИРОВАНИЕ И БЕЗОПАСНОСТЬ
NMC предлагает функции, обеспечивающие высокий уровень безопасности для всех операций управления, относящихся к АТС и самому NMC.
Это базируется на двух принципах :
t доступ к NMC возможен только со стороны допущенных к этому операторов, а все сеансы связи контролируются,
t операции управления, которые могут быть инициированы любым отдельным оператором, ограничены с функциональной точки зрения (доступ к определенным функциям запрещен) и с географической точки зрения (доступ к ограниченному числу АТС).
5.4.6 ДРУГИЕ ПРИМЕНЕНИЯ
Используя факультативную систему разработки ПО, можно разрабатывать дополнительные прикладные задачи. Прикладные задачи для UNIX можно разрабатывать и сопровождать с использованием испытанных средств (компилятор С, база данных ORACLE ). Кроме того, имеется инструментарий для помощи в разработке стандартных интерфейсов.
Однако указанная система разработки ПО может быть использована только для разработки в автономном режиме, а для того чтобы избежать нарушения нормальной работы NMC требуются дополнительные станции.
Разработка прикладных задач с использованием системы разработки ПО гарантирует "открытость" описываемой системы и возможность ее последующего развития.
АТС Alcatel 1000 E10 реализуют функции наблюдения трафика и нагрузки, которые могут быть использованы для того чтобы:
t персонал мог убедиться в надлежащей работе АТС,
t персонал мог убедиться в том, что все ресурсы АТС предоставляются в соответствии с текущими потребностями,
t можно было планировать последующее развитие сети (расширение, ввод новых средств и т.д.), основываясь на результатах наблюдений.
По запросу оператора или на регулярной основе (календарный файл) данные трафика и нагрузки запоминаются на дисках, подключенных к МП-станции техобслуживания (SMM).
Эти данные могут быть выведены двумя способами:
t на принтеры или ленту для оператора,
t на специализированные центры обработки по каналу Х.25.
Alcatel CIT разработал также новое программное средство - Программу Наблюдения за Работой Центра Коммутации (SCOOP).
Это ПО используется для анализа трафика и данных наблюдения за нагрузкой, являясь управляющим средством.
6.1 НАБЛЮДЕНИЕ ТРАФИКА И НАГРУЗКИ
Наблюдение трафика и нагрузки в системе Alcatel 1000 E10 построены таким образом:
t Измерения выполняются на АТС для выработки данных по трафику и нагрузке. Счетчики в блоках АТС запоминают эти данные, а затем передают их на функцию OA&M станции SMM.
Основными объектами наблюдения являются:
pординарные линии, группы и УПАТС,
pканалы и группы каналов,
pтрафик: количество вызовов,
pнагрузка на устройства доступа,
pраспределение местных, входящих и исходящих вызовов,
pнагрузка на блок управления, контексты вызова, а также нагрузка на коммутационную матрицу и сервисные блоки (многочастотная сигнализация, сигнализация №7, каналы конференц-связи), выраженная в количестве вызовов и времени занятия,
pчастота завершения вызовов и причины неисправностей.
t Генерируются данные, относящиеся к окружению АТС. Эти данные запоминаются на ленте и могут обрабатываться ПО SCOOP.
Измерения выполняются в течение недели. Неделя выбирается пользователем и должна быть репрезентативной для трафика за год.
Измерения базируются по существу на временном наблюдении, но используются также определенные данные постоянных наблюдений.
Постоянные наблюдения
Этот тип наблюдений используется для сбора результатов, непрерывно генерируемых системой каждые 30 минут. Эти результаты относятся к:
t трафику, обрабатываемому АТС,
t нагрузке активных блоков,
t нагрузке групп каналов,
t нагрузке коммутационной матрицы,
t категориям трафика.
Они используются, в частности, для корреляции с результатами временных наблюдений за тот же период измерений.
Нерегулярные наблюдения или наблюдения по запросу
Наблюдения по запросу используются для контроля следующих объектов на нерегулярной основе:
t групп линий,
t групп каналов,
t исходящего трафика,
t устройств абонентского доступа.
Простейший способ использовать этот тип наблюдений связан с созданием списков объектов наблюдения с последующей активацией наблюдений, основанных на этом списке, в моменты времени и в течение периодов, специфичных для каждого типа наблюдаемого объекта.
Временное наблюдение может проводиться в течение измерительного периода, а результаты - коррелироваться с результатами постоянных наблюдений.
Наблюдение входящих и исходящих вызовов должны производиться в течение одного и того же периода, а наблюдение - основываться на :
pвыборке: один или несколько списков из 1000 линий,
pпродолжительности: 24 часа,
pпериоде активации: обычные рабочие дни в течение измерительного периода.
Если известны характеристики местных линий, достаточно будет одной репрезентативной выборки (или списка). В противном случае репрезентативные выборки должны определяться путем произвольного выбора линий по каждому устройству.
t выборка : до 64 групп,
t продолжительность : предполагаемые часы занятости,
t период активации : обычный рабочий день в течение периода измерений.
t выборка : до 250 каналов или 25 групп каналов,
t продолжительность : предполагаемые часы занятости, получасовые интервалы, начиная с часа или получаса,
t период активации : обычный рабочий день в течение периода измерений.
t выборка:
pдо 25 кодов или кодов доступа:
городские, региональные, национальные и международные,
pкоды доступа к специальным службам, доступа к национальным и международным сетям,
pмаршрутизация (до 511 типов маршрутизации или маршрутов в каждом списке),
t продолжительность: предполагаемые часы занятости, получасовые интервалы, начиная с часа или получаса,
t период активации: обычный рабочий день в течение периода измерений.
6.7. УСТРОЙСТВА АБОНЕНТСКОГО ДОСТУПА
выборка : наблюдение за каждым соединением однократно по каждому тесту для:
- устройств ввода,
- каналов вывода.
продолжительность : час занятости для каждого устройства доступа,
период активации : обычный рабочий день в течение периода измерений.
6.8. ИНФОРМАЦИЯ, ОТНОСЯЩАЯСЯ К НАБЛЮДАЕМОМУ ПУНКТУ
Определенные параметры наблюдаемого пункта могут быть полезны при обработке данных наблюдения трафика. Эти параметры относятся к:
t окружению АТС,
pколичество подсоединенных линий,
pидентификаторы УАБов и типы подсоединенных линий,
коммерческие линии,
линии для жилых домов,
pнаименования и типы подсоединенных АТС по группам каналов,
pсписок кодов и средств доступа или сетей, к которым осуществляется доступ,
pсписок маршрутизаций с определениями,
t эксплуатационные характеристики АТС:
pобычные часы занятости,
pпоток трафика в часы занятости.
Вся эта информация может быть получена путем использования команд оператора.
Alcatel Telecom может предоставить заказчику всю эту информацию для получения наилучших измерений.
SCOOP ( Программа Наблюдения за Работой Центра Коммутации) представляет собой совокупность программных изделий для изготовителя и оператора АТС Alcatel 1000 E10.
Она выполняется на микрокомпьютере и включает функции управления лентой и функции обработки данных, пересылаемых на жесткий диск.
Она обладает "дружественным" по отношению к пользователю интерфейсом, основанном на меню с вытесняемой нижней строкой (при их просмотре) и окнах для интерактивной работы в автономном режиме.
Проектирование SCOOP преследовало следующие цели:
t Обеспечить легкий доступ к информации, хранящейся на ленте: данным наблюдения нагрузки и трафика, данным подробных счетов оплаты, международным учетным данным, показаниям счетчиков оплаты и т.п.
t Обрабатывать данные, помогающие оператору и изготовителю АТС:
pанализировать предоставление ресурсов и требования конкретных пунктов,
pанализировать эффективность,
pнаблюдать за поведением абонентов,
pготовить международные бухгалтерские отчеты,
pраспечатывать абонентские счета,
pотображать в графическом виде величины нагрузки на блоки АТС и группы каналов.
t Предоставить некое средство для использования в микрокомпьютерном контексте.
t Предоставить широкие возможности для разработок, обеспечивающие необходимую гибкость в восприятии:
pновых телефонных систем,
pновых структур данных,
pновых форматов результатов,
pновых требований к обработке.
Посредством SCOOP новые телефонные системы и/или наборы данных могут включаться в систему путем создания дескрипторов (описателей). Это осуществляется посредством функции администрирования, которая не требует написания кода.
SCOOP организована в виде специализированных модулей (см. рис.23), которые в качестве входных принимают эксплуатационные данные АТС. Эти данные относятся к АТС, подсоединенным непосредственно к малым сетям, или центру управления сетью (NMC) в сети управления телекоммуникациями (TMN).
Модули выполняют следующие основные функции:
t Функцию управления, которая использует данные наблюдения трафика для выработки периодических отчетов (недельного, месячного и т.п.) для одной или нескольких АТС.
t Вывод по требованию данных из базы данных и активация заранее определенных процедур обработки, специфичных для этого типа данных. Результаты выводятся в дисковый файл или на принтер и могут обрабатываться графическим способом.
t Генерацию счетов оплаты для анализа данных на ленте с подробными счетами и распечатки абонентских счетов оплаты.
SCOOP основывается на промышленных стандартах, таких как UNIX, и, конечно же, может быть использована в рамках архитектуры сети управления телекоммуникациями Alcatel.

Рис.23. Блок-схема SCOOP.
Система Alcatel 1000 E10 обладает высокой степенью адаптируемости ко все более жестким стандартам относительно окружающей среды (климатическим, требованиям по электромагнитной совместимости) и может воспринимать новейшие технологические достижения (объем памяти, новые микропроцессоры, волоконно-оптические линии связи).
7.1.1 КОМПОНЕНТЫ
В системе используются следующие типы компонентов :
t Серийно выпускаемые КМОП-интегральные схемы с низкой (SSI), и средней (MSI) степенью интеграции.
t Стандартные сложные схемы, такие как микропроцессоры, устройства памяти и периферийные устройства, изготовленные по КМОП-технологии.
t микросхемы динамического ОЗУ емкостью 4 Мбит, заключенные в корпуса с поверхностным монтажом компонентов и используемые для формирования матриц памяти емкостью не менее 4 Мбайт и очень малой площадью.
t Заказные и полузаказные специфичные для конкретных приложений интегральные схемы (ASIC). Все они изготовлены по полутора- или одно-микронной КМОП-технологии с соединительным слоем со сдвоенными выводами. Наиболее сложные ASIC имеют приблизительно 20 000 вентилей и до 192 выводов. Они изготовлены в корпусе с матричным расположением штырьковых выводов (PGA) или в пластмассовом несущем корпусе (PLCC). В системе Alcatel 1000 E10 используется 19 типов заказных микросхем.
7.1.2 ПЕЧАТНЫЕ ПЛАТЫ
Печатные платы имеют следующие стандартные размеры:
t 8 U (233,68 мм х 350,52 мм, толщина 1,6 мм).
t Шесть-восемь слоев с двумя внутренними слоями зарезервированными для питания 5В и сигнальной "земли". С целью минимизации наведенных электромагнитных помех, улучшения передачи сигнала и обеспечения низкого импеданса распределения питания, два наружных медных слоя покрывают всю поверхность платы.
Печатные платы изготовлены в соответствии с требованиями по классу 5 UTE.
Все пассивные компоненты устанавливются методом поверхностного монтажа.
Платы с очень большим количеством компонентов изготовлены с использованием скрытых отверстий (металлизированных межслойных отверстий, не выходящих на наружные слои). Это увеличивает доступную площадь поверхности платы приблизительно на 30%, повышая "емкость компонентов" на плате приблизительно с 1 000 до 1 500.
Для предотвращения электростатических разрядов и облегчения фиксации и извлечения платы используется жесткая пластмассовая лицевая панель.
На каждой печатной плате Alcatel 1000 E10 установлено в среднем четыре заказных схемы; при этом потребляемая мощность не превышает 7 Ватт.
Всего в системе использовано 32 типа печатных плат, посредством которых реализованы все аппаратные блоки.
7.1.3 КАССЕТЫ И ОБЪЕДИНИТЕЛЬНЫЕ ПАНЕЛИ
Платы устанавливаются в стандартных кассетах:
t Высота 8 U (1U = 30,48 мм).
t Ширина 154 единицы (1 единица = 5,08 мм).
Объединительные панели представляют собой многослойные печатные платы со следующими размерами:
t толщина 3,2 мм,
t шесть слоев в качестве стандартной реализации,
t гибкие вставные разъемы.
Две панели используются для подвода питания 5В и электрического заземления. Медные слои, служащие носителями этих потенциалов, покрывают всю поверхность платы с целью снижения электромагнитного излучения. По тем же причинам открытые области на наружных слоях покрываются сеткой заземления. Непосредственно на объединительные платы активные компоненты не устанавливаются.
Существуют два метода подсоединения печатных плат:
t посредством двух разъемов DIN HE11 3 x 32-контакта и восьми-игольчатого силового разъема,
t посредством одного разъема DIN HE17 320-контактов, причем некоторые контакты зарезервированы для цепей питания.
Межстативные связи реализуются посредством съемных кабелей, снабженных такими же разъемами, что и печатные платы, а для цепей типа "точка - множество точек" используются "ярусные" адаптеры разъемов.
Для связей между кассетами и межстативных связей используются экранированные кабели.
7.1.4 СТАТИВЫ : ОСНОВНЫЕ ХАРАКТЕРИСТИКИ
Все стативы Alcatel 1000 E10 имеют одинаковые размеры:
t Высота 2200 мм,
t Ширина 900 мм,
t Глубина 650 мм.
Каждый статив содержит пять или шесть кассет, разделенных перегородками и охлаждаемых путем естественной конвекции воздуха (см. рис.24).
Для обеспечения термозащиты между каждой кассетой и дверцами устанавливаются перегородки, а вентиляционные каналы проделаны в верхней и нижней вентиляционных решетках (см. рис.25).
Цепи распределения питания и защитные цепи продублированы таким образом, что преобразователи питаются от двух полностью разделенных цепей.
Кабелегоны встроены в стативы, которые размещаются рядами, бок о бок, а между рядами прокладываются кабельные каналы. Кабелегоны размещаются в верхней части статива. Система экранирования статива образует клетку Фарадея. Все межстативные и межрядные кабельные соединения прокладываются внутри единой клетки Фарадея, образуемой посредством полностью "встроенных" межрядных каналов.

Рис.24. Структура статива.
Все возможные источники утечки излучения в чувствительных точках (дверцы, вентиляционные решетки, кабельные входы) устранены. Особое внимание уделено отфильтровыванию помех на кабельных входах и заземлению накапливающихся зарядов путем экранирования кабелей внешних связей (питание, ИКМ-тракты, абонентские линии).

Рис.25. Экранирование статива.
7.1.5 СТАТИВЫ : СТАНДАРТНЫЕ КОНФИГУРАЦИИ
Имеется ограниченный набор стандартных типов стативов, предназначенных для реализации мультипроцессорных станций и вспомогательных функций.
t Абонентские линии
CSN представляет собой модульный блок, который предназначен для удовлетворения требований пользователя и реализации конфигурации местного/выносного цифрового концентратора.
Он реализован в следующих стативах (см. рис.26):
pБазовый статив, содержащий интерфейсы UCN, IOC и ICNE, а также источник питания. В стативе расширения установлено только оборудование источника питания. Статив расширения может быть легко реконфигурирован в базовый статив посредством добавления плат UCN и интерфейсных плат.
p Четыре кассеты концентраторов, каждая из которых содержит два цифровых концентратора.

Рис.26. Организация статива CSN.
Ниже приведены примеры альтернативных организаций.
pЕсли все абонентские линии являются местными, CSN содержит:
¨ Базовый статив, содержащий UCN и четыре местных цифровых концентратора.
¨ До трех стативов расширения, каждый из которых содержит пять местных цифровых концентраторов.
Если установлены три статива расширения, общее число местных концентраторов составляет 19. Каждый концентратор может содержать до 16 абонентских плат (аналоговых, цифровых типа 2B+D или 30B+D) в соответствии с конфигурацией станции.
p Если подсоединены как местные, так и удаленные абонентские линии, CSN включает:
¨ Базовый статив, содержащий UCN, кассету ICNE и три кассеты CN.
¨ Стативы расширения, содержащие кассеты CN.
¨ Выносные CN, организованные в виде независимых групп со своим собственным источником питания, кроссом и т.д. Эти выносные концентраторы могут быть установлены в здании или в небольшом контейнере.
t Коммутационная матрица
Центральная коммутационная матрица размещается в следующих стативах (см. рис.27):
p Статив ХА, содержащий три кассеты:
¨ две полных ветви коммутационной матрицы емкостью максимум 256 ИКМ-систем.
¨ полная ветвь коммутационной матрицы (или часть этой ветви) для расширения до емкости 1024 ИКМ-систем.
p Статив ХВ, содержащий пять кассет, образующих полную ветвь коммутационной матрицы (или часть этой ветви) для расширения до емкости 2048 ИКМ-систем.

Рис.27. Стативы центральной коммутационной матрицы.
t Блоки управления
Имеются следующие типы стативов блоков управления (см. рис.28) :
pСтатив СА, содержащий мультипроцессорные станции управления (SMC), станцию синхронизации и временной базы (STS), устройства механического голоса и станцию техобслуживания.
pСтатив СВ, содержащий три мультипроцессорные станции управления (SMC) и две станции сервисных блоков (SMA).
¨ Стативы UA и UD, каждый из которых содержит станцию SMC и две станции ИКМ-окончаний (SMT32 в стативе UA и SMT128 в стативе UD).
¨ Стативы UB и UE, каждый из которых содержит станцию SMC, две станции SMA и станцию SMT (SMT32 в стативе UB и SMT128 в стативе UE).

Рис.28. Стативы блоков управления.
pСтатив UC, содержащий четыре станции сервисных блоков (SMA) и одну станцию SMC.
pСтатив SA компактной конфигурации, содержащий управляющие станции, станции техобслуживания, станцию сервисного блока, станцию синхронизации и временной базы, цифровое устройство механического голоса и центральную коммутационную матрицу. Этот статив поддерживает до 5000 линий и может быть установлен в здании или двадцатифутовом контейнере (1 фут = 0,3048 м).
Вспомогательные функции реализованы в следующих стативах (см. рис.29):
pСтатив DBM (накопитель на магнитной ленте).
pСтатив SDE (распределение питания).
pСтатив SAM (источник питания 48 В 220 В с защитой).

Рис.29. Стативы вспомогательных функций.
На рис. 30 и 31 приведены примеры организации АТС на 10 000 и 20 000 линий.

Рис.30. АТС Alcatel 1000 E10 на 10000 линий.

Рис.31. АТС Alcatel 1000 E10 на 20000 линий.
В АТС имеются три уровня электропитания :
t Первичное питание, поступающее от сети переменного тока (напр., 220/380 В, 50 Гц).
t Вторичное питание для телефонной системы: обычно 48 В постоянного тока.
t Третичное питание специально для системы коммутации.
В этой иерархической организации каждый уровень питания включает оборудование, которое преобразует входное напряжение в напряжение, необходимое для непосредственно следующего за ним более низкого уровня (см. рис.32).
В процессе функционирования АТС Alcatel 1000 E10 используются три типа электропитания, описанных ниже.
7.2.1.1. ОБОРУДОВАНИЕ ПЕРВИЧНОГО ЭЛЕКТРОПИТАНИЯ
t Трансформаторная подстанция "Высокое напряжение / низкое напряжение",
t Комплект генераторный,
t Низковольтный распределительный щит.
7.2.1.2. ОБОРУДОВАНИЕ ВТОРИЧНОГО ЭЛЕКТРОПИТАНИЯ
В зависимости от того, каким образом осуществляется подвод питания (местное питание или централизованное питание) возможны две конфигурации:
Местное питание
В этом случае используется модульные источник (источники) питания (статив SAM), оборудованные (см. рис. 32):
t четырьмя выпрямителями 75А каждый или тремя выпрямителями 75А каждый и преобразователем 1кВА (как вариант),
t батареями при необходимости (встроенными или внешними),
t распределительным щитом.

Рис. 32. Местное питание
Централизованное питание
В этом случае используется (см. рис. 33):
t для цепей постоянного тока:
pвыпрямители,
pрозетки питания,
pблок управления вторичным источником питания,
pбатареи.
t для цепей переменного тока:
pне менее одного преобразователя,
pисточник питания.

Рис. 33. Централизованное питание.
7.2.1.3. ОБОРУДОВАНИЕ ТРЕТИЧНОГО ЭЛЕКТРОПИТАНИЯ
В зависимости от того, каким образом осуществляется подвод питания (местное питание или централизованное питание) возможны две конфигурации:
Местное питание
В этом случае в состав оборудования питания входит:
t преобразователи внутри стативов. Каждый статив питается от двух или трех розеток 48В от статива SAM,
t модули питания статива.
Централизованное питание
В этом случае в состав оборудования питания входит:
t установка распределения питания (статив SDE),
t преобразователи внутри стативов. Каждый статив питается от двух кабелей 48В от двух модулей статива SDE,
t модули питания статива.
Указанные ниже значения требуются для обеспечения надлежащего функционирования АТС Alcatel 1000 E10. Другими словами, это - характеристики электропитания на входе третичного уровня. Эти значения учитывают падение напряжения в распределительных кабелях между выходом источника вторичного электропитания и входом источника третичного электропитания при максимальном токе.
Система Alcatel 1000 E10 имеет очень малую потребляемую мощность.
Источник питания 48 В
Качество источника питания 48 В определяется тремя способами:
t Стабильный режим
В стабильном режиме рабочий диапазон должен находиться между 42,7 В и 57 В.
t Критический режим
Кратковременное событие, такое как перегорание предохранителя в оборудовании вторичного питания, вызывает пульсацию напряжения в течение нескольких секунд. Значения пульсаций составляют от 35 В до 60 В.
t Остаточная пульсация
В стабильном режиме сетевые частотные гармоники порождают некоторое остаточное напряжение переменного тока.
По определению, допустимое среднеквадратическое напряжение этих остаточных пульсаций зависит от количества наблюдаемых гармоник.
Источник питания 230 В
В системе применен однофазный источник питания переменного тока. Он характеризуется двумя значениями:
t Напряжением : 230 В +/- 10%,
t Частотой : 50 Гц +/- 2%.
Мощность 220 В в режиме с резервированием, потребляемая системой Alcatel 1000 E10 в общем случае не превышает 1 кВА.
Для соединения различных точек заземления и гарантии безопасности персонала и защиты оборудования должна быть обеспечена общая точка заземления.
Металлические конструкции, входящие в структуру здания, должны быть подсоединены к этой точке заземления.
Секция проводников, подсоединяющих монтажное заземление к заземляющей пластине, должна выдерживать максимальный ток, возможный в случае неисправности, и допускать срабатывание защит.
Система проводников заземления должна быть спроектирована таким образом, чтобы никакая разность потенциалов, вырабатываемая током неисправности, протекающим в кабеле, не могла передаться на разговорнуючасть данной системы.
Пути прокладки кабелей заземления должны быть максимально короткими и максимально прямыми для обеспечения минимального импеданса.
Импеданс заземления должен быть не выше 2 Ом.
АТС предназначена для работы в помещении со стандартными защитами, а стативы системы Alcatel 1000 E10 охлаждаются за счет естественной конвекции окружающего воздуха, циркулирующего в машинном зале. Это означает, что как и в случае любой системы, надлежащие условия окружающей среды должны быть выдержаны для того, чтобы можно было обеспечить оптимальное функционирование и стандарты надежности.
Более жесткие окружающие условия могут допускаться, когда оборудование упаковано для транспортировки, находится на складе, либо когда оно монтируется, но питание еще не включено.
Определены четыре типа климатических условий:
t Нормальные эксплуатационные условия
Они определяются для всех значений температуры/влажности, при которых оборудование должно работать без изменения своих эксплуатационных характеристик и в течение неограниченного периода времени.
t Исключительные эксплуатационные условия
Они определяются для всех значений температуры/влажности, выходящих за границы нормальных условий, и при которых оборудование должно сохранять работоспособность в течение 72 последовательных часов; при этом допускается некоторое изменение эксплуатационных характеристик.
t Условия транспортировки и хранения упакованного оборудования
Эти требования распространяются в основном на транспортировку и выполнение работ по месту эксплуатации. Период действия этих условий не должен превышать тридцати дней.
t Условия хранения распакованного оборудования
Оборудование Alcatel 1000 E10 может храниться на складе без упаковки до 2000 часов.
Соответствующие климатические показатели применимы к каждому из описанных ниже состояний:
t Нормальные эксплуатационные условия
pТемпература воздуха : 5°C - 40°C,
pОтносительная влажность : 5% - 85%.
t Исключительные эксплуатационные условия
pТемпература воздуха : 0°C - 45°C,
pОтносительная влажность : 5% - 90%.
t Условия транспортировки и хранения упакованного оборудования
pТемпература воздуха : -35°C - 70°C,
pОтносительная влажность : 5% - 100%.
t Условия транспортировки и хранения неупакованного оборудования
pТемпература воздуха : -5°C - 45°C,
pОтносительная влажность : 5% - 92%.
Значительный опыт в технике монтажных работ, которым обладает Alcatel CIT, является наилучшей гарантией быстрого и бездефектного ввода в эксплуатацию. Монтажные процедуры облегчаются за счет подготовки технических и программных средств для конкретного объекта в заводских условиях. Полный тест выполняется на полной АТС (технические и программные средства) перед отгрузкой на объект, что значительно снижает сложность и продолжительность процедур ввода в эксплуатацию.
Поскольку процедуры ввода в эксплуатацию и расширения упрощены, все более привычным становится использование местного персонала, работающего под надзором Alcatel либо действующего независимо.
АТС Alcatel 1000 E10 может быть установлена в здании или стандартном контейнере, а для монтажа оборудования абонентского доступа используются малые контейнеры или стойки.
Физические характеристики аппаратуры Alcatel 1000 E10 позволяют устанавливать ее в стандартных зданиях без соблюдения каких-либо специальных требований в отношении высоты зала или нагрузки на пол.
Стативы группируются рядами. Alcatel CIT предлагает стандартные планы установки оборудования, пригодные для большинства применений. Однако, по требованию заказчика, могут быть составлены индивидуальные планы установки, соответствующие реальной конфигурации зданий.
Аппаратура обладает низким тепловыделением и не требует централизованного импульсного воздушного охлаждения. Однако, как и в случае любых современных электронных систем, в машинном зале должно быть обеспечено кондиционирование воздуха.
К монтажу УАБов не предъявляются какие-либо особые требования. В большинстве случаев эти абонентские комплекты могут быть установлены в здании, не оснащенном воздушным кондиционером.
Систему Alcatel 1000 E 10 можно расширить тремя способами: добавлением станций, реконфигурированием оборудования и расширением количества кольцевых сетей с эстафетным доступом.
Добавление станций
Можно добавить одну или несколько МП-станций и установить соответствующие программные машины. Конфигурация других станций при этом не затрагивается. Единственная модификация, которая требуется в отношении взаимодействия станций, связана с обновлением таблиц маршрутизации операционной системы после объявления новых программных машин.
Новая МП-станция сначала подсоединяется к одному из физических колец с последующим вводом его в эксплуатацию. Те же процедуры затем выполняются на другом физическом кольце. Это позволяет добавлять МП-станцию без нарушения трафика.
Расширение с реконфигурацией
Это связано с модификацией распределения программных машин в МП-станциях. Существуют стандартизованные конфигурации программных машин. Расширение состоит в переходе от одной стандартной конфигурации к другой. Описание каждой новой конфигурации используется для обновления таблиц маршрутизации.
Расширение количества колец
Существет также возможность расширения емкости системы путем добавления логических колец. Эта процедура заключается в следующем: по меньшей мере две МП-станции (с точки зрения обеспечения защиты) объявляются "шлюзами" между существующим логическим кольцом и новым логическим кольцом. Новые станции затем вставляются в кольцо путем простого добавления станций.
Alcatel готова оказать помощь администрации заказчика при любых затруднениях, возникающих в процессе монтажа, ввода в эксплуатацию, эксплуатации и техобслуживания предоставляемых телекоммуникационных систем.
Основными аспектами этих совместных усилий являются:
t Помощь в эксплуатации и техобслуживании.
t Обучение персонала.
t Ремонт.
8.1. ПОМОЩЬ В ЭКСПЛУАТАЦИИ И ТЕХОБСЛУЖИВАНИИ
Alcatel Telecom может оказывать помощь заказчикам в эксплуатации, администрировании и техобслуживании многими способами.
В процессе ввода в эксплуатацию, когда АТС интегрируется в сеть, всегда существует период "приработки", в течение которого местный персонал начинает применять на практике знания, приобретенные в ходе обучения.
Специалист Alcatel Telecom по эксплуатации и техобслуживанию может оказывать помощь в течение первых нескольких недель для разрешения любых проблем в процедурах управления сетью. Одним из наиболее позитивных аспектов этой формы сотрудничества является предлагаемое обучение персонала на объекте.
Однако все же могут возникать необычные ситуации, и неким успокаивающим элементом было бы наличие помощи "под рукой".
С этой целью Alcatel Telecom учредила обслуживающий центр помощи по телефону (TASC).
К TASC можно обращаться круглосуточно и специалисты Alcatel Telecom будут всегда к вашим услугам.
TASC предлагает :
t Помощь в техобслуживании и устранении неисправностей путем быстрого обнаружения источников неисправностей.
t Помощь в эксплуатации системы путем дистанционного анализа эксплуатационных данных АТС.
t Помощь в оценке качества обслуживания.
t Дополнительное обучение персонала в форме службы "дружеского телефонного совета".
t Предоставляется дополнительный телефонный канал, с тем чтобы персонал АТС заказчика мог побеседовать со специалистами Alcatel Telecom.
t Ряд терминалов помощи включает персональные компьютеры, сканнеры для преобразования бумажных документов в цифровую форму, а также принтеры для распечатки файлов.
t Интерфейс оператора и простая, "дружественная к пользователю" картинка на экране могут быть использованы для :
pзапоминания номеров терминалов, принадлежащих вызывающему пользователю,
pподсчета посылаемых сообщений с указанием продолжительности, даты и времени,
pотображения на экране документов, преобразованных в цифровую форму и переданных в виде файла,
pвыбора языка диалога (французский, английский или испанский).
Это оборудование позволяет осуществлять связь между двумя бригадами специалистов и непосредственную связь между аппаратными блоками, поскольку работающая АТС заказчика подсоединяется к Обслуживающему Центру Помощи по телефону, который может сканировать ее устройства памяти и активировать тестовые программы и реконфигурацию. Все операции контролируются заказчиком и фиксируются в системном журнале как стандартные операции, выполняемые на объекте.
Alcatel Telecom и заказчики связываются друг с другом по коммутируемой телефонной сети общего пользования с использованием недорогого мобильного специализированного оборудования. Это оборудование устанавливается на объекте заказчика и в Alcatel Теlеcom во Франции.
Конфигурация оборудования помощи по телефону обычно включает:
t Обслуживающий Центр Помощи по Телефону (TASC) Alcatel Telecom, оборудованный рядом терминалов помощи.
t Объект заказчика, оборудованный терминалом, подсоединенным к компьютеру, контролирующему эксплуатацию и техобслуживания АТС, а также к сети общего пользования.
При вводе в существующую сеть новой коммутационной системы, определенная часть персонала, выполняющего техобслуживание, должна пройти обучение новой технике. Это обучение совершенно необходимо при переходе от электромеханической технологии к цифровой технологии с разделением времени.
Подготовительные курсы организованы Alcatel Telecom при ее ИНСТИТУТЕ ОБУЧЕНИЯ.
Несколько тысяч стажеров уже прошли через этот центр обучения и опыт показывает, что полученый уровень подготовки позволяет персоналу, ранее занимавшемуся эксплуатацией электромеханических систем, адаптироваться к цифровой системе Alcatel 1000 E10 без каких-либо проблем.
Обучение может проводиться как в самом ИНСТИТУТЕ, так и на объекте заказчика. В обоих случаях преподаватели пользуются самыми современными методиками обучения.
В частности, центр обучения оборудован полной сетью телекоммуникаций, которая может быть использована обучающимися. Эта сеть состоит из рабочих моделей Координатной АТС и Alcatel 1000 E10 вместе с ресурсами эксплуатации и техобслуживания. В сочетании с имитаторами эта сеть может использоваться для иллюстрирования (по запросу) многочисленных рабочих конфигураций и сценариев неисправностей.
Предлагаемый курс обучения не ограничивается вопросами коммутации, а охватывает все телекоммуникационные дисциплины, включая передачу, данные, микрокомпьютерную обработку и т.п.
Курсы организованы по модульному принципу, что позволяет адаптировать их ко всем уровням и всем специализациям обучающихся.
Разработаны следующие модули:
t Системные модули:
pАппаратные средства.
pПрограммные средства.
pЭксплуатация и администрирование.
pТехобслуживание.
pТесты и монтаж.
pРемонт плат.
t Общие модули обучения:
pЭлектроника.
pОбработка данных.
pКоммутация с разделением времени.
pДругие.
Каждый модуль включает теоретические курсы и практические занятия.
В настоящее время курсы читаются на английском, французском и испанском языках.
8.3 ОРГАНИЗАЦИЯ РЕМОНТНЫХ РАБОТ
Все неисправности обнаруживаются системным ПО и о них сообщается персоналу эксплуатации и техобслуживания. В зависимости от природы неисправности, соответствующий блок может быть изъят из эксплуатации автоматически или вручную по команде оператора.
Как только дефектная плата будет обнаружена ПО АТС, ее необходимо заменить другой платой, взятой из запасного комплекта.
Состав запасного комплекта определяется, исходя из местных условий.
t Объем оборудования, находящегося в эксплуатации.
t Условия ремонта.
pремонт на месте,
pремонт во Франции.
t Организация складов запчастей:
pрегиональные склады,
pсклад оборудования.
Дефектная плата затем должна быть отремонтирована и возвращена в комплект ЗИП.
Относительно политики ремонта, Alcatel Telecom предлагает два следующих решения:
t Ремонт на месте с использованием недорогих средств тестирования, удобных и несложных в обращении. Это означает, что заказчик может отремонтировать большинство плат, опираясь на свои собственные возможности, что обеспечивает высокую степень независимости от поставщика. Кроме того, это позволяет ему избежать стандартной процедуры пересылки всех дефектных плат на ремонтный центр поставщика, что является немаловажным, учитывая тот факт, что транспортные расходы зачастую превышают стоимость ремонта.
t Централизованный ремонт - для ремонта плат, требующих более сложных и, следовательно, более дорогостоящих средств тестирования. Этим централизованнным уровнем может быть собственный централизованный ремонтный цех заказчика, если он имеет широкую сеть Alcatel 1000 E10. Альтернативой может служить пересылка плат на заводы Alcatel Telecom во Францию.
Система Alcatel 1000 E10 была спроектирована по принципу аппаратной и программной надежности в сочетании с обеспечением легкости устранения неисправностей. Использование новейших технологий позволило существенно сократить число типов печатных плат, причем все платы обеспечивают очень высокую надежность и легкость тестирования.
Использование компонентов, широкодоступных на международном рынке, служит дополнительной гарантией для заказчика.
9. ТЕНДЕНЦИИ ДАЛЬНЕЙШЕгО РАЗВИТИЯ
Архитектура системы Alcatel 1000 E10 является открытой, модульной и распределенной. Новые разработки в области компонентов и ПО могут легко вводиться в систему. Заказчикам гарантируется максимальный потенциал развития, допускающий эволюционирование системы с целью удовлетворения будущих потребностей в новых телекоммуникационных службах, включая движущиеся картинки с высокой разрешающей способностью и цветное телевидение высокой четкости.
Возможные направления развития включают увеличение внутренней мощи и/или количества управляющих станций и использование локальных сетей с очень высоким быстродействием, основывающихся на FDDI- и ATM-технологиях, позволяющих получать производительности порядка 5 миллионов BHCA (попыток телефонных вызовов в часы пиковой нагрузки) и выше.
Аналогичным образом, службы с высокой производительностью могут быть обеспечены путем добавления независимого Широкополосного Общего Модуля (BBCM), предоставляющего коммутируемые службы абонентам по выделенным сетям, независимым от Сети общего пользования, а также функции доступа к узкополосной АТС Alcatel 1000 E10.
Абоненты широкополосных услуг могут подсоединяться к узлам абонентского доступа, поддерживающим волоконно-оптические линии, работающие при 34, 140 и 155 Мбит/с.
Например, одна или несколько АТС Alcatel 1000 E10 в сочетании с BBCM могут предоставить:
t узкополосные услуги Alcatel 1000 E10,
t широкополосные услуги BBCM,
t доступ абонентов BBCM к узкополосным услугам Alcatel 1000 E10.
АТС BBCM является первым в серии широкополосных устройств, которые постепенно будут усиливать данную систему по мере развития синхронных цифровых сетей и использования ВОЛС в сети абонентских линий.
ATM : Асинхронный режим передачи
AUC : Центр установления аутентичности
BBCM : Широкополосный общий модуль
ВНСА : ЧНН
BS : Базовая станция
BSC : Контроллер базовой станции
BSM : Шина MП-станции
BTT : Утроенная временная база
CN : Цифровой концентратор
CNE : Выносной цифровой концентратор
CNL : Местный цифровой концентратор
CSN : Абонентский блок цифрового доступа
DCM : Стандарт цифровой сотовой радиосвязи
EMI : Электромагнитные помехи
ETSI : Европейский институт стандартов связи
FTAM : Протокол доступа и управления для передачи файлов
GSM : Глобальная система для мобильной связи
HDLC : Управление каналом передачи данных высокого уровня
HIS : Интерфейс синхронизации
HLR : Постоянная база данных абонента
HYP : Гипервизор
ICNE : Интерфейс CNE
ILR : Интерфейс LR-линии связи
IN : Интеллектуальная сеть
IOC : Интерфейс ОСВ283
ISDN : Цифровая сеть с интеграцией служб
ISO : Международная организация по стандартизации
ISUP : Подсистема пользователя ISDN
IT : Временной интервал
LAN : Локальная сеть (ЛС)
LAPD : Протокол доступа канала D
LOCAVAR : Программа отслеживания локализации
LRE : входящая LR- линия матрицы
LRS : исходящая LR-линия матрицы
MAL : Шина аварийной сигнализации
MAS : Шина доступа управляющей станции
MCX : Центральная коммутационная матрица
MIS : Межстанционная шина
ML : Программная машина
ML SM : Программная машина MП-станции
MMC : Интерфейс человек-машина
MTP : Подсистема передачи сообщений
NT : Терминал сети
NMC : Центр управления сетью
OA&M : Эксплуатация администрирование и техобслуживание
OMC : Центр эксплуатации и техобслуживания мобильной сети
OCB283 : Блоки коммутации и управления системы Alcatel 1000 E10
OSI : Взаимосвязь открытых систем
РАВХ : УПТС
PCM : Импульсно-кодовая модуляция
PGS : Панель общего контроля
PLMN : Наземная мобильная сеть общего пользования
PSTN : Коммутируемая телефонная сеть общего пользования
PUP : Первичный процессор
PUS : Вторичный процессор
RAM : ЗУПВ
RCP : Пункт радиоуправления
SCP : Точка управления услугой
SCCP : Подсистема коммутации и управления сигнализацией
SCSI : Интерфейс малой компьютерной системы
SDH : Синхронная цифровая сеть
SM : Мультипроцессорная станция
SMA : MП-станция сервисного блока
SMC : Управляющая MП-станция
SMM : MП-станция техобслуживания
SMT : MП-станция ИКМ-окончания
SP : Пункт сигнализации
STP : Транзитный пункт сигнализации
STS : MП-станция синхронизации и временной базы
SS7 : Сеть сигнализаци №7 МККТТ
SSP : Точка коммутации услуг
TAP : Функция обработки вызовов
TASC : Центр дистанционной помощи
TAX : Функция тарификации
TCAP : Прикладная подсистема возможностей взаимодействия
TMN : Сеть управления телекоммуникациями
TS : Временной интервал
TUP : Абонентская телефонная часть
UCN : Цифровое устройство управления
UCX : Блок управления и коммутации
VAN : Сеть с добавленной стоимостью
VLR : Регистр посетителя соты
ALCATEL CIT оставляет за собой право изменять эту информацию без уведомления; причиной этих изменений могут быть технические усоверщенствования или новые правила.
Похожие рефераты:
Организация интеллектуальной сети в г. Кокшетау на базе платформы оборудования Alcatel S12
Применение на судовых станциях автоматических идентификационных систем
Архитектура сотовых сетей связи и сети абонентского доступа
Модернизация телефонной сети в сельской местности Республики Казахстан
Техническая диагностика средств вычислительной техники
Организация производства дистанции сигнализации и связи
Математическое моделирование услуг Интернет
Разработка системы оперативно-диспетчерского контроля и управления канала
Коммутатор цифровых каналов системы передачи
Базовый процесс обработки вызовов
Сигнализация в сетях железнодорожной связи
Разработка системы управления технологическим сегментом сети
Совершенствование метрологического обеспечения измерений в турбокомпрессорном цехе Узюм-Юганской ГКС