| Похожие рефераты | Скачать .docx |
Реферат: Сигнализация в сетях железнодорожной связи
СИГНАЛИЗАЦИЯ В СЕТЯХ СВЯЗИ
Введение
В книге предпринята попытка обобщенного и до некоторой степени формализованного описания систем сигнализации в российских телефонных сетях. Следует сразу же отметить практически полную с технической точки зрения идентичность (по крайней мере, на момент написания данной книги) этих сетей и телефонных сетей других независимых государств, ранее входивших в СССР. Все вместе эти сети составляют значительную часть глобальной телефонной сети, охватывающей весь земной шар.
Изложение материала начинается с рассмотрения эволюции протоколов сигнализации в телефонных сетях, основ классификации различных способов сигнализации (глава 1). Там же предлагается определить само понятие сигнализации как системы жизнеобеспечения сети связи, преобразующей инертную совокупность коммутационных узлов и систем передачи в мощный механизм предоставления услуг связи.
При описании разнообразных протоколов сигнализации автор старался следовать принципу «бритвы Оккама», сформулированному английским философом Уильямом из Оккама (1281-1349) следующим образом: «Сущности не следует умножать без необходимости». Насколько это удалось - судить читателю, а для реализации такого подхода в главе 2 приведена базирующаяся на языке спецификаций и описаний SDL методология представления протоколов сигнализации. Первый параграф этой главы построен следующим образом: в начале приводится введение в SDL, достаточное для понимания остального материала книги, а затем рассматриваются некоторые концептуальные понятия SDL-92, полезные для более детальных спецификаций протоколов сигнализации. Тот же прием использован в следующем параграфе, посвященном языку MSC, на котором написаны сценарии обмена сигналами в следующих главах книги.
Наибольшее внимание уделено специфическим российским системам сигнализации. В главе 3 рассмотрены протоколы сигнализации по двум выделенным сигнальным каналам, а в главе 4 - имеющая аналогичную логику система сигнализации по трехпроводным аналоговым соединительным линиям. Глава 5 посвящена описанию весьма распространенных в российских сетях одно- и двухчастотных систем сигнализации, а глава б- многочастотным системам сигнализации и, в частности, многочастотной сигнализации' методом «импульсный челнок». Вероятно, именно благодаря этому протоколу сигнализации, использующему частоты, совпадающие с частотами протокола R1, и логику, близкую к протоколу R2, совокупность описываемых в параграфах 3.2,3.3 и 6.1 протоколов сигнализации получила весьма остроумное фольклорное наименование «R полтора»).
Глава 7 посвящена различным протоколам сигнализации по одному выделенному сигнальному каналу, используемым в сельских телефонных сетях (код «норка», индуктивный код).
Функционирование российских телефонных сетей связано с некоторыми уникальными процедурами обслуживания вызовов, включая вмешательство телефонистки междугородной станции в разговор вызываемого абонента, автоматическое определение номера вызывающего абонента (АОН) и др. Эти специфические процедуры обслуживания вызовов рассматриваются в главе 8.
Глава 9 отличается от других глав, содержащих анализ реально функционирующих в российских телефонных сетях систем сигнализации и процедур обслуживания вызовов. Кратко рассмотренные в главе 9 международные системы сигнализации, включая упомянутые выше R1 и R2. представляются также отнюдь не бесполезными для читателя. Интерес к этим протоколам обусловлен не только и не столько тем, что они иногда встречаются в российских сетях, а преемственностью технических идей, сходством путей эволюции протоколов сигнализации и очевидной эффективностью их международной унификации.
Наиболее объемная глава 10 относится уже к другому поколению протоколов - к общеканальной сигнализации № 7. Первоначально многие формулировки этой главы были написаны в будущем времени, однако в процессе подготовки рукописи автор с удовольствием переписывал их в настоящем времени по мере того, как протоколы из перспективных превращались в реальную прагматику проектирования сетей связи. Другим положительным фактором (даже с учетом отмеченных в тесте особенностей национальных версий протоколов) является та самая международная унификация, сожаление об отсутствии которой так часто выражается в других главах книги.
Последняя глава- 11 посвящена различным инструментальным средствам анализа, тестирования и конвертации протоколов сигнализации. В первом параграфе этой главы приведены некоторые математические формулы для определения периода сканирования комплектов сигнализации, расчета емкости пучков соединительных линий, оценки вероятностно-временных характеристик процедур обработки сигнализации и т. п. Если читатель увидел аналогию между этим предупреждением и известной надписью над воротами платоновской Академии: «Не сведущий в математике да не входит в этот дом», то это не так. Все результаты приведены на инженерном уровне строгости, а для более глубокого изучения этой проблематики предложены ссылки на соответствующую литературу.
Все источники, в той или иной мере использованные при написании книги, приведены в списке литературы, однако ссылки на эти источники делаются только в том случае, если ознакомление с ними, по мнению автора, будет способствовать более глубокому изучению тех или иных вопросов, рассматриваемых в книге.
В книге широко используется и обобщается опыт, накопленный автором и его коллегами по Ленинградскому отраслевому научно-исследовательскому институту связи (ЛОНИИС), являющемуся на протяжении всей своей 80-летней истории головным институтом СССР и России в области местных телефонных сетей. Высокий профессионализм сотрудников и стимулирующая творческая атмосфера в ЛОНИИС, а также доброжелательная поддержка администрации института являлись решающими факторами в подготовке данной книги.
Особо следует отметить значительный вклад Л.Слуцкого в обсуждение самой идеи этой книги и в разработку материалов, вошедших затем в ряд глав. Лишь его переход на работу в компанию Siemens (Германия) вынудил автора в одиночестве пройти тернистый путь написания этой книги. Н.Сибирякова скрупулезно проверила SDL-диаграммы и описания большинства глав, исправив целый ряд ошибок, неизбежных для материалов такого рода. Аналогичная редакторская работа для других глав была выполнена Н.Апостоловой, И.Ехриелем и Р.Рерле. Некоторые сотрудники института также оказали автору неоценимую помощь при подготовке книги, и, не имея возможности назвать всех, автор прекрасно осознает, что без их усилий эта книга еще долго не появилась бы у читателя.
Автор также благодарен коллегам из зарубежных компаний Siemens, Nortel, AT&T, Tadiran, Italtel, Alcatel, NEC, LG, Daewoo, Telrad, Samsung, GDK, Hanwha, Harris, Kapsch, 'Rolm, Qualcomm и др., которые своими глубокими и проницательными вопросами, возникавшими в процессе адаптации коммутационного оборудования этих компаний к российским телефонным сетям, часто заставляли автора заново переосмысливать и лучше понимать представленные в книге спецификации и алгоритмы.
Если читатель найдет что-либо интересное и/или полезное в представленном труде, значительную роль в этом сыграли упомянутые выше коллеги. Что же касается огрехов и неточностей, то все они целиком на совести автора, который будет благодарен всем читателям, которые обнаружат эти недостатки и сообщат свои впечатления, замечания и пожелания по улучшению книги.
СПИСОК СОКРАЩЕНИЙ
АОН - автоматическое определение номера
АТС - автоматическая телефонная станция
ВСК - выделенный сигнальный канал
ЗСЛ - заказно-соединительная линия
ИКМ - импульсно-кодовая модуляция
МККТТ - Международный консультативный комитет по телеграфии и телефонии. В настоящее время преобразован в ITU-T
СЛ - соединительная линия
СЛМ - соединительная линия междугородная
ASN.1 - Abstract Syntax Notation One - язык спецификаций AT&T - American Telephone and Telegraph Company, США;
DTMF - DialToneMultifrequency-многочастотныйнаборномера
'IN - Intelligent Network-интеллектуальная сеть
INLOC - Incoming Local-блок обработки входящих местных вызовов
INTOL - Incoming Toll - блок обработки входящих междугородных вызовов
ISUP - ISDN User Part- подсистема пользователя ISDN
ITU - International Telecommunication Union- Международный союз электросвязи
MFS - Multifrequency Shuttle - блок многочастотной сигнализации «импульсный челнок», MFR - многочастотный приемопередатчик
MSC - Message Sequence Chart - диаграммы последовательных сообщений, язык спецификаций
МТР - Message Transfer Part- подсистема передачи сообщения ОКС-7
ОМАР - Operations, Maintenance and Administration Part - подсистема эксплуатации, технического обслуживания и административного управления ОКС-7
OSI - Open Systems Interconnection - модель взаимосвязи открытых систем
OTLOC - Outgoing Local - процесс обработки исходящих вызовов
PICS - Protocol Implementation Conformance Statement – утверждение согласования реализации протокола
PIXIT - Protocol Implementation Extra Information forTesting-дополнительная информация по тестированию реализации протокола
SCCP - Signaling Connection Control Part-подсистема управления соединениями сигнализации ОКС-7
SCP - Service Control Point-узел управления услугами
SDL - Specification and Description Language - язык SDL
TCAP - Transaction Capabilities Application Part-подсистема управления возможностями транзакций ОКС-7
Глава 1
ПРИНЦИПЫ СИГНАЛИЗАЦИИ В ТЕЛЕФОННЫХ СЕТЯХ
Только тогда можно понять сущность вещей, когда знаешь их происхождение и развитие. Гераклит Эфесский
1.1. ИСТОРИЧЕСКИЕ АСПЕКТЫ И ОСНОВНЫЕ ПОНЯТИЯ
Необходимость сигнализации по межстанционным соединительным линиям, как и сама концепция концентрации телефонной нагрузки в коммутационных узлах и станциях, совершенно естественно вытекают из невозможности организации непосредственного соединения каждого с каждым для миллионов абонентов, желающих связаться друг с другом. Непреодолимые экономические ограничения обусловили иное построение телефонных сетей на базе коммутационных станций, связанных между собой соединительными линиями. И хотя существует конечная вероятность отказов из-за отсутствия свободных соединительных путей, такой концептуальный подход устраивает подавляющее число абонентов с учетом приемлемой стоимости услуг связи.
Термин «автоматическая телефонная станция» (АТС) возник в эпоху ручных телефонных станций (1880-1910 гг.) и связан с изобретением А.Б. Строуджера из Канзас-Сити. Сменившая ручные станции эпоха электромеханических АТС (1910-1960 гг.) включала этапы шаговых АТС, машинных систем и координатных АТС, а в 1960 г. сменилась эпохой электронных АТС. Электронные системы коммутации, в свою очередь, также успели пройти три этапа развития: пространственная коммутация аналоговых сигналов с управлением по записанной программе (1965-1975 гг.), временная коммутация цифровых сигналов с централизованным программным управлением (1975-1985 гг.) и цифровые АТС с распределенным микропроцессорным программным управлением и распределенной цифровой коммутацией после 1985 г. Предполагается [105], что последняя технология будет использоваться до второй декады XXI века с постепенным внедрением широкополосной коммутации, новых стандартов и протоколов, но с сохранением концепции системы общеканальной сигнализации №7 в качестве базы развития всемирной телекоммуникационной сети.
В России эпоха ручных телефонных станций началась с подписанной в ноябре 1881 г. телеграфным департаментом Министерства внутренних дел концессии на строительство и эксплуатацию телефонных сетей общего пользования в Петербурге, Москве, Варшаве, Одессе, Риге сроком на 20 лет. Однако, не приступая к строительству, владелец концессии инженер фон-Баранов перепродал все права Телефонной компании Белла (США), которая построила, оборудовала и открыла в 1882-1883 гг. на указанных условиях телефонные сети в этих пяти городах. На этих станциях устанавливались однопроводные коммутаторы системы Гилеланда.
Первые российские ручные телефонные станции были изготовлены на заводах Уфимской губернии (Симка-завод, Аша-Балашовский завод и Миньярский завод), что, может быть, послужило одним из поводов для выбора места производства электронных АТС типа МТ-20 [96].
К началу 1917 г. телефонная сеть России включала 232 тыс. абонентов, половина которых находилась в Петрограде и Москве. В последующие годы были уничтожены помимо всего прочего 2/3 этой номерной емкости, и к 1922 г. общее количество абонентов составляло лишь 89 тысяч. В это время народный комиссар почт и телеграфов В.Н. Подбельский в своей работе «Почта, телеграф и телефон» [81] писал: «Мы должны поставить телефон Советской России на высшую ступень технического совершенства. Это бесспорно. Мы должны выработать такую организационную форму в управлении телефонным дедом, при которой достигалась бы максимальная возможность управлять этим делом с наименьшей тратой сил и с наибольшим результатом в смысле расширения строительства и планомерного управления телефонным делом - это также бесспорно. Но бесспорно и то, что эта работа является для нас не целью, а лишь ступенью к тому, чтобы предоставить телефон в пользование широких народных масс».
Читатель, вероятно, уже оценил фантастическую актуальность этих лозунгов сегодня, спустя восемь десятков лет, откуда можно сделать вывод, что цели были верны, хотя средства выбирались не всегда удачно. Если это так, то у него (читателя) есть возможность все сделать лучше. Развитие телекоммуникации, как и других отраслей науки и техники, руководствуется древней восточной мудростью «Дорогу осилит идущий», и если данная книга, хоть как-то окажется полезной на этом пути, автор будет считать свою задачу выполненной.
Так или иначе, на протяжении всей своей истории телефонная сеть России и СССР развивалась и росла, оставаясь одной из крупнейших сетей в мире. На рисунке 1.1 и в таблице 1.1 представлены темпы этого развития.
Первая автоматическая телефонная станция емкостью 6000 номеров была пущена в эксплуатацию в Ростове-на-Дону в 1929 г. [52]. В конце второй мировой войны Министерством связи СССР и промышленностью была разработана АТС-47 декадно-шаговой системы. В связи с этим полезно вспомнить, что английский патент на АТС с шаговым искателем еще в 1895 г. получили российские инженеры М.Ф. Фрейденберг и С.М. Бердичевский-Апостолов. В 1954 г. заводом «Красная заря» и Ленинградским отраслевым научно-исследовательским институтом связи (ЛОНИИС) было создано новое поколение станций декадно-шаговой системы - АТС-54.
В 1957 г. в Ленинграде была установлена первая автоматическая подстанция координатной системы емкостью 100 номеров. Позднее в ЛОНИИС под руководством профессора Б.С. Лившица совместно с заводом «Красная заря» была разработана АТС координатной системы большой емкости, и в 1967-1968 гг. на Калининском проспекте в Москве была смонтирована автоматическая телефонная станция координатной системы на 30 тыс. номеров. Координатные АТС разработки ЛОНИИС производились также в ГДР и Чехословакии.
Сегодня в эксплуатации на городских телефонных сетях Российской Федерации все еще находятся эти декадно-шаговые АТС (АТС-47 и АТС-54) и координатные АТС (АТСК, АТСКУ, АТСК-100/2000, ПСК-1000), составляющие порядка 25% и 60% емкости ГТС, соответственно. Оставшиеся 15% представляют собой квазиэлектронные и современные электронные цифровые станции. Общая монтированная емкость сельских телефонных сетей составляет 3.8 млн. номеров, обслуживаемых в основном АТС координатной системы типов АТСК 100/2000 и АТСК 50/200.

Типовая структура городской телефонной сети (ГТС) представлена на рис. 1.2. Здесь показана телефонная сеть крупных городов, например, Москвы или Санкт-Петербурга. Такая сеть характеризуется наличием 7-значной закрытой нумерации и обеспечивает включение до 8 миллионов абонентских линий. В рамках ГТС каждая местная АТС имеет связи, как минимум, с одной междугородной станцией и с несколькими местными АТС, а также, возможно, с транзитными узлами входящих и/или исходящих сообщений, узлом спецслужб УСС и др.

Рис. 1.2. Типовая структура ГТС
Телефонные сети очень сложны как с точки зрения организации обслуживания вызовов, так и с точки зрения других технологий, необходимых для предоставления разнообразных услуг абонентам. Для выполнения всех этих функций требуется наличие сигнализации между коммутационными узлами и станциями сети электросвязи. Сигнализация обеспечивает возможность передачи информации внутри сети, а также между абонентами и сетью электросвязи.
Так что же такое сигнализация? По образному выражению Р. Мангерфилда [121], сигнализация - это кровеносная система сетей электросвязи, которая поддерживает совместное существование коммутационных узлов и станций в сети для обеспечения функций обслуживания абонентов. Без сигнализации сети мертвы, а с введением эффективных систем сигнализации сеть становится мощным средством, с помощью которого абоненты могут общаться друг с другом и пользоваться все расширяющимся спектром услуг электросвязи. Характерной особенностью протоколов сигнализации является их быстрая эволюция. Существующие еще сегодня системы сигнализации, являющиеся просто механизмом передачи базовой информации, постепенно заменяются более мощными протоколами передачи данных, обеспечивающими беспрепятственную и эффективную передачу информации между коммутационными узлами и станциями в сети.
1.2. КЛАССИФИКАЦИЯ ПРОТОКОЛОВ СИГНАЛИЗАЦИИ
Межстанционная сигнальная информация передается различными способами, которые можно разделить на три основных класса.
Первый класс - это способы передачи сигналов непосредственно по телефонному каналу (разговорному тракту), называемые иногда «внутриполосными» системами сигнализации. По телефонным каналам (физическим цепям) сигналы могут передаваться постоянным током, токами тональной частоты, индуктивными импульсами и др.
Второй класс - сигнализация по индивидуальному выделенному сигнальному каналу (ВСК). Как правило, в таких системах обеспечиваются выделенные средства передачи сигнальной информации (выделенная емкость канала) для каждого разговорного канала в тракте передачи информации. Это может быть 16-й временной канал в ИКМ тракте, выделенный частотный канал вне разговорного спектра канала ТЧ на частоте 3825 Гц и др.
Третий класс - это системы общеканальной сигнализации (ОКС). В протоколах этого класса тракт передачи данных сигнализации предоставляется для целого пучка телефонных каналов по принципу адресно-группового использования, т.е. сигналы передаются в соответствии со своими адресами и размещаются в общем буфере для использования каждым телефонным каналом, как и когда это потребуется.
Системы сигнализации первых двух классов разработаны для применения в сетях со старыми технологиями, в которых коммутационные узлы и станции являются в основном аналоговыми и используют принцип замонтированной программы. Не только российские телефонные сети, но и большинство национальных сетей электросвязи во всем мире до сих пор включают значительную часть оборудования, использующего эти системы сигнализации. К тому же, даже при внедрении самых современных станций требуется взаимодействие с существующими системами сигнализации. Поэтому описание принципов и самих систем сигнализации первых двух классов составляет значительную часть объема данной книги. При этом описания наиболее распространенных на телефонных сетях России систем сигнализации доведены до уровня формализованных спецификаций и могут служить базой для их реализации в современных цифровых коммутационных узлах и станциях.
Протокол общеканальной сигнализации (ОКС) оптимален для использования в сетях с современными технологиями, основанными на цифровой коммутации и программном управлении, в связи с чем самая объемная глава книги посвящена этому протоколу. Данная книга не претендует на исчерпывающее рассмотрение систем ОКС на уровне спецификаций. Обязательно определяемые в спецификациях режимы функционирования в условиях неисправностей и ошибочных данных, другие технические подробности в значительной степени пропускаются в материалах главы 10 для того, чтобы читатель смог сконцентрировать внимание на принципах протокола ОКС. После объяснения этих принципов спецификации будут восприниматься гораздо легче.
Такой неравноправный подход к описаниям систем сигнализации различных классов объясняется след)тощими причинами. Детальные спецификации систем общеканальной сигнализации, включающие SDL-диаграммы, структуры данных, временные параметры сигналов, сценарии и т.п., разрабатываются и совершенствуются специалистами Исследовательской комиссии 11 Международного консультативного комитета по телеграфии и телефонии (МККТТ), преобразованного в настоящее время в Сектор стандартизации электросвязи Международного союза электросвязи (в английской аббревиатуре ITU-T), и регулярно публикуются в цветных книгах ITU-T, в частности, рекомендации Q.700 в выпусках Желтой, Красной и Голубой книг МККТТ (1981, 1985 и 1989 гг.) и Белой книги ITU-T(1993 г.). Эти спецификации могут быть доступны любознательному читателю наряду с другими книгами по общеканальной сигнализации [121,124]. В то же время SDL-диаграммы, таблицы тайм-аутов, сценарии обмена сигналов и т.п. для специфических российских систем сигнализации по телефонным каналам и ВСК, а также для уникальных процедур определения номера вызывающего абонента (АОН) создавались автором и его коллегами для собственных разработок программно-управляемой коммутационной техники, практически нигде не публиковались, и лишь резко усилившийся в последние годы интерес российских и зарубежных связистов к этой проблематике заставил автора задуматься о целесообразности написания этой книги.
Другой, не менее прагматической причиной такой разницы в уровне детализации описаний является относительная простота логики существующих систем сигнализации, позволяющая их спецификациям уместиться в ограниченном объеме книги и быть легко понятыми читателем.
1.3. ЭВОЛЮЦИЯ ПРОТОКОЛОВ СИГНАЛИЗАЦИИ
Одним из основных факторов, оказывающих влияние на существование описанных выше трех классов систем сигнализации, является обусловленность взаимосвязью систем сигнализации, поддерживаемых той или иной АТС, с используемым в этой АТС принципом управления обслуживания вызовов.
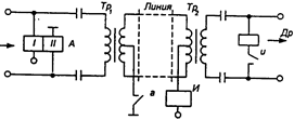
Так исторически сложившиеся системы сигнализации первого класса очевидным образом ассоциируются с аналоговыми декадно-шаговыми станциями, реализующими принципы непосредственного управления. Эти станции состоят из отдельных ступеней искания, каждая из которых имеет свой собственный механизм управления и совмещает тем самым функции управления и коммутации. Упрощенное представление межстанционной сигнализации первого класса показано на рисунке 1.3. Для этих станций в процессе обслуживания вызова линейные и разговорные сигналы проходят один и тот же путь внутри станции, и они также проходят одинаковый путь вне станции по межстанционным соединительным линиям.

Рис. 1.3. Упрощенное представление способов сигнализации непосредственно по телефонному каналу
Передача сигналов по телефонным каналам (физическим цепям) постоянным током может осуществляться гальваническим, шлейфным или батарейным способом.
При батарейном способе сигналы передаются по проводам а, Ь или c с использованием станционных батарей АТС и земли в качестве обратного провода. Более подробно этот способ рассмотрен в главе 4.
При шлейфном способе в отличие от батарейного сигналы передаются в шлейфе без использования земли в качестве обратного провода, т.е. от станционной батареи одной станции. В этом случае возможная разность потенциалов заземлений на передачу сигналов не оказывает влияния. Состояния шлейфа постоянного тока в разговорной цепи обозначают передаваемую информацию. Использование шлейфной сигнализации на межстанционных соединительных линиях ограничено возможной дальностью передачи сигналов постоянным током, необходимостью «обхода» усилителей, не пропускающих импульсы постоянного тока, а также невозможностью работы по каналам систем передачи с частотным разделением каналов (ЧРК). Тем не менее, эти способы нашли применение на городских и сельских телефонных сетях.
Гальванический способ (рис. 1.4) характеризуется тем, что цепи передачи сигналов даже при наличии на линии трансформаторов имеют гальваническую связь. Данный способ передачи сигнализации нашел применение на сельских телефонных сетях при связи сельских АТС с ручными телефонными станциями системы ЦБ, а также для ручных станций системы МБ при связи с АТС, когда станции МБ не оборудованы источниками электропитания напряжением 24 В. Недостатком способа является то, что сигналы управления проходят по обоим проводам линии в одном направлении и поэтому оказывают значительное индуктивное влияние на соседние цепи.

Рис. 1.4. Передача сигналов гальваническим способом
На сельских телефонных сетях нашел применение индуктивный способ передачи сигналов для связи центральной станции с узловыми и оконечными АТС, а также для связи узловой станции с оконечными по физическим двухпроводным соединительным линиям. В качестве приемника индуктивных импульсов используется поляризованное еле. Положительной стороной индуктивного способа является возможность образования "искусственных (фантомных) цепей, что для сельских телефонных сетей ^$ отдельных случаях могло иметь определенное значение. - Сегодняшнее состояние местных телефонных сетей Российской Федерации позволяет автору не рассматривать более подробно шлейфный, гальванический и индуктивный способы сигнализации по физическим линиям. Последний способ будет все же упомянут в главе 7 для объяснения сигнализации по одному выделенному сигнальному каналу (1ВСК) индуктивным кодом. Что же касается батарейного способа сигнализации по трехпроводным соединительным линиям, то ему посвящена целиком глава 4 книги, что обусловлено все еще значительным использованием этой сигнализации на местных телефонных сетях Российской Федерации.
Следующий этап развития коммутационных станций показан на рисунке 1.5. Здесь уже отдельные ступени искания шаговых станций заменяются коммутационными блоками, а для установления соединений и разъединений вводятся специальные управляющие устройства (регистры и маркеры), отделенные от коммутационных приборов. Такая технология позволяет добиться большей гибкости в управлении вызовами и является более экономичной.
Система сигнализации второго класса - сигнализация по выделенному сигнальному каналу (ВСК) - обычно ассоциируется с этим классом станций. Сигнальная информация проходит по тому же пути, что и соответствующий разговор, но они разделены внутри станции. Это представлено на рисунке 1.5, где разговорные телефонные цепи (обозначенные сплошными линиями) организуются коммутационным блоком, а сигнальная информация (обозначенная пунктирными линиями) передается и принимается управляющими устройствами станции.

Рис. 1.5. Упрощенное представление сигнализации по выделенному сигнальному каналу (ВСК) с раздельными блоками коммутации и управления
Появление этого поколения коммутационных станций вызвало также более активное использование различных способов сигнализации переменным током. Все они базируются на сигнала» различной частоты: либо в той же полосе частот, что и разговорные сигналы (от 300 до 3400 Гц), либо в более низкой (менее 300 Гц), либо в более высокой (более 3400 Гц) полосе частот. На рисунке 1.6 показано это распределение полос частот.

Рис. 1.6. Распределение внутри- и внеполосной сигнализации токами тональных частот
Внутриполосная сигнализация предусматривает передачу сигнальной информации по тому разговорному каналу, к которому эта информация относится. Передача сигнальной информации достигается генерацией одного или нескольких тональных сигналов и передачей их по соответствующему разговорному каналу. На другом конце содержание информации анализируется с помощью тонального приемника.
В межстанционных трактах передачи эти сигналы обрабатываются точно так же, как обычная речь - для обработки сигнала используются усилители разговорного тракта, что приводит к гораздо большей дальности использования сигнализации, чем это возможно в системах сигнализации с постоянным током.
Системы внутриполосной частотной сигнализации могут использоваться как для линейной, так и для регистровой сигнализации, причем для регистровой сигнализации более эффективно применение специальной разновидности сигнализации токами тональной частоты - так называемых многочастотных систем сигнализации, рассмотренных в данном разделе несколько позже и описанных в их специфических российских вариантах в главе 6.
Линейная сигнализация токами тональных частот может осуществляться передачей одночастотных или двухчастотных сигнальных посылок. Значение сигнала определяется направлением сигнала, частотой сигнала и соответствующим этапом в процессе установления соединения, в "котором этот сигнал послан. Для линейной сигнализации чаще применяются непрерывные неконтролируемые протоколы сигнализации, для которых факт передачи сигнала обозначается включением/выключением, тональной частоты. Отсутствие взаимного контроля означает, что подтверждение приема сигнала не требуется для прекращения его посылки. Примером такого типа сигнализации может служить система Bell SF (табл. 1.2).
Таблица 1.2. Пример непрерывно неконтролируемой системы сигнализации (система Bell SF)
| Сигнал |
Прямой сигнал |
Обратный сигнал |
| Исходное состояние |
Включен |
Включен |
| Занятие |
Выключен |
Включен |
| Ответ |
Выключен |
Выключен |
| Разъединение |
Включен |
Произвольный |
В импульсных внутриполосных системах сигнализации информация передается тактированными импульсами тонального сигнала. Значение сигнала определяется направлением, длиной импульса и этапом последовательности соединения, в котором передается сигнал. Достоинство импульсного вида внутриполосной сигнализации состоит в том, что возможен больший набор сигналов (позволяющий передать больше параметров), возможны более высокие уровни сигналов (благодаря ограниченной длительности сигналов) и их меньшее влияние друг на друга (опять-таки вследствие их ограниченной длительности). Однако необходимость эффективного распознавания сигналов приводит к тому, что оконечные комплекты сигнализации относительно сложны и дорогостоящи. Типичными примерами импульсных внутриполосных систем сигнализации могут служить российская одночастотная система сигнализации 2600 Гц, детально рассмотренная в главе 5, или английская система сигнализации АС9, представленная в таблице 1.3.
Таблица 1.3. Примеры сигналов в импульсной внутриполосной системе сигнализации (система UK АС9)
| Сигнал |
Тональный импульс (частота 2280 Гц), мс |
| Занятие |
70 |
| Цифры |
60 |
| Ответ |
250 |
| Разъединение |
Более 700 |
Внутриполосные системы сигнализации могут применяться двумя методами: от звена к звену и из конца в конец. При методе сигнализации от звена к звену вся адресная информация обрабатывается в каждой станции. Согласно примеру на рис.1.7, сначала сигналы поступают от АТС А к АТС Б, после чего передатчик АТС А освобождается. Затем АТС Б посылает всю информацию на АТС В, причем каждая станция обрабатывает адресную информацию перед тем, как послать ее к следующей станции.
Для метода сигнализации из конца в конец сигналы между исходящей и входящей АТС передаются прямо по разговорному тракту, без преобразования и/или анализа их в промежуточных коммутационных узлах. Поэтому при сигнализации из конца в конец сигналы (например, сигнал ответа) могут передаваться достаточно быстро. Как показано на рис. 1.8, регистр станции вызывающего абонента (Per) задействуется на все время установления соединения, а маркер станции вызывающего абонента (М) посылает на следующую станцию только информацию, необходимую для маршрутизации вызова. Затем АТС А посылает информацию на АТС В, а регистр на АТС Б освобождается сразу же после завершения маршрутизации от АТС Б к АТС В.
Внеполосные системы сигнализации используются в системах передачи с частотным разделением каналов (ЧРК). В таких системах каждый разговорный канал, обычно размещается в частотном спектре 4 кГц, но для передачи речи используется только диапазон 300-3400 кГц, а для сигнализации - оставшаяся часть частотного спектра 3400-4000 Гц (рекомендуется 3825 Гц). Преимущества внеполосной сигнализации включают возможность передачи сигнала одновременно с передачей речи и ненужность мер для преодоления имитации сигналов обычной речью. Недостаток внеполосной сигнализации в том, что она может применяться только в системах передачи, которые допускают более широкий частотный спектр, чем обычные немультиплексированные системы передачи. В результате она обычно ограничивается только системами передачи с частотным разделением каналов.

Рис. 1.7. Сигнализация по методу от звена к звенуor станции А к станции Б и от станции Б к станции В

Рис. 1.8.
Природа внеполосной сигнализации предоставляет возможность ее использования в многочисленных режимах, включая непрерывный режим и импульсный режим, которые описаны выше для тональной частотной сигнализации. Обычные применения - это непрерывный, не взаимно контролируемый режим в двух модификациях: использующий для свободного состояния включенный тональный сигнал или использующий для свободного состояния выключенный тональный сигнал.
Примером первой модификации с включением тонального сигнала для свободного состояния является линейная сигнализация R2, рассмотренная в главе 9 данной книги. Примером применения второй модификаций с отключением тонального сигнала в свободном состоянии является английская система сигнализации АС8, сигналы которой представлены в таблице 1.4.
Таблица 1.4. Примеры сигналов в системе с передачей свободного состояния отключением тонального сигнала (система UK ACS)
| Сигнал |
Тональный сигнал в прямом направлении |
Тональный сигнал в обратном направлении |
| Исходное состояние |
Выключен |
Выключен |
| Занятие |
Включен |
Выключен |
| Импульс набора |
Включен |
Выключен |
| Ответ |
Включен |
Включен |
| Разъединение |
Выключен |
- |
Системы сигнализации первых двух классов, представленные на рис. 1.3 и рис. 1.5, обладают ограниченными возможностями передачи сигнализации, в частности, ограниченным объемом сигнальной информации (например, ограниченное число состояний шлейфа постоянного тока или ограниченное число комбинаций частот) и ограниченными возможностями передачи (например, невозможно передать сигналы на частоте разговорного спектра на стадии разговора, ,не вызывая неудобств у абонентов или без принятия специальных мер).
Еще одним ограничением, проявившимся по мере развития международной сети связи, было «урезание разговора». Как уже отмечалось выше, для ряда протоколов сигнализации необходимо отделить разговорный тракт во время установления соединения для того, чтобы избежать прослушивания тональных сигналов вызывающим абонентом. Это приводит к задержкам в передаче сигнала «Ответ», и если вызываемый абонент начинает говорить сразу после ответа, то начало его фразы теряется.
Все это послужило историческими предпосылками к созданию третьего, упомянутого в начале параграфа класса способов сигнализации - общеканальной сигнализации, философия которой заключается в отделении тракта сигнализации от разговорного тракта (рис. 1.9).

Рис. 1 .9. Упрощенное представление общеканальной сигнализации
В дополнение к снятию указанных ограничений имелись еще факторы, обусловившие принятие ОКС для национальных и международных сетей связи: быстро развивающиеся методы программного управления узлами коммутации; эволюционный потенциал, заложенный в концепцию системы ОКС, для оперативного добавления новых возможностей в соответствии с новыми требованиями сети. Система ОКС была разработана не только для удовлетворения сиюминутных потребностей тогдашней телефонной сети. Она обладает значительной гибкостью с точки зрения удовлетворения требований, которые возникли позже и могут возникнуть в будущем.
Скептически настроенному читателю, которого до конца не убедили эти рассуждения, автор рекомендует сопоставить материал главы 10 с описаниями протоколов сигнализации в главах 3-9 данной книги.
1.4. СПЕЦИФИЧЕСКИЕ ОСОБЕННОСТИ РОССИЙСКИХ СИСТЕМ СИГНАЛИЗАЦИИ
В начале своей работы МККТТ сосредотачивался на спецификациях международных систем сигнализации, допуская развитие национальных систем сигнализации независимо друг от друга. В наибольшей степени это отразилось на истории построения телефонной сети на 1/6 территории земного шара, что отчасти связано с отсутствием в Советском Союзе особого стремления к соблюдению международных стандартов, по крайней мере, в области телекоммуникаций. Сегодняшним проявлением этого являются специфические межстанционные протоколы сигнализации и процедуры обслуживания вызовов на телефонной сети Российской Федерации, которые вызывают значительные затруднения при внедрении цифровых АТС, при построении сети интегрального обслуживания ISDN, при реализации концепции интеллектуальной сети IN и т.д.
Существующие специфические протоколы сигнализации российских телефонных сетей разработаны с учетом требований координатных и декадно-шаговых АТС и, в основном, сводятся к описанному выше методу сигнализации из конца в конец, который весьма удобен в условиях аналоговой сети, обеспечивающей соединение между абонентами по физическим цепям. Совсем не так обстоит дело в случае цифровых АТС. Здесь метод сигнализации от звена к звену представляется более предпочтительным. Это иногда приводит к парадоксальным ситуациям, состоящим в том, что ранее эксплуатируемые электромеханические АТС могли обеспечивать более высокое качество обслуживания вызовов, нежели заменяющие их цифровые АТС. Причина в том, что существующие протоколы часто не позволяют использовать все преимущества современной технологии, хотя они были весьма удобны для сетей связи электромеханическими АТС. Тем не менее, необходимость поддержки этих протоколов будет являться обязательным требованием к новым цифровым АТС, внедряемым на российских телефонных сетях в ближайшие десятилетия. Далее в главах 3-7 книги сделана попытка объяснить, что такое протоколы сигнализации российских телефонных сетей, как они функционируют, как они могут быть проверены, какова их внутренняя логика и т.п. Здесь же рассмотрены только некоторые наиболее общие факторы.
Одним из таких факторов является наличие двух видов соединительных линий (СЛ) для коммутационных узлов и станций ГТС: местные СЛ и входящие междугородные СЛ, что обусловлено различием в обработке местных и междугородных входящих вызовов и приводит к организации различных пучков соединительных линий на ГТС. Полезно вспомнить в связи с этим рис. 1.2 данной главы, на котором была показана городская телефонная сеть (ГТС) крупного города с семизначной нумерацией и возможностью включения до 8 миллионов абонентских линий (с учетом резервирования цифр «8» и «О» в качестве индекса выхода на междугородную АТС и на узел спецслужб, соответственно). На сельских сетях емкость пучков линий относительно невелика, они более дорогостоящие, их использование гораздо ниже, поэтому чаще используются общие пучки соединительных линий, а различные функции обслуживания вызовов обеспечиваются посредством соответствующих протоколов сигнализации.
Другим существенным фактором при рассмотрении систем сигнализации является сохраняемая до настоящего времени практически на всех местных сетях оплата только междугородных вызовов (вызовов, поступающих через междугородную станцию), а также приоритет в обслуживании междугородных вызовов. Для реализации системы тарификации, существующей сегодня на Взаимоувязанной сети связи Российской Федерации, информация о категории и номере вызывающего абонента должна передаваться на междугородную АТС, которая, в свою очередь, обеспечивает возможность осуществления определения номера вызывающего абонента (АОН) дистанционно в отношении любого абонента местной сети. Принятое для этого техническое решение ориентировано на сети с электромеханическими АТС и обсуждается в главе 8. Более того, обработка входящего междугородного вызова оконечной АТС отличается от обработки местного вызова и соответствует специальному протоколу сигнализации. В частности, входящая местная АТС должна определять состояние вызываемого абонента и передавать эту информацию на междугородную станцию,
Классификация систем линейной сигнализации, распространенных на сельских и городских телефонных сетях, представлена в таблицах 1.5 и 1.6, содержащих перечни наиболее часто встречающихся физических стыков между АТС в первой из упомянутых таблиц, наиболее распространенных протоколов сигнализации во второй таблице. Такое разделение физического и логического описаний систем сигнализации применяется автором во всех главах.
В качестве основного физического интерфейса городских телефонных сетей используется цифровой стык со скоростью передачи 2.048 Мбит/с в соответствии с рекомендациями МККТТ G.703, G.711, называемый Е1, а основной системой сигнализации являются два выделенных сигнальных канала в 16-ом временном канале и с разделенными пучками исходящих, входящих и входящих междугородных соединительных линий. На сельских сетях также более предпочтителен стык ИКМ со скоростью 2.048 Мбит/с, но этот стык используется для универсальных соединительных линий двустороннего действия, а потому применяется другой протокол. На сельских телефонных сетях также могут быть использованы другие виды аппаратуры передачи ИКМ-] 5 (1.024 Мбит/с) и даже ИКМ-12. Использование на сетях ИКМ-12 активно сокращается, но аппаратура ИКМ-15 до сих пор широко распространена, хотя и не согласуется ни с одним международным стандартом.
Следует подчеркнуть, что все эти системы являются сугубо специфическими и практически не совместимы с международными стандартами. Это не распространяется на рассмотренную в главе 10 систему сигнализации по общему каналу ОКС7, уже активно используемую на российских телефонных сетях. Национальные, технические особенности имеют относительно незначительное влияние на реализацию ОКС7. Это обеспечивает внедрение новых цифровых станций в российскую Взаимоувязанную цифровую сеть связи без тех затруднений, которые вызывают приведенные в главах 3-8 протоколы сигнализации.
Таблица 1.5. Некоторые интерфейсы систем сигнализации (физический уровень)
| Тип |
Применение |
Рассмотрен |
Примечание |
| 2.048 Мбит/с ИКМ |
Везде |
Гл.3 |
ГШ-Т G.711, G.703 |
| 1.024 Мбит/с ИКМ |
Сельские сети |
Гл.7 |
Специфический |
| 3/4-проводныс СЛ |
Везде |
Гл.4 |
Специфический |
| 2-проводныс индуктивные |
Сельские сети |
Гл.7 |
Специфический |
| 4/6-проводные СЛ |
Везде |
Гл. 3, 5 |
Специфический Е&М |
Таблица 1.6. Некоторые протоколы систем сигнализации

Специфика существующих протоколов и эффективная эволюция систем сигнализации обуславливают необходимость единой технической политики развития телефонной связи, единых стандартов систем сигнализации и научно-обоснованного плана введения новых протоколов в процессе развития телефонных сетей. Именно поддержке такой технической политики в области телефонных сетей и служат материалы данной книги. Дополнением к этим материалам должны служить методы и инструментальные средства спецификации интерфейсов, нормы, правила и процедуры включения в общегосударственную коммутируемую сеть связи страны, а также набор протокол-тестеров, методик, имитационных и измерительных приборов для тестирования и верификации этих спецификаций.
Наиболее общими спецификациями для каждой функционирующей на телефонной сети коммутационной станции, как следует из рис. 1.19, является документ «Технические условия» (ТУ). В таблице 1.7 приведено примерное содержание ТУ. Этот документ наряду с описанием коммутационного оборудования и области его применения содержит первые, наиболее общие спецификации, выполненные на естественном языке со всеми присущими таким спецификациям недостатками: с неоднозначностью, с невозможностью поддержания семантики описания на одном адекватном уровне детализации и др.
Справедливости ради следует отметить, что эти недостатки ТУ присущи и любым другим текстовым спецификациям. Для разработки интерфейсов систем сигнализации, реализации процедур АОН, стыковки с центром технической эксплуатации и т.п. необходимы более детальные и формализированные спецификации, выполненные с привлечением соответствующих средств - алгоритмических языков, правил построения электрических схем, протокольных сценариев. При этом спецификации аппаратных и программных стыков включают не только и не столько таблицы сигнальных кодов [86,87], но и эффективно дополняющие эти таблицы структурные схемы и диаграммы на языке SDL, таблицы тайм-аутов, сценарии обмена сигналами на MSC. Эти спецификации объединяют накопленные за многие годы результаты измерений телефонных сетей, исторически сложившаяся техническая обстановка на которых требует определенным образом выбирать алгоритм обработки и значение тайм-аута при определении того или иного линейного сигнала.

Рис. 1.10. Упрощенная схема процедуры адаптации коммутационного оборудования
Эффективность использования таких приведенных в книге спецификаций для реализации специфических протоколов сигнализации иллюстрирует рис. 1.11. Хотя исходные данные для рис. 1.11 носят характер экспертных оценок и получены в частных, достаточно узких исследованиях, высокая эффективность использования деталированных спецификаций очевидна.
Таблица 1.7. Примерное содержание документа "Технические условия"
| 1 |
Введение |
| 1.1 |
Предмет Технических условий |
| 1.2 |
Область применения |
| 1.3 |
Общее описание системы |
| 2 |
Технические требования |
| 2.1 |
Емкость станции, телефонная нагрузка, производительность |
| 2.2 |
Типы соединений, основные виды связи |
| 2.3 |
Типы абонентских линий и абонентских установок, категории абонентов и виды услуг |
| 2.4 |
Параметры абонентских линий |
| 2.5 |
|
| 2.6 |
Типы соединительных линий, параметры соединительных линий |
| 2.7 |
Сигнализация по соединительным линиям |
| 2.8 |
Принципы отбоя |
| 2.9 |
Характеристики передачи |
| 2.10 |
Связь с городской телефонной сетью (Г 1 С) ' |
| 2.11 |
|
| 2.12 |
Автоматическое определение номера вызывающего абонента |
| 2.13 |
Тарификация: |
| 2.14 |
Синхронизация j |
| 2.15 |
Эксплуатация и техническое обслуживание –j |
| 2.16 |
Качество обслуживания и надежность |
| 2.17 |
Устойчивость к климатическим и механическим воздействиям |
| 2.18 |
Устойчивость к внешним электрическим и магнитным полям |
| 2.19 |
Запасные части, приборы, измерительные инструменты, приборы и |
| 2.20 |
Услуги ЦСИО. Передача данных и нетелефонной информации |
| 2.21 |
Размещение оборудования |
| 2.22 |
|
| 2.23 |
Программное обеспечение |
| 2.24 |
Электропитание |
| 2.25 |
Состав и содержание документации |
| 2.26 |
Конструкция и монтаж оборудования |
| 3 |
Система оперативно-розыскных мероприятий |
| 4 |
Правила приемки и испытаний |
| 5 |
Методы контроля. Перечень методик и инструкций, используемых при тестировании оборудования, приемке и эксплуатации |
| 6 |
Указания по эксплуатации и техническому обслуживанию |
| 7 |
Упаковка и маркировка |
| 8 |
Гарантии поставщика |
| 9 |
Лист регистрации изменений |

Рис. 1.11. Распределение трудоемкости (стоимости) разработки протокола сигнализации без деталированных спецификаций (1) и с деталированными спецификациями (2)
Реализованная в книге концепция иерархических спецификаций систем сигнализации в некоторой степени соответствует современной спиральной модели развития больших программных систем Б.Боэма [104] и представлена на рис.1.12. Некоторая незавершенность спиральной модели, обусловленная законом непрерывных изменений Биледи и Лемана:
«Используемая система подвергается непрерывным изменениям до тех пор, пока не окажется, что экономически выгоднее ее заморозить и сделать заново», напоминает известные со школьной скамьи философские принципы и внушает определенный оптимизм автору относительно будущей полезности данной книги.
Уровни спецификации по спирали на рис.1.12 различаются не только степенью конкретизации (возрастающей сверху вниз), но и языковыми средствами описания. Следовательно, представление спецификаций на вышестоящем уровне является в известном смысле «общим прародителем» семейств представлений нижестоящих уровней, за исключением первого уровня (уровня Технических условий, использующих естественный язык). На деталированных уровнях проектирования протоколов сигнализации активно применяется графический синтаксис с паскалеобразными нотациями, объединенными специалистами Исследовательской комиссии 10 ITU-T в единый язык спецификаций и описаний SDL.
Методология спецификаций на базе SDL рассматривается в следующей главе.

Рис. 1.12. Спиральная модель процесса реализации систем сигнализации
Изложенный в этой главе подход отнюдь не содержит каких-либо принципиально новых, революционных постулатов. Напротив, вся методология опирается на традиционную схему разработки типа «требование - спецификации - проектирование - тестирование», но при этом ориентируется на более решительную и последовательную формализацию спецификаций интерфейсов с существующей телефонной сетью. Реализация этой совокупности приемов и методов спецификации для различных протоколов сигнализации рассматривается в последующих главах книги. Некоторое подведение итогов в части тестирования реализации систем сигнализации на соответствие формализованным интерфейсным спецификациям приводится в главе 11, завершающей эту книгу.
Такая перестановка акцентов в достаточно традиционной совокупности приемов дает в определенном смысле новое качество и позволяет надеяться, что предпринятая автором попытка может оказаться полезной, если не как руководство к действию, то как одна из возможных точек зрения.
Глава 2
МЕТОДОЛОГИЯ СПЕЦИФИКАЦИИ И ОПИСАНИЯ СИСТЕМ СИГНАЛИЗАЦИИ
Suaviter in modo. fortiter in re, лат. (По способу мягко, а по существу жестко)
2.1. ВВЕДЕНИЕ В SDL-ОРИЕНТИРОВАННУЮ МЕТОДОЛОГИЮ
Данная глава посвящена методологии спецификации протоколов сигнализации телефонных сетей, базирующейся на хорошо известном языке описаний и спецификаций SDL, разработанном Международным союзом электросвязи (ITU-T), в сочетании с двумя другими языками спецификаций ASN.1 и MSC, также предусмотренными Рекомендациями ITU-T серии Z.I 00 в версии Белой книги.
Такой подход обусловлен разумным балансом между выполнением двух основных требований к методологии подготовки спецификаций:
хорошие аналитические и хорошие выразительные возможности. К сожалению, эти два требования обычно находятся в противоречии: чем более выразительной является спецификация, тем более затруднителен ее анализ. Существование двух версий SDL - графической SDL/GR и программоподобной SDL/PR позволило отчасти нейтрализовать эту конфликтную ситуацию.
Существенно для целей настоящей книги и то, что SDL не предусматривает никакой разницы между спецификацией и описанием. Актуальность этого принципа явно прослеживается в материалах следующих глав, являющихся одновременно и описанием протоколов сигнализации в существующей телефонной сети, и спецификациями интерфейсов вновь разрабатываемых или адаптируемых цифровых систем коммутации.
Рассматриваемое в этой главе описание методологии использования SDL ориентировано сугубо на проблематику данной книги и, хотя ни на йоту не отступает от рекомендаций Исследовательской комиссии 10 «Языки, применяемые в электросвязи» ITU-T по состоянию на 1997 г., но и не претендует на полную и всеобъемлющую инструкцию по SDL. Данная глава построена следующим образом: в первом разделе приведено элементарное введение в SDL, достаточное для понимания приведенных в книге диаграмм. Следующий раздел 2.2 посвящен непосредственно связанному с SDL языку MSC, на котором написаны сценарии различных протоколов сигнализации в следующих главах.
В разделе 2.3 приведена дополнительная информация о стандартизации и других современных языковых средствах спецификаций и тестирования протоколов. Этот раздел ориентирован на интересующихся этой проблематикой читателей и не является абсолютно необходимым для понимания дальнейшего материала книги.
Разработка языка SDL (Specification and Description Language) началась в 1972 г. после предварительного исследовательского периода. Первая версия языка была опубликована ITU-T (в то время эта организация называлась Международным консультативным комитетом по телеграфии и телефонии - МККТТ) в 1976 г., последующие версии появились в соответствующих цветных книгах ITU-T в 1980. 1984, 1988, 1992 и 1996 годах [102, 115, 122].
Благодаря отраженному в эпиграфе к данной главе уникальному сочетанию свойств строго формализованного, с одной стороны, и простого в использовании, наглядного и интуитивно понятного языка, с другой стороны, SDL быстро завоевал популярность. Причем не только для спецификаций и описаний собственно телекоммуникационных систем, но и в самых разнообразных промышленных областях, таких как вычислительная техника, аэронавтика и др. В частности, SDL был в Аюран языком спецификаций компании Боинг. Тот же выбор сделан автором для целей данной книги.
Основу языка SDL составляет концепция взаимодействия конечных автоматов. Динамическое поведение системы описывается с помощью механизмов функционирования расширенных конечных автоматов и связей между ними, называемых процессами. Наборы процессов образуют блоки. Блоки, соединенные друг с другом и со своим окружением каналами, в свою очередь, образуют SDL-систему.
Согласно предлагаемой методологии спецификация протоколов сигнализации предусматривает следующие шаги:
• определение границ SDL-системы;
• определение каналов SDL-системы и передаваемых по этим каналам сигналов;
• разбиение системы на SDL-блоки;
• разбиение SDL-блоков на взаимодействующие процессы;
• определение входных и выходных сигналов, состояний и внутренних переходов для каждого из SDL-процессОв;
• составление SDL-диаграмм процессов.
На рис. 2.1 представлен пример SDL-системы, называемой «Соединением» и состоящей из двух SDL-блоков: «Оконечное устройство» и «Станция», соединенных каналами: «абонент», «абонентская линия» и «соединительная линия». В квадратных скобках около каналов находятся списки сигналов, которые могут быть переданы по каналу. Каждый сигнал подлежит точному определению в спецификации SDL с указанием значений типов данных, которые могут быть переданы данным сигналом.

Рис. 2.1. Диаграмма взаимодействия блоков
Каждый блок в диаграмме SDL-системы может быть в дальнейшем разделен либо еще на блоки, либо на набор процессов. Процесс описывает поведение в SDL и является наиболее важным объектом в языке. Поведение каждого процесса определяется расширенным конечным автоматом, который выполняет действия и генерирует реакции (сигналы) в ответ на внешние дискретные воздействия (сигналы).
Такой автомат имеет конечное число внутренних состояний и оперирует с конечным дискретным множеством входов и выходов. Под автоматом с конечным числом состояний понимается объект, находящийся в одном из дискретных состояний S1, S2,..., Sn, на вход которого поступают извне некоторые сигналы I1, I2,..., Im, а на выходе, которого имеется набор выходных сигналов J1, J2,...,Jk. Под влиянием входных сигналов автомат переходит из одного состояния в другое, которое может совпадать с предыдущим, и выдает выходной сигнал. При этом для каждого состояния Si и для каждого входного сигнала Ij однозначно известно, в какое состояние St перейдет автомат, и какой выходной сигнал Jo он при этом выдаст.
В отличие от классического конечного автомата расширенный конечный автомат допускает возможность перехода ненулевой длительности и определяет механизм простой очереди (FIFO) для сигналов, поступающих в автомат в тот момент, когда он выполняет некоторый переход. Сигналы рассматриваются по одному в каждый момент времени в порядке их поступления.
Итак, процесс в SDL-спецификации имеет конечное число состояний, в каждом из которых он может принимать ряд отправленных этому процессу допустимых сигналов (от других процессов или от таймера). Процесс может находиться в одном из состояний или в переходе между состояниями. Если во время перехода поступает сигнал, предназначенный для данного процесса, то он ставится в очередь к процессу.
Действия, выполняемые во время перехода, могут заключаться в преобразовании данных, в посылке сигналов в направлении к другим процессам и т.д. Сигналы могут содержать информацию, которая определяется на основании данных процесса, посылающего сигнал, и используется процессом-получателем вместе с той информацией, которой располагает сам этот процесс. Помимо процессов, содержащихся в рассматриваемой системе, сигналы могут также направляться за пределы системы во внешнюю среду, а также поступать из внешней среды. Под внешней средой понимается все, находящееся вне SDL-системы.
Посылка и получение сигналов, передача с их помощью информации от одного процесса к другому, обработка и использование этой информации и определяют сценарий функционирования SDL-системы. Предполагается, что после выполнения заданного сценария должен быть достигнут определенный результат в поведении специфицируемой системы, в частности, протокола сигнализации. Как правило, ожидаемый результат будет заключаться в том, что в ответ на ряд сигналов, поступающих из внешней среды (например, оконечного станционного комплекта соединительной линии), система должна совершить определенные действия, оканчивающиеся передачей сообщений во внешнюю среду (в этот же станционный комплект соединительной линии и/или в другой программный процесс управления посылкой тональных сигналов, в процесс запроса информации АОН и т.п.).
Пример процесса «Тастатура» приведен на рис. 2.2. Пустой символ в верхнем левом углу означает начало процесса. Он ведет к исходному состоянию, в котором процесс может принять два входных сигнала: «Клавиша» или «Готово». Все переменные являются локальными для процесса. Символы ниже входных сигналов являются символами задачи для внутренних действий процесса. Задача может быть формальной или содержать неформальный текст в одинарных кавычках, как это имеет место на рис 2.2. Под правым символом задачи находится символ выхода:
«Передача (посылка)», который означает передачу сигнала. Содержанием сигнала является значение локальной переменной.
Графические символы SDL, используемые в данном примере и в других главах книги, приведены в первой колонке таблицы 2.1. Рядом помещены соответствующие этим графическим символам понятия и их обозначения в программоподобной версии SDL.
Первые выпуски Рекомендации Z. 100, издаваемые МККТТ, включали специальную линейку-трафарет (шаблон) для рисования SDL-диаграмм с использованием графического синтаксиса SDL. Этот шаблон изображен на рис. 2.3.
В нем присутствуют следующие символы: ввод, вывод, решение, опция, процесс, старт, задача, состояние, коннектор, останов, сохранение.

Рис. 2.2. SDL-диаграмма процесса тастатуры
Символы вызова процедуры, вызова макро и запроса создания конструируются из символа задачи путем добавления необходимых горизонтальных и вертикальных линий.
Символы старта процедуры и входа в макро конструируются из символа старта.
Символ выхода из макро получается из символа коннектора.
Символ возврата из процедуры является комбинацией символов коннектора и останова.
Для компьютерной обработки был ориентирован второй программо-подобный синтаксис SDL. С появлением мощных графических инструментальных средств современных компьютеров актуальность такого разделения постепенно теряется. Эти современные инструментальные средства поддержки SDL включают графические редакторы для диаграмм, трансляторы между диаграммой (графическим представлением) и программоподобным представлением, статические анализаторы для поиска синтаксических ошибок, таких, как неопределенные имена и несовместимые интерфейсы, генераторы кодов, динамические анализаторы и имитаторы для моделирования случайных процессов поступления сигналов и другие средства.

Отношение длины к ширине =2:1. Используются три размера: длина =40мм, 28мм и 20мм. (40/Ö2=28;28/Ö2=20мм и т.д.) Рис. 2.3. Шаблон для вычерчивания SDL-диаграмм
Некоторые инструментальные средства позволяют также проверить моделируемые режимы на соответствие формулам логики, записанным либо в виде временной логики, либо как MSC. В этом случае сценарии MSC служат предикатами в моделируемых SDL спецификациях, которые, в свою очередь, должны включать описания поведения MSC. Динамические анализаторы SDL успешно применяются также для обнаружения тупиковых ситуаций (блокировок) в системах SDL.
Граф процесса в представлении SDL состоит из набора графических символов, соединенных направленными линиями потоков. Каждому символу приписывается имя. Если в диаграмме присутствует несколько символов состояния с одним и тем же именем, то все они означают одно и то же состояние. В символах, представляющих ввод, вывод и сохранение, должно присутствовать имя соответствующего сигнала. Аналогичным образом текст помещается в символах задачи и решения.
При соединении символов в диаграммы необходимо соблюдать определенные правила соединения. Эти правила следующие:
• за символом состояния может следовать только символ ввода или символы ввода и сохранения;
• символ ввода (сохранения) может следовать только за символом состояния;
• за символом ввода может следовать любой (одам) символ, кроме ввода и сохранения;
• за символом задачи или вывода следует любой (один) символ, кроме ввода или сохранения;
• за символом решения следует n (ns2) символов, которые могут быть какими угодно, кроме символов ввода, сохранения;
• за символом сохранения не следует ничего.
Рисунок 2.4. иллюстрирует вышеприведенные правила построения SDL-диаграмм процесса.
Указатели стрелок требуются всякий раз, когда сходятся две линии связи или когда линия связи входит в OUT-соединитель или символ состояния. Указатели стрелок запрещаются на линиях связи, входящих в символы ввода. При всех других обстоятельствах указатели стрелок являются необязательными.
Существуют следующие правила при вычерчивании и чтении графических SDL-диаграмм, которым автор пытался следовать в данной книге: обычная последовательность чтения диаграмм - сверху-вниз и слева-направо; диаграммы должны быть краткими, детализация диаграмм должна осуществляться в процедурах, макро и т.п.; связный сегмент диаграммы по возможности представляется на одной странице; текст предпочтительно размещать в символах, а если это не удается - в символах расширения текста.

Рис. 2.4. Допустимые соединения символов в SDL-диаграмме
Ниже рассматриваются основные объекты SDL-диаграмм.
Согласно уже данному определению, процесс в SDL рассматривается как некий объект, который находится в состоянии ожидания получения входного сигнала либо в переходе. Состояние определяется как условие, в котором действие процесса временно приостановлено в ожидании ввода (рис. 2.5).
Решение - выбор одного из альтернативных действий в зависимости от результатов анализа проверки параметров, связанных со входными сигналами, и хранимой в памяти процесса информации, существенных для дальнейшего функционирования процесса. Другими словами, символ решения определяет выбор одного среди нескольких (п^2) путей для продолжения перехода процесса.
Задача - действие внутри перехода, связанное с манипулированием входными или выходными параметрами, работой с памятью, вычислениями и не являющееся ни решением, ни выводом, ни созданием процесса, ни вызовом процедуры или макроса.
Для описания процесса определено еще одно более общее понятие - сохранение, дающее возможность выборочной задержки начала обработки входных сигналов (рис. 2.7), т.е. априорного задания порядка поступления и времени нахождения в очереди. Сохранение используется для обозначения конструкции, сохраняющей сигналы от их потери до того, как их начнут обрабатывать.

Рис. 2.5. Примеры употребления символов состояния

Рис. 2.6. Примеры использования символов вывода
Примечания: а) поскольку х, у и z в этом примере имеют значения 5,10 и 15 соответственно, сигнал S передает значения 8,20 и 14;
б) сигнал S передает три значения - 5,10 и 15.
В диаграммах данной книги используются предусмотренные языком SDL краткие обозначения. К ним относятся звездочка (*) и тире (-) (рис. 2.8, 2.9). Обычно «*» означает «все» или «все, кроме» (* [ ] ), а «-» означает «то же самое».
Тире (•) используется в символе следующего состояния для того, чтобы представить то же самое состояние, что и состояние, с которого начался переход. Интерпретация этого рисунка может быть такой: в любом состоянии процесса сигнал «Сообщение» может быть принят. При-

Рис. 2.7. Пример SDL - диаграммы с использованием символа сохранения

Рис. 2.8. Пример использования «*»

Рис. 2.9. Пример использования тире в символе следующего состояния
ем вызовет посылку сигнала «Ответ», и переход закончится в состоянии, в котором начался. Следует подчеркнуть, что пользоваться краткими обозначениями нужно с осторожностью, т.к. использование «*» и «-» может изменить смысл диаграммы настолько, что это приведет к непредсказуемому результату.
Дивергенция внутри перехода в диаграмме SDL может возникнуть в одной из следующих ситуаций: между символом состояния и соответствующими ему символами ввода и сохранения; после символа решения;
после символа опции (рис. 2.10).

Рис.2.10. Пример дивергенции после символа опции Точка конвергенции не может возникнуть между вводом или сохранением и символом состояния, но может возникнуть в любой другой точке SDL - диаграммы (рис. 2.11).

Рис.2.11. Пример использования конвергенции
В рамках тематики данной книги описанную выше иерархию описаний (SDL-система, блок, процессы, каналы, сигналы) представляется полезным продемонстрировать на более реальном примере SDL-спецификаций одночастотной системы сигнализации 2600 Гц, которая будет детально рассмотрена в главе 5. На рис. 2.12-2.14 приведены фрагменты SDL-спецификаций линейной сигнализации на внутризоновой сети, например, между центральной станцией (ЦС) или сельско-пригородным узлом (У СП) и междугородной станцией (АМТС) по заказно-соединительным линиям (ЗСЛ) и соединительным междугородным линиям (СЛМ). При всей фрагментарности этих спецификаций они достаточно наглядно иллюстрируют предлагаемый подход.
Далее в заключительной части параграфа отмечаются некоторые более общие свойства используемой в книге версии SDL-92 и перспективы ее развития.

Рис.2.12. Диаграмма взаимодействия блоков для системы одночастотной сигнализации
Введение объектно-ориентированных свойств стало основным дополнением SDL-92 по сравнению с SDL-88. В сфере объектно-ориентированных разработок SDL-92 соответствует новым промышленным стандартам, таким как C++ в программировании.
Определение процесса можно повторно использовать, определяя его как тип, путем добавления ключевого слова тип и двух интерфейсов (шлюзов), которые описывают принимаемые и передаваемые сигналы. Это иллюстрирует рис. 2.15, являющийся развитием рис. 2.2, приведенного в начале этого параграфа.

Рис.2.13. Структура блока обработки одночастотной сигнализации на SDL для входящего соединения по СЛМ
Тип может быть разделен на подтипы, и типы могут определяться как объекты (экземпляры в SDL). Объектно-ориентированные свойства SDL включают защищенные переопределения в подтипах (называемые виртуальными), общие типы (называемые параметризованными типами) и понятия библиотеки для типов (называемые пакетами).
Использование различных инструментальных средств в SDL породило требование: способность передачи SDL-диаграмм между различными платформами различных инструментальных систем. Это особенно важно для организаций, занимающихся стандартами, в первую очередь - для различных исследовательских комиссий самого ITU-T. При этом край-' не желательно сохранение основной графической информации при переводе спецификаций SDL от одной инструментальной платформы к другой.

Рис.2.14. Фрагмент SDL-диаграммы процесса обработки входящего вызова одночастотной системы сигнализации 2600 Гц по СЛМ
Разрабатываемый проект единого формата взаимообмена (Common Interchange Format - CIF) базируется на текстуальном представлении, SDL/PR, и включает вопрос минимальной передачи такой графической информации, которая позволяет пользователям распознавать спецификации. Передача ограничена человеческим фактором распознавания, т.е. информацией постраничной организации и относительным позиционированием; детали при этом опускаются. Планируется, что CIF будет передавать только законченные элементы спецификаций, такие как система, блок и диаграммы процесса.
С точки зрения дальнейшего развития SDL достаточно сложно обеспечить равновесие между требованием стабильности текущей версии языка, которое разделяют специалисты других исследовательских комиссий ITU-T, промышленных организаций, НИИ и администраций связи, давно использующих SDL, и интересами новых пользователей SDL.
По мнению автора, до 2000 г. не ожидается появления новой версии SDL. Относительно же сегодняшних представлений о будущей версии SDL-2000 можно отметить, что их основой является упрощение языка. В настоящее время в ITU-T обсуждаются некоторые идеи по разработке SDL-2000, конспективно изложенные ниже.

Рис. 2.15-Процесс тастатуры как тип
SDL имеет широкий набор концепций структурирования, и при этом они иногда используются в разных целях и часто перекрываются. Основная из этих концепций - концепция процесса может в принципе заменить остальные концепции: системы, блока и сервиса. Это сделает язык проще, но потребует дополнительных руководящих принципов для применения концепции процесса в различных целях, например, для системного структурирования и для описания поведения. Возможность такого упрощения становится очевидной при определении объектно-ориентированных свойств SDL-92, где многое повторяется для каждой из четырех концепций структурирования (система, блок, процесс, сервис).
Определение типов данных основано на принципе ACT-ONE, который одинаков в SDL и в языке LOTOS. При введении этого принципа полагалось, что это наилучший способ для формализованного описания системы данных. Хотя этот принцип действительно весьма привлекателен теоретически, однако в практических применениях значительная часть данных почти никогда не используется. Последнее также иллюстрируется слабой поддержкой этого принципа существующими инструментальными средствами SDL. Версия языка SDL-92 была дополнена ACT-ONE с более традиционным алгоритмическим подходом, а новая рекомендация Z. 105 идет дальше и предписывает определение данных в SDL, основывающееся на стандарте языка ASN. 1. Но, к сожалению, и этот алгоритмический подход, и описание данных по Z.I 05 преобразуются затем в семантическую модель, основанную на том же принципе ACT-ONE. Во время работы над SDL-92 стало ясно, что привлекательные свойства объектного ориентирования, такие как общие типы и полиморфизм, достаточно сложно совместить с принципом ACT-ONE. В связи с этим имеется очевидная тенденция к отходу в будущем от имеющейся зависимости в описании данных от принципа ACT-ONE. Сегодня трудно предположить направление этой тенденции, разве что можно ожидать в последующей версии SDL-2000 более полный переход kasn. 1, чем это сегодня предусматривает рекомендация Z.I 05.
Объектно-ориентированные свойства SDL-92 делают SDL привлекательным для спецификаций и описаний систем в соответствии с моделью Открытых Распределенных Процессов (Basic Reference Model of Open Distributed Processing - ODP) [114]. Однако необходимость совместимости SDL-92 с предыдущими версиями SDL привела к усложнению интерпретации некоторых концепций ODP в SDL-92, например, в адресации одиночного интерфейса к объекту. Хотя упомянутое выше обобщение концепции процесса и может привести к решению некоторых из этих проблем в SDL-2000, но, в целом, соответствие ODP также потребует значительных усилий.

Рис.2.16. Стандарты ITU-T для описания телекоммуникационных протоколов в книге
В заключении этого параграфа, посвященного непосредственно языку SDL, на рис. 2.16 представлена последовательность использования стандартов Исследовательской комиссии 10 ITU-T для описания телекоммуникационных протоколов в данной книге. Эта последовательность состоит из трех базовых элементов: текстовые описания систем сигнализации, диаграммы SDL, специфицирующие режимы поведения процесса обработки этой сигнализации и сценарии обмена сигналами и сообщениями на языке MSC, рассматриваемом в следующем параграфе.
2.2. СЦЕНАРИИ ПРОТОКОЛОВ СИГНАЛИЗАЦИИ НА ЯЗЫКЕ MSC
В рамках рассматриваемой в книге методологии, представленные в предыдущем разделе, формализованные описания на языке SDL эффективно дополняются спецификациями в виде карт последовательностей сообщений (MSC) в соответствии с рекомендацией Z.I 20 Сектора стандартизации электросвязи Международного союза электросвязи (ITU-T). Язык MSC также дает возможность предварительного описания процессов на фазе подготовки SDL-спецификаций. Представления в форме MSC обладают большой наглядностью и могут переводиться в SDL форму. При этом возникает также и обратная задача перевода из SDL в MSC, что особо важно при отладке готового программного обеспечения и тестировании протоколов. MSC-описания легко использовать в качестве шаблонов, по которым работают имитаторы программного обеспечения обработки вызовов и протокол-тестеры систем сигнализации.
Основное использование MSC в книге - создание сценариев обмена сигналами между различными процессами или объектами. Получающиеся описания представляются настолько удобными для читателя, что автор старался использовать их при описании практически всех протоколов в последующих главах книги.
Для описания протоколов сигнализации применяются следующие элементы языка MSC:
1. Момент (Instance)
2. Сообщение (Message)
3. Вентиль (Gate)
4; Тайм-аут (Timeout)
Графического синтаксиса часто оказывается недостаточно для наглядного графического представления, в связи с чем графические сценарии могут сопровождаться информационным объяснением на мета-языке, строящемся на тех же формах Бэкуса-Наура (BNF - Backus-Naur Form) со следующими мета-конструкциями:
Contains (содержит)
is followed by (сопровождается)
is associated with (связан с)
is attached to (присоединен к)
above (над)
set (установить)
Отличие этих конструкций от обычных BNF состоит в некоторых дополнительных логических и геометрических соотношениях между аргументами, которые автор вынужден оставить за пределами настоящей книги в силу ограниченного объема последней. Тем не менее, из приведенных ниже примеров основные правила станут понятны читателю.
Основные символы, используемые в MSC, приведены в таблице 2.2.
Существует три типа комментариев в MSC, причем первый определяется в текстуальном синтаксисе как note, а третий определяется как символ текста (табл.2.2) с текстовым содержанием.
Размер графических символов может выбираться произвольно.
Таблица 2.2. Основные символы, используемые в MSC


Сценарий MSC может быть разбит на несколько страниц. Разбивка может быть горизонтальной и вертикальной. Если MSC разбивается на страницы вертикально, заголовок повторяется на каждой странице, но последний символ типа должен присутствовать только на последней странице. Страницы должны нумероваться парами: «v-h», где «v»- вертикальный номер страницы, a «h»- горизонтальный. Арабские цифры должны использоваться для вертикальной нумерации, а английские буквы («А»-«Z») для горизонтальной. Если этого недостаточно, тогда ряд можно расширить с «АА» до «AZ», «ВА» до «BZ» и т.д. Для каждого типа заголовок должен находиться на первой странице, откуда он начинается, и должен повторяться на всех следующих страницах.
Если сообщения, таймеры, состояния создания или условия продолжаются от одной страницы до следующей страницы, то текст, связанный с сообщением, таймером и т.п., должен быть представлен на первой странице и целиком или частично на следующей.
MSC описывает взаимодействие между каким-либо числом компонент системы и между этими компонентами и окружающей средой.
Для каждой компоненты системы, охватываемой MSC, существует ось требований. Взаимодействия между компонентами системы представлены линиями сообщений. Посылка и прием сообщения - это два асинхронных события. Это предполагает, что в MSC окружающая среда способна принимать и посылать сообщения независимо.
Предполагается, что поведение окружающей среды также подчинено законам MSC. Для каждого события MSC предполагается глобальная ось времени. Вдоль каждой оси отсчет времени идет сверху вниз, однако собственная шкала времени не определена.
Графическое MSC-описание фрагмента процесса OTLOC обработки сигналов для протокола сигнализации по двум выделенным сигнальным каналам (2ВСК), рассматриваемого в главе 3, при попытке установления исходящего соединения в ситуации занятости соединительных путей на встречной станции, приведено на рис.2.17.

Рис.2.17. Описание попытки установления соединеА1я при '*"' занятости соединительных путей
В данном MSC-описании определены процесс OTLOC обработки сигналов; сообщения NEW_CALL (новый вызов), SEIZURE (занятие), АСК (подтверждение занятия), B_NUMBER (номер абонента Б), CONGESTION (занятость промпутей), REJECT (отказ), DISCONNECT (разъединение), RELEASE_GUARD (контроль исходного состояния), IDLE (исходное); вентили 1, 6,9 к программному обеспечению обработки вызовов и все остальные к физическому уровню интерфейса с соединительной линией; тайм-ауты Т1 (ожидание поступления подтверждения занятия) и Т2 (время непроизводительного занятия соединительной линии).
Текстовое представление данного описания выглядит следующим образом:
MSC
instance OTLOC;
1. in NEW_CALL
2. out SEIZURE
set TI
set T2
3. in АСК
reset Tl
4. out B_NUMBER
5. in CONGESTION reset T2
6. out REJECT
7. out DISCONNECT
8. in RELEASE_GUARD
9. out IDLE
end instance
end MSC
Недостаток такого описания заключается в его линейном характере и в невозможности представить на одной диаграмме ветвление алгоритма.
Для того, чтобы представить процесс при различных возможных сценариях, используется так называемая обзорная диаграмма MSC, иногда называемая «дорожной картой». На ней представляются все MSC-сценарии и так называемые условия. Упрощенная «дорожная карта» процесса OTLOC обработки сигналов для протокола сигнализации 2ВСК по соединительной линии ГТС из предыдущего примера представлена на рис. 2.18. MSC-сценарии показаны прямоугольниками, а условия - шестиугольниками.

Рис. 2.18. Упрощенная обзорная диаграмма MSC обмена сигналами по соединительной линии ГТС
Подобная карта близка к более широко применяемому методу описаний - граф-схеме алгоритма и позволяет легко перейти от набора MSC-сценариев к SDL-диаграмме, поскольку условия можно представить в виде SDL-состояний, а MSC-сценарии представляют собой последовательности сигналов, переводящих процесс из состояния в состояние, и задач, выполняемых при этих переходах.
При этом отдельные MSC-сценарии, представленные на «дорожной карте» в виде прямоугольников, могут входить в конкретные сценарии типа изображенной на рис. 2.17 MSC-процедуры.
К достоинствам описания процессов при помощи MSC относятся исключительная наглядность и легкость, с которой могут быть проверены протоколы, специфицированные таким методом. Достаточно сказать, что тестовые сценарии получаются путем слияния MSC-спецификаций разрабатываемого процесса и имитатора протокола.
Именно подобным образом разработаны протокол-тестеры российских систем сигнализации, используемые для отладки программного обеспечения цифровых АТС, предназначенных к установке на телефонных сетях СНГ, и рассмотренные в заключительной главе книги.
Это может быть проиллюстрировано на приведенном выше примере сценария MSC Cong на рис. 2.17. Тестирование выполнения данной спецификации должно осуществляться имитатором протокола по сценарию MSC Sim, изображенному на рисунке 2.19.

Рис. 2.19. Сценарий работы имитатора протокола обмена сигналами по СЛ при занятости промпутей
В приведенном описании определен момент SIGTEST. Сообщения SEIZURE, ACK, BJMUMBER, CONGESTION, DISCONNECTION, RELEASE_GUARD были введены для сценария MSC Cong. Сообщения SZ_IND (индикация занятия), DIGITS (цифры номера), DIS_IND (индикация разъединения) и PASSED (тест прошел) дают информацию оператору о прохождении соответствующих этапов испытаний.
Сообщения CONG_IN (команда на передачу сигнала о занятости соединительных путей) и RLG_IN (команда на передачу сигнала «Контроль исходного состояния») поступают от оператора. Вентили 1,3,4,7,8,11 -к физическому уровню интерфейса с соединительной линией, а 2,5,6, 9, 10, 12 - к интерфейсу с пользователем (оператором). Таймеры Т1‘ и Т2’ обеспечивают тайм-ауты для ожидания соответствующих сигналов.
Текстовое описание процесса тестирования выглядит следующим 1 образом:
MSC
instance SIGTEST
1. in SEIZURE
2. out SZ_IND
3. out ACK
setT1’
4. inB_NUMBER
reset Т1’
5. out DIGITS
6. inCONGIN
7. out CONGESTION
setT2'
8. in DISCONNECTION
reset T2'
9. in RLG_IN
10. out RELEASE_GUARD
11. out PASSED
end instance
end MSC
Проведя процедуру слияния (Merge) сценариев рис, 2.17 и 2.19, получаем результирующий сценарий MSC Cong Test.
MSC Cong Test = MSC Cong II MSC Sim
При этом целесообразно ввести момент USER (оператор), описывающий интерфейс с пользователем. Сценарий MSC Cong Test приведен на рис. 2.20.

Рис.2.20. Сценарий проверки обмена сигналами при занятости соединительных путей
Итак, SDL-диаграммы, описанные в предыдущем параграфе, являются источником тестовых последовательностей, представляющих собой набор MSC-сценариев. Именно по набору такого рода сценариев проводится проверка правильности отработки протоколов сигнализации, описанных в книге. Эти же сценарии положены в основу работы протокол-тестеров из главы 11. С помощью этих протокол-тестеров сообщения о сбое в сценарии (получен не тот сигнал, который ожидался, или сигнал не пришел до срабатывания тайм-аута), поступающие оператору, позволяют провести не только проверку, но и отладку указанного программного обеспечения.
2.3. СТАНДАРТИЗАЦИЯ МЕТОДОВ СПЕЦИФИКАЦИИ И ОПИСАНИЯ СОВРЕМЕННЫХ ТЕЛЕКОММУНИКАЦИОННЫХ АРХИТЕКТУР
Современные телекоммуникационные архитектуры и создаваемые для них новые протоколы сигнализации вызвали необходимость в дополнительных языках их спецификаций и описаний: ASN.l (Abstract Syntax Notation One) для протоколов модели Взаимодействия открытых систем (ВОС или OSI в английской аббревиатуре), TTCN (Tree and Tabular Combined Notation) для создания тестовых сценариев при тестировании конформности в рамках телекоммуникационных архитектур, GDMO для информационных моделей в рамках архитектуры ТМN и др. Проблемы стандартизации, развития и совместного использование SDL, MSC и этих языков для спецификаций и описаний новых телекоммуникационных Архитектур составляют предмет настоящего параграф|. — Как уже отмечалось во введении, данный параграф может быть пропущен без ущерба для понимания дальнейшего материала книги. Для читателя, готового, несмотря на сделанное предупреждение, продолжить рассмотрение этой чрезвычайно важной задачи стандартизации методов разработки телекоммуникационных систем, полезно прежде определить, какая стандартизация в этом параграфе рассматриваться не будет.
А именно, не будет рассматриваться используемая российскими НИИКБ система ГОСТов ЕСКД, традиционно сопровождавшая НИОКР в областях телекоммуникации и вычислительной техники вплоть до присвоения литеры 01 «посмертно» большинству из них и породившая целый ряд трудно объяснимых сегодня силлогизмов типа «калькодержатель» (насилие не только над языком, но и над здравым смыслом). С другой стороны, необходимость стандартизации в электросвязи была осознана еще в 1865 г., когда был основан Международный союз электросвязи -МСЭ (в книге используется и английская аббревиатура этой международной организации - ITU - International Telecommunications Union). В настоящее время ITU является агентством Организации Объединенных Наций и состоит из трех секторов: сектора стандартизации электросвязи (ITU-T), сектора радиосвязи и сектора развития телекоммуникаций.
В области вычислительной техники стандартизация началась со стандартов де-факто и в 50-х годах привела к повсеместному использованию 80-колонных перфокарт в качестве единого для всех систем носителя данных. В 60-х годах была достигнута совместимость накопителей на магнитных лентах и дисках с интерфейсом IBM-360. Затем произошло резкое смещение акцентов на программное обеспечение и наряду со стандартами на операционные системы, программные оболочки и интерфейсы начали разрабатываться стандартные языки спецификаций и описаний. Три из них достигли статуса международных стандартов: SDL, разработанный ITU в 70-х годах, Estelle (IS09074) и LOTOS (IS08807), стандартизованные ISO в 1988 г.
Интенсивное взаимопроникновение информационных (компьютерных) и телекоммуникационных технологий (столь бурно развивающееся, что уже сегодня невозможно однозначно ответить на вопрос: не является ли ИНТЕРНЕТ сетью связи общего пользования?) существенно меняет сложившиеся представления о стандартизации спецификации протоколов сигнализации, все более и более преобразуя эти протоколы в чисто программные интерфейсы, строящиеся в терминах идеологии открытых распределенных процессов (ODP).
При этом интересно отметить, что зарубежная телекоммуникационная промышленность традиционно ориентировалась на стандарты де юре, а зарубежная же компьютерная промышленность - на стандарты де-факто. Единодушная техническая политика отечественных предприятий связи и вычислительной техники по этому вопросу уже упоминалась выше.
К необходимости единодушия (правда, не такого) приводит и наблюдающаяся тенденция к интеграции различных телекоммуникационных архитектур. Соответственно возрастает необходимость единообразия нотаций, описывающих различные архитектуры. Впрочем, уже сегодня ни один язык ни в одной архитектуре не используется изолированно. Так, например, TTCN используется совместно с ASN.l, т.к. само тестирование конформности предполагает структуру PDU (Protocol Data Unit), написанную на ASN.l. По совместному использованию SDL и ASN.l уже принята ITU-T рекомендация Z. 105, а по MSC и SDL - рекомендация Z. 120.
Итак, для описаний современных телекоммуникационных архитектур в рамках ITU используются следующие языки: SDL, MSC, ASN.l, TTCN и GDMO. Этот перечень может быть дополнен языком IDL (Interface Definition Language), разрабатываемым OMG (Object Management Group) и ISO, языком ODL (Object Definition Language) из TINA-C, который является расширением IDL и поддерживает современные концепции объектов с разнообразными интерфейсами, групповых объектов, потоковых интерфейсов и описаний QoS (Quality of Service).
Более того, и сам перечень, и каждый язык в нем не перестают развиваться и дополняться. Идеальным вариантом было бы при создании каждой новой архитектуры или, еще лучше - в начале проекта, направленного на создание новой архитектуры, заранее проанализировать, какие протоколы сигнализации и интерфейсы потребуется специфицировать в рамках этой архитектуры и, соответственно, подготовить адекватные языковые средства. Но это вряд ли реально, т.к. для определения интерфейсов уже сразу нужно зафиксировать какие-то конкретные языковые нотации.
Существенно также, что перспективные проекты, например, TINA-С, уже не связываются с какими-либо конкретными архитектурами типа TMN или IN. Протоколы взаимодействия в этих проектах в основном выражаются в терминах прикладных программных интерфейсов (API - Application Programm Interface).
Математические основы для упомянутых в данной главе стандартных средств спецификаций и описаний телекоммуникационных систем составляют следующие общие модели из теории конечных автоматов (расширенных конечных автоматов, машин сообщений), сетей Петри, алгебраических моделей абстрактных типов, теории множеств, логики предикатов, временной логики и др.
Одним из основных используемых совместно с SDL языков является ASN.l (Abstract Syntax Notation 1). Он предназначен в основном для спецификации данных и является признанным стандартом для описания данных в протоколах ISO, строящихся в соответствии с моделью взаимодействия - открытых систем (ВОС, или OSI согласно английской аббревиатуре) и рекомендаций ITU-Т серии X. Например, ASN.l широко используется в рекомендациях Х.400 и Х.500, при описании протоколов ROSE (Remote Operations: Protocol Specifications, рекомендация Х.229) и ТСАР (Transaction Capabilities, рекомендации Q.771-775 и глава 10 данной книги).
ASN. 1 состоит из двух частей: описания композиционных типов данных и преобразования этих данных в битовые потоки для передачи (правила кодирования/декодирования). Сегодня фактически существуют две модификации языка ASN. 1. Первая модификация определена рекомендацией Х.208, а вторая - рекомендациями Х.680-683, которые должны были заменить Х.208, но до сих пор сосуществуют на равных с ней.
С учетом совместного использования с SDL в контексте данной книги особенно важна рекомендация Z.I 05, основными принципами которой стали следующие тезисы:
• SDL используется для описания поведения и структуры системы, тогда kbkasn. 1 используется для описания данных в дополнение к данным SDL. Данные ASN. 1 используются для спецификации сообщений и порядка их кодирования.
• Версия ASN.l, используемая в Z.I 05, основана на рекомендации Х.680 без расширений, содержащихся в рекомендациях Х.681 -Х.683.
• При совместном использовании необходимо модифицировать и SDL и ASN.l. В SDL наибольшие изменения - это расширения в лексических правилах. Используемый в Z.I 05 язык ASN.l не имеет различий между знаками верхнего и нижнего регистров клавиатуры, и дефис «-» заменяется подчеркиванием «_», что необходимо для обеспечения совместимости этих двух языков.
Значительный интерес представляют графические нотации GDMO (Guidelines for the Definition of Managed Objects). Эти языковые средства определены рекомендацией Х.722 для описания управляемых объектов в TMN (Telecommunications Management Network) и также упоминаются в главе 10 данной книги.
Имеет смысл остановиться несколько более подробно на языке современных протокол-тестеров TTCN (Tree and Tabular Combined Notation). Язык комбинированных древовидных и табличных нотаций TTCN был разработан в ISO для абстрактного описания режимов функционирования и обмена сигналами между тестируемой протокольной реализацией и тестирующей системой. Протокол может быть представлен в форме древовидного графа, отображающего реакции нате или иные входные (в частности - тестовые) сигналы. Как следует из названия, язык TTCN использует табличные представления таких деревьев для описания динамики поведения протоколов, а также дополнительные таблицы для записи самих тестовых сценариев.
Тестер представляет собой тестовый комплект, выполняющий тесты и наблюдающий за результатами. TTCN базируется на концепции верхнего и нижнего тестеров. Набор тестирующих компонент, взаимодействующих с тестируемой системой (IUT - Implementation Under Test) в точках управления и наблюдения (РСО - Point of Control and Observation) через интерфейс нижнего уровня, называется нижним тестером (LT - Lower Tester). Набор тестирующих компонент, взаимодействующих с тестируемой реализацией (IUT) в точках управления и наблюдения (РСО) через интерфейс верхнего уровня, называется верхним тестером (UT - Upper Tester).
Система должна содержать, по крайней мере, одну из тестирующих компонент. Эта компонента будет являться мастер-компонентой (МТС -Master Test Component), ответственной за координацию и управление ходом теста и за вынесение окончательного вердикта. Связь между тестирующими компонентами каждого из тестеров осуществляется через точки координации (СР - Coordination Points). Координация между верхним и нижним тестером осуществляется посредством процедур координации тестирования (TCP - Test Coordination Procedures).
Нижний тестер является более сложным, чем верхний, вследствие необходимости выполнения им функций управления и наблюдения за блоками данных протокола (PDUs - Protocol Data Units). Блоки данных протокола являются частью абстрактных примитивов (ASP - Abstract Service Primitives), которые нижний тестер посылает и принимает во время выполнения теста. Фактически в любой момент времени нижний тестер, исполняя какой-то тест, реализует определенную часть соответствующего протокола.
Для проведения тестирования конкретной системы необходимо специфицировать последовательность взаимодействий или тестовых событий, которые следует подвергнуть наблюдению и контролю в этой системе.
Последовательность таких событий, полностью специфицирующих цель проведения теста, называется тестом (test case). Набор тестов для определенного протокола называется тестовым комплектом (test suite).
Как уже отмечалось выше, TTCN представляет собой нотацию, разработанную для спецификации тестов на абстрактном уровне. Абстрактные тесты содержат всю информацию, необходимую для полной спецификации цели проведения теста (ТР - Test Purpose) в терминах блоков данных протокола, который данная система должна реализовывать в процессе функционирования. Абстрактные тесты не содержат информации, специфичной для конкретной системы. Однако сама нотация как таковая не является абстрактной; определение TTCN достаточно точно, как в части синтаксиса, так и в части семантики операций, что позволяет приблизить TTCN к языку программирования.
На рис. 2.21 показано соответствие TTCN семиуровневой модели взаимодействия открытых систем (OSI), согласно которой требуются спецификации тестов в терминах абстрактных примитивов ASP уровня (N-1), а также в терминах абстрактных примитивов ASP уровня N и блоков данных протокола уровня N. Для того, чтобы удовлетворять таким требованиям, TTCN должен обеспечивать как минимум: возможность спецификации абстрактных примитивов, которые должна принимать или посылать тестируемая система; возможность спецификации блоков данных протокола, которые являются частью абстрактных примитивов; возможность спецификации последовательности, в которой абстрактные примитивы посылаются или принимаются в определенной точке управления и наблюдения (РСО).
Для выполнения перечисленных функций TTCN позволяет:
• декларировать типы абстрактных примитивов и блоков данных протокола;
• декларировать точки контроля и наблюдения;
• специфицировать реальные абстрактные примитивы и блоки данных протокола;
• специфицировать различные варианты поведения системы. Рассмотренные в первом параграфе данной главы методы спецификации протоколов на SDL используют для описания их поведения диаграммы состояний. Однако в связи с тем, что тестирование соответствия

Рис.2.21. Общая архитектура тестирования TTCN
(конформности) в основном ориентировано на наблюдение и управление последовательных взаимодействий в точке интерфейса между уровнями модели взаимодействия открытых систем (в точке доступа к услуге), целесообразно также специфицировать поведение тестируемой системы и в виде дерева, имеющего ветви для всех возможных вариантов последовательностей взаимодействий, которые могут существовать между двумя данными состояниями протокола.
В TTCN такое дерево взаимодействий называется деревом поведения. Структура дерева представляется посредством увеличивающихся уровней отступов для показа продвижения по дереву относительно времени (рис. 2.22).
Узел дерева называется линией поведения. Линия поведения содержит следующие компоненты:
• номер линии,
• метку,
• строку описаний,
• ссылку на ограничения,
• вердикт,
• комментарий линии поведения.
Линии поведения специфицируются в специальных таблицах, называемых таблицами динамического поведения.

Рис.2.22. Представление дерева TTCN посредством сдвига
Поведение тестируемой системы (например, прием или посылка абстрактных примитивов) описывается при помощи описаний TTCN. Описания бывают трех типов:
• события,
• действия,
• квалификаторы.
События. Некоторые описания TTCN могут оказаться успешными или неуспешными в зависимости от наступления тех или иных событий. Существуют два типа событий: входные-события и таймерные события. Пример входных событий - приход абстрактного примитива в определенной точке управления и наблюдения. Таймерное событие представляет собой истечение таймера, специфицированного протоколом. Для событий в TTCN используются следующие описания:
. RECEIVE,
. OTHERWISE,
. TIMEOUT.
Действия. Некоторые описания всегда будут успешными. Такие описания называются действиями, которые исполняются тестовой системой. Предполагается, что они всегда исполняются успешно. Для действий в TTCN используются следующие описания:
. SEND,
. IMPLICIT SEND,
. ASSIGNMENTJJST,
. TIMER_OPERATION,
. GOTO.
Квалификаторы. Строки описаний могут включать описания квалификаторов, то есть булевские выражения. Никакие события не могут совпасть и никакие действия не будут исполнены, пока значение квалификатора не станет равным TRUE.
Как уже отмечалось выше, TTCN был разработан с привязкой к абстрактному синтаксису ASN.l (ISO/IEC 8824:1990). Однако не существует обязательной связи между типами, используемыми в TTCN и в ASN.l. Это позволяет конструировать типы данных, абстрактные примитивы ASP и блоки данных протокола PDU и без использования ASN.l, если разработчик теста не желает этого (например, для протоколов низкого уровня, , для спецификации которых обычно не используется ASN.l). Однако здесь типы данных TTCN рассматриваться не будут.
TTCN поддерживает асинхронную модель связи. Связь между тестовыми компонентами ТС и тестируемой системой ЮТ обеспечивается через точки управления и наблюдения (PCOs - Points of Control and Observation). Связь между самими тестовыми компонентами осуществляется через координационные точки (CPs - Coordination Points).
Для описания модели связи используется система с очередями со следующими свойствами:
• каждая точка РСО/СР имеет две бесконечные очереди FIFO: одна очередь для SEND и одна очередь для RECEIVE,
• ровно два объекта должно быть подсоединено к одной точке РСО или СР,
• очередь SEND одного-объекта является очередью RECEIVE другого объекта, и наоборот.
Описание SEND позволяет создателю теста описать необходимость :
передачи ASP определенного типа через данную точку РСО. Описание SEND обозначается следующим образом: РСО_Identifier ! ASP_Identifier.
Описание RECEIVE позволяет создателю теста описать необходимость приема абстрактного примитива ASP определенного типа в данной точке контроля и наблюдения РСО. Описание RECEIVE обозначается PCO_Identifier ? ASP_Identifier.
ASP задаются в соответствии со стандартным описанием услуги, предоставляемой данным уровнем модели OSI. PDU описываются определениями, заданными в спецификации конкретного протокола. В случае необходимости использования нестандартных PDU они должны быть определены соответствующей таблицей.
Язык TTCN непосредственно связан с рассматриваемыми в главе 11 протокол-тестерами, что и обусловило несколько более подробное (хотя, разумеется, отнюдь не достаточное) его описание в этой главе.
И в заключение настоящего параграфа следует пояснить еще один упомянутый в данной главе подход. Это техника объектного моделирования ОМТ, которая была предложена Джеймсом Рунбаугом в Риме в 1991 ни включает в себя три аспекта системного анализа: объектное моделирование, динамическое моделирование и функциональное моделирование.
Модель объекта ОМТ включает два вида диаграмм: диаграммы класса, которые основаны на хорошо известной системе обозначений взаимоотношений логических объектов, расширенной объектно-ориентированными концепциями операций и наследования свойств, а также диаграммы инстанций, представляющие собой моментальные снимки системы.
Динамическая модель ОМТ также строится из диаграмм двух видов:
диаграмм событий и диаграмм перехода состояний.
функциональная модель состоит из схем информационных потоков, которые основываются на широко известной системе обозначений структурного анализа.
Прослеживаются следующие связи между объектной, динамической и функциональной моделями. В системном анализе объектная модель является центральной моделью ОМТ. Динамическая модель улучшает объектную модель тем, что определяет: когда устанавливаются и удаляются классы, когда вызываются операции с классами, когда имеется доступ к атрибутам и когда создаются, используются и удаляются связи. Функциональная модель предлагает новый взгляд на услуги, обеспечиваемые объектной моделью, путем объединения единичных операций с классами в более крупные процессы или, наоборот, путем детализации сложных операций с классами разбиением на более простые процессы.
ОМТ, как это отмечается самими авторами, не очень подходит для архитектурного проектирования в тестирования, но удобна для разработок информационных систем, примером которой може1 служить база информации СОТСБИ, рассмотренная в последнем параграфе главы 11.
ЛИТЕРАТУРА
1. Аваков Р.А., Кооп М.Ф., Лившиц Б.С., Подвидз М.М. Городские координатные автоматические телефонные станции и подстанции. М.: Связь, 1971.
2. Аваков Р.А., Лившиц Б.С., Подвидз М.М. Координатные АТС. М.: Связь, 1966.
3. Аваков Р.А., Шилов О.С., Исаев В.И. Основы автоматической коммутации. М.: Радио и связь, 1981.
4. Агафонов В.Н. Спецификация программ: понятийные средства и их организация. Новосибирск: Наука, 1987.
5. Апостолова Н.А., Арцишевский В.В., Гольдштейн Б.С., Дымарский Я.С., Сибирякова Н.Г. Научно-технические аспекты организации сертификационных испытаний АТС местных сетей. Электросвязь, 1996.—№10.
6. Архангельская А.А., Ершов В.А., Нейман В.И. Автоматическая коммутация каналов связи. М.: Связь, 1970.
7. Арцишевский В.В. и др. Промежуточные регистры АТС для исходящей междугородной связи по заказно-соединительным линиям. М.: Связь, 1971.
8. Бакалейщик Ф.Б, Брунина Е.А., Зайончковский Е.А. и др. Автоматическая междугородная и сельская телефонная связь. Под ред. Зайончковского Е.А. М.: Связь, 1976.
9. Башарин Г.П., Харкевич А.Д., Шнепс М.А. Массовое обслуживание в телефонии. М.: Наука, 1968.
10. Белоус Б.П. Высокочастотная связь по линиям электропередачи. М.:Госэнергоиздат, 1952.
11. Берглунд С. Новые системы АТС. М.: Связьиздат, 1956.
12. Березович Л.А., Зайончковский Е.А., Узлов Е.Н. Модернизированная аппаратура полуавтоматической связи одночастотной системы для внутриобластных сетей АМСО-60-У. М.: Связьиздат, 1962.
13. Берлин А.Н. Алгоритмическое обеспечение АТС. М.: Радио и связь, 1986.
14. Бернштейн С.С. К анализу алгоритма АТС. Сборник трудов НИИТС,1963.—№12.
15. БлэкЮ. Сети ЭВМ: протоколы, стандарты, интерфейсы. М.: Мир, 1990.
16. Брукс Ф.П. Как проектируются и создаются программные комплексы. Мифический человеко-месяц: очерки по системному программированию. М.: Наука, 1979.
17. Булгак В.Б., Варакип Л.Е., Ивашкевич Ю.К., Москвитин В.Д., Оснпов В.Г. Концепция развития связи Российской Федерации. М.: Радио и связь, 1995.
18. Бухгейм Л.Э., Максимов Г.З., Пшеничников А.П. Автоматическая сельская телефонная связь. М.: Связь, 1976.
19. Вайрадяи А.С., Коровин А.В., Удалов В.Н. Эффективное функционирование управляющих мультипроцессорных систем. М.: Радио и связь, 1984.
20. Васильева Л.С. и др. Усовершенствованные городские координатные АТС типа АТСК-У. Принципы построения. М.: Радио и связь, 1986.
21. Васильченко А.И., Денисьева О.М., Жарков М.А., Стоянов М.Н., Урм Э.Э., Юнаков П.А. Система телефонной сигнализации по общему каналу (система ОКС). М.:Связь, 1980.
22. Ведомственные нормы технологического проектирования. Проводные средства связи. Часть 2. Станции городских и сельских телефонных сетей. М.: Связь, 1980.
23. Вемян Г.В. Качество телефонной передачи и его оценка. М.: Связь. 1970.
24. Вознесенский Б.Н., Зайончковский Е.А., Прытикова З.И., Соловьев Ш.Г. Аппаратура полуавтоматической междугородной телефонной связи. Связьиздат, 1957.
25. Вознесенский Б.Н., Логинов Д.Ф., Гранат М.Б. Промежуточное оборудование для совместной работы АТС машинной и шаговой систем. Связьиздат, 1954.
26. Гантер Р. Методы управления проектированием программного обеспечения. М.: Мир, 1981.
27. Голубев А.Н., Иванов Ю.П., Левин Л.С. Аппаратура ИКМ-ЗОА. Под ред. Иванова Ю.П. и Левина Л.С. М.: Радио и связь, 1983.
28. Голубев А.Н., Лугов М.Ф. Принципы построения ГТС на базе АТС с программным управлением. Вестник связи, 1987. —№8.
29. Гольдштейн Б.С. Технологические аспекты проектирования программного обеспечения цифровых систем коммутации. Электросвязь, 1988.—№10.
30. Гольштейн Л.М., Сосонко С.М. Организация междугородной связи на местных телефонных сетях. Связь, 1976.
31. Гольштейн Л.М., Сосонко С.М. Сельско-пригородные узлы ГТС. М.: Связь, 1973.
32. Григорьев Г.Л. Вопросы совместной работы городских АТС разных систем. Связьиздат, 1961.
33. Гринбаум И.И. и др. Аппаратура автоматического определения номера (АОН). М.: Связь, 1973.
34. Громов Г.Р. Программирование:ремесло, наука, искусство, технология. Микропроцессорные средства, 1985. — №1.
35. Грязное Ю.М., Сагалович Л.И. Городские телефонные станции. М: Высшая школа, 1983.
36. Гуревич В.Э., Лопушнян Ю.Г., Рабинович Г.В. Импульсно-кодовая модуляция в многоканальной связи. М.: Связь, 1973.
37. Гурии А.С., Дроздов Л.В., Могилевский М.М. Телефония. Вое-низдат, 1963.
38. Гюнтер И., Сивере М. Цифровая связь. Техника и организация. Издание Электротехнического института связи им. проф. М.А. Бонч-Бруевича, СПб, 1993.
39. Делтон X. Усовершенствуй свой телефон. Пер.с англ. А.Ковеля под ред.А.Молодяну. М.: Бином, 1995.
40. Дженнингс Ф. Практическая передача данных: Модемы, сети и протоколы. М.: Мир, 1989.
41. Дубровский Е.П. Абонентские устройства ГТС. Справочник. 4-е изд., перераб. и доп. М.: Радио и связь. 1986.
42. Дюфур С.Л., Лутов М.Ф., Скребов Д.Д. Координатные АТС железнодорожного транспорта. 2-е изд., перераб. и доп. М.: Транспорт, 1980.
43. ЕфретоваЕ.И. Системы электронной коммутации. М.: Связь, 1968.
44. Жарков М.А., Кучерявый А.Е. Система общеканальной сигнализации №7. Вестник связи, 1997. —№1.
45. Жданов И.М., Кучерявый Е.И. Построение городских телефонных сетей. М.: Связь, 1972.
46. Жогло В.О., Иванов А.А., Иванов А.П. Квазиэлектронная АТС «Квант». М.: Радио и связь, 1987.
47. Зайончковский Е.А., Пшеничников А.П., Романцов В.М. Автоматическая междугородная телефонная связь. М.: Радио и связь, 1984.
48. Захаров Г.П., Симонов М.В., Яновский Г.Г. Службы и архитектура широкополосных цифовых сетей интегрального обслуживания. Электронные знания. ТЭК. — М.: Эко-Трндз. 1993. — Т.42.
49. Иванова А.А., Кристальный B.C., Фалунин А.Ф. Междугородные телефонные станции. Связьиздат, 1958.
50. Иванова О.Н., Попова А.Г. Электронные и квазиэлектронные АТС. М.:Знание, 1979.
51. Ильин O.K., Розенштейн Н.И. Проектирование международных телефонных станций. М.: Связь, 1973.
52. Китаев Е.В. Телефония. Основы телефонии и телефонных станций ручного обслуживания. Связьиздат, 1958.
53. Клейнрок Л. Вычислительные системы с очередями. М.: Мир. 1979.
54. Ковалева В.Д., Калинина B.IL, Козлов Д.П. Телефония и телефонные станции. М.: Связь, 1967.
55. Коваленков В.И. Телефония. Центральные городские и междугородные телефонные станции. Л.: Издание Кубуч и издательский комитет электротехнического института, 1925.
56. Колбасова В.И., Меламуд Э.А. Система линейной сигнализации ГТС: код передачи линейных сигналов по двум выделенным сигнальным каналам. Электросвязь, 1989.—№1.
57. Коммутируемая телефонная сеть общего пользования (ТФОП). Термины и нормативные документы. Москва, 1988.
58. Кооп М.Ф. Автоматические телефонные станции декадно-шаговой системы завода «Красная заря» (ГАТС-47). Одесса, 1949.
59. Кооп М.Ф., Маркович А.Я., Романцов В.М. и др. Городские телефонные станции. М.: Связь, 1974.
60. Крупнов А.Е., Соколов Н.А. Новые телекоммуникационные технологии в отрасли связи. «Электросвязь», 1995. —№11.
61. Лазарев В.Г. Интеллектуальные цифровые сети. М.: Финансы и статистика, 1996.
62. Левин Л.С., Плоткин М.А. Цифровые системы передачи информации. М.: Радио и связь, 1982.
63. Лезерсон В.К. Связь АТС-47 с междугородной и учрежденческими телефонными станциями. Связьиздат, 1953.
64. Лившиц B.C., Григорьев ГЛ. Основы телефонии и телефонные станции сельской и междугородной связи. М.: Связь, 1966.
65. Лившиц Б.С., Мельников К.П., Фролова А.А. Расчет числа приборов АТС К-100/2000. М.: Связь, 1968.
66. Лившиц Б.С., Новиков Г.А., Фарафонов Л.С. Сельские автоматические телефонные станции. М.: Государственное издательство литературы по вопросам связи и радио, 1958.
67. Лившиц Б.С., Фидлин Я.В., Харкевич А.Д. Теория телефонных и телеграфных сообщений. Массовое обслуживание. Потоки. Теория очередей. Информационные сети. Моделирование. Коммутация. М.: Связь, 1971.
68. Лившиц Б.С., Ханин Г.Б., Семенов И.И. Сельские АТС. М.: Связь, 1975.
69. Лийк Р.Б., Ройтенберг Е.М. Автоматическая телефонная станция декадно-шаговой системы АТС-54. Связьиздат, 1959.
70. Лутов М.Ф., Жарков М.А., Юнаков П.А. Квазиэлектронные и электронные АТС. М.: Радио и связь, 1988.
71. Максимов Г.З., Пшеничников А.П., Харитонова Е.Н. Автоматическая сельская электросвязь. М.: Радио и связь, 1985.
72. Мартьянов Б.К. Междугородные телефонные станции. Связьиздат, 1942.
73. Мартьянов Б.К. Телефонная коммутация. М.: Связь, 1972.
74. Мархай Е.В., Барицкий И.А. Автоматическая телефония. Связьиздат, 1950.
75. Мархай Е.В., Рогинский В.Н., Харкевич А.Д. Автоматическая телефония. Связьиздат, 1960.
76. Меламуд Э.А., Колбасова В.И. Батарейный способ передачи линейных сигналов. Электросвязь, 1989.—№11.
77. Меламуд Э.А., Шапиро С.Б. Сигналы взаимодействия на местных телефонных сетях. М.: Связь, 1970.
78. Меламуд Э.А., Шапиро С.Б., Еликоева Э.К. Организация межстанционной связи АТС К-100/2000. М.: Связь, 1970.
79. Метельский Г.Б. Координатные АТС. Связьиздат, 1961.
80. Мовшович И.Х. и др. Городская координатная телефонная подстанция ПСК-1000. М.: Связь, 1968.
81. Подбельский В.Н. Почта, телеграф, телефон. М.: Госиздат, 1927.
82. Покровский Н.Б. Автоматическая междугородная телефонная станция типа ARM-20. ЛЭИС, 1976.
83. Прагер Э., Трика Я. Электронные телефонные станции. Перев. с чешек. Под ред. Лазарева В.Г. М.: Связь, 1976..
84. Рогинский Н.Р., Збар Н.Р. Железнодорожные автоматические телефонные станции. Трансжелдориздат, 1948.
85. Розенштейн И.И., Портнов М.П. Междугородные телефонные станции. М.: Радио и связь, 1982.
86. Руководящий документ по общегосударственной системе автоматизированной телефонной связи (ОГСТфС).М.: Радиоисвязь, 1982.
87. Руководящий документ по общегосударственной системе автоматизированной телефонной связи (ОГСТфС). М.: Прейскурантиздат 1988.
88. Самуилов К.Е. Система сигнализации №7 - ключевой элемент современных цифровых сетей связи. Сети, 1996. —№11.
89. Соколов Н.А. Эволюция местных телефонных сетей. Изд. ТОО «Типография «Книга», Пермь, 1994.
90. Тарасова Ц.Л., Корнеев А.С. Системы передачи ГТС. М.:Радио и связь, 1981.
91, Фаергеманд О. (Дания), Сарма А. (Германия), Гольдштейн Б.С. (Россия). SDL-92: Анализ современного состояния. Электросвязь, 1995.—№9.
92Фарафонов Л.С., Волкова К.И., Коблец Я.Г., Ройтменберг Е.М. АТС декадно-шаговой системы (АТС-47). М.: Связьиздат, 1951.
93Финклер И.Е. Электроакустические характеристики телефонного тракта. Связьиздат, 1961.
94. Хиллс М.Т. Принципы коммутации в электросвязи. М.: Радио и связь, 1984.
95. Через Запад на Восток - интервью с Министром связи Российской Федерации В.Б. Булгаком. Телевестник, 1992. —№1.
96. Шарипов Ю.К. Электронная автоматическая телефонная станция МТ-20. М.: Радио и связь, 1992.
97. Шляхтер М.И., Бурбанова Э.Н., Полякова М.И. Аппаратура сетей связи. Под ред. Шляхтера М.И. М.: Связь, 1980.
98. Шнепс М.А. Системы распределения информации. Методы расчета. М.: Связь, 1979.
99. Штагер В.В. Электронные системы коммутации. М.: Радио и связь, 1983.
100. Эйдельман Л.Я. Построение релейных соединителей АМТС. Связь, 1967.
101. Эйдельман Л.Я., Сасонко С.М. Нумерация абонентов на автоматизированной телефонной сети Советского Союза. Связь, 1964.
102. Belina R, Hogrefe D., SarmaA. SDL-with Applications from Protocol Specification. Prentice-Hall International. London, 1991.
103. Black Uyless D. Physical layer and related protocols. IEEE Computer Society Press, 1996.
104. Boehm B.W. A Spiral Model of Software Development and Enhancement. Computer, 1988.—Vol.21.—No-5.
105. Chapuis R.J. Present status and trends in digital switching. Telecommunication Journal, 1993. —60. —No.4.
106. David M. Piscitello, A. Lyman Chapin. Open Systems Networking, TCP/IP and OSLAddison-Wesley, 1993.
107. ETSI European digital cellular telecommunication system: Mobile application part specification. ETS 300 044. ETSI. SophiaAntipolis, 1992.
108. ETSI/MTS Methods for Testing and Specification: Use of SDL in European Telecommunication Standards - Rules for testability and facilitating validation. ETS 300 414. ETSI. SophiaAntipolis, 1994.
109. EU CTS Pro], no. 46: Formal description techniques: SDL, LOTOS, CEC DG XIII, Telecommunications, Information Industries and Innovation. Information Industries and Innovation. Information Sheet on Conformance Testing Services (CTS). Brussels, 1992.
110. Faergemand 0., SarmaA. SDL-An Established Language with New Features and Applications. — ISS'95 World Telecommunications Congress, Berlin, April 1995.—Vol.1.
111. Gerard J. Hoizmann. Design and Validation of Computer Protocols, Prentice-Hall, 1991.
112. Goldstein В. and Sloutsky L. Introduction of Modern Telecommunications Equipment in Russia and the New Republics. IEEE Communications magazine, 1995.—Vol.33.—No.7.
113. Goldstein B. Switching EquipmentAdaptation for Russian Public Telephone Network. IEEE Journal on Selected Areas of Communications, 1994.—Vol.12.—No.7.
114. ISO/IEC: Recommendation X.904/ISO 10746-4: Basic Reference Model of Open Distributed Processing - Part 4: Architectural semantics. Turin, 1993.
115. ITU-T: Message transfer part (MTP). Recommendation Q.701-Q.707. Signalling connection control part (SCCP) of Signalling System No.7. Recommendation Q.711-Q.714. Functional description ofthe ISDN user part of Signalling System #7. Recommendation Q.761. Geneva, 1993.
116. ITU-T: Specification and Description Language. Recommendation Z.I 00. Geneva, 1992.
117. Jans H. Queueing System with Clocked Operations and Priorities. 1 Oth International Teletraffic Congress. Montreal, 1983.
118. Jung M.M. Busy period distribution in an SPC processor having a clock-pulse operated gate. Philips Telecommunications, 1991.—Vol.9.—No.2.
119. Kessler Garry C., Southwick Peter V. ISDN concepts, facilities and services. 3-d edition. McCawHill, 1996.
120. Kramer W., Langenbach-Belz M. Approximate Formulae for the Delay in the Queueing System GI/G/1. 8th International Teletraffic Congress. Melbourne, 1976.
121. Linn R.J. Conformance Evaluation Methodology and Protocol Testing. IEEE Journal on Selected Areas in Communications, 1989.—Vol 7 — No.7.
122. Manterfield R.J. Common-Channel Signalling. Peter Peregrinus Ltd._ London, 1991.
123. OIsen A., Faergemand 0., Moller-Pedersen В., Reed R., Smith J.R.W. Systems Engineering Using SDL. Elsevier Science Publishers — North-Holland, Amsterdam, 1994.
124. Pearce J. Gordon. Telecommunications Switching. Plenum Press. — N.Y. and London, 1994.
125. Redl Siegmund M., Weber Matthias K., Oliphant Malcolm W. An Introduction to GSM. Artech House. Boston, London, 1995.
126. Russell Travis. Signalling system #7. McGraw Hill, 1995.
127. Schwartz M. Computer Communication Networks: Design and analysis. Prentice Hall, New Jersaj, 1977.
128. Turner Kenneth J. (Ed.), Using Formal Description Technique: An Introduction to ESTELLE, LOTOS and SDL. John Willey & Sons, 1993.
129. Walters Rob. Computer Telephone Integration. Artech House, Boston, London,1996.
Б.С. Гольдштейн родился в J 1951 году. После окончания в 1973 году ЛЭИС им. проф. М.А. Бонч-Бруевича работает в Ленинградском отраслевом научно-исследовательском институте связи (ЛОНИИС). Начальник научно- исследовательского отделения и заместитель директора института по научной работе,
В 1982 г. защитил кандидатскую диссертацию «Исследование и разработка телефонной операционной системы электронного узла коммутации», а в 1994 г. — докторскую диссертацию «Численные методы анализа и проектирования программного обеспечения систем коммутации».
Лауреат премии «Факел Бирмингема» (Birmingham Torch Award, International Academy ALBA, USA). Являлся редактором выпуска IEEE JSAC, 12, 7 и членом программного комитета Международного конгресса по телетрафику (ITC-15, Washington). Академик МАИ. Член Исследовательской комиссии 10 «Языки программирования» сектора стандартизации Международного союза электросвязи (бывшего МККТТ). Автор более ста печатных работ.
Гольдштейн Борис Соломонович СИГНАЛИЗАЦИЯ В СЕТЯХ СВЯЗИ
Компьютерная верстка М. А. фрост, В. В. Мелешкин ИБ№2804 ЛР№ 010164 от 29.01.97
Подписано в печать 29.07.97.
Формат 70 х 100 Ул.
Бумага офсетная.
Гарнитура тайме. Печать офсетная.
Объем 27 печ. л. Усл. печ. л. 26,5.
Тираж 5000 экз. Зак №3241.
Издательство «Радио и связь», 101000 Москва, Почтамт, а/я 693
Санкт-Петербургская типография №1 ВО РАН 199034, Санкт-Петербург, ВО, 9-я линия, д. 12
Оглавление
Предисловие
Список сокращений
Глава 1
Принципы сигнализации в телефонных сетях
1.1. Исторические аспекты и основные понятия
1.2. Классификация протоколов сигнализации
1.3. Эволюция протоколов сигнализации
1.4. Специфические особенности российских систем сигнализации
Глава 2
Методология спецификации и описания систем сигнализации
2.1. Введение в sdl-ориентированную методологию
2.2. Сценарии протоколов сигнализации на языке MSC
2.3. Стандартизация методов спецификации и описания современных телекоммуникационных архитектур
Глава 3
Сигнализация по двум выделенным сигнальным каналам
3.2. Линейная сигнализация ГТС. Местный вызов
3.3. Линейная сигнализация ГТС. Входящий междугородный вызов
3.4. Сигнализация по универсальным соединительным линиям двустороннего действия
Исходящее местное соединение
Входящее местное соединение
Входящее междугородное соединение по СЛМ
Глава 4
Сигнализация по трехпроводным соединительным линиям
4.1. Основы батарейного способа сигнализации
4.2. Линейная сигнализация: местный вызов
4.3. Линейная сигнализация: входящий междугородный вызов
Глава 5
Одно- и двухчастотные системы сигнализации
5.1. Сигнализация токами тональных частот
5.2. Одночастотная система сигнализации 2600 Гц по исходящим заказно-соединительным линиям (зсл)
5.3. Одночастотная система сигнализации 2600 Гц по входящим междугородным соединительным линиям (СЛМ)
5.4. Одночастотная сигнализация на междугородных и ведомственных телефонных сетях
5.5. Одночастотная сигнализация 2100 или 1600 Гц для полуавтоматической внутризоновой связи
5.6. Двухчастотная сигнализация 1200 и 1600 Гц
5.7. Двухчастотная сигнализация 600 и 750 Гц
Глава 6
Многочастотные системы сигнализации
6.1. Сигнализация «импульсный челнок»
6.2. Сигнализация «импульсный пакет i»
6.3. Сигнализация «импульсный пакет 2»
Глава 7
Сигнализация по одному выделенному сигнальному каналу
7.1. Сигнализация кодом «норка»: местный вызов
7.3. Сигнализация по выделенному сигнальному каналу индуктивным кодом
Глава 8
Специальные процедуры обслуживания вызовов
8.1. Вмешательство телефонистки при занятости вызываемого абонента
8.2. Автоматическое определение номера вызывающего абонента
8.3. Запрос номера вызывающего абонента
Глава 9
Системы сигнализации мкктт
9.1. Системы сигнализации №1, №3, №4, №5
9.2. Система сигнализации Rl
9.3. Система сигнализации R2
Глава 10
Система общеканальной сигнализации №7
10.1. Введение
10.2. Подсистема передачи сообщений мтр
10.3. Подсистема SCCP
10.4. Подсистема ISUP
10.5. Подсистема возможностей транзакций ТСАР
10.6. Подсистема интеллектуальной сети шар
10.7. Подсистемы мобильной связи MAP и BSSAP стандарта GSM
10.8. Подсистемы мобильной связи MUP и HUP стандарта NMT
10.9. Подсистема эксплуатации и технического обслуживания ОМАР
Глава 11
Анализ, тестирование и преобразование протоколов сигнализации
11.1. Анализ вероятностно-временных характеристик сканирования и обработки сигнализации
11.2. Протокол-тестеры российских систем сигнализации
11.3. Конвертеры протоколов сигнализации
11.4. Информационная база систем сигнализации
Похожие рефераты:
Базовый процесс обработки вызовов
Применение на судовых станциях автоматических идентификационных систем
Организация интеллектуальной сети в г. Кокшетау на базе платформы оборудования Alcatel S12
Классификация модемных протоколов
Разработка системы маршрутизации в глобальных сетях(протокол RIP для IP)
Беспроводные телекоммуникационные системы
Модернизация телефонной сети в сельской местности Республики Казахстан
Линейное оборудование синхронной цифровой иерархии SL16
Архитектура сотовых сетей связи и сети абонентского доступа