| Похожие рефераты | Скачать .docx |
Курсовая работа: Вимірювання електричних струмів і напруг
Зміст
1. Розвиток енергетики в Україні
2. Теоретична частина
2.1 Амперметри, міліамперметри, мікроамперметри і гальванометри
2.2 Вольтметри й мілівольтметри
2.3 Амперметри і вольтметри для кіл підвищеної частоти
2.4 Цифрові вольтметри
3. Механічна частина
3.1 Вимірювання струму
3.2 Вимірювання напруги
4. Техніка безпеки
4.1 Основні заходи безпеки під час роботи з електрообладнанням
4.2 Індивідуальні засоби захисту
4.3 Перша допомога потерпілому від електричного струму
Література
1. Розвиток енергетики в Україні
Енергетика — одна з найпотужніших галузей народного господарства України. За розвитком енергетики визначають стан розвитку країни в цілому. Електроенергія сьогодні виробляється на електростанціях різного типу. В Україні працюють теплові, гідро, атомні, вітрові та іншого типу електростанції.
Найбільші теплові електростанції розміщені в Донбасі. Серед них найпотужнішими є Луганська, Миронівська, Старобишівська (по 2,4 млн. кВт кожна), Слов'янська (2,1 млн. кВт), Вуглегірська (3,6 млн. кВт), Курахівська і Штерівська. Тут діє потужна лінія електропередачі Донбас — захід України.
У Придніпров'ї, незважаючи на дещо іншу сировинну базу і наявність гідроресурсів, виробництво електроенергії на теплових електростанціях також переважає. Тут працюють Криворізька ДРЕС (3 млн. кВт), Придніпровська (2,4 млн. кВт) та Запорізька (3,6 млн. кВт). В Енергодарі розміщена Запорізька АЕС. Крім цього енергетичний потенціал Придніпров'я доповнюють три ГЕС на Дніпрі: Дніпровська (538 тис. кВт), Дніпродзержинська (352 тис. кВт) та Кременчуцька (625 тис. кВт).
Потужні електростанції різного типу розміщені поблизу Києва — Трипільська ДРЕС (1,8 млн. кВт), Київська ГЕС (361,2 тис. кВт), Київська ГЕС (225 тис. кВт).
Новий енергетичний район сформовано в західній частині України на базі теплових та автономних електростанцій. Серед них Добротвірська ДРЕС (700 тис. кВт), Бурштинська ДРЕС (2,4 млн. кВт), Рівненська АЕС, Хмельницька АЕС та Дністровська ГЕС (702 тис. кВт).
Південні райони країни найгірше забезпечені електроенергією власного виробництва. З великих електростанцій тут є Південноукраїнська АЕС (4 млн. кВт), Ладижинська ДРЕС (1,8 млн. кВт). Загроза забруднення довкілля стала причиною відмови від введення в експлуатацію фактично збудованої Кримської АЕС та припинення спорудження Одеської атомної теплоелектростанції (АТЕЦ). Тут планується будівництво електростанцій, що використовують енергію вітру, Сонця і термальних підземних вод.
На території України розташовані атомні електростанції (Хмельницька, Південноукраїнська, Запорізька та Рівненська) сумарною потужністю 13 млн. кВт.
Атомна енергетика пропонує екологічно найчистішу технологію виробництва електроенергії. Перевагою АЕС є також стабільність режиму їх роботи. Увімкнена в мережу атомна електростанція дає сталий потік електроенергії.
Зараз електроенергії необхідно все більше і більше, але запаси природного газу, вугілля, нафти обмежені, атомні електростанції недосконалі і їх робота загрожує довкіллю.
Вихід вбачається у використанні нетрадиційних або просто забутих видів енергії — сонячної, вітрової, океанічної, геотермальної. Найбільше енергії може дати сонячне випромінювання. Без шкоди для біосфери можна використати близько 3% сонячного випромінювання, що надходить до Землі. Це дасть енергію потужністю 1000 млрд. кіловат, що у 100 разів перевищує сучасну потужність виробництва енергії в світі. У Криму, поблизу селища Щолкіно, споруджується перша в країні дослідно-промислова геліостанція. Першу вітроенергетичну станцію (ВЕС) потужністю 100 кВт в Україні та й у світі було збудовано в 1931 році поблизу Севастополя. У 1994 р. почала діяти Донузлавська ВЕС, Новоозерна ВЕС, та було розпочато будівництво ВЕС потужністю 500 МВт на сході Кримського півострова. В Україні також створюються вітроенергетичні установки (ВЕУ) потужністю 2000 кВт, які могли б підключитися до енергосистеми.
Серед нетрадиційних видів енергії можливе використання біомаси і створення на її основі біогазу. З'явилися і методи вирощування рослин, які дають нафту.
Нині загальний технічний стан електроенергетики України незадовільний. Це пов'язано з тим, що тривалий час не проводилася модернізація енергетичного господарства.
За рівнем енергоспоживання на одну людину (понад 5 тис. кВт годин на рік) Україна належить до країн, що мають середні показники. Одним з провідних чинників, що обмежує розвиток енергетики в Україні, є екологічний. Викиди становлять 30% всіх твердих часток, що надходять в атмосферу внаслідок господарської діяльності людини. За цим показником електростанції зрівнялися з підприємствами металургії та іншими галузями промисловості. Крім цього енергетика викидає до 63% сірчаного ангідриду і понад 53% оксидів азоту, що надходять в повітря від стаціонарних джерел забруднення.
Щоб зменшити викиди в атмосферу шкідливих речовин, необхідно дотримуватись таких заходів:
1. економити електричну і теплову енергію у всіх сферах діяльності;
2. збільшувати частку природного газу на ТЕС за рахунок зменшення його перевитрат у металургії та інших галузях промисловості;
3. підвищувати ефективність використання різних видів пального;
4. впроваджувати ефективні й економічно виправдані очисні споруди;
5. удосконалювати структуру промисловості.
Негативний екологічний вплив має гідроенергетика, оскільки затоплюються великі площі, підвищується рівень ґрунтових вод навколишньої місцевості, змінюються умови життя водної флори і фауни, в рукотворних морях накопичуються шкідливі відходи і радіонукліди. Якщо врахувати ціну землі, затопленої водосховищем, вартість переселення людей і будівництва на новому місці, то вони абсолютно не співрозмірні з вартістю виробленої електроенергії.
Важливою для України є безпека роботи атомних станцій. Катастрофа на Чорнобильській АЕС перетворила державу на зону екологічної катастрофи. В навколишнє середовище було викинуто близько 1 млрд. Кюрі різних радіонуклідів, забрудненими виявилися цілі області України.
Електричну енергію на електростанціях виробляють генератори, що обертаються паровими машинами, турбінами, двигунами внутрішнього порання. Електричний струм, що виробляється генераторами має частоту 50 Гц. Електростанції переважно будують біля джерел енергоресурсів, оскільки дешевше будувати лінії електропередач і таким чином передавати енергію до споживача. Отже, при побудові електростанцій потрібно враховувати такі фактори:
1. вартість енергоресурсів;
2. будівництво споруд;
3. вартість обладнання;
4. екологію;
5. соціальні аспекти;
6. питання безпеки.
2. Теоретична частина
2 . 1 Амперметри, міліамперметри, мікроамперметри і гальванометри
Амперметри — це прилади для вимірювання електричних струмів. Залежно від величини вимірюваного струму можуть бути дещо відмінними і їхні назви: міліамперметр, мікроамперметр .
Міліамперметр має границю вимірювань струму меншу, ніж один ампер, а мікроамперметр — навіть меншу за один міліампер.
Деякі прилади використовують і для вимірювання значних струмів — кілоамперметри. Слід зауважити, що у міліамперметрів і мікроамперметрів вимірювані струми справді протікають безпосередньо через прилади: у амперметрів — на значні струми, а у кілоамперметрів струм, що позначений на них, ніколи не протікає через коло приладу.
Для вимірювань цими приладами необхідне обладнання, яке б нормовано зменшувало вимірюваний струм до величини, прийнятної для самого вимірювального приладу. При вимірюванні змінного струму — це вимірювальні трансформатори струму , при вимірюванні постійного — це вимірювальні шунти .
Для вимірювання струму використовують також і гальванометри . Це високочутливі електровимірювальні прилади, призначені для вимірювання струмів дуже малої величини — десь від кількох мікроампер до 10-11 А.
Але основне призначення гальванометрів є все ж не вимірювання, а визначення режиму відсутності струму при нульових (зрівноважувальних) методах вимірювань у потенціометричних і мостових схемах.
Амперметри можуть бути виконані на основі вимірювальних механізмів:
· електромагнітної (найпростіші);
· магнітоелектричної;
· електродинамічної;
· феродинамічної або теплової систем.
Електромагнітні, електродинамічні, феродинамічні та теплові амперметри здатні вимірювати постійні та змінні струми. Магнітоелектричні ж амперметри використовують для вимірювання постійного струму. Для вимірювань на змінному струмі ці прилади використовують з напівпровідниковими випрямлячами, але клас точності вимірювань при цьому відносно невисокий (2,5...4,0).
Амперметр електромагнітної системи — це найпростіший і найнадійніший прилад, що може працювати як у колах постійного, так і змінного струму. Струмопровідною у нього є лише обмотка нерухомої котушки, що приєднана до затискачів приладу.

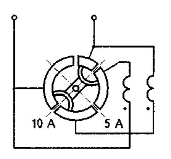
Рис. 1. Схема двограничного електромагнітного амперметра
Переносні електромагнітні амперметри у більшості випадків виконують на дві границі вимірювання. Це досягається відносно простим способом — намоткою котушки двома паралельними проводами і вмиканням цих двох секцій обмотки послідовно для вимірювання меншого струму і, паралельно, для вимірювання більшого струму. Границі вимірювання перемикають перемикачами. Схему амперметра з двома границями вимірювання на номінальні струми 5 і 10 А зображено на рис. 1.
Для розширення границь вимірювання, електромагнітні амперметри ніколи не використовують з шунтами, але ними часто користуються з трансформаторами струму.
Магнітоелектричні амперметри значно складніші й дорожчі за електромагнітні. У них обмотки рамок, що створюють обертовий момент у приладах, розраховані на струми лише у десятки — сотні міліампер, через наявність підводу до них струму через пружини, що мають дуже малу площу поперечного перерізу і нездатні пропускати більш значний струм.
Тому ці прилади завжди мають внутрішній шунт, що пропускає через себе більшу частину струму. Коло ж рамки вимірювального механізму тут використано як мілівольтметр, що вимірює падіння напруги на цьому шунті, пропорційне величині струму, який проходить через шунт. Шкалу такого приладу градуюють у амперах, якщо прилад має одну границю виміру. Але часто магнітоелектричні амперметри виготовляють з універсальними шунтами, придатними для користування з декількома границями вимірів. У цьому разі шкалу градуюють лише неіменованими поділками. Схему такого амперметра наведено на рис. 2.

Рис. 2. Схема магнітоелектричного амперметра
У всіх магнітоелектричних амперметрах, послідовно з обмоткою рамки, ввімкнено резистор, виконаний з манганіну. Це суттєво зменшує похибку приладу, спричинену нагрівом обмотки рамки як протіканням власного струму, так і зміною температури довкілля.
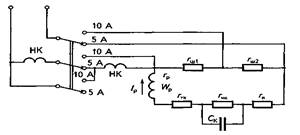
Електродинамічні амперметри в основному використовують як зразкові електровимірювальні прилади. Виготовляють їх на основі електродинамічного вимірювального механізму. Вони однаково придатні як для вимірів на постійному, так і на змінному струмі. Ці прилади за будовою значно складніші за електромагнітні й споживають більшу потужність. Будову електродинамічного вимірювального механізму зображено на рис. 3, о принципову схему електродинамічного амперметра, розрахованого на дві границі вимірювання струму, на рис. 4.

Рис. 3. Вимірювальний механізм електродинамічної системи
Перемикання границь вимірювання струмів в цій схемі виконується перемикачем.

Рис. 4. Принципові схеми електродинамічного амперметра
Особливістю електродинамічного амперметра є те, що його рамка живиться через спіральні пружини, які створюють обертовий момент протидії, але неспроможні витримати скільки-небудь значний струм. Саме тому рамку приєднано до шунта, створеного резисторами r ш1 і r ш2 , так що більша частина вимірюваного струму проходить через шунт (при вмиканні на більшу границю вимірювань — через резистор r ш1 , а при вмиканні на меншу границю вимірювань — через резистори r ш1 і r ш2 ), в рамку ж відгалужується лише частина вимірюваного струму, допустима по нагріванню як для обмотки рамки Wp , так і для спіральних пружинок, що підводять до рамки струм. Послідовно з рамкою ввімкнено резистори r чк і r тк , які виконано з манганінового проводу, що має дуже малий температурний коефіцієнт опору. Ці резистори зменшують залежність величини струму рамки Ір від зміни величини опору рамки r р при її нагріві, незалежно від того, чим викликаний цей нагрів — чи зміною температури довкілля, чи проходженням через рамки струму Ір . Конденсатор Ск разом з резистором r чк є елементами частотної компенсації, яка забезпечує збіг показів амперметра при вимірах на постійному та змінному струмі.
Слід зауважити, що така проста схема компенсації похибки на змінному струмі від наявної індуктивності рамки буває ефективною при вимірах у досить широкому діапазоні зміни величини частоти джерела змінного струму (від кількох десятків до кількох сотень герц).
Феродинамічні амперметри , як і електродинамічні, мають одну чи дві нерухомі обмотки, розташовані на феромагнітному осерді (як показано на рис. 5), і рухому обмотку-рамку, яка живиться через пружинки, не розраховані на проходження по них значних струмів. Тому за схемою феродинамічні амперметри не відрізняються від електродинамічних. Перевагою феродинамічних амперметрів є їхня значно менша споживана потужність, більший обертовий момент і пов'язана з цим більша надійність у роботі. Вони також краще захищені від впливу зовнішніх магнітних полів.

Рис. 5. Вимірювальний механізм феродинамічної системи
2.2 Вольтметри й мілівольтметри
Вольтметр — це прилад для вимірювання ЕРС чи напруги в електричних колах. Він приєднується паралельно з устаткуванням, де бажано виміряти якусь з цих величин.
Вольтметри виконують на основі:
· магнітоелектричних;
· електродинамічних;
· феродинамічних;
· електромагнітних;
· теплових;
· електростатичних вимірювальних механізмів.
Магнітоелектричні вольтметри використовують для вимірів напруг постійного струму. Електродинамічні та електростатичні вольтметри можуть бути використані для вимірювань як на постійному, так і на змінному струмах. Електромагнітні й феродинамічні вольтметри при використанні відповідних матеріалів при їх виготовленні (наприклад, пермалою) та при відповідній технології обробки цих матеріалів також можуть бути використані як на постійному, так і на змінному струмах.
Обмотки вимірювальних механізмів вольтметрів магнітоелектричної, електродинамічної, феродинамічної та електромагнітної систем намагаються виконати з якомога більшою кількістю витків, щоб одержати відхилення покажчика вольтметра до кінцевої позначки шкали при можливо меншому значенні струму, споживаного обмоткою (чи обмотками) вимірювального механізму. Зменшення цього струму дасть змогу зменшити об'єм, масу і вартість приладу.
У всіх вольтметрів (за винятком електростатичних) послідовно з обмотками вимірювального механізму (а у теплових — послідовно з розжарюваним дротом) ввімкнено додатковий опір, виконаний у вигляді котушок чи пластин з обмоткою з тонкого проводу, що має великий питомий електричний опір та малий температурний коефіцієнт опору (це манганін чи константан). Цей додатковий опір змонтовано всередині корпуса вольтметра, поряд з вимірювальним механізмом, чи у частині об'єму корпуса, відокремленого від вимірювального механізму теплоізоляційною перегородкою для зменшення впливу тепла, що виділяється обмотками котушок чи пластин додаткового опору, на вимірювальний механізм.
Додаткові опори, які виконані на пластинах, мають сприятливі умови для охолодження, тому їхня обмотка може бути виконана дротом меншого діаметра, ніж обмотка котушкового додаткового опору. При цьому витрата дроту високого питомого опору буде значно меншою, ніж у котушкового додаткового опору. Це зменшує грошові витрати у виробництві таких опорів. Але ізоляційні пластини, що разом з накладеною на них обмоткою підлягають термічній обробці при температурах, близьких до 100 °С, часто розривають накладений на них з натягом дріт, через відмінні величини температурних коефіцієнтів лінійного розширення пластин і дроту. Через це котушкові додаткові опори слід визнати більш надійними і більш технологічними.
Стаціонарні вольтметри, які встановлюють на щитах і пультах управління, звичайно виготовляють кожний на одну певну величину номінальної напруги і градуюють безпосередньо в одиницях напруги (у вольтах). Якщо стаціонарні вольтметри призначені для використанні з вимірювальними трансформаторами напруги, то їх виконують на напругу повного відхилення 100 В, але шкалу градуюють згідно з напругою первинної обмотки вимірювального трансформатора напруги (частіш за все — у кіловольтах). При цьому на шкалі приладу обов'язково роблять напис, де вказують, з яким трансформатором напруги необхідно користуватися цим вольтметром.
Якщо стаціонарний вольтметр призначено для вимірів з окремим зовнішнім додатковим опором, його також градуюють згідно з наявністю цього опору, а на шкалі робиться попереджувальний напис про вихідні д^ні цього додаткового опору.

Рис. 6. Схема триграничного вольтметра
Переносні вольтметри у більшості випадків виготовляють на декілька границь вимірювання напруги. У цих вольтметрів є декілька внутрішніх додаткових опорів, що послідовно з'єднані як між собою, так і з обмоткою вимірювального механізму. Схему триграничного вольтметра, розрахованого на границі вимірювань 75... 150...300 В, зображено на рис. 6. Зазначимо, що додаткові опори, зображені на схемі R Д1 , R Д2 і R Д3 , в дійсності можуть складатись із кількох котушок (кожний), одну з яких використовують для того, щоб можна було при виготовленні вольтметра підігнати величину загального опору приладу для кожної границі вимірювань до величини, вказаної на шкалі цього приладу.
Вольтметр перемикають для вимірювань при різних напругах шляхом приєднання одного провідника, що підводить напругу від місця вимірювання до відповідного затискача вольтметра.
Звичайно, для безпеки на час перемикання границь вимірів напруги контрольоване цим вольтметром електричне коло необхідно вимкнути з мережі. Щоб кожного разу цього не робити, у багатьох випадках вольтметри виконують з важільними чи кнопковими перемикачами границь вимірювання.
Вольтметри з перемикачами можуть мати дещо складнішу схему. Наприклад, при перемиканнях границь виміру напруги виникає можливість не тільки змінювати величину додаткових опорів, а ще й перемикати з послідовного на паралельне з'єднання секції котушок вимірювального механізму електродинамічних і електромагнітних вольтметрів. Саме для цього котушки цих приладів заздалегідь намотують двома (а то й трьома) проводами паралельно. Такі схеми дають можливість суттєво зменшити потужність, споживану приладом при вимірах відносно високих напруг, порівняно з вольтметрами, схеми яких схожі на схему, що наведена на рис. 6.
Мілівольтметри виконують за найпростішими схемами і частіше за все з однією границею вимірювань напруги. Створюють їх на основі магнітоелектричних вимірювальних механізмів для вимірів на постійному струмі.
Мілівольтметри змінного струму виконують як електронні прилади.
2.3 Амперметри і вольтметри для кіл підвищеної частоти
Для вимірювання струму на підвищених частотах (до 8000... 10 000 Гц) придатні також електромагнітні прилади. В Україні виробляли такі стаціонарні прилади на 1000, 2500 і 8000 Гц. За наявності у них феромагнітних пелюстків рухомої частини з тонкого пермалою, термічно обробленого у вакуумі чи відновлювальному середовищі, та при градуюванні їхніх шкал при струмі номінальної для них частоти, основна похибка цих приладів вкладається у межі, обумовлені їхнім класом точності (а це був клас 2,5).
Переносні амперметри електродинамічної системи також цілком придатні для вимірювань на підвищених частотах, але за наявності частотної компенсації, згідно з тим, як було розглянуто. Саме ці прилади використовують як зразкові при градуюванні та повірках стаціонарних приладів підвищеної частоти. Вибираючи зразковий прилад для вимірів на підвищеній частоті, слід орієнтуватися на позначення величини частоти на шкалі. Необхідно знати, що основна похибка приладу не повинна перевищувати значення, яке відповідає класу точності приладу лише на частоті чи у діапазоні частот, підкреслених рискою. Також треба враховувати, що при роботі приладу в діапазонах частот, позначених на шкалі, але не підкреслених (тобто у розширеному діапазоні частот), прилад може мати ще і додаткову похибку, що має не перевищувати величину похибки, зумовленої класом точності приладу. Тобто при роботі у розширеному діапазоні частот прилад може мати загальну величину похибки, вдвоє більшу за ту, що зумовлена класом точності приладу.
У колах змінного струму промислової та підвищеної частоти дуже часто застосовують випрямні прилади , що являють собою суміщення вимірювального механізму магнітоелектричної системи з напівпровідниковими випрямлячами. Ці прилади виконують комбінованими — здатними вимірювати, при відповідних переключеннях, ще й постійний струм і напругу.
Такі прилади, відомі під назвою «тестери», роблять багатограничними, їх широко застосовують у налагоджувально-ремонтних роботах.
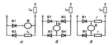
Принципові схеми випрямних приладів, що вимірюють напругу змінного струму за допомогою магнітоелектричних вимірювальних механізмів, зображено на рис. 7.
На цьому рисунку схема (а) забезпечує однопівперіодне випрямлення струму, а схема (б і в) — двопівперіодне. Однопівперіодне випрямлення було б можливим за наявності випрямляча В1, але при цьому випрямляч необхідно розрахувати на повне значення вимірюваної напруги, якщо вимірювальний механізм з випрямлячем буде застосовано у схемі вольтметра. Наявність другого (зустрічного) випрямляча В2 дає можливість використати обидва випрямлячі на величину напруги всього у кілька вольт. Додаткові опори rД розширюють граниш вимірювання напруги.
Всім приладам з напівпровідниковими випрямлячами притаманні дві основні вади: залежність показів від величини температури та від величини частоти.
При підвищенні температури зменшуються величина опору напівпровідників та коефіцієнт випрямлення. При підвищенні частоти наявність ємності випрямлячів призводить до збільшення частки змінного струму, що, не випрямляючись, проходить повз запірний шар напівпровідника. Це зменшує коефіцієнт випрямлення (і показання приладу) зі збільшенням величини частоти.

Рис. 7. Принципові схеми випрямних приладів: а — з однопівперіодним випрямлячем; б, в — з двопівперіодним випрямлячем
Є багато схем температурної та частотної компенсації похибок у випрямних приладах. Компенсація полягає у вмиканні дротяних резисторів, виконаних з мідного проводу, в ділянки кола приладу, де необхідне збільшення опору при підвищенні температури довкілля, та у вмиканні котушок індуктивностей у ділянки, де необхідне збільшення загального опору при підвищенні частоти.
Але у багатьох випадках при створенні випрямних вимірювальних приладів не вдаються до складних схем частотної компенсації, а обмежують діапазон робочих частот величиною, що досягає 1500...2500 Гц, якщо клас приладу на змінному струмі не перевищує 2,5...4,0.
2 . 4 Цифрові вольтметри
Цифрові вольтметри , залежно від принципу перетворення вимірюваної напруги, поділяють на вольтметри прямого перетворення і вольтметри врівноважувального перетворення .
У вольтметрів прямого перетворення величина вимірюваної напруги перетворюється на відрізок часу. Величина цього відрізку визначається цифровим лічильником, який підраховує кількість короткочасних імпульсів незмінної й точно визначеної частоти, які його заповнюють.
Структурно-функціональну схему такого вольтметра зображено на рис. 8, а, де Ux — вимірювана напруга; ВП — вхідний пристрій; АЦП — аналого-цифровий перетворювач; Л — лічильник; ДШ — дешифратор; ПІ — пристрій індикації.

Рис. 8. Структурно-функціональна схема цифрового вольтметра прямого перетворення: а — схема; б — епюри напруг
Вхідний пристрій призначено для визначення знаку вимірюваної напруги і доцільного діапазону вимірювання, що автоматично встановлюється в цьому ж пристрої, а також для встановлення положення коми на цифровому табло пристрою індикації ПІ. Аналого-цифровий перетворювач АЦП призначено для перетворення величини напруги, що вимірюється (чи пропорційної їй), на послідовність імпульсів точно визначеної і незмінної частоти з кількістю імпульсів, визначеною величиною вимірюваної напруги (майже завжди пропорційної їй). Лічильник Л призначено для підрахунку кількості цих імпульсів і вираження цієї кількості у десятковій системі, для передачі одержаного числа на дешифратор ДШ і, якщо потрібно, на ЕОМ, яку можна приєднати до цього вольтметра. Дешифратор ДІЛ. перетворює число, одержане з лічильника, у код, прийнятний для показу цього числа (величини вимірюваної напруги) на пристрої індикації ПІ.
Перетворення величини вимірюваної напруги на кількість імпульсів у АЦП виконується завдяки наявності в ньому '.оратора лінійно-змінюваної напруги.
Принцип перетворення постійної напруги певної величини у певну кількість імпульсів суворо визначеної частоти можна пояснити, розглядаючи епюри напруг, які діють у цифроаналоговому перетворювачі. Ці епюри показано на рис. 8, б.
В АІДП є генератор лінійно-змінної напруги, що весь час, поки цифровий вольтметр ввімкнений в мережу живлення, генерує змінну напругу пилкоподібної форми U п з ділянками М — Н, де зміна напруги має проходити з однаковою швидкістю (збільшуватись). Інший генератор, що також працює весь час, поки вольтметр увімкнено в мережу, генерує короткі лічильні імпульси напруги U л незмінної частоти. При цьому частота генерування цих імпульсів у кілька сотень разів більша за частоту пилкоподібної напруги U л .
АЦП також має схему порівняння вимірюваної напруги U в з пилкоподібною напругою U п . Ця схема виробляє короткі імпульси керування ключем, через який лічильні імпульси U л передаються до лічильника Л у той час, коли цей ключ відімкнено.
Перший керуючий імпульс формується в момент переходу пилкоподібної напруги через нуль, тобто у момент зміни знака напругою U п (точка М). Цей імпульс відмикає ключ. Другий керуючий імпульс U з з'являється в той момент, коли величина пилкоподібної напруги U п зрівняється з величиною вимірюваної напруги U в (точка Н). Цей імпульс U з замикає ключ, чим припиняє проходження лічильних імпульсів до лічильника Л. Неважко зрозуміти, що час, протягом якого ключ було відімкнено (а цей час визначається кількістю лічильних імпульсів, що пройшли через ключ), визначатиме величину напруги у момент tp .
На жаль, якщо в проміжку часу між керуючими імпульсами напруга дещо змінить свою величину (як показано штриховою лінією на рис. 8, б), то вольтметр не покаже цієї зміни.
Лічильник Л підраховує кількість прийнятих ним імпульсів і перетворює їх на число, яке передає у дешифратор ДШ, що перетворює це число на десятковий код, щоб висвітлити величину виміряної напруги на табло пристрою індикації ПІ.
Воднораз відомості про підраховану лічильником кількість імпульсів можуть бути передані до ЕОМ для подальшого опрацювання, запам'ятовування та реєстрації.
Прилади, подібні до тих, що ми розглянули, є найпростішими порівняно з іншими цифровими вольтметрами, але мають обмежену точність. В усякому випадку їхній клас точності не буває вищим за 0,1 чи 0,05.
Похибки вимірювань вольтметра, який розглядався, спричинюються такими факторами:
· відхиленням частоти лічильних імпульсів від свого номінального значення;
· деякою нелінійністю пилкоподібної напруги;
· наявністю зони нечутливості схеми порівняння напруг.
Ще однією складовою похибок цього вольтметра, як практично і всіх цифрових приладів, є дискретизація вимірювань, тобто виконання вимірювань на основі підрахунку кількості короткочасних лічильних імпульсів, що пройшли через ключ протягом відрізку часу, пропорційного величині вимірюваної напруги. Але залежно від того, у який момент часу буде відкрито ключ, що пропускає лічильні імпульси в лічильник, кількість цих підрахованих імпульсів може бути різною для одного й того ж самого відрізку часу. Це пояснюється епюрами, наведеними на рис. 9. За відрізок часу, що відповідає десяти інтервалам між лічильними імпульсами, якщо початок і кінець вимірюваного відрізку часу Т1 збігаються з лічильними імпульсами, до лічильника через ключ, відкритий на час Т1 , надійде десять лічильних імпульсів, які і будуть підраховані ним (рис. 9, а). Якщо початок і кінець такого самого відрізку часу Т1 , не збігаються з лічильними імпульсами (це показано на рис. 9, б), то за той самий час Т1 , через ключ до лічильника надійде всього дев'ять лічильних імпульсів, які так само будуть ним підраховані. Тобто одному і тому самому значенню часу Т1 , а значить і напруги U 1 , якій відповідає цей час, можуть відповідати два, відмінні за числом, покази вольтметра. Мабуть, менше число тут буде неточним, бо відрізок часу Т1 дійсно складається з десяти проміжків часу, що є між лічильними імпульсами.

Рис. 9. Епюри напруг, що показують причину виникнення похибки від дискретності вимірів
Збільшуючи частоту лічильних імпульсів або ж накопичуючи кількість підрахованих імпульсів (за 8... 16 циклів) вимірювань та усереднюючи їх результат, зменшують величину такої похибки. Хоча при цьому вірогідність похибки, хоч і меншої, все ж лишається.
Крім цифрового вольтметра прямого перетворення, що розглядався, є ще складніші за схемою та будовою цифрові вольтметри врівноважувального перетворення і вольтметри слідкуючого врівноважування, у яких вимірювана напруга постійного струму врівноважується напругою, створеною автоматично керованою потенціометричною схемою. Такі вольтметри можуть допускати похибку в межах 0,001 % від верхньої границі вимірювання, але вони трудомісткі у виготовленні та дорого коштують.
Для вимірювання величини змінної напруги користуються цифровими вольтметрами, що мають у своїй схемі додатковий перетворювач змінної напруги на пропорційну їй постійну, вимірювану цифровими схемами, які використовуються при вимірюваннях напруг постійного струму.
На жаль, перетворювачі змінної напруги в напругу постійного струму мають обмежену точність перетворювання, й тому точність цифрових вольтметрів змінного струму буде меншою, ніж у цифрових вольтметрів постійного струму.
В цілому цифрові вольтметри протягом останніх десятиріч набули значного розповсюдження, особливо в галузі наукових досліджень, хоча в умовах енергетичних підприємств все ж таки переважно користуються електромеханічними приладами, як більш надійними та дешевшими.
Цифрові прилади використовують головним чином у заводських лабораторіях як зразкові при повірках приладів нижчого класу точності.
3. Механічна частина
3.1 Вимірювання струму
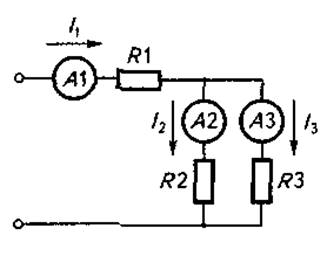
Величину електричного струму, що проходить через будь-яку ділянку електричного кола, вимірюють амперметром, який вмикається послідовно зі споживачем електричної енергії, що є на цій ділянці. Частину розгалуженого електричного кола з амперметрами, ввімкнутими в окремі його ділянки для виміру струмів, зображено на рис. 10. Амперметри А2 і A3 вимірюють струми, що проходять по кожній з двох паралельних гілок, амперметр А1 вимірює загальний струм, споживаний від джерела живлення. Якщо джерело живлення є джерелом постійного струму, то сума струмів, вимірюваних амперметрами А2 і A3, має дорівнювати (у межах точності вимірів) струмові, вимірюваному амперметром А1. Те ж саме має бути при живленні від джерела змінного струму, якщо всі резистори (R 1 , R 2 і R 3 ), застосовані у схемі, є активними. При наявності ж у схемі резисторів з реактивними чи змішаними опорами, величина струму, вимірюваного амперметром А, може бути як меншою за суму струмів, виміряних амперметрами А2 і A3, так, в окремих випадках, і дорівнювати їй.

Рис. 10. Вимірювання струмів амперметрами
При вимірюваннях струмів у колах постійного струму можуть використовуватись магнітоелектричні, електродинамічні або теплові амперметри (міліамперметри). Феродинамічні та електромагнітні амперметри можна використовувати лише у тому разі, якщо на шкалах цих приладів позначено, що вони придатні для вимірів на постійному струмі.
Якщо ж такого позначення немає, то при користуванні такими приладами можуть бути більші похибки, ніж це передбачено класом точності приладів.
При вимірюваннях струмів у колах змінного струму можуть використовуватись електромагнітні, електродинамічні, феродинамічні, теплові, термоелектричні або випрямні амперметри.
Магнітоелектричні амперметри зовсім непридатні для вимірів на змінному струмі, а їх помилкове вмикання в коло змінного струму може призвести лише д0 непорозуміння, бо відсутність відхилення їхніх покажчиків від нульової позначки (навіть при значних величинах змінного струму, що проходить через них) може спонукати спостерігача до збільшення напруги (якщо спостерігач може це зробити), що призведе до пошкодження елементів схеми, чутливих до значних напруг і струмів.
Якщо величини струмів необхідно вимірювати У колах зі значними струмами, прямі вимірювання яких неможливі наявними амперметрами, то у колах постійного струму необхідно користуватися зовнішніми шунтами з приєднаними до них магнітоелектричними мілівольтметрами. У колах змінного струму користуються вимірювальними трансформаторами струму з електромагнітними, електродинамічними або феродинамічними амперметрами, розрахованими на величину номінального струму вторинних обмоток цих трансформаторів. Звичайно це 5 А, але може бути і 1 А.
3.2 Вимірювання напруги
Вимірювання напруги є чи не найбільш поширеним видом вимірювань на електричному обладнанні. У більшості випадків для вимірювань напруги змінного струму в промисловості користуються електромагнітними вольтметрами , як такими, що мають просту конструкцію, надійні при користуванні та найдешевші за вартістю серед вольтметрів інших систем сумірного класу точності.
У випадках, коли вимірювана напруга вища за 500...600 В, ці вольтметри використовують разом з вимірювальними трансформаторами напруги, здатними перетворювати змінну напругу номінальної для первинної обмотки трансформатора величини, у напругу 100 В, на яку розраховано вольтметри, призначені для роботи з цими трансформаторами. В цих випадках шкали вольтметрів градуюють у значеннях первинної (високої) напруги трансформатора. При цьому обов'язково повинен бути напис на шкалі про коефіцієнт трансформації необхідного вимірювального трансформатора напруги у вигляді дробу з номінальною первинною напругою його у чисельнику і номінальною напругою вторинної обмотки — у знаменнику.
Для вимірювань напруг змінного струму придатні й електродинамічні вольтметри, але в основному їх використовують як переносні прилади для повірки інших вольтметрів.
Досить часто для вимірювань напруг змінного струму користуються випрямними вольтметрами, що являють собою вимірювальний механізм магнітоелектричної системи, зкомбінований з напівпровідниковими випрямлячами та з додатковим опором, суміщеними в одному корпусі. Для вимірювання напруг постійного струму найдоцільніше користуватись магнітоелектричними вольтметрами, як такими, що потребують малої потужності живлення і мають значний обертовий момент вимірювального механізму, що зумовлює їх достатню надійність в експлуатації. На постійному струмі можна вимірювати напругу також приладами електродинамічної, електростатичної, електромагнітної і феродинамічної систем. У останніх двох випадках — якщо на їхніх шкалах є умовна позначка постійного струму.
В устаткуваннях, де є напруги змінного струму підвищеної чи високої частоти, можна користуватись вольтметрами електростатичної чи випрямної системи.
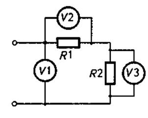
Напругу, що діє на будь-якій ділянці електричного кола, вимірюють вольтметрами, приєднаними паралельно з контрольованими ділянками. На схемі рис. 11 показано, як треба вмикати вольтметри для вимірювання напруг на різних ділянках електричного кола. Величину напруги мережі, чи якого іншого постачальника електричної енергії, вимірюють вольтметром V 1 , а величини напруг на опорах резисторів R 1 і R 2 — вольтметрами V 2 і V 3 .
При вимірюваннях у електричних колах зі значними величинами опорів необхідно враховувати, що приєднання вольтметра до будь-якої ділянки кола може суттєво змінити режим її роботи.

Рис. 11. Вимірювання напруг вольтметрами
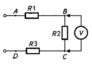
В умовах виробництва, наприклад при пошуку пошкоджень у електричних колах, величини напруг на різних ділянках кола вимірюють одним вольтметром, який почергово приєднують до різних точок кола, як це показано на рис. 12. Щоб виміряти величину напруги джерела, вольтметр за допомогою щупів приєднують до точок А і D . Для вимірювання напруги на резисторі R 1 — до точок А і В , на R 2 — до точок В і С , на R 3 — до точок С і D .

Рис. 12. Вимірювання одним вольтметром напруг на різних ділянках електричного кола
Якщо опори R 1 , R 2 і R 3 досить великі, а то й сумірні з власним опором вольтметра, то може статись, що сума напруг, виміряних на резисторах R 1 , R 2 і R 3 , буде значно меншою, ніж напруга мережі. Пояснюється це тим, що під час вимірювання напруги, коли вольтметр приєднано паралельно до якогось з резисторів, дійсна величина опору між точками приєднання щупів буде дещо меншою за величину опору відповідного резистора. При цьому буде меншим і загальний опір кола, що може призвести до збільшення величини струму в колі та величин падіння напруг на інших опорах, що є у колі (тих, на яких у даний момент величина напруги не вимірюється). Таким чином, на контрольованій ділянці величина напруги буде меншою за ту, що буде при відсутності вольтметра.
З цієї причини, наприклад при пошуку несправності в електронних схемах, недоцільно користуватися вольтметрами високих класів точності, що мають відносно невеликий опір. Доцільніше користуватись вольтметрами класу точності всього 2,5...4,0, але з великим власним опором. Саме такими бувають магнітоелектричні вольтметри, що є основою багатограничних приладів — тестерів.
У цих приладів величина власного опору становить десь 8000...20000 Ом на один вольт (тобто струм повного відхилення покажчика вольтметра становить 125...50 мкА).
Тестери, звичайно, багатофункціональні вимірювальні прилади, але їхня основна функція — вимірювання напруги. Завдяки малій величині власного споживаного струму (як і споживаної потужності) ці прилади з додатковим опором, вмонтованим у щуп, що має підсилену ізоляцію, бувають здатні вимірювати напруги величиною до 25...30 кВ.
Але, користуючись вольтметром з великим внутрішнім опором при пошуку пошкоджень у мережах з напругою до 600 В, треба пам'ятати, що ці вольтметри можуть показувати напругу на окремих ділянках мережі там, де її насправді немає. Тобто напруга там є тільки для самого вольтметра, а для якогось споживача електричної енергії, що потребує значно більшої потужності, ніж цей вольтметр, напруги зовсім не буде. Це явище виникає через наявність між проводами мережі (рис. 13) витоку електричного струму через опір ізоляції R і1 , R і2 чи ємність С1 , С2 між проводами. Тут показано, яким чином вольтметр, приєднаний між пошкодженим (розірваним) і непошкодженим проводом, може показувати напругу.
Величина опору ізоляції нормована, і на більшості ділянок мереж промислових підприємств не повинна бути меншою ніж 0,5 МОм. Якщо зважити на те, що власний опір вольтметра, розрахованого на вимір напруги 600 В, може становити 12 МОм (якщо струм його повного відхилення становить 50 мкА), то можна встановити, що у найгіршому випадку опір ізоляції може становити лише 1/24 частину від власного опору вольтметра. Тобто вольтметр при такому приєднанні показуватиме майже повне значення напруги. Насправді він може показувати й дещо меншу частину повної напруги, якщо врахувати наявність опору ізоляції між третім провідником і пошкодженим. Але в обох випадках показання вольтметра буде суттєвим. Щоб запобігти такій похибці, досить скористатися для вимірів якимось іншим (наприклад, електромагнітним) вольтметром, у котрого власний опір при границі виміру напруги 600 В буде становити всього приблизно 40 000 Ом. Тобто для цього вольтметра величина найменшого опору ізоляції буде вже майже у 12 разів більшою за його власний опір. Отже, при вмиканні такого вольтметра покажчик ледь ворухнеться, що свідчитиме про відсутність напруги на пошкодженому проводі.

Рис. 13. Схема, що пояснює можливість помилкового виміру напруги вольтметром при пошуку пошкоджень у мережах
Якщо ж для вимірів неможливо використати вольтметр з обмеженою величиною власного опору, то пошкоджену ділянку електричної мережі можна знайти за допомогою вольтметра з великим власним опором, приєднавши при вимірах паралельно йому резистор (чи кілька резисторів, увімкнених послідовно) з загальною величиною опору 40...50 кОм і потужністю 7... 10 Вт.
Все сказане про пошук пошкодження за допомогою високоомного вольтметра можна цілком віднести й до застосування у подібних випадках електростатичних вольтметрів, якими взагалі у таких випадках не бажано користуватися.
4. Техніка безпеки
4.1 Основні заходи безпеки під час роботи з електрообладнанням
Досвід експлуатації електроустановок показує, що для безпечної роботи поряд із засобами захисту необхідно так організувати експлуатацію, щоб була усунена можливість помилок з боку обслуговуючого персоналу.
При підготовці робочого місця з частковим або повним зняттям напруги технічні заходи проводять у такому порядку:
1. Вимикають необхідні струмопровідні частини та проводять заходи, які виключають помилкову подачу напруги до місця проведення робіт.
2. На вимкнутих комутаційних апаратах вивішують заборонні плакати: «Не вмикати — працюють люди!», «Не вмикати — робота на лінії!» та ін. В разі необхідності встановлюють огорожі навколо струмопровідних частин.
3. До заземлюючого пристрою приєднують затискач переносного заземлення.
4. Перевіряють, чи немає напруги на вимкнутій частині установки. Якщо її немає, то заземлюють цю частину до контура заземлення.
5. Робоче місце огороджують переносними огорожами і вивішують попереджувальні і нагадувальні плакати: «Стій — висока напруга!», «Працювати тут!».
При підготовці робочого місця і в період роботи необхідно проводити такі організаційні заходи: 1) оформлення роботи нарядом або розпорядженням; 2) допуск до роботи; 3) нагляд під час роботи; 4) отримання певного порядку записів у журналі перерв у роботі, переходів на інше місце роботи, закінчення роботи. Проводячи електромонтажні роботи, електрик повинен дотримуватися вимог техніки безпеки.
Опір ізоляції вимірюють мегомметром, дотримуючись таких основних правил техніки безпеки:
1. Вимірювання можна проводити тільки тоді, коли вимкнені всі лінії, по яких подається напруга.
2. Необхідно переконатися у відсутності людей, що працюють на тій частині електроустановки, до якої має бути під'єднаний манометр.
3. Перед випробуванням кабелів напругою понад 1000 В їх слід розрядити.
4. Проводи, які приєднуються до мегомметра, повинні мати хорошу ізоляцію на відповідну напругу. Вимірювання переносними приладами і струмовимірювальними кліщами, згідно з вимогами ПТБ, повинні виконуватися двома особами. В період експлуатації ці вимірювання проводяться оперативним персоналом і роблять записи в журналі.
Вимірювання переносними приладами необхідно проводити в діелектричних рукавицях і калошах, або зі стояків на діелектричному килимку. На кабелях напругою понад 1000 В жили повинні бути рознесені одна від одної на відстань, не меншу ніж 250 мм. При вимірюванні кліщі тримають так, щоб прилад не торкався проводів вимірювальних трансформаторів. Приєднання і від'єднання приладів необхідно виконувати при знятій напрузі.
Заміну плавких вставок запобіжників слід проводити при знятій напрузі. На групових щитах, де не можна зняти напругу, допускається заміна запобіжника під напругою, але при обов'язковому вимиканні навантаження. У цьому випадку треба обов'язково користуватися окулярами і діелектричними рукавицями або ізолюючими кліщами. Заміну плавких вставок з підлоги здійснює один електрик третього кваліфікаційного розряду, а якщо на висоті, — то два електрики, один з яких має кваліфікацію не нижче третього розряду.
Електроінструмент і переносні електричні прилади повинні строго відповідати вимогам ПТБ. Робоча напруга електроінструменту має бути не вище 220 В при роботі у приміщеннях без підвищеної безпеки і 36 В — в приміщеннях з підвищеною небезпекою і поза приміщеннями. В особливо небезпечних приміщеннях при використанні електроінструменту на 36 В потрібно використовувати захисні засоби або електроінструмент на напругу 12 В.
Оболонки кабелів і проводів необхідно вводити в електроінструмент і міцно їх закріплювати для запобігання зламів і стирань. Корпус електроінструменту на напругу понад 36 В необхідно заземлювати під'єднуючи його до спеціального затискача на контурі заземлення, позначеному "З" або "Земля".
Струмопровідні частини і заземлюючий контакт штепсельних з'єднань мають бути недоступні для доторкувань. Причому розетки і вилки, що використовуються на напругу 12 В і 36 В, повинні мати колір, який різко відрізняється від кольору штепсельних з'єднань напругою 127 і 220 В. Конструктивне виконання розеток має бути таким, щоб запобігти можливості помилкового вмикання на іншу напругу.
Електроінструмент і переносні електричні світильники приєднують багатожильним гнучким проводом з ізоляцією за напругою не менше ніж 500 В.
Стан ізоляції значною мірою визначає ступінь безпеки експлуатації електроустановок. Під впливом тепла, динамічних зусиль, комутаційних і атмосферних перенапруг ізоляція старіє, стає непридатною.
Періодичний контроль ізоляції (вимірювання її опору) проводять у встановлені правилами строки і у випадку виявлення дефектів. Опір ізоляції частин електрообладнання, що не перебуває під напругою, вимірюють мегомметром. Опір ізоляції має бути не нижче 0,6 МОм, в установках до 1000 В; 1 МОм, — для електроінструменту з ізольованими ручками.
Основними способами захисту від статичної електрики є заземлення металевих частин обладнання, які можуть електризуватися, застосовування струмопровідних покриттів, підлог, взуття. Це забезпечує витікання генерованого заряду на заземлені частини. Використовують також зволоження навколишньої атмосфери, нейтралізатори, браслети.
4.2 Індивідуальні засоби захисту
Для безпеки персоналу, який обслуговує діючі електроустановки, використовують індивідуальні засоби захисту.
Умовно їх можна поділити на три основні групи:
1. ізолюючі;
2. огороджуючі;
3. запобіжні.
Ізолюючі засоби захисту забезпечують електричну ізоляцію людини від струмопровідних або заземлюючих частин, а також від землі. За ступенем надійності ізолюючі засоби захисту поділяють на основні та допоміжні.
Основні ізолюючі електрозахисні засоби здатні тривалий час витримувати робочу напругу електроустановки і захищати персонал від ураження струмом при доторкуванні до струмопровідних частин, які перебувають під напругою. В електроустановках до 1000 В до них належать: ізолюючі штанги, ізолюючі й електровимірювальні кліщі, діелектричні рукавиці, слюсарно-монтажний інструмент з ізолюючими ручками, покажчики напруги, а в електроустановках понад 1000 В — ізолюючі штанги, ізолюючі та електровимірювальні кліщі, покажчики напруги.
Допоміжні ізолюючі електрозахисні засоби не здатні тривалий час витримувати робочу напругу електроустановки і захищати людину від ураження струмом при цій напрузі. Вони слугують для підсилення захисної дії основних ізолюючих засобів. В електроустановках до 1000 В до них належать діелектричні боти, килимки, а також ізолюючі підкладки і накладки, а в електроустановках понад 1000 В — діелектричні рукавиці, боти, килимки й ізолюючі підкладки.
Ізолюючі штанги існують трьох типів: оперативні — для операції з вимиканням роз'єднувачів, накладанням захисних заземлень; вимірювальні — для проведення вимірювальних операцій в установках, що перебувають під напругою; ремонтні — для проведення профілактичних ремонтних і монтажних робіт на установках під напругою.
Штанга (рис. 14) складається з робочої, ізольованої частини та ручки. Зі штангою може працювати тільки навчений персонал, при цьому в процесі роботи не можна торкатися її ізольованої частини вище обмежувального кільця.

Рис 14. Ізолююча штанга: 1, 2 — робоча й ізолююча частини; 3 — обмежувальне кільце; 4 — ручка
Ізолюючі кліщі (рис. 15) використовують для встановлення і зняття під напругою трубчастих патронів запобіжників, зняття рубильників і роз'єднувачів з ножів, ізолюючих накладок тощо. Кліщі застосовують під час роботи електроустановками напругою 6...35 кВ. В електроустановках напругою вище 1000 В при роботі з кліщами необхідно одягати діелектричні рукавиці, а при роботі із запобіжниками захисні окуляри.

Рис. 15. Ізолюючі кліщі
За допомогою покажчиків напруги перевіряють наявність або відсутність напруги на струмопровідних частинах. Ознакою наявності напруги є засвічування неонової лампи. Покажчики напруги до 1000 В можна використовувати без інших захисних засобів.
В електроустановках понад 1000 В покажчики напруги складаються (рис. 16) з робочої (корпуса, сигнальної лампи, конденсаторів, контакту, наконечника) та ізолюючої частини, а також ручки.
При роботі з покажчиком оператор повинен одягнути діелектричні рукавиці.
Діелектричні рукавиці використовують як основний захисний засіб для електроустановок до 1000 В, а як допоміжний — в електроустановках понад 1000 В. Діелектричні калоші, боти, килимки використовують тільки як допоміжні захисні засоби.
Гумові килимки виготовляють із спеціальної гуми з рифленою поверхнею. Найменший розмір килимка 0,75 х 0,75 м.
Ізолюючі підкладки — це дерев'яні підстилки з планок, які спираються на ніжки або фарфорові ізолятори. Найменші розміри підкладок 0,75 х 0,75 м. Відстань між планками не більше як 2,5 см. Висота ізоляторів не менша ніж 10 см.
Огороджуючі захисні засоби призначені для тимчасового огородження струмопровідних частин від випадкових доторкувань. До них належать переносні щити, решітки огородження, ізолюючі накладки, тимчасове переносне заземлення і попереджувальні плакати.
Запобіжні захисні засоби призначені для індивідуального захисту персоналу від світлових, теплових і механічних дій. До них належать захисні окуляри, рукавиці, захисні каски, запобіжні монтерські пояски тощо.
Перед використанням засоби захисту уважно оглядають і очищають від пилу. Особливу увагу звертають на тавро, що свідчить про придатність засобів захисту, а також дату випробування засобів захисту. Перевіряють засоби захисту відповідно до інструкцій і норм у лабораторіях.

Рис. 16. Покажчики напруги: а, б — в установках до 1000 В; в — в установках понад 1000 В; 1 — неонова лампочка;. 2 — щуп; 3, 4 — робоча й ізолююча частина покажчика; 5 — ручка
Ізолюючі штанги і кліщі випробовують не менше ніж трикратною напругою один раз на рік.
Гумові рукавиці, боти, калоші перевіряють один раз у 6 місяців, ізолюючі підставки — один раз у 3 роки.
4.3 Перша допомога потерпілому від електричного струму
Головною умовою ефективності допомоги потерпілому від електричного струму та в інших нещасних випадках є швидкість дій, спритність і вміння людини, що надає допомогу.
Життя потерпілого від електричного струму залежить від швидкості звільнення його від струму, швидкості та правильності заходів щодо його врятування.
У людини, яка торкнулась струмопровідних частин, що перебувають під напругою до 1000 В, електричний струм спричиняє скорочення м'язів. Внаслідок цього пальці потерпілого сильно стискаються і, якщо він тримається за провід, то вивільнити останній неможливо.
За будь-яких умов людину необхідно звільнити від струму. При цьому слід пам'ятати, що торкатись до неї під напругою без застосування відповідних захисних засобів небезпечно для того, хто надає допомогу. Тому слід негайно відімкнути частину елеутроустановки, якої торкається потерпілий — вимкненням рубильника або викручуванням пробок запобіжника. Коли потерпілий перебуває на висоті то, вимкнувши напругу, треба запобігти його падінню. Якщо ж при відімкненні електроустановки вимикається також освітлення, то треба забезпечити його від іншого джерела (ліхтар, свічка, аварійне освітлення тощо).
У тому випадку, коли електроустановку швидко вимкнути неможливо, потерпілого потрібно відірвати від струмоведучих частин. Для цього можна скористатись сухим одягом, канатом, палицею, дошкою або будь-яким іншим сухим предметом, що не проводить електричний струм. Можна звільнити потерпілого від струму, перерубавши проводи сокирою з сухим дерев'яним держаком або перерізати іншим ізольованим інструментом. Перерізують кожний провід окремо, одягнувши діелектричні рукавиці та калоші.
Звільненого від струму потерпілого ніколи не слід вважати мертвим через відсутність дихання, биття серця, пульсу. При ураженні електричним струмом смерть часто буває уявною. Тому потерпілому обов'язково надається допомога, а рішення про продовження чи припинення рятувальних заходів приймає тільки лікар.
Передовсім потерпілого кладуть на спину на тверду поверхню та перевіряють наявність дихання (чи піднімається грудна клітка, відхиляються нитка, папір, піднесені до рота або носа потерпілого); пульсу (прощупують сонну артерію); ступінь звуження зіниць свідчить про різке погіршення кровопостачання мозку. Все це має зайняти не більше ніж 15...20с. Одночасно необхідно викликати лікаря.
Якщо потерпілий при свідомості, але до цього був непритомним, його слід покласти, накрити одягом і забезпечити спокій до прибуття лікаря. За неможливості швидко викликати лікаря потерпілого слід негайно доставити до лікарні.
Коли потерпілий знепритомнів, але дихає і має постійний пульс, його треба рівно і зручно покласти, розстібнути одяг, створити приплив свіжого повітря, дати понюхати нашатирного спирту, обпризкувати водою і забепечити повний спокій. Одночасно слід терміново викликати лікаря чи відправити потерпілого у лікарню.
Якщо потерпілий погано дихає — дуже рідко й судомливо або зовсім не відчувається дихання, ударів серця і пульс, треба негайно зробити штучне дихання і масаж серця. Відомо, що спроби оживлення бувають ефективними тільки тоді, коли від моменту зупинки серця пройшло не більше ніж 10 хв. Потерпілого можна вважати мертвим тільки за наявності видимих важких зовнішніх травм, таких як роздроблення черепа при падінні чи обгоряння всього тіла. У всіх інших випадках смерть констатує тільки лікар.
Найефективнішим штучним диханням є спосіб, за якого рятуючий видихає повітря з власних легенів у легені потерпілого через спеціальний пристрій або безпосередньо в рот чи ніс потерпілого. При цьому забезпечується необхідний контроль за надходженням повітря в легені — розширення грудної клітки після кожного вдування повітря і спад після припинення вдування, які добре видно.
Для проведення штучного дихання потерпілого кладуть на спину, розкривають йому рота і звільняють порожнину від слизу та сторонніх предметів. При цьому стежать, щоб язик потерпілого не запав назад і не закрив дихальних шляхів і щоб встановлена в рот трубка попала у дихальне горло, а не в стравохід.
Гортань потерпілого повинна бути розкритою. Щоб забезпечити це, голову потерпілого відводять назад, підклавши одну руку під потилицю, а другою рукою натиснувши на лоб потерпілого. Голову відводять до положення, за якого підборіддя перебуває на одній лінії з шиєю. У такому положенні голови просвіт у горлі й у верхніх дихальних шляхах значно розширюється і стає повністю прохідним, що є основною умовою успіху штучного дихання.
Штучне дихання проводять методами «рот в рот» або «рот у ніс». Для цього рятувальник робить глибокий вдих, притискає свої губи до рота або носа потерпілого і енергійно видихає повітря відповідно в рот чи ніс. Повітря входить в легені, роздуває їх, рятувальник у цей час відхиляється назад і вдихає сам. Грудна клітка потерпілого поступово опускається і самовільно робить пасивний видих. За 1 хв. має бути 12/16 вдихів і видихів.
Слід пам'ятати, що за будь-якого способу штучного дихання не можна допускати охолодження потерпілого. Не можна залишати його на сирій землі, на бетонній підлозі — слід підстелити що-небудь тепле, а зверху вкрити.
У разі відсутності у потерпілого пульсу необхідно одночасно з штучним диханням робити зовнішній масаж серця. Для цього потерпілого кладуть спиною на тверду поверхню (низький стіл, підлогу), розстібають комірці або знімають усі предмети одягу, які утруднюють дихання. Під потерпілого підкладають якусь одежу так, щоб його грудна клітка була піднята, а голова була закинута назад.
Рятувальник стає справа чи зліва від потерпілого в положення, за якого зручно нахилятися над ним, а якщо потерпілий перебуває на підлозі, то рятуючий стає на коліна поруч з ним. Визначивши нижню третину грудної клітки потерпілого, рятувальник кладе на неї долоню однієї руки, потім на неї кладе другу і натискує на груди потерпілого, ледь допомагаючи при цьому нахилом свого корпуса. Натискати треба швидкими поштовхами приблизно щосекунди так, щоб нижня частина грудної клітки наближалася до хребта (амплітуда руху 3...4 см). Після швидкого натискання руки знімають, грудну клітку звільняють від тиску і вона розпрямляється.
При здавлюванні грудної клітки серце притискується до хребта і кров з його порожнини витискується у кровоносні судини.
При розслабленні серця кров з вен просмоктується в серце і заповнює його. вимірювання електричний струм напруга
Під час масажування серця штучне дихання виконують способом вдування повітря в легені потерпілого. При цьому вдувати треба в проміжках між натисканнями або під час спеціальної паузи, передбаченої через кожних 4-6 натискань на грудну клітку.
Якщо штучне дихання і масаж серця виконує одна людина, вона повинна після кожних 2-3 глибоких вдувань повітря в рот чи ніс потерпілого 4-6 разів натискати на грудну клітку. І так весь час. Якщо в того, хто надає допомогу, є помічники, то один з них виконує штучне дихання за допомогою вдування повітря, а інший зовнішній масаж серця. Повітря вдувають у момент припинення натискання на грудну клітку.
При правильному проведенні штучного дихання і масажу серця у потерпілого ледь рожевіє обличчя, з'являються самостійні дихальні рухи, які стають більш рівномірними у міру заходів щодо надання допомоги, звужуються зіниці. Штучне дихання і масаж серця не припиняють до з'явлення самостійного дихання і стійкої роботи серця. Якщо масаж серця припинити на 2...3 с, а пульс зберігається, це свідчить про те, що серце працює самостійно. Якщо ж при самостійному диханні відсутній ритм серця, не з'являється пульс і зіниці очей залишаються розширеними, заходи з оживлення потерпілого слід продовжувати безперервно до прибуття лікаря або до відправлення потерпілого до лікарні, надаючи допомогу в машині.
Слід пам'ятати, що своєчасна, вміла і добре організована допомога запорука порятунку життя людини.
Література
1. Атамалян Э.Г. Приборы и методы измерения электрических величин. М.-. Высшая школа, 1982. 223 с.
2. Балашов Е.П., Пузанков Д.В. Микропроцессоры и микропроцессорные схемы./Под ред. В.Б. Смолова. М- Радио и связь, 1981.328 с.
3. Данильченко В.П., Егошин Р.А. Метрологическое обеспечение промышленного производства. Справочник. Киев: Техника, 1982. - 152 с.
4. Карпов Р.Г., Карпов Н.Р. Электрорадиоизмерения. М.: Высшая школа, 1978. 272 с.
5. Левшина Е.С, Новицкий П.В. Электрические измерения физических величин. Измерительные преобразователи. Л.: Энергоатомиздат, 1983. 320 с.
6. Любимов Л.И., Форсилова И.Д. Поверка средств электрических измерений. Л.: Энергия, 1979. 192 с.
7. Мардин В.В., Кривоносое А.И. Справочник по электронным измерительным приборам. М.: Связь, 1978. 41(3 с.
8. Орнатский П.П. Автоматические измерения и приборы. Киев: Вища школа, 1980, 560 с.
9. Орнатский П.П. Теоретические основы информационно-измерительной техники. Киев: Вища школа, 1983. 360 с.
10. Принц М.В., Цимбалістий В. М. Освітлювальне і силове електроустаткування. Монтаж і обслуговування. — Львів: Оріяна-Нова, 2005. — 296 с.
11. Справочник по радиоизмерительным приборам: в 3-х т. Т. 1/ Под ред. В. С. Насонова. М.: Советское радио, 1976. 232 с.
12. Справочник по электроизмерительным приборам/Под ред. К. К. Илюнина. Изд. 2-е, перераб. и доп. Л.: Энергия, 1977. 832 с.
13. Шаповаленко О.Г., Бондар В.М. Основи електричних вимірювань: Підручник.— К.: Либідь, 2002.- 320 с.
14. Швецкий Б.И. Электронные цифровое приборы. Киев: Техника, 1981. 248 с.
15. Шляндин В.М. Цифровые измерительные устройства. М.: Высшая школа, 1981. 336 с.
16. Электрические измерения неэлектрических величин/Под ред. П.В. Новицкого. Изд. 5-е. Л.: Энергия, 1975. 576 с.
17. Электрические измерения. Учеб. пособие для вузов/Под ред. В.Н. Малиновского. М.: Энергоатомиздат, 1985. 416 с.
18. Электрические измерения/Л.И. Байда, Н.С. Добротворский, Е.М. Душин и др. Л.: Энергия, 1980. 392 с.
19. Электрические измерения: Учебник для техникумов/Р. М. Демидова-Панферова, В.Н. Малиновский, В.С- Попов и др.; Под ред. В. Н. Малиновского. М.: Энергоиздат, 1982. 392 с.
Похожие рефераты:
Розробка інвертора напруги для апаратури зв'язку
Електропоїзди постійного струму
Розвиток електричної мережі ВАТ "Львівобленерго"
Система моделювання Electronics Workbench
Теорія електричних і електронних кіл
Теоретичні основи електротехніки
Проектування підстанції та вибір обладнання
Вимірювальний механізм і схема електродинамічних фазометрів
Характеристика підприємства ВАТ Уманський завод "Мегомметр"
Розробка змісту тестового контролю навчальних досягнень учнів з теми "Постійний струм"
Технічне обслуговування й ремонт електричних машин