| Похожие рефераты | Скачать .docx |
Реферат: Лабораторні роботи з фізики
Лабораторна робота № 6 (2 години)
Тема: Визначення питомого опору провідника
1. Мета роботи: виміряти питомий опір дроту; набути навичок користування амперметром, вольтметром, мікрометром.
2. Прилади і обладнання:
Дріт з матеріалу з великим питомим опором, натягнутий на дерев’яну планку
Лабораторний амперметр (шкільний)
Лабораторний вольтметр (шкільний)
Акумулятор
Вмикач
Реостат на 6-10 Ом і 2 А
Мікрометр
Лінійка з ціною поділки 1 мм
З’єднувальні провідники 7 шт.
Загальні теоретичні положення
Електричний струм у металі – це впорядкований рух вільних зовнішніх його електронів по провіднику під дією електричного поля. Метали мають кристалічну решітку, в вузлах якої знаходяться позитивно заряджені іони, між якими рухаються вільні зовнішні електрони. Позитивно заряджені іони лише коливаються навколо власних положень рівноваги і не пересуваються у металі під впливом електричного поля. Атом, що втратив кілька власних зовнішніх електронів стає позитивним іоном. Електрони, що створюють електричний струм, під час руху частково стикаються та взаємодіють з іонами кристалічної решітки, що затримує їх рух. Тому вважають, що з боку метала існує опір Rдо впорядкованого руху електронів.
Чим більше довжина провідника l, тим більша кількість іонів зустрічається на шляху електронів і тому опір R провідника більший. Чим менша площа S поперечного січення провідника, тим менша кількість проміжків між іонами і електронам важче одночасно пройти між іонами без взаємодії з ними, що збільшує опір провідника.
З математичної точки зору питомий опір матеріалу ρ є коефіцієнтом пропорційності між опором та геометричними параметрами провідника, а з фізичної точки зору він характеризує здатність різних речовин проводити скрізь себе електричний струм, якщо геометрична форма провідників однакова.
Питомий опір матеріалу ρ можна обчислити, використовуючи формули 1, 2:
, (1)
, (2)
де R – опір провідника, Ом;
ρ – питомий опір провідника, Ом·м;
l – його довжина, м;
S – площа поперечного перетину провідника (площа круга), м2;
r – радіус провідника, м;
d – діаметр провідника, м.
Опір провідника R можна обчислити за законом Ома для ділянки кола, якщо скласти електричне коло за схемою, поданою на малюнку 1 і виміряти амперметром силу струму I, а вольтметром - напругу U.
У цьому випадку питомий опір ρ провідника визначається з формули 1 з урахуванням формули 2 і матиме вигляд:
, (3)
або врахувавши закон Ома для ділянки кола
, (4)
де U – напруга на ділянці дроту з великим питомим опором, В;
І – сила струму у електричному колі, А.

Малюнок 1 – Електричне коло
Порядок виконання роботи
4.1. Скласти електричне коло за схемою, що зображено на малюнку 1. Змінюючи положення повзунка реостата, підібрати силу струму не більшу за 0,5 А (щоб не перевантажити джерело струму).
Виміряти силу струму і напругу на досліджуваному опорі при цій силі струму.
Виміряти довжину провідника лінійкою, а діаметр дроту – мікрометром у трьох-чотирьох місцях. Якщо результати вимірювань діаметра дроту різні, то обчислити середнє значення діаметра.
Обчислити приблизне значення питомого опору провідника за формулою 4.
Визначити інструментальні похибки вимірювальних приладів і похибки їх відліку. Обчислити максимальні абсолютні і відносні похибки вимірювальних величин. Обчислити максимальні відносну і абсолютну похибки вимірювання питомого опору провідника.
Записати результат вимірювання питомого опору ρ провідника і значення його відносної помилки δ у вигляді:
, (5)
(4)
За допомогою довідника визначити матеріал провідника.
(Використовуйте таблицю питомих опорів різних речовин, наприклад, у збірнику задач і запитань Р.А. Гладковой, 1988 року видання на сторінці 380)
Контрольні запитання
Що таке питомий опір і в яких одиницях його вимірюють?
Як зміниться опір провідника, якщо його довжину збільшити у 2 рази?
Чому і у скільки разів при паралельному з’єднанні двох однакових провідників їх загальний опір зменшується?
Навіщо для виготовлення нагрівних приладів застосовують провідники з великим питомим опором, а для підвідних провідників – з малим?
У скільки разів зміниться опір провідника (без ізоляції), якщо його зігнути удвічі і спружнити?
Як зміниться показ амперметра, якщо від схеми, яка показана на малюнку 2, перейти до схеми на малюнку 3? Напруга залишається сталою.

Малюнок 2 – Схема Малюнок 3 – Схема
5,7 Мідний і алюмінієвий провідники мають однакові лінійні розміри. У якого провідника більший опір і у скільки разів? (Використовуйте таблицю питомих опорів різних речовин, наприклад, у збірнику задач і запитань Р.А. Гладковой, 1988 року видання на сторінці 380)
Висновки
Оформлення звіту
Лабораторна робота № 7 (2 години)
Тема: Дослідження залежності потужності та ККД джерела струму від його навантаження
1. Мета роботи: визначити повну і корисну потужність, а також ККД джерела струму. Побудувати графік залежності корисної потужності струму від опору, а також ККД від опору. Довести дослідним шляхом, що при найбільшої потужності ККД джерела струму приблизно дорівнює 50%.
2. Прилади і обладнання:
Амперметр
Вольтметр
Реостат
Два вимикача
Знижувальний трансформатор (або батарея гальванічних елементів)
З’єднувальні дроти 7 шт.
Загальні теоретичні положення
Джерело струму виконує роботу по переміщенню вільних носіїв заряду вздовж провідника по замкненому електричному колу. Робота джерела струму характеризується швидкістю її виконання (потужністю), тобто, кількістю роботи, що виконується за одиницю часу. Потужність N електроприладу визначається добутком напруги U, що є на його клемах, на силу струму I, що проходить скрізь нього. Силу струму у електричному колі можна регулювати, змінюючи його опір, наприклад, за допомогою реостата. Отже, змінюючи загальний опір кола, змінюється сила струму у колі і потужність електроприладів. Під навантаженням джерела струму розуміють загальну потужність електричного кола.
Коефіцієнт корисної дії (ККД) джерела струму залежить від його навантаження, що можна визначити дослідним шляхом. Дуже важливо знати оптимальне значення навантаження для роботи джерела струму з мінімальними втратами електроенергії.
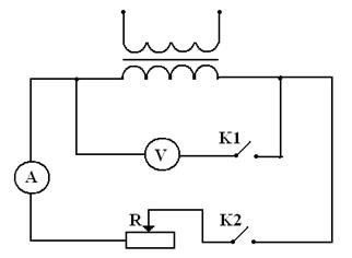
Електросхема складається: з джерела струму, двох котушок знижувального трансформатора, реостата, амперметра, вольтметра, двох вимикачів і 7 з’єднувальних металевих провідників.

Малюнок 1 – Електросхема дослідної установки
Повна потужність Nзаг складається з потужностей джерела струму і споживачів та знаходиться з формули 1:
(1)
Корисну потужність Nкор (потужність приладів споживачів) знаходимо з формули 2:
(2)
Отже, ККД джерела струму розраховуємо так:
(3)
де η – ККД джерела струму;
E – ЕРС джерела струму;
Nкор – корисна потужність, Вт;
Nзаг – повна потужність, Вт;
І – сила струму, А;
U – напруга, В.
Порядок виконання роботи
Накресліть таблицю 1
Таблиця 1 – Дані вимірювань і обчислень
| № | Е, (В) | U, (B) | I, (A) | R, (Ом) | Nкор, (Вт) | Nзаг, (Вт) | η |
Скласти схему, яка зображена на малюнку 1.
Підключити вольтметр до джерела струму (ключ К1 ввімкнутий, а ключ К2 – вимкнутий) та виміряти ЕРС джерела струму. Так як опір вольтметра R значно більше опору джерела струму r, то через нього проходе дуже малий струм і, тому, потужністю вольтметра можна знехтувати, отже, він наближено показує величину ЕРС джерела струму.
Встановити максимальний опір реостата, ввімкнути ключи К1 і К2. Зменшуючи поступово опір реостату, виміряти 8-10 значень напруги і відповідних значень сили струму. За формулами 1, 2 для кожного значення сили струму і напруги обчислити Nкор і Nзаг.
За законом Ома для ділянки кола знайти опір:
, (4)
де R – опір зовнішньої ділянки кола, Ом.
За формулою 3 обчисліть ККД джерела струму.
Побудувати графіки залежностей корисної потужності і ККД від опору зовнішньої ділянки кола за формулами:
, (5)
(6)
![]() |
![]() |
Запишіть результати вимірювань і обчислень в таблицю 1.
Контрольні запитання
Запишіть формули закону Ома для ділянки та повного кола, назвіть фізичні величини, що в них присутні та їх одиниці вимірювання.
Як правильно підключити вольтметр та амперметр до споживача? Яким умовам повинні відповідати їх опори?
Визначить ціну поділки приладу, якщо на його шкалі між цифрами 10 і 12 знаходиться 5 поділок, 4 поділки? Визначить ціну поділки приладів, що використуються у роботі, та максимальні значення, які можна виміряти.
Навіщо повзунок реостата ставлять у положення, що відповідає максимальному його опору, перед вмиканням ключа?
Як визначити потужність електроприладу, якщо відомі його опір і сила струму у ньому; опір і напруга на його затискачах?
Чому ККД будь-якого приладу завжди менше одиниці? Як визначають ККД приладу?
Обчисліть роботу електричного струму за 1 хвилину, якщо потужність електроплитки 2 кВт. Чи достатньо цієї енергії для нагрівання води масою 1 кг від 0 0С до кипіння, якщо відсутні теплові втрати енергії у навколишнє середовище?
Висновки
Оформлення звіту
Лабораторна робота № 8 (2 години)
Тема: Спостереження дії магнітного поля на струм
1. Мета роботи: дослідити взаємодію провідника зі струмом і магніту. Набути практичних навичок у визначенні напряму руху провідника зі струмом у магнітному полі.
2. Прилади і обладнання:
Джерело постійного струму
Штабовий магніт
Штатив
Вимикач
Котушка з мідним провідником
Реостат
З’єднувальні провідники - 4 шт.
Загальні теоретичні положення
Магнітне поле, як і електричне, є одним з видів матерії. Воно виникає, наприклад, при русі електрично заряджених частинок і навколо провідників зі струмом. Магнітне поле має енергію, яка називається енергією магнітного поля. Тому, якщо в магнітне поле, що оточує провідник з електричним струмом, внести другий провідник зі струмом, то на останній діє сила магнітного поля. В свою чергу магнітне поле другого провідника зі струмом діє на перший. Під дією сил поля провідник зі струмом може переміщуватися; в цьому випадку виконується робота за рахунок енергії магнітного поля. Електричний струм у провіднику і магнітне поле навколо нього – нерозривно зв’язані явища.
Інтенсивність магнітного поля у кожної його точці характеризується (магнітною індукцією) вектором індукції магнітного поля -
, [Тл] ; магнітне поле зручно зображати силовими лініями, до яких вектор
напрямлен по дотичній. Магнітна індукція
у будь-якій точці поля навколо провідника з електричним струмом залежить від величини сили струму I, форми провідника, відстані точці від провідника і від властивостей середовища, у якому знаходиться магнітне поле.
Магнітні силові лінії завжди замкнені і мають напрямок від північного полюса (N) до південного (S), що показано на малюнку 1. Щоб дослідити напрямок вектора індукції магнітного поля -
у будь-якій точці, використовують магнітну стрілку (компас), яка може вільно обертатись навколо власної осі і орієнтується за напрямком вектора
. Щоб побачити форму силових ліній у горизонтальній площині, використовують оргскло, на яке рівномірно розсипають намагнічені мілкі металеві ошурки. Останні під дією магнітного поля орієнтуються за його напрямком.
Правило взаємодії магнітних полюсів: однойменні магнітні полюса відштовхуються один від одного (S-S; N-N), а різнойменні – притягуються (S-N; N-S). Якщо до магнітного полюса котушки зі струмом піднести однойменний полюс постійного магніту, то вони відштовхуються, а якщо піднести різнойменний, - притягуються. У цьому випадку не обов’язково знати напрямок струму у котушці, щоб визначити її полюса.
На прямий провідник довжиною l зі струмом І, вміщений у магнітне поле з індукцією
, діє сила Ампера
, напрям якої визначається за правилом лівої руки, де α - кут між вектором
і напрямком струму I.
|

Навколо котушки зі струмом існує магнітне поле, яке подібне полю прямого магніту.
Якщо відомий напрямок струму у котушці, то для визначення напрямку силових ліній магнітного поля кругового струму котушки (соленоїда) використовують правило Буравчика: якщо ручку буравчика обертати за напрямком колового струму, то поступовий рух його острія вкаже напрямок магнітних силових ліній внутрі колового струму.
Отже, скориставшись правилом Буравчика, визначають полюса котушки, по виткам якої тече коловий струм. У цьому випадку не обов’язково мати магніт, щоб визначити її полюса.

Малюнок 2 - Електросхема дослідної установки

Малюнок 3 - Дослідна установка
Порядок виконання роботи
Підвісьте котушку до штатива, приєднавши її до джерела струму послідовно з реостатом і вимикачем. Попередньо вимикач К1 слід розімкнути, а повзунок реостата встановити на максимальний опір.
До підвішеної котушки піднесіть магніт південним полюсом (S) до її торця і, замикаючи коло, спостерігайте за рухом котушки. Визначте магнітні полюса котушки по ефекту взаємодії котушки і магніту, користуючись правилом взаємодії магнітних полюсів.
У звіті про роботу зробіть малюнки магніту і котушки, вкажіть напрям силових ліній магнітної індукції
в котушці, пом’ятая, що вони виходять з північного полюса (N), а заходять до південного (S).
Визначте напрям струму I в котушці по напрямку обертання ручки буравчика, якщо його острій поступово рухається від південного (S) до північного (N) полюса котушки (правило буравчика). Замість буравчика можна використовувати звичайну письмову ручку з правогвинтовою різьбою.
Перевірте визначений напрямок струму I у котушці, користуючись позначками клеми (+) і клеми (-) джерела струму.
Змініть напрям струму у електричному колі, під’єднавши по іншому джерело струму. Визначте передбачуваний напрям руху котушки відносно південного полюса магніту, виконуя пункти 4.1, 4.2, 4.3. і 4.4.
Піднесіть магніт іншим полюсом (північним) до того ж самого торця котушки. Визначте передбачуваний напрям руху котушки відносно цього полюса магніту. Накресліть малюнок за пунктами 4.3. і 4.4.
Контрольні запитання
Чи подібні ефекти взаємодії магнітних полюсів і електричних зарядів?
Чому для досягання мети цієї роботи використовують котушку з намотаним на неї мідним провідником, а не з залізним?
У якому напрямку тече струм у електричному колі, якщо на клемах джерела струму є позначки (+) і (-) ?
Як визначити напрям струму у електричному колі, якщо на клемах джерела струму відсутні позначки (+) і (-) ?
Що буде з магнітом, якщо його поділити на дві частини?
Що називають силовими лініями магнітного поля? Який напрямок вони мають?
Що визначає правило буравчика для колового струму і для прямолінійного струму?
Скільки є способів визначення полюсів котушки?
Який принцип роботи електромагніту? Де його використовують?
Висновки
Оформлення звіту
Лабораторна робота № 9 (2 години)
Тема: Визначення температурного коефіцієнту опору міді
1. Мета роботи: дослідним шляхом визначити температурний коефіцієнт опору міді
2. Прилади і обладнання:
Електроплитка;
Термометр (до 100 0С);
Посуд з водою;
Прилад для визначення температурного коефіцієнту опору міді
(котушка з намотаним на неї мідним провідником, що знаходяться у скляній колбі);
Амперметр;
Вольтметр;
Вмикач;
З’єднувальні провідники - 6 шт.
Загальні теоретичні положення
Електричний струм у металі – це впорядкований рух вільних зовнішніх його електронів по провіднику під дією електричного поля. Метали мають кристалічну решітку, в вузлах якої знаходяться позитивно заряджені іони, між якими рухаються вільні зовнішні електрони. Позитивно заряджені іони лише коливаються навколо власних положень рівноваги і не пересуваються у металі під впливом електричного поля. Атом, що втратив кілька власних зовнішніх електронів стає позитивним іоном. Електрони, що створюють електричний струм, під час руху частково стикаються та взаємодіють з іонами кристалічної решітки, що затримує їх рух. Тому вважають, що з боку метала існує опір R до впорядкованого руху електронів.
При збільшенні температури t металевого провідника його позитивні іони, що знаходяться в вузлах кристалічної решітці, збільшують інтенсивність коливань, що призводить до зростання кількості зіткнень їх з електронами провідності. Тому опір металевого провідника R зростає при збільшенні температури t. І, навпаки, опір металевого провідника різко зменшується при зменшенні температури до малих значень (T → 0 K або
t → - 273,15 0С). В останньому випадку виникає явище надпровідності, коли сила струму різко зростає.
Якщо при початковій температурі t0 опір провідника - R0, а при температурі t він дорівнює - R, то відносна зміна опору прямо пропорційна ∆tº:
, (1)
де α – температурний коефіцієнт опору металу, який різний у різних металів. Він характеризує залежність опору провідника при його нагріванні на 1 0С;
∆t – зміна температури, 0С;
R0 – опір при температурі t0, Ом;
R – опір при температурі t, Ом.
Якщо інтервал зміни температури невеликий, то температурний коефіцієнт можна вважати сталим. Оскільки він не змінюється, то графічна залежність R(t) має вигляд прямої:

Малюнок 1 – Графік залежності опору металевого провідника від температури.
Зміну опору металевого провідника з підвищенням температури треба враховувати при створенні нагрівальних пристроїв.
Якщо замкнути коло, то при початковій температурі t0, що дорівнює температурі навколишнього середовища, за законом Ома для ділянки кола опір обчислюється за формулою 2:
, (2)
де R0 – опір зовнішньої ділянки при температурі t0, Ом;
U0 – напруга при температурі t0, В;
I0 – сила струму при температурі t0, А;
При температурі t опір мідного провідника буде:
, (3)
де R – опір зовнішньої ділянки при температурі t, Ом;
U – напруга при температурі t, В;
I – сила струму при температурі t, А.
З формули 1 визначаємо температурний коефіцієнт опору металу:
, (4)
Порядок виконання роботи
Накресліть електросхему, що зображена на малюнку 2 та складіть її:

Малюнок 2 – Схема електричного кола
Перевірити надійність електричних контактів, правильність вмикання амперметра і вольтметра;
Визначити ціну поділки амперметра, вольтметра та термометра;
Виміряти температуру повітря - t˚0. Замкнути коло, виміряти силу струму у цепі і напругу на кінцях мідного провідника;
Занурити прилад з мідним провідником у посудину з гарячою водою. Через декілька секунд, після теплової рівноваги, виміряти температуру води у посудині, напругу і силу струму;
Дослід повторити три рази;
Результати вимірювань записати у таблицю 1;
Таблиця 1 – Результати вимірювань та обчислень
| № | t0, 0С |
U0, B |
I0, A |
t, 0С |
U, B |
I, A |
α, 0С-1 |
<α>, 0С-1 |
, (6)
де <α> - це середнє значення температурного коефіцієнта опору міді (Cu);
Порівняти <α> з табличним значенням αтабл довідника.
(Використовуйте таблицю температурного коефіцієнту опору різних речовин, наприклад, у довіднику з фізики А.С. Єхоновича, 1990 року видання на сторінці 176). αтабл (Cu) = 0,0043 0С - 1.
Результати записати у вигляді:
, (7)
де
=αтабл - <α>
Контрольні запитання
Чому зі зміною температури змінюється опір провідника?
На скільки градусів ∆t нагріли мідний провідник, якщо його опір збільшився удвічі? (Використовуйте формулу 1 та співвідношення R = 2R0)
Поясніть, чому з підвищенням температури металевого провідника при постійній напрузі його потужність зменшується.
Чи буде залишатися постійною підіймальна сила електромагніта, якщо він працює дуже довго без перерви? Чому?
З якого матеріалу повинен бути виготовлений провідник, щоб він був найменш чутливим до зміни температури? (Використовуйте таблицю температурного коефіцієнту опору різних речовин, наприклад, у збірнику задач і запитань Р.А. Гладковой, 1988 року видання на сторінці 381)
Висновки
Оформлення звіту
Лабораторна робота № 10 (2 години)
Тема: Визначення заряду електрона
1. Мета роботи: навчитися застосовувати закон Фарадея для визначення елементарного електричного заряду.
2. Прилади і обладнання:
Електрична ванна з водним розчином сульфату міді (Cu2S);
Мідні електроди – 2 шт.;
Джерело постійного струму на 1-2 А;
Терези з важками;
Реостат з ковзним контактом;
Наждачний і фільтрувальний папір;
Вмикач;
Сушильна камера (електроплитка);
З’єднувальні провідники - 5 шт.;
Загальні теоретичні положення
Електричний струм у електролітах (розчинах солей, кислот у воді, …) – це впорядкований рух позитивних і негативних іонів під дією електричного поля. Іони, що є у електроліті, – це вільні заряджені частинки, які утворюються при дисоціації (розпаду на частини) молекул цього розчину.
Металеві провідники, що занурені у електроліт називають електродами. Електрод, на який від джерела струму подається негативний потенціал, називається катодом, а якщо подається позитивний потенціал – анодом.
Коли є електричний струм у електроліті, позитивні іони (катіони) рухаються до негативного електрода (катода), а негативні іони (аніони) – до позитивного електрода (анода).
Проходження електричного струму через електроліти, яке супроводжується хімічним перетворенням речовини і виділенням його на електродах, називається електролізом.
При доторканні одного іона до електрода передається заряд (n·e) між іоном і електродом, іон перетворюється на нейтральний атом масою (m0), який потім осідає на електроді. Отже, при проходженні через розчин заряду (q), на електроді осідають атоми, загальною масою (m). Маємо звичайну пропорцію, яку поступово модернізуємо:
(1)
Згідно до закону Фарадея для електролізу:
, (2)
де m – маса речовини, що виділилася при електролізі на катоді, кг;
М – молярна маса міді (Cu), кг/моль;
q – заряд, Кл;
n– валентність міді (Cu);
e – заряд електрона, eтабл. = 1,6022·10 - 19 Кл;
Na – стала Авогадро, Na = 6,022 · 1023 моль-1;
m1 – маса електрода до електролізу, кг;
m2 – маса електрода після електролізу, кг.
Щоб визначити масу міді, яка виділилася на катоді при електролізі, його зважують до і після виконання досліду (відповідно m1 і m2). Тому m = m2 - m1 і формула для визначення заряду електрона матиме вигляд:
![]()
(3)
Порядок виконання роботи
4.1. Зважте мідний катод (m1), заздалегідь зробивши на його верхній частині позначку, щоб надалі не переплутати його з мідним анодом.
Укріпити електроди в тримачі і не вставляючи електроди в ванну з розчином, складіть електричне коло (згідно з малюнком 1). Перевірте надійність електричних контактів, правильність підключення амперметра.

Малюнок 1 – Електросхема дослідної установки
Опустіть електроди в ванну з розчином, замкніть коло, встановіть за допомогою реостату силу струму у колі не більше 1 А. Запишіть початковий час. Процес електролізу має тривати 15-20 хвилин, при цьому силу струму в колі підтримуйте незмінною (за допомогою реостату).
Після завершення досліду розімкніть коло, вийміть мідний катод, обережно промийте його проточною водою, висушить (спочатку за допомогою фільтрованого паперу, а потім у сушильній камері або над електроплиткою) і зважте його, отримав значення (m2).
Обчисліть значення заряду електрону за формулою 2, максимальні абсолютні і відносні похибки вимірювання маси; обчисліть максимальні похибки (відносну і абсолютну) вимірювання значення електрона.
Порівняйте дослідне значення електрона (e) з табличним (eтабл). Визначте абсолютну і відносну різниці між їх значеннями, які обумовлені загальними факторами, за формулами:
(3)
(4)
Контрольні запитання
Яку з величин у даній роботі слід вимірювати з найбільшою точністю, щоб дістати точніше значення електрона?
Чому при проходженні струму через електроліт є перенос речовини, а при проходженні у металевому провіднику немає?
Як зміниться маса речовини, що виділяється на електроді, якщо силу струму та час проходження струму збільшити у два рази?
Чому сила струму змінюється при електролізі, якщо її не регулювати реостатом?
Дайте визначення аноду, катоду, аніонам, катіонам.
Що називають дисоціацією, рекомбінацією?
Для захисту морських кораблів від корозії застосовують метод протекторів: на сталевій поверхні корпуса в різних місцях закріплюють листи цинку. Чому в цьому випадку корпус менше зазнає корозії?
Чому електрохімічний еквівалент двохвалентного і тривалентного нікелю різний?
Напишіть реакції, які відбуваються на катоді і аноді, при доторканні до них іонів з розчину мідного купоросу (Cu2S) у воді.
Який розчин потрібно залити у електролітичну ванну, щоб мідний анод розчинявся при електролізі? Яке має практичне значення розчинення аноду для отримання кольорового металу? Чи буде при цьому зростати маса мідного катоду?
Висновки
Оформлення звіту
Похожие рефераты:
Електроніка та мікропроцесорна техніка
Фізичні основи роботи комп’ютера
Розробка інвертора напруги для апаратури зв'язку
Електропоїзди постійного струму
Діагностика системи запалення ДВЗ
Теорія електричних і електронних кіл
Система автоматичного регулювання (САР) турбіни атомної електростанції
Розвиток і вдосконалення льотної промисловості України
Ремонт и регулировка мониторов для компьютеров
Технологія зварювання металів і сплавів неплавкими електродами
Система моделювання Electronics Workbench
Впровадження міжпредметних зв’язків при підготовці трактористів-машиністів

