| Похожие рефераты | Скачать .docx |
Курсовая работа: Редуктор двухступенчатый соосный двухпоточный с внутренним зацеплением тихоходной ступени
ФЕДЕРАЛЬНОЕ АГЕНСТВО ПО КУЛЬТУРЕ И КИНЕМАТОГРАФИИ
САНКТ-ПЕТЕРБУРГСКИЙ ГОСУДАРСТВЕННЫЙ
УНИВЕРСИТЕТ КИНО И ТЕЛЕВИДЕНИЯ
Кафедра механики
Расчетно-пояснительная записка к курсовому проекту
на тему
"Редуктор двухступенчатый соосный двухпоточный с внутренним зацеплением тихоходной ступени"
Санкт-Петербург 2009г.
Содержание
_Toc231388737
Техническое задание на курсовое проектирование. 3
1. Кинематический расчет и выбор электродвигателя. 4
2. Выбор материалов и определение допускаемых напряжений. 9
3. Расчет тихоходной ступени привода. 11
3.1 Проектный расчет. 11
3.2 Проверочный расчет по контактным напряжениям.. 14
3.3 Проверочный расчет зубьев на изгиб. 15
4. Расчет быстроходной ступени привода. 17
5. Проектный расчет валов редуктора. 20
5.1 Расчет тихоходного вала редуктора. 21
5.2 Расчет быстроходного вала редуктора. 25
5.3 Расчет промежуточного вала. 30
6. Подбор и проверочный расчет шпонок. 36
6.1 Шпонки быстроходного вала. 36
6.2 Шпонки промежуточного вала. 37
6.3 Шпонки тихоходного вала. 37
7. Проверочный расчет валов на статическую прочность. 39
8. Выбор и проверочный расчет подшипников. 43
9. Выбор масла, смазочных устройств. 46
Список использованной литературы.. 48
Техническое задание на курсовое проектирование
Механизм привода:

электродвигатель;
муфта;
редуктор зубчатый цилиндрический двухступенчатый соосный двухпоточный с внутренним зацеплением тихоходной ступени;
муфта;
исполнительный механизм.
Потребный момент на валу исполнительного механизма (ИМ) Тим=30Нм;
Угловая скорость вала ИМ ωим=5,8с-1.
Разработать:
сборочный чертеж редуктора;
рабочие чертежи деталей тихоходного вала: зубчатого колеса, вала, крышки подшипника.
1. Кинематический расчет и выбор электродвигателя
Исходные данные:
потребный момент на валу исполнительного механизма (ИМ) Тим=30Нм;
угловая скорость вала ИМ ωим=5,8с-1;
Определяем мощность на валу
ИМ Nим= Тимх ωим=30х5,8=174Вт.
Определяем общий КПД привода по схеме привода
ηобщ=ηкп ηшп ηм ηп(1.1)
где [1, с.9,10]: ηзп=0,972 - КПД зубчатой цилиндрической передачи;
ηм=0,982 - потери в муфтах;
ηп=0,994 - коэффициент, учитывающий потери на трение в подшипниках 4-х валов.
Сделав подстановку в формулу (1.1) получим:
ηобщ. =0,972*0,982*0,994=0,868
Определяем потребную мощность электродвигателя [1, с.9]
Nэд≥Nим/ηобщ. (1.2)
где Nэд - требуемая мощность двигателя:
Nэд=174/0,877=198,4Вт
Выбираем электродвигатель [1, с.18, табл. П2]
Пробуем двигатель АИР71В8:
Nдв. =0,25кВт;
nдв=750об/мин;
S=8%.
Определяем номинальную частоту вращения электродвигателя по формуле (5) [1,c.11]:
nном=nдв·(1-S/100); nном=750·(1-0,08);
nном=690 об/мин
Определяем угловую скорость вала двигателя
ωдв=πnдв/30=π*690/30=72,2рад/с;
Определяем общее передаточное число привода
U=ωдв. /ωим=72,2/5,8=12,5
Производим разбивку передаточного числа по ступеням. По схеме привода
Uобщ. =U1· U2; (1.3)
Назначаем по рекомендации [1, табл.2.3]: U2=5;
тогда
U1= Uобщ. /U2;
U1=2,5.
Принимаем окончательно электродвигатель марки АИР71В8.
Угловые скорости определяем по формуле
ω=πn/30(1.4)

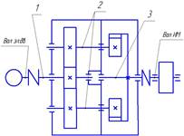
Рис.1 Схема валов привода: 1 - быстроходный вал; 2 - промежуточный вал; 3 - тихоходный вал.
По схеме валов (рис.1) и формуле (1.4) определяем частоты вращения и угловые скорости каждого вала
n1= nном.
ω1= ωдв=72,2рад/с;
n2= nном/U1=650/3,5=185,7об/мин;
ω2=πn2/30=π*216,7/30=19,45 рад/с;
n3= n2/U2=216,7/3,55=52,3 об/мин;
ω3=πn3/30=π*61,1/30=5,48 рад/с.
Определяем мощность на каждом валу по схеме привода
N1=Nдв ηм=0,25*0,98=245Вт;
N2=N1 ηзп ηп3=245*0,97*0,993=230Вт;
N3=N2 ηзп ηп =233*0,97*0,99=221Вт;
Nим=N3 ηм =224*0,98=217Вт.
Определяем вращающие моменты на каждом валу привода по формулам [1, с.12,14]:
; Т2=Т1•U1; Т3=Т2•U2; (1.5)
Т1=245/72,2=3,4 Н•м;
Т2=3,4•2,5=8,5 Н•м;
Т3=8,5•5=42,5 Н•м.
Все рассчитанные параметры сводим в табл.1.
Таблица 1
Параметры кинематического расчета
| № вала |
n, об/мин |
ω, рад/с |
N, Вт |
Т, Нм |
U |
| Дв |
690 |
72,2 |
250 |
3,5 |
|
| 1 |
690 |
72,2 |
245 |
3,4 |
2,5 |
| 2 |
185,7 |
19,45 |
230 |
8,5 |
|
| 5 |
|||||
| 3 |
52,3 |
5,48 |
221 |
42,5 |
|
| ИМ |
52,3 |
5,48 |
217 |
42,5 |
2. Выбор материалов и определение допускаемых напряжений
Выбираем материал для шестерни и колеса по табл.3.2 [4,c.52]:
шестерня - сталь 40Х, термообработка - улучшение 270НВ,
колесо - сталь 40Х, термообработка - улучшение 250НВ.
Определяем допускаемое контактное напряжение по формуле [4,c.53]:
(2.1)
где σHlimb - предел контактной выносливости при базовом числе циклов;
КHL - коэффициент долговечности;
[SH] - коэффициент безопасности;
по [1,c.33]: КHL =1; [SH] =1,1.
Определяем σHlimb по табл.3.1 [4,c.51]:
σHlimb =2НВ+70; (2.2)
σHlimb1 =2×270+70; σHlimb1 =610МПа;
σHlimb2 =2×250+70; σHlimb1 =570МПа.
Сделав подстановку в формулу (2.1) получим
;
МПа;
;
МПа.
Определяем допускаемое расчетное напряжение по формуле [4,c.53]:
(2.3)
;
МПа.
Определяем допускаемые напряжения по по табл.3.1 [4,c.51]:
[σ] Fo =1,03НВ;
[σ] Fo1 =1,03x270=281МПа;
[σ] Fo2 =1,03x250=257МПа.
3. Расчет тихоходной ступени привода
3.1 Проектный расчет
Определяем межосевое расстояние передачи по формуле [4,c.61]:
(3.1)
Где Ка - числовой коэффициент, Ка =49,5 [4,c.61] ;
КHβ - коэффициент, учитывающий неравномерность распределения нагрузки по ширине венца, КHβ =1 для прямозубых колес [4,c.54] ;
- коэффициент ширины венца колеса,
=0,315 назначаем по ГОСТ2185-66 с учетом рекомендаций [4,c.61] ;
U - передаточное отношение, U2=5 (см. табл.1):
Т - вращающий момент на колесе, Т3 =42,5 Нм (см. табл.1).
Подставив значения в формулу (3.1) получим:

![]()
Принимаем окончательно по ГОСТ6636-69 [4, табл.13.15]
![]()
Определяем модуль [2,c.36]:
(3.2)
mn=(0,01…0,02) ·70;
mn=0,7;
Принимаем модуль mn=1мм [2,c.36]
Так как тихоходная ступень внутреннего зацепления определяем разность зубьев зубьев по формуле [5, т.2, c.432]:
z2-z1=2aw/mn(3,3)
z2-z1=2·70/1;
z2-z1=140.
Определяем число зубьев шестерни и колеса по формулам (3.13) [2,c.37]:
z1= z2-z1/(U2+1); z1=140/6=23,3; z1=24;
z2= z2-z1-+z1=140+24=164; z2=164.
Отклонения передаточного числа от номинального нет.
Определяем делительные диаметры шестерни и колеса по формуле [5, т.2, c.432]:
d=mn·z; (3.4)
d1=mn·z1=1х24=24мм;
d2=mn·z2=1х164=164мм;
Определяем остальные геометрические параметры шестерни и колеса по формулам [5, т.2, c.432]:
;
; ![]()
;
;
(3.5)
;
(3.6)
![]()
![]()
мм;
мм;
мм;
мм;
;
мм;
;
мм;
;
мм
;
мм;
![]()
![]()
;
мм;
Определяем окружные скорости колес
![]()
;
м/с.
Назначаем точность изготовления зубчатых колес - 7F [2,c.32].
Определяем силы в зацеплении [4, табл.6.1]: окружная
(3.7)
;
Н;
Таблица 2
Параметры зубчатой передачи тихоходной ступени
| Параметр |
Шестерня |
Колесо |
| mn, мм |
1 |
|
| ha, мм |
1 |
|
| ht, мм |
1,25 |
|
| h, мм |
2,25 |
|
| с, мм |
0,375 |
|
| z |
24 |
164 |
| d, мм |
24 |
164 |
| dа, мм |
26 |
162 |
| df, мм |
21,5 |
166,5 |
| b, мм |
50 |
54 |
| аW, мм |
70 |
|
| v, м/с |
0,23 |
|
| Ft, Н |
531 |
|
| Fr, Н |
193 |
|
радиальная
; где α=20° - угол зацепления; (3.8)
;
Н;
Осевые силы в прямозубой передачи отсутствуют.
Все вычисленные параметры заносим в табл.2.
3.2 Проверочный расчет по контактным напряжениям
Проверку контактных напряжений производим по формуле {4, c.64]:
; (3.9)
где: - К - вспомогательный коэффициент, для прямозубых передач К=436;
Ft =531Н (табл.2);
U2=5;
КНα - коэффициент, учитывающий распределение нагрузки между зубьями, для прямозубых колес КНα =1;
КНβ - см. п.3.1;
КНυ - коэффициент динамической нагруки, зависящий от окружной скорости колес и степени точности передачи, КНυ =1,04 [4, табл.4.3].
(3.10)
Определяем ∆σН
;
;
недогрузки, что допускается.
3.3 Проверочный расчет зубьев на изгиб
Расчетные напряжения изгиба в основании ножки зубьев колеса и шестерни [4, с.67]:
; (3.11)
; (3.12)
где: КFβ - коэффициент неравномерности нагрузки по длине зуба, для прирабатывающихся зубьев КFβ =1;
КFv - коэффициент динамической нагруки, зависящий от окружной скорости колес и степени точности передачи, КНυ =1,1 [4, табл.4.3] ;
YF1 и YF2 - коэффициенты формы зуба шестерни и колеса, YF1 =3,9, YF2 =3,61 [4, табл.4.4].
Подставив значения в формулы (3.11) и (3.12), получим:
;
.
Прочность зубьев на изгиб обеспечивается.
Определяем ∆σF
;
![]()
Все вычисленные параметры проверочных расчетов заносим в табл.3.
Таблица 3
Параметры проверочных расчетов
| Параметр |
Обозн. |
Допускаемое |
Расчетное |
Недогрузка(-) или перегрузка(+) |
| Контактное напряжение, МПа |
σН |
482,7 |
435 |
-10% |
| Напряжение изгиба, МПа |
σF1 |
281 |
59,4 |
-79% |
| σF2 |
257 |
55 |
-78% |
4. Расчет быстроходной ступени привода
Межосевое расстояние для быстроходной ступени с учетом того, что редуктор соосный и двухпоточный, определяем половину расстояния тихоходной ступени:
а=d2-d1;
а=84-14=70мм.
Из условия (3.2) принимаем модуль mn=1,5мм
Определяем суммарное число зубьев по формуле (3.12) [1,c.36]:
zΣ=2а/mn;
zΣ=2·70/1,5; zΣ=93,3
Принимаем zΣ=94.
Определяем число зубьев шестерни и колеса по формулам (3.13) [2,c.37]:
z1= zΣ/(U1+1); z1=94/(2,5+1); z1=26,1; принимаем z1=26.
Тогда
z2= zΣ-z1=94-26=68
Фактическое передаточное соотношение U1=68/26=2,6
Отклонение передаточного числа от номинального незначительное.
Определяем делительные диаметры шестерни и колеса по формуле (3.17) [2,c.37]:
d1=mn·z1=1,5х26=39мм;
d2=mn·z2=1,5х68=102мм;
Определяем остальные геометрические параметры шестерни и колеса по формулам [2,c.37]:
;
; ![]()
;
; ![]()
; ![]()
мм;
;
мм;
;
мм;
;
мм;
;
мм;
;
мм;
;
мм
;
мм;
![]()
![]()
;
мм;
Определяем окружные скорости колес
![]()
;
м/с.
Назначаем точность изготовления зубчатых колес - 7А [2,c.32].
Определяем силы в зацеплении (3.7, 3.8):
окружная
;
Н;
радиальная
;
Н.
Осевые силы в прямозубой передачи отсутствуют.
Все вычисленные параметры заносим в табл.4.
Таблица 4
Параметры зубчатой передачи быстроходной ступени
| Параметр |
Шестерня |
Колесо |
| mn, мм |
1,5 |
|
| ha, мм |
1,5 |
|
| ht, мм |
1,875 |
|
| h, мм |
3,375 |
|
| с, мм |
0,375 |
|
| z |
26 |
68 |
| d, мм |
39 |
102 |
| dа, мм |
42 |
105 |
| df, мм |
35,25 |
98,25 |
| b, мм |
22 |
25 |
| аW, мм |
70 |
|
| v, м/с |
1,4 |
|
| Ft, Н |
166,7 |
|
| Fr, Н |
60,7 |
|
Учитывая, что геометрические параметры быстроходной ступени незначительно отличаются от тихоходной, выполнение проверочных расчетов нецелесообразно.
5. Проектный расчет валов редуктора
По кинематической схеме привода составляем схему усилий, действующих на валы редуктора по закону равенства действия и противодействия. Для этого мысленно расцепим шестерни и колеса редуктора, при этом дублирующий вал не учитываем.
Схема усилий приведена на рис.1.

Рис.2 Схема усилий, действующих на валы редуктора.
Из табл.1,2,4 выбираем рассчитанные значения:
Т1=3,4 Нм; Т2=8,5 Нм; Т3=42,5 Нм;
Ft1=166,7 Н; Ft2=1012 Н; Fr1=60,7 Н; Fr2=368 Н;
d1=39мм; d2=102мм; d3=14мм; d4=84мм.
Fm1 и Fm1 - консольные силы от муфт, которые равны [4, табл.6.2]:
;
;
Н;
Н.
Rx и Ry - реакции опор, которые необходимо рассчитать.
Так как размеры промежуточного вала определяются размерами остальных валов, расчет начнем с тихоходного вала.
5.1 Расчет тихоходного вала редуктора
Схема усилий действующих на валы редуктора представлена на рис.2.
Назначаем материал вала. Принимаем сталь 40Х, для которой [2, табл.8.4] σв=730Н/мм2;
Н/мм2;
Н/мм2;
Н/мм2.
Определяем диаметр выходного конца вала под полумуфтой из расчёта на чистое кручение [2,c.161]:

где [τк] =(20…25) МПа
Принимаем [τк] =20МПа.
;
мм.
Принимаем окончательно с учетом стандартного ряда размеров Rа20 (ГОСТ6636-69):
мм.
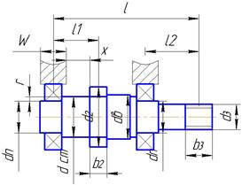
Намечаем приближенную конструкцию ведомого вала редуктора (рис.3), увеличивая диаметр ступеней вала на 5…6мм, под уплотнение допускается на 2…4мм и под буртик на 10мм.

Рис.3 Приближенная конструкция тихоходного вала
мм;
мм - диаметр под уплотнение;
мм - диаметр под подшипник;
мм - диаметр под колесо;
мм - диаметр буртика;
b4=25мм.
Учитывая, что осевых нагрузок на валу нет предварительно назначаем подшипники шариковые радиальные однорядные особо легкой серии по
мм подшипник №106, у которого Dп=55мм; Вп=13мм [4, табл. К27].
Выбираем конструктивно остальные размеры: W=20мм; lм=20мм; l1=35мм; l=60мм; с=5мм.
Определим размеры для расчетов:
l/2=30мм;
с=W/2+ l1+ lм/2=55мм –
расстояние от оси полумуфты до оси подшипника.
Проводим расчет тихоходного вала на изгиб с кручением.
Заменяем вал балкой на опорах в местах подшипников (см. рис.4 ). Назначаем характерные точки 1,2, 3 и 4.
Определяем реакции в подшипниках в вертикальной плоскости.
ΣМ2y=0; RFy·0,06-Fr2·0,03=0
RFy= 368·0,06/ 0,03;
RЕy= RFy=736Н.

Рис.4 Эпюры изгибающих моментов тихоходного вала
Определяем изгибающие моменты в характерных точках: М1у=0;
М2у=0; М3у=RЕy·0,03; М3у=22Нм2; М3у=0;
Строим эпюру изгибающих моментов Му, Нм2 (рис.3)
Определяем реакции в подшипниках в горизонтальной плоскости.
ΣМ4x=0; Fm2·0,115 - RЕx·0,06+ Ft2·0,03=0;
RЕx=(814·0,115+ 1012·0,03) / 0,06;
RЕx=2066Н;
ΣМ2x=0; Fm2·0,055 - Ft2·0,03+ RFx·0,6=0;
RFx= (1012·0,03 - 814·0,055) / 0,06;
RFx=-240Н,
результат получился отрицательным, следовательно нужно изменить направление реакции.
Определяем изгибающие моменты:
М1х=0;
М2= - Fr2·0,03
М2х=-368·0,03;
М2х=-11Нм;
М3хслева=-Fm2·0,085-RЕх ·0,055;
М3хслева==-814·0,085-240 ·0,03;
М3хслева=-76Нм;
М3х= - REх ·0,055;
М3х= - 2066 ·0,03;
М3х= - 62;
М4х=0;
Строим эпюру изгибающих моментов Мх.
Крутящий момент
Т1-1= Т2-2= Т3-3= T3=42,5Нм;
T4-4=0.
Определяем суммарные радиальные реакции [4,рис 8.2 ]:
;
;
;
Н;
;
Н.
Определяем результирующий изгибающий момент в наиболее опасном сечении (в точке 3) [4,рис 8.2]:
;
;
Нм2.
Эквивалентный момент:
;
;
Нм2.
5.2 Расчет быстроходного вала редуктора
Схема усилий, действующих на быстроходный вал представлена на рис.2.
Назначаем материал вала. Принимаем сталь 40Х, для которой [2, табл.8.4] σв=730Н/мм2;
Н/мм2;
Н/мм2;
Н/мм2.
Определяем диаметр выходного конца вала под полумуфтой из расчёта на чистое кручение [2,c.161]:

где [τк] =(20…25) Мпа
Принимаем [τк] =20Мпа.
;
мм.
Принимаем окончательно с учетом стандартного ряда размеров Rа5 (ГОСТ6636-69):
мм.
Намечаем приближенную конструкцию быстроходного вала вала редуктора (рис.5), увеличивая диаметр ступеней вала на 5…6мм, под уплотнение допускается на 2…4мм и под буртик на 10мм.
мм;
мм - диаметр под уплотнение;
мм - диаметр под подшипник;
мм - диаметр для заплечиков;
мм - диаметр вала-шестерни;
b1=22мм.
Учитывая, что осевых нагрузок на валу нет предварительно назначаем подшипники шариковые радиальные однорядные особо легкой серии по
мм подшипник №101, у которого Dп=28мм; Вп=8мм [4, табл. К27].
Выбираем конструктивно остальные размеры:
W=14мм; lм=16мм; l1=25мм; l=60мм.
Определим размеры для расчетов:
l/2=30мм;
с=W/2+ l1+ lм/2=40мм –
расстояние от оси полумуфты до оси подшипника.
Проводим расчет быстроходного вала на изгиб с кручением.

Рис.5 Приближенная конструкция быстроходного вала
Заменяем вал балкой на опорах в местах подшипников (см. Рис.6 ). Назначаем характерные точки 1,2, 3 и 4.
Определяем реакции в подшипниках в вертикальной плоскости.
ΣМ2y=0; RАy·0,06-Fr1·0,03=0
RАy= 60,7·0,06/ 0,03;
RАy= RВy=121Н.
Определяем изгибающие моменты в характерных точках:
М1у=0;
М2у=0;
М3у= RАy·0,03;
М3у =3,6Нм2;
М3у=0;
Строим эпюру изгибающих моментов Му, Нм2 (Рис.6 ).
Определяем реакции в подшипниках в горизонтальной плоскости.
ΣМ4x=0; Fm1·0,1 - RАx·0,06+ Ft1·0,03=0;
RАx= (130·0,1+ 166,7·0,03) / 0,06;
RАx=300Н;

Рис.6 Эпюры изгибающих моментов быстроходного вала
ΣМ2x=0; Fm1·0,02 - Ft1·0,03+ RВx·0,06=0;
RВx= (166,7·0,03 - 130·0,02) / 0,06;
RВx=40Н
Определяем изгибающие моменты:
М1х=0;
М2= - Fm2·0,04
М2х=-130·0,04;
М2х=-5,2Нм;
М3хсправа=-Fm1·0,1+RВх ·0,03;
М3хсправа==-130·0,1+40 ·0,03;
М3хсправа=-11,7Нм;
М3х= - RАх ·0,03;
М3х= - 300 ·0,03;
М3х= - 9;
М4х=0;
Строим эпюру изгибающих моментов Мх.
Крутящий момент
Т1-1= Т2-2= Т3-3= T3=3,4Нм;
T4-4=0.
Определяем суммарные радиальные реакции [4,рис 8.2 ]:
;
;
;
Н;
;
Н.
Определяем результирующий изгибающий момент в наиболее опасном сечении (в точке 3) [4,рис 8.2]:
;
;
Нм2.
Эквивалентный момент:
;
;
Нм2.
5.3 Расчет промежуточного вала
Назначаем материал вала. Принимаем сталь 40Х, для которой [1, табл.8.4] σв=730Н/мм2;
Н/мм2;
Н/мм2;
Н/мм2.
Определяем диаметр выходного конца вала из расчёта на чистое кручение
;
где [τк] =(20…25) Мпа [1,c.161]
Принимаем [τк] =20Мпа.
;
мм.
С учетом того, что выходной конец промежуточного вала является валом-шестерней с диаметром выступов 24мм, принимаем диаметр вала под подшипник 25мм.
мм.
Намечаем приближенную конструкцию промежуточного вала редуктора (рис.7), увеличивая диаметр ступеней вала на 5…6мм

Рис.7 Приближенная конструкция промежуточного вала
dст=30мм;
х=8мм;
W=20мм;
r=2,5мм;
dв=28мм.
Расстояние l определяем из суммарных расстояний тихоходного и быстроходного валов с зазором между ними 25…35мм.
l=60+30+30=120мм.
l1=30мм; l2=30мм.
Предварительно назначаем подшипники шариковые радиальные однорядные особо легкой серии по dп=25мм подшипник №105, у которого Dп=47мм; Вп=12мм [4, табл. К27].
Заменяем вал балкой на опорах в местах подшипников.
Рассматриваем вертикальную плоскость (ось у)
Определяем реакции в подшипниках в вертикальной плоскости.
åМСу=0;
RDу·0,09+Fr1·0,03+Fr2·0,12=0
RDy=(368·0,03+60,7·0,12) / 0,09;
RDy==204Н.
åМDу=0;
RCy·0,09 - Fr1·0,06+ Fr2·0,03=0;
RCy=(368·0,06-60,7·0,03) / 0,09;
RCy=225Н.
Назначаем характерные точки 1, 2, 3, и 4 и определяем в них изгибающие моменты:
М1у=0;
М2у=-RCy·0,03;
М2у=-6Нм;
М3услева=-RCy·0,09+Fr1·0,06;
М3услева=-16,6Нм
М3усправа= Fr2·0,03;
М3усправа= 11
М4у=0;
Строим эпюру изгибающих моментов Му, Нм (рис.8 ).
Определяем реакции в подшипниках в горизонтальной плоскости.
åМСх=0;
RDx·0,09-Ft1·0,03-Ft2·0,12=0;
RDx=(166,7·0,03+ 1012·0,12) /0,09;
RDx=1404Н;
åМDх=0;
RCx·0,09+ Ft1·0,06-Ft2·0,03=0;
RCx=(1012·0,03+166,7·0,06) / 0,09;
RCx=337Н.
Назначаем характерные точки 1, 2, 3 и 4 и определяем в них изгибающие моменты:
М1x=0;
М2x=-RCx·0,03;
М2x=-10Нм;
М3xслева= - RCx·0,09-Ft1·0,06;
М3xслева=-91Нм;
М3xсправа= Ft2·0,03;
М3xсправа=5Нм;
М4у=0.
Строим эпюру изгибающих моментов Му, Нм (рис.8 )

Рис.8 Эпюры изгибающих и крутящих моментов промежуточного вала.
Крутящий момент
Т1-1=0;
Т2-2=-Т3-3= - T2/2=-4,3Нм;
Т4-4=0.
Определяем суммарные радиальные реакции [4,рис 8.2 ]:
;
;
;
Н;
;
Н.
Определяем результирующий изгибающий момент в наиболее опасном сечении (в точке 3) [4,рис 8.2]:
;
;
Нм.
Эквивалентный момент:
;
;
Нм.
Все рассчитанные значения сводим в табл.5.
Таблица 5
Параметры валов
| R1, H |
R2, H |
MИ, Нм |
MИэкв, Нм |
|
| Тихоходный вал |
2118 |
774 |
79 |
89 |
| Быстроходный вал |
323 |
117 |
12 |
12,5 |
| Промежуточный вал |
405 |
1419 |
92,5 |
93 |
6. Подбор и проверочный расчет шпонок
Выбор и проверочный расчет шпоночных соединений проводим по [4]. Обозначения используемых размеров приведены на рис.11.

Рис.9 Сечение вала по шпонке
6.1 Шпонки быстроходного вала
Для выходного конца быстроходного вала при d=10 мм подбираем призматическую шпонку со скругленными торцами по ГОСТ23360-78 bxh=3x3 мм2 при t=1,8мм (рис.9 ).
При длине ступицы полумуфты lм=16 мм выбираем длину шпонки l=14мм.
Материал шпонки - сталь 40Х нормализованная. Напряжения смятия и условия прочности определяем по формуле:
(6.1)
где Т - передаваемый момент, Н×мм; Т1=3,4 Н×м.
lр - рабочая длина шпонки, при скругленных концах lр=l-b, мм;
[s] см - допускаемое напряжение смятия.
С учетом того, что на выходном конце быстроходного вала устанавливается полумуфта из ст.3 ([s] см=110…190 Н/мм2) вычисляем:
![]()
Условие выполняется.
6.2 Шпонки промежуточного вала
Для зубчатого колеса вала при d=30 мм подбираем призматическую шпонку со скругленными торцами bxh=8x7 мм2 при t=4мм, t1=3,3мм. Т2=8,5Нм.
При длине ступицы шестерни lш=25 мм выбираем длину шпонки l=25мм.
Материал шпонки - сталь 45 нормализованная. Проверяем напряжение смятия, подставив значения в формулу (6.1):
![]()
Условие выполняется.
6.3 Шпонки тихоходного вала
Передаваемый момент Т3=42,5Нм.
Для выходного конца вала при d= 22мм подбираем призматическую шпонку со скругленными торцами bxh=6x6 мм2 при t=3,5мм.
При длине ступицы полумуфты lМ=20 мм выбираем длину шпонки l=16мм.
![]()
Для зубчатого колеса тихоходного вала при d=35 мм подбираем призматическую шпонку со скругленными торцами bxh=10x8мм2 при t=5мм.
При длине ступицы шестерни lш=20 мм выбираем длину шпонки l=20мм.
С учетом того, что на ведомом валу устанавливаются шестерни из стали 45 ([s] см=170…190 Н/мм2) вычисляем по формуле (6.1):
![]()
условие выполняется.
Таблица 6
Параметры шпонок и шпоночных соединений
| Параметр |
тих. вал - полум |
тих. вал - колесо |
промвал-шестерня |
промвал-колесо |
быстр вал-шестер. |
быстр. вал-полум. |
| Ширина шпонки b, мм |
6 |
10 |
- |
8 |
- |
3 |
| Высота шпонки h, мм |
6 |
8 |
- |
7 |
- |
3 |
| Длина шпонки l, мм |
16 |
20 |
- |
25 |
- |
14 |
| Глубина паза на валу t, мм |
3,5 |
5 |
- |
4 |
- |
1,8 |
| Глубина паза во втулке t1, мм |
2,8 |
3,3 |
- |
3,3 |
- |
1,4 |
7. Проверочный расчет валов на статическую прочность
В соответствии с табл.5 наиболее опасным является сечение 3-3 тихоходного вала, в котором имеются концентраторы напряжений от посадки зубчатого колеса с натягом, шпоночного паза и возникают наибольшие моменты.
Исходные данные для расчета:
МИэкв= 89Нм;
МИ=79Нм;
Т3-3=42,5Нм;
dв=35мм;
в=10мм - ширина шпонки,
t=5мм - глубина шпоночного паза,
l=22мм - длина шпонки.
При расчете принимаем, что напряжения изгиба изменяются по симметричному циклу, а напряжения кручения - по отнулевому циклу.
Определяем диаметр вала в рассчитываемом сечении при допускаемом напряжении при изгибе [σ-1] и=60МПа:
мм; 35>20.
Условие соблюдается.
Определяем напряжения изгиба:
σи=Ми/W;
где W - момент сопротивлению изгибу. По [4, табл.11.1]:
;
мм3;
σи=79000/3566=22Н/мм2.
При симметричном цикле его амплитуда равна:
σа= σи =22Н/мм2.
Определяем напряжения кручения:
τк=Т3-3/Wк;
где Wк - момент сопротивлению кручению. По [4, табл.22.1]:
;
мм3;
τк=42500/7775=5,4Н/мм2.
При отнулевом цикле касательных напряжений амплитуда цикла равна:
τа= τк /2=5,4/2=2,7Н/мм2.
Определяем коэффициенты концентрации напряжении вала [4, с.258]:
(Кσ) D=(Кσ/Кd+ КF-1) / Кy; (Кτ) D=(Кτ/Кd+ КF-1) / Кy; (7.1)
где Кσ и Кτ - эффективные коэффициенты концентрации напряжений, по табл.11.2 [4] выбираем для шпоночных пазов, выполненных концевой фрезой Кσ =1,6, Кτ =1,4;
Кd - коэффициент влияния абсолютных размеров поперечного сечения, по табл.11.3 [4] выбираем Кd =0,75;
КF - коэффициент влияния шероховатости, по табл.11.4 [4] выбираем для шероховатости Rа=1,6 КF=1,05;
Кy - коэффициент влияния поверхностного упрочнения, по табл.11.4 [4] выбираем для закалки с нагревом ТВЧ Кy =1,5.
Подставив значения в формулы (7.1) получим:
(Кσ) D=(1,6/0,75+ 1,05-1) / 1,5=1,45;
(Кτ) D=(1,4/0,75+ 1,05-1) / 1,5=1,28.
Определяем пределы выносливости вала [4, c263]:
(σ-1) D=σ-1/(Кσ) D; (τ-1) D=τ-1/(Кτ) D; (7.2)
где σ-1 и τ-1 - пределы выносливости гладких образцов при симметричном цикле изгиба и кручения, по табл.3. [4] σ-1 = 380Н/мм2, τ-1 ≈0,58 σ-1 =220Н/мм2;
(σ-1) D=380/1,45=262Н/мм2; (τ-1) D=220/1,28=172 Н/мм2.
Определяем коэффициенты запаса прочности по нормальным и касательным напряжениям 4, c263]:
sσ=(σ-1) D/ σа; sτ=(τ-1) D/ τа. (7.3)
sσ=262/ 22=12; sτ=172/ 2,7=63,7.
Определяем общий коэффициент запаса по нормальным и касательным напряжениям [4, c263]:
(7.4)
где [s] =1,6…2,1 - допускаемый коэффициент запаса прочности.

Сопротивление усталости вала в сечении 3-3 обеспечивается, расчет остальных валов не проводим, т.к расчет проведен на самом опасном сечении, и коэффициент запаса прочности значительно превышает допустимый.
8. Выбор и проверочный расчет подшипников
Предварительно выбранные подшипниками с действующими на них радиальными нагрузками приведены в табл.7.
Таблица 7
Параметры выбранных подшипников
| Быстроходный вал |
Промежуточный вал |
Тихоходный вал |
|
| № |
101 |
105 |
106 |
| d, мм |
12 |
25 |
30 |
| D, мм |
28 |
47 |
55 |
| В, мм |
8 |
12 |
13 |
| С, кН |
5,07 |
11,2 |
13,3 |
| Со, кН |
2,24 |
5,6 |
6,8 |
| RА, Н |
323 |
405 |
2118 |
| RБ, Н |
117 |
1419 |
774 |
Подшипники устанавливаем по схеме "враспор". Пригодность подшипников определяем по условиям [4, c.129]:
Ср≤С; Lр≥Lh;
где Ср - расчетная динамическая грузоподъемность;
Lh - требуемая долговечность подшипника, для зубчатых редукторов Lh =10000ч.
; [4, c.129] (8.1)
где ω - угловая скорость соответствующего вала (см. табл.1);
m=3 для шариковых подшипников;
RЕ - эквивалентная динамическая нагрузка, при отсутствии осевых усилий [4, табл.9.1]:
RЕ=V×RАКδКτ(8.2)
где Kd - коэффициент безопасности; Kd =1,1…1,2 [4, табл.9.4]. Принимаем Kd =1,1.
V - коэффициент вращения, при вращении внутреннего кольца V=1
Kτ - температурный коэффициент; Kτ =1 (до 100ºС) [4, табл.9.4]. Определяем расчетную долговечность подшипников в часах [4, c.129]:
(8.3)
Подставив значения в формулы (8.1) - (8.3) проверяем подшипники.
Для быстроходного вала:
RЕ=323х1,1=355Н;
- условие выполняется;
- условие выполняется.
Для промежуточного вала:
RЕ=1419х1,1=1560Н;
- условие выполняется;
- условие выполняется.
Для тихоходного вала:
RЕ=2118х1,1=2330Н;
- условие выполняется.
- условие выполняется.
Окончательные параметры подшипников приведены в табл.7.
Параметры выбранных подшипников
9. Выбор масла, смазочных устройств
Используем картерную систему смазывания. В корпус редуктора заливаем масло так, чтобы венец зубчатого колеса был в него погружен на глубину hм (рис.10):
hм max £ 0.25d2 = 0.25×102 = 25,5мм;
hм min = 2×m = 2×1,5 = 3мм.
При вращении колеса масло будет увлекаться его зубьями, разбрызгиваться, попадать на внутренние стенки корпуса, откуда стекать в нижнюю его часть. Внутри корпуса образуется взвесь частиц масла в воздухе, которым покрываются поверхности расположенных внутри корпуса деталей, в том числе и подшипники.

Рис.10 Схема определения уровня масла в редукторе
Объем масляной ванны принимаем из расчета 0,5 л на 1кВт передаваемой мощности V = 0,5×Nдв = 0,5×0,25 = 0,125 л.
Контроль уровня масла производится жезловым маслоуказателем, который ввинчивается в корпус редуктора при помощи резьбы. Для слива масла предусмотрена сливная пробка. Заливка масла в редуктор производится через съемную крышку в верхней части корпуса.
Выбираем смазочный материал. Для этого ориентировочно рассчитаем необходимую вязкость:
![]()
где ν50 - рекомендуемая кинематическая вязкость смазки при температуре 50°С;
ν1 =170мм2/с - рекомендуемая вязкость при v=1м/с для зубчатых передач с зубьями без термообработки;
v=1,2м/с - окружная скорость в зацеплении
![]()
Принимаем по табл.10.29 [4] масло И-220А.
И для шестерни, и для зубчатого колеса выберем манжетные уплотнения типа 1 из ряда 1 по ГОСТ 8752-79. Установим их рабочей кромкой внутрь корпуса так, чтобы обеспечить к ней хороший доступ масла.
Список использованной литературы
1. Основы конструирования: Методические указания к курсовому проектированию/ Сост.А. А. Скороходов, В. А Скорых. - СПб.: СПбГУКиТ, 1999.
2. Дунаев П.Ф., Детали машин, Курсовое проектирование. М.: Высшая школа, 1990.
3. Скойбеда А.Т., Кузьмин А.В., Макейчик Н.Н., Детали машин и основы конструирования, Минск: "Вышейшая школа", 2000.
4. Шейнблит А.Е. Курсовое проектирование деталей машин: Учеб. пособие. - М.: Высш. шк., 1991
5. Анурьев В.И. Справочник конструктора-машиностроителя: В 3 т. - 8-е изд. перераб. и доп. Под ред. И.Н. Жестковой. - М.: Машиностроение, 1999
Похожие рефераты:
Продольно-резательный станок производительностью 350 т/сутки
Проектирование механического привода с цилиндрическим соосным редуктором
Расчет поворотного крана на неподвижной колонне
Расчёт зубчатых и червячных передач
Расчет одноступенчатого цилиндрического редуктора в приводе к мешалке
Расчет двухступенчатого редуктора
Расчет и проектирование коническо-цилиндрического редуктора
Проектирование приводной станции к кормораздатчику
Проектирование электродвигателя
Размерный анализ сборочной единицы (тихоходного вала редуктора)
Расчёт на прочность закрытой цилиндрической одноступенчатой передачи и её проектирование