| Похожие рефераты | Скачать .docx |
Курсовая работа: Электрические машины
КУРСОВАЯ РАБОТА
Электрические машины
Содержание
Введение
1. Техническое задание на курсовую работу
2. Расчёт геометрических размеров сердечника статора, ротора и расчет постоянных
3. Расчёт обмоток статора и ротора
4. Расчёт магнитной цепи
5. Активные и индуктивные сопротивления обмоток статора и ротора
6. Потери в стали, механические и добавочные потери
7. Расчет рабочих характеристик
8. Расчет пускового тока и момента
Список литературы
Введение
Электрические машины в основном объёме любого производства занимают первое место. Они являются самыми массовыми приёмниками электрической энергии и одним из основных источников механической и электрической энергий. Поэтому очень важная роль отведена электрическим машинам в экономике и производстве.
Сделать электрические машины менее энергоёмкими, более дешёвыми с лучшими электрическими и механическими свойствами. Это задача, решаемая постоянно при проектировании машин новых серий. Проектирование электрических машин процесс творческий требующий знания ряда предметов общетехнического цикла, новинок производства в области создания новых конструкционных, изоляционных материалов, требований спроса рынка, условий применения в электроприводе. В настоящее время практикуется создание не индивидуальных машин, а серий электрических машин, на базе которых выполняются различные модификации.
Целью расчета является определение мощности и технических характеристик асинхронного двигателя, рассчитанного на базе вышедшего из строя асинхронного двигателя.
1. Техническое задание для курсовой работы
Спроектировать трёхфазный асинхронный двигатель с короткозамкнутым ротором серии 4А климатического исполнения “У3”. Напряжение обмотки статора U=220/380 В.
Исходные данные для электромагнитного расчета асинхронного двигателя являются:
1. Номинальное фазное напряжение – U1н= 220B.
2. Схема соединение концов обмотки статора –
3. Частота питающей сети – ƒ1= 50 Гц.
4. Синхронная частота вращения поля статора – n1= 3000об/мин.
5. Степень защиты.
6. Геометрические размеры сердечника.
6.1 Наружный диаметр сердечника статора – Da= 0,52м.
6.2 Внутренний диаметр сердечника статора – D = 0,335м.
6.3 Длина сердечника статора – l 1 = 0,05 + 0,3D.
6.4 Воздушный зазор – δ = 0,001м.
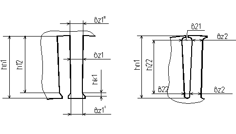
6.5 Размеры пазов статора (рис. 1.1) – b11 = 0,0081м.
b12 = 0,011м.
h11 = 0,04м.
bш1 = 0,0045м.
hш1 = 0,001м.
6.6 Размеры пазов ротора (рис. 1.2) – b21 = 0,006м.
b22 = 0,0033м.
h21 = 0,04м.
bш2 = 0,0015м.
hш2 = 0,001м.
7. Число пазов статора – Z1 = 72.
8. Число пазов ротора – Z2 =82.
9. Скос пазов ротора – bск = 0м.
10. Ширина короткозамыкающего кольца – aкл = 0,037м.
11. Высота короткозамыкающего кольца –bкл = 0,042м.
12. Высота оси вращения – h = 280мм.
2. Расчет геометрических размеров сердечников статора, ротора, расчет постоянных

Рис. 1 – Размеры пазов статора.
Расчетная длина сердечника статора. lδ =l 1 = 0,05 + 0,3D = 0,05 + 0,3 · 0,335 = 0,151м
Размеры пазов статора. (см. рис. 1)
– высота паза hn1 = h11 + hш1 = 0,04 + 0,001 = 0,041м
– высота зубца hz1 = hn1 = 0,041м
– высота коронки hк1 = (b11 + bш1)/ 3,5 = (0,0081– 0,0045)/ 3,5 = 0,001м
– размер паза h12 = h11 – hк1= 0,04 – 0,001 = 0,039м
Зубцовый шаг статора. t1 = πD/ Z1 = 3,14 · 0,335 / 72 = 0,0146м
Ширина зубца статора^

Средняя ширина зубца статора: bz1 = (b'z1 + b"z1)/2 = (0,0067 + 0,007)/2 = 0,0069м
Высота ярма статора. ha = [Da – (D + 2hn1)]/2 =[0,52 – (0,335 + 2 · 0 041)]/2 = 0,052м

Рис. 2 – Размеры пазов ротора.
Длина сердечника ротора: l 2 = l 1 + 0,005 = 0,151 + 0,005 = 0,156м
Наружный диаметр сердечника ротора: D2 = D – 2δ = 0,335 – 2 · 0,001 = 0,333м
Внутренний диаметр сердечника ротора: DJ = 0,3D = 0,3 · 0,335 = 0,1005м
Размеры пазов ротора. (см. рис. 2)
– высота паза ротора: hn2 = h21 + hш2 = 0,04 + 0,001 = 0,041м![]()
– высота зубца ротора: hz2 = hn2 = 0,041м![]()
– размер паза: h22 = h21 – (b21 + b22)/ 2 = 0,04 – (0,006 + 0,0033)/ 2 = 0,01535м
Зубцовый шаг ротора: t2 = πD2/ Z2 = 3,14 · 0,333/ 82 = 0,0128м
Ширина зубца ротора:


Средняя ширина зубца ротора: bz2 = (b'z2 + b"z2)/ 2 = 0,0064 + 0,008/ 2 = 0,0072м
Высота ярма ротора: hJ = (D2 – DJ – 2hn2)/ 2 = (0,333 – 0,0999 – 2 · 0,041)/ 2 = 0,0756м, где DJ = 0,3D2 = 0,3 · 0,333 = 0,0999м
Относительная величина скоса пазов: b'ск = bск/ t2 = 0/ 0,0128 = 0
Площадь поперечного сечения паза ротора, сечения стержня к.з. обмотки ротора.
[3,14(0,0062 + 0,00332)/8 +
+ 0,01535(0,006 + 0,0033)/2] · 106 = 96мм2
Площадь поперечного сечения короткозамыкающего кольца обмотки ротора: qкл = aкл · bкл · 106 = 0,037 · 0,042 · 106 = 1554мм2
Синхронная угловая скорость вращения магнитного поля: Ω = π · n1/ 60 = 3,14 · 3000/ 60 = 157рад/c
Число пар полюсов машины: p = 2(60ƒ)/ n1 = 2(60 · 50)/ 3000 = 2
Полюсное деление: τ = πD/ 2p = 3,14 · 0,335/ 2 · 2 = 0,263м
Число пазов на полюс и фазу: q = Z1/ 2p · m1 = 72/ 2 · 2 · 3 = 6, где m1 = 3 – число фаз обмотки статора.
3. Расчет обмоток статора и ротора
Выбор типа обмотки статора:
Однослойные обмотки применяются в асинхронных машинах – малой мощности, двухслойные – в машинах средней и большой мощности – как более технологичные для таких мощностей и обеспечивающие оптимальное укорочение шага. Всвязи с этим в машинах с h > 132мм (где h – высота оси вращения) рекомендуется однослойная обмотка, при 280мм > 132мм – двухслойная.
Коэффициент укорочения шага: β = γ/τ , где γ – шаг обмотки
Для двухслойной обмотки β = 0,75 ÷ 0,83.
Отсюда шаг обмотки: γ = β · Z1/2p = 0,75 · 72/ 2 · 2 = 14
Обмоточный коэффициент. kоб = kγ1 · kp1 = 0,924 · 0,956 = 0,882, где kγ1 = sin(β90˚) – коэффициент укорочения, kγ1 = sin(β · 90˚) = sin(0,75 · 90˚) = 0,924, kp1 – коэффициент распределения, является функцией q – числа пазов на полюс и фазу и определяется по таблице 1, откуда kp1 = 0,956
Расчетная мощность асинхронного двигателя.
P' = 1,11D2 ·l δ · Ω · kоб1 · А · Вδ = 1,11 · 0,3352 · 0,151 · 157 · 0,882 ·
· 38000 · 0,6 = 58540Вт
где А – линейная нагрузка, Вδ – магнитная индукция, определяется по графикам зависимостей линейной нагрузки и магнитной индукции от Da(рис. 3).
Номинальный ток обмотки статора. I1н = Р'/ 3E1 = 58540/ 3 · 213,4 = 91,44А, где Е1 = kE· U1н = 0,97 · 220 = 213,4
Сечение проводников фазы обмотки статора. qф = I1н/ J1 = 91,44/ 4 = 22,86 мм2, где J – плотность тока (5,5 ÷ 6,0), А/мм2
Выбор диаметра и сечения элементарного проводника.
Диаметр голого элементарного проводника d должен удовлетворять двум условиям:
d = (0,5 ÷ 1,0) · h / 100 = 0,64 · 280/ 100 = 1,79мм
где h высота оси вращения, h = 280мм, а d < 1,8мм => 1,79 < 1,8мм
Руководствуясь этими условиями, выбираем диаметр голого провода d по приложению Б, округляя его до ближайшего стандартного значения. По той же таблице находим сечение элементарного проводника qэл и диаметр изолированного провода dиз.
qэл = 2,54мм2; dиз = 1,895мм.
Значение диаметра изолированного провода должно удовлетворять условию: dиз + 1,5
bш1, 1,895 + 1,5
4,5мм.
Число параллельных элементарных проводников в фазе.
nф = qф/ qэл = 22,86/ 2,54 = 9
По таблице 2.2 выбираем число параллельных ветвей обмотки – а. а = 3
Число элементарных проводников в одном эффективном, т.е. число проводников в одной параллельной ветви обмотки. nэл = nф /а = 9/ 3 = 3, при этом должны выполняться условия: nэл < 4, а
nэл ; 3 < 4, 3
3
Уточняем значение плотности потока: J1 = I1н/ qф = 91,44/ 22,86 = 4А/мм2, где qф = qэл · nэл · а = 2,54 · 3 · 3 = 22,86мм2
Расчет магнитного поля и индукции.
Основной магнитный поток и линейная нагрузка:
Ф = Вδ · D · l δ/ p = 0,6 · 0,335 · 0,151/ 2 = 0,015Вб
А = 6w 1 · I1н/ π D = 6 · 72 · 91,44/ 3,14 · 0,335 = 38450А/м
Число витков в фазе (предварительное): w 1 = E1/ (4,44 · kоб1 · ƒ1 · Ф) = 231,4/ 4,44 · 0,882 · 50 · 0,015 = 72
Число эффективных проводников в пазу: Un = 2w 1 · a · m1/Z1 = 2 · 72 · 3 · 3/ 72 = 18.
Уточненное значение числа витков.
w
1 
Уточненное значение потока.
Ф
Вб
Уточненное значение магнитной индукции в воздушном зазоре.
Вδ = Ф · р/ D · l δ = 0,015 · 2/ 0,335 · 0,151 = 0,6 Тл
Магнитная индукция в зубцах статора и ротора.


где kc = 0,97 коэффициент заполнения пакета сталью.
Магнитная индукция в ярмах статора и ротора:


Значения магнитных индукций в зубцах и ярмах должны удовлетворять условиям:
Bz1, Bz2 < 1,9 Тл;Ba, BJ < 1,6Тл
1,32; 1,04 < 1,9Тл; 0,99; 0,66 < 1,6Тл
Расчет коэффициента заполнения паза статора.
Размеры b11, b12 , h12 .
b'11 = b11 · 103 = 0,0081 · 103 = 8,1мм
b'12 = b12 · 103 = 0,011 · 103 = 11мм
h'12 = h12 · 103 = 0,039 · 103 = 39мм
Свободная площадь паза статора – площадь, занимаемая проводниками – для однослойной обмотки.
S'nc = ½ (b'11 + b'12) · h'12 – Lu · ∆u + ∆b = ½ (8,1 + 11) · 39 – 116,2 · 0,4 +
+ 0,2 = 302,73мм2,
где Lu – длина пазовой изоляции по периметру паза.
Lu = 2h'12 + b'11 + b'12 = 2(39 + 8,1 + 11) = 116,2мм
∆u = 0,4 – толщина пазовой изоляции;
∆b = 0,2 – (для h > 100) припуск на расшихтовку сердечника.
Свободная площадь паза статора для двухслойной обмотки.
S"nc = S'nc – 0,75 · ∆u(b'11 + b'12) = 302,73 – 0,75 · 0,4(8,1 + 11) = 297мм2
Коэффициент заполнения паза статора.
kз = (d2uз · Un · nэл)/ S"nc = (1,8952 · 18 · 3)/ 297 = 0,7,
где Snc = S"nc – для двухслойной обмотки.
Значения коэффициента заполнения должны находиться в пределах
kз = (0,7 ÷ 0,73)
Ток в стержне ротора.
I2 = 0,9(6 · w 1 · kоб) · I1н/ Z2 = 0,9(6 · 72 · 0,882) · 91,44/ 82 = 382,4А
Плотность тока в стержне ротора.
J2 = I2/ qc = 382,4/ 96 = 3,98А
Плотность тока в стержне должна быть в пределах J2 = (2 ÷ 4)А/мм2
Ток кольца короткозамкнутой обмотки ротора.
Iкл = I2/ ∆ = 382,4/ 0,153 = 2499,35А,
где ∆ = 2sin(180˚ · p/Z2) = 2sin(180˚ · 2/ 82) = 0,153
Плотность тока в кольце.Jкл = Iкл / qкл = 2499,35/ 1554 = 1,61А/мм2
Плотность тока в кольце должна быть в пределах Jкл = (1 ÷ 4,5) А/мм2
4. Расчет магнитной цепи
Расчет магнитной цепи проводится для определения МДС и намагничивающего тока статора, необходимого для создания в двигателе требуемого магнитного потока. На рисунке 4 представлена расчетная часть магнитной цепи четырехполюсной машины, которая состоит из пяти последовательно соединенных участков: воздушного зазора, зубцовых слоев статора и ротора, спинки статора и ротора. МДС на магнитную цепь, на пару полюсов Fц определяется как сумма магнитных напряжений всех перечисленных участков магнитной цепи.

Рис. 4 – Магнитная цепь асинхронного двигателя.
Fц = Fδ + Fz1 + Fz2 + Fa + FJ
Магнитное напряжение воздушного зазора на пару полюсов.
Fδ = 1,6 · Bδ · δ · kδ · 106 = 1,6 · 0,6 · 0,001 · 1,31 · 106 = 1257,7А,![]()
где kδ – коэффициент воздушного зазора, учитывающий зубчатость статора и ротора.
kδ = kδ1 · kδ2 = 1,22 · 1,07 = 1,31

![]()

Магнитное напряжение зубцового слоя статора.
Fz1 = Hz1 · Lz1 = 584 · 0,082 = 47,89А,
где Hz1 – напряженность магнитного поля в зубцах статора, при трапецеидальных пазах определяется по приложению В для выбранной марки стали и для индукции рассчитанной в п. 3.2.7.
Hz1 = 584А/м
Lz1 = 2 · hz1 = 2 · 0,041 = 0,082м
Магнитное напряжение зубцового слоя ротора.
Fz2 = Hz2 · Lz2 = 360 · 0,082 = 29,52А,
где Hz2 – напряженность магнитного поля в зубцах ротора, определяется по приложению В для выбранной марки стали и для индукции рассчитанной в п. 3.2.7.
Hz2 = 360А/м
Lz2 = 2 · hz2 = 2 · 0,041 = 0,082м
Магнитное напряжение ярма статора.
Fa = Ha · La = 206 · 0,37 = 76,22А,
где Ha – определяется по приложению В для выбранной марки стали и для индукции рассчитанной в п. 3.2.8.
Ha = 206А/м
La = π(Da – ha)/ 2p = 3,14(0,52 – 0,052)/ 2 · 2 = 0,37м
Магнитное напряжение ярма ротора.
FJ = HJ · LJ = 113 · 0,14 = 15,82А,
где HJ – определяется по приложению В для выбранной марки столи и для индукции рассчитанной в п. 3.2.8.
HJ = 113А/м
LJ = π(D2 – 2hz2 – hJ)/ 2p = 3,14(0,333 – 2 · 0,041 – 0,0756)/ 2 · 2 = 0,14м
Суммарное магнитное напряжение магнитной цепи.
Fц = Fδ + Fz1 + Fz2 + Fa + FJ = 1257,7 + 47,89 + 29,52 + 76,22 + 15,82 =
= 1427,15А
Коэффициент насыщения магнитной цепи двигателя.
kµ = Fц / Fδ = 1427,15 / 1257,7 = 1,13
kµ = (1,1 ÷ 1,6)
Расчет намагничивающего тока
Намагничивающий ток.

Относительное значение намагничивающего тока.
Iµ* = Iµ/ I1н = 16,65/ 91,44 = 0,18
5. Активные и индуктивные сопротивления обмоток статора и ротора
Сопротивление обмоток статора.
Среднее значение зубцового деления статора.
tср1 = π(D + hz1)/ Z1 = 3,14(0,335 + 0,041)/ 72 = 0,016м
Средняя ширина катушки (секции) статора.
bср1 = tср1 · y = 0,016 · 14 = 0,224м,
где y – шаг обмотки.
Средняя длина лобовой части (секции) статора.
l л1 = (1,16 + 0,14p)bср1 = (1,16 + 0,14 · 2) · 0,224 = 0,323м
Средняя длина витка обмотки статора.
l ср1 = 2(l 1 +l л 1) = 2(0,151 + 0,323) = 0,948м
Длина вылета лобовой части обмотки статора.
lb 1 = (0,12 + 0,15p) · bср1 + 0,01 = (0,12 + 0,15 · 2) · 0,224 + 0,01 = 0,104м
Длина проводников фазы обмотки.
L1 = l ср1 · w1 = 0,948 · 72 = 68,26м
Активное сопротивление обмотки статора, приведенное к рабочей температуре 115ºС (для класса изоляции F).
ρ115
,
где ρ115 = 1/41 (Ом/мм2) – удельное сопротивление меди при 115˚.
То же в относительных единицах.
r1* = r1 · I1н/U1н = 0,11 · 91,44/ 220 = 0,05,
где I1н и U1н – номинальные значения фазного тока и напряжения.
Индуктивное сопротивление рассеяния обмотки статора зависит от проводимостей: пазового рассеяния, дифференциального рассеяния и рассеяния лобовых частей. Коэффициент магнитной проводимости пазового рассеяния при трапецеидальном пазе .

где kβ1, k'β1 – коэффициенты, учитывающие укорочение шага обмотки β, определяется по таблице 3.
Коэффициент проводимости дифференциального рассеяния статора.
λg1 = 0,9t1 · (q · kоб1)2 · kσ · kш1/δ · kδ = 0,9 · 0,0146 · (6 · 0,882)2 · 0,003
· 1,34/ 0,001 · 1,31 = 1,13
где kσ = ƒ(q) – коэффициент дифференциального рассеяния, определяется по таблице 4.
kш1 – коэффициент, учитывающий влияние открытия паза.
kш1 = (1 – 0,033) · b2ш1/t1 · δ = (1 – 0,033) · 0,00452/ 0,0146 · 0,001 = 1,34
Коэффициент проводимости рассеяния лобовых частей обмотки статора.
λл 1 = 0,34(q/l 1) · (l л 1 – 0,064 · β · τ) = 0,34(6/0,151) · (0,323 – 0,64 · 0,75 ·
· 0,263) = 2,6
Коэффициент магнитной проводимости обмотки статора.
λ1 = λn1 + λg1 + λл 1 = 1,74 + 1,13 + 2,6 = 5,47
Индуктивное сопротивление рассеяния фазы обмотки статора.

То же в относительных единицах.
x1* = x1 · I1н/U1н = 0,28 · 91,44/220 = 0,12
Индуктивное сопротивление взаимной индукции основного магнитного потока.
x12 = U1н/Iµ = 220/16.65 = 13,2Ом
Сопротивление обмотки ротора.
Активное сопротивление стержня.
rc= ρ115 · l
2/qc =
,
где ρ115 = 1/20,5(Ом/мм2) удельное сопротивление литой алюминиевой обмотки ротора при 115˚. Сопротивление участка кольца между двумя соседними стержнями.

где Dкл.ср – средний диаметр кольца.
Dкл.ср = D2 – bкл = 0,333 – 0,042 = 0,291
Коэффициент приведения тока кольца к току стержня.
∆ = 2Sin (πp/Z2) = 2Sin (3,14 · 2/82) = 0,153
Сопротивление кольца, приведенное к стержню. rкл.пр = rкл /∆2 = 0,00000035/0,1532 = 1,5 · 10-5 Ом
Активное сопротивление обмотки ротора (стержня и двух колец).
r2 = rc + 2 · rкл.пр = 7,9 · 10-5 + 2 · 1,5 · 10-5 = 10,9 · 10-5 Ом
Активное сопротивление обмотки ротора, приведенное к обмотке статора.
![]()
То же в относительных единицах.
r'2* = r'2 · I1н/U1н = 0,064 · 91,44/220 = 0,027
Коэффициент магнитной проводимости пазового рассеяния ротора при овальном пазе.

Коэффициент проводимости дифференциального рассеяния ротора.
λg2 = t2/(12 · δ ·kδ) = 0,0128/(12 · 0,001 · 1,31) = 0,81
Коэффициент проводимости лобового рассеяния ротора.

Коэффициент проводимости рассеяния обмотки ротора.
![]()
Индуктивное сопротивление обмотки ротора.
x2 = 7,9 · ƒ1 · l 1 · λ2 · 10-6 = 7,9 · 50 · 0,151 · 4,96 · 10-6 = 0,000296Ом
Индуктивное приведенное сопротивление обмотки ротора.

То же в относительных единицах.
x'2* = x'2 · I1н/U1н = 0,17 · 91,44/220 = 0,07
6. Потери в стали. Механические и добавочные потери
Потери в стали (магнитные потери) и механические не зависят от нагрузки, поэтому они называются постоянными потерями и могут быть определены до расчета рабочих характеристик. Расчетная масса стали зубцов статора при трапецеидальных пазах.
Gz1 = 7,8 · Z1 · bz1 · hz1 · l 1 · kc· 103 = 7,8 · 72 · 0,0067 · 0,041 · 0,151 · 0,97 · 103 = 22,6кг
Магнитные потери в зубцах статора для стали 2013. Pz1 = 4,4 ·B2z1 · Gz1 = 4,4 · 1,322 · 22,6 = 173,26Вт
Масса стали ярма статора. Ga1 = 7,8π(Da – hz1) · ha · l1 ·kc · 103 = 7,8 · 3,14(0,52 – 0,041) · 0,052 · 0,151 · 0,97 · 103 = 89,5кг
Магнитные потери в ярме статора. Pa1 = 4,4 · B2a · Ga1 = 4,4 · 0,992 · 89,5 = 385,96Вт
Суммарные магнитные потери в сердечнике статора, включающие добавочные потери встали.
![]()
Механические потери.
Вт
Дополнительные потери при номинальной нагрузке определяются по эмпирической формуле.
Pдоп.н = 0,004 · P' = 0,04 · 58539,9 = 2341,6Вт
7. Расчет рабочих характеристик
Под рабочими характеристиками асинхронного двигателя понимаются зависимости:
P1, I1, I'2, cos φ', η, M, n = ƒ(P2),
Где Р1, Р2 – потребляемая и полезная мощности двигателя.
В основу рабочих характеристик положена система уравнений токов и напряжений, полученных из Г- образной схемы замещения асинхронного двигателя с вынесенными на выходные зажимы намагничивающим контуром. Рис. 5.

Рисунок 5 – Г- образная схема замещения и векторная диаграмма.
Коэффициент приведения параметров двигателя к Г- образной схеме замещения.
С1 = 1 + (x1/x12) = 1 + (0,28/13,2) = 1,021
Активное сопротивление обмотки статора, приведенное к Г- образной схеме замещения.
r'1 = C1 · r1 = 1,021 · 0.11 = 0,112Ом
Индуктивное сопротивление короткого замыкания, приведенное к Г- образной схеме замещения.
x'к = С1 · x1 + C21 · x'2 = 1,021 · 0,28 + 1,0212 · 0,17 = 0,463Ом
Активная составляющая тока холостого хода.
Ioa = (Pcm + 3 · I2µ · r1)/3 · U1н = (689 + 3 · 16,652 · 0,11)/3 · 220 = 1,18А
Расчет рабочих характеристик проводим для 5 значений скольжения в диапазоне:
S = 0,005 ÷ 1,25Sн,
где Sн – ориентировочно номинальное скольжение принимаем равным:
Sн = r'2* = 0,027
Все необходимые для расчета характеристик данные формулы сведены в таблицу 5.
Таблица 5
№ п/п |
Расчетная формула | Ед. изм. |
Скольжение | ||||
| 0,25Sн | 0,50Sн | 0,75Sн | 1,0Sн | 1,25Sн | |||
| 1 | C21 · r'2/S | Ом | 9,88 | 4,94 | 3,29 | 2,47 | 1,98 |
| 2 | R = r'1 + C21 ·r'2/S | Ом | 26,48 | 13,33 | 8,89 | 6,67 | 5,34 |
| 3 | x = x'к | 0,463 | 0,463 | 0,463 | 0,463 | 0,463 | |
| 4 | Z = √R2 + x2 | Ом | 26,48 | 13,34 | 8,9 | 6,7 | 5,32 |
| 5 | I"2 = U1н/Z | А | 8,3 | 16,49 | 24,72 | 32,84 | 40,74 |
| 6 | cosφ'2 = R/Z | 1 | 0,99 | 0,99 | 0,99 | 0,98 | |
| 7 | sinφ'2 = x/Z | 0,02 | 0,034 | 0,05 | 0,069 | 0,087 | |
| 8 | I1a = Ioa + I"2 · cosφ'2 | А | 9,48 | 17,5 | 25,65 | 33,69 | 41,11 |
| 9 | I1p = Iop + I"2 · sinφ'2 | А | 16,82 | 17,21 | 17,89 | 18,91 | 20,19 |
| 10 | I'2 = C1 · I"2 | А | 8,47 | 16,83 | 25,24 | 33,53 | 41,6 |
| 11 | I1 = √I21a + I21p | А | 26,3 | 34,71 | 43,54 | 52,6 | 61,3 |
| 12 | P1 = 3 · I"22· r'2 · 10-3 | кВт | 9,27 | 11,55 | 16,87 | 22,23 | 27,13 |
| 13 | Pэ1 = 3 · I21 · r1· 10-3 | кВт | 0,23 | 0,4 | 0,63 | 0,93 | 1,26 |
| 14 | Pэ2 = 3 · I"22 · r'2 · 10-3 | кВт | 0,013 | 0,05 | 0,12 | 0,21 | 0,32 |
| 15 | Pдоб = Pдоб.н(I1/I1н)2 | кВт | 0,58 | 1,01 | 1,59 | 2,32 | 3,15 |
| 16 | ∑P = Pcm + Pмех + Pэ1 + Pэ2 + Pдоб |
кВт | 8,092 | 8,729 | 9,609 | 10,729 | 11,999 |
| 17 | P2 = P1 - ∑P | кВт | 1,178 | 2,821 | 7,261 | 11,501 | 15,131 |
| 18 | η = 1 - ∑P/P1 | 0,18 | 0,24 | 0,43 | 0,52 | 0,56 | |
| 19 | cosφ = I1a/I1 | 0,36 | 0,5 | 0,59 | 0,64 | 0,67 | |
| 20 | Pэм = P1 – Pэ1– Pсm | кВт | 8,351 | 10,46 | 15,55 | 20,61 | 25,18 |
| 21 | ω1 = 2π · n1/60 | Рад/с | 314 | 314 | 314 | 314 | 314 |
| 22 | M = Pэм · 103/ω1 | Н.м | 26,6 | 33,3 | 49,5 | 65,6 | 80,2 |
| 23 | n = n1 ·(1 – S) | Об/мин | 2980 | 2960 | 2940 | 2919 | 2899 |
После расчета рабочих характеристик производим их построение
По номинальному току определяются номинальные параметры двигателя:
Р2н = 7,2кВт
Р1н = 17,5кВт
I'2н = 51,2А
сosφн = 0,61
ηн = 0,40
Мн = 50Н·м
nн = 2800об/мин
Sн = 0,018
Максимальный момент в относительных единицах.
Мmax* =Mmax / Mн =[(Sн /Sm) + (Sm/Sн)]/2 = [(0,018/0,20) + (0,20/0,018)]/2 =5,6
![]()
8. Расчет пускового тока и момента
При пуске в роторе АД имеют место два физических явления, оказывающих большое влияние на активное и индуктивное сопротивления, а следовательно, на пусковой ток и момент:
1) Эффект вытеснения тока в верхнюю часть паза, за счет которого расчетная высота паза и индуктивное сопротивление уменьшается, активное сопротивление увеличивается;
2) Эффект насыщения коронок зубцов потоками рассеяния, обусловленными большими пусковыми токами, за счет этого явления магнитные проводимости и индуктивные сопротивления уменьшаются.
Расчет активных и индуктивных сопротивлений обмотки ротора с учетом эффекта вытеснения тока.
Приведенная высота стержня для литой алюминиевой обмотки ротора при температуре 115˚С (класс изоляции F).
ξ = 63,61 · h21 = 63,61 · 0,040 = 2,54м
где h21 – высота стержня в пазу. Расчетный коэффициент увеличения активного сопротивления стержня φ в функции ξ. φ = 1,4. Глубина проникновения тока – расчетная высота стержня.
hr = h21 /(1 + φ) = 0,040/(1 + 1,4) = 0,017
Относительное увеличение активного сопротивления стержня.
kr = qc/qr = 96/81,33 = 1,18
где qr – площадь сечения стержня, ограниченная высотой hr.
qc – площадь сечения всего стержня.


Коэффициент общего увеличения активного сопротивления фазы ротора за счет вытеснения тока.

Приведенное активное сопротивление ротора с учетом вытеснения тока.
![]()
Расчетный коэффициент уменьшения индуктивного сопротивления стержня φ' в функции ξ. φ' = 0,6. Расчетный коэффициент уменьшения индуктивного сопротивления фазы ротора за счет вытеснения тока.
kx = λn2ξ /λ2 = 4,14/4,96 = 0,83
где λ2ξ– коэффициент магнитной проводимости рассеяния ротора с учетом вытеснения тока.
λ2ξ = λn2ξ + λл2 + λg2 = 1,23 + 2,1 + 0,81 = 4,14
λ2ξ = λn2 · φ' = 2,05 · 0,6 = 1,23
Приведенное индуктивное сопротивление ротора с учетом вытеснения тока.
x'2ξ =kx · x'2 = 0,83 · 0,17 = 0,14Ом
Расчет индуктивного сопротивления обмотки ротора с учетом влияния насыщения магнитопровода полями рассеяния.
Ток ротора, рассчитанный по Г-образной схеме замещения, без учета насыщения при S = 1.

То же с учетом насыщения. I'2нас ≈ I1нас = I1 · kнас = 458,33 · 1,3 = 595,83А, где kнас – коэффициент насыщения, предварительно выбирается в пределах: kнас = 1,25 ÷ 1,4. Средняя МДС обмотки, отнесенная к одному пазу статора.

Фиктивная индукция потока рассеяния в воздушном зазоре.

![]()

Коэффициент γδ, учитывающий отношение потока рассеяния при учете насыщения к потоку рассеяния ненасыщенной машины, по рис.8.
γδ = 0,8
Коэффициент магнитной индукции проводимости пазового рассеяния обмотки статора с учетом насыщения.
![]()

С1 = (t1-bш1) ·(1- γδ) = (0,0146 – 0,0045) · (1 – 0,80) = 0,00202
Коэффициент магнитной проводимости дифференциального рассеяния обмотки статора с учетом насыщения. λg1нас = λg1 · γδ = 1,13 · 0,8 = 0,9
Окончательное индуктивное сопротивление фазы обмотки статора с учетом насыщения, Ом
x1нас = x1 · ∑λ1нас/λ1 = 0,28 · 5,16/5,47 = 0,26 Ом
∑λ1нас = λn1нас + λg1нас + λл1 = 1,66 + 0,9 + 2,6 = 5,16
Аналогично для ротора: Коэффициент магнитной проводимости пазового рассеяния с учетом насыщения.
![]()
Δλn2нас = hш2/bш2 · С2/bш2 + С2 = 0,001/0,0015 · 0,00226/0,0015 + + 0,00226 = 0,4
С2 = (t2 – bш2) · (1- γδ) = (0,0128 – 0,0015) · (1- 0,80) = 0,00226
Коэффициент магнитной проводимости дифференциального рассеяния обмотки ротора с учетом насыщения.
λg2нас = λg2 · γδ = 0,81 · 0,8 = 0,65
Окончательно приведенное индуктивное сопротивление фазы обмотки ротора с учетом влияния вытеснения тока и насыщения.
x'2ξнас = x'2 · ∑λ2gнас/λ2 = 0,17 · 3,58/4,96 = 0,12Ом
∑λ2gнас = λn2нас + λg2нас + λл2 = 0,83 + 0,65 + 2,1 = 3,58
Коэффициент С1 в Г- образной схеме замещения.
С1nнас = 1 + (x1нас/x12n) = 1 + (0,26/14,92) = 1,02
x12n ≈ x12 · kμ = 13,2 · 1,13 = 14,92
Ток в обмотке ротора с учетом насыщения при S = 1.

аnнас = r1 + C1nнас · r'2ξ = 0,11 + 1,02 · 0,072 = 0,18
bnнас =x1нас + C1nнас · x'2ξнас = 0,26 + 1,02 · 0,12 = 0,38
Ток в обмотке статора при S = 1.

Пусковой ток в относительных единицах.
I1n* = I1n/I1н = 526,59/91,44 = 5,76
Кратность пускового момента.
, Sn = 1

Mn = Mn* · Mн = 2,15 · 50 = 107,5H.м
СПИСОК ЛИТЕРАТУРЫ
1.Костенко Г.Н., Пиотровский Л.М. Электрические машины.- Л.: 1972.
2.Брускин Д.Э., Зорохович А.Е., Хвостов В.С.- Электрические машины. М.: 1979. Ч I. Ч II.
3.Кацман М.М. Электрические машины.- М.: 1983.
4.Копылов И.П. Электрические машины. -Л.: 1972.
5.Проектирование электрических машин. /Под ред. И.П.Копылова М.: 1980.
6.Зимин В.И., Каплай М.Я., Палей А.М. Обмотки электрических машин.- М.: 1975
7.Чичетян В.И. Электрические машины. Сборник задач.- М. : Высшая школа 1988.
Похожие рефераты:
Синхронные машины. Машины постоянного тока
Электродвигатель асинхронный с короткозамкнутым ротором мощностью 200 КВт
Проектирование асинхронных двигателей
Проектирование асинхронного двигателя серии 4А
Расчет асинхронного электродвигателя
Расчет трехфазного асинхронного двигателя с короткозамкнутым ротором на мощность 45 киловатт
Определение параметров двигателя синхронного вертикального ВДС 2–325-24 мощностью 4000 кВт
Проект новой подстанции для обеспечения электроэнергией нефтеперерабатывающего завода
Исследование работ Фарадея по электричеству
Модернизация релейной защиты на тяговой подстанции Улан-Удэ на базе микропроцессорной техники