| Похожие рефераты | Скачать .docx |
Курсовая работа: Проектирование мотор-редуктора
Федеральное агентство по образованию Российской Федерации
Филиал «СЕВМАШВТУЗ» государственного образовательного учреждения высшего профессионального образования
«Санкт-Петербургский государственный морской технический университет» в г. Северодвинске
Факультет кораблестроения и океанотехники
Кафедра технологии металлов и машиностроения
КурсовОЙ ПРОЕКТ
по дисциплине «Детали машин»
Тема: проектирование МОТОР-РЕДУКТОРА
Работу выполнил: студент 3 курса, 1390 группы Рожок И.Е.
Научный руководитель: Слуцков В.А.
г. Северодвинск 2011 год
Введение
Мотор-редуктор представляет собой электродвигатель и редуктор, соединенные в единый агрегат (в некоторых странах его называют редукторным электродвигателем). Мотор-редуктор более компактен по сравнению с приводом на базе редуктора, его монтаж значительно проще, кроме того, уменьшается материалоемкость фундаментной рамы, а для механизма с насадным исполнением (с полым валом) не требуется никаких рамных конструкций. Большое количество конструкционных решений и типоразмеров дает возможность оснащения предприятий прецизионными редукторами приводов различных назначений, размеров и мощностей. Мотор редуктор, как универсальный элементы электропривода, находят свое применение практически во всех областях промышленности.
Наибольшее распространение в промышленности получили планетарные и цилиндрические мотор-редукторы, выполненные по соосной схеме взаимного расположения электродвигателя и выходного вала, а также червячные мотор-редукторы с расположением электродвигателя под 90 град. к выходному валу. К мотор-редукторам общемашиностроительного применения относят: цилиндрические мотор-редукторы, планетарные мотор-редукторы, спироидные мотор-редукторы, червячные и цилиндрическо-червячные мотор-редукторы, волновые мотор-редукторы, мотор-редукторы специального назначения. Область применения: средства автоматизации и системы управления, устройства регулирования, автоматические и автоматизированные системы управления, следящие мини-приводы, средства обработки и представления информации, специальные инструменты, медицинская техника.
Такие механизмы пригодны для использования в умеренных климатических условиях, при установке в помещении или на открытом воздухе под навесом. В стандартном исполнении они грунтуются краской методом окунания, а затем покрываются сине-серой алкидной эмалью воздушной сушки. Имеются также и специальные покрытия.
Для экстремальных условий и установки на открытом воздухе имеется окраска для всемирного использования.
Верхняя предельная температура 105 K (при температуре охлаждающей среды +40°C), Максимальная допустимая непрерывная температура 155°C.
Целью данного курсового проекта является проектирование мотор-редуктора на основании комплексного технического задания. Привод включает в себя электродвигатель, соединенный при помощи жесткой муфты с цилиндрическим зубчатым редуктором.
Цилиндрический одноступенчатый редуктор предназначен для передачи мощности между валами электродвигателя и исполнительного механизма.
1. Задание на проектирование
Разработать конструкцию и выпустить конструкторскую документацию на мотор-редуктор. Исходные данные для проектирования – в табл. 1.1 и 1.2.
Мотор-редуктор состоит из электродвигателя и редуктора, выполненные в одном блоке. Частота вращения выходного вала – постоянная. Соединение валов электродвигателя и входного вала редуктора – жесткая муфта. Редуктор закрытого типа, корпус должен иметь лапы для крепления к раме. Компоновочная схема мотор-редуктора и описание требований к нему – в табл. 1.2.
Таблица 1.1 Исходные данные для проектирования
| № варианта | Мощность P, кВт не менее |
Частота вращения выходного вала n, об/мин | Требуемый ресурс L, лет | № схемы (см. табл. 1.2) |
| 9 | 5 | 350 | 11 | 1 |
Таблица 1.2 Компоновочная схема мотор-редуктора
№ схемы |
Компоновочная схема | Описание |
| 1 |
1 – электродвигатель; 2 – зубчатый редуктор; 3 – муфта. |
Передача – цилиндрическая зубчатая наружного зацепления, вертикальная компоновка; Режим работы – 2 смены, со средними динамическими нагрузками, реверсивная передача; Требования к компактности – средние; Ограничения по шумности – средние; Крупносерийное производство. |
2. Предварительные расчеты и анализ работы мотор-редуктора
2.1 Срок службы привода
Срок службы (ресурс)
:
часов,
где L – срок службы привода,
11 лет;
– количество рабочих дней в году,
= 250 рабочих дней (при пятидневной рабочей неделе);
– количество смен,
= 2 смены;
– продолжительность смены,
= 8 часов.
2.2 Выбор электродвигателя
2.2.1 КПД редуктора
,
где
– КПД червячной передачи (предварительный);
– КПД одной пары подшипников.
2.2.2 Требуемая мощность электродвигателя
Требуемая мощность электродвигателя:
кВт;
2.2.3 Подбор электродвигателей
По табл. приложений 1,3 [1] выбираем электродвигатели серии 4А с
кВт. Данные заносим в таблицу 2.1:
Таблица 2.1 Параметры выбранных электродвигателей
| Обозначение электродвигателя | Мощность P , кВт | nэд. ном. , об/мин | uред | |
| 1 | 4АМ100L2 | 5,5 | 2880 | 8,23 |
| 2 | 4АМ112M4 | 1445 | 4,16 | |
| 3 | 4АМ132S6 | 965 | 2,76 | |
| 4 | 4АМ132M8 | 720 | 2,06 |
2.2.4 Передаточное число привода
Передаточное число привода для каждого варианта электродвигателя:
,
где
– частота вращения выходного вала мотор-редуктора.
;
;
;
.
Оптимальное передаточное число червячной передачи лежит в диапазоне 2,5…5,6. Из четырех вариантов первый и четвертый не попадают в указанный диапазон. Больше подходит 2 вариант, так как электродвигатель 4 АМ112M4 обладает меньшими габаритами и массой.
2.3 Расчет кинематических и силовых параметров привода
2.3.1 Частота вращения и угловая скорость вала электродвигателя
об/мин;
сек-1
.
Частота вращения быстроходного вала редуктора совпадает с частотой вращения вала электродвигателя:
об/мин;
сек-1
.
Частота вращения тихоходного вала редуктора (выходного вала мотор-редуктора):
об/мин;
сек-1
.
2.3.2 Мощность на валу электродвигателя
кВт. Мощность на быстроходном валу редуктора (с учетом потерь на трение в подшипниках вала):
кВт.
Мощность на выходном валу (с учетом потерь на трение в в зубчатой передаче и подшипниках вала):
кВт.
2.3.3 Вращающий момент на валу электродвигателя:
Н∙м.
Вращающий момент на быстроходном валу редуктора:
Н∙м.
Вращающий момент на тихоходном (выходном) валу:
Н∙м.
Результаты расчетов заносим в таблицу 2.2:
Таблица 2.2 Кинематические и силовые параметры привода
| Вал | Частота вращения n, об/мин | Угловая скорость w, сек-1 | Мощность P, кВт | Вращающий момент M, Н×м |
| Вал двигателя | 1445 | 151,24 | 5,5 | 36,37 |
| Быстроходный вал | 1445 | 151,24 | 5,45 | 36,04 |
| Тихоходный вал | 347 | 36,32 | 5,23 | 143,98 |
3. Проектирование зубчатой передачи
3.1 Исходные данные для проектирования
· Вращающий момент на шестерне
36,04 Н∙м;
· Частота вращения шестерни
=1445 об/мин;
· Передаточное число u =4,16;
· Время работы передачи (ресурс)
=44000 ч;
· Условия работы: реверсивность, средние динамические нагрузки.
Особые технологические и эксплуатационные требования:
· Условия смазывания – закрытая передача;
· Тип передачи – с наружным зацеплением;
· Схема механизма – одноступенчатый редуктор с симметричным расположением колес относительно опор;
· Требования к компактности – средние;
· Масштаб производства – крупносерийное;
· Ограничения по шумности – средние.
3.2 Предварительные расчеты
Из соображений обеспечения средней компактности и средней стоимости изготовления предварительно примем:
· Твердость зубьев шестерни: H1 ³ 45 HRC, колеса: H2 £ 350 HB;
· Передача – косозубая (рис. 3.1). Объем применения данных передач – свыше 40 % объема применения всех цилиндрических колес в машинах.

3.2.1 Предварительное (в первом приближении) значение межосевого расстояния
, мм:
мм,
Где коэффициент K = 8.
3.2.2 Предварительные размеры заготовок шестерни и колеса
мм,
мм.
3.2.3 Предварительная окружная скорость:
м/сек.
После анализа результатов выполненных расчетов примем:
· Марки материалов: шестерни – сталь 40Х с закалкой ТВЧ до твердости 45…50 HRC; колеса – сталь 45 с улучшением до твердости 235…262 HB.
· Тип передачи – косозубая.
· Степень точности изготовления – 8.
3.3 Допускаемые напряжения
3.3.1 Допускаемое контактное напряжение
Предел контактной выносливости:
для шестерни:
МПа;
для колеса:
МПа.
Число циклов, соответствующее перелому кривой усталости:
для шестерни (
):
;
для колеса:
.
Требуемый ресурс в циклах:
для шестерни:
;
для колеса:
.
Коэффициент долговечности:
для шестерни:
, поэтому
;
для колеса:
, поэтому
.
Коэффициент запаса прочности:
для шестерни:
,
где
– минимальный коэффициент запаса;
– коэффициент запаса, учитывающий ответственность;
– коэффициент запаса, учитывающий допущения при определении напряжений. для колеса:
,
где
– минимальный коэффициент запаса;
– коэффициент запаса, учитывающий ответственность;
– коэффициент запаса, учитывающий допущения при определении действующих и допускаемых напряжений.
Допускаемые напряжения: для шестерни:
МПа;
для колеса:
МПа.
Допускаемое контактное напряжение
, принимаемое для расчетов:
МПа.
3.3.2 Допускаемое изгибное напряжение
Предел изгибной выносливости:
для шестерни:
МПа;
для колеса:
МПа.
Требуемый ресурс в циклах:
для шестерни:
;
для колеса:
.
Коэффициент долговечности:
для шестерни:
, поэтому
;
для колеса:
, поэтому
.
Коэффициент запаса прочности:
для шестерни и колеса:
,
где
– коэффициент запаса прочности;
– коэффициент запаса, учитывающий ответственность;
– коэффициент запаса, учитывающий допущения при определении напряжений.
Допускаемые напряжения изгиба: для колеса:
МПа;
для шестерни:
МПа.
3.4 Коэффициент нагрузки
Коэффициенты
,
, учитывающие внутреннюю динамическую нагрузку:
;
.
Коэффициенты ширины:
;
.
Коэффициенты
,
,
учитывающие неравномерность распределения нагрузки по длине контактных линий:
;
.
Коэффициенты
,
учитывающие распределение нагрузки между зубьями в связи с погрешностями изготовления шестерни и колеса для косозубых передач:
, поэтому
,
где
– число, обозначающее степень точности по нормам плавности (ГОСТ 1643-81);
а = 0,25 – коэффициент, при
> 350 НВ и
≤ 350 НВ.
Коэффициент нагрузки
при расчетах на контактную выносливость:
.
Коэффициент нагрузки
при расчетах на изгибную выносливость:
.
3.5 Проектировочный расчет
3.5.1 Межосевое расстояние (второе приближение):
мм,
где
= 410 для косозубых и шевронных зубчатых колес и
= 450 для прямозубых зубчатых колес;
– коэффициент ширины (выбран в п. 3.4)
.
Полученное значение
округляем до ближайшего стандартного значения:
= 125 мм.
3.5.2 Ширина венца колеса:
мм.
Ширину венца шестерни принимают большую, чем у колеса, мм:
3.5.3 Минимальный модуль
(из условия изгибной прочности колеса):
мм,
где
– коэффициент, равный 2800 для косозубых передач;
– коэффициент нагрузки принимаемый равным
.
Максимально допустимый модуль
(из условия не подрезания зубьев у основания):
.
Нормальный модуль зубчатых колес определяют (с дальнейшим округлением по ГОСТ 9563-60) из следующих соотношений:
мм,
где
– коэффициент по табл. 2.8 [3].
Из стандартного ряда принимаем
2 мм.
;
– условие соблюдается.
3.5.4 Минимальный угол наклона зубьев (для косозубых передач):
.
Суммарное число зубьев:
.
Округляем
до целого в меньшую сторону:
.
Действительное значение угла наклона зубьев:
,
.
3.5.5 Числа зубьев шестерни
и колеса ![]()
.
Округляем,
округляют до целого числа:
24.
Минимальное число зубьев для косозубых зубчатых колес:
.
– условие выполняется.
Число зубьев колеса
:
.
Фактическое значение передаточного числа u с точностью до 0,01:
.
3.5.6. Определение геометрических параметров передачи

Диаметр делительной окружности:
шестерни:
мм;
колеса:
мм;
Диаметр окружности вершин зубьев:
шестерни:
мм;
колеса:
мм;
Диаметр окружности впадин зубьев:
шестерни:
мм;
колеса:
мм;
Уточненное межосевое расстояние:
мм.
3.5.7 Силы в зацеплении (рис. 3.3):
Окружная сила:
Н;
Радиальная сила:

Н;
Осевая сила:
Н.
3.6 Проверочный расчет зубчатой передачи
3.6.1 Проверочный расчет на контактную выносливость:

МПа
МПа.
где
– коэффициент, равный 8400 для косозубых передач.
Условие контактной выносливости соблюдается.
3.6.2 Проверочный расчет на выносливость при изгибе
Для шестерни:
Приведенное число зубьев:
.
– коэффициент, учитывающий форму зуба и концентрацию напряжения при
по рис. 2.14 [3].
Коэффициент, учитывающий наклон зуба:
.
= 0,65 – коэффициент, учитывающий перекрытие зубьев по табл. 2.9 [3].
Коэффициент, учитывающий влияние на напряжение изгиба формы зуба, перекрытия и наклона зубьев:
.
МПа
МПа.
Условие прочности соблюдается.
Для колеса:
Приведенное число зубьев:
.
– коэффициент, учитывающий форму зуба и концентрацию напряжения при
.
Коэффициент, учитывающий влияние на напряжение изгиба формы зуба, перекрытия и наклона зубьев:
.
МПа
МПа.
Условие прочности соблюдается.
3.7 Результаты расчета
Таблица 3.1
| Шестерня | Колесо | |
| Число зубьев z | 24 | 99 |
| Модуль m, мм | 2 | |
| Угол наклона зубьев β | 10,2631º | |
| Коэффициент смещения x | 0 | 0 |
| Делительный диаметр d, мм | 48,78 | 201,22 |
| Диаметр окружности вершин da , мм | 52,78 | 205,22 |
| Диаметр окружности впадин df , мм | 43,78 | 196,22 |
| Контактные напряжения σH , МПа | 406,36 | |
| Изгибные напряжения σF , МПа | 55,63 | 54,46 |
4. Предварительный расчет валов
4.1 Проектировочный расчет валов
4.1.1 Построение эскизов валов
Разработку эскиза вала начинаем с конца вала. Применяем стандартные концы (табл. 4 приложения [1]): цилиндрические – по ГОСТ 12080-66. Цилиндрические концы валов проще в изготовлении. На начальной стадии проектирования еще неизвестны длины отдельных участков вала, поэтому невозможно оценить величины действующих на вал изгибающих моментов. Расчет вала ведется только на кручение, но чтобы учесть неизвестные изгибные напряжения, в расчете принимают заниженные допускаемые напряжения. Диаметр вала d, мм:
,
где
– крутящий момент, Н∙мм;
– допускаемые напряжения для материала вала, МПа.
почти не зависят от материала вала, а зависят от длины вала и частоты вращения. Для редукторных валов рекомендуется принимать:
=10-15 МПа – для быстроходных валов;
=15-25 МПа – для тихоходных валов.
Размеры фасок и радиусов галтелей даны в таблице 4.1.

Высоту заплечика t (рис. 4.1) принимаем конструктивно, (2,0…2,5)r. Диаметры остальных участков вала определяем последовательно с учетом высоты заплечиков каждой ступени (п. 2.4.5 [1]). Длины участков валов определяются с помощью прорисовки с учетом габаритов насаживаемых деталей, их взаимного расположения, величины необходимых зазоров между ними и т.д.

Если участок вала необходимо при изготовлении шлифовать, вместо обычного перехода предусматривают канавку для выхода шлифовального круга (рис. 4.2, табл. 4.2).
Таблица 4.1 Размеры заплечиков вала, мм.
| Диаметр вала d | 30-46 | 48-68 | 70-100 |
| Радиус закругления r | 2,0 | 2,5 | 3 |
| Фаска c | 1,6 | 2,0 | 2,5 |
Таблица 4.2. Размеры канавки под выход шлифовального круга, мм
| Диаметр вала d | 10-48 | 50-100 |
| Ширина канавки b | 3 | 5 |
| Радиус закругления r | 1,0 | 1,6 |
| Диаметр канавки d1 | d–0,5 | d–1,0 |
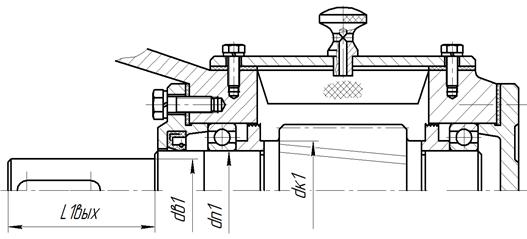
4.1.2 Ведущий вал (рис. 4.3):

Рис. 4.3. Предварительная компоновка ведущего вала
Диаметр выходного вала:
мм.
где -
мм. диаметр выходного вала электродвигателя.
Диаметр шеек под подшипники принимаем
мм.
Предварительно принимаем
мм.
По табл. приложений 4 [1] предварительно принимаем длину выходного конца быстроходного вала
мм.
Расстояние между опорами реакции подшипников вала принимаем
конструктивно
1
=350 мм.
4.1.3 Ведомый вал (рис. 4.4):

Рис. 4.4. Предварительная компоновка ведомого вала
Диаметр выходного конца ведомого вала при
=15 МПа
мм.
Округляем до ближайшего большего стандартного значения из 1-го ряда:
мм.
Диаметр шеек под подшипники принимаем
мм.
Диаметр буртика
мм.
Диаметр под колесом
мм.
Длина ступицы:
мм.
окончательно принимаем
мм.
По табл. 4 [1] предварительно принимаем длину выходного конца тихоходного вала
мм.
Расстояние между опорами реакции подшипников вала принимаем конструктивно
2
=130 мм.
5. Подбор соединительной муфты
5.1 Выбор муфты
Соединение валов электродвигателя и входного вала редуктора – глухая муфта, образующая жесткое и неподвижное соединение валов (глухое соединение). Муфта втулочная 1-280-32-У3 ГОСТ 24246-96
), в исполнении 1, передающая номинальный вращающий момент
Нм, с диаметром посадочного отверстия
мм,
мм,
мм. Скрепление втулки с валами с помощью шпонок.
5.2 Подбор шпонок и проверочный расчет шпоночного соединения
Для выходного конца быстроходного вала
мм; передающего вращающий момент
Н∙м.
По табл. 7 [2] выбираем призматическую шпонку со скругленными концами (по ГОСТ 23360-78 исполнение 1, рис. 5.2):
b = 10 мм. – ширина шпонки,
h = 8 мм. – высота шпонки,
t = 5 мм. – глубина паза на валу,
t1 = 3,3 мм. – глубина паза на муфте,
Радиус закругления пазов 0,16<r<0,25(мм) (интерполяция),
Учитывая длину вала
мм, принимаем длину шпонки
мм.
Расчетная длина шпонки:
мм.

Принимая материал шпонки сталь 45 с пределом текучести
МПа, допускаемое напряжение
МПа для стали.
Проверим соединение на смятие:
=19,25 МПа.
– прочность шпоночного соединения
обеспечена.
Напряжение среза:
5,78 МПа.
где
- площадь среза шпонки:
мм2
.
– прочность шпоночного соединения обеспечена.
6. Выбор подшипников
6.1 Подбор подшипников
6.1.1 Ведущий вал
Предварительно примем шариковые радиальные однорядные подшипники. Тип 108, ГОСТ 8338-75, особо легкая серия табл. 6.1. Данные подшипники предназначены в основном для восприятия радиальной нагрузки, но могут воспринимать и осевые в обоих направлениях. Сепаратор обычно штампованный, скрепленный из двух частей заклепками, центрируется по телам качения. Допустимый взаимный перекос осей колец до 8'.
Таблица 6.1 Подшипники шариковые радиальные однорядные (по ГОСТ 8338-75)
| Обозначение | d | D | B | r | Грузоподъемность, kН | Масса, кг | ![]() |
![]() |
|
| Сr | С0r | ||||||||
| 108 | 40 | 68 | 15 | 1,5 | 16,8 | 9,30 | 0,191 | Особо легкая серия диаметров 1, серия ширин 0 | |
| 110 | 50 | 80 | 16 | 21,6 | 13,2 | 0,260 | |||
6.1.2 Ведомый вал
Предварительно примем шариковые радиальные однорядные подшипники. Тип 108, ГОСТ 8338-75, особо легкая серия табл. 6.1.
6.2 Выбор схемы установки подшипников, способа их закрепления на валу и в корпусе
6.2.1 Схема установки подшипников
Для фиксации валов и осей относительно корпуса механизма, наружное кольцо закрепляем в корпусе, внутренне – на валу. При закреплении внутреннего кольца на валу для упрощения крепления на валу выполняется буртик, подшипник устанавливают на вал по посадке с натягом. Подшипник упирают в буртик, другой стороны поджимают крышкой (рис. 6.1).

6.2.2 Способ установки подшипников
Способ установки подшипников зависит от условий работы. Короткие валы, у которых температурное расширение вызывает небольшие осевые деформации, устанавливают по схеме «враспор». При установке «враспор» (рис. 6.2) требуется минимальное количество крепежных деталей, поэтому такая схема наиболее распространена в редукторах.

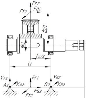
6.2.3 Составление расчетных схем для валов и определение реакций в опорах. Расчетная долговечность.
Ведущий вал (рис. 6.3):

Рис. 6.3. Расчетная схема для ведущего вала
Осевая сила:
H.
Окружная сила:
Н.
Радиальная сила:
Н.
Расстояние между опорами вала
мм.
Диаметр
мм.
Определим реакции опор:
В плоскости xz:
H.
В плоскости yz:
![]()
H.
![]()
H.
Суммарные реакции:
H.
H.
Находим осевые составляющие радиальных реакций подшипников:
S=0,83eR
S1 = 0,83eR1 = 0,83×0,22×781,66 = 142,73 H;
S2 =0,83eR2 = 0,83×0,22×794,56 = 145,09 H;
здесь для подшипников 108 коэффициент осевого нагружения е = 0,22 по таб. 7.5 [3].
Осевые силы подшипников. В нашем случае S1 ≤ S2 ; тогда
Н;
Н.
Долговечность определяем по более нагруженному подшипнику.
Рассмотрим левый (А) подшипник.
Отношение
; эквивалентную нагрузку определяем с учетом осевой.
Эквивалентная нагрузка:
;
для заданных условий V = Kб = KТ = 1 (таб. 7.3, 7.4 [3]); для шарикового радиального подшипника коэффициент X = 0,56 и коэффициент Y = 1,49 (табл. 7.5 [3]).
1056,3Н = 1,06кН.
Расчетная долговечность:
млн. об.
Расчетная долговечность:
ч.
Ресурс подшипника в часах
должен быть не меньше ресурса всего механизма
11 лет
ч;
ч
ч.
Найденная долговечность приемлема.
Ведомый вал (рис. 6.4):

Рис. 6.4. Расчетная схема для ведомого вала
Окружная сила на колесе:
H.
Осевая сила на колесе:
Н.
Радиальная сила:
Н.
Расстояние между опорами
мм.
Диаметр
мм.
Определим реакции опор:
В плоскости xz:
H.
В плоскости yz:
![]()
H.
![]()
H.
Проверка
![]()
Суммарные реакции:
H.
H.
Находим осевые составляющие радиальных реакций подшипников по формуле:
S=0,83eR
S3 = 0,83eR3 = 0,83×0,19×741,96 = 117,01 H;
S4 =0,83eR4 = 0,83×0,19×881,45 = 139 H;
здесь для подшипников 110 коэффициент осевого нагружения е = 0,19 по таб. 7.5 [3].
Осевые силы подшипников. В нашем случае S3 ≤ S4 ; тогда
Н;
Н.
Долговечность определяем по более нагруженному подшипнику.
Рассмотрим левый (А) подшипник.
Отношение
; эквивалентную нагрузку определяем с учетом осевой.
Эквивалентная нагрузка:
;
для заданных условий V = Kб = KТ = 1 (таб. 7.3, 7.4 [3]); для шарикового радиального подшипников коэффициент X = 0,56 и коэффициент Y = 2,30 (табл. 7.5 [3]).
1536,1Н = 1,54кН.
Расчетная долговечность:
млн. об.
Расчетная долговечность:
ч.
Ресурс подшипника в часах
должен быть не меньше ресурса всего механизма
11 лет
ч;
ч
ч.
Найденная долговечность приемлема.
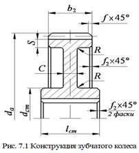
7. Конструирование зубчатого колеса
7.1 Конструкция зубчатого колеса
Конструкция зубчатых колес представлена на рис. 7.1. Зубчатые колеса состоят из обода, диска и ступицы. Диаметр окружности выступов
и ширина зубчатого венца
– определяются при проектировочном расчете. Для уменьшения массы в технически оправданных случаях можно в диске выполнить 4…6 отверстий.
7.2 Расчет размеров зубчатого колеса
Толщину обода S для всех типов колес можно принять:
мм.
На торцах зубчатого венца (зубьях и углах обода) выполняют фаски:
мм,
которые округляют до стандартного значения по тому же ряду, что и
табл. 2.5 [3].

Окончательно принимаем
мм.
На косозубых колесах при твердости менее 350 HB фаску выполняют под углом 45°.
Диаметр ступицы наружный
:
– для стальной ступицы при шпоночном соединении и посадке с натягом:
мм,
окончательно принимаем
мм.
Длина ступицы определена при проектировании вала
мм.
Острые кромки на торцах ступицы притупляют фасками
,
мм. по табл. 2.5 [3] для
мм.
Толщина диска:
мм.
Радиусы закруглений
.
7.3 Выбор посадок, предельных отклонений, допусков форм и расположения поверхностей, шероховатостей
Допуск на размер диаметра окружности выступов
можно принять 8 степени точности – h9. Допуск на длину ступицы
принимают h11- h12. Допуски на остальные размеры обычно принимают по 14 квалитету.
Поверхности элементов червячных передач должны иметь шероховатость, указанные в таблице 7.1.
Таблица 7.1 Шероховатость поверхностей элементов червячной передачи
| Элементы червячной передачи | Шероховатость, Ra, мкм |
| Рабочие поверхности зубьев зубчатых колес | 0,8 – 0,1 |
| Поверхности выступов зубьев | 6,3 |
| Фаски и выточки на зубчатом колесе | 6,3 |
| Торцы ступицы, базирующейся по торцу заплечиков валов, при отношении |
3,2 |
| Рабочие поверхности шпоночных пазов | 1,6 |
| Нерабочие поверхности шпоночных пазов | 3,2 |
| Посадочные поверхности отверстий при посадке H7: при диаметре > 50 мм | 1,6 |
8. Расчет шпоночного соединения зубчатого колеса с валом
Для тихоходного вала (диаметр вала под колесом -
мм) передающего вращающий момент
Н∙м.
По табл. 7 [2] выбираем призматическую шпонку со скругленными концами (по ГОСТ 23360-78 исполнение 1, рис. 8.1):
b = 16 мм. – ширина шпонки,
h = 10 мм. – высота шпонки,
t = 6 мм. – глубина паза на валу,
t1 = 4,3 мм. – глубина паза на муфте,
Радиус закругления пазов 0,16<r<0,25(мм) (интерполяция),
Учитывая длину ступицы зубчатого колеса = 70мм, принимаем длину шпонки
мм.
Расчетная длина шпонки:
мм.
Принимая материал шпонки сталь 45 с пределом текучести
МПа, допускаемое напряжение
МПа для стали.
Проверим соединение на смятие:
=16,78 МПа.
– прочность шпоночного соединения обеспечена.
Напряжение среза:
8,39 МПа.
где
- площадь среза шпонки:
мм2
.
– прочность шпоночного соединения обеспечена.
9. Уточненный расчет валов
9.1 Построение эпюр изгибающих и крутящих моментов
При проверочном расчете валы рассматривают как прямые брусья, лежащие на шарнирных опорах и работающие на изгиб и кручение. На данном этапе учитываем не только крутящий, но и изгибающие моменты. Выполняется на этапе эскизной компоновки, когда предварительно выбраны подшипники, известна длина всех участков вала, известно положение всех деталей на валу, рассчитаны силы, действующие на вал.
Чертятся расчётные схемы вала в двух плоскостях (рис. 9.1, 9.2). По известным силам, действующих на насаженные на вал детали и расстояниям до опор строятся эпюры изгибающих моментов в горизонтальной и фронтальной плоскостях. Затем вычисляется суммарный изгибающий момент для каждого участка вала. Далее строятся эпюры нормальных и касательных напряжений:
9.1.1 Ведущий вал (рис. 9.1):
Плоскость YZ
![]()

![]()
![]()
Плоскость XZ
![]()
![]()
![]()
![]()
Суммарный изгибающий момент:
![]()
![]()
![]()


![]()
Крутящий момент:

Опасным сечением является сечение
2
.
Максимальные напряжения изгиба:
МПа
Максимальные напряжения кручения:
МПа
Условие прочности:
;
Допускаемые напряжения можно принять:
мПа
где:
– предел текучести материала вала по табл. 6.1 [3];
=2-3, рекомендуемый коэффициент запаса прочности по пределу текучести.
Максимальное эквивалентное напряжение:
– условие выполняется.

9.1.2 Ведомый вал (рис. 9.2):
Плоскость YZ
![]()

![]()
![]()
Плоскость XZ
![]()
![]()
![]()
![]()
Суммарный изгибающий момент:
![]()
![]()
![]()
![]()
Крутящий момент:
Опасным сечением является сечение
2
.
Максимальные напряжения изгиба:
МПа
Максимальные напряжения кручения:
МПа
Условие прочности:
;
Допускаемые напряжения можно принять:
мПа
где:
– предел текучести материала вала по табл. 6.1 [3];
=2-3, рекомендуемый коэффициент запаса прочности по пределу текучести.
Максимальное эквивалентное напряжение:
– условие выполняется.
9.2 Проверка усталостной прочности валов
9.2.1 Ведущий вал
Опасным сечением является сечение
2 -
.
Коэффициент запаса прочности S:
;
- где
=1,5–2,5 минимально допустимое значение;
Коэффициенты запаса по нормальным и касательным напряжениям:
;
;
Пределы выносливости вала в рассматриваемом сечении:
МПа;
МПа;
где
;
– пределы выносливости гладких образцов при симметричном цикле изгиба и кручения табл. 6.1[3];
Коэффициенты снижения предела выносливости:
;
;
где
;
– эффективные коэффициенты концентрации напряжений – табл. 6.6 [3];
![]()
– коэффициенты влияния абсолютных размеров поперечного сечения табл. 6.2 [3];
;
– коэффициенты влияния качества поверхности табл. 6.3 [3];
– коэффициент влияния поверхностного упрочнения табл. 6.4 [3];
Коэффициент влияния асимметрии цикла для рассматриваемого сечения вала:

где
– коэффициент чувствительности материала к асимметрии цикла напряжений табл. 6.1 [3].
- условие прочности выполняется.
9.2.2 Ведущий вал
Опасным сечением является сечение 2 -
.
Коэффициент запаса прочности S:
;
- где
=1,5–2,5 минимально допустимое значение;
Коэффициенты запаса по нормальным и касательным напряжениям:
;
;
Пределы выносливости вала в рассматриваемом сечении:
МПа;
МПа;
где
;
– пределы выносливости гладких образцов при симметричном цикле изгиба и кручения табл. 6.1[3];
Коэффициенты снижения предела выносливости:
;
;
где
;
– эффективные коэффициенты концентрации напряжений – табл. 6.6 [3];
![]()
– коэффициенты влияния абсолютных размеров поперечного сечения табл. 6.2 [3];
;
– коэффициенты влияния качества поверхности табл. 6.3 [3];
– коэффициент влияния поверхностного упрочнения табл. 6.4 [3];
Коэффициент влияния асимметрии цикла для рассматриваемого сечения вала:

где
– коэффициент чувствительности материала к асимметрии цикла напряжений табл. 6.1 [3].
- условие прочности выполняется.
9.3 Выбор посадок и расчет полей допусков
9.3.1 Посадка зубчатого колеса на вал
Ø55 мм по ГОСТ 25347-82
Определяем предельные отклонения, предельные размеры, допуски, предельные зазоры или натяги, допуск посадки (рис. 9.3).
![]()
9.3.2 Посадка в системе отверстия, вид посадки с натягом
Номинальный размер
мм.
9.3.3 Детали соединения
· отверстие. Ø55
, квалитет 7
· вал Ø55
, квалитет 6
9.3.4 Предельные отклонения ГОСТ25347-82
· отверстие
;
·
;
· вал
;
·
.
9.3.5 Обозначения на чертежах

9.3.6 Предельные размеры (мм)
· отверстие
;
·
;
·
.
9.3.7 Допуски (мм)
· отверстие
;
·
;
·
.
9.3.8 Предельные зазоры (мм)
·
;
·
;
·
;
·
;
.
9.3.9 Допуск посадки (мм)
·
;
·
.
9.4 Шероховатость поверхностей валов
Поверхности валов должны иметь шероховатость, указанные в таблице 9.1.
Таблица 9.1 Шероховатость поверхностей валов
| Элементы валов | Шероховатость, Ra, мкм |
| Неподвижные соединения с посадкой скольжения | 0,2 – 0,05 |
| Соединения с переходными посадками | 0,4 – 0,1 |
| Прессовые и конусные соединения | 0,4 – 0,05 |
| Упорные буртики неподвижных цилиндрических соединений (рабочие поверхности) | 1,6 – 0,4 |
| Посадки подшипников качения на валу при классе точности подшипника: | |
| нормальном | 0,4 – 0,1 |
| Шпоночно-пазовые соединения (рабочие грани пазов) | 3,2 – 0,8 |
| Резьбы наружные | 3,2 – 1,6 |
| Уплотнения цилиндрические контактные с мягкими элементами манжеты (рабочие поверхности валов) | 0,1 – 0,05 |
| Свободные поверхности деталей (торцы и ненесущие цилиндрические поверхности валов, фаски и т.п.): | |
| малонагруженных | 6,4 – 1,6 |
| нагруженных высокими цикличными нагрузками | 1,6 – 0,2 |
| Галтели: | |
| неответственного назначения | 3,2 – 1,6 |
| деталей, нагруженных высокими цикличными нагрузками | 0,4 – 0,1 |
10. Выбор способа смазки и смазочного материала для всех узлов мотор-редуктора
10.1 Смазывание зубчатой передачи
Смазывание зубчатых передач служит для: уменьшения потерь мощности на трение, снижения скорости износа трущихся поверхностей передач, предохранения от заедания, защиты от коррозии, отвода теплоты и продуктов износа от трущихся поверхностей, уменьшения шума.
Для смазки передач при окружных скоростях до 12,5 м/сек применяем картерное смазывание: в картер заливают масло, образующее масляную ванну. Вязкость масла выбирают тем выше, чем больше нагрузка и меньше скорость.
По таблице 2.10 [2] выбираем рекомендуемый сорт индустриального масла соответствующей вязкости (И-Г-А-46).
Зубчатые колеса рекомендуют погружать в масло на глубину 4…5 модулей. При низких скоростях допускается погружение до 0,25 диаметра колеса. Принимаем
мм.
10.2 Смазывание подшипников
Если смазывание разбрызгиванием невозможно из-за малых окружных скоростей зубчатых колес (менее 4 м/сек), применяют пластичную смазку, например ЦИАТИМ-201 ГОСТ 6267-74, ЛИТОЛ-24 ГОСТ 21150-87. При этом виде смазки подшипников в подшипниковых узлах предусматривают некоторое пространство для заполнения смазкой (примерно 1/4 ширины подшипника) и маслоудерживающие шайбы. Смазочный материал набивают в подшипник вручную при снятой крышке подшипникового узла на несколько лет работы. Смену смазочного материала производят при ремонте.
11. Конструирование корпуса редуктора
11.1 Определение элементов корпуса
К корпусным деталям относят детали, обеспечивающие взаимное расположение деталей узла и воспринимающие основные силы, действующие в машине или в механизме. Так же корпуса защищают детали и узлы от загрязнения, и является емкостью для жидкой смазки.
Корпусные детали обычно имеют довольно сложную форму, поэтому их изготавливаем литьем. Для изготовления корпусных деталей используем серый чугун СЧ 15-32. Корпусная деталь состоит из стенок, ребер, бобышек, фланцев и других элементов, соединенных в единое целое.
При конструировании литой корпусной детали стенки следует по возможности выполнять одинаковой толщины. Толщина стенки, обеспечивающая необходимую прочность и жесткость, а так же хорошее заполнение формы жидким металлом:
, принимаем
мм.
где
– вращающий момент на выходном (тихоходном) валу, Н∙м.
Толщина стенки крышки:
.
принимаем
мм.
Радиусы сопряжений стенок (для α = 90º) по табл. 11.1. Размеры элементов сопряжения стенок разной толщины в табл. 11.2. Размеры посадочных мест под крепежные детали даны в табл. 11.3.
Таблица 11.1 Радиусы сопряжений, мм

Таблица 11.2 Размеры элементов сопряжения стенок разной толщины, мм

Таблица 11.3 Размеры посадочных мест под крепежные детали, мм

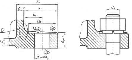
Размеры фланцев для крепления корпуса к раме (фундаменту) и крепления крышки к корпусу даны в таблице 11.4.
Таблица 11.4 Размеры фланцев корпуса и крышки редуктора, мм
| Фланцы для крепления к фундаменту | |||||
![]() |
![]() |
||||
| Диаметр болта крепления к раме d1 | 16 | ||||
| Толщина фланца |
18 | ||||
| Ширина фланца S1 | 50 | ||||
| Фланцы корпуса и крышки в районе подшипниковых узлов | |||||
![]() |
|||||
| Диаметр болта крепления крышки к корпусу d2 | 12 | ||||
| Ширина фланца S2 | 42 | ||||
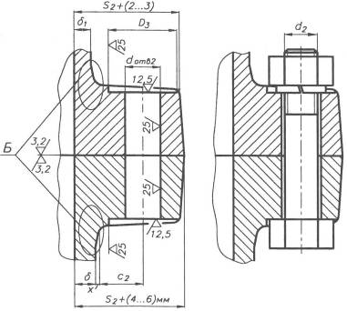
Таблица 11.4
| Фланцы корпуса и крышки | ||
![]() |
||
| Диаметр болта крепления к раме d3 | 8 | |
| Толщина фланца корпуса |
12 | |
| Толщина фланца крышки |
10 | |
| Ширина фланца S3 | 34 | |
Конструкция и размеры крышек подшипниковых узлов (рис. 11.1) даны в таблице 11.5.
Таблица 11.5 Основные размеры крышек подшипниковых узлов, мм
| D | Болт крепления крышки | Кол-во болтов z | Диаметр отверстия d5 | Толщина фланца h1 | Толщина стенки δ2 | |
| 80 | М8 | 4 | 9 | 8 | 6 | |
| 68 | ||||||
| Диаметр установки болтов D1 | 90 | |||||
| -ведомый вал | ||||||
| -ведущий вал | 102 | |||||
| Наружный диаметр фланца D2 | 108 | |||||
| -ведомый вал | ||||||
| -ведущий вал | 120 | |||||
| Толщина цилиндрической части крышки δ3 | 8 | |||||
| -ведомый вал | ||||||
| -ведущий вал | ||||||
![]()
В конструкции корпуса и крышки необходимо предусмотреть возможность строповки с помощью проушин.
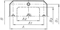
Для периодического осмотра состояния червячного зацепления в крышке корпуса необходимо предусмотреть смотровой люк (табл. 11.6). Его же используют для заливки масла. На люке устанавливается отдушина (табл. 11.7) для компенсации давления при нагреве редуктора.
Таблица 11.6 Крышка смотрового люка, мм
![]() |
![]() |
|||||||
| A | A1 | A2 | A3 | B | B1 | B2 | d4 | |
| 130 | 105 | 80 | – | 120 | 95 | 70 | М6 | |
подшипник зубчатый вал колесо
Таблица 11.7 Ручка-отдушина смотрового люка, мм
![]() |
d | d1 | d2 | d3 | D | h1 | h2 | H | R1 | R2 | e | k |
| М10 | 4,0 | 16 | 10 | 25 | 14 | 8 | 36 | 25 | 7 | 3 | 4 |
Для контроля уровня масла необходим маслоуказатель (табл. 11.8).
Таблица 11.8 Маслоуказатель из оргстекла, мм
![]() |
D | 60 |
| d | 32 | |
| D1 | 50 | |
| L | 12 |
Для слива масла используют сливное отверстие (табл. 11.9), в нижней части боковой стенки.
Таблица 11.9 Размеры пробок сливных отверстий с цилиндрической резьбой, мм
![]() |
d | D | D1 | S | L | l | a | f |
| М20 | 30 | 25,4 | 22 | 28 | 15 | 4 | 4 |
11.2 Выбор уплотнительных устройств
Выбираем резиновые манжеты (табл. 11.10, 11.11).
Таблица 11.10 Резиновые армированные манжеты для валов (по ГОСТ 8752-79)
1 – корпус; 2 – каркас; 3 – пружина. |
||
| Диаметр вала d | D | h |
| 40 | 60 | 10 |
| 50 | 70 | |
Таблица 11.11 Уплотнительные узлы с применением манжет по ГОСТ 8752-79
![]() |
D | h | h2 | h3 |
| 60 | 10 | 12 | 1,5 | |
| 70 |
12. Сборка и монтаж мотор-редуктора
Детали механизма следует располагать в корпусе компактно, более плотно используя его пространство.
Конструкция проектируемого механизма должна обеспечивать возможность его сборки и разборки, свободный доступ для регулировки, настройки отдельных узлов и замены деталей. Предпочтителен узловой метод сборки, при котором отдельные детали собираются в узлы, а из них собирается механизм.
При проектировании разъемного корпуса необходимо предусмотреть элементы, обеспечивающие фиксацию взаимного положения корпусных деталей.
Перед сборкой внутреннюю полость корпуса редуктора тщательно очищают и покрывают маслостойкой краской.
Сборку производят в соответствии со сборочным чертежом редуктора, начиная с узлов валов:
На ведущий вал насаживают мазеудерживающие кольца и шарикоподшипники предварительно нагретые до 80-100°C.
В ведомый вал закладывают шпонку и напрессовывают зубчатое колесо до упора в бурт вала. Затем надевают распорную втулку, мазеудерживающие кольца и устанавливают шарикоподшипники, предварительно нагретые в масле.
Собранные валы укладывают в основание корпуса редуктора и нагревают крышку корпуса, покрывая предварительно поверхности стыка крышки и корпуса спиртовым лаком. Для центровки устанавливают крышку на корпус с помощью двух конических шрифтов, затягивают болты, крепящие крышку к корпусу.
После этого на ведомый вал надевают распорное кольцо, в подшипниковые камеры закладывают пластичную смазку, ставят крышки подшипников.
Проверяют, проворачиванием валов, отсутствие заклинивания подшипников (валы должны проворачиваться от руки) и закрепляют крышки винтами.
Далее на конец ведомого вала в шпоночную канавку закладывают шпонку, устанавливают полумуфту или звёздочку и закрепляют её торцевым креплением.
Затем ввёртывают пробку маслоспускного отверстия с прокладкой и маслоуказатель.
Заливают в корпус масло и закрывают смотровое отверстие крышкой с прокладкой из технического картона, закрепляют крышку болтами.
Собранный редуктор обкатывают и подвергают испытанию на стенде по программе устанавливаемой техническими условиями.
Перед монтажом мотор-редуктор необходимо очистить от пыли и антикоррозионной смазки. Смазку удалить салфеткой, смоченной бензином-растворителем (уайт-спиритом) ГОСТ 3134-78 или бензином авиационным марки Б-70 ГОСТ 1012-72.
Мотор-редуктор и рабочая машина должны быть установлены на жестком основании, обеспечивающем неизменность их взаимного расположения. Фундаментные болты должны быть равномерно затянуты до отказа. Элементы привода (шкивы, шестерни, полумуфты), устанавливаемые на выходной вал мотор-редуктора с натягом, до установки нагреть до температуры 100-150°С. Производить установку ударами категорически запрещается.
При соединении мотор-редукторов с рабочей машиной валы должны быть сцентрированы с точностью, требуемой конструкцией муфт или передач.
Необходимо предусмотреть возможность нормального охлаждения мотор-редуктора. Решетка вентиляционного кожуха на двигателе не должна закрываться близко расположенными предметами.
13. Техника безопасности
Несмотря на то, что редуктор является относительно не сложным агрегатом, при его эксплуатации возможны отказы. Поэтому необходимы предварительные меры безопасности.
При монтаже редуктора, а также при замене подшипников и манжет, следует использовать специальный инструмент.
Соединение муфты должны быть надёжно закреплены и защищены ограждающим кожухом. Если позволяют условия, корпус редуктора должен быть защищён сетчатым кожухом.
Для безопасной работы редуктора необходимо соблюдать следующие условия.
1. При сборке все детали редуктора подбирать согласно расчётным данным.
2. Перед сборкой производить внешний осмотр деталей, а если необходимо, то и испытания на стендах для выявления скрытых дефектов в деталях.
3. Не применять слишком больших усилий при сборке узлов редуктора.
4. Грамотно производить все регулировки в узлах редуктора и между ними.
5. Все крепёжные детали (болты, гайки, шайбы, винты) должны быть затянуты и зафиксированы стопорными шайбами.
6. Не запускать редуктор в работу без смазки.
7. Не допускать скорость вращения редуктора выше расчётной.
8. Не превышать мощностные характеристики редуктора.
9. Все вращающиеся части редуктора выступающие за его корпус должны быть ограждены.
10. Не бросать и не кантовать во время транспортировки и монтажа.
11. Иметь приспособление для закаливания редуктора при транспортных и монтажных работах.
12. Не производить ремонт и техническое обслуживание редуктора при его работе.
13. Не запускать редуктор в работу в технически неисправном состоянии.
Запрещается снимать крышки, закрывающие смотровые окна при работе редуктора во избежание разбрызгивания нагретого масла. Проверку уровня масла, замену свежим и слив отработанного масла следует производить только при полной остановке привода.
Пользоваться на ходу щуповым указателем запрещается. Не рекомендуется поджимать сливные пробки во избежание срыва резьбы.
При монтажных работах необходимо отключить электрические источники питания, проверить заземление и снять внешние нагрузки на валы.
При ремонте не пользоваться сваркой.
При монтаже следует соблюдать общие правила безопасности, применяемые при монтаже и погрузочно-разгрузочных работах.
Транспортировка редуктора осуществляется за элементы страховки.
Заключение
При выборе варианта конструкции необходимо изучить известные технические решения и выполнить их анализ, максимально использовать унифицированные детали и узлы. Для повышения технологичности и уменьшения трудоемкости изготовления конструкции следует сокращать номенклатуру используемых стандартных и нормализованных деталей и узлов, а также используемых материалов. Везде, где возможно, следует применять в деталях форму тел вращения, технологически более простую в изготовлении.
Для наиболее удачного размещения деталей и узлов рекомендуется рассмотреть несколько вариантов конструкции проектируемого устройства. При этом возможны существенные изменения первоначально разработанной конструкции и выполненных расчетов. В качестве окончательного варианта конструктивного решения выбирается наиболее удачная эскизная проработка проектируемого устройства, обеспечивающая минимальные массово-геометрические параметры и максимальную экономичность в эксплуатации.
При конструировании деталей следует стремиться к упрощению ее конструкции, что приводит к снижению ее себестоимости.
Рационально спроектированное и правильно построенное устройство должно быть прочным, долговечным, возможно дешевым и экономичным в работе, а также безопасным для обслуживающих ее лиц. Этим основным требованиям должны удовлетворять не только само устройство, но и каждая его деталь.
Список литературы
1. Бабкин А.И., Руденко А.В. Проектирование мотор редуктора. Методические указания к курсовой работе для студентов заочной формы обучения специальности 180103. VI семестр. – Северодвинск: РИО Севмашвтуза, 2007 – 82 с.
2. Бабкин А.И., Руденко А.В. Детали машин и основы конструирования. Учебное пособие для студентов заочной формы обучения специальности 180103. V семестр. – Северодвинск: РИО Севмашвтуза, 2007 – 106 с.
3. Бабкин А.И., Руденко А.В. Детали машин и основы конструирования Учебное пособие для студентов заочной формы обучения специальности 180103. VI семестр. – Северодвинск: РИО Севмашвтуза, 2007 – 125 с.
4. Иванов М.Н. Детали машин – М.: Высшая школа, 1991 – 383 с.
5. Эрдели А.А., Эрдели Н.А. Детали машин. – М.: Высшая школа, –2002г.
6. Анурьев В.И. Справочник конструктора-машиностроителя в 3 – х; Т1 – М.: «Машиностроение» – 2001 г.
Похожие рефераты:
Методические указания по технической механике
Продольно-резательный станок производительностью 350 т/сутки
Проектирование механического привода с цилиндрическим соосным редуктором
Расчет двухступенчатого редуктора
Проектирование электродвигателя
Проектирование приводной станции к кормораздатчику
Расчёт на прочность закрытой цилиндрической одноступенчатой передачи и её проектирование
Проектирование привода пресс-автомата с плавающим ползуном
Проектирование привода цепного конвейера













