| Похожие рефераты | Скачать .docx |
Реферат: Нормирование точности в машиностроении
Содержание
1.Гладкие сопряжения и калибры
1.1 Расчет допусков и посадок гладких цилиндрических сопряжений
1.2 Калибры для контороля гладких цилиндрических соединений
2.Расчет и выбор посадок подшипника качения
3.Шероховатость, отклонение формы и расположения поверхностей
4.Допуски и посадки шпоночных и шлицевых соединений
4.1 Шпоночное соединение
4.2 Прямобочное шлицевое соединение
4.3 Эвольвентное шлицевое соединение
Литература
1.Гладкие сопряжения и калибры
1.Задана посадка Æ56H6/k5.
Посадка с переходная.
Предельные отклонения отверстия Æ56H6: верхнее ES=+19мкм; нижнее EI=0.
Предельные отклонения вала Æ56k5: верхнее es=14 мкм; нижнее ei=+1 мкм.
Предельные размеры отверстия и вала:
Dmax = D + ES = 56 + 0,019 = 56,019 мм;
Dmin = D + EI = 56 + 0 = 56 мм;
dmax = d + es = 56 +0.014 = 56,014 мм;
dmin = d + ei = 56 + 0.001 = 56,001 мм;
Допуски размеров отверстия и вала:
TD = IT6 = 19 мкм;
Td = IT5 = 13 мкм;
Параметры посадки (переходная).
Smax = ES - ei = 19- 1 = 18мкм;
Smin = EI - es = 0 - 14 = -14 мкм;
TS = Smax - Smin = 18 + 14 = 32 мкм.
Проверка: TS = Td+TD32= 19 + 13
2.Задана посадка Æ70S6/h7.
Посадка с зазором.
Предельные отклонения отверстия Æ70S6: верхнее ES=-59мкм; нижнее EI=-78.
Предельные отклонения вала Æ70h7: верхнее es=0 мкм; нижнее ei=-30 мкм.
Предельные размеры отверстия и вала:
Dmax = D + ES = 70 + (-0.059) = 69.941 мм;
Dmin = D + EI = 70 + (-78) = 69.922 мм;
dmax = d + es = 70 + 0 = 70 мм;
dmin = d + ei = 70 + (0.030) = 69.970 мм;
Допуски размеров отверстия и вала:
TD = IT6 = 19 мкм;
Td = IT7 = 30 мкм;
Параметры посадки (с зазором).
Nmax= dmax - Dmin = = -0,078 мм;
Nmin= dmin - Dmax = = -0,029 мм;
TN = Nmax - Nmin = -0,0678 + 0,029 = -0,049 мм.
Проверка: TN = Td+TD 0,049 = 0,019 + 0,030
3.Задана посадка Æ105F7/h7.
Посадка c зазором.
Предельные отклонения отверстия Æ53H7: верхнее ES=+30мкм; нижнее EI=0.
Предельные отклонения вала Æ53k5: верхнее es=+15 мкм; нижнее ei=+2 мкм.
Предельные размеры отверстия и вала:
Dmax = D + ES = 53 + 0,030 = 53,030 мм;
Dmin = D + EI = 53 + 0 = 53 мм;
dmax = d + es = 53 + 0,015 = 53,015 мм;
dmin = d + ei = 53 + 0,002 = 53,002 мм;
Допуски размеров отверстия и вала:
TD = IT7 = 30 мкм;
Td = IT5 = 13 мкм;
Параметры посадки (переходная).
Smax= Dmax - dmin = 53,030 - 53,002 = 0,028 мм;
Nmax = dmax - Dmin = 53,015 - 53 = 0,015 мм;
Smin = -Nmax = -0,015 мм;
Nmin = -Smax = -0,028 мм;
TS(N) = Smax + Nmax = 0,028 - 0,015 = 0,043 мм.
Проверка: TS(N) = Td+TD 0,043 = 0,013 + 0,030
4.Задана посадка Æ21H8/h7.
Посадка с зазором.
Предельные отклонения отверстия Æ21H8: верхнее ES=+33мкм; нижнее EI=0.
Предельные отклонения вала Æ21h7: верхнее es=0 мкм; нижнее ei=-21 мкм.
Предельные размеры отверстия и вала:
Dmax = D + ES = 21 + 0,033 = 21,033 мм;
Dmin = D + EI = 21 + 0 = 21 мм;
dmax = d + es = 21 + 0 = 21 мм;
dmin = d + ei = 21 + (-0,021) = 20,979 мм;
Допуски размеров отверстия и вала:
TD = IT8 = 33 мкм;
Td = IT7 = 21 мкм;
Параметры посадки (c зазором).
Smax = Dmax - dmin = 21,033 - 20,979 = 0,054 мм;
Smin = Dmin - dmax = 21 - 21 = 0;
TS = Smax - Smin = 0,054 - 0 = 0,054 мм.
Проверка: TS = Td+TD0,054 = 0,021 + 0,033
Полученные данные для всех посадок заносим в таблицу 1.1.
Таблица 1.1 Типы и параметры посадок
| Обозначение Посадки | Предельные размеры | Предельные размеры | Тип посадки | Допуск посадки | ||||||
| Отверстия | Вала | зазор | натяг | |||||||
| Dmax | Dmin | dmax | dmin | Smax | Smin | Nmax | Nmin | |||
| Æ19H9/c8 | 19,052 | 19 | 18,890 | 18,857 | 0,195 | 0,110 | - | - | зазор | 0,085 |
| Æ34H7/s7 | 34,025 | 34 | 34,068 | 34,043 | - | - | 0,068 | 0,018 | натяг | 0,050 |
| Æ53H7/k5 | 53,030 | 53 | 53,015 | 53,002 | 0,028 | -0,015 | 0,015 | -0,028 | переходная | 0,043 |
| Æ21H8/h7 | 21,033 | 21 | 21 | 20,979 | 0,054 | 0 | - | - | зазор | 0,054 |

Рисунок 1.1 - Схема посадки №1 с зазором

Рисунок 1.2 - Схема посадки №2 с натягом

Рисунок 1.4 – Схема посадки №4 с зазором

а)

б)
Рисунок 1.5 – Эскизы сопрягаемых деталей: а) отверстия; б) валы;
1.2 Калибры для контроля гладких цилиндрических соединений
Разработаем предельные калибры для контроля сопряжения Æ34H7/s7. Устанавливаем допуски на изготовление предельных калибров по таблице 3 и 4.
Исходные данные:
Для отверстия Æ34H7: Н=4 мкм; Z=3,5 мкм; α=0.
Для вала: Æ34s7: H1 =4 мкм, Z1=3,5 мкм, Hp =1,5 мкм, α1 =0, Y1=3 мкм.
Исполнительный размер проходной стороны калибра-пробки:
Прmax= Dmin+Z+
=34+0,0035+0,004/2=34,0055 мм;
размер на чертеже Æ34,0055-0,004 мм.
Исполнительный размер непроходной стороны калибра-пробки:
Неmax= Dmax- α +
=34,025-0+0,004/2=34,027 мм;
размер на чертеже Æ34,027-0,004 мм.
Исполнительный размер проходной стороны калибра-скобы:
Прmin= dmax-Z1
-
=34,068-0,0035-0,004/2=34,0625 мм;
размер на чертеже Æ34,0625+0,004 мм.
Исполнительный размер непроходной стороны калибра-скобы:
Неmin= dmin+ α1
-
=34,043+0-0,004/2=34,041 мм;
размер на чертеже Æ34,041+0,004 мм.
Исполнительный размер контрольного калибра:
К-Иmax= dmax+ Y1
- α1
+
=34,068+0,003-0+0,0015/2=34,07025 мм;
размер на чертеже Æ34,0702-0,0015 мм.
Исполнительный размер проходного контрольного калибра:
К-Прmax= dmax-Z1
+
=34,068-0,0035+0,0015/2=34,06525 мм;
размер на чертеже Æ34,0652-0,0015 мм.
Исполнительный размер непроходного контрольного калибра:
К-Неmax= dmin+ α1
+
=34,043+0+0,0015/2+0=34,04375 мм;
размер на чертеже Æ34,0437-0,0015 мм.
Шероховатость рабочих поверхностей калибров:
Ra ≤ 0,012Tразм (H1 ,H), H1 =H=4 мкм;
Ra = 0,012۰4 = 0,048 мкм;
Принимаем Ra из стандартного ряда
Для обоих калибров: Ra =0,05 мкм.

Рисунок 1.6 Схемы полей допусков предельных калибров


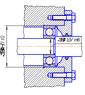
2. Расчет и выбор посадок подшипников качения
Исходные данные:
подшипник 409;
класс точности 0;
радиальная сила F=4000 H;
вращающимся является внутреннее кольцо.
1. Параметры подшипника 409: d=45 мм; D=120 мм; B=29 мм; r=3,0 мм.
В рассматриваемом узле вращающимся кольцом является внутреннее кольцо подшипника, поэтому его посадку на вал производим с натягом, а наружное кольцо устанавливаем в корпус с зазором.
2. Определение минимального потребного натяга для внутреннего кольца подшипника:
мкм,
где коэффициент k=2 для тяжёлой серии подшипника.
3. Определение максимального допустимого натяга внутреннего кольца подшипника:
мкм.
4. По значению Nmin подбираем из числа рекомендуемых посадку для внутреннего кольца подшипника: Æ 45 L0/m6.
По таблице 9 определяем предельные отклонения размеров:
для отверстия: ES=0; EI=–12 мкм;
для вала: es=+25 мкм; ei=+9 мкм;
5. Определение минимального и максимального натяга в соединении:
![]()
![]()
Tак как
>
(9 мкм > 4,522 мкм), а
>
(37 мкм < 205,2 мкм), можно заключить, что посадка внутреннего кольца подшипника выполнена правильно.
6. Выбираем посадку для наружного кольца подшипника из рекомендованных: Æ 120H7/l0. Предельные отклонения:
для отверстия:
ES=+35 мкм;
EI=0;
TD=35 мкм;
для вала:
es=0;
ei=–15 мкм.
Td=15 мкм;
Для выбранной посадки максимальный зазор:
Smax =ES–ei=35–(–15)=50 мкм.
Для выбранной посадки минимальный зазор:
Smin=EI–es=0–0=0 мкм.
7. Строим схему полей допусков выбранных посадок для колец подшипника качения:

8. Эскиз сборочного узла

Рисунок 2.2Сборочный узел
3. Шероховатость, отклонения формы и расположения поверхностей
Исходные данные:
1.Æ 45k6; Td=16 мкм;
2.Æ50n7; Td=25 мкм;
3.Æ 45k6; Td=16 мкм;
4.Æ25r7; Td=21 мкм;
5.Æ53-0,3 ; Td=300 мкм;
6.Æ55-0,3 ; Td=300 мкм;
7.18h6; Td=11 мкм;
8.9h15; Td=580 мкм;
9.Æ14N9; Td=43 мкм;
3.1 Шероховатости отмеченных поверхностей находим сообразно назначению этих поверхностей и допуску их размера
3.1.1 Определим шероховатость для посадочных мест подшипников качения ![]()
Поверхность Æ 45k6: Td=16 мкм;
![]()
принимаем Ra =0,63 мкм из стандартного ряда.
Поверхность Æ 45k6: Td=16 мкм
Аналогично предыдущей поверхности Ra =0,63 мкм.
3.1.2 Шероховатость для ответственных поверхностей, образующих с сопрягаемыми поверхностями других деталей определённые посадки
В общем случае выделенные поверхности можно считать поверхностями нормальной геометрической точности, для которых параметр шероховатости
TÆ
.
Поверхность Æ 50n7: Td=25 мкм;
![]()
принимаем Ra =1,25 мкм из стандартного ряда.
Поверхность Æ 25r7: Td=21 мкм;
![]()
принимаем Ra =1,00 мкм из стандартного ряда.
Поверхность Æ 18h6: Td=11 мкм;
![]()
принимаем Ra =0,32 мкм из стандартного ряда.
3.1.3 Определение шероховатости поверхностей, к которым не предъявляются высокие требования
Поверхность Æ 53-0,3 : Td=300 мкм;
![]()
принимаем Ra =12,5 мкм из стандартного ряда.
Поверхность Æ 55-0,3 : Td=300 мкм;
![]()
принимаем Ra =12,5 мкм из стандартного ряда.
Поверхность Æ 9h15: Td=580 мкм;
![]()
принимаем Ra =25 мкм из стандартного ряда.
Шероховатость поверхностей шпоночного паза принимается в пределах Ra =3,6…12,5 мкм, причём большие значения соответствуют дну паза.
3.2 Допуски на отклонение формы и расположения поверхностей также определим приближённым методом
3.2.1 Расчёт допусков на отклонение от круглости и цилиндричности поверхностей
Поверхность Æ 45k6: Td=16 мкм;
T
мкм, принимаем T =4 мкм из стандартного ряда.
T
мкм, принимаем T =4 мкм.
Поверхность Æ 50n7: Td=25 мкм;
T
мкм, принимаем T=6 мкм.
Поверхность Æ 25r7: Td=21 мкм;
T
мкм, принимаем T=6 мкм.
3.2.2 Допуск на радиальное биение поверхности относительно поверхности АБ
Поверхность Æ 50n7:
T
мм, принимаем T =0,02 мм;
Поверхность Æ 25r7:
T
мм, принимаем T =0,02 мм;
3.2.3 Допуск на отклонение от перпендикулярности торца поверхности Æ50-0,3 для фиксации подшипника зависит от допуска размера на ширину подшипника
![]()
T
мкм, принимаем T=6 мкм.
Допуск на отклонение от перпендикулярности поверхности Æ9h15:
![]()
T
мкм, принимаем T =120 мкм.
3.2.4 Допуск на отклонение от симметричности расположения шпоночного паза
![]()
T
мкм, принимаем T=120 мкм,
3.2.5 Допуск на отклонение от параллельности шпоночного паза
T//
мкм, принимаем T//
=120 мкм.
где TB - при определении допуска перпендикулярности является допуском на ширину подшипника; при определении допуска отклонения от симметричности боковых сторон шпоночного паза является допуском на ширину паза вала.
Чертим эскиз вала

4. Допуски и посадки шпоночных и шлицевых соединений.
4.1 Шпоночные соединения.
Исходные данные: d=35 мм, тип соединения 3 (плотное соединение).
По ГОСТ 23360-78 выбираем основные размеры соединения:
b=10 мм, h=8 мм;
Глубина паза вала и втулки соответственно: t1 =5 мм, t2 =3,3 мм;
Вид исполнения 1;
Длина шпонки l=50 мм;
Условное обозначение шпонки: Шпонка 1-10 ĥ 8 ĥ 50 ГОСТ 23360-78.
Условия применения – плотное характеризуемое вероятностью получения примерно одинаковых небольших натягов в соединении шпонок с обоими пазами; сборка осуществляется напрессовкой, применяется при редких разборках и реверсивных нагрузках.
Для заданного типа соединения назначаем поля допусков для деталей шпоночного соединения:
поле допуска вала s6,
поле допуска отверстия H7,
поле допуска ширины шпонки b - h9,
поле допуска высоты шпонки h - h11,
поле допуска длины шпонки l - h14,
поле допуска ширины паза на валу и во втулке - P9,
Определяем предельные отклонения пользуясь стандартом на гладкие соединения:
диаметр вала 35 ![]()
диаметр втулки 35 ![]()
ширина шпонки 10 ![]()
высота шпонки 8 ![]()
длина шпонки 50 ![]()
ширина паза на валу 10 ![]()
ширина паза во втулке 10 ![]()
глубина паза вала ![]()
![]()
• глубина паза втулки ![]()
![]()
Строим схемы расположения полей допусков (рисунок 4.1).

4.2 Прямобочное шлицевое соединение
Исходные данные: b-6 ĥ 28H11/≥ 26,7 ĥ 32H12/a11 ĥ7F8/js7 ГОСТ 1139-80
Прямобочное шлицевое соединение: центрирование по боковым поверхностям зубьев b;
поле допуска центрирующего диаметра D=32 мм
H12 - втулки,
a11 - вала;
число прямобочных шлицов 6;
внутренний диаметр соединения d=28 мм;
ширина шлица b=7 мм,
поле допуска ширины шлица втулки F8,
поле допуска ширины шлица вала js7.
Центрирование по b применяется, когда не требуется особой точности соосности, при передаче значительных моментов, в случаях, когда недопустимы большие зазоры между боковыми поверхностями вала и втулки; наиболее простой и экономичный способ.
По ГОСТ 1139-80 назначаем поля допусков втулки и вала по нецентрирующему диаметру:
втулки H11,
предельное отклонение вала по нецентрирующему диаметру d не менее 26,7 мм.
Величины предельных отклонений диаметров и ширины прямобочного шлица:
Для втулки b-6 ĥ 28H11 ĥ 32H12 ĥ7F8 ГОСТ 1139-80
центрирующий диаметр
;
нецентрирующий диаметр
;
ширина паза
;
Для вала b-6 ĥ ≥ 26,7 ĥ 32a11 ĥ7js7 ГОСТ 1139-80
центрирующий диаметр
;
нецентрирующий диаметр
мм;
ширина паза
;
Строим схемы расположения полей допусков (рисунок 4.2).

4.3 Эвольвентные шлицевые соединения
Исходные данные: 48 ĥ H7/h6 ĥ 2 ГОСТ 6033-80
Номинальный диаметр D=48 мм,
Модуль m=2 мм,
вид центрирования по наружному диаметру,
поле допуска наружного диаметра втулки Df - H7,
поле допуска наружного диаметра вала da - h6.
Центрирование по наружному диаметру D наиболее технологично, так как в этом случае в качестве окончательной операции отверстия выполняют протягивание, а при обработке вала - шлифование. Такое центрирование применяется в деталях с незакалённым отверстием.
Определяем по ГОСТ 6033-80 недостающие параметры эвольвентного соединения:
Число зубьев Z=22;
Делительный диаметр:
мм;
Диаметр впадин шлицевого вала
мм;
Диаметр внутренней втулки
мм;
Назначаем поле допуска ширины впадины втулки e - 9H, поле допуска толщины зуба вала S - 9d: посадка 9H/9d.
Поле допуска втулки и вала по нецентрируемому диаметру при плоской форме дна впадины: для втулки Da - H11, для вала df - h16, посадка H11/h16.
Величины предельных отклонений диаметров, предельные отклонения по боковым сторонам зубьев:
Для втулки 48 ĥ H7 ĥ 2 ГОСТ 6033-80:
центрирующий диаметр
;
ширина впадины
e - 9H: ES=+71мкм;
EJe =+26 мкм;
EJ=0;
Для вала 48 ĥ h6 ĥ 2 ГОСТ 6033-80:
центрирующий диаметр
;
толщина зуба
S - 9d: es=-44 мкм;
ese =-70 мкм;
ei=-115 мкм;
Строим схемы расположения полей допусков (рисунок 4.3).
мм.

Литература
1. Марков Н.Н., Осипов В.В., Шабалина М.Б. Нормирование точности в машиностроении: Учеб. для машиностроит. спец. вузов. / Под ред. Ю.М. Соломенцева. – 2-е изд., перераб. и доп. – М.: Высш. шк.; Издательский центр "Академия", 2001. – 335 с.: ил.
2.Якушев А.И. и др. Взаимозаменяемость, стандартизация и технические измерения: Учебник для втузов / А.И. Якушев, Л.Н. Воронцов, Н.М. Федотов. – 6-е изд., перераб. и доп. – М.: Машиностроение, 1987. – 352 с.: ил.
3. В.И. Анурьев "Справочник конструктора-машиностроителя": в 3 т. -8е изд.: -М.: Машиностроение, 2001г.
Похожие рефераты:
Метрология и нормирование точности, шпиндельная головка + контрольная по нормирование точности
Размерный анализ сборочной единицы (тихоходного вала редуктора)
Расчет редуктора привода стружкоуборочного конвейера
Расчет и выбор посадок для различных соединений
Расчет элементов механизма подачи металлорежущего станка
Расчет, выбор и обоснование посадок соединений
Взаимозаменяемость, стандартизация и технические измерения
Анализ качества изделия машиностроения
Выбор и расчет посадок для гладких соединений c расчетом размерной цепи
Определение параметров основных типовых соединений
Расчет, выбор и обоснование посадок соединений
Метрология расчет типовых соединений