| Скачать .docx |
Курсовая работа: Анализ качества изделия машиностроения
Государственное образовательное учреждение
высшего профессионального образования
«ПЕТЕРБУРГСКИЙ ГОСУДАРСТВЕННЫЙ УНИВЕРСИТЕТ
ПУТЕЙ СООБЩЕНИЯ МИНИСТЕРСТВА ПУТЕЙ СООБЩЕНИЯ
РОССИЙСКОЙ ФЕДЕРАЦИИ»
Кафедра «Технология металлов»
МЕТРОЛОГИЯ, СТАНДАРТИЗАЦИИ
И СЕРТИФИКАЦИИ
ПОЯСНИТЕЛЬНАЯ ЗАПИСКА К КУРСОВОЙ РАБОТЕ
НА ТЕМУ:
АНАЛИЗ КАЧЕСТВА ИЗДЕЛИЯ МАШИНОСТРОЕНИЯ
САНКТ-ПЕТЕРБУРГ
2011
Реферат
Данная курсовая работа посвящена анализу качества изделия машиностроения.
Она состоит из пояснительной записки и чертежа вала на формате А4. Пояснительная записка состоит из 27 листов, содержит 16 рисунков и 7 таблиц. В записке описывается 11 задач.
В первой задаче приведен пример стандарта, используемого на предприятии, и определение стандартизации.
Во второй задаче рассчитана и выбрана посадка с натягом для соединения зубчатого колеса с валом. Выполнен анализ полученной посадки и построена схема расположения полей допусков. Обозначена посадка соединения и поля допусков сопрягаемых деталей на эскизах.
В третьей задаче подобраны посадки внутреннего и наружного колец подшипника.
Выполнен анализ полученных посадок. Построены схемы расположения полей допусков. Обозначены на эскизах посадки соединяемых деталей и поля допусков этих деталей.
В четвертой задаче подобраны размеры шпонки для соединения шкива с валом.
Назначены посадки шкива на вал и посадки шпонки с пазом вала и пазом втулки в соответствии с вариантом задания. Выполнен анализ полученных посадок шпонки с пазом вала и пазом втулки. Построены схемы расположения полей допусков этих соединений. Обозначены на эскизах посадки соединяемых деталей и поля допусков деталей соединения.
В пятой задаче назначены недостающие осевые и диаметральные размеры ступеней вала, исходя из особенностей конструкции.
В шестой задаче составлена схема размерной цепи. Решена задача расчета размерной цепи с помощью метода полной взаимозаменяемости.
В задачах 7-11 рассмотрены вопросы дальнейшего проектирования вала.
деталь конструкция вал колесо
Задача 1
Приведите пример стандарта, используемого на вашем предприятии, и определение стандартизации.
Стандартизация – установление и применение правил с целью упорядочения деятельности в определенной области на пользу и при участии всех заинтересованных сторон, в частности для достижения всеобщей оптимальной экономии при соблюдении условий эксплуатации и требований безопасности. Стандартизация основывается на объединенных достижениях науки, техники и передового опыта. Она определяет основу не только настоящего, но и будущего развития и должна осуществляться непрерывно.
Стандарт – нормативно-технический документ по стандартизации, устанавливающий комплекс норм, правил, требований к объекту стандартизации и утвержденный компетентным органом.
Приведем примеры стандартов, используемых на предприятии.
При оформлении конструкторской документации используются: ГОСТ 2.301-68, ГОСТ 2.302-68, ГОСТ 2.303-68, ГОСТ 2.304-68 и т.д.
Электромонтаж производится в соответствии с требованиями ГОСТ 23592-79.
Разделка проводов и крепление жил производится в соответствии с требованиями ГОСТ 23587-79.
Задача 2
1. Рассчитать и выбрать посадку с натягом для соединения зубчатого колеса с валом.
2. Выполнить анализ полученной посадки и построить схему расположения полей допусков.
3. Обозначить посадку соединения и поля допусков сопрягаемых деталей на эскизах.
Решение.
Значение наименьшего расчетного натяга:
,
где Рэ – удельное контактное эксплуатационное давление при действии крутящего момента, Па.
,
где f = 0,15 – коэффициент трения,

n = 1,5 – 2 – коэффициент запаса прочности соединения,
D = d – номинальный диаметр соединения, м,
L – длина соединения, м.
![]()
СD и Cd – коэффициенты Ламэ:
,
,
где d1 – внутренний диаметр вала (если вал полый). d1 = 0.
d2 – диаметр впадин зубчатого колеса.
![]()
Наибольший расчетный натяг:
,
где Рдоп – наибольшее допускаемое давление на поверхности вала или втулки, Па.
На поверхности втулки отсутствуют пластические деформации при:
![]()
На поверхности вала отсутствуют пластические деформации при:
![]()
![]()
Поправка к расчетному натягу на смятие неровностей поверхности детали URz , остальные поправки можно принять равными нулю.
,
где к – коэффициент, учитывающий высоту смятия неровностей отверстия втулки и вала. Для принятого метода сборки (с нагревом зубчатого колеса) принимаем: к = 0,5.
С учетом поправки величины граничных допустимых значений функциональных натягов для выбора посадки будут равны:
![]()
![]()
Выберем стандартную посадку по наибольшему натягу.
Посадку будем выбирать в системе отверстия.
В этой системе отверстие имеет основное нижнее отклонение Н, где ЕI=0.
Исходя из условия, что натяг, обеспечиваемый стандартной посадкой (ГОСТ 25347-82), должен быть меньше функционального:
Nmax ф > Nmax = es – EI,
Определяем наибольшее допустимое значение верхнего отклонения вала:
es < Nmax ф – EI = 232 – 0 = 232 мкм.
В соответствии с неравенством по ГОСТ 25347-82 выбираем поле допуска вала:
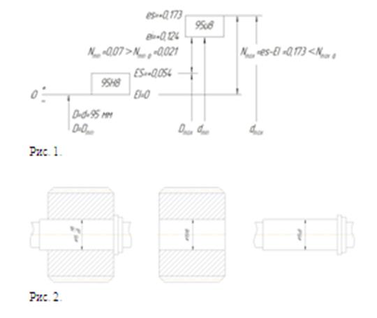
95u8: es = +173 мкм < (232 мкм = Nmax ф ).
Принимаем поле допуска 95u8 (es = +173 мкм, ei = +124 мкм).
Исходя из условия:
Nmin ф < Nmin = ei – ES
определяем наибольшее допустимое значение верхнего отклонения основного отверстия:
ES < ei - Nmin ф = +124 – 21 = 103 мкм.
В соответствии с неравенством по ГОСТ 25347-82 выбираем поле допуска основного отверстия:
95Н8: ES = +54 мкм < 103 мкм.
Принимаем поле допуска 95Н8 (ES = +54 мкм, EI = 0).
Посадка 95Н8/u8 – относится к рекомендуемым.
Проанализируем выбранную посадку с натягом, данные сведем в табл. 1.
Построим схему расположения полей допусков (рис. 1) и эскизы сопрягаемых деталей (рис. 2).
Таблица 1
| Параметры сопряжения |
Для вала |
Для отверстия |
| Номинальный размер, мм |
95 |
95 |
| Квалитет |
8 |
8 |
| Условное обозначение основного отклонения |
u |
Н |
| Условное обозначение поля допуска |
u8 |
Н8 |
| Верхнее отклонение, мм |
еs = +0,173 |
ES = +0,054 |
| Нижнее отклонение, мм |
ei = +0,124 |
EI = 0 |
| Наибольший предельный размер, мм |
dmax = 95,173 |
Dmax = 95,054 |
| Наименьший предельный размер, мм |
dmin = 95,124 |
Dmin = 95,0 |
| Допуск размера, мм |
Td = 0,049 |
TD = 0,054 |
Характеристики посадки с натягом.
Наибольший натяг: Nmax = dmax – Dmin = 95,173 – 95,0 = 0,173 мм
Наименьший натяг: Nmin = dmin – Dmax = 95,124 – 95,054 = 0,070 мм
Средний натяг: Nm = (Nmax + Nmin )/2 = (0,173 + 0,070)/2 = 0,1215 мм
Допуск натяга: TN = Nmax – Nmin = 0,173 – 0,070 = 0,103 мм
TN = TD + Td = 0,054 + 0,049 = 0,103 мм

Задача 3
Вал вращается, корпус редуктора неподвижен. Вид нагружения наружного кольца – местный, внутреннего – циркуляционный. Осевая нагрузка на опору отсутствует.
1. Подобрать посадки внутреннего и наружного колец подшипника.
2. Выполнить анализ полученных посадок.
3. Построить схемы расположения полей допусков.
4. Обозначить на эскизах посадки соединяемых деталей и поля допусков этих деталей.
Подшипник №214, класс точности: 5, d = 70 мм, D = 125 мм, В = 24 мм, r = 2,5 мм,
d’ = 79 мм, R = 19,5 кН, перегрузка: 300%.
Решение
Интенсивность нагрузки на посадочные поверхности:
,
где B1 – рабочая ширина посадочного места, м:
В1 = В – 2r = 24 – 5 = 19 мм.
kp = 1,8 - динамический коэффициент посадки, при перегрузке до 300%.
F = 1 – коэффициент, учитывающий степень ослабления посадочного натяга (при сплошном вале).
FА = 1 – коэффициент неравномерности распределения радиальной нагрузки.
![]()
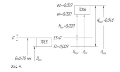
По найденному значению РR и исходным данным выбираем поле допуска посадочной поверхности вала: n6. [2]
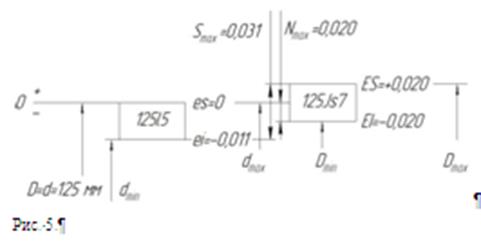
Поле допуска отверстия в корпусе под наружное кольцо выбираем в зависимости от перегрузки, типа корпуса и типа подшипника: Js7. [2]
Определяем числовые значения отклонений для этих полей допусков вала и отверстия в корпусе согласно ГОСТ 25347-82.
Отклонения вала Ø70n6: es = +39 мкм; ei = +20 мкм.
Отклонения отверстия в корпусе Ø125Js7: ES = +20 мкм; EI = -20 мкм.
Числовые значения отклонений для полей допусков подшипника L5 и l5 определяем по ГОСТ 520-89.
Отклонения отверстия внутреннего кольца Ø70L5: ES = 0; EI = -9 мкм.
Отклонения наружного кольца подшипника Ø125l5: es = 0; ei = -11 мкм.
Посадка внутреннего кольца подшипника на вал: Ø70L5/n6 (с натягом).
Посадка наружного кольца в отверстие в корпусе: Ø125Js7/l5 (переходная).
На рис. 3 приведем пример обозначения посадок подшипников качения на сборочных чертежах.

По найденным значениям отклонений сопрягаемых деталей строим схемы расположения полей допусков наружного кольца подшипника с корпусом и внутреннего кольца с валом и проводим анализ этих посадок аналогично второй задаче (табл. 2,3; рис. 4,5).
Характеристики посадки с натягом.
Наибольший натяг: Nmax = dmax – Dmin = 70,039 – 69,991 = 0,048 мм
Наименьший натяг: Nmin = dmin – Dmax = 70,020 – 70 = 0,020 мм
Средний натяг: Nm = (Nmax + Nmin )/2 = (0,048 + 0,020)/2 = 0,034 мм
Допуск натяга: TN = Nmax – Nmin = 0,048 – 0,020 = 0,028 мм
TN = TD + Td = 0,019 + 0,009 = 0,028 мм
Таблица 2
| Параметры сопряжения |
Для вала |
Для отверстия |
| Номинальный размер, мм |
70 |
70 |
| Квалитет |
6 |
5 |
| Условное обозначение основного отклонения |
n |
L |
| Условное обозначение поля допуска |
n6 |
L5 |
| Верхнее отклонение, мм |
еs = +0,039 |
ES = 0 |
| Нижнее отклонение, мм |
ei = +0,020 |
EI = -0,009 |
| Наибольший предельный размер, мм |
dmax = 70,039 |
Dmax = 70 |
| Наименьший предельный размер, мм |
dmin = 70,020 |
Dmin = 69,991 |
| Допуск размера, мм |
Td = 0,019 |
TD = 0,009 |

Таблица 3
| Параметры сопряжения |
Для вала |
Для отверстия |
| Номинальный размер, мм |
125 |
125 |
| Квалитет |
5 |
7 |
| Условное обозначение основного отклонения |
l |
Js |
| Условное обозначение поля допуска |
l5 |
Js7 |
| Верхнее отклонение, мм |
еs = 0 |
ES = +0,020 |
| Нижнее отклонение, мм |
ei = -0,011 |
EI = -0,020 |
| Наибольший предельный размер, мм |
dmax = 125,0 |
Dmax = 125,020 |
| Наименьший предельный размер, мм |
dmin = 124,989 |
Dmin = 124,980 |
| Допуск размера, мм |
Td = 0,011 |
TD = 0,040 |

Характеристики переходной посадки.
Наибольший зазор: Smax = Dmax – dmin = 125,020 – 124,989 = 0,031 мм
Наибольший натяг: Nmax = dmax – Dmin = 125,0 – 124,980 = 0,020 мм
Средний зазор: Sm = (Smax + Smin )/2 = (0,031 – 0,020)/2 = 0,011 мм
Средний натяг: Nm = (Nmax + Nmin )/2 = (0,020 - 0,031)/2 = -0,011 мм
Допуск зазора: TS = Smax + Nmax = 0,031 + 0,020 = 0,051 мм
Допуск натяга: TN = Smax + Nmax = 0,031 + 0,020 = 0,051 мм
Задача 4
1. Подобрать размеры шпонки для соединения шкива с валом.
2. Назначить посадку шкива на вал и посадки шпонки с пазом вала и пазом втулки в соответствии с вариантом задания.
3. Выполнить анализ полученных посадок шпонки с пазом вала и пазом втулки.
4. Построить схемы расположения полей допусков этих соединений.
5. Обозначить на эскизах посадки соединяемых деталей и поля допусков деталей соединения.
Вид шпоночного соединения: нормальное, d = 55 мм, l = 56 мм.
Решение.
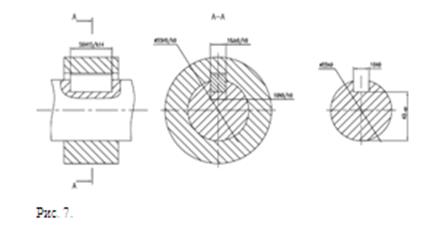
По ГОСТ 23360-78 для вала Ø55 находим сечение шпонки bxh = 16х10 мм и ширину ступицы шкива lc = 75 мм > l.
Допуски на глубину пазов вала и втулки:
t1 = 6+0,2 или d - t1 = 55 – 6 = 49-0,2 ;
t2 = 4,3+0,2 или d + t2 = 55 + 4,3 = 59,3+0,2 .
Предельные отклонения размеров по ширине паза вала и паза втулки должны соответствовать полям допусков ГОСТ 25347-82:
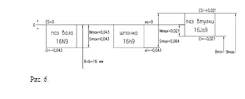
При нормальном соединении: на валу N9, во втулке Js9.
Предельные отклонения на ширину шпонки устанавливают по h9.
Сопряжение шпонки с пазом вала будет осуществляться по посадке 16N9/h9, а с пазом втулки - 16Js9/h9 (переходные посадки).
Отклонения на несопрягаемые размеры, которые рекомендует ГОСТ 23360.
На высоту шпонки 10h11 = 10-0,090
На длину шпонки 56h14 = 56-0,74
На длину паза вала 56H15 = 56-1,2
В соответствии с рекомендациями [2] принимаем посадку шкива на вал 55Н9/h9.
По ГОСТ 25347-82 находим отклонения, соответствующие принятым полям допусков.
Для ширины шпонки b = 16h9; es = 0, ei = -43 мкм.
Для ширины паза вала: В = 16N9: ES = 0, EI = -43 мкм.
Для ширины паза втулки: Ввт = 16Js9: ES = +21 мкм, EI = -21 мкм.
Проведем анализ посадок табл. 4,5; приведем схему расположения полей допусков рис. 6 и эскиз шпоночного соединения рис. 7.
Таблица 4
| Параметры сопряжения |
Для вала |
Для отверстия |
| Номинальный размер, мм |
16 |
16 |
| Квалитет |
9 |
9 |
| Условное обозначение основного отклонения |
h |
N |
| Условное обозначение поля допуска |
h9 |
N9 |
| Верхнее отклонение, мм |
еs = 0 |
ES = 0 |
| Нижнее отклонение, мм |
ei = -0,043 |
EI = -0,043 |
| Наибольший предельный размер, мм |
16,0 |
16,0 |
| Наименьший предельный размер, мм |
15,957 |
15,957 |
| Допуск размера, мм |
Td = 0,043 |
TD = 0,043 |
Характеристики переходной посадки.
Наибольший зазор: Smax = Dmax – dmin = 16,0 – 15,957 = 0,043 мм
Наибольший натяг: Nmax = dmax – Dmin = 16,0 – 15,957 = 0,043 мм
Средний зазор: Sm = (Smax + Smin )/2 = (0,043 – 0,043)/2 = 0
Средний натяг: Nm = (Nmax + Nmin )/2 = (0,043 – 0,043)/2 = 0
Допуск зазора: TS = Smax + Nmax = 0,043 + 0,043 = 0,086 мм
Допуск натяга: TN = Smax + Nmax = 0,043 + 0,043 = 0,086 мм
Характеристики переходной посадки.
Наибольший зазор: Smax = Dmax – dmin = 16,021 – 15,957 = 0,064 мм
Наибольший натяг: Nmax = dmax – Dmin = 16,0 – 15,979 = 0,021 мм
Средний зазор: Sm = (Smax + Smin )/2 = (0,064 – 0,021)/2 = 0,0215 мм
Средний натяг: Nm = (Nmax + Nmin )/2 = (0,021 – 0,064)/2 = -0,0215 мм
Допуск зазора: TS = Smax + Nmax = 0,064 + 0,021 = 0,085 мм
Допуск натяга: TN = Smax + Nmax = 0,064 + 0,021 = 0,085 мм
Таблица 5
| Параметры сопряжения |
Для вала |
Для отверстия |
| Номинальный размер, мм |
16 |
16 |
| Квалитет |
9 |
9 |
| Условное обозначение основного отклонения |
h |
Js |
| Условное обозначение поля допуска |
h9 |
Js9 |
| Верхнее отклонение, мм |
еs = 0 |
ES = +0,021 |
| Нижнее отклонение, мм |
ei = -0,043 |
EI = -0,021 |
| Наибольший предельный размер, мм |
16,0 |
16,021 |
| Наименьший предельный размер, мм |
15,957 |
15,979 |
| Допуск размера, мм |
Td = 0,043 |
TD = 0,042 |


Задача 5
Используя заданные по варианту размеры назначить недостающие осевые и диаметральные размеры ступеней вала, исходя из особенностей конструкции.
Решение.
Назначаем недостающие размеры (табл. 6.).
Таблица 6
| Диаметр ступени, мм |
Заданные размеры сопрягаемых деталей, мм |
Конструктивно назначенные размеры ступеней вала, мм |
| 1 |
2 |
3 |
| Ø70 |
Ширина подшипника В=24 |
Ширина ступени: 24 |
| Ø95 |
Ширина зубчатого колеса L=150 |
Ширина ступени: 170 |
| - |
Буртик-упор для зубчатого колеса |
Назначаем: Ø115; ширина: 26 |
| - |
Ступень для съемника перед правым подшипником |
Назначаем: Ø95; ширина: 30 |
| Ø70 |
Ширина подшипника В=24 |
Ширина ступени: 24 |
| - |
Ступень под крышку с сальниковым уплотнением |
Назначаем: Ø63; ширина: 50 |
| Ø55 |
Ширина шкива b=75 |
Ступень под шкив на 5 мм короче: 70 |
| Общая длина вала: 394 мм |

Задача 6
При обработке вала с размерами, установленными в задаче 5, необходимо обеспечить отклонения размера между опорами под подшипник по двенадцатому квалитету (h12). Для этого необходимо:
1. Составить схему размерной цепи.
2. Решить прямую задачу (задачу синтеза) размерной цепи с помощью метода полной взаимозаменяемости.
Решение.
Необходимо при обработке вала выдержать размер АΔ = 226h12 = 226-0,46 (рис. 9).

Составим схему размерной цепи (рис. 10).

Производим проверку замкнутости размерной цепи, мм:
,
где Aj – номинальные размеры составляющих звеньев;
m-1 – общее число составляющих звеньев без замыкающего;
εj – передаточные отношения составляющих звеньев.
АΔ = +1·394 - 1·144 - 1·24 = 226 мм
Найдем значения единиц допуска для составляющих звеньев.
![]()
![]()
А1
= 394 мм; ![]()
А2
= 144 мм; ![]()
А3
= 24 мм; ![]()
Коэффициент точности:

По данным ГОСТ 25346-89 ближайшее меньшее значение коэффициента точности к полученному будет для 10 квалитета. Оно равно 64 (IT10=64i).
Назначаем по ГОСТ 25346-89 допуски составляющих звеньев по 10 квалитету:
ТА1 = 0,230; ТА2 = 0,140 мм.
Звено А3 выбираем увязывающим.
Сумма допусков составляющих звеньев без увязывающего:
Допуск увязывающего звена:

Отклонения составляющих звеньев назначаем в тело детали:
А1 (394h10): Es = 0; Ei = -230; Ec = -115 мкм;
А2 (144Н10): Es = +140; Ei = 0; Ec = +70 мкм;
АΔ (226h12): Es = 0; Ei = -460; Ec = -230 мкм.
Рассчитаем положение середины поля допуска увязывающего звена:
![]()
Предельные отклонения увязывающего звена:
EsАувяз = EсАувяз + ТАувяз /2 = +45 + (90/2) = +90 мкм
EiАувяз = EсАувяз - ТАувяз /2 = +45 - (90/2) = 0 мкм
Результаты расчетов сведем в табл. 7.
Таблица 7
| Номиналь-ный размер звена Aj, мм |
Допуск размера ТАj, мкм |
Верхнее отклонение EsAj, мкм |
Нижнее отклонение EiAj, мкм |
Середина поля допуска ЕсАj, мкм |
Передаточ-ное отношение звена εj |
Произведе-ние ε·ЕсАj, мкм |
| 226h12 |
460 |
0 |
-460 |
-230 |
||
| A1=394h10 A2=144H10 |
230 140 |
0 +140 |
-230 0 |
-115 +70 |
+1 -1 |
-115 -70 |
| A3увяз=24 |
90 |
+90 |
0 |
+45 |
-1 |
-45 |
Проверка правильности выполненных расчетов.
![]()
![]()
![]()
![]()
Задача 7
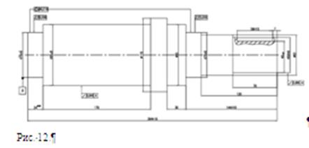
Используя данные задач 2, 3, 4, 5, 6 указать на эскизе полученные поля допусков осевых и диаметральных размеров вала.
Решение.
Проставим размеры на рабочем чертеже вала, используя комбинированный метод (рис. 11).
Для обработки левой части (после обработки правой) вал поворачивают на 180°, т.е. происходит смена технологических баз для формирования размеров как вдоль оси, так и диаметральных.
Обеспечение при обработки точности размеров 24+0,09 , 144Н10, 394h10 обеспечит точность размера 226h12, определяющего качество сборки.
Для всех свободных размеров отклонения принимаем по 14 квалитету (по «среднему» классу точности). На чертеже об этом сделаем запись в технических требованиях.

Задача 8
1. Выбрать средство измерения для контроля размера вала под посадку с натягом.
2. Охарактеризовать выбранное измерительное средство: наименование, ГОСТ, цена деления шкалы, диапазон измерений, погрешность измерения, температурный режим, вариант использования.
Решение.
Размер вала под посадку с натягом: 95u8. По ГОСТ 8.051-81 определяем:
Допускаемая погрешность измерения: 12 мкм.
Допуск размера: 54 мкм.
Так как вал имеет значительную массу, то будем использовать не станковые, а накладные средства измерения.
Рекомендуемые средства измерения:
1. Микрометр гладкий МК с величиной отсчета 0,01 мм, с закреплением на стойке, предельная погрешность измерения: 5 мкм.
2. Скобы индикаторные с ценой деления 0,01 мм, с закреплением на стойке, предельная погрешность измерения: 15 мкм.
Для контроля размера выберем микрометр. Микрометр гладкий МК ГОСТ 6507-78; цена деления 0,01 мм; диапазон измерений 75-100; погрешность измерения 5 мкм; температурный режим - 2°С; закреплен на стойке (изолирован от рук оператора).
Задача 9
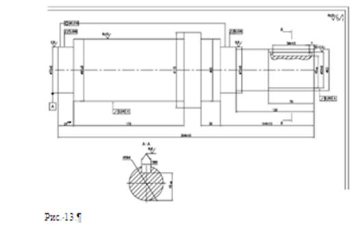
Назначить допуски соосности и цилиндричности для поверхностей вала под подшипники, и радиального биения – для поверхностей вала под зубчатое колесо и под шкив, используя нормальный уровень относительной геометрической точности.
Решение.
Назначим отклонения формы и расположения для поверхностей вала диаметром Ø95u8, Ø70n6, Ø55h9.
Задан нормальный уровень относительной геометрической точности А. По ГОСТ 24643-81 определяем соответствующую степень точности формы. Для Ø95u8 – 7 степень точности, для Ø70n6 – 5 степень точности, для Ø55h9 – 8 степень точности.
Допуск цилиндричности по ГОСТ 24643-81 для Ø70n6 и 5 степени точности – 6 мкм.
Допуск радиального биения по ГОСТ 24643-81 для Ø95u8 и 7 степени точности – 40 мкм, для Ø55h9 и 8 степени точности – 60 мкм.
Допуск соосности поверхностей под подшипники в диаметральном выражении по ГОСТ 24643-81. Для вала Ø70n6 (5 степень точности) он составит 16 мкм. В радиусном выражении – 16/2=8 мкм.
В качестве базы для оценки радиального биения примем ось вала.
Обозначение отклонений формы и расположения поверхностей покажем на рисунке 12.

Задача 10
Назначить требования к шероховатости поверхностей вала, исходя из нормального уровня относительной геометрической точности А.
Решение.
Для нормального уровня точности А принимаем Rz≤0,2T в пределах от 320 до 10 мкм и от 0,10 до 0,025 мкм. Rа≤0,05T в пределах от 2,5 до 0,002 мкм.
Величины допусков для рассматриваемых размеров принимаются по ГОСТ 25346-89. Расчетные значения Rа или Rz округляем до ближайшего меньшего стандартного значения.
Для Ø70n6: Т = 19 мкм, Rа ≤ 0,95 мкм, выбираем Rа = 0,8 мкм.
Для Ø95u8: Т = 54 мкм, Rz ≤ 10 мкм, выбираем Rz = 10 мкм.
Для Ø55h9: Т = 74 мкм, Rz ≤ 14 мкм, выбираем Rz = 12,5 мкм.
Для 16N9: Т = 43 мкм, Rz ≤ 8 мкм, выбираем Rz = 8 мкм.
Для прочих поверхностей назначаем Rz = 20.
Обозначение параметров шероховатости поверхностей вала приведем на рисунке 13.

Задача 11
1. Проанализировать точность резьбового соединения в соответствии с заданием по своему варианту.
Привести эскизы резьбового соединения с обозначением посадки и отдельно деталей соединения с обозначением полей допусков.
1. Пояснить содержание условных обозначений.
2. Определить номинальные размеры параметров резьбы, показав их на эскизе.
3. Установить предельные отклонения диаметров резьбы, их предельные размеры и допуски. Определить зазоры.
4. Построить в масштабе схему расположения полей допусков, указав предельные размеры диаметров резьбы.
Резьба М22-6Н/6d-30.
Решение.
Проанализируем точность резьбового соединения М22-6Н/6d-30. На рис. 14 приведем эскизы резьбового соединения, и эскизы полей допусков деталей соединения.

Условное обозначение указывает, что резьба метрическая (угол профиля 60°), с крупным шагом, диаметром 22 мм, длиной свинчивания 30 мм.
6Н/6d – обозначение посадки резьбового соединения;
6Н – поле допуска среднего и внутреннего диаметров резьбы гайки;
6d – поле допуска среднего и наружного диаметров резьбы болта;
6 – степень точности, определяющая допуски диаметров резьбы гайки и болта;
Н, d – основные отклонения соответственно диаметров резьбы гайки и болта.
ГОСТ 24705-81 и ГОСТ 8724-81 определяем номинальные размеры наружного D (d), внутреннего D1 (d1 ) и среднего D2 (d2 ) диаметров резьбы, шага резьбы Р, исходной высоты профиля Н, а также угла профиля α для резьбы с номинальным диаметром 22 и крупным шагом.
D = d = 22,000; D1 = d1 = 19,294; D2 = d2 = 20,376; Р = 2,5;
Н = 0,8667Р = 2,167; α = 60°.
На рис. 15 показаны основные параметры анализируемой резьбы.

![]()
По ГОСТ 16093-81 устанавливаем предельные отклонения диаметров резьбы, сопрягаемых на посадках с зазором, мкм:
Для гайки М22-6Н:
ESD = +Н/8; EID = 0;
ESD 2 = +224; EID 2 = 0;
ESD 1 = +450; EID 1 = 0.
Для болта М22-6d:
esd = -106; eid = -441;
esd2 = -106; eid2 = -276;
esd1 = -106; eid1 = -Н/8.
Предельные размеры и допуски средних диаметров резьбы болта и гайки, мм:
D2max = 20,376 + 0,224 = 20,6; d2max = 20,376 - 0,106 = 20,27;
D2min = 20,376 + 0= 20,376; d2min = 20,376 - 0,276 = 20,1;
TD2 = D2max - D2min = 0,224; Td2 = d2max - d2min = 0,17
Для других диаметров резьбы расчет предельных размеров аналогичен. Отклонения шага и половины угла профиля, влияющие на взаимозаменяемость, учитываются допуском на средний диаметр.
Зазоры в соединении по среднему диаметру, мм:
S2max = D2max - d2min = 20,6 - 20,1 = 0,5;
S2min = D2min - d2max = 20,376 - 20,27 = 0,106.
На рис. 16 покажем расположение полей допусков диаметров резьбы, предельные размеры и зазоры в масштабе 100:1.
В отличие от схем расположения полей допусков гладких соединений для схемы расположения полей допусков резьбового соединения условно принимается соосное расположение резьбы болта и гайки, поэтому на схеме откладываются половины значений отклонений.
Учитывая особенности работы резьбового соединения М22-6Н/6d-30 и его точность, контроль параметров резьбы рекомендуется осуществлять резьбовыми калибрами.

![]()
Список использованной литературы
1. Анурьев В.И. Справочник конструктора-машиностроителя: в 2 т. / В.И. Анурьев. – М.: Машиностроение, 2001. – Т. 2. – 912 с.
2. Допуски и посадки: справочник: в 2 ч. / под ред. В.Д. Мягкова. – Л.: Машиностроение, 1982. – Ч. 1. – 544 с.; Ч. 2. – 448 с.
3. Крылова Г.Д. Основы стандартизации, сертификации, метрологии/ Г.Д. Крылова. – М.: ЮНИТИ-ДАНА, 2000. – 711 с.
4. Якушев А.И. Взаимозаменяемость, стандартизация и технические измерения / А.И. Якушев. – М.: Машиностроение, 1986. – 352 с.
5. Зябрева Н.Н. Пособие к решению задач по курсу «Взаимозаменяемость, стандартизация и технические измерения» / Н.Н. Зябрева, Е.И. Перельман, М.Я. Шегал. – М.: Высшая школа, 1977. – 176 с.
6. Сергеев А.Г. Сертификация. / А.Г. Сергеев, М.В. Латышев. - М.: Логос, 2000. – 248 с.