| Похожие рефераты | Скачать .docx |
Курсовая работа: Анализ и расчет автоматических систем
Министерство образования и науки Украины
ОДЕССКАЯ НАЦИОНАЛЬНАЯ МОРСКАЯ АКАДЕМИЯ
Кафедра ТАУ и ВТ
Курсовая работа:
АНАЛИЗ И РАСЧЕТ АВТОМАТИЧЕСКИХ СИСТЕМ
Выполнил:
курсант 3131 группы
ФЭМ и РЭ
Проверил:
Поповский А.Ю.
Номер зачетной книжки:
Одесса - 2006
Задание к курсовой работе:

Рис.1
![]()
Критерий: Найквиста
Введение
Одним из важнейших элементов процесса расчета и настройки линейных систем автоматики является умение анализировать их свойства по известной структурной схеме. Знать свойства системы - это означает знать поведение системы в статическом режиме, в переходных процессах, а также в режиме вынужденных колебаний. Это необходимо для проверки того - удовлетворяет ли тестируемая система заданным технологическим требованиям, требуется ли корректирующее воздействие и какого вида и т.д.
Поэтому целью выполнения расчетов является:
нахождение по заданной структурной схеме и известным выражениям для передаточных функций динамических звеньев передаточной функции замкнутой САУ;
исследование устойчивости системы;
проведение частотного анализа системы;
расчет переходных процессов в системе.
Преобразование структурной схемы:
Последовательно упростим заданную структурную схему путем объединения звеньев и введения дополнительных звеньев, дублирующих действие основных.
Для определения передаточной функции САУ W(s) используем следующие правила нахождения передаточных функций соединений звеньев:
последовательное соединение -
,
параллельное соединение -
,
обратная связь -
.

Рис.2
1. Преобразуем структурную схему, перенеся узел между третьим сумматором и звеном W3 назад через динамическое звено с передаточной функцией W3. При этом добавится звено с передаточной функцией 1/W3. Поэтому структурная схема системы может быть представлена в виде, изображенном на Рис.3


W2
1/W3
W5 W1 W3
W4
Рис. 3
2. Далее преобразуем структурную схему: избавимся от второго сумматора при этом к сумматору 3 параллельно подключаются последовательно соединенные передаточные звенья значениями соответственно 1/W3; W1 и W4; W1. При этом структурная схема приобретает вид, изображенный на Рис.4

W2
W5 W1 W3
W1 1/W3
W1 W4
Рис.4
При этом значение передаточной функции разомкнутой системы будет представлено в виде:
Wраз=
1.1
3. Упростим полученную структурную схему путем преобразования передаточных функций, последовательно и параллельно соединенных передаточных звеньев. При этом структурная схема приобретет вид изображенный на Рис.5

W2
W5 W1 W3
W1(1/W3+W4)
Рис. 5
4. Далее в структурной схеме по правилам сложения передаточных звеньев, сложим параллельно соединенные звенья W2 и W1, а также последовательно соединенные передаточные звенья W3 и W1(1/W3+W4). Преобразованная схема имеет вид, изображенный на Рис.6
W5 W1+W2
Рис. 6
5. Объединим последовательно соединенные передаточные звенья, используя несложные алгебраические преобразования получим значение для передаточной функции звена. При этом схема будет иметь вид, изображенный на Рис.7

![]()
Рис.7
Окончательно для передаточной функции замкнутой системы с учетом обратной связи получим:
1.2
Произведем выполнение соответствующих упрощений полученного алгебраического выражения (приведение к общему знаменателю, перемножение многочленов и приведение подобных). анализ выполним с использованием возможностей блока аналитических (символьных) преобразований пакета компьютерной математики Mathcad.
Исследование устойчивости системы:
В соответствии с заданием, при исследовании устойчивости работы системы, найдем предельное значение коэффициента усиления k, которое обеспечивает вывод системы на границу колебательной устойчивости. Этот расчет выполним с использованием графоаналитических частотных критериев Найквиста. Ниже приводятся вычисления выполненные в рамках пакета MathCAD.
1. Вначале по передаточным функциям отдельных звеньев и формуле (1.1) для передаточной функции замкнутой системы получено в явном виде выражение (2.2), которое последовательно приведено к дробно-рациональной форме отношения двух полиномов. Наивысший порядок степени знаменателя (шестой) определяет порядок системы.
2. Проведём анализ асимптотического поведения переходной функции. Полученные в результате анализа значения позволяют сделать вывод, что переходной процесс вызван ступенчатым изменением сигнала возмущения (нагрузки), а рассматриваемая система обладает астатизмом.
3. Необходимое условие устойчивости приводит к ограничению значения коэффициента усиления
, которое и так является очевидным, поскольку коэффициент усиления по своему смыслу является положительным. Проверка достаточного условия устойчивости требует применения критериев устойчивости. Для нахождения критического значения коэффициента усиления применим критерий Найквиста.
При использовании критерия Найквиста вначале получено выражение для передаточной функции разомкнутой системы, выполнена замена переменных и в блоке решения определено при каком условии годограф Найквиста проходит через критическую точку (-1, j0). Это условие отвечает критическому значению коэффициента усиления. В заключении построены графики годографов Найквиста для различных значений коэффициентов усиления и видно, что для k=3.134 график проходит через критическую точку на вещественной оси (-1, j0). Соответствующий документ MathCAD приведен ниже.
Получение выражений для замкнутой САУ и анализ свойств системы:
![]()
![]()
![]()
![]()
![]()
![]()

![]()
![]()
![]()

![]()
![]()
![]()

![]()
![]()
![]()
![]()
![]()
![]()
![]()
![]()
![]()
![]()
![]()
![]()

Рис.7 Годограф Найквиста
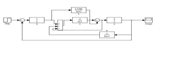
Дополнительно проверим полученный результат, проведя моделирование переходного процесса в пакете MATLAB- SIMULINK. Это позволит дополнительно проверить правильность преобразования структурной схемы. Набранная структурная схема системы и результат построения переходного процесса представлены на рис. Как видно из рисунка предельное значение варьируемого коэффициента усиления определено верно, поскольку выходной сигнал представляет собой незатухающие гармонические колебания.

Рис.8 Структурная схема системы

Рис.9 результат моделирования переходного процесса
Частотный анализ системы
В этом разделе рассмотрена методика построения и анализа частотных характеристик системы в рамках пакета компьютерной математики MathCAD.
Для построения частотных характеристик системы, характеризующих преобразование гармонического сигнала в ней, т.е. позволяющих исследовать систему в режиме вынужденных колебаний перейдем к комплексной частотной характеристики (КЧХ) системы:
.
АЧХ системы определяется модулем КЧХ а фазочастотная характеристика - ее аргументом. Комплексное представление о частотных характеристиках системы может дать поведение годографа КЧХ - амплитудно-фазовая характеристика системы. Оценку частотных критериев качества системы следует выполнить на основе графика ее АЧХ.
Расчет и анализ частотных характеристик системы произведем для трех значений параметра k:
![]()
1. Вначале определим выражения для АЧХ замкнутой системы и построим их графики. Из графиков видно, что по мере приближения значения коэффициента передачи к критическому значению резонансный пик становится все более ярко выраженным (более высоким и узким). Первый случай (тонкая линия) резонансный пик наблюдается на частоте ω1 =1,78 с-1, второй случай (пунктир) - на частоте ω2 =1,65 с-1, а в третьем случае- на частоте ω2 =1,46 с-1. в третьем случае колебания отсутствуют. Основная полоса пропускания системы ограничена сверху частотой 1,1 с-1. Скрипт документа частотного анализа системы приведен ниже.
2. Для получения информации о фазовом сдвиге в системе построим графики ее ФЧХ или, что более наглядно, графики годографа КЧХ на комплексной плоскости. Видно, что на малых частотах система обеспечивает положительный фазовый сдвиг, который в асимптотике больших частот стремится к значению (-1,5π).
Вычисления приведены в следующем фрагмента MathCAD документа.

![]()
![]()
![]()
![]()
![]()
![]()
![]()
![]()

Рис. 10. Графики АЧХ
![]()
![]()
![]()
![]()
![]()
![]()
![]()
![]()
![]()
![]()
![]()

Рис. 10а График КЧХ
![]()
![]()
![]()
![]()

Рис.11 График ФЧХ
Расчет переходных процессов в системе
В этом разделе рассмотрены методы расчета переходной функции САУ с последующим анализом качества системы по характеру переходной функции.
Для построения функции переходного процесса, т.е. анализа реакции системы на входное воздействие в виде ступенчатой функции Хевисайда могут быть использованы различные методы.
Если известна передаточная функция замкнутой системы, то переходную функцию h(t) можно рассчитать, решив систему дифференциальных уравнений. При этом форма уравнений определяется знаменателем передаточной функции, а начальные условия вычисляются с помощью соотношений, составленных из коэффициентов числителя её. Недостатком этого метода сложность вычисления начальных условий.
Если известна структурная схема системы и выражения для передаточных функций звеньев, то переходной процесс можно рассчитать, составляя дифференциальные уравнения, описывающие динамику каждого звена по отдельности.
Для расчета переходных процессов при известной передаточной функции замкнутой системы был использован метод обратного преобразования Фурье, предполагающий расчет на основе вещественной частотной характеристики
:
.
Несобственный интеграл сходится, поскольку асимптотически ВЧХ U(w) ®0 при w®
. Для ускорения расчетов обычно обрезают верхний предел интеграла по предельному значению частоты ωе, полученному из анализа формы АЧХ замкнутой системы. Однако этот, достаточно удобный, метод пригоден для расчета переходных процессов только в устойчивых линейных системах и отличается невысокой скоростью сходимости.
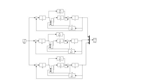
После составления структурной схемы модели перед запуском вычислительной процедуры подобрали параметры интегрирования системы уравнений (время процесса и шаг интегрирования).
После построения графика переходного процесса следует определили параметры, характеризующие качество переходного процесса: время регулирования (время вхождения регулируемой величины в 5% трубку значений, относительно установившегося значения), динамический заброс и колебательность. Из рис.13 видно, что:
время регулирования составляет - в первом случае -порядка 80,8с, во втором случае - порядка 10,7 с, а в третьем - около 4,2 с;
максимальный динамический заброс - в первом случае равен 1,6, во втором - 1,55, а в третьем - 1,52;
колебательность - в первом случае равна 93%, во втором-53%, а в третьем -25%

Рис.12 Структурная схема, составленная в пакете визуальногомо делирования
Simulink, для расчетов переходных процессов в исследуемой системе.

Рис.13. Результат моделирования переходных процессов для значений варьируемого коэффициента передачи k: 1 - 2.507; 2 - 1.567; 3 - 0.313
Вывод
В данной расчетно-графической работе нами была найдена по заданной структурной схеме и известным выражениям для передаточных функций динамических звеньев передаточная функция замкнутой САУ. В пакетах программ MATHCAD и MATHLAB мы провели исследование устойчивости системы (система оказалась устойчивой); провели частотный анализ системы (построили графики АЧХ, ФЧХ и КЧХ). Затем был произведен расчет переходных процессов в системе, после чего промоделировали переходной процесс для значений варьируемого коэффициента передачи k.
Похожие рефераты:
Линейные автоматические системы регулирования
Динамический синтез систем автоматического управления
Исследование частотных характеристик типовых динамических звеньев
Математическое моделирование и расчет систем управления техническими объектами
Автоматическая система регулирования с П-регулятором
Проектирование управляемого привода в электромеханических системах
Синтез и анализ аналоговых и цифровых регуляторов
Автоматизация процесса получения диоксида титана
Расчетные схемы механической части электропривода