| Похожие рефераты | Скачать .docx |
Курсовая работа: Розробка конструкції та техніко-економічне обґрунтування таймера-регулятора потужності
Міністерство освіти і науки України
Харківський радіотехнічний технікум
Циклова комісія „Радіотехнічних дисциплін”
ПОЯСНЮВАЛЬНА ЗАПИСКА
до дипломного проекту
ДП xxxxxx414 0 12 000 ПЗ
Виконав:
Керівник:
Студент групи xxxx
ХАРКІВ 2008р.
ЗАЛІКОВИЙ ЛИСТ
ХАРКІВСЬКИЙ РАДІОТЕХНІЧНИЙ ТЕХНІКУМ
Циклова комісія „РАДІОТЕХНІЧНИХ ДИСЦИПЛІН”
Спеціальність xxxxxx„Конструювання, виробництво і технічне обслуговування радіотехнічних пристроїв”
Курс – 4
Група – xxxxx
Семестр – 7
Курсовий проект
Студента Xxxxxxа xxxxxxx xxxxxxxx
на тему : “ Таймер-регулятор потужності ”
ДОПУЩЕНИЙ ДО ЗАХИСТУ
ОЦІНКА________________
Заступник директора з навчальної роботи
Голова циклової комісії
Керівник проекту xx.Xxxxxx
Консультант економічного розділу xxxx
Консультант з охорони праці xxxxxxx
Протокол № від „__”_____________2008 року
МІНІСТЕРСТВО ОСВІТИ І НАУКИ УКРАЇНИ
ХАРКІВСЬКИЙ РАДІОТЕХНІЧНИЙ ТЕХНІКУМ
Циклова комісія РАДІОТЕХНІЧНИХ ДИСЦИПЛІН „ЗАТВЕРДЖУЮ”
Спеціальність xxxxxxКонструювання, Зав. Відділення
виробництво і технічне обслуговування xxxxxxx
радіотехнічних пристроїв. «___»__________2008р.
ЗАВДАННЯ
На дипломний проект
Тема проекту: “ Розробка конструкції та техніко-економічне обґрунтування таймера-регулятора потужності ”
Основні технічні данні:Розробититаймер-регулятор потужності. Розрахувати стабілізатор постійної напруги з випрямлячем:
Вихідна напруга Uвих. = 12.5±0.5 В
Коефіцієнт стабілізації Кст = 200
Пульсації вихідної напруги U~mвих. = 0,006 В
Робоча температура Т = 25±10ºC
Живлення від мережі f= 50 Гц, напруга мережі Uвх. = 220В±10%
1. До складу пояснювальної записки повинні входити:
Вступ
1. Огляд аналогічних пристроїв
2. Вибір та обґрунтування проектованого пристрою
3. Розрахункова частина
4. Конструкторсько-технологічна частина
5. Розрахунок надійності
6. Охорона праці та навколишнього середовища
7. Технічне обслуговування та ремонт проектованого пристрою
8. Економічна частина
Висновки Перелік посилань
3. Графічна частина повинна включати:
- схему електричну принципову – ф. А1;
- креслення друкованої плати – ф. А1;
- складальне креслення друкованої плати – ф. А1;
- схему електричну структурну;
- алгоритм пошуку несправностей.
Дата видачі завдання : „21” квітня 2008р.
Дата здачі виконаної роботи: „18” червня 2008р.
Керівник курсового проекту
Протокол № 100 від „28” березня 2008 року
ЗМІСТ
Вступ
1. Огляд аналогічних пристроїв
2. Вибір та обґрунтування проектованого пристрою
3. Розрахункова частина
4. Конструкторсько-технологічна частина
5. Розрахунок надійності
6. Охорона праці та навколишнього середовища
7. Технічне обслуговування та ремонт проектованого пристрою
8. Економічна частина
Висновки
Перелік посилань
Додатки
Додаток А - перелік елементів до схеми електричної принципової
Додаток Б - специфікація до креслення складального
ВСТУП
У наш час наука і техніка не стоять на місці. З’являється одна технологія - не проходить і року, як з'являється інша. Ще більш ефективна , але вона складніша, а це означає, що і дорожча. Щоб конструкція та схема була простіше, наука йде далі.
І якщо поглянемо на ті ж телевізори, що з’явилися в минулому столітті, то можно побачити, що основна схема була побудована на лампах, а вага таких телевізорів була велика(десь 40-50 кг). Зараз ці ж телевізори легкі, а керувати ними (перемикати канали) можно не встаючи з крісла. Щоб користування телевізором було простіше, був розроблений пристрій регулювання.
Пристрої регулювання теж пройшли великий шлях в своєму розвитку. З початку це були механічні перемикачі. Далі з’явилися реле – це ті ж перемикачі, але спрацьовували вони вже без людини. Зараз вже є цілі схеми чи блок схем, у якому все працює автоматично, тільки треба задати певні параметри. Також є пристрої регулювання з таймером.
Один з них я вибрав в цьому проекті. Пристрій призначений для регулювання робочої температури електропечей, електроплит і інших подібних навантажень з великою тепловою інерцією. Але він може виконувати і інші функції – періодично з певною частотою і дірчатістю вмикати-вимикати світлову рекламу, світлові ліхтарики чи звукову сигналізацію.
Розробка регулятора потужності з таймером являється актуальною темою.
1 ОГЛЯД АНАЛОГІЧНИХ ПРИСТРОЇВ
Симісторний регулятор потужності.
Застосування симіторів у регуляторах потужності та в різноманітних автоматичних комутаторах утруднене із-за необхідності забезпечення порівняно великого струму управляючого електроду - 150 мА для симісторів серії КУ 208. Управління симістором постійним струмом вимагає великої потужності, а при імпульсному управлінні необхідний формувач, що забезпечує короткі імпульси в момент проходження мережевої напруги через «нуль» і загальний вивід, спільний з одним з мережевих провідників.
Простий регулятор, що не створює шуму.
Цей триністорний регулятор відноситься до пристроїв, в яких комутація триристорів відбувається в моменти переходу мережевої напруги через «нуль», а потужність регулюється зміною числа напівперіодів напруги, що підводиться до навантаження.
2 ВИБІР ТА ОБГРУНТУВАННЯ ПРОЕКТОВАНОГО ПРИСТРОЮ
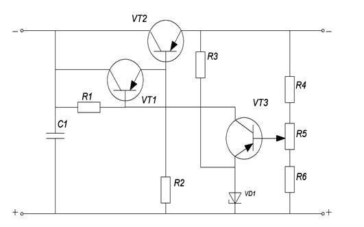
Згідно ТЗ та на основі огляду аналогічних пристроїв таких, як симісторні регулятори потужності та регулятор потужності, не виробляючий шумів, я вибрав Таймер-регулятор потужності. Вибір цього пристрою обумовлений тим, що він відрізняється схемним рішенням вузла синхронізації з мережею; наявністю допоміжного таймера, формуючого імпульси з регулюючим, але залишаючись суворо кратним періоду напруги в мережі, періодом повторення. Час відновлення таймера після закінчення імпульсу значно зменшено за рахунок введення до кола розрядки часозадавального конденсатора додаткового польового транзистора. Вихідним симістором керує спеціалізований оптосимістор, що включає його строго в моменти близькості до нуля миттєвого значення мережевої напруги.
Схема таймера-регулятора зображена на рисунку 1.1. Вузол синхронізації таймера з мережею виконаний на здвоєному транзисторному оптроні SU1 і транзисторі VT3. Струм випромінюючих діодів оптрона обмежений резистором R5, від номіналу якого залежить мінімальна напруга в мережі, при якій вузол синхронізації ще працює. При вказаному на схемі номіналі - це 140 В.
Завдяки зустрічно-паралельному з'єднанню випромінюючих діодів: один з фоторезисторів оптрона SU1 відкритий в позитивних напівперіодах мережевої напруги, інший - в негативних. В результаті на “стиках” напівперіодів, коли відсутній струм через обидва випромінюючі діоди і закриті обидва фототранзистори, на колекторі транзистора VT3 утворюють імпульси тривалістю близько 0,1 мс. При необхідності їх тривалість можна змінити, підбираючи резистор R9.
Сформовані описаним чином синхроімпульси поступають на вивід 5 таймера DA1 і запускають зібраний на ньому одновібратор. Чутливість таймера до запускаючих імпульсів залежить від напруги на його виводі 2, заданого резистивним дільником R1R2. Конденсатор С1 подавляє імпульсніперешкоди і наводки.
Зарядка часозадавального конденсатора (залежно від положення перемикача SA1- це С2 або С3) йде по лінійному закону завдяки стабілізатору струму, зібраного на транзисторі VT1. Напругу на базі цього транзистора задано резисторами R3 і R4. Значення струму стабілізації залежить від сумарного опору постійного резистора R6і змінногоR7в колі емітера транзистора. По закінченню сформованого одновібратором імпульсу черговий синхроімпульс запускає одновібратор повторно. Тому період повторення його імпульсів завжди рівний цілому числу напівперіодів мережевої напруги.
Для достатньо швидкої розрядки часозадавального конденсатора великої ємності (С3) можливостей внутрішнього транзистора таймера DD1 не вистачає. Більш того, при ємності конденсатора більш 22мкФ цей транзистор може вийти з ладу. З цих причин в одновібратор доданий р-канальний польовий транзистор VT2 з опором відкритого каналу не більше 0,175 Ом при струмі 11 А. Це дозволило з кроком в 10мс регулювати період повторення імпульсів одновібратора від мінімального (10мс) до декількох десятих секунди.
Логічні елементи DD2.1 і DD2.2 формують з імпульсів одновібратора і мережевих синхроімпульсів короткі одиночні імпульси з регульованим періодом повторення, які поступають на вхід лічильника DD3. Спільно з RS-тригером на елементах DD2.3 і DD2.4 лічильник служить генератором імпульсів з періодом повторення вдесятеро більшим від періоду повторення імпульсів одновібратора.
Високий рівень, встановлений в одному з кожних десяти тактів роботи лічильника на його вив. 3, переводить RS-тригер в стан з високим рівнем на виході елементу DD2.4. Через декілька тактів, число яких залежить від положення перемикача SA2, високим рівнем на виході (вив.6) елементу DD2.4 тригер буде знову в стані з низьким рівнем на виході.
Імпульси, сформовані тригером, подані на базу транзистора VT7, що служить підсилювачем їх потужності. У коло колектора цього транзистора включено послідовно випромінюючий діод симісторного оптрона SU2, сигнальний світлодіод HL1 (він дозволяє візуально контролювати роботу приладу при відключеному або недоступному для спостереження навантаженню) і резистор R19, що обмежує струм.
Оптрон МОС3083 відрізняється від звичайних тим, що містить внутрішній вузол, що забезпечує відкриття його фотосимістора в моменти переходу прикладеної до нього змінної напруги через нуль, так що в ці ж моменти відкривається і потужний симістор VS1, включений в коло навантаження. Цим забезпечений низький рівень імпульсних перешкод, що створюються таймером-регулятором в мережі живляння. Диференцируюче коло C9R22 захищає симістор від відкриття кидками мережевої напруги.
Перемикач SA2 дозволяє змінити коефіцієнт заповнення (відношення тривалості до періоду повторення) імпульсів струму, що проходить через випромінюючий діод оптрона SU2 десятьма ступенями по 10 %. Такими ж ступенями змінюється і потужність, що виділяється на навантаженні. У нижньому (по схемі) положенні перемикача на виході елементу DD2.4 встановлений високий постійний рівень, що відповідає безперервно включеному навантаженню.
Змінюючи тривалість циклу регулювання потужності змінним резистором R7, можна встановити її оптимальною для конкретного навантаження. Якщо навантаженням служать лампи розжарювання, вдається спостерігати цікаві світлові ефекти.
3 РОЗРАХУНКОВА ЧАСТИНА
3.1 Розрахунок стабілізатора напруги на трьох транзисторах
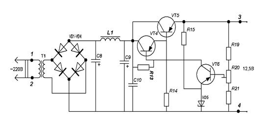
Згідно до завдання на ДП необхідно розрахувати стабілізатор постійної напруги (рисунок 3.1)

Рисунок 3.1 - Схема електрична принципова стабілізатора на трьох транзисторах
Данідля розрахунку
1Напруга на виході стабілізатора
Uвих. = 12.5 ±0,5 В
2 Нестабільність напруги на виході стабілізатора
Рст. вих. = 0,0005
3 Напруга на виході мережі
Uвх. = 220 ±10% В з частотою f= 50 Гц
4 Нестабільність напруги мережі
Рст. вх = 0,1
5 Необхідний коефіцієнт стабілізації
Кст = Рст. вх. / Рст. вих. (3.1.1)
Кст = 0.1/0.0005 = 200
6Пульсації на виході
U~mвих. = 0,006 В
Кп вих. = (U~mвих. / Uвих.)•100% (3.1.2)
Кп вих. = (0.006/12.5)•100% = 0.048 %
7 Робоча температура
Тmax= 35ºC
Tmin= 15ºC
∆T= 20ºC
1 Розрахунок регулюючого транзистора
1.1 Максимальний струм регулюючого транзистора
Ік max= Ін max= 1А
Беремо транзистор КТ814В з параметрами:
Uке= 65 В
Uкеmin= 3 В
Ін max= 12А
Ік обр. = 0.015 А
Рк доп. = 1.5 Вт
h21е min= 40 при Ік = 1А
Rtк = 1ºС / Вт
Тк max= 80ºC
1.2 Амплітуда пульсацій на вході стабілізатора
U~mвх. = (0.05÷0.1)•( Uвих. max+ Uкэ min) (3.1.3) U~mвх. = 0.07•(13 + 3) = 1.12 В
1.3 Мінімальна напруга на вході стабілітрона
Uomin= Uвих. max+ Uкэ min+ U~mвх. (3.1.4)
Uomin= 13 + 3 + 1.12 = 17.2 В
1.4 Номінальна напруга на вході стабілізатора
Uон = Uomin/ (1 - Рст. вх) (3.1.5) Uон = 17.2 / (1 - 0.1) = 19 В
1.5 Коефіцієнт згладжування
q= Кп вх. / Кп вих (3.1.6)
q= 5.9 / 0.048 = 123 < Кст = 200,
де Кп вх.= (U~mвх. / Uон)•100% (3.1.7)
Кп вх. = (1.12 / 19) • 100% = 5.9%
1.6 Максимальна напруга на вході стабілізатора
Uо max= Uон • (1 + Рст. Вх) (3.1.8)
Uо max= 19 • (1 + 0.1) = 20.9 В
1.7 Величина внутрішнього динамічного опору випрямляча
Riв = (0.05÷0.15)• Uон / Ік max(3.1.9)
Riв = 0.1 • 19 / 1 = 1.9 Ом
1.8 Максимальна напруга на вході стабілізатора (при максимальному струмі навантаження)
Uо maxmax= Uо max+ Riв •( Ін max– Iн min) (3.1.10)
Uо maxmax= 20.9 + 1.9 •(1 – 0.5) = 21.85 В
1.9 Максимальна напруга між колектором та емітером
Uке max= Uо maxmax- Uвих. min(3.1.11)
Uке max= 21.85 – 12 = 9.85 В
1.10 Максимальна потужність розсіювання на транзисторі
Рк max= Uке max• Ік max(3.1.12)
Рк max= 9.85•1 = 9.85 Вт > Рк доп. = 1.5 Вт
1.11 Площа тепловідводу транзистора
Sт = Рк max/ Kт •( Тк max- Тmax- Рк max• Rtк) (3.1.13)
Sт = 9.85 / 0.0016•(80 - 35 - 9.85•1) = 9.85 / 0.0016•35.15 = 9.85 / 0.05624 = 175 мм² = 1.75 см²
1.12 Максимальний струм емітера регулюючого транзистора
Іе max= Ік max+ Ік max/ h21е min (3.1.14)
Іе max= 1 + 1 / 40 = 1.025 А
1.13 Максимальний струм бази регулюючого транзистора
Іб max= Іе max/ h21е min (3.1.15) Іб max= 1.025 / 40 = 0.0256 А
1.14 Шукаємо транзистор по величині струму
Ік2 = 1.1• Іб max (3.1.16)
Ік2 = 1.1 • 0.0256 = 0.2816 А
По струму Ік2 беремо транзистор П601БИ з параметрами
Uке max= 30 В
Ік max= 0.5 А
Рк доп. = 0.5 Вт
h21е min” = 80 при Ік = 0.5А
Іб2 = Іе max/ h21е min•h21е min” = 1.025 / 40•80 = 0.00032 А < 0.0005 А
1.15 Величина опору автозміщення Rб транзистора П601БИ
ІRб = (1 ÷ 1.5)•Ік обр. (3.1.17)
ІRб = 1.2•0.015 = 0.018 А
Rб = Uвих. min/ ІRб (3.1.18)
Rб = 12 / 0.018 = 670 Ом
Потужність на опорі
РRб = (ІRб)²•Rб (3.1.19)
РRб = (0.018)²•680 = 0,254 Вт
Беремо опір типу С2-23- 0.5 – 680 Ом
1.16 Потужність на транзисторі П601БИ
Рк2 = Рк max•Ік2 (3.1.20)
Рк2 = 9.85•0.028 = 0.278 Вт < Рк доп. = 0.5 Вт
2 Розрахунок пристрою порівняння та ППС
2.1 Величина еталонної напруги
Uоп. < Uвих. min– (2 ÷ 3)В (3.1.21)
Uоп. < 12 – 2 = 10 В
Іоп. cт. min> 5•Ібн (3.1.22)
Іоп. cт. min> 5•0,0004 = 0,002 А
Беремо стабілітрон типу Д810 з параметрами
Uст н = 10 В
Uст min= 9 В
Uст max= 10.5 В
Іст min= 0.002 А
Іст max= 0.026 А
αст 0.058 при Т = -20 ÷ +20ºС
Rдин = 12 Ом при Іст = 0,005 А
2.2 Величина струмута напруги колектора транзистора
Іку ≥ 8•Ібн (3.1.23)
Іку ≥ 8•0.0004 = 0.0032 A
Uк = Uвих. max- Uст min (3.1.24)
Uк = 13 – 9 = 4 В
Беремо транзистор КТ342Б з параметрами:
Uке дод. = 20 В
Ік max= 0.02 A
Pк дод. = 0.15 Вт
h21е min= 50
2.3 Струм бази транзистора ППС
Uк = Uвих. max- Uст min (3.1.25)
Uк = 13 – 9 = 4 В
2.4 Вхідний опір транзистора ППС
Rвх. ппс = 1 / (25÷35)•Іку (3.1.26)
Rвх. ппс = 1 / 25•0,0032 = 12,5 Ом
2.5 Величина опору Rг2
Rг2 = Uвих. min- Uст max/ Іст min+ Іку (3.1.27)
Rг2 = 12 – 10.5 / 0.002 + 0.0032 = 290 Ом
Потужність розсіювання на ньому
Рг2 = (Іст min+ Іку)²•Rг2 (3.1.28) Рг2 = 0.00002704•290 = 0.00784 Вт
Беремо резистор С2-23-0.125-320
2.6 Максимальний струм скрізь стабілітрон
Іст max=((Uвих.max– Uст min) / Rг2) + Іку (3.1.29)
Іст max= ((13 -9) / 320) + 0.0032 = 0.0157А = 15.7 мА < Іст max= 26 мА
2.7 Величина струму у опірному дільнику
Іділ >> Іб ппс = 30•0.000064 = 0.002А (3.1.30)
2.8 Опір резистивного дільника
Rділ = Uвих. min/ Іділ (3.1.31)
Rділ = 12 / 0.002 = 6.25 кОм
2.9 Коефіцієнт зворотного зв’язку дільника
Кз.в. min= Uст min/ Uвих. max (3.1.32)
Кз.в. min= 9 / 13 = 0.69
Кз.в. = Uст н / Uвих. (3.1.33)
Кз.в. = 10 / 12.5 = 0.8
Кз.в. max= Uст max/ Uвих. min (3.1.34)
Кз.в. max= 10.5 / 12 = 0.875
2.10 Величина опорів R1 та R3 дільника
R1 ≤ (1 - Кз.в. max)•Rділ (3.1.35)
R1 ≤ 0.125•6000 = 750 Ом
РR1 = (Іділ)²•R1 (3.1.36)
РR1 = 0.000004•750 = 0.003 Вт
Беремо резистор С2-23-0.125-750
R3 ≤ Кз.в. min•Rділ (3.1.37)
R3 ≤ 0.69•6000 = 4100
РR3 = (Іділ)²•R3 (3.1.38)
РR3 = 0.000004•4000 = 0.016 Вт
Беремо резистор С2-23-0.125-4.3к±10%
2.11 Опір змінного резистора R2
R2 ≥ Rділ - R1 - R3 (3.1.39)
R2 ≥ 6000 – 750 – 4300 = 950 Ом
Беремо резистор СП2-2а-1.3к
2.12 Максимальний ККД
ή = Uвих. max•Ін max/ Uо max•Ік max (3.1.40)
ή = 13•1 / 20.9•1 = 0.622
2.13 Основний коефіцієнт стабілізації
Кст. осн = (Кз.в. / Rвх. ппс)•(Rк.с / А)•( Uвих. / Uон) , де (3.1.41)
а) 1/ Rк.с = (Rк1+Rк2) / Rк1•Rк2 = (240000 + 30000) / 72•100000000
Rк1 = R1к•h21е min” = 3000•80 = 240000 Ом
Rк2 = 30000 Ом (для транзистора П601БИ)
Rк.с = 720000 / 27 = 26.7 •1000 Ом
б) А = 1 + (Rділ •(1 - Кз.в.)•Кз.в. / h21е min) / Rвх. ппс = 1 + (6000•0.2•0.8/50)/ 12.5 = 1 + 1.536 = 2.536
Кст. осн = 0.8•26700•12.5 / 12.5•2.536•19 = 267000 / 602.3 = 443.3
2.14 Коефіцієнт стабілізації
Кст. = Кст. осн = 443.3 > 200 (3.1.42)
2.15 Фактичний коефіцієнт пульсацій та амплітуда на виході стабілізатора
Кп. вих. = Кп. вх. / Кст. (3.1.43)
Кп. вих. = 5.9 / 443.3 = 0.0133 %
U~mвих. = Кп. вих.•Uоп. (3.1.44)
U~mвих. = 0.000133•10 = 0.00133 =1.33 мВ
3.2Розрахунок випрямляча з фільтром
Згідно до завдання на ДП необхідно розрахувати випрямляч з фільтром (рисунок 3.2)

Рисунок 3.2 - Схема електрична принципова випрямляча з фільтром
Дані для розрахунку
1 Напруга в навантаженні
Uо = 19 В
2 Струм навантаження
Iо = 0,5 А
3 Коефіцієнт пульсацій напруги в навантаженні
Кп= 5,9 % = 0,059
4 Напруга і частота живлячої мережі
Uмер. = 220 В з f= 50 Гц
Розрахунок
1.Потужність нагрузки:
Ро = Io• Uо (3.2.1)
Ро = 0,5 • 19 = 9,5 Вт
2.Падіння напруги на дроселі
Uдр = 0,15Uо (3.2.2)
Uдр = 2,85 В
3Постійна напруга на вході згладжуючого випрямляча
Uпост = Uо + Uдр (3.2.3)
Uпост = 19 + 2,85 = 21,85 В
4Обираємо однофазну мостову схему.
Визначаємо активний опір трансформатора
Rтр = Kr• Uпост • a/ Io• f• Bm (3.2.4)
де a =
= 2,53
Kr= 3,5 Bm= 1,4 Тл
S = 1
Rтр= 3,5 • 21,85 • 2,53 / 0,5 • 50 • 1,4 = 5,53 Ом
5 Обираємо тип вентилю
Іов= 0,5Iо (3.2.5)
Іов= 0,25 А
Iтв = 0,5F• Iо(3.2.6)
Iтв = 0,5 • 6 • 0,5 = 1,5 А
Uобр= 1,41В • Uпост (3.2.7)
Uобр= 1,41 • 21,85 = 30,8В
де В = 1
F= 6
Обираємо вентиль типу Д214 (4 шт.) з параметрами:
Uобр = 100 В
Іов макс = 2 А
Середня пряма напруга Uпр ≤ 1 В
6 Внутрішній опір вентилю
Ri= Uпр / 3 Іов (3.2.8)
Ri= 1 / 3 • 0,75 = 1,33 Ом
7 Повний активний опір фази вентилю
Rв = Rтр + 2Ri (3.2.9)
Rв = 5,53 + 2,66 = 8,2 Ом
8Індуктивність дроселя трансформатора
Ls= KL• S• Uпост / Io• f• Bm• a (3.2.10)
Ls= 0,005•1•21,85 / 0,5•50•1,4•2,53 = 0,0012 Гн
де KL= 0,005
9Величина розрахункового параметра
А = П • Io• Rв / m• Uпост (3.2.11)
А = 3,14•0,5•8,2 / 2•21,85 = 0,29
10Кут зсуву фаз за рахунокLs
£ = arctg(2П•f• Ls/ Rв) (3.2.12)
£ = arctg0,0459 = 3°
В = 1,09
D= 2,17
F= 6
H= 600
11Визначимо величини необхідні для розрахунку трансформатора
U2 = B•Uпост (3.2.13)
U2 = 1,09•21,85 = 23,82В
I2 = 0,707• D•Io (3.2.14)
I2 = 0,707 • 2,17• 0,5 = 0,77 А
I1 = Kтр• I2 (3.2.15)
I1 = 0,07А
де Kтр= U2 / U1 = 0,108
Ртип = 0,707 • В • D• Io• Uпост (3.2.16)
Ртип = 0,707•1,09•2,17•0,5•21,85 = 18,27 В•А
12Уточнюємо величину Rтр та Rв
При Ртип до 40 В•А і f = 50 Гц для сталі Е340 значення Bm = 1,55 Тл
Rтр = 3,12 Ом
Ls= 0,0015 Гн
Rв = 3,12 + 2,66 = 5,78 Ом
13Уточнюємо параметри вентилю та трансформатора
А = 0,21
£ = arctg(2П•f• Ls/ Rв) (3.2.17)
£ = arctg0,081 = 5°
В = 1
D= 2,21
F= 6,4
H= 440
Iов = 0,5 А
Uобр = 1,41•1•21,85 = 30,8 В < Uобр доп = 100 В
U2 = 1•21,85 = 21,85 В
I2 = 0,707•2,21•0,5 = 0,78А
Ктр = 21,85/220 = 0,099
I1 = 0,099•0,707•2,21•0,5 = 0,077А
Ртип = 0,707•0,78•2,21•21,85 = 26,63 В•А
14 Вибираємо П-образний LC фільтр
Коефіцієнт пульсацій на вході фільтру:
Кп.вх. = 100Н / Rв Со (3.2.18)
Задаємося ємкістю конденсатора на вході фільтру такої величини, щоб значення Кп.вх було менше 3 %
Со = 100 мкФ
Кп.вх. = 76%
15Коефіцієнт згладжування фільтру
q= Кп.вх. / Кп.вих. (3.2.19)
q= 0,76/ 0,1 = 7,6
16 Амплітуда змінної напруги на конденсаторіСо
U~ m = Кп.вх. • Uo (3.2.20)
U~ m = 0,076•21,85 = 1,7 В
Вибираємо конденсатор типу К50-27 з умови:
Uраб конд = 50 В > U2 m = 1,41U2 = 33,6 В
Um конд > U~ m
U~ m конд = 6%
Uраб конд = 0,06•50 = 3 В > U~ m = 1,7 В
Конденсатор С1 на виході фільтру вибераєм того ж типу що і С0
17Індуктивність дроселя фільтру
L= 10(q+ 1) / m² • C1 (3.2.21)
L= 10•8,6 / 4 • 100 = 0,215 Гн
Вибираємо уніфікований дросель типу Д4-0,6-0,12 параметри якого наступні:
L= 0,6 Гн
I0 = 0,12 А
U~др доп = 5 В
U~ m др доп = 1,41 U~др доп = 7 В > U~ m = 3,8 В
18Фактичний коефіцієнт згладжування
q= m² • C1 • L/ 10 (3.2.22)
q= 24
Фактичний коефіцієнт пульсації напруги в навантаженні
Кп.вих. = Кп.вх. / q (3.2.23)
Кп.вих. = 0,76 / 24 = 0,032
19 ККД випрямляча
n= Ро ном / Ро ном + Рв + Ртр + Рф (3.2.24)
де Ро ном = Ро = 9,5 Вт
Рв = Io • 2 • Uпр = 1 Вт
Ртр = Ртип (1- nтр ) = 26,63•0,1 = 2,663 Вт
Рф = Uдр •Io = 2,85•0,5 = 1,425 Вт
n= 9,5 / 9,5+1+2,663+1,425 = 0,65 або 65%
4 КОНСТРУКТОРСЬКО-ТЕХНОЛОГІЧНА ЧАСТИНА
4.1 Конструкторська частина
Згідно з технічним завданням було розроблено корпус для схеми „Регулятор потужності з таймером”. Друкована плата має три отвори для кріплення на корпус.
Корпус являє собою пластикова коробка (120х92,5х20), що складається з двох деталей. Товщина пластика складає 5мм у всіх стінках. Перша, основна, має на основі чотири піднесені циліндри зі спеціальними отворами для шурупів на місцях, які зазначені на рисунку друкованої плати. Вони піднесені на 7 мм від стінки основи. Завдяки їм плата тримається у корпусі нерухомою.
В корпусі є отвори для змінних опорів R7 та R20, перемикачів SA1 та SA2,а також індикатора HL1.
В якості вмикача живлення існують клеми з фіксацією, що кріпляться укомплектованою гайкою на праву стінку корпусу, що входить до першої деталі. Провідниками (ПХВ.М – 2.5) з`єднуються із самою платою.
Таким чином ми маємо зручний і досить компактний корпус для регулятора потужності з таймером.
4.2 Технологічна частина
4.2.1 способи виготовлення друкованої плати
Друкована плата є плоскою ізоляційною підставкою, на одному чи обох боках якої розташовані металеві провідники, відповідно до електричної схеми.
Друкована плата служить для монтажу на ній електрорадіоелементів за допомогою напівавтоматичних і автоматичних установок з подальшим одночасним паянням всіх ЕРЕ зануренням в розплавлений припій або на хвилі рідкого припою ПОС.
До друкованої плати пред'являється ряд вимог по точності розташування провідного малюнка, по величині опору ізоляції діелектрика, механічної міцності і тд. (ГОСТ 23752—79). Однією з основних вимог є забезпечення здатності до паяння, що досягається відповідним вибором гальванічного покриття і технологією металізації, тому у виробництві друкованої плати особливу увагу надається хіміко-гальванічним процесам.
Виготовлення друкованої плати (ГОСТ 2.417-91) здійснюється хімічним, електрохімічним або комбінованим способом. Останнім часом набули поширення нові способи виготовлення - аддетивні. Нижче дана коротка характеристика кожного із способів.
Вихідним матеріалом при хімічному способі служить фольгований діелектрик, на поверхню якого з одного або двох боків наклеєна мідна фольга завтовшки 35-50 мкм.
На поверхню мідної фольги спочатку наноситься захисний малюнок (рельєф) так, щоб він закрив провідники при витравленні міді. Захисний малюнок схеми виконується стійкими до дії травильних розчинів матеріалами. Потім слідує операція витравлення, в результаті якої повністю витравлюється мідь і створюється провідний малюнок.
У зарубіжній практиці даний спосіб називають субтрактивним. Отвори для установки виводів електрорадіоелементів свердляться або штампуються після витравлення міді і не металізуються. Паяння виводів електрорадіоелементів проводиться безпосередньо до контактних майданчиків друкованих провідників.
Електрохімічний спосіб в зарубіжній літературі і частково у вітчизняній практиці називають напіваддитивним від латинського слова «additio» (складання), оскільки провідний малюнок створюється в результаті електрохімічного осадження металу, а не витравляння. Префікс «напів» означає, що в технології виготовлення збережена операція витравлення тонкого шару металу, який утворюється по всій поверхні плати при хімічній металізації.
Вихідними матеріалами в цьому випадку служать нефольговані діелектрики. Захисний малюнок на відміну від попереднього методу наносять так, щоб відкритими залишалися ті ділянки поверхні, які підлягають металізації з метою утворення провідникових елементів схеми.
Електрохімічний спосіб передбачає отримання металізованих отворів одночасно з провідниками і контактними майданчиками.
Комбінований спосіб є поєднанням перших двох способів. Вихідним матеріалом служить фольгований з двох сторін діелектрик, тому провідний малюнок одержують витравленням міді, а металізація отворів здійснюється за допомогою хімічного міднення з подальшим електрохімічним нарощуванням шару міді. Паяння виводів електрорадіоелементів проводиться за допомогою заповнення припоєм монтажних отворів в платі.
Комбінований метод в даний час є основним у виробництві двосторонньої і багатошарової друкованної плати для апаратури найрізноманітнішого призначення.
Аддитивний метод полягає в створенні провідного малюнка за допомогою металізації достатньо товстим шаром хімічної міді (25—35 мкм),
що дозволяє виключити застосування гальванічних операцій і операцій витравлювання. Вихідним матеріалом при цьому служить нефольгований діелектрик. Виключення вищезгаданих операцій дозволяє істотно зменшити ширину провідників і зазори між ними, що у свою чергу забезпечує можливість збільшити густину монтажу на платі. Крім того, як показав досвід, вживання цього методу рядом фірм США сприяє зниженню вартості плати на 15-20 %, а також витрат хімікатів, скороченню виробничих площ і складу устаткування. До 10 % плат, що виробляється в Європі і США, виготовляються адитивним методом. Більш широкому його розповсюдженню перешкоджають патентні обмеження.
4.2.2 Хімічний спосіб виготовлення плат
Послідовність основних технологічних операцій позитивним і негативним методом відрізняється.
Негативний метод - для отримання захисного рельєфу методом фотодруку як фотошаблон використовується негативне зображення провідного малюнка плати, тобто пробільні місця чорні, а провідники - оптично прозорі. Таким чином, проходячи через світлі ділянки потік ультрафіолетового проміння при експонуванні полімеризує фоторезист, нанесений на поверхню заготовки, утворюючи захисний рельєф.
Позитивний метод – захисний шар наноситься на провідний малюнок, бо витравлювання здійснюється металевим покриттям, тому захисний рельєф наноситься на пробільні місця і для фотодруку використовується позитивне зображення плати.
Негативний метод найбільш поширений у виробництві плат побутової радіоапаратури, він характеризується мінімальною трудоємністю і можливостями автоматизації всіх операцій. Як метод отримання захисного рельєфу при цьому використовується найдешевший в масовому виробництві спосіб трафаретного друку – сіткографія із застосуванням фарби, що полімеризується за допомогою ультрафіолетового опромінювання.
Хіміко-механічна підготовка поверхні фольги може проводитися також на автоматичній лінії ГГМ 1.240.006. Захисна маска з епоксидної смоли наноситься на поверхню плати так, щоб відкритими були тільки контактні майданчики провідників, які залужуються припоєм ПОС при виконанні монтажних операцій.
Провідники, захищені епоксидним покриттям, обробці не піддаються і цим досягається значна економія олов'яного сплаву. Епоксидна захисна маса наноситься також способом трафаретного друку. Пробивка отворів звичайно проводиться штампуванням за допомогою кривошипних пресів.
З досвіду одного з підприємств захист провідників від лудіння при паянні виводів радіоелементів здійснюється за допомогою їх хімічної пасивації (хромування), оскільки хромова плівка на міді запобігає змочуванню її припоєм.
Захисна маска на контактних майданчиках служить потім флюсом при паянні на хвилі припою.
Головною перевагою даного методу є виключення з технології операції нанесення маски з епоксидної смоли, що представляє велику професійну шкідливість.
Позитивний метод застосовується вельми рідко і обмежується звичайно виготовленням смужкових плат. Як гальванічне покриття при цьому служить срібло з товщиною шару 9-12 мкм.
Плата з одностороннім або двостороннім розташуванням провідників без металізації отворів можуть бути виготовлені способами штампування, перенесення а також нанесення струмопровідних фарб (паст).
Спосіб штампування рекомендований для масового виробництва, при цьому як підставка служить будь-який діелектрик, у тому числі і картон. Мідна фольга завтовшки 35 мкм, змотана в рулон, з одного боку покрита
адгезійним шаром. Цим шаром фольга накладається на діелектрик, при штампуванні вирубка провідників комбінується з їх притиском до діелектрика. Непотрібна частина фольги відділяється. Потім плата піддається нагріву в пресованому положенні для полімеризації адгезійного шару з метою міцного зчеплення провідників з підложкою. Метод ефективний для плат масового виробництва з відносно простою схемою провідників.
Операція витравлення не застосовується, тому мідь витрачається по прямому призначенню, а відходи міді використовуються для переплавлення. Даний спосіб - найдешевший по витраті матеріалів і якнайменше трудомісткий.
Спосіб перенесення полягає в отриманні провідного малюнка на тимчасовій металевій підложці і потім перенесення його на діелектрик. Як тимчасова підложка служить пластина з корозійностійкої сталі типу 18ХН9Т. На пластині одержують захисний малюнок, як і при позитивному процесі, тобто пробільні місця закриті фоторезистом або фарбою.
Потім пластину піддають гальванічному мідненню в кислих електролітах і на ній утворюється провідний малюнок з міді завтовшки 35-50 мкм. Фоторезист або фарба відділяється, а пластина з провідним малюнком притискається до діелектрика, на поверхню якого нанесений клейовий шар.
Провідний малюнок легко відділяється від поверхні корозійностійкої сталі і приклеюється до діелектрика унаслідок дуже слабкого зчеплення електрообложеної міді з корозійностійкою сталлю. Як і у попередньому випадку, плата піддається нагріву в пресованому поляганні для полімеризації клейового з'єднання.
Метод перенесення доцільний в умовах дослідницького і дрібносерійного виробництва за відсутності очисних споруд і умов для утилізації міді з травильних відходів. Технологічний процес є прикладом безвідходної технології.
Спосіб отримання провідного малюнка за допомогою електропровідних фарб або паст ще не одержав широке вживання в промисловості через відсутність відповідних матеріалів необхідної якості, проте він є вельми перспективним і економічним для отримання плат широкомовної апаратури.
4.2.3 Електрохімічний спосіб отримання друкованої плати
Цей спосіб здійснюється за допомогою наступних основних операцій: нарізка заготовок, свердлення отворів, що підлягають металізації, підготовка поверхні; хімічного міднення; посилення міді гальванічним мідненням; нанесення захисного рельєфу на пробільні місця; гальванічне міднення; гальванічного покриття сплавом олово-свинець; видалення захисного рельєфу; витравлення міді з пробільних місць.
Вихідним матеріалом служить нефольгованний текстоліт, на обидві якого сторони нанесений адгезійний шар з епоксидно-каучукової композиції.
Підготовка поверхні діелектрика полягає в її хімічній обробці сумішшю хромової і сірчаної кислот, в результаті якої на поверхні утворюються мікрозападини, що забезпечують хорошу адгезію металізованого шару і хорошу змочуваність водними розчинами. Операція витравлення в даному процесі характеризується дуже малою тривалістю (до 1 хв), оскільки витравленню підлягає вельми тонкий шар хімічно обложеної і посиленої гальванічно до товщини 5-7 мкм міді. При витравленні такого тонкого шару міді ефект бічного затравлення практично відсутній, що дозволяє одержувати дуже вузькі провідники шириною до 0,15 мм і з таким же зазором між провідниками.
Таким чином, технологічний процес виготовлення друкарської плати електрохімічним (напіваддитивним) способом звільняє від необхідності фольгувати міддю діелектрики і забезпечує підвищену густину монтажу на платі, що обумовлює можливість у ряді випадків замінити складну у виробництві багатошарову друкарську плати на двосторонні. Нижче приведені характеристики окремих операцій і умови їх виконання.
Заготовки із текстоліта нарізаються з урахуванням технологічних полів на одноножових або багатоножових ножицях. На технологічному полі свердляться фіксуючі отвори відповідно до рекомендацій. Підготовка поверхні проводиться таким чином. Знежирену поверхню діелектрика піддають хімічній обробці з метою додання гідрофільності і виявлення в адгезійному шарі мікронерівностей. Видалення залишків хромових з'єднань з поверхні заготовки проводиться в наступній послідовності: промивка у воді, нейтралізація в розчині NaOH (5-10 %), повторна промивка, нейтралізація в розчині HCI (50-100 г/л), ще одна промивка у воді.
Для видалення продуктів реакції промивання водою чергують з промиванням в солянокислому розчині гидроксиламіна (20 г/л) і лужному розчині трилона Б. Поверхня адгезійного шару після того, що витравлення набуває рівномірний матовий відтінок унаслідок створення мінкрошороховатості. Свердлення отворів, що підлягають металізації, здійснюють за допомогою твердосплавних свердел.
Перед хімічним міднення заготовка обезжирюється в лужних розчинах з добавками ПАВ, а потім активується в суміщеному розчині. Рекомендується заготовки плат перед активацією промивати в розчині соляної кислоти (50 г/л), щоб уникнути розбавлення розчину-активатора водою.
Подальші операції технологічного процесу: нанесення захисного рельєфу, гальванічне міднення, гальванічне покриття сплавом олово-свинець, видалення захисного рельєфу і труїння міді з пробільних місць.
У виробничій практиці зустрічаються інші різновиди технологічного процесу, відмінні від приведеного вище, але в даний час вони застосовуються рідко, наприклад при виготовленні смужкових плат з нефольгованних діелектриків. Характерною особливостю цих процесів є вживання рідких фоторезистів, які наносяться на плату до свердлення отворів під металізацію.
Одним з варіантів електрохімічного процесу є так званий «тентинг-процес». В цьому варіанті заготовка друкованої плати, в якій просвердлені отвори, металізується повністю хімічним, а потім - гальванічним мідненням з товщиною шару 25-30 мкм. Далі за допомогою сухого плівкового фоторезисту завтовшки 40-60 мкм і фотошаблону-негативу виходить захисний малюнок з плівки фоторезисту, що перекриває всі отвори і захищаючі їх від попадання травильного розчину. Як і в звичному хімічному методі, провідний малюнок тут утворюється після труїння міді. Провідники, контактні майданчики і стінки отворів лудяться сплавом ПОС гарячим способом по методу «Льовельер» або ППВ (покриття припоєм з вигладжуванням). Тентинг-процес дає добрі результати при виготовленні багатошарової плати з внутрішніми переходами з діелектрика, обидві сторони якого покрито 5- або 35-мікронною мідною фольгою.
Основними операціями технологічного процесу є: свердлення отворів; анодування в 20 % розчині H2 SO4 при Ia =1,5 А/дм2 протягом двох годин для отримання оксидної плівки, що підвищує електроізоляційні властивості поверхні; нанесення ізоляційного шару; хімічне міднення всієї поверхні із «затяжним» гальванічним мідненням.
Подальші операції виконуються в описаній вище послідовності. Як ізоляційний шар краще використовувати порошкові фарби ПЕП-219 з оплавленням кожного шару при температурі 180 о С.
Підготовка поверхні перед хімічним мідненням здійснюється таким чином. Після знежирення в розчині тринатрійфосфату проводиться обробка в ацетоні, розбавленим водою відносно 2:1, протягом 10 хв для підвищення гідрофільності поверхні, а потім затруювання в розчині наступного складу: хромовий ангідрид (30 г/л), сірчана кислота (650 мл/л) при температурі 50-60 °С із подальшою промивкою і нейтралізацією.
З метою забезпечення необхідної міцності зчеплення провідників з підложкою передбачено створення мікрошорсткості поверхні за допомогою того, що труїння в сірчанохромовій суміші. Ця операція викликає серйозні ускладнення у виробництві, пов'язані з токсичністю хромових з'єднань і необхідністю вживання заходів по знешкодженню відходів.
Оброблюваний діелектрик у вигляді плівкового матеріалу поміщається між алюмінієвою пластиною і епоксисклотканиною, по зовнішній поверхні якої виконує поворотно-поступальна рухи електрод з чотирьох циліндрів.
На рухомий електрод і алюмінієву пластину подається напруга від високочастотного генератора (20-40 кГц) величиною 1,4 кВ. Густина струму, при якій виникають коронні розряди, складає 1,5 мА/см2 . В результаті дії коротких розрядів поверхня стає мікрошорсткою.
Технологічний процес електрохімічної металізації заготівок при використовуванні різних плівкових матеріалів складається з операцій: очищення (звичне), сушка, обробка коротким розрядом, активація, обробка в розчині «прискорювача», хімічного міднення і гальванічного міднення.
4.2.4 Комбінований спосіб
Залежно від методу нанесення захисного малюнка провідників при витравленні міді комбінований спосіб може здійснюватися в двох варіантах: негативному, коли захистом від витравлення служать фарба або фоторезист, і позитивному, коли захисним шаром служить металеве покриття (металорезист). Назви ці способи одержали від фотошаблону, що використовується при створенні захисного рельєфу: в першому випадку при експонуванні малюнка використовується негатив друкарської схеми, в другому - позитив. Комбінований метод виготовлення друкарської плати застосовується рядом підприємств з дрібносерійним виробництвом.
Негативний комбінований спосіб має наступні недоліки:
- При свердленні отворів на виході свердла утворюються заусенці і створюються напруження, направлені на відрив контактного майданчика. Для збереження контактного майданчика в конструкції плат передбачається збільшення діаметру контактного майданчика (ширини поясочка) на 0,6-0,8 мм. Ця вимога приводить до зниження густини монтажу.
- У результаті витравлення міді на початку процесу діелектрик залишається “голим” для дії агресивних гальванічних розчинів і активних флюсів (HCI). З цієї причини опір ізоляції готової плати на порядок нижче, ніж при позитивному процесі.
- У зв'язку з тим, що гальванічна металізація здійснюється в пристосуваннях, що закривають отвори з однією сторони, товщина шару металу в отворі дуже нерівномірна; часто мають місце випадки відшаровування металу при перепаюванні деталей.
- Процес передбачає багато ручних операцій.
- Операция покриття сплавом РbSnособливо токсична через виділення продуктів, що містять свинець і кадмій.
Недоліком позитивного комбінованого способу є нестійка дія фоторезистів на основі полівінилового спирту при виконанні двократної гальванічної обробки, що створює великі труднощі у виробництві (зачистка і т. п.).
До недоліків обох способів можна віднести наступні:
- Розрив технологічного процесу через застосування ручних операцій лакування, що вимагає високої кваліфікації маляра.
- Свердлення через лакову плівку погіршує стійкість свердел.
- Рідкі фоторезисти створюють захисний малюнок товщиною не більше 12 мкм, тоді як гальванічне осадження міді і покриття проводиться на товщину від 30 до 60 мкм (і більше). В результаті цього метал наростає за межі малюнка провідного шару і це «розростання» доводиться зрізати скальпелем, що пов'язане з великими витратами часу і застосуванням ручнї роботи.
Негативний спосіб легше освоюється через знижені вимоги до стійкості фоторезисту і можливості труїння в будь-яких розчинах (у тому числі Fе2 CI3 ), позитивний - забезпечує більш високу густину монтажу і кращі діелектричні властивості плати, він дозволяє також здійснювати автоматизацію окремих операцій, наприклад гальванічне осадження.
Обидва способи характеризуються значною трудомісткістю, оскільки в технологічних процесах використовується багато ручних операцій, тому вони можуть використовуватися лише в умовах дослідного і дрібносерійного виробництва. Найперспективнішим є позитивний спосіб, здійснюваний по так званому базовому технологічному процесу, структура якого аналогічна вищевикладеному напіваддитивному процесу. До основних операцій процесу можна віднести нарізка заготівок і свердлення
отворів, що підлягають металізації; підготовчі операції; хімічне міднення; потовщення шару міді до 5-7 мкм гальванічним мідненням; нанесення захисного рельєфу на пробільні місця; гальванічне міднення; гальванічне покриття сплавом олово-свинець; видалення захисного рельєфу; труїння; обрізання по контуру, оплавлення покриття олово - свинець; маркування, консервацію, упаковку.
Процес забезпечує отримання зазорів між провідниками і ширину провідників до 0,2 мм.
Підготовчі операції перед хімічним мідненням заготівок плат з просвердленими отворами можуть здійснюватися в двох варіантах:
1) Механічна зачистка з метою видалення заусенців і дефектів на поверхні фольги в поєднанні з хімічними операціями. Послідовнічсть виконання технологічних операцій є такою: механічна зачистка фольги, хімічне знежирення, промивка в гарячій і холодній воді, затруювання, промивка в холодній воді, активація, промивка в уловлювачах, промивка в холодній воді, обробка в розчині «Прискорювач», промивка в холодній воді.
2) Електролітичне полірування. Послідовність операцій: хімічне знежирення, промивка в гарячій і холодній воді, активація, промивка в уловлювачах, промивка в холодній воді, електролітичне полірування, промивка в холодній воді.
Використовуючи комбінований метод, можна виготовляти плати з підвищеною густиною монтажу. В цьому випадку початковим матеріалом служить текстоліт, фольгованний дуже тонкою мідною фольгою (товщина фольги 5 мкм). Мідна фольга захищається від можливих пошкоджень, при зберіганні, транспортуванні і свердленні отворів мідним або алюмінієвим листовим протектором завтовшки 50-75 мкм. Матеріал з мідним протектором одержав назву «Слофадіт», а з алюмінієвим протектором - СТПА.
Після свердлення отворів в заготовці і операції хімічного міднення протектор відділяється від поверхні фольги і укладається в окрему тару для подальшої здачі підприємствам кольорової металургії як вторинна сировина. Заготовка піддається гальванічній металізації («затягуванню») і іншим операціям приведеним вище.
Тривалість операції труїння зменшується в 5 разів, оскільки товщина шаруючої міді, що підлягає витравленню, складає 10-12 мкм замість 45-50 мкм у разі застосування звичайних фольгованих діелектриків. В результаті цього ефект бічного затруювання практично виключається і досягається можливість отримання вузьких провідників шириною до 0,15 мм і таких же зазорів між ними, що характерно для плат, що виготовляються по напіваддитивній технології.
Технологічний процес виготовлення двобічної друкованної плати комбінованим методом з матеріалу типа «Слофадіт» забезпечує підвищену густину монтажу (клас 3 згідно з ГОСТ 23751-79), що дозволяє у багатьох випадках багатошарові плати в 6-8 шарів замінити на двосторонні.
Широке вживання мікрозбірок, інтегральних схем і виробів сучасної напівпровідникової техніки привело до того, що при монтажі їх на друкованну плату різко зросла комутація між ними і з'явилась необхідність розміщення провідників в різних, ізольованих один від одного шарах багатошарової плати. Багатошарові з'єднання здійснюються через металізовані скрізні отвори, тому і метод виготовлення БДП одержав назву «метод наскрізної металізації». Інші способи міжслойового з'єднання застосовуються дуже рідко і тому не передбачені нормативно-технічною документацією .
На заготовках з тонких фольгованих діелектриків, наприклад мазкий СТФ-1 або СТФ-2, хімічним методом одержують провідний малюнок,
використовуючи рідкі або сухі плівкові фоторезисти. Як витравлювачі можуть бути використані різні по типу розчини: кислотні або лужні. При виборі розчину слід зупинитися на тому складі, який прийнятий для основного процесу. Після витравлення міді спостерігається небажана деформація стиснення діелектрика, обумовлена внутрішніми напруженнями, що проявляють свою дію після видалення частини мідної фольги. Величина цих деформацій залежить від характеру провідного малюнка і вона мінімальна у разі вживання діелектриків, фольгованих міддю з двох сторін.
Спочатку на кожному технологічному полі окремо узятого шару з провідним малюнком пробиваються базові або фіксуючі отвори, за допомогою яких при збірці досягається хороше поєднання контактних майданчиків по вертикалі. Кількість отворів встановлюється залежно від розмірів плати нормативно-технічною документацією і доходить до 10.
Для виконання даної операції призначена установка поєднання і штампування базових отворів. Установка розрахована на заготовки плат з максимальним розміром 500x500 мм і мінімальним - 200x200 мм. Крок переміщення столу -10 мм. Точність базування ±0,05 мм. Діаметр базових отворів - 5 мм. Аналогічні отвори пробиваються в листах прокладки склотканини.
Прокладки із склотканини є листами із кручених ниток діаметром 0,1-0,25 мм, просоченої епоксидним лаком ЕД-8-Х. Цей матеріал знаходиться в недополімеринзованому положенні і має наступний склад (мас, частки %): летючі -0,3-1,2; зв'язуючі -45-52; розчинні смоли – 85-100. Час гелеоутворения – 5-15 хв, термін зберігання прокладки із склотканини - 6 міс. Після закінчення цього терміну процеси полімеризації в матеріалі, що протікають мимовільно, погіршують його здібність до склеювання при пресуванні багатошарової плати.
Для забезпечення високої міцності зчеплення поверхні мідних провідників з ізолюючими між шаровими матеріалами необхідно додати їм мікрошорсткість, а ще краще створити оксидний шар відповідною хімічною або струменевою обробкою травильними розчинами складу (г/л): CU CI2 -40-45, NH4 CI-145-150 або (NH4 ) 2 S2 O8 - 200-250, H2 SO4 -5-7. Температура розчину - до 60 °С. Для виконання цієї операції випускається установка у вигляді лінії хімічної підготовки шарів перед пресуванням. Лінія модульної конструкції має в своєму складі окремі модулі для затруювання, промивки і сушки заготовок. Швидкість конвеєра регулюється і цим забезпечується необхідна продуктивність і якість обробки.
За наявності великих ділянок міді більш ефективне хімічне оксидування в розчинах типу «Етанол» наступного складу (мас, частки %): NaCIO2 -48; NaOH- 40; Na3 PO4 - 12. Обробка заготовок проводиться у водному розчині, що містить 180 г/л цього складу, при температурі 90°С до утворення чорного оксидного покриття. Для здійснення цієї операції можна використовувати лінії з комплекту ванн гальванічної лінії АГ, по окремій компоновці.
Збірка пакету проводиться в прес-формі шляхом послідовного укладання окремих шарів БДП і склотканини прокладки із склотканини, кількість листів якої визначається відповідною нормативно-технічною документацією, наприклад три листи завтовшки 0,025 мм для односторонніх шарів. При збірці пакету необхідно звертати увагу на правильне орієнтування ниток склотканини. Для усунення впливу нерівностей поверхні прес-форми, різнотовщинності листів, прокладок і т.п. на них укладаються листи триацетатної плівки, кабельного паперу і інших матеріалів.
Пресування відбувається при постійній температурі (160- 170 °С) в два ступені: перша - при тиску 0,1-0,5 МПа, тривалості її - від 10 до 200 хв залежно від часу гелеоутворения, характерного для даної партії склотканини; друга - при тиску від 2 до 3,4 МПа. Тиск уточнюється для
кожної партії склотканини на основі результатів аналізу при вхідному контролі. Час витримки 50-70 хв. Після охолоджування прес-форми і витягання спресованого пакету слідує обрізання шару на роликових ножицях.
Для забезпечення хорошої якості БДП необхідно стежити за мікрокліматом в приміщенні. Температура повітря в приміщенні повинна бути в межах 23-25°С, відносна вологість - не більше 40%. Приміщення повинне бути знепилено, оскільки попадання порошинок при збірці викликає утворення різних дефектів в БДП.
Отримання провідників, а також металізація монтажних і перехідних отворів проводиться восновному за вищенаведеною технологією комбінованого методу з додатковою хіміко-механічною обробкою стінок отвору для забезпечення міцного зчеплення шару металізації з торцями контактних майданчиків в окремих шарах.
Окрім, того, при цьому мідні торці контактних майданчиків добре очищаються від епоксидної смоли, наволоченої на них в процесі свердлення, а голі нитки склотканини стають злегка шорсткими.
Хіміко-механічна обробка отворів включає операції, які проводяться в наступній послідовності:
- Гідроабразивне обдування. Абразивно-водяна пульпа, що містить електрокорунд зернистістю М40 у відношенні з водою 1:4 по масі, проганяється через кожний отвір під тиском 0,4-0,5 МПа в спеціально створеній для цієї мети установці.
- Труїння діелектрика. Обробка в концентрованій сірчаній кислоті при температурі 35-40 °С протягом 0,5-0,7 хв, при цьому глибина труїння виходить в межах 15-20 мкм.
- Двократна промивка в проточній воді з інтенсивним похитуванням плати.
- Сушка теплим повітрям.
- Вторинне гідроабразивне обдування вторинне.
- Промивка в проточній воді.
- Промивка з накладенням ультразвукових коливань.
Застосовуючи базову технологію виробництва БДП, можна
одержати гнучко-жорстку конструкцію плати.
Збірка пакету і пресування всіх елементів конструкції проводяться одночасно.
За допомогою металізованих отворів досягаються міжшарові з'єднання у тому числі і з'єднання з провідниками гнучкого шару.
4.2.5 Адитивний спосіб
Цей спосіб передбачає отримання провідного малюнка з міді завтовшки 25—30 мкм, обложеної хімічним способом (товстошарове хімічне міднення). При цьому шар міді повинен мати густину 8800—8900 кг/м3, чистоту 99,8—99,9 %, електричний опір не більше 0,0188 Ом•мм і еластичність, що характеризується величиною відносного подовження ε= 4÷6 % Міцність зчеплення міді з діелектриком повинна відповідати ОТУ і складати не менше 0,4 Н/3 мм.
Основні переваги адитивного методу наступні: зменшення кількості операцій і відповідно виробничих площ і устаткування; рівномірність шару обложеної міді при співвідношенні товщини плати до діаметру отворів 10: 1; висока густина монтажу, що допускає можливість створення зазорів між провідниками і ширину їх до 0,1 мм; зниження витрати матеріалів унаслідок відсутності труїння; можливість використовування для хімічної металізації солей міді з травильних відходів; можливість повного виправлення дефектних плат після підбурювання міді і повторної металізації.
Технологічні процеси виготовлення друкованої плати визначаються типом вихідного матеріалу і можуть бути представлені в трьох варіантах:
1 з діелектрика з введенням в його склад каталізатором процесу хімічного міднения;
2 на матеріалі СТЕФ з покриттям каталітичною емаллю;
3 з діелектрика для напіваддитивної технології.
1 Вихідним матеріалом для плат служить діелектрик марки СТАМ по ТУ ОЯЩ.503.041-78. Основними операціями технологічного процесу є нарізання заготовок; свердлення отворів; отримання захисного рельєфу; підготовка поверхні; хімічне міднення, попереднє і товстошарове.
Отримання захисного рельєфу здійснюється за допомогою сухого плівкового фоторезисту СПФ-2. З метою підвищення стійкості рисунка до тривалої обробки в лужних розчинах хімічного міднення, плата піддається термообробці в повітряному середовищі при температурі 95±5°С протягом 30хв. Підготовка поверхні полягає в тому, що труїння в сірчанохромній суміші з подальшими промивками і нейтралізацією від залишків CrO2 4 . Активація поверхні проводиться в суміщеному розчині з подальшою обробкою в розчині NaOH (20 г/л).
Попереднє хімічне міднення проводиться в тартратному розчині протягом 15-20 хв. Перед товстошаровим мідненням проводиться термообробка тонкого шару хімічно обложеної міді при 100 °С протягом 1—2 г. Товстошарове хімічне міднення проводиться в трилонатному або тартратному розчині.
2 Вихідним матеріалом для плат служить нефольгований текстоліт СТЕФ-1. Свердленння заготовки з цього матеріалу покривають з фарборозпилювача епоксидною емаллю з наповнювачем, як пігмент
служить двоокис титану TiO2, до якого додано 0,04 % солей паладію. Емаль ЕП-5215 поставляється по ТУ 6-10-11 -19-30-79 (титан IV, окис в рутильній формі, активований паладієм по ТУ 6-09-05—1025—79).
Основні операції технологічного процесу наступні: різання заготівок; свердлення отворів; нанесення емалі ЕП-5215 на поверхню і в отвори; труїння; отримання захисного рисунка; хімічне міднення (попереднє і товстошарове).
Попереднє хімічне міднення проводиться в стандартному розчині, минувши активацію, оскільки каталізатор процесу хімічного міднення знаходиться в шарі емалі. Товстошарове хімічне міднення і отримання захисного рельєфу виконується аналогічно попередньому варіанту.
3 Вихідним матеріалом служить діелектрик СТЕК або СТЕФ-1-2ЛК. Основними операціями технологічного процесу при цьому є нарізання заготівок; свердлення отворів; підготовка поверхні; активація; отримання захисного рельєфу; хімічне міднення попереднє і товстошарове.
Істотною особливістю даного технологічного процесу є відділення операції активації від хімічного міднення, внаслідок чого хімічне відновлення міді відбувається на ділянках, вільних від захисного рисунка, тобто в отворах і на провідниках.
Підготовка поверхні відбувається так само, як і в напіваддитивній технології: заготовки піддаються знежиренню, набуханню адгезійного шару і труїння в суміші СгО3 + Н2SО4.
Активація проводиться в суміщеному розчині, причому йому передує занурення в розчин, що містить 75-80 г/л NaOH. Після промивки в уловлювачі проводиться сушка шляхом легкого обдування повітрям. Хімічне міднення проводиться в розчинах, як і в попередніх варіантах.
Одним з варіантів адитивного методу є процес під назвою «фотоформ», або фотоселективна металізація. Технологічний процес виготовлення друкованої плати, розроблений для умов лабораторного або дослідного виробництва, складається з наступних операцій: свердлення отворів в заготовках з матеріалу типа СТЕК або СТЕФ-1-2ЛК; підготовки поверхні діелектрика (знежирення, труїння); нанесення фотоактиватора (фотопромотора) і його підсушки експонуванням провідного малюнка на плату; проявки малюнка у ванні хімічного міднення; видалення фотоактиватора з незасвічених місць; товстошарового хімічного міднення; відмивання плати від залишків електролітів.
Ключовою операцією процесу є нанесення фотоактиваторів на плату. Фотоактиватором при цьому служать вельми складні по складу розчини, в яких містяться з'єднання міді або заліза. Склад фотоактиваторів ще недостатньо відпрацьований для виробничих умов, проте деякі з них рекомендовані в літературних джерелах і представляють вельми складні суміші органічних речовин.
Під дією ультрафіолетового світла, що проходить через фотошаблон фотоактиватор розкладається і на експонованих ділянках утворюється ледве помітний для ока провідний рисунок з продуктів розпаду фотоактиватора, що виконують роль каталізаторів процесу відновлення міді при хімічному мідненні.
Таким чином, при виконанні наступної операції відбувається утворення рисунка з тонкого шару хімічно відновленої міді. Збільшення шару міді до товщини 25 мкм відбувається у ванні товстошарогового хімічного міднення.
Для забезпечення паяння електрорадіоелементів плату необхідно піддати покриттю сплавом ПОС гарячим способом. Звичайно прийнята техніка лудіння в даному випадку непридатна, оскільки шар припою досягає значної товщини, що може викликати утворень «містків» між
провідниками. Покриття необхідно проводити по методиці, що передбачає після занурення плати в розплавлений припій обдування їх гарячим повітрям з метою вигладжування шару припою і видалення його надлишків.
В установках для виконання цієї операцій плати, піддані флюсуванню, проходять зону підігріву з метою видалення вологи і пом'якшення термоударів, що викликає викривлення при зануренні в розплавлений припій, час витримки плати в розплавленому припої не повинен перевищувати 4 с. Основна частина установки - повітряні ножі - призначена для рівномірної подачі гарячого повітря по всій довжині плати. Товщина шару припою на платі в середньому складає близько 8 мкм.
Оглянувши усе вищерозглянуте, згідно до ТЗ для виготовлення друкованої плати я вибрав комбінований позитивний метод, тому як він має такий ряд переваг, як висока надійність монтажу, висока ремонтоздатність. Але цей метод має такі недоліки: велика витрата міді і порушення екології і навколишнього середовища. Ці недоліки усуваються за допомогою комп'ютерних технологій, при яких провідники на друкованій платі виконуються методом фрезирування фольги. Також цей метод частіше використовують для малих партій пристроїв, це також можна вважати перевагою.
Маршрутний лист операцій
| № операції | Найменування операції | Необхідне устаткування | Розряд | Норма часуT | |||
| 1 | Нарізка заготовок | Ножиці гільйотинні ОА085 | 2 | 1,2 | |||
| 2 | Свердлення базових отворів | Свердлильний верстат „Мультифор” | 2 | 1,1 | |||
| 3 | Очищення поверхні заготовки | Установка гідроабразивної очищення Ю.108626 | 2 | 2,5 | |||
| 4 | Декопіювання | Установка промивання та декопіювання Ю.108620 | 2 | 1,5 | |||
| 5 | Сушка | Шафа сушильна ФКШ -50 ПП.92.02.26142 | 3 | 12 | |||
| 6 | Нанесення фоторезисту | Установка нанесення фоторезисту „Ламінатор” КМЗ.289.003 | 2 | 1,5 | |||
| 7 | Суміщення та експонування | Установка суміщення та експонування УПЕ-9001-М | 3 | 2,5 | |||
| 8 | Зняття лавсанової плівки | Стіл робочий ГОСТ 116003-84, пінцет ГОСТ 4.585-83 | 2 | 1,0 | |||
| 9 | Прояв фоторезисту | Установка прояву СПФ „Процесор” | 3 | 1,9 | |||
| 10 | Промивання | Ванна для промивання | 3 | 1,6 | |||
| 11 | Задублення фоторезисту | Шафа термодубління ФСШ-50 | 3 | 1,5 | |||
| 12 | Контроль ОТК | Стіл робочий ГОСТ 116003-84, мікроскоп | 4 | 1,3 | |||
| 13 | Нанесення лаку ХВЛ | Установка нанесення та сушіння лаку | 2 | 1,5 | |||
| 14 | Сушіння лаку ХВЛ | Установка нанесення та сушіння лаку | 3 | 7,1 | |||
| 15 | Свердління монтажних отворів | Свердлильний верстат „Мультифор” | 2 | 2,5 | |||
| 16 | Активація | Автоматична лінія АГ – 38 | 3 | 2,5 | |||
| 17 | Сенсибілізація | Автоматична лінія АГ – 38 | 3 | 2,5 | |||
| 18 | Хімічне осадження міді | Автоматична лінія АГ – 38 | 3 | 2,6 | |||
| 19 | Видалення лаку ХВЛ | Установка зняття ХВЛ „Уніком” | 2 | 1,8 | |||
| 20 | Гальванічне осадження міді | Автоматична лінія АГ – 38 | 3 | 2,5 | |||
| 21 | Гальванічне осадження (олово свинець) | Автоматична лінія АГ – 38 | 3 | 2,5 | |||
| 22 | Промивання | Ванна для промивання | 3 | 1,6 | |||
| 23 | Видалення фоторезисту | Автоматична лінія АГ – 38 | 3 | 1,9 | |||
| 24 | Труїння плати | Установка труїння друкованих плат ТАУ 2М | 3 | 1,4 | |||
| 25 | Промивання | Ванна для промивання | 3 | 1,6 | |||
| 26 | Сушіння | Шафа сушильна ФКШ -50 ПП.92.02.26142 | 3 | 12 | |||
| 27 | Обрізка плати по контуру | Ножиці роликові ОА085 | 2 | 1,9 | |||
| 28 | Контроль електричних параметрів | Стіл робочий ГОСТ 116003-84; тестер ЦЧ 353 | 4 | 1,7 | |||
| 29 | Контроль ОТК | Стіл робочий ГОСТ 116003-84; тестер ЦЧ 353 | 4 | 1,3 | |||
| 30 | Формування виводів елементів | Напівавтомат формування та лудіння виводів ПАФ-1 | 3 | 1,1 | |||
| 31 | Лудіння виводів елементів | Напівавтомат формування та лудіння виводів ПАФ-1 | 3 | 1,0 | |||
| 32 | Встановлення елементів | Напівавтомат установки елементів | 3 | 1,4 | |||
| 33 | Монтаж елементів | Установка пайки УП-2М НГО.054.21 | 3 | 1,2 | |||
| 34 | Видалення флюсу | Автоматична установка видалення флюсу | 3 | 1,4 | |||
| 35 | Контроль | Стіл робочий ГОСТ 116003-84 | 4 | 1,3 | |||
| 36 | Установка та монтаж пристрою в корпус | Стіл робочий ГОСТ 116003-84 | 4 | 3,6 | |||
| 37 | Контроль на функціонування | Блок живлення лабораторний БП-1; випробувальний стенд | 4 | 3,0 | |||
| 38 | Налагодження та регулювання | Стіл монтажний СМ-3, тестер, осцилограф С1-55А | 4 | 4,0 | |||
| 39 | Контроль ОТК | Стіл робочий ГОСТ 116003-84 | 4 | 1,1 | |||
| 40 | Пакування | Пакувальний автомат | 4 | 1,2 | |||
5 РОЗРАХУНОК НАДІЙНОСТІ
Надійність є однією з основних інженерних проблем. Останнім часом проблема надійності сильно загострилася. Це обумовлено наступними причинами :
1. Ростом складності сучасних технічних систем сотні, що включає часом, тисяч окремих елементів .
2. Інтенсивність режимів роботи систем й окремих їхніх частин .
3. Складність умов експлуатації
4. Вимогами до якості роботи .
5. Повної або часткової автоматизації технічних систем
Проблема забезпечення надійності зв'язана з усіма етапами створення виробу і його використань. Надійність заставляється в процесі його проектування й забезпечується в процесі його виготовлення.
Шляхи підвищення надійності лежать у методах конструювання виробництва й експлуатації приладу.
- надійність - основна технічна характеристика виробу й кількісно оцінюється за допомогою наступних показників:
- імовірність безвідмовної роботи P(t) - це ймовірність того, що в межах заданого наробітку на відмову за певних умов експлуатації не відбудеться жодної відмови, тобто порушення роботи виробу;
- середній час наробітку до відмови То - це відношення наробітку (тривалості роботи в годинах, циклах) відновлюваного встаткування до математичного очікування відмов протягом його наробітку;
- інтенсивність відмов λ(t) - імовірність відмов виробу в одиницю часу
- після даного моменту відмова не виникала;
- імовірність відмови Q(t) - імовірність того, що в заданому інтервалі часу відбудеться хоча б одна відмова;
частота відмови f(t) - кількість відмов в одиницю часу.
На окремих етапах проектування виробляється орієнтовний розрахунок надійності. Джерелом інформації про надійність елементів, приладів, пристроїв є дані про відмови, отримані у процесі випробування.
На стенді встановлюється N однотипних елементів приладу, які включаються на задане навантаження й працюють при певних зовнішніх умовах.
У процесі роботи деякі елементи відмовляють. Для одержання показників надійності системи, що складається з N випробуваних елементів, використовують вираження, що випливають із визначення цих показників.
Q(t) =n(t)/N
де Q(t) - імовірність відмови елемента,
n(t) - число елементів, що відмовляли, за час С,
N - загальне число випробовуваних елементів.
Тому що безвідмовність і відмова елемента утворять повну групу подій, тоді P(t)+ Q(t)= 1
де P(t) – імовірність безвідмовної роботи елемента P(t) = (N-n(t))/N
Якщо Q(t) → 0, то P(t) → 1 - система наближається до ідеального.
Якщо ж Q(t) → 1 , то P(t) → 0 система ненадійна.
Частота відмов випробуваних елементів обчислюється по формулі
f(t)=Dn(t)/ DtN
де Dn(t) - число елементів, що відмовили, за час D t.
Тоді інтенсивність відмов буде дорівнює
λ(t) = f (t) / Р(t)
Дані про інтенсивність відмов випробуваних елементів заносяться в таблиці, які потім використають при розрахунку надійності пристроїв, приладів, виробів.
Далі на підставі даних, отриманих при випробуванні елементів, виробляється розрахунок усього пристрою. Розрахунок ведуть по наступних формулах.
P(t) = е -λt
де λ - загальна інтенсивність відмов,
λ = ni λi
де k - число типів компонентів,
nі - число компонентів певного типу,
λi - інтенсивність відмов певного типу компонентів.
Якщо проектований пристрій складається з N типів блоків (приладів, пристроїв) івідома ймовірність безвідмовної роботи Рj цих блоків, то для всього пристрою:
P(t) =
Pj
(t), де m - число блоків,
Середній час наробітку на відмову Т0 = 1 / λ
Залежно від умов експлуатації табличне значення інтенсивності відмов λ0 коректується за допомогою поправочного коефіцієнта K1, враховуючи дію реальних умов. Тоді інтенсивність відмов певного типу компонентів обчислюється по формулі λ1 = kλ0 . Тому, що проектований пристрій призначений для експлуатації в упоряджених приміщеннях, то k = 1 ,тобто λ відповідає табличним значенням.
Імовірність безвідмовної роботи за час 10000 годин.
P(t)= е- λt = е - 22,996 × 10 × 10 = 1 / е 0, 22996 = 0,795
Середній час наробітку на відмову
Т0 = 1 / λ = 1/ 22,996×10-6 = 43485,82 годин

Рисунок 5.1 - Графік надійності виробу
6 ОХОРОНА ПРАЦІ ТА НАВКОЛИШНЬОГО СЕРЕДОВИЩА
6 . 1 Охорона праці, техніка безпеки та протипожежна безпека
Для забезпечення нормальної роботи пристрою, уникнення зайвих матеріальних витрат під час його ремонту та експлуатації, а також заради особистої безпеки користувача або ремонтника, необхідно дотримуватися правил техніки безпеки, обов'язководотримуватися протипожежних вимог, а також основних положень по охороні праці, встановлених законодавством і ДСТ України.Загальні вимоги до техніки безпеки стосовно виробничого устаткування вказані у ДСТ 12.2.003-91 та ДСТ 12.0.049-80
6.2 Вимоги техніки безпеки до радіоелектронного обладнання
Безпека робіт з радіоелектронним обладнанням та підтримка його у належному стані регламентуються Правилами техніки безпеки та промислової санітарії в електронній промисловості (ПТБ та ПСЕБ), ПТЕ та ПТБ при експлуатації електропристроїв споживачем.
При монтажі радіоелектронного обладнання треба притримуватися вимог електробезпеки та працювати тільки робочім електропристроєм (електродриль, електропаяльник).
При монтажі радіосхем забороняється: перевіряти руками наявність струму та нагрів струмоведучих частин схеми; використовувати для з'єднання блоків та приборів проводу з ушкодженою ізоляцією;
виконувати пайку та встановлення деталей у обладнання , котре знаходиться під струмом; Вимірювати напругу та струм переносними приладами, з неізольованими дротами та щупами; підключати блоки до
обладнання ,котре знаходиться під напругою ; працювати на високовольтних установках без захисних засобів; змінюватизапобіжники при ввімкненому обладнані.
6.3 Вимоги безпеки при роботі ручними інструментами при збірних та монтажних роботах
Основну небезпеку при експлуатації ручного механізованого інструменту, представляють його робочі органи, гострі кромки та грані обробляємих виробів, а також шкідливі фактори:
- надвисокий рівень шуму, вібрації (у пневматичних машин);
- надвисока наруга електричного струму (електроінструмент);
- запиленість повітря при операціях свердлення.
Необхідно використовувати індивідуальні засоби захисту:
- при роботі з ручним інструментом ударної дії (клепальні молотки, зубила та ін.): захисні окуляри з безосколковим склом, також рукавиці;
Забороняється експлуатація ручних електричних машин при виникненні поломок.
При виготовленні багатошарових друкованих плат виконується механічна обробка слоїстих пластиків (різка, пробивка отворів). Робочі на обробці слоїстих пластиків повинні виконувати ПТБ при холодній обробці матеріалів. Важливим фактором, погіршуючим умови праці у
відділах, є шум.
Промивка плат виконується у ізопропиловому сприті та ацетоні, тому необхідно ураховувати, що ці речовини є пожежонебезпечними та шкідливими для здоров'я. Хімічна очистка плат виконується розчинами фосфатів, натрієвої соди тощо. При постійній роботі з розчинниками нерідко бувають різні хронічні ураження шкіри. Також небезпечно потрапляння навіть самих малих часток NaOHу очі.
У процесі хімічного міднення використовуються шкідливі речовини: сірчана, соляна, азотна кислоти, хлорна мідь та інші речовини, але для
травлення міді з пробільних ділянок плат використовується ряд травників: хлорне залізо, персульфат амонію, хромовий ангідрид із сірчаною кислотою та ряд інших токсичних речовин.
У випадку потрапляння травників на шкіру або слизову оболонку очей необхідно невідкладно промити їх проточною водою або 0,5-1% - ним розчином квасців та замазати вазеліном або оливковою олією, а потім звернутися до медпункту. Роботу з травниками необхідно поводити у спецодягу та захисних окулярах. Робочі місця повинні бути обладнані ефективною витяжною вентиляцією.
6.4 Охорона праці
Загальні вимоги до гігієни праці та виробничої санітарії у системі законодавства відносно гігієни праці головне місце займає закон: „Про забезпечення санітарного та епідемічного благополуччя населення”.
Значного впливу на організм людини, його працездатність, завдає мікроклімат (метеорологічні умови) у промислових приміщеннях. Параметри мікроклімату також завдають значного впливу на виробництво та на травматизм. Наприклад, для легкої роботи, яка проводиться в приміщеннях з незначними викидами явного тепла:
оптимальні параметри у холодний та теплий час року: температура повітря , 21-23ºС, відносна вологість, 40-60%, швидкість перенесення повітря, м/с, не більше 0,1-0,2.
Шум та вібрація негативно впливають на людину, викликаючи різні зміни в організмі. Шум та вібрацію на виробництві створюють різні механізми та машини (електродвигуни, вентилятори, насоси,
компресори). Рівень звукового тиску у приміщеннях на робочих місцях не повинен перевищувати 95 дБ при частоті 63 Гц і 69 дБ при частоті 800 Гц.
Серед факторов зовнішньої середи, котрі впливають на організм людини у процесі праці, світло займає одне з перших місць.
Залежно від джерела світла, воно може бути натуральним та штучним. Натуральне світло визначається за коефіцієнтом натуральної освітленості(КНО).
Найменша освітленість робочих поверхонь у промислових приміщеннях регламентується БН і ПІІ-4-79 та визначається, майже, характеристикою зорової роботи. Наприклад для зорової роботи середньої точності (0,5-1мм) при штучному освітленні Е=300-150 лк, КНО=1,5% (при боковому освітленні).
Інфразвук (f<16Гц) справляє руйнівні дії на організм людини. Згідно діючим нормативним документам, рівні звукового тиску у відставних голосах з середньо геометричними частотами 2, 4, 8, 16 Гц повинно бути не більше 105 дБ, а для смуги з частотою 32 Гц – не більше 102 дБ.
6.5 Охорона навколишнього середовища
Охорона навколишнього середовища представляє систему державних і суспільних заходів, що забезпечують збереження природного середовища, придатного до життєдіяльності нинішніх і майбутніх поколінь. Охорона природи в цій системі займає номер 17, регулюється ДСТ 17.0.005-93. Для очищення стічних вод, що поступають у відкриті водоймища, будуються очисні споруди, а для очищення повітря, що викидається в атмосферу,- газопилоутримуючі установки.
Для локального очищення стічних промислових вод застосовуються різні установки. Установка очищення промстоків ОПС-У застосовується для очищення стічних вод від хрому і іонів важких металів.
Установка УР-1 призначена для регенерації розчину, використованого при труїнні міді.
З метою огорожі навколишнього природного середовища від
шкідливих хімічних дій в ДСТ 12.1.005-88 (“Повітря робочої зони. Загальні санітарно – гігієнічні вимоги”) вказано, що необхідно поєднувати методи уловлювання газів, що відходять, від технологічних процесів з одночасною їх утилізацією.
Для очищення повітря від органічних розчинників широко застосовуються адсорбери типу А-1 і А-6, в яких сорбентом є поліакрилонітрильне полотно, модифіковане активованим вугіллям АГ-3Для очищення повітря від пари кислот застосовується фільтри типу УИФ-2, де фільтруючим матеріалом служить іонообміннийволокнистий матеріал типу вион, копан.
6.6 Пожежна безпека на радіомонтажних діл ьницях
Радіомонтажні ділянки пожежонебезпеці. Технологічні операції, такі, як наприклад, паяння, лудіння гарячим припоєм, обпалення кінців монтажного дроту, проводяться з використанням ЛВР (етилового спирту, ацетону, скипидару) і при підвищеній температурі.
Щоб уникнути пожежі електропаяльники і електрообжигалки повинні забезпечуватися спеціальними термостійкими діелектричними підставками. Кінці монтажних дротів слід обпалювати в термостійких шафах, що не згорають.
ЛВР потрібно зберігати в герметично закритому посуді і відкривати її потрібно тільки при користуванні ЛВР.
При ремонті і експлуатації радіоапаратури великої потужності потрібно врахувати, що тепло, що виділяється, цією апаратурою може стати причиною пожежі. Щоб уникнути пожежі, потрібно могутню апаратуру розмісити в будівлі не нижче 3 ступеня вогнестійкості. Могутні генератори, лампи радіоапаратури повинні бути забезпечені повітряним або водяним охолоджуванням.
6.7 Пожежна безпека
Правила пожежної безпеки докладно викладені у „Правилахпожежної безпеки в Україні ”, а також ДНАОП 0.00.-1.31-99. Основні їх засади буде приведено нижче. Споруди і ті їх частини, в яких розташовуються РЕА, повинні бути не нижче другого ступеню вогненебезпечності. Над і під приміщенням, де розташовуються РЕА, так само в суміжних з ним приміщеннях забороняється розташування приміщень категорії А і Б за вибухонебезпечністю. Приміщення категорії В слід відокремлювати від приміщень з РЕА протипожежними стінами. Для промивання деталей необхідно застосовувати негорючі миючи засоби. Промивання горючими рідинами дозволяється тільки в спеціальних приміщеннях, обладнаних припливно-витяжною вентиляцією. Засоби для забезпечення безпеки людей визначаються в залежності від пожежонебезпечних властивостей та кількості речовин та матеріалівзгідно з ДСТ 12.1.004-91 та ДСТ 12.1.044-89.
Приміщення, в яких розташовуються персональні ПК і машинні зали повинні бути оснащені системою автоматичної пожежної сигналізації з димовим пожежним сповіщенням переносними вуглицевокислотними вогнегасниками з розрахунку 2 штуки на кожні 20 квадратних метрів площі приміщення. Евакуаційних виходів з приміщень кожного поверху повинно бути не менше двох.
Первинні засоби пожежегасіння застосовуються для боротьби з початковим вогнем . До них належать вогнегасники, пожежні крани, ручні насоси, резервуари з водою, ящики з піском і ін. Для гасіння вогню застосовують вогнегасники хімічно-пінні (ОХП-10), вуглицевокислотні (ОУ-2, ОУ-5, ОУ-8) і порошкові (ОП-1, ОП-10). Пінний вогнегасник (ОХП-10) не можна застосовувати для гасіння електроустановок під напругою до 100В. По ефективності пожежегасіння, економічності і іншим показникам перспективними є порошковівогнегасники.
6.8 Електробезпека в приміщеннях
Вимоги електробезпеки в приміщеннях, де встановлені електронно-обчислювальні машини, і персональні комп'ютери відображений ДНАОП 0.00-.131.99, а також необхідно дотримуватись Правил пристрою електроустановки (ППЕ), ССБТ(ДСТ-12.1.006-84, ДСТ 12.1.019-79, ДСТ 12.0.030-81, ДСТ 12.1.045-84), ПТЕ, ПБЕ, ВСН 59-88, “Електроустаткування житлових і громадських будівель. Норми проектування”, СН357-77 „Інструкціяпо проектуванню силового освітлювального устаткування підприємства”.
Лінія електромережі для живлення РЕА, периферійних пристроїв РЕА і для обслуговування, ремонту і наладки РЕА виконується як окрема групова трипрохідна мережа, шляхом прокладки фазового, нульового робочого та нульового захисного провідників. Нульовий захисний провідник використовується для заземлення (занулення) електроприймачів і прокладається від стійки групового розподільного пункту до розеток живлення.
Загальні вимоги до виробничих процесів вказані в ГОСТ12.3.002-75. Основними його положеннями:
Монтаж, обслуговування, ремонт і налагодження пристроїв, блоків при не вімкнутому живленні, повинно виконуватися при наступних вимогах:
- пристрої, додаткова апаратура повинні бути заземлені;
- роботи виконуються не менш ніж двома способами;
- робітники повинні виконувати роботу інструментом з ізоляційними ручками, стоячи на діелектричному килимку або бути в діелектричних калошах;
- електроінструмент повинен бути на напругу не більше 36В;
- ремонт телевізійних приймачів а також всі види робіт з відкритим кінескопом повинні виконуватися в захисних окулярах або масці;
- до робіт з обслуговування, наладці і ремонту РЕА допускаються особи, які мають кваліфікаційну групу по електробезпеці не менше третьої.
- У випадку роботи з інструментом з робочою напругою 220В на ньому повинен бути штамп про перевірку, дія якої ще не закінчилась.
7 ТЕХНІЧНЕ ОБСЛУГОВУВАННЯ ТА РЕМОНТ ПРОЕКТОВАНОГО ПРИСТРОЮ
7.1 Налагоджування таймера-регулятора потужності
Спочатку варто перевірити відсутність коротких замикань на монтажній платі. Для перевірки роботи та налагоджування вузла синхронізації з мережою необхідні генератор НЧ , осцилограф та лабораторний блок живлення. Подавши до входу вузла синхронізації сигнал з амплітудою 220 ± 10% з частотою 50 Гц на емітері VT3 осцилографом контролюють сигнал на виході.
Потім, підключивши генератор НЧ до виводу 5 DD1, перевіряємо працездатність мікросхеми KP1006ВИ1 та зібраний на ньому одновібратор, обертом движка змінного резистора R7 отримують максимальну амплітуду струму стабілізації в колі емітера транзистора VT1.
Після цього перевіряємо лічильник DD3 та RS– тригер , шо разом створюють генератор генератор імпульсів з періодом повторення вдесятеро більшим від періоду повторення імпульсів одновібратора. Для цього до входу DD3 підключаємо генератор прямокутнх імпульсів з невеликою амплітудою та періодом від 10 мс до 1 секунди. А на виході DD1.4 ми маємо отримати імпульси вдесятеро меншим періодом.
Далі, підключивши мультиметр до блоку живлення перевіряємо працездатність його, а саме напругу живлення для радіоприймача;на виході стабілізатора вона повинна мати величину 12,5 В.
Налагоджування таймера-регулятора потужності закінчується перевіркою роботи схеми з блоком живлення на 12,5 В.
7.2 Організації робочого місця з обслуговування та ремонта таймера-регулятора потужності
Для визначення технічного стану радіоелектронній апаратурі використовують два способи: 1 дія тестовими сигналами на вхідні та проміжні точки апаратури і аналіз відгуку на них; 2 аналіз за допомогою контрольних вимірів апаратури (КВА) проміжних та вихідних сигналів в реальних умовах роботи апаратури. Обидва способи можливо представити у вигляді алгоритму діагностики стану побутової радіоелектронної апаратури.
Робочі місця для пошуку несправностей, регулювання і налаштування пристрою
повинні відповідати нормам безпеки роботи для робочого персоналу, а саме мати відповідне заземлення для електронних вимірювальних пристроїв безпечні джерела електроживлення.
Несправності РЕА усуваються в результаті проведення електромонтажних, механічних, настроювальних і регулювальних операцій. Вони відрізняються один від одного прийомами виконання, вживаним інструментом, ремонтними матеріалами, вимогами до безпеки проведення робіт.
Більшість використовуваних транзисторів, діодів, інтегральних мікросхем чутлива до статичної електрики. Тому паяльник рекомендується заземляти, оскільки заряд статичної електрики або напруга живлення паяльника при пробої його ізоляції може необоротно пошкодити активні радіоелементи. Слід уникати надмірного перегріву виводів активних і пасивних елементів. Для тепловідводу звичайно використовується пінцет.
При заміні резисторів і конденсаторів необхідно дотримуватися прийнятого способу установки деталей. Заміна потужних активних елементів, встановлених на тепло відводах і радіаторах, проводиться так, щоб зменшити тепловий опір переходу корпусу елементу і радіатора
Приміщення повинне мати природне і штучне освітлення відповідно СНІП 11-4-79. Природне освітлення повинне забезпечувати коефіцієнт природного освітлення не нижче 1,5%, розрахунок коефіцієнта природного освітлення проводиться відповідно СНІП 11-4-79. Вікна приміщень повинні мати регулювальні пристосування для відкриття, а також жалюзі, штори і так далі.
Штучне освітлення приміщення з робітниками місцями повинно бути оснащено системою спільного рівномірного освітлення. Для спільного освітлення необхідно використовувати світильники з розсіювачами і дзеркальними екранними сітками.
Рівень освітлення на робочому столі в зоні розміщення документів має бути в межах 300 — 500 лк, освітлення екрану не повинне перевищувати рівень в 300 лк. Необхідно передбачити обмеження відстані від джерела природного або штучного освітлення, при цьому яскравість поверхні, що світяться і прибувають в полі зору, має бути не більше 200 кд / м2 . Яскравість відблисків на екрані не повинна перевищувати 40 кд / м2 . Необхідно використовувати систему вимикачів, що дозволяли б регулювати інтенсивність штучного освітлення залежно від інтенсивності природного.
Для визначення технічного стану радіоелектронної апаратури застосовуються прилади і засоби вимірювання, реалізовуючи алгоритм діагностики апаратури по стану. Сукупність вхідних і вихідних параметрів апаратури, технічні вимоги по її настройці і регулюванню, вибір способу діагностики пошуку несправності обумовлюють склад контрольних пристроїв.
Відповідно завданню до дипломного проекту я розробив та склав алгоритм пошуку несправностей та задачі ремонту, що значно покращать експлуатацію пристрою, забезпечать надійну роботу та його технічне обслуговування.
Для цього розглянемо наступні пункти:
1 Ознайомлення із структурною та електричною схемами.
2. Вивчення принципу роботи пристрою.
3. Вивчення елементної бази.
4. Складання алгоритмів пошуку несправностей в пристрої.
5. По алгоритмах пошуку несправності необхідний підбір апаратного парку приладів вимірювання.
Складання алгоритму пошуку несправностей радіотехнічних пристроїв починаю із симптомів (Симптом - поведінка радіотехнічного пристрою у своїй роботі повторює неполадку при ввімкненні пристроїв живлення) При такій поведінці необхідно зробити логічний аналіз схеми роботи пристрою, знайти необхідний блок, який вийшов з ладу.
Далі треба зробити логічний аналіз по роботі блок-схеми, на основі цього аналізу провести детальну перевірку елементів несправної схеми пристрою.
Перевірку елементів необхідно провести у вигляді алгоритму пошуку несправності, який починається із симптому неполадки. Логічний аналіз причин виходу з ладу елементів і є послідовністю перевірки елементів схеми.
Перевірку елементів необхідно проводити за допомогою вимірювальних пристроїв: лабораторного блока живлення, цифрового вольтметра, або застосувати універсальний пристрій замірів електричних параметрів, що мають декілька функцій, таких як: тестер або мультиметри.
1. Мультиметри. Технічні характеристики: верхня межа діапазону вимірюваних величин:
Постійного і змінного струму, мА................... 20 і 2000
Опір, кОм..............................................................20 і 2000
постійної напруги, В........................................... 20 і 2000
змінної напруги, В................................................20 і 350
частоти, кГц...........................................................100 і 1000
коефіцієнта h21e .......................................................1000
Молодший розряд вимірюваної величини, мВ, Ом, мкА, Гц.... 10
Погрішність змін , %:
постійної напруги і опорів.....................................0,2
постійних струмів....................................................0,3
змінної напруги і струмів........................................0,5
Для приведення параметрів відремонтованих пристроїв відповідно до необхідних допусків після ремонту або тривалого терміну експлуатації використовуються операції налаштування та регулювання. Ці операції виконуються за допомогою контрольних вимірів апаратури
Відремонтована апаратура повинна пройти після ремонтний контроль і випробовування на відповідність параметрів технічним умовам і вимогам.
7.3 Алгоритм пошуку несправностей та регулювання
Згідно до мого дипломного завдання симптомом буде відсутність напруги (12,5 В.) на виході стабілізатора це точки - 3 та 4, на рисунку 1. Напруга на вході стабілізатора поміж, точками 1 та 2 існує.

Рисунок 7.1 - Схема електрична принципова випрямляча з фільтром та стабілізатора на трьох транзисторах
Можливі несправності:
1. Перевірка пристрою при вимкненому живлені:
1. Вихід із ладу VT5.
2. Вихід із ладу VT4.
3. Вихід із ладу резистора R13.
4. Вихід із ладу резистора R14.
5. Вихід із ладу резистора R15.
6. Вихід із ладу VT6.
7. Вихід із ладу VD5.
8. Вихід із ладу резистора R19.
9. Вихід із ладу резистора R20.
10. Вихід із ладу резистора R21.
11. Перевірка базового ланцюга VT5-VT4.
2. Перевірка пристрою при увімкненому живлені:
1. Перевірити напругу 220В на вході трансформатора.
2. Перевірити напругу на виході трансформатора.
3. Перевірити напругу на конденсаторі С10.
4. Перевірити напругу на стабілітроні VD5.
5. Перевірити напругу на виході стабілізатору 12,5 В.
6. Резистор R20 відрегулювати до потрібної напруги 12,5 В.
Вимірювання параметрів схеми необхідно проводити згідно кіл схеми і номіналу елементів схеми.
Перевірку елементів схеми необхідно проводити при вимкненому живленні мережі 220 В. При виконанні певного пункту необхідно переходити до наступного пункту алгоритму пошуку несправності. Після перевірки всіх елементів схеми при вимкненому живленні необхідно перейти до алгоритму при ввімкненому живленні мережі.
Розглянемо алгоритм пошуку несправностей для стабілізатора таймера-регулятора потужності.
8 ЕКОНОМІЧНА ЧАСТИНА
Економічній частині дипломного проекту здійснюється розробка і розрахунок основних розділів бізнес-плану, у якому передбачається: здійснення маркетингових досліджень ринку для визначення обсягів випуску розробленої конструкції; розрахунок оптової ціни; визначення беззбитковості виробництва; розрахунок витрат на рекламу, розрахунок заробітної плати.
На підставі проведених розрахунків робиться висновок про доцільність проектування і впровадження нової конструкції у виробництво.
Початкові дані для розрахунку взяті з виробничих умов:
- розмір плати з креслення складального
- кількість отворів з друкованої плати
- час складання пристрою з маршрутного листа
- кількість та назва елементів з переліку елементів
Розрахунок складаеться з трьох основних етапів
1) Розрахунок витрат на матеріали
2) Розрахунок заробітної плати
3) Розрахунок оптової ціни
Розрахунок оптової ціни є кінцевим етапом економічної частини
8.1 Розрахунок оптової відпускної ціни
Розрахунок оптової відпускної ціни здійснюється на підставі калькуляції собівартості продукції на всіх етапах її виготовлення. Розрахунок цехової собівартості здійснюється по формулі:
Сцех = М + Зпр +Зд +Здод +Зсоц +Зфз +Зпенс +Кцех (8.1.1)
Сцех. = 29,95 +7,99 + 1,13 + 1,52 + 0,16 + 0,14 + 3,53 + 10,76 = 55,18 грн.
де М - витрати на основні матеріали і комплектуючі вироби з урахуванням витрат на транспортування їх на завод;
Зпр - пряма (тарифна) заробітна плата основних виробничих робітників;
Зд - доплати до заробітної плати;
Здод - додаткова заробітна плата;
Зсоц - відрахування на соціальне страхування;
Зфз - відрахування до фонду зайнятості працівників;
Зпенс - відчислення до пенсійного фонду;
Кцех – непрямі цехові витрати.
Виробничі витрати, пов'язані з виготовленням конструкції, що включаються в заводську собівартість, визначаються по формулі:
Сзав = Сцех + Кзаг (8.1.2)
Сзав = 55,18 + 11,31 = 66,49грн.
де Кзаг - непрямі загальнозаводські витрати.
Кожне підприємство не тільки виробляє свою продукцію, але і реалізує її, тому враховується реалізаційні витрати, що входять у повну собівартість.
Спов. = Сзав + Кпозавир(8.1.3)
Спов. = 66,49+ 7,31 = 73,80грн.
де Кпозавир - непрямі позавиробничі витрати;
Підприємство реалізує свою продукцію за гуртовою ціною, яка визначає розмір виручки заводу.
Цгурт = Спов + П (8.1.4)
Цгурт = Спов + П = 73,80 + 14,76 = 88,56 грн.
де П - плановий розмір прибутку, який розраховується на підставі рівня рентабельності, і визначається по формулі:
П = (Спов * Крент %)/100 %(8.1.5)
П = 14,76 грн.
Для реалізації продукції покупцям існують відпускні ціни, до складу яких включають податок на додану вартість:
Цвідп = Цгурт + ПДВ (8.1.6)
Цвідп = 88,56 + 17,71 = 106,27 грн.
де ПДВ - податок на додану вартість, який розраховується за формулою:
ПДВ = (Цгурт * Кпдв %)/100 % (8.1.7)
ПДВ = 17,71 , грн.
8.2 Розрахунок витрат на основні матеріали
Основним матеріалом для виготовлення даної конструкції є склотекстоліт, який використовується для виготовлення друкованої плати. Для визначення витрат на основні матеріали, необхідно розрахувати масу заготівки. Вона обчислюється за формулою:
Рзаг = V* p= L·i·h·p (8.2.1)
Рзаг = 12·9,25·0,15·1,6 = 26,64 г = 0,027 кг
де
V- Об'єм печатної плати, см³
р - питома вага склотекстоліту (рсг = 1,6 г/см³)
L- довжина друкованої плати, см
і - ширина друкованої плати, см
h- товщина друкованої плати (товщина одного шару h=0,1 см), см
Витрати на матеріали друкованої плати розраховуються за формулою:
М = Рзаг * Ц (8.2.2)
М= 0,027* 46 = 1,24 грн.
де Ц - ціна склотекстоліту одного кілограма, грн.
На підставі приведених вище розрахунків визначаються витрати на основні матеріали в таблиці 8.1:
Таблиця 8.1 - Витрати на основні та допоміжні матеріали
| Найменування матеріалу | Одиниця виміру | Норма витрат на 1 пайку, г | Кількіст ь паєк | Ціна за одиницю виміру, грн. |
Сума, грн. |
| Склотекстоліт | Кг | Рзаг | 0,031 | 46 | 1,24 |
| Припій ПОС-61 | Кг | 0,1 | 182 | 0,06 | 1,09 |
| Лак ПФ | Кг | 0,3 | 182 | 0,12 | 6,55 |
| Флюс | Кг | 0,1 | 182 | 0,03 | 0,55 |
| Етиловий спирт | Л | 0,1 | 182 | 0,069 | 1,26 |
| Разом витрат: | ΣМ= 10,69 | ||||
Транспортно - заготівельні витрати (12%) |
Ттр-заг = 1,28 | ||||
| Разом витрат на основні матеріали з урахуванням заготівельних витрат | М1 = 11,97 |
Ттр-заг = (ΣМ * Ктр-заг %)/100% (8.2.3)
Ттр-заг = 1,28 грн.
де Ктр-заг - відсотки на транспортно - заготівельні витрати.
М1 = ΣМ + Т тр-заг (8.2.4)
М1 = 11,97 грн.
8.3 Розрахунок витрат на купувальні комплектуючи вироби
Розрахунок витрат на купувальні комплектуючи вироби здійснюється на підставі даних специфікацій: на купувальні комплектуючи вироби, що входять у конструкцію, а також договірних цін за одиницю купувальних комплектуючих виробів.
Весь розрахунок витрат здійснюється в таблиці 8.2
Таблиця 8.2 - Розрахунок витрат на ККВ
| Найменув. | Тип | Кількість, | Ціна за 1 | Сума, |
| виробу | штук | штуку, грн. | грн. | |
| Конденсатори: | ||||
| С1 | 0,1 мк К10-17 ОЖО.460.099 ТУ | 1 | 0,25 | 0,25 |
| С2 | 1мкК10-17 ОЖО.460.099 ТУ | 1 | 0,25 | 0,25 |
| C3 | 100 мк * 16 В К10-17 ОЖО.460.099 ТУ | 1 | 0,30 | 0,30 |
| C4,C5 | 10 мк * 16 В К10-17 ОЖО.460.099 ТУ | 2 | 0,25 | 0,50 |
| C6 | 1 мк * 630 В К53-18 ОЖО.460.099 ТУ | 1 | 0,35 | 0,35 |
| C7 | 470 мк * 50 В К10-17 ОЖО.460.099 ТУ | 1 | 0,25 | 0,25 |
| C8 | 0,1 мк К10-17 ОЖО.460.099 ТУ | 1 | 0,25 | 0,25 |
| C9 | 0,01 мк*630 В К10-17 ОЖО.460.099 ТУ | 1 | 0,35 | 0,35 |
| Мікросхеми | ||||
| DA1 | KP1006ВИ1 ТТ3.362.0602 ТУ | 1 | 1,30 | 1,30 |
| DA2 | TL431CLP аАО. 339.339ТУ | 1 | 0,48 | 0,48 |
| DD1.1-1.4 | K561ЛЕ5 дР3.362.029-01 ТУ | 4 | 0,30 | 1,20 |
| DD2 | K561ЛЕ8 дР3.362.029-01 ТУ | 1 | 1,00 | 1,00 |
| Індикатори | ||||
| HL1 | АЛ307ГМ | 1 | 1,10 | 1,10 |
| Резистори: | ||||
R1 |
С2-23-0,125-10к±10% ОЖО.467.081.ТУ | 1 | 0,02 | 0,02 |
| R2 | С2-23-0,125-9,1к±10% ОЖО.467.081.ТУ | 1 | 0,02 | 0,02 |
| R3 | С2-23-0,125-1к±10% ОЖО.467.081.ТУ | 1 | 0,02 | 0,02 |
| R4 | С2-23-0,125-18к±10% ОЖО.467.081.ТУ | 1 | 0,02 | 0,02 |
| R5 | С2-23-1-65к±10% ОЖО.467.081.ТУ | 1 | 0,05 | 0,05 |
| R6, R10 | С2-23-0,125-24±10% ОЖО.467.081.ТУ | 2 | 0,02 | 0,04 |
| R7 | СП2-2а-10к ОЖО.468.134 ТУ | 1 | 0,70 | 0,70 |
| R8, R14 | С2-23-0,25-39к±10% ОЖО.467.081.ТУ | 2 | 0,02 | 0,04 |
| R9, R11 | С2-23-0,25-12к±10% ОЖО.467.081.ТУ | 2 | 0,02 | 0,04 |
| R12 | С2-23-0,125-2,2к±10% ОЖО.467.081.ТУ | 1 | 0,02 | 0,02 |
| R13 | С2-23-0,25-2,7к±10% ОЖО.467.081.ТУ | 1 | 0,02 | 0,02 |
| R15 | С2-23-0,5-24±10% ОЖО.467.081.ТУ | 1 | 0,05 | 0,05 |
| R16 | С2-23-0,25-10к±10% ОЖО.467.081.ТУ | 1 | 0,02 | 0,02 |
| R17 | С2-23-0,125-12к±10% ОЖО.467.081.ТУ | 1 | 0,02 | 0,02 |
| R18 | С2-23-0,125-6,8к±10% ОЖО.467.081.ТУ | 1 | 0,02 | 0,02 |
| R19 | С2-23-0,25-2,2к±10% ОЖО.467.081.ТУ | 1 | 0,02 | 0,02 |
| R20, R21 | С2-23-0,25-360±10% ОЖО.467.081.ТУ | 2 | 0,02 | 0,04 |
| R22 | С2-23-0,5-39±10% ОЖО.467.081.ТУ | 1 | 0,05 | 0,05 |
| Вимикачі | ||||
| SA1 | ПКН41-1-2-ЮБО.360.006 ТУ | 1 | 0,05 | 0,05 |
| SA2 | ПКН41-1-2-ЮБО.360.006 ТУ | 1 | 0,05 | 0,05 |
| Діоди | ||||
| VD1-VD5 | Д810 CM3.362.207 ТУ | 5 | 0,20 | 1,00 |
| Тиристор | ||||
| VS1 | ВТ139-800 УЖЗ.363.030 ТУ | 1 | 1,00 | 1,00 |
| Транзистори | ||||
| VT1, VT3 | КТ3107Д аАО. 336.674 ТУ | 2 | 0,25 | 0,50 |
| VT2 | IRFU9024N Ге 3.365.020 ТУ | 1 | 0,40 | 0,40 |
| VT4 | КТ815Г аАО. 336.188 ТУ | 1 | 0,45 | 0,45 |
| VT5 | КТ3102Е аАО. 336.674 ТУ | 1 | 0,30 | 0,30 |
| Оптрони | ||||
| U1 | AOT101AC | 1 | 0,54 | 0,54 |
| Т1 CHO 60-18/70X14В-1-В бро.364.022 ТУ 1 | 3,00 3,00 | |||
| Разом витрат на ККВ | ΣМккв = 16,05 | |||
Транспортно-заготівельні витрати (12%) |
1,93 | |||
| Разом витрат на ККВ з урахуванням заготівельних витрат | ΣМ2 = 17,98 | |||
Ттранс-заг = (ΣМккв * Ктр-заг %)/100%. (8.3.1)
Ттранс-заг = 1,93 грн.
На підставі приведених розрахунків визначається величина матеріальних витрат на конструкцію, яка розраховується за формулою
М = М1 +М2 (8.3.2)
М = 29,95 грн.
де М1 - витрати на основні матеріали з урахуванням доставки (грн.)
М2 - витрати на ККВ з урахуванням транспортування на завод (грн.)
8.4 Розрахунок витрат на заробітну плату основним виробничим робітникам
Розрахунок тарифної заробітної плати відносно одиниці виробу здійснюється по всім видам робіт, пов'язаних з виготовленням друкованої плати з урахуванням трудомісткості збірки та монтажу.
Розрахунок заробітної плати основним виробничим робітникамздійснюється у таблиці 8.3
Таблиця 8.3 - Розрахунок тарифної плати основним виробничим робітникам
| Види робіт | Розряд | Сумарна трудомісткість виготовлення, хвил. | Хвилинна тарифна ставка, грн. | Сума, грн. |
| Механічні | 2 | 22 | 0,0723 | 1,59 |
| Хіміко-гальванічні | 3 | 22,4 | 0,0800 | 1,79 |
| Складальні | 3 | 36,1 | 0,0800 | 2,89 |
| Монтажні | 3 | 6,1 | 0,0800 | 0,49 |
| Налагоджувально-регулювальні | 4 | 5,7 | 0,0900 | 0,51 |
| Контрольні | 4 | 8 | 0,0900 | 0,72 |
| Разом тарифна заробітна плата | ___ | 100,3 | ___ | ΣЗпр = 7,99 |
Таким чином, заробітна плата основним виробничим робітникам складає 7,99 грн.
Далі розрахунок відпускної ціни вироби розраховується з допомогою ЕОМ. Необхідно привести роздрук калькуляції собівартості та розрахунку ціни. Він приведений у таблиці 8.4
Таблиця 8.4 - Роздрук калькуляції
| Найменування | Сума,грн |
| Витрати на основні матеріали | 11,97 |
| Витрати на покупні вироби | 17,98 |
| Пряма (тарифна) заробітна плата | 7,99 |
| Доплати до заробітної плати | 1,13 |
| Додаткова заробітна плата | 1,52 |
| Відчислення до пенсійного фонду | 3,53 |
| Відрахування на соціальне страхування | 0,16 |
| Відрахування до фонду зайнятості працівників | 0,14 |
| Непрямі цехові витрати | 10,76 |
| Усього:цехова собівартість | 55,18 |
| Непрямі загальнозаводські витрати | 11,31 |
| Усього:заводська собівартість | 66,49 |
| Непрямі позавиробничі витрати | 7,31 |
| Усього:повна собівартість | 73,80 |
| Плановий прибуток | 14,76 |
| Усього:оптова ціна виробу | 88,56 |
| Податок на додану вартість | 17,71 |
| Усього:відпускна ціна виробу | 106,27 |
ВИСНОВКИ
Під час роботи над курсовим проектом, були засвоєні основні методи та стандарти складання розділів, та креслення курсового проекту.
Розроблена мною друкована плата виготовлена комбінованим позитивним методом.
Оптова ціна мого пристрою 106,27 грн.
Для набирання тексту був засвоєний важливий пакет програм для роботи з текстом „Microsoft Office”, до якого входять програми для складання креслень та графіків (MicrosoftExelтаVisio). В особливому порядку було досліджено професійні програми S.Plan 6.0, P-CAD2002таSprintloyout4.0, завдяки яким я розробив друковану плату.
Були отримані практичні навички по складанню технічної документації і проведений розрахунок стабілізатора напруги.
Був засвоєний ряд ГОСТів що безпосередньо торкаються спеціальності 5.090704.
ПЕРЕЛІК ПОСИЛАНЬ
1. АртамоновБ.И., БокуняевА.А. Источникиэлектропитаниярадиоустройств: Учебник для техникумов. – М.: Энергоиздат, 1982.
2. Бойчик Г.М. Економіка підприємства. Навчальний посібник
– Київ „Атіка” 2002
3. Бойчик Г.М. Економіка підприємства – Київ „Каравела” 2001
4. Покропивный С.Ф. Экономика предприятий. Учебник – Киев 2003
5. Посібник з дипломного проектування, ХРТТ 2006р.
6. „Радио” №2 1991.
7. „Радио” №1 1996.
8. „Радио” №12 2005.
9. Сизых Г.Н. Электропитание устройств связи: Учебник для техникумов. – М.: Радио и связь, 1982.
10. Тарасюк П.М., Шваб А.І. Планування діяльності підприємства – К: „Каравела”, 2003
11. Швиданенко Г.А. Економіка підприємства – Київ 2001
12. Шегди А.В. Економіка підприємств Навчальний посібник Київ Знання 2005
Формат |
Зона | Поз. | Позначення | Назва | Примітка | ||||||||
| Документація | |||||||||||||
| ХРТТ ДП5.090704.012.000.Е3 | Схема електрична принципова | ||||||||||||
| А1 | ХРТТ ДП 5.090704.012.000.СК | Складальне креслення | |||||||||||
| ХРТТ ДП 5.090704.012.010 | Плата | ||||||||||||
| Деталі | |||||||||||||
| 1 | ХРТТ ДП 5.090704.012.010 | Плата | 1 | ||||||||||
| Інші вироби | |||||||||||||
| Конденсатори | |||||||||||||
| 2 | К10-170,1 мкФ ± 15% | 1 | С1 | ||||||||||
| ОЖО.460.099ТУ | |||||||||||||
| 3 | К10-17 1 мкФ | 1 | С2 | ||||||||||
| ОЖО.460.099ТУ | |||||||||||||
| 4 | К10-17 100мкФ×16В | 1 | С3 | ||||||||||
| ОЖО.460.099ТУ | |||||||||||||
| 5 | К10-17 10 мкФ×16В | 2 | С4,С5 | ||||||||||
| ОЖО.460.099ТУ | |||||||||||||
| 6 | К53-181 мкФ×630В | 1 | С6 | ||||||||||
| ОЖО.464.136ТУ | |||||||||||||
| 7 | К10-17 470 мкФ×50 В | С7 | |||||||||||
| ОЖО.460.099ТУ | |||||||||||||
| 8 | К10-17 0,1 мкФ ±15% | С10 | |||||||||||
| ОЖО.460.099ТУ | |||||||||||||
| 9 | К10-17 0,01 мкФ×630В | С11 | |||||||||||
| ОЖО.460.099ТУ | |||||||||||||
| ХРТТ ДП xxxxxx012 000 | |||||||||||||
| Зм. | Арк. | № докум. | Підпис | Дата | |||||||||
| Розробив | Лебедєв А.С. | Таймер-регулятор потужності СПЕЦИФІКАЦІЯ |
Літ | Аркуш | Аркушів | ||||||||
| Перевірив | Підгорний В.А. | У | 1 | 4 | |||||||||
| Ст. конс. | Демидов В.Г. | Р- 414 | |||||||||||
| Н. Контр. | Демидов В.Г. | ||||||||||||
| Затвердив | Демидов В.Г. | ||||||||||||
| Формат | Зона | Поз. | Позначення | Назва | Примітка | ||||||||
| Мікросхеми | |||||||||||||
| 10 | КР1006БИ1 | 1 | DD1 | ||||||||||
| ТТ3.362.0602 ТУ | |||||||||||||
| 11 | K561ЛЕ5 | 1 | DD2 | ||||||||||
| дР3.362.029-01 ТУ | |||||||||||||
| 12 | K561ИЕ8 | 1 | DD3 | ||||||||||
| дР3.362.029-01 ТУ | |||||||||||||
| Резистори | |||||||||||||
| 13 | С2-23-0,125-10к±10% | 1 | R1 | ||||||||||
| ОЖО .467.081 ТУ | |||||||||||||
| 14 | С2-23-0,125-9,1к±10% | 1 | R2 | ||||||||||
| ОЖО .467.081 ТУ | |||||||||||||
| 15 | С2-23-0,125-1к±10% | 1 | R3 | ||||||||||
| ОЖО .467.081 ТУ | |||||||||||||
| 16 | С2-23-0,125-18к±10% | 1 | R4 | ||||||||||
| ОЖО .467.081 ТУ | |||||||||||||
| 17 | С2-23-1-65к±10% | 1 | R5 | ||||||||||
| ОЖО .467.081 ТУ | |||||||||||||
| 18 | С2-23-0,125-24±10% | 2 | R6,R10 | ||||||||||
| ОЖО .467.081 ТУ | |||||||||||||
| 19 | С2-23-0,25-39к±10% | 1 | R8 | ||||||||||
| ОЖО .467.081 ТУ | |||||||||||||
| 20 | С2-23-0,25-12к±10% | 2 | R9,R11 | ||||||||||
| ОЖО .467.081 ТУ | |||||||||||||
| 21 | С2-23-0,125-2,2к±10% | 1 | R12 | ||||||||||
| ОЖО .467.081 ТУ | |||||||||||||
| 22 | С2-23-0,5-670±10% | 1 | R14 | ||||||||||
| ОЖО .467.081 ТУ | |||||||||||||
| ХРТТ ДП xxxxxx012 000 | Арк. | ||||||||||||
| 2 | |||||||||||||
| Зм. | Арк. | № докум. | Підпис | Дата | |||||||||
| Формат | Зона | Поз. | Позначення | Назва | Примітка | ||||||
| 23 | С2-23-0,125-320±10% | 1 | R15 | ||||||||
| ОЖО .467.081 ТУ | |||||||||||
| 24 | С2-23-0,5-24±10% | 1 | R16 | ||||||||
| ОЖО .467.081 ТУ | |||||||||||
| 25 | С2-23-0,125-12К±10% | 1 | R17 | ||||||||
| ОЖО .467.081 ТУ | |||||||||||
| 26 | С2-23-0,125-6,8К±10% | 1 | R18 | ||||||||
| ОЖО .467.081 ТУ | |||||||||||
| 27 | С2-23-0,125-750±10% | 1 | R19 | ||||||||
| ОЖО .467.081 ТУ | |||||||||||
| 28 | С2-23-0,125-4К±10% | 2 | R21,R13 | ||||||||
| ОЖО .467.081 ТУ | |||||||||||
| 29 | С2-23-0,25-2,2К±10% | 1 | R22 | ||||||||
| ОЖО .467.081 ТУ | |||||||||||
| 30 | С2-23-0,25-360±10% | 2 | R23,R24 | ||||||||
| ОЖО .467.081 ТУ | |||||||||||
| 31 | С2-23-0,5-39±10% | 1 | R25 | ||||||||
| ОЖО .467.081 ТУ | |||||||||||
| 32 | СП2-2а-10к | 1 | R7 | ||||||||
| ОЖО.468.134 ТУ | |||||||||||
| 33 | СП2-2а-1,3к | 1 | R20 | ||||||||
| ОЖО.468.134 ТУ | |||||||||||
| Оптрони | |||||||||||
| 34 | С2-23-0,125-18к±10% | 1 | SU1 | ||||||||
| ОЖО .467.081 ТУ | |||||||||||
| 35 | С2-23-1-65к±10% | 1 | SU2 | ||||||||
| ОЖО .467.081 ТУ | |||||||||||
| ХРТТ ДП xxxxxx012 000 | Арк. | ||||||||||
| 3 | |||||||||||
| Зм. | Арк. | № докум. | Підпис | Дата | |||||||
| Формат | Зона | Поз. | Позначення | Назва | Примітка | ||||||
| Діоди | |||||||||||
| 36 | Д810 | 1 | VD5 | ||||||||
| СМ3.362.207 ТУ | |||||||||||
| Транзистори | |||||||||||
| 37 | КТ3107Д | 2 | VT1, VT3 | ||||||||
| аАО.336.674 ТУ | |||||||||||
| 38 | IRFU9024N | 1 | VT2 | ||||||||
| Ге 3. 365.020 ТУ | |||||||||||
| 39 | П601БИ | 1 | VT4 | ||||||||
| аАО.336.188ТУ | |||||||||||
| 40 | КТ814В | 1 | VT5 | ||||||||
| аАО.336.188ТУ | |||||||||||
| 41 | КТ342Б | 1 | VT6 | ||||||||
| аАО.336.188ТУ | |||||||||||
| 42 | КТ3102Е | 1 | VT7 | ||||||||
| аАО.336.674 ТУ | |||||||||||
| Тиристор | |||||||||||
| 43 | BT139-800 | 1 | VS1 | ||||||||
| УЖЗ.363.030 ТУ | |||||||||||
| ХРТТ ДП xxxxxx012 000 | Арк. | ||||||||||
| 4 | |||||||||||
| Зм. | Арк. | № докум. | Підпис | Дата | |||||||
Похожие рефераты:
Розробка інвертора напруги для апаратури зв'язку
Розробка двохсмугової активної акустичної системи з сабвуфером
Детонометр разработка конструкции
Теорія електричних і електронних кіл
Ремонт и регулировка мониторов для компьютеров
Модернізація апарату для ультразвукової терапії шляхом удосконалення блоку живлення
Діагностика системи запалення ДВЗ
Способи намазування стелі кельмою з сокола розчином
Розрахунок схеми підсилювача з двополярним джерелом електроживлення
Електроніка та мікропроцесорна техніка
Розробка і оформлення конструкторської документації гібридних інтегральних мікросхем
Модернізація системи кеування електроприводом стрічкового конвеєра