| Похожие рефераты | Скачать .docx |
Курсовая работа: Разработка печатного узла шестиуровневого индикатора напряжения аккумулятора
Федеральное агентство по образованию РФ
Рязанский государственный радиотехнический университет
Кафедра ТРЭА
Пояснительная записка
к курсовому проекту на тему:
«Разработка печатного узла шестиуровневого индикатора напряжения аккумулятора»
Выполнила:
студентка группы 5410
Герасимова О.И.
Проверил:
Коваленко В.В.
Рязань 2009
Содержание
Введение
1 Анализ исходных данных
2 Обоснование выбора элементной базы и способа монтажа
3 Перечень элементов
4 Выбор метода пайки
5 Расчет конструкции ПП (размер, контактные площадки, переходные отверстия, проводники и зазоры)
6 Создание библиотеки компонентов
7 Формирование схемы электрической принципиальной с протоколом ошибок
8 Компоновка (NET лист, протокол ошибок )
9 Трассировка
10 Файл отчетов о трассировке
Заключение
Список литературы
Приложение
Введение
В настоящее время печатные платы являются основным элементом электронной аппаратуры, выполняя функции несущей конструкции и коммутационного устройства. Они широко применяются во всех областях науки и техники.
Основной задачей в современном производстве является проектирование и производство продукции, соответствующей мировому уровню для обеспечения конкурентоспособности, которая определяется качеством, надежностью и безопасностью эксплуатации устройств. Данная проблема осложняется постоянным ростом функциональной и конструктивной сложности электрорадиоэлементов, устанавливаемых на плату, а также процессом микроминиатюризации электронной аппаратуры, отставанием технологических возможностей предприятий. Поэтому необходимо повышать трассировочные возможности плат за счет повышения плотности монтажа, уменьшения ширины печатных проводников и расстояний между ними, увеличения числа слоев многослойных печатных плат, уменьшения габаритов и массы аппаратуры и, соответственно, печатных плат. Таким образом, конструкция и технология сборки требуют непрерывного совершенствования.
Сейчас существует множество различных по функциональным возможностям программных пакетов для разработки конструкций печатных узлов. Одним из наиболее распространенных является P-CAD. Его мы и будем использовать в данном курсовом проекте при разработке конструкции печатного узла шестиуровневого индикатора напряжения аккумулятора.
1 Анализ исходных данных
В данном курсовом проекте необходимо разработать печатный узел шестиуровневого индикатора напряжения аккумуляторной батареи.
В качестве исходных данных была получена принципиальная электрическая схема устройства, а также ряд требований к проекту:
1. Коэффициент использования платы не менее 1,5;
2. DIP исполнение;
3. Класс точности 4;
4. Размещение элементов двустороннее.
Исходя из этих требований, а также из назначения печатного узла, можно заключить, что к схеме предъявляются высокие требования по плотности монтажа элементов. Размещение элементов по обеим сторонам платы, применение поверхностно монтируемых компонентов и достаточно высокая точность печатного рисунка в целом способствуют микроминиатюризации печатного узла, однако основная задача проекта – грамотный выбор, размещение компонентов на малогабаритной печатной плате и её трассировка.
2 Обоснование выбора элементной базы и способа монтажа
Проанализировав принципиальную электрическую схему, заметим, что одни элементы жестко регламентированы схемой, а другие регламентированы по основному признаку. Исходя из этого первые элементы не стоит заменять другими, а вторые будем выбирать по своему усмотрению.
Итак, выбирая элементную базу будем придерживаться того, что:
1. Компоненты должны обладать указанными в схеме характеристиками;
2. Компоненты должны быть навесными;
3. Номенклатура используемых типов корпусов должна быть по возможности сужена для повышения технологичности конструкции печатного узла.
3 Перечень элементов
Резисторы типа С2-33Н относятся к постоянным непроволочным резисторам общего назначения (неизолированным).
Резисторы С2-33Н
Основные характеристики:
Номинальная мощность, Вт (при Т=85 о С)
…………………………………………………………………….0,125
…………………………………………………………………….0,25
…………………………………………………………………….0,5
……………………………………………………………………..1
……………………………………………………………………..2
Диапазон номинальных сопротивлений
………………………………………………………1 Ом…3,01 МОм
………………………………………………………1 Ом…5,11 МОм
………………………………………………………1 Ом…5,11 МОм
………………………………………………………1 Ом…10,01 МОм
………………………………………………………1 Ом…10,01 МОм
Ряд промежуточных значений; допуск………….Е24, Е96; +/ - 1, 2, 5, 10 %
Габаритные размеры
(для резистора номинальной мощностью 0,125 Вт)
D, мм………2,2
L, мм……….6,0
l, мм………..20
d,мм……….0,6
Масса, г, не более…………………………………………………...0,15

Конденсаторы К73-11
Конденсаторы типа К73-11 относятся к конденсаторам с органическим диэлектриком (полиэтилентерефталатным низковольтным).
Основные характеристики:
Номинальное напряжение, В
…………………………………………………………………….63
…………………………………………………………………….160
…………………………………………………………………….250
……………………………………………………………………..400
……………………………………………………………………..630
Диапазон номинальных емкостей, мкФ
………………………………………………………0,1…2,2
………………………………………………………0,068…6,8
………………………………………………………0,047…2,2
………………………………………………………0,022…1
………………………………………………………0,001…0,47
Ряд промежуточных значений; допуск………….Е6; +/ - 5, 10, 20 %
Габаритные размеры
(для конденсатора номинальным напряжением 250 В)
D(диаметр), мм…………………………………………7-17
L (длина), мм……………………………………………13-30
В (высота), мм………………………………....................32
ИМС К561ЛЕ5 представляет собой четыре логических элемента 2ИЛИ-НЕ объединённых в одном корпусе.
Габаритные чертежи корпуса микросхемы (корпус 201.14-1, 201.14-2)
Микросхема К561ЛЕ5
Основные электрические параметры микросхемы К561ЛЕ5:
Uпит , В..........................................5……... 10
U0вых , В…………………………0,95……2,9
U1вых , В…………………………3,6…….7,2
I0вых , мА………………………...0,3…….0,6
I1вых , мА………………………...0,3…….0,25
Iпот , мкА………………………...0,5…….5
t01 , нс…………………………....260……130
t10 , нс…………………………....180……115
Cвх , пФ…………………………..-----
Микросхема К561ЛП2
ИМС К561ЛП2 представляет собой четыре логических элемента 2И-НЕ объединённых в одном корпусе. К561ЛП2 реализуется в том же корпусе, что и К561ЛЕ5.
Основные электрические параметры микросхемы К561ЛП2:
Uпит , В...........................................5……... 10…….15
U0вых , В…………………………0,95……2,9……----
U1вых , В…………………………3,6……..7,2……-----
I0вых , мА………………………...2,6……...8…….-----
I1вых , мА………………………...1,25……1,25….-----
Iпот , мкА…………………………-----……-----…..2
t01 , нс…………………………….120…….190.…-----
t10 , нс…………………………….120…….50…...-----
Cвх , пФ…………………………..-----…….30…..-----
Эпитаксиальный двухпереходный источник света с управляемым цветом свечения. Прибор представляет собой два разноцветных светодиода, помещенных рядом в одном корпусе. Оба светодиода выполнены на основе фосфида галлия.
Цвет свечения одного – красный, другого – зеленый. При изменения тока через светодиоды могут быть получены другие цветовые оттенки свечения прибора – оранжевый и желтый.

Светодиоды АЛС331А
Прибор АЛС331А оформлен в пластмассовом корпусе. Выводы – проволочные, луженые. Масса прибора – 0,3 г. На корпусе приборов маркировка отсутствует, тип указывают на групповой таре.
Светодиоды в приборе включены встречно; общий минусовой вывод – 1, плюсовой вывод красного – 2, а зеленого – 3.
Прибор предназначен для визуального контроля работы различных устройств, контроля отклонения от заданного режима в системах автоматического регулирования и узлах аварийной защиты, а также для индикации настройки радиоприемника на выбранную волну.
Световые характеристики обоих светодиодов прибора АЛС331А (в относительных единицах):

Диаграмма зависимости цвета свечения прибора в различном соотношении значений тока через p-n переходы:
Спектры излучения переходов прибора:

Электрические характеристики при Токр.ср. =25 о С:
Сила света, мкд, не менее (при прямом токе 20 мА)……………..0,6
Постоянное прямое напряжение, В, не более
(при прямом токе 20 мА)………………. …………………………..4
Длина волны, соответствующая максимуму спектрального распределения излучения, мкм, для светодиода
красного……………………………………………………………..0,7
зеленого……………………………………………………..............0,56
Предельные эксплуатационные значения параметров:
Максимальный постоянный ток через один p-n-переход (второй обесточен), мА, при температуре окружающей среды
50 о С………………………………………………………………….20
70 о С………………………………………………………………….11
Максимальный постоянный суммарный прямой ток черех оба p-n-перехода, мА, при температуре окружающей среды
50 о С……………………………………………………………….....20
70 о С……………………………………………………………….....11
Максимальное постоянное обратное напряжение, В……………...2
Рабочий интервал температуры окружающей среды, о С……….-60…+70
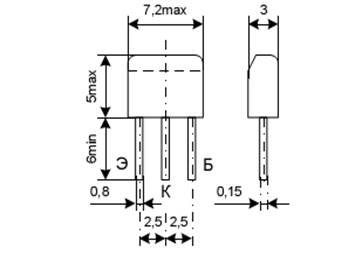
Транзисторы КТ315В
КТ315В относятся к транзисторам малой мощности высокой частоты. Технические условия – ЖК3.365.200 ТУ.

Предельные значения параметров при ТП =25 О С:
IK макс , мА………………………………………100
IK Имакс , мА……………………………………..-----
UK Эмакс {UK ЭОмакс }, В…………………………..40
UK БОмакс , В…………………………………….-----
UЭБОмакс , В…………………………………….6
PK макс {Pмакс }, мВт……………………………150
Значения параметров при ТП =25 О С:
h21 Э {h21 }………………………………………20..90
UK Б {UK Э }, В…………………………………..{10}
IЭ , {IK }, мА……………………………………..{1}
UK Энас , В…………………………………………0,4
IКБО , {IK Э }, мкА…………………………………1
FГР , {fO 21 }, МГц…………………………………250
КШ , дБ…………………………………………...-----
Входные характеристики транзисторов типа КТ315В при различной температуре окружающей среды (в схеме с общим эмиттером):

Диоды КД522Б
Диоды кремниевые эпитаксиально – планарные в пластмассовом корпусе. Маркируются цветными полосами: КД522Б – в три кольца. Масса диода не более 0,2 г.
Электрические параметры:
Постоянное прямое напряжение при Iпр = 1 мА не более
при 25 о C 1,1 В
при -55 о C 1,5 В
Постоянный обратный ток при Uобр = Uобр.макс не более
при 25 о C 5 мкА
при 85 о C 5 мкА
Ёмкость диода не более 4 пФ
Заряд переключения при Iпр = 5 мА, Uобр.имп = 1 В не более 4 пКл
Предельные эксплуатационные данные:
Постоянное обратное напряжение: 5 В
Импульсное обратное напряжение при длительности импульса
1 мкс и скважности не менее 1 6 В
Средний выпрямленный ток1 :
при температуре от -55 до 35 о C 1 мА
при 85 о C 5 мА
Импульсный прямой ток длительностью 1 мкс без превышения
среднего выпрямленного тока:
при температуре от -55 до 35 о C 15 мА
при 85 о C 85 мА
Температура перехода 125 о C
Диапазон рабочей температуры окружающей среды от -55 до +85 о C
1. В диапазоне температур от 35 до 85 о C снижается линейно.
Подстроечные резисторы СП3-4вМ
Резисторы регулировочные однооборотные с круговым перемещением подвижной системы предназначены для работы в электрических цепях постоянного, переменного и импульсного тока.
В зависимости от конструкции и способа монтажа резисторы изготовляют: СП3-4аМ, СП3-4вМ с выключателем, одинарные, для навесного монтажа; СП3-4бМ, СП3-4гМ с выключателем, одинарные, для печатного монтажа; СП3-4дМ - сдвоенные, для навесного монтажа.
Основные параметры СП3-4вМ:
Функциональная характеристика…………………..А; Б, В
Номинальная мощность, Вт…………………………………0,125
Предельное рабочее напряжение, В………………150; 100
Диапазон номинальных сопротивлений…....100Ом-4,7Мом 4,7кОм-1Мом
Габаритные размеры:
Размер от монтажной плоскости до конца вала L, мм…………..12,5/20,5/25
Вид конца вала……………………………………………………...ВС-3
Масса, г, не более…………………………………………………...11/13/13,5
4 Выбор метода пайки элементов
При групповой пайке компонентов на печатной плате должно осуществляться одновременное получение всех паяных соединений, расположенных в одной плоскости.
В технологии поверхностного монтажа для пайки компонентов на печатную плату применяются следующие методы пайки:
- пайка двойной волной припоя;
- пайка расплавлением дозированного припоя в парогазовой фазе;
- инфракрасно-конвекционная пайка;
- другие методы пайки (лазерная, через нагретое тело).
Рассмотрим применимость этих методов к данному проекту.
Другие методы пайки не рассматриваются в силу их малого распространения на предприятиях.
Пайка двойной волной припоя не подходит в виду того, что на плате присутствует микросхема с малым расстоянием между выводами, т.е. будут образовываться перемычки.
Пайка в парогазовой фазе не подходит по ряду факторов:
1.термоудар компонентов и платы вследствие быстрого нагрева;
2.дороговизна;
3.экологическая опасность метода.
Пайка в инфракрасно-конвекционной печи является оптимальным вариантом для данного печатного узла, так как:
1. это испытанный способ массового производства;
2. возможно паять элементы с близко расположенными выводами (в том числе BGA);
3. самоцентрирование элементов на жидком припое;
4. отсутствие теплового удара в виду плавности термопрофиля печи.
Пайка в печи, при использовании строго дозированного количества припоя требует принятия особых конструктивных мер при разработке печатной платы. В частности, контактные площадки нельзя совмещать с переходными отверстиями, и более того, переходное отверстие, соединяемое с данной контактной площадкой, должно соединяться тонким печатным проводником длиной не менее 0,5 мм. Если же к контактной площадке должен подходить широкий проводник, то непосредственно перед контактной площадкой он должен быть сужен до размера минимального по ширине проводника. Припойные площадки должны иметь одинаковые размеры с целью достижения симметричных натяжений в процессе пайки. Соседние припойные площадки, подлежащие соединению, не могут соединяться по всей их ширине. Для этой цели должен использоваться узкий печатный проводник.
Необходимо также учесть, что при пайке в печи двусторонней платы элементы какой-либо из её поверхностей подвергаются двукратному нагреву. Разумно размещать на этой поверхности резисторы и конденсаторы, так как:
1. они выдерживают многократную пайку;
2. малая масса позволяет им удерживаться на нижней стороне платы только за счет поверхностного натяжения расплавленного припоя (без приклеивания).
5 Расчет конструкции печатной платы
С целью уменьшения размеров печатного узла применим конструкцию двусторонней печатной платы с металлизацией переходных отверстий. Платы с металлизацией переходных отверстий имеют высокую трассировочную способность, обеспечивают высокую плотность монтажа элементов и хорошую механическую прочность их крепления. Они допускают монтаж элементов на поверхность и являются в настоящее время наиболее распространенными в производстве радиоэлектронных устройств.
Расчет контактных площадок
Выбор размеров отверстий связан с толщиной платы. От соотношения диаметра отверстия к толщине платы зависит качество механической сборки, которая определяет надежность ПП. Оптимальное соотношение между диаметром отверстия и толщиной платы: для гетинакса d
0.6h, для стеклотекстолита d
0.4h
Основные варианты конструкции отверстий ПП показаны на рис. 1.

Рис. 1
Главный параметр отверстия - его диаметр (d), который у не металлизированных отверстий совпадает с диаметром сверления (dc). Для металлизированных отверстий диметр отверстия отличается от диаметра сверления на двойную толщину металлизации, а в случае применения гальванического покрытия еще и на двойную толщину этого покрытия.
Диаметры отверстий печатных плат (гладких и металлизированных) следует выбирать из ряда по ГОСТ 10317-79, который включает диаметры от 0,4 до 3,0 мм через 0,1 мм, кроме диаметров 1,9 и 2,9 мм.
Наименьший номинальный диаметр Dконтактной площадки рассчитывают по формуле
D=(d+∆dв.о )+2b+∆tв.о +2∆dтр +(Td 2 +TD 2 +∆tп.о 2 )
где: ∆dв.о — верхнее предельное отклонение диаметра отверстия;
∆tв.о — верхнее предельное отклонение диаметра контактной площадки;
∆dтр — значение подтравливания диэлектрика в отверстии равно нулю ( для ОПП, ДПП).
∆tп.о — нижнее предельное отклонение диаметра контактной площадки;
Td — Значение позиционного допуска расположения осей отверстий ;
TD — Значение позиционного допуска расположения центров контактных площадок;
1) Микросхемы К561ЛЕ5 и К561ЛП2.
Данная микросхема имеет выводы шириной 0,5 мм с шагом 2,5 мм.
D=(0,5+0,1)+0,1+0,05+0+(0,01+0,04+0,0025)=0,9 (мм2 )
dC =0,6 (мм2 )
2) Транзисторы КТ315В.
D=(0,8+0,1)+0,1+0,05+0+(0,01+0,04+0,0025)=1,2 (мм2 )
dC =0,9 (мм2 )
4) Диоды КД522Б.
D=(0,55+0,1)+0,1+0,05+0+(0,01+0,04+0,0025)=1,0 (мм2 )
dC =0,7 (мм2 )
8) Конденсаторы К73-11.
D=(0,6+0,1)+0,1+0,05+0+(0,01+0,04+0,0025)=1,0 (мм2 )
dC =0,7 (мм2 )
9) Резисторы С2-33Н мощностью 0,125 Вт.
D=(0,6+0,1)+0,1+0,05+0+(0,01+0,04+0,0025)=1,0 (мм2 )
dC =0,7 (мм2 )
10) Светодиод АЛС331А.
D=(0,5+0,1)+0,1+0,05+0+(0,01+0,04+0,0025)=0,9 (мм2 )
dC =0,6 (мм2 )
Расчет переходных отверстий
Выберем в качестве материала печатной платы фольгированный стеклотекстолит СФ-2-35Г со следующими характеристиками:
-толщина материала 1мм;
-толщина фольги 35мкм.
По ГОСТ 10317-79 минимальный допустимый диаметр переходного отверстия равен 0,4мм. При этом снабдим каждое переходное отверстие контактной площадкой. Рассчитаем диаметр контактной площадки по формуле
D = d + ∆d + 2b + 2Tr + ∆sk, где
D - минимальный размер контактной площадки;
d - номинальное значение диаметра металлизированного отверстия;
∆d - верхнее предельное отклонение диаметра отверстия;
b-размер гарантированного пояска вокруг металлизированного отверстия;
Tr - глубина подтравливания диэлектрика;
∆sk - среднеквадратичный допуск на положение оси отверстия, центра контактной площадки и нижнего предельного отклонения диаметра контактной площадки.
Для двусторонней печатной платы класса точности 4, имеющей переходные отверстия диаметром не более 1мм в ГОСТ 23751-86 указаны следующие значения этих величин:
∆d=0;
b=0,1мм;
Tr=0;
∆sk=-0,1
D=0,4 + 0 + 2 ·0,1 - 0,1 = 0,5 (мм)
Сделаем небольшой запас и примем D = 0,6 мм.
Расчет ширины проводников и зазоров
Электрическая цепь имеет входное напряжение батареи 5,2 В. В связи с этим выполним печатные проводники, соответствующие входным цепям , несколько шире, чем остальные. Примем ширину проводников входной цепи равной 1 мм. Остальные печатные проводники и зазоры печатного рисунка платы выберем по минимуму для данного класса точности, то есть 0,25мм.
Расчет площади платы
Рассчитаем площади, занимаемые элементами печатного узла:
SС2-33Н =6,0*2,2=13,2 (мм2 )
SК73-11 =15,0*14,0=210 (мм2 )
SК561ЛЕ5 = SК561ЛП2 =19,5*7,5=146 (мм2 )
SАЛС331А =1,1*1,2+π*5,82 =107 (мм2 )
SКТ315В =7,2*3,0=21,6 (мм2 )
SКД522Б =3,8*1,9=7,22 (мм2 )
SСП3-4вМ =20*11,5+2,5*8+9*2,2=448 (мм2 )
Суммарная площадь, занимаемая элементами печатного узла:
SЭЛЕМЕНТОВ =8*13,2+3*210+2*146+107+2*21,6+9*7,22+5*448=105,6+630+292+107+43,2+64,98+2240=3483 (мм2 )
Рассчитаем площадь платы, зная коэффициент ее использования:
SПП = SЭЛЕМЕНТОВ /1,5=2325 (мм2 )
Согласно действующему ГОСТ 10317-79 при длине стороны печатной платы до 100мм размеры каждой стороны должны быть кратны 2,5мм. В целях наиболее рационального использования площади платы выполним её в виде прямоугольника. Рассчитанное значение площади удовлетворяет требованиям стандарта. Оптимальный размер платы такой площади равен
50 х 46,5 мм2 .
Однако на печатном узле такого размера невозможно разместить все элементы вместе с переходными отверстиями и печатными проводниками, что наглядно проиллюстрировано на рис. 2.
Рис. 2.
Таким образом, мы вынуждены увеличить размеры печатной платы. При этом коэффициент использования будет меньше требуемого в задании.
Опытным путем (методом подбора) было установлено, что оптимальный размер платы, при котором возможно создать данный печатный узел, равен 50*35 мм2 . Коэффициент использования при этом равен:
K= SЭЛЕМЕНТОВ /SПП = 3483/5600 =0,62
6 Создание библиотеки компонентов
При создании библиотеки компонентов печатного узла необходимо:
1) При помощи редактора SymbolEditor создать условное обозначение компонента согласно ГОСТ 2.728- 74, ГОСТ 2.730- 73. Установить атрибуты {RefDes}, {Type} (для однозначной идентификации элемента на последующей электрической схеме) и базовую точку {RefPoint} (рис. 3). Проверить правильность создания условного обозначения (командойUtils/Validate).
Рис. 3. Условное обозначение резистора
2) При помощи редактора PatternEditor создать посадочное место под компонент с учетом геометрических размеров корпуса и контактных площадок. Установить атрибуты {RefDes}, {Type} (для однозначной идентификации элемента на последующей схеме компоновки печатного узла) и точку привязки (рис. 4). Проверить правильность создания посадочного места (командой Utils/Validate).
Рис. 4. Посадочное место под элемент С33-2Н с атрибутами
3) В менеджере библиотек LibraryExecutive произвести соединение посадочного места с условным обозначением путём задания соответствия между контактными площадками первого и контактами второго с указанием их типов (рис. 5). Проверить правильность создания компонента (командой Utils/Validate).
Рис. 5. Таблица соответствия для элемента С33-2Н
В результате проделанной работы получается файл библиотеки компонентов *.lib, содержащий всю необходимую информацию об элементной базе печатного узла (рис. 6).
Рис. 6. Библиотека компонентов печатного узла
7 Формирование схемы электрической принципиальной с протоколом ошибок
Формирование принципиальной электрической схемы производится в редакторе Schematic. Процесс создания схемы можно разделить на несколько этапов:
1) Настройка среды редактора:
-установка формата рабочей области;
-установка миллиметрового шага сетки;
-установка кириллического шрифта в качестве стандартного;
-установка ширины линий;
-создание шаблона штампа (согласно ЕСКД) в виде файла *.ttl и его подключение к документу;
-подключение ранее созданной библиотеки компонентов;
2) Непосредственное создание схемы:
-размещение обозначений компонентов в рабочей области графического редактора и объединение выводов проводниками;
-редактирование положения элементов и надписей на схеме;
3) Проверка схемы средствами редактора (командой Utils/ERC..).
Результатом проделанной работы является *.sch-файл схемы электри-ческой принципиальной, а также *.erc-файл протокола ошибок (см. Приложение 1).
Текст протокола ошибок:
P-CADElectricalRulesCheckReport
F:\Olesyakurs\shemapokursachu.erc:
ERC Report Options:
-------------------
Single Node Nets: On
No Node Nets: On
Electrical Rules: On
Unconnected Pins: On
Unconnected Wires: On
Bus/Net Rules: On
Component Rules: On
Net Connectivity Rules: On
Hierarchy Rules: On
ERC Errors:
-----------
SINGLE NODE NETS:
0 warning(s) detected.
0 error(s) detected.
NO NODE NETS:
0 warning(s) detected.
0 error(s) detected.
ELECTRICAL RULES:
Warning 1 -- Net NET00030 has no output pins
Warning 2 -- Net GND has no input pins
Warning 3 -- Net GND has no output pins
Warning 4 -- Net NET00031 has no input pins
Warning 5 -- Net NET00031 has no output pins
Warning 6 -- Net VCC has no output pins
Warning 7 -- Net NET00069 has no output pins
Warning 8 -- Net NET00000 has no output pins
Warning 9 -- Net NET00034 has no input pins
Warning 10 -- Net NET00034 has no output pins
Warning 11 -- Net NET00039 has no output pins
Warning 12 -- Net NET00040 has no output pins
Warning 13 -- Net NET00041 has no output pins
Warning 14 -- Net NET00043 has no input pins
Warning 15 -- Net NET00043 has no output pins
Warning 16 -- Net NET00044 has no input pins
Warning 17 -- Net NET00044 has no output pins
Warning 18 -- Net NET00047 has no input pins
Warning 19 -- Net NET00048 has no input pins
Warning 20 -- Net NET00049 has no input pins
Warning 21 -- Net NET00049 has no output pins
Warning 22 -- Net NET00052 has no input pins
Warning 23 -- Net NET00052 has no output pins
Warning 24 -- Net NET00051 has no input pins
Warning 25 -- Net NET00051 has no output pins
Согласно протоколу, принципиальная электрическая схема не содержит ошибок. Таким образом, мы можем перейти к компоновке печатного узла.
8 Компоновка ( NET лист, протокол ошибок)
Для процесса компоновки создадим архивную библиотеку компонентов (командой Library/Archivelibrary..)и список соединений (командой Utils/GenerateNetlist..) в редакторе Schematic. Таким образом, мы можем просто загрузить всю схему в редактор PCB.
Фрагмент списка соединений:
и его продолжение, касающееся связей выводов компонентов:

Протокол ошибок создания архивной библиотеки:
9 Трассировка
Работа в редакторе PCB состоит из следующих этапов:
1) Настройка среды редактора (схожа с настройкой среды редактора Schematic,поэтому рассмотрим особенности):
-установка миллиметровых шагов сетки 2,5 (для последующего построения контуров платы) и 0,625 (для задания шага трассировки);
-подключение ранее созданной архивной библиотеки компонентов;
-подключение к документу списка соединений;
В результате в рабочей области появятся посадочные места компонентов, выводы которых соединены согласно принципиальной электрической схеме.
2) Непосредственное создание схемы:
-создание контура платы в слое Board;
-создание монтажных отверстий на плоскости платы (аналогично контактным площадкам, но с заданием параметра Shape/MountingHole). Так как размеры платы относительно невелики, то сделаем 2 крепежных отверстия диаметром 2 мм ;
-создание запретной зоны для трассировки (Keepout) в виде линии, действующей на всех слоях платы (настройка производится командой Options / CurrentKeepout). Применим минимально допустимую запретную зону, равную одному шагу трассировочной сетки, то есть 0,625 мм ;
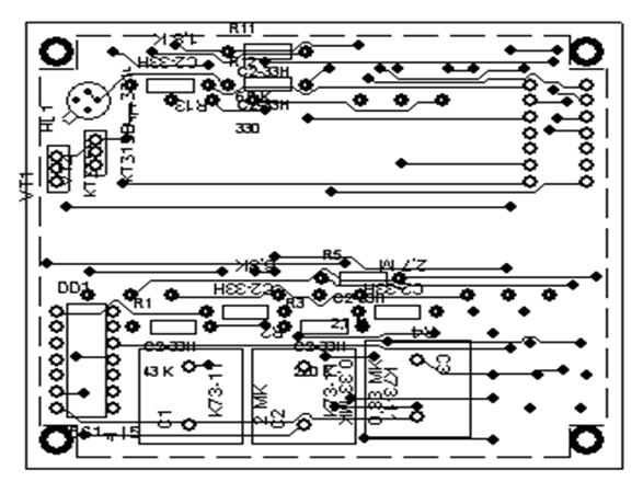
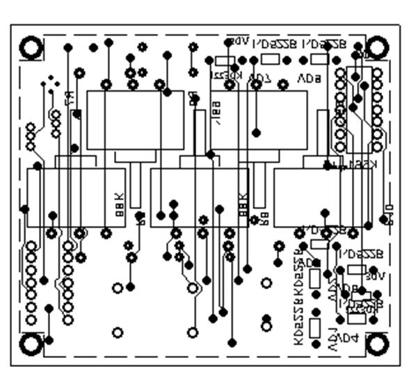
-установка посадочных мест компонентов в пределах разрешенной зоны трассировки (рис. 7)
а)
б)
Рис. 7. Размещение компонентов и печатных проводников на плате: а) до трассировки; б) после трассировки
3) Трассировка платы:
-задание правил трассировки (командой Options/DesignRules):
- минимальное расстояние между элементами шелкографии 0.0мм (команда Design\SilkscreenClearance);
- минимально допустимое расстояние между двумя отверстиями оставим по умолчанию 13.0 mil (команда Design\HoleToHoleClearance);
- минимально допустимое расстояние между краями печатного рисунка на верхней и нижней сторонах платы 0,25мм (команда Layer\PadtoPad, PadtoVia, PadtoLine, LinetoVia, LinetoLine, ViatoVia);
- ширина проводников платы равна минимально допустимой для класса точности 3, то есть 0,25мм (команда LineOptions\Width);
- ширину проводников входной цепи (POWER) зададим равной 1 мм, так как через данные печатные проводники будет проходить большой ток (вкладка NetClass в окне настроек Options/ DesignRules);
- размеры переходных отверстий согласно (команда Options\ViaStyle..);
-создание печатного рисунка платы:
Для трассировки платы применим стандартный трассировщик QuickRoute. Но так как в нем нельзя задать необходимый шаг трассировки – 0.625мм, а лишь равный четырем значениям ( 25 mil, 20 mil, 16,7 -16,6 - 16,7 mil (для нерегулярной сетки) и 12,5 mil), то, применив шаг 25 mil (равно 0.635мм), оттрассируем плату в автоматическом режиме. Затем изменим шаг сетки на 0.625 мм и отредактируем положения переходных отверстий, проводников и надписей обозначений элементов.
а)
б)
Рис. 8. Результат трассировки: а) верхняя, б) нижняя сторона платы
10 Файл отчетов о трассировке
Проверка правильности трассировки печатной платы осуществляется командой Utils/DRC...
Отчет о трассировке:
TEXTVIOLATIONS:
0 warning(s) detected.
0 error(s) detected.
WIDTH VIOLATIONS:
Warning: Width violation tests were not performed because
of missing Width rule.
0 warning(s) detected.
0 error(s) detected.
COPPER POUR VIOLATIONS:
0 warning(s) detected.
0 error(s) detected.
P-CAD Design Rule Check Report
PLANE VIOLATIONS:
0 warning(s) detected.
0 error(s) detected.
COMPONENT VIOLATIONS:
0 warning(s) detected.
0 error(s) detected.
DRILL VIOLATIONS:
0 warning(s) detected.
0 error(s) detected.
DRC Summary:
Netlist:
Errors: 0
Warnings: 0
Ignored Errors: 0
Clearance:
Errors: 0
Warnings: 0
Ignored Errors: 0
Unrouted Nets:
Errors: 0
Warnings: 0
Ignored Errors: 0
Unconnected Pins:
Errors: 0
Warnings: 0
Ignored Errors: 0
Net Length:
Errors: 0
Warnings: 0
Ignored Errors: 0
Silk Screen:
Errors: 126
Warnings: 0
Ignored Errors: 0
Text:
Errors: 0
Warnings: 0
Ignored Errors: 0
Width:
Errors: 0
Warnings: 0
Ignored Errors: 0
Copper Pour:
Errors: 0
Warnings: 0
Ignored Errors: 0
P-CAD Design Rule Check Report
Plane:
Errors: 0
Warnings: 0
Ignored Errors: 0
Component:
Errors: 0
Warnings: 0
Ignored Errors: 0
Drilling:
Errors: 0
Warnings: 0
Ignored Errors: 0
Таким образом, проделанную работу по проектированию печатного узла можно считать завершенной.
Заключение
В процессе выполнения курсового проекта мы научились проектировать печатные узлы и, в частности, разрабатывать их в среде проектирования P-CAD.
Результатом работы является комплект файлов и документов, описывающих конструкцию печатного узла шестиуровневого индикатора напряжения аккумуляторной батареи. При этом полученная печатная плата соответствует не всем требованиям, указанным в задании, но приведены причины невозможности их выполнения.
Список литературы
1.Коваленко В.В. Курс лекций по дисциплине «Информационные технологии проектирования РЭС».
2.Сускин В.В. Курс лекций по дисциплине «Технологии РЭС».
3. В.В. Сускин, Г.А. Шашкина, Е.Н. Соколина P-CAD. Создание элементов интегрированной библиотеки: методические указания к лабораторной работе / В.Ф.Шевченко.- Рязань:Рязан. гос. радиотехн. ун-т,2008. - 16 с.
4. В.В. Сускин, Г.А. Шашкина, Е.Н. Соколина P-CAD. Создание компонента, схемы принципиальной электрической: методические указания к лабораторной работе / В.Ф.Шевченко.- Рязань:Рязан. гос. радиотехн. ун-т,2008. - 16 с.
5. В.В. Сускин, Г.А. Шашкина, Е.Н. Соколина P-CAD. Размещение компонентов схемы на печатной плате. Трассировка печатных плат: методические указания к лабораторной работе / В.Ф.Шевченко.- Рязань:Рязан. гос. радиотехн. ун-т,2008. - 32 с.
6. Чип и Дип: Пассивные элементы (электронный ресурс). – Адрес: http://www.chip-dip.ru/catalog/1619.aspx ;
9. ГОСТ 10317-79. Платы печатные. Основные размеры. - М.: Изд-во стандартов,1979.-4с.
10. ГОСТ 2.728- 74 ЕСКД. Обозначения условные графические в схемах. Резисторы, конденсаторы. - М.: Изд-во стандартов,1974.
11. ГОСТ 2.730- 73. ЕСКД. Обозначения условные графические в схемах. Приборы полупроводниковые. - М.: Изд-во стандартов,1973.
Похожие рефераты:
Конструирование и технология изготовления звукового сигнализатора отключения сетевого напряжения
Конструирование и технология изготовления генератора "воющего" шума
Проектирование печатных плат в P–CAD2000
Разработка конструкции цифрового синтезатора частотно–модулированных сигналов
Автомобильная система видеонаблюдения
Разработка конструкции и технологии изготовления модуля управления временными параметрами
Конструирование модуля ЭВМ для обработки телеметрических данных
Техническая диагностика средств вычислительной техники
Разработка печатной платы цифрового автомата
Разработка технологического процесса сборки и монтажа печатной платы «Пульт ДУ»
Автоматизированная система изучения тепловых режимов устройств ЭВС
Элементы конструирования печатных плат
Дистанционный комплекс контроля функционального состояния
Диплом-Нейросетевая система для управления и диагностики штанговой глубинонасосной установкой
Разработка печатной платы устройства управления питания компьютерной системы
Разработка технологического процесса сборки и монтажа блока стробоскопа