| Похожие рефераты | Скачать .docx |
Курсовая работа: Разработка печатной платы цифрового автомата
1. Оглавление
1. Оглавление
2. Техническое задание на разработку конструкции
2.1 Введение
2.2 Основание для разработки
2.3 Источники разработки
2.4 Технические требования и условия эксплуатации
2.5 Стадия разработки
2.6 Исполнители
2.7 Сроки выполнения по этапам
3. Анализ технического задания
3.1 Анализ назначения и объекта установки
3.2 Анализ условий эксплуатации
3.3 Анализ электрической принципиальной схемы
3.4 Анализ элементной базы
4. Описание САПР, используемой при проектировании
5. Разработка интегрированной библиотеки компонент и электрической принципиальной схемы в системе P-CAD 2002
5.1 Выбор электрического соединителя
5.2 Установка фильтрующих конденсаторов
5.3 Порядок разработки библиотеки символов средствами P-CAD 2002
5.4 Порядок разработки библиотеки посадочных мест средствамиP-CAD 2002
5.5 Порядок разработки библиотеки компонент средствами P-CAD 2002
6. Разработка конструкции модуля
6.1 Размещение цифрового модуля в конструкции 2-го уровня
6.2 Выбор способа закрепления модуля в конструкции болеевысокого уровня
6.3 Выбор конструкции цифрового модуля
7. Разработка печатной платы
7.1Выбор компоновочной структуры и типа печатной платы
7.2 Выбор класса точности ПП
7.3Выбор метода изготовления ПП
7.4 Расчет габаритов ПП
7.5 Размещение компонент на ПП
7.6Определение толщины ПП
7.7 Выбор материала основания ПП
7.8 Расчет элементов печатного рисунка
7.9 Трассировка с помощью САПР
8. Разработка сборочного чертежа и спецификации
9. Поверочные расчеты
9.1 Расчет надежности
9.2 Расчет уровня стандартизации и унификации
9.3 Тепловые расчеты
10. Перечень используемых источников
цифровой автомат регулятор зажигание плата
2. Техническое задание
2.1 Введение
Настоящее техническое задание распространяется на разработку цифрового автомата – регулятора угла опережения зажигания, предназначенного для управления углом ОЗ в двигателе автомобиля и использования в составе приборов электронного контроля двигателя автомобиля, работающих во внутренних отсеках автомобиля на ходу в умеренном климате.
2.2 Основание для разработки
-наименование документов, на основании которых разрабатывается изделие:
ГОСТ 15150-69: Требования по климатическому исполнению.
-тема разработки:
Разработка цифрового автомата – регулятора угла ОЗ.
2.3 Источник разработки
Аналогов не имеет.
2.4 Технические требования и условия эксплуатации
-состав изделия:
Данная электронная схема включает в себя:
15 микросхем серии К155, 4 микросхемы серии К555, 1 микросхему серии К176, 16 конденсаторов, 32 резистора, 3 транзистора, 15 диодов.
-технические параметры:
Для питания микросхем используется постоянное напряжение 5В. Так как данные микросхемы являются маломощными (ток потребления одной микросхемой не превышает З0мА), дополнительное охлаждение печатного узла не требуется.
Исполнение микросхем возможно в пластмассовом, керамическом и стеклокерамическом корпусах. Диапазоны рабочих температур серий 155, 555 и 176:
- для пластмассовых: от -10 до +70°С
- для керамических: от -45 до +85°С
Минимальная рабочая температура пластмассового корпуса составляет -10 °С что не удовлетворяет условиям эксплуатации в умеренно-холодном климате, поэтому
необходимо использовать микросхемы с керамическими корпусами серии КМ155, КМ555.
Выберем резистор МЛТ, рабочий диапазон температур которого - 60°С...+120°С.
Конденсатор К50-40, транзистор КТ3102Б, диод КД522А также удовлетворяют заданным условиям эксплуатации. В качестве разъёма выберем СНО54-40/70x9Р-1-В с золотыми контактами (для предотвращения окисления в условиях умеренно - холодного климата). Диапазон рабочих температур такого разъёма составляет от -60 до +100°С, допустимые механические вибрации с частотой 1-2000Гц, перегрузки до 10g.
-требования к надежности:
P(t)=0,99 за 24 часа
T0 =5 т.ч.
t2 =10 лет
-требования по стандартизации и унификации:
Показатели унификации и стандартизации - 75%.
-конструктивные требования:
Т.к. изделия может находиться в двигательном отсеке автомобиля, требуется защита от высоких температур и загрязнения. На габариты и способ крепления ограничения не накладываются.
-условия эксплуатации:
Климатическое исполнение: УХЛ
Группа объекта размещения: 3
-требования безопасности:
Отсутствуют.
-требования к упаковке, маркировке, транспортировке и хранению:
Транспортировка на всех видах транспорта на неограниченное расстояние, при погрузке, выгрузке требуется защита от ударов.
-требования к патентной чистоте:
Необходимо обеспечить патентную чистоту в России и странах СНГ.
2.5 Стадия разработки
Техническая документация с литерой "О"
2.6 Исполнители
Рогожин К. О.
2.7 Сроки выполнения по этапам
-разработка технического задания 4-я неделя семестра,
-выполнение схемы электрической и перечня элементов 6 неделя семестра,
-выполнение чертежа печатной платы, сборочного чертежа и спецификации -8 неделя семестра,
-выполнение пояснительной записки – 12 неделя семестра,
-защита курсового проекта 13-14 недели семестра.
3. Анализ технического задания
3.1 Анализ назначения и объекта установки
Устройство предназначено для управления углом опережения зажигания в двигателе внутреннего сгорания автомобиля. Оно относится к 7 группе видов размещения вычислительных средств на объекте, т.е. является портативным, предназначенным для длительной переноски и работающим на ходу. Устройство располагается в двигательном отсеке автомобиля, поэтому должно находиться в закрытом корпусе для защиты от грязи, влаги и др. внешних воздействий.
3.2 Анализ условий эксплуатации
Климатические факторы, воздействующие на изделие:
Рабочая температура, верхняя: нижняя: |
+40º С -45º С |
Предельная температура, верхняя: нижняя: |
+45º С |
| Относительная влажность | 80% при 20 градусах С 98% при 25 градусах С |
| Интенсивность дождя | 3 мм\мин. |
Параметры механических воздействий:
| Воздействующий фактор | параметры | Значение |
| Вибрация на одной частоте | Частота, Гц. | 20 |
| Ускорение q | 2 | |
| Время выдержки, час. | 0,5 | |
| Вибрация в диапазоне частот | Частота, Гц. | 10-70 |
| Ускорение q | 0,25-1,1 | |
| Время выдержки, час. | 4 | |
| Одиночные удары | Длительность.мс. | - |
| Число ударов в 1 мин | - | |
| Ускорение, q | - | |
| Общее число ударов | - | |
| Многократные удары | Длительность.мс. | 50-10 |
| Число ударов в 1 мин | 40-80 | |
| Ускорение, q | 10 | |
| Общее число ударов | 6000 | |
| падение | Высота, мм | 750 |
По таблице определяем группу жёсткости для изделия: группа 2.
| Воздействующий фактор | Группа жесткости печатной платы | |||
| 1 | 2 | 3 | 4 | |
| Верхнее значение температуры, градусы Цельсия | 55 | 85 | 100 | 120 |
| Нижнее значение температуры, градусы Цельсия | -25 | -40 | -60 | -60 |
| Относительная влажность, в % | 75 | 98 | 98 | 100 |
Исходя из воздействующих на конструкцию факторов определяем приоритеты при конструировании:
-надежность,
-механическая прочность, вибропрочность, вибростойкость,
-устойчивость к внешним воздействиям: пыли, туману, перепадам температуры, влажности и пр.
3.3 А нализ электрической принципиальной схемы
Электрические параметры схемы, которые необходимы при расчете элементов печатного монтажа:
-максимально допустимое падение напряжение: Up 10% от питания.
-максимально допустимый ток в статике и динамике: Imax, Imaxd. Ток во время переключения логических элементов на порядок больше тока в статике. Для его расчета необходимо выявить в схеме максимальное количество одновременно переключаемых цифровых элементов, увеличить их ток потребления по сравнению со статическим режимом в 10 раз. Помехи, которые возникают в цепях питания и управления, как правило, определяются токами в динамическом режиме работы цифровых схем;
- максимально допустимое падение напряжения Up = 10%
- максимальная тактовая частота Fmax = 1024 Гц
- сопротивление изоляции 15 Мом
- максимальное напряжение 12 в
3.4 Анализ элементной базы.
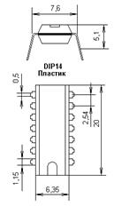
| № | Тип компонента | Символ на Э3 | Конструкция, тип корпуса | Посадочное место |
| 1 | Резистор R | ![]() |
||
| 2 | Конденсатор С | ![]() |
![]() |
|
| 3 | Кварц-генератор ZQ1 | ![]() |
![]() |
|
| 4 | Транзистор | ![]() |
![]() |
![]() |
| 5 | Диод VD | ![]() |
![]() |
|
| 7 | Микросхема DD1 | ![]() |
![]() |
|
| 8 | Микросхемы DD2, DD3, DD7 |
![]() |
||
| 9 | Микросхемы DD4, DD8 |
![]() |
![]() |
|
| 10 | Микросхема DD5 |
![]() |
![]() |
|
| 11 | Микросхема DD6 |
![]() |
![]() |
|
| 12 | Микросхемы DD9, DD10, DD11 |
![]() |
![]() |
4. Описание САПР, используемой при проектировании
Автоматизированная программа P-CAD предназначена для проектирования печатных плат. Пакет программы состоит из нескольких взаимосвязанных программ, причем отдельные программы могут функционировать самостоятельно, даже если другие программы не установлены на компьютере. Основными программами в пакете являются: P-CADSchematic; P-CADPCB; P-CADSymbolEditor; P-CADPatternEditor; P-CADLibraryManager; P-CADAutorouters; P-CADInterPlase & PSC; P-CADRelau.
Программа P-CADSchematic является графическим редактором схем. С помощью неё выполняется принципиальная электрическая схема электронного узла, который затем размещается на печатной плате.
Программа P-CADPCB является графическим редактором и используется для выполнения чертежа печатной платы.
Программа P-CADSymbolEditor предназначена для создания условных графических обозначений элементов, которые могут объединяться в библиотеки. Условные графические обозначения используются при выполнении электрических принципиальных схем.
Программа P-CADPatternEditor используется для создания посадочных мест элементов на печатную плату. Посадочные места объединяются в библиотеки и в дальнейшем используются программой P-CADPCB при выполнении чертежа печатной платы.
Программа P-CADLibraryManager используется для создания библиотек элементов. В системе могут использоваться библиотеки условных графических обозначений, библиотеки посадочных мест корпусов и интегрированные библиотеки компонент. Интегрированные библиотеки компонент содержат информацию о графическом изображении символа, о посадочном месте и текстовую информацию о выводах элементов. Для выполнения отдельных электрических схем или отдельных чертежей печатных плат можно использовать отдельные библиотеки символов или корпусов. Однако при сквозном проектировании удобнее пользоваться интегрированными библиотеками, так как в этом случае программа автоматически устанавливает взаимосвязь между электрической схемой и печатной платой.
Программа P-CADAutorouters содержит две программы: QuickRoute и Shape-BasedRouter. Эти программы используются для автоматической трассировки проводников на печатной плате. Программа QuickRoute применяется для простых схем с малым числом элементов и связей. Для более сложных схем используют бессеточный автотрассировщик Shape-BasedRouter. Система P-CAD может работать совместно с программой SPECCTRA, которая не входит в комплект поставки системы.
Программа P-CADInterPlase & PSC включает два модуля. Модуль InterPlase используется для интерактивного размещения элементов на печатной плате, а модуль PSC – позволяет задавать правила для размещения и трассировки печатной платы на ранних этапах разработки.
Программа P-CADRelau используется при коллективной работе над проектом. Она выполняет частично функции редактора P-CADPCB.
В данном курсовом проекте использовалась система автоматического проектирования P-CAD 2002.
Технические характеристики P-CAD 2002:
1. Используется 32-разрядная БД;
2. До 20000 компонентов в одной библиотеке;
3. До 64000 цепей в одном проекте;
4. До 999 выводов в одном компоненте;
5. До 255 секций в одном компоненте;
6. До 2000 символов описания элементов;
7. До 20 символов в имени компонента;
8. До 30 символов в позиционном обозначении;
9. Минимальный шаг сетки – 0,1 mil (0,001дюйма);
10. Наличие горячей связи между электрической схемой и печатной платой;
11. До 99 листов в одном проекте;
12. До 99 слоев на одной плате;
13. Максимальный размер схемы 150 × 150 см;
5. Разработка интегрированной библиотеки компонент и электрической принципиальной схемы в системе P-CAD 2002.
5.1 Выбор электрического соединителя
В качестве электрического соединителя выбран разъем СНО51-10 на 10 выводов.
Технические характеристики:
| Характеристика | Значение |
| Количество контактов | 10 |
| Номинальное напряжение: | 250 В |
| Сила электрического тока на один контакт: | 1 А |
| Сопротивление контактов | 15 мОм |
| Сопротивление изоляции | 5000 Мом |
| Смена температур | От -60 º С до +100 º С |
| Минимальная наработка | 10 000 ч |
| Количество сочленений-расчленений | 500 |
| Усилие расчленения соединителя | 86Н |
| Покрытие контактов: | серебро |
5.2 Установка фильтрующих конденсаторов
На схему установлено 7 фильтрующих конденсатора (С10 - С16 на принципиальной схеме). Используются конденсаторы К50-40.
5.3 Порядок разработки библиотеки символов
Для разработки библиотеки символов использовался редактор SymbolEditor P-CAD 2001 со следующими настройками: формат А3, единицу измерения мм, варианты ортогональности 90 и 45 градусов, сетка с шагом 0,5; 1мм, линия рисования с шириной 0,2 мм, курсор не привязан к координатной сетке, шрифт "2,5", шаг сетки 1.
Для микросхем используем возможность мастера символов. Для остальных элементов создаем символ вручную.
Разработка дискретных элементов: резистор, конденсатор, диод, кварц состоит в выполнении следующих пунктов:
1. рисуется контур УГО элемента
2. изображаются выводы элемента
Установим длину вывода равную 4 мм. В поле DefaultPinNameввести имя вывода, а в поле DefaultPinDesномер вывода. Нажать ОК. Установить курсор в точку, где должен быть вывод, если вывод неверно ориентирован, то не отпуская кнопку мыши нажать на клавиатуре кнопку R.
3. введение атрибутов элемента
В качестве атрибутов указать места для размещения позиционного обозначения и типа элемента. Позиционное обозначение указывается над элементом, а тип элемента - под элементом.
Выполнить команду PlaceAttribute. В диалоговом окне в области AttributeCategory выбрать Component. В области Nameвыбрать RefDes и нажать ОК, Type или Value и нажать ОК.
4. ввод точки привязки
Выполнить команду PlaceRefPoint. Переместить курсор в выбранную точку привязки и щелкнуть левой клавишей мыши.
5. сохранение УГО в библиотеке
Для создания УГО микросхем удобнее пользоваться мастером создания символа.
1. задать геометрические размеры контура элемента
2. указать число выводов справа и слева
3. указать длину вывода Normal и расстояние между выводами 5мм
4. подписываем выводы, задавая их имена в поле DefaultPinName и номер вывода в поле DefaultPinDes в соответствии со схемой
5. Затем производим редактирование элемента, т.е. дорисовываем линии внутри контура, ставим знак инверсии у выводов, указываем позиционное обозначение и типа элемента.
5.4 Порядок разработки библиотеки посадочных мест средствами P - CAD 2002
Для разработки библиотеки посадочных мест использовался редактор PatternEditor P-CAD 2002 со следующими настройками: формат А4, единицу измерения мм, сетка с шагом 0,5; линия рисования с шириной 0,2 мм, курсор не привязан к координатной сетке.
Создадим стек монтажных отверстий. В данной схеме используются круглые отверстия для штыревого вывода размером 0.5\1 и контактная площадка для планарного вывода размером 0.6\2.1.
Для создания монтажного отверстия под штыревой вывод надо:
1. Выбрать команду OptionsPadStyle. В одноименном окне нажать кнопку Copy. Появится панель CopyPadStyle, на которой необходимо задать новое имя стиля.
2. Наименование стиля указывает форму контактной площадки и размер отверстия. Появится вновь окно OptionsPadStyle. Нажать кнопку ModifySimple.
3. ПоявитсяокноModify Pad Style (Simple) . В области Type (Тип) выбрать Thru (Сквозное отверстие). В области Shape выбрать Elipse для кругового отверстия. Установить Width(ширину) равной 1 мм и Height(высоту) – 1мм. В области Holeустановить диаметр отверстия 0.5 мм. Нажать ОК.
Для создания монтажного отверстия под планарный вывод надо:
1. Выбрать команду OptionsPadStyle. В одноименном окне нажать кнопку Copy. Появится панель CopyPadStyle, на которой необходимо задать новое имя стиля.
2. Наименование стиля указывает форму контактной площадки и размер отверстия. Появится вновь окно OptionsPadStyle. Нажать кнопку ModifySimple.
3. Появится окно ModifyPadStyle (Simple) В области Type(Тип) выбрать Top (Верхний слой). В области Shape выбрать Rectangle (прямоугольник). Установить Width(ширину) равной 2.1 мм и Height(высоту) – 0.6 мм. Появится панель OptionsPadStyle. Нажать Close.
Посадочное место элемента на печатной плате состоит из монтажных площадок и отверстий. Монтажные отверстия размещают в узлах координатной сетки. Для привязки курсора к узлам координатной сетки выбрать команду ViewSnartoGrid.
Разработка посадочных мест дискретных элементов: резистор, конденсатор, диод, кварц состоит в выполнении следующих пунктов:
1. Рисуем корпус элемента
Он изображается в виде простых геометрических фигур без указания деталей конструкции. Он изображается на слое TopAssy. Для этого в строке состояний в поле SelectLayer (выбор слоя) установить слой TopAssy.
Для рисования линий вызвать команду PlaceLine, для рисования окружностей вызвать команду PlaceArc.
2.Выбор монтажного отверстия или контактной площадки
Активизируем необходимый стиль монтажного отверстия или контактной площадки, вызвав OptionsPadStyle и выбрав его. Нажать кнопку Close. Щелкнуть левой клавишей мыши по пиктограмме PlacePad. Появится панель PlacePad. На панели в окнах будут установлены единицы. Оставить установки без изменений и нажать ОК. Подвести курсор на координаты установки первого отверстия и щелкнуть левой кнопкой. Переместить курсор на координаты 2-ого отверстия и вновь щелкнуть левой кнопкой. Продолжить операцию для установки всех отверстий данного стиля и в конце нажать правую кнопку мыши. Если посадочное место строится с использованием разных стилей отверстий, то необходимо изменить стиль монтажного отверстия и повторить описанные ранее операции с другим стилем отверстия.
3. Ввод атрибутов
В качестве атрибутов ввести место для размещения позиционного обозначения и типа элемента. Выполнить команду PlaceAttribute. В диалоговом окне в области AttributeCategoryвыбрать Component. В области Nameвыбрать RefDes и нажать ОК. Установить курсор в точку над элементом и щелкнуть левой кнопкой мыши, а затем правой кнопкой мыши. Повторить операцию для установки надписи о типе элемента под элементом.
4. Выберем точку привязки
Выполнить команду PlaceRefPoint. Переместить курсор в выбранную точку привязки.
5.Сохранение посадочного места в библиотеке.
флажок CreateComponentдолжен быть сброшен.
Для создания посадочных мест микросхем удобнее пользоваться мастером создания посадочного места.
1. Указываем количество выводов и расстояние между ними
2. Указать место расположения первого отверстия – точки привязки
3. выбрать стиль монтажного отверстия или контактной площадки для первого вывода и остальных
4. задать размеры корпуса микросхемы
5. нажать ОК и сохранить
5.5 Порядок разработки библиотеки компонент средствами P - CAD 2002
Для разработки интегрированной библиотеки символов используем LibraryExecutiveP-CAD 2001.
Для создания компонента нужно:
1. ComponentNew. Будет предложено выбрать библиотеку, из которой надо будет создавать элемент (ту, в которую сохраняли символы и посадочные места).ОК
2. Выбираем посадочное место SelectPattern. ОК. Указываем количество шлюзов NumberofGates 1.
3. Выбираемсимвол Select Symbol. OK.
4. Далее прописываем соответствие выводов и их эквиваленты. PinsView. В идеале программа сама произвела сопоставление вывода контакта, вывода на символе, его имени.
5. Прописываем электрический тип: неизвестен, ввод, вывод, питание.
6. вручную прописываем номер шлюза.
7. заполним графы соответствия выводов. Чаще всего все выводы эквивалентны, входы эквиваленты.
8. Для питания заполним колонки PinName и Gate #.
Для проверки правильности создания элемента ComponentValidate. Если все правильно, то программа выдаст сообщение Noerrorsfound.
6. Разработка конструкции модуля
6.1 Размещение цифрового модуля в конструкции 2-го уровня
Разрабатываемый модуль является законченным функциональным устройством и устанавливается в корпусе. Разъем будет размещен на лицевой панели. В связи с тем, что прибор будет эксплуатироваться продолжительное время без остановки, необходимо предусмотреть возможность нагрева корпуса. Корпус должен быть защищён от влаги, пыли и др. внешних воздействий, т.к. устройство работает на борту автомобиля. Температура возможного перегрева корпуса 5-10°С.
6.2 Выбор способа закрепления модуля в конструкции более высокого уровня
Для закрепления модуля в конструкции 2-го уровня предусмотреть меры по надежному закреплению модуля. Так как разрабатывается портативное устройство, которое может часто подвергаться переносам и транспортировке, необходимо применять жесткое закрепление со всех четырех сторон. Печатная плата закрепляется на корпусе с помощью 4-х винтов, посаженых на резиновые прокладки, выполняющие функции амортизации и защиты от влаги, способной проникнуть через крепежные отверстия.
6.3 Выбор конструкции модуля
В состав конструкции модуля 1-го уровня будут входить следующие элементы:
-монтажная плата,
-соединитель,
-компоненты,
-элементы закрепления модуля.
Т.к. плата не содержит теплонагруженных элементов, то дополнительное охлаждение не требуется, избыточное тепло выводится через крепежные элементы на корпус.
7. Разработка печатной платы
7.1 Выбор компоновочной структуры и типа печатной платы
Печатная плата будет выполнена в соответствии с компоновочной структурой "1С", двусторонняя (ДПП). Выбор обусловлен оптимальной разводкой контактов на ПП.
Конструктивная сложность и тактовая частота печатной платы невысоки, но в то же время условия эксплуатации довольно жёсткие. Объем выпуска ПП серийный. Выбираем 2й класс точности. Согласно 2-му классу точности:
- t = 0,45 мм
- S = 0,45 мм
- b = 0,20 мм
- d/H = 0,4
- ∆tv 0 (без покрытия) = +0,10 мм
- ∆tv 0 (без покрытия) = -0,10 мм
- ∆tn 0 (с покрытием) = +0,15 мм
- ∆tn 0 (с покрытием) = -0,10 мм
- Tt = 0,10 мм
t - наименьшая номинальная ширина проводника,
S - наименьшее номинальное расстояние между проводниками,
b - минимально допустимая ширина контактной площадки,
d\H - отношение минимального диаметра контактной площадки к толщине платы,
(мм) – верхнее предельное отклонение ширины печатного проводника или контактной площадки от номинального значения,
(мм) - нижнее предельное отклонение ширины печатного проводника или контактной площадки от номинального значения,
- позиционный допуск на размещение проводника.
Указанные допустимые значения являются минимальными и их необходимо соблюдать в узких местах платы. На остальных участках ширина печатных проводников и расстояния между ними могут выполняться большего размера, чем указанный размер по данному классу.
7.3 Выбор метода изготовления ПП
Устройство изготавливается мелкосерийно, печатная плата двуслойная, класс точности 2, модуль первого уровня. В соответствии с этим выбираем химический тип производства, так как он прост и не дорог.
7.4 Расчет габаритов ПП и размещение компонент на ПП
Выбранный тип соединителя не требует выделения под него отдельной зоны, в силу его простоты. Модуль пассивный и не содержит элементов управления.
Маркировка производится в зоне для размещения компонент, маркируются позиционные обозначения элементов.
Краевые поля ПП имеют ширину 5 мм, что соответствует толщине платы 1,5 мм. Размеры печатной платы 120х150 мм. Площадь ПП 18000 мм2 .
Размещение зон на ПП:

7.5 Размещение компонент на ПП
Задача компоновки и размещения компонент на плоскости платы является сложной комбинаторной задачей, при решении которой конструктор должен предусмотреть:
-обеспечение наиболее простой трассировки,
-обеспечение требуемой плотности размещения,
-учет тепловых режимов,
-учет механических воздействий,
-обеспечение быстродействия,
-обеспечение технологических требований.
Формализованных алгоритмов, которые бы учитывали все требования, нет. В некоторых САПР, например SPECTRA, имеются алгоритмы для автоматического размещения, которые в основном используют критерий минимум суммарной длины связей. В САПР данная задача решается конструктором. Ниже приводятся рекомендации для конструктора, решающего данную задачу.
1.Компоненты, имеющие большое число внешних связей располагать ближе к соединителю.
2.Компоненты, имеющие большое число взаимных связей, устанавливать рядом.
3.Крупногабаритные компоненты устанавливать ближе к элементам крепления модуля.
4.Микросхемы по возможности располагать рядами с одинаковой ориентацией.
5.Дискретные компоненты располагать в ортогональных направлениях.
6.Выводы компонент располагать в узлах координатной сетки. Если шаг выводов компонента не соответствует шагу координатной сетки, то в узле располагается первый вывод компонента.
7.Теплонагруженные элементы располагать равномерно по площади платы.
8. Помехочувствительные компоненты не размещать рядом с компонентами, которые могут быть источниками помех.
9.Если схема содержит цифровую и аналоговую части, то следует их на плате по возможности разместить на разных участках, так как чувствительные аналоговые элементы, например, компараторы, могут ложно срабатывать при переключении цифровых схем.
10.Если схема содержит последовательные каскады, то целесообразно их размещать в той же последовательности.
11. При наличии в схеме информационных шин, компоненты подключаемые к этой шине, стараться расположить по возможному направлению шины.
12.Компоненты, требующие особых мест размещения, например, цифровые индикаторы, органы управления, устанавливаемые на печатной плате, должны быть строго привязаны к заданным координатам.
Компоненты необходимо размещать относительно равномерно по плоскости платы.
После размещения компонент может возникнуть необходимость в уточнении габаритных размеров ПП.
7.6 Определение толщины ПП
Устройство является быть портативным, предназначенным для длительной переноски и работающим на ходу. Поэтому необходимо увеличить жесткость платы, толщину платы возьмем 1,5 мм.
7.7 Выбор материала основания ПП
Исходя из требования повышенной механической прочности, в качестве материала основы печатной платы выберем стеклотекстолит. Он представляет из себя спрессованные слои стеклоткани, пропитанные эпоксидной смолой. По сравнению с гетинаксом стеклотекстолит имеет лучшие электрические характеристики, более высокую прочность, меньшую теплопроводность, влагостойкость.
Металлизация переходных отверстий обеспечит прочное сцепление элементов с платой, так как при монтаже припой заполняет всё свободное пространство металлизированного отверстия, плотно сцепляясь с поверхностью вывода и стенками отверстия, образуя надёжное механическое и электрическое соединение.
7.8 Расчет элементов печатного рисунка
7. 8. 1 Расчет диаметра отверстия контактной площадки
Диаметр рассчитывается с учетом диаметра вывода компонента, точности позиционирования отверстия, и необходимого зазора для обеспечения свободной установки вывода компонента при монтаже.
![]()
![]()
где: ![]()
-максимальное значение диаметра вывода компонента. Если сечение вывода имеет сложную форму, то в качестве диаметра принимается диаметр описываемой окружности.
r- зазор (разность между минимальным значением диаметра отверстия и максимальным значением диаметра вывода). Зазор выбирается конструктором для ручного монтажа из интервала (0,1-.4) мм, а для автоматизированного монтажа и установки компонент – из интервала (0,4 – 0,5) мм.
- нижнее предельное отклонение диаметра отверстия.
Для микросхем K176ИЕ5 и схожих с ним
de=2.75
r=0.4
=0.15
d>=3.3
![]()
Стек элемента резистор и схожих с ним
de=1
r=0.4
=0.15
d>=1.6
![]()
7. 8 .2 Расчет расстояния от среза платы или от не металлизированного отверстия до элемента печатного рисунка
Расстояние от края платы, от среза платы или от не металлизированного отверстия до элемента печатного рисунка определяется классом точности и толщиной платы. Необходимость расчета этого расстояния обусловлена необходимостью задания барьеров для трассировки.
Это расстояние можно посчитать отдельно для печатного проводника и отдельно для контактной площадки. С целью унификации выполняется расчет только для контактной площадки, так как это расстояние оказывается больше, чем для проводника.
![]()
q- величина скола, равна 1.2 для 2го класса точности для толщины ПП 1.5 мм.K-расстояние от скола. Определяется классом точности. Для 1,2 классов принимается равной 0,3 мм, для 3,4 классов - 0,15 мм , для 5-го класса - 0,1 мм.
-позиционный допуск расположения центра отверстия (0,20).
-позиционный допуск расположения центра контактной площадки (0,10).
- верхнее предельное отклонение диаметра контактной площадки (+0,10)
![]()
Q=1.2+0.3+0.5*(0.22 +0.12 +0.12 )=1.53
7. 8 .3 Расчет ширины проводника
При расчете ширины проводника учитывают:
-класс точности,
-допустимый ток нагрузки,
-допустимое падение напряжения.
Ширина проводника выбирается их условия:
![]()
![]()
![]()
Где
-расчетное значение ширины,
t – минимальная ширина проводника для заданного класса точности
- ширина проводника рассчитанная из условия допустимого тока
-ширина проводника, рассчитанная из условия заданного допустимого падения напряжения,
- нижний допуск на ширину проводника.
= -0.1
t = 0.35мм
7. 8 .4 Расчет ширины проводника исходя из условий допустимого тока
![]()
- Максимальный ток через проводник
i –плотность тока
h –толщина проводника.
Плотность тока определяется материалом проводника:
для медной фольги i =100 А \ кв.мм.
h=1mm
Imax =80мА
ti = 0.08мм
7. 8 .5 Расчет ширины проводника исходя из условия допустимого падения напряжения
![]()
где
-удельное сопротивление слоя металла,
-максимальная длина проводника на печатной плате=290мм,
-допустимое падение напряжения на проводнике=0,5В.
Удельное сопротивление для медной фольги равно 0,0000000172 Ом\м,
Максимальная длина проводника принимается равной сумме двух сторон платы.
Максимальное допустимое падение напряжения – 1.2 в
Imax =800мА
tu =(0.0000000172*8*0.290)/(0.001*0.5)=0.001мм
Исходя из максимального значения, получаем ширину проводника tmax =0.35мм/
7. 8 .6 Расчет размеров контактных площадок
Контактные площадки со сквозными отверстиями обычно имеют круглую форму. Если форма отличается от круглой, то расчет ведут для окружности, вписываемой в данную форму. Расчет для контактных площадок со сквозными отверстиями ведется по формуле:
Для элемента K176ИЕ5 и схожих с ним
![]()
Где d=3.3 –диаметр отверстия
b=0.1 – гарантированный поясок. Определяется для выбранного класса.
=0.1 -верхнее отклонение ширины проводника.
=0.15-отклонение диаметра отверстия (по таблице)
D=3.3+0.2+0.1+0.15+(0.2^2+0.1^2+0.1^2)1/2 =4
Для элемента резистор и схожих с ним
![]()
Где d=1.6 –диаметр отверстия
b=0.2 – гарантированный поясок. Определяется для выбранного класса по таблице,
=0.1 -верхнее отклонение ширины проводника. Определяется по таблице…
=0.2-отклонение диаметра отверстия (по таблице)
D= D=1.6+0.2+0.1+0.15+(0.2^2+0.1^2+0.1^2)1/2 =2.3
7. 8 .7 Расчет расстояния между элементами печатного рисунка
Наименьшее расстояние между элементами печатного рисунка определяется по формуле:
![]()
S=0.1+0.1+0.025=0.225
Т.к. рассчитанное значение меньше аналогичного из таблицы, берем значение наименьшее номинальное расстояние между проводниками из таблицы:S=0.45
Расчет диаметра зоны запрета около не металлизированного отверстия. Зона запрета вводится при задании условий для трассировки. Она должна быть не меньше расчетной.
![]()
-позиционный допуск на отверстие
-верхнее предельное отклонение диаметра отверстия, таблица 15
d – величина скола
k – величина до зоны скола.
Dz =1.2+0.15+0.5+0.2+0.6=2.65
7.9 Трассировка с помощью САПР
Бессеточный трассировщик P-CAD Shape-Based Router предназначен для интерактивной и автоматической трассировки многослойных печатных плат с высокой плотностью размещения компонентов. Особенно эффективен для компонентов с планарными контактами, выполненных в разных системах единиц измерения. Автотрассировщик обрабатывает печатные платы, имеющих до 30 слоев, до 4000 компонентов, до 5000 контактов в одном компоненте до 1000 цепей и до 16 000 электрических соединений в проекте.
Запускается программа или непосредственно из редактора P-CAD РСВ или автономно из среды WINDOWS (файл SR.EXE).
Настройка стратегии трассировщика производится после его запуска с помощью диалогового окна Options/Auto-Router.
Диалоговое окно имеет три закладки: Routing Passes, Parameters и Testpoints.
В закладке Routing Passes в областях Router Passes и Manufacturing Passes устанавливаются различные процедуры (проходы) трассировки:
В закладке Parameters устанавливаются параметры трассировки для различных слоев платы.
В закладке Testpoints задаются параметры генерации контрольных точек электрических цепей, в качестве которых могут использоваться существующие контактные площадки и переходные отверстия, появившиеся в результате трассировки.
Для каждой электрической цепи можно задать индивидуальный набор атрибутов, который будет использоваться при автотрассировке. Нужные атрибуты цепей устанавливаются в окне Net Attributes, которое вызывается командой Edit/Net Attributes.
В этом окне можно задать:
Display - режим отображения цепи на экран (True/False);
Priority — очередность автотрассировки цепей (до 20 цепей);
Length Minimize - режим минимизации длины конкретной цепи: None - нет требований к длине цепи, Min Dist - минимизация общей длины цепи, Daisy — сохранение последовательного соединения контактных площадок (стиль Daisy-chain), Horizontal — горизонтальная прокладка цепи (обычно используется для цепей "питание" и "земля", Vertical - вертикальная прокладка цепи (обычно используется для цепей "питание" и "земля");
Route Action — стиль автотрассировки: Default — стандартный стиль автотрассировки (если печатная плата двухслойная, то стрингеры создаются только для планарных контактных площадок), Route — трассировка цепи без генерации стрингеров, No Route - запрет трассировки цепи, Locked - запрет перетрассировки ранее проложенной цепи, Fan Out/Route - предварительная генерация стрингеров для планарных контактных площадок (если таковые имеются) выбранной цепи, а затем ее трассировка, Fan Out/Plane -предварительная генерация стрингеров для планарных контактных площадок (если таковые имеются) выбранной цепи, без ее трассировки (для слоев "земли" и "питания");
Route Layers - выбор слоев трассировки для конкретной цепи: Аll Routing - трассировка на всех сигнальных слоях, Тор - трассировка только на верхнем слое, Bottom - трассировка только на нижнем слое;
Width - ширина трассы конкретной цепи (по умолчанию всем трассам назначается ширина, определенная в поле Primery Trace Width закладки Parameters окна Autorouter Setup).
Перед началом трассировки рекомендуется выполнить команду Reports/Pre-Route Synopsis, которая кратко информирует о возможных будущих результатах трассировки (файл SR.RPT). При анализе файла пользователь принимает решение о начале трассировки или о частичном изменении параметров стратегии трассировки или параметров печатной платы.
По команде View/Density можно получить цветную графическую карту плотности трассировки печатной платы. На этой карте красным цветом обозначена наибольшая плотность трасс, голубым — наименьшая плотность. Если на печатной плате одно или несколько пятен красного цвета, занимающие более 10-20% площади печатной платы, то для успешной трассировки рекомендуется переразместить компоненты.
Ручная трассировка новых соединений или редактирование существующих трасс производится после выполнения команды Tools/ Manual route. Перед началом работы на печатной плате должны быть размещены компоненты и определены соединения между контактами компонентов по команде Place/Connection или загружена полученная ранее информация о соединениях командой Utils/Load Netlist. Необходимо проверить также наличие всех слоев для трассировки (в противном случае необходимо выполнить команду Options/Layers и настроить слои трассировки). Трассировка производится только в сигнальных слоях. При попытке использовать для трассировки несигнальные слои появляется сообщение об ошибке.
Трасса на печатной плате фиксируется щелчками левой кнопки мыши в местах начала трассы, ее изломов и конца трассы. В случае нарушения допустимых зазоров между объектами на печатной плате ошибка помечается маркерами (кружками) желтого цвета.
Переход трассы из одного слоя на другой с автоматической вставкой переходного отверстия производится нажатием на клавишу номера сигнального слоя. Клавиша L позволяет переключать сигнальные слои.
Для удаления последнего сегмента трассы в контекстном меню нажимается строчка Undo. Если нужно прервать трассировку в том месте, где находится курсор (при нажатой левой клавиши мыши), можно воспользоваться клавишей / (прямой слэш). Эта клавиша либо прерывает прокладку трассы, либо показывает кратчайший путь от прерванного места до контакта. Этот кратчайший путь называется оптимизацией частично выполненной трассировки, и этот режим включается флажком Optimize Partial Route команды Options/Configure.
В процессе выполнения ручной трассировки после нажатия на правую кнопку мыши появляется контекстное меню, которое позволяет выполнить следующие операции:
Exit - завершение прокладки трассы (трасса остается неразведенной);
Finish — автоматическое завершение трассы программой;
Lock - прекращение прокладки трассы (трасса остается недоразведенной).
Интерактивная трассировка выполняется с помощью набора команд меню Tools.
Autorowte Connection (автоматическая трассировка одного соединения) — пользователь последовательно, цепь за цепью, указывает порядок трассировки соединений.
Autoroute Net (автоматическая трассировка одной цепи) — после выбора нужной цепи будет произведена ее трассировка с соблюдением всех обусловленных ранее ограничений на трассировку указанной цепи.
Autoroute Component (автоматическая трассировка всех связей компонента) — выбор компонента производится указанием мышью на один из его выводов. Затем автоматически проводятся все цепи, инцидентные всем контактам выбранного компонента.
Autoroute Area (автоматическая трассировка в выбранной области) — необходимо очертить область печатной платы, после чего все соединения, начинающиеся или заканчивающиеся в этой области, будут проведены автоматически.
Для соединения контактов надо щелкнуть по контакту (или по электрической связи, проложенной ранее), к которому подходит нужная связь. От контакта к контакту будет проложена трасса с возможными переходами из слоя в слой.
При интерактивной трассировке выполняются заданные атрибуты цепей:
WIDTH - ширина трассы;
VIASTYLE — стиль переходного отверстия;
CLEARANCE - величина любого зазора;
PADTOPADCLEARANCE — зазор между контактами компонента;
PADTOLINECLEARANCE - зазор между контактом и линией трассы;
LINETOLINECLEARANCE - зазор между линиями трасс;
VIATOPADCLEARANCE - зазор между контактной площадкой и переходным отверстием;
VIATOLINECLEARANCE — зазор между контактной площадкой и линией трассы;
VIATOVIACLEARANCE - зазор между контактными площадками.
Если результаты трассировки не удовлетворяют пользователя, то можно выполнить следующие команды:
Unroute All Nets - удаление всех проложенных цепей.
Unroute Conflicts — удаление всех цепей, имеющих помеченные на печатной плате конфликтные точки.
Unroute Net — удаление всей трассы одной цепи.
Unroute Connections - удаление трассы, соединяющей две контактные площадки.
Unroute Segment — удаление сегмента цепи.
При интерактивной трассировке рекомендуется перед окончательным проведением цепи использовать команду Tools/Sketch Route. При указании на цепь подсвечивается вся электрическая цепь. Далее указывается один из контактов цепи и, не отпуская левую клавишу мыши, вычерчивается (неровной линией) предполагаемая трасса, которая после отпускания клавиши мыши проводится окончательно с соблюдением всех установленных правил трассировки.
Автоматическая трассировка производится после выполнения команды Tools/Start Autorouter в меню автотрассировщика P-CAD ShapeBased Router. В процессе трассировки в строке состояний отражается ход трассировки: название текущего прохода трассировки, число разведенных цепей и количество введенных переходных отверстий, наличие конфликтов и т. д.
Перед началом трассировки система выполняет анализ печатной платы и выбирает подходящую стратегию трассировки. В случае появления сообщения One or more connection cannot be routed (одно или более соединений не может быть проведено) проанализируйте текстовый файл *.LOG, внесите нужные исправления и начните трассировку заново.
На начальных этапах трассировки программа Shape-Based Router прокладывает трассы с нарушением технологических зазоров и даже с пересечением трасс на одном слое. Такие конфликты указываются на экране кружочками желтого цвета. На последующих проходах конфликты устраняются, а если это не удается сделать трассировщику, то результаты трассировки вместе с оставшимися конфликтами передаются в редактор РСВ Editor и редактируются самим пользователем.
Автотрассировку можно остановить по команде Tools/Pause Autorouter, возобновить по команде Tools/Restart Autorouter и прекратить по команде Tools/Stop Autorouter.
При автотрассировке возможно задание еще нескольких ее локальных режимов (для этого необходимо остановить процесс автоматической трассировки):
Autoroute Connection (автоматическая трассировкга отдельных фрагментов электрической цепи) - автоматическая трассировка производится при последовательном выборе того или иного контакта электрической цепи;
Autoroute Net (автоматическая трассировка всей электрической цепи) - выбирается любой контакт нужной электрической цепи, а затем вся цепь разводится в автоматическом режиме;
Autoroute Component (автоматическая разводка всех связей компонента) — автоматическая разводка производится после указания на любой контакт выбранного компонента;
Autoroute Area — автоматическая трассировка области, выбранной пользователем.
Для возвращения в программу P-CAD РСВ с целью просмотра результатов трассировки и возможного редактирования этих результатов выполняется команда Save and Return.
8. Разработка сборочного чертежа и спецификации
Сборочный чертеж модуля выполняется в масштабе:1:1, 2:1, 2,5:1, 4:1.
На 1- ом листе размещается главный вид модуля и боковая проекция со всеми крепежными деталями. Размещение компонент на этом рисунке не указывается. На 2 и 3 ем листах представляются стороны А и Б с размещением компонент. Для модулей с односторонним размещением компонент допускается компоненты показывать непосредственно на рисунке с главным видом. В этом случае чертеж выполняется на одном листе.
Сборочный чертеж должен давать полное представление о конструкции модуля, поэтому чтобы показать сложные конструктивные участки, например, элементы крепления, фиксации и пр. необходимо показывать разрезы в этих местах. На чертеж наносят габаритные, установочные и присоединительные размеры, предельные отклонения, позиционные обозначения. Компоненты изображаются в упрощенном виде. Всем составным частям присваивают позиционные номера, которые указывают с помощью выносок вне поля платы. Сборочный чертеж должен содержать технические требования по монтажу и сборке.
Обычно сборочные чертежи выполняются с помощью системы автоматизированного проектирования Автокад. В программе P-CAD PCB есть средства для передачи файлов с расширением *.pcb в файлы для программы Автокад. В курсовом проекте допускается выполнение сборочного чертежа в программе P-CAD PCB. В данной лабораторной работе используем программу P-CAD PCB.
Спецификация на модуль.
Спецификация представляет собой таблицу, содержащую перечень всех составных частей, входящих в данное изделие, и конструкторских документов. Она выполняется на листах формата А4.
Спецификация содержит графы:
-"Формат" -заполняется только для документации, при этом указывается формат, на котором выполнен документ.
-"Зона" -используется для больших и сложных сборочных чертежей, в которых поле чертежа разбивается на зоны. Используется редко.
-"Поз."-указывается позиция на сборочном чертеже. Позиции обозначают цифрами в порядке возрастания.
-"Обозначение" -указывают децимальный номер документа. Заполняется только для документации.
-"Наименование"-указывается наименование документа, детали . компонента и прочее. Для компонент в этой графе указывают также ГОСТ или ТУ, по которым выполнен компонент.
"кол." - указывают количество однотипных элементов.
"Примечание" - позиционные обозначения для компонент указывают согласно электрической принципиальной схеме.
Спецификация состоит из разделов:
-Документация,
-Сборочные единицы,
-Детали,
-Стандартные изделия,
-Прочие изделия.
- Материалы.
Название раздела указывают в графе "Наименование" и подчеркивают.
9. Поверочные расчёты
| № | компонента | k1 | k2 | k3 | |||||
| 1 | Резистор | 1,46 | 2,5 | 1 | 1 | 1,5 | 0,5*10-8 | 2,74*10-8 | 8,76* 10-7 |
| 2 | Конденсатор | 1 | 1,5 | 0,8* 10-8 | 4,38* 10-8 | 7,01* 10-7 | |||
| 3 | Транзистор | 1 | 1,5 | 0,2* 10-7 | 1,1*10-7 | 3,3* 10-7 | |||
| 4 | Диод | 1 | 1,5 | 0,1* 10-7 | 5,48* 10-8 | 8,28* 10-7 | |||
| 5 | Микросхема | 1 | 1,5 | 0,1* 10-7 | 5,48* 10-8 | 6,03* 10-7 |
- Коэффициент k1, учитывает механические воздействия. Он определяется объектом размещения. Выбираем для объекта "портативное": 1,07
- Коэффициента k2 зависит от максимальной температуры и влажности при которых эксплуатируется изделие. Он определяется в зависимости от температуры и влажности из таблицы в нашем случае 2,5
- Коэффициент K3 зависит от высоты над уровнем моря и определяется по таблице. В этом проекте он равен 1.
Коэффициенты k1, k2, k3 для всех элементов одинаковы.
- Коэффициент kni нагрузки.
kni = Эр\Эдоп
Где Эр –рабочий параметр компонента. Находится путем расчета режима работы схемы.
Эдоп –допустимый рабочий параметр компонента. Находится по справочным данным для каждого конкретного компонента.
Если kn для отдельных элементов рассчитать не удается, то он принимается равным 1.
- Коэффициент
зависит от kni
и от температуры корпуса компонента. В общем случае эта зависимость сложная и нелинейная. Для учебных целей используем линейную зависимость и рассчитываем
по формулам:
=1,5* kni
-при температуре корпуса компонента от 30 до 50 градусов Цельсия.
- В графе 7 указывается интенсивность отказов элементов
, которая находится по справочникам. В связи со сложностью получения этих данных (Фирмы иногда эти данные не публикуют в открытой печати), берем значения из методического пособия.
- В графе 8 указываются интенсивности отказов компонент и элементов печатного монтажа с учетом условий эксплуатации и режимов работы.
определяется по формуле:
=k1*k2*k3*
*![]()
- В графе 9 записываются значения произведений
, где ni
–число элементов указанных одной строкой таблицы.
Интенсивность отказов печатного блока будет определяться по формуле:
(1\час)
3,34* 10-6
(1\час)
Наработка на отказ определяется по формуле:
Т0
=1\
=3,0*105
(час)
Вероятность безотказной работы за время t определяется по формуле:
![]()
Вероятность отказа за время t определяется по формуле:
![]()
t = 24часа
=0,99954
=0,00046
В ходе проверки оказалось, что схема соответствует изначальным требованиям с большим запасом надежности.
9.2 Расчет уровня стандартизации и унификации
Уровень стандартизации и унификации определяется по формуле:
![]()
где:
-уровень стандартизации и унификации в процентах,
-число стандартных деталей (Детали, выполненные на предприятии по стандартам, например, болты, гайки, стальные уголки и пр.),
-число деталей, заимствованных из предыдущих изделий, выпускаемых данным предприятием,
- число покупных изделий (Число покупных компонент),
-общее число деталей, которое кроме перечисленных выше включает также уникальные детали, например, печатную плату.
Разрабатываемая плата состоит целиком из покупных и стандартных частей, т.к. в рамках данной работы не проводилась разработка уникальных блоков, кроме собственно печатной платы, поэтому:
Y = 100(78)/79=98.7
9 .3 Тепловые расчеты
1) Находим мощность рассеваемую модулем.
Узел потребляет от источника питания напряжение 12В, ток 1мА,
0,012 Вт
2) Находим площадь, через которую будет рассеиваться тепло. Печатную плату с установленными на ней компонентами условно представляем моделью в виде пластины и считаем, что площадь рассеивания равна двум площадям платы.
=2*(0.12 *0.15)=0,036м2
где H и L- габаритные размеры платы.
Считаем, что тепло распределяется по поверхности платы равномерно (Если данное условие не выполняется, то площадь платы в расчете необходимо уменьшить до величины площади, занимаемой теплонагруженными компонентами).
3) Находим удельную мощность рассеивания на единицу площади:
![]()
P=0,012/0,036=0,33 Вт/м2
4) По диаграмме Рис. 1 находим точку, характеризующую тепловой режим работы модуля и определяем зону, в которую она попала.

Рис.1.
5) Точка, характеризующая режим работы субблока находится в зоне 1, следовательно требуется естественное охлаждение.
Естественное охлаждение предполагает:
1. Обеспечение обтекания всех элементов конструкции
2. Теплонагруженные элементы располагаем ближе к элементам корпуса
3. Теплонагруженные элементы не располагаем под термочувствительным элементом
4. Использование перфорации на корпусе
10. Перечень используемых источников
1. Справочник конструктора РЭА / Р.Г.Варламов. –М.: 1973
2. Популярные цифровые микросхемы. Справочник. / Шило В.Л. -М.: Радио и связь, 1989.
3. Резисторы: Справочник/ В.В. Дубровский. -М.: Радио и связь, 1987.
4. Платы печатные, общие технические условия (ОСТ4 ГО.077.200). -М.: 1981.
5. Проектирование многослойных печатных плат с помощью системы P-CAD, В.Д.Разевиг. -М.: 1992.
Похожие рефераты:
Проектирование печатных плат в P–CAD2000
Разработка конструкции цифрового синтезатора частотно–модулированных сигналов
Автомобильная система видеонаблюдения
Физиотерапевтическое устройство на основе применения упругих волн
Разработка конструкции и технологии изготовления модуля управления временными параметрами
Дистанционный комплекс контроля функционального состояния
Автоматизированная система изучения тепловых режимов устройств ЭВС



















