| Скачать .docx |
Дипломная работа: Автоматизированная система изучения тепловых режимов устройств ЭВС
СОДЕРЖАНИЕ
Введение
1 Анализ технического задания
2 Обзор особенностей обеспечения тепловых режимов в конструкциях ЭВС. Моделирование тепловых режимов
3 Выбор и обоснование структурного построения системы и формулирование требований к ёё структурным компонентам. Анализ взаимодействия технических и программных средств
4 Разработка схемы и конструкции модуля АЦП
4.1 Выбор и обоснование элементной базы и материалов, схемотехническое проектирование
4.2 Электрический и конструктивно-технологический расчеты элементов печатного монтажа
4.3 Выбор и обоснование компоновочных решений
5 Разработка программного обеспечения
5.1 Общие требования к структуре и составу программного обеспечения, разработка алгоритма работы
5.2 Выбор и обоснование пользовательского интерфейса
5.3 Разработка программных модулей
5.4 Рекомендации по работе с программой
6 Исследовательская часть
6.1 Градуировка датчиков, настройка и регулировка системы
6.2 Экспериментальное исследование теплового режима системного блока ПЭВМ
6.3 Теоретический расчет теплового режима системного блока ПЭВМ
6.4 Анализ полученных результатов
7 Разработка технологии сборки модуля АЦП
7.1 Разработка технологической схемы сборки
7.2 Расчет технологичности модуля АЦП. Рекомендации по ее повышению
8.Технико-экономическое обоснование
8.1 Характеристика проекта
8.2 Расчет экономики программных средств
8.2.1 Расчет стоимостной оценки результата
8.2.2 Расчет экономического эффекта
8.2.3 Определение срока окупаемости и рентабельности проекта
9 Охрана труда и экологическая безопасность
Заключение
Литература
Приложение 1
Приложение 2
Приложение 3
ВВЕДЕНИЕ
Современный этап развития ЭВС характеризуется все усиливающейся тенденцией к микроминиатюризации, широким применением в устройствах ЭВС микросхем сверхвысокой степени интеграции, микросборок, миниатюрных электрических соединителей [1]. Одной из основных проблем при комплексом решении задачи микроминиатюризации является обеспечение нормального теплового режима разрабатываемого устройства. Тепловые воздействия могут приводить к снижению надежности функционирования ЭВМ, повышая интенсивность отказов их элементов (деталей, узлов, материалов). Считается, что при повышении температуры среды, окружающей элементы в блоках ЭВМ на 10 градусов, интенсивность отказов последних в среднем увеличивается на 25 – 50%.
Существующие инженерные методики представляют собой достаточно сложный математический аппарат и, зачастую, не дают инженеру-разработчику данных с требуемой точностью. Кроме того, наличие множества факторов, влияющих на формирование реального теплового режима в устройствах ЭВМ не позволяет учесть все нюансы в аналитическом подходе к решению данной задачи. Таким образом, здесь весьма важным является проведение экспериментальных исследований. Однако, как известно, в стандартной комплектации типовой ПЭВМ нет технических средств для решения данной задачи. Поэтому весьма актуальными становятся работы по созданию автоматизированных систем изучения тепловых режимов конструкций ЭВС. Такие системы должны сочетать в себе такие эксплуатационные критерии, как точность получаемых данных, наглядность и возможность их дальнейшего использования. Кроме того, применение подобных систем должно быть экономически выгодным.
Анализируя рынок специализированных модулей для исследования тепловых режимов конструкций ЭВС, необходимо заметить, что данное направление в настоящее время не получило должного развития. Всевозможные электронные универсальные устройства для измерения температуры конструкций, зачастую, не отвечают в полной мере требованиям, которые предъявляются исследователем (п.2). Поэтому тема данного дипломного проекта представляется весьма актуальной.
В рамках данного проекта согласно утвержденному техническому заданию требуется разработать автоматизированную систему для изучения тепловых режимов устройств ЭВМ, представляющую собой комплекс технических и программных средств. Необходимо разработать аппаратное обеспечение системы (встраиваемую в ПЭВМ плату) и компоненты программных средств. На ряду с этим, ставится задача провести экспериментальные (модельные) и теоретические исследования теплового режима системного блока ПЭВМ, на основании анализа результатов которых оценить параметры разработанной системы. Необходимо также разработать технологическую схему сборки модуля и рассчитать параметры производственной технологичности. В рамках проекта проработке подлежат и вопросы, касающиеся производственной и экологической безопасности, а также технико-экономического обоснования.
1 АНАЛИЗ ТЕХНИЧЕСКОГО ЗАДАНИЯ
Разрабатываемая система предназначается для проведения автоматизированных исследований тепловых режимов конструкций ЭВС. Система должна осуществлять преобразование аналоговых сигналов от датчиков в цифровую форму с последующей передачей и обработкой их в ПЭВМ.
Автоматизированная система исследования конструкций ЭВС должна представлять собой комплекс технических и программных средств. Технические средства системы должны быть представлены тремя компонентами. 1. Датчики для измерения температуры исследуемых конструкций ЭВС и соединительные кабели. 2. Встраиваемый в ПЭВМ модуль аналого-цифрового преобразования. 3. ПЭВМ, в которую встраивается модуль АЦП и на которой выполняется программное обеспечение системы. Программные средства системы должны быть представлены набором системных и прикладных программ, обеспечивающих работоспособность разрабатываемой конструкции.
Рассмотрим технические требования, предъявляемые к отдельным компонентам системы.
По представленному техническому заданию диапазон измеряемых датчиками температур должен находиться в пределах от –300 С до +1000 С. Таким образом, абсолютный температурный диапазон составляет 1300 С. Погрешность измерения должна находиться в пределах ±2%. Представленные величины, а также диапазон выходных напряжений датчиков будут являться определяющими при выборе аналого-цифрового преобразователя (и, прежде всего, его разрядности). Следует отметить, что по техническому заданию не предъявлено никаких требований к инерционности применяемых датчиков.
Разрабатываемый модуль аналого-цифрового преобразования по предъявленным к нему техническим требованиям должен осуществлять сбор данных по 12 входным каналам. Очевидно, что в связи с относительно небольшим выходным напряжением от датчиков и требуемой точностью измерений необходимо осуществить глубокую изоляцию каналов. В связи с «инерционностью» проводимых измерений многоканальность системы целесообразно обеспечить за счет аналогового мультиплексирования входных каналов с использованием одного АЦП для выполнения преобразований. К достоинствам такого способа следует отмести малые аппаратные затраты (в сравнении со случаем использования отдельных АЦП для каждого канала) и следовательно, более простые применяемые компоновочные решения.
Заданное время преобразования сигнала определяет, прежде всего, целесообразность выбора типа преобразователя, нежели функциональные особенности системы (исследуемый процесс не является в классическом понимании быстропротекающим и заданное время преобразования с многократным запасом обеспечивает «временную работоспособность» системы).
В разрабатываемой системе не предусматривается использование для модуля АЦП изолированного источника питания. Питание модуля необходимо осуществлять от ПЭВМ. Таким образом, реализация данного условия вызывает дополнительные требования к помехоустойчивости разрабатываемой системы, которые могут быть обеспечены применением схем, развязывающих цепь питания аналоговой части модуля АЦП и от питающих напряжений ПЭВМ.
По представленному техническому заданию модуль АЦП и ПЭВМ, в которую он встраивается должны сопрягаться по стандарту ISA. Данное требование определяет специфику как аппаратных и программных средств, так и необходимых конструктивных решений.
Используемая ПЭВМ принадлежит к классу IBM PC, форм – фактор AT. Как известно, форм-фактор определяет возможные размеры корпуса системного блока ПЭВМ, варианты расположения в его объёме – а, следовательно, и допустимые габариты –составных частей компьютера.
Размеры корпуса в пределах форм-фактора определяет тип. Корпус типа Desktop был наиболее распространён до середины 90-х годов [3], а это значит, что на данный момент имеется значительный парк компьютеров с такими корпусами. Использование корпусов типа Desktop задает ограничение на размеры плат (встраиваемых модулей): длина — не более 40 см, ширина — не более 16 см.
Корпуса типа Tower являются в настоящее время также весьма распространенными. Корпус Mini-Tower корпусу типа Desktop, установленному набок. Габариты корпуса Mini-Tower идентичны габаритам Desktop.. Поэтому ограничения, накладываемые форм-фактором, остаются прежними.
Требования к минимальной конфигурации используемой ПЭВМ, изложенные в техническом задании, не являются критичными с точки зрения использования современного персонального компьютера «среднего» класса.
По совокупности значений климатических, механических и радиоционных факторов разрабатываемая система относится к группе 1. К данной группе относятся стационарные ЭВМ и системы, работающие в отапливаемых наземных и подземных сооружениях [2]. Таким образом, внешняя среда для разрабатываемой системы не является агрессивной.
Анализируя требуемые показатели надежности, необходимо отметить, что значение предъявленной характеристики (наработки на отказ модуля АЦП) достаточно высоко. Можно предположить, что данный параметр будет накладывать отпечаток как на схемотехнические, так и на конструктивно-технологические решения, используемые в разработке.
По представленному техническому заданию коэффициент технологичности модуля АЦП должен быть не ниже 0,64. Учитывая единичный характер производства системы, данное требование необходимо принимать во внимание на всех стадиях проектирования.
Требования к уровню радиопомех к разрабатываемой системе определены в соответствии с ГОСТ 21552-84. Следует отметить, что в разрабатываемом устройстве (модуле АЦП) не предполагается наличия активных источников радиопомех и элементов, чрезвычайно чувствительных к таким помехам.
Требования к уровню шума при работе устройства критичны, в первую очередь, к ПЭВМ на которой функционирует разрабатываемая система.
По техническому заданию, производство разрабатываемого устройства должно иметь единичный характер. Данное требование необходимо учитывать при определении технологии производства системы (применение ручных техопераций, в частности, сборки и монтажа).
Таким образом, проведенный анализ технического задания на проектирование позволяет сделать вывод о том, что разрабатываемая система должна удовлетворять ряду специфических эксплуатационных (требования к датчикам, к программному обеспечению ) и схемотехнических (количество входных каналов, интерфейс с ПЭВМ) требований. На ряду с этим, к разрабатываемой системе предъявляются также требования по производственной технологичности.
2 ОБЗОР ОСОБЕННОСТЕЙ ОБЕСПЕЧЕНИЯ ТЕПЛОВЫХ РЕЖИМОВ В КОНСТРУКЦИЯХ ЭВС. МОДЕЛИРОВАНИЕ ТЕПЛОВЫХ РЕЖИМОВ
Компоненты электронно-вычислительных систем функционируют строго в ограниченном температурном диапазоне. Уход температуры за указанные пределы может привести к необратимым структурным изменениям компонентов. Температурный фактор также влияет и на параметры электрических сигналов [3]. Увеличение плотности упаковки компонентов и скорости переключения элементной базы приводит к росту удельной мощности рассеяния, в связи с чем задача обеспечения нормального теплового режима при повышенной температуре является наиболее актуальной.
Тепловой режим конструкции ЭВС считается нормальным, если обеспечивается нормальный тепловой режим всех без исключения составных частей конструкции (ИМС, ЭРЭ, соединений, материалов и т.п.).
Тепловой режим отдельного элемента считается нормальным, если выполняются два условия: температура элемента (или окружающей элемент среды) находится в пределах, определенных паспортом или техническими условиями на него; температура элемента должна быть такой, чтобы обеспечить его функционирование с заданной надежностью.
Первое условие обязательно для каждого элемента, второе определяется заданными в техническом задании на разработку показателями надежности. Обычно считают, что высокая надежность и длительный срок службы ЭВМ будут гарантированы, если температура среды внутри ЭВМ нормальная (20…250 С) и изменяется не более чем за час непрерывной работы.
Для облегчения тепловых режимов устройств ЭВМ используются различные системы охлаждения. Под системой охлаждения понимают совокупность устройств и конструктивных элементов, используемых для уменьшения локальных и общих перегревов. Системы охлаждения обычно классифицируют по способу передачи тепла, виду теплоносителя и источников тепла. В конструкциях ЭВМ находят применение естественное и принудительное воздушное охлаждение, а также жидкостные и испарительные системы охлаждения.
Обеспечение нормального теплового режима приводит к усложнению конструкции, увеличения габаритов и массы, затратам электрической энергии и дополнительным экономическим издержкам, в связи с чем важно правильно выбрать требуемый способ охлаждения.
Выбор способа обеспечения нормального теплового режима, а равно и системы охлаждения ЭВМ, как правило, производится на ранних стадиях разработки ЭВМ и основывается на определении плотности теплового потока и допустимого перегрева конструкции.
Расчет теплового режима устройств ЭВМ заключается главным образом в определении по конструктивным данным тепловой модели температур нагретых зон (объем, в котором рассеяние тепла) и поверхностей элементов. В ходе расчета определяют также температуру в других характерных зонах устройства (окружающего воздуха, корпуса и т.д.) и характеристики системы охлаждения. Методики расчета считаются удовлетворительными, если результаты расчета обладают заданной точностью, подтверждаются опытом проектирования и испытаниями опытного образца. Обычно, методика считается инженерной, если обеспечивается точность расчета не хуже 10 – 15%. В инженерных методиках наиболее часто используется коэффициентный метод, т. е. Связь между перегревом нагретой зоны и влияющими на тепловой режим устройства факторами осуществляется при помощи соответствующих коэффициентов. (Более детальное рассмотрение подходов в моделировании тепловых режимов устройств ЭВМ приведено в исследовательской части проекта).
Как было отмечено выше, существующие инженерные методики представляют собой достаточно сложный математический аппарат и, зачастую, не дают инженеру-разработчику данных с требуемой точностью. Кроме того, наличие множества факторов, влияющих на формирование реального теплового режима в устройствах ЭВМ не позволяет учесть все нюансы в аналитическом подходе к решению данной задачи. Таким образом, весьма важным является проведение экспериментальных исследований. Для проведения исследований теплового режима в критичных точках конструкции (на наиболее термочувствительных элементах) устанавливаются датчики температур, выходы которых коммутируются на различные электронные устройства.
Существует множество способов измерения температуры самыми различными датчиками, работа которых основана на различных принципах [4]. В качестве датчиков для измерения температуры приборы на pn – переходах (диоды, транзисторы), термопары, терморезисторы (термисторы), интегральные датчики температуры и др. Кратко рассмотрим те из них, которые могут быть применены в устройствах для изучения тепловых режимов ЭВМ.
Эффект зависимости pn – перехода от температуры, нежелательный в большинстве применений, широко используется в измерении температуры. Датчики на pn – переходах характеризуются линейной зависимостью выходного сигнала от температуры, но, как и всякие полупроводниковые устройства работоспособны только в ограниченном интервале температур.
На рис. 2.1 изображена вольт-амперная характеристика кремниевого диода для средних значений токов. Прямой ток диода пределяется выражением:
, (2.1)
где I – ток через диод, V – приложенное напряжение; Is – обратный ток насыщения (функция температуры); k – постоянная Больцмана; q – величина заряда электрона.

Рисунок 2.1 – Вольт – амперная характеристика кремниевого диода
Выполняя в уравнении (2.1) соответствующие подстановки и разрешая его относительно V, получим
, (2.2)
где М – некоторая независящая от температуры константа и Eg – ширина запрещенной зоны в кремнии при Т=0К. Согласно (2.2), напряжение на диоде линейно зависит от теипературы.
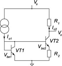
Транзистор также является хорошим датчиком температуры. При фиксированном токе коллектора напряжение база – эмиттер транзистора линейным образом зависит от температуры.
На рисунке 2.2 показана простая термочувствительная схема, используемая для получения выходного напряжения, пропорционального абсолютной температуре. Для идентичных кремниевых транзисторов VT1и VT2 пренебрегая их базовыми токами по сравнению с токами коллекторов, получаем
, (2.3)
,
,
![]()
Рисунок 2.2 – Термочувствительная схема с выходным напряжением, пропорциональным абсолютной температуре
Очевидно, что падение напряжения на резисторе R1 пропорционально абсолютной температуре и изменяется линейно, пока отношение Ic1 /Ic2 остается постоянным. Этот способ контроля температуры реализован в ИС LX5700 фирмы National Semiconductor [5]. Рабочий интервал температур – от –50 до +1250 С, чувствительность – 10 мB/0 С. Постоянная времени для неподвижного воздуха равна 50 с. Выходное напряжение датчика равно 2,98 В при Т=298 К. Точность составляет +3,8 К, нелинейность не превышает +1 К.
Микросхемы LM135, LM235, LM335, выпускаемые фирмой National Semiconductor, также являются интегральными датчиками температуры, выходное напряжение которых зависит от температуры. Они работают, как двухвыводные стабилитроны, пробивное напряжение которых пропорционально абсолютной температуре с коэффициентом пропорциональности ±10 мВ/К. Рабочий ток этих датчиков может изменяться в широких пределах – от 400 мкА до 5 мА. Рабочий интервал для ИС LM135 – от – 55 до + 1500 С. Микросхема ТМР01 (фирма Analog Devices) представляет собой двухвыводный интегралный датчик температуры с погрешностью измерения ±1% от полной шкалы (ПШ) и температурным коэффициентом 10 мВ/0 С. Диапазон измеряемых температур – от – 45 до 115 0 С. Температурный коэффициент датчика AD22100 составляет 22,5 мВ/0 С, однако, он имеет большую погрешность измерений – 3% от ПШ.
Терморезисторы представляют собой термочувствительные резисторы, изготавливаемые из полупроводниковых материалов. Большинство терморезисторов характеризуется высоким удельным сопротивлением и высоким отрицательным температурным коэффициентом сопротивления (ТКС). Величина отрицательного ТКС может составлять несколько процентов на градус Цельсия. Однако, наряду с повышенной чувствительностью терморезисторы обладают существенным недостатком: для них зависимости сопротивления от температуры в сильной степени нелинейны.
Принцип работы термопары основан на использовании эффекта Зеебека. Поскольку выходное напряжение термопары очень мало (микровольты), оно очень чувствительно к помехам. Поэтому при использовании термопары необходимо применять различные способы ослабления помех. Для улучшения «качества» сигнала термопары целесообразно применять активные аналоговые фильтры и технику защитного экранирования.
Кратко рассмотрим различные представленные на рынке специализированные модули, которые могут использоваться для обработки входных аналоговых сигналов, поступающих от термодатчиков.
Модуль аналого-цифрового ввода/вывода и преобразования информации фирмы Texas Instruments представляет собой встраиваемый в ПЭВМ модуль, построенный на основе процессора цифровой обработки сигнала TMS32020. Основные технические характеристики аналогового входа: количество разрядов – 12; общее количество каналов – 8 шт.(из них два - изолированные); время преобразования – 5,9 мкс.; амплитуда входных сигналов – +10 В; амплитуда выходных сигналов от модуля – +5 В; синхронизация – внутренняя, внешняя, от ПЭВМ; шина интерфейса с ПЭВМ – ISA.
Устройство для оперативного контроля тепловых режимов электронной вычислительной машины (Патентообладатель Понурко А. Р., 1996 г., номер заявки 94030822, осн. индекс МПК G06F11/00) предназначено для оперативного автоматического контроля тепловых режимов основных блоков и конструкций ЭВМ. При нарушении нормального теплового режима того или иного блока конструкции ЭВМ на подключенный информационный канал выдается соответствующая сигнальная информация и вырабатываются управляющие сигналы к исполнительным устройствам (в частности, дополнительным вентиляторам).
Цифровой термометр (Патентообладатель Серпуховское высшее военное командно-инженерное училище ракетных войск им.Ленинского комсомола, 1996 г. номер заявки 5055405, осн. индекс МПК G01K7/00) предназначен для точного и быстропроизводимого измерения температуры конструкций приборов и машин. Цифровой термометр обладает повышенным быстродействием за счет полезного использования информации переходного периода в процессе регулярного нагрева термочувствительного резонатора от объекта, температура которого измеряется. Алгоритм оценивания температуры реализуется в специализированном вычислителе.
Плата сбора данных фирмы National Semiconductor CAI343 построена на основе 8-разрядного АЦП ADC 0816, содержащего на кристалле аналоговый мультиплексор на 16 каналов. Время преобразования – 110 мкс. Системой используется 3 порта ввода, 3 – вывода и 2 совмещенных порта.
Модуль ввода сигнала с термопары с расширенными диапазонами (I-7011P, НПО «ИКОС», Российская Федерация) представляет собой устройство в отдельном корпусе, подключаемое к ЭВМ по интерфейсу RS-485. Количество каналов аналогового ввода – 1. Разрядность используемого АЦП – 16 бит. Условия эксплуатации: от -20°С до +70°С. Тип подключаемых датчиков: термопары типа J (от -100°С до +760°С), K (от -100°С до +1370°С), T (от -100°С до +400°С), E (от 0 до 1000°С), R (от 500°С до 1750°С), S (от 500°С до 1750°С), B (от 500°С до 1800°С), N (от -270°С до +1300°С), C (от 0 до 2320°С), L (от -200°С до +800°С), M (от -200°С до +100°С).
Подводя итог вышеизложенному, необходимо отметить, что в настоящее время сложившийся отечественный рынок измерительных средств в секторе проектирования ЭВМ остается ненасыщенным для недорогой автоматизированной системы исследования тепловых режимов конструкций ЭВМ, чем еще раз подтверждается актуальность данного проекта.
3 ВЫБОР И ОБОСНОВАНИЕ СТРУКТУРНОГО ПОСТРОЕНИЯ СИСТЕМЫ И ФОРМУЛИРОВАНИЕ ТРЕБОВАНИЙ К ЁЁ СТРУКТУРНЫМ КОМПОНЕНТАМ. АНАЛИЗ ВЗАИМОДЕЙСТВИЯ ТЕХНИЧЕСКИХ И ПРОГРАММНЫХ СРЕДСТВ
Разрабатываемая система конструктивно представляет собой встраиваемый в ПЭВМ модуль. Учитывая высокую производительность современных ПЭВМ целесообразно переложить на персональный компьютер выполнение основных функций обработки сигнала в проектируемой системе. Таким образом, затраты на построение аппаратных средств модуля будут минимизированы. Сам модуль будет выполнять функции первичной обработки входных сигналов и обеспечивать поступление информации в ПЭВМ (например, через механизм прерываний). При таком подходе существенно упрощаются задачи по проектированию аппаратных средств системы, интерфейса между модулем и ПЭВМ. Как недостаток – усложняется разработка программного обеспечения. Но учитывая предъявленные технические требования к системе (относительно большое количество входных каналов, требуемый интерфейс с ПЭВМ и т. п.), и, как следствие, достаточно большой объем электронного оборудования, такой подход в заданных условиях представляется наиболее рациональным.
Руководствуясь функционально-модульным подходом в проектировании системы, все аппаратные средства модуля аналого-цифрового преобразования можно укрупненно разбить на четыре части (датчики условно отнесем к самостоятельной структурной единице). К первой части (входной блок) можно отнести аппаратуру, на которую непосредственно поступают сигналы от датчиков. Этот блок должен выполнять соответствующие функции: первичное усиление и фильтрация сигнала, коммутация каналов. Следовательно, аппаратура блока будет представлена фильтрующими и усилительными схемами, аналоговым коммутатором каналов, его схемой управления.
Ко второму блоку (с точки зрения структурного построения системы) можно отнести совокупность технических средств, задачей которых является осуществление аналого-цифрового преобразования. Данный блок целесообразно построить по классической схеме преобразователя напряжение – код. Такой выбор осуществлен в связи с тем, что 1) данная схема будет удовлетворять временным параметрам системы; 2) для дистанционных систем сбора данных наиболее оптимальным является именно такой вариант преобразования [4]; 4) дальнейшая обработка выходного сигнала от такой схемы (модуля вообще) является наиболее приемлемой с точки зрения объема дополнительной аппаратуры для преобразования и обработки сигнала.
Выбор разрядности преобразователя будет определяться точностными требованиями к системе, изложенными в техническом задании на разработку.
Укрупненно данный блок включает в себя следующие функциональные части: регистр последовательного приближения, цифро-аналоговый преобразователь, операционный усилитель, компаратор, генератор тактовых импульсов и схему запуска.
Третий блок проектируемого модуля системы представляет собой аппаратные средства, предназначенные для сопряжения устройства с персональным компьютером. Основные функции данного блока: 1) преобразование последовательного кода, поступающего с выхода блока аналого-цифрового преобразования, в параллельный; 2) осуществление дешифрации базового адреса и адресов регистров устройства; 3) формирование управляющих сигналов для выбора канала и работы преобразователя; 4) буферизация используемых сигналов шины микро-ЭВМ; 5) вспомогательные функции по синхронизации работы составных частей устройства и генерация сигнала вектора прерывания.
Аппаратура, предназначенная для согласования логических уровней составных частей устройства составляет четвертый аппаратный блок разрабатываемого модуля.
Таким образом, теперь можно сформулировать основные требования к структурным компонентам системы (некоторые из них исходят из описанного выше предназначения аппаратных средств).
Применяемые термодатчики должны удовлетворять предъявленным в ТЗ требованиям по диапазону измеряемых температур, погрешности измерения, а также конструктивным требованиям (установка датчиков должна осуществляться на поверхность ИМС и конструктивных элементов ЭВС).
Входной блок должен обеспечивать первичную обработку сигнала (усиление, фильтрация) и коммутацию входных каналов. То есть так обработать сигнал, чтобы его можно было передавать на блок аналого-цифрового преобразования. Необходимо стремиться к минимизации времени переключения канала и ослаблению взаимного влияния сигналов из разных каналов.
Главными требованиями, предъявляемыми к блоку аналого-цифрового преобразования являются точность и время преобразования.
Блок сопряжения устройства с ПЭВМ должен обеспечивать интерфейс между модулем и персональным компьютером по стандарту ISA, выполнять вспомогательные функции по буферизации используемых сигналов шины модуля и синхронизации работы составных частей устройства.
Блок согласования и развязки должен осуществлять функции сопряжения составных частей устройства.
Необходимо отметить, что следует добиваться минимальной «паразитной» задержки сигнала во всех составных частях устройства (изначально определяющими являются задержки в блоке аналого-цифрового преобразователя и коммутатора, однако применяемая элементная база может внести существенные коррективы во временной баланс [4]).
Как уже было отмечено выше, основная логическая обработка сигнала в разрабатываемой системе возлагается на средства ПЭВМ, в которую встраивается проектируемый модуль.
Реализация вышеизложенных положений по структурному построению аппаратных средств разрабатываемого модуля приведена на схеме электрической структурной БГУИ.411117.001Э1.
После выбора и обоснования структурного построения разрабатываемой системы следует определить те конструкторские расчеты, которые необходимо выполнить в процессе проектирования.
Проведение того или иного конструкторского расчета обуславливается тремя факторами: 1) заданными в ТЗ количественными требованиями к разработке, выполнение которых необходимо подтвердить (в частности, параметры надежности и технологичности); 2) необходимостью получения численных данных для проектирования (конструктивно-технологический и электрический расчеты элементов печатного монтажа (ЭПМ)); 3) математической проверкой принятых инженерных решений (расчет вибропрочности).
Таким образом, в рамках данного проекта предполагается выполнение следующих конструкторских расчетов: 1) надежности; 2) конструктивно-технологический ЭПМ; 3) электрический ЭПМ; 4) вибропрочности; 5) технологичности. Кроме этого, в исследовательской части проекта предполагается выполнить теоретический расчет теплового режима экспериментально исследуемого системного блока ПЭВМ.
Исходя из представленных возможностей требуемого интерфейса между модулем и ПЭВМ (стандарт ISA), а также из соображений целесообразности (соответствие между функциональными задачами модуля и персонального компьютера, в который он встраивается), наиболее рациональным способом взаимодействия технических и программных средств модуля АЦП и ПЭВМ для разрабатываемой системы является использование системы прерываний ПЭВМ.
Как известно, главная задача механизма прерываний заключается в предоставлении микропроцессору эффективного средства для быстрого отклика на непредсказуемые события. Обработка прерываний, выполняемая таким механизмом, повышает пропускную способность вычислительной системы, позволяя периферийным устройствам выдавать на микропроцессор запросы на обслуживание в тех случаях, когда они в нем нуждаются [6]. Это гораздо эффективнее опроса периферийных устройств микропроцессором с целью выявления того, необходимо ли им обслуживание.
Прерывания, которые, как правило, связаны с внешними по отношению к микропроцессору устройствами (модули расширения, дисковые накопители, принтеры), получили название аппаратных прерываний. Все запросы на аппаратные прерывания из системной шины направляются через контроллеры прерываний 8259A. Эти контроллеры генерируют запросы прерываний на вход INTR микропроцессора, которые могут маскироваться в процессоре.
Контроллеры прерываний могут принимать сигналы прерываний от нескольких устройств, назначать им приоритеты и прерывать работу процессора.
В архитектуре PC AT подсистема аппаратных прерываний состоит из двух контроллеров 8259А (главного - MASTER и подчиненного - SLAVE). Они объединены таким образом, что могут обслужить 15 запросов на прерывания.
Инициализация и установка режимов работы контроллера выполняется путем его программирования как устройства ввода-вывода с помощью команд байтного ввода-вывода OUT и IN микропроцессора.
Установка контроллера в исходное состояние и определение алгоритма обслуживания прерываний, а также его изменение в процессе работы осуществляют с помощью команд контроллера двух типов: команд инициализации (ICW) и рабочих команд (OCW).
Кoнтроллер может выполнять следующий набор операций: маскирование - индивидуальное маскирование запросов, специальное маскирование обслуживаемых запросов; установку статуса уровней приоритета по установке исходного состояния, по обслуженному запросу, по указанию; окончание прерываний – обычное и специальное, а также автоматическое; чтение регистра запросов, регистра обслуженных запросов, регистра маски, результатов опроса.
Таким образом, подсистема прерываний реализуется в самом чипсете ПЭВМ. Внешние же сигналы, поступающие с шин расширения (ISA, PCI, AGP и др.) должны быть перераспределены между резервными линиями запросов на прерывания. Во избежание конфликтности между внешними устройствами при разработке модулей расширения необходимо предусмотреть возможность осуществления выбора (от модуля) того или иного номера прерывания, за которым будет закреплено устройство.
Анализируя взаимодействие технических и программных средств системы, необходимо еще раз подчеркнуть, что на модуль АЦП возложены функции по первичной обработке сигнала и «предоставлении» входной информации в ПЭВМ.
4 РАЗРАБОТКА СХЕМЫ И КОНСТРУКЦИИ МОДУЛЯ АЦП
4.1 Выбор и обоснование элементной базы и материалов, схемотехническое проектирование
Критерием выбора элементной базы (ЭБ) для любой проектируемой ЭВМ является возможность обеспечения конкретными ИМС и ЭРЭ требований, изложенных в ТЗ на разработку (причем с минимальными экономическими затратами). Основные параметры, учитываемые при выборе ИМС и ЭРЭ являются:
а) технические параметры:
1) номинальные значения параметров ИМС и ЭРЭ согласно схеме электрической принципиальной;
2) допустимые отклонения номинальных значений величин ИМС и ЭРЭ;
3) допустимые рабочие напряжения ИМС и ЭРЭ;
4) диапазон рабочих частот.
б) эксплуатационные параметры:
1) диапазон рабочих температур;
2) относительная влажность воздуха;
3) давление окружающей среды;
4) вибрационные нагрузки и т. д.
Дополнительными критериями при выборе ИМС и ЭРЭ являются: унификация ИМС и ЭРЭ, их масса и габариты, минимальная стоимость стоимость, надежность. Выбор ЭБ по вышеназванным критериям позволяет обеспечить надежную работу изделия при соблюдении всех требований, изложенных в ТЗ на разработку. Применение принципов стандартизации и унификации при выборе ИМС и ЭРЭ, а также при конструировании изделия в целом позволяет получить следующие преимущества:
1.Сократить сроки и стоимость проектирования.
2. Сократить на предприятии – изготовителе номенклатуру применяемых деталей и сборочных единиц.
3. Исключить разработку специальной оснастки и специального оборудования для каждого нового варианта РЭА, т.е. упростить подготовку производства.
4.Снизить себестоимость изделия.
Определяющими факторами при решении вопроса о выборе ЭБ для разрабатываемого устройства следующие предпосылки: во-первых, предъявленные в техническом задании требования к разработке по быстродействию. Следовательно, применяемая элементная база должна обеспечивать заданные временные характеристики системы. Во-вторых, точностные требования, изложенные в ТЗ к датчикам (погрешность измерения - 2%), накладывают ограничения на схемотехнические решения в модуле АЦП и применяемую элементную базу таким образом, чтобы погрешность измерений, вносимая аппаратурой модуля была не больше погрешностей измерений, вносимых датчиками. Одновременно с этим, следует отметить, что нецелесообразно добиваться точности ля аппаратуры модуля порядка десятых долей процента. В-третьих, разрабатываемый модуль является встраиваемым в ПЭВМ. Отсюда вытекает ограничение на его размеры и, следовательно, на типоразмеры (минимальную степень интеграции) применяемых ИМС. В-четвертых, предъявляемые в ТЗ эксплуатационные требования (условия эксплуатации системы, заданные параметры надежности, требования к уровню радиопомех) также накладывают соответствующие ограничения на применяемую элементную базу. И, наконец, в-пятых, важным фактором при выборе применяемой элементной базы является экономический критерий. Теоретически реализация схемотехнических решений разрабатываемой системы возможна в виде нескольких БИС и небольшого количества согласующих элементов. Однако, учитывая единичный объем выпуска разрабатываемой системы, такой подход не является приемлемым из-за необоснованно больших экономических затрат.
В связи с вышеизложенным, для схемотехнической реализации разрабатываемого модуля целесообразно применять микросхемы распространенных на рынке «отечественных» серий (541, 555, 559 1533), а также электронные компоненты одного из мировых лидеров в области микроэлектроники фирмы Analog Devices, которые сочетают в себе хорошие эксплуатационные параметры и низкую стоимость. Следует отметить целесообразность сокращения списка производителей (поставщиков) применяемой элементной базы (в связи со схемотехнической «совместимостью» и учитывая технологические критерии).
Рассмотрим схемотехническую реализацию узлов и блоков разрабатываемого модуля, представленных на схеме электрической структурной (БГУИ. 411117. 001Э1).
Из множества применяемых датчиков для измерения температур для проектируемой системы с учетом требований, изложенных в техническом задании (область применения системы, ее точностные характеристики, диапазон рабочих температур) в качестве датчиков наиболее целесообразным видится использование интегральных измерителей температуры. Они имеют гарантированные по ТУ характеристики (п.2), компактны и недороги [5]. Наиболее приемлемыми с этой точки зрения являются датчики фирмы Analog Devices ТМР01. Для них разработана «фирменная» схема включения, обеспечивающая низкочастотную фильтрацию и усиление сигнала (рисунок 4.1.1).

Рисунок 4.1.1 – Схема включения интегральных датчиков температуры ТМР01 (Analog Devices)
Необходимо «развернуть» сигнал, поступающий от датчиков до напряжения, максимально близкого к напряжению полной шкалы преобразователя. Учитывая, то рабочий диапазон температур составляет 1300 С, температурный коэффициент у ТМР01 - 10 мВ/0 С, а напряжение полной шкалы у применяемого преобразователя (см. ниже) - 10В [7], следовательно, напряжение от датчика необходимо увеличить в семь раз, что и выполняет соответствующий усилительный каскад, выполненный на микросхемах (для первого канала) DA 13, DA25 (AD817). Конденсатор С1 обеспечивает дополнительную низкочастотную фильтрацию сигнала.
Узел аналоговой коммутации (АК) выполнен на аналоговом мультиплексоре ADG406 (DA37). Инвертированный сигнал с мультиплексора подаётся на усилительный каскад (на DA40) с коэффициентом передачи равным 1 – таким образом, после двойной инверсии сигнал представлен в требуемом виде.
Напряжение, снимаемое с DA40, необходимо смесить таким образом, чтобы оно полностью входило в интервал входного напряжения ЦАП. Для этой цели построен каскад на усилителе DA41 и преобразователе DA38 (BB05D2,5). Данный преобразователь осуществляет преобразование напряжения +5В (от шины ПЭВМ) в гальванически развязанные потенциалы ±2,5В.
Управление выбором канала осуществляется через элементы VD1… VD4 (АОД130А) блока гальванической развязки БГР и реализовано на элементах DD21 (К561ПУ4), DD22 (К1533ЛН2), DD26 (К1533ИД5), DD27 (К1533ЛА3). Сигнал с DD26 поступает непосредственно на адресные входы аналогового мультиплексора.
Выбор разрядности аналого-цифрового преобразователя для модуля будет определяться его разрешающей способностью (погрешность преобразования, которая определяется младшим разрядом преобразователя [8], не будет играть существенной роли в определении разрядности преобразователя из-за относительно малой требуемой точности измерений).
Разрешающая способность преобразователя определяется по формуле
[В] (4.1.1)
где Uпш – напряжение полной шкалы преобразователя, В; n - количество разрядов преобразователя.
Если принять, что значение напряжения полной шкалы составляет 10 В (наиболее распространенная величина [7]), n = 10, то тогда получим

Учитывая значение температурного коэффициента выбранных датчиков, можно сделать вывод о том, что 10-разрядный преобразователь не обеспечит требуемой точности (беря во внимание реальное наличие некоторых наводок в аналоговом тракте). Следовательно, необходимо выбрать 12-разрядный преобразователь.
Как было отмечено и обосновано в п.3, аналого-цифровой преобразователь целесообразно построить как преобразователь напряжение-код (ПНК). ПНК реализован на основе регистра последовательного приближения DD11 (К1533ИР17), ЦАП DА39 (К1108ПА1), операционного усилителя DА43 (К554УД2А), компаратора DА42 (К554СА3), ждущего генератора тактовых импульсов на элементах DD1 (К1533ЛА3), L1, С25, R121, R130.
Переменным резистором R152 компенсируется абсолютная погрешность преобразования ПНК в конечной точке шкалы.
Схема запуска ПНК построена на элементах DD1 (К1533ЛА3), DD4 (К1533АГ3). Элементами R131 (Rt ) и С27 (Ct ) задается длительность выходного импульса, которая определяется по формуле:
t и. вых. = 0, 45 Rt * Ct, , (4.1.2)
Выбрав R=10 кОм и С=10 пФ сформированный генератором импульс надежно обеспечит запуск преобразователя [7]. На выводе QCC (3) регистра DD11 формируется сигнал завершения преобразования (активный – «0»), который по цепи связи обратной связи запускает ждущий генератор тактовых импульсов.
Источник питания для аналоговых схем и опорного напряжения для ПНК (±15В, Uоп = +10В) выполнен на элементах VD9 (КС191Ф), сдвоенном операционном усилителе DA45 (К140УД20А), транзисторе VТ7 (КТ3102Б) и преобразователе DA44 (BB05D15). . Данный преобразователь осуществляет преобразование напряжения +5В (от шины ПЭВМ) в гальванически развязанные потенциалы ±15В. Учитывая большой выходной ток BB05D15, от данной схемы можно запитывать все ИМС аналоговой части модуля.
Регулирование опорного напряжения Uоп осуществляется переменным резистором R202 в цепи отрицательной обратной связи ОУ (DA45).
Блок дешифрации и сопряжения включает в себя: 1) дешифратор адресов, собранный на элементах DD5 (К559СК1), DD2 (К1533ЛН1), DD10 (К153ЛИ1), DD3 (К555РЕ3), DD7 (К1533ИД7). Выбор базового адреса осуществляется с помощью переключателей SA1 (ВДМ1-4) и SA2 (ВДМ1-2). Базовый адрес устройства – ХХ016 , где значения Х задаются положениями переключателей SA1 и SA2. Пример задания базового адреса устройства приведен в Приложении.
В таблице 4.1.1 приведены смещения адресов функциональных частей, входящих в состав БДшС, относительно базового.
Таблица 4.1.1 – Относительные адреса функциональных частей, входящих в БДшС
| Ресурс | Смещение адреса | ||
| 1 | 2 | ||
| Канал 0 таймера | 0 | ||
| Канал 1 таймера | +1 | ||
| Регистр управляющего слова таймера | +2 | ||
| Регистр номера канала и разрешения прерывания | +3 | ||
| Регистр режима работы | +4 | ||
| Программный запуск | +5 | ||
| Чтение младшего байта результата | +6 | ||
| Чтение старшего байта результата | +7 | ||
Таблица прошивки ПЗУ для данных адресов смещений приведена в Приложении.
Преобразователь последовательного кода в параллельный выполнен на микросхемах DD23 – DD25 (К1533ИР16) и DD20.6 (К1533ЛН2).
Буфер для вывода информации с ПНК в ПЭВМ построен на микросхемах DD28 (К1533ИР22) DD29 (К1533ЛП10), которые управляются сигналами R_LOW_L и R_HI_L, поступающими через дешифратор адресов с шины ПК.
Буфер сигналов шины данных, адреса и управляющих сигналов реализован на микросхемах DD8 (КР580ВА86), DD2 (К1533ЛН1).
Формирователь сигналов системного прерывания выполнен на элементах DD12 (К1533ТМ2), DD15 (К1533ЛЕ1), DD17 (К1533ЛЛ1). Вектор прерывания с IRQ9 по IRQ12 выбирается соответствующей распайкой перемычки Е1. Запросы на прерывание генерятся (если разрешены) после каждого такта оцифровки. При чтении младшего байта результата преобразования прерывание сбрасывается.
Регистр номера канала и разрешения сигнала прерывания, реализован на микросхеме DD13 (К1533ТМ9). В таблице 4.1.2 приведены его формат и состояние разрядов в зависимости от выполняемой функции.
Таблица 4.1.2 – Формат и состояние разрядов регистра номера канала и разрешения сигнала прерывания
| D4 | D3 | D2 | D1 | D0 | |
| Канал 1 | - | 0 | 0 | 0 | 0 |
| Канал 2 | - | 0 | 0 | 0 | 1 |
| Канал 3 | - | 0 | 0 | 1 | 0 |
| Канал 4 | - | 0 | 0 | 1 | 1 |
| Канал 5 | - | 0 | 1 | 0 | 0 |
| Канал 6 | - | 0 | 1 | 0 | 1 |
| Канал 7 | - | 0 | 1 | 1 | 0 |
| Канал 8 | - | 0 | 1 | 1 | 1 |
| Канал 9 | - | 1 | 0 | 0 | 0 |
| Канал 10 | - | 1 | 0 | 0 | 1 |
| Канал 11 | - | 1 | 0 | 1 | 0 |
| Канал 12 | - | 1 | 0 | 1 | 1 |
| Тестовый сигнал (0В) | - | 1 | 1 | - | - |
| Разрешение прерывания | 0 | - | - | - | - |
| Запрещение прерывания | 1 | - | - | - | - |
Регистр режима работы реализован на микросхеме DD14 (К1533ТМ2). В таблице 4.1.3 приведены его формат и состояние разрядов в зависимости от выполняемой функции.
Таблица 4.1.3 – Формат и состояние разрядов регистра режима работы
| D1 (EI) | D0 (Type_ST) |
| Программный запуск АЦП | 0 |
| Запуск АЦП от таймера | 1 |
| Запретить прерывание | 0 |
| Разрешить прерывание | 1 |
Программный запуск осуществляется при обращении по адресу ХХ5 (таблице 4.1.1) при сброшенном в нуль разряде D0 регистра режима.
Блок дешифрации и сопряжения включает в себя также дополнительную логику, осуществляемую вспомогательные функции по согласованию логических уровней составных частей устройства для синхронизации их работы, которая реализована на логических элементах серии 1533.
Программируемый таймер реализован на микросхемах DD19 (КР580ВИ53) и DD9 (К1533ИЕ7) – предварительного делителя на 16. Канал 0 таймера осуществляет деление входной частоты с программируемым пользователем коэффициентом. Канал 1 задает частоту тактирования для АЦП при запуске его от таймера, что определяется разрядом 0 регистра режима работы. Частота тактовых последовательностей задается программно и должна позволять полностью завершить весь процесс измерения и обновления информации.
Передача данных и управляющих сигналов от АЦП к блоку дешифрации и сопряжения осуществляется через диоды VD6…VD8 (АОД130А) блока гальванической развязки БГР и транзисторы VT61…VT6 (КТ306Б и КТ326БМ).
Выбор разъемного соединителя для подключения к модулю АЦП датчиков температуры определяется следующими факторами: 1) количество соединительных линий равно 24; 2) отсутствие требований по некритичности соединителя к работе в высокочастотных электрических цепях, к большим значениям рабочих токов (А) и напряжений (В); 3) наличие конструктивно – технологических ограничений, которые сводятся к минимизации размеров применяемого соединителя и использованию печатного монтажа для его электрического соединения с платой; 4) условия эксплуатации должны удовлетворять требованиям, изложенным в ТЗ на разработку; 5) в связи с тем, разъемные соединители среди других ЭРЭ, используемых в конструкции, обладают одними из наиболее низких показателей надежности [9], необходимо стремиться выбрать соединитель с максимальным значением наработки на отказ.
Учитывая вышеизложенное, в качестве соединителя подключения к модулю АЦП датчиков температуры целесообразно использовать вилку СНО52-30/56-9В-23-В [10].
Информация о подключении выводов микросхем к шинам питания и земли приведена в Приложении.
Реализация принятых схемотехнических решений при проектировании модуля АЦП представлена на схеме электрической принципиальной (БГУИ. 411117. 001Э3).
Среди общих требований, предъявляемых к материалам конструкций ЭВМ, можно выделить следующие:
1) обеспечение с заданной по ТЗ надежностью режимов работы устройства (требования по электромагнитной совместимости, помехоустойчивости, диэлектрическим потерям, тепловым режимам и др.);
2) требования, с точки зрения физико-химических свойств (хорошая обрабатываемость, прочность, малая масса, высокая степень сохраняемости свойств в процессе эксплуатации, негорючесть, экологическая чистота);
3) низкая стоимость.
Для разрабатываемой конструкции среди критериев, определяющих выбор применяемых материалов, основными являются следующие: во-первых, входные сигналы (и их обработка) не являются быстроизменяющимися [8]. Следовательно, к применяемым материалам не предъявляется особых требований по обеспечению конструктивной помехозащищенности аппаратных средств. Во-вторых, по представленному техническому заданию по совокупности значений климатических, механических и радиационных факторов разрабатываемая система относится к группе 1. К данной группе относятся стационарные ЭВМ и системы, работающие в отапливаемых наземных и подземных сооружениях [2], и, следовательно, к применяемым материалам устройства не выдвигаются дополнительные требования в связи с воздействиями на конструкцию каких-либо то неблагоприятных внешних факторов.
Для осуществления выбора материала основания для печатной платы (ПП) разрабатываемого модуля необходимо определить тип, класс точности и используемую технологию изготовления ПП.
При выборе типа ПП учитываются следующие факторы: 1) возможность выполнения всех коммутационных соединений; 2) возможность автоматизации процесса изготовления, контроля, а также установки компонентов; 3) технико-экономические показатели.
Выбирая тип ПП, необходим учет того, что односторонние и двухсторонние печатные платы обладают сравнительно низкими коммутационными способностями, но имеют низкую стоимость и повышенную ремонтопригодность. Многослойные же печатные платы хотя и обладают высокой коммутационной способностью и повышенной помехозащищенностью, практически неремонтопригодны и дорогостоящи.
ГОСТ 23751-86 устанавливает пять классов точности для ЭПМ. Платы 1- го и 2-го классов точности используются при установке дискретных элементов, при малой или средней насыщенности ими монтажной поверхности. Платы 3-го класса используют при установке микросхем и микросборок, а также безвыводных навесных элементов при средней и высокой насыщенности ими монтажного пространства. Печатные платы 4-го класса точности используются при высокой степени насыщенности, а 5-го класса – при очень высокой степени насыщенности микросборками и БИС монтажного пространства.
Учитывая количество используемых микросхем и ЭРЭ в разрабатываемой конструкции, число внешних и внутренних связей, а также конструктивные ограничения, накладываемые требованием по использованию стандарта ISA, наиболее целесообразно выбрать для разрабатываемой ПП модуля 3-ий класс точности. Следовательно, в качестве метода изготовления ПП можно выбрать комбинированный негативный метод. Наиболее часто используемые материалы – фольгированные стеклотекстолиты.
Выбор данного класса точности будет подтвержден в дальнейшем (после конструктивно-технологического расчета элементов печатного монтажа (ЭПМ)) выбором и расчетом конкретных значений размеров ЭПМ, вытекающих из конструктивно-технологических и электрических требований.
Для защиты печатных проводников и поверхностей основания ПП от воздействия припоя, защиты элементов проводящего рисунка от замыкания навесными элементами целесообразно применение диэлектрического покрытия (например, на основе лака).
Планку для крепления платы модуля АЦП к задней панели ПЭВМ, в которую встраивается устройство, целесообразно изготовить из листовой анодированной стали.
Конкретные марки применяемых материалов указаны в технологической части проекта.
После обоснования и принятия схемотехнических решений необходимо произвести расчет надежности модуля АЦП и сопоставить полученные результаты с требованиями, изложенными в ТЗ.
Произведем ориентировочный расчет надежности разрабатываемой конструкции с помощью «Пакета прикладных программ по конструированию ЭВС» (МРТИ, 1991 г.).
Расчет проводится при следующих допущениях: отказы элементов являются случайными независимыми событиями; отказ любого элемента приводит к отказу всего устройства в целом; учитываются только элементы, отказ которых влияет на выполнение основных функций устройства; вероятность параметрических и перемежающихся отказов равна нулю; наработка до отказа элементов подчиняется экспоненциальному закону распределения.
В ТЗ определен лишь один основной показатель надежности: наработка на отказ. Остальные основные показатели надёжности определяются в соответствии с мож ГОСТ 21552-82.
Прядок и методика ориентировочного расчета следующие:
1) расчет производится по частям. Элементы ЭВМ разбиваются на группы. В одну группу объединяются элементы одного типа с одинаковой интенсивностью отказов в нормальных условиях и работающих при одинаковых условиях;
2) каждой группе элементов устанавливаются в соответствие значения интенсивностей отказов;
3) вычисляется суммарная интенсивность отказов по всем группам :
, (4.1.3)
где kэi - коэффициент эксплуатации; lio - интенсивность отказов в лабораторных условиях эксплуатации; Ni - количество элементов в i-ой группе.
4) определяется значение величины наработки на отказ:
(4.1.4)
5) вычисляется вероятность безотказной работы устройства Р(t) :
Р(t) = ехр (-t/То) , (4.1.5)
где t - время непрерывной работы.
Учитывая характер использования разрабатываемой исследовательской системы, примем для расчета время непрерывной работы равным 24 часам; коэффициент эксплуатации равным 0,98.
Исходные данные к расчету приняты на основании разработанной схемы электрической принципиальной (БГУИ.411117.001Э3) и приведены в таблице 4.1.4.
Таблица 4.1.4 – Исходные данные к расчету надежности
| Наименование компонентов | Количество, шт. |
| Резисторы постоянные | 208 |
| Резисторы переменные | 5 |
| Стабилитроны | 1 |
| Транзисторы кремниевые | 7 |
| Микросхемы | 75 |
| Конденсаторы керамические | 60 |
| Конденсаторы электролитические | 7 |
| Катушки индуктивности | 3 |
| Переключатели | 2 |
| Разъемы | 2 |
| Оптопары | 8 |
| Соединения пайкой | 1189 |
| Соединения проводами | 48 |
Расчет произведен с помощью пакета прикладных программ по конструированию ЭВС (Минск, БГУИР). Данный пакет (дальше – «ПППКЭВС») позволяет производить основные инженерные расчеты по конструированию электронно-вычислительных средств согласно методикам, изложенным в соответствующих разделах Настоящего дипломного проекта.
Результаты расчета приведены в таблице 4.1.5
Таблица 4.1.5 – Результаты расчета надежности модуля АЦП
| Параметр | Значение |
| Время наработки на отказ, ч | 73600 |
| Вероятность безотказной работы, % | 98,6 |
Таек как полученное в результате расчета значение времени наработки на отказ превышает значение, заданное по ТЗ, нет необходимости вносить какие-либо то изменения в принятые схемотехнические решения.
4.2 Электрический и конструктивно-технологический расчеты элементов печатного монтажа
Выбирая конструкцию печатной платы, рассчитывая электрические параметры линий связи и подготавливая технологическое оборудование для изготовления ПП, необходимо определить такие параметры ПП, как ширина и шаг трассировки печатных проводников, диаметр контактных площадок, число проводников, которое можно провести между двумя соседними отверстиями, диаметр отверстий в плате до и после металлизации. При расчете ЭПМ следует учитывать допуски на всевозможные отклонения параметров ЭПМ, установочные характеристики корпусов ИМС, требования по организации связей, вытекающие из принятых схемотехнических решений, а также перспективность выбранной технологической базы.
Руководящие документы при расчете: ГОСТ 23751-86, ГОСТ 10317-79, ОСТ 4ГО.010.009, ОСТ 4ГО.010.011, ОСТ 4ГО.064.089
Расчет ЭПМ проводят в два этапа: на первом этапе производится конструктивно-технологический расчет ЭПМ; второй этап представляет собой электрический расчет.
Рассмотрим расчет элементов проводящего рисунка с учетом технологии изготовления печатной платы.
Стороны прямоугольной печатной платы располагают параллельно линиям координатной сетки. Шаг координатной сетки выбирется согласно данных, приведенных в таблице 4.2.1.
Таблица 4.2.1 – Шаг координатной сетки
| Класс точности | 1 | 2 | 3 | 4 |
Шаг координатной Сетки, мм |
2,50 (1,25) |
2,50 (1.25) |
1,25; 2,50 (0,50) |
1,25; 2,50 (0,50) |
Примечание – В скобках даны непредпочтительные значения.
Координатную сетку и начало координат располагают в соответствии с ГОСТ 2417-78. Для плат одного размера расположение координатной сетки должно быть одинаковым.
Отверстия и элементы проводящего рисунка располагают на печатной плате относительно базы координат. При размещении на печатной плате нескольких рисунков используют только одну базу координат. Базу координат выбирают таким образом, чтобы исключить наличие отрицательных значений координат у отверстий, используемых в печатной плате.
Элементы проводящего рисунка располагают от края платы, неметаллизированного отверстия (диаметром более 1,5 мм), паза, выреза и т. д. на расстоянии не менее толщины платы с учетом допуска на линейные размеры, для плат толщиной менее 1 мм на расстоянии не менее 1 мм, ели это не противоречит электрической прочности.
Диаметры монтажных и переходных отверстий металлизированных и неметаллизированных должны соответствовать ГОСТ 10317-79. (Под переходным отверстием печатной платы подразумевается отверстие, служащее для соединения проводящих слоев печатной платы.) Предпочтительные размеры монтажных отверстий выбирают из ряда 0,7; 0,9; 1,1; 1,3; 1,5 мм, а переходных отверстий из ряда 0,7; 0,9; 1,1 мм.
Номинальные значения диаметра монтажного отверстия определяются:
[ мм], (4.2.1)
где dэ — максимальное значение диаметра вывода навесного элемента, устанавливаемого на печатную плату; r — разность между минимальным значением диаметра отверстия и максимальным значением диаметра вывода устанавливаемого элемента (величину r рекомендуется выбирать в зависимости от допусков на диаметры выводов устанавливаемых элементов и их расположения на корпусе); ∆dн.о. — нижнее предельное отклонение номинального значения диаметра отверстия.
Диаметры монтажных отверстий выбирают так, чтобы разность между минимальным значением диаметра отверстия и максимальным значением диаметра вывода устанавливаемого элемента была в пределах 0,1 ... 0,4 мм.
Предельные отклонения размеров диаметров монтажных и переходных отверстий устанавливают в соответствии с таблице 4.2.2.
Таблица 4.2.2 –Предельные отклонения диаметров монтажных и переходных отверстий, мм
| Размер отверст. Мм | Наличие металли- зации | Класс точности | |||
| 1 | 2 | 3 | 4 | ||
| ≥1,0 | НЕТ | ± 0,10 | ± 0,10 | ± 0,05 | ± 0,05 |
| Есть | + 0,10 - 0,15 |
+ 0,10 - 0,15 |
+ 0,05 - 0,10 |
+ 0,05 - 0,10 |
|
| >1.0 | Нет | ± 0,15 | ± 0,15 | ± 0,10 | ± 0,10 |
| Есть | + 0,15 - 0,20 |
+ 0,15 - 0,20 |
+ 0,10 - 0,15 |
+ 0,10 - 0,15 |
|
Номинальное значение ширины проводника t в миллиметрах рассчитывается по формуле
, (4.2.2)
где tм.д — минимально допустимая ширина проводника (определяется далее); tн.о — нижнее предельное отклонение ширины проводника.
Предельные отклонения ширины проводника от номинального значения устанавливают в соответствии с табл. 4.2.3.
Таблица 4.2.3 – Предельное отклонение ширины проводника от номинального значения, мм
Наличие Покрытия |
Класс точности | |||
| 1 | 2 | 3 | 4 | |
| Без покрытия | +0,15 -0,15 |
+0,10 -0,10 |
+0,03 -0,05 |
+0,03 -0,03 |
| С покрытием | +0,25 -0,25 |
+0,15 - 0,10 |
+0,10 - 0,08 |
+0,05 - 0,05 |
Номинальное значение расстояния между соседними элементами проводящего рисунка 5 в миллиметрах определяют по формуле
, (4.2.3)
где Sм.д—минимально допустимое расстояние между соседними элементами проводящего рисунка; Sв.о—верхнее предельное отклонение ширины проводника.
Минимально допустимое расстояние между соседними элементами проводящего рисунка Sм.д выбирают из расчета обеспечения электрической прочности изоляции в соответствии с ОСТ 4.010.019—81 или по ГОСТ 23751-79.
Диаметральное значение позиционного допуска расположения проводника относительно номинального положения dl выбирают по табл. 4.2.4.
Таблица 4.2.4 – Диаметральное значение позиционного допуска расположения проводника относительно номинального положения, мм
| Вид плат | Класс точности | |||
| 1 | 2 | 3 | 4 | |
| Одно- и двусторонние | 0,15 | 0,10 | 0,05 | 0,03 |
| Многослойные | 0,20 | 0,12 | 0,07 | 0,05 |
Центры монтажных и переходных отверстий на печатной плате располагают в соответствии с ГОСТ 10317-79.
Диаметральное значение позиционного допуска расположения центров отверстий относительно номинального положения узла координатной сетки dd выбирают по таблице 4.2.5.
Таблица 4.2.5 – Диаметральное значение позиционного допуска расположения центров отверстий относительно номинального положения, мм
Размер большой стороны Платы, мм |
Класс точности | |||
| 1 | 2 | 3 | 4 | |
| L≤180 | 0,20 | 0,15 | 0,08 | 0,05 |
| 180<L≤360 | 0,25 | 0,20 | 0,10 | 00,8 |
| L>360 | 0,30 | 0,25 | 0,15 | — |
Предельное отклонение значения номинального расстояния между центрами двух отверстий печатной платы определяют как полусумму позиционных допусков расположения центров этих отверстий.
Диаметральное значение позиционного допуска dp расположения контактных площадок относительно его номинального положения выбирают по таблице 4.2.6.
Таблица 4.2.6 – Диаметральное значение позиционного допуска расположения контактных площадок относительно номинального положения, мм
| Вид платы | Размер Большой стороны платы, мм |
Класс точности | |||
| 1 | 2 | 3 | 4 | ||
Одно – и Двусторонние |
L£l80 180<L£360 L>360 |
0,35 0,40 0,45 |
0.25 0.30 0,35 |
0,20 0,25 0,30 |
0.15 0,20 — |
| Многослойные | 0,40 0,50 0,55 |
0,35 0,45 0,50 |
0,30 0,40 0,45 |
0,25 0.35 — |
|
Расчет минимального диаметра контактной площадки производят по формуле
, (4.2.4)
где
— верхнее предельное отклонение диаметра отверстия;
— глубина подтравливания диэлектрика для многослойных печатных плат (принимается равной 0,03 мм).
Расчет минимального расстояния для прокладки n-го количества проводников между двумя отверстиями с контактными площадками диаметрами
и
производят по формуле
, (4.2.5)
где n — количество проводников;
— допуск, который учитывается только при n > 0.
Центры монтажных отверстий под неформируемые выводы многовыводных элементов, межцентровые расстояния которых не кратны шагу координатной сетки, следует располагать таким образом, чтобы в узле координатной сетки находился центр по крайней мере одного из монтажных отверстий, центры монтажных отверстий под остальные выводы располагать в соответствии с требованиями конструкции устанавливаемого элемента.
Размеры и конфигурацию крепежных и других конструктивных отверстий, например для корпуса навесных элементов, выбирают по ГОСТ 11284 –75 зависимости от требований конструкции устанавливаемого элемента. Не рекомендуется использовать более трех различных диаметров монтажных отверстий. Все отверстия на печатной плате выполняют без зенковок. Допускается у металлизированных отверстий печатных плат притупление острых кромок и частичное затягивание фольги в не металлизированные отверстия. При расчете диаметра контактной площадки наличие притупления кромок не учитывают.
Отверстия подвергающиеся металлизации (переходные и монтажные), имеют диаметр не менее одной трети толщины платы, если последняя не меньше 0,1 мм. Диаметр монтажных отверстий после металлизации, мм, приближенно можно оценить по формуле
, (4.2.6)
при этом диаметр а отверстия под металлизацию, мм,
(4.2.7)
Металлизированные отверстия должны иметь контактные площадки с двух сторон печатной платы. На внутренних слоях многослойной печатной платы контактные площадки должны быть у тех отверстий, которые связаны электрически с проводящим рисунком данного слоя.
Не металлизированные монтажные отверстия следует располагать в зоне контактной площадки. Допускается расположение контактной площадки рядом с не металлизированным отверстием. При этом формула (4.2.5) примет вид
(4.2.8)
где
и
—диаметры зон вокруг отверстий, свободных от проводящего рисунка. Диаметр зоны
(4.2.9)
Таким образом, с учетом значений допусков на размеры печатных элементов, зазора, обеспечивающего установку выводов в отверстия и их распайку
, толщины слоя металлизации
, максимального отклонения оси печатного проводника от номинального положения
, минимальной ширины гарантированно пояска Bmin
получим:
, (4.10)
где L – расстояние между центрами двух соседних отверстий в плате (контактных площадок); Wn – максимальная ширина печатного проводника; Smin – предельный зазор, при котором гарантируется надежная изоляция печатных элементов друг от друга; k – коэффициент шага основной координатной сетки (k =1,2,3…); А – шаг основной координатной сетки (А=2,5; 1,25; 0,625).
Контактные площадки могут иметь произвольную форму. Предпочтительной является круглая форма. Контактная площадка, предназначенная под установку первого вывода многовыводного элемента, должна иметь форму, отличную от остальных. Контактную площадку неметаллизированного монтажного отверстия, рассчитанную по (4.2.4), следует развивать в свободную сторону с таким расчетом, чтобы ее площадь, без учета площади отверстия, для 1-го и 2-го классов была не менее 2,5 мм2 , для 3-го и 4-го классов не менее 1,6 мм2 .
'Контактные площадки для автоматического контроля и диагностики следует выполнить круглой формы диаметром не менее 2 мм и располагать в узлах координатной сетки с шагом 2,5 мм в свободных местах в шахматном порядке так, чтобы расстояние между центрами контактных площадок, лежащих на одной линии координатной сетки, было кратно 5, а расстояние между центрами контактных площадок, лежащих на соседних линиях координатной сетки, кратно 2,5.
Минимальный диаметр контактной площадки рассчитывают по (4.2.4). Числовые значения диаметров контактных площадок для рекомендуемого ряда отверстий даны в ОСТ 4.010.019—81. Ширину проводников и расстояние между элементами проводящего рисунка определяют в зависимости от электрических, конструктивных и технологических требований.
Печатные проводники рекомендуется выполнять одинаковой ширины по нормам для свободного места на всем их протяжении. Сужать проводники до минимального значения следует только в узком месте на возможно меньшей длине. Проводники шириной более 3 мм, расположенные на печатной плате со стороны пайки и на внутренних слоях многослойной печатной платы, выполняют в соответствии с рекомендациями для конструирования экрана ГОСТ 23751-79.
Минимальное расстояние для прохождения проводника в узком месте рассчитывают по (4.2.5).
В целях уменьшения сложности проводящего рисунка допускается применение перемычек в количестве не более 5 % от общего числа печатных проводников.
Печатные контакты переключателей располагают произвольно на любом участке полезной площади печатной платы. Размеры и взаимное расположение печатных контактов определяет конструкция переключателя.
Концевые печатные контакты располагают на краю печатной платы. Размеры контактных площадок и их расположение определяют из технических условий на гребенчатый соединитель. На торце печатной платы со стороны печатных контактов снимают фаску 0,3 Х 45°,
Все печатные контакты на плате должны иметь износоустойчивое покрытие, которое указывают на чертеже.
Исходные данные для конструктивно – технологического расчета ЭПМ расчета сведены в таблицу 4.2.7
Таблица 4.2.7 – Исходные данные к конструктивно-технологическому расчету ЭПМ
| Параметр | Обозначение | Значение |
| Величина зазора, обеспечивающая установку выводов в отверстия и их распайку, мм | 0,1 | |
| Толщина слоя металлизации, мм | 0,06 | |
| Эквивалентный диаметр вывода ИМС, мм | dв | 0,5 |
| Максимальное отклонение оси печатного проводника от номинального положения, мм | 0,1 | |
| Величина отклонения центра отверстия при сверлении, мм | 0,2 | |
| Число проводников между соседними контактными площадками, шт. | n | 0 |
| Номинальное значение ширины печатного проводника, мм | T | 0,5 |
Выбор исходных данных был осуществлен исходя из следующих предпосылок: 1) плата 3-его класса точности (п. 4.1); 2) тип –ДПП (учитывая число внешних и внутренних связей, а также конструктивные ограничения, накладываемые требованием по использованию стандарта ISA); 3) номинальные значения для выбранного типа и класса точности ПП [11]; 4) тип корпуса для используемых микросхем –42 (как наиболее распространенный [12], эквивалентный диаметр вывода равен 0,5 мм, шаг выводов –1,25 мм (типовые значения для данного типа корпуса)); 5) из выражения (4.10) видно, что если принять dв = 0,5 мм и k = 1, то для рассматриваемого случая между двумя контактными площадками, расположенными на расстоянии друг от друга А =1,25, нельзя провести ни одного печатного проводника.
Расчет ЭПМ выполнен с помощью ПППКЭВС.
Результаты расчета приведены в таблице 4.2.8.
Таблица 4.2.8 – Результаты конструктивно-технологического расчета ЭПМ
| Параметр | Обозначение | Значение |
| Диаметр отверстия до металлизации, мм | dо | 0,82 |
| Диаметр зоны сверления, мм | dсв | 1,52 |
| Максимальный диаметр контактной площадки, мм | Dк | 1,77 |
| Диаметр отверстия после металлизации, мм | dm | 0,7 |
| Расстояние между центрами отверстий при сверлении, мм | L | 2,27 |
| Шаг трассировки, мм | Ттр | 1,25 |
В связи с тем, что для рассматриваемого случая между двумя ближайшими соседними контактными площадками, расположенными нельзя провести ни одного печатного проводника, корпуса ИМС на плате следует располагать свободно, оставляя зазоры между ними для прокладки печатных проводников.
Разность kA-L (для рассматриваемого случая равна 0,23 мм) позволяет судить о возможности создания технологических запасов величин Wn , Smin и Bmin и их величинах. Рациональное распределение этих запасов между расчетными параметрами печатной платы позволяет повысит процент выхода годных при изготовлении ПП, повысить надежность и снизить требования к технологии [12].
Вторым этапом расчета ЭПМ является электрический расчет.
Электрическое сопротивление проводников с покрытием определяют по формуле
, (4.2.10)
где р — удельное электрическое сопротивление; h — толщина проводника с покрытием; k — количество участков печатного проводника на его расчетной длине, имеющих различную ширину; li; — длина i-го участка печатного проводника шириной ti, — ширина печатного проводника на i-м участке.
При определении сопротивления, проводников, имеющих дополнительное покрытие толщиной менее 12 мкм с относительно высоким удельным сопротивлением (например, никель, олово, палладий), как правило, рассчитывают только сопротивление медного слоя, а сопротивление покрытий не принимают во внимание. При толщине дополнительного покрытия более 12 мкм сопротивление проводника определяют как сумму сопротивлений отдельных слоев. Сопротивление медного проводника с дополнительным медным покрытием рассчитывают исходя из их суммарной толщины.
Расчет электрического сопротивления печатного проводника без. покрытия Rб производят по формуле
(4.2.11)
где Rj — электрическое сопротивление i-го участка печатного проводника постоянной ширины и толщины, определяемое для заданных значений температуры.
Допустимую токовую нагрузку на элементы проводящего рисунка следует выбирать из условий допустимого превышения температуры проводника над температурой окружающей среды. Например, для медного проводника толщиной h= 35 мкм, шириной t=1 мм при нагреве на 20 С. нагрузочная способность по току примерно 3 А [11].
Для проводников имеющих дополнительное металлическое покрытие hн < 12 мкм, за толщину проводника принимают толщину основного проводящего слоя (фольги). Для проводников, имеющих дополнительное покрытие меди толщиной более 12 мкм, за толщину принимают суммарную толщину h основной и дополнительно осажденной меди.
Допустимую токовую нагрузку следует уменьшить на 15 % для проводников, расположенных на расстоянии, равном или меньшем их ширины.
Электрический расчет элементов ЭПМ включает два подэтапа: расчет по постоянному и переменному току.
Расчет по постоянному току практически выполняется для цепей питания и «земли». Необходимо оценить наиболее важные электрические свойства печатных плат по постоянному току: нагрузочную способность проводников по току, сопротивление изоляции и диэлектрическую прочность основания платы. Практически сечение проводника рассчитывают по допустимому падению напряжения Uп на проводнике:
, (4.2.12)
где р — удельное сопротивление проводника, Ом-мм
/м; hф
, t, lп
— соответственно толщина фольги, ширина и длина проводника, мм; Iп
— ток через проводник.
Для электронных логических схем допустимое падение напряжения в цепях питания и «земли» не должно превышать 1—2 % от номинального значения подводимого напряжения ЕК, поэтому требуемое сечение печатного проводника шины питания и «земли» вычисляется по формуле
, (4.2.13)
где
- сечение печатного проводника шины “земли” .
При передаче высокочастотных импульсных сигналов по ЭПМ из-за наличия индуктивного сопротивления проводников, взаимной индуктивности и емкости между проводниками и других факторов [11], сигналы задерживаются, отражаются, искажаются, появляются перекрестные помехи. Расчет по переменному току позволяет уточнить максимальную допустимую длину одиночного проводника, величины зазоров между проводниками, длину совместного прохождения проводников в системе, состоящей из группы параллельных проводников.
В связи с тем, что в разрабатываемой системе нет линий связи, по которым распространяются высокочастотные сигналы, способные вызвать вышеназванные процессы, рассчитывать ЭПМ по переменному току не представляется необходимым. Минимальная ширина проводников в этом случае ограничена технологическими возможностями производства согласно ОСТ 4ГО.010.019-81, ГОСТ 23751-86 для выбранного класса точности изготовления печатной платы.
Так как в разрабатываемом модуле АЦП используются аналоговые и цифровые микросхемы с номиналами питающего напряжения ±5В, ±15В, кроме раздельных шин питания (для номинала +5В) и земли для цифровой и аналоговой части (БГУИ.411117.001Э3) необходимо просчитать шину питания для аналоговой части (номинал напряжения +15В).
Рассчитаем по (4.2.13), учитывая справочные данные по потребляемой мощности применяемых микросхем [5,13], принимая во внимание возможные размеры трассировочного поля и наихудший вариант трассировки и наихудший случай по максимальной нагрузке на одну шину, шины питания и земли для цифровой части Sпз. ц , шины питания и земли для аналоговой части Sпз. а+5в , Sпз. а±15 .
Таким образом, получим:
[м2
];
[м2
];
[м2
].
Если принять толщину фольги равной 50 мкм (наиболее распространенная толщина для отечественных марок фольгированного стеклотекстолита [11]), получим следующие значения для минимальной ширины шин:
[мм];
[мм];
[мм].
Таким образом, из полученных результатов видно, что только ширина шины питания и земли для цифровой части модуля АЦП реально превосходит номинальное значение ширины печатного проводника для разрабатываемой ПП (таблице 4.7).
Полученные в результате выполнения конструктивно-технологического расчета конкретные значения параметров и размеров ЭПМ должны быть обеспечены в процессе изготовления печатной платы.
4.3 Выбор и обоснование компоновочных решений
Под компоновкой понимают размещение в пространстве или на плоскости всех необходимых схемных элементов разрабатываемой конструкции при условии обеспечения соответствия параметров работы устройства предъявленным техническим требованиям. Задачами компоновки являются выбор форм, размеров, ориентации, определение взаимного расположения основных схемных и конструктивных элементов на плоскости и в пространстве. От правильного выбора компоновочного решения зависят такие параметры разрабатываемого устройства, как габариты, надежность, помехоустойчивость, быстродействие. Чем плотнее будут располагаться корпуса микросхем (ЭРЭ) на плоскости печатной платы, тем сложнее автоматизировать их монтаж, тем более жестким будет температурный режим их работы, тем больший уровень помех будет наводиться в сигнальных связях. И наоборот, чем больше расстояние между микросхемами, тем менее эффективно используется физический объем конструкции, тем больше длина связей. Поэтому при осуществлении компоновочного решения следует учитывать все последствия того или иного выбранного варианта.
Для разрабатываемой конструкции выбор конкретного компоновочного решения будет определяться в первую очередь схемотехнической реализацией устройства (количеством ИМС и ЭРЭ и связями между ними), используемой элементной базой (типоразмерами корпусов микросхем и ЭРЭ), конструктивом интерфейса между модулем и персональным компьютером (ISA).
Размеры ПП выбираются из зоны размеров печатных плат [11]. Количество возможных значений размеров (высоты и ширины) весьма велико. Однако, до 100 мм можно применять любые размеры, кратные 2,5 мм, до 350 мм – 5,0 мм и свыше 350 мм – кратные 10 мм. Кроме того, наибольший размер должен быть не более 470 мм в любом направлении. Также устанавливается ограничение на на соотношение сторон: оно должно быть не более 1:4.
Как было обосновано в п. 4.2, наиболее целесообразным представляется использование корпусов 42 типа с шагом выводов 1,25 мм.
При выборе компоновочного решения необходимо руководствоваться рядом общих правил и положений, среди которых можно выделить следующие [2]:
1) по краям платы следует предусматривать технологическую зону шириной 1,5 – 2,0 мм. Размещение установочных и других отверстий, а также печатных проводников в этой зоне не допускается. Все отверстия должны располагаться в узлах координатной сетки. В том случае, если шаг расположения выводов микросхем не соответствует шагу координатной сетки, одно из отверстий под вывод (желательно первый) микросхемы должно обязательно располагаться в узле координатной сетки;
2) для правильной ориентации микросхем при их установке на ПП на последней должны быть предусмотрены «ключи», определяющие положение первого вывода микросхемы;
3) конденсаторы, резисторы и другие навесные элементы следует располагать параллельно координатной сетке;
4) на ПП должен быть предусмотрен ориентирующий паз (или срезанный левый угол) или технологические базовые отверстия, необходимые для правильной ориентации при изготовлении ДПП;
5) печатные проводники следует по возможности выполнять минимально короткими (этому должно способствовать соответствующее размещение ИМС и ЭРЭ на ПП – необходимо учитывать взаимные электрические связи между ними). Не рекомендуется прокладка сигнальных проводников в непосредственной близости и параллельно друг другу во избежание возникновения паразитных наводок;
6) распределение ИМС и ЭРЭ на ПП должно быть по возможности равномерным;
8) на шинах питания микросхем на группу из нескольких ИМС устанавливаются фильтрующие емкости;
7) число отверстий различных диаметров следует сводить к минимуму для повышения технологичности производства ПП.
Реализация принятых компоновочных решений представлена на сборочном чертеже модуля (БГУИ. 411117.001СБ).
Реализацию принятых компоновочных решений необходимо количественно подтвердить с точки зрения проверки разработанной конструкции на вибропрочность. Целесообразность проведения данного расчета обуславливается возможностью возникновения необходимости эксплуатации разрабатываемой системы вблизи некоторого оборудования, являющегося источником вибрационных воздействий.
Расчет на вибрапрочность проводится путем расчета собственной частоты колебаний платы, условно заменяя ее реальную конструкцию балочной схемой. Плата представляется в виде прямоугольной пластины с соответствующим способом крепления.
Формула для расчета собственной частоты имеет вид :
, (4.3.1)
где Km - поправочный коэффициент на материал, рассчитываемый по формуле :
, (4.3.2)
где Е, Р - модуль упругости и плотность применяемого материала;
Ес , Рс - модуль упругости и плотность стали;
Кв – поправочный коэффициент веса элементов, определяемый по формуле :
, (4.3.3)
где Рэ - вес элементов, равномерно размещенных по пластине; Рп - вес пластины;
В - частотная постоянная, рассчитываемая по формуле:
, (4.3.3)
- коэффициент, зависящий от вида закрепления и соотношения сторон пластины; Е
- модуль нормальной упругости; g
- ускорение свободного падения; Р
- плотность материала пластины; Еps
- коэффициент Пуассона;
h - толщина пластины;
A - длина пластины.
Если известны резонансные частоты Fi для всех входящих в блок устройств, то резонансная частота блока Fпл . рассчитывается по формуле:
, (4.3.4)
Разрабатываемая плата должна обладать усталостной долговечностью при воздействии вибрации. Для этого необходимо, чтобы минимальная частота собственных колебаний платы удовлетворяла условию:
, ( 4.3.5)
где nb - вибрационные перегрузки в единицах g;
b - размер короткой стороны платы;
- безразмерная постоянная, числовое значение которой зависит от значения частоты собственных колебаний и воздействующих ускорений [2].
Резонансную частоту разработанной платы модуля АЦП рассчитаем с помощью «ПППКЭВС».
Исходные данные для расчета приняты на основании сборочного чертежа модуля (БГУИ.411117.001СБ), массагабаритных характеристик применяемых ИМС и ЭРЭ [5,13], требуемого вида закрепления модуля в ПЭВМ, а также справочных данных на материалы [2] и представлены в таблице 4.3.1.
Таблица 4.3.1 – Исходные данные к рачету вибропрочности
| Параметр | Значение |
| Масса пластины, кг | 0,088 |
| Масса элементов, кг | 0,075 |
| Толщина пластины, см | 0,15 |
| Длина пластины, см | 34 |
| Ширина пластины, см | 10,5 |
| Поправочный коэффициент на материал (Км ) | 0,54 |
| Частотная постоянная ( |
85 |
В результате расчета получено значение резонансной частоты для разрабатываемого модуля, равное 43,7 Гц. Проверим условие(4.3.5):

Таким образом, условие (4.3.5) справедливо, следовательно, разработанная плата модуля АЦП будет обладать достаточной усталостной долговечностью при воздействии вибрации.
5 РАЗРАБОТКА ПРОГРАММНОГО ОБЕСПЕЧЕНИЯ
5.1 Общие требования к структуре и составу программного обеспечения, разработка алгоритма работы
Программное обеспечение (ПО) для разрабатываемой системы должно представлять собой комплекс системных и прикладных программ, позволяющих пользователю эффективно взаимодействовать с автоматизированной системой (управлять работой, реализовывать запросов и т. п.), получать объективную информацию о результатах производимых исследований.
ПО необходимо реализовать под операционную систему Windows (9Х), так как данная операционная система является наиболее распространенной из устанавливаемых на ПЭВМ. Целесообразность такого подхода можно объяснить исходя из задач, возложенных на разрабатываемую систему. В связи с тем, что исследуемые процессы изменения температуры в подавляющем большинстве случаев являются достаточно медленно протекающими, на устройство нерационально возлагать функции по обработке входной информации в реальном масштабе времени. Следовательно, написания ПО под операционную систему реального времени не требуется.
Взаимодействие модуля АЦП и ПЭВМ, в которую он встраивается, целесообразно осуществить использовать механизм прерываний. Номер используемого модулем системного прерывания (с IRQ9 по IRQ12) выбирается соответствующей распайкой перемычки Е2 (БГУИ.411117.001Э3).
С точки зрения пользователя, программа для работы с АСИТР должна иметь приближенный к стандарту Windows интерфейс и обеспечивать получение информации об исследуемом тепловом режиме как в виде, удобном для визуальной, так и для аналитической оценки. Иными словами, на основании данных, полученных в результате исследования, должна быть построена визуальная модель – трехмерный график на основе измерений в исходных точках и аппроксимации полученных значений на весь объем конструкции, подлежащей исследованию. При этом, учитывая относительно небольшое количество каналов, целесообразно предоставить доступ к исходному массиву полученных данных (12 значений). Требования к системным ресурсам – согласно утвержденного ТЗ.
Общая структура ПО для разрабатываемой системы приведена на рисунок 5.1.1.

Рисунек 5.1.1 – Структура программного обеспечения АСИТР
В рамках данного проекта предполагается реализовать некоторую часть ПО для разрабатываемой системы, сакцентировав внимание на разработке прикладного ПО и, в частности, пользовательского интерфейса .
Учитывая требования к разрабатываемой системе, изложенные в ТЗ, а также принятые выше схемотехнические решения, разработаем алгоритм работы программы (БГУИ.411117.001Д).
5.2 Выбор и обоснование пользовательского интерфейса
Интерфейс пользователя является одной из самых важных частей приложения – это то, что видит пользователь. Для него интерфейс и есть само приложение [14]. Пользователю не требуется знать, какой код выполняется за каждой сценой интерфейса. С точки зрения пользователя, неважно, сколько времени и усилий было затрачено разработчиком на написание и оптимизацию кода, практичность разработанного приложения зависит от интерфейса.
Интерфейс приложения производит на пользователя наибольшее впечатление при оценке всего приложения, вне зависимости от того, насколько совершенен с технической точки зрения его код. Пользователь смотрит на приложение исключительно как на комфортное и эффективное средство достижения определенной цели. Хорошо разработанный интерфейс изолирует пользователя от тонкостей программирования, облегчая выполнение поставленной задачи.
Для приложений Windows существуют два основных стиля интерфейсов пользователя: интерфейс с одним документом (single – document interface, SDI) и интерфейс со многими документами (multiple – interface document, MDI). Приложения, используемые стиль SDI, позволяют одновременно открывать только один документ – чтобы открыть другой, следует закрыть предыдущий. В качестве примера можно назвать NotePad, WordPad, AutoCAD 14 и др.
Приложения с интерфейсами MDI позволяют отображать одновременно несколько документов, причем каждый документ отображается в своем окне. В приложениях MDI присутствует меню Окно (Window) с командами для переключения между окнами или документами.
Кроме двух наиболее распространенных стилей интерфейса, SDI и MDI, существует также третий, менее популярный – интерфейс в стиле проводника (explorer – style interface). Это интерфейс состоит из одного окна, содержащего две панели. На левой панели представлено дерево или иерархический вид, правая панель является областью отображения, как, например, в Microsoft Windows Explorer. Этот тип интерфейса предназначен для перемещения среди большого числа документов или их просмотра.
Для разрабатываемого приложения целесообразно использовать MDI интерфейс. Такой выбор придаст приложению большую гибкость, а следовательно – и удобство пользователю: возможности по сравнению содержимого нескольких окон, простое переключение из одного документа в другой и т.п.
Учитывая возложенные на разрабатываемую систему задачи, а также эргономические требования, предъявляемые к интерфейсу приложения [14], разработаем «внешний вид» управляющей программы для АСИТР (рисунок 5.2.1).

Рисисунок 5.2.1 – Общий вид первой загружаемой формы управляющей программы
В связи с относительно небольшим перечнем задач, возлагаемых на управляющую программу (а, следовательно, и предоставляемых пользователю сервисов), а также учитывая требование к программному интерфейсу по простоте [14], включение в интерфейс панели инструментов представляется нецелесообразным.
Главное меню управляющей программы состоит из четырех пунктов: «Измерения», «Вид», «Окно», «Помощь», для выбора которых определены соответствующие клавиши доступа (<Alt>+первая буква названия пункта). Кроме того, для наиболее часто используемых команд меню (из подменю «Измерения») назначены быстрые клавиши, используемые для непосредственно выполнения требуемой команды (<Ctrl>+ латинский «эквивалент» начальной буквы заголовка команды).
Общий вид используемых подменю представлен на рисунок 5.2.2.

Рис. 5.2.2 – Общий вид используемых подменю
Известно, что внимание пользователя прежде всего направлено на левый верхний угол зрительной зоны [14], т. е. ее сканирование происходит слева направо и сверху вниз. Следовательно, элементы управления в приложении следует необходимо располагать, учитывая данный факт.
В подменю «Измерения» сгруппированы основные системные сервисы: «Начать» <измерения>, «Открыть» <сохраненный документ>, «Сохранить» <результаты>, «Печать» <результатов измерений>, «Выход» <из приложения>.
Обращение к системным настройкам осуществляется через подменю «Вид» (графическое и числовое представление результатов измерения, калибровка и настройка системы).
Подменю «Окно» - стандартное для MDI интерфейса и содержит команды компоновки открытых подчиненных окон («Каскадом», «Выстроить значки»), а также отображает названия всех открытых подчиненных форм.
Из подменю «Помощь» можно вызвать файл справки, а также форму, содержащую информацию о программе («Вызов справки» и «О программе» соответственно).
После выбора команды «Начать» пользователю открывается форма, представленная на рисунок 5.2.3, в которой выбираются требуемые для измерения каналы, а также режим (время) измерения.

Рисисунок 5.2.3 – Форма «Начать измерения»
После нажатия кнопки «ОК» на форме «Начать измерения» пользователю открывается следующее рабочее окно программы, на которое будут выведены графические результаты измерения. В зависимости от выбранного на предыдущей форме режима измерения данные выводятся либо после заданного времени, либо сразу после окончания измерения (длительность задержки определяется быстродействием аппаратуры модуля АЦП). Формы для этих двух случаев представлены на рисунках 5.2.4 и 5.2.5 соответственно.

Рисунок 5.2.4 – Форма, открывающаяся после начала измерений с заданными временными параметрами

Рисунок 5.2.5 – Форма, содержащая «графические» результаты исследования
Следует отметить, что после задания режима измерения, отличного от «Немедленного» и нажатия кнопки «ОК», пользователю представляется форма, на которой кроме соответствующей надписи некоторые элементы сигнализируют о проведении эксперимента (анимационный элемент в левом верхнем углу экрана, кнопка «Численные значения» недоступна).
Кроме того, на форме расположена кнопка «Закрыть все», которая позволяет прервать эксперимент в любой момент, а также закрыть данную форму и форму с численными результатами проведенного исследования.
По нажатию кнопки «Численные значения» открывается форма, на которой отображаются численные значения полученных экспериментальных данных и номера каналов, по которым производились измерения (рисунок 5.4.6).
Рисунок 5.2.6 – Форма, отображающая численные значения, полученные в ходе эксперимента
Более эффективные средства визуализации модели теплового поля исследуемого объекта представляет пакет «Matlab 5.2». На рисунке 5.2.7 показано представление теплового поля объекта средствами его функции «Surf».

Рисунок 5.2.7 – Визуализация теплового режима исследуемого объекта средствами «Matlab 5.2»
Таким образом, вышеприведенные положения являются основой для выбора и построения пользовательского интерфейса управляющей программы проектируемой системы. Все уточнения и дополнения по данному вопросу приведены в п. 5.3.
5.3 Разработка программных модулей
В связи с тем, что разработка всего комплекса программных средств (как прикладного, так и системного ПО – см. рисунок 5.1.1) для проектируемой системы – задача весьма трудоемкая и требующая специальной повышенной квалификации от разработчика, в рамках данного дипломного проекта, как уже отмечалось выше (п. 5.1), предполагается реализовать некоторую часть ПО для АСИТР, сакцентировав внимание на разработке прикладного ПО и, в частности, пользовательского интерфейса.
Разработку пользовательского интерфейса управляющей программы для АСИТР целесообразно выполнить на языке Visual Basic (в частности, используя версию Visual Basic 6.0 Professional Editor), который представляет собой мощный аппарат для создания высококачественных Windows – приложений, совмещая при этом широкие возможности с простотой создания кода [14]. Однако, в связи тем, что широко распространенный бесплатный элемент управления «Microsoft Chart Control» (Version 6.00.00) не содержит средств для построения наиболее приемлемой для решения данной задачи поверхностной диаграммы, и, как следствие, не является наиболее удачным средством визуализации тепловой модели исследуемого объекта, для этой цели целесообразно использовать возможности математического пакета «Matlab 5.2». «Matlab» представляет собой интерактивную программу, предназначенную для цифровых вычислений, обработки пользовательских данных и сигналов, а также наглядной визуализации результатов. Система Matlab сформирована на основе матричного программного обеспечения для работы с линейными системами уравнений.
Говоря о математическом обосновании построения тепловой модели исследуемого устройства ЭВМ, необходимо заметить, что для решения этой задачи нужно использовать интерполяцонную теорию (для вычисления температур, в промежуточных точках, т. е. в тех точках теплового поля, в которых непосредственно не установлены датчики температуры). Однако, учет суперпозиции полей и функций зависимостей распределения температуры от расстояния до источника тепловой энергии применительно к двухмерному пространству, является достаточно сложной задачей. Поэтому, при построении тепловой модели исследуемого устройства ЭВМ целесообразно использовать ряд упрощений и допущений, которые, однако, не приведут к невыполнению требований, предъявляемых к разрабатываемой системе по точности измерений.
Фрагменты программного обеспечения АСИТР приведены в Приложении 3.
5.4 Рекомендации по работе с программой
При разработке представленных в Приложении 3 фрагментов управляющей программы особое внимание было сакцентировано на построении доброжелательного интерфейса и поэтому представленное ПО во многом является самодостаточным и не требующим обширных дополнительных рекомендаций по работе. Однако, как и в каждой прикладной программе, учитывая особенности различных пользователей, есть некоторые аспекты использования ПО, которые нуждаются в уточнении и дополнительных разъяснениях для пользователей. Сюда можно отнести вопрос, связанный с вводом координат устанавливаемых на исследуемый объект датчиков. Очевидна нецелесообразность помещения непосредственно на форму какого-либо то пусть даже самого небольшого по объему руководства по заполнению соответствующих полей. Такую информацию предпочтительнее поместить в файл справки и в справку «Что это?».
6 ИССЛЕДОВАТЕЛЬСКАЯ ЧАСТЬ
6.1 Градуировка датчиков, настройка и регулировка системы
Для получения адекватных данных об исследуемом тепловом режиме с помощью АСИТР необходимо выполнить (однократно) ряд действий по настройке и регулировке системы. Первое, что требуется сделать – необходимо откалибровать используемые датчики.
Для выполнения данной задачи для проектировщика имеет смысл построить график температурной зависимости напряжения база – эмиттер (Vbe ) для используемого в качестве теплодатчика транзистора. Для этого необходимо: 1) определить реальное значение Vbe на границах измеряемого интервала температур (согласно ТЗ: - 30 , +1000 С); 2) построить график линейной зависимости Vbe = Vbe (Тх ) с использованием двух значений Vbe : Vbe (- 300 С ) и Vbe (+1000 С). Для проверки линейности данной зависимости целесообразно дополнительно измерить значения Vbe в нескольких промежуточных точках рабочего диапазона температур (построить реальную градуировочную кривую).
На рисунке 6.1.1 представлена градуировочная кривая.

Рисунок 6.1.1 – Градуировочная кривая
Построение градиировочной кривой подтвердило, что для применяемых датчиков зависимость выходного напряжения от измеряемой температуры носит линейный характер. Некоторая нелинейность (неотображаемая на графике и лежащая в пределах 0,5 – 2%) объясняется погрешностями измерительной аппаратуры.
Таким образом, можно сделать вывод о том, что применяемые датчики полностью соответствуют представленным фирмой-разработчиком на них техническими условиями.
В п.5.3 представлен фрагмент кода, из которого очевидны принципы использования и калибровки датчика: в граничных точках измеряемого интервала температур определяются данные от модуля АЦП, которые используются для расчета коэффициента линейной зависимости температуры от напряжения (ß) и далее, расчет температуры производится по формуле: Тх = ß *( Vadcx - Vadco ), где Vadcx – данные от модуля АЦП при измеряемой температуре, Vadco – данные (однажды измеренные и записанные в память) при температуре 00 С.
6.2 Экспериментальное исследование теплового режима системного блока ПЭВМ
В качестве исследуемого блока выберем блок персональной ЭВМ, который конструктивно содержит трансформаторный блок питания для питания электронной части ПЭВМ. Электронная часть реализована в виде объединительной панели (корзины) с установленными на ней горизонтально ячейками. Технические характеристики блока приведены в Приложении 2.
Как известно, температура нагрева устройства оказывается выше температуры окружающей среды, в результате чего происходит процесс отдачи тепла в окружающую среду. Этот процесс идет тем интенсивнее, чем больше разность температур рассматриваемого устройства и окружающей среды. Кроме того, следует помнить, что нагрев блока определяется величиной энергии, зависящей от времени. Если за определенный промежуток времени в блоке выделяется тепла больше, чем он может рассеять в окружающую среду, то тепло идет на нагрев элементов прогрессирует (нестационарный режим). В зависимости от конструкции изделия, а также от условий окружающей среды, через некоторое время наступает установившийся (стационарный) режим, при котором дальнейший нагрев элементов прекращается, и в окружающую среду отдается постоянная тепловая энергия.
Таким образом, для получения достоверных данных о реальном (стационарном) тепловом режиме исследуемого блока необходимо проводить измерения температур тепловыделяющих элементов через некоторое время (15 – 20 минут) после включения устройства.
В эксперименте целесообразно исследовать тепловой режим не всех компонентов входящих в состав блока, а лишь критичных к перегреву (в частности, ИМС - см. Приложение 2).
Необходимо также помнить, что кроме источников тепла, по которым производятся измерения, в исследуемом блоке присутствуют и нерассматриваемые источники тепловой энергии.
Учитывая вышеизложенное, произведем экспериментальное исследование теплового режима рассматриваемого блока. Датчики установим на поверхности исследуемых ИМС. Результаты исследования приведены на плакате БГУИ.411117.004Д (на первую ИМС, приведенную в таблице, поместим датчик №1, на 12-ую - №12).
Полученные в ходе проведенного эксперимента значения температур компонентов исследуемого блока ПЭВМ необходимо сопоставить с результатами теоретического расчета теплового режима данного блока, что и будет сделано в п. 6.3.
6.3 Теоретический расчет теплового режима системного блока ПЭВМ
Как было сказано п. 2, расчет теплового режима устройств ЭВМ заключается главным образом в определении по конструктивным данным тепловой модели температур нагретых зон (объем, в котором происходит рассеяние тепла) и поверхностей элементов. В ходе расчета определяют также температуру в других характерных зонах устройства (окружающего воздуха, корпуса и т.д.) и характеристики системы охлаждения.
При расчете тепловых режимов конструкций ЭВС реальную систему представляют в виде модели. Понятие тепловой модели было введено Г. Н. Дульневым [3]. Им же сформулировано основное требование, предъявляемое к тепловой модели: тепловая модель должна быть адекватна изучаемому явлению и реализуема математически.
Конструкция ЭВМ является системой многих тел с неравномерно распределенными источниками (элементами, выделяющими тепло) и стоками (- поглощающими) тепловой энергии. Ее температурное поле может иметь достаточно сложный характер, зависящий от распределения источников и стоков тепла, геометрии элементов конструкции и их теплофизических свойств. При построении тепловой модели упрощают рассматриваемые элементы конструкции и идеализируют протекающие в них тепловые процессы.
Один из способов упрощения – замена сложной по форме нагретой зоны элемента конструкции (например, субблока с разногабаритными комплектующими элементами, выделяющими неодинаковую тепловую энергию) прямоугольным параллелепипедом – эквивалентной нагретой зоной с одинаковой среднеповерхностной температурой и равномерно распределенным источником тепловой энергии. Такая замена выполняется на основании принципа усреднения [3].
В ряде случаев форму эквивалентной нагретой зоны определяют на сновании принципа местного влияния, который формулируется следующим образом: «любое местное возмущение температурного поля является локальным и не распространяется на отдаленные участки поля». Принцип суперпозиции температурных полей также используют при исследовании температурных режимов устройств ЭВМ для упрощения анализа сложных условий теплообмена и построения тепловой модели исследуемого объекта.
Рассчитаем тепловой режим блока, для которого проводились экспериментальные исследования (п. 6.2).
В исследуемом блоке используется принудительное воздушное охлаждение, следовательно, расчет теплового режима необходимо осуществить по соответствующей методике, представленной ниже.
Исходными данными являются размеры блока Iб1 , Iб2 ,Iб3 (плоскость Iб1 x Iб2 ориентирована перпендикулярно направлению продува, размер Iб3 – вдоль направления продува), рассеиваемая блоком мощность Рб , максимальная температура на входе блока Твх , рассеиваемая компонентом мощность Рк , его поверхность Sк и расстояние в направлении продува воздуха от места поступления в блок до компонента lп. к. , расход воздуха Gв , эскиз блока (в Приложении).
При расчете теплового режима в следующем порядке определяют:
Средний перегрев воздуха в блоке:
; (6.3.1)
площадь поперечного сечения блока, перпендикулярного направлению продува воздуха:
Sп.c . = lб1 *lб2 ,(6.3.2)
Коэффициенты km1 , km2 , km3 , km4 выбираются по графикам [2], поверхность нагретой зоны (НЗ) на основе эскиза, перегрев нагретой зоны:
; (6.3.3)
удельную мощность, рассеиваемую НЗ:
; (6.3.4)
удельную мощность, рассеиваемую компонентом:
; (6.3.5)
перегрев поверхности компонента:
; (6.3.6)
температуру воздуха на выходе из блока:
; (6.3.7)
перегрев окружающей компонент среды:
. (6.3.8)
Таким образом, учитывая технические характеристики исследуемого системного блока рассчитаем его тепловой режим по вышеприведенной методике.
Средний перегрев воздуха в блоке:
[0
C];
площадь поперечного сечения блока, перпендикулярного направлению продува воздуха:
Sп.c. = 0,115•0,488=0,0561 [м2];
перегрев нагретой зоны:
[0
С];
удельную мощность, рассеиваемую НЗ:
;
удельную мощность, рассеиваемую компонентами:
;
;
;
;
;
;
;
;
;
;
;
;
перегрев поверхности компонента:
[0
С];
[0
С];
[0
С];
[0
С];
[0
С];
[0
С];
[0
С];
[0
С];
[0
С];
[0
С];
[0
С];
[0
С];
температуру воздуха на выходе из блока (примем Tвх =210 С):
Твых =2×12,5+21=46 [0 С]
значения перегревов окружающей компоненты среды приведены в таблице 6.3.1.
Таблица 6.3.1 – Рассчитанные значения перегревов окружающей компоненты среды
| Рассчитываемый компонент | Температура перегрева среды, 0 С |
| ИМС К555ИР1 | 10.54 |
| ИМС КР555РТ5 | 10.4 |
| ИМС К555ИЕ5 | 12.6 |
| ИМС КР531ЛА3 | 8.68 |
| ИМС КР556РТ5 | 14.61 |
| ИМС КР55ЛЕ1 | 11.66 |
| ИМС К555ИЕ7 | 11,21 |
| ИМС К555ЛА1 | 8,44 |
| ИМС К555ТМ8 | 9,78 |
| ИМС К555ИЕ12 | 12,66 |
| ИМС К555ТМ2 | 11,96 |
| ИМС К555ИД2 | 13,07 |
6.4 Анализ полученных результатов
Сопоставив данные, полученные в результате выполненного теоретического расчета рассматриваемого блока ПЭВМ и экспериментально полученные значения температур тепловыделяющих компонентов, можно сделать вывод об их различии в среднем на ±13 %. Таким образом, применяемая методика теоретического расчета является инженерной (точность не выходит за пределы 10 – 15 %), однако такая погрешность может оказаться неприемлемой для уточненных конструкторских работ. Данный факт можно объяснить наличием существующих, но неучтенных в теоретическом расчете факторов (величиной температурного градиента между корпусом исследуемой ИМС и корпусом датчика, наличием нерассматриваемых источников тепла, особенностями конфигурации компонентов относительно потока воздуха от вентиляторов и др.). Это еще раз доказывает актуальность проведения экспериментальных исследований в изучении тепловых режимов устройств ЭВМ и, следовательно, создание для этих целей специализированного устройства (модуля).
7 РАЗРАБОТКА ТЕХНОЛОГИИ СБОРКИ МОДУЛЯ АЦП
7.1 Разработка технологической схемы сборки
Технологическим процессом сборки называется совокупность операций, в результате которых детали соединяются в сборочные единицы, а сборочные единицы – в изделие. Простейшим сборочно-монтажным элементом является деталь, которая характеризуется отсутствием разъемных и неразъемных соединений.
Сборочная единица является более сложным сборочно-монтажным элементом, состоящим из двух или более деталей, соединенных разъемным или неразъемным соединением. Характерным признаком сборочной единицы является возможность ее сборки отдельно от других сборочных единиц.
Изделием называется любой предмет или набор предметов производства, подлежащих изготовлению на предприятии [12].
Технологическая схема сборки представляет собой графическое изображение в виде условных обозначений последовательности сборки изделия или его составной части. Каждый элемент (деталь, сборочная единица) изображается на схеме прямоугольником, разделенным на три части, где указывается наименование элемента, индекс и число, входящее в данное соединение. Схемы сборки строятся с максимальным расчленением изделия на сборочные единицы независимо от программы выпуска. Технологические схемы сборки облегчают разработку технологического процесса благодаря своей наглядности. На практике используют схемы сборки с базовой деталью и «веерного» типа
Схема сборки с базовой деталью отражает последовательность процесса сборки. Базовой деталью является плата или другая деталь, с которой начинается сборка. Направления движения деталей и узлов показаны стрелками.
Схема сборки «веерного» типа показывает, из каких деталей образуется сборка. Достоинством такой схемы является ее простота и наглядность, но она не отражает последовательности сборки.
Учитывая тот факт, что модуль АЦП содержит достаточно большое число ИМС и ЭРЭ (БГУИР. 411117.001СБ), достоинства технологической схемы сборки «веерного» типа будут сведены к минимуму, следовательно, целесообразно разработать схему сборки с базовой деталью.
Различают стационарную и подвижную сборку.
Стационарная сборка выполняется на одном рабочем месте, к которому подаются все необходимые детали и сборочные единицы. Она является наиболее распространенным видом сборки в условиях единичного и серийного производства (подвижная сборка применяется в условиях поточного производства и на основании заданной в ТЗ программы выпуска для разрабатываемой системы не подлегает рассмотрению).
Стационарная сборка может строиться по принципу концентрации и дифференциации. При концентрации весь сборочный процесс выполняется одним сборщиком, а при дифференциации разделяется на предварительную и окончательную. Предварительная сборка производится несколькими отдельными бригадами параллельно, а общая сборка – специальной бригадой или одним рабочим. Это обеспечивает специализацию рабочих мест и сокращает длительность сборки.
Учитывая, что программа выпуска для разрабатываемого изделия по ТЗ составляет 5 комплексов в год, стационарную сборку по принципу дифференциации применять нецелесообразно.
Общая структура технологического процесса сборки модуля АЦП включает в себя следующие операции: входной контроль ПП, ИМС и ЭРЭ, подготовку их к монтажу, установку комплектующих элементов на ПП, нанесение флюса и его сушку, пайку, очистку от остатков флюса, контрольно-регулировочные работы, маркировку и приемо-сдаточные испытания. Рассмотрим технологические особенности выполнения основных операций.
Входной контроль – это технологический процесс проверки поступающих на предприятие-потребитель ЭРЭ, ИМС и ПП по параметрам, определяющим их работоспособность и надежность перед запуском этих элементов в производство. Необходимость входного контроля вызвана ненадежностью выходного контроля на предприятии-изготовителе, а также воздействием различных факторов при транспортировке и хранении, которые приводят к ухудшению качественных показателей готовых изделий.
При входном контроле комплектующие элементы подвергаются испытаниям, объем и условия проведения которых устанавливаются для каждого типа изделия в зависимости от его реального качества, определяемого анализом статистических данных, и требований, предъявляемых к готовому изделию (в частности – показателями надежности). Технологический маршрут входного контроля составляется на основании следующих видов испытаний: проверка внешнего вида; выборочный контроль габаритных, установочных и присоединительных размеров; проверка технологических свойств (паяемости и др.); проведение электротермотренировки в течение определенного времени при повышенной рабочей температуре среды; контроль статических электрических параметров при нормальных климатических условиях, пониженной и повышенной рабочей температуре среды; проверка динамических параметров при нормальных климатических условиях; функциональный контроль при нормальных климатических условиях и повышенной рабочей температуре среды.
При выборе вида входного контроля (100% или выборочного) обычно применяется следующее правило: если при выборочном контроле обнаружатся бракованные элементы и их количество превысит приемлемое число, то проверке подлежит удвоенное количество изделий. В случае выявления при проверке удвоенного количества элементов хотя бы одного бракованного проверке подвергается вся партия.
Подготовка ЭРЭ, ИМС и ПП к монтажу включает распаковку компонентов, выпрямление, зачистку, формовку, обрезку и лужение выводов. На ПП оплавляется монтажное покрытие в нагретом теплоносителе (глицерине) или инфракрасным излучением, наносятся маркировочные знаки методом шелкографии.
В связи с тем, что по техническому заданию производство АСИТР носит единичный характер, подготовка осуществляется пооперационно с ручной подачей компонентов. Выпрямление, формовка и обрезка аксиальных и радиальных выводов ЭРЭ и ИМС со штыревыми выводами осуществляется на специальной оснастке.
ИМС устанавливают на печатную плату на расстоянии 1…1,5 мм от монтажной поверхности до корпуса. Этот зазор необходим для устранения перегрева микросхемы при пайке и для возможности нанесения защитного покрытия. Зазор можно обеспечить за счет формовки выводов.
Все микросхемы имеют визуальные ключи, исключающие возможность неправильной установки.
Основные операции технологического процесса монтажа ИМС и ЭРЭ на печатной плате, а также применяемое оборудование и приспособления приведены в таблице 7.1.1.
Таблица 7.1.1 – Основные операции техпроцесса монтажа ИМС и ЭРЭ на печатной плате
| Наименование и содержание операции | Оборудование и приспособления |
| Входной контроль ИМС и ЭРЭ | Лупа 10х , мультиметр |
| Защита маркировки | Вытяжной шкаф, ванна |
| Формовка и обрезка выводов | Приспособление |
| Лужение выводов. Флюсовать выводы погружением во флюс ФСКП. Лудить выводы припоем ПОС-61 | Ванна |
| Подготовка печатной платы к сборке. Лудить контактные площадки | Ванна для обезжиривания, паяльник |
| Установка ИМС и ЭРЭ на печатную плату | Верстак, стойки технологические |
| Пайка выводов ИМС и ЭРЭ к печатной плате. Установить плату с микросхемами на подставку. Флюсовать места пайки. Паять последовательно выводы ИМС и ЭРЭ к контактным площадкам. Снять плату и произвести отмывку остатков флюса. Контроль. | Верстак, подставка, паяльник, мойка с проточной водой, лупа 10х |
| Контроль электрических параметров, настройка | Мультиметр |
| Влагозащита. Покрытие лаком УР-23Т или Э-4100 | Кисть |
| Контроль электрических параметров | Мультиметр |
Для завершения сборки модуля АЦП (БГУИ. 000000.003СБ) после монтажа ИМС и ЭРЭ на ПП необходимо выполнить ряд операций, которые последовательно представлены в таблице 7.1.2
Таблица 7.1.2 – Операции техпроцесса сборки модуля АЦП
| Наименование и содержание операции | Оборудование и приспособления |
| Крепление к монтажной планке вилки разъема винтов | Отвертка |
| Крепление платы к монтажной планке | Отвертка |
В данном разделе не рассматриваются вопросы, связанные со сборкой комплекса АСИТР (пайка соединительных проводов к датчикам и розетке разъема, монтаж модуля АЦП в ПЭВМ, сочленение вилки и розетки и др.).
Технологическая схема сборки изделия составляется с учетом имеющегося комплекта конструкторской документации на разработку (спецификация, сборочный чертеж, чертежи деталей).
Реализация вышеизложенных положений приведена на технологической схеме сборки модуля АЦП (БГУИ.411117.007Д)
7.2 Расчет технологичности модуля АЦП. Рекомендации по ее повышению
В общем объеме работ при проектировании нового изделия расчет технологичности занимает весьма важное место. Технологичность конструкций определяет экономическую целесообразность запуска изделия в производство [12]. Под технологичностью конструкции понимается совокупность ее свойств, обеспечивающих в заданных условиях производства и эксплуатации оптимальные затраты труда, средств, материалов и времени при технологической подготовке производства, изготовлении, эксплуатации и ремонте по сравнению с соответствующими показателями однотипных конструкций при обеспечении установленных показателей качества.
Согласно стандартам Единой системы технологической подготовки производства (ЕСТПП) различают два класса технологичности конструкции: производственную, которая обеспечивается сокращением затрат средств и времени на конструкторскую и технологическую подготовку производства и процессы изготовления изделия, и эксплуатационную, которая проявляется в сокращении затрат средств и времени на техническое обслуживание и ремонт изделия.
В связи с тем, что в рамках выполнения данного проекта была разработана технологическая схема сборки модуля АЦП (п. 8.1) и учитывая, что основные требования к проектируемой системе, изложенные в техническом задании, носят конструктивно-технологический характер, в данном разделе будет рассмотрена и оценена производственная технологичность разрабатываемого устройства.
Существуют следующие общие пути достижения производственной технологичности [12]: 1) повышение серийности изделий с помощью стандартизации, унификации и группирования их по конструктивным признакам; 2) ограничение номенклатуры конструкций за счет повышения применяемости, заимствования из других изделий и повторяемости деталей и сборочных единиц в пределах одного изделия; 3) снижение массы деталей и изделия в целом; 4) ограничение номенклатуры применяемых материалов; 5) выбор рациональных конструктивных решений, соответствующих современным требованиям и освоенным в производстве; 6) применение высокоэффективных технологических процессов и средств технологического оснащения; 7) сокращение числа деталей без усложнения их конструкции; 8) разбивка изделия на самостоятельные параллельно собираемые сборочные единицы.
Главными факторами, определяющими требования к технологичности конструкции, являются: вид изделия, тип производства, развитие науки и техники. Оценка технологичности может быть количественной и качественной. Качественная оценка предшествует количественной, определяет ее целесообразность и обобщенно характеризует достоинство конструкции на основе опыта исполнителя. Количественная оценка выражается системой показателей, которые используются для сравнения различных вариантов конструкции в процессе проектирования изделия, определения уровня технологичности разработанного изделия и накопления статистических данных, необходимых для прогнозирования и расчета базовых показателей технологичности.
Методика определения показателей качества блоков радиоэлектронной аппаратуры приводится в [15].
Стандарт устанавливает состав показателей, методику их расчета и нормативы показателей технологичности конструкций узлов и блоков ЭВА.
Согласно стандарту для оценки технологичности используют систему относительных частных показателей Кi и комплексный показатель К, рассчитываемый по средневзвешенной величине относительных частных показателей с учетом коэффициентов, характеризующих весомую значимость частных показателей, т.е. степень их влияния на трудоемкость изготовления изделия. Значения относительных частных показателей Кi принимаются согласно [15] в пределах 0 < Кi < 1 , при этом рост значения показателя соответствует более высокой технологичности изделия. Поэтому выражение для расчета относительного частного показателя может иметь вид либо простого отношения:
(8.2.1)
либо разности:
(8.2.2)
Первое выражение применяется в тех случаях, когда стремление величины а к в соответствует повышению технологичности изделия, второе - когда приближение величины а к в снижает технологичность.
В используемом ППОП рассчитываются следующие конструктивные показатели :
- коэффициент применяемости ЭРЭ;
- коэффициент повторяемости ЭРЭ;
- коэффициент повторяемости ИМС;
- коэффициент использования ИМС;
- коэффициент механизации и автоматизации
монтажа ;
- коэффициент механизации и автоматизации
подготовки ЭРЭ;
- коэффициент механизации и автоматизации
контроля и наладки;
Основным показателем, используемым для оценки технологичности конструкции, является комплексный показатель технологичности, определяемый на основе базовых показателей (оказывающих наибольшее влияние на технологичность конструкции блоков определенного назначения и условий применения) по формуле :
(8.2.3)
где
Кi - величина показателя по таблице по таблице состава базовых показателей соответствующего класса блоков;
Fi - функция, нормирующая весовую значимость показателя;
i - порядковый номер показателя;
s - общее число относительных частных показателей.
Исходные данные для расчета приняты на основании схемы электрической принципиальной модуля АЦП (БГУИ.411117.001Э3), перечня элементов к ней (БГУИ.411117.001ПЭ3), а также информации о типоразмерах применяемых ЭРЭ и ИМС из [5,13] и приведены в таблице 7.2.1.
Таблица 7.2.1 – Исходные данные для расчета технологичности модуля АЦП
| Параметр | Значение |
| 1 | 2 |
| Микросхем и микросборок | 63 |
| Всех электрорадиоэлементов | 362 |
| Монтажных соединений, осуществляемых автоматически | 0 |
| Всех монтажных соединений | 1191 |
| ЭРЭ, подготовка и монтаж которых осуществляется механическим способом | 362 |
| Операций контроля и наладки, осуществляемых автоматизированным или механизированными способами | 2 |
| Всех операций контроля и наладки | 3 |
| Типовых размеров ЭРЭ | 18 |
| Типовых размеров оригинальных ЭРЭ | 0 |
| Типовых размеров ИМС | 5 |
Расчет произведен с помощью «ПППКЭВС».
Результаты расчета приведены в таблице 7.2.2.
Таблица 7.2.2 – Результаты расчета технологичности модуля АЦП
| Показатель | Значение |
| Коэффициент использования микросхем | 0,15 |
| Коэффициент механизации и автоматизации монтажа | 0 |
| Коэффициент механизации и автоматизации подготовки ЭРЭ | 1 |
| Коэффициент механизации и автоматизации операций контроля и наладки | 0,67 |
| Коэффициент повторяемости ЭРЭ | 0,95 |
| Коэффициент применяемости ЭРЭ | 1 |
| Коэффициент повторяемости ИМС | 0,92 |
| Комплексный показатель технологичности | 0,47 |
Рассчитанное значение комплексного показателя технологичности разрабатываемой конструкции необходимо сравнить с установленным нормативным значением. По ОСТ 4ГО.091.219 для электронных устройств на стадии разработки документации для опытного образца комплексный показатель технологичности установлен в пределах 0,4 – 0,7. Таким образом, для разработанной конструкции комплексный показатель технологичности удовлетворяет нормативам.
Анализируя полученные значения частных показателей технологичности, необходимо заметить, что в связи с единичным характером производства разработанной системы большинство работ по сборке модуля АЦП осуществляется вручную, и, следовательно, применение высокотехнологичных производственных процессов (с использованием специального оборудования и оснастки) не представляется целесообразным. В качестве же общих подходов и методов по повышению технологичности конструкции может быть, в частности, предложено более широкое применение унифицированных корпусов ИМС и ЭРЭ.
8 ТЕХНИКО-ЭКОНОМИЧЕСКОЕ ОБОСНОВАНИЕ
8.1 Характеристика проекта
Разрабатываемая система предназначается для проведения автоматизированных исследований тепловых режимов конструкций ЭВС. Система должна осуществлять преобразование аналоговых сигналов от датчиков в цифровую форму с последующей передачей и обработкой их в ПЭВМ.
Автоматизированная система исследования тепловых режимов представляет собой комплекс технических и программных средств. Технические средства системы представлены тремя компонентами: 1) датчики для измерения температуры исследуемых конструкций ЭВС и соединительные кабели; 2) встраиваемый в ПЭВМ модуль аналого-цифрового преобразования; 3) ПЭВМ, в которую встраивается модуль АЦП и на которой выполняется программное обеспечение системы. Программные средства системы (в рамках данного проекта) представлены фрагментами системных и прикладных программ, обеспечивающих работоспособность разрабатываемой конструкции.
В связи с тем, что в данном проекте осуществляется проектирование как программных, так и аппаратных средств, необходимо произвести экономический расчет разработанного программного обеспечения.
8.2 Расчет экономики программных средств
8.2.1 Расчет стоимостной оценки результата
8.2.1.1 Расчет основной заработной платы исполнителей, занятых разработкой программных средств (ПС), проводиться на основе исходных данных, представленных в таблице 8.1.
Таблица 8.1 – Исходные данные
| Наименование показателей | Буквенные обозначения | Единицы измерения | Количество |
| 1 | 2 | 3 | 4 |
| Коэффициент новизны | Кн | Единиц | 0,7 |
| Группа сложности | Единиц | 3 | |
| Дополнительный коэффициент сложности | Ксл | Единиц | 0,07 |
| Поправочный коэффициент, учитывающий использование типовых программ | Кт | Единиц | 0,6 |
| Установленная плановая продолжительность разработки | Трд | Лет | 0,33 |
| Годовой эффективный фонд времени | Фэф | Дней | 230 |
| Продолжительность рабочего дня | Тч | Ч | 8 |
| Тарифная ставка 1-го разряда | Тм1 | тыс. руб. | 19,5 |
| Коэффициент премирования | Кп | Единиц | 2 |
| Норматив дополнительной заработной платы | Нд | % | 10 |
| Ставка отчислений в фонд социальной защиты населения | Нзсз | % | 35 |
| Ставка чрезвычайного налога | Ннч | % | 4 |
| Ставка отчислений в фонд занятости | Ннз | % | 1 |
| Норматив прочих затрат | Нпз | % | 20 |
| Норматив накладных расходов | Нрн | % | 100 |
| Норматив на сопровождение и адаптацию ПС | Нрса | % | 10 |
| Ставка налога на добавленную стоимость | Ндс | % | 20 |
| Первоначальная стоимость используемых основных фондов | ПС | тыс. руб. | 5600 |
Исполнители – разработчики ПС
Инженер – программист 1 категории (тарифный разряд – 11-й; тарифный коэффициент – 2,81; продолжительность участия в разработке ПС – 69 дней). Инженер – программист без категории (тарифный разряд – 9-й; тарифный коэффициент – 2,31; продолжительность участия в разработке ПС – 69 дней).
8.2.1.2 Объем ПС определяется на основе нормативных данных, приведенных в таблице 8.2.
Таблица 8.2 – Характеристика функций и их объем
| Номер функции | Содержание функций | Объем (условных машинных команд) |
| 101 | Организация ввода информации | 680 |
| 105 | Обработка входного заказа и формирования таблиц | 4000 |
| 109 | Организация ввода/вывода информации в интерактивном режиме | 1450 |
| 403 | Формирование служебных таблиц | 4250 |
| 502 | Монитор системы (управление работой комплекса ПС ВТ) | 8500 |
| 507 | Обеспечение интерфейса между компонентами | 6700 |
| 605 | Вспомогательные и сервисные программы | 3680 |
| 703 | Расчет показателей | 2750 |
Общий объем ПС рассчитывается по формуле
, (8.1)
где Vo – общий объем ПС;
k1 – коэффициент учитывающий, что расчет ведется для ПЭВМ (k1=0.15);
Vi – объем i-ой функций ПС (приведены в таблице 8.2);
n – общее число функций (в данном случае равно 15);
Vo = 0.2 *(680+4000+1450+4250+8500+6700+3680+2750+) = 6402 (условных машинных команд).
8.2.1.3 Нормативная трудоемкость (Тн) для объема 7 тысяч условных машинных команд (3-ая группа сложности ПС) равняется 358 человеко-дней /1/. С учетом поправочного коэффициента (равного 0,7), т.к. используется современная ПЭВМ, нормативная трудоемкость равняется 250 человеко-дней.
Общая трудоемкость ПС (То) рассчитывается на основе нормативной путем введения дополнительного коэффициента сложности (Ксл=0,07) по следующей формуле
= 250(1+0,07) = 267.5 [человеко-дней] (8.2)
Уточненная трудоемкость ПС с учетом распределения по стадиям (Ту) рассчитывается по формуле
, ( 8.3)
где Тстi – трудоемкость разработки ПС на i-й стадии (человеко-дней);
m – количество стадий разработки.
Трудоемкость ПС по стадиям определяется с учетом новизны и степени использования в разработке типовых программ и ПС рассчитывается по формуле
(8.4)
где dсi – удельный вес трудоемкости i-й стадии разработки ПС в общей трудоемкости разработки ПС (для степени новизны В значения приведены в таблице 3);
Кн – поправочный коэффициент, учитывающий степень новизны ПС (для ПС, являющегося развитием определенного параметрического ряда ПС, разработанного на ранее освоенных типах ЭВМ и ОС его значение равно 0,7);
Кт – поправочный коэффициент, учитывающий степень использования в разработке типовых программ и ПС (для 60% и более равняется 0,6).
На основании уточненной трудоемкости разработки ПС и установленного периода разработки рассчитывается общая плановая численность разработчиков по следующей формуле
, (8.5)
где Чр – плановая численность разработчиков (чел.);
Фэф – годовой эффективный фонд времени работы одного работника в течение года (приведено в таблице 8.1);
Трд – плановая продолжительность разработки ПС (приведено в таблице 1);
При утверждении плановой численности разработчиков продолжительность разработки определяется по формуле
, (8.6)
где Тр – срок разработки ПС;
Чрi – численность разработчиков ПС на i–й стадии;
m – число стадий.
Результаты данного расчета приведены в таблице 8.3.
Таблица 8.3 – Расчет уточненной трудоемкости ПС и численности исполнителей по стадиям
| Стадии | Итого | |||||
| ТЗ | ЭП | ТП | РП | ВН | ||
| Коэффициенты удельных весов трудоемкости стадий (dсi) | 0,09 | 0,07 | 0,07 | 0,61 | 0,16 | 1 |
| Коэффициенты, учитывающие использование типовых программ (Кт) | - | - | - | 0.6 | - | - |
| Коэффициенты новизны (Кн) | 0,7 | 0,7 | 0,7 | 0,7 | 0,7 | - |
| Уточняющая трудоемкость (Ту) стадий (человеко-дней) | 16.85 | 13.10 | 13.11 | 68.5 | 29.96 | 141.6 |
| Численность (Чр) исполнителей (чел) | 2 | 2 | 2 | 2 | 2 | 2 |
| Срок (Тр) разработки (лет) | 0,037 | 0,029 | 0,029 | 0,14 | 0,065 | 0,307 |
Уточненная трудоемкость и общая плановая численность разработчиков служат базой для расчета основной заработной платы.
8.2.1.4 Основная заработная плата рассчитывается в следующей последовательности.
Месячная тарифная ставка каждого исполнителя (Тм) определяется по следующей формуле
, (8.7)
где Тм1 - месячная тарифная ставка 1-го разряда (значение приведено в таблице 1);
Тк - тарифный коэффициент, соответствующий установленному тарифному разряду (значение для каждого исполнителя приведено в таблице 1).
Часовая тарифная ставка рассчитывается путем деления месячной тарифной ставки на установленный при семичасовом рабочем дне фонд рабочего времени – 173,1 часа.
Месячная и часовая тарифные ставка инженера-программиста 1-й категории (Тм1 , Тс1 ) и инженера программиста без категории (Тм2 , Тс2 ) соответственно равны
[тыс. рублей].
[рублей].
[тыс. рублей].
Тс2 = 10395/173,1 =60,05 [рублей]
На основе полученных выше результатов и исходных данных (см. табл. 1) рассчитывается сумма основной заработной платы (Зо) всех исполнителей по ниже приведенной формуле
, (8.8)
где n – количество исполнителей, занятых разработкой конкретного ПС;
Фэi–эффективный фонд рабочего времени i-го исполнителя.
Зо=(316,05*8*69*2)+(60,05*8*69*2)=415,94 [тыс. рублей].
8.2.1.5 Дополнительная заработная плата (Зд) определяется по следующей формуле
[тыс. рублей] (8.9)
[тыс. рублей]
8.2.1.6 Отчисления в фонд социальной защиты населения (Зсз) рассчитываются в следующей последовательности.
Рассчитывается сумма отчислений в фонд социальной защиты населения (Зсз) по следующей формуле
[тыс. рублей] (8.11)
[тыс. рублей]
8.2.1.7 Чрезвычайный налог для ликвидации последствий катастрофы на Чернобыльской АЭС рассчитывается по следующей формуле
[тыс. рублей] (8.12)
[тыс. рублей]
8.2.1.8 Отчисления в фонд занятости (Нз) определяется по формуле приведенной ниже
[тыс. рублей] (8.13)
[тыс. рублей]
8.2.1.9 Расходы на материалы (М) определяется по следующей формуле
, (8.15)
где к1 – коэффициент снижения среднего расхода материала на разработку и отладку 100 команд при использовании ПС (в данном случае коэффициент равен 0,5);
Нмi – значение среднего расхода материалов на разработку и отладку 100 команд без применения ПС (в данном случае норматив равен 100 руб./100 команд);
[тыс. рублей]
Расходы на спецоборудование:
Pc =200 [тыс. рублей]
8.2.1.10 Расходы на оплату машинного времени (Рм) рассчитывается по формуле
, (8.16)
где к1 – коэффициент снижения среднего расхода машинного времени на отладку 100 команд в результате применения ПС (при использовании ПЭВМ равен 0,3);
Цм – цена одного машино-часа (в данном случае её значение равно 4,0 тыс. рублей /1/);
Нмв – норматив расхода машинного времени на отладку 100 машинных команд без применения ПС (для задач расчетного характера равен 14,59 ч/100 команд).
[тыс. рублей]
8.2.1.11 Расходы на научные командировки (Рнк) определяются по формуле
[тыс. рублей] (8.17)
[тыс. рублей]
8.2.1.12 Прочие затраты (Пз) определяются по формуле
[тыс. рублей] (8.18)
[тыс. рублей]
8.2.1.13 Накладные расходы (Рн) рассчитываются по формуле
[тыс. рублей] (8.19)
[тыс. рублей]
8.2.1.14 Общая сумма расходов по смете (Ср) рассчитывается по формуле
(8.20)
Получим
![]()
[тыс. рублей]
8.2.1.15 Расходы на сопровождение и адаптацию определяется по формуле
[тыс. рублей] (8.21)
Таким образом
[тыс. рублей]
8.2.1.16 Полная себестоимость ПС (с расходами на сопровождение и адаптацию) определяется по формуле
[тыс. рублей] (8.22)
[тыс. рублей]
8.2.1.17 Прибыль от реализации создаваемого ПС (Пр) рассчитывается по формуле (при уровне рентабельности ПС (Урп) равном 40%)
[тыс. рублей] (8.23)
[тыс. рублей]
8.2.1.18 Прогнозируемая цена без налогов:
Цр =Сп +Пр (8.24)
Цр =1948,7+779,48=2728,2 [тыс. рублей]
8.2.1.19 Ценовые сборы на содержание детских дошкольных учреждений, на финансирование расходов, связанных с содержанием и ремонтом жилищного фонда, в местный целевой бюджетный фонд стабилизации экономики производителей сельхозпродукции и продовольствия:
Оц =(Цр ·Ноц )/(100-Ноц ) (8.25)
Оц =(2728,2·2,5)/(100-2,5)=68,2 [тыс. рублей]
8.2.1.20 Отчисления в республиканский фонд поддержки производителей сельхозпродукции и продовольствия определяются из выражения:
Ос =((Цр +Оц ) Нс )/(100-Нс ) (8.26)
Ос =(2728,2+68,2) ·2 /(100-2)=57,06 [тыс. рублей]
8.2.1.21 Цена без НДС определяется как:
Ц=Цр +Оц +Ос (8.27)
Ц=2728,2+68,2+57,06=2853 [тыс. рублей]
8.2.1.22 На реализацию создаваемого ПС льготы по налогу на добавленную стоимость (Ндс) не распространяются. Налог на добавленную стоимость рассчитывается по следующей формуле:
Ндс =(Ц·Нндс )/100 (8.28)
Ндс =2853·20/100=570,06 [тыс. рублей]
8.2.1.23 Прогнозируемая отпускная цена рассчитывается по выражению:
Цо =Ц+Ндс (8.29)
Цо =2853+570,06=3423 [тыс. рублей]
8.2.2 Расчет экономического эффекта
Для определения экономического эффекта от использования нового ПС у потребителя необходимо сравнить расходы по всем основным статьям затрат на эксплуатацию нового ПС (расходы на заработную плату с начислениями, материалы, машинное время) с расходами по соответствующим статьям базового варианта.
В таблице 8.4 приведены исходные данные для расчета.
Таблица 8.4 – Исходные данные
| Наименование показателей | Обозначения | Единицы измерения | Значение показателя | ||
| В базовом варианте | в новом варианте | ||||
| 1 | 2 | 3 | 4 | 5 | |
| Капитальные вложения, включая стоимость услуг по сопровождению и адаптации ПС | Кпр | Тыс. руб. | -- | 2782,2 | |
| Затраты на доукомплектование ВТ техническими средствами в связи с внедрением нового ПС | Ктс | Тыс. руб. | -- | 1500 | |
| Затраты на пополнение оборотных фондов, связанных с эксплуатацией нового ПС | Коб | Тыс. руб. | -- | 1200 | |
| Численность программистов, занятых освоением ПС | Чпо | Чел. | -- | 2 | |
| Численность программистов, занятых эксплуатацией ПС | Чпэ | Чел. | 2 | 2 | |
| Продолжительность освоения | Тос | Мес. | -- | ||
| Расход машинного времени на освоение ПС | Тмос | Машино-часов | -- | 10 | |
| Среднемесячная зарплата одного программиста | Зсм | Тыс. руб. | 30 | 180 | |
| Коэффициент начислений на зарплату | Кнэ | 2 | 2 | ||
| Среднемесячное количество рабочих дней | Др | день | 22 | 22 | |
| Количество типовых задач, решаемых за год | Зт | задача | -- | 80 | |
| Объем работ, выполняемых при решении одной задачи | Ао | 100 команд | -- | 200 | |
| Средняя трудоемкость работ в расчете на 100 команд | Тс1 Тс2 |
человеко-час. на 100 команд | 1 | 0,2 | |
| Средний расход машинного времени в расчете на 100 команд | Мв1 Мв2 |
машино-час. на 100 команд | 0,08 | 0,05 | |
| Средний расход материалов в расчете на 100 команд | Мт1 Мт2 |
тыс. руб. на 100 команд | 0,25 | 0,2 | |
8.2.2.1 Расчет капитальных затрат
Общие капитальные вложение (Ко) заказчика (потребителя), связанные с приобретением, внедрением и использованием Пс, рассчитываются по формуле
[тыс. рублей], (8.31)
где Кпр – затраты пользователя на приобретение ПС по отпускной цене разработчика с учетом стоимости услуг по эксплуатации и сопровождению;
Кос – затраты пользователя на освоение ПС;
Ктс – затраты на доукомплектацию ВТ техническими средствами в связи с внедрением нового ПС;
Коб – затраты на пополнение оборотных средств в связи с использованием нового ПС.
Затраты на приобретение, адаптацию и сопровождение ПС определяется на основе договора заказчика (пользователя) с разработчиком по выражению
Кпр=Цо=2728,2 [тыс. рублей] (8.32)
Затраты на освоение ПС определяются по формуле приведенной ниже:
[тыс. рублей] (8.33)
[тыс. рублей]
Затраты на доукомплектование ВТ техническими средствами, необходимыми при использовании нового ПС, определяется в соответствии со сметой затрат на внедрение
Ктс=1500[тыс. рублей]
Затраты на пополнение оборотных средств в связи с использованием нового ПС определяются в соответствии со сметой затрат на внедрение и использование нового ПС
Коб=1200[тыс. рублей]
Общие капитальные вложения, связанные с применением нового ПС, составляют
Ко=2728,2+85+1500+1200=5428,2 [тыс. рублей]
8.2.2.2 Расчет экономии основных видов ресурсов в связи с использованием нового ПС.
Экономия затрат на заработную плату при использовании нового ПС в расчете на объем выполненных работ рассчитывается по следующей формуле
, (8.34)
где Сзе – экономия затрат на заработную плату при решении задач с использованием нового ПС в расчете на 100 команд;
А2 – объем выполненных работ с использованием нового ПС (100 команд).
Экономия затрат на заработную плату в расчете на 100 команд (Сзе) определяется по формуле
[тыс. рублей] (8.35)
[тыс. рублей]
Объем выполненных работ с использованием нового ПС (100 команд) рассчитывается по формуле
[100 команд] (8.36)
[100 команд]
Таким образом экономия затрат на заработную плату рассчитываемая по формуле (8.34) равна
[тыс. рублей]
8.2.2.3 Экономия затрат за счет сокращения начислений на заработную плату (Соз) определяется по формуле
[тыс. рублей] (8.37)
[тыс. рублей]
8.2.2.4 Экономия затрат на оплату машинного времени (См) в расчете на выполненный объем работ в результате применения нового ПС рассчитывается по следующей формуле
, (8.38)
где Сме – экономия затрат на оплату машинного времени при решении задач с использованием нового ПС в расчете на 100 команд.
Экономия затрат на оплату машинного времени в расчете на 100 команд определяется по формуле
[тыс. рублей] (8.39)
[тыс. рублей]
Экономия затрат на оплату машинного времени на всю программу работ рассчитываемая по формуле (9.38) равна
[тыс. рублей]
8.2.2.5 Экономия затрат на материалы (Смт) при использовании нового ПС в расчете на объем выполенных работ определяется по формуле
, (8.40)
где Смте – экономия затрат на материалы в расчете на 100 команд при использовании нового ПС
Смте =См1-См2 [тыс. рублей] (8.41)
Смте =0,25-0,2=0,05[тыс. рублей]
Экономия затрат на материалы на всю программу работ рассчитываемая по формуле (9.40) будет равна
[тыс. рублей]
8.2.2.6 Общая годовая экономия текущих затрат (Со), связанных с использованием нового ПС определяется по следующей формуле:
Со =Сз+Соз+См+Смт [тыс. рублей] (8.42)
Со =2128+4256+1920+800=9104[тыс. рублей]
8.2.3 Определение срока окупаемости и рентабельности проекта
Внедрение нового ПС позволит пользователю сэкономить на текущих затратах 9104 тыс. рублей, т.е. практически получить на эту сумму дополнительную прибыль.
Для пользователя в качестве экономического эффекта выступает лишь чистая прибыль – дополнительная прибыль, остающаяся в его распоряжении (Пчп), которая определяется по формуле
[тыс. рублей], (8.43)
где Нп – ставка налога на прибыль (равна 24%).
[тыс. рублей]
В процессе использования нового ПС чистая прибыль в конечном итоге возмещает капитальные затраты. Однако полученные при этом суммы результатов (прибыли) и затрат (капитальные вложения) по годам приводят к единому времени – расчетному году (за расчетный год принят 2002 год) путем умножения результатов и затрат за каждый год на коэффициент приведения (at ), который рассчитывается по формуле
, (8.44)
где Ен – норматив приведения разновременных затрат и результатов (для программных средств ВТ в существующей практике принимается равным 0,4);
tp – расчетный год, tp =1;
t – номер года, результаты и затраты которого приводятся к расчетному году (2000-1; 2001-2;2002-3).
-расчетный год (2002 год);
- 2003 год;
- 2004 год.
Данные расчета экономического эффекта приведены в таблице 8.5.
Таблица 8.5 – Расчет экономического эффекта от использования нового ПС
| Показатели | Единицы измерения | Расчетный год | ||
| 2002 | 2003 | 2004 | ||
Результаты: Прирост прибыли за счет экономии затрат (Пчп) То же с учетом фактора времени |
тыс. рублей | -- | 6428 | 6428 |
| тыс. рублей | -- | 4589,6 | 3278,3 | |
Затраты: Приобретение, адаптация и освоение ПС (Кпр) Освоение ПС (Кос) Доукомплектование ВТ техническими средствами (Ктс) Пополнение оборотных средств (Коб) |
тыс. рублей | 2728,2 | -- | -- |
| тыс. рублей | -- | 85 | -- | |
| тыс. рублей | -- | 1500 | -- | |
| тыс. рублей | -- | 1200 | -- | |
Всего затрат То же с учетом фактора времени |
тыс. рублей | 2728,2 | 2785 | -- |
| тыс. рублей | 2728,2 | 1988,5 | -- | |
Экономический эффект: Превышение результата над затратами То же с нарастающим итогом |
тыс. рублей | -2728,2 | 2601,1 | 3278,3 |
| тыс. рублей | -2728,2 | -127,1 | 2638,6 | |
| Коэффициент приведения | Единиц | 1 | 0,714 | 0,51 |
Как видно из расчета приведенного в таблице 8.5 затраты на новые ПС окупятся на втором их внедрения.
9 ОХРАНА ТРУДА И ЭКОЛОГИЧЕСКАЯ БЕЗОПАСНОСТЬ
Оптимизация зрительного взаимодействия оператора со средствами отображения информации на основе ЭЛТ
Следствием научно-технического прогресса явилось превращение различных форм труда в операторскую деятельность. К операторам относятся лица, управляющие сложными техническими комплексами, машинами и системами. В деятельности операторов на первое место выступают функции слежения, контроля, регуляции и ответственности за работу системы. Наряду с оперативным руководством процессами специфичной для деятельности операторов является работа с различными видами дисплеев (видеотерминалов).
Внешнее сходство видеотерминальных устройств с бытовым телевидением способствовало появлению мнения об обыденности и безвредности труда с видеотерминалами. Наряду с этим в практике работы с видеотерминалами специалисты отмечают повышенную утомляемость, появление раздражительности и ряд других изменений в самочувствии и состоянии человека, определяемых общим понятием – невротическое состояние.
В процессе работы на операторов оказывают влияние следующие вредные факторы: шум, тепловыделения, особенности организации рабочего места, повышенное зрительное напряжение и другие.
В соответствии с /7/ уровень шума не должен превышать 50 дБА. Для снижения шума в помещениях, оборудованных видеотерминалами, следует осуществить комплекс мероприятий. Основное направление обеспечения нормативных условий – это создание малошумного оборудования. Если используется оборудование, не соответствующее по своим характеристикам требованиям для помещений с видеотерминалами, применяют звукопоглощающие материалы для облицовки стен и потолка помещений, а защиту от шума осуществляют с помощью различных звукопоглощающих устройств (кожухи, экраны, перегородки, прокладки). Рациональным является выделение шумного оборудования в другие помещения.
Для обеспечения комфортных условий труда в помещениях необходим определённый температурный режим. Микроклиматические условия в комнатах с видеотерминалами должны соответствовать требованиям, изложенным в /8/.
Наряду с регулируемой формой отопительной системы оптимальная температура в помещениях поддерживается интенсивностью естественной и искусственной вентиляции (кондиционирование). В гигиенических целях необходимо уменьшить тепловыделение от самого источника – прибора отображения информации, что должно решаться в процессе его конструирования. Тепловые потоки от прибора, действующие непосредственно на лицо и другие части тела, вызывают напряжение систем теплорегуляции организма и ведут к утомлению, усталости, вызывают сонливость. Уровень температуры в помещении реализуется с учётом тепла, выделяемого оборудованием, оператором, системой отопления, системой естественного и искусственного освещения. Предпочтение отдаётся оборудованию с малой электрической мощностью. Нормализация микроклимата обеспечивается радикальным размещением оператора, соответствующим объёмом и площадью производственного помещения, сочетанием местной и общей вентиляции.
На самочувствие и работоспособность операторов влияют эргономические характеристики эксплуатируемого оборудования и материалов в рабочей зоне, конструкция рабочей мебели и её размерные параметры. Клавишное устройство следует делать отделённым от экрана и свободно подвижным. Это позволяет оператору осуществлять выбор оптимального положения высоты и наклона всех составляющих оборудования рабочего места. Клавиатура должна быть относительно плоской, высота среднего ряда клавиши должна составлять 2,5 – 5,0 см; угол наклона панели клавиатуры – 5 – 15° к горизонтали; расстояние между средним рядом клавиш и краем стола – не менее 16 см. Клавиатура должна быть серого, коричневого или зелёного тона. Пюпитры для документов следует выполнять подвешенными с возможностью регулировки угла наклона в горизонтальной плоскости в пределах 30 – 70°. Наклон документа должен приблизительно равняться углу наклона экрана /8/.
При организации рабочего места следует учитывать антропометрические данные операторов, а также размещение элементов оборудования соответственно характеру и последовательности выполняемой работы. Рабочий стол должен иметь стабильную конструкцию. Плоскость стола следует выбирать в зависимости от размера документов. Сиденье оператора и плоскость стола должны регулироваться по высоте. Тип рабочего кресла следует выбирать в зависимости от продолжительности работы: при длительной – массивное кресло, при кратковременной – кресло лёгкой конструкции, которое свободно отодвигается. Подножка кресла должна иметь пять опор, чтобы исключить опрокидывание /8/.
Особенностью труда операторов видеотерминалов является повышенное зрительное напряжение, связанное со слежением за информацией, а также рядом других неблагоприятно влияющих на зрение факторов. Оператор утомляется из-за постоянного эффекта мелькания, неустойчивости и нечёткости изображения, необходимости частой переадаптации глаз к освещённости экрана дисплея и к общей освещённости помещения. Неблагоприятно влияют потребность приспособления к различению разноудалённых объектов, нечёткость и слабая контрастность изображений на экране, расплывчатость, яркие вспышки света, плохое качество исходного документа, используемого при работе. На орган зрения воздействуют появление ярких пятен за счёт отражения светового потока на клавиатуре и на экране, различие в освещённости рабочей поверхности и её окружения.
В связи с повышенной нагрузкой на орган зрения операторов видеотерминалов важное место среди мероприятий по гигиене их труда занимает работа, направленная на изучение оптимальной световой среды, т.е. организация комфортного и гигиенического естественного и искусственного освещения рабочих мест и помещений. Излишнее освещение ослепляет, утомляет, особенно при длительной работе, истощает зрение за многие годы. Освещение должно быть оптимальным, достаточным, индивидуально комфортным.
Наиболее рациональной для работы с видеотерминалами является освещённость 200 лк при работе с экраном в сочетании с переключением на заполнение документов и 400 лк, если основное время занимает работа с документами (частичная доля получения сведений с экрана); освещённость рекомендуется повышать до 1000 лк и варьировать в зависимости от возраста и индивидуально субъективных восприятий работающих /8/.
Для освещения рабочих мест операторов видеотерминалов следует использовать комбинированное освещение. Предпочтительным является общее освещение, так как оно не даёт большого перепада яркостей на рабо-чем месте и в помещении при использовании светильников местного освещения.
Для исключения засветок экранов прямыми световыми потоками светильники общего освещения располагаются сбоку от рабочего места, параллельно линии зрения оператора. Требования к минимально диском-фортной блескости и зеркального отражения в экранах световых отверстий светильников должны удовлетворяться путём использования светильников с защитным углом не менее 40° (при угле наклона экрана 20° от горизонтали), которые имеют узкую кривую силы света как в поперечной, так и продольной плоскостях излучения. Габаритная яркость светильников в зоне углов излучения более 50° от вертикали должна ограничиваться в обеих плоскостях 200 кд/м
/8/.
Оптимальные условия зрительной работы операторов видеотерминалов обеспечиваются также выполнением требований по цветной отделке помещений с видеотерминалами в зависимости от яркости информации и цветности защитного светофильтра. Согласно методическим рекомендациям, при использовании экранов с яркостью информации 100 – 150 кд/м
зелёного цвета и при наличии зелёного светофильтра рекомендуется окрашивать стенку помещения, противоположную экранам, в зелёный цвет с коэффициентом отражения ρ=40%, а остальные стены – в жёлтый цвет с ρ=62%. Для экранов с максимальной яркостью изображения 15 кд/м
красновато-оранжевого цвета стену, противоположную экранам, следует окрашивать в насыщенный тёмно-коричневый цвет с ρ=17%, остальные стены – в красно-коричневый цвет с ρ=35 % /8/.
Из вышесказанного можно сделать вывод, что основные направления работы по эргономической организации труда операторов видеотерминалов должны основываться на снижении влияния вредных вышеописанных факторов и уменьшении степени психической нагрузки в процессе труда.
11 ЗАКЛЮЧЕНИЕ
В результате выполнения дипломного проекта была разработана автоматизированная система изучения тепловых режимов устройств ЭВС, отвечающая всем требованиям предъявленного технического задания. В рамках проекта проведены основные виды конструкторских работ, а также технико-экономическое обоснование, проработаны вопросы, касающиеся охраны труда и экологической безопасности при производстве разработанной конструкции.
Актуальность проблематики данного проекта, а также высокие эксплуатационные характеристики разработанной системы позволяют с уверенностью говорить о целесообразности запуска данной разработки в производство.
ПРИЛОЖЕНИЯ
ПРИЛОЖЕНИЕ 1
Таблица 1 - Карта прошивки ПЗУ К555РЕ3 (DD3)
| Адрес | 0 | 1 | 2 | 3 | 4 | 5 | 6 | 7 | 8…15 |
| Значение | 254 | 254 | 254 | 223 | 221 | 209 | 211 | 213 | 255 |

Рисунок 1 - Задание базового адреса устройства (установлено на 31016 )
Таблица 2 - Подключение выводов микросхем к шинам питания и земли
| Микросхема | Вывод | |||||
| Цифровая земля | Аналоговая земля | +5В (A) | +5В | |||
| 1 | 2 | 3 | 4 | 5 | ||
| DD2, DD5, DD6, DD8… DD10, DD12, DD15… DD18, DD20, DD 23… DD25, DD27, DD28 | 7 | 14 | ||||
| DD3, DD7, DD9, DD13, DD14, DD29 | 8 | 16 | ||||
| DD19 | 12 | 24 | ||||
| DD1, DD22 | 7 | 14 | ||||
| DD4, DD26 | 8 | 16 | ||||
| DD11 | 12 | 24 | ||||
| DD21 | 8 | 1 | ||||
ПРИЛОЖЕНИЕ 2
Таблица - Технические характеристики исследуемого блока ЭВМ
| Габаритные размеры блока, мм | 413x488x115 |
| Габаритные размеры корзины с ячейками, мм | 270x290x80 |
Блок позволяет устанавливать 4 платы типоразмера, мм или 8 плат типоразмера, мм |
280x240x12 240x135x12 |
| Размеры блока питания, мм | 176x392x95 |
| Напряжение питания ИМС и полупроводниковых приборов, В | +5 +12 |
Номинальный (максимальный) ток, потребляемый блоком, А: по номиналу «+5В» по номиналу «+12В» |
8 (18) 0,8 (2) |
Мощность, Вт, потребляемая: блоком ячеек (суммарная) ИМС, мВт ИМС К555ИР1 (датчик 1) ИМС КР555РТ5 (датчик 2) ИМС К555ИЕ5 (датчик 3) ИМС КР531ЛА3 (датчик 4) ИМС КР556РТ5 (датчик 5) ИМС КР555ЛЕ1 (датчик 6) ИМС К555ИЕ7 (датчик 7) ИМС К555ЛА1 (датчик 8) ИМС К555ТМ8 (датчик 9) ИМС К555ИЕ12 (датчик 10) ИМС К555ТМ2 (датчик 11) ИМС К555ИД2 (датчик 12) |
24 31 22 26 12 22 29 20 8 12 22 18 26 |
Расстояние, мм, от вентилятора до датчика № 1 2 3 4 5 6 7 8 9 10 11 12 |
95 125 140 110 220 135 160 120 150 210 195 190 |
ПРИЛОЖЕНИЕ 3
Фрагменты программного обеспечения АСИТР
‘интерфейсная часть управляющей программы состоит из четырех форм – одной ‘MDI – форме («MDIform1») и трех дочерних («nacac_izm», «form2_child», «form_o_proge»), ‘элементов управления, меню и кода
‘В п.5.2 на рис. 5.2.1 представлен внешний вид формы «MDIform1», рис. 5.2.2 –
‘команд меню данной формы, рис. 5.2.3 и 5.2.6 - «nacac_izm», 5.2.4 и 5.2.5 – ‘«form2_child»
‘Код обработчиков ошибок не приведен
‘установки свойств, выполненные «At Design Time» в большинстве не приведены
‘Ниже представлены фрагменты кода формы «MDIform1»
‘по выбору команды меню «Каскадом» выстроить каскадом подчиненные формы
Private Sub kask_okno_Click()
MDIform1.Arrange vbCascade
End Sub
‘по выбору команды меню «Начать» отобразить форму «nacac_izm»
Private Sub nach_izm_Click(Index As Integer)
nacac_izm.Show
End Sub
‘по выбору команды меню «Открыть» отобразить окно «Открытие файла» c
‘соответствующей маской
Private Sub otkr_izm_Click(Index As Integer)
CommonDialog1.Filter = "Тепловые диаграммы (*.tpl)|*.tpl"
CommonDialog1.ShowOpen
End Sub
‘по выбору команды меню «Печать» отобразить окно «Печать»
Private Sub pecac_Click()
CommonDialog1.ShowPrinter
End Sub
‘по выбору команды меню «О программе» отобразить модальную форму ‘«form_o_proge»
Private Sub o_programme_Click()
form_o_proge.Show vbModal
End Sub
‘по выбору команды меню «Сохранить» отобразить окно «Сохранение» c
‘соответствующей маской
Private Sub soxr_izm_Click(Index As Integer)
CommonDialog1.Filter = "Тепловые диаграммы (*.tpl)|*.tpl"
CommonDialog1.ShowSave
End Sub
‘по выбору команды меню «Выстроить значки» упорядочить все
‘значки подчиненных форм
Private Sub vys_znach_okno_Click()
MDIform1.Arrange vbArrangeIcons
End Sub
‘выгрузить форму «MDIform1»
Private Sub vyxod_izm_Click(Index As Integer)
Unload Me
End Sub
‘В качестве вариантов визуализации графической модели изучаемого
‘теплового поля приведем код (VB 6.0), использующий для этой цели элемент управления «Microsoft Chart Control» (Version 6.00.00),
‘а также код, написанный для среды ‘разработки «Matlab 5.2».
‘Интерполяционные преобразования не приведены.
‘Ниже приведены фрагменты кода формы «form2_child».
‘ Объявление общей переменной для хранения численных результатов измерения
‘ и массива, в который передаются данные от модуля
Dim stroka As String
Dim arrPrices(), a As Integer
‘ обработчик нажатия кнопки «Численные значения»
Private Sub data_Click()
nacac_izm.Visible = True
nacac_izm. WindowState = 0 ‘ установка вида визуального отображения окна формы ‘ «nacac_izm» во время выполнения (нормальное положение)
nacac_izm.Caption = "Полученные численные значения" ‘изменение заголовка ‘формы
‘кнопки «ОК»,«Cancel» и «Координаты» делаем невидимыми
nacac_izm.nacac_izm_ok.Visible = False
nacac_izm.nacac_izm_cancel.Visible = False
nacac_izm.Coord.Visible = False
nacac_izm.zacryc.Visible = True ‘кнопку «Закрыть» делаем видимой
nacac_izm.text2.Text = stroka ‘визуализируем численные значения измерений
stroka = " " ‘сбрасываем значение переменной «Stroka»
‘вывод надписей
nacac_izm.ramka1.Caption = "Результаты"
nacac_izm.ramka2.Caption = "Выбранные каналы"
nacac_izm.ramka3.Visible = False
nacac_izm.ramka5.Visible = False
nacac_izm.ramka4.Visible = True
End Sub
‘обработчик события «Таймер»
‘свойство «Interval» установлено «At Design Time» в 60000
Private Sub timer1_Timer()
Static tim As Byte ‘ переменная для подсчета событий «Таймер»
Select Case nacac_izm.combo1.Text
Case "2 минуты"
If tim = 2 Then GoTo ready Else tim = tim + 1
Exit Sub
Case "3 минуты"
If tim = 3 Then GoTo ready Else tim = tim + 1
Exit Sub
End Select
ready:
Animation1.AutoPlay = False ‘ «выключение» анимации, символизирующей процесс ‘измерения
MSChart1.Title = "Измерения окончены"
timer1.Enabled = False ‘запрещение таймера
ReDim arrPrices(MSChart1.ColumnCount, MSChart1.RowCount) ‘определение границ динамического массива
‘ подготовка к визуализации численных значений
For i = 1 To MSChart1.ColumnCount
For j = 1 To MSChart1.RowCount
a = arrPrices(i, j)
stroka = stroka + Str(a)
Next j
Next i
MSChart1.ChartData = arrPrices ‘ передача данных в диаграмму
ramka1.Visible = False
data.Enabled = True ‘ разрешение кнопки «Численные значения»
End Sub
‘обработчик кнопки «Закрыть»
Private Sub Zakryc_Click()
Unload Me
Unload nacac_izm
End Sub
‘визуализация графической модели теплового поля в среде «Matlab 5.2»
surf(d); % вывод переданного массива данных от модуля средствами %функции surf (построение трехмерной параметрической поверхности)
colormap(jet); % Установка цветности по умолчанию
% Подписи к осям координат
xlabel('X');
ylabel('Y');
zlabel('Temperature');
% масштабирование осей координат согласно передаваемым параметрам
axis([0 X 0 Y 0 Z])
‘Ниже приведены фрагменты кода формы «nacac_izm»
Dim time
Dim i, j As Byte ‘ общие переменные для циклов
Private Sub Coord_Click() ‘ обработчик кнопки «Координаты»
ramka5.Visible = True
Coord.Visible = False
nacac_izm_ok.Enabled = True ‘разрешение кнопки «ОК»
End Sub
Private Sub Form_Load()
nacac_izm.WindowState = 0
‘ добавим элементы в список окна «Режим измерений»:
combo1.AddItem ("Немедленно")
combo1.AddItem ("1 минута")
combo1.AddItem ("2 минуты")
combo1.AddItem ("3 минуты")
ramka5.Visible = False ‘поля для ввода координат невидимы
End Sub
Private Sub nacac_izm_cancel_Click()
Unload Me
End Sub
Private Sub nacac_izm_ok_Click()
Dim canal As Byte
Dim diag As Object
Set diag = form2_child.MSChart1 ‘ связали с диаграммой
‘ проверка заполнения полей координат для каналов, по которым выбраны флажки
For i = 0 To 11
If flag(i).Value = vbChecked Then
If (coordinate(i).Text = "") Or (coordinate(i + 12).Text = "") Then
MsgBox "Координаты датчиков введены некорректно", vbExclamation, "Ошибка"
GoTo b
End If
End If
Next
‘ если выбран флажок «Все», то необходимо заполнить все поля координат
If flag(12).Value = vbChecked Then
For i = 0 To 11
If (coordinate(i).Text = "") Or (coordinate(i + 12).Text = "") Then
MsgBox "Задайте все координаты", vbExclamation, "Ошибка"
Exit Sub
End If
Next
End If
‘ определение количества столбцов и строк диаграммы:
canal = 0
For i = 0 To 11
If flag(i).Value = vbChecked Then
canal = canal + 1
End If
Next
If flag(12).Value = vbChecked Then canal = 12
Select Case canal
‘ ошибка, если ни один канал не выбран:
Case 0
MsgBox "Выберите требуемые каналы", vbExclamation, "Ошибка"
form2_child.Visible = False
GoTo b
Case 2
diag.ColumnCount = 2
diag.RowCount = 1
Case 4
diag.ColumnCount = 2
diag.RowCount = 2
Case 6
diag.ColumnCount = 2
diag.RowCount = 3
Case 8
diag.ColumnCount = 4
diag.RowCount = 2
Case 9
diag.ColumnCount = 3
diag.RowCount = 3
Case 10
diag.ColumnCount = 2
diag.RowCount = 5
Case 12
diag.ColumnCount = 4
diag.RowCount = 3
‘ иначе –по умолчанию
End Select
‘ вызов обработчика таймера:
If combo1.Text = "Немедленно" Then
form2_child.Show
If combo1.Text = "Немедленно" Then’
form2_child.MSChart1.Title = "Измерения окончены"
ReDim arrPrices(diag.ColumnCount, diag.RowCount)
For i = 1 To diag.ColumnCount
For j = 1 To diag.RowCount
arrPrices(i, j) = arrayFromADC(i, j) ‘ считать от модуля по готовности данные
a = arrPrices(i, j)
stroka = stroka + Str(a) ‘ подготовка визуализации численных
‘ результатов исследования
Next j
Next i
diag.ChartData = arrPrices ‘передача данных в диаграмму
form2_child.ramka1.Visible = False
form2_child.data.Enabled = True
Exit Sub
Else
form2_child.Animation1.Visible = True ‘разрешение анимации
form2_child.timer1.Enabled = True ‘разрешение таймера
form2_child.data.Enabled = False ‘запрещение кнопки «Численные значения»
nacac_izm.Visible = False
With form2_child.Animation1
.Open ("c:\Pragram Files\ASITR\Findcomp.avi") ‘путь к файлу анимации,
‘установленный дистрибутивом
.AutoPlay = True
End With
form2_child.MSChart1.Title = "Подождите окончания измерений"
b: End Sub
‘обработчик кнопки «Закрыть»
Private Sub zacryc_Click()
form2_child.data.Enabled = False
Unload Me
End Sub
‘Ниже приведены код формы «form_o_proge»
‘свойство «ToolTipText» установлено «At Design Time» в «Закрыть»
Private Sub form_o_proge_Ok_Click()
Unload form_o_proge
End Sub
ЛИТЕРАТУРА
1. В. В. Шерстнев. Конструирование и микроминиатюризация ЭВА. :Учебник для вузов. – М.: Радио и связь, 1984.
2. Преснухин Л. Н., Шахнов В. А. Конструирование электроных вычислительных машин и систем. Учебник для втузов по специальностям «ЭВМ» и «Конструирование и производство ЭВА». – М.: Высшая школа., 1986.
3. Савельев А. Я., Овчинников В. А. Конструирование ЭВМ и систем: Учеб. Для вузов по специальности «Вычислительные машины, комплексы, системы и сети». – М.: Высшая школа, 1989
4. Сопряжение датчиков и устройств ввода данных с компьютерами IBM PC: Пре с англ./Под ред. У. Томпкинса, Дж. Уэбстера. – М.: Мир. – 1992
5. Design – In. Reference Manual. Analog Devices Inc., 1994
6. Колесниченко О.В., Шишигин И.В. Аппаратные средства PC /3-е изд., перераб. и доп.— СПб.: БХВ — Санкт-Петербург, 1999.
7. Федорков Б.Г., Телец В. А., Дегтяренко В. П. Микроэлектронные цифро-аналоговые и аналого-цифровые преобразователи. – М.: Радио и связь, 1990.
8. Макс М. Методы и техника обработки сигналов при физических измерениях. – М.: Мир, 1983.
9. Яншин Л. А. Теоретические основы конструирования, технологии и надежности ЭВА. – М.: Радио и связь, 1983.
10. Лярский В. Ф., Мурадян О. Б. Электрические соединители: Справочник. – М.: Радио и связь, 1988.
11. Применение интегральных микросхем в электронной вычислительной технике: Справочник/ Р. В. Данилов, С. А. Ельцова, Ю. П. Иванов и др. ; Под ред. Б. Н. Файзулаева, Б. В. Тарабрина. – М.: Радио и связь, 1987.
12. Ушаков Н. Н. Технология производства ЭВМ: Учебник для студентов ВУЗов по специальности «Вычислительные машины, комплексы, системы и сети». - М.: Высшая школа, 1991.
13. Цифровые интегральные микросхемы: Справочник/М. И. Богданович, И. Н.
Грель, В. А. Прохоренко, В. В. Шалимо. – Мн.: Беларусь, 1991.
14. Visual Basic 6.0: пер. с англ. – СПб.: БВХ – Санкт – Петербург, 1998.
15. ОСТ4 ГО.091.219 «Узлы и блоки радиоэлектронной аппаратуры. Методика оценки и нормативы показателей технологичности конструкций».
16. Охрана труда на предприятиях связи. Под ред. Н.И. Баклашова. –М.: Радио и связь, 1983.
17. Санитарные нормы проектирования промышленных предприятий (СН-245-71). – М.: Издательство стандартов, 1974.
18. ГОСТ 12.1.007-76 «Вредные вещества. Классификация и общие требования безопасности» – М.: Издательство стандартов, 1978.
19. Технология и автоматизация производства РЭА. Под ред. А. П. Достанко и др.- М.: Высшая школа, 1989.
20. Охрана труда в машиностроении. Под ред. Е. Я. Юдина, С. В. Белова. – М.: Машиностроение, 1983.