| Похожие рефераты | Скачать .docx |
Реферат: Установки постоянного тока с аккумуляторными батареями
Министерство образования и науки Республики Казахстан
Северо-Казахстанский Государственный Университет им. М. Козыбаева
Факультет энергетики и машиностроения
Кафедра энергетики и приборостроения
Реферат
На тему: «Установки постоянного тока с аккумуляторными батареями»
Выполнил: студент гр. ЭЭ-08
Гергенредер А.
Проверила: ст. преподаватель
Кафедры ЭиП
Дарий Е.М.
Петропавловск, 2011 год
Содержание
Введение
1. Электрохимические реакции в аккумуляторе, электродвижущая сила, напряжение и внутреннее сопротивление
1.1 Действие электролита в аккумуляторе
1.2 Электродвижущая сила
1.3 Напряжение при заряде и разряде
1.4 Внутреннее сопротивление аккумулятора
1.5 Саморазряд аккумулятора
1.6 Понятие сульфатации и ненормальная сульфатация пластин аккумулятора
2. Рабочие режимы аккумуляторной батареи и электрические схемы установки постоянного тока
2.1 Режим работы аккумуляторных батарей
2.2 Схема без коммутатора, но с ответвлениями от батареи
2.3 Схема с противоэлементами
Список литературы
Введение
Аккумуляторы являются гальваническими элементами, в которых электроды изготовлены из таких материалов, что они восстанавливают свои первоначальные свойства при пропускании тока (зарядке) в обратном направлении по сравнению с током при разрядке. Количество электричества, которое может быть получено от аккумулятора при данных условиях работы (температуре, разрядном токе, начальном напряжении), называется емкостью, аккумулятора. Емкость аккумулятора выражается в кулонах.
Аккумуляторы характеризуются к. п. д., емкостью и э. д. с. Коэффициентом полезного действия аккумулятора называют число, показывающее, какую часть энергии, затраченной на его зарядку, он отдает при разрядке:
Емкостью аккумулятора называют максимальное количество электричества, которое может пройти по цепи за все время разрядки полностью заряженного аккумулятора. За единицу емкости аккумулятора обычно принимают ампер-час: 1 А-ч=3600 Кл.

Рис. 1. Устройство аккумуляторной батареи 1 – решетка; 2 – сепаратор; 3,4 – электроды соответственно положительный и отрицательный; 5 – полублок отрицательных электродов; 6 – блок электродов с сепараторами; 7 –корпус моноблока; 8 – полюсный вывод; 9 – общая крышка; 10 – пробка; 11 – мостик с борном; 12 – полублок положительных электродов
1. Электрохимические реакции в аккумуляторе, электродвижущая сила, напряжение и внутреннее сопротивление
1.1 Действие электролита в аккумуляторе
Принцип действия кислотно-свинцового аккумулятора заключается в поляризации электродов. Электроды (сернокислый свинец PbS04), погруженные в электролит (водный раствор серной кислоты), под действием электрического тока вступают в химическую реакцию.
При зарядке батарея включается параллельно в цепь источника постоянного тока, напряжение которого выше э. д. с. батареи.
В процессе зарядки активная масса отрицательных пластин постепенно превращается из сернокислого свинца PbS04 в губчатый свинец РЬ, а активная масса положительных пластин — в перекись свинца РЬ02, при этом удельный вес электролита повышается до 1,24—1,31 (вместо 1,12—1,19 у разряженного аккумулятора). Такое повышение удельного веса электролита объясняется тем, что во время зарядки отрицательные ионы кислотного остатка S04 соединяются с положительными ионами водорода Н2 и дают серную кислоту H2S04, которая выделяется в электролит.
Следовательно, изменения плотности электролита аккумуляторной батареи, происходящие при зарядке или разрядке, позволяют судить о ее состоянии.
При разрядке железо-никелевого аккумулятора гидрат окиси никеля Ni(OH)3 активной массы положительных пластин переходит в гидрат закиси никеля Ni(OH)2. Железо активной массы отрицательных пластин переходит в его окись Fe(OH)2. В процессе зарядки аккумулятора происходят обратные процессы у положительных и отрицательных пластин.
При разрядке и зарядке железо-никелевой аккумуляторной батареи удельный вес электролита не изменяется. Э. д. с. железо-никелевой батареи определяется в основном химическим состоянием активной массы пластин и почти не зависит от плотности электролита.
1.2 Электродвижущая сила
Электродвижущей силой (ЭДС) аккумулятора Е называют разность его электродных потенциалов, измеренную при разомкнутой внешней цепи.
ЭДС батареи, состоящей из n последовательно соединенных аккумуляторов.
Следует различать равновесную ЭДС аккумулятора и неравновесную ЭДС аккумулятора в течение времени от размыкания цепи до установления равновесного состояния (период протекания переходного процесса). ЭДС измеряют высокоомным вольтметром (внутреннее сопротивление не менее 300 Ом/В). Для этого вольтметр присоединяют к выводам аккумулятора или батареи. При этом через аккумулятор (батарею) не должен протекать зарядный или разрядный ток.
Равновесная ЭДС свинцового аккумулятора, как и любого химического источника тока, зависит от химических и физических свойств веществ, принимающих участие в токообразующем процессе, и совершенно не зависит от размеров и формы электродов, а также от количества активных масс и электролита. Вместе с тем в свинцовом аккумуляторе электролит принимает непосредственное участие в токообразующем процессе на аккумуляторных электродах и изменяет свою плотность в зависимости от степени заряженности аккумуляторов. Поэтому равновесная ЭДС, которая в свою очередь является функцией плотности
Изменение ЭДС аккумулятора от температуры весьма мало и при эксплуатации им можно пренебречь.
1.3 Напряжение при заряде и разряде
Разность потенциалов на полюсных выводах аккумулятора (батареи) в процессе заряда или разряда при наличии тока во внешней цепи принято называть напряжением аккумулятора (батареи). Наличие внутреннего сопротивления аккумулятора приводит к тому, что его напряжение при разряде всегда меньше ЭДС, а при заряде - всегда больше ЭДС.
При заряде аккумулятора напряжение на его выводах должно быть больше его ЭДС на сумму внутренних потерь. В начале заряда происходит скачок напряжения на величину омических потерь внутри аккумулятора, а затем резкое повышение напряжения за счет потенциала поляризации, вызванное в основном быстрым увеличением плотности электролита в порах активной массы. Далее происходит медленный рост напряжения, обусловленный главным образом ростом ЭДС аккумулятора вследствие увеличения плотности электролита.
После того, как основное количество сульфата свинца преобразуется в РЬО2 и РЬ, затраты энергии все в большей мере вызывают разложение воды (электролиз) Избыточное количество ионов водорода и кислорода, появляющееся в электролите, еще больше увеличивает разность потенциалов разноименных электродов. Это приводит к быстрому росту зарядного напряжения, вызывающему ускорение процесса разложения воды. Образующиеся при этом ионы водорода и кислорода не вступают во взаимодействие с активными материалами. Они рекомбинируют в нейтральные молекулы и выделяются из электролита в виде пузырьков газа (на положительном электроде выделяется кислород, на отрицательном - водород), вызывая "кипение" электролита.
Если продолжить процесс заряда, можно увидеть, что рост плотности электролита и зарядного напряжения практически прекращается, так как уже почти весь сульфат свинца прореагировал, и вся подводимая к аккумулятору энергия теперь расходуется только на протекание побочного процесса - электролитическое разложение воды. Этим объясняется и постоянство зарядного напряжения, которое служит одним из признаков окончания зарядного процесса.
После прекращения заряда, то есть отключения внешнего источника, напряжение на выводах аккумулятора резко снижается до значения его неравновесной ЭДС, или на величину омических внутренних потерь. Затем происходит постепенное снижение ЭДС (вследствие уменьшения плотности электролита в порах активной массы), которое продолжается до полного выравнивания концентрации электролита в объеме аккумулятора и порах активной массы, что соответствует установлению равновесной ЭДС.
При разряде аккумулятора напряжение на его выводах меньше ЭДС на величину внутреннего падения напряжения.
В начале разряда напряжение аккумулятора резко падает на величину омических потерь и поляризации, обусловленной снижением концентрации электролита в порах активной массы, то есть концентрационной поляризации. Далее при установившемся (стационарном) процессе разряда происходит снижение плотности электролита в объеме аккумулятора, обусловливающее постепенное снижение разрядного напряжения. Одновременно происходит изменение соотношения содержания сульфата свинца в активной массе, что также вызывает повышение омических потерь. При этом частицы сульфата свинца (имеющего примерно втрое больший объем в сравнении с частицами свинца и его двуокиси, из которых они образовались) закрывают поры активной массы, чем препятствуют прохождению электролита в глубину электродов. Это вызывает усиление концентрационной поляризации, приводящее к более быстрому снижению разрядного напряжения.
При прекращении разряда напряжение на выводах аккумулятора быстро повышается на величину омических потерь, достигая значения неравновесной ЭДС. Дальнейшее изменение ЭДС вследствие выравнивания концентрации электролита в порах активных масс и в объеме аккумулятора приводит к постепенному установлению значения равновесной ЭДС.
Напряжение аккумулятора при его разряде определяется в основном температурой электролита и силой разрядного тока. Как сказано выше, сопротивление свинцового аккумулятора (батареи) незначительно и в заряженном состоянии составляет всего несколько миллиОм. Однако при токах стартерного разряда, сила которых в 4-7 раз превышает значение номинальной емкости, внутреннее падение напряжения оказывает существенное влияние на разрядное напряжение. Увеличение омических потерь с понижением температуры связано с ростом сопротивления электролита. Кроме того, резко возрастает вязкость электролита, что затрудняет процесс диффузии его в поры активной массы и повышает концентрационную поляризацию (то есть увеличивает потери напряжения внутри аккумулятора за счет снижения концентрации электролита в порах электродов). При токе более 60 А зависимость напряжения разряда от силы тока является практически линейной при всех температурах.
Среднее значение напряжения аккумулятора при заряде и разряде определяют как среднее арифметическое значений напряжения, измеренных через равные промежутки времени
1.4 Внутреннее сопротивление аккумулятора
аккумулятор ток коммутатор напряжение
Сопротивление, оказываемое аккумулятором протекающему внутри него току (зарядному или разрядному), принято называть внутренним сопротивлением аккумулятора. Сопротивление активных материалов положительного и отрицательного электродов, а также сопротивление электролита изменяются в зависимости от степени заряженности аккумулятора. Кроме того, сопротивление электролита весьма существенно зависит от температуры. Поэтому омическое сопротивление также зависит от степени заряженности батареи и температуры электролита.
Сопротивление поляризации зависит от силы разрядного (зарядного) тока и температуры и не подчиняется закону Ома.
Внутреннее сопротивление одного аккумулятора и даже аккумуляторной батареи, состоящей из нескольких последовательно соединенных аккумуляторов, незначительно и составляет в заряженном состоянии всего несколько тысячных долей Ома. Однако в процессе разряда оно существенно изменяется.
Электрическая проводимость активных масс уменьшается для положительного электрода примерно в 20 раз, а для отрицательного - в 10 раз. Электропроводность электролита также изменяется в зависимости от его плотности. При увеличении плотности электролита от 1,00 до 1,70 г/см3 его электропроводность сначала растет до его максимального значения, а затем вновь уменьшается.
По мере разряда аккумулятора плотность электролита снижается от 1,28 г/см3 до 1,09 г/см3, что приводит к снижению его электропроводности почти в 2,5 раза. В результате омическое сопротивление аккумулятора по мере разряда увеличивается. В разряженном состоянии сопротивление достигает значения, более чем в 2 раза превышающего его величину в заряженном состоянии.
Кроме состояния заряженности существенное влияние на сопротивление аккумуляторов оказывает температура. С понижением температуры удельное сопротивление электролита возрастает и при температуре - 40 °С становится примерно в 8 раз больше, чем при +30 °С. Сопротивление сепараторов также резко возрастает с понижением температуры и в том же интервале температуры увеличивается почти в 4 раза. Это является определяющим фактором увеличения внутреннего сопротивления аккумуляторов при низких температурах.
1.5 Саморазряд аккумулятора
Саморазрядом называют снижение емкости аккумуляторов при разомкнутой внешней цепи, то есть при бездействии. Это явление вызвано окислительно-восстановительными процессами, самопроизвольно протекающими как на отрицательном, так и на положительном электродах. Саморазряду особенно подвержен отрицательный электрод вследствие самопроизвольного растворения свинца (отрицательной активной массы) в растворе серной кислоты. Саморазряд отрицательного электрода сопровождается выделением газообразного водорода. Скорость самопроизвольного растворения свинца существенно возрастает с повышением концентрации электролита. Повышение плотности электролита с 1,27 до 1,32 г/см3 приводит к росту скорости саморазряда отрицательного электрода на 40 %.
Наличие примесей различных металлов на поверхности отрицательного электрода оказывает весьма значительное влияние (каталитическое) на увеличение скорости саморастворения свинца (вследствие снижения перенапряжения выделения водорода). Практически все металлы, встречающиеся в виде примесей в аккумуляторном сырье, электролите и сепараторах, или вводимые в виде специальных добавок, способствуют повышению саморазряда. Попадая на поверхность отрицательного электрода, они облегчают условия выделения водорода.
Часть примесей (соли металлов с переменной валентностью) действуют как переносчики зарядов с одного электрода на другой. В этом случае ионы металлов восстанавливаются на отрицательном электроде и окисляются на положительном (такой механизм саморазряда приписывают ионам железа).
Саморазряд положительного активного материала обусловлен протеканием реакции.
2РЬО2 + 2H2SO4 -> PbSCU + 2H2O + О2 Т.
Скорость данной реакции также возрастает с ростом концентрации электролита.
Так как реакция протекает с выделением кислорода, то скорость ее в значительной степени определяется кислородным перенапряжением. Поэтому добавки, снижающие потенциал выделения кислорода (например, сурьма, кобальт, серебро), будут способствовать росту скорости реакции саморастворения двуокиси свинца. Скорость саморазряда положительного активного материала в несколько раз ниже скорости саморазряда отрицательного активного материала.
Другой причиной саморазряда положительного электрода является разность потенциалов материала токоотвода и активной массы этого электрода. Возникающий вследствие этой разности потенциалов гальванический микроэлемент превращает при протекании тока свинец токоотвода и двуокись свинца положительной активной массы в сульфат свинца.
Саморазряд может возникать также, когда аккумулятор снаружи загрязнен или залит электролитом, водой или другими жидкостями, которые создают возможность разряда через электропроводную пленку, находящуюся между полюсными выводами аккумулятора или его перемычками. Этот вид саморазряда не отличается от обычного разряда очень малыми токами при замкнутой внешней цепи и легко устраним. Для этого необходимо содержать поверхность батарей в чистоте.
Саморазряд батарей в значительной мере зависит от температуры электролита. С понижением температуры саморазряд уменьшается. При температуре ниже 0 °С у новых батарей он практически прекращается. Поэтому хранение батарей рекомендуется в заряженном состоянии при низких температурах (до -30 °С).
В процессе эксплуатации саморазряд не остается постоянным и резко усиливается к концу срока службы. Снижение саморазряда возможно за счет повышения перенапряжения выделений кислорода и водорода на аккумуляторных электродах. Для этого необходимо, во-первых, использовать возможно более чистые материалы для производства аккумуляторов, уменьшать количественное содержание легирующих элементов в аккумуляторных сплавах, использовать только чистую серную кислоту и дистиллированную (или близкую к ней по чистоте при других методах очистки) воду для приготовления всех электролитов, как при производстве, так и при эксплуатации. Например, благодаря снижению содержания сурьмы в сплаве токоотводов с 5 % до 2 % и использованию дистиллированной воды для всех технологических электролитов, среднесуточный саморазряд снижается в 4 раза. Замена сурьмы на кальций позволяет еще больше снизить скорость саморазряда.
Снижению саморазряда могут также способствовать добавки органических веществ - ингибиторов саморазряда. Применение общей крышки и скрытых межэлементных соединений в значительной степени снижает скорость саморазряда от токов утечки, так как значительно снижается вероятность гальванической связи между далеко отстоящими полюсными выводами.
Иногда саморазрядом называют быструю потерю емкости вследствие короткого замыкания внутри аккумулятора. Такое явление объясняется прямым разрядом через токопроводящие мостики, образовавшиеся между разноименными электродами.
Применение сепараторов-конвертов в необслуживаемых аккумуляторах исключает возможность образования коротких замыканий между разноименными электродами в процессе эксплуатации. Однако такая вероятность остается вследствие возможных сбоев в работе оборудования при массовом производстве. Обычно такой дефект выявляется в первые месяцы эксплуатации и батарея подлежит замене по гарантии.
Обычно степень саморазряда выражают в процентах потери емкости за установленный период времени. Действующими в настоящее время стандартами саморазряд характеризуется также напряжением стартерного разряда при -18 °С после испытания: бездействия в течение 21 суток при температуре +40 °С.
1.6 Понятие сульфатации и ненормальная сульфатация пластин аккумулятора
В основу работы аккумуляторных батарей заложен принцип двойной сульфатации. При разряде батареи происходит взаимодействие активной массы положительных и отрицательных пластин с электролитом, в результате чего образуется сульфат свинца, осаждающийся на поверхности отрицательно заряженной пластины и вода. В итоге плотность электролита падает. Образующийся при этом сульфат свинца отличается тонкокристаллической структурой и легко восстанавливается во время заряда в свинец и двуокись свинца. Образование сульфата (сернокислого свинца) является обязательным и естественным процессом при разряде.
При зарядке батареи происходят обратные электрохимические процессы. Это приводит к восстановлению на отрицательных электродах чистого свинца и на положительных - диоксида свинца. Одновременно с этим повышается плотность электролита.
Ненормальная (глубокая) сульфатация аккумуляторов
Сульфатация это нормальный процесс работы акумуляторной батареи.
Другой вид сульфатации, так называемая глубокая или ненормальная сульфатация может сделать аккумулятор неработоспособным.
Эта сульфатация отличается образованием крупных труднорастворимых кристаллов сернокислого свинца (сульфата) на поверхности пластин и стенках пор активной массы. Кристаллы с течением времени растут, образуя сплошной слой (корку), изолируют пластины и закупоривают поры активной массы положительных и отрицательных пластин, препятствуют проникновению электролита вглубь пластин. Из-за этого не вся активная масса участвует в работе и заряд аккумулятора сильно затрудняется.
При глубокой сульфатации аккумулятор может стать неработоспособным имея под коркой свинца имея две трети неиспользованной активной массы, к которой невозможен нормальный доступ электролита, и она не может учавствовать в электрохимических реакциях.
Ненормальная сульфатация возникает при неправильно организованном режиме работы аккумуляторов или при плохом обслуживании. Такая сульфатация устраняется с большим трудом и может привести к значительной потере емкости или к полному выходу из строя аккумуляторов.
Признаки глубокой сульфатации
Положительные пластины приобретают светло-коричневую окраску, на поверхности пластины возникают белые пятна. Отрицательные пластины становятся беловато-серыми и набухают.
Так как сульфат занимает значительно больший объём, чем активная масса у не разряженных пластин, то с увеличением количества сульфата (когда не принимаются меры к его устранению) возникает выпучивание ячеек отрицательных пластин, а положительные пластины вследствие возникающих и неравномерно прогрессирующих механических напряжений внутри пластины начинают коробиться.
Сульфатация аккумулятора вызывает значительное повышение сопротивления активной массы пластин и, следовательно, общего сопротивления аккумулятора. Вследствие этого напряжение засульфатированного аккумулятора в начале заряда может повыситься даже до 3В и более при нормальном зарядном токе. При этом аккумулятор сразу начинает «кипеть».
При очень глубокой сульфатации, когда сульфат образует сплошную корку на поверхности пластин, аккумулятор может полностью потерять проводимость, поскольку сам сульфат – непроводник.
Процесс сульфатации усугубляется, когда несколько причин действуют одновременно.
Основные причины сильной сульфатации:
- Низкий уровень электролита в банках, что приводит к соприкосновению электродов с воздухом;
- Длительное хранение батареи в разряженном состоянии (После разряда батарею необходимо сразу зарядить);
- Постоянные недозаряды аккумуляторов;
- Высокая плотность электролита (Не доливать в аккмуляторы электролит); Попадание посторонних примесей в электролит ( Доливать только дистиллированную воду);
- Повышение температуры окружающей среды;
- Повреждение внутреннего сепаратора аккумулятора из-за неправильного обслуживания или вследствие процесса старения;
- Повышенный саморазряд.
2. Рабочие режимы аккумуляторной батареи и электрические схемы установки постоянного тока
2.1 Режим работы аккумуляторных батарей
Применяются два режима работы аккумуляторных батарей: заряд-разряд и постоянный подзаряд.
Режим заряд-разряд характеризуется тем, что после заряда аккумуляторной батареи зарядное устройство отключается и батарея питает постоянную нагрузку (лампы сигнализации, приборы управления), периодически кратковременную нагрузку (электромагнитные приводы выключателей) и аварийную нагрузку. Разряженная до определенного напряжения батарея вновь подключается к зарядному агрегату, который, заряжая батарею, одновременно питает нагрузку.
Для батареи, работающей по методу заряд-разряд, один раз в три месяца производится уравнительный заряд (перезарядка).
Режим постоянного подзаряда заключается в следующем. Батарея непрерывно подзаряжается от подзарядного агрегата, и поэтому она находится в любой момент в состоянии полного заряда. Толчковые нагрузки, возникающие в сети постоянного тока, воспринимает аккумуляторная батарея. Один раз в месяц батарея, работающая в режиме постоянного подзаряда должна быть заряжена от зарядного агрегата.
Для осуществления режима заряд-разряд применяют схему аккумуляторной батареи с двойным элементным коммутатором. В качестве зарядного агрегата применен двигатель-генератор. Генератор присоединен к шинам через предохранители, автомат максимального тока с реле обратного тока, амперметр и переключатель на два положения.
Максимальный автомат защищает генератор от перегрузки. Реле обратного тока отключает генератор, если его ЭДС станет меньше напряжения на шинах батареи. Это может произойти при уменьшении скорости вращения генератора, исчезновении напряжения переменного тока, питающего двигатель, и от других причин. Если в это время не отключить генератор, то он, перейдя в режим двигателя, станет нагрузкой для батареи.
Общее число аккумуляторов, соединяемых в батарею, должно быть таким, что даже разряженные до минимального напряжения элементы должны обеспечить на шинах батареи номинальное напряжение.
Если нагрузка сети незначительна, то агрегат может отдавать ток в сеть и одновременно заряжать аккумуляторную батарею. Однако к концу заряда генератор дает напряжение больше того, при котором обычно работает сеть. Если включить в сеть реостат, то за счет падения напряжения в нем можно уменьшить напряжение. Но это неэкономично. Простым решением задачи одновременной работы генератора на сеть и на заряд является применение в схеме двухэлементного коммутатора. Последний дает возможность использовать разность между напряжением генератора и напряжением сети для заряда группы аккумуляторов, присоединенных к коммутатору.
Аккумуляторные батареи располагаются в специальном помещении подвального или первого этажа здания электростанции или подстанции. Помещение должно быть сухим, не подвергающимся резким изменениям температуры, тряске или колебаниям. Вход в помещение делается с тамбуром. Температура помещения на уровне расположения аккумуляторов не должна быть ниже 10о . Помещение аккумуляторной должно иметь приточно-вытяжную вентиляцию.
2.2 Схема без коммутатора, но с ответвлениями от батареи
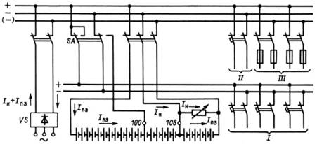
На подстанциях эксплуатируются аккумуляторные батареи с элементным коммутатором или без него. Схема установки с элементным коммутатором представлена на рис. 2.1. В ней имеется зарядный двигатель-генератор 1 и подзарядное выпрямительное устройство 5 . Элементный коммутатор 2 обеспечивает постоянство напряжения на шинах постоянного тока при заряде и разряде аккумуляторов. Он состоит из изолирующей плиты с расположенными на ней контактными пластинами, к которым подсоединены отводы от соединительных полос аккумуляторов. По пластинам и соответствующим шинам скользят щетки разрядная 3 и зарядная 4.
Они приводятся в движение вручную или от небольшого электродвигателя, управляемого дистанционно или с помощью устройства регулирования напряжения (АРН). Изменение числа подключенных к шинам постоянного тока аккумуляторов (регулирование напряжения) происходит без разрыва цепи тока и закорачивания аккумуляторов благодаря особой конструкции коммутаторов. В нормальном режиме работы при наличии подзарядного устройства разрядная щетка коммутатора (через нее теперь проходит небольшой подзарядный ток IПЗ) устанавливается на 107-м элементе, чем обеспечивается на шинах напряжение 230 В. Концевые аккумуляторы с порядковыми номерами 108-125 не подзаряжаются. Они используются только в случае исчезновения напряжения на шинах с. н. подстанции и отключения подзарядного устройства.
На рис. 2.2 представлена схема аккумуляторной батареи без элементного коммутатора с ответвлениями от батареи для питания потребителей с различными требованиями к значению напряжения на шинах. При нормальной работе установки выпрямитель VS питает всех потребителей и подзаряжает всю батарею током IПЗ . Ответвление от аккумулятора с порядковым номером 108 дает возможность поддерживать на шинах напряжение около 230 В. В тех режимах работы (например, дозарядке), когда напряжение на элементах возрастает, а требования к значению напряжения остаются прежними (на шинах управления 230 В), предусмотрено ответвление от 100-го элемента батареи. Переключателем SA к шинам управления подключают 100 элементов, и напряжение на шинах будет равно 2,3×100=230 В. Некоторое повышение напряжения по сравнению с номинальным на шинах питания силовой нагрузки не представляет опасности для мощных приводов выключателей, так как при их срабатывании напряжение на шинах мгновенно понижается.

Рис. 2.1. Схема аккумуляторной установки с элементным коммутатором: I - цепи управления; II - аварийное освещение; III - силовые цепи (электромагниты включения); IН - ток нагрузки; IПЗ - ток подзаряда

Рис. 2.2. Схема аккумуляторной установки без элементного коммутатора, работающей в режиме постоянного подзаряда: I, II, III, IПЗ - то же, что на рис. 2.1.
Для формирования пластин и глубоких перезарядов предусматривают передвижной двигатель-генератор, который при необходимости доставляют на подстанцию.
Схема распределения оперативного тока. От шин постоянного тока отходят цепи, питающие группы электроприемников различного назначения. Цепи управления, сигнализации и аварийного освещения обычно защищаются автоматическими выключателями, цепи питания электромагнитов включения - предохранителями.
При централизованном распределении оперативного тока для питания силовых цепей выключателей вблизи их приводов имеются шинки постоянного тока, соединенные между собой кабелями по кольцевой схеме (рис. 2.3). Для надежности питания кольцо секционируется при помощи установленных в шкафах секционных рубильников Р1-2, Р3-4 . Секции кольца питаются от шин постоянного тока отдельными линиями.
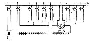
2.3 Схема с противоэлементами
Противоэлеиментом называют электролитический прибор (элемент) с э.д.с., возникающей только при прохождении через него тока от постоянного источника и направленной навстречу току. Противоэлементы включают последовательно в цепь тока для уменьшения напряжения источника энергии.
Наилучшими характеристиками обладают щелочные противоэлементы с пластинами из никелированного железа или нержавеющей стали в растворе едкого калия или натра. При прохождении через такой противоэлемент тока происходит реакция электролиза воды с выделением водорода на катоде и кислорода на аноде. Материал электродов в реакции не участвует. Напряжение противоелемента около 2 В. Оно мало изменяется с изменением тока, что отличает противоелемент от реостата. При работе противоэлементов выделяется некоторое количество тепла, которое ограничивает длительную нагрузку. Имеет место также потеря воды электролита вследствие электролиза в соответствии с количеством ампер-часов, протекающих через противоэлементы. Поэтому требуется переодическая доливка воды. Щелочные противоэлементы допускают замыкание накоротко, что облегчает регулирование напряжения. Они дешевы, долговечны, не боятся длительного бездействия и почти не требуют ухода.
Щелочные противоэлементы получили применение на телеграфных и телефонных станциях для регулирования напряжения и получения нескольких ступеней напряжения при заданном источнике энергии. Они могут быть использованы также на станциях и подстанциях для регулирования напряжения на сборных шинах управления. Номинальный ток противлелементов должен соответствовать длительному току нормального режима установки, который обычно не превосходит нескольких десятков ампер. Поэтому размеры противоелементов невелики. Число противоэлементов зависит от числа аккумуляторов в батарее. Так, например, при 120 аккумуляторах необходимо иметь (120*2,35-230)/2=26 элементов. При нормальном режиме должны быть включены (120*2,15-230)/2=14 элементов. Остальные могут быть закорочены. При разряде батареи все противоэлементы должны быть закорочены.
Достоинство схемы с противоэлементами заключается в том, что все аккумуляторы находятся в одинаковых условиях; это упрощает наблюдение и уход за ними. Напряжение у приемников всех видов не выходит за допустимые для них пределы. Так же достоинствами схемы с противоэлементами является отсутствие элементарного коммутатора, уменьшение износа и увеличение срока службы основных аккумуляторов. Недостаток схемы заключается в том, что противоэлементы требуют особого помещения (хотя и небольшого) и особого вытяжного канала, чтобы исключит попадание щелочи в аккумуляторы. В настоящее время в связи с применением аккумуляторов улучшенной конструкции в закрытых сосудах опасность близкого соседства кислотных и щелочных элементов значительно уменьшилась.

Рис. 2.4. Схема аккумуляторной установки с противоэлементами 1 – сеть аварийного освещения и электродвигателей; 2 – сеть питания мощных приводов; 3 – сеть управления.
Список используемой литературы
1. "Инструкция по эксплуатации щелочных тяговых никель – железных аккумуляторовых батарей типа ТЖН – 300 – 500", Минтопэнерго Украины, ОАО "Укрэнергоуголь", Донецкий филиал, г.Донецк 2007г.
2. Физика, Л.С. Жданов, изд. "Наука", 1987г. .
3. "Электромонтер опиративно-выездной бригады подстанций", А.А. Коптев, изд. "Высшая школа", 1988г.
4. Туревский И.С., Соков В.Б. , Калинин Ю.Н «Электрооборудование автомобилей.»
5. Чижков Ю.П. « Электрооборудование автомобилей». Издательство «Машиностроение» 2003;
Похожие рефераты:
Оборудование летательных аппаратов
Извлечение свинца из лома аккумуляторных батарей
Тиристорные устройства для питания автоматических телефонных станций
Батареи и элементы питания (Аккумуляторы)
Очистка промывных вод производства аккумуляторных батарей для извлечения сульфата аммония
Исследование аккумуляторной батареи
Лекции по твердотельной электронике
Проект новой подстанции для обеспечения электроэнергией нефтеперерабатывающего завода
Компенсация реактивной мощности в системах электроснабжения с преобразовательными установками