| Похожие рефераты | Скачать .docx |
Курсовая работа: Комплектная трансформаторная подстанция. Расчет и выбор компонентов КТП
Курсовая работа
Комплектная трансформаторная подстанция. Расчет и выбор компонентов КТП
Задание
1. Определение и назначение КТП. Краткий обзор существующих типов.
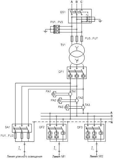
2. На основании электрической схемы КТП описать электрические аппараты, входящие в нее.
3. Определить номинальные токи двигательной нагрузки и нагрузки уличного освещения.
4. Определить суммарную мощность КТП и выбрать КТП.
5. Выбрать силовой трансформатор КТП. Рассчитать параметры трансформатора: номинальные токи и токи КЗ первичной и вторичной обмоток, сопротивления.
6. Рассчитать и выбрать соединительные кабели низкого напряжения отходящих линий КТП. Определить их сопротивления.
7. Определить токи КЗ, ударный ток. Проверить условие нормального пуска двигателя.
8. Проверить термическую стойкость кабелей.
9. Выбрать автоматические выключатели для защиты двигателей и силового трансформатора от КЗ.
10. Выбрать измерительный трансформатор тока.
11. Выбрать предохранители высокого напряжения в цепи силового трансформатора и предохранители линии уличного освещения.
12. Выбрать разрядники высокого напряжения.
13. Выбрать высоковольтный выключатель нагрузки с разъединителем.
14. Сделать вывод о выбранных аппаратах.
| Параметры | Значения |
Соотношение сопротивлений питающей системы и силового трансформатора Хс/Хт |
0,1 |
| Длина кабеля - lo ,м, | 60 |
| Длина кабеля - l1 ,м, | 90 |
| Длина кабеля — l2 ,м, | 80 |
| Материал кабеля | Cu |
| Осветительная нагрузка, кВт | 17 |
| Номинальное линейное напряжение - U ном. л, В | 380 |
| Номера двигателей для схемы первой линии | 11 |
| Кратность пускового тока двигателя — Кi | 7 |
| Время пуска двигателя – tп , с | 11 |
| Номера двигателей для схемы второй линии | 12 |
| Кратность пускового тока двигателя – Кi | 7,5 |
| Время пуска двигателя – tп , с | 4 |
Параметры двигателей
| N п/п | Номер двигателя | 11 | 12 |
| 1. | Тип электродвигателя | АИР200L4 | АИР200L6 |
| 2. | Номинальная мощность Рном, кВт | 45 | 30 |
| 3. | КПД, % | 92,5 | 92 |
| 4. | Коэффициент мощности | 0,89 | 0,85 |
1. Определение и назначение Комплектной трансформаторной подстанции (КТП)
Подстанцией называют электроустановку, служащую для преобразования и распределения электроэнергии и состоящую из трансформаторов или других преобразователей энергии, распределительного устройства, устройства управления и вспомогательных сооружений. В зависимости от преобразования той или иной функции они называются трансформаторными (ТП) или преобразовательными (ПП).
Трансформаторную подстанцию называют комплектной – КТП (КПП) – при поставке трансформаторов (преобразователей), щита низкого напряжения и других элементов в собранном виде или в виде полностью подготовленном для сборки. Подстанции могут быть комплектными или сборными.
Получили широкое распространение различные комплектные устройства:
1. Комплектное распределительное устройство (КРУ) в сетях 10/6 кВ со шкафами на номинальные токи 6300 – 3200 А и номинальные токи 20 кА (КРУ 2 – 10, КХП), 31,5 кА (КР 10/500) и в отдельных случаях КРУ со шкафами на номинальные токи до 5000 А и токи отключения 58 кА (КР – Д9). В КРУ устанавливают маломасляные выключатели (в основном типов ВМП и ВМГ с отключаемой мощностью 850 МВА при 10 кВ), а при необходимости частых коммутаций – выключатели с электромагнитным гашением дуги.
2. Комплектные трансформаторные подстанции 10(6)70,4 кВ с трансформаторами мощностью 250-2500 кВА. Исполнение трансформаторов в КТП: сухие, масляные, заполненные негорючей жидкостью.
3. Комплектные полупроводниковые выпрямительные подстанции и установки (КПП, КПВП, КПУ) для питания сетевых нагрузок на напряжение 230 и 460 В и питания специальных электроприемников.
Комплектные подстанции изготовляются на заводах и транспортируются к месту установки узлами и блоками без демонтажа оборудования. На месте монтажа производят установку узлов и блоков и присоединения между ними и к сетям электроснабжения.
Комплектное распределительное устройство наружной установки (КРУН) - это КРУ, предназначенное для наружной (открытой) установки.
Комплектное распределительное устройство - распределительное устройство, состоящее из шкафов, закрытых полностью или частично, или блоков с встроенными в них аппаратами, устройствами защиты и автоматики, измерительными приборами и вспомогательными устройствами, поставляемое в собранном или полностью подготовленном для сборки виде и предназначенное для внутренней установки.
Камера (ячейка) - помещение, предназначенное для установки аппаратов и шин. Закрытая камера закрыта со всех сторон и имеет сплошные (несетчатые) двери. Огражденная камера имеет проемы, защищенные полностью или частично несплошными (сетчатыми или смешанными) ограждениями.
Комплектные трансформаторные подстанции назначение и классификация
Комплектные трансформаторные подстанции (КТП) применяют для приема, распределения и преобразования электрической энергии трехфазного тока частотой 50 Гц. По числу трансформаторов КТП могут быть однотрансформаторными, двухтрансформаторными и трехтрансформатор-ными.
По роду установки КТП могут быть:
- внутренней установки с масляными, сухими или заполненными негорючей жидкостью трансформаторами;
- наружной установки (только с масляными трансформаторами);
- смешанной установки с расположением РУ высшего напряжения и трансформатора снаружи, а РУ низшего напряжения внутри помещения.
КТП можно разделить на четыре основные группы.
1. КТП наружной установки мощностью 25…400 кВА, напряжением 6…35/0,4 кВ, применяемые для электроснабжения объектов сельскохозяйственного назначения. Это в основном мачтовые подстанции. КТП данной группы состоят из шкафа ввода ВН, трансформатора и шкафа НН, укомплектованного на отходящих линия автоматическими выключателями.
2. КТП внутренней и наружной установки напряжением до 10 кВ включительно мощностью 160...2500 кВА, которые в основном используются для электроснабжения промышленных предприятий. КТП этой группы состоят из шкафов ввода на напряжение 10 кВ и РУ напряжением до 1 кВ. Для КТП применяют как масляные, так и заполненные негорючей жидкостью или сухие трансформаторы специального исполнения с боковыми выводами, для КТП наружной установки - только масляные.
3. Сборные и комплектные трансформаторные подстанции напряжением 35... 110/6... 10 кВ. Со стороны высокого напряжения подстанции комплектуются открытыми распределительными устройствами напряжением 35...110 кВ, со стороны 6...10 кВ - шкафами КРУП наружной установки.
4. КТП специального назначения, перевозимые на салазках, напряжением 6... 10 кВ, мощностью 160... 630 кВА, которые выпускаются для электроснабжения стройплощадок, рудников, шахт, карьеров.
2. Описание электрических аппаратов, входящих в состав КТП, на основании представленной электрической схемы
QS 1 – высоковольтный выключатель нагрузки
Коммутационные аппараты (выключатели) предназначены для осуществления оперативной и аварийной коммутации в энергосистемах, для выполнения операций включения и отключения отдельных цепей при ручном или автоматическом управлении. Во включенном состоянии выключатели должны беспрепятственно пропускать токи нагрузки. Характер режима работы этих аппаратов несколько необычен: нормальным для них считается как включенное состояние, когда они обтекаются током нагрузки, так и отключенное, при котором они обеспечивают необходимую электрическую изоляцию между разомкнутыми участками цепи. Коммутация цепи, осуществляемая при переключении выключателя из одного положения в другое, производится нерегулярно, время от времени, а выполнение им специфических требований по отключению возникающего в цепи короткого замыкания чрезвычайно редко.
Выключатели должны надежно выполнять свои функции в течение срока службы (25 лет), находясь в любом из указанных состояний, и одновременно быть всегда готовыми к мгновенному эффективному выполнению любых коммутационных операций, часто после длительного пребывания в неподвижном состоянии. Отсюда следует, что они должны иметь очень высокий коэффициент готовности: при малой продолжительности процессов коммутации (несколько минут в год) должна быть обеспечена постоянная готовность к осуществлению коммутаций.
Среди основных параметров выключателей высокого напряжения следует выделить группу номинальных параметров, присущих всем типам выключателей и определяющих условия их работы.
К основным номинальным параметрам выключателей в соответствии с рекомендациями Международной электротехнической комиссии (МЭК) относятся:
- номинальное напряжение Uном ;
- наибольшее рабочее напряжение Uн.р ;
- номинальный уровень изоляции;
- номинальная частота fном ;
- номинальный ток Iном ;
- номинальный ток отключения Iо.ном ;
- номинальный ток включения Iв.ном ;
- номинальное переходное восстанавливающееся напряжение (ПВН) при КЗ на выводах выключателя;
- номинальные характеристики при неудаленных КЗ; номинальная длительность КЗ;
- номинальная последовательность операций (номинальные циклы);
- нормированные показатели надежности и др.

Рис.1 Электрическая схема комплектной трансформаторной подстанции (КТП)
К параметрам, характерным для воздушных выключателей, следует отнести номинальное давление и расход воздуха, необходимые для проведения операций включения и отключения, нижний предел давления для производства отдельных операций.
FU 1... FU 3 - высоковольтные разрядники
Основными элементами вентильных разрядников являются искровые промежутки, последовательно соединенные с резистором, имеющим нелинейную вольт-амперную характеристику (ВАХ).

Рис.2
На рис. 2, представлен элемент магнитно-вентильного разрядника РВМГ на 33 кВ, состоящий из фарфоровой покрышки 1, колонки нелинейных резисторов из вилита 2 и блока последовательно соединенных искровых промежутков 3. Разрядники этой серии выпускаются на напряжение 110-500 кВ, что достигается последовательным включением исходных элементов.
Одним из основных недостатков вентильных разрядников является высокое значение коэффициента нелинейности материалов (тервита и вилита) а=(0,2-0,4), используемых при этом, а также нестабильность напряжений пробоя. Поэтому значительный прогресс был достигнут после разработки новых материалов оксидно-цинковых варисторов с коэффициентом нелинейности
а = 0,02. Это позволило разработать аппараты защиты без искровых промежутков. При рабочем напряжении токи через варисторы достигают миллиампер, а при перенапряжениях соответственно сотни и тысячи ампер.
FU 4... FU 6 - предохранители
Предохранители - это электрические аппараты, предназначенные для защиты электрических цепей от токов короткого замыкания и токов перегрузки. Преимущественно предохранители используются для защиты от токов короткого замыкания.
Основной элемент предохранителя — плавкая вставка постоянного или переменного сечения, которая при токах срабатывания сгорает (плавится с последующим возникновением и гашением электрической дуги), отключая электрическую цепь.
По конструктивному исполнению предохранители условно можно разделить на открытые (вставка не защищена патроном или размещена в трубке, открытой с торцов), закрытые (вставка расположена в закрытом патроне) и засыпные (вставка находится в патроне, полностью заполненном мелкозернистым наполнителем, например, кварцевым песком).
Наиболее распространенные материалы плавких вставок — медь, цинк, алюминий, свинец и серебро. Медь подвержена сравнительно интенсивному окислению, что может привести к увеличению сопротивления медной вставки и, следовательно, к изменению защитной характеристики предохранителя. Поэтому медные вставки подвергаются лужению (покрываются слоем олова).
В засыпных предохранителях наиболее распространенным наполнителем является кварцевый песок с содержанием оксида кремния SiO2 не менее 99%. Наилучшим наполнителем по своим дугогасящим свойствам является мел (СаСОз), который после перегорания вставки в отличие от песка не образует остаточных токопроводящих путей и пригоден для многократного использования. Но мел значительно дороже песка и это ограничивает его широкое применение. Для лучшего использования наполнителя как теплоотводящей и дугогасящей среды в засыпном предохранителе обычно размещены несколько параллельно соединенных вставок, суммарное сечение которых эквивалентно сечению одной вставки предохранителя на тот же рабочий ток.
TV 1 - силовой трансформатор
Силовые трансформаторы являются основным электрическим оборудованием электроэнергетических систем, обеспечивающим передачу и распределение электроэнергии на переменном трехфазном токе от электрических станций к потребителям.
В справочных данных на трансформаторы приводятся: тип, номинальная мощность, номинальные напряжения обмоток, потери мощности холостого хода и короткого замыкания, напряжение короткого замыкания, ток холостого хода.
На повысительных и понизительных подстанциях применяют трехфазные или группы однофазных трансформаторов с двумя или тремя раздельными обмотками. В зависимости от числа обмоток трансформаторы разделяются на двухобмоточные и трехобмоточные. Двухобмоточные трансформаторы номинальной мощностью больше 25 МВ-А выполняются с расщепленной обмоткой вторичного напряжения 6...10 кВ. Обмотки высшего, среднего и низшего напряжений принято сокращенно обозначать соответственно ВН, СН, НН.
В настоящее время применяются трансформаторы следующих стандартных номинальных мощностей: 25, 40, 63, 100, 160, 250, 400, 630, 1000, 1600, 2500, 4000, 6300, 10 000, 16000, 25000, 32000, 40000, 63000 ,80000, 160000 кВ-А.
Условные обозначения типов трансформаторов состоят из букв, которые обозначают:
первые буквы: О – однофазный;
Т – трехфазный.
последняя буква:
Н - выполнение одной обмотки с устройством;
регулирования напряжения под нагрузкой (РПН);
Р - трансформатор с расщепленной обмоткой низшего
напряжения;
Т - трехобмоточный трансформатор;
М, Д, ДЦ, С, 3 -система охлаждения трансформаторов.
В настоящее время трансформаторы выполняются с переключением ответвлений обмотки без возбуждения (ПБВ) и с переключением ответвлений обмотки под нагрузкой – РПН.
QF 1, QF 2, QF 3 - автоматические выключатели
Автоматические выключатели (автоматы) низкого напряжения (до 1000 В) предназначены для автоматической защиты электрических сетей и оборудования от аварийных режимов (коротких замыканий, перегрузок, снижения и исчезновения напряжения, изменения направления тока, гашения магнитного поля мощных генераторов в аварийных условиях и др.), а также для оперативной коммутации номинальных токов. Для обеспечения селективной (избирательной) защиты в автоматах предусматривается возможность регулирования уставок по току и по времени. Быстродействующие автоматы снижают время срабатывания и ограничивают отключаемый ток сопротивлением возникающей электрической дуги в автомате. Нередко эти факторы определяют принцип устройства и особенности конструкции автоматов.
Автоматические выключатели подразделяются на: установочные и универсальные. Установочные автоматические выключатели имеют защитный изоляционный (пластмассовый) корпус и могут устанавливаться в общедоступных местах, универсальные — не имеют такого корпуса и предназначены для установки в распределительных устройствах; быстродействующие и небыстродействующие. Быстродействие обеспечивается самим принципом действия (поляризованный электромагнитный или индукционно-динамический принцип и др.), а также условиями для быстрого гашения электрической дуги, подобно процессам в токоограничивающих автоматах; автоматы обратного тока, срабатывающие только при изменении направления тока в защищаемой цепи (поляризованные автоматы отключают цепь только при нарастании тока в прямом направлении, неполяризованные - при любом направлении тока).
ТА1, ТА2, ТАЗ - измерительные трансформаторы тока
Трансформатор тока (ТА) служит для измерения, преобразования и передачи информации о режиме работы сильноточной цепи высокого напряжения в цепь низкого напряжения с целью ее последующей обработки. При этом одновременно ТА служит для изоляции первичной цепи высокого напряжения от вторичной цепи низкого напряжения, имеющей потенциал земли. Информация на вторичной стороне используется как для целей измерения мощности при помощи амперметра, ваттметра, качества энергии, так и для системы релейной защиты. Поэтому ТА, как правило, имеют две вторичные обмотки: одну для измерения, другую для защиты. Вторичный ток ТА имеет нормированные значения: 5 или 1 А. Первичная цепь трансформатора тока постоянно включена в цепь высокого напряжения и является первым элементом (датчиком контроля тока) системы релейной защиты. От точности передачи информации зависит четкость и быстрота ликвидации аварии.
Одной из важнейших характеристик ТА является его точность, определяемая погрешностями измерения вторичного тока, соответствующая информации о первичном токе. Класс точности определяется по наибольшей допустимой погрешности ТА при номинальном первичном токе, выраженном в процентах. Установлено 6 классов точности: 0,2; 0,5; 1; 3; 10% соответствующих 100—120% номинального тока и в режиме КЗ.
Трансформаторы тока отличаются от силовых трансформаторов следующими особенностями: работают в условиях близких к короткому замыканию (амперметр является нагрузкой измерительной обмотки ТА); ток во вторичной цепи не зависит от значения и характера нагрузки (источник тока), а определяется значением и характером изменения первичного тока. В противоположность этому в силовых трансформаторах первичный ток определяется мощностью, потребляемой во вторичной цепи.

Рис.3
В общем случае ТА можно представить в виде двух обмоток первичной N1 и вторичной N2 , размещенных на одном магнитопроводе из трансформаторной стали (рис. 3). Принцип действия ТА основан на явлении электромагнитной индукции (закон Ленца).
РА1...РАЗ амперметры
Амперметры для измерения электрического тока устанавливают на всех трансформаторах и линиях, питающих приемники электроэнергии или их группы. Амперметры устанавливают в одной фазе. Три амперметра предусматривают только в тех цепях, где возможна несимметрия нагрузки фаз приемников (освещение, сварочные посты, конденсаторные батареи). Амперметры включают непосредственно в сеть или через трансформаторы тока.
SA 1 переключатель (рубильник)
Переключатель (рубильник) - предназначен для ручного включения и отключения цепей с постоянным или переменным напряжением. В данном случае применяется трехполюсный переключатель с центральным рычажным приводом и дугогасительной камерой. Включение и отключение линии уличного освещения осуществляется вручную выключателем SA1.
3. Определение номинальных токов двигательной нагрузки и нагрузки уличного освещения
а) Номинальный ток двигателя:
;
где: Pном – номинальная мощность двигателя;
Uном.л – номинальное линейное напряжение на обмотке статора;
η – к.п.д. при номинальном моменте на валу двигателя.
,
.
б) Номинальный ток линии освещения:
.
где: Pном.осв – суммарная номинальная мощность линии освещения.
сosφ = 1 – для осветительной нагрузки.

4. Определение суммарной мощности комплектной трансформаторной подстанции (КТП)
Полная суммарная мощность КТП SКТП равна сумме полных мощностей отходящих фидеров:
,
.
Округлим суммарную мощность трансформатора до стандартной SТ =160кВ∙А.
Выбор КТП
Номинальное вторичное напряжение силового трансформатора должно соответствовать номинальному напряжению нагрузки. Мощность силового трансформатора ST должна быть не менее суммарной мощности нагрузки, т.е. ST > SКТП . Из таблицы 1 выбираем КТП.
Таблица 1.
Марка |
Номинальная мощность, кВ-А |
Напряжение, кВ | Габаритные размеры, мм, не более | Масса, кг |
|||
| ВН | НН | длина | ширина | высота | ||||
| Однотрансформаторные | |||||||
| КТП-63-6/0,4 | 63 | 6 | 0,4 | 1300 | 1300 | 2740 | 995 |
| КТП-63-10/0,4 | 63 | 10 | 0,4 | 1300 | 1300 | 2740 | 995 |
| КТП-100-6/0,4 | 100 | 6 | 0,4 | 1300 | 1300 | 2740 | 1100 |
| КТП-100-10/0,4 | 100 | 10 | 0,4 | 1300 | 1300 | 2740 | 1100 |
| КТП-160-6/0,4 | 160 | 6 | 0,4 | 1300 | 1300 | 1385 | 1385 |
| КТП-160-10/0,4 | 160 | 10 | 0,4 | 1300 | 1300 | 2740 | 1385 |
КТП 160 – 10/0,4;где: 160 кВА – номинальная мощность;
10 кВ – входное напряжение;
0,4 кВ – выходное напряжение.
5. Выбор силового трансформатора КТП. Расчёт параметров трансформатора: номинальные токи и токи КЗ первичной и вторичной обмоток, сопротивления
Силовые трансформаторы являются основной составляющей всех понижающих подстанций.
Существует шесть уровней систем электроснабжения, в которых применяются подстанции в зависимости от назначения номиналов напряжений.
Для электроснабжения потребителей напряжением до 1 кВ (220 В, 380 В, 500 В, 600 В) создают трансформаторные подстанции с высшим напряжением на 6,10 кВ.
В большинстве случаев для КТП применяют масляные трансформаторы, т.к. сухие или элегазовые (SF6) в 2 - 2,5 раза дороже масляных. Таким образом, выбираем масляные трансформаторы по следующим критериям:
· Мощность трансформатора должна быть больше или равной суммарной мощности нагрузки (как правило, равна мощности КТП).
· По номинальному вторичному напряжению, равному номинальному линейному напряжению нагрузки.
· Номинальный ток вторичной обмотки трансформатора должен быть больше суммы токов всех трех линий нагрузки.
Из таблицы 2 выбираем:
ТМ-160/10, где: S = 160 кВА;
Uк =4,5 %;
Р х =0,565 кВт;
Р к = 2,365 кВт.
Таблица 2.
| Трансформаторы силовые масляные общего назначения трехфазные двух и трехобмоточные с охлаждением естественным масляным (М) класса напряжения 10 кВ | ||||
| Тип | S,kB-A | Uк | Потери, кВт | |
| Рх | Рк | |||
| ТМ-25/10 | 25 | 4,5 | 0,135 | 0,600 |
| ТМ-40/10 | 40 | 4,5 | 0,190 | 0,880 |
| ТМ-63/10 | 63 | 4,5 | 0,265 | 1,280 |
| ТМ-100/10 | 100 | 4,5 | 0,365 | 1,970 |
| ТМ-160/10 | 160 | 4,5 | 0,565 | 2,365 |
| ТМ-250/10 | 250 | 4,5 | 0,820 | 3,700 |
| ТМ-400/10 | 400 | 4,5 | 1,050 | 5,500 |
| ТМ-630/10 | 630 | 5,5 | 1,560 | 7,600 |
Расчет параметров силового трансформатора
Номинальный ток любой обмотки трансформатора определяется по ее номинальной мощности и номинальному напряжению.
![]()
где: Sтр– полная мощность трансформатора в кВА.
Полное сопротивление трансформатора вычисляется по формуле:
![]()
где: UK - напряжение короткого замыкания (КЗ) трансформатора в процентах (определяется по мощности силового трансформатора, см. табл. 2). Активное сопротивление обмоток трансформатора:
![]()
где: Рк - активные потери в обмотках трансформатора на три фазы в Вт (см. табл. 2). Реактивное сопротивление обмоток:
![]()
Определим ток трехфазного КЗ на зажимах трансформатора:
![]()
6. Рассчитать и выбрать соединительные кабели низкого напряжения отходящих линий КТП. Определить их сопротивления
Назначение и конструкции кабелей.
Существует несколько групп кабельных изделий, которые делятся по назначению:
-неизолированные провода;
-силовые кабели;
-кабели связи;
-контрольные кабели;
-кабели управления;
-монтажные провода;
-установочные провода;
-обмоточные провода;
-радиочастотные кабели.
Силовые кабели предназначены для передачи распределения электрической энергии. Кабели выпускаются, с медными и алюминиевыми токопроводящими жилами с изоляцией из бумажных лент, пропитанных маслом или специальным составом, а также с изоляцией из полихлорвинила хлоридного пластиката, полиэтилена, резины.
Диапазон переменного напряжения силовых кабелей от 660 В до 500 кВ.
При проектировании электротехнических устройств, кабель, прежде всего, выбирается по допустимому напряжению. Кабель напряжением от 1 до 35 кВ состоит из (Рис. 4):

Рис.4
Проводящие жилы кабеля 1 выполняются из нескольких скрученных вместе медных или алюминиевых проволок. Чтобы обеспечить достаточную гибкость кабеля, который наматывается на барабан для транспортировки, каждая токопроводящая жила кабеля обматывается лентами из кабельной бумаги. Это и есть фазная изоляция 2.
Все три фазы с их изоляциями скручиваются вместе. В промежутке между фазами для получения общей круглой формы кабеля помещается междуфазное заполнение 8 из скрученного бумажного жгута. Сверху скрученных фаз наматывается общая бумажная поясная изоляция 3. Затем кабель подвергается вакуумной сушки и пропитки горячим маслоканифольным составом, чтобы улучшить изоляционные свойства бумажной изоляции.
Пропитанный кабель покрывается свинцовой или алюминиевой оболочкой 4 которая надежно защищает изоляцию от увлажнения и окисления воздухом, но не защищает от механических повреждений.
Поэтому кабель покрывается бронёй 6, которая состоит из стальных лент или проволоки. Под бронёй наносится подушка 5 из грубой кабельной пряжи (конопляная пенька) которая создает мягкую прокладку, чтобы броня не врезалась в оболочку 4. Поверх брони 6 наносится второй слой кабельной пряжи, которая пропитывается битумным составом, чтобы защитить стальную броню от коррозии (защитный покров 7).
Кабели с изоляцией, из бумажных лент, пропитанных маслоканифольным составом, изготавливаются по ГОСТ 1840 — 73.
Кабели с пластмассовой изоляцией изготавливаются на напряжение 0,66 — 6 кВ по ГОСТ 16442 — 80. Конструкция кабеля с пластмассовой изоляцией представлена на рис.5.

1 – токопроводящая жила.
2 – изоляция.
3 – заполнение.
4 – обмотка прорезиненной
лентой.
5 – оболочка.
6 – броня.
7 – защитные покровы.
Рис. 5.
Кабель низкого напряжения выбирается по номинальному напряжению, номинальному току нагрузки и току термической стойкости. Выбор производим по справочнику правил устройства электроустановок.
Выберем кабель для отходящих линий КТП с алюминиевыми жилами с пластмассовой изоляцией и оболочкой по допустимому длительному току.
Определим длительно допустимый ток кабелей, учитывая то, что он должен быть на 20% больше тока номинального:
Iном.доп.осв.
= Iном.осв.
1,2 = 44,737
1,2 = 53,684 А;
Iном.доп..дв1
= Iном.дв1
1,2 = 83,049.
1,2 = 99,659 А;
Iном.доп..дв2
= Iном.дв2
1,2 = 59,582.
1,2 = 71,498 А.
Таблица 3.
| Сечение токопроводящей жилы, мм2 | Токовая нагрузка, А Cu/A1 |
| 1,5 | 19/- |
| 2,5 | 25/19 |
| 4 | 35/27 |
| 6 | 42/32 |
| 10 | 55/42 |
| 16 | 75/60 |
| 25 | 95/75 |
| 35 | 120/90 |
| 50 | 145/110 |
| 70 | 180/140 |
| 95 | 220/170 |
| 120 | 260/200 |
Из таблицы 3 выбираем сечение токопроводящей жилы, выполненной из Cu: для линии освещения выбираем марку кабеля АВВГ фазное сечение – 10 мм2 , нулевое сечение — 6 мм2 ; для двигательной нагрузки 1 марку кабеля АВВГ: фазное сечение - 35 мм2 ,нулевое сечение — 16 мм2 ;для двигательной нагрузки 2 марку кабеля АВВГ: фазное сечение - 16 мм2 , нулевое — 10 мм2 .
Из таблицы 4 выбираем удельные сопротивления для осветительной и двигательной нагрузки.
Таблица 4. Удельное сопротивление прямой последовательности кабелей с алюминиевыми и медными жилами при t=65°C.
| Сечение, мм2 | rуд, мОм/м | ХУД; мОм/м | |||
| фазное | нулевое | Cu | А1 | Трехжильный кабель | Четырехжильный кабель |
| 3x4 | 2,5 | 5,65 | 9,610 | 0,092 | 0,098 |
| 3x6 | 4 | 3,77 | 6,410 | 0,087 | 0,094 |
| 3x10 | 6 | 2,26 | 3,840 | 0,082 | 0,088 |
| 3x16 | 10 | 1,41 | 2,400 | 0,078 | 0,084 |
| 3x25 | 16 | 0,91 | 1,540 | 0,062 | 0,072 |
| 3x35 | 16 | 0,65 | 1,100 | 0,061 | 0,068 |
| 3x50 | 25 | 0,45 | 0,769 | 0,060 | 0,066 |
| 3x70 | 35 | 0,32 | 0,549 | 0,059 | 0,065 |
Замечание: для кабелей с медными жилами приведенные в табл.6 значения активного сопротивления следует rуд уменьшить в 1,7 раза.
Сопротивление кабеля: Rк =Rуд lк , Xк =Xуд lк ,
где: lк - длина соединительного кабеля, м.
Полное сопротивление определяется как:
![]()
где: Хс - приведенное индуктивное сопротивление энергосистемы,
Rпк - переходное сопротивление контактов в местах соединения
(принимаем равным 15мОм). Активным сопротивлением
системы пренебрегаем.
Хс / Хт =0,1 ,
тогда;
ХС
=ХТ
0,1=0,038
0,1=0,0038 Ом.
Линия освещения:
гуд = 2,26 / 1,7 = 1,33 мОм/м;
худ = 0,088 мОм/м.
Xк.осв
= Xуд
lк
= 0,088
60 = 5,28 мОм;
Rк.осв
= Rуд
lк
= 1,33
60 = 80 мОм;
;
![]()
Первая линия:
гуд = 0,65 / 1,7 = 0,38 мОм/м;
худ = 0,068 мОм/м.
Хк.дв1
= Худ
lк
= 0,068
90 = 6,12 мОм;
Rк.дв1
= Rуд
lк
= 0,38
90 = 34,2 мОм;
;
.
Вторая линия:
гуд = 1,41 / 1,7 = 0,83 мОм/м;
худ = 0,084 мОм/м.
Хк.дв2
= Худ
lк
= 0,084
80 = 6,72 мОм;
Rк.дв2
= Rуд
lк
= 1,41
80 = 66 мОм;
;
![]()
7. Определить токи КЗ, ударный ток. Проверить условие нормального пуска двигателя. Определение токов короткого замыкания (КЗ)
В месте установки двигателя ток трехфазного КЗ находится как:

Ток однофазного КЗ в том же месте:

где: r0 и х0 - соответственно активное и индуктивное сопротивления
нулевой последовательности, Ом;
r1 и х1 - соответственно активное и индуктивное сопротивления цепи, Ом. Их значения приведены в таблице 5.
Таблица 5. Активные и индуктивные сопротивления трансформаторов 6(10)/0,4кВ.
| Мощность трансформатора , кВА | UK , % | X1 Т =X2 Т мОм | X0Т мОм |
R1Т = R2Т мОм |
R0Т мОм |
| 25 | 4,5 | 108 | 925 | 60 | 430 |
| 40 | 4,5 | 96 | 845 | 48 | 400 |
| 63 | 4,5 | 82,8 | 730 | 40 | 338 |
| 100 | 4,5 | 64,7 | 581,8 | 31,5 | 253,9 |
| 160 | 4,5 | 41,7 | 367 | 16,6 | 150,8 |
;
,
где: R0Т , X0Т - активное и индуктивное сопротивления нулевой последовательности трансформатора.
R0К , X0К - активное и индуктивное сопротивление кабелей.
RНП , XНП - активное и индуктивное сопротивление нулевого проводника, которые находятся также как и сопротивления кабелей:
, где 
, где 
где: qф , qип - сечения фазного и нулевого проводников соответственно.
Линия освещения:
![]()

![]()

![]()
![]()
![]()
![]()
Первая линия:


![]()

![]()
![]()
.

Вторая линия:


![]()

![]()
![]()
![]()

Определение ударного тока КЗ
![]()
Ударный коэффициент Kуд. зависит от отношения (Хт + Xk)/(Rt + Rk) и определяется кривым изменения ударного коэффициента.
Линия освещения: Kуд =1;
![]()
Первая линия: Kуд =1;
![]()
Вторая линия: Kуд =1;
![]()
Проверка условий нормального пуска двигателя
У двигателей - легкий пуск, следовательно, должно выполняться
условие:

В условиях тяжёлого пуска:

где: Iп.дв - пусковой ток двигателя, рассчитываемый как:
![]()
где: Ki - кратность пускового тока двигателя.
Первый двигатель:Kуд =7
![]()
,
удовлетворяет условию легкого пуска.
Второй двигатель:Kуд =7,5
![]()
,
пуск двигателя тяжелый
8. Проверка термической стойкости выбранных кабелей
Проверка производится с помощью уравнения:
,
тогда :![]()
![]()
где: q - сечение кабеля, мм2,
Iкз (3) - ток КЗ, A; tк - время КЗ, с;
АΘк -значение интеграла, определяющего нагрев проводника при КЗ, А с/мм ;
АΘн - значение интеграла при протекании номинального (длительного) тока.
Температура нагрева для номинального режима принимается равной +65°С. При КЗ допустимая температура принимается равной + 250°С для медного кабеля. С помощью кривых адиабатического нагрева находим значение интегралов АΘк и АΘн по рисунку 6.
;
![]()

Рис.6.
Линия освещения:

Первая линия:

Вторая линия:

Для выбора термически устойчивого сечения жил кабеля необходимо иметь значение установившегося тока короткого замыкания из соответствующего расчета и возможное время прохождения этого тока через кабель. Время определяется уставкой защиты, которая имеет наибольшее значение выдержки времени (если есть несколько видов защиты).
Определение сечения по термической устойчивости производится по формуле:
![]()
где: a — расчетный коэффициент, определяемый ограничением допустимой
температуры нагрева жил кабеля.
Значение расчетного коэффициента а и допустимые предельные температуры нагрева кабелей при прохождении по ним тока к.з. приведены в таблице.
Таблица 6.
| Материал жил кабеля | Коэффиц иент a |
Допустимая температура °С |
| Кабели с медными жилами напряжением до | 7 | 260 |
| 10 кВ включительно | ||
| Кабели с алюминиевыми жилами | 12 | 250 |
| напряжением до 10 кВ включительно |
Примечание: при составлений этой таблицы было принято условие, что кабель до возникновения к.з. не имел температуры выше номинальной. Практически кабели работают всегда с некоторой недогрузкой (кроме аварийных режимов), и поэтому при выборе сечения кабеля по термической устойчивости следует выбирать ближайшее меньшее, а не большее стандартное сечение кабеля.
Линия освещения:
![]()
Первая линия:
![]()
Вторая линия:
![]()
В данном случае, учитывая близость значений к выбранным сечениям по длительно допустимому току, следует выбрать, как термически устойчивое, ближайшее стандартное сечение:
для линий освещения:
;
для линии первого двигателя:
;
для линии второго двигателя:
.
Кабели, защищенные плавкими, токоограничивающими предохранителями, на термическую устойчивость к токам к.з. не проверяются, поскольку время срабатывания предохранителя мало (0,008 с) и выделившееся тепло не в состоянии нагреть кабель до опасной температуры.
9. Выбор автоматических выключателей ( QF 1, QF 2, QF 3) для защиты двигателей и силового трансформатора от КЗ
Автоматические выключатели являются самыми распространенными аппаратами защиты цепей и потребителей от аварийных режимов. Они также предназначены для нечастых включений и отключений токов нагрузки (номинальных токов).
Автоматические выключатели рекомендуется выбирать по следующим основным техническим параметрам: назначению, области применения и исполнению; роду тока и числу главных контактов; типу расцепителя, встроенного в выключатель; номинальному току расщепителя; кратности уставки тока отсечки к номинальному току расцепителя (для максимально-токовых расцепителеи); номинальной уставке на ток срабатывания теплового расцепителя (для тепловых расцепителеи); времени срабатывания теплового расцепителя в режиме перегрузки; предельной коммутационной способности выключателя; типу присоединения подводящих проводников; виду привода выключателя; способу установки выключателя в низковольтное комплектное устройство; климатическому исполнению, категории размещения и степени защиты; числу общих циклов коммутации и числу коммутаций под нагрузкой.
По исполнению автоматические выключатели различаются на нетокоограничивающие, токоограничивающие и селективные.
Нетокоограничивающие выключатели отключают цепь, когда короткое замыкание достигает установившегося ожидаемого значения.
Токоограничивающие выключатели ограничивают ток короткого замыкания путем быстрого введения в цепь дополнительного сопротивления электрической дуги и последующего быстрого отключения короткого замыкания. При этом ток короткого замыкания не достигает ожидаемого максимального значения. Подобные выключатели имеют специальную контактную систему и отличаются повышенным быстродействием.
Селективные выключатели позволяют в процессе эксплуатации регулировать ток и время срабатывания максимальной токовой защиты. Это дает возможность осуществить селективную (избирательную) защиту потребителей и цепей.
Токоограничивающие и селективные выключатели являются более сложными и дорогостоящими аппаратами и их применение должно быть технически и экономически обосновано.
Основным элементом выключателя, который контролирует состояние цепи и выдает команду на отключение при наличии ненормальных режимов, является встроенный в него расцепитель. Расцепитель выполняет роль измерительного органа и в зависимости от его типа защищает цепь от той или иной аварийной ситуации. Электромагнитные расцепители выполняют функции защиты цепи от больших перегрузок по току или от КЗ. Тепловые расцепители предназначены для защиты в области перегрузок, в 5-7 раз превышающих номинальный ток. Полупроводниковые расцепители имеют широкий спектр выполняемых защитных функций (защита от КЗ, перегрузок по току) с большими возможностями регулировки.
Минимальные и нулевые расцепители выполняют защитные функции от понижения напряжения в сети. Например, минимальный расцепитель обеспечивает отключение выключателя при напряжении 70+35% номинального, а нулевой расцепитель — при 35+10% номинального. Минимальные расцепители часто используются для дистанционного отключения автомата.
Независимые расцепители служат для дистанционного управления (отключения) автоматическим выключателем.
Современные автоматические выключатели имеют встроенные расцепители, устанавливаемые заводом-изготовителем и рассчитанные на заданные номинальные токи. Номинальный ток расцепителя (Ihom.р) отличается от номинального тока выключателя (Ihom.b), но не превосходит его. Выключатели с максимальным токовым расцепителем снабжены отсечкой, кратность уставки которой по отношению к номинальному току расцепителя отстраивается от максимально возможного превышения тока над номинальным значением в процессе нормальной работы потребителя.
Для асинхронного двигателя с короткозамкнутым ротором отсечка выключателя отстраивается от ударного пускового тока двигателя, на 10-20% превышая его значение:
![]()
При этом номинальная отсечка автоматического выключателя Ihom.о должна быть не меньше Io, но не должна превышать минимального значения тока КЗ в цепи. В каталогах на автоматические выключатели значения отсечки приводятся в абсолютных или в относительных (в кратностях к номинальному току расцепителя) значениях.
Номинальная уставка на ток срабатывания теплового расцепителя выключателя Ihom.т равна среднему значению между током несрабатывания расцепителя —1,1 Ihom.р и нормированным значением тока срабатывания —1,45 Ihom.р:
![]()
Время срабатывания теплового расцепителя автоматического выключателя находится из его защитной характеристики по току
перегрузки, длительно протекающему в цепи.
В выключателях широко используются два типа присоединения: переднее и заднее, а сами выключатели располагаются в распределительном устройстве в стационарном или выдвижном исполнении. Выключатели могут снабжаться ручным или двигательным и электромагнитным приводами в зависимости от типа выключателя и его номинального тока.
Таблица 7. Основные характеристики автоматов серии АЕ
| Тип | Номинальный ток, А | Номи нальное напряжение | Число полюсов | Ток уставки, А |
Предельный ток отключения, | Габариты | |
| АЕ-1000 | 25 | 240 | 1 | 6...25 | - | 1,5 | 90x21x77 |
| АЕ-2000 | 25; 63; | 220... | 1,2,3 | - | 10 | 16 | 220x112x115 |
| 100 | 500 | ||||||
| АЕ-2040 | 16; 20; | 660 | 3 | 16; 20; | - | 12 Iн | 207x75x120 |
| 25; 31,5; | 25; 31,5; | ||||||
| 40; 50; | 40; 50; | ||||||
| 63; 80; | 63; 80; | ||||||
| 100 | 100 | ||||||
| АЕ-2443 | 16; 20; | 380 | 3 | - | - | - | - |
| 25,5; 31; | |||||||
| 40; 50; 63 | |||||||
| АЕ-2050М | 16; 20; | 380 | 5 | 16; 20; | - | 12 Iн | 207x75x120 |
| 25; 31,5; | 25; 31,5; | ||||||
| 40; 50; | 40; 50; | ||||||
| 63; 80; | 63; 80; | ||||||
| 100 | 100 | ||||||
Автоматические воздушные выключатели серии А3000
| Тип | Номинальный ток, А | Напряжение, В | Число полюсов | Ток уставки, А | Предельный ток отключения, кА |
Время отключения, с | ||
| постоянный | переменный | |||||||
| А3120 | 200 | 220 | 2,3 | 15- 100 | 5 | 2,5-10 | 0,015 | |
| А3130 | 200 | 220 | 2,3 | 100-200 | 20 | 18 | 0,015 | |
| А3140 | 600 | 220 | 2,3 | 100-200 | 17-28 | 14-25 | 0,015 | |
| А3710Б | 160-630 | 380 | 2,3 | 250- 600 | 17-28 | 14-25 | 0,015 | |
| 25-50 | 32-40 | 0,03 | ||||||
Автоматический выключатель QF 1 - для защиты трансформатора
Автоматический выключатель расположен на КТП и защищает силовой трансформатор и энергосистему, поэтому должен отличаться высокой надёжностью работы. Как правило, это селективные выключатели, которые выбираются по номинальному току расцепителя:
![]()
;
.
Выбираем автоматический выключатель А3710Б:
Iн =630 А ;
U=380 В;
Iпред.откл. =32….42 кА;
tоткл. =0,03 с
Проверим выбранный выключатель по условию:
![]()
630 А >187,3686 А ; условие выполняется.
По ударному току КЗ:
,
5кА < 32кА.
Выключатель QF1 выбран правильно.
Автоматический выключатель QF 2 - линия нагрузки 1 двигателя
Выбор автоматического выключателя по номинальному току расцепителя :
.
Из условия несрабатывания отсечки при пуске двигателя, номинальная отсечка расцепителя выключателя:
;
;
.
Ток отсечки Iо найдём из условия:
,
,
639,48 А > 581,346 А.
Так как Iном.дв1
=83,049 А, выбираем выключатель (из таблицы 7) АЕ-2050М![]()
,
условия выполняются.
Выбранный выключатель имеет тепловой расцепитель, пятиполюсное исполнение.
Автоматический выключатель QF 3 - линия нагрузки 2 двигателя
Выбор автоматического выключателя по номинальному току расцепителя:
.
Из условия несрабатывания отсечки при пуске двигателя, номинальная отсечка расцепителя выключателя:
;
;
.
Ток отсечки Iо найдём из условия:
![]()
,
903,708 А>446,866 А.
Так как Iном.дв2
=59,582 А, выбираем выключатель (из таблицы 7) АЕ-2443с ![]()
,
условия выполняются.
Выбранный выключатель имеет тепловой расцепитель, трехполюсное исполнение.
10. Выбор измерительного трансформатора тока
Трансформаторы тока (ТТ) предназначены для измерения тока в установках высокого напряжения и изоляции измерительных приборов и устройств релейной защиты от высокого напряжения. Первичный ток проходит через первичную обмотку, вторичная обмотка подключается к измерительным приборам и реле либо замыкается накоротко. Первичная обмотка изолирована от вторичной в соответствии с классом изоляции аппарата (на полное напряжение).
Таблица 8. Трансформаторы тока внутренней установки на напряжение сети 0,66…35 кВ .
| 5епм | Варианты исполнения | Номинальный первичный ток, А | Трехсекундная термическая стойкость или кратность | Электродинамическая стойкость или кратность | ||
| ТЛМ-6 | 1/10Р 0,5/10Р |
300; 400; 600; 800; 1000;1500 |
33* | 125* | ||
| ТОЛК-6 | 1; 10Р | 50 | 40 | 340 | ||
| 80 | 40 | 340 | ||||
| 100; 150; | 4,6* | 26* | ||||
| 200 | ||||||
| 300; 400; 600 | 11* | — | ||||
| ТВЛМ-6 | 1; 10Р | 10; 20; 30; 50; 75; 100 | 20 | 350 | ||
| 150; 200; 300; 400 | 20 | 52* | ||||
| ТПЛ-10 | 10Р |
30; 50; 75; 100 150 | 45 | 250 | ||
| 0,5/10Р | 200 | - | ||||
| 10/01Р | 300 | 45 | 175 | |||
| 10/10Р | 400 | 35 | 165 | |||
| ТПЛУ-10 | 10Р; 0,5/10Р; 10Р/10Р |
30; 50; 75; 100 | 60 | 250 | ||
* Термическая и электродинамическая стойкость приведены в килоамперах.
1. Номинальное напряжение трансформатора должно соответствовать напряжению сети, в которой он устанавливается.
2. Наибольший возможный длительный ток должен быть по возможности ближе к номинальному току трансформатора для получения наименьшей погрешности. Допускается, чтобы первичный ток трансформатора был на 5 — 20 % больше тока линии.
Iном.т = 243,1 А.
По таблице 8 выбираем токовый трансформатор ТПЛ -10.
Iном.т.т = 300 А.
класс точности — 0,5.
электродинамическая стойкость или кратность — 250 кА.
трехсекундная термическая стойкость или кратность — 45.
3. Класс точности выбирается в соответствии с его назначением, более точные трансформаторы (класс 0,5 и 1) используется для измерений, более грубые для релейной защиты.
4. Проведем проверку электродинамической и термическойстойкости.
![]()
Ток термической защиты стойкости должен быть больше действующего значения тока к.з.:
.
Ток КЗ силового трансформатора рассчитан ранее:

Ударный ток:
![]()
Электродинамическая стойкость может быть задана отношением амплитуды ударного тока к амплитуде номинального тока.
кратность.
т.е. 250 кА > 7640 А.
Условие выполняется.
Трансформатор тока на малые номинальные токи хотя и имеют достаточную кратность по динамической и термической устойчивости, но абсолютная величина устойчивости может быть недостаточна. Поэтому часто приходится брать ТТ на номинальный ток больше чем ток уставки, чтобы получить необходимую устойчивость, при этом, как правило, ТТ работает с большей погрешностью. По условиям механической прочности сечение алюминиевых проводов должно быть не менее 2,5 мм .
По условию термической прочности:
![]()
т.е. 13500 А > 5402 А.
Условие термической стойкости выполняется, следовательно ТТ выбран правильно.
11. Выбор предохранителей высокого напряжения ( FV 4, FV 5, FV 6) в цепи силового трансформатора и предохранителей линии уличного освещения ( FV 1, FV 2, FV 3)
Выбор предохранителей высокого напряжения для защиты силовых трансформаторов осуществляется по условию:
,
где: Iкз.т1 и Iкз.т2 максимальные токи КЗ высокой и низкой стороны силового трансформатора.
Для выбранного трансформатора:

,
где:
- коэффициент трансформации силового трансформатора.
Таблица 9. Предохранители с кварцевым наполнителем
| Тип исполнения | Uн ,кВ | Пределы изменения Iн ,А | Iоткл ,кА | Размеры, мм | Масс а, кг | ||
| А | Н | В | |||||
| ПКТ101-6-2-20-40 УЗ | 6 | 2...20 | 40 | 285 | 100 | 77 | 3,9 |
| ПКТ101-10+2-20-31,5 УЗ | 10 | 2...20 | 31,5 | 385 | 120 | 82 | 4,9 |
| ПКТ102-6-31,5-50-31,5 УЗ | 6 | 31,5...50 | 31,5 | 330 | - | - | - |
| ПКТ102-10-50-12,5 УЗ | 10 | 50 | 12,5 | 430 | 120 | 84 | 6,3 |
| ПКТ 103-10-80-20 УЗ | 10 | 80 | 20 | 430 | 120 | 84 | 9,2 |
| ПКЭ106-10-5-20-12,5 УЗ | 10 | 5...20 | 12,5 | 402 | 120 | 96 | 5,8 |
По таблице 9 выбираем предохранитель ПКЭ106-10-5-20-12,5 УЗ, у которого
.
Рубильник SA1 предназначен для ручного включения и отключения тока в цепях с напряжением источника до 220 В постоянного, и 380 В переменного тока, при больших значениях напряжения этот аппарат коммутирует цепь только при отсутствии тока. Рубильники выпускаются в одно-, двух- и трёхполюсных исполнениях, номинальный ток рубильника должен быть больше чем отключаемый ток:
Uном =380 В,
![]()
Конструктивно рубильники различаются типом привод. Выбираем переключатель - разъединитель с центральной рукояткой с Iном.т =100 А >
Iном.осв =44,737 А, тип П-11
Предохранители низкого напряжения для линии уличного освещения
Выбор проводится аналогично выбору высоковольтных предохранителей. Номинальное напряжение предохранителя равно 380 В. Номинальный ток предохранителя должен быть не меньше номинального тока осветительных сетей.
Для сетей защищаемых от перегрузки следует выбирать плавкие вставки предохранителя с учётом пусковых токов:
Iном.осв =44,737 А; Iкз.осв =803 А (Расчёт произведён в пункте 7).
Широко применяются плавкие предохранители ПР - 2 - 60. При защите сетей предохранителями, они устанавливаются во всех не заземлённых полюсах или фазах. Категорически запрещается устанавливать предохранители в нулевых и нейтральных проводниках.
Выбираем предохранитель по условию
4500 > 803.
Предохранитель ПР-2-60, Iном. =60 А, Iпред.откл =4500 А, габариты 173x50,5x43.
12. Выбор разрядника высокого напряжения
Разрядники служат для защиты КТП от перенапряжений, возникающих в процессе коммутации воздействий атмосферных явлений. При повышении напряжения сверхноминального значения, разрядник срабатывает и ограничивает напряжение на фазе уставки.
Выбор разрядника происходит по номинальному значению напряжения, которое должно быть равно номинальному напряжению уставки, т. е. первичному напряжению силового трансформатора:
.
Номинальное напряжение разрядника входит в его обозначение.
Таблица 11. Трубчатые разрядники фибробакелитовые (серии РТФ).
| \ | Номинальное напряжение, кВ | Наибольшее допустимое напряжение (действующее значение), кВ | Ток отключения (действующее значение), кА | Размеры искровых промежутков, мм | Масса, кг | ||
| Нижний | Верхний | Внешнего | Внутреннего | ||||
РТФ- 10- 0,2/1 УХЛ |
10 | 12 | 0,2 | 1,0 | 25 | 225 | 1,6 |
| РТФ-10-0,5/5 УХЛ | 10 | 12 | 0,5 | 5,0 | 25 | 150 | 1,6 |
РТФ-10- 35-1/5 УХЛ |
35 | 40,5 | 0,5 | 2,5 | 130 | 250 | 2,34 |
Выбираем разрядник, по таблице 11: РТФ-10-0,2/1 УХЛ, Uном =10 кВ, Uнаиб.доп =12 кВ.
13. Выбор высоковольтного выключателя нагрузки - QS 1
При выборе выключателя, его номинальные параметры сравниваются с параметрами сети в точке, где они устанавливаются. Номинальное напряжение должно быть не меньше номинального напряжения установки:![]()
Номинальный длительный ток выключателя должен быть больше тока установки:
, А.
Когда длительный ток установки не велик, выключатель с релейной защитой можно заменить выключателем нагрузки (ВН) и высоковольтными предохранителями. Тогда для отключения номинальных токов нагрузки используют выключатель, имеющий дугогасительное устройство небольшой мощности - выключатель нагрузки, а токи к.з. отключаются предохранителями.
ВНПР-10/400-203 У2ВН- выключатель нагрузки.
П- с пружинным приводом.
Р- с ручным заводом- местным управлением.
10- номинальное напряжение (кВ).
20- номинальная периодическая составляющая сквозного тока короткого замыкания (кА).
3- с заземленными ножами.
Выводы
В результате проделанных расчетов выбраны следующие аппараты и соединительные кабели:
- силовой трансформатор ТМ-160/10;
- автоматический выключатель серии АЕ-2050М для защиты двигателя 1;
- автоматический выключатель серии АЕ-2443 для защиты двигателя 2;
- автоматический выключатель серии А-3710Б для защиты силового трансформатора;
- трансформатор тока типа ТПЛ-10;
- предохранитель высокого напряжения типа ПКЭ106-10-5-20-12,5УЗ;
- предохранителей для защиты осветительных сетей типа ПР-2-60;
- трехполюсный переключатель-разъединитель типа П11;
- трубчатый разрядник высокого напряжения типа РТФ-10-0,2/1 УХЛ1;
- автогазовый выключатель нагрузки ВН-10/400-203 У2ВН;
- кабель марки АВВГ на разные сечения:
- для двигательной нагрузки 1 – 3*35+1*16 мм2 ;
- для двигательной нагрузки 2 – 3*16+1*10 мм2 ;
- для линии освещения – 3*10+1*6 мм2 .
В процессе выполнения данной работы использовались следующие программы: MicrosoftWord, MicrosoftVisio, Mathcad.
Похожие рефераты:
Реконструкция системы электроснабжения жилого микрорайона города
Электроснабжение 8-го микрорайона города Оренбурга
Реконструкция подстанции "Гежская" 110/6 кВ
Электроснабжение текстильного комбината
Разработка вопросов энергосбережения за счет использования ветроэнергетической установки
Реконструкция электроснабжения колхоза "Прогресс"
Реконструкция электротехнической части фермы КРС на 200 голов