| Похожие рефераты | Скачать .docx |
Курсовая работа: Исследование ВЛ 0,38/0,22 кв при неравномерной нагрузке фаз
Исследование ВЛ 0,38/0,22 кв при неравномерной нагрузке фаз
ВВЕДЕНИЕ
электроснабжение нагрузка подстанция
Электрификация, то есть производство, распределение и применение электроэнергии во всех отраслях народного хозяйства и быта населения, - один из важных факторов технического прогресса.
На базе электрификации развивается промышленность, электроэнергия проникла в сельское хозяйство и транспорт. Весь опыт электрификации показал, что надежное, высококачественное и дешевое электроснабжение можно получить только от крупных районных электростанций, объединенных в мощные энергетические системы. Развитие районных электростанций и объединение их в энергосистемы создают благоприятные условия дл электрификации всех отраслей.
Воздушными линиями электропередачи охвачены почти все сельские населенные пункты. Электрическая нагрузка в сельском хозяйстве непрерывно возрастает, появляется необходимость в расширении линий. Новое строительство все больше заменяется реконструкцией, при этом часть воздушных линий заменяется подземными кабелями.
Самый важный показатель системы электроснабжения – надежность подачи электроэнергии. В связи с ростом электрификации с/х производства, особенно с созданием животноводческих комплексов промышленного типа, птицефабрик, тепличных комбинатов и др., всякое отключение наносит огромный ущерб потребителю и энергетической системе. Поэтому необходимо применять эффективные и экономически целесообразные меры по обеспечению оптимальной надежности электроснабжения сельскохозяйственных потребителей.
1 ИСХОДНЫЕ ДАННЫЕ
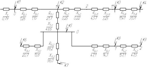
Схема сети напряжением 10кВ питания рассматриваемого населенного пункта приведена на рисунке 1.1.

Рисунок 1.1 – Исходная схема электропередачи.
Отклонение на шинах ГПП:
В максимальном режиме δU
= + 6 %
В минимальном режиме δU
= + 5 %
Длины участков ВЛ 10 кВ:
L
= L
= L
= L
= 0,6 км
L
= 3,0 км
L
= 0,2 км
L
= 3,5 км
L
= 2,0 км
L
= 1,2 км
L
= 0,6 км
L
= 2,6 км
Длины участков ВЛ 0,38 кВ:
Л1 = 0,07 км
Л2 = 0,15 км
Л3
= 0,06 км
Л3
= 0,2 км
Таблица 1.1- Нагрузка на вводах потребителей ТП1

2. РАСЧЕТ ЭЛЕКТРИЧЕСКИХ НАГРУЗОК
2.1 Расчет нагрузок ТП 1
Для ТП 1 определяются нагрузки линий 0,38 кВ (Л1, Л2,Л3) и самой ТП, согласно [1] по данным таблицы 1.1. и 1.2. Нагрузка наружного освещения определяется типом светильника, шириной улиц, их покрытием и принимается 6 Вт на один погонный метр улицы. Освещение территорий хозяйственных дворов принимается из расчета 250 Вт на помещение и 3 Вт на погонный метр длины периметра хоздвора.
Для потребителей II и III категорий по надежности электрические нагрузки линий напряжением 0,38 кВ определяются исходя из расчетных нагрузок на вводе потребителей и коэффициентов одновременности:
Р
= к
(2.1)
Р
= к
(2.2)
Q
= к
(2.3)
Q
= к
(2.4)
где Р
, Р
, Q
, Q
- расчетные дневная и вечерняя активные и реактивные нагрузки на участке линий;
Р
, Р
, Q
, Q
- нагрузки на вводе i-го потребителя;
к
- коэффициент одновременности[2].
Если нагрузки однотипных потребителей отличаются по величине более чем в 4 раза, применение коэффициента одновременности в этом случае не рекомендуется, и расчетные нагрузки участков линий определяются по выражениям:
Р
= Р![]()
+
(2.5)
Р
= Р![]()
+
(2.6)
Q
= Q![]()
+
(2.7)
Q
= Q![]()
+
(2.8)
где Р![]()
- наибольшая дневная нагрузка из всех слагаемых нагрузок потребителей;
- добавка к наибольшей нагрузке от активной нагрузки i-го потребителя, определяемая по таблице суммирования [2], промежуточные значения находятся интерполяцией.
Допускается использовать таблицу для определения реактивной мощности. Пример расчета электрических нагрузок линий 0,38 кВ и ТП 1 приведен для потребителей представленных в таблице 2.1. При этом использованы данные нагрузок на вводе потребителей.
Таблица 2.1 - Определение нагрузок линий 0,38 кВ и ТП 1

2.2 Расчет электрической нагрузки ТП-8
Таблица 2.2 - Данные для определения нагрузок ТП-8

Определение нагрузок ТП-8 рассмотрим на примере расчета для 1-го потребителя.
Средняя активная мощность за смену:
Р
=
=
= 105 кВт ; (2.9)
Р
=
=
= 105 кВт ; (2.10)
Номинальная мощность электроприемников:
Р
=
=
= 210 кВт ; (2.11)
Р
=
=
= 210 кВт ; (2.12)
(
0,75) = 0,882
(
0,85) = 0,62
Q
= Р
·
= 210 · 0,88 = 185 квар ; (2.13)
Q
= Р
·
= 210 · 0,62 = 130 квар ; (2.14)
Максимальная или расчетная мощности электроприемников:
Р
= К
· Р
= 1,4 · 105 = 147 кВт (2.15)
Р
= К
· Р
= 1,4 · 105 = 147 кВт (2.16)
Q
= Q
· К
· К
= 185 · 0,5 · 1,4 = 130 кВАр (2.17)
Q
= Q
· К
· К
= 130 · 0,5 · 1,04 = 91 кВАр (2.18)
Полная расчетная мощность:
S
=
=
= 196 ВА (2.19)
S
=
=
= 173 ВА (2.20)
Расчеты для второго потребителя проводим аналогично.
Результаты расчетов сводим в таблицу 2.3
Таблица 2.3 - Определение нагрузок ТП-8

Для участков линий 0,38 кВ и трансформаторных подстанций рассчитываются полные мощности, токи и коэффициенты мощности:
S
=
; (2.21)
S
=
; (2.22)
I
=
; (2.23)
I
=
; (2.24)
=
; (2.25)
=
; (2.26)
Результаты расчета нагрузок в сетях 0,38 кВ для ТП 1 и ТП 8 сводятся в таблицу 2.4. Токи ТП 1 и ТП 8 не рассчитываются, так как расчетные мощности этих ТП будут определены только после компенсации реактивной мощности.
Таблица 2.4 - Cводные данные расчета нагрузок в сетях 0,38 кВ

после компенсации реактивной мощности
3. КОМПЕНСАЦИЯ РЕАКТИВНОЙ МОЩНОСТИ
При естественном коэффициенте мощности линии или ТП меньше 0,95 рекомендуется компенсация реактивной мощности [4]. Необходимо выбрать конденсаторные батареи БК для ТП1 и ТП 8 и установить их на шинах 0,4 кВ этих ТП. По естественному коэффициенту мощности (таблица 2.4) определяется, где и когда необходима компенсация.
Определяется величина реактивной мощности Q
, которую необходимо компенсировать до
= 0,95 по выражению [4].
Q
= Q
- 0,33·Р, (3.1)
где Q
- естественная (до компенсации) реактивная мощность.
Рассмотрим пример расчета для ТП 8 :
Q
= 248 - 0,33 · 282 = 154,4 квар;
Q
= 173 - 0,33 · 282 = 79,2 квар;
Выбирается мощность конденсаторных батарей Q
, при этом
перекомпенсация не рекомендуется:
Q
≤ Q
≤ Q
(3.2)
Номинальные мощности конденсаторных батарей на напряжение 0,38 кВ, квар следующие: 20, 25, 30, 40, 50, 75, 100, 125, 150 и т.д. Есть БК номинальная мощность которых, отличается от перечисленных; рекомендуется устанавливать БК, если Q
> 25 квар [4]. Батарею конденсаторов лучше выбирать одной и той же для дневного и вечернего максимумов. Если это сделать не удается, то выбирают две батареи (иногда больше), причем в один максимум они включены обе, в другой - только одна. Определяется нескомпенсированная реактивная мощность:
Q = Q
- Q
(3.3)
Пример для ТП 8:
Q
= Q
- Q
= 248 - 200 = 48 квар;
Q
= Q
- Q
= 173- 100 = 72 квар;
Рассчитывается полная нагрузка трансформаторных подстанций с учетом компенсации:
S =
; (3.4)
Для ТП 8:
S
=
= 286 кВА;
S
=
= 292 кВА;
Коэффициенты мощности после компенсации определяются по выражениям (2.25) и (2.26).
Для ТП 8:
=
= 0,99;
=
= 0,96;
Данные по компенсации реактивной мощности сводятся в табл. 3.1.
Расчетные величины ТП 1 и ТП 8 показаны в таблице 2.4. Выбор БК можно быстро производить по номограммам [4].
Таблица 3.1 - Сводные данные по компенсации реактивной мощности

Таблица 3.2 - Сводные данные электрических нагрузок подстанции расчетного варианта

4. ВЫБОР ПОТРЕБИТЕЛЬСКИХ ТРАНСФОРМАТОРОВ
Номинальная мощность трансформаторов 10/0,4 кВ выбирается по экономическим интервалам нагрузок [5], в зависимости от шифра нагрузки, расчетной полной мощности, среднесуточной температуры охлаждающего воздуха, наличия автономных источников для
обеспечения нормативных уровней надежности электроснабжения сельскохозяйственных потребителей [6].
Выбор установленной мощности трансформаторов одно и двух трансформаторных подстанций производится по условиям их работы, в нормальном режиме исходя из условия [5]:
S
≤
≤ S
(4.1)
где S
- расчетная нагрузка подстанции, кВА;
n - количество трансформаторов проектируемой подстанции определяется в соответствии [6];
S
, S
- соответственно, минимальная и максимальная границы экономического интервала нагрузки трансформатора принятой номинальной мощности, в зависимости от зоны сооружения подстанции и вида нагрузки потребителей [5].
Принятые по [5] номинальные мощности трансформаторов проверяются по условиям их работы в нормальном режиме эксплуатации по допустимым систематическим нагрузкам, а в послеаварийном режиме - по допустимым аварийным перегрузкам. Для нормального режима эксплуатации подстанции номинальные мощности трансформаторов проверяются по условию [5]:
≤ K
(4.2)
где К
- коэффициент допустимой систематической нагрузки трансформатора для значений среднесуточных температур расчетного сезона
.
Если значения среднесуточной температуры воздуха расчетного сезона отличен от
[5], то коэффициенты допустимых систематических нагрузок трансформаторов рассчитываются по формуле:
K
= K
-
(
-
), (4.3)
где
- расчетный температурный градиент, 1/ С;
K
-табличное значение коэффициента допустимой систематической нагрузки, соответствующее среднесуточной температуре расчетного сезона. При среднесуточной температуре зимнего сезона меньше -15 Сº K
определяется для
= -15 Сº.
При отсутствии возможности резервирования или отключения в послеаварийном режиме части нагрузки подстанции, выбор установленной мощности трансформаторов двухтрансформаторных подстанций производится по послеаварийному режиму из условия отключения одного из трансформаторов и обеспечения другим всей нагрузки подстанции:
< К
(4.4)
где К
- коэффициент допустимой аварийной перегрузки трансформатора, определяется по аналогии с К
[5].
Пример выбора двухтрансформаторной подстанции (ТП 8):
S
≤
≤ S
= 126 ≤
≤ 160
Предварительно выбираем трансформатор мощностью 100 кВА
≤ K
=
= 1,46 ≤ 1,59
При отключении одного трансформатора
< К
=
=2,92
Отношение > 1,73 , поэтому принимаем трансформатор 250 Ква
Проверка:
≤ K
=
= 0,58 ≤ 1,59
< К
=
=1,17 ≤ 1,73
Потери энергии в трансформаторах :
ΔW
= ΔP
·8760 + ΔP
· (
)
·τ , (4.5)
где ΔP
и ΔP
– потери мощности холостого хода и короткого замыкания в трансформаторе;
τ – время максимальных потерь [2].
Остальные расчеты проводим аналогично, данные расчетов сводим в таблицу 4.1
Таблица 4.1 – Выбор потребительских трансформаторов

5. ЭЛЕКТРИЧЕСКИЙ РАСЧЕТ ВОЗДУШНОЙ ЛИНИИ НАПРЯЖЕНИЕМ 10 кВ
Электрический расчет воздушных линий ВЛ производится с целью выбора марки и сечения проводов и определения потерь напряжения и энергии. Подсчитываются суммы активных и реактивных мощностей потребительских ТП, находящихся за расчетным участком. По количеству трансформаторов за участком выбирается коэффициент одновременности [1].
Определяются расчетные мощности и токи участка по выражениям (2.21)...(2.26). При отличии нагрузок ТП более чем в 4 раза их суммирование производится по таблице 5.3 [2](как активных, так и реактивных).
Выбирается сечение проводов по экономическим интервалам нагрузки [7] с учетом надежности [6]. По F
принимается ближайшее стандартное. В целях удобства монтажа в линии обычно монтируются не более трех марок проводов. Минимально допустимые сечения сталеалюминевых проводов ВЛ 10 кВ по условиям механической прочности должны быть в районах с нормативной толщиной стенки гололеда до 10 мм
-35мм
, 15-20 мм
-50 мм
и более 20-70 мм
. Сечение сталеалюминевых проводов на магистрали ВЛ 10 кВ должно быть не менее 70 мм
[6]. По экономическим интервалам нагрузок провода выбираются по таблице 5.4 [2].
Выбранное сечение проводов проверяется по допустимому нагреву по условию:
I
≥ I
, (5.1)
Для выбранных проводов выписываются сопротивления 1 км: активное r
и индуктивное х
; для определения х
необходимо принять среднее геометрическое расстояние между проводами (для ВЛ 10 кВ чаще всего принимают Д
=1500 мм).
Рассчитываются потери напряжения на участках в процентах:
DU
% =
;(5.2)
DU
% =
; (5.3)
где
и Q
- мощности, протекающие по участку, Вт и вар;
- длина участка, м;
- номинальное напряжения сети, В;
и
- сопротивление провода, Ом/км;
Подсчитываются потери напряжения от шин 10 кВ ГПП до конца расчетного участка путем суммирования потерь напряжения тех участков, по которым протекает мощность рассматриваемого участка.
Определяются потери электрической энергии на участках
DW
= DР
· 8760 + DР
·
· t (5.4)
Данные по расчету ВЛ 10 кВ приведены в таблице 5.1.
Таблица 5.1 – Электрический расчет ВЛ 10 кВ

6. ОЦЕНКА КАЧЕСТВА НАПРЯЖЕНИЯ У ПОТРЕБИТЕЛЕЙ
Для оценки качества напряжения у потребителей составляется таблица отклонений напряжения (таблица 6.1), из которой определяется допустимая потеря напряжения
U
в линиях 0,38 кВ. Таблица составляется для ближайшей расчетной и удаленной трансформаторных подстанций, в проекте ТП 1 является ближайшей и расчетной. Удаленной считается ТП 8, потери напряжения до которой от ГПП имеют наибольшую величину. Из таблицы выясняется, есть ли необходимость в применении дополнительных технических средств для поддержания напряжения у потребителей в допустимых пределах.
Отклонение напряжения в любой точке электропередачи:
δU
% =
+
, (6.1)
где
- сумма надбавок от ГПП до рассматриваемой точки с учетом знака, %;
- сумма потерь напряжения от ГПП до рассматриваемой точки, %.
В качестве минимальной нагрузки рассматривается режим 25 %-й нагрузки, при которой потери напряжения принимаются равными 1/4 части максимальных потерь. В потребительских трансформаторах рассчитываются потери напряжения, %:
ΔU
% =
, (6.2)
где Р и Q - активная и реактивная мощности, протекающие через трансформатор (дневные и вечерние), полная мощность которых наибольшая;
U
- номинальное напряжение трансформатора (обмотки высшего напряжения);
R
и Х
- активное и индуктивное сопротивления трансформатора.
R
=
; (6.3 )
Х
=
; (6.4)
где S
- номинальная мощность трансформатора, ВА;
U
- составляющая потери напряжения в реактивных сопротивления, определяемая через U
по выражению:
U
=
; (6.5)
Регулируемая надбавка ПБВ трансформатора подбирается таким образом, чтобы отклонение напряжения δU
на шинах 0,4 кВ не выходило за допустимые пределы: +5 % - для потребителей I и II категорий надежности, и +7,5% для потребителей II и III категорий надежности.
Допустимая потеря напряжения во всей линии 0,38 кВ (по абсолютной величине) определяется как разница между отклонением напряжения на шинах 0,4 кВ в 100 %-ном режиме и допустимым отклонением напряжения у потребителя:
ΔU
= δU
- δU
(6.6)
Эта потеря распределяется на две части. Одна часть ΔU''=2,0% оставляется, согласно ПУЭ [8], на линию внутри помещений, другая - на наружную линию, по которой рассчитываются все наружные линии 0,38 кВ, отходящие от ТП 1, при этом для каждой линии 0,38 кВ должно соблюдаться условие:
ΔU![]()
ΔU
(6.7)
Величина ΔU
влияет на выбор сечения провода ВЛ 0,38 кВ: чем больше ΔU
, тем меньше сечение провода. Рекомендуется устанавливать ΔU
> 6 %. При невыполнении этого условия предлагаются следующие технические мероприятия:
- уменьшить ΔU'' до 1...0,6 %, если линии внутри помещении небольшой длины (например, к линии подключены жилые дома);
- увеличить сечение проводов на некоторых участках ВЛ 10 кВ.
-установить продольно-емкостную компенсацию реактивного сопротивления;
- предусмотреть замену на ГПП трансформатора с ПБВ на трансформатор с РПН и с помощью последнего создать на шинах 110 (35) кВ режим встречного регулирования напряжения.
В практике принятие технических мероприятий обычно рассматривается в указанной последовательности, окончательное решение принимается после технико-экономического сравнения вариантов.
При заполнении таблицы 6.1 используем следующие данные:
Отклонение напряжения на шинах ГПП - из исходных данных;
Потери в линии 10 кВ - из таблицы 5.1;
Потери в трансформаторах 10/0,4 кВ - рассчитываются по формуле (6.2) - (6.5).
6.1 Потери напряжения в ТП 1
U
=
=
= 4 %
R
=
=
= 19,7 Ом
Х
=
=
= 40 Ом
ΔU
=
=
= 2,78
6.2 Потери напряжения в ТП 8
U
=
=
= 4,4 %
R
=
=
= 4,24 Ом
Х
=
=
= 17,48 Ом
ΔU
=
=
= 1,46 %
6.3 Допустимые потери напряжения в линиях
ΔU'
= δU
- δU
= 2 - (-5) = 7 %
ΔU
= ΔU' – ΔU'' = -7 - (-2) = -5 %
ΔU'
= δU
– δU
= 1,7- (-5)= 6,7 %
ΔU
= ΔU' – ΔU'' = -6,7 - (-2) = - 4,7 %
Таблица 6.1 - Отклонения напряжения потребителя

7. ЭЛЕКТРИЧЕСКИЙ РАСЧЕТ ЛИНИЙ НАПРЯЖЕНИЕМ 0,38 кВ
К линии Л1 подключен потребитель, имеющий крупный асинхронный электродвигатель, при запуске которого протекают большие пусковые токи, вызывая значительные потери напряжения. Поэтому выбор проводов в линии Л1 производим по экономическим интервалам нагрузки, пользуясь при этом данными таблицы 2.1 и 7.1 [2].
Полная мощность потребителя составляет 39 кВА, в соответствии с таблицой интервалов экономических нагрузок выбираем провод А70. Выбранное сечение провода проверяем по допустимому нагреву ( таблица 5.5 [2] ):
I
≥ I
,
265А ≥ 59А,
Провод по нагреву проходит.
Проверяем провод по допустимой потере напряжения :
ΔU
=
=
=0,97
ΔU
≤ ΔU![]()
0,97% ≤ 6,5 % - условие выполняется
Расчет линии Л2 производим по допустимой потере напряжения. Задаемся реактивным сопротивлением x
= 0,4 Ом/км.
ΔU
=
=
= 2,14 % (7.1)
где Q – наибольшая реактивная мощность, вар( дневная или вечерняя ).
ΔU
=ΔU
- ΔU
= 5 – 2,14 = 2,86 % (7.2)
F
=
=
=69 мм
(7.3)
где
= 32 м/Ом мм2
– удельная проводимость алюминия;
P – активная мощность из того же максимума, что и Q ,Вт ;
U
= 380 В.
F
≥ F![]()
70 ≥ 69 мм2 (7.4)
Выбор проводов в линии Л3 производим по допустимой потере напряжения
Определяется допустимая потеря напряжения на участке 0-1 в процентах:
ΔU
=
=
=2,36% (7.5)
ΔU
=
=
= 0,64%
ΔU
= ΔU
- ΔU
= 2,36 – 0,64 = 1,72 %
F
=
=
= 38,5 мм![]()
F
≥ F![]()
50 ≥ 38,5 мм![]()
Определяется допустимая потеря напряжения на участке 1-2 в процентах:
ΔU
=
=
= 2,64 (7.6)
ΔU
=
=
= 0,72 %
ΔU
= ΔU
- ΔUр
= 2,64 – 0,72 = 1,92 %
F
=
=
= 38,3 мм![]()
F
≥ F![]()
50 ≥ 38,3 мм![]()
Необходимо учесть также следующие условия :
ΔU
= ΔU
+ ΔU
= 2,36 + 2,64 = 5 % (7.7)
ΔU
+ ΔU
≤ ΔU
(7.8)
1,32 + 1,47 = 2,79 % < 6,5 % - условие выполняется
Таблица 7.1 - Сводные данные расчета линий 0,38 кВ

Определяется фактическое отклонение напряжения у самого отдаленного потребителя для всех трех линий.
δU
=δU
–(ΔU
-ΔU
)=-5,0–(-5,0–(-2,82))=-2,8% (7.8)
Полученное значение записывается в таблицу 6.1.
8. ПРОВЕРКА СЕТИ НА УСПЕШНЫЙ ЗАПУСК КРУПНЫХ АСИНХРОННЫХ ЭЛЕКТРОДВИГАТЕЛЕЙ
При запуске крупных асинхронных электродвигателей с короткозамкнутым ротором (ЭД), потери напряжения в сети увеличиваются вследствие протекания пусковых токов, напряжение может снизиться настолько, что двигатель не запустится, так как его электромагнитный момент пропорционален квадрату напряжения. Допустимое снижение напряжения на запускаемом ЭД из условия успешного запуска определяется:
δU
=
(8.1)
где М
- момент трогания рабочей машины, приведенный к валу ЭД (приложение 4);
M
= 0,2...0,3 М
- избыточный момент, необходимый для ускорения системы “электродвигатель - рабочая машина” М
и М
- номинальный и пусковой моменты ЭД. Если все моменты разделить на М
, т.е. выразить в относительных единицах, то выражение (8.1) примет вид:
δU
=
(8.2)
Успешный запуск ЭД возможен, если фактическое снижение напряжения в момент пуска не превышает (по абсолютной величине) допустимого
δU
≤ δU
(8.3)
Фактическое отклонение напряжения определяется по формуле
δU
=ΔU
+ δU
(8.4)
где δU
- фактическое отклонение напряжения на ЭД перед пуском на шинах 0,4 кВ (меньшее из отклонений 100 или 25% режимов), подставляется со знаком “плюс”, если напряжение ниже номинального и “минус” - если напряжение выше номинального.
ΔU
- потеря напряжения в трансформаторе от пускового тока, определяется по упрощенной формуле:
ΔU
=
(8.5)
где Z
- полное сопротивление трансформатора;
Z
=
, Ом (8.6)
Здесь U
- номинальное напряжение обмотки низшего напряжения;
Полное сопротивление линии Л1 определяется:
Z
=
,Ом (8.7)
Cопротивление электродвигателя в пусковом режиме находится по формуле:
Z
=
, Ом (8.8)
где U
и I
- номинальные напряжения и ток электродвигателя;
К
- кратность пускового тока.
Сопротивления в (8.5) складываются по модулю. Если расчетом устанавливается, что двигатель может не запуститься, то необходимо провести более точные расчеты (не по упрощенным формулам), считая отклонение напряжения на шинах 10 кВ ТП 1 не меняющимся при пуске ЭД. Если и при этом условие (8.3) не будет выполнено, то завышается сечение проводов в линии Л1 и делается корректировка в табл. 7.1
Таблица 8.1–Данные асинхронного двигателя дробилки кормов КДМ–2
![]()
Допустимое снижение напряжения на запускаемом электродвигателе :
δU
=
= 18 %
Сопротивление электродвигателя :
Z
=
= 0,528 Ом
Сопротивление трансформатора :
Z
=
= 0,065 Ом
Полное сопротивление линии Л1:
Z
=
= 0,036 Ом
Потеря напряжения в линии и трансформаторе от пускового тока :
ΔU
=
= 16,1 %
Фактическое отклонение напряжения :
δU
=-2 + 16,1 = 14,1 %
где ΔU
- из таблицы 6.1
Успешный запуск ЭД возможен, если фактическое снижение напряжения в момент пуска не превышает (по абсолютной величине) допустимого:
14,1
18 %
Условие выполняется следовательно, двигатель запустится.
9. КОНСТРУКТИВНОЕ ВЫПОЛНЕНИЕ ЛИНИЙ 0,38 И 10 кВ И ТП10/0,4
Линия 10 кВ
Концевые опоры устанавливаются в начале ВЛ и вблизи всех потребительских ТП. Количество - 10 шт.
Угловые опоры устанавливаются в точках поворота и подсоединения ВЛ. Выбираем угловые опоры анкерного типа. Количество - 7 шт. Промежуточные опоры устанавливаем на прямых участках трассы. Крепление проводов к штыревым изоляторам при помощи проволочной вязки. Количество опор выбираем в зависимости от длины линии и пролета. Данные выбираем по приложению 5 [3]:
Для провода АС 70 длина пролета - 65 м;
Суммарная длина линии - 9700 м;
Для провода АС 35 длина пролета - 80 м;
Суммарная длина линии - 5800 м;
Общее количество промежуточных опор равно
N =
= 206 шт
Тип изоляторов ШФ - 10В
Траверсы для опор 10 кВ металлические.
На концевых и угловых опорах устанавливается по 6 траверс, на промежуточных опорах – по 1.
Параметры выбранных опор ВЛ 10 кВ представлены в таблице 9.1.
Таблица 9.1 - Параметры опор ВЛ 10 кВ

Линия 0,38 кВ (на примере ТП1)
Концевые опоры - тип КА
2 - 7 шт.
Угловые опоры - тип АА
- 2 - 2 шт.
Промежуточные опоры - тип ПП
- 2.
Длина пролета L
- 35 м.
Количество промежуточных опор:
Линия Л-1:
N =
=
= 2 шт.
Линия Л-2:
N =
=
= 7 шт.
Линия Л-3:
N =
=
= 7 шт.
Всего промежуточных опор 17 шт.
Изоляторы - фарфоровые типа ТФ-20 (по 5 штук на опору)
Для крепления изоляторов используем крюки.
Выбираем трансформаторную подстанцию для ТП1
Тип КТП- 100 10/0,4-У1
Основные технические характеристики приведены в таблице - 9.2.
Таблица 9.2 – Технические характеристики ТП1
![]()
10. РАСЧЕТ ТОКОВ КОРОТКОГО ЗАМЫКАНИЯ
Токи короткого замыкания (КЗ) необходимы для выбора электрооборудования, расчета и проверки действия релейной защиты.
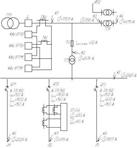
10.1 Исходная схема для расчета токов КЗ
Расчет токов КЗ начинается с выбора расчетной схемы, на которой указываются марки проводов и их сечение, длины участков линий электропередачи, силовые трансформаторы и их мощность, мощность короткого замыкания на шинах 10 кВ питающей подстанции. На расчетную схему наносятся точки КЗ: На сборных шинах 10 кВ головной понизительной подстанции (ГПП) К1; на шинах 10 кВ расчетных потребительских подстанций ТП 1 и ТП 8 К2 и К3; на шинах подстанции, имеющей самый мощный трансформатор (в примере он совпадает с удаленной точкой КЗ); на шинах 0,4 кВ ТП 8 (К4) и ТП 1 (К5); в конце линий 0,38 кВ ТП 1 (К6, К7, К9); у потребителя участка 0-1 линии ЛЗ (К8).
10.2 Схема замещения для расчета токов К3
По исходной схеме составляется схема замещения, на которой показываются индуктивные и активные сопротивления основных элементов электропередачи: системы, линий, трансформаторов. На схеме расставляются точки КЗ, наносятся обозначения сопротивлений (в числителе) и их числовые значения (в знаменателе) приведенные к базисным условиям.
Для приведения сопротивлений к базисным условиям в простых распределительных сетях, чаще всего применяется система именованных единиц, в которой все сопротивления приводятся к базисному напряжению U
. За базисное напряжение принимается средненоминальное напряжение одной из ступеней, 10,5 или 0,4 кВ. Примем U
=10,5 кВ.
Схема замещения представлена на рисунке 10.2.

Рисунок 10.2. - Схема замещения для расчетов токов КЗ.
10.3 Сопротивление системы
Х
=
=
= 0,79 Ом (10.1)
10.4 Сопротивление трансформатора ТП1
R
=
=
= 21,7 Ом (10.2)
X
=
=
= 49,6 Ом (10.3)
Сопротивление трансформатора ТП8
R
=
=
= 4,67 Ом (10.4)
X
=
=
= 18,08 Ом (10.5)
10.5 Сопротивление линии Л-1, U
=10,5 кВ, U
= 0,4 кВ
R
=
=
= 20,67 Ом (10.6)
X
=
=
= 13,8 Ом (10.7)
10.6 Результирующие сопротивления до точки К6.
Z
=
=
= 78,5 Ом (10.8)
10.7 Токи трехфазного КЗ в точке К6
I
=
=
= 2029 A (10.9)
10.8 Токи двухфазного КЗ в точке К6
I
=
· I
= 0,87 ∙ 2029 = 1765 A (10.10)
10.9 Ударные токи в точке К6
i
=
∙K
∙I
= 1,41 ∙ 1,12 ∙ 2029 = 3211 A (10.11)
где K
– ударный коэффициент, определяется по формуле
K
=1 + e
= 1 + e
= 1,12 (10.12)
10.10 Мощность КЗ в точке К6
S
=
∙U
∙ I
= 1,73 ∙ 0,4 ∙ 2029 = 1404 кВА (10.13)
10.11 Ток однофазного КЗ в конце линии Л1 0,38 кВ
I
=
=
= 695 А (10.14)
U
= 220∙
= 220∙
= 230 В (10.15)
Z
=L∙
= 0,08∙
= 0,07 Ом (10.16)
Остальные расчеты производим аналогично, данные расчетов сводим в таблицу 10.1
Таблица 10.1 – Расчет токов короткого замыкания

11. ВЫБОР ОБОРУДОВАНИЯ ТП-1
11.1 Выбор разъединителя
1) U
≥ U![]()
10 кB = 10 кB
2) I
≥ I![]()
200 А ≥ 7,0 А
Предлагается разъединитель типа РЛНД-10/200 В с приводом типа ПРН-10м. Проверяется разъединитель на термическую и динамическую стойкость:
I
≥ I![]()
i
≥ i![]()
где U
, I
– номинальное напряжение и ток разъединителя; I
, t – ток и время термической стойкости, равные 5 кА и 10 с;
– эквивалентное время протекания тока I
, равное 2 с, i
– ток динамической стойкости, равный 20 кА.
52
∙ 10 = 250 > 2,676
∙ 2 = 14,3 кА
с
20 кА ≥ 4,24 кА
11.2 Выбор рубильника на напряжение 400 В
U
= 500 В > U
= 380 В
I
= 250 А > I
= 169 А
Выбираем рубильник Р - 32 с номинальным током 250 А.
12. ЗАЩИТА ОТ ТОКОВ КОРОТКОГО ЗАМЫКАНИЯ
В проекте необходимо выбрать, рассчитать, проверить на чувствительность и согласовать между собой защиты следующих элементов электрической сети: линий 0,38 кВ, трансформатора 10/0,4 кВ (ТП 1 или ТП 8) и линии 10 кВ. Линии 0,38 кВ защищаются, как правило, автоматическими выключателями (АВ), у которых тепловой расцепитель выполняет роль максимальной токовой защиты с выдержкой времени отключения (МТЗ), электромагнитный расцепитель-защиты без выдержки времени отключения , т.е. токовой отсечки (ТО).
Силовой трансформатор защищается предохранителем типа ПКТ-10, устанавливаемом со стороны 10 кВ, воздушная линия 10 кВ защищается МТЗ и ТО, действующими на отключение выключателя в начале линии.
На линиях 0,38 кВ, питающих трехфазные потребители, устанавливаются автоматические выключатели непосредственно у потребителя (АВ1), и на подстанции (АВ2). Наиболее распространенным потребительским выключателем является автоматический выключатель серии ВА, а подстанционным - автоматические выключатели серий А3700, АЕ2000.
Если тепловой (полупроводниковый) расцепитель автоматического выключателя, установленного на подстанции, оказывается нечувствителен к токам короткого замыкания, то он заменяется более чувствительной защитой, в качестве которой в последнее время применяется защита ЗТ-0,4 (или ЗТИ), в виде приставки к АВ
.
Если нечувствительным оказывается электромагнитный расцепитель, то он не устанавливается и линия 0,38 кВ защищается только тепловым расцепителем АВ
.
Чувствительность защиты оценивается по выражению:
К
=
≥ 3, (12.1)
где I
- минимальный ток однофазного короткого замыкания (ток в конце линии);
I
- ток срабатывания теплового (полупроводникового) расцепителя.
Чувствительность защиты с электромагнитным расцепителем АВ
оценивается по выражению
К
=
≥ 1,2, (12.2)
где I
- ток 3-х фазного короткого замыкания на шинах подстанции;
I
- ток срабатывания электромагнитного расцепителя.
12.1 ЗАЩИТА ЛИНИЙ 0,38 кВ (Л1)
12.1.1 Выбор автоматического выключателя на потребителе (AB1).
В линии Л1 установлен крупный асинхронный двигатель. Данные этого двигателя берем из раздела 8. Для установки у потребителя выбираем автоматический выключатель ВА 57-31-34 c параметрами:
U
AB
= 660 B ≥ U
= 380 B
I
AB
= 100A ≥ I
= 59 A (12.3)
I
AB
= 100 A ≥ 1,2 ∙ I
= 70,8 A
I
AB
= 400 A ≥ I
= 7,5 ∙ 55,4 = 416 A,
где I
– пусковой ток электродвигателя ( таблица 8.1).
12.1.2 Выбор автоматического выключателя, установленного на подстанции в Л1 (АВ
)
Выбираем выключатель серии А37-16Б по параметрам сети:
U
AB
= 660 B ≥ U
=380 B
I
AB
=160 A ≥ I
= 59 A (12.4)
По условию селективности:
I
AB
= 100A > I
AB
=80A (12.5)
I
AB
= 1600 A > I
AB
= 800 A
12.1.3 Оценка чувствительности защиты Л1
Ток однофазного КЗ в конце линии 0,38 кВ 695 А.
Ток трехфазного КЗ на шинах 0,4 кВ ТП 1 2825 А.
К
=
=
= 6,95 ≥ К
= 3 (12.6)
К
=
=
= 1,77 ≥ К
= 1,2 (12.7)
Таким образом автоматический выключатель серии А37-16Б защищает линию Л2 с достаточной степенью чувствительности и селективности.
12.2 ЗАЩИТА ЛИНИЙ 0,38 кВ (Л2)
Расчет защиты линии Л2 аналогичен с расчетом защиты Л1. В этой линии нет крупных электродвигателей, поэтому для защит, установленных на вводе внутренних сетей, определяющим условием будет условие их отстройки от токов нагрузки.
12.2.1 Выбор автоматического выключателя на потребителе (AB1).
Активная мощность потребителя с наибольшей мощностью 50 кВт
Реактивная мощность потребителя с наибольшей мощностью 45 кВАр
Максимальный ток в линии 122 А
Для защиты принимаем АВ1 серии ВА 57-35-34 c параметрами:
U
AB
= 660 B ≥ U
=380 B
I
AB
= 250 A ≥ I
= 102,3 A
I
AB
= 125 A ≥ 1,2 ∙ I
= 1,2 ∙ 102,3 = 122,8 A
I
AB
= 1250 A
где I
=
=
= 102,3 A
12.2.2 Выбор автоматического выключателя, установленного на подстанции в Л2 (АВ
)
Выбираем выключатель серии A37-16Б по параметрам сети:
U
AB
= 660 B ≥ U
=380 B
I
AB
=160 A ≥ I
= 122 A
По условию селективности:
I
= 122 А < I
AB
= 160 A > I
AB
= 125 A
I
AB
= 1600 A > I
AB
= 1250 A
12.2.3 Оценка чувствительности защиты Л2
Ток однофазного КЗ в конце линии 0,38 кВ 394 А
Ток трехфазного КЗ на шинах 0,4 кВ ТП 1 2825 А
К
=
=
= 2,46 < К
=3
К
=
=
= 1,77 > К
=1,2
Так как К
< 3, то применяем приставку к автоматическому выключателю АВ
типа ЗТ-0,4.
12.2.4 Расчет защиты на ЗТ-0,4
Приставка действует как независимый расцепитель и имеет защиту от междуфазного тока КЗ и защиту от однофазного тока КЗ.
Защита от междуфазного тока КЗ настраивается от нагрузки Л2. Ток срабатывания находится по формуле:
I
≥ К
∙К
∙I
=1,2 ∙ 1,25 ∙ 122 = 183A (12.8)
где К
– коэффициент надежности К
= 1,2;
К
- коэффициент, учитывающий увеличение нагрузочного тока К
= 1,25.
Уставка тока срабатывания ЗТ– 0,4:
I
= 250 A >I
= 183 А (12.9)
Оценка чувствительности определяется по минимальному двухфазному току КЗ:
K
=
=
= 3,4 > K
=1,5 (12.10)
Защита чувствительна к междуфазным токам КЗ.
Расчет однофазного тока начинается с определения тока несимметрии;
I
= К
∙ I
= 0,3 ∙ 122 = 36,6 A, (12.11)
где К
– коэффициент несимметрии, принимаем равным 0,3.
Ток срабатывания защиты I
от однофазного тока КЗ;
I
= К
∙ I
= 1,2 ∙ 36,6 = 43,9 A, (12.12)
где К
– коэффициент надежности, равный 1,2.
Выбираем уставку тока срабатывания I
= 80 A. Определяем чувствительность этой защиты:
K
=
=
=4,5 > K
=1,5 (12.13)
Окончательно для защиты Л2 устанавливаем выключатель серии А 37-16Б
I
= 160 A, I
= 1600 A,
снабженного приставкой ЗТ-0,4, имеющей:
I
= 250 A, I
= 80 A.
Таким образом автоматический выключатель серии А37-16Б защищает линию Л2 с достаточной степенью чувствительности и селективности.
12.3 ЗАЩИТА ЛИНИЙ 0,38 кВ (Л3)
Расчет защиты линии Л3 аналогичен с расчетом защиты Л1. В этой линии нет крупных электродвигателей, поэтому для защит, установленных на вводе внутренних сетей, определяющим условием будет условие их отстройки от токов нагрузки.
12.3.1 Выбор автоматического выключателя на потребителе (AB1)
Активная мощность потребителя с наибольшей мощностью 30,8 кВт.
Реактивная мощность потребителя с наибольшей мощностью 24,6 кВАр.
Максимальный ток в линии 96 А.
Для защиты принимаем АВ1 серии ВА 57-31-34 c параметрами:
U
AB
= 660 B ≥ U
=380 B
I
AB
= 100 A ≥ I
= 60 A
I
AB
= 80 A ≥ 1,2 ∙ I
= 72 A
I
AB
= 400 A
I
=
=
= 60 A
12.3.2 Выбор автоматического выключателя, установленного на подстанции в Л3 (АВ
)
Выбираем выключатель серии А37-16Б по параметрам сети:
U
AB
= 660 B ≥ U
=380 B
I
AB
=160 A ≥ I
= 96 A
По условию селективности:
I
= 96 А < I
AB
= 100 A > I
AB
= 80 A
I
AB
= 630 A > I
AB
= 400 A
12.3.3 Оценка чувствительности защиты Л3
Ток однофазного КЗ в конце линии 0,38 кВ 574 А
Ток трехфазного КЗ на шинах 0,4 кВ ТП 1 2825 А
К
=
=
= 5,74 < К
=3
К
=
=
= 4,48 > Кч доп=1,2
Таким образом автоматический выключатель серии A37-16Б защищает линию Л2 с достаточной степенью чувствительности и селективности.
12.4 Защита трансформатора 10/0,4 кВ
Трансформаторы защищаются плавкими предохранителями типа ПКТ-10.
Основные условия выбора плавких предохранителей:
U
≥ U![]()
I
≥ I
(12.14)
I
~ 2 I![]()
Рекомендуется значения токов плавких вставок, I
выбирать в зависимости от мощности трансформатора по таблице 12.1 [2].
Таблица 12.1 – Токи плавких вставок трансформаторов

Предварительно выбираем номинальный ток плавкой вставки 32 А. Окончательное значение принимается после построения графика согласования защит.
На стойкость в режиме короткого замыкания силовой трансформатор, защищенный предохранителем, не проверяется [8].
12.5 Защита ВЛ 10 кВ
Линии напряжением 10 кВ защищаются от токов КЗ с помощью максимальной токовой защиты (МТЗ) и токовой отсечки (ТО) с действием на отключение, и выполняются также на реле типа РТВ и РТМ.
12.5.1 Расчет МТЗ, выполненном на РТВ
12.5.1.1 Ток срабатывания защиты определяется по двум условиям:
1) При отстройке от рабочего максимального тока.
I`
=
=
= 85,1 А, (12.15)
где К
- коэффициент надежности, К
= 1.3,
К
- коэффициент возврата, К
= 0,65,
К
- коэффициент запаса, К
= 1,1
2) По условию селективности с более удаленной от источника питания защитой, которая выбирается по самому мощному трансформатору 10/0,4 кВ, подключенному к линии (250 кВА).
I``
= 150 A (12.16)
Большее значение принимается за расчетное I
= 150,0 А.
12.5.1.2 Ток срабатывания реле
I
=
=
= 5 А (12.17)
где К
- коэффициент схемы соединения трансформаторов тока и реле, для схем с неполной звездой, в основном применяемых для защиты линий 10 кВ, К
= 1;
К
- коэффициент трансформации трансформатора тока К
= 30.
12.5.1.3 Определяем уставку тока на реле.
I
≥ I
= 5 A (12.18)
Принимаем I
= 5,6 A
12.5.1.4 Определяем действительный ток срабатывания защиты.
I
=
=
= 168A (12.19)
12.5.1.5 Проверяем чувствительность защиты.
К
=
=
=4,1>К
=1,5 (12.20)
12.5.2 Расчет токовой отсечки на РТМ.
12.5.2.1 Ток срабатывания токовой отсечки выбирается по двум условиям:
1) При отстройке от тока КЗ у ближайшей потребительской подстанции.
I`
=К
∙ I
= 1,5 ∙ 2676 = 4015 A, (12.21)
где К
= 1,5 для реле РТМ.
2) При отстройке от броска тока намагничивания трансформаторов 10/0.4 кВ, подключенных к линии, при их включении под напряжение. (сумма мощностей трансформаторов 1003 кВА)
I``
=5·
=5∙
=289.9 A (12.22)
I
= 4015 А - принимаем за расчетное.
12.5.2.2 Определяем ток срабатывания реле отсечки
I
=
=
= 133,8 A (12.23)
12.5.2.3 Определяем уставку тока на реле.
I
> I
(12.24)
150 A > 133,8 A
Принимаем I
= 150 A.
12.5.2.4 Определяем действительный ток срабатывания защиты.
I
=
=
=4500A (12.25)
12.5.2.5 Чувствительность защиты
К
=
=
= 1,8 > К
= 1,2 (12.26)
13. СОГЛАСОВАНИЕ ЗАЩИТ
Действие максимальных токовых защит должно быть согласовано по времени, чтобы поврежденный элемент электропередачи отключался ближайшей к нему защитой.
13.1 Строится токовременная характеристика защиты линии Л1
Согласование защит обычно выполняется на графике (карте селективности), на котором все токовременные характеристики защит строятся при одном напряжении (в примере 0,38 кВ) в пределах от тока срабатывания защиты до тока КЗ в месте установки защиты.
На графике (рисунок 13.2) строятся характеристики защит линий 0,38 кВ, затем трансформатора 10/0,4 кВ и ВЛ 10 кВ.
Схема электропередачи с указанием всех защит и их параметров, токов КЗ, необходимых при согласовании представлена на рисунке 13.1.
Защита выполнена на автоматическом выключателе А37-16Б с тепловым и электромагнитным расцепителями. Токовременная характеристика [9] заносится в таблицу 13.1.
Параметры АВ:
I
= 160 А,
I
= 100 А,
I
= 1600 А
Таблица 13.1 – Токовременная характеристика защиты линии Л1
![]()
13.2 Строится токовременная характеристика защиты линии Л2

Защита выполнена на автоматическом выключателе A37-16Б с приставкой типа ЗТ- 0.4. Токовременная характеристика [9] заносится в таблицу 13.2.
Параметры АВ:
I
= 160 А,
I
= 160 А,
I
= 1600 А
Приставка ЗТ-0,4
I
= 250 А
t
= 0,3 с
Таблица 13.2 – Токовременная характеристика защиты линии Л2
![]()
13.3 Строится токовременная характеристика защиты Л3
Защита выполнена на автоматическом выключателе А37-16Б с тепловым и электромагнитным расцепителями. Токовременная характеристика [8] заносится в табл. 13.3.
Параметры АВ:
I
= 160 А,
I
= 100 А,
I
= 630 А
Таблица 13.3 – Токовременная характеристика защиты линии Л3
![]()
13.4 Строится токовременная характеристике защиты трансформатора ТМ-10/0,4 кВ
Значение токов плавкой вставки (в примере I
=16А) пересчитываются на напряжение 0,4 кВ.
Таблица 13.4 - Токовременная характеристике защиты трансформатора ТМ-10/0,4 кВ.
![]()
![]()
13.5 Строится токовременная характеристика защиты ВЛ-10 кВ. В примере МТЗ и ТО выполнены на встроенных в привод реле РТВ и РТМ
13.5.1 Определяется ток согласования защиты; за ток согласования принимается ток трехфазного короткого замыкания за предохранителем ближайшего ТП-10/0,4 кВ (ТП-1).
I
= I
= 2676 А (13.1)
13.5.2 Определяется кратность согласования
К
=
=
=15,9 (13.2)
13.5.3 Определяется расчетное время срабатывания МТЗ при токе согласования
t
= t
+ Δt = 0,01 + 1 ~ 1с, (13.3)
где t
- время перегорания плавкой вставки при токе согласования; dt - ступень селективности. Для реле РТВ минимальная уставка по времени Δt=1 с.
13.5.4 По К
и t
определяется контрольная точка, лежащая на временной характеристики реле РТВ.
По найденной характеристике находится уставка времени срабатывания реле. t
= 1 с.
13.5.5 Переносится найденная характеристика реле на график согласования защит до тока срабатывания ТО, предварительно заполнив таблицу 13.5.
Таблица 13.5 - Токовременная характеристика защиты ВЛ-10 кВ

После построения характеристики необходимо убедиться в том, что в зоне совместного действия МТЗ линии 10 кВ и плавкой вставки предохранителя ПК-10-20 соблюдалось условие селективности.
Характеристики защит представлены на рисунке 13.2.

Рисунок 13.2 – График согласования защит
14. ЗАЩИТА ОТ ПЕРЕНАПРЯЖЕНИЯ
Атмосферные перенапряжения в грозовой сезон служат причиной аварийных отключений. Защита включает в себя следующие мероприятия:
14.1 Применение деревянных опор на ВЛ-0,4 кВ или на вЛ-10 кВ. При этом минимальное расстояние между крюками или штырями изоляторов отдельных фазовых проводов должна быть для ВЛ-0,4 кВ - не менее 0,5 м, для ВЛ-10 кВ – не менее 1 м
14.2 Использование на выключателе головного участка ВЛ-10 кВ автоматического повторного включения (АПВ).
14.3 Установка защитных искровых промежутков с сопротивлением заземления не более 15 Ом на опорах в местах пересечений линий электропередач.
14.4 На ВЛ-0,4 кВ с железобетонными опорами крюки, штыри изоляторов фазных проводов и арматуру соединяют с заземлением, сопротивление которого не должно превышать 50 Ом (заземление части опоры, входящей в землю). На ВЛ-0,4 кВ с деревянными опорами заземление делается крюков и штырей изоляторов с сопротивлением не более 30 Ом. Заземление выполняется на конечных опорах линии и на опорах с ответвлением в общественные помещения (школы, ясли, больницы и др.)
14.5 Для защиты силовых трансформаторов (КТП) от волн перенапряжения применяют вентильные разрядники типа РВО-10 со стороны высшего напряжения и типа РВН-0,5 со стороны низшего. Можно для этих целей использовать(вместо разрядников) ограничители перенапряжений ОПН-10, ОПН-0,4. Для защиты разомкнутого разъединителя КТП устанавливают трубчатый разрядник типа РТВ-10.
14.6 Если КТП включена через кабельную вставку, то на вводе в кабельную вставку устанавливается трубчатый разрядник.
14.7 Вся грозозащитная аппаратура п/ст подключается к контуру заземления, сопротивление которого 4 Ом.
15. ПОВЫШЕНИЕ НАДЕЖНОСТИ ЭЛЕКТРОСНАБЖЕНИЯ
Обеспечение надежности электроснабжения потребителей является второй наиболее важной проблемой (после обеспечения необходимого качества электроэнергии), стоящей при проектировании схемы электроустановки. Надежность схем электроснабжения является категорией технико-экономической, так как перерывы в электроснабжении наносят значительный материальный ущерб. В зависимости от величины удельного ущерба все сельские потребители разделяются на три категории. В данном проекте предусматривается независимое сетевое резервирование потребителей 1 категории от государственной электросистемы только на подстанции ТП8. При разработке электрической схемы этой подстанции необходимо проектировать двухстороннее автоматическое включение резерва (АВР) со стороны низкого напряжения на контакторах переменного тока [10]. Потребители первой и второй категории на ТП8 должны иметь автономные источники питания, независимые от сетевого резерва. Выбор количества агрегатов автономного источника и их мощность производится по расчетной нагрузке электроприемников в соответствии с таблицей 15.1. Потребители остальных ТП имеют третью или вторую категорию по надежности. Местному резервированию от ДЭС подлежат лишь потребители первой и второй категории по надежности электроснабжения на ТП1.
Таблица 15.1 - Нагрузка электроприемников сельхозпредприятий, подлежащая резервированию от автономных источников
| Тип предприятий | Производственная мощность | Резервируемая нагрузка, кВт | Тип источника, мощность и кол-во агрегатов |
| Комплексы и фермы молочного направления | 200 300 1200 |
15…25 20…25 160 |
ДЭС 16х1, 30х1 (РИПТ 30х1) ДЭС 30х1 (РИПТ 30х1) ДЭС 60х3 |
| Ферма молочного направления | на 400 коров | 30 | ДЭС 30х1 (РИПТ 30х1) |
| Птицеферма выращивания и откорма гусят бройлеров | 125 тыс. в год | 500 | ДЭС 315х2 |
16. ТЕХНИКО–ЭКОНОМИЧЕСКАЯ ЧАСТЬ
Таблица 16.1 - Спецификация на основное оборудование
| Наименование, тип и краткая техническая характеристика | Ед. измерения | Количество |
Шкаф комплектного распределительного устройства КРУН-10У ВЛ 10кВ Опоры железобетонные: - концевые К10-2Б - угловые УА10-2Б - промежуточные П10-2Б Провод: -АС 70 - АС 35 Траверсы Изоляторы ШФ-10В Разъединители РЛНД-10/630 У1 с приводом ПР-У1 КТП-160-10/0,4 У1 КТП-100-10/0,4 У1 КТП-63-10/0,4 У1 ВЛ-0,38 кВ (для ТП 1) Опоры деревянные с ж/б приставками - концевые Ка-2 - угловые анкерные Уа-2 - промежуточные Ппа-2 Провод: - АС 70 - АС 70 - АС 50 Изоляторы ТФ-20 |
шт шт шт шт км км шт шт шт шт шт шт км км км км км км шт |
1 10 7 221 9,7 5,8 221 867 1 4 3 1 7 2 17 0,15 0,07 0,26 168 |
Таблица 16.2 - Капитальные затраты на сооружение ЛЭП
| Наименование основных элементов электропередачи | Кол-во | Ценник, расценки тыс. руб. |
Кап. затраты, тыс. руб. | |
| на ед. продукции | всего | |||
Шкаф комплектного распределительного устройства КРУН – 10У1 Строительство ВЛ 10 кВ: -АС 70 - АС 35 КТП-160-10/0,4 У1 КТП-100-10/0,4 У1 КТП-63-10/0,4 У1 Строительство ВЛ-0,38 кВ (для ТП 1) Провод: - АС 70 - АС 50 - АС 35 |
1 9,7 5,8 4 3 1 0,07 0,25 0,26 |
3,902 2,7 2,3 1,27 1,07 0,88 4,35 3,50 2,50 |
3,902 2,7 2,3 1,27 1,07 0,88 4,35 3,50 2,50 |
3,902 26,2 13,3 5,1 3,2 0,9 0,3 0,9 0,65 |
Определяются ежегодные издержки на электропередачу
И
= И
+ И
+ И
(16.1)
И
=
(16.2)
где К
, К
, К
, К
- капитальные вложения в ячейку, линию 10 кВ, ТП10/0,4 кВ и линию 0,38 кВ; Р
, Р
, Р
, Р
– нормы амортизационных отчислений впроцентах на восстановление и капитальный ремонт таблица 16.3[2].
И
=
= 2,36 тыс. руб
И
= (β · ΔW)
+ (β · ΔW)
+ (β · ΔW)
, тыс.руб (16.3)
где ΔW
, ΔW
, ΔW
- потери энергии в линии 10кВ, ТП10/0,4 кВ, 0,38 кВ; β
, β
, Β
, - стоимость 1 кВт · ч потерь электроэнергии таблица 16.4[2].
И
= 23,1 · 26842 + 40,3 · 53683 + 13,5 · 17894 = 3,025 тыс. руб
Издержки на эксплуатацию:
И
=28·(1,7·26,4+3,5·2+4·7+6,8·1+9·9+16,3·11)=9,06тыс.руб (16.4)
Годовые издержки:
И
=И
+И
+И
=2,36+3,025+9,057=14,446тыс.руб (16.5)
β
=
=
= 0,80 коп/кВт·ч (16.6)
β = β
+ β
= 2,33 + 0,80 = 3,13 коп/кВт · ч
17. ЗАЩИТА ЛИНИЙ Л1, Л2, Л3 ПЛАВКИМИ ПРЕДОХРАНИТЕЛЯМИ
При коротком замыкании или незначительной перегрузке электрическая проводка должна быть автоматически отключена, в противном случае может воспламениться изоляция проводов, что приведет к пожару. Для автоматического отключения проводки при превышении установленных значений силы тока предназначены аппараты защиты. В сельском хозяйстве для этой цели часто применяют плавкие предохранители, устройство которых чрезвычайно просто. В фарфоровом корпусе помещены проводники небольшого сечения – плавкие вставки, включаемые последовательно в каждый фазный провод линии. Если ток линии возрастает сверх допустимого, то плавкая вставка перегорит, отключив цепь раньше, чем температура защищаемых ею проводов станет недопустимо высокой.
Предохранители с плавкой вставкой – простейшие коммутационные аппараты, предназначенные для защиты цепей от коротких замыканий и перегрузок. Их широко применяют в электрических сетях напряжением 0,38/0,22…110 кВ. В защищаемую цепь предохранитель включается последовательно. Он представляет собой ее ослабленный участок, где она разрывается. Основные элементы предохранителя: корпус, плавкая вставка, контактная часть, дугогасительные устройство и среда.
К предохранителю предъявляют следующие требования:
- должен длительно выдерживать номинальный ток и не перегорать при кратковременных перегрузках;
- надежно и быстро отключать предельный ток, на который рассчитан;
- работать селективно (при последовательно установленных нескольких предохранителях должен перегорать только ближайший к месту аварии).
При защите проводов и кабелей плавкими предохранителями расчет электрической сети начинают с выбора плавкой вставки. Его выбирают по следующим правилам.
ПРАВИЛО 1. Ток плавкой вставки должен быть больше рабочего тока нагрузки или равняться ему, т.е.
Iв ≥ Iр .
ПРАВИЛО 2. Ток плавкой вставки проверяют на максимальный ток нагрузки:
Iв ≥ Imax /α.
Определив номинальный ток плавкой вставки, выбирают соответствующее ему сечение провода в зависимости от того, будет он защищен плавкой вставкой только от коротких замыканий или также от перегрузок. Необходимо выбрать такое сечение, чтобы было соблюдено следующее соотношение:
Iдоп ≥ 1,25Iв ,
где Iдоп – допустимый ток провода.
Для случаев, при которых необходимо защищать провода только от коротких замыканий,
Iдоп ≥ 0,33Iв ,
После того как провод выбран, его проверяют на длительный рабочий ток установки:
Iдоп ≥ Iр .
В сельских сетях напряжением 0,38 кВ применяют предохранители ПР-2, ПН-2 и НПН-2. Предохранители ПР-2 изготовляют на номинальные напряжения 220 и 500 В и токи 15…1000А. В обозначении ПР указано, что предохранители разборные с закрытыми патронами без наполнителя. Патрон выполнен из толстостенной фибровой трубки 1 (см. графическую часть), на которую плотно насажены латунные втулки 3, предотвращающие разрыв трубки. На втулки навинчены колпачки 4, закрепляющие плавкую вставку 2, присоединенную к ножкам 6. Сверху надета шайба 5 с пазом для ножей.
Патрон вставляют в неподвижные контактные стойки, укрепленные на изоляционной плите. Контактное нажатие обеспечивается кольцевой или пластинчатой пружиной.
Плавкие вставки изготовляют из цинка в виде пластин с вырезами. На узких местах вставки выделяется больше теплоты, чем на широких. При коротком замыкании вставка перегорает в нескольких или во всех узких местах, а широкие участки не успевают плавиться. Когда вставка перегорает в узких местах, широкие части вставки падают в нижнюю часть, не плавясь.
При перегорании вставки и возникновении дуги фибровая трубка выделяет газы, преимущественно водород и диоксид углерода (углекислый газ). Давление внутри закрытой трубки возрастает, и благодаря деионизации дуги газами высокого давления она гаснет. Предохранители ПР-2 относятся к токоограничивающим, так как при интенсивной деионизации дуги сопротивление дугового промежутка быстро возрастает, ток к. з. в цепи уменьшается и прерывается до момента достижения максимального значения.
При перегрузках процесс перегорания происходит медленнее. Теплота, выделяющаяся в узких местах, передается в широкие части вставки, и вставка перегорает в местах перехода от суженного к широкому месту.
Достоинство предохранителей ПР-2 состоит в простоте замены перегоревшей вставки, недостаток – в больших размерах.
ЗАКЛЮЧЕНИЕ
В курсовом пректе спроектирована схема электроснабжениянаселенного пункта по сетямнапряжением 10 и 0,38 кВ от головной понизительнойподстанции (ГПП)напряжением 110/10 кВ ( 35/10 кВ).
В населенном пункте спроектировано 8 трансформаторных подстанций (ТП)напряжением 10/0,4 кВ.Для ТП 1 определеныэлектрическиенагрузки линий напряжением0,38 кВ, питающих потребителей II и III категорийпо надежности, ина шипах 0,4самой ТП.
Для ТП 8 определены только электрические нагрузки подстанции, питающей ответственные потребители.На этих ТП выбраны конденсаторные батареидля повышения коэффициента мощности (cosφ), а затем поэкономическим интервалам нагрузок выбраны номинальные мощностисиловых трансформаторов для всехвосьми ТП. В линии 10 кВ рассчитаны по участкам электрическихнагрузкок и выбранысечения проводов. По таблицеотклоненийнапряженияопределяется положения регуляторовПБВ на трансформаторах 10/0,4кВ, и допустимаяпотеря напряжения в линиях 0,38 кВ, подключенных к ТП 1. Выбраны сечения проводовлиний 0,38 кВ по интервалам экономических нагрузок и допустимой потере напряжения. Окончательноесечение проводовлинии Л1 принимается после проверки на успешный запуск крупногоасинхронного электродвигателя. Рассчитаны токи короткого замыкания, необходимые дляпроверки защит электроустановок и выбора оборудования.Линии 0,38 кВ защищаются автоматически воздушными выключателями и дополняются приставками ЗТ-0,4 или ЗТК-0,4. Трансформатор ТП-1 защищается плавкими предохранителями. ЗащитаВЛ 10кВ ( максимально-токовая и токовая отсечка)выполняется навстроенных в привод реле (прямого действия) РТВ иРТМ,реже на реле косвенногодействия. Все защиты электропередачи согласуются между собой; для этого построен график согласования.
СПИСОК ЛИТЕРАТУРЫ
1. Методические указания по расчету нагрузок в сетях 0,38-10 кВ сельскохозяйственного назначения. /Руководящие материалы по проектированию электроснабжения сельского хозяйства (РУМ).-М.: Сельэнергопроект, 1981.-101с.
2. Методическое указание к дипломному проектированию: Оценка экономической эффективности инженерных разработок. - Челябинск. ЧГАУ, 1994. - 56 с.
3. Будзко И.А., Зуль Н.М. Электроснабжение сельского хозяйства. -М.: Агропромиздат, 1990.-496 с.
4. Мякинин Е.Г. Методические указания по теме 'Компенсация реактивной мощности в сельских электрических сетях. -Челябинск.: РИО ЧГАУ, 1991. -22 с.
5. Методические указания по выбору установленной мощности силовых трансформаторов на одно и двух трансформаторных подстанциях в электрических сетях с/х назначения. (РУМ). -М.: сельэнергопроект, 1987, август.-32 с.
6. Методические указания по обеспечению при проектировании нормативных уровней надежности электроснабжения с/х потребителей (РУМ). - М.: Сельэнергопроект, 1986, -32 с.
7. Будзко И.А., Левин М.С. Электроснабжение сельскохозяйственных предприятий и населенных пунктов.- М.: Агропромиздат, 1985.-320 с.
8. Правила устройства электроустановок (ПУЭ). -М.: Энергоатомиздат, 1986. -640 с.
9. Руководство по выбору и расчету защит электрических сетей напряжением до 1000 В от аварийных токов. -Челябинск, 1983.
Похожие рефераты:
Электроснабжение 8-го микрорайона города Оренбурга
Разработка вопросов энергосбережения за счет использования ветроэнергетической установки
Электрооборудование свинарника на 1200 голов СПК "Холопеничи"
Электроснабжение деревни Анисовка
Электроснабжение населенного пункта Логоза
Расчёт системы электроснабжения электрической железной дороги
Синхронные машины. Машины постоянного тока
Расчет, анализ и оптимизация режимов и потерь электроэнергии в предприятии "КАТЭКэлектросеть"
Реконструкция системы электроснабжения жилого микрорайона города
Электрические нагрузки промышленных предприятий
Компенсация реактивной мощности в системах электроснабжения с преобразовательными установками