| Похожие рефераты | Скачать .docx |
Курсовая работа: Проектирование электрической части атомных электростанций
СЕВАСТОПОЛЬСКИЙ НАЦИОНАЛЬНЫЙ УНИВЕРСИТЕТ ЯДЕРНОЙ ЭНЕРГИИ И ПРОМЫШЛЕННОСТИ
Учебно-научный институт электротехники и энергосбережения
Кафедра Эксплуатации электрических станций
Курсовой проект по дисциплине:
«Электрические станции и подстанции»
На тему: Проектирование электрической части атомных электростанций
Руководитель Сиротенко Борис Гаврилович
Студент Пархоменко Олег Дмитриевич
Севастополь 2008г.
СОДЕРЖАНИЕ
1. Выбор схемы выдачи мощности АЭС
1.1 Варианты схемы выдачи мощности
1.2 Определение перетоков мощности через блочные трансформаторы и автотрансформаторы связи и их выбор
1.3 Определение потерь активной энергии в блочных трансформаторах и АТ связи
1.4 Определение капитальных эксплуатационных и приведенных затрат
2. Выбор электрической схемы РУ высокого напряжения
2.1 Порядок выбора схемы распределительного устройства
2.2 Составление вариантов схемы РУ повышенного напряжения
2.3 Определение капитальных, эксплуатационных и приведенных затрат
3. Проектирование схемы электроснабжения собственных нужд блока
3.1 Характеристика потребителей собственных нужд
3.2 Сети питания потребителей с.н.
3.3 Схемы электрических соединений с.н.
3.3.1 Схема 6 кВ для потребителей 3 группы надежности
3.3.2 Схема 0,4 кВ для потребителей 3 группы надежности
3.3.3 Схемы 6 кВ и 0,4 кВ для потребителей 2 группы надежности
3.3.4 Схемы для потребителей 1 группы надежности
4. Выбор мощности ТСН АЭС
4.1 Выбор мощности рабочих ТСН блока ВВЭР – 1000
4.2 Выбор мощности резервных ТСН блока ВВЭР – 1000
5. Расчет режима самозапуска электродвигателей механизмов собственных нужд АЭС
5.1 Основные положения
5.2 Расчетные и допустимые условия режима самозапуска
5.3 Расчет начального напряжения режима самозапуска
6. Определение мощности дизель-генераторов систем надёжного питания
6.1 Методика определения мощности ДГ систем надёжного питания
6.2 Расчёт мощности ДГ систем надёжного питания
7. Расчет токов короткого замыкания в главной схеме ЭС
7.1 Общие положения
7.2 Расчет токов КЗ в различных точках главной схемы ЭС
8. Выбор коммутационных аппаратов главной схемы выдачи мощности
ЗАКЛЮЧЕНИЕ
СПИСОК ЛИТЕРАТУРЫ
Приложение А
1. ВЫБОР СХЕМ ВЫДАЧИ МОЩНОСТИ АЭС
Схема выдачи мощности определяет распределение генераторов между РУ разных напряжений, автотрансформаторную связь между РУ, способ соединения генераторов с блочными трансформаторами, точки подключения резервных трансформаторов собственных нужд. При проектировании схемы выдачи мощности на первом этапе намечаются этапы её исполнения. На втором этапе для каждого варианта определяются перетоки мощности через блочные трансформаторы и автотрансформаторы связи и осуществляется их выбор, вычисляются потери энергии в них за год, находятся капитальные, эксплуатационные и приведённые затраты. В результате сравнения вариантов схемы выдачи мощности АЭС выявляется рациональный вариант.
1.1 Варианты схемы выдачи мощности
Если мощность станции выдается на одном повышенном напряжении, то все блоки присоединяются к РУ данного напряжения, и выполняется, лишь выбор схемы исполнения блоков генератор-трансформатор.
Различают следующие схемы исполнения блоков (АЭС): генератор - трансформатор (рис.1.а), генератор-трансформатор с генераторным выключателем или выключателем нагрузки (рис.1,б), укрупненный блок (рис.1,в), объединенный блок (рис.1,г), блок генератор-автотрансформатор связи (рис.1,д), блок генератор-трансформатор с двумя выключателями (рис.1,е) и др.
Согласно нормам технологического проектирования [1] в блоке между генератором и двухобмоточным трансформатором должен устанавливаться генераторный выключатель. В случае отсутствия выключателя на соответствующий ток отключения разрешается применение выключателя нагрузки.
При двух и более РУ повышенного напряжения варианты схемы выдачи мощности формируются путем варьирования количества блоков различного исполнения, подключаемых к разным РУ повышенного напряжения, а так же путем изменения вида связи между РУ. Связь между РУ может выполнятся с помощью трехобмоточных трансформаторов и автотрансформаторов, если мощность, отдаваемая на одном напряжении, составляет 15% и более мощности, отдаваемой на другом напряжении , а также с учетом перспективы развития нагрузок на обоих напряжениях [1].
Общее количество составленных для сравнения вариантов схемы выдачи мощности может оказаться более десяти. При ручном счете из этого множества вариантов путем логического сравнения отбираются два-три наиболее перспективных варианта. Предварительный отбор вариантов осуществляется в соответствии с заданными условиями и опытом проектирования, а также определяется здравым смыслом:
мощность блока не должна превышать резерв мощности в системе, что ограничивает область допустимых вариантов исполнения блоков;
подключение генератора к третичной обмотке автотрансформатора связи может вызвать существенное увеличение мощности автотрансформатора по сравнению с мощностью перетока, конструктивные сложности при его размещении на территории электростанции и трудности в выполнении гибких связей с РУ;
перетоки мощности через автотрансформаторы связи не должны превышать мощность блока более чем в 1,5 раза (при отсутствии транзита мощности через шины РУ станции).
Связь между РУ выполняется с помощью автотрансформаторов.
С учетом вышесказанного ниже представлены три варианта схемы выдачи мощности электростанции типа АЭС.
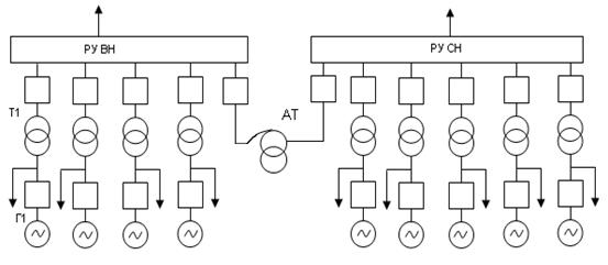
Первый вариант: в систему ВН в систему СН

Выбирается схема «генератор-трансформатор с генераторным выключателем». Наличие генераторного выключателя снижает количество операций с выключателями в РУ повышенного напряжения; пуск и останов блока выполняются с помощью рабочего трансформатора собственных нужд и генераторного выключателя; снижаются требования к количеству и мощности резервных трансформаторов собственных нужд. В блоках генератор-трансформатор АЭС мощностью 1000 МВт устанавливаются аппаратные генераторные комплекты (АГК) типа КАГ – 24 – 30 / 30000.
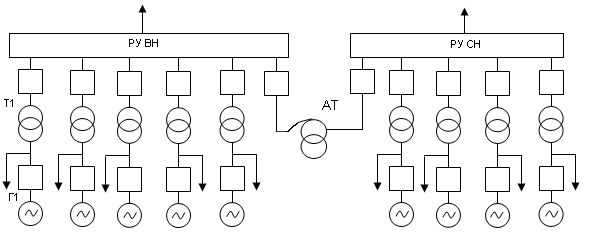
Второй вариант: в систему ВН в систему СН

Третий вариант:в систему ВН в систему СН
1.2 Определение перетоков мощности через блочные трансформаторы и автотрансформаторы связи и их выбор
Выбор мощности блочных трансформаторов и автотрансформаторов связи в каждом варианте схемы выдачи мощности выполняется по максимальным перетокам мощности с учетом их нагрузочной способности. На рис.2. приведена принципиальная схема выдачи мощности АЭС с произвольным числом блоков и двумя РУ повышенного напряжения. Для нахождения перетоков мощности в схеме составляется диаграмма баланса мощности (рис.3).

Максимальные перетоки мощности определяются из условий нормального и аварийного режимов работы станции. В аварийных режимах рассматриваются случаи аварийного отключения одного любого блока и одного автотрансформатора связи.
Расчет перетоков мощности ведется с нахождением активных, реактивных, и полных мощностей в аналитической форме. Перетоки мощности через блочные трансформаторы определяются по выражению
,
где Рс.н. , Qс.н. - активная и реактивная мощность, потребляемая на собственные нужды;
Рг , Qг – генерируемые активная и реактивная мощности.
Согласно варианту задания, на этапе проектирования целесообразно принять:
Рс.н. = 0.05· Рг ; cosс.н. =0.85;
Рс.н. = 0.05· Рг = 0.05 · 1000 = 50 МВт.
Qс.н. = Рс.н. · tgφ с.н. = 50 ·0.61 = 30.5 МВАр.
Рг =1000МВт ; cosφг =0.9 ;
Qг = Рг · tgφг = 1000 · 0.48 = 480 Мвар;
Переток мощности через блочные трансформаторы:
Sт.бл.
=
1051.4 МВА
При работе электростанции в базовой части графика нагрузки энергосистемы мощность блочного трансформатора выбирается из условия
![]()
По каталогу выбираю следующие типы блочных трансформаторов:
- на стороне СН: ТНЦ – 1250000 / 330 (по 1 шт. на блок).
Его каталожные данные – Рх. = 715 кВт - мощность холостого хода;
Рк. = 2200кВт – мощность корокого замыкания.
- на стороне ВН: ОРЦ – 417000 / 750 (по 3 шт. на блок).
Его каталожные данные – Рх. = 320кВт; Рк. = 540кВт
Перетоки мощности через обмотки СH и ВH автотрансформаторов связи определяются по следующим выражениям:
-при максимальной нагрузке на шинах РУ СH
![]()
![]()
-при минимальной нагрузке на шинах РУ СH
![]()
![]()
-в аварийном режиме (отключение одного блока, подключенного к шинам РУ СH)
![]()
![]()
В этих формулах:
n - число блоков генератор - трансформатор, подключенных к РУ СН;
РГ , QГ - номинальная активная и реактивная мощности генераторов,подключенных к РУ СН;
РН max . , QН max - активная и реактивная мощности нагрузки, отдаваемые с РУ СН в систему или нагрузку, подключенную к этому РУ.
Из условия: РН max = 4800 МВт и cosс =0,9;
МВар.
РН min =4200 МВт.
QН
min
=
МВар.
Определение перетоков мощности через автотрансформатор связи для
первого варианта ( n=5):
- при максимальной нагрузке на шинах РУ СН:
S1
= 75.973 МВА;
- при минимальной нагрузке на шинах РУ СН:
S2
= 596.386 МВА;
- в аварийном режиме (отключения одного блока, подключенного к шинам РУ СН):
S3
= 1121.16 МВА.
Определение перетоков мощности через автотрансформатор связи для второго варианта (n=4):
S1
= 1121.16 МВА;
S2
= 455.979МВА;
S3
= 2172.17 МВА.
Определение перетоков мощности через автотрансформатор связи для третьего варианта (n=6):
S1
= 981.784 МВА;
S2
= 1647.97МВА;
S3
= 75.97 МВА.
Ориентировочно мощность автотрансформаторов связи выбирается по максимальной мощности, полученной в результате расчета нормальных режимов эксплуатации автотрансформаторов.
Выбираем по каталогу автотрансформаторы связи.
Для первого варианта схемы выдачи мощности – АОДЦТН-333000/750/330. В количестве трех штук.
Его каталожные данные – Рх = 217 кВт; Рк = 580 кВт – мощность холостого хода и короткого замыкания соответственно. Sном=333 МВА; Sсуммарное=999 МВА
Для второго варианта схемы выдачи мощности – АОДЦТН – 333000/750/330. В данном варианте берется две группы однофазных АТ связи, т.е. шесть штук (по два на каждую фазу), т.к. одна не обеспечивает необходимую мощность в нормальных режимах эксплуатации.
Его каталожные данные - Рх =217 кВт ; Рк = 580 кВт – мощность холостого хода и короткого замыкания соответственно. Sном=333 МВА; Sсуммарное=1998 МВА
Для третьего варианта схемы выдачи мощности – АОДЦТН – 333000/750/330. В данном варианте также берется две группы однофазных АТ связи, т.е. шесть штук (по два на каждую фазу), т.к. одна не обеспечивает необходимую мощность в нормальных режимах эксплуатации.
Его каталожные данные - Рх =217 кВт ; Рк = 580 кВт – мощность холостого хода и короткого замыкания соответственно. Sном=333 МВА; Sсуммарное=1998 МВА
После выбора автотрансформатора связи по справочным материалам необходимо проверить его на перегрузку в аварийных режимах.
Kn
1
=
,
Kn
2
=
,
где
- максимальная расчётная мощность автотрансформатора в аварийном режиме (отключение одного генератора, питающего шины СН);
- наибольшая мощность, полученная в результате расчета нормальных режимов эксплуатации автотрансформаторов(S1 или S2);
- мощность автотрансформатора по каталожным данным.
Примечание:
1. Kn 2 - рассчитывается только в случае использования двух параллельно включенных автотрансформаторов связи ( двух групп однофазных АТ связи). Если получен Kn 2 > 1.5,то следует устанавливать одну резервную фазу, готовую к перекатке.
2. При использовании одной группы из однофазных автотрансформаторов связи резервная фаза ставится обязательно.
Вариант 1 : 3·АОДЦТН – 333000 / 750 / 330
Kn 1 =1121.16 /(3·333) = 1.122 < (1.3..1.5).
Вариант 2 : 6· АОДЦТН – 333000 / 750 / 330
Kn 1 =2172.17 /(2·3·333)= 1.087 < (1.3..1.5).
Kn 2 =1121.16 /(3·333)= 1.122 < (1.3..1.5)– резервная фаза не нужна.
Вариант 3 : 6· АОДЦТН – 333000 / 750 / 330
Kn 1 =75.97 /(2·3·333)= 0.038 < (1.3..1.5).
Kn 2 =1647.97 /(3·333)= 1.65 > (1.3..1.5) – необходима установка резервной фазы.
Выбор резервных трансформаторов собственных нужд
Перетоки мощности через резервные трансформаторы собственных нужд:
SР.Т.С.Н.
=
=
= 58.568 МВА.
По каталогу выбирается трансформатор типа ТРДНС – 32000 / 330 в количестве десяти штук (берется по паре на два блока).
Предварительный выбор выключателей
ВНВ 330А-63/4000У1; ВНВ 750А-40/4000У1;
Количество на стороне ВН выбирается по количеству блоков и еще один на АТ связи.
Количество на стороне СН выбирается по количеству блоков, один на АТ связи +0.25РТСН
1.3 Определение потерь активной энергии в блочных трансформаторах и автотрансформаторах связи
При задании исходной нагрузки параметрами, характеризующими график нагрузки, потери энергии в блочном трансформаторе определяются выражением:
Δ Wт.бл = Рx · (8760 – Тр.бл. ) + Рк · (Sт.бл. / Sт.ном. )2 · τ ,
где Рх , Рк – потери холостого хода и короткого замыкания соответственно, приведены в каталоге для данного вида трансформатора,
Тр.бл. – средняя продолжительность планового ремонта блока генератор - трансформатор, выбирается по справочнику,
τ – время максимальных потерь, определяется как τ = Тг.уст
Вариант 1:
Потери энергии в блочном трансформаторе на стороне СН:
ТНЦ – 1250000 / 330;
Рх =715 кВт;
Рк =2200 кВт,
Тр.бл =50 ч для напряжения 330 кВ и Sт.ном > 80МВА
τ = Тг.уст =7400 ч, тогда
Δ Wбл.С.Н 330. = 715 · (8760 - 50) + 2200 · (1051,4/ 1250)2 · 7400= 16.68·106 кВт·ч.
Потери энергии в блочном трансформаторе на стороне ВН:
ОРЦ – 417000 / 750.
Рх =320 кВт,
Рк =540 кВт,
Тр.бл =50 ч для напряжения 750 кВ и Sт.ном > 80МВА,
τ= Тг.уст =7400 ч, тогда
Δ Wбл.В.Н = 3·320 · (8760 - 50) +3 ·540 · (1051,4/ 3 · 417)2 · 7400 = 16.04·106 кВт·ч.
Здесь потери увеличиваются в трое т.к. блочный трансформатор набран из трех однофазных.
Потери энергии в автотрансформаторе связи:
ΔWАТ = q·Рx ·(8760 – Тр.АТ ) + q·Рк · (S1 / (q·SАТ ))2 ·τ max + q·Рк · (S2 / (q·SАТ ))2 ·τ min ,
где q – количество автотрансформаторов связи,
Тр.АТ – продолжительность планового ремонта АТ (Тр.АТ = 50 ч);
τ max , τ min – время максимальных и минимальных потерь в АТ при перетоках мощности S1 и S2 , определяются :
τ max - по графику зависимости времени максимальных потерь от продолжительности использования соответствующей нагрузки τ = f (Тmax ) при Тнагрmax = 6200 ч.
τ min - по графику зависимости времени максимальных потерь от продолжительности использования соответствующей нагрузки τ = f (Тmin ) при Тmin = 8760 – Тнагрmax -Tр.АТ ;
Тmin = 8760 – 6200 – 50 =2510 ч.
Т.о. по графику τ max = 4300 ч, τ min = 1350 ч.
Потери энергии в автотрансформаторе связи:
АОДЦТН – 333000 / 750 / 330
τ max = 4300 ч, τ min = 1350 ч;
Тр.АТ = 50 ч;
Рх = 217 кВт;
Рк = 580 кВт;
Δ WАТ = 3·217 · (8760 - 50) + 3·580 · (75.973/3 · 333)2 · 4300+3·580·(596.386/3·333) 2 · 1350 = 6.551·106 кВт·ч.
Суммарные потери электроэнергии в основных элементах схемы выдачи мощности:
Δ WΣ1 = 5 · Δ Wбл.с.н + 4· Δ Wбл.в.н + Δ WАТ кВт·ч.
Δ WΣ1 = 5 · 16.68·106 + 4 · 16.04·106 + 3· 6.551·106 = 154.111 ·106 кВт·ч.
Вариант 2:
Потери энергии в блочном трансформаторе на стороне СН:
ТНЦ – 1250000 / 330;
Рх =715 кВт;
Рк =2200 кВт,
Тр.бл =50 ч для напряжения 330 кВ и Sт.ном > 80МВА
τ = Тг.уст =7400 ч, тогда
Δ Wбл.С.Н 330. = 715 · (8760 - 50) + 2200 · (1051,4/ 1250)2 · 7400= 16.68·106 кВт·ч.
Потери энергии в блочном трансформаторе на стороне ВН:
ОРЦ – 417000 / 750.
Рх =320 кВт,
Рк =540 кВт,
Тр.бл =50 ч для напряжения 750 кВ и Sт.ном > 80МВА,
τ= Тг.уст =7400 ч, тогда
Δ Wбл.В.Н = 3·320 · (8760 - 50) +3 ·540 · (1051,4/ 3 · 417)2 · 7400 = 16.04·106 кВт·ч.
Потери энергии в автотрансформаторе связи:
АОДЦТН – 333000 / 750 / 330
τ max = 4300 ч, τ min = 1350 ч;
Тр.АТ = 50 ч;
Рх = 217 кВт;
Рк = 580 кВт;
Δ WАТ = 6·217 · (8760 - 50) + 6·580 · (1121.16/2 · 3 · 333)2 · 4300+6·580·(455.979 / 2 · 3 · 333) 2 · ·1350 = 16.3·106 кВт·
Суммарные потери электроэнергии в основных элементах схемы выдачи мощности:
Δ WΣ2 = 4 · Δ Wбл.с.н + 5 · Δ Wбл.в.н + Δ WАТ кВт·ч.
Δ WΣ2 = 4 · 16.68·106 + 5 · 16.04·106 + 16.3·106 = 163.22·106 кВт·ч.
Вариант 3:
Потери энергии в блочном трансформаторе на стороне СН:
ТНЦ – 1250000 / 330;
Рх =715 кВт;
Рк =2200 кВт,
Тр.бл =50 ч для напряжения 330 кВ и Sт.ном > 80МВА
τ = Тг.уст =7400 ч, тогда
Δ Wбл.С.Н 330. = 715 · (8760 - 50) + 2200 · (1051,4/ 1250)2 · 7400= 16.68·106 кВт·ч.
Потери энергии в блочном трансформаторе на стороне ВН:
ОРЦ – 417000 / 750.
Рх =320 кВт,
Рк =540 кВт,
Тр.бл =50 ч для напряжения 750 кВ и Sт.ном > 80МВА,
τ= Тг.уст =7400 ч, тогда
Δ Wбл.В.Н = 3·320 · (8760 - 50) +3 ·540 · (1051,4/ 3 · 417)2 · 7400 = 16.04·106 кВт·ч.
Потери энергии в автотрансформаторе связи:
АОДЦТН – 333000 / 750 / 330
τ max = 4300 ч, τ min = 1350 ч;
Тр.АТ = 50 ч;
Рх = 217 кВт;
Рк = 580 кВт;
Δ WАТ = 6·217 · (8760 - 50) + 6·580 · (981.784/2 · 3 · 333)2 · 4300+6·580·(1647.97/ 2 · 3 · 333) 2 · ·1350 = 18.15·106 кВт·
Суммарные потери электроэнергии в основных элементах схемы выдачи мощности:
Δ WΣ3 = 6 · Δ Wбл.с.н + 3 · Δ Wбл.в.н + Δ WАТ кВт·ч.
Δ WΣ3 = 6 · 16.68·106 + 3 · 16.04·106 + 18.15·106 = 166.35·106 кВт·ч.
1.4 Определение капитальных, эксплуатационных и приведенных затрат
Экономическая целесообразность различных вариантов схемы выдачи мощности определяется минимальными приведенными затратами:
З = pн · К + И,
где К – капиталовложения на сооружение электроустановки, тыс. грн.;
рн – нормативный коэффициент экономической эффективности, равный 0.12;
И – годовые эксплуатационные издержки, тыс. грн/год:
И = (ра + ро ) / 100% · К + β · Δ WΣ · 10-5 ,
где ра = 6,4%, ро = 2% - отчисления на амортизацию и обслуживание соответственно;
β = 15 коп / кВт · ч – стоимость 1 кВт·ч потерь электроэнергии;
Δ WΣ - cуммарные потери электроэнергии в основных элементах схемы выдачи мощности рассматриваемого варианта.
При расчете капиталовложений учитывается стоимость блочных трансформаторов, автотрансформаторов связи, резервных трансформаторов собственных нужд (РТСН) и ячеек выключателей РУ повышенного напряжения.
Примечание: 1. На этом этапе считаем, что каждое присоединение к ОРУ подключается через один выключатель
2. Подключение РТСН производится в количестве двух штук на одно присоединение, принимается по паре на два блока, а также осуществляется резервирование в количестве двух пар от соседней станции.
Расчет капиталовложений по каждому варианту целесообразно представить в виде таблицы
Таблица 1.
| Наименование оборудования | Стоимость, тыс. грн. | Кол-во, шт | Сумма, тыс. грн. |
| Вариант первый | |||
| Блочные трансформаторы: | |||
| ТНЦ – 1250000 / 330 | 4920 | 5 | 24600 |
| ОРЦ – 417000 / 750 | 2700 | 3*4 | 32400 |
| АТ связи: | |||
| АОДЦТН – 333000 / 750 / 330 | 2466 | 3+1 | 9864 |
| Резервные трансформаторы с.н.: | |||
| ТРДНС – 32000 / 330 | 780 | 10 | 7800 |
| Ячейки выключателей ОРУ: | |||
| ВНВ – 330А–63/4000У1 | 1022 | 9 | 9198 |
| ВНВ – 750А–63/4000 У1 | 1081 | 5 | 5405 |
| Итого Ксуммарное | 89267 | ||
| Вариант второй | |||
| Блочные трансформаторы: | |||
| ТНЦ – 1250000 / 330 | 4920 | 4 | 19680 |
| ОРЦ – 417000 / 750 | 2700 | 3*5 | 40500 |
| АТ связи: | |||
| АОДЦТН – 333000 / 750 / 330 | 2466 | 6 | 14796 |
| Резервные трансформаторы с.н.: | |||
| ТРДНС – 32000 / 330 | 780 | 10 | 7800 |
| Ячейки выключателей ОРУ: | |||
| ВНВ – 330А–63/4000У1 | 1022 | 8 | 8176 |
| ВНВ – 750А–63/4000 У1 | 1081 | 6 | 6486 |
| Итого Ксуммарное | 97438 | ||
| Вариант третий | |||
| Блочные трансформаторы: | |||
| ТНЦ – 1250000 / 330 | 4920 | 6 | 29520 |
| ОРЦ – 417000 / 750 | 2700 | 3*3 | 24300 |
| АТ связи: | |||
| АОДЦТН – 333000 / 750 / 330 | 2466 | 6+1 | 17262 |
| Резервные трансформаторы с.н.: | |||
| ТРДНС – 32000 / 330 | 780 | 10 | 7800 |
| Ячейки выключателей ОРУ: | |||
| ВНВ – 330А–63/4000У1 | 1022 | 10 | 10220 |
| ВНВ – 750А–63/4000 У1 | 1081 | 4 | 4320 |
| Итого Ксуммарное | 93422 | ||
Вариант первый:
Годовые эксплуатационные издержки:
И1 = (6,4+2,0 / 100) · 89267 + 0,15· 154.111 ·106 · 10-5 = 7729.595 тыс.грн.
Приведенные затраты:
З1 = 0,12 · 89267 + 7729.595 = 18441.635 тыс.грн.
Вариант второй:
Годовые эксплуатационные издержки:
И2 = (6,4+2,0 / 100) · 97438 + 0,15 · 163.22·106 · 10-5 = 8429.622 тыс.грн.
Приведенные затраты:
З2 = 0,12 · 97438 + 8429.622 = 20122.182 тыс.грн.
Вариант третий:
Годовые эксплуатационные издержки:
И3 = (6,4+2,0 / 100) · 93422 + 0,15 · 166.35·106 · 10-5 = 8096.973 тыс.грн.
Приведенные затраты:
З3 = 0,12 · 93422 + 8096.973 = 19307,613 тыс.грн.
По результатам расчета приведенных затрат каждого из вариантов видим, что наиболее выгодным и рациональным по технико-экономическим параметрам является первый вариант, т.к. для него приведенные затраты наименьшие среди представленных. Данный вариант принимается в качестве основного для дальнейших расчетов.
2. ВЫБОР ЭЛЕКТРИЧЕСКОЙ СХЕМЫ РУ ПОВЫШЕННОГО НАПРЯЖЕНИЯ
2.1 Порядок выбора схемы распределительного устройства
Схемы РУ повышенных напряжений электрических станций выбираются по номинальному напряжению, числу присоединений, назначению и ответственности РУ в энергосистеме, а также с учетом схемы прилегающей сети, очередности и перспективы расширения.
Выбор схемы ведется в следующей последовательности:
- намечаются варианты схемы РУ в соответствии с исходными данными и нормами технологического проектирования АЭС;
- вычисляются капитальные, эксплуатационные и приведенные затраты;
- выбирается РУ, имеющее минимальные приведенные затраты.
2.2 Составление вариантов схемы РУ повышенного напряжения
Требования к блокам мощностью 440 МВт и более АЭС:
- ремонт любого из выключателей напряжением 110 кВ и выше должен быть возможен без отключения присоединения;
отключение повышающих трансформаторов, трансформаторов собственных нужд
- и трансформаторов связи – не более, чем 3-мя выключателями;
- отключение линии – не более, чем 2-мя выключателями;
- при повреждении или отказе секционного или шиносоединительного выключателя, а также при повреждении (отказе) одного выключателя и ремонте другого допускается отключение двух реакторных блоков и такого числа линий, которое допустимо по условию устойчивости энергосистемы;
- повреждение (отказ) любого выключателя, кроме секционного или шиносоединительного, не должно приводить к отключению более одного реакторного блока и такого числа линий, которое допустимо по условию устойчивости работы энергосистемы.
При наличии нескольких вариантов схем, предпочтение отдается:
- более простому и экономичному варианту;
- варианту, по которому требуется наименьшее количество операций с выключателями и разъединителями РУ при режимных переключениях, выводе в ремонт отдельных цепей и при отключении поврежденных участков в аварийных режимах.
«Нормы технологического проектирования АЭС» при составлении вариантов схемы РУ для сравнения, рекомендуют в РУ 330 – 750 кВ с большим количеством присоединений, применять схемы с подключением присоединений через два выключателя (схемы 4/3 и 3/2).
Схема с двумя системами шин и 3-мя выключателями на две цепи имеет на каждое присоединение «полтора» выключателя. Каждое присоединение включено через два выключателя.
В нормальном режиме все выключатели включены, обе системы шин находятся под напряжением. Достоинства данной схемы:
- высокая надежность схемы;
- при ревизии любого выключателя все присоединения сохраняются;
- количество операций разъединителями минимально.
Недостатки схемы «3/2»:
- относительно большое количество выключателей;
- усложнение релейной защиты;
- удорожание схемы РУ при нечетном количестве присоединений;
- отключение к. з. на линии сразу двумя выключателями.
Схема с двумя системами шин и 4-мя выключателями на 3 присоединения требует «4/3» выключателя на присоединение. Наилучшие показатели схема имеет, если число линий в 2 раза меньше или больше числа трансформаторов. Достоинства схемы «4/3»:
- имеет достоинства схемы «3/2»;
более экономична;
- надежность схемы не снизится, если к одной цепочке будут присоединены две линии и один трансформатор вместо одной линии и двух трансформаторов;
- секционирование сборных шин требуется при числе присоединений более 15. Недостатки схемы «4/3» аналогичны недостаткам схемы «3/2», но имеют некоторые особенности:
- при ремонте любого из выключателей, примыкающего к шинам, отказ другого примыкающего к шинам выключателя той же цепочки приводит к потере 3-х присоединений, поэтому присоединения в одной цепочке следует делать разноименными;
- при ремонте любого из выключателей, не примыкающего к шинам, отказ примыкающего к шинам выключателя соседней цепочки приводит к отключению двух присоединений (одноименных или разноименных), поэтому рекомендуется чередовать цепочки с подключением в их середины то трансформатора, то линии, но при этом в целом по РУ число разноименных присоединений должно быть одинаково;
- при общем числе присоединений не кратном 3-м, увеличивается число выключателей, т. е. одну цепочку приходится включать по схеме «3/2» или даже «2/1»; номинальный ток выключателя определяется режимом ремонта одного из выключателей, примыкающих к шинам выключателю данной цепочки когда по второму протекает ток трех (двух) присоединений.
2.3 Определение капитальных, эксплуатационных и приведенных затрат
Капитальные затраты каждого варианта схемы РУ вычисляются по укрупненным показателям стоимости ячеек высоковольтных выключателей. В эксплуатационных затратах учитываются только амортизационные отчисления и отчисления на обслуживание.
Приведенные затраты определяются по формуле:
Зпр = (Ен + а + в) · К ,
где Ен – нормативный коэффициент эффективности, Ен = 0,12,
а – норма амортизационных отчислений, а = 0,064,
в – норма отчислений на обслуживание, в = 0,02,
К – капитальные затраты, тыс.грн.,
У – ущерб от недостатка электроэнергии (в курсовом проектировании не учитывается).
Выбор схемы РУ ВН:
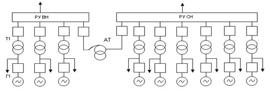
Ранее определили, что к РУ ВН присоединено 4 генератора, дано 4 ЛЭП и 1 присоединение для АТ. Т.о., РУ ВН имеет 9 присоединений.
Рассмотрим схему 3/2 выключателя на присоединение.

Рис 4.1. Схема 3/2 выключателя на присоединение
![]()
![]()
![]()
Нетрудно заметить, что наиболее нагруженной по току в нормальном режиме будет цепочка, состоящая из одного генератора и одной ЛЭП и ток в ней будет равен:
Imax =IГ +Iлэп =0,809+0,924=1,733 кА
Для схемы необходимо 14 выключателей. Выбираем воздушные наружной установки выключатели типа ВНВ – 750А–63/3150 У1. Капитальные затраты: Стоимость ячейки - К = 1080,6 тыс.грн. Общая стоимость - КΣ = 14 · 1080,6 = 15128.4 тыс.грн. Приведенные затраты: Зпр1 = (0,12 + 0,064 + 0,02) · 15128.4 = 3086.19 тыс.грн. Рассмотрим схему 4/3выключателя на присоединение.

Рис.4.2. Схема 4/3 выключателя на присоединение
Imax = IГ +2* Iлэп = 0.809 +2* 0.924 = 2,657 кА
Для схемы необходимо 12 выключателей. Выбираем воздушные наружной установки выключатели типа ВНВ – 750А–63/3150 У1
Капитальные затраты: Стоимость ячейки - К = 1080,6 тыс.грн.
Общая стоимость - КΣ = 12 · 1080,6 = 12967.2 тыс.грн.
Приведенные затраты: Зпр2 = (0,12 + 0,064 + 0,02) · 12967.2 = 2645.3 тыс.грн. Т.о. исходя из полученных значений приведенных затрат очевидно, что для схемы РУ ВН более выгодной является схема 4/3,т.к. Зпр2 < Зпр1.
Выбор схемы РУ СН:
Ранее определили, что к РУ СН присоединено 5 генераторов, дано: 5 ЛЭП и 1 присоединение для АТ, а также РТСН 3 присоединения. Т.о., РУ СН имеет 14 присоединений. Такое количество присоединений требует секционирования сборных шин РУ.
Рассмотрим схему 3/2 выключателя на присоединение.
![]()

Рис 4.3 Схема 3/2 выключателя на присоединение

![]()
где Smax =Pmax /cosφн =4800/0,9=5333.33 BAОчевидно, что максимальный номинальный ток в этой схеме будет в цепи содержащей один генератор и одну ЛЭП. В этом случае максимальный ток будет равен:
Imax =IГ +Iлэп =1.839 + 1.86= 3.707 кА
Для схемы необходимо 23 выключателя. Выбираем воздушные наружной установки выключатели типа ВНВ-330А-63/4000У1
Капитальные затраты: Стоимость ячейки - К = 631.8 тыс.грн. Общая стоимость - КΣ = 23 · 631.8 = 14531.4 тыс.грн. Приведенные затраты: Зпр1 = (0,12 + 0,064 + 0,02) · 14531.4 = 2964.405 тыс.грн. Рассмотрим схему 4/3 выключателя на присоединение. Номинальный ток выключателей определяется режимом ремонта одного из выключателей, примыкающего к шинам, когда возможно протекание по некоторым выключателям суммарного тока трёх присоединений, например, тока генератора и двух ЛЭП: Imax =IГ +2 IЛЭП где

Рис.4.4. Схема 4/3 выключателя на присоединение



где Smax =Pmax /cosφн =4800/0,9=5333.33 BA
ТогдаImax = IГ + IЛЭП +IАТ = 1.839 +1.86+1.043 = 4.74 кА
Так как современная промышленность производит выключатели данного напряжения только на номинальный ток до 4 кА, то целесообразно схему 4/3 дальше не рассматривать.
3. ПРОЕКТИРОВАНИЕ СХЕМЫ ЭЛЕКТРОСНАБЖЕНИЯ СОБСТВЕННЫХ НУЖД БЛОКА
3.1 Характеристика потребителей собственных нужд
Характерная особенность схемы электроснабжения собственных нужд (с.н.) АЭС – повышенные требования к надежности питания приводов механизмов, обеспечивающих безопасность АЭС. Механизмы с.н. АЭС относятся согласно ПУЭ к потребителям 1-ой категории и делятся на три группы:
Потребители 1 группы – это потребители, не допускающие перерыва питания более чем на доли секунды во всех режимах и требующие обязательного наличия питания после срабатывания аварийной защиты реактора; к ним относятся:
а) потребители, допускающие перерыв питания не более чем на доли секунды и требующие длительное время надежного питания после срабатывания АЗ реактора (системы КИП и А, приборы технологического контроля, системы дозиметрии, потребители постоянного тока и постоянно - горящая часть аварийного освещения);
б) потребители, допускающие перерыв питания не более чем доли секунды, но не требующие длительное время питания после срабатывания АЗ реактора (электроприводы задвижек и отсечной арматуры, БРУ-К);
в) потребители, требующие при переходных режимах в энергосистеме гарантированного питания в течение 2-х секунд для предотвращения срабатывания АЗ реактора (электромагниты приводов СУЗ, удерживающие стержни управления в заданном положении).
Потребители 2 группы
– допускают перерыв питания на время, определяемое условиями безопасности (от десятков секунд до нескольких минут) и требуют обязательного наличия питания после срабатывания АЗ реактора (насосы аварийного охлаждения зоны, спринклерные насосы, маслонасосы турбины и уплотнения вала генератора). Для питания этих потребителей применяют дизель - генераторы.
Потребители 3 группы – не предъявляют к надежности более высокие требования, чем к питанию ответственных потребителей с.н. АЭС (конденсаторные и циркуляционные насосы).
3.2 Сети питания потребителей с.н.
На АЭС должны предусматриваться следующие сети электроснабжения потребителей с.н.:
а) Сети 6 кВ и 0,4 кВ, 50 Гц надежного питания потребителей 2 группы;
б) Сеть 0,4 кВ, 50 Гц надежного питания потребителей 1 группы;
в) Сеть 220 В, 110 В, 48 В, 24 В постоянного тока для питания потребителей, не допускающих перерыв питания или допускающих кратковременный перерыв в питании;
г) Сеть 6 кВ и 0,4 кВ, 50 Гц для питания потребителей, которые не предъявляют специальных требований к питанию, т. е. потребителей 3 группы.
3.3 Схемы электрических соединений с.н.
Для потребителей С.Н. АЭС должно предусматриваться нормальное рабочее и резервное питание от рабочих и резервных трансформаторов собственных нужд и аварийных источников питания. В качестве аварийных источников питания применяются:
аккумуляторные батареи (АБ) и АБ со статическими преобразователями;
автоматизированные дизель – генераторы (ДГ) и газотурбинные установки.
3.3.1 Схема электрических соединений 6 кВ для потребителей 3 группы надежности
Сборные шины 6 кВ для потребителей 3 группы разделены на секции, количество которых выбирается, в зависимости от количества ГЦН первого контура и от количества трансформаторов с.н. (ТСН). Каждая секция присоединяется к рабочему источнику через свой выключатель. Для реакторной установки ВВЭР – 1000 устанавливают 4 таких секции – ВА, ВВ, ВС, ВД. Рабочее питание этих секций осуществляется от ТСН, в качестве которых целесообразно использовать трансформаторы с расщепленными обмотками низкого напряжения. На каждую из этих секций предусматривается ввод от магистралей резервного питания BL, BM, BN, BP, подключенных к резервным ТСН.
3.3.2 Схема электрических соединений 0,4 кВ для потребителей 3 группы надежности
Потребители секции 0,4 кВ 3 группы надежности получают питание от шин 6 кВ 3 группы надежности через понижающие трансформаторы 6,3 / 0,4 кВ. Мощность этих трансформаторов не должна превышать 1000 кВ*А при Uк = 8%. Каждая из секций 0,4 кВ должна иметь два источника питания: рабочий и резервный. В качестве рабочего источника используется отдельный трансформатор или общий для двух секций. В качестве резервного источника – либо отдельный резервный трансформатор, либо взаимное резервирование 2-х рабочих трансформаторов. В последнем случае между секциями должен быть предусмотрен секционный автомат с АВР.
3.3.3 Схемы электрических соединений 6 кВ и 0,4 кВ для потребителей 2 группы надежности
На АЭС должны быть предусмотрены автономные системы безопасности в технологической части и автономные системы надежного питания на напряжениях 6 кВ и 0,4 кВ, включающие распределительные устройства и автономные источники питания (ДГ).
Питание потребителей 6 кВ второй группы надежности (система безопасности)
Для питания потребителей 6 кВ и трансформаторов 6 / 0,4 кВ, 6 / 0,23 кВ 2 группы надежности предусмотрены секции 6 кВ, количество которых должно соответствовать числу каналов системы безопасности: для ВВЭР – 1000 – 3 секции (BV, BW, BX). Каждая из этих секций подключается к рабочему источнику питания (блочной секции 6 кВ 3 группы надежности) через два выключателя. Основные потребители секций BV, BW, BX: насосы аварийного охлаждения зоны, аварийные питательные насосы, спринклерные насосы и т. п.
В случае исчезновения напряжения на этих секциях, питание на них подается от ДГ мощностью 5600 кВт каждый. Между тремя секциями 6 кВ надежного питания и ДГ не предусматривается взаимное резервирование. Каждая из секций способна по мощности обеспечить аварийное расхолаживание при любой аварии. При возникновении аварийной ситуации сигнал на запуск ДГ должен подаваться независимо на каждый из них; набор нагрузки осуществляется автоматически, ступенями. ДГ постоянно находятся в режиме «горячего резерва».
Питание общеблочных потребителей 6 кВ 2 группы надежности
Для обеспечения надежным питанием механизмов, отвечающих за сохранность основного оборудования машинного зала и реакторного отделения, энергоблоки оснащаются системой надежного питания общеблочных потребителей 2 группы в режиме обесточения. В составе системы надежного питания общеблочных потребителей 6 кВ:
две общеблочные секции 6кВ BJи BK, связанные перемычкой c 2 выключателями;
автономный ДГ с системами питания его собственных нужд.
При нарушении электроснабжения шин надежного питания 6кВ общеблочных потребителей предусмотрены следующие режимы:
при обесточении 1-ой секции – включаются секционные выключатели;
при обесточении 2-х секций – запускаются два ДГ (своего и соседнего блоков).
Питание потребителей 0,4 кВ второй группы надежности (система безопасности)
От каждой секции надежного питания 6 кВ питаются две секции 0,4 кВ через понижающие трансформаторы. Состав механизмов, подключенных к секциям 0,4 кВ и мощность трансформаторов, должны быть рассчитаны на 100% нагрузку потребителей 0,4 кВ в одной системе безопасности.
Питание общеблочных потребителей 0,4 кВ 2 группы надежности
Потребители этой группы получают питание от секций CJ, CK, каждая из которых питается через понижающий трансформатор 6,3 / 0,4 кВ от секций BJ и BK. Секции CJ, CK связаны перемычкой с 2-мя выключателями вводов резервного питания, на которые должна быть предусмотрена подача напряжения от резервного трансформатора 6,3 / 0,4 кВ от секции CR. Секции CJ, CK секционированы. При нарушении электроснабжения секций должна быть предусмотрена возможность подачи питания от резервного трансформатора 6,3 / 0,4 кВ соседнего блока.
3.3.4 Схемы для потребителей 1 группы надежности
Для питания потребителей этой группы используются сети постоянного тока и сети переменного тока 0,4 кВ.
Схемы для потребителей 1 группы системы безопасности
Система постоянного тока должна быть разделена на отдельные установки, число которых равно числу каналов системы безопасности. Каждая установка постоянного тока состоит из АБ, зарядного и подзарядного устройств и распределительного щита. АБ должна работать в режиме постоянного подзаряда через выпрямительные устройства, подключенные через понижающие трансформаторы к секциям потребителей 2 группы надежности.
АБ каналов системы безопасности выбираются из условия их автономной работы в режиме обесточения по допустимому уровню напряжения при максимальной толчковой нагрузке, включая суммарную нагрузку сети потребителей переменного тока 1 группы надежности, с учетом пускового тока двигателей.
Зарядное и подзарядное устройства могут быть совмещены в одном устройстве (ТППС - 800). Для питания потребителей переменным током заряда и подзаряда, используются агрегаты бесперебойного питания (АБП), состоящие из выпрямителя и инвертора. Число АБП должно быть не меньше числа каналов системы безопасности.
Схемы для общеблочных потребителей 1 группы
Система постоянного тока питания общеблочных потребителей 1 группы разделена на 3 установки (2 общеблочных и 1 – для питания информационно – вычислительного комплекса).
Каждая установка постоянного тока состоит из АБ, зарядного и подзарядного устройства и распределительного щита. Постоянный подзаряд АБ осуществляется через выпрямительные устройства и понижающие трансформаторы от блочных секций 6 кВ потребителей 2 группы, и от секций 0,4 кВ 3 группы. АБ выбираются по 2-м показателям:
допустимому уровню напряжения при максимальной толчковой нагрузке в начале аварии;
величине разрядной емкости в 30-минутном режиме разряда.
АБ оборудуется элементным коммутатором. Для питания потребителей 1 группы переменным током, а также заряда и подзаряда, используются АБП, которые должны обеспечить питание КИП и А машинного зала, автоматики системы управления турбиной (АСУТ), управляющей вычислительной системы.
Схемы для приводов системы управления и защиты (СУЗ)
Среди потребителей 1 группы существуют потребители, требующие при переходных режимах в энергосистеме гарантированного питания в течение 2-х секунд (для предотвращения срабатывания АЗ реактора), но не требующие питания в режиме обесточения и после срабатывания АЗ реактора. Это электромагниты приводов СУЗ, удерживающие стержни управления в заданном положении.
В нормальном режиме электромагниты привода СУЗ должны получать питание от секции 0,4 кВ через трансформаторы 6,3 / 0,4 кВ. В схеме электроснабжения с.н. устанавливается не менее 2-х таких секций и трансформаторов для взаиморезервирования питания нагрузки СУЗ – это секции CE и CF. Во избежание погашения реактора при посадках напряжения до 2-х секунд на шинах 6 кВ 3 группы надежности, должно предусматриваться переключение приводов СУЗ на специально установленную АБ напряжением 110 В. Батарея должна работать в режиме постоянного подзаряда от подзарядного агрегата. Подзарядный агрегат получает питание от шин 0,4 кВ нормальной эксплуатации (3 группы надежности)
4. ВЫБОР МОЩНОСТИ ТСН АЭС
4.1 Выбор мощности рабочих ТСН блока ВВЭР – 1000
Мощность рабочих ТСН выбирается по расчетной нагрузке секций. При выборе мощности ТСН необходимо иметь в виду, что многие механизмы являются резервными, часть потребителей работает периодически, а также то, что мощность электродвигателей завышается из-за ухудшения условий пуска, а выбор мощности по каталогу также приводит к завышению мощности электродвигателей. При проектировании электрической части АЭС, определение расчетной нагрузки основного ТСН на напряжении 6 кВ целесообразно проводить в табличной форме (таблица 4.1). Распределение потребителей по секциям необходимо производить равномерно, чтобы расщепленные обмотки и сами ТСН были нагружены примерно одинаково.
Определяем расчетную мощность рабочего ТСН:
Sрасч.т = Красч * Smax = 0,9 * 52290 = 47061 КВА,
где Красч – расчетный переводной коэффициент,
Smax – максимальная нагрузка на один из ТСН (из таблицы 2.1).
По каталогу выбираем трансформатор типа ТРДНС – 63000 / 35:
Sном = 63 МВА, Uв / Uн = 27 / 6,3 – 6,3 кВ.
Мощность выбранного трансформатора несколько завышена в целях обеспечения успешности самозапуска.
Таблица 4.1 Расчетная нагрузка основного ТСН
Наименование прибора |
Число | Р,S кВт кВА |
кпд | k коэф заг | Расчетная нагруз на трансфор |
Распределение нагрузки на секции | ||||||||
| Уст | Раб | BA-BJ-BV | BB-BW | BC-BX | BD-BK | |||||||||
| nуст | SкВА | nуст | SкВА | nуст | SкВА | nуст | SкВА | |||||||
| ГЦН | 5 | 4 | 8000 | 97,5 | 0,67 | 5497,43 | 1 | 5497 | 1 | 5497 | 1 | 5497 | 1 | 5497 |
| ЦН 1-й скорос | 4 | 3 | 2500 | 97 | 0,88 | 2268,04 | 1 | 1 | 1 | |||||
| ЦН 2-й скорос | 4 | 3 | 4000 | 96,9 | 0,88 | 3632,61 | 1 | 3633 | 1 | 3633 | 1 | 3633 | ||
| Конденс Н 1 ст | 3 | 2 | 1000 | 95,5 | 0,62 | 649,21 | 1 | 650 | 1 | 650 | ||||
| Конденс Н 2 ст | 6 | 2 | 1600 | 96,5 | 0,62 | 1027,97 | 1 | 1028 | 1 | 1028 | ||||
| Подъемный Н | 2 | 1 | 320 | 91 | 0,64 | 225,05 | 1 | 225 | ||||||
| Н замкнутого цикла ОГЦ | 2 | 1 | 630 | 95,5 | 0,64 | 422,19 | 1 | 422 | ||||||
| Слив Н ПНД1 | 3 | 2 | 315 | 93,7 | 0,64 | 215,15 | 1 | 215 | 1 | 215 | ||||
| Сетевой Н | 4 | 2 | 680 | 94,1 | 1,0 | 722,63 | 1 | 723 | 1 | 723 | ||||
| Н неотв потреб | 2 | 1 | 1000 | 95,5 | 1,0 | 1047,12 | 1 | 1047 | ||||||
| Н градирен | 4 | 2 | 4000 | 96,9 | 0,45 | 3632,61 | 1 | 3632 | 1 | 3632 | ||||
| Подпиточн Н | 3 | 3 | 800 | 96 | 0,93 | 775 | 1 | 775 | 1 | 775 | 1 | 775 | ||
| Слив Н ПНД3 | 3 | 2 | 500 | 94,4 | 0,6 | 317,8 | 1 | 318 | 1 | 318 | ||||
| Н гидростатич подъема ротора | 2 | 1 | 250 | 94,5 | 0,5 | 132,27 | 1 | 133 | ||||||
| Конденсат Н ПСВ | 2 | 1 | 250 | 94,5 | 0,64 | 169,31 | 1 | 170 | ||||||
| Н технич воды ответственных потребителей | 6 | 3 | 630 | 95,5 | 0,64 | 329,84 | 1 | 330 | 1 | 330 | 1 | 330 | ||
| Н промыв воды элмагнт фильтр | 2 | 2 | 250 | 94,5 | 0,9 | 238,09 | 1 | 238 | 1 | 238 | ||||
| Эд хим водо очистки | 5 | 5 | 250 | 94,5 | 0,9 | 238,09 | 1 | 238 | 2 | 238 | 1 | 238 | 1 | 238 |
| Т-р 2-й ступени | 30 | 30 | 1000 | 95,5 | 1,0 | 1047,12 | 7 | 1047 | 8 | 1047 | 8 | 1047 | 7 | 1047 |
| Т-р АБП | 5 | 5 | 400 | 95,3 | 1,0 | 419.72 | 1 | 420 | 1 | 420 | 2 | 420 | 1 | 420 |
| Н сепаратора | 2 | 1000 | 95,5 | 0,62 | 649.21466 | 1 | 650 | 1 | 650 | |||||
| Н подъемный | 4 | 400 | 95,3 | 0,64 | 268,62 | 1 | 270 | 1 | 270 | 1 | 270 | 1 | 270 | |
| Н авар впрск Br | 3 | 800 | 96 | 0,95 | 791,67 | 1 | 1 | 1 | ||||||
| ПН аварии | 3 | 800 | 96 | 0,95 | 791,67 | 1 | 1 | 1 | ||||||
| Н авар расхола | 3 | 800 | 96 | 0,95 | 791,67 | 1 | 1 | 1 | ||||||
| Н сплинкерный | 3 | 500 | 94,4 | 0,85 | 450,21 | 1 | 1 | 1 | ||||||
| Н технич воды | 9 | 800 | 96 | 0,65 | 541,67 | 2 | 542 | 3 | 542 | 2 | 542 | 2 | 542 | |
| Т-р ДЭС | 3 | 400 | 95,3 | 1,0 | 419.72 | 1 | 420 | 1 | 420 | 1 | 420 | |||
| ТСН общбл ДГ | 1 | 400 | 95,3 | 1,0 | 419.72 | 1 | 420 | |||||||
| Н вспомогатель | 2 | 800 | 96 | 0,95 | 791,67 | 1 | 792 | 1 | 792 | |||||
| ТСН общбл ДГ | 1 | 250 | 94,5 | 1,0 | 264,55 | 1 | 265 | |||||||
| Н пожарный | 2 | 250 | 94,5 | 0,8 | 211,64 | 1 | 212 | 1 | 212 | |||||
| Суммарная мощность каждой ячейки | 26010 | 26222 | 26319 | 25971 | ||||||||||
| Суммарная мощность каждого из трансформатора | 52232 | 52290 | ||||||||||||
4.2 Выбор мощности резервных ТСН блока ВВЭР – 1000
Определение расчетной нагрузки на резервный ТСН производится аналогично рабочему ТСН. При отсутствии генераторных выключателей резервный ТСН должен обеспечить длительную замену рабочего и одновременно пуск или останов другого реакторного блока. При наличии генераторных выключателей мощность резервного ТСН должна обеспечить останов реакторного блока, в том числе и при объединенных или укрупненных блоках генератор – трансформатор.
Для реакторов с одним блоком генератор – трансформатор мощность резервного ТСН, как правило, принимаются равной мощности рабочего ТСН блока. Поэтому в качестве резервного ТСН выбираю трансформатор типа:
ТРДНС – 63000 / 330.
Sном = 63 МВА, Uв / Uн = 330 / 6,3 – 6,3 кВ.
Резервный ТСН питается от ОРУ 330 кВ.
5. РАСЧЁТ РЕЖИМА САМОЗАПУСКА ЭЛЕКТРОДВИГАТЕЛЕЙ МЕХАНИЗМОВ СОБСТВЕННЫХ НУЖД АЭС
5.1 Основные положения
Самозапуск – это процесс автоматического восстановления нормального режима работы электродвигателей механизмов с.н. после кратковременного нарушения электроснабжения, вызванного исчезновением или глубоким снижением питающего напряжения. После отключения питания или глубокой посадки напряжения происходит снижение частоты вращения электродвигателей под действием момента сопротивления. Этот процесс можно разделить на две стадии:
в первый момент исчезновения напряжения наблюдается групповой выбег агрегатов с.н., при котором из-за их взаимного влияния частота вращения снижается с одинаковой скоростью;
в дальнейшем в соответствии с механическими характеристиками происходит индивидуальный выбег агрегатов с.н.
При подаче напряжения питания осуществляется режим собственно самозапуска электродвигателей, когда частота вращения возрастает. Самозапуск будет успешным, если агрегаты с.н. развернутся до рабочей частоты вращения за время, не превышающее допустимую величину. Успешность самозапуска зависит от времени перерыва питания, параметров питающей сети, суммарной мощности неотключенных электродвигателей и их загрузки, а также от механических характеристик механизмов и других факторов.
5.2 Расчетные и допустимые условия режима самозапуска
При расчетах режима самозапуска электродвигателей с.н. должны использоваться конкретные данные и реальные режимы работы оборудования. Время перерыва питания с.н. для АЭС выбирают равным 0,7 ÷ 2 секунды. Продолжительность самозапуска не должна превышать 20 секунд для блочных электростанций с турбогенераторами мощностью 160 МВт и более.
В проектах электростанций выявление успешности самозапуска электродвигателей напряжением 6 кВ осуществляется по методу, связанному с определением начального напряжения на выводах электродвигателей в первый момент собственно режима самозапуска. Принимается, что самозапуск будет успешным, если начальное напряжение на электродвигателях после включения резервного источника питания составит не менее (0,6 ÷ 0,65) Uном .
В качестве режима самозапуска от резервного ТСН принимаем самозапуск одновременно с четырех секций в результате отключения энергоблока и посадки стопорных клапанов турбины. По окончании самозапуска электродвигателей 4-х секций должно восстанавливаться напряжение на шинах с.н. для обеспечения нормального останова блока.
Для обеспечения успешного самозапуска в тяжелых режимах на АЭС предусматривается отключение некоторых электродвигателей, не влияющих на технологический режим работы блока.
Проектными организациями определен перечень механизмов, участвующих в самозапуске. В этом перечне определена группа механизмов, подлежащих отключению для облегчения самозапуска. Основные механизмы этого перечня представлены в таблице 5.1
Таблица 5.1
| Наименование механизма | Кол-во | S, кВА | Примечание |
Циркуляционный насос (градирня) Циркуляционный насос конденсатора (2 -х скоростной) Насос замкнутого контура ОГЦ Насос гидростатического подъема ротора Итого |
4 3/3 2 2 |
4000 2500/4000 630 250 37260 |
Отключение не предус-мотрено |
ГЦН Вспомогательный питательный насос Конденсатные насосы 1 и 2 ступеней Подпиточный насос Сетевой насос Сливной насос ПНД – 1 Сливной насос ПНД – 3 Трансформатор 6,3 / 0,4 (0,22) кВ Насос технич. воды ответственных потребителей Насос откачки сепаратора |
4 2 3/3 3 2 3 3 20 6 2 |
8000 800 1000/1600 800 630 315 500 1000 630 300 |
Отключение от защиты со временем второй ступени 3 – 9 сек. при напряжении 1/2 Uном и ниже. |
5.3 Расчет начального напряжения режима самозапуска
1. Расчет для режима самозапуска потребителей двух секций

2. С учетом классификации механизмов, определяются параметры электродвигателей участвующих в самозапуске
![]()
![]()
![]()
Определение токов на секциях (BC-BX) (BD-BK)


Кпi=5.6IHUад(н)=6 кВ
3. Выбор базисных величин:
- базисная мощность Sб = 63 МВА;
- базисное напряжение Uб = 6,0 кВ.
4. Определение параметров расчетной схемы замещения:
Номинальный ток трансформатора

![]()
Хс =Sб /(1,73*Iпо.вн *Uвн )= 63·106 /(1,73*1655,28*330000)= 0,067 о. е.
Сопротивление трансформаторов
![]()
![]()
Сопротивление магистралей от РТСН до секции нормальной эксплуатации
Lш =210 м Худ=0,2 Ом/км
где Худ – удельное сопротивление, Худ = 0,2 Ом/км;
Lш – длина шин магистралей резервного питания, Lш = 0,21 км.
Хмаг1 = Хмаг2 = Худ ·Lш ·Sб /Uб 2 =0,2·0,2·63/62 =0,0735
5. Напряжение питающей сети, приведенное к стороне РТСН
Uсети=Uвн*Uнн/Uотв*Uб , где Uотв напряжение ответвления обмотки ВН РТСН, тогда
Uсети= Uнн/ Uб=6,3/6=1,05
6. Напряжение на секциях СН при самозапуске в относительных единицах, в пренебрежении активными сопротивлениями элементов питающей сети и нагрузок
Определение токов нагрузок трансформаторов соответствующих секций
![]()
![]()


Относительные сопротивления электродвигателей:
Zд1
=
=
= 0,537
Zд2
=
=
= 0,685
Относительные проводимости электродвигателей:
В1 = 1 / Zд1 = 1 / 0,537 =1,86 о. е.
В2 = 1 / Zд2 = 1 / 0,685 = 1,46 о. е.
Х1=Х2=Хнн + Хмаг=0,222+0,735=0,2955
Р1=Р2=ХС+ХВ / Х1=0,067+0,016/0,2955=0,28

![]()
![]()
Так как самозапуск не будет успешным, необходимо уменьшить нагрузку, участвующую в нем. Исходя из таблицы 6.1 стр. 58 [1] в работе должны остаться (то есть отключение минимального напряжения не предусматривается) четыре насоса: циркуляционный насос (градирня), циркуляционный насос конденсатора, насос замкнутого контура ОГЦ, насос гидростатического подъема ротора. На секциях ВС+ВХ находится: циркуляционный насос конденсатора (двухскоростной), уменьшим нагрузку до минимально возможной оставив в работе только вышеуказанный насос. На секциях ВD+ВK из насосов остаются: циркуляционный насос конденсатора (двухскоростной), насос градирни, отключим 4 трансформатора второй ступени. Произведем повторный расчет.

![]()


Zн1
=
=
= 0,711
Zн2
=
=
= 1,21
В1 = 1 / Zд1 = 1 / 0,711 =1,406 о. е.
В2 = 1 / Zд2 = 1 / 1,12 = 0,826 о. е.

![]()
![]()
Полученные значения больше 0.6, самозапуск произойдет успешно следовательно допустимо использование трансформатора ТРДНС – 63000 / 35.
6.ОПРЕДЕЛЕНИЕ МОЩНОСТИ ДИЗЕЛЬ-ГЕНЕРАТОРОВ СИСТЕМ НАДЁЖНОГО ПИТАНИЯ
6.1 Методика определения мощности дизель-генераторов систем надёжного питания
Мощность дизель-генератора при ступенчатом пуске асинхронной нагрузки выбирают по мощности, потребляемой(Рпотр i ) электродвигателями, подключёнными к секции надёжного питания, и возрастающей с пуском очередной ступени. Должно выполняться условие:
где (20)
nст - число ступеней пуска;
Рн дг – номинальная нагрузка ДГ.
Значение Рпотр определяется по номинальной мощности двигателя Рн дв , по его коэффициенту загрузки и КПД:
где (21)
Ррас – расчётная мощность ЭД.
По этим формулам определяются мощности, потребляемые ЭД по завершении операции пуска соответствующей ступени. В то же время в процессе пуска очереди, в особенности при прохождении отдельными ЭД критического скольжения, величина нагрузки на ДГ может кратковременно увеличиться по сравнению с установившемся режимом. Для ДГ существуют заводские характеристики допустимых предельных нагрузок. Определение нагрузки в процессе пуска АД представляет сложную и трудоёмкую задачу. Пусковую мощность двигателя можно оценить на основе мощности, потребляемой в установившемся номинальном режиме, коэффициентов мощности номинального и пускового режимов, кратности пускового тока:
![]()
(22)
Тогда пусковая мощность на каждой из ступеней пуска определяется как сумма мощностей, потребляемых в установившемся режиме ранее запущенными двигателями, и пусковой мощности двигателей, запускаемых в данной ступени. Следует отметить, что пусковая мощность, определяемая по формуле (22), является величиной условной, так как в процессе пуска напряжение снижается.
6.2 Расчёт мощности ДГ систем надёжного питания
Расчёт мощности ДГ целесообразно вести в табличной форме. Расчёт приведён в таблице 6.1
| Очередь пуска | Механизм | Рдв.н.(кВТ) | Рпотр.(кВТ) | соsφ пуск | Рпуск.(кВТ) | Установившая мощность |
Пусковая мощность |
Время включ |
| 1 | Эквивалентный трансформатор надежного питания АБП | 1000 | 800 | 0,3 | 1500 | 800 | 1500 | 0 |
| 2 | Насос технической воды на ОРДЭС | 1250 | 1170 | 0,22 | 2080 | 1970 | 2880 | 10 |
| 3 | Насос подачи бора высокого давления | 55 | 45 | 0,89 | 126 | 2015 | 2096 | 5 |
| 4 | Насос аварийного впрыска бора | 800 | 625 | 0,89 | 1372 | 2640 | 3468 | 5 |
| 4 | Насос аварийного расхолаживания | 800 | 625 | 0,89 | 1372 | 3265 | 4012 | 5 |
| 4 | Аварийный питательный насос | 800 | 625 | 0,89 | 1372 | 3890 | 4637 | 5 |
| 5 | Насос технической воды ответственных потребителей | 630 | 498 | 0,88 | 1020 | 4388 | 4910 | 10 |
| 6 | Насос промконтура | 110 | 89 | 0,86 | 197 | 4477 | 4585 | 20 |
| 6 | Рециркуляц система охлаждения бокса | 110 | 89 | 0,86 | 197 | 4566 | 4674 | 20 |
| 6 | Рециркуляц система охлаждения центр зала | 110 | 89 | 0,86 | 197 | 4655 | 4763 | 20 |
| 7 | Рециркуляц система охлаждения шахты аппарата | 110 | 89 | 0,86 | 197 | 4744 | 4852 | 20 |
| 8 | Насос организованных протечек | 75 | 61 | 0,85 | 150 | 4805 | 4894 | 20 |
| 9 | Сплинкеный насос | 500 | 397 | 0,87 | 798 | 5202 | 5603 | 30 |
| 10 | Пожарный насос | 250 | 222 | 0,31 | 550 | 5424 | 5752 | 40 |
В качестве автономного источника выбираем дизель-генераторную станцию АСД – 5600, которая состоит из дизеля 78Г и синхронного генератора СБГД – 6300 – 6МУЗ
Номинальные данные генератора
- Активная мощность: Р=5600 кВт
- Напряжение: U=6300 В
- Ток статора: I=723 А
- Частота вращения n=1000 об/мин
Генератор обеспечивает пуск асинхронных двигателей, который сопровождается внезапным увеличением нагрузки до 150%
. Вместе с тем генератор в любом тепловом состоянии обеспечивает длительные нагрузки: 10% - 1ч., 25% - 15 мин., 50% - 2 мин.,
7. РАСЧЕТ ТОКОВ КОРОТКОГО ЗАМЫКАНИЯ В ГЛАВНОЙ СХЕМЕ ЭЛЕКТРИЧЕСКИХ СТАНЦИЙ
7.1Общие положения
Расчёты токов КЗ производятся для выбора или проверки параметров электрооборудования, а так же для выбора или проверки уставок релейной защиты и автоматики.
Основная цель расчёта состоит в определении периодической составляющей тока КЗ для наиболее тяжелого режима работы сети.
Учёт апериодической составляющей производят приближенно, допуская при этом, что она имеет максимальное значение в рассматриваемой фазе.
Расчёт тока КЗ с учётом действительных характеристик и действительного режима работы всех элементов энергосистемы состоящей из многих электрических станций и подстанций, весьма сложен. Поэтому вводят ряд допущений, упрощающих расчёты и не вносящих существенных погрешностей:
- фазы ЭДС в
сех генераторов не изменяются в течение времени КЗ (отсутствует качание генераторов);
- не учитывается насыщение магнитных систем, что позволяет считать постоянными и не зависимыми от тока индуктивные сопротивления всех элементов КЗ цепи;
- пренебрегают намагничивающими токами трансформаторов;
- не учитывают ёмкостные проводимости элементов КЗ цепи на землю;
- считают, что трёхфазная система напряжений симметрична;
- влияние нагрузки на ток КЗ учитывают приближенно;
- при вычислении токов КЗ пренебрегают активным сопротивлением, если х/r > 3;
- обязательно учитывают R при определении постоянной времени затухания апериодической составляющей тока КЗ - Та .
Эти допущения существенно упрощают расчёты причём приводят к некоторому преувеличению токов КЗ (≤10%), что считается допустимым.
Расчёт токов при трёхфазном КЗ выполняется в следующем порядке:
-для рассматриваемой части энергосистемы составляется расчётная схема; по расчётной схеме составляется электрическая схема замещения. путём постепенного преобразования приводят схему замещения к наиболее простому виду так, чтобы каждый источник питания или группа источников, характеризующихся определённым значением результирующей ЭДС
,были связаны с точкой КЗ одним результирующим сопротивлением хрез
.
Используя методы расчёта электрических схем (узловых потенциалов, контурных токов, типовых кривых) определяют ток короткого замыкания в заданном месте схемы.
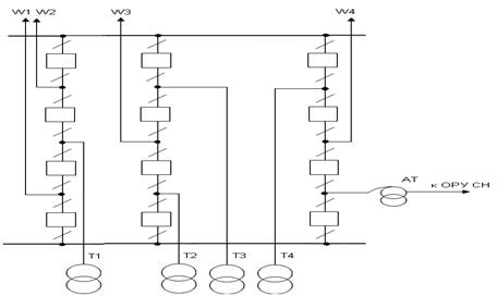
![]()
Рис 7.1 Расчетные зоны по токам КЗ для блочной электростанции
![]()
Рис. 7.2 Схема замещения блочной электростанции
Расчет
1. Исходные данные (параметры элементов схемы ):
Энергосистема: ВН – SК1 =17000МВА, UВН =750кВ;
СН – SК2 =13000МВА, UСН =330кВ;
ЛЭП – ВН – W1…W4, ℓвн = 210км, Худ вн =0,28 Ом/км.
- СН – W5…W9, ℓсн = 60км, Худ сн =0,4 Ом/км.
Блочные трансформаторы:
ВН – Т1,Т2,Т3,Т4®ОРЦ-417000/750, UК1 =14%;
СН – Т5,Т6,Т7, Т8,Т9®ТНЦ-1250000/330, UК2 =14,5%;
Автотрансформатор связи:
АОДЦТН 330000/750/330, UК4 =11,5%.
Генераторы:
G1…G9 ® ТВВ-1000-2У3; SН1 =1111МВА; cosj=0,9;
PН1
=1000МВт, Uн
=24кВ,
=0,382,
=0,269.
Трансформаторы собственных нужд:
ТРДНС-63000/35; и К5 =12,7%.
2. Определение параметров схемы замещения в о.е. для зоны I (КЗ на шинах 750кВ или 330)
Выбираем в качестве базисных Uб =750кВ и Sб =1000МВА.
Базисный ток:

Сопротивления генераторов в о.е.:

Сопротивление блочных трансформаторов:
- на стороне ВН

- на стороне СН

Суммарное эквивалентное сопротивление генераторов и блочных трансформаторов:
На стороне ВН 
На стороне СН 
Сопротивление автотрансформатора связи типа АОДЦТ-417000/750/330:
![]()
Где:
.
.
Сопротивление линий электропередачи:
- на стороне ВН
,
- на стороне СН
.
Сопротивление приемной системы:
- на стороне ВН
,
- на стороне СН
.
Суммарное эквивалентное сопротивление ЛЭП и систем:
,
.
Сопротивления трансформаторов собственных нужд:
,
,
,
Сверхпереходные ЭДС электроэнергетических систем, находящихся на значительном удалении от расчетных точек КЗ принимаем равным
. Сверхпереходные ЭДС генераторов:
![]()
где
так как принимается, что до короткого замыкания генераторы работали в номинальном режиме.
Эквивалентные ЭДС генераторов:
- на стороне ВН ![]()
- на стороне СН ![]()
![]()
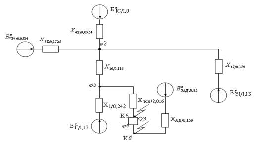
Для определения токов КЗ в I расчетной зоне упрощенная схема замещения имеет вид
Рис. 7.3 Упрощенная схема замещения главной схемы АЭС с двумя ОРУ повышенного напряжения.
3. Расчет токов КЗ для I зоны
А) Расчет токов КЗ для точки К1 (на стороне ВН):
Потенциал в точке КЗ равен нулю - j1 =0.
Составление уравнения для узла j2 .

Подставляя численные значения величин, определенных ранее, получим

Начальные значения периодической составляющей тока КЗ по ветвям схемы:
относительных единицах
;
![]()
![]()
- в именованных единицах при
.
![]()
![]()
![]()
Суммарное начальное значение периодической составляющей тока КЗ в точке К1:
![]()
Суммарное значение апериодической составляющей тока КЗ в точке К1 в момент отключения выключателя:
(каждая составляющая определяется по формуле):
.
Где t - время отключения тока КЗ, ![]()
tр.з. – время срабатывания релейной защиты, tр.з. = 0,01с.
tс.в. – собственное время срабатывания выключателя, для I зоны
t=0,1-0,2 с; принимаем t=0,16;
Та – постоянная затухания апериодической составляющей тока КЗ; дается в справочниках [2] для различных цепей. В рассматриваемом случае
.

Определение ударных токов КЗ для зоны I:

Определение импульса квадратичного тока:
![]()
А2
с
Б) Расчет токов КЗ для точки К1/ (на стороне СН):

Потенциал в точке КЗ равен нулю - j2=0. Составим уравнение для узла j1.


Начальные значения периодической составляющей тока КЗ по ветвям схемы:
- относительных единицах
;
![]()
![]()
- в именованных единицах при
.
![]()
![]()
![]()
Суммарное начальное значение периодической составляющей тока КЗ в точке К1`:
![]()
Суммарное значение апериодической составляющей тока КЗ в точке К1 в момент отключения выключателя: (каждая составляющая определяется по формуле):
.
Где t - время отключения тока КЗ,
tр.з.
– время срабатывания релейной защиты, tр.з.
= 0,01с. tс.в.
– собственное время срабатывания выключателя, для I зоны t=0,1-0,2 с; принимаем t=0,16; Та – постоянная затухания апериодической составляющей тока КЗ; дается в справочниках [2] для различных цепей. В рассматриваемом случае:
.
![]()
Определение ударных токов КЗ для зоны I:
![]()
Определение импульса квадратичного тока
![]()
А2
с
4. Расчет токов короткого замыкания для зоны III
А) Расчет токов КЗ для точек КЗ и КЗ/ (на стороне ВН):
На стороне ВН ![]()
Рис 7.4 Схема замещения для цепи тока зоны III на стороне ВН
Составляем систему уравнений по методу узловых потенциалов, принимая, что в точке КЗ потенциал равен нулю (j3 =0 или j/ 3 =0).
При коротком замыкании на выводах генератора (точка К3) в точку КЗ пойдут через выключатель Q1 токи от всех других источников, кроме тока КЗ от генератора рассматриваемой цепи.

j3 = 0.
Подставляем численные значения величин и определяем j1 и j2 , а затем и токи КЗ.


![]()
Начальное значение периодической составляющей тока КЗ от всех источников системы, кроме генератора рассматриваемой цепи будет равно
![]()
Принимаем для зоны III базисное значение тока
получим значение периодической составляющей тока КЗ в именованных единицах:
![]()
При коротком замыкании на участке выключатель Q1 – блочный трансформатор через выключатель пойдет ток в точку КЗ только от генератора рассматриваемой цепи:
- в относительных единицах ![]()
- в именованных единицах ![]()
Следовательно, для случая КЗ получим
![]()
- для КЗ/
![]()
Определение ударных токов КЗ для зоны III:

Определим импульс квадратичного тока
![]()
А2
с
Б) Расчет токов КЗ для точек КЗ и КЗ/ (на стороне СН):
На стороне СН ![]()

Рис 7.5 Схема замещения для цепи тока зоны III на стороне СН
Составляем систему уравнений по методу узловых потенциалов, принимая, что в точке КЗ потенциал равен нулю (j3 =0 или j/ 3 =0).
При коротком замыкании на выводах генератора (точка КЗ) в точку КЗ пойдут через выключатель Q1 токи от всех других источников, кроме тока КЗ от генератора рассматриваемой цепи.

j3 = 0.
Подставляем численные значения величин и определяем j1 и j2 , а затем токи КЗ.


![]()
Начальное значение периодической составляющей тока КЗ от всех источников системы, кроме генератора рассматриваемой цепи будет равно
![]()
значение периодической составляющей тока КЗ в именованных единицах:
![]()
При коротком замыкании на участке выключатель Q1 – блочный трансформатор через выключатель пойдет ток в точку КЗ только от генератора рассматриваемой цепи:
- в относительных единицах ![]()
- в именованных единицах ![]()
Следовательно, для случая КЗ получим
![]()
- для КЗ/
![]()
Определение ударных токов КЗ для зоны III:

Определим импульс квадратичного тока
![]()
А2
с
5. Расчет токов короткого замыкания для VI зоны
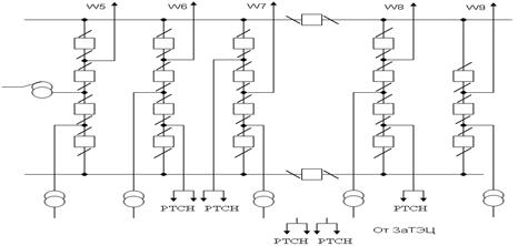
А) Расчет токов КЗ для точек К6 и К6/ (на стороне ВН):
Рис. 7.6 Схема замещения для цепи тока зоны VIна стороне ВН
Определение недостающих параметров новой схемы замещения:
![]()
![]()
![]()
Параметры эквивалентного асинхронного двигателя, включенного на одну секцию С.Н. нормальной эксплуатации:
- ЭДС эквивалентного асинхронного двигателя принимается
;
- Сопротивление эквивалентного асинхронного двигателя в относительных единицах определяется 
где КпЭАД = 6,3 – кратность пускового тона эквивалентного асинхронного двигателя, вычисленная как усредненное значение кратностей пусковых токов асинхронных двигателей, включенных на одну секцию С.Н. нормальной эксплуатации.
.
Приведение к базисным условиям
.
Мощность SнАД эквивалентного асинхронного двигателя, включенного на одну секцию с.н. нормальной эксплуатации, выбирается из таблицы 2 (Расчетная нагрузка основного ТСН пункт 4.1) нагрузок рабочего трансформатора с.н. [2].
Составляем уравнения по методу узловых потенциалов и вычисляем потенциалы в точках j1 и j3 , приравнивая в точке КЗ j4 =0.
;

j1
= 1,035; j3
= 1,049.
Определение начальных значений периодических составляющих токов КЗ, принимая за базисное значение тока на этой ступени:



Так как ток КЗ для случая К6/ больше, чем для случая короткого замыкания в точке К6, все дальнейшие расчеты будут проводиться для этого случая.
Определение апериодической составляющей тока КЗ в момент отключения короткого замыкания. Принимая для зоны VIt = 0,3 с, можно найти:
![]()
Определение значения ударного тока КЗ для случая К6/ :
![]()
Значения Та и Куд принимаются по таблицам справочников [2] для системы со сборными шинами 6…10кВ, где рассматриваются КЗ, через трансформаторы мощностью >63МВА в единице.
Определение периодической составляющей тока КЗ в момент отключения короткого замыкания.
кА
; ![]()
Определение импульса квадратичного тока
А2
с
Б) Расчет токов КЗ для точек К6 и К6/ (на стороне СН):

Рис. 7.7 Схема замещения для цепи тока зоны VI на стороне СН
Определение недостающих параметров новой схемы замещения:
![]()
![]()
![]()
Параметры эквивалентного асинхронного двигателя, включенного на одну секцию С.Н. нормальной эксплуатации:
ЭДС эквивалентного асинхронного двигателя принимается
;
Сопротивление эквивалентного асинхронного двигателя в относительных единицах определяется
где КпЭАД
= 6,3 – кратность пускового тона эквивалентного асинхронного двигателя, вычисленная как усредненное значение кратностей пусковых токов асинхронных двигателей, включенных на одну секцию С.Н. нормальной эксплуатации.
.
Приведение к базисным условиям
.
Мощность SнАД эквивалентного асинхронного двигателя, включенного на одну секцию с.н. нормальной эксплуатации, выбирается из таблицы 2 (Расчетная нагрузка основного ТСН пункт 4.1) нагрузок рабочего трансформатора с.н. [2].
Составляем уравнения по методу узловых потенциалов и вычисляем потенциалы в точках j1 и j3 , приравнивая в точке КЗ j4 =0.
;


j2 = 1,051; j5 = 1,032.
Определение начальных значений периодических составляющих токов КЗ, принимая за базисное значение тока на этой ступени:



Так как ток КЗ для случая К6/ больше, чем для случая короткого замыкания в точке К6, все дальнейшие расчеты будут проводиться для этого случая.
Определение апериодической составляющей тока КЗ в момент отключения короткого замыкания.
Принимая для зоны VIt = 0,3 с, можно найти:
![]()
Определение значения ударного тока КЗ для случая К6/ :
![]()
Значения Та и Куд принимаются по таблицам справочников [2] для системы со сборными шинами 6…10кВ, где рассматриваются КЗ, через трансформаторы мощностью >63МВА в единице.
Определение периодической составляющей тока КЗ в момент отключения короткого замыкания.
кА
; ![]()
Определение импульса квадратичного тока
А2
с
6. Расчет токов короткого замыкания для VII зоны на ВН.
Схема замещения аналогична схеме замещения для цепи в VIзоне. Отличие расчета токов КЗ в седьмой зоне состоит в том, что при КЗ на сборных шинах 6кВ или на любом присоединении КЗ, проходящий по этим шинам ток присоединения, будет суммарным: от системы и от асинхронных электродвигателей С.Н. , работающих кратковременно в генераторном режиме.
Следовательно, для зоны VII можно использовать уже найденные значения токов КЗ для VI зоны.
А) Расчет токов КЗ для VII зоны (на стороне ВН):
Периодическая составляющая тока КЗ в точке К7:

Апериодическая составляющая тока КЗ в точке К7 определяется для момента отключения короткого замыкания, которое происходит при t = 0,6с.:
![]()
![]()
Ударный ток короткого замыкания:
![]()
![]()
Определение импульса квадратичного тока
А2
с
Б) Расчет токов КЗ для VII зоны (на стороне СН):
Для зоны VII можно использовать уже найденные значения токов КЗ для VI зоны.
Периодическая составляющая тока КЗ в точке К7:

Апериодическая составляющая тока КЗ в точке К7 определяется для момента отключения короткого замыкания, которое происходит при t = 0,6с.:
![]()
![]()
Ударный ток короткого замыкания:
![]()
![]()
Определим импульс квадратичного тока
А2
с
Анализируя результаты расчета токов КЗ в рассматриваемом примере нетрудно заметить, что токи КЗ во всех зонах главной схемы АЭС весьма велики. Это затрудняет выбор коммутационных и защитных расчетов для каждой цепи с выключателем, поиска новых принципов и устройств защиты от токов КЗ и уменьшения их величины.
8. ВЫБОР КОММУТАЦИОННЫХ АППАРАТОВ ГЛАВНОЙ СХЕМЫ ВЫДАЧИ МОЩНОСТИ И СХЕМЫ СОБСТВЕННЫХ НУЖД
Для надежного электроснабжения потребителей токоведущие части, изоляторы распределительных устройств и высоковольтные коммутационные аппараты должны удовлетворять требованиям:
1.Электрическая прочность – способность длительно выдерживать максимальное рабочее напряжение и противостоять кратковременным перенапряжениям. При этом должно выполняться условие: Uном
Uраб
.
2.Соответствующая нагрузочная способность, благодаря которой протекание длительных (номинальных, ремонтного или послеаварийного режимов) токов нагрузки не вызывает их повреждения, ускоренного износа изоляции, снижения механической прочности и недопустимого нагрева. Должно выполняться следующее условие:
Iраб.
max
Iном
,
где а) Iраб. max – наибольший ток послеаварийного или ремонтного режимов, который определяется при условии работы элемента системы при снижении напряжения на 5%
Iраб.
max
=
,
где Sном – мощность самого мощного присоединения (для ОРУ ВН и ОРУ СН) с одним выключателем наприсоединение, или мощность, передаваемая по линии, где установлен выключатель (для остальных участков).б) Iраб. max - суммарный ток двух присоединений для ОРУ по схеме 3/2 или суммарный ток трех присоединений наиболее нагруженной цепи ОРУ, собранного по схеме 4/3.
3.Термическая стойкость – способность кратковременно противостоять термическому действию токов к.з., не перегреваясь сверх допустимых пределов. Термическая стойкость характеризуется допустимым тепловым импульсом тока к.з., поэтому для проверки электрических аппаратов на термическую стойкость следует сравнить полный импульс квадратичного тока к.з. (рассчитанный в VI главе) Вк.расч с заводскими данными:
Вк.зав
= Iт
2
· tт
; Вк.расч
Вк.зав
4.Динамическая стойкость – наличие запаса механической прочности, при которой
динамические усилия, возникающие между токоведущими частотами не приведут к их повреждению при протекании по ним ударных токов к.з.:
iдин
iуд.расч
,
где iдин – мгновенное значение тока электродинамической стойкости, задается заводом – изготовителем.
5.Отключающая способность (для выключателей высокого напряжения):
а) проверка на симметричный периодический ток отключения Iпо
Iоткл.ном
;
б) проверка отключения апериодической составляющей
iat
iа.ном
=
· β · Iоткл.ном
/100
где β – содержание апериодической составляющей в токе к.з., %.
6.Включающая способность, которая характеризуется способностью выключателя включиться повторно на короткозамкнутую цепь без разрушения и деформации токоведущих его частей.
Проверяется по условию:
![]()
I. Проверка по перечисленным условиям выключателя ОРУ-750 типа:
ВНВ – 750А–63/3150 У1
1.![]()
![]()
2.![]()
(пункт 2, схема 4/3)
3.![]()
![]()
(пункт7 КЗ в т.К1ВН)
4.![]()
кА (пункт7 КЗ в т.К1ВН)
5.а)![]()
(пункт7 КЗ в т.К1ВН)
б)![]()
(пункт7 КЗ в т.К1CН)
6.![]()
(пункт7 КЗ в т.К1ВН)
Все условия выполняются, следовательно, данный выключатель подходит для установки на ОРУ-750 кВ.
II. Проверка по перечисленным условиям выключателя ОРУ-330 типа:
ВНВ – 330А–63/4000 У1
1.![]()
![]()
2.![]()
(пункт 2, схема 4/3)
3.![]()
![]()
(пункт7 КЗ в т.К1СН)
4.![]()
(пункт7 КЗ в т.К1СН)
5.а)![]()
(пункт7 КЗ в т.К1CН)
б)![]()
(пункт7 КЗ в т.К1CН)
6.![]()
(пункт7 КЗ в т.К1CН)
Все условия выполняются, следовательно, данный выключатель подходит для установки на ОРУ-330 кВ.
III. Проверка по перечисленным условиям генераторного выключателя типа:
КАГ-24-30/30000У3
1.![]()
![]()
2.![]()
(пункт7 КЗ в зоне 3)
3.![]()
![]()
(пункт7 КЗ в зоне 3)
4.![]()
(пункт7 КЗ в зоне 3)
6.![]()
(пункт7 КЗ в зоне 3)
Выключатель не предназначен для отключения токов к.з. Это обусловлено тем, что при к.з в цепи генератора токи к.з имеют большие значения, а выключатели рассчитанные на такие токи выпускаются единичными экземплярами по специальному заказу.
Все условия выполняются, следовательно, данный выключатель подходит для установки в качестве выключателя нагрузки.
IV. Проверка по перечисленным условиям выключателей рабочих вводов секции 6кВ нормальной эксплуатации BABBBCBD на стороне ВН (выбирается по наибольшей мощности потребителей и второй группе надежности. Нагрузка на BV=4050 кВт) типа:
ВЭС 6 40/3200У3
1.![]()
![]()
2.![]()
![]()
3.![]()
![]()
4.![]()
кА
5.а)![]()
![]()

Все условия выполняются, следовательно, данный выключатель подходит для установки на секцию.
V. Проверка по перечисленным условиям выключателей рабочих вводов секции 6кВ нормальной эксплуатации BABBBCBD на стороне СН (выбирается по наибольшей мощности потребителей и второй группе надежности. Нагрузка на BV=4050 кВт) типа:
ВЭС 6 40/3200 У3
1.![]()
![]()
2.![]()
![]()
3.![]()
![]()
4.![]()
кА
5.а)![]()
![]()

Все условия выполняются, следовательно, данный выключатель подходит для установки к любому потребителю на секцию.
ВЫВОД
В ходе курсового проектирования была выбрана схема выдачи мощности, электростанции типа АЭС; выбранаэлектрическая схемы РУ повышенного напряжения; была спроектирована схема электроснабжения собственных нужд блока АЭС; был сделан выбор мощности ТСН АЭС; был сделан расчет режима самозапуска электродвигателей механизмов собственных нужд АЭС; была определена мощность дизель-генераторов систем надёжного питания; был произведён расчет токов короткого замыкания в главной схеме ЭС, также был произведён выбор коммутационных аппаратов главной схемы и схемы электроснабжения собственных нужд.
ЛИТЕРАТУРА:
1. Электрическая часть тепловых и атомных электростанций, Сиротенко Б.Г., Смирнов С.Б., Севастополь, 2002г.
2. Неклепаев Б.Н. Электрическая часть электростанций и подстанций: Справочные материалы для курсового и дипломного проектирования /Б.Н. Неклепаев, И.П. Крючков. - М: Энергоатомиздат, 1986.
3. Конспект лекций.
Похожие рефераты:
Проект новой подстанции для обеспечения электроэнергией нефтеперерабатывающего завода
Проектирование электрической части ТЭЦ 180 МВт
Проектирование узловой подстанции 220/35/10
Электроснабжение нефтеперерабатывающего завода
Электроснабжение агломерационной фабрики металлургического комбината
Проектирование электрической части подстанции
Проектирование электростанции ГРЭС 3600
Синхронные машины. Машины постоянного тока
Расчет, анализ и оптимизация режимов и потерь электроэнергии в предприятии "КАТЭКэлектросеть"
Компенсация реактивной мощности в системах электроснабжения с преобразовательными установками