| Похожие рефераты | Скачать .docx |
Реферат: Технічне обслуговування системи освітлення
ТЕХНІЧНЕ ОБСЛУГОВУВАННЯ СИСТЕМИ ОСВІТЛЕННЯ
1. Призначення та будова приладів освітлення і сигналізації
1.1 Прилади освітлення
Прилади освітлення призначені для освітлення дороги, передачі інформації про габарити автопоїзда при передбачуваному або здійснюваному маневрі, гальмуванні, русі заднім ходом, для освітлення номерного знака, кабіни, салону кузова, контрольно-вимірювальних приладів, підкапотного простору тощо. Прилади освітлення повинні забезпечувати бажану видимість і необхідну інформативність у широкому діапазоні відстаней за різних погодних умов.
Прилади освітлення, встановлювані на автопоїзді, можна розділити на прилади зовнішнього освітлення і світлової сигналізації та прилади внутрішнього освітлення.
До приладів зовнішнього освітлення і світлової сигналізації відносяться фари головного освітлення, протитуманні фари, лампи-фари, підфарники, задні ліхтарі, світлові покажчики повороту і ліхтарі освітлення номерного знака.
До приладів внутрішнього освітлення відносяться лампи освітлення приладів, підкапотна лампа, переносна лампа, ліхтар освітлення вантажної платформи, плафони кабіни водія, підніжок, інструментальної шухляди тощо.
До приладів звукової сигналізації відносяться шумові і тональні сигнали, а також сигнали до водія.
Для керування приладами освітлення існують ручні і ножні перемикачі й окремі вимикачі приладів внутрішнього освітлення.
У приладах освітлення джерелом світла є електрична лампа.
Лампи виготовляються газонаповненими і пустотними. Лампа головного освітлення (рис. 1.1, а) складається з цоколя 6 із фланцем 5 , колби 1, заповненої інертним газом, вольфрамових ниток розжарювання дальнього 2 і ближнього 3 світла й екрана 4. Для одержання двох світлових потоків дальнього і ближнього світла нитку 2 розташовують у фокусі відбивача, а нитку 3 – поза його фокусом.
Лампи із силою світла до 3 кд випускаються пустотними і складаються з металевого цоколя, скляного балона, вольфрамових ниток розжарювання і контактів. Лампи бувають одно- і двонитковими. В однонитковій лампі (рис. 1.1, в) всередині балона є одна нитка розжарювання, один кінець якої припаяний до цоколя 6, тобто до маси, а інший виведений до ізольованого контакту 7 на торці цоколя. У двонитковій лампі (рис. 1.1, а, б, г) всередині балона є дві нитки, у яких два кінці з'єднані між собою і приєднані до цоколя, а інші кінці виведені до двох ізольованих контактів на торці цоколя.
В екранованих лампах спіраль ближнього світла захищена спеціальним екраном і розташовується зліва і вище оптичної осі рефлектора, що забезпечує освітлення в основному правої сторони дороги й узбіччя. Лампи в патронах освітлювальних приладів кріпляться за допомогою фланця або двох штифтів.
Для освітлення приладів найчастіше застосовують лампи із силою світла від 1 до 2 кд. Плафони і підкапотні ліхтарі оснащені лампами із силою світла в 3–6 кд. Лампи, призначені для освітлення кузова, номерного знака, контрольних приладів і сигналізації, встановлюють у патронах з ручним ввімкненням струму або з вимикачем, зблокованим з яким-небудь механізмом.
Однониткові лампи позначаються А12–21 або А24–21, а двониткові – А12 – (45 + 40) і т.д. Буква А вказує, що лампа автомобільна, цифри 12 або 24 – їхня номінальна напруга, 21 і (45 + 40) – потужність кожної нитки розжарювання лампи.

Рис. 1.1. Лампи, які використовуються у фарах:
а – з цоколем 2ФД-42; б – з цоколем Р451 -41;
в- галогенна для протитуманних фар;
г – галогенна для фар головного освітлення;
1 – колба; 2,3 – нитки розжарювання дальнього і ближнього світла;
4 – екран; 5 – фокусний фланець; 6 – цоколь; 7 – виводи
Широко застосовуються галогенні лампи, особливістю яких є наявність у колбі парів галогену (найчастіше парів йоду або брому). Галогенні лампи відрізняються меншими розмірами колби, підвищеною приблизно в 1,5–2 рази яскравістю і збільшеною на 20–30% освітленістю дороги.
Відомо, що коли промінь світла проходить через фокус параболоїда, то після відбиття внутрішньої поверхні відбивача він вийде паралельно осі. Тому для одержання від найбільшої дальності дії фари, її конструюють таким чином, щоб одна нитка розжарювання лампи розташовувалась у районі фокуса.
Під час руху вночі око водія пристосовується (адаптується) до освітленості дороги, що забезпечують фари. Якщо назустріч йому рухається інший автомобіль і світло його фар потрапляє на очі подія, то захисний «механізм» ока зменшує діаметр зіниці і кількість світла, що попадає на сітківку, зменшується. Це явище надзвичайно небезпечне і тому обидва водії повинні під час зустрічного роз'їзду вмикати інший режим освітлення, так зване ближнє світло, при якому світло від фари не потрапляє в очі водія зустрічного автомобіля.
Ближнє світло забезпечує освітлення дороги і правого узбіччя при мінімальному осліпленні зустрічного водія. На рис. 1.2. показано схему формування пучка дальнього і ближнього світла фар «європейського» типу.

Рис. 1.2. Хід променів у фарі:
7 – відбивач; 2 – лампа; 3 – нитка розжарювання дальнього світла;
4 – нитка розжарювання ближнього світла; 5,6 – екрани
Екран 5 розташований всередині колби лампи 2 у безпосередній близькості від нитки ближнього світла 4 і перекриває нижню частину відбивача 1 від попадання на нього світлового потоку. Оскільки нитка 4 виведена з фокуса вперед по осі, то вихідний світловий пучок відхиляється вниз і не засліплює зустрічного водія. Нитка 3 дальнього світла розташована в районі фокуса відбивача. Екран 6 встановлюється у відбивачі для того, щоб перекрити світло, що йде від лампи безпосередньо на розсіювач. Таким чином, розсіювач перерозподіляє світловий потік, який поданий відбивачем. Екран 5 разом з розсіювачем формує світлотіньову межу. На дорозі світлова пляма виглядає так, як показано на рис. 1.3, а.
В експлуатації зустрічається ще «американська» система світлорозподілу Ближнє світло в ній створюється за рахунок зміщення нитки у фокусній площині вгору і вліво, таким чином світловий потік випромінюється в основному вниз і вправо, виключаючи тим самим випромінювання в напрямку очей водія зустрічного транспорту Світлова пляма на полотні дороги при ближньому світлі з «американською» системою світ
лорозподілу показана на рис. 1.3, б.
Фари головного освітлення встановлюють на транспортні засоби в різних комбінаціях: дві фари з круглим або прямокутним оптичним елементом і чотири фари з круглим оптичним елементом. Чотирифарне освітлення засноване на оптимальному розподілі дальнього і ближнього світла двома типами фар.

Рис. 1.3. Світлові плями на дорозі при ближньому світлі фар
Круглі фари. Основними елементами круглої фари (рис. 1.4.) є оптичний елемент і штампований корпус 9. Оптичний елемент, укріплений за допомогою ободка 2 і гвинтів на установлювальному кільці 10, складається з відбивача 5, розсіювача З, лампи 4 і патрона 13. До корпусу фари установлювальне кільце 10 притиснуте трьома пружинами 14, що дозволяють змінювати положення кільця 10 при регулюванні напрямку світлового потоку. Регулювання виконують гвинтами вертикального 8 і горизонтального 15 наведення.
Більшість фар мають напіврозбірний оптичний елемент. Відбивач 5 такого елемента являє собою параболічну чашу, внутрішня поверхня якої покрита тонким шаром алюмінію і відполірована до дзеркального блиску. Джерелом світла є двониткова лампа розжарювання 4, нитка Д дальнього світла якої має потужність 50 Вт і розташована у фокусі відбивача, а нитка Б ближнього світла має потужність 14–40 Вт і виведена з фокуса нагору і вліво, у результаті чого відбивач направляє промені світла вниз і вправо. Такі оптичні елементи називаються елементами асиметричного світлорозподілу, при якому не тільки зменшується можливість осліплення зустрічних транспортних засобів, але й поліпшується освітленість правого боку дороги.


Рис. 1.4. Кругла фара:
1 – гвинт; 2,7 – обідок; 3 – розсіювач; 4 – лампа; 5 – відбивач;
6 – прокладка; 8, 15 – регулювальний гвинт; 9 – корпус;
10 – кільце установлювальне; 11 – провід; 12 – колодка;
13 – патрон; 14 – пружина
До цоколя двониткової лампи припаяний фланець, що забезпечує правильну установку лампи в оптичному елементі. Лампу закріплюють на відбивачі 5 у патроні 13. Цоколь лампи через відбивач 5 і провід 11 з'єднаний з «масою», а її контакти за допомогою патрона 13 і колодки 12 – із проводами, приєднаними до мережі.
Розсіювач 3 являє собою опукле рифлене скло, за допомогою якого світловий потік оптичного елемента трохи розсіюється, забезпечуючи достатню освітленість узбіч дороги, а також її полотна перед автопоїздом, що рухається. Розсіювач 3 кріпиться до відбивача 5 загнутими зубцями, рівномірно розташованими по колу останнього. Для захисту від потрапляння пилу і вологи всередину оптичного елемента служить гумова прокладка 6, затиснута між краями відбивача і розсіювача.
Оптичний елемент у корпусі фари кріплять за допомогою обідка 7, що з'єднується з корпусом гвинтами 1.


Рис. 1.5. Прямокутна фара:
1 – лампа стоянкового світла; 2 – корпус; 3 – пружина пластинчаста; 4 – провід;
5 – колодка; 6 – пружина; 7 – відбивач; 8 – лампа основна; 9 – корпус; 10 – заклепка; 11 – пластина; 12 – обідок; 13 – розсіювач; 14 – гвинт; 15 – гвинт регулювальний;
16 – прокладка ущільнююча
Прямокутні фари. Порівняно з круглою фарою прямокутна дає великі кути розсіювання світлового потоку при кращій освітленості полотна дороги і меншу освітленість у напрямку очей водія зустрічних транспортних засобів, що значною мірою підвищує безпеку руху (рис. 1.5).
Обідок 12 фари разом зі склом розсіювача 13 кріпиться до корпусу 2 фари гвинтами 14 і пластинами 11, установленими на заклепках 10. Між обідком і корпусом фари, а також розсіювачем і корпусом 9 оптичного елемента встановлені ущільнювальні прокладки 16. У цих фарах встановлюють основну лампу 8 з екранованою ниткою ближнього світла і лампу стоянкового світла 1. Параболічний відбивач 7 має зрізи верхньої і нижньої частин.
Для регулювання світлового потоку передбачені регулювальні гвинти 15. Фланец основної лампи 8 пружиною 6 щільно кріпиться в патроні. Електричний ланцюг лампи стоянкового світла замикається пружною пластинчастою пружиною 3. До сполучної колодки 5 кріпляться проводи 4.
Нині значного поширення набули фари з асиметричним розташуванням ближнього світла. Ці фари забезпечують кращу освітленість правої частини дороги і зменшують можливість осліплення водіїв зустрічних транспортних засобів. Це досягається розташуванням нитки ближнього світла вище і зліва оптичної осі відбивача, установкою екрана перед ниткою ближнього світла і поліпшеним світлорозподілом розсіювача.
Протитуманні фари. У цих фарах застосовано спеціальну форму лінз розсіювача і спеціальний відбивач, у результаті чого світловий потік фари має великий кут нахилу вниз і широко розсіюється в сторони, що забезпечує гарне освітлення дороги під час руху при тумані, завірюсі, сильному дощі. Будова протитуманної фари подібна основній (рис. 1.6, а).

Рис. 1.6. Спеціальні фари:
а – протитуманна фара; б – лампа-фара; 1 – розсіювач; 2 – гумова прокладка; 3 – обідок;
4 – установочне кільце; 5 – рефлектор; 6 – екран з утримувачем; 7 – лампа; 8 – патрон; 9 – вивід пружинного контакту; 10 – гвинт для регулювання фари; 11 – вольфрамові спіралі розжарювання; 12 – виводи спіралей
На деяких автомобілях встановлюється оптичний елемент, що називається лампа-фара. У лампі-фарі відбивач і розсіювач з'єднані герметично, а внутрішній простір, заповнений інертним газом, є колбою для ниток розжарювання.
Підфарники призначені для позначення габаритів автомобілів і використовуються для світлової сигналізації повороту.
1.2 Прилади звукової сигналізації
У систему звукової сигналізації можуть входити електричні і пневматичні зовнішні тональні сигнали і внутрішні сигнали до водія. Найбільше поширення одержали електричні вібраційні сигнали, що за характером звучання розділяються на шумові і тональні.
Шумові сигнали (рис. 1.7, а) виконують безрупорними і встановлюють на вантажних автомобілях.
У сталевому штампованому корпусі 3 безрупорного сигналу розміщені електромагніт з обмоткою 8 і осердя 4, якір 7 зі штоком 11, на якому закріплена мембрана 2 з резонатором 1 і переривач з нерухомим і рухомим контактами 12. Корпус закритий кришкою з радіальними отворами, що притискає краї мембрани до відбортовки корпусу.
При замиканні електричного кола сигнала кнопкою 14 по обмотці 8 проходить струм, що викликає намагнічування сталевого осердя 4. Якір 7 притягується до осердя і через шток 11 прогинає сталеву пружну мембрану 2. При цьому гайка 9 розмикає контакти 12. Струм в обмотці 8 переривається, мембрана випрямляється і переміщує шток з якорем у вихідне положення.

Рис. 1.7. Звуковий сигнал:
а – схема звукового сигналу; б – схема з'єднання реле-сигналів;
1 – резонатор; 2 – мембрана; 3 – корпус; 4, 1 7 – осердя; 5, 9-гайка;
6 – пластина; 7, 16 – якір; 8 , 18 – обмотка; 10 – контргайка; 11 – шток;
12, 15 – контакти; 13 – конденсатор; 14 – вимикач; 19 – сигнал
Коливання повітря, викликані мембраною 2 і резонатором 1, створюють звук. Резонатор забезпечує одержання звуку відповідного тону і тембру. Конденсатор 13 ввімкнений паралельно вольфрамовим контактам 12 зменшує іскріння між ними. Силу звуку регулюють за допомогою регулювальної гайки 9, що фіксується у визначеному положенні контргайкою 10. При більшому прогині мембрани також підвищується сила звуку.
Тон звуку регулюють зміною натягу сталевої пластини 6 за допомогою гайок 5, а також зміною зазору між якорем 7 і осердям 4. При більшому прогині пластини 6 і меншому зазорі між якорем і осердям збільшується частота коливань мембрани і підвищується тон звуку.
Тональні сигнали діють за таким самим принципом, як і шумові, але мембрана тонального сигналу не має резонатора, його роль виконує резонуючий рупор. Тональні сигнали встановлюють у комплекті з двох або трьох сигналів різної тональності.
Здвоєні тональні сигнали, розраховані на напругу 24 В, споживають струм до 20 А, що може викликати швидке обгорання контактів кнопки ввімкнення. Щоб цього не відбувалося, сигнали вмикають у ланцюг через реле сигналів (рис. 1.7, б) за допомогою затисків Б і С. У цьому випадку в обмотку реле 18 через кнопку К буде проходити струм не більше 0,5 А; ввімкнення ж ланцюга сигналів відбувається через срібні контакти реле, розраховані на велику силу струму.
При натисканні на кнопку К через її контакти в обмотку реле 18 проходить струм, що не перевищує 0,5 А. Він намагнічує осердя 17, що притягує якір 16 і замикає контакти 15, вмикаючи сигнали 19. Шлях струму в ланцюзі обмотки зазначений на схемі суцільними стрілками, а в ланцюзі сигналів – пунктирними.
1.3 Контрольно-вимірювальні прилади
Для правильної експлуатації автопоїздів на них установлюють різні контрольно-вимірювальні прилади.
Прилади розділяються на дві групи: вказуючі і сигналізуючі. Вказуючі прилади мають шкалу і стрілку. Вони передають водієві інформацію про контрольований параметр. До них відносяться: прилади для контролю тиску масла і повітря, температури охолодної рідини і повітря, покажчики рівня палива, спідометри, тахометри тощо. Вони складаються з приймачів, розташованих на щитку приладів у кабіні водія і датчиків, установлених на відповідних агрегатах і механізмах автомобіля.
Сигналізуючі прилади в основному призначені для попередження водія про несправності того або іншого механізму або агрегата. Вони інформують водія світловим або звуковим сигналом про аварійне значення вимірюваного параметра. Датчики цих приладів працюють як вимикачі, що замикають ланцюг за певних умов. До таких приладів відносяться сигналізатори аварійного тиску масла або повітря, сигналізатори аварійної температури охолоджувальної рідини тощо.
Прилади для контролю тиску. Прилади для контролю тиску масла або повітря можна розділити на покажчики тиску масла або повітря і сигналізатори аварійного тиску, що інформують водія ввімкненням або вимиканням лампочки зниження тиску масла нижче допустимої межі. За конструкцією покажчики поділяються на покажчики електричної дії (магнітоелектричні і електротеплові) і з трубчастою пружиною. Найбільш поширені покажчики електричної дії як найточніші і надійні в роботі.
Магнітоелектричні покажчики тиску масла або повітря (рис. 1.8.) складаються з реостатного датчика і магнітоелектричного приймача. Датчик і приймач з'єднані між собою послідовно і ввімкнені в електричний ланцюг джерела електричної енергії. Датчик змінює силу струму в ланцюзі приймача залежно від тиску масла в системі мащення двигуна або тиску повітря в гальмовій системі. Приймач показує величину тиску масла або повітря. Шкали приймачів відрізняються написами «Масло» або «Повітря».
Між корпусом датчика 5 (рис. 1.8, а) і кришкою 9 розміщена гофрована діафрагма 4 зі штирем 2. Важілець 6 вільно хитається на осі і відводиться у вихідне положення пружиною 13, що діє на подвійний повзунок 8. Гвинтами 3 і 7 важільців забезпечується установка стрілки приймача 18 у вихідне положення. Обмотка реостата 10 з'єднана з контактною пластиною 11. Для кращого контакту повзунок з'єднаний з масою мідним провідником 12.


Рис. 1.8. Схема магнітоелектричного покажчика тиску масла або повітря:
а – загальна схема; б – принципова схема з'єднання обмоток приймача;
1 – камера; 2 -штир; 3, 7 – гвинт регулювальний; 4 – діафрагма; 5 – корпус;
6 – важілець; 8 – повзунок; 9 – кришка; 10 – обмотка реостата;
11 – контактна пластина; 12 – провідник; 13 – пружина; 14 – обмежувач;
15 – проріз; 16, 20 – магніт; 17 – колодка; 18 – стрілка; 19 – екран
Залежно від тиску масла або повітря в камері 1 змінюється прогин діафрагми 4 і положення повзунків 8 на обмотці реостата датчика.
У приймачі на основі, що складається з двох пластмасових колодок 17, намотані три нерухомі котушки К1, К2, К3 (рис. 1.8, б), початки яких з'єднані між собою в точці Д.
Резистор температурної компенсації R тк і додатковий резистор R д, ввімкнені в ланцюг котушок К1, К.2, К3 приймача, служать для підтримки постійного опору цього ланцюга незалежно від температури обмоток. Крім того, додатковий резистор обмежує силу струму в ланцюзі приймача при вимкненому реостаті датчика.
У кільцевому просторі між колодками 17 (див. рис. 1.8, а) установлений дископодібний магніт 16 і обмежувач 14 кута повороту стрілки 18. Відігнутий кінець обмежувача входить у проріз 15 однієї з колодок 17. У канавку однієї з колодок закладений магніт 20.
Вісь алюмінієвої стрілки 18 обертається в двох підшипниках. Сталевий магнітний екран 19 захищає приймач від впливу сторонніх магнітних полів.
При відсутності струму в ланцюзі стрілка приймача відхилена до упора вліво, що зумовлюється взаємодією постійних дископодібних магнітів 16 і 20 та обмежувачем 14.
При роботі приладу струми в котушках, а відповідно, і магнітні потоки їх залежать від положення повзунків 8 на обмотці 10 реостата датчика. Коли в камері датчика 1 немає надлишкового тиску, то повзунки 8 під дією пружини 13 знаходяться в крайньому лівому положенні, що зумовлює ввімкнення максимального опору датчика в ланцюг приймача. У цьому випадку сила струму в котушці Кі буде максимальною, а в котушках К2 і К3 – мінімальною. При ввімкненому ланцюзі і відсутності тиску масла або повітря на діафрагму 4 повзунки 8 датчика вмикають велику частину опору реостата в ланцюг приймача. Коли тиск масла або повітря зростає, то діафрагма 4 прогинається нагору і через штир 2 переміщує важілець 6 навколо осі. Важілець через регулювальний гвинт 7 діє на повзунок 8 і переміщує його вправо. Опір реостата датчика вимикається, у результаті чого збільшуються струми в котушках К2 і К3 приймача. При цьому змінюється положення магніту 16 і жорстко зв'язана з ним стрілка відхиляється вправо у бік більшого значення. Сигналізатор аварійного тиску масла або повітря складається з датчика і сигнальної лампи. Він попереджує водія про надмірне зниження тиску масла в системі мащення двигуна або повітря в пневмосистемі гальм автомобіля. Датчик А сигналізатора аварійного тиску масла (рис. 1.9.) вкручується в масляну магістраль двигуна, а сигнальна лампа 3 розташована на щитку приладів. Сигналізатор з'єднаний із джерелом струму вимикачем 1. При непрацюючому двигуні (або коли тиск масла нижче допустимого – 0,04–0,08 МПа) діафрагма 6 знаходиться у вихідному положенні, контакти 4 замкнуті і сигнальна лампа 3 ввімкнена в ланцюг (горить). При працюючому двигуні масло з магістралі надходить через штуцер 8 у камеру 7 під діафрагмою. При підвищенні тиску масла діафрагма 6, прогинаючись, піднімає пружну пластину верхнього контакту, контакти розмикаються і вимикають сигнальну лампу 3. Сигналізатор регулюється на заданий тиск підгинанням вгору або вниз пластини нижнього контакту 4. Другий кінець пластини з'єднаний із кронштейном 5 і з затискним гвинтом, ізольованим від кришки датчика А сигналізатора. Регулювання зазору між контактами здійснюють стрижнем, що вводиться в отвір 2 кришки. Сигналізатор тиску повітря в гальмовій системі працює аналогічно. Вмикається сигнальна лампа при зниженні тиску нижче 0,45–0,50 МПа.

Рис. 1.9. Схема сигналізатора аварійного тиску масла:
1 – вимикач; 2 – отвір; 3 – лампа сигнальна; 4 – контакти; 5 – кронштейн;
6 – діафрагма; 7 – камера; 8 – штуцер; А – датчик
Прилади для контролю температури. Правильний режим роботи двигуна можливий тільки при відповідній температурі охолодної рідини.
На автопоїздах застосовують термометри, принцип дії яких заснований на зміні залежності тиску насичених парів рідини від температури, і термометри електричної дії.
Термометри електричної дії одержали найбільше поширення, тому що мають більшу точність виміру і підвищену надійність у роботі. Вони можуть бути магнітоелектричними і електротепловими.
Магнітоелектричний покажчик температури охолодної рідини (рис. 1.10.) порівняно з електротепловим імпульсним покажчиком більш точний, надійний у роботі і не створює перешкод радіоприй-манню. Він складається з датчика з напівпровідниковим терморези-стором і магнітоелектричного приймача.
У латунний корпус 4 (рис. 1.10, а) датчика встановлений тонкий круглий диск – термістор 1. Термістор 1 є напівпровідником, опір якого зменшується з підвищенням температури і збільшується при його охолодженні. Термістор 1 з'єднаний з масою через корпус датчика 4 і пружиною 3 з вивідним затиском датчика, укріпленим в ізоляторі 5. Паперовий патрон 2 ізолює пружину і бічну поверхню термістора від корпусу датчика.
У приймачі на основі, що складається з двох капронових колодок 9, намотані три котушки К1, К2, К3, ввімкнені в два паралельні кола. В одному з них послідовно ввімкнена котушка К1 і термістор 1.

Рис. 1.10. Схема магнітоелектричного покажчика температури охолодної рідини:
а – загальна схема; б – принципова схема з'єднання обмоток;
1 – термістор; 2 – патрон; 3 – пружина; 4 – корпус; 5 – ізолятор;
6 – стрілка; 7 – екран; 8, 12 – магніти; 9 – колодка; 10 – проріз;
11 – обмежувач; 13 – резистор
В інше коло послідовно ввімкнені котушки К2
і К3
і резистор 13
температурної компенсації. У канавку однієї з колодок закладений постійний магніт 12,
що забезпечує утримання стрілки в нульовому положенні при вимиканні приладу. На осі стрілки 6
приймача жорстко закріплений постійний магніт 8,
виконаний у вигляді диска, і обмежувач 1 1
кута повороту стрілки. Відігнутий кінець обмежувача входить у проріз 10
верхньої колодки 9.
Магніт і обмежувач повороту стрілки встановлюють у кільцевому просторі між колодками. Сталевий екран 7 захищає приймач від впливу магнітних полів.
При відсутності струму в ланцюзі стрілка приймача відхиляється до упора вліво. Це положення стрілки зумовлюється взаємодією полів постійних магнітів 8 і 12 і обмежувачем 11.
При роботі приладу сила струму в ланцюзі котушок К2 і К3 не змінюється, а тому і магнітні потоки, створювані цими котушками, залишаються практично постійними. Сила струму в котушці К1, а отже, і створюваний нею магнітний потік, залежать від температури датчика. Оскільки магнітні потоки котушок К1 і К2 діють зустрічно, то величина і напрямок сумарного потоку будуть залежати від струму, встановлюваного датчиком у котушці К1.
При температурі +40 °С опір датчика великий, тому струм у котушці К1 і її магнітний потік будуть малі. У цей момент магнітний потік, створюваний котушкою К2, буде перевищувати магнітний потік котушки К1. Сумарний магнітний потік (усіх трьох котушок), діючи на постійний магніт 8, поверне його і стрілка приладу встановиться проти поділки +40 °С.
При температурі +80 °С опір термістора знижується, у результаті чого збільшуються сила струму в котушці К1 і створюваний нею магнітний потік, який у цей момент буде дорівнювати магнітному потокові котушки К2. Ці потоки, спрямовані назустріч один одному, взаємно знищуються і сумарний магнітний потік трьох котушок дорівнює магнітному потокові котушки К3, який буде діяти на постійний магніт і поверне його так, що стрілка приладу встановиться на шкалі проти поділки +80 °С.
| 2 |
Рис. 1.11. Схема сигналізатора аварійної температури охолодної рідини:
1 – контакти; 2 – датчик; 3 – біметалева пластина; 4 – сигнальна лампа
Сигналізатор аварійної температури попереджає водія про недопустиме підвищення температури охолодної рідини. Датчик 2 сигналізатора (рис. 1.11.) вкручений у верхній бачок радіатора, а його сигнальна лампа 4 розташована на щитку приладів. При низькій температурі рідини контакти 1 сигналізатора розімкнуті і ланцюг сигнальної лампи розірваний. При підвищенні температури збільшується нагрівання балона, а отже, і біметалевої пластини 3, що деформується і при температурі (+107 ±10)°С, залежно від типу датчика замикає контакти 1, через які проходить струм на сигнальну лампу 4.
Прилади для контролю рівня палива. За допомогою покажчиків рівня палива водій може в будь-який момент визначити кількість палива в баці і, отже, встановити, яку відстань автомобіль може проїхати без додаткового заправлення. Ці прилади придатні тільки для приблизного контролю витрати палива, тому що точність їхніх показань невисока.
Покажчики рівня палива можна розділити на покажчики рівня палива з безпосереднім відліком показань (лінійкою) і дистанційні (магнітоелектричні, електромагнітні тощо).
Магнітоелектричні дистанційні покажчики рівня палива більш точні і надійні в роботі порівняно з електромагнітними й останнім часом набувають значного поширення. Будова приймача покажчика рівня палива аналогічна будові приймача магнітоелектричного покажчика температури охолодної рідини (див. рис. 1.10.), за винятком деяких особливостей. У ланцюг котушки К1 (рис. 1.12, б) ввімкнений додатковий резистор R д, призначений для обмеження струму в котушці при цілком вимкненому реостаті датчика, що запобігає перегріву ізоляції обмотки котушки. Температурну компенсацію здійснює резистор R тк.
При відсутності струму в ланцюзі стрілка приймача відхиляється до упора вліво. Це положення стрілки зумовлюється взаємодією постійного магніту 1 (рис. 1.12, а), вмонтованого в колодку 4, магніту 2, жорстко укріпленого на осі стрілки 3, і обмежувача. Сила струму в котушці К1 і її магнітний потік змінюються залежно від положення повзунка 6 на обмотці реостата 5 датчика.

Рис. 1.12. Схема магнітоелектричного покажчика рівня палива:
а – загальна схема; б – принципова схема з'єднання обмоток;
1,2 – постійні магніти; 3 – стрілка; 4 – колодка; 5 – обмотка реостата;
6 – повзунок; 7 – поплавок датчика
При роботі приладу сила струму в котушках К2 і К3, а отже, і їхні магнітні потоки залишаються незмінними. Магнітні потоки котушок К1 і К2 діють назустріч, а тому напрямок і величина їхнього сумарного магнітного потоку залежать від сили струму в котушці К1.
Якщо паливний бак заповнений повністю, обмотка 5 реостата буде цілком ввімкнена, тому струм у котушці К1 і магнітний потік, створений ним, будуть малими. У цей момент сумарний магнітний потік, створений трьома котушками, поверне магніт 2 і разом з ним і стрілку 3 у положення П – повного рівня палива в баці.
При зменшенні рівня палива поплавок 7 датчика опускається і переміщує повзунок 6, вмикаючи опір реостата. Сила струму в котушці К1 збільшується, магнітний потік стає більшим, і сумарний магнітний потік трьох котушок повертає магніт 2, а разом з ним стрілку 3 на шкалі приймача у бік меншого значення поділу шкали.
Прилади для контролю зарядного режиму акумуляторної батареї. Для контролю зарядного режиму акумуляторної батареї застосовують амперметри, вольтметри і світлові сигналізатори. Контроль зарядного режиму акумуляторної батареї одночасно забезпечує і контроль справності генератора і реле-регулятора (регулятора напруги). За наявністю зарядного струму можна мати дані про ступінь заряду акумуляторної батареї.
Застосування світлового сигналізатора (лампи) дозволяє водієві швидко помітити сигнал про раптову несправність у системі електроживлення. Однак інформативність світлового сигналізатора менша, ніж амперметра і вольтметра.
Амперметри показують зарядний або розрядний струм акумуляторної батареї, тому нуль відліку показань розташований завжди посередині шкали. На шкалах поставлені знаки «+» з одного боку і «–» з іншого, щоб відхилення стрілки у бік знака «–» показувало розряд акумуляторної батареї, а у бік «+» – її заряд.
У схемі електрообладнання автопоїзда амперметр включається послідовно з акумуляторною батареєю. Через нього не проходять тільки струми стартера і звукових сигналів.
Амперметри незалежно від меж виміру мають подібну конструкцію і відрізняються один від одного шкалами, наявністю незначних додаткових пристроїв, габаритними розмірами і способами кріплення. Амперметри бувають з рухомим і нерухомим магнітом.
Магнітоелектричний амперметр із рухомим магнітом (рис. 1.13, а) має дві з'єднані пластмасові колодки 3, на яких намотана котушка 5 з тонкого мідного проводу. Паралельно котушці ввімкнений резистор 1. На осі алюмінієвої стрілки 7 жорстко укріплений дисковий магніт 6 і обмежувач ходу стрілки 8. Магніт разом з обмежувачем може повертатися навколо осі в кільцевому просторі колодок на кут, що обмежується прорізом 9. Магнітний екран 4 захищає прилад від дії інших магнітних полів.
При відсутності струму в котушці 5 у результаті взаємодії різнойменних полюсів нерухомого магніту 2 і дискового рухомого магніту 6 стрілка 7 установлюється на нульову поділку шкали.
При проходженні струму котушкою 5 навколо неї створюється магнітне поле, що діє під кутом 90° до поля нерухомого магніту 2. У результаті взаємодії двох полів виникають дві сили, що утворюють обертаючий момент. Під дією цього моменту повертається дисковий рухомий магніт 6 зі стрілкою 7. При збільшенні сили струму в котушці збільшується магнітне поле, яке викликає відхилення стрілки на більший кут. Зміна напрямку струму в котушці викликає зміну напрямку дії магнітного поля і тоді стрілка відхиляється в інший бік. При заряджанні акумуляторної батареї стрілка відхиляється вправо, а при розряджанні – вліво.

Рис. 1.13. Схема амперметрів:
а – з рухомим магнітом; б – з нерухомим магнітом; Б, Я, Ш – з'єднання реле-регулятора;
7 – резистор; 2, 12 – нерухомий магніт; 3 – колодка; 4 – магнітний екран;
5 – котушка; 6 – дисковий рухомий магніт; 7, 10 – стрілка;
8 – обмежувач ходу стрілки; 9 – проріз; 11 – якірець; 13 – шина
Магнітоелектричний амперметр із нерухомим магнітом (рис. 1.13, 6) складається із шини 13, нерухомого магніту 12, якірця 11 і стрілки 10 із противагою. Гасіння коливань стрілки при вмиканні і вимиканні струму в ланцюзі і при поштовхах автомобіля здійснюється застосуванням спеціального змащення опор осі стрілки.
Коли струм через амперметр не проходить, якірець 11 під дією притягання полюсів магніту 12 знаходиться в рівновазі і стрілка приладу встановлюється на нульову поділку шкали. Під час проходження струму (від генератора до акумуляторної батареї, тобто при заряджанні акумуляторної батареї) по шині 13 навколо неї створюється магнітний потік, що, впливаючи на якірець 11, змушує його повернутися вправо, а разом з ним і стрілку.
При розрядці акумуляторної батареї напрямок струму в шинці та її магнітний потік змінюють свій напрямок і стрілка відхиляється в протилежний бік (уліво).
Прилади для виміру швидкості руху автомобіля і частоти обертання колінчастого вала двигуна. До цих приладів відносяться спідометри і тахометри. Під час руху автопоїздів необхідно визначати швидкість руху і пройдений шлях. Для цього служить прилад, який називається спідометром.
Спідометр складається зі швидкісного вузла, що показує швидкість руху в даний момент, і рахункового вузла, що відлічує пройдений шлях. Обидва вузли мають загальну основу і працюють від одного приводного валика. Крім зазначених основних вузлів, деякі типи спідометрів мають додаткові пристрої: добовий лічильник пробігу, світлову сигналізацію діапазонів швидкостей тощо.
Спідометри і тахометри, застосовувані на сучасних автомобілях, можна розділити за принципом дії на магнітоіндукційні (найпоширеніші) і електронні. Магнітоіндукційні прилади виготовляють із двома типами приводів: гнучким валом і електроприводом.
Гнучкі вали для приводу спідометрів і тахометрів застосовують, якщо довжина траси, якою прокладається гнучкий вал, не перевищує 3,55 м. При більшій довжині траси рекомендується застосовувати електропривід.
Спідометри встановлюють на всіх автомобілях, а тахометри тільки у випадках, коли необхідно контролювати частоту обертання колінчастого вала двигуна. Привід спідометра здійснюється від веденого вала коробки передач або роздавальної коробки; привід тахометра – від розподільного вала двигуна.
Спідометр магнітоіндукційного типу (рис. 1.14.). При використанні приводу від гнучкого вала оберти від нього передаються на валик 1 спідометра. Для змащування валика в хвостовій частині встановлена маслянка з фетровим ґнотом 2 просоченого маслом, що утримується заглушкою 3.

Рис. 1.14. Спідометр з приводом від гнучкого валу:
1, 13, 14 – валики; 2 – ґніт; 3 – заглушка; 4 – шунт;
5 – магніт; 6 – картушка; 7 – екран; 8 – вісь;
9 – важілець; 10 – втулка; 11 – пружина; 12 – стрілка
Швидкісний вузол містить постійний магніт 5 і магнітний шунт 4, які жорстко закріплені на валику 1.
Магніт 5 обертається всередині чашкоподібної алюмінієвої картушки 6. Магнітний екран 7, виконаний з м'якої сталі, концентрує магнітне поле, що створюється магнітом 5, у зоні картушки. Вісь 8 зі стрілкою 12 жорстко закріплена на картушці. Пружина 11 одним кінцем закріплена на втулці 10, іншим – на важільці 9.
При обертанні постійного магніту 5 його магнітний потік пронизує картушку, у результаті в ній виникають вихрові струми, що створюють власне магнітне поле картушки. Взаємодія магнітних полів магніту і картушки створює обертальний момент, який діє на картушку. Внаслідок цього картушка, переборюючи пружну силу пружини 11, повертається на визначений кут. Разом з картушкою на визначений кут щодо шкали повертається і стрілка. Чим більша частота обертання постійного магніту, тим більший кут повороту картушки і зв'язаної з нею стрілки приладу.
Зі зміною температури картушки змінюється її опір, що може призвести до появи похибок. Для зменшення впливу температури на роботу приладу встановлюється магнітний шунт.
Лічильний вузол спідометра приводиться в дію за допомогою понижуючих черв'ячних передач від валика 1 через валики 14 і 13. За конструкцією лічильні вузли бувають із зовнішнім і внутрішнім зачепленням барабанчиків. Найчастіше лічильні вузли спідометрів містять шість барабанчиків. Через кожні 100 тис. обертів початкового барабанчика, повний оберт якого відповідає відстані в 1 км, всі інші повертаються у вихідне положення і відлік показань лічильного вузла розпочинається з нуля.
Спідометри з приводом від гнучкого вала потребують періодичного змащування валика. Через 50–100 тис. км пробігу, або один раз на рік, у маслянку необхідно залити 3–5 крапель вазелінового масла.
Масло, закладене в оболонку гнучкого вала, рекомендується заміняти через 50–60 тис. км пробігу. У розбірних конструкцій гнучкий вал виймають із броні, промивають у гасі і наносять на нього шар масла ЦІАТИМ-201 або ЛЗ-158. Нерозбірні конструкції заповню-ють маслом за допомогою спеціального шприца або опусканням у ванну з маслом, роз-плавленим до рідкого стану.
Електричний привід спідометра буває двох типів: контактний і безконтактний. Контактний привід менш надійний і його використання менш поширене.
Контактний привід (спідометри СП134, СП125, СП119) складається з датчика, що перетворює постійну напругу бортової мережі в трифазну змінну напругу, і приймача – трифазного синхронного двигуна зі збудженням від постійних магнітів. Приймач і магні-тоіндукційний вузол спідометра являють собою єдину конструкцію.
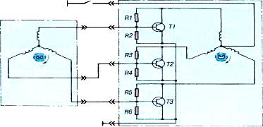
Безконтактний привід застосовується в спідометрі СП155 (рис. 1.15.), що встанов-люється на автомобілях Камаз, МАЗ.
Датчик МЕ307 спідометра СП 155 являє собою трифазний генератор змінного струму, ротором якого служить постійний магніт. Привід ротора здійснюється від веденого вала коробки передач, у результаті чого частота імпульсів напруги в обмотках датчика пропорційна швидкості руху автомобіля.
Імпульси напруги від кожної обмотки датчика подаються по проводах на бази транзисторів Т1, Т2, Т3 (КТ801А). У результаті транзистори працюють у ключовому режимі, подаючи через вимикач запалювання живлення в статорні обмотки електродвигуна приймача (покажчика). Резистори R1 – R6 служать для поліпшення умов перемикання транзисторів. При вимиканні чергового транзистора напруга бортової мережі подається до відповідної обмотки статора електродвигуна. У результаті створюється обертове магнітне поле, що приводить в обертання ротор (постійний магніт) електродвигуна, на валу якого закріплений постійний магніт швидкісного вузла. Через черв'ячну передачу приводиться в дію лічильний вузол. Покажчик датчик

Рис. 1.15. Схема спідометра з безконтактним приводом
2. Технічне обслуговування системи освітлення
Справний стан системи освітлення і світлової сигналізації є необхідною умовою безпеки руху. Це вказує на важливість регулярного профілактичного обслуговування освітлювальних приладів.
При щоденному ТО перед виїздом перевірте стан приладів освітлення при різних положеннях комбінованого перемикача фар головного освітлення, передніх і задніх ліхтарів, клавішних перемикачів протитуманних фар, клавішних вимикачів ліхтарів автопоїзда. Протріть забруднені розсіювачі приладів зовнішнього освітлення і сигналізації.
При ТО-2 відрегулюйте фари.
Світловий потік фар регулюйте на рівній площадці (рис. 2.1.) і твердим покриттям (асфальт, асфальтобетон тощо). Автомобіль повинний бути в спорядженому стані, але без вантажу. Тиск у шинах автомобіля доведіть до норми. Розсіювачі протріть.
| Цм) |
Н(мм) |
| 10 ±0,05 |
250 |
| 7,5 ±0,03 |
190 |
| 5 ±0,025 |
125 |

Рис. 2.1. Схема регулювання фар
Плоский екран з матовою поверхнею шириною не меншою 3 м установіть перпендикулярно до поверхні площадки. Відхилення екрана від перпендикулярності повинне бути не більше 1°. Лінії розмітки, нанесені на екран з допуском +0,5 см, повинні бути добре помітні.
Автомобіль установіть так, щоб його подовжня вісь була перпендикулярною до екрана, а лінія III збіглася з подовжньою площиною симетрії автомобіля. Допустиме відхилення подовжньої симетрії щодо лінії III , не більше ±5 см. Лінії II і IV повинні збігатися з проекцією центрів фар автомобіля на площину екрана. Лінія І повинна знаходитися на рівні висоти центра фар
Відстань від екрана до центрів зовнішньої поверхні розсіювачів фар 10 м. Допускається зменшення цієї величини до 7,5 і 5 м.
При установці автомобіля на віддаленні 10 ±0,05 м, 7,5 і 5 м відстань від лінії І до лінії А відповідно повинна бути 250, 190 і 125 мм.
Світло фар можна регулювати також за допомогою реглоскопа типу К-203.
При регулюванні світла протитуманних фар установіть екран на відстані 5 м від автомобіля і проведіть на ньому горизонтальну лінію, що повинна бути нижче лінії висоти центрів фар на 100 мм. Відпустіть гайку кріплення протитуманної фари до кронштейна й установіть фару так, щоб верхня межа світлової плями збігалася на екрані з горизонтальною лінією.
Величину падіння напруги на виробах світлотехніки перевіряйте за допомогою вольтметра при ввімкненому дальньому світлі фар. Для цього замірте напругу між виводом амперметра і масою, між штекерним виводом нитки дальнього світла фар і масою. Падіння напруги, рівне різниці цих напруг, не повинне перевищувати 6,5% від номінальної напруги.
Падіння напруги можна перевіряти безпосередньо мілівольтметром, забезпечивши подачу напруги до плюсового виводу амперметра і штекерного виводу нитки дальнього світла.
На внутрішній поверхні колб ламп іноді з'являється наліт вольфраму, що випаровується, який різко зменшує силу світла. Такі лампи необхідно замінити. Після їхньої заміни обов'язково регулюють напрямок світлового потоку.
Заміну ламп необхідно проводити в приміщенні, де немає пилу. Не можна тривалий час залишати оптичний елемент відкритим після того, як виймуть патрон з лампою, що не працює. Не доторкайтеся пальцями до поверхні відбивача.
При забрудненні відбивача промийте його чистою теплою водою, очищуючи ватою його поверхню. Очищення проводьте круговими рухами з невеликим зусиллям. Після промивання оптичний елемент просушіть, поклавши його для сушіння дзеркальною поверхнею вниз.
3. Технічне обслуговування контрольно-вимірювальних приладів
В основу роботи приладів (покажчиків тиску масла, температури охолодної рідини і рівня палива) покладений принцип логометра. Зміна опору датчика залежно від значення контрольованого параметра визначає силу струму, що протікає обмотками покажчика, що, у свою чергу, впливає на відхилення стрілки шкали приладу.
Несправності, що виникають у приладах даного типу, викликані в основному або поломкою датчика, або порушенням контакту в колі датчик – покажчик. Якщо стрілка покажчика температури або тиску відхиляється вліво за межі шкали, а в покажчику рівня палива зашкалює вправо, то це свідчить про обрив проводу, що з'єднує датчик і покажчик, або про те, що на покажчику переплутані клеми «Б» і «Д».
У результаті короткого замикання в колі датчик – покажчик можливе зашкалення стрілки покажчика температури охолодної рідини і тиску масла вправо, а покажчика рівня палива – вліво. Несправність визначають за відхиленням стрілки приладу. Якщо при від'єднанні проводу від датчика стрілка приладу не змінить свого положення, то це свідчить про наявність у колі короткого замикання.
Відзначимо одну особливість тахометра, що помилково можна визнати за несправність. Вона пов'язана з коливаннями стрілки при вимкнених споживачах електроенергії. При ввімкненні фар або інших споживачів показання приладу нормалізуються. Пояснюється це періодичним ввімкненням обмотки збудження генератора, коли акумуляторні батареї не вимагають підзарядки. При цьому на вхід покажчика тахометра не надходять імпульси фази генератора.
При щоденному ТО перед виїздом з парку перевірте працездатність спідометра і тахометра за показниками стрілки покажчика і лічильника пройденого шляху.
При ТО-2 перевірте стан і працездатність датчиків ввімкнення (шокування міжосьового диференціала і стоп-сигналу.
Перевірка технічного стану контрольно-вимірювальних приладів. Для контрольної перевірки спідометрів і тахометрів необхідно мати установку, за допомогою якої можна одержувати різні фіксовані значення частоти обертання на валах приладів: того, що перевіряється і контрольного.
Три перевірці датчиків приймача спідометра або тахометра имикайте по черзі контрольний датчик і той, який перевіряється. Методом порівняння двох отриманих показань оцініть похибку приладу, що перевіряється.
При перевірці приймачів спідометра або тахометра необхідно маги контрольний датчик. Перевірку можна також проводити методом порівняння. До приладів, що перевіряються і до контрольних підключіть живлення від джерела живлення відповідно, зі схемою підключення на автомобілі. Найбільш простою установкою, на якій можна робити подібну перевірку, є КТУ1.
При перевірці технічного стану амперметра з'ясуйте точність його показань порівнянням з показаннями контрольного амперметра, який разом з реостатом для регулювання сили струму ввімкніть у коло послідовно з приладом, що перевіряється. Проведіть перевірку при прямому і зворотному напрямках струму при значеннях струму 10, 20 і 3О А.
Допустима погрішність амперметра 7% від суми кінцевих значень шкали при температурі навколишнього повітря +20 ±5 °С.
Покажчики тиску в системі змащення двигуна перевіряйте разом з датчиком (порівнюючи з показаннями контрольного манометра), встановлюючи їх у резервуар з регульованим тиском і вмикаючи живлення аналогічно схемі ввімкнення на автомобілі.
Допустима погрішність покажчика ±7% від верхньої межі вимірів у діапазоні робочих тисків від 0 до 0,7 МПа і ±10% у діапазоні пісків понад 0,7 МПа при температурі навколишнього повітря плюс 20 ±5 °С.
Покажчик і датчик температури охолодної рідини перевіряйте порівнянням з показаннями ртутного термометра. Датчик разом з термометром помістіть у резервуар з водою, температуру якої поступово збільшуйте. Приєднайте покажчик до датчика відповідно зі схемою ввімкнення, корпус датчика з'єднайте з мінусовим виводом батареї.
Оцініть точність показань приладу, що перевіряється.
Перевірка контрольно-вимірювальних приладів проводиться також на контрольній установці типу Е204 та аналогічних.
Перелік використаної літератури
1. Костів Б.Ф. Експлуатація автомобільного транспорту: Підручник. – Львів: Світ, 2004. – 496 с.; іл
2. Лауш П.В. Техническое обслуживание и ремонт машин. – К.: Высшая школа, 1989. – 350 с.
3. Полянський С.К. Будівельно-дорожні та вантажопідіймальні машини. – К.: Техніка, 2001. – 624 с.
4. Строков О.В. Технічне обслуговування та ремонт вантажних і легкових автомобілів, автобусів. – К.: Грамота, 2005
5. Родичев В.А., Родичева Г.И. Тракторы и автомобили – М.: Высш. школа, 1982. – 320 с.
6. Токаренко В.М. Практикум по устройству, техническому обслуживанию и ремонту автотранспорта. – К.: Урожай, 1989. – 350 с.
Похожие рефераты:
Автоматизація котельні на ТЗВ "Волинь-Шифер"
Розробка датчика температур на акустичних хвилях
Електропоїзди постійного струму
Теоретичні основи теплотехніки
Електроніка та мікропроцесорна техніка
Оптимізація параметрів динамічної системи підресорювання корпуса БТР
Ремонт та технічне обслуговування приладів освітлення та сигналізації автомобіля
Автоматизована система керування заводу по виготовленню цегли
Діагностичні параметри датчиків та виконавчих пристроїв
Оборудование летательных аппаратов