| Похожие рефераты | Скачать .docx |
Реферат: Технологический процесс ремонта переднего моста автомобиля ЗИЛ-130: разборка, ремонт и сборка
Введение
Роль автомобильного транспорта в народном хозяйстве.
Автомобильный транспорт имеет большое значение в общей транспортной системе Р.Ф., не его долю приходится свыше 2\3 всех грузовых перевозок в народном хозяйстве.
Основными направлениями экономического и социального развития страны, предусматривается освоение и расширение производства грузовых и специализированных автомобилей и автобусов, в первую очередь дизельных, увеличение выпуска малотоннажных грузовых автомобилей и электромобилей для внутригородских перевозок, значительное увеличение производства прицепов и полуприцепов для обеспечения перевозок автопоездами. В последнее время запланировано увеличение грузооборота автомобильного транспорта общего пользования в 1,3…1,4 раза, а пассажирооборота автобусов – на 16…18% Транспорт важнейший элемент инфраструктуры, под который понимают отрасли народного хозяйства, создающие общие его функционирования. Транспорт оказывает активное влияние на процесс расширенного воспроизводства, величину запасов, сырья, топлива и промышленной продукции, производственную мощность складов, т.е. на эффективность функционирования различных отраслей народного хозяйства.
В настоящее время существуют крупные заводы, такие как ОАО «КамАЗ», ОАО «ГАЗ» ОАО «ЗИЛ», ОАО «МАЗ». Заводы изготовители выпускают автомобильный транспорт для многих отраслей народного хозяйства. Для перевозки грузов выпускаются многие марки автомобилей, в том числе и спецтехнику на базе автомобилей: ЗИЛ-130, КамАЗ-5320, ГАЗ-53, МАЗ-503, и другие.
Устройство переднего моста а/м ЗИЛ-431410.
Принято считать, что выпуск легендарного грузовика ЗИЛ-130 давно прекращен. Действительно, на ЗИЛе его сняли с производства еще в 1994 году. Правда, в производственной программе московского завода остается ЗИЛ-4333, наследник «сто тридцатого» с новой кабиной.
На одной из недавних выставок наше внимание привлек новенький бортовой ЗИЛ-130, как будто вернувшийся из времен развитого социализма. Даже голубой цвет тот самый, в который когда-то красили большинство этих машин. В крыльях и облицовке, взятых от ЗИЛ-131, нет ничего необычного: «сто тридцатые» со «сто тридцать первым» оперением существуют не первое десятилетие. Этот автомобиль изготовлен не на ЗИЛе. В советское время в городе Новоуральске Свердловской области действовал «засекреченный» автозавод, филиал ЗИЛа, где выпускали военные внедорожные грузовики – сначала ЗИЛ-157, затем ЗИЛ-131. В 1990-х завод освоил выпуск ЗИЛ-130, а его крылья и облицовку унифицировали с «основной» трехосной моделью. Таким образом, уральская модификация ЗИЛ-130 стала похожа на гибриды, которые строили на автобазах и ремонтных предприятиях с конца 1960-х. Но в столичном регионе такие машины долгое время не продавались: здесь господствовали грузовики с конвейера ЗИЛа. Сегодня АМО ЗИЛ и уральский УАМЗ не просто разные предприятия, они стали конкурентами. Зато одна московская фирма, торгующая грузовым транспортом, предложила потребителю грузовик марки «Амур-53131», выпускаемую в Новоуральске модификацию знаменитого ЗИЛ-130.
Интерьер кабины создан для любителей ретро: двери без обивки, антикварные приборная панель, сиденья и стеклоочистители; ветровое стекло, разделенное пополам, от ЗИЛ-131. Кроме кабины многое осталось по-прежнему: знакомая «сто тридцатая» бортовая платформа, старые световые приборы. Нет даже противоподкатного буфера сзади, вместо него – кронштейн с запасным колесом.
Место неэкономичного и не вписывающегося в нормы токсичности выхлопа 8-цилиндрового карбюраторного двигателя занял 4-цилиндровый минский дизель. «Амур-53131» оснащают модификацией двигателя с индексом ММЗ-245.9, соответствующей нормам Euro 2. От дизеля, применяемого на большинстве «Бычков», она отличается турбонаддувом и системой промежуточного охлаждения воздуха (интеркулером). Мощность составляет 136 л.с. Установка такого мотора повлекла за собой маленькое изменение в кабине. Под панелью приборов расположен блок контрольных лампочек, взятых с панели «Бычка». Но ничего нового в силовом агрегате нет. ЗИЛ выпускает машины семейства 4333 с минскими дизелями, да и «Бычки», оснащенные моторами «девятой» серии с турбонаддувом, встречаются. Некоторые владельцы еще в 1990-е годы самостоятельно устанавливали на ЗИЛы дизели того же семейства, взятые от трактораМТЗ.
Помимо бортового грузовика уральский завод предлагает шасси для специализированных машин. Уже появились мусоровозы и поливальные цистерны на базе «Амура-5313». Мытищинский завод освоил строительный самосвал с кузовом от модели 1980-х годов – ЗИЛ-ММЗ-4505. Теперь у него индекс 3518.
Масштабы выпуска «Амура-53131» невелики: за прошлый год изготовлено около 800 грузовиков. Но сейчас в Московском регионе продают не менее 100 автомобилей в месяц. На уральском заводе, конечно, работают над новой бескапотной моделью, пробуют установить на бывшее «зиловское» шасси с минским дизелем кабину от МАЗа или китайского FAW. Такие машины по ряду причин пока остаются штучными экземплярами, а старый добрый ЗИЛ-130 под псевдонимом «Амур» «живее всех живых». Многих потребителей в нашей стране вполне устраивает проверенный временем и собранный из знакомых узлов грузовик.
1. Основная часть
1.1 Техническая безопасность при ремонте
При постановке автомобиля на пост технического обслуживания или ремонта, не связанного с регулировкой тормозов, автомобиль следует затормозить ручным тормозом и включить низшую передачу. В тех случаях, когда выполняются ремонтные операции, связанные со снятием колес, необходимо поставить под автомобиль козелки, а под неснятые колеса - упоры (башмаки). Производство каких-либо работ на автомобиле со снятыми колесами, вывешенном только на одних подъемных механизмах (домкратах, талях и т.д.),запрещается. При снятии и постановке рессор необходимо предварительно разгрузить автомобиль от веса кузова путем поднятия кузова подъемным механизмом с последующей постановкой козелков. Конструкция козелков должна гарантировать автомобиль от падения. Техническое обслуживание и ремонт автомобиля-самосвала при поднятом кузове производится после укрепления кузова прочными металлическими упорами (штангами), исключающими возможность его самопроизвольного или случайного опускания. Использование вместо упора различных подкладок (ключей, ломов, деревянных брусьев и т.д.) воспрещается. Работать под поднятым кузовом без установки упора запрещается. Снимать, транспортировать и устанавливать двигатель, коробку передач, задний мост, передний мост, кузов и раму следует при помощи подъемно-транспортных механизмов, оборудованных приспособлениями (захватами), гарантирующими полную безопасность работ. Запрещается снимать, устанавливать и транспортировать агрегаты при зачалке их тросом и канатами. Тележки для транспортирования должны иметь стойки и упоры, предохраняющие агрегаты от перемещения по платформе и падения. Инструменты и приспособления для технического обслуживания и ремонта автомобилей должны быть исправными и соответствовать своему назначению. Пользоваться неисправными инструментами и приспособлениями запрещается. Проверку технического состояния автомобиля и его агрегатов при выпуске автомобиля на линию и возвращении с линии необходимо производить при неработающем двигателе и заторможенных колесах. Исключение из этого правила составляют случаи опробования тормозов, проверки работы двигателя и приемки автомобиля на ходу (лицо, принимающее автомобиль, должно находиться в кабине водителя).Для осмотра автомобиля применяют переносную электролампу напряжением не выше 36 В с предохранительной сеткой, а при работе в осмотровой канаве - 12 В. При ремонте автомобилей на смотровой канаве, лица производящие ремонт обязаны надеть защитные каски и защитные очки. Техническое состояние переднего моста должно обеспечивать надежность установки передних колес и крепления деталей рулевого привода к деталям ходовой части. Передний мост не должен иметь погнутости, трещин в балке или деталях независимой подвески, люфта передних колес более положенного (по паспорту завода изготовителя), заеданий и повреждений в подшипниках передних колес. При работе с пневматическим стационарным подъемником для подъема покрышек большого размера обязательна фиксации поднятой покрышки стопорным устройством.
1.2 Разборка переднего моста
Устройство переднего моста автомобиля. Показано на рис. 1.

Рис. 1 - Передний мост автомобиля: 1-ступица; 2-подшипник ступицы, 3 и 26-гайки, 4-мочное кольцо, 5-контргайка, 6-поворотная цапфа, 7-замочная шайба, 8-уплотнение, 9-разжимной кулак, 10-тормозной барабан, 11-опорный диск, 12- кронштейн тормозной камеры, 13-масленка, 14-регулировачный рычаг, 15-вал разжимного кулака, 16-продольная рулевая тяга, 17-втулка шкворня, 18-регулировачные прокладки,19-шкворень, 20-клин шкворня, 21-верхний рычаг, 22-поперечная рулевая тяга, 23-нижняя опорная шайба подшипника, 24-верхняя опорная шайба, 25-ось колодки
Техническая характеристика передней оси:
Балка - штампованная, двутаврового сечения
поворотные кулаки - кованные вильчатого типа.
Углы установки передних колес:
Продольный угол наклона шкворня автомобилей без нагрузки
ЗИЛ -1301°15’
Угол развала колёс 1°
Поперечный наклон шкворня 8°
Максимальный угол поворота колес
(внутренний) вправо и влево 45°
Схождение колёс ( разность расстояния
Между ободами колес сзади и спереди на
Уровне оси колес)мм 2….5
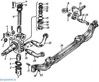
Для ремонта передней балки используют следующие инструменты: баллонник для снятия передних колес, съемник и804.28.000 рис. 2.

Рис. 2 - Ремонт балки и переднего моста
Основным силовым элементом переднего моста заднеприводного автомобиля является балка. Несмотря на кажущуюся массивность и прочность, эта деталь также подвержена поломкам и повреждениям. Причем такие неисправности во время движения могут быть причиной потери контроля над машиной. Потому их необходимо своевременно выявлять и ликвидировать.
Если при визуальном осмотре на балке заметны трещины или отколы, то ее необходимо заменить новой деталью. Также серьезным повреждением является скручивание или изгиб балки. Эти поломки выявляют на специальном стенде, на котором можно и устранить эти повреждения путем правки. В случае неудачи, также придется заменить узел в сборе.
Если в балке износились отверстия, их необходимо расточить, а затем запрессовать туда ремонтные втулки и подогнать под требуемый диаметр.
В случае наличия трещин или отколов на поворотной цапфе, ее заменяют новой. Отметим, что не всегда удается обнаружить трещины визуально. В таком случае применяется магнитный дефектоскоп. Конусные отверстия под рычаги необходимо также проверить на предмет износа. Это осуществляют при помощи конусного калибра. В случае превышения износа над допустимыми значениями, поломку устраняют при помощи конусной развертки.
В случае износа резьбы, ее наплавляют под флюсом. Далее производится нарезка новой резьбы. Отметим, что наплавление можно производить вибродуговым методом. В случае износа шеек под подшипники, а также кольца под сальник ступицы их можно починить путем хромирования или железнения. Второй метод применяется в случае сильного износа. В любом случае после восстановления необходима шлифовка деталей с целью установления рабочего размера.
После осуществления ремонта или замены балки или ее частей, необходимо провести регулировку углов поворота и схождения колес. Для этого применяется специальный стенд. Для установки крайних углов поворота колес в рычагах цапф имеются специальные упоры. Схождение колес устанавливают вращением поперечной тяги. После остаточной регулировки требуется закрутить болты крепления головок поперечной рулевой тяги.
Дефекты деталей переднего моста и способы их устранения
Поступившие в капитальный ремонт передние мосты подвергаются очистке, мойке и разборке на детали. Передняя ось и поворотные кулаки в разобранном виде представлены на рис. 105. Детали подвергаются мойке, обезжириванию и дефектации.

Рис. 3 - Передняя ось и поворотные кулаки в разобранном виде: 1 - болты; 2, 30 - пружинные шайбы; 3 - нижняя крышка поворотного кулака; 4 - прокладка крышки; 5 - втулка шкворня; 6 - ось левого поворотного кулака; 7 - гайка; 8 - разводной шплинт; 9 - масленка; 10 - шкворень; 11 - болт; 12 - верхняя крышка поворотного кулака; 13 - уплотнительное кольцо; 14 - обойма сальника; 15 - сальник; 16 - регулировочная шайба; 17 - верхнее кольцо подшипника; 18 - опорный подшипник; 19 - штифт; 20 - нижняя шайба опорного подшипника; 21 - поворотный правый кулак с осью; 22 - сегментная шпонка, 23, 28 - рычаги поворотного кулака, соединяющиеся с тягой рулевой трапеции; 24 - балка передней оси; 25 - рычаг поворотного кулака, соединяющийся с тягой сошки рулевого механизма; 26 - упор поворотного кулака; 27, 29 - контргайки упора; 31 - клин шкворня
Основными дефектами балки переднего моста являются изгиб и скручивание балки, износ поверхностей отверстий под шкворень, под клин шкворня, под стремянки крепления рессор. Возможные неисправности передней оси и способы их устранения представлены в табл. 47.
Возможные неисправности передней оси и способы их устранения
| Внешние проявления неисправностей | Возможные причины неисправностей | Способ устранения неисправностей |
| Ухудшение устойчивости автомобиля при движении | Нарушена балансировка колес | Произвести балансировку колес с шинами в сборе |
| Недостаточное или неодинаковое давление воздуха в шинах | Довести давление воздуха в шинах до нормы | |
| Люфт в подшипниках ступиц и неправильная затяжка гаек крепления колес к ступицам | Произвести регулировку подшипников ступиц колес и затяжку гаек | |
| Износ протектора шин | Не производилась перестановка колес | Произвести перестановку шин по схеме их перестановки |
| Неправильно отрегулировано схождение колес | Произвести регулировку схождения колес |
При наличии трещин и отколов любого характера балка переднего моста бракуется.
До проверки и правки на балке зачищаются забоины на торцах отверстий под шкворень и площадках под рессоры. Значения изгиба и скручивания проверяются на специальном стенде. Допустимый прогиб в горизонтальной плоскости ±1,5° в вертикальной плоскости ±3°. Допустимое скручивание равно ±1,5°.
Балка переднего моста правится на прессе в холодном состоянии. Восстановление исходного значения диаметра обеспечивается постановкой дополнительных ремонтных втулок. Для этого растачивается отверстие и в него запрессовывается втулка таким образом, чтобы радиусная канавка совпала с отверстием под клин. Запрессованные втулки растачиваются под размер рабочего чертежа. Торец бобышек подрезается с двух сторон.
Изношенные поверхности отверстий под клин шкворня обрабатываются под ремонтный размер, и устанавливается клин ремонтного размера.
Дефекты поворотной цапфы могут проявляться в виде износа конусных отверстий под рычаги, износа проушин под бобышку балки переднего моста, повреждения резьбы под гайку, износа шеек под подшипники, износа поверхностей отверстий во втулках шкворня.
При наличии обломов и трещин любого характера поворотные цапфы бракуются.
Расшплинтовать палец штока тормозной камеры, снять шайбу и палец (рис. 4)

Рис. 4 - Передняя ось и поворотные кулаки в разобранном виде: 1 - болты; 2, 30 - пружинные шайбы; 3 - нижняя крышка поворотного кулака; 4 - прокладка крышки; 5 - втулка шкворня; 6 - ось левого поворотного кулака; 7 - гайка; 8 - разводной шплинт; 9 - масленка; 10 - шкворень; 11 - болт; 12 - верхняя крышка поворотного кулака; 13 - уплотнительное кольцо; 14 - обойма сальника; 15 - сальник; 16 - регулировочная шайба; 17 - верхнее кольцо подшипника; 18 - опорный подшипник; 19 - штифт; 20 - нижняя шайба опорного подшипника; 21 - поворотный правый кулак с осью; 22 - сегментная шпонка, 23, 28 - рычаги поворотного кулака, соединяющиеся с тягой рулевой трапеции; 24 - балка передней оси; 25 - рычаг поворотного кулака, соединяющийся с тягой сошки рулевого механизма; 26 - упор поворотного кулака; 27, 29 - контргайки упора; 31 - клин шкворня
Внутренний подшипник с помощью двух оправок снять кольцо манжеты с поворотного кулака. Снять осей колодок две чеки и шайба стяжную пружину. После чего снять тормозные колодки.
Отвернуть гайку клина крепления шкворня 19,выбить клин с помощью молотка и медной оправки. Затем выпрессовать шкворень, использовав для этой цели устройство (рис. 4)
Приспособление установить так, чтобы совпали оси винта 2и шкворня путем вращения винта снять поворотную цапфу 6 (рис. 4) регулировочные прокладки 18 и опорные шайбы 23и24подшибника. Шкворень можно выпрессовать и при помощи приспособления модели 2504 (рис. 4).
Для снятия второго поворотного кулака произвести те же операции.
Сборка передней оси
Запрессовать втулки шкворня в отверстие поворотного кулака (натяг 0,100…0,175мм). Просверлить отверстия, во втулках направив сверло через отверстие под масленку. Подогнать втулки разверткой до диаметра 38,025…38,060мм обеспечив строгую их соосность.
Установить шпонки в канавки конусного отверстия поворотного кулака, вставить поворотные рычаги,закрепить рычаги гайками и зашплинтовать их момент затяжки 300…350Нм (30…35кгс.м). В нижние рычаги ввернуть ограничительные болты с контргайками.
Вставить в нижнее гнездо поворотного кулака шайбу и опорные шайбы подшипника с уплотнительным кольцом, а верхние гнездо регулировочные прокладки 18.Установить поворотные цапфы 6 и соединить их с балкой оси, вставив шкворни 19 в отверстие кулака и балки проверить зазор между верхней опорой поворотного кулака и верхней плоскостью опоры балки.
Зазор должен быть 0,25мм. При необходимости отрегулировать зазор прокладками закрепить шкворни клином 20,навернуть на него гайку с шайбой. Установить крышкам шкворней-с прокладками. Ввернуть масленки в отверстия поворотных кулаков.
Собрать поперечную рулевую тягу и установить её на нижние поворотные рычаги, закрепить шаровые пальцы гайками и зашплинтовать их.
Приналичие специального приспособления проверить схождения колес, которое должно быть 2…5мм рис 6-25. Схождение колес устанавливается изменением длины поперечной рулевой тяги.
Для регулировки схождения надо поставить автомобиль на горизонтальной площадке и установить передние колеса для движения по прямой между ободьями колес передпередним мостом вставить раздвижную линейку 1 параллельно площадке на высоте, ровной половине диаметра колеса. Произвести первый замер (1),а место установки линейки пометить.
Затем перекатить автомобиль вперед на пол оборота колеса,установить линейку по меткам позади переднего моста и произвести второй замер.
Одновременно надо проверить максимальный угол поворота передних колес и при необходимости отрегулировать с помощью опорных болтов. угол поворота колес должен быть:для правого колеса при повороте в право 34+30,для левого колеса при повороте на лево 36+30.
Собрать продольную рулевую тягу и установить её на место,закрепить палец гайкой зашплинтовать её.сборку и установку тормозов передних колес произвести в порядке обратном разборке.
Напрессовать внутренний подшипник на цапфу при мощи оправки (посадка от зазора 0,032 до натяга 0,003мм), причем оправка должна упираться во внутреннее кольцо подшипника.подшипник должен быть смазан консистентной смазкой. В том случае, когда имеется износ наружных колец подшипников поворотного кулака надо заменить их на новые. Посадка колец в ступицу производиться с натягом: для внутреннего подшипника 0,010…0,059 мм, для наружного подшипника -0,009…0,059мм
Вставить в ступицу барабана и запрессовать манжету. Смазать обильно внутренний подшипник консистентной смазкой установить тормозной барабан в сборе со ступицей на поворотный кулак. Установить на цапфу с помощью оправки наружный подшипник: при этом оправка должна упираться во внутренние кольцо подшипника. Посадка подшипника производится от зазора 0,027мм до натяга 0,002мм.
Смазать наружный подшипник консистентной смазкой, навернуть гайку шайбу и затянуть ключом от руки до начала торможения ступицы колеса подшипника.
Провернуть ступицу колеса несколько раз в обоих направлениях для того чтобы правильно установились ролики подшипников. При этом тормозной барабан не должен задевать за накладки колодок. Отпустить гайку – шайбу примерно на 1\5 оборота до совпадения ближайшего отверстия со штифтом замочного кольца, при этом ступица должна вращаться свободно и не иметь заметной качки. Установить на цапфу замочное кольцо и замочную шайбу, навернуть контргайку затянуть её ключом с рычагом длиной 400мм до отказа и отогнуть замочную шайбу на грань гайки. Установить колпак с прокладкой и установить его на ступице болтами подложив под головки болтов пружинные шайбы.
При установке передней оси надо поднять подъёмником переднюю часть рамы автомобиля и подкатить переднюю ось. Опустить немного раму на подвеску. Прикрепить переднюю ось к раме автомобиля. Опустить переднюю часть автомобиля и убрать подъёмные приспособления.
В том случае, когда при сборке передней оси схождение и углы поворота колес не проверялись,следует их проверить и при необходимости отрегулировать.
Проверка и ремонт деталей
При ремонте балка переднего моста должна быть проверена на изгиб и скручивание на приспособлении, которое устанавливают на площадке для рессор.
Призму приспособления направляют по фиксатору, установленному в отверстие под шкворень и закрепленному при помощи разжимной цанги. определение изгиба и скручивания,а также величины угла наклона отверстия под шкворень производят по шкалам.
Правку балки производят в холодном состояние под гидравлическим прессом. После правки угол наклона оси в отверстия под шкворень к вертикальной оси должен быть в пределах 7 45 … 8 15.
Неперпендикулярность отверстия под шкворень относительно рессорных площадок не должна превышать 0,5мм.
Неперпендикулярность торцов бобышек балки относительно отверстий под шкворень допускается не более 0,20мм. При изгибе балки не под дающейся правк, её следует заменить. При износе деталей переднего моста сверх допустимых размеров изношенные детали следует заменить.
Трещины не балке или на других деталях передней оси не допускаются.
При износе проушины поворотного кулака под балку переднего моста сверх допустимого размера 111,75мм рекомендуется обработать изношенные поверхности и при сборке поставить компенсирующие шайбы. При износе проушины более 111,25мм поворотный кулак следует заменить.
Повреждения резьбы поворотных кулаков и рычагов поворотного кулака более двух ниток не допускается.
Изношенные втулки шкворня рекомендуется выпрессовать, и заменить новыми.
Поворотные кулаки с изношенными шейками под подшипники и рычаги поворота кулаков с изношенными конусными шейками под цапфу и конусными отверстиями под палец следует заменить.
При износе опорной шайбы и опорного кольца подшипников поворотного кулака сверх допустимых размеров их надо заменить.
Основные размеры деталей переднего моста автомобиля ЗИЛ-130 приведены в таблице
| Длина балки по центрам отверстий под шкворень | 1595 | - |
| Диаметр отверстия под шкворень | 38,00…38,039 | 38,06 |
| Диаметр отверстия под стопорный клин шкворня | 14,00…14,12 | 14,25 |
| Высота бобышек под шкворень | 92,77…93,00 | 93,50 |
Поворотный кулак сталь 40Х, ГОСТ 4543-71,твердость НВ241…285
| Диаметр шейки под наружный подшипник | 39,973…39,990 | 39,95 |
| Диаметр шейки под внутренний подшипник | 54,968…64,988 | 54,94 |
| Диаметр шейки под кольцо манжеты ступицы | 98,09…98,19 | - |
| Смешение калибра относительно конуса не более | 0,3 | 1,5 |
| Конусность отверстия | 1\8 | |
| Ширина проушины под балку переднего моста | 109,00…109,23 | 109,50 |
| Резьба цапфы | М36х26g | - |
| Диаметр отверстия под втулки шкворня | 41,00…41,05 | 41,08 |
Рычаги поворотного кулака сталь 40х, ГОСТ 4543-71,твердость НВ241…285
мост автомобиль разборка ось
| Диаметр конусной шейки относительно конуса | 35,7 | - |
| Диаметр отверстия малого конуса под шаровой палец | 21,0 | - |
| Смешение калибра относительно конуса не более | 0,3 | - |
| Конусность шейки под цапфу и отверстия под шаровой палец | 1\8- |
Шкворень поворотного кулака
Сталь 18ХГТ, ГОСТ 4543-71,глубина нитроцементированого слоя 1,0…1,14мм, твердость поверхностного слоя HRСэ 57,1…62,9
| Диаметр шкворня | 37,983…38,000 | 38,96 | ||
| Параметры | Номинальный | Допустимый без ремонта | ||
Втулка поворотного кулака
Латунь ЛО 90-1ГОСТ 15527-70 лента толщ.1,7мм полутвердая ГОСТ 48-25-72
| Наружный диаметр втулки (в кольцевидном калибре) | 38,025…38,060 | 38,08 |
Опорная шайба подшипника поворотного кулака
Металлокерамика: железный порошок ПЖ1М2 ГОСТ9849-7497+0,2%медный порошок ПМС-Ву ГОСТ 4960-75
| Наружный диаметр шайбы | 66,8…67,1 | - |
| Толщина шайбы | 4,92…5,00 | 4,7 |
| Внутренний диаметр шайбы | 39,0…39,02 | - |
Опорное кольцо подшипника поворотного кулака
Металлокерамика железный порошок ПЖ1М2 ГОСТ 9849-74-97+0,2% ПМС-Ву ГОСТ4960-75-3+0,2%
| Наружный диаметр | 66,4…66,8 | - |
| Толщина шайбы | 11,43…11,50 | 11,2 |
| Внутренний диаметр кольца | 38,5…39,02 | - |
2. Проверка развала колес
Для проверки развала колес автомобиль устанавливают на ровной горизонтальной площадке так, чтобы передние колеса стояли в положение, соответствующем прямолинейному движению. При этом подшипники ступиц колес должны быть отрегулированы, давление в шинах должно быть приведено в норму.
Корпус прибора 8 закрепляют струбциной на одной из гаек крепления колеса тыльной стороной вверх. При помощи пузырьков двух взаимно перпендикулярных установочных уровней корпус устанавливают горизонтально.
После этого колесо перекатывают на 180 так, чтобы пузырек уровня шкалы поперечного наклона остановился против нуля и по шкале определяют угол развала (рис. 4).
Углы развала колес не регулируют.
Проверка и регулировка максимальных углов поворота.
Для измерения максимальных углов поворота передние колеса устанавливают на поворотные диски 5 и 6 (см.6-31,а), соединяют удлинители 4со стержнями скоб указателей 3поворотных ящиков. У каждого колеса устанавливают ящики 7 так, чтобы удлинители указателей плотно прилегали к шинам ниже ступиц, а стрелки 2 указателей стали против нулевых делений шкал. Колеса должны быть установлены для прямолинейного движения и заторможены. После этого колеса поворачивают до упора вправо и влево и определяют углы поворота. При необходимости производят регулировку углов, осуществляемую упорными винтами (ввернуты в нижние поворотные рычаги), которые упираются своими головками в приливы балки переднего моста.
Для регулировки следует отпустить контргайку и вращением болта установить необходимый угол поворота. То же самое следует проделать и для другого колеса автомобиля. По окончании регулировки контргайку затянуть и убрать круги из под колес.
Углы поперечного и продольного наклона шкворня.
Определяют на автомобиле одновременно с измерением максимальных углов поворота колес. Колесо поворачивают сначала вправо на 20 от нулевого деления шкалы, каждый раз устанавливая пузырьки уровней прибора 8 на нулевые деления и определяют по соответствующим шкалам углы наклона шкворня данного колеса.
Для проверки установки углов одного прибор устанавливают на другом колесе и выполняют те же операции.
Углы поперечного и продольного наклонов шкворня не регулируют.
Заключение
Тема письменной экзаменационной работы технологический процесс ремонта переднего моста автомобиля ЗИЛ-431410.
Мною был исследован ремонт переднего моста.
Похожие рефераты:
Исследование особенностей технической эксплуатации ходовой части автомобилей "Toyota"
Диагностические и регулировочные работы по ходовой части грузового автомобиля
Техническое обслуживание и ремонт автомобиля Газ-3110
Рама и подвеска автомобиля КамАЗ
Трансмиссия автомобиля ЗИЛ-133ГЯ
Ходовая часть автомобилей и тракторов
Организация и технология проведения КР автобуса ПАЗ-3205