| Похожие рефераты | Скачать .docx |
Курсовая работа: Техническое обслуживание и ремонт автомобиля Газ-3110
Содержание
Введение
1. Характеристика объекта проектирования и анализ его работы в АТП
2. Расчетно – технологическая часть
3. Организационная часть
Участок
Неисправлености
ТО подвесок
Схема разборки
Деталь с черте
Ремонт шин
Основы организации ТО и ТР автомобилей при централизованном управлении производства (ЦУП)
Схема управления ЦУП
4. Охрана труда и промсанитария
4.1 Техника безопасности
4.2 Противопожарная защита
4.3 Экология окружающей среды
Заключение
Список литературы
Введение
Автомобильный транспорт Республики Казахстан в отличие от других видов транспортных средств является наиболее массовым и удобным для перевозки грузов и пассажиров на относительно небольшие расстояния. Он обладает большой маневренностью, хорошей приспособленностью и проходимостью в различных климатических и географических условиях.
Автомобильный транспорт играет важную роль в транспортной системе страны. Работой автомобильного транспорта обеспечивается нормальное функционирование предприятий, фабрик и заводов, отраслей пищевой и легкой промышленности торговых организаций, рынков и различных детских и других учреждений. Свыше 70% объема всех перевозимых грузов приходится этот вид автомобиля ГАЗ-3110.
Развитие автомобильных грузоперевозок в Казахстане сдерживается различными факторами, в частности, недостаточно развитой сетью автомобильных дорог и их невысокими эксплуатационными характеристиками. Транспортные средства, прошедшие техническое обслуживание и ремонт, должны отвечать требованиям действующих в республике Казахстан правил, нормативов и стандартов, относящихся к обеспечению дорожного движения. Тем не менее, автомобильный парк непрерывно растет и пополняется транспортными средствами как отечественного, так и зарубежного производства. Изменение экономических условий развития страны вызывает потребность пересмотра структуры парка автомобилей, снижение эксплуатационных затрат и придания автомобильному транспорту более высоких потребительских качеств.
Безотказная работа автомобиля в значительной степени зависит от своевременного и качественного выполнения технического обслуживания. В процессе эксплуатации автомобиля водитель должен внимательно следить за показателями контрольно – измерительных приборов, сигналами контрольных ламп, работой всех механизмов, узлов и систем, не допуская малейшего отклонения их от работы от нормального режима. Необходимо применять горюче-смазочные и другие эксплуатационные материалы, рекомендуемые заводом – изготовителем автомобиля. Техническая готовность автомобиля к эксплуатации в значительной степени зависит также от самого водителя, его квалификации, знания им материальной части автомобиля и правил технической эксплуатации. Знания устройства автомобиля и правил технической эксплуатации позволит успешно эксплуатировать автомобиль и значительно продлить срок его службы. На предприятиях то техническому обслуживанию все шире применяются методы диагностики технического состояния агрегатов автомобилей с применением электронной аппаратуры. Диагностика позволяет своевременно выявлять неисправности агрегатов и систем автомобиля, что дает возможность устранить эти неисправности до того, как они приведут к серьезным нарушениям в работе автомобиля.
1. Характеристика объекта проектирования и анализ его работы в АТП
На территории Акмолинской области Аккольского района с.Новорыбинка был выделен участок, на котором построили автотранспортное предприятие грузовых автомобилей ГАЗ-3110 (85ед). Автотранспортное предприятие занимается перевозкой централизованных грузов по маршруту Акколь – Астана, Астана – Акколь. Это резко сказывается на грузоперевозках и грузооборотах. Централизованные перевозки грузов осуществляются одним автотранспортным предприятием, которое обеспечивает получение и экспедирование груза. При таких перевозках погрузку осуществляет грузоотправитель, а погрузку – грузополучатель. Перевозят груз по заранее разработанному графику.
Преимущества централизованных перевозок: упрощается оформление товарно – транспортной документации, уменьшается количество грузчиков и экспедиторов, обеспечивающих транспортный процесс, сокращается потребность в подвижном составе и создаются возможности для механизации погрузки и выгрузки грузов. Все это позволяет обеспечивать более ритмичное поступление грузов, достигнуть повышение производительности автомобилей в два – три раза и добиться значительного снижения себестоимости перевозок. А также подвижной состав автотранспортного предприятия перевозит сельскохозяйственные товары и продукты, и обслуживает население района.
На территории автотранспортного предприятия имеются участки по ремонту автомобилей и посту Д1 (ТО-1), Д2 (ТО-2), Д3 (ТР) технического обслуживания подвижного состава АТП. Участок по ремонту аккумуляторных батарей предназначен для проверки технического состояния аккумулятора в целом, так и основных его узлов.
Зона участка располагает 35м2 , в которой имеются стеллажи, шкаф для заряда аккумуляторов и столы для ожидающих заряда аккумуляторных батарей. Участок работает по 5-дневной рабочей неделе в смену продолжительность 8 часов. На участке работает 3 специалиста. Время работы участка с 9.00 до 18.00 с перерывом на обед с 13.00 до 14.00. На участке имеются три пожарных щита со средствами пожаротушения (ведра, ломы, лопаты, багры и два огнетушителя), а также ящики с песком.
Помещение не соответствует ГОС стандарту, отсутствуют оборудования разборки, сборки аккумуляторных батарей, стеллажи для аккумуляторной батареи, различные выпрямители, приспособления для проверки аккумуляторной батареи, приспособление для разлива электролита, штативы для хранения кислоты.
Кислоту разбавляют в обычных банках, дистиллированная вода хранится в ржавых бочках, отсутствует электро дистиллятор, нет верстака для сборки аккумуляторной батареи, прибор для сварки деталей аккумуляторов, отработавших свой ресурс, отсутствует газовая горелка.
2. Расчетно – технологическая часть
Выбор и корректирование режимов пробега автомобиля Газ-3110
Lтo-l =3705км
Lто-2=13880км
Lкр=235000км
Выбор коэффициентов корректирования
K1 =0,8
K2 =1,0
К3 то=0,9
К3 кр=0,9
Определяем результирующий коэффициент по пробегу
Крто-2=К1
*К3
то=0,8*0,9=0,72
Кркр=К1
*К2
*К3
кр=0,8*1,0*0,9=0,72
Определяем скорректирование режимов пробега
Lто-1=Lто-1*Крто=3705*0,72=2667,6км
Lто-2=Lто-2*Крто=13880*0,72=9993,6км
Lкр=Lкр*Кркр=235000*0,72=169200км
Кратность пробегов к среднесуточному пробегу Lccф=397
Lто-1=Lссф*х1 =Lто-1 х1 = L то-1 = 2667,6 = 6,72
lто-i= 397*х1 =2667,6км Lссф 397
Lто-1=397*6,72=2667,6км
Lто-2=Lто- 1 *х2 =Lто-2 х2 = L то-2 = 9993,6 =3,75
Lто-2=2667,6*х2 =9993,6км Lто-1 2667,6
Lто-2=2667,6*3,75=9993,6км
Lкр=Lто-2*хЗ =Lкр
Lкр=9993,6*хЗ =169200км хЗ =L кр = 169200 =16,93
Lкр=9993,6*16,93=169200км Lто-2 9993,6
Таблица 1 корректирования пробегов
| Вид |
Обозначения L |
Нормативные |
Скорректирование lck |
Пробег до |
Действительный пробег |
| Среднесу |
L ссф |
397 |
|||
| До то-1 |
L то -1 |
3705 |
2667,6 |
397*6,72 |
2667,6 |
| До то-2 |
L то-2 |
13880 |
9993,6 |
2667,6*3,75 |
9993,6 |
| ДоКр |
L кр |
235000 |
169200 |
9993,6*16,93 |
169200 |
Корректирование удельной трудоёмкости
Выбор нормативной трудоемкости технических воздействий
Тео=0,57 ч/ч
Тто-1= 2,8ч/ч
Тто-2=10,6 ч/ч
Ттр=4,1 ч/ч
Выбор коэффициента корректирования удельной трудоемкости
K1 =l,2
К2 =1,2
К3 =1,1
К4 =1,3
K5 =l,15
Определяем КР по удельной трудоемкости
KРтo=K2 *K5 =l, 2*1,15=1,38
KРтp=K1 *K2 *K3 *K4 *K5 =l,2*1,2*1,1*1,3*1,15=2,368
Определяем скорректирование удельной трудоемкости
Тео=Тео* KРтo =0,57*1,38=0,7866 ч/ч
Тто-1=Тто-1* KРтo =2,8*1,38=3,864ч/ч
Тто-2=Тто-2* KРтo = 10,6 * 1,38=14,628 ч/ч
Ттр=Ттр* KРтo =4,1*2,368=9,709 ч/ч
Определяем количество технических воздействий за цикл
Nкрц =L кр = 169200 == 1
Lкр 169200
Nто-2ц= L кр _ Nкрц = 169200 _ 1 =16
Lто-2 9993,6
Nто-1ц = L кр _ (Nкрц+ Nто-2ц )= 169200 _ (1+16) = 46
Lто-1 2667,6
Neoц = L кр =169200 = 426
Lссф 397
Определяем коэффициент технической готовности
Jт = ___Дэц___ =___426_ = 0,85
Дэц+Дто и тр 426+77
Дэц=Neoц
Где: Дто и тр=Дкр+Дтран+ Q * L кр*К4 =
1000
=18+3,6+0,25*169200*1,3 =77 1000
Дкр=дни простоя в кап.ремонте=18дней
Дтр=дни транспортировки 0,2*Дкр= 0,2*18=3,6
Q =дни простоя в ТО и ремонте на 1000км=0,25
K4 =1,3
Определяем годовой пробег одного автомобиля в километрах
Lг=Дрп*Jт*Lссф=253*0,85*397=85374,85
Определяем коэффициент от цикла к году
h= L г = 85374,85 = 0,51
Lкр 169200
Определяем техническое воздействие за год на весь парк
Neo= Neoц *h*A=426*0,51*175=38020,5
NTO-l =Nтo-1*h*A= 46*0,51*175=4105,5
NTO-2 =Nто-2*h*A=16*0,51*175=1428
NKp ц = NKp ц *h*A=l*0,51*175=89,25
Определяем трудоемкость технических воздействий по парку
Teo=Neo*teo=38020,5*0,7866 =29906,93 ч/ч
Тто-1=Nто-1*tто-1=4105,5*3,864=15863,65 ч/ч
Тто-2= NTO -2 *tто-2=1428*14,628 =20888,78 ч/ч
Ттр=Lг*t тр = 85374,85*9,709 = 828,9 ч/ч 1000 1000
Полученные данные сводим в таблицу 2
| Виды |
Обозначения |
Трудоемкость
|
||
| воздействия |
нормативная |
расчетная |
Общая ч/ч |
|
| ЕО |
Тео |
0,57 |
0,7866 |
29906,93 |
| ТО-1 |
Тто-1 |
2,8 |
3,864 |
15863,65 |
| ТО-2 |
Тто-2 1то-2 |
10,6 |
14,628 |
20888,78 |
| ТР |
Ткр |
4,1 |
9,709 |
828,9 |
Определяем трудоемкость на самообслуживание АТП; Ксам=0,12
Тсам=(Тео+Тто-1+Тто-2+Ткр)*Ксам
100
=(29906,93+15863,65+20888,78+828,9)*0,12 =80,99
100
Определяем годовую трудоемкость работ по проектируемому участку
Туч=Ттр*Стр=828,9*0,19=157,49
Расчет планового числа ремонтных рабочих
Годовой фонд рабочего времени одного ремонтного рабочего:
ФРВ =( Дк- (Дв +Дп+Дд.о+Дб+Дг.о))*tсм (ч/ч)
| Наименование |
План на год |
| Кол-во календарных дней в году |
365 |
| Праздники и выходные дни |
116 |
| Очередные и дополнительные отпуска ремонтных рабочих |
24 |
| Неявки на работу вследствие болезни |
1 |
| Выполнение государственных обязанностей |
1 |
| Итого дней неявок |
142 |
| Дни работы за вычетом неявок |
223 |
| Часы работы при 8–ми часовом рабочем дне |
1784 |
Плановое число ремонтных рабочих:
N = ∑ Т__ чел., где
ФРВ *ή
Т – Трудоемкость каждого вида воздействия в ч/ч;
ή – коэффициент, характеризующий уровень производительности труда , достигнутый АТП (ή=0,95)
Nео = ∑ Тео ==29906,93 = 29906,93 =18
ФРВ *ή 1784*0,95 1694,8
N то-1 = ∑ Тто-1 ==15863,65 = 15863,65 =9
ФРВ *ή 1784*0,95 1694,8
N то-2 = ∑ Тто-2 == 20888,78 =20888,78 =12
ФРВ *ή 1784*0,95 1694,8
N тр = ∑ Ттр == 828,9__ = 828,9__ =1
ФРВ *ή 1784*0,95 1694,8
Nобщ=18+9+12+1=40
Полученные данные сводим в таблицу
| Наименование технических воздействий |
Количество ремонтных рабочих, чел |
| ЕО |
18 |
| ТО-1 |
9 |
| ТО-2 |
12 |
| ТР |
1 |
| Итого |
40 |
Численность вспомогательных рабочих составляет 30% от планового числа ремонтных рабочих
Nвсп.р.=40*0,3=12
Определяем количество технических воздействий за сутки
N=N то-1 = 4105,5 =16,23
Дрто-1 253
Определяем ритм производства представляющий собой долю времени
рабочей зоны ТО-1
Rпр=Тоб*60 = 8 * 60 =98
Nc 4,9
Тоб = продолжительность работы по данному виду ТО в течений суток/час
Расчет количества универсальных постов обслуживания
Тп= Тто*60 +тп =5,9*60 +5=93,5 .
Рп 4
Где Тто- время затрат на передвижения автомобилей при установке его на пост и съезд с поста 1-3 мин в зависимости от габаритной длины.
Рп- количество рабочих одновременно работающих на посту
Определяем количество универсальных постов ТО
Хп= Тп =93,5 = 9,5, округляем =9 постов
Rпр 9,8
Расчет площади участка по ремонту подвески автомобиля ГАЗ-3110
По площади занимаемой оборудованием
Fц =fоб *Кп = 10,75 *1,6= 17,2 м2
fоб - площадь занимаемая оборудованием
Кп - коэффициент плотности Кп =1,6
3. Организационная часть
3.1. Участок
Технологическая планировка производственного участка представляет собой план расстановки технологического оборудования, производственного инвентаря, подъёмно-транспортного и прочего оборудования и является технической документацией проекта, по которой расставляется и монтируется оборудование.
К технологическому оборудованию относятся стационарные и переносные станки, стенды, приборы, приспособления и производственный инвентарь (верстаки, стеллажи, столы, шкафы).
В соответствии с заданием осуществляем технологическую планировку слесарно-механического участка.
Принимаем согласно [1] технологическое оборудование для слесарно-механических работ и производим оценку механизации –уровня механизации и степени механизации. Базой для определения этих показателей является совместный анализ операций технологических процессов и оборудования, применяемого при выполнении этих операций.
Уровень механизации (У) определяется процентом механизированного труда в общих трудозатратах:
У=100Тм /То , (3.1)
где Тм –трудоёмкость механизированных операций процесса из применяемой технологической документации, чел∙мин;
То –общая трудоёмкость всех операций.
Уровень механизации равен:
У=100∙5,851/9,917=59%.
Степень механизации (С) определяется процентом замещения рабочих функций человека применяемым оборудованием в сравнении с полностью автоматизированным технологическим процессом согласно [4, c.65]:
С=100∙М/(Ч∙Н), (3.2)
М=Z1 ∙M1 + Z2 ∙M2 + Z3 ∙M3 + Z3,5 ∙M3,5 + Z4 ∙M4 , (3.3)
где Ч –максимальная звенность для АТП;
Н –общее число операций;
Z1 …Z4 –звенность применяемого оборудования, равная соответственно 1…4;
М1 …М4 –число механизированных операций с применением оборудования со звенностью Z1 …Z4 .
Степень механизации С равна:
С=100∙8/(4∙10)=20%.
Согласно рекомендациям [3] принимаем наименование механизированных операций и трудоёмкости ремонта. Для удобства результаты вычислений заносим в таблицу 3. Согласно рекомендациям [4] принимаем следующее оборудование для слесарно-механического участка:
-верстак 850´1350, S=1,15 м2 – 1 шт.;
-стеллаж для деталей 2000´500 мм, S=1 м2 - 1 шт;
-ванна моечная 600´800 мм , S=0,48 м2 ;
-станок настольно-сверлильный 600´830 мм, S=0,5 м2 ;
-станок 1К62 2812´1181 мм, S=3,32 м2 ;
-шкаф для инструментальщиков 455´555 мм, S=0,25 м2 –1 шт.;
Суммарная площадь оборудования равна:
fоб =1,15+1+0,25+0,48+0,5+3,32=6,7 м2 .
Площадь слесарно-механического участка согласно формуле (2.18) равна:
Fсл-мех =6,7∙3=20,1 м2 ; (F’сл-мех =18 м2 , п. 2.2.2.).
3.2. Неисправности
3.3. ТО подвесок
Ступица 1 переднего колеса вращается на двух радиально-упорных конических роликовых подшипниках 24 и 25, установленных на цапфе кронштейна 23 поворотного кулака 4. Наружные кольца подшипников запрессованы в ступицу, а внутренние ставятся на цапфу с небольшим зазором. Сделано это для того, чтобы кольца постепенно проворачивались и не работали одной стороной, а также для того, чтобы можно было обеспечить нормальную затяжку подшипников при регулировке. Туго посаженные кольца работают одной стороной и быстрее выходят из строя, поэтому не допускается стопорить кольца на цапфе.

Рис. 339. Поворотный кулак со стойкой, кронштейном и ступицей: 1 - ступица; 2 - дискыпормоза; 3 - скоба тормоза; 4 - поворотный кулак; 5 - болт; 6 - стопорный штифт; 7 - стойка; 8 - заглуш 9 - игольчатый подшипник; 10 - резиновые уплотпительные кольца; 11 - уплотнитель упорного подшипника; 12 - упорный шариком подшипник; 13 - лыска под штифт; 14 - лыска под ключ; 15 - шкворень; 16 - регулировочные прокладки; 17 - прессмасленка; 18 ■ ограш чител ь поворота; 19 - поворотный рычаг; 20 - щит тормоза; 21 - манжета; 22 - упорная шайба; 23 - кронштейн с цапфой; 24 - внутри иий роликовый подшипник; 25 - наружный роликовый подшипник; 26 - упорная шайба; 27 - гайка; 28 - колпак ступицы
Амортизаторы установлены внутри пружин подвески. В нижний конец амортизатора запрессован резиновый шарнир, ось которого прикреплена двумя болтами к опорной чашке пружины. Верхний конец штока амортизатора крепится через резиновые подушки к верхней штампованной головке поперечины № 2, на которой закреплена ось верхних рычагов. Амортизаторы снимаются с автомобиля без нарушения углов установки передних колес.
Верхний конец пружины подвески опирается на штампованную головку поперечины № 2 через резиновую шайбу с отбортовкой, предназначенную для уменьшения передачи на кузов шума и вибраций.
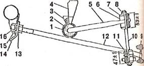
Для уменьшения крена автомобиля на поворотах установлен стабилизатор поперечной устойчивости (рис. 340). Штанга 5 стабилизатора изготов на из пружинной стали и выполнена в виде стержш с загнутыми концами. Средняя часть штанги стаби лизатора прикреплена к лонжеронам рамы с помо! Шью резиновых втулок 2 и обойм 1. Концы штанп стабилизатора соединены с опорными чашками щ жины через стойки 10 и резиновые подушки б и II Для повышения жесткости крепления передне! подвески служит растяжка 18, установленная меж ду поперечиной рамы и балкой передней подвеса

Рис. 340. Стабилизатор и растяжка к передней подвеса 1 - обойма; 2 - резиновая втулка; 3 - болт с гайкой; 4 ■ щ штейн; 5 - штанга; 6 - верхняя резиновая подушка; 7- чаштМ 16 - гайка; 9 - поперечина подвески; 10 - стойка; 11 - иижпщ зиновая подушка; 12 - растяжка; 13 - контргайка; 14 ■ тщ нормировочная скоба; 15 - шайба
3.4. Схема разборки
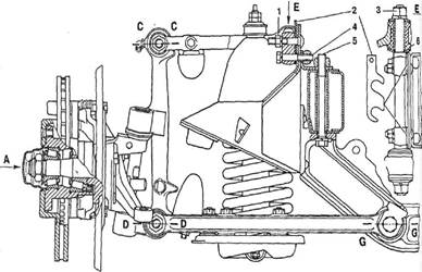
Передняя подвеска автомобиля ГАЗ-3102 (рис. 336) - независимая, шкворневая, пружинная, рычажная (с поперечным расположением рычагов), с двумя телескопическими амортизаторами двухстороннего действия; смонтирована на съемной поперечине и представляет собой самостоятельный узел.
Для поглощения и уменьшения дорожных вибраций рычаги подвески соединены с осями, закрепленными на поперечине рамы, через резиновые втулки б и 9, не требующие смазки. В резиновые втулки запрессованы распорные втулки, которые зажимаются на верхних осях гайками 3, а в нижних-пальцами 8 с самотормозящей резьбой. Качание рычагов происходит только за счет деформации резиновых втулок без проскальзывания между резиной и металлом, а также без поворота металлических распорных втулок на оси, для чего гайки 3 и пальцы 8 должны быть затянуты моментом 12-20 даН# м (12-20 кгсм). При слабой затяжке и проворачивании распорных втулок или при проскальзывании резиновых втулок шарнирное соединение работает неправильно и быстро изнашивается.


с-с
G-G
D-D
В-В
Рис. 336. Передняя подвеска: 1 - гайка; 2 -регулировочные прокладки; 3 - гайка оси верхних рычагов; 4 - болт крепления оси верхних рычагов, 5 - болт кретения под вески к лонжерону; 6и9- резиновые втулки; 7 - стопорная пластина; 8 - палец оси нижних рычагов; 10 - гайка пальца резьбового шар нира; 11 - гайка цапфы поворотного кулака; a -3 ± 1 мм.
Наружные концы рычагов соединены с голо-ками стойки через резьбовые шарниры. Наружная резьбовая втулка 2 (рис. 337) запрессована в оловку 4 стойки, а внутренняя распорная 3 зажа-а между головками рычагов, стянутых пальцем 7 гайкой 6. Между торцами резьбовой втулки и орцами верхних и нижних рычагов имеются зазо-1Ы А и В, которые необходимы для вращения резь-ювой втулки по распорной при качании подвески. !азоры А и В должны быть одинаковыми, разница (размерах А и В не более 0,8 мм. От попадания •рязи через этот зазор втулки защищены резино-зыми кольцами 5 круглого сечения.
Резьбовая распорная втулка 4 имеет мелкую торцовую насечку (60 зубьев). Такая же насечка имеется на одной из головок рычагов. При затяжке гаек пальцев шлицы насечки входят друг в друга и втулку нельзя провернуть даже с очень большим усилием. На втором рычаге шлиц нет и в процессе затяжки-шлицы втулки частично внедряются в гладкий торец головки рычага, увеличивая тем самым надежность стопорения резьбовой втулки от проворачивания.
Следует обратить внимание на подтяжку гаек 6 шльцев, особенно во время обкатки при первых 5000 км пробега. Головки рычагов стягиваются гайкой до упора в резьбовую распорную втулку.


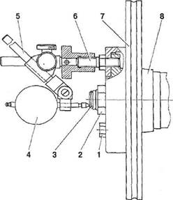
Рис. 338. Шарнирное соединение в верхней бобышке стойки подвески:
• защитный колпачок пресс-масленки; 2 - пресс-масленка; опойка; 4 - подшипник; 5 - шкворень. А - капал для прохожде- шазки в упорный шарикоподшипник
he . 337. Шарнирное соединение нижнего конца стойки: I головки рычагов передней подвески; 2 - наружная резьбовая щлт, 3 - распорная резьбовая втулка; 4 - головка стойки пещей подвески; 5 - защитное кольцо; б - гайка, 7 - палец; '■игольчатый подшипник; 9 - шкворень; 10 - масленка; С - мас ти канал, D - рабочее положение втулки 2; Е - сдвинутое ие- щалъпое положение втулки 2'.
При этом распорная резьбовая втулка, по отношению к пальцу, остается неподвижной. Однако, в процессе эксплуатации автомобиля затяжка пальцев может ослабнуть по разным причинам.
В результате ослабления затяжки внутренняя резьбовая втулка вывертывается из наружной до тех пор, пока наружная резьбовая втулка не упрется своим торцом в головку рычага (см. рис. 337 справа). Подвеску может заклинить и она становится жесткой. Начинается износ торцов головок рычагов, втулок и резьбовых пальцев. Этот износ может сопровождаться скрипом.
На противоположном конце открывается пространство и мимо защитного кольца, а также между втулкой и пальцем, в резьбовое соединение начинают проникать грязь и вода. Вода быстро вымывает смазку, детали коррозируют, резко увеличивается момент трения в резьбовом соединении (вплоть до заклинивания) и резьбовая втулка начинает проворачиваться и работать по пальцу. Такая ненормальная работа приводит не только к быстрому износу рычагов, пальцев и втулок, но и к поломкам головок стоек и рычагов. В том случае, когда произошло все же ослабление крепления, а резьбовые втулки "перегнало" к торцам головок, необходимо восстановить зазоры, как указано ниже.
В колесно-ступичный узел (рис. 339) входит дисковый тормоз с вентилируемым диском 2, тормозная скоба 3 плавающего типа, основание которой привернуто к кронштейну 23 с запрессованной в него цапфой, выполненный раздельно от цапфы кулак 4, ступица 1 с резьбовыми отверстиями для крепления тормозного диска 2 и диска колеса болтами. Поворотный рычаг 19 съемный и крепится через гладкие отверстия в рычаге и кулаке к кронштейну 23 болтом (передняя точка крепления) и специальным болтом 18 с удлиненной головкой, являющимся также ограничителем поворота колес автомобиля. Между кулаком и кронштейном зажат щит тормоза 20. Подшипники ступицы 24 и 25 имеют плавную бесступенчатую регулировку.
Для уменьшения усилия, необходимого для поворота передних колес, поворотный кулак и стойка соединяются друг с другом с помощью шкворня 15 через игольчатые подшипники 9, установленные в ушках стойки и защищенные от попадания грязи кольцевыми уплотнителями 10.
Шкворень в поворотном кулаке закреплен и ограничен от осевых перемещений штифтом б, входящим в полукруглую лыску 13 на верхнем конце шкворня. Между верхними ушками стойки и кулака установлен упорный шариковый подшипник 12, защищенный от попадания грязи специальным уплотнителем 11.
Особенности эксплуатации и техническое обслуживание передней подвески
Через первые 1000 км проверить сходимость передних колес (см. раздел: "Техническое обслуживание через 20000 км"
Через 5000 км пробега:
проверить сходимость передних колес и отрегулировать при необходимости (см. раздел "Техническое обслуживание через 20000 км");
перед проверкой сходимости колес проверить состояние резиновых втулок верхних и нижних рычагов подвески. Заметное смещение головок рычагов на втулках и сквозной износ втулок не допускается. Изношенные втулки заменить;
смазать резьбовые шарниры передней подвески и подшипники шкворней поворотных кулаков смазкой ТАП-15в или ТАД-17и или Омскойл Супер Т через:
Нижнюю пресс-масленку (поз. 10, рис. 337), расположенную в нижней бобышке стойки, игольчатый подшипник и нижнюю резьбовую втулку;
Среднюю пресс-масленку (поз. 2, рис. 338), расположенную в верхней бобышке стойки, игольчатый подшипник и упорный шарикоподшипник;
Верхнюю пресс-масленку (поз. 10, рис. 336) в верхней головке стойки только верхнюю резьбовую втулку.
При эксплуатации автомобиля в гористой местности, на грунтовых дорогах или на дорогах с гравийным или щебенчатым покрытием периодичность смазки сокращается до 4000 км пробега.
Смазка производится до выхода ее из-под уплотнителя шарикоподшипника и из-под защитных колец с обеих сторон резьбовых втулок.
Запрещается применять консистентную или не рекомендованную смазку, так как смазки могут быть несовместимы с применяемой и в результате закок-совываться в смазочном канале С. Смазка перестает поступать к резьбовым втулкам, которые в результате этого быстро выходят из строя. При попытках "пробить" канал давлением смазки из шприца выдавливается нижняя заглушка шкворня, а при эксплуатации автомобиля с выдавленной заглушкой выходит из строя нижний шарнир шкворня, что приведет к необходимости замены и шкворня и подшипников.
3.5. Деталь с чертежа
В случае непрохождения смазки следует:
поднять автомобиль домкратом и подвести опору под чашку пружины подвески;
снять колесо и очистить головки рычагов и стойки от грязи;
отвернуть гайку 6 (см. рис. 337) и вынуть палец 7. Эту и последующие операции удобнее всего производить последовательно для верхней и нижней головок стойки с левой и правой стороны подвески;
вывести головку стойки с резьбовыми втулками из головок рычагов и снять защитные кольца;
вывернуть резьбовую втулку 3 и тщательно промыть в керосине или неэтилированном бензине;
очистить масляные каналы;
смазать резьбовые втулки вышеуказанными маслами и ввернуть их в наружную резьбовую втулку головки стойки таким образом, чтобы внутренние резьбовые втулки выходили из внутренних на одинаковые расстояния для обеспечения одинаковых зазоров между торцами наружных резьбовых втулок и торцами головок рычагов. Разность в этих размерах не должна превышать 0,8 мм;
надеть защитные кольца на резьбовые втулки;
произвести сборку стойки с рычагами в порядке, обратном разборке. Гайки 6 пальцев 7 затянуть моментом 12,0-20,0 даН • м (12,0-20,0 кгс • м);
смазать резьбовые втулки через пресс-масленки до выхода смазки из-под защитных колец с обеих сторон втулок.
Через 20 000 км пробега:
смазать резьбовые шарниры и подшипники шкворней, как при пробеге 5000 км;
проверить состояние резиновых втулок рычагов подвески, как при пробеге 5000 км;
проверить состояние подушек стоек амортизатора. Допускается износ стенки подушки до толщины 6 мм;
проверить состояние подушек штанги стабилизатора. Сквозной износ подушек не допускается;
проверить зазоры между наружными втулками резьбовых шарниров и торцами головок рычагов подвески, сместив защитные резиновые кольца на наружные диаметры втулок. Разница зазоров не должна превышать 0,8 мм. Для восстановления требуемых зазоров необходимо выполнить работы рекомендованые в случае непрохождения смазки;
проверить и, при необходимости, подтянуть крепление передней подвески к лонжеронам моментом 12,5-14,0 даН «м (12,5-14,0 кгс *м), осей верхних рычагов к кронштейну поперечины подвески моментом 2,7-3,6 даН • м (2,7-3,6 кгс • м), гаек осей верхних рычагов 7,0-9,0 даН • м (7,0-9,0 кгс • м), гаек пальцев резьбовых шарниров 12,0-20,0 даН • м (12,0-20,0 кгс • м).
Снять стопорные скобы с пальцев осей нижних рычагов, проверить и подтянуть, при необходимости, затяжку пальцев на оси моментом 18,0-20,0 даН • м (18,0-20,0 кгс • м). Установить на место стопорные скобы и закрепить их болтами на бандажных кольцах осей нижних рычагов;
- проверить и, при необходимости, отрегулиро
вать подшипники ступиц передних колес.
Регулировка затяжки подшипников ступиц передних колес требует особой тщательности. При слишком слабой затяжке удары, возникающие от дороги при движении автомобиля, разрушают подшипники, а это, в свою очередь, приводит к быстрому износу фрикционных накладок колодок дискового тормоза. При тугой затяжке подшипники сильно нагреваются, что приводит к расплавлению и выдавливанию смазки из под колец и роликов и, как следствие, к разрушению подшипников.
Величину люфта в подшипниках (она должна
быть в пределах 0-0,03 мм) определяют по перемещению ступицы относительно торца цапфы при возврат-но-поступательном перемещении ступицы с диском вдоль оси ступицы с усилием не менее 10 кгс. Замеры люфта в ступице и последующую, при необходимости, регулировку рекомендуется проводить с помощью индикаторного приспособления 6999-7967 (рис. 341). Порядок регулировки:
затормозить автомобиль стояночным тормозом и подложить клинья под заднее колесо, противоположное снимаемому;
снять колпак колеса, ослабить болты крепления колеса и затяжку колпака ступицы 28 (см. рис. 339);
вывесить колесо;
вывернуть болты крепления колеса, снять колесо и отвернуть колпак ступицы;
- подобрать три вспомогательных болта М12х 1,25x30 и закрепить ими диск на ступице вместо болтов крепления колеса;
обеспечить свободное вращение ступицы, для чего снять резиновый колпачок и надеть на клапан прокачки цилиндра тормоза резиновую трубку во избежание попадания тормозной жидкости на детали автомобиля при отворачивании клапана;
отвернуть клапан прокачки;
утопить поршень тормозного цилиндра, перемещая корпус скобы на себя;
завернуть клапан прокачки, надеть резиновый колпачок;
расстопорить и отвернуть регулировочную гайку 27; v
навернуть на цапфу новую регулировочную гайку и, поворачивая ступицу в обе стороны за

Рис. 341. Индикаторное приспособление 6999-7967
для регулировки подшипников ступиц:
1 - вспомогательные болты; 2 - регулировочная гайка;3 ■ цапфа;
4 - индикатор; 5 - стойка индикатора; 6 - шпилька; 7 - тормозной
диск; 8 - ступица
тормозной диск (для сомоустановки подшипников), затянуть гайку моментом 2 даН • м (2 кгс • м);
- провернуть ступицу. Если ступица не вращается совершенно свободно, то следует устранить причину притормаживания;
отпустить регулировочную гайку, а затем снова затянуть ее моментом 0,6...0,7 даН'М (0,6...0,7 кгс-м);
снова отпустить регулировочную гайку на угол 20°...25°. После регулировки при приложении осевого усилия 10 кгс осевое перемещение ступицы относительно торца цапфы должно быть в пределах 0-0,03 мм;
застопорить гайку вдавливанием буртика гайки в пазы цапфы, как указано на рис. 336. Допускается вдавливание буртика только в один из пазов цапфы;
завернуть колпак ступицы, снять вспомогательные болты, закрепить на ступице колесо и опустить автомобиль;
- затянуть болты креления колес рекомендованным моментом и поставить колпак колеса.
Правильность регулировки подшипников окончательно проверяется по нагреву ступиц колес при движении автомобиля. Наличие ощутимого нагрева после пробега 8-10 км без применения тормозов указывает на то, что подшипники отрегулированы неправильно и регулировку необходимо повторить с установкой новой гайки 27. Допускается незначительный нагрев ступиц при установке новых подшипников или замене манжеты.
При проверке регулировки подшипников по нагреву ступиц не следует пользоваться рабочими тормозами, так как в этом случае ступицы нагре-1 ваются от тормозных дисков;
проверить зазоры между наружными втулка-1 ми резьбовых шарниров и головками рычагов пе-1 редней подвески. Разность в зазорах должна быть! не более 0,8 мм. Если требуется отрегулировать! зазоры, то необходимо разъединить головки рыча-1 гов от шарниров согласно указаниям на стр. 259; I
проверить и, при необходимости, отрегулирО'1 вать углы установки передних колес. Углы уста-1 новки передних колес - развал, продольный ка-1 клон шкворня и сходимость колес - сильно влияю: на износ шин и устойчивость автомобиля на ходу, поэтому их нужно периодически проверять и, при необходимости,регулировать.
Углы установки колес для автомобиля без пассажиров должны быть следующими:
угол продольного наклона:
шкворневой оси от 4°30' до 6* I
развал колес 0° ± 30'
сходимость колес на высоте центров колес:
при замере по шинам, мм 1-2
при замере по ободам, мм 0,7-1,3 I
на приборе стенда 0°7'-00 Н|
наибольший угол поворота правого
колеса вправо и левого колеса
влево (не регулируется) 40°-42° I
Примечания
Разность углов продольного наклона шкворневых осей для левого и правого колес должна быть не более 0°30'.
Разность развала для левого и правого колес - не более О'30\
Углы поворота правого и левого колес ограничиваются жесткими нерегулируемыми упорами сошки рулевого управления в лонжероны рамы. По этим упорам устанавливается среднее положение рулевого колеса (см. раздел "Рулевое управление").
Регулировка развала и продольного наклона шкворней осуществляется изменением количества регулировочных прокладок 2 (см. рис. 336).
Развал колес считается положительным, если колеса наклонены (верхней частью) наружу, и отрицательным, если они наклонены вну-трь (к продольной осевой плоскости автомобиля).
Продольный наклон шкворня считается положительным, когда нижний конец шкворня наклонен вперед, и отрицательным, при отклонении назад.
Сходимость колес считается положительной, если размер между боковыми поверхностями передних шин спереди меньше, чем размер сзади или, другими словами, когда размер А1 (рис. 342) меньше, чем размер А2.
| ■ |
А1 . |
-fh |
|
| - |
ч I |
||
| А2\ |
|||
| 4 | |
l LJ |
||
Рис. 342. Схема проверки сходимости колес
Не следует без необходимости регулировать подвеску. Всегда сначала нужно проверить углы, а затем регулировать, если их значения выходят за указанные выше пределы.
Регулируя развал и угол продольного наклона шкворня, следует учитывать, что при увеличении числа прокладок 2 (см. рис. 336) спереди и сзади на одинаковую величину развал увеличивается (или становится положительным) и, наоборот, при удалении одинакового количества прокладок развал уменьшается (или становится отрицательным). Добавление по одной прокладке (толщиной I мм) увеличивает развал на 0°10' - 0°15' и, наоборот, удаление прокладок по одной спереди и сзади уменьшает развал на эту же величину. При этом угол продольного наклона шкворня не изменяется.
Перестановка одной прокладки с заднего крепления на переднее увеличивает угол продольного наклона шкворня на 0°50' -1°, а удаление одной прокладки сзади увеличивает наклон приблизительно на 0°30', практически не изменяя развала. Перестановка прокладок спереди назад или удаление передней прокладки вызывает обратное действие.
Разница в количестве прокладок спереди и сзади допускается не более пяти; в противном случае не обеспечивается надежное крепление оси. Если требуется большая разница в количестве прокладок, то это указывает на необходимость замены изношенных резиновых втулок крепления рычагов или замены самих рычагов вследствие их погнутости.
Предупреждение
При регулировке углов установки колес сходимость колес нарушается. Поэтому после каждой регулировки этих величин необходимо регулировать сходимость колес.
Регулировка продольного наклона шкворневых осей практически не влияет на развал колес, поэтому регулировку следует проводить в следующей последовательности:
Развал колес.
Продольный наклон шкворневых осей.
Сходимость колес.
Подготовка автомобиля к регулировке углов установки колес состоит в следующем:
Перед регулировкой углов установки передних колес убедиться в надежном креплении подвески, маятникового рычага и рулевого механизма.
Проверить давление воздуха в шинах и, если необходимо, довести его до нормального.
Поднять домкратом поочередно правое и левое передние колеса и сделать следующие работы:
проверить затяжку подшипников передних колес и, если необходимо, отрегулировать их;
найти точки равного бокового биения шин (или ободьев) и отметить их мелом;
осмотреть состояние резиновых втулок осей верхних и нижних рычагов передней подвески автомобиля и, при необходимости, заменить их новыми;
проверить резьбовые крепления верхних и нижних рычагов передней подвески. Пальцы 8 (см. рис. 336) оси нижних рычагов после снятия стопорных пластин 7 должны быть затянуты моментом 15-20 даН'м (15-20 кгсм), гайки 3 оси верхних рычагов - моментом 7-9 даН • м (7-9 кгс • м);
проверить состояние шарниров рулевых тяг, маятникового рычага и стоек подвески. В шарнирах рулевых тяг люфт не допускается. Величина упругого перемещения нижнего конца маятникового рычага не должна превышать 4 мм. В шарнирных соединениях стойки подвески (в резьбовых втулках) при вывешенных колесах люфт не должен быть более 1,2 мм. В случае более значительных люфтов изношенные детали заменить;
проверить зазоры А и В (см. рис. 337) между резьбовыми втулками и рычагами верхних и нижних головок стойки, для чего очистить шарниры от грязи и оттянуть защитные резиновые кольца. В случае, если один из размеров будет менее 1 мм, положение втулок отрегулировать и затянуть гайки пальцев моментом 12-20 даН • м (12-20 кгс • м).
Размеры сопрягаемых деталей передней подвески, ^л^л
| СОПРЯГАЕМЫЕ ДЕТАЛИ |
ОТВЕРСТИЕ |
ВАЛ |
ПОСАДКА |
| Посадка наружного кольца внутреннего роликоподшипника в ступице Посадка наружного кольца наружного роликоподшипника в ступице Посадка внутреннего кольца внутреннего роликоподшипника на поворотном кулаке Посадка внутреннего кольца наружного роликоподшипника на поворотном кулаке Посадка шкворня в поворотном кулаке Посадка шкворня в игольчатых подшипниках Посадка резьбовых втулок в стойке Сопряжение резьбовых втулок по среднему диаметру резьбы |
__, -0.021 0/2 -0,051 -0,021 062 -0.051 030 -о.оп 025 -0.01 +0,020 020 -0,013 _ -0,060 * 020 -0,012 +0,05 032 -0,05** 025 -0,18 |
072 -0,013 062 -0,013 о г» ~0ДЫ 030 -0,035 -0,014 025 -0.035 -0.020 020 -о.озз __ -0,020 020 -о.озз on +0 '165 032 +0.П5 п _ -0,250 025 -0.324 |
0,008 Натяг 0,051 0,008 Натяг 0,051 0,002 Зазор 0,035 0,004 ЗаЗОр 0,035 0,007 Зазор 0,053 0,032 Зазор 0,093 0,065 Натяг 0,165 0.070 ЗаЗОр 0,274 |
*Внутренний диаметр игольчатых подшипников после посадки в стойку **После посадки втулки в стойку
ЗАДНЯЯ ПОДВЕСКА
Устройство и уход
Задняя подвеска (рис. 355) автомобиля выполнена на двух продольных асимметричных листовых рессорах, работающих совместно с двумя телескопическими амортизаторами двухстороннего действия.
Рессора стянута центровым болтом и хомутами. Между тремя первыми листами рессоры установлены по концам полиэтиленовые прокладки, которые устраняют скрипы рессор и повышают их долговечность.
Все шарнирные соединения задней подвески выполнены на резиновых втулках (шарниры рессор и нижние крепления амортизаторов) и резиновых
А-А
подушках (крепление верхних концов амортизаторов). Резиновые шарниры не требуют смазки, а также смягчают передачу на кузов дорожных вибраций и шумов. Для этой же цели крепление рессоры к заднему мосту осуществляется через резиновые подушки 13, охваченные обоймами 12. Ход заднего моста вверх ограничивается буферами 17, а также дополнительным буфером 11, установленным на кронштейне под полом кузова. Этот буфер необходим для ограничения хода вверх карданного вала и предотвращения его задевания за тоннель пола. Все пальцы 5 (рис. 356) крепления рессор одинаковы и запрессованы в шайбы 2 или щеки 8 серьг. Противоположные концы пальцев затягиваются гайками 6.

,v„; 5 - третий лист; 6 - пластина хомута; 7 - заклепка; 8 - хомщ буфер; 12 - обойма; 13 - резиновые подушки; 14 - центровой болт; 15 - стремянка;
Рис. 355. Задняя подвеска: 1 - коренной лист; 2 - второй лист рессоры; 3 - прокладка; 4 - прокладка; к - »•»«•«.«, 9 - кронштейн; 10 - палец; 11 - дополнительный буфер; 12 - обойма; 1
16 - подкладка рессоры; 17 - буфер; 18 - серьги

Рис. 356. Крепление концов рессоры: 1 ■ кронштейн; 2 - шайбы; 3 - переднее ушко рессоры; 4 - резино вые втулки; 5 - палец; 6 - гайка; 7 - заднее ушко рессоры; 8 - щека серьги; 9 - лонжерон пола кузова; А - крепление переднего конца, В - крепление заднего конца рессоры
3.6.Ремонт подвесок
Техническое обслуживание задней подвески заключается в периодической подтяжке гаек стремянок, пальцев рессор и пальцев нижнего крепления амортизаторов, а также в смазке листов рессор, не имеющих прокладок. При этом нужно пользоваться рекомендациями, помещенными в разделе "Контроль и ремонт деталей задней подвески".
Разборка и сборка задней подвески
Разборку задней подвески рекомендуется выполнять в следующем порядке:
Отсоединить амортизаторы от подкладок рессор или снять их с автомобиля.
Вывесить задок автомобиля для снятия нагрузки шарниров крепления рессор.
Отсоединить рессоры от заднего моста.
Выпрессовать палец 4 (рис. 357) переднего конца рессоры следующим образом:
отвернуть гайку 5 пальца 4;
ввернуть винты 2 съемника в шайбе 3;
- завертывая поочередно винты 1, которые должны упираться в кронштейн, выпрессовать палец 4 в сборе с шайбой 3.
Выбивать палец ударами молотка не рекомендуется во избежание изгиба щек кронштейна, повреждения пальца или ослабления его посадки в шайбе.
5. Отсоединить задний конец рессоры, отвер
нув две гайки б (см. рис. 356, В).

12 3 4
Рис. 357. Съемник пальца переднего кронштейна
задней рессоры:
1 и 2 винты; 3 - шайба; 4 - палец; 5 - гайка
При необходимости разборки рессоры нужно зажать ее в тиски в непосредственной близости от центрового болта, выпрямить загнутые концы хо-мутов и отвернуть гайку центрового болта.
Во избежание травмы тиски следует отпускать осторожно, так как листы в стянутой рессоре находятся под большим напряжением.
Сборка рессоры и задней подвески выполняется в обратном порядке. При этом нужно учитывать следующие рекомендации.
Рессоры рассортированы на две группы по нагрузке (стреле прогиба). Стрела прогиба это расстояние замеренное от центров отверстий ушков коренного листа до поверхности листа со стороны ушков под нагрузкой 392±5 кгс.
Рессоры первой группы должны иметь стрелу прогиба 40-50 мм, второй группы 50-60 мм.
Рессоры первой группы маркируются мазком краски на ушке коренного листа со стороны короткого конца. На автомобиль устанавливаются рессоры одной группы.
Короткий конец рессоры должен быть присоединен к переднему кронштейну первым, затем задний конец рессоры. Резиновые втулки рессор не должны проворачиваться в ушке рессоры и на пальце. При проворачивании резиновой втулки в ушке рессоры или на пальце шарнирное соединение работает неправильно и быстро изнашивается. Поэтому при смене втулок для лучшего их прилипания рекомендуется тщательно очистить поверхности ушка и пальца и промыть их бензином. Втулки непосредственно перед постановкой следует также промыть в бензине и, не дав просохнуть, вмонтировать в шарнир. Гайки пальцев нужно затягивать поочередно во избежание перекосов и изгиба щек серьги. Чтобы при работе резиновые втулки закручивались примерно одинаково, не следует затягивать гайки пальцев при ненагруженной рессоре. Когда рессора находится в свободном (изогнутом) состоянии, гайки нужно подтянуть только слегка, а затем, поставив автомобиль на колеса, затянуть окончательно моментом 7-9 даН • м (7-9 кгс • м).

Рис. 358. Положение фланцев обоймы рессоры, после затяжки гаек стремянок
Порядок поочередного подтягивания нужно соблюдать и при затяжке гаек стремянок. Окончательную затяжку стремянок нужно делать на нагруженных рессорах. Задок автомобиля рекомендуется нагрузить настолько, чтобы рессоры выпрямились. Затягивать стремянки рессор следует до соприкосновения фланцев обойм, как показано на рис. 358. Моменты затяжки гаек стремянок 5-5,6 даН • м (5-5,6 кгс • м).
у пальца крепления амортизатора к подкладке рессоры затягивать моментом 5-5,6 даН • м (5-5,6 кгс *м).
Подушку верхнего крепления штока амортизатора затягивать гайкой до упора в шток моментом 1,4-1,8 даН'м (1,4-1,8 кгс • м) и зафиксировать ее контргайкой.
Контроль и ремонт деталей задней подвески
Рессоры при поломке листов или других деталей, а также при появлении скрипа в.них, ремонтируются путем замены поврежденных деталей новыми. Если обнаружен скрип рессор, нужно осмотреть состояние прокладок, установленных между листами по концам, Для этой цели следует отсоединить нижние крепления амортизаторов и приподнять заднюю ось автомобиля до отрыва колес от пола. Разжимая листы отверткой, осмотреть состояние прокладок. При повреждении прокладок рессору нужно снять с автомобиля и заменить прокладки новыми. Перед сборкой листы рессор следует очистить от грязи, промыть, и листы, не имеющие прокладок, с вогнутой стороны смазать графитовой смазкой.
При определении неисправности рессоры легко обнаружить только поломку коренного листа. Несвоевременная замена других поломавшихся листов зачастую приводит к изгибу соседних листов, поэтому после замены поломанных листов и затяжки рессоры центровым болтом следует убедиться в том, что нижние лиеты хорошо прилегают друг к другу. Если это нарушено, то нужно заменить погнутый лист. Правка погнутых листов не рекомендуется.
Передний кронштейн рессоры нужно заменить новым или отремонтировать, если повреждено посадочное отверстие под шайбу пальца. Овальную выработку этого отверстия можно устранить разверткой на месте до размера, обеспечивающего круглую форму. Установить новую шайбу пальца, подогнав с тугой посадкой по размеру этого отверстия или наварить старую шайбу с последующей проточкой.
Пальцы рессор подлежат замене, если имеется выработка от трения по металлу, при езде с резиновыми втулками, имеющими сквозной износ, и если его диаметр в изношенном месте стал меньше 15,5 мм,
Втулки рессор (резиновые) нужно заменить новыми, если имеется заметное на глаз смещение пальца относительно ушка рессоры, а также при разрушении буртиков. Втулки с заметным смещением очень недолговечны. Их следует своевременно заменять, чтобы избежать повреждения посадочных поверхностей Под эти втулки в кронштейнах, рессорах и пальцах.
Подкладка рессоры поддается правке в холодном состоянии. Подкладки, имеющие кривизну, следует выправить до плоского состояния. Деформация подкладки свидетельствует о чрезмерной затяжке гаек стремянок. Она может быть погнута, если стремянки затягиваются при сборке в нена-груженном состоянии рессоры или превышающем предельные значения момента затяжки, указанных в разделе "Разборка и сборка задней подвески".
Обоймы подушки подлежат правке в холодном состоянии до плоского состояния площадки, при-' легающей к подкладке рессоры (или площадке на заднем мосту).
Резиновые подушки подлежат замене, если сильно повреждены или разрушены концы в мес- [ тах выхода рессоры из подушек, обычно получающиеся от неправильной затяжки стремянок pec- i сор или из-за повреждения средней части подушки при неправильном монтаже рессор.
Возможные неисправности задней подвески и методы их устранения
Износ прокладок между листами или хомутами Износ резиновых втулокСкрип рессор
Заменить прокладки Заменить изношенные втулки
Крен автомобиля в сторону
Поломка листов рессорыЗаменить рессору или отдельные листы
След задней колеи не идет по следу передней и автомобиль "ведет" в сторону
Смещение заднего моста относительно рессоры из-за ослабления затяжки гаек стремянок
Смещение коренного листа при разрушении центрового болта Поломка коренного листа
Ослабить стремянки, поставить мост на место и затянуть стре мянки. Заменить подушки рессор в случае их повреждения Заменить центровой болт Заменить коренной лист
3.7. Основы организации ТО и ТР автомобилей при централизованном управлении производства (ЦУП)
3.8. Схема управления ЦУП

)Структура централизованного управления технической службой АТП: / — административное; 2 — оперативное подчинение; 3 — деловая связь
4. Охрана труда и промсанитария
4.1. Техника безопасности
Ответственность за технику безопасности возлагается на руководителя автохозяйства. Он обязан организовывать обучение рабочих, согласно видов выполняемых работ. Все рабочие, поступающие на работу, должны пройти вводный инструктаж, инструктаж на рабочем месте, а затем через каждые 6 месяцев работы периодический инструктаж.Вводный инструктаж проводит инженер по технике безопасности. По прохождению вводного инструктажа, делают запись в карточке учета. Эта карточка должна храниться на рабочем месте.Инструктаж на рабочем месте по профилю работы проводит руководитель соответствующего участка. По окончанию инструктажа делают запись в журнале регистрации инструктажа по технике безопасности. Этот журнал должен находиться непосредственно у руководителя производственного участка.При переводе рабочего на другую работу необходимо его вновь проинструктировать на рабочем месте, согласно профилю полученной работы.Стекла окон и светильников следует держать в чистоте. Ширина осмотровой канавы составляет 0,9 – 1,1 м, а глубина 1,2 – 1,4 м.Для инструкторов в канаве необходимо предусмотреть специальные ниши, в которых должно быть вмонтировано низковольтное освещение напряжением не больше 36 Вольт. Канавы должны быть оборудованы с двух сторон лестницами.Для мойки автомашин вне помещения устраивают специальные эстокады, которые должны быть ограждены перилами высотой не менее 1 м.Для приема пищи следует выделять специально оборудованное помещение. Для питьевой (кипяченной) воды надо сделать фонтанчики. Менять воду следует ежедневно.При проектировании и реконструкции производственных помещений должны быть предусмотрены противопожарные мероприятия в соответствии с нормами СН и П-II-А-80. Согласно этим нормам требований в помещение должны быть предусмотрены эвакуационные выходы, обозначенные специальными табличками.Внутри помещений размещают пожарные планы, пожарные щиты из расчета один щит на 300-350 производственной площади.На щитах и в гаражах должны быть установлены огнетушители большой емкости (5 10) литров. Огнетушители необходимо заменять строго по инструкции приложенной к ним.В помещениях, где проводится ремонт и техническое обслуживание машин, строго запрещается применять открытый огонь, должно быть запрещено курение. Не допускается разлив горюче-смазочных материалов, а особенно бензина. При разливе горюче-смазочных материалов нужно немедленно удалить с помощью опилок или песка. В помещениях технического обслуживания и ремонтных мастерских должны быть установлены ящики с песком.
4.2. Противопожарная защита
В производственных помещениях, где производится техническое обслуживание автомобилей, существует система пожарной безопасности, которая состоит из:
— автоматических средств тушения пожара (сплинкерная система);
— ручных средств (пожарные краны, шланги, брандспойты, огнетушители, химические порошки и др.).
На территории автотранспортного предприятия от всего персонала требуется безукоризненное исполнение всех правил пожарной безопасности: курение разрешено только в отведенных местах, запрещено пользоваться открытым огнем, бензином для мойки деталей. Особое внимание необходимо обращать на хранение легковоспламеняющихся материалов, чистоту помещений и исправность электропроводки и электрических приборов, а также производство сварочных, медицинских и малярных работ.
Пожары можно тушить веществами, которые способствуют понижению температуры горения (вода) или изоляции горящих предметов от доступа кислорода (песок, огнетушительная пена). Однако нельзя тушить водой горючие жидкости, плотность которых меньше плотности воды, потому что эти жидкости всплывают и продолжают гореть.
Химические вещества используют для тушения в тех случаях, когда горящие вещества нельзя тушить водой. Применение химической пены для тушения пожаров основано на том, что она, покрывая поверхность горящих предметов, изолирует их от воздуха и горящих паров, образовавшихся под воздействием теплоты. В результате этого горение прекращается. Химическая пена получается в результате химической реакции между щелочной и кислотной частями состава (составными частями огнетушителей). Воздушно-механическая пена получается в результате смешения в специальных приборах пенообразователя с водой и воздухом.
Химические порошки применяют для тушения горящих электродвигателей, двигателей внутреннего
сгорания, ацетилена и других веществ, которые нельзя тушить водой. Главным компонентом этих порошков является двууглекислая сода, смешиваемая с песком, инфузорной землей, тальком. При тушении сухим порошком пламя сбивается твердой массой порошка и засыпается им, а образующийся при нагревании и разложении двууглекислой соды углекислый газ изолирует горящий предмет от доступа кислорода воздуха. Кроме того, на разложение соды расходуется часть теплоты, что вызывает охлаждение поверхности горящего вещества.
Углекислый газ применяют для тушения огня двумя способами: заполняют газом закрытое помещение, где произошло возгорание, или покрывают из специальных приборов поверхность горящего материала углекислым газом при температуре 78°С. После заполнения углекислым газом одной трети объема воздуха помещения горение прекращается.
Для экстренного тушения пожара подручными средствами во всех помещениях и особенно связанных с нахождением и использованием горючих веществ, должны быть в необходимых количествах песок, пожарные краны, химические или углекислотные огнетушители.
Химический огнетушитель представляет собой сосуд, который заряжается пенообразующим составом из щелочи и кислот. Внутри сосуда в сетчатом цилиндре размещаются две стеклянные колбы вместимостью 180-185 миллилитров каждая. В одной находится серная кислота, во второй — воздушный раствор сернокислого железа; остальное пространство заполняется раствором щелочи (смесь бикарбоната натрия с содовым экстрактом массой 600-650 г) в воде (около 8 л). Для приведения огнетушителя в действие необходимо ударить бойком о твердый предмет, который разбивает стеклянные колбы. При смешивании жидкости образуется бурное выделение пены.
Углекислотный огнетушитель представляет собой стальной овальный баллон, закрывающийся сверху вентилем. Зарядом огнетушителя служит техническая или пищевая сжиженная или осушенная углекислота. На корпусе вентиля укреплен раструб — снегообразователь, через который углекислота выбрасывается в течение короткого времени в виде хлопьев углекислого снега.
Углекислота при выходе из баллона через раструб, сильно охлаждаясь, переходит в туманообразное состояние. Углекислый снег охлаждает горящий предмет, затем, превратившись в газ, снижает концентрацию кислорода в зоне пожара и тем самым прекращает горение.
4.3 Экология окружающей среды
Автомобильный парк, являющийся одним из основных источников загрязнения окружающей среды, сосредоточен, в основном, в городах. Если в среднем в мире на 1 км2 территории приходится пять автомобилей, то плотность их в крупнейших городах развитых стран в 2 00-300 раз выше.
Во всех странах мира продолжается концентрация населения в крупных городских агломерациях. С развитием городов и ростом городских агломераций всё большую актуальность приобретает своевременное и качественное обслуживание населения, охрана окружающей среды от негативного воздействия городского, особенно автомобильного, транспорта. В настоящее время в мире насчитывается 300 млн. легковых, 8 0 млн. грузовых автомобилей и примерно 1 млн. городских автобусов.
Автомобили сжигают огромное количество ценных нефтепродуктов, нанося одновременно ощутимый вред окружающей среде, главным образом атмосфере. Поскольку основная масса автомобилей сконцентрирована в крупных и крупнейших городах, воздух этих городов не только обедняется кислородом, но и загрязняется вредными компонентами отработавших газов. Согласно данным статистики в США, все виды транспорта дают 60% общего количества загрязнений, поступающих в атмосферу, промышленность -17%, энергетика 14%, остальные - 9% приходятся на отопление зданий и других объектов и уничтожение отходов.
Эффективным мероприятием по снижению вредного влияния автомобильного транспорта на горожан является организация пешеходных зон с полным запретом въезда транспортных средств на жилые улицы. Менее эффективное, но более реальное мероприятие это введение системы пропусков, дающих право на въезд в пешеходную зону только специальным автомобилям, владельцы которых живут в конкретной зоне жилой застройки. При этом должен быть полностью исключён сквозной проезд автотранспорта через жилой квартал.
Для снижения вредного влияния автомобильного транспорта требуется вынос из городской черты грузовых транзитных потоков. Требование это зафиксировано в действующих строительных нормах и правилах, но практически соблюдается редко.
Один из основных источников шума в городе автомобильный транспорт, интенсивность движения которого постоянно растёт. Наибольшие уровни шума 90-95 дБ отмечаются на магистральных улицах городов со средней интенсивностью движения 2-3 тыс. и более транспортных единиц в час.
В условиях сильного городского шума происходит постоянное напряжение слухового анализатора. Это вызывает увеличение порога слышимости (10 дБ для большинства людей с нормальным слухом) на 10-25 дБ. Шум затрудняет разборчивость речи, особенно при его уровне более 7 0 дБ.
Ущерб, который причиняет слуху сильный шум, зависит от спектра звуковых колебаний и характера их изменения. Опасность возможной потери слуха из-за шума в значительной степени зависит от индивидуальных особенностей человека.
Основная причина загрязнения воздуха заключается в неполном и неравномерном сгорании топлива. Всего 15% его расходуется на движение автомобиля, а 8 5% «летит на ветер». К тому же камеры сгорания автомобильного двигателя - это своеобразный химический реактор, синтезирующий ядовитые вещества и выбрасывающий их в атмосферу. Даже невинный азот из атмосферы, попадая в камеру сгорания, превращается в ядовитые окислы азота.
В отработавших газах двигателя внутреннего сгорания (ДВС) содержится свыше 17 0 вредных компонентов, из них около 160 - производные углеводородов, прямо обязанные своим появлением неполному сгоранию топлива в двигателе. Наличие в отработавших газах вредных веществ обусловлено в конечном итоге видом и условиями сгорания топлива.
Отработавшие газы, продукты износа механических частей и покрышек автомобиля, а также дорожного покрытия составляют около половины атмосферных выбросов антропогенного происхождения. Наиболее исследованными являются выбросы двигателя и картера автомобиля. В состав этих выбросов, помимо азота, кислорода, углекислого газа и воды, входят такие вредные компоненты, как окись углерода, углеводороды, окислы азота и серы, твёрдые частицы.
Состав отработавших газов зависит от рода применяемых топлива, присадок и масел, режимов работы двигателя, его технического состояния, условий движения автомобиля и др. Токсичность отработавших газов карбюраторных двигателей обуславливается главным образом содержанием окиси углерода и окислов азота, а дизельных двигателей -окислов азота и сажи.
К числу вредных компонентов относятся и твёрдые выбросы, содержащие свинец и сажу, на поверхности которой адсорбируются циклические углеводороды (некоторые из них обладают канцерогенными свойствами).
Закономерности распространения твёрдых выбросов отличаются от закономерностей, газообразных продуктов.
Крупные фракции (диаметром более 1мм), оседая более поблизости от центра эмиссии на поверхности почвы и растений, в конечном счете, накапливаются в верхнем слое почвы. Мелкие фракции (диаметром менее 1 мм) образуют
аэрозоли и распространяются с воздушными массами на большие расстояния.
В таблице основных загрязнителей воздушной среды, составленной Организацией Объединённых, окись углерода, помеченная силуэтом автомобиля, стоит на втором месте.
Двигаясь со скоростью 80-90, в среднем автомобиль превращает в углекислоту столько же кислорода, сколько 300-500 человек. Но дело не только в углекислоте. Годовой выхлоп одного автомобиля - это 800 кг окисиуглерода, 40 кг окислов азота и более 200 кг различных углеводородов. В этом наборе весьма коварна окись углерода. Из-за высокой токсичности её допустимая концентрация в атмосферном воздухе не должна превышать 1 мг/мЗ.
Известны случаи трагической гибели людей, запускавших двигатели автомобилей при закрытых воротах гаража. В одноместном гараже смертельная концентрация окиси углерода возникает уже через 2-3 минуты после включения стартера. В холодное время ночлега на обочине дороги, неопытные водители иногда включают двигатель для обогрева машины.Из-за проникновения окиси углерода в кабину такой ночлег может оказаться последним.
Заключение
Чтобы обеспечить работоспособность автомобиля в течение всего периода эксплуатации, необходимо периодически поддерживать его техническое состояние комплексом технических воздействий, которые в зависимости от назначения и характера можно разделить на две группы: воздействия, направленные на поддержание агрегатов, механизмов и узлов автомобиля в работоспособном состоянии в течение наибольшего периода эксплуатации; воздействия, направленные на восстановление утраченной работоспособности агрегатов, механизмов и узлов автомобиля. Комплекс мероприятий первой группы составляет систему технического обслуживания и носит профилактический характер, а второй – систему восстановления (ремонта).У нас в республике принята планово-предупредительная система технического обслуживания и ремонта автомобилей. Сущность этой системы состоит в том, что техническое обслуживание осуществляется по плану, а ремонт - по потребности. Принципиальные основы планово-предупредительной системы технического обслуживания и ремонта автомобилей установлены действующим Положением о техническом обслуживании и ремонте подвижного состава автомобильного транспорта. Техническое обслуживание включает следующие виды работ: уборочно- моечные, контрольно-диагностические, крепежные, смазочные, заправочные,регулировочные, электротехническое и другие работы, выполняемые, как правило, без разборки агрегатов и снятия с автомобиля отдельных узлов и механизмов. Если при техническом обслуживании нельзя убедиться в полной исправности отдельных узлов, то их следует снимать с автомобиля для контроля на специальных стендах и приборах. В процессе проектирования участка по ремонту была дана марка автомобиля Зил-130 работающий в умеренно холодном климате, со среднесуточным пробегом 320 км., с III категорией условий эксплуатации.При расчете трудоемкости АТП выяснилось, что автомобиль марки Зил-130 имеет годовой пробег автомобилей который составил 37515 км. Коэффициент использования подвижного состава почти равен коэффициенту технической готовности ПС, что говорит о хорошей организации труда на данном АТП. Проектируемый ремонтный участок, на АТП был расположен в соответствии с различными требованиями ГОСТа, а также от специализации участка и его размеров. Рассматривая эту тему я пришел к выводу, что характерными отказами и неисправностями рулевого управления являются:-ослабление крепления картера рулевого механизма, повышенный износ деталей рулевого механизма, шаровых сочленений тяг и рычагов, ослабление крепления рулевого колеса и рулевой колонки, выкрашивание червячной пары и неправильная регулировка (чрезмерная затяжка деталей) рулевого механизма.
Список литературы
1. Афанасьев Л.Л. и др. Гаражи и станции технического обслуживания автомобилей, М.:Транспорт, 1980-216с.
2. 2. Клещ С.А. Технологическое проектирование АТП и СТО. Методические указания к курсовому и дипломному проектированию. Часть 1. Справочно-нормативные материалы для технологического расчёта АТП и СТО. –Вологда: ВПИ, 1996.-36с.
3. Методика оценки уровня и степени механизации и автоматизации производств ТО и ТР подвижного состава АТП. МУ-200-РСФСР-13-0087-87.-М.:Минавтотранс,1989.-101с.
4. Напольский Г.М. Технологическое проектирование АТП и СТО.-М.:Транспорт, 1993.-272с.
5. НИИАТ. Краткий автомобильный справочник.-М.:Транспорт,1985.-220с.
6. Положение о техническом обслуживании и ремонте подвижного состава автомобильного транспорта.-Минавтотранс РСФСР.-М.:Транспорт, 1986.-73с.
7. Эксплуатация автомобилей. Чумаченко Ю.Т., Чумаченко Г.В.издательство Ростов-на-дону "Феликс" 2002г
Похожие рефераты:
Полные ответы на билеты по автоделу (экзамен 2002)
Проект автотранспортного парка для техобслуживания автомобилей
Рулевое управление и тормозная система автомобиля
Ремонт тормозных систем с гидравлическим приводом
Рама и подвеска автомобиля КамАЗ
Трансмиссия автомобиля УАЗ-31512
Разработка технологического процесса ТР переднего моста автомобиля ГАЗ-31029
Трансмиссия и ходовая ГАЗ-3102
Ремонт и техническое обслуживание ходовой части ГАЗ-3102
Техническое обслуживание и ремонт автомобилей
Слесарные, механические, демонтажно-монтажные работы
Исследование особенностей технической эксплуатации ходовой части автомобилей "Toyota"