| Похожие рефераты | Скачать .docx |
Реферат: Технологія опорядження фасаду акриловою декоративною штукатуркою Ceresit СТ-77
Тема:
Технологія опорядження фасаду акриловою декоративною штукатуркою Ceresit СТ-77
Зміст
Вступ
1. Акрилова декоративна фасадна штукатурка Ceresit СТ 77
2. Визначення стану та підготовка будівельного об'єкта до декоративного опорядження фасаду
3. Підготовка поверхонь фасадів до декоративного опорядження.
4. Інструменти та інвентар для штукатурно-декоративного опорядження
5. Пристрої для виконання опорядження фасадів на висоті
6. Опорядження фасадів акриловою штукатуркою Ceresit СТ 77
7. Організація робіт під час опорядження фасадів штукатурками
8. Контроль якості робіт
9. Економічні розрахунки
10. Правила техніки безпеки
Використана література
Вступ
Якість будівельної продукції — будинків і споруд різного призначення залежить від багатьох складових, але основними серед них були і залишаються якість та довговічність будівельних матеріалів.
Довговічність будівельних матеріалів є найважливішою проблемою сучасного будівництва, оскільки функціональні навантаження більшості з них використовуються надто короткий час порівняно зі стародавніми матеріалами, на основі яких збудовані сотні і тисячі років тому споруди, що незважаючи на вплив зовнішніх природних чинників і часу й тепер вражають красою архітектури та майстерністю тогочасних будівельників.
Нині певна частина населення живе в небезпечному оточенні неміцних, недовговічних будинків і споруд. Засвідчують це катастрофи як природного, так і техногенного походження, під час яких руйнуються насамперед застарілі будівлі, зокрема п'ятиповерхові залізобетонні панельні будинки перших радянських масових серій. Більшість будинків не витримує дії вогню при пожежах, оскільки інтер'єр їх опоряджено матеріалами, які мають не досить високі протипожежні властивості.
Сучасність і майбутнє потребують реконструкції старих будинків, надання їм оригінальності та виразності, застосування під час зведення будівель цікавих нестандартних вирішень як в оздобленні інтер'єрів, так і фасадів. Цього можна досягти, якщо запроваджувати в будівництво, зокрема в опорядження будинків, нові нетрадиційні матеріали і технології.
В Україні вже намітилися тенденції до заміни традиційних штукатурних розчинів, мокрих способів штукатурення більш прогресивними матеріалами і технологіями.
1. Акрилова декоративна фасадна штукатурка Ceresit СТ 77
Ceresit СТ 77 — полімерна декоративно-мозаїчна штукатурка, призначена для декоративного структурного опорядження поверхонь усередині і зовні будинку по бетонних, підготовлених цегляних, поштукатурених основах і в системах теплоізоляції фасадів. Застосовують на основах із можливими механічними впливами і частим впливом вологи, а також на поверхнях, які швидко забруднюються (коридори, сходи, цоколі та ін.).
Виробляють 38 кольорів і відтінків. Розмір зерна наповнювача 0,8- 1,2 мм і 1,4-2 мм.
Ceresit СТ 77 має такі властивості:
- стійкість до атмосферних впливів;
- стійкість до зношення;
- забезпечує гідрозахист опоряджуваних конструкцій;
- легко змивається водою;
- не шкідлива для здоров'я людини (екологічно чиста).
Основні технічні характеристики полімерних штукатурок наведено в табл. 1.
Таблиця 1. Основні технічні характеристики акрилової штукатурки Ceresit СТ 77
| Показник | СТ 77 |
| Склад | Водна дисперсія полімеру з кольоровим наповнювачем |
Щільність, кг/дм3 |
1,6 |
| Час утворення поверхневої плівки, хв | 30 |
| Температура основи під час застосування розчинової суміші, °С | Від+5 до+30 |
| Стійкість до опадів, год | Зерно 0,8 -1,2 мм — через 2 доби Зерно 1,4 -2,0 мм — через 3 доби |
| Адгезія до всіх основ, МПа, не менше | 0,5 |
Витрата розчинової суміші, кг/м2 |
Зерно 0,8-1,2 мм —3,0 Зерно 1,4 -2,0 мм — 4,5 |
2. Визначення стану та підготовка будівельного об'єкта до декоративного опорядження фасаду
До початку робіт з опорядження фасадів будівельний об'єкт оглядають і визначають його готовність до виконання опорядження
На об'єкті до виконання до штукатурного і малярного опорядження фасаду потрібно виконати:
- загальнобудівельні і монтажні роботи;
- влаштування покрівлі з деталями і примиканнями;
- прокладання всіх комунікацій і закриття комунікаційних каналів;
- герметизацію швів між блоками або панелями на фасаді;
- влаштування деформаційних швів;
- герметизацію місць сполучень віконних, дверних і балконних рам з елементами огороджувальних конструкцій;
- скління вікон і (за потреби) балконних дверей або встановлення склопакетів;
- улаштування всіх конструкцій підлоги на балконах і лоджіях;
- монтаж і закріплення всіх металевих елементів для захисту архітектурних деталей від вологи;
- встановлення всіх кріпильних деталей водостічних труб (згід но з проектом);
У процесі огляду об'єкта визначають стан огороджувальних конструкцій, а саме:
- наявність і розміри відхилень від вертикалі і горизонталі огороджувальних конструкцій;
- наявність і характер забруднень на поверхні фасаду;
- міцність і вологість огороджувальних конструкцій, що підлягають опорядженню.
Стан і готовність будинків, огороджувальних конструкцій, їхніх поверхонь визначають візуально, а також із застосуванням контрольних інструментів і пристроїв.
За результатами огляду складають акт із підготовки об'єкта до штукатурного опорядження фасаду і за отриманими результатами розробляють проект виробництва для кожного конкретного об'єкта, на якому планується виконання штукатурних робіт, з урахуванням даних огляду об'єкта і рекомендованої ділянки штукатурно-декоративного опорядження фасадів згідно зі СНиП 3.04.02-87 «Изоляционные и отделочные покрытия» та ДБН В.2.6-22-2001 «Улаштуваннчя покриттів із застосуванням сухих будівельних сумішей».
Під час планування будівельного майданчика визначають: розміри майданчика; місця влаштування і розміри ділянок складування матеріалів, інструментів і пристосувань; місця приготування композицій із сухих сумішей; місця відпочинку робітників; місця складування і збирання відходів.
Після визначення цих ділянок будівельний майданчик огороджують дерев'яним парканом із готових щитів. Навколо фасаду влаштовують риштування відповідно до паспорта та інструкцій щодо експлуатації їх.
Усі ці заходи потрібно здійснювати з урахуванням правил техніки безпеки праці.
3. Підготовка поверхонь фасадів до декоративного опорядження
Якість штукатурно-декоративного покриття залежить насамперед від якості застосовуваного опоряджувального матеріалу, способу його нанесення, умов нанесення (впливу навколишнього середовища), виду і стану опоряджуваної конструкції та її поверхні, що підлягає штукатуренню.
Конструкції мають бути стійкими, міцно закріпленими, збудованими в межах дозволених відхилень від вертикалі і горизонталі. Якщо конструкція вібруватиме, нанесений на неї шар штукатурки буде тріскатись і відшаровуватись, а в разі понаднормових відхилень конструкції від вертикалі чи горизонталі її потрібно вирівнювати. У зв'язку з цим штукатурні роботи допускається виконувати лише після закінчення термінів, що виключають можливість пошкодження штукатурки внаслідок осідання чи зсуву конструкції. Міцність основи має бути не меншою за міцність опоряджувального шару покриття. Підготовку основи здійснюють згідно зі СНиП 3.04.01-87 (ДБН В.2.6-22-2001).
Поверхня основи має бути шорсткою, рівною, без зайвих часточок, які в подальшому впливатимуть на адгезію між опоряджувальним шаром і поверхнею конструкції, тобто без бруду, пилу, іржі, висолів, плям різного походження та ін. Від висолів, іржі, жирів і цвілі поверхні очищують спеціальними засобами.
Для видалення часточок основи, що втратили зчеплення з конструкцією, а також для надання шорсткості ідеально гладеньким поверхням на великих площах застосовують піскоструминні апарати, які працюють у такий спосіб.

Рис. 3.1. Очищення поверхні піскоструминним апаратом:
1 — компресор; 2 — вентиль; 3 — камера змішування піску з повітрям;
4 — корпус апарата; 5 — гумовий шланг для подачі піску; 6 — сопло
Сухий просіяний пісок середньої крупності (1-3 мм) засипають у циліндр крізь завантажувальний бункер. Вологий пісок застосовувати не можна, оскільки при цьому утворюються пробки, які забивають шланги або патрубок. Під тиском стисненого повітря пісок із конічної частини циліндра подається в патрубок, а звідти — у гумовий шланг, на кінці якого укріплено сопло з двома трубками. До однієї з них підведено шланг для подачі піску, до іншої — стисненого повітря від компресора. Пісок підхоплюється струменем стисненого повітря і з силою виштовхується на поверхню. Струмінь піску, спрямований під кутом до поверхні, вдаряється об неї й очищує від пилу, бруду, фарби, смоли, а також надає поверхні шорсткості. Роботу штукатур має виконувати, захистившись тканинним чохлом, респіратором і окулярами. Процес очищення поверхні за допомогою піскоструминного апарата ілюструє рис. 3.1.
Потім поверхню промивають водою зі шлангів, підключених до водопровідної мережі.
За незначних обсягів робіт з цією метою використовують ручний інструмент (металеві щітки, зубила, троянки, насікальні молотки, скарпелі, малярні щітки тощо) та шліфувальну шкурку, закріплену в спеціальному пристрої.
Напливи розчину бетону на поверхні конструкції, а також розчин, який виступає зі швів мурування, видаляють ручним механізованим інструментом: електро- або пневмомолотками зі змінними насадками та шліфувальними машинками.
Оброблену таким способом поверхню, а також тріщини, які в подальшому не збільшуватимуться, ґрунтують, частково підмазують, зашпаровують мінеральною шпаклівкою. Малі тріщини розшивають невеликим шпателем чи малярним ножем на глибину 2 — 3 мм. Площина шпателя має бути нахилена під кутом 45° до кромки тріщини.
Часткове підмазування виконують після висихання ґрунтовки. Для цього використовують шпаклівку Ceresit CT 225, в яку додають 4 % дисперсії Ceresit CТ 83. Розчинову суміш наносять металевим шпателем, переміщують її в напрямку тріщини під кутом 60 - 70°, а розрівнюють рухом уздовж тріщини.
Для створення ідеально рівної поверхні під опорядження полімерними штукатурками та фарбами основу додатково шпаклюють фінішною мінеральною шпаклівкою для фасадів Ceresit CT 225.
Основи з міцних матеріалів (бетону, цементних штукатурок, цегли) не потребують попереднього ґрунтування, їх лише змочують водою за годину до нанесення декоративного покриття. Неміцні основи просочують ґрунтовками на основі синтетичних смол і модифікувальних добавок.
4. Інструменти та інвентар для штукатурно-декоративного опорядження
Всі інструменти, які використовують для опорядження фасадів штукатурками, умовно поділяють на чотири групи (табл. 2):
- для підготовки поверхні основи;
- для ремонту основи старої мінеральної штукатурки;
- контрольно-вимірювальні;
- для влаштування штукатурно-декоративного покриття.
Таблиця 2. Інструменти для опорядження фасадів штукатурками
| Інструмент | Нормативний документ | |
| Найменування | Призначення | |
| 1. Інструменти для підготовки поверхні до штукатурних робіт | ||
| Штукатурний молоток типу МШТ | Допоміжні операції з підготовки поверхні до штукатурення | ГОСТ 11042-82 |
| Ножівка по дереву | Те саме | ГОСТ 26215-84 |
| Ніж для опоряджувальних робіт | Розшивання тріщин | ГОСТ 18975-73 |
| Скарпель | Сколювання нерівностей кам'яних і бетонних поверхонь | ТУ 22-4399-79 |
| Скребачка ИР-700 | Підготовка поверхонь до штукатурення | ТУ 22-4629-80 |
| Ручні ножиці для різання металу типу І | Різання металевої сітки при підготовці поверхні | ГОСТ 7210-75 |
| Торцеві гострогубці | Підготовчі операції, перекушування дроту | ГОСТ 7282-75 |
| ІІ. Інструменти для ремонту старої мінеральної штукатурки | ||
| Кельми типів КШ1, КШ2 | Накидання і розрівнювання розчинової суміші на оштукатурюваній поверхні | ГОСТ 9533-81 |
| Сокіл | Утримання розчинової суміші при накиданні його кельмою | ГОСТ 25010-81 |
| Дерев'яний напівтерок HP 223A | Вирівнювання і загладжування окремих шарів штукатурки | ТУ 22-3948-77 |
| Напівтерок типів ПТ 500, ПТ 750, ПТ 1000 | Те саме | ГОСТ 25782-90 |
| Прямі правила типів ПП 1200, ПП 1600, ПП 1800 | Розрівнювання ґрунтувального і накривного шарів | ГОСТ 25782-90 |
| Усьоночне правило типу ПУ | Оброблення зовнішніх кутів | ГОСТ 25782-90 |
| Лузгове правило типу ПЛ | Оброблення внутрішніх кутів | ГОСТ 25782-90 |
| Пінопластова і поропластова терки | Затирання накривного шару | ГОСТ 25782-90 |
| Розчинова лопата типу ЛР | Перемішування і подавання розчинової суміші | ГОСТ 3620-76 |
| Махова щітка типів KM 60, KM 65 | Збризкування поверхні штукатурки у процесі затирання | ГОСТ 10597-87 |
| Ковші для опоряджувальних робіт типів КШ-0,6, КШ-0,8, КШ-1 | Накидання розчинової суміші на оштукатурювану поверхню | ГОСТ 7945-86 |
| Відрізовка типів ОШ-1, ОІИ-2 | Підрізання розчинової суміші, оброблення елементів карнизів та інших дрібних профільних деталей | ГОСТ 9533-81 |
| III. Контрольно-вимірювальні інструменти | ||
| Вимірювальна рулетка у закритому корпусі | Контрольні заміри поверхні штукатурки | ГОСТ 7502-89 |
| Розмічальний шнур-висок | Контроль вертикальності конструктивних елементів | ТУ 22-5076-81 |
| Сталевий будівельний висок типу ОТ 200 | Те саме | ГОСТ 7948-80 |
| Дерев’яний кутник | Контроль елементів поверхні штукатурки | ТУ 22-3949-77 |
| IV. Інструменти для влаштування штукатурно-декоративного покриття | ||
Швейцарський неіржавний сокіл |
Нанесення, розрівнювання розчинової суміші | 22 07 00 |
| Терка сталева неіржавна | Нанесення, розрівнювання розчинової суміші, створення фактури штукатурки | 22 10 00 |
| Сталева кельма, 50 мм, 70 мм | Нанесення, оброблення штукатурного шару | 22 11 00 |
| Терка з пінопласту, 15 х 29 см | Затирання штукатурки, створення структури штукатурки | 22 13 00 |
| Шпатель, 50 см | Нанесення, розрівнювання, створення фактури штукатурки | 22 25 00 |
| Малярна щітка | Нанесення ґрунтувальної суміші, змочування поверхні водою | 22 15 10 |
| Рельєфні валики | Утворення фактури штукатурки | 00 00 10 62 |
| Пластмасовий бак місткістю 90 л | Для розмішування розчинової суміші | 22 73 00 |
| Змішувач із насадкою | Механізоване перемішування розчинової суміші | 48 01 00 |
| Корито для шпаклювальної суміші | Те саме | 99 513 |
| Шаблон для обкантовування кутів | Обкантовування кутів | 22 14 00 |
| Профіль-шаблон, тип 120/06 | Маячна рейка для отримання рівної поштукатуреної поверхні із заздалегідь підібраною максимальною товщиною штукатурного шару | 95 0950260 |
| Обмежувальний профіль, тип 320 | Виконання примикання із заздалегідь підібраною максимальною товщиною штукатурного шару | 99 180 |
| Кутова планка, тип 111 | Виконання рівних кутів, захист кутів від пошкоджень | 95 068 |
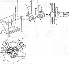
5. Пристрої для виконання опорядження фасадів на висоті
Під час опорядження фасадів будинків до 4 м заввишки штукатурками використовують пересувні вишки. Фасади будинків заввишки понад 4 м опоряджують з інвентарних риштувань.
Пересувні вишки. Вишки бувають самопідйомні та збірно-розбірні. Використовують їх під час опорядження фасадів будинків заввишки до 4 м. Нині українські опоряджувальники визнають кращими пересувні збірно-розбірні вишки (тури) РАПИД-160 (рис. 5.1), професійні риштування фірми Faraone (Італія) з алюмінієвого сплаву, які мають чудові робочі характеристики. Вони незамінні для виконання будівельних опоряджувальних робіт на висоті від 3 до 10 метрів; їх можна використовувати як усередині, так ізовні будинку; вони легко пересуваються на поворотних шасі, які блокуються. Завдяки легкості матеріалу, з якого виготовлено вишки РАПИД-160, перевезення, збирання і розбирання турів потребує мінімальних зусиль і часу.

Рис. 5.1. Комплектування пересувних вишок РАПИД-160
(розміри дано у сантиметрах)
Конструкція дає змогу працювати на нерівних поверхнях; її стійкість забезпечують знімні стабілізатори.
РАПИД-160 (див. рис. 5.1) складається з таких елементів:
- базовий модуль із шасі, код 161;
- серединний модуль, код 162;
- верхній модуль, код 163;
- малий верхній модуль, код 160;
- платформа з люком і парапетом, код 164;
- стабілізатор, код 165;
- Т-секція для роботи на уклоні, код 166;
- домкрат-вирівнювач — 4 шт., код 168.
Розміри горизонтальної робочої поверхні 1,6 х 0,8 м, граничне навантаження 150 кг.
Залежно від висоти проведення робіт РАПИД-160 випускають восьми комплектувань (табл. 3).
Таблиця 3. Робочі характеристики комплектування РАПИД-160
| Код елемента | Маса, кг | Комплектація | |||||||
| МТ3 | МТ4 | МТ5 | МТ6 | МТ7 | МТ8 | МТ9 | МТ 10 | ||
| 161 | 18,5 | 1 | 1 | 1 | 1 | 1 | 1 | 1 | 1 |
| 162 | 12,5 | — | — | 1 | 1 | 2 | 2 | 3 | 3 |
| 163 | 14,3 | — | 1 | — | 1 | — | 1 | — | 1 |
| 169 | 9 | 1 | — | 1 | — | 1 | — | 1 | — |
| 164 | 24 | 1 | 1 | 1 | 1 | 1 | 1 | 1 | 1 |
| 165 | 12 | Рекомендовано для висот понад 4 м | |||||||
| 166 | 5 | ||||||||
| 168 | 12 | ||||||||
Габаритна висота туру, м |
3 | 4 | 5 | 6 | 7 | 8 | 9 | 10 | |
| Робоча висота максимум, м | 4 | 5 | 6 | 7 | 8 | 9 | 10 | 11 | |
| Маса комплекту, кг | 51,5 | 56,8 | 64 | 69,3 | 76,5 | 81,8 | 89 | 94,3 | |
Для безпечної роботи на конструкціях заввишки понад 6 м слід використовувати баласт 60-100 кг на основі туру або анкерування до вертикальних поверхонь огороджуваних конструкцій через кожні 4 м.
Інвентарні риштування. Найчастіше в будівництві застосовують інвентарні риштування клинохомутового типу, трубчасті, рамні, модульні тощо.
Будівельні риштування клинохомутового типу (Україна) виготовлені зі сталевої пофарбованої труби діаметром 42 мм (рис. 5.2). Риштування складаються з ферми страхування 1, опорної ферми 2, драбини 3, тримача настилу 4, опорного костиля з опорною пластиною 5 та регулювальної п'ятки 6.

Рис. 5.2. Будівельні риштування клинохомутового типу
Ця конструкція має такі переваги:
- швидке збирання і встановлення;
- легкість конструкції;
- невеликі габарити;
- можливість роботи на сходових маршах;
- установлення ярусу на будь-якій висоті.
Ширина настилу риштування 700 мм, довжина прогону — 3400, висота комплекту — 7500 мм.
На риштування одночасно укладають два яруси настилу. Навантаження на настил 2 кПа, площа вертикальної робочої поверхні — 25,5 м2 .
Трубчасті безболтові риштування (рис. 5.3) застосовують для штукатурення фасадів будинків до 40 м заввишки. Вони складаються з опор, прогонів, поперечок, поруччя та дерев'яного настилу. До кінців прогонів і поперечок приварено гачки, а вздовж опор на відстані 2 м один від одного — спеціальні патрубки. Під час монтажу риштувань гачки прогонів 2 і поперечок 5 вставляють у відповідні патрубки опор 1. Опори встановлюють уздовж стіни на відстані 2 м одна від одної. Ширина риштувань — 1,65 м.
Нижні кінці опор установлюють у спеціальні башмаки, які спираються на дерев'яні підкладки, підмощені під кожну пару опор. Риштування прикріплюють до стін гачками, які закладають у петлі анкерних болтів, заздалегідь закріплених у стіні.
На прогони укладають інвентарні дерев'яні щити настилу 3. Настили риштувань обгороджують інвентарним поруччям 4 заввишки не менш як 1 м, у нижній частині якого закріплюють бортову дошку заввишки не менш як 15 см. Окремі яруси риштувань з'єднують сходами.

Рис. 5.3. Трубчасті безболтові риштування:
1 — опора; 2 — прогін; 3 — дерев'яний настил; 4 — поруччя; 5 — поперечка
Рамні інвентарні риштування Plethas SL70/SL100 виробництва МВМ-Арнхольдт (Німеччина) (рис. 5.4) є універсальною довговічною модульною конструкцією, що забезпечує максимальну безпеку проведення робіт. Для будь-якої сфери застосування передбачено пристрої відповідних розмірів: рами SL 70 (завширшки 70 см) зі сталі й алюмінію; рами SL 100 (завширшки 100 см) — зі сталі, заввишки 50, 100, 150 і 200 см; настили зі сталі, алюмінію і деревини завдовжки 150, 200, 250, 300 і 400 см. Усі сталеві вироби піддають гальванічному обробленню: гарячому оцинкуванню методом оцинкування. Риштування Plethas SL 70/100 складаються із системи вертикальних поперечних сталевих рам 2, установлених у підйомні башмаки 1 і закріплених спеціальними кріпленнями. Рами з'єднуються прогонами З, які виконують обгороджувальні функції, та сталевими (металевими) щитами настилу 4. По периметру настилу влаштовують бортову дошку 5. Яруси системи обладнують сходами 7, для чого в щитах настилу передбачено отвори.

![]()
Рис. 5.4. Рамні інвентарні риштування
Жорсткість системи рамного риштування забезпечує діагональ нижнього ярусу 6 та анкерне кріплення до будинку. Всі елементи риштування з'єднуються між собою спеціальними кріпленнями 9. За потреби риштування ззовні захищають сіткою або плівкою 8.
Можливість комбінування, швидкий і надійний монтаж без застосування інструменту з використанням SL 70/100 дають змогу ефективно й економічно доцільно вирішувати всі проблеми, що виникають під час встановлення риштувань.
Модульні риштування Plettas contur (рис. 5.5) — це система сучасних модульних риштувань, основою якої є оптимізований під великі навантаження вузол, що складається з диска 2 (на стояках) і з'єднувальної головки 1 (на кінцях ригелів, ферм і діагоналей).
Фіксують з'єднання диска з головкою (стояк із ригелем або діагоналлю) за допомогою клина 4. Заклепка 3 зверху клина запобігає самовільному випаданню клина із з'єднувальної головки. У диску четверо гнізд з інтервалом 90°, які забезпечують прямий з'єднання відносно осей диска. Між осьовими гніздами розміщеі четверо овальних гнізд, які забезпечують з'єднання елементів у діапазоні від 30 до 60°. Це дає змогу встановлювати практично будь-який кут з'єднання. Наприклад, можна скласти трикутну башту і багатогранну конструкцію.

Рис. 5.5. Модульні риштування:
а — загальний вигляд риштувань; б — г — відповідно загальний вигляд, вигляд збоку та переріз вузла А
Вертикальні стояки виготовляють завдовжки 50, 100, 150, 200, 250, 300 і 400 см, вони оснащені дисками, розміщеними по всій довжині з інтервалом 50 см.
Типові ригелі завдовжки від 50 до 400 см. Додатковою перевагою системи Plettas contur є можливість використання елементів системи SL 70/100: настилів, опор, консолей тощо.
Всі риштування Plettas contur комплектуються набором, пристосувань, які підвищують економічність і гнучкість монтажу (рис. 5.6).
Кронштейни (див. рис. 5.6, а) дають змогу збільшувати ширину риштувань. Вони можуть мати стояки огороджень, якими фіксується настил.
Консолі для ніш (див. рис. 5.6, б) використовують, коли розміри ніш не збігаються з модульним кроком конструкції риштувань.
6. Опорядження фасадів акриловою штукатуркою Ceresit СТ 77
Основи під опорядження полімерними штукатурками мають бути сухими і міцними, без пошкоджень. Перед застосуванням штукатурки основу очищають від речовин, які знижують адгезію розчину до неї. Основа не повинна мати впадин і заглиблень, більших за розмір зерна наповнювача штукатурок СТ 60, СТ 63, СТ 68, СТ 64, тобто відповідно 1,5; 3,0; 2,0; 2,5 мм. У разі потреби їх слід вирівняти шпаклівкою Ceresit СТ 29, але попередньо міцні поверхні добре зволожують, неміцні — ґрунтують матеріалом Ceresit СТ 17 і витримують не менше 4 год. Якщо основа вкрита фарбою, останню потрібно видалити.
Цементні і цементно-вапняні штукатурки, бетонні основи заздалегідь обробляють ґрунтувальною фарбою Ceresit СТ 16. Захисний шар на фасадах, утеплених матеріалами Ceresit СТ 85 або Ceresit СТ 190, потрібно також обробити ґрунтувальною фарбою СТ 16.
Виконання робіт. Після підготовки поверхонь пастоподібний полімерний матеріал СТ 77 ретельно перемішують у посудині. Залежно від умов застосування консистенцію суміші можна змінювати додаванням невеликої кількості чистої води з наступним перемішуванням. Не можна використовувати іржаві інструменти і посудини.
Ceresit СТ 77 наносять за допомогою терки з неіржавної сталі шаром завтовшки 1,5 діаметра зерна і розгладжують до утворення на поверхні штукатурної плівки, без прикладання великих зусиль. Гострі кути як зовнішні, так і внутрішні формують за допомогою спеціального інструменту для формування кутів.
З початком тужавлення (від 5 до 15 хв залежно від основи й умов застосування слід приступати до формування фактури. Залежно від часу витримування штукатурки, інтенсивності і напрямку рух терки отримують горизонтальні, вертикальні, колові і перехресне заглиблення. Під час виконання цієї опери інструмент слід тримати паралельно опоряджуваній поверхні.
У період формування структури чи фактури полімерної штукатурки або під час висихання її не можна збризкувати водою. Решту матеріалу змивають водою. Затверділий розчин видаляють механічно.
Якщо у процесі роботи трапляється перерва, потрібно приклеїти самоклеючу стрічку вздовж лінії на поверхні, де планується закінчення роботи, нанести на неї штукатурку і надати їй бажаної фактури. Після поновлення роботи стрічку видаляють разом із рештками свіжої штукатурки і продовжують працювати із цього місця.
Усі полімерні штукатурки потрібно захищати від дощових опадів, а також надмірного висихання і мінусових температур.
7. Організація робіт під час опорядження фасадів штукатурками
Штукатурити фасад будинку завжди починають згори. До початку робіт уздовж фасаду встановлюють суцільні риштування, здебільшого збірно-розбірного типу з металевими опорами та іншими елементами кріплення. Після закріплення риштувань і перевірки їх надійності приступають до виконання робіт.

Рис. 7.1. Схема провішування віконних прорізів фасаду:
1 — маяки; 2 — висок; 3 — горизонтально натягнутий шнур
Підготовлену поверхню провішують виском масою 1 — 2 кг із довжиною шнура, що дорівнює висоті будинку. Високі будинки провішують послідовно на висоту двох-трьох поверхів. Під час провішування встановлюють маяки з кутиків. Відстань між маяками має бути трохи меншою за довжину правила або напівтерка, яким розрівнюватимуть розчин. Одночасно з вертикальним провішуванням фасаду провішують вертикальність кутів будинку, пілястр, вертикальних кромок віконних прорізів (рис. 7.1.) і перевіряють горизонтальність карнизів, поясків, прямолінійних сандриків, підвіконь та інших витягнутих архітектурних деталей. Після встановлення на фасаді маяків приступають до його опорядження.
Після опорядження вінцевого карниза (якщо він є) переходять до штукатурення стін. Одночасно опоряджують віконні укоси і наличники, витягують міжповерхові пояски, опоряджують пілястри та інші архітектурні деталі.
Фасад штукатурять як по вертикальних, так і по горизонтальних захватках.
Якщо фасад виконано з пілястрами по всій висоті будинку, але без міжповерхових поясків, то захватка поділяє його від кута до першої пілястри, від першої пілястри до другої і т.д. (рис. 7.2.). Кожна захватка поділяється риштуванням на карти 1-6, по дві на поверх. Поштукатуривши карту 1, робітники переходять на карту 2 і так далі до останньої карти, після чого приступають до опорядження другої захватки. Віконні і дверні косяки рекомендується штукатурити відразу по всій поверхні захватки. Наличники і сандрики можна витягувати після опорядження всієї поверхні. Пілястри опоряджують до або після обштукатурювання двох захваток, що примикають до них.
Рис. 7.2. Штукатурення фасаду вузькими захватками по вертикалі між пілястрами: 1-6 — карти
Якщо на фасаді немає пілястр, але є міжповерхові пояски, то захватку влаштовують по всій довжині будинку поповерхово (рис. 7.3.). Захватки у межах поверху розбивають на карти. Роздільні лінії 1-І, II - II і т.д. проводять крейдою. Для виконання робіт на кожну карту призначають ланку. Міжповерхові пояски витягують або
опоряджують від руки. Після обштукатурення верхньої горизонтальної захватки фасаду верхній ярус риштувань розбирають і переходять на нижню другу захватку. Цоколь штукатурять після повного опорядження стін звичайним розчином на мінеральній основі або облицьовують плиткою з природного каменю (керамічною плиткою).

Рис. 7.3. Штукатурення фасаду захватками поповерхово:
І-І... V — V — роздільні лінії; 1 — 5 — карти
8. Контроль якості робіт
До початку декоративного опорядження фасадів контролюють умови зберігання застосовуваних матеріалів (температуру, відносну вологість), а також готовність об'єкта загалом до виконання робіт.
Контроль якості штукатурно-декоративного опорядження фасадів. У процесі виконання штукатурних робіт треба перевіряти:
- підготовку основи під штукатурення;
- якість сухих сумішей;
- температуру і вологість навколишнього середовища;
- дотримання технологічної послідовності операцій;
- товщину шару розчинової суміші;
- відповідність кольору, товщини шару та отриманої фактури обштукатуреної поверхні вимогам проекту;
- наявність, якість і справність необхідних для виконання роботи інструментів і пристроїв.
У ході приймання виконаних штукатурних робіт потрібно перевірити:
- відповідність виду штукатурки вимогам проекту;
- якість штукатурного покриття;
- міцність зчеплення штукатурки з основою.
Виконавець робіт та інспектор спочатку мають візуально оглянути обштукатурені поверхні, потім за допомогою контрольно-вимірювальних приладів здійснити вибірковий контроль якості штукатурки. На кожні 10 м2 штукатурки потрібно виконати 3 — 5 вимірювань.
Методи контролю якості штукатурно-декоративного опорядження фасадів наведено в табл. 4.
Допустимі відхилення та вимоги до штукатурного покриття наведено в табл. 5. Тріщини, дутики та пропуски штукатурки не допускаються. Наявність штукатурки, відшарованої від поверхні, перевіряють легким простукуванням дерев'яним молотком. Такі місця штукатурки допускається перевіряти методом ультразвукового (наскрізного або поверхневого) прозвучування. В окремих місцях можливе контрольне розкриття штукатурки.
Таблиця 4. Методи контролю якості декоративного опорядження фасадів штукатурними сумішами
| Вид опорядження | Контрольований параметр | Метод контролю | Засіб контролю |
| Опоряджен- | Якість підготов- | Відповідно до табл. Г.1, | Відповідно до |
| ня декора- | ки поверхні | поз. 3 - 10 ДБН В.2.6-22- | табл. Г.1, |
| тивними | 2001 | поз. 3-10 ДБН | |
| штукатур- | В.2.6-22-2001 | ||
| ками | Товщина шару | Вимірювання товщини в | Набір щупів (ТУ |
| декоративної | процесі нанесення штука- | 22-034-0221197- | |
| штукатурки | турки | 011); металева | |
| лінійка (ТОСТ 427) | |||
| Визначення маси декора- | Ваги для статич- | ||
| тивної суміші, що нано- | ного зважування | ||
| ситься на одиницю площі | (ГОСТ 29329) | ||
| Вертикальність | Вимірювання відхилень | Контрольна дво- | |
| (гор изонта л ь- | від вертикалі (горизонта- | метрова лінійка | |
| ність) поверхні | лі) — не менше 5 вимірю- | РН-4; набір щупів | |
| штукатурки | вань на кожні 50 - 70 м2 | (ТУ 22-034- | |
| площі або на окремій ді- | 0221197-011); | ||
| лянці меншої площі в | металева лінійка | ||
| місцях, виявлених під час | (ГОСТ 427) | ||
| суцільного візуального | |||
| контролю | |||
| Відхилення ві- | Візуально — суцільний | Металева лінійка | |
| конних і двер- | контроль; вимірювання | (ГОСТ 427); конт- | |
| них косяків від | відхилень, виявлених під | рольна лінійка | |
| вертикалі (гори- | час суцільного візуально- | РН-4; набір щупів | |
| зонталі) | го контролю | (ТУ 22-034- | |
| 0221197-011) |
Колір, відтінок і фактура декоративної штукатурки мають відповідати встановленому проектом зразку. Допускаються незначні (до 10 % площі) зміни меж у стиках, а також малопомітні сліди стиків штукатурки через перерви в роботі на коротких лініях, наприклад між вікнами і дверима, та на ділянках стін завдовжки до 10 м.
Не допускаються смуги, що різняться за кольором або тоном від основного кольору штукатурки, а також плями від ремонту і закладання місць кріплення риштувань і правил.
Стики або межі захваток декоративної штукатурки мають бути в найменш помітних місцях (за водостічними трубами, колонами, в лузгах пілястр, міжповерхових поясках). На межах захваток не допускаються рвані краї.
Таблиця 5. Вимоги до обштукатурених поверхонь
| Технічна вимога | Метод контролю | Вид реєстрації |
| Допустима товщина одношарової штукатурки залежно від групи сухої суміші, мм Ш1 — від 2,5 до 5 Ш2 — від 5 до 30 ШЗ — від 2,5 до 5 Ш4 — від 10 до 30 | Вимірювальний. Не менше 5 вимірювань на 70 - 100 м2 поверхні покриття в місцях, виявлених суцільним візуальним контролем | Журнал робіт |
| Відхилення поверхні від вертикалі — не більше 1 мм на 1 м висоти, але не більше 5 мм на всю висоту приміщення чи його частину, обмежену прогонами, балками та ін. | Вимірювальний. Не менше 5 вимірювань на кожні 70 - 100 м-поверхні покриття | Те саме |
| Відхилення поверхні від горизонталі — не більше 1 мм на 1 м довжини, але не більше 7 мм на всю довжину приміщення чи його частину, обмежену балками, прогонами та ін. | Те саме | » |
9. Економічні розрахунки
У будівництві діють єдині норми і розцінки (ЕНиР), відомчі норми і розцінки (ВНиР) та місцеві норми і розцінки. Норми розробляють і періодично видають спеціальними збірниками. Норми на опоряджувальні роботи вміщено в збірнику Е8. Для вимірювання кількості витраченої праці передбачені такі норми: часу, виробітку, трудомісткості.
Нормою часу (Нч ) називають кількість робочого часу, яка надається робітникові відповідної професії і кваліфікації за умови повного використання засобів виробництва, правильно організованої праці для виконання одиниці продукції (1 м2 штукатурення, 1 м2 облицювання тощо).
При визначенні норми часу враховують не тільки час, витрачений на виконання основної роботи, а й час, потрібний для перемішування будівельних розчинів, підготовку йчищення інструментів і механізмів, їх переміщення, а також на підготовку робочого місця. Норма часу (норма витрати праці) виражається у людино-годинах. Наприклад, норма часу, за який штукатур 3-го розряду наносить грунт на 4.1. м2 стіни вручну при простому штукатуренні, становить 20 люд.-год. Це означає, що штукатур 3-го розряду має нанести ґрунт на 4.1. м2 поверхні вручну за 20 год.
Нормою виробітку (Нв ) називають кількість готової продукції, яку має виробити за одиницю часу (1 год) робітник відповідної кваліфікації або ланка.
Норма виробітку тісно пов'язана з нормою часу. Чим більше продукції виробляє робітник за одиницю часу, тим меншою буде норма часу, і навпаки. Залежність між ними обернено пропорційна і подається формулою Нч =1/Нв .
Знаючи норму часу, легко визначити виробіток робітника за 1 год. Для нашого прикладу на 4.1. м2 нанесення ґрунту Нч = 20 люд.-год, звідки норма виробітку становитиме Нв =4.1./Нч = 4.1./20 = 5м2, а змінна норма виробітку на одного робітника 5-8 = 40 м2 .
Щоб визначити трудомісткість певного виду робіт, потрібно обсяг цих робіт помножити на норму часу. Наприклад, трудомісткість наклеювання облицювальної плитки (4.1. х 4.1. мм) на поверхню основи при товщині шва 3 мм обчислюють так: 1,6 люд.-год • 4.1. м2 = 160 люд.-год, де 1,6 люд.-год — норма часу наклеювання плитки.
Якщо технічно обґрунтовані норми дають змогу визначити кількість якісно витраченої праці, то за допомогою тарифної системи оцінюють її якість, диференціюючи розміри заробітної плати залежно від кваліфікації (майстерності) працівника і складності роботи.
Основними елементами тарифної системи є: тарифно-кваліфікаційний довідник — основа всієї тарифної системи. У ньому всі види робіт у виробництві розподілено за розрядами залежно від їхньої складності, з характеристикою робіт, що є основою тарифікації і визначення кваліфікації працівників при порівняльному оцінюванні виконаних робіт. Тарифно-кваліфікаційний довідник робіт і професій робітників, зайнятих у будівництві й ремонтно-будівельних роботах, установлює, до якого розряду за складністю належать окремі види будівельних робіт, а також вимоги, що ставляться до робітника-будівельника для присвоєння йому кваліфікаційного розряду. Для більшості професій будівельних працівників передбачається шість розрядів кваліфікації;
тарифна сітка — це шкала, що встановлює співвідношення в оплаті праці робітників різної кваліфікації (розрядів) з метою більш високої оплати праці кваліфікованих будівельників порівняно з менш кваліфікованими і некваліфікованими;
тарифний коефіцієнт — співвідношення (число), що
показує, у скільки разів ставка відповідного розряду вища від ставки 1-го розряду:
Тарифний розряд робітника 1 2 3 4 5 6
Тарифний коефіцієнт 1,0 1,12 1,27 1,42 1,61 1,8
Як бачимо, будівельник 6-го розряду в 1,797 (~ 1,8) раза кваліфікованіший за будівельника 1-го розряду і, отже, його заробітна плата відповідно вища.
Тарифні ставки визначають розмір оплати праці за одиницю часу: за годину (годинні ставки), за день (денні ставки), за місяць (місячна ставка).
У будівництві застосовують дві основні форми заробітної плати: відрядну і погодинну, що поєднується з різноманітними преміями.
Найпоширенішою формою є відрядна оплата праці, за якої заробіток будівельника безпосередньо залежить від фактично виконаного обсягу робіт і установлених відрядних розцінок за одиницю якісної продукції. За цією системою оплачується праця близько 90 % будівельників.
Основна форма оплати праці — пряма відрядна оплата, коли кожна одиниця виробленої продукції оплачується за однією розцінкою незалежно від ступеня виконання норм виробітку і термінів закінчення роботи.
Ефективнішою, ніж пряма відрядна, є відрядно-преміальна (акордна) оплата праці, при якій праця оплачується за весь комплекс робіт, а не за окремі його види.
Оплата здійснюється за акордною розцінкою в одиницях кінцевої продукції (наприклад, 1 поверх, 1 квартира, весь будинок).
За відрядно-преміальної системи, крім оплати за прямими відрядними розцінками, робітників преміюють за виконання акордного завдання у визначений термін або достроково. Розмір премії встановлюють від 0,5 до 3 % відрядного заробітку за нарядом за кожний відсоток скорочення нормативного часу. Якщо завдання у визначений термін не виконано, то премію не виплачують.
Погодинна форма оплати праці, тобто оплата за фактично відпрацьований час за тарифною ставкою, що відповідає розряду робітника, не встановлює залежності між виробітком і заробітком будівельника і, отже, мало стимулює підвищення продуктивності праці. Цю форму оплати праці застосовують тоді, коли робота не піддасться обліку і нормуванню або відрядна оплата не відповідає потребам виробництва і може вплинути на зниження якості робіт. Погодинно-преміальну систему вводять за якісне і своєчасне виконання завдань будівельниками за умови дотримання певних умов, передбачених положенням. Розмір премії становить до 40 % тарифної ставки. Робітників преміюють із фонду матеріального стимулювання за результатами роботи за рік. Основним документом, що визначає заробітну плату робітників, є наряд-завдання, в якому зазначаються роботи, що треба виконати, розцінки і норми часу, планована заробітна плата, враховуючи премію.
10. Правила техніки безпеки
До опоряджувальних робіт, які складаються як із «мокрих», так і «сухих» процесів, допускаються особи, які досягли вісімнадцяти років і пройшли:
- професійну підготовку;
- попередній медичний огляд відповідно до вимог Міністерства охорони здоров'я України;
- вступний інструктаж з безпеки праці, виробничої санітарії, пожежної та електробезпеки.
При підготовці поверхонь та матеріалів до опорядження велику увагу слід приділяти дотриманню безпечних методів роботи з електроінструментом (корпус має бути заземленим, електропровід справним).
Працювати з ручним інструментом (зубилом, троянкою, бучардою тощо) при насіканні кам'яних поверхонь, розрізуванні та натягуванні металевої сітки потрібно в рукавицях, щоб не поранити руки. Працюючи будь-яким ударним інструментом, слід обов'язково одягати окуляри.
Очищати поверхні кислотами опоряджувальник повинен у захисних окулярах і міцних прогумованих чи брезентових рукавицях. Соляну кислоту дозволяється зберігати на робочому місці тільки розведеною у посуді з кришкою, яка щільно закривається. Треба пам'ятати, що соляна кислота може спричинити серйозні опіки.
Такі самі вимоги ставляться до зберігання хлорного вапна, що застосовується як протиморозний компонент штукатурного розчину. Готувати хлоровану воду та гасити вапно можна лише на відкритому повітрі або в приміщенні з примусовою вентиляцією.
Розпаковуючи та дозуючи сухі будівельні суміші, а також приготовляючи розчинові суміші, слід уникати пиління та розсипання їх і працювати у респіраторах.
Під час безпосереднього виконання штукатурних робіт ручний інструмент має бути справним. Дерев'яні ручки штукатурної лопатки, ковша і сокола добре обробляють, прошлі-фовують і міцно з'єднують з інструментом. Ручки терок і напів-терків улаштовують так, щоб у них вільно проходила рука штукатура в рукавичці. Ручка інструмента має бути без гострих кутів і кромок. Категорично забороняється брати руками розчини, в складі яких є вапно і цемент.
Потрібно остерігатися потрапляння вапняного розчину або вапна в очі. Якщо це сталося, то слід негайно промити очі розчином борної кислоти (1 чайна ложка на 1 склянку кип'яченої води) і звернутися до лікаря.
При механізованому нанесенні на поверхню звичайного розчину за допомогою форсунки і при торкретуванні поверхонь опоряджувальник має працювати в гумових чоботах, захисних окулярах і рукавицях.
Усі машини та механізми, що працюють під тиском, перед початком роботи перевіряють на тиск у півтора раза більшим від робочого.
Робоче місце оператора штукатурного агрегату обладнують світловим або звуковим зв'язком з робочим місцем штукатурів. Очищають форсунку лише після зупинення агрегату.
ПРОТИПОЖЕЖНІ ЗАХОДИ НА БУДІВНИЦТВІ
Відповідальність за стан і організацію протипожежної безпеки на будівельних об'єктах тресту або іншого будівельного об'єднання покладається на заступника начальника тресту (управління) по кадрах і побуту або виконавця робіт (виконроба), на останнього обов'язок покладається наказом по тресту. Контроль за додержанням правил протипожежної безпеки на будівництві здійснюють Управління державної пожежної охорони МВС України і члени добровільних протипожежних формувань, які повинні створюватись на кожному будівельному об'єкті.
Причинами пожежі можуть бути: несвоєчасне прибирання з робочого місця відходів легкоспалимих матеріалів (стружка, обрізки шпалер, ганчір'я тощо); неправильне зберігання легкозаймистих матеріалів (бензин, оліфа, мастика» смола тощо); необережне поводження з вогнем у вогненебезпечних місцях, несправність електропроводки та електрообладнання тощо.
Горіння — це хімічний процес взаємодії горючого матеріалу з киснем повітря, внаслідок чого виділяється велика кількість тепла. Але для того, щоб матеріал загорівся, його треба нагріти до певної температури займання, яка для кожного матеріалу різна. Такі матеріали, наприклад, як бензин, ацетон, оліфа, займаються при більш низьких температурах, ніж деревина і вугілля. Температура займання залежить від природи матеріалу, вмісту кисню у навколишньому просторі, атмосферного тиску, вологості повітря і матеріалу та інших причин.
Вогненебезпечність будівельного матеріалу залежить від його температури займання і умов, за яких він зберігається. Деякі матеріали (тирса, вугілля, будівельне сміття з відходів органічних речовин) здатні за певних умов, особливо при підвищенні навколишньої температури по сямояаймання, шо часто призводить до виникнення пожеж. Тому на будівництві матеріали потрібно зберігати так, щоб не спричинити до підвищення температури матеріалу і його займання.
Крім займання, пари летких речовин (бензин, ацетон тощо) у певній суміші з повітрям викликають вибух, який може статися внаслідок іскри від вогню, тертя, удару та з інших причин.
За ступенем вогнестійкісті всі матеріали і будівельні конструкції поділяють на горючі, важкогорючі і негорючі.
Горючі матеріали (деревина, толь, картон, лак, мастика, розчинники) займаються від вогню і продовжують горіти або тліти навіть після усунення джерела вогню.
Важкогорючі матеріали (волокниста суха штукатурка, фіброліт, повсть, змочена у глині, тощо) горять або тліють тільки при наявності джерела вогню. Якщо ж усунути його, то горіння матеріалу припиняється.
Негорючі матеріали (природні і штучні кам'яні матеріали, сталь, бетони тощо) при високих температурах не займаються і не тліють.
Під час організації будівельного майданчика і розміщення на ньому будівельних матеріалів треба залишити спеціальні проїзди для пожежних машин. Від території будівництва до магістралі прокладають дорогу з твердим покриттям. Для проїзду пожежних машин уздовж будівель понад 18 м завширшки повинні бути зроблені проїзди з двох поздовжніх боків, а понад 100 м завширшки — з усіх боків будови. Відстань від краю проїжджої частини до стін будівель не повинна перевищувати 25 м.
Перед початком будівництва будівельний майданчик слід забезпечити водою. Воду підводять від міської водопровідної мережі і встановлюють один або декілька пожежних гідрантів. Якщо водопровідної мережі немає, то можна користуватись природними водоймами, до яких треба зробити автотранспортні під'їзди.
Для зберігання легкозаймистих матеріалів на території будівельного майданчика обладнують підземні або напівпід-земні склади, в яких водночас може зберігатись не більше 5 м3 цих матеріалів. Лісоматеріали можна складати на відстані не менше 24 м від будинку, що зводиться. Для тимчасового зберігання відходів легкогорючих матеріалів на території будівництва встановлюють металеві ящики з кришками або викопують спеціальні ями.
На будівельному майданчику слід обладнати протипожежний пост. Тут мають бути: щит з протипожежним інструментом (лопати, ломи, вогнегасники тощо), пристрій для подавання тривоги звуком, ящик з піском і бочки з водою.
В усіх вогненебезпечних місцях вивіщують попереджувальні написи: «Палити заборонено», «Вогненебезпечно» тощо.
Під час роботи з електроінструментом плиточник має дотримуватись правил безпеки праці, працювати в захисних окулярах та рукавицях.
(підвищеної вологості. Більш безпечним, за умов додержання відповідних правил техніки безпеки, вважається струм з напругою 12—36 В.
До роботи по обслуговуванню будівельних машин і обладнання з електроприводом допускаються особи віком від 18 років. Вони проходять попередній і періодичні медичні огляди у строки, встановлені органами охорони здоров'я України. Особи, допущені до роботи з машинами з електроприводом, повинні мати кваліфікаційну групу з техніки безпеки не нижче II, а допущені до роботи з ручним електроінструментом — І. Особи, що мають І кваліфікаційну групу, проходять інструктаж через кожні 3 міс. Для контролю за електробезпекою організації призначають відповідального інженерно-технічного працівника.
Пульти управління машинами, а також пускові пристрої (рубильники, магнітні пускачі), віддалені від машин, що працюють від електродвигунів, повинні знаходитись у спеціальних шафах або ящиках, які закриваються на замок. Пробкові запобіжники мають відповідати певній силі струму.
Корпус електродвигуна слід заземлювати, якщо він працює при напрузі більше 36 В. Проводи і кабелі, що підводять до машини електричний струм, повинні бути добре ізольовані. Після закінчення робочого дня, а також у вихідні і святкові дні на території будівництва вимикають і закривають на замки всі пускові пристрої до машин.
Під час роботи з ручним електроінструментом слід додержуватись таких правил техніки безпеки:
до початку роботи привести в порядок спецодяг;
уважно оглянути електроінструмент, перевірити ізоляцію кабеля і заземлити корпус інструмента;
під час роботи стежити за справністю кабеля і проводів, не допускати їхнього перекручення та перегрівання електродвигуна;
працюючи у вологих місцях, користуватись гумовими рукавицями і чобітьми (при цьому напруга не повинна бути вище 36 В);
замінювати будь-які деталі тільки після зупинки інструмента і вимкнення вилки з розетки;
під час перенесення інструмента тримати його тільки за ручки або корпус, а не за кабель;
не відходити від робочого місця, якщо інструмент увімкнений в електричну мережу;
не працювати з механізованим інструментом з приставних драбин.
Використана література
1. Бруква В.В. Михальчук В.М. Технологія декоративно-штукатурних і ліпних робіт: Підруч. Для учнів проф.-техн. навч. закл. – К.: Техніка, 2004.- 280с.
2. Карапузов Є.К., Соха В.Г., Остапченко Т.Є. матеріали і техннології в сучасному виробництві: Підручник. – К.: Вища освіта, 2006. – 495с.: іл.
3. Остапченко Т.Є. Технологія опоряджувальних робіт: Підручник. – К.: Вища освіта, 2003. – 384 с.: іл.
Похожие рефераты:
Технологія виконання поліпшеної штукатурки по цегляній поверхні з накривкою
Особливості виконання декоративної штукатурки "Короїд"
Работа с вентилируемым фасадом
Шпаргалки по геометрии, алгебре, педагогике, методике математики (ИГПИ)
Билеты и ответы по туризму и экскурсиям
Штукатурення елементів віконних і дверних прорізів
Назначение и виды штукатурных работ
Теоретичні основи теплотехніки
Технологический процесс оклеивания стен стеклообями. Технологический процесс окраски фасадов зданий
Підвищення економічних показників державного підприємства