| Похожие рефераты | Скачать .docx |
Дипломная работа: Отделка кафе
МИНИСТЕРСТВО ОБРАЗОВАНИЯ РЕСПУБЛИКИ БЕЛАРУСЬ
УПРАВЛЕНИЯ ОБРАЗОВАНИЯ МОГИЛЕВСКОГО ОБЛИСПОЛКОМА
УЧРЕЖДЕНИЕ ОБРАЗОВАНИЯ «БОБРУЙСКИЙ ГОСУДАРСТВЕННЫЙ
ПРОФЕССИОНАЛЬНО-ТЕХНИЧЕСКИЙ ХУДОЖЕСТВЕННЫЙ КОЛЛЕДЖ»
Квалификация: маляр,
облицовщик-плиточник,
штукатур
ВЫПУСКНАЯ ПИСЬМЕННАЯ РАБОТА
Тема: Отделка кафе
Работа допущена к защите с оценкой_
Разработал: гр.52 Шевчёнок А.И.
Руководитель: Кучерова Н.К.
Консультант: Кучерова Н.К.
Бобруйск 2007
УЧРЕЖДЕНИЕ ОБРАЗОВАНИЯ «БОБРУЙСКИЙ ГОСУДАРСТВЕННЫЙ ПРОФЕССИОНАЛЬНО-ТЕХНИЧЕСКИЙ КОЛЛЕДЖ»
Рассмотрено на «Утверждаю»
методической комиссии Зам. директора по
Протокол № _________ ОПР столярного цикла «___»_____________2007г _______В.Н. Авчинникова
«___»_______________2007г.
ЗАДАНИЕ №
На выпускную письменную работу
Выдано учащемуся Шевчёнку А.И.
Группы № 52 наименование профессии маляр, облицовщик-плиточник, штукатур
Для выполнения выпускной письменной работы, представляемой к защите экзаменационной комиссии колледжа
Тема работы «Отделка кафе»
Содержание расчетно-пояснительной записки (перечень вопросов)
Раздел I. Общая часть
Отделка кафе
Раздел П. Специальная часть
Ремонт ранее оштукатуренных поверхностей
Настилка полов из карт ковровой мозаики
Механизм и оборудование для приготовления малярных составов
Раздел III. Организация рабочего места и техника безопасности
3.1. Организация рабочего места и техника безопасности при выполнении работы с огнеопасными и взрывоопасными материалами.
Раздел IV Графическая часть
4.1. Составление технологической карты на оклейку поверхностей высококачественными обоями
Описание сопровождать чертежами и зарисовками.
Консультант______________________
Срок выполнения работы ______________________________________
Задание выдал « ____ »___________2007г.
Задание принял «_____»___________ 2007 г.
содержание
Раздел I. Общая часть. 5
1.1. отделка кафе. 5
Технология устройства плиточных полов. 5
Отделка стен листовыми материалами. 10
Технология отделки стен и перегородок плитами из гипсокартона. 11
Устройство натяжных потолков. 15
Оклеивание стен и перегородок тканью.. 22
Раздел II. Специальная часть. 25
2.1. ремонт ранее оштукатуренных поверхностей. 25
Дефекты штукатурки. 25
Ремонт штукатурки. 26
Оштукатуривание отбитых мест. 27
Счистка набела и перетирка штукатурки. 27
Перетирка и ремонт тяг. 29
Ремонт потолков из сборных железобетонных плит. 29
Ремонт стен, выполненных из панелей и блоков. 29
2.2. настилка полов из карт ковровой мозаики. 33
Готовый цементный раствор. 35
2.3. механизмы и оборудование для приготовления малярных составов 36
Вибросита. 44
раздел 3. Организация рабочего места и техника безопасности. 46
3.1. организация рабочего места и техники безопасности при выполнении работы с огнеопасными и взрывоопасными материалами. 46
список использованных источников. 49
Раздел I. Общая часть
1.1. отделка кафе
В настоящее время оформление зданий и интерьеров с помощью различных материалов получает все большее распространение. Облик современного города в целом, и каждого здания в отдельности, будь то общественное строение или особняк, требует нового подхода к оформлению. В прошлое уходят унылые однообразные здания, и в то же время современная индустрия отделочных материалов предлагает такие широкие возможности для воплощения художественного замысла архитекторов и дизайнеров, что, скорее, проще растеряться в этом разнообразии, чем испытывать недостаток в идеях по оформлению зданий и интерьеров.
Технология устройства плиточных полов
Выбор покрытия пола. Виды покрытий полов назначаются проектом в зависимости от условий эксплуатации полов в этих зданиях и требований эстетики.
Жилые и общественные здания. В помещениях с систематическим или периодическим увлажнением пола водой и интенсивным движением людей (вестибюли, гардеробные, туалеты, душевые, ванные и другие помещения) устраивают полы из керамических плиток, из керамических плиток для мозаичных полов - ковровая мозаика, из бетонно-мозаичных плит.
В помещениях со слабым механическим воздействием на покрытие и сухим режимом эксплуатации (жилые квартиры, общежития, палаты в больницах, кабинеты административных зданий, номера гостиниц, зрительные и читальные залы, кассы и другие помещения) устраивают полы из линолеума или поливинилхлоридных плиток.
В помещениях с интенсивной нагрузкой на полы, а также в вестибюлях и фойе вокзалов, зрелищных и торговых предприятий полы чаще всего облицовывают природным камнем.
Теплотехническая характеристика полов. Полы относятся к основным элементам зданий, определяющим тепловой комфорт помещений. Теплотехническая характеристика полов зависит от показателей тепловой активности материалов их покрытия. В отапливаемых производственных помещениях с температурой воздуха до 23°С, где люди находятся долгое время и не выполняют тяжелую физическую работу, материал покрытия пола должен иметь показатель тепловой активности не более 50, в жилых помещениях, а также в помещениях лечебных и детских учреждений - не более 42 кДж/(м2 ч град).
Для сравнения приведем показатели тепловой активности некоторых материалов: линолеум - 42, ксилолитовые плитки - 79, мозаичные плиты - 105, керамические плитки - 117, чугунные плиты - 376 кДж/(м2ч град). Последний материал наиболее холодный из перечисленных.
Выбор рисунка пола. Рисунок пола определяется требованиями декоративности покрытия. Основной показатель оценки пола при его общем осмотре - его внешний вид, который характеризуется цветом, равномерностью окраски и качеством выполнения - ровностью и горизонтальностью. Цвет и равномерность окраски материала покрытия пола не должны утомлять зрение. Яркая и пестрая окраска вызывает чувство усталости. Формы и размеры рисунка, его цветовое оформление должны отвечать определенным эстетическим и художественным требованиям. Рисунок пола должен быть указан в проекте здания, но практически этот вопрос чаще всего решают в процессе строительных работ. Пол из восьмигранных плиток с квадратными вкладышами устраивают в просторных помещениях (например, вестибюлях). Прямолинейные ряды восьмигранных плиток укладывают параллельно фризам, нарушение этого правила делает рисунок беспокойным и несимметричным. В общественных зданиях настилают полы более сложных рисунков. При этом сначала укладывают плитку насухо, чтобы представить себе окончательный вид пола.
Организация труда при устройстве полов из керамических плиток. В помещениях площадью более 2.0м.2 плитку на цементно-песчаный раствор рекомендуется укладывать с применением шаблона. Работу выполняет звено из пяти плиточников: три 2-го разряда (П1, П25 ПЗ) один - 3-го (П4) и один - 4-го (П5).
Вначале П4 и П5 выполняют разбивку помещения и устанавливают маячные плитки по уровню. Затем ПЗ подвозит на тележке раствор для прослойки, расстилает его и разравнивает (рис.1.1).

Рис.1.1. Схема организации рабочего места звена при устройстве полов с применением шаблона: 1 - правило, 2 - контрольная рейка, 3 - грабли, 4 - растворная тележка, 5 - запорные стержни, 6 - заготовочный стол, 7 - плитки, не пригодные для укладки в шаблон, 8 - плитки, подлежащие сортировке, 9 - отсортированная плитка, 10 - шаблон, 11 - маяк, 12 - маячная рейка. Примечание. Источник: [13,297]
П1 сортирует плитки и подносит их к столу для укладки в шаблоны, П2 укладывает плитки в шаблоны. В это время П4, окончательно разравнивает прослойку и переставляет маячные рейки. Плиточники П5 и П2 переносят подготовленный шаблон к месту работ, переворачивают его плитками вниз и опускают на прослойку. Плиточник П2 возвращается к столу для заполнения плитками нового шаблона. Плиточник П5, осаживает шаблон, снимает его, при необходимости поправляет покрытие и относит пустые шаблоны к столу.
На площади менее 20 м2 плитку поштучно на цементно-песчаном или кислотостойком растворах укладывает звено из пяти плиточников: двое 2-го разряда (Ш и П2), один - 3-го (ПЗ), двое - 4-го (П4 и П5). Обязанности в звене распределяют следующим образом: П1 сортирует плитки, укладывает их в контейнеры, огрунтовывает основание жидким стеклом; П2 готовит в растворосмесителе раствор или же подвозит готовый (товарный) раствор, укладывает его и предварительно разравнивает; ПЗ устанавливает маячные рейки и разравнивает раствор прослойки правилом; П4 и П5 проверяют правильность углов и сторон помещения, устанавливают маяки, укладывают плитки на раствор. Плиточники П1, П2 и ПЗ за 30-50 мин до конца смены заканчивают подготовительные работы по созданию фронта работ для укладки плиток в конце смены и приступают к очистке готового основания, заготовке плиток для работы в следующую смену, уборке рабочих мест, очистке инструментов и инвентаря.
Устройство полов из керамических плиток. Мелкие квадратные керамические плитки с размером стороны 48 и 22 мм и толщиной 6 мм для мозаичных полов поставляются заводом-изготовителем наклеенными лицевой поверхностью на кирпичную оберточную бумагу в виде отдельных ковров, подобранных по определенному рисунку. Настилают ковровую мозаику по прочному жесткому основанию из бетона на прослойке из цементно-песчаного раствора марки 150 с подвижностью по стандартному конусу 3 - 3,5 см.
Подготавливают основание к укладке карт ковровой мозаики так же, как и при настилке обычных керамических плиток. Однако особенно тщательно производят разбивку пола, размечают его по рисунку и устанавливают маячные ряды. Недостаточная точность разбивки расположения карт может привести к тому, что швы между картами будут значительно отличаться от швов между плитками. Для обеспечения горизонтальности покрытия карт ковровой мозаики определяют уровень пола, а затем устанавливают вдоль стен временные маячные ряды из обычных керамических плиток. Между маячными рядами вбивают штыри и натягивают по ним шнур-причалку, намечая наружную сторону фриза. После натягивания шнура основание смачивают водой и укладывают на захватке шириной, равной ширине карты, вдоль всей стопы раствор для прослойки, который сначала разравнивают обычной лопатой, а затем заглаживают плиточной лопаткой точно до сданного уровня. Непосредственно перед укладкой карт прослойку припорашивают тонким слоем сухого цемента, насыпая его через частое сито. Это обеспечивает прочное сцепление керамических плиток с прослойкой, так как насыпаемый цемент, впитывая из раствора воду, образует жидкое тесто, которое прочно схватывается с плиткой и хорошо заполняет швы. После отбора необходимого числа карт, соответствующих выбранному рисунку для фриза пристенного ряда и основного фона, их предварительно (до укладки) подготавливают: прокаливают или прорезают бумагу, чтобы во время припрессовки карты к раствору из-под нее мог свободно выйти воздух. С помощью шнура-причалки и угольника укладывают первую угловую карту первого фризового ряда бумагой вверх. Осаживают карту правилом до тех пор, пока раствор не заполнит швы между плитками, что заметно по намоканию бумаги над швом. В тех местах, где бумага не намокла, необходимо ее дополнительно проколоть, чтобы ликвидировать образовавшиеся воздушные мешки.
После настилки первой угловой карты укладывают прямые фризовые карты вдоль первой захватки помешивая по шнуру-причалке. По мере укладки карт фризового ряда временный маячный ряд вдоль стены снимают, а пространство между фризом и стеной (пристенный ряд) заполняют полосками плиток, вырезанными из целых рядовых карт. Между соседними картами с помощью деревянных клиньев-вставок оставляют зазор, равный ширине швов между плитками в каждой карте, благодаря чему в покрытии не видно следов сопряжения отдельных карт и они не выделяются на поверхности пола. Во избежание искривления швов и нарушения правильности рисунка каждый ряд выверяют по угольнику, а при осаживании карт поверхность их контролируют уровнем и правилом.
Уровень всего покрытия периодически проверяют контрольной рейкой. Один конец контрольной рейки ставят на фриз, а другой на временный маячный ряд из крупных керамических плиток, располагаемых параллельно фризовому ряду на расстоянии 1,5-2 м от него. Такие же временные маячные ряды укладывают параллельно первому ряду, отступая от него также на 1,5-2 м.
По мере устройства покрытия временные маячные ряды снимают, а контрольную рейку одним концом опирают вместо фриза на уложенные и выверенные ряды карт покрытия (рис.1.2.).

Рис.1.2. Укладка из плиток.
Примечание. Источник: [13,300]
Отделка стен листовыми материалами
Листовые материалы, как правило, применяют для отделки стен с неоштукатуренной поверхностью. Их используют также при необходимости сделать стены или перегородки ровными и гладкими. Среди листовых материалов наиболее популярны следующие: сухая штукатурка, ДВП, ДСП, плиты из гипсокартона. Данный перечень можно дополнить евровагонкой, деревянными панелями и пр.
Работы по облицовке стен листовыми материалами включают не только собственно монтаж полотен, но также операции по звуко - и теплоизоляции конструкций. В этих целях рекомендуется брать различные минераловолокнистые полотна или пенопласт.
Достоинства листовых материалов очевидны. Во-первых, они просты в сборке и креплении, что обычно не требует от мастера каких-либо особых навыков. Во-вторых, это сравнительно недорогой материал, позволяющий сэкономить средства. В-третьих, получаемая после отделки поверхность отличается достаточно высоким качеством, прочностью и декоративностью.
Технология отделки стен и перегородок плитами из гипсокартона
Для изготовления гипсокартонных полотен используют гипс, а также пенообразователь и заполнитель. Это позволяет создать прочное и надежное покрытие, устойчивое к воздействию внешних факторов различного характера, Подобные материалы характеризуются сравнительно низким весом. Поверхность плит с обеих сторон облицована картоном, что дает возможность в дальнейшем использовать для окончательной отделки любые лакокрасочные составы и рулонные материалы. В настоящее время популярностью пользуются гипсокартонные плиты, на лицевую сторону которых нанесена ПВХ-пленка, имеющая различную цветовую гамму и рисунок.
Стоит заметить, что гипсокартонные плиты обладают низкой степенью устойчивости к воздействию влаги. В связи с этим их рекомендуется использовать для отделки сухих помещений, с низким уровнем влажности воздуха.
Как уже было замечено выше, полотна, изготовленные из гипсокартона, достаточно легко монтировать. Кроме того, при необходимости не составит особого труда их деление на части различной конфигурации и фиксирование в них крепежных материалов. Для выкраивания деталей из цельного полотна лучше всего использовать остро заточенный нож, направляя его по линиям, обозначенным предварительно приложенной к поверхности линейкой. Для обработки неровных кромок, получаемых при разламывании плиты, можно воспользоваться рубанком.
Отдельные гипсокартонные плиты закрепляют на деревянной стене или перегородке, прибивая их к каркасу, собранному из горизонтально и вертикально установленных деревянных реек. Верхние и нижние рейки, зафиксированные по горизонтали, будут использованы в качестве основания для крепления плинтусов и галтелей.
Нередко плитами из гипсокартона отделывают поверхности стен и перегородок, выложенных из кирпича или сделанных из железобетона, гипсовых блоков и пр. В таком случае гипсокартонные полотна прикрепляют на специальную клеящую мастику. Такая облицовка поверхностей в некоторых случаях заменяет мокрую штукатурку. Кроме того, приклеивать гипсокартонные плиты целесообразно, если стены и перегородки имеют неровную поверхность.
Фиксирование гипсокартонных полотен к стенам с помощью мастик можно проводить двумя способами: ориентируясь на маяки (марки) и под правило. Новичкам в строительном деле лучше всего воспользоваться первым способом. Получаемая в результате поверхность отличается достаточно высоким качеством.
Процесс установки гипсокартонных плит по маякам складывается из нескольких этапов: 1) подготовка и разметка поверхности; 2) приготовление мастики и установка маяков; 3) раскрой плит; 4) приготовление клеящей мастики для укладки полотен; 5) фиксирование плит.
Перед наклеиванием полотен поверхность следует подготовить по общим правилам, после чего провесить, то есть разметить. Далее устраивают маяки. Их можно сделать из кусков гипсокартонных плит, оставшихся после раскроя. Для корректировки высоты маячных отметок лучше всего применять гипсовый раствор, который укладывают под маяки. В дальнейшем они могут быть использованы в качестве своеобразных опор для фиксируемых полотен, обеспечивающих вертикальность расположения плит.
Маяки-опоры, собранные из нескольких деталей, нужно устанавливать, формируя вертикальные ряды. Интервал между ними не должен превышать 60 см. Верхний маяк следует закреплять у линии стыка стены и потолочного перекрытия, а нижний - у линии соединения пола и стены. Вертикальные ряды маяков после сборки обычно оказываются размещенными по линии сопряжения двух соседних плит. Ее местоположение следует устанавливать в процессе разметки поверхности. После провешивания маяков плиты нужно раскроить. Далее с нужной стороны листа наносят клеящую мастику. Для этого на поверхность набрасывают небольшие (толщиной до 2 см и диаметром от 10 до 15 мм) лепешки из мастики, размещая их в шахматном порядке с интервалом до 40 см. Затем полотно прикладывают к стене или перегородке и с силой придавливают к маякам, используя при этом правило.
Наносить мастику на поверхность гипсокартонной плиты можно и иным способом. Однако его можно применять только при условии, что работы проводятся в просторном помещении. Для этого лист гипсокартона нужно положить на пол, после чего набросать на него лепешки из мастики, располагая их на расстоянии не более 35 см друг от друга. По линиям края лепешки следует класть с меньшим интервалом или сплошной полосой.
Подготовленное таким образом полотно необходимо приложить к стене, с незначительным усилием прижать к поверхности и затем выровнять, ориентируясь по уровню и используя в этих целях правило. Выравнивать лист рекомендуется до подсыхания мастики и ее сцепления с поверхностью. После этого простукивание правилом следует прекратить. В противном случае может произойти растрескивание клеевого слоя.
Для того чтобы приклеить гипсокартонное полотно к поверхности, можно приобрести в торговой сети специальную мастику. Стоит заметить, что существуют составы, предназначенные, например, для выполнения покрытия из гипсокартонных плит, прикрепляемых к кирпичным и каменным поверхностям, а также присоединяемых к листам теплоизолирующего материала.
Отделку ниш и откосов проемов производят с помощью выкроенных из цельных гипсокартонных плит сравнительно узких полос. Ширина ее определяется суммой ширины откоса и ширины боковой части стены или перегородки, на которую будет приходиться полоса. По линии сгиба полосу нужно немного надрезать, далее детали необходимо загнуть, после чего увлажнить их кромки и снять фаски. Полосы закрепляют на поверхности с помощью мастики.
Для отделки гипсокартоном участков, имеющих закругления, поступают следующим образом. Прежде всего плиту надрезают на глубину картонного слоя. Надрезы делают с интервалом не менее 2-3 см с той стороны полотна, которую при установке плиты нужно будет растянуть. Таким образом, если требуется облицевать выгнутую поверхность, то надрезы следует делать с наружной стороны, а при необходимости отделать вогнутую поверхность полотно надрезают с внутренней стороны.
После завершения подготовительных операций лист изгибают таким образом, чтобы он повторял конфигурацию отделываемого участка стены или перегородки. Это будет сопровождаться частичным растрескиванием гипсового слоя полотен, что и позволяет добиться надежного сцепления материала с поверхностью.
Облицовывать криволинейные поверхности можно, используя и другой способ. При этом полотно гипсокартона нужно предварительно смочить водой. Для этого его обычно накрывают влажной мешковиной и оставляют для пропитки на 10 часов. Затем плиту укладывают на стене или перегородке в месте имеющейся неровности. После высыхания отделочное полотно примет конфигурацию стены.
На заключительном этапе отделки стен гипсокартонными плитами поверхность покрывают шпаклевкой. Это делают для того, чтобы заполнить щели, образующиеся в местах соединения отдельных полотен, и выровнять поверхность.
Розничная торговля предлагает мастерам гипсовые шпаклевочные составы, которые предназначены для заделки зазоров между листами гипсокартона. Одним из их достоинств является короткий период высыхания, который обычно не превышает 45 минут.
При необходимости мастику для проведения шпаклевочных работ можно изготовить и в домашних условиях. Для этого 1 кг сухого клея разбавляют 2,5-3 л воды комнатной температуры. Смесь оставляют на некоторое время для разбухания частичек клея. После этого в раствор кладут 2 кг известкового теста. Все помещают на медленный огонь и кипятят при постоянном помешивании. В отвар добавляют 10 л воды, все вновь перемешивают и затем всыпают сухой гипс. Приготовленная таким образом мастика не уступает изготовленной в промышленных условиях и отличается достаточно высоким качеством. Время ее высыхания после нанесения, как правило, достигает 40-45 минут.
Для заделывания щелей, образующихся в процессе монтажа между двумя соседними гипсокартонными плитами, можно использовать не только шпаклевочные составы. В настоящее время большую популярность у мастеров приобрели ленты из стекловолокна, а также алюминиевые профили, бумажные шайбы и листы.
Устройство натяжных потолков
В последнее время все большую популярность, наряду с подвесными, приобретают натяжные потолки. Интерес современных мастеров к такого типа отделке потолочных перекрытий городских квартир не случаен. Главными достоинствами натяжного потолка являются сравнительная легкость монтажа и простота конструкции. Единственной трудновыполнимой для новичка операцией при сборке может оказаться закрепление багетов, к которым в дальнейшем будет фиксироваться пленка.
Стоит отметить и еще одно достоинство натяжного потолка. Оно состоит в том, что в процессе сборки деталей конструкции все несущие элементы и поверхности в помещении остаются чистыми. Как известно, после сооружения подвесных потолков или нанесения на потолочное перекрытие побелки либо краски в комнате приходится проводить генеральную уборку, которую по степени прилагаемых усилий можно сравнить разве что с тяжелыми ремонтными работами. Помимо этого, все предметы мебели на время монтажа потолка можно оставить в помещении.
Натяжные потолки хороши еще и тем, что их сборка исключает проведение каких бы то ни было подготовительных операций. Кроме того, получаемое покрытие хорошо маскирует имевшиеся ранее на поверхности потолочного перекрытия дефекты - трещины, неровности и пр. Одним из достоинств натяжного потолка считаются высокие звукоизоляционные качества. Кроме того, пластиковая пленка позволяет создать водонепроницаемое покрытие, которое надежно защитит несущие элементы постройки от воздействия влаги. Именно поэтому натяжные потолки часто устраивают в ванных и туалетных комнатах, а также в помещениях домашних бассейнов и в кухнях.
Подобные конструкции являются одними из наиболее пожаробезопасных. А при необходимости их легко демонтировать, не разрушая несущих стен и потолочного перекрытия.
Конструкция натяжного потолка состоит из полотна винила - материала, который отличается особенной прочностью. Пластик, изготовленный на основе винила, можно заменить любой другой прочной непрозрачной и окрашенной пленкой. При желании создать ровное покрытие лучше всего приготовить пленку с матовой поверхностью. При необходимости создать потолок, имеющий эффектный и декоративный вид, рекомендуется использовать пленку с блестящей поверхностью, покрытой лаковым составом. Это также поможет визуально расширить пространство комнаты и зрительно увеличить высоту стен.
Как уже было замечено выше, одной из составляющих конструкции натяжного потолка являются багеты. Они представляют собой фиксаторы, которые позволяют получить равномерное натяжение пленки. Способы крепления и размещения багетов показаны на рис.1.3.
![]() |
Рис.1.3. Закрепление багетов для натяжного потолка: 1 – корпус рейки крепления; 2 - пластиковая пленка; 3 - валик; 4 – потолочное перекрытие; 5 - рычаг; 6 - пружина рычага; 7 - выключатель; 8 - ось рычага; 9 - валик, необходимый для натяжения пленки.
Примечание. Источник: [9, 170]
Корпус фиксирующей рейки необходимо жестко прикрепить у потолочного перекрытия и провести ее от одной стены до другой. С противоположной стороны перекрытия тем же способом следует установить вторую рейку, которая в дальнейшем будет использована для закрепления пластиковой пленки по соответствующей кромочной линии.
В конструкцию багета, представленного на указанном выше рисунке, входит фиксатор, с помощью которого пленка будет закреплена в процессе монтажа потолка. Принцип действия такого фиксатора сходен с работой храповика. Движение пленочного полотна вперед будет сопровождаться свободным скольжением фиксатора по поверхности пленки. В том случае, если пленка не движется, ее закрепление обеспечивается за счет растяжения пружины, которая, расправляясь, придавливает подвижный валик к рычагу.
Иногда возникает необходимость ослабить натяжение пластиковой пленки, составляющей покрытие натяжного потолка, и исправить неточности, которые были допущены в процессе монтажа конструкции. Для этого необходимо с помощью выключателя развести валик и рычаг. При этом полотно пленки можно будет перетягивать назад до тех пор, пока выключатель не вернет фиксатор в исходное положение. После этого можно вновь натянуть пленку и закрепить ее посредством фиксатора. Подобные операции можно проводить до получения требуемого натяжения пленки.
Для того чтобы предотвратить перекосы полотна в процессе монтажа, опытные мастера советуют использовать валик, к которому фиксируется кромка пленки. Представленная и описанная выше конструкция фиксатора, применяющегося при устройстве натяжных потолков, достаточно проста. При необходимости ее можно изготовить самостоятельно. Тогда придется приобрести только полотно пластиковой пленки нужной ширины.
Узнать, каким способом можно зафиксировать продольные кромки пленки натяжного потолка, можно, обратившись к рис.1.4. Закреплять их нужно обязательно. В противном случае в продолжение периода эксплуатации конструкции края станут волнистыми.
Предприятия, выпускающие комплектующие к подвесному потолку, обычно включают в комплект конструктивных элементов специальные фиксаторы, предназначенные для закрепления конструкции по всему периметру потолочного перекрытия. Как правило, такие фиксаторы представляют собой опорные и боковые рейки, а также натяжное крепление. Подобные детали полые и имеют в сечении форму квадрата с прорезью, устроенной вдоль. В такую прорезь пропускают продольную кромку пластиковой пленки, усиленную капроновым шнуром. Диаметр шнура должен быть несколько больше величины прорези. В противном случае при монтаже пленка не будет зафиксирована.

Рис.1.4. Способ закрепления краев пластиковой пленки натяжного потолка: 1 - крепление для натягивания; 2 - рейка опорного фиксатора; 3 - продольные рейки; 4 - продольный разрез; 5 - прочный шнур из капрона; 6 - пленка; 7 - фиксатор боковой рейки к несущей стене Примечание. Источник: [9, 172]
В последнее время на отечественном рынке особенно хорошо зарекомендовали себя натяжные потолки, выпускаемые французской фирмой «Ехtenzo». В предлагаемый покупателям комплект входят следующие элементы: пленочное полотно, багет, гарпун, накладка и нагубник. Пленка, предназначенная для устройства потолка, изготовлена из синтетических материалов. Ее поверхность может быть блестящей (покрытой лаком), матовой или ворсистой (подобно замше). Цветовая палитра и фактурный ассортимент пленочных покрытий подобного типа разнообразны.
Багет устанавливают на несущих стенах по всей линии периметра комнаты. В его качестве используют алюминиевый или поливинилхлоридный профиль, длина которого составляет 2,5 м. Для его изготовления французские специалисты применяют методику горячего выдавливания. В багете предусмотрены отверстия, необходимые для свободного прохождения воздуха и вентиляции конструктивных элементов будущего сооружения.
Выпускают багеты, предназначенные для прикрепления к стене и потолочному перекрытию. В том случае, если планируется выполнить покрытие большой площади, целесообразно установить на потолочном перекрытии разделитель, или двойной багет. Он может быть изготовлен из древесины или алюминия.
Гарпун представляет собой профиль, выполненный из пластмассы. Его фиксируют по всему периметру перекрытия и соединяют с багетом. Накладка - это тот же профиль, но изготовленный из поливинилхлорида.
Ее крепят поверх багета для создания декоративного эффекта и маскировки последнего. Накладки применяют для отделки натяжного потолка, придания его конструкции завершенности и эстетичного вида. Элементы конструкции натяжного потолка фирмы «Ехtenzo» представлены на рис.1.5.
Нагубник делают из пластика. Его закрепляют на металлическом багете по линии стыка пленки и багета. Он служит защитой для полотна, которое при неосторожном проведении монтажа может быть повреждено стальными деталями конструкции. Кроме того, он позволяет создать иллюзию непрерывности и цельности линии периметра. Сборку элементов натяжного потолка фирмы «Ехtenzo» следует производить только после завершения строительно-отделочных работ несущих конструкций, находящихся внутри данного помещения.
![]() |
Рис.1.5. . Элементы конструкции натяжного потолка фирмы «Ехtenzo»:
а, б - с багетами из пластика; в - с алюминиевым разделителем;
1 - пленка; 2 - багет; 3 - гарпун полужесткий; 4 - накладка; 5 - нагубник
Примечание. Источник: [9, 175]
Предварительно в комнате, где будут проводиться работы по устройству потолка, необходимо создать определенный температурный режим. Уровень температуры нужно поддерживать на отметке не ниже 40-50° С. Только так можно добиться повышения эластичности пленочного полотна, что требуется для его растяжения в дальнейшем и прикрепления к багету. Для того чтобы нагреть воздух, рекомендуется использовать специальную установку - тепловой генератор, действие которого осуществляется за счет энергии пропана.
После нагревания помещения до нужной температуры край пленочного полотна по всему периметру заправляют в багет, применяя для работы в углах конструкции угловой шпатель, а по прямым линиям, соответственно, прямой.
Начинать закреплять пленку следует с двух противоположных углов. После этого заправляют продольные и поперечные кромки полотна.
И только по завершении данной операции переходят к фиксированию двух оставшихся углов.
Осветительные приборы необходимо устанавливать и прикреплять к натяжному потолку на специальных стойках, которые изготавливают из полос, выкроенных из стального листа, и прикрепляют до момента устройства собственно натяжного потолка. Предварительно местоположение каждого отмечается на поверхности потолочного перекрытия.
По окончании монтажа в полотне натяжного потолка в местах размещения стоек проделывают отверстия, края которых отделывают кольцами. Далее в отверстии устанавливают светильник и прикрепляют проводку. В том случае, если планируется применять массивные потолочные люстры, в конструкцию потолка включают специальные модули, выполненные из древесины.
Оклеивание стен и перегородок тканью
Для того чтобы отделать стены и перегородки, нередко используют ткань. В этих целях лучше всего брать хлопчатобумажные и льняные полотна. Их фиксируют посредством деревянных рам или тонких реек.
Прежде чем приступать к прикреплению тканых полотен, поверхность стены или перегородки нужно подготовить. Ее тщательно выравнивают и покрывают шпаклевкой. Для приклеивания ткани рекомендуется применять такие клеящие составы, как «Бустилат», «Гу-милакс», а также КМЦ, казеиновый или мучной клей.
Как известно, некоторые виды ткани часто после намокания и высыхания дают значительную усадку. Для того чтобы правильно высчитать требуемое количество ткани, небольшой кусок приготовленного для отделки поверхностей помещения полотна нужно намочить, высушить и затем определить степень его возможной усадки. Для оклеивания стен и перегородок лучше всего использовать ткани, которые дают незначительную усадку.
На поверхность стен или перегородок наносят тонкий слой клеящего состава, после чего равномерно распределяют его. Далее ткань подносят к стене, прикладывают, прижимают и затем разглаживают, воспользовавшись щеткой с мягкой щетиной. Разглаживание следует вести в направлении расположения «ветвей» воображаемой елочки, то есть от центра к краям под некоторым углом.
Ткань на стене можно закреплять одним из четырех нижеперечисленных способов: 1) поперек стены или перегородки при применении полотен, ширина которых соответствует длине стены или перегородки; 2) вдоль стен или перегородок при использовании полотен, ширина которых не превышает 90 см; 3) вдоль стен при применении полотен шириной в 1,2 м; 4) вдоль при отделке стен и перегородок полотнами шириной 1,5 м. В настоящее время промышленность выпускает ткань, предназначенную специально для внутренней отделки жилых и нежилых помещений. Ширина полотен такой ткани составляет 3 м.
При выборе для оклеивания стен и перегородок представленного материала следует помнить о том, что ширина полотнищ должна быть равна длине стены или перегородки плюс запас, который необходим для закрепления ткани в углах комнаты.
В том случае, если для оклеивания внутренних поверхностей помещения используются полотна ткани шириной 3 м, прежде всего на стене или перегородке необходимо зафиксировать планки, вырезанные из древесины. Толщина таких деталей не должна превышать 10 мм. Деревянные планки следует разместить у линии левого края стены, вдоль пола и потолочного перекрытия, а также по трем сторонам оконных и дверных проемов. Планки небольших размеров нужно закрепить вокруг розеток и выключателей. Планки по линии правого края стены рекомендуется устанавливать в процессе прикрепления ткани, одновременно с наклеиванием полотнища.
Участки стены или перегородки, оставшиеся открытыми и свободными от планок, следует закрыть пластинами пенопласта. Этот материала поможет увеличить звуко- и теплонепроницаемость покрытия. В этих целях лучше всего использовать плиты из пенопласта, толщина которых равна не более 16 мм.
Завершив подготовительные работы, полотна ткани приклеивают к стене или перегородке. При этом прежде всего нужно оклеить окна и двери, к рамкам которых ранее были прикреплены планки. Полотно можно закрепить с помощью железных скоб. После этого полотнище вырезают по контурным линиям конструктивных элементов. По окончании работ края отделывают уголками. Для обрамления покрытия по верхней и нижней кромке чаще всего применяют кайму, выкроенную из ткани, либо деревянную рейку, поверхность которой отделывают прозрачным лаком или любым красящим составом.
Левый край стены или перегородки обтягивают тканью следующим образом. Полотно необходимо растянуть и наложить на планку, после чего присоединить к краю соседней стены или перегородки посредством скоб. В верхней части следует расположить планку, которая будет служить основанием при прикреплении полотна ткани, предназначенного для отделки второй стены. Кроме того, с помощью той же планки производят окончательное прикрепление первого полотна.
По левому краю последней, четвертой, стены ткань прикрепляют на расстоянии от угла, равном ширине планки. Кромку последнего полотнища оставлять незаделанной нельзя, поскольку соседняя стена уже оклеена тканью. В данном случае необходимо край последнего полотна зафиксировать с помощью скоб на планке и затем заправить его в зазор, образовавшийся между стеной и монтажной планкой. Для усиления крепления последней рекомендуется использовать гвозди небольшого размера. Забивать их нужно, утапливая головки в толщу древесины так, чтобы они не были заметны на поверхности. Гвоздики можно также прикрыть бордюром, выкроенным из ткани, либо тонкой обойной рейкой. Для их фиксации лучше всего применить специальный клей.
Раздел II. Специальная часть
2.1. ремонт ранее оштукатуренных поверхностей
Дефекты штукатурки
К дефектам штукатурки может привести неумелое приготовление растворов и неправильное ведение работ.
-Дутики образуются от применения невыдержанной извести, мелкие частицы которой, попав в штукатурку, начинают через некоторое время гаситься, образуя маленькие бугорки с белым пятнышком в середине. Они могут гаситься длительное время. Штукатурку с дутиками следует срубить и вновь оштукатурить поверхность. Свежепогашенную известь следует процедить через сито с ячейками не крупнев 0,6x0,6 мм.
-Трещины крупные или мелкие образуются при применении для оштукатуривания жирных растворов (с большим количеством вяжущих), либо плохо перемешанных растворов, в которых местами много нижущих или заполнителей. Трещины могут быть от быстрого высыхания штукатурки при сквозняках или высокой температуре. Трещины также образуются от применения отмоложенных известково-гипсовых растворов или нанесения известковых, цементно-известковых или цементных растворов толстыми слоями на несхватившийся ранее нанесенный раствор.
Трещины штукатурки над клетками набитой драни возможны от применения более толстой драни, чем предусмотрено, или от недостаточно толстых слоев раствора над поверхностью драни.
- Отслаивание штукатурки может быть от нанесения раствора на чрезмерно сухую поверхность, на пересохшие слои ранее нанесенного раствора, или оттого, что на слабый раствор наносился более крепкий, например на известковый наносился цементный раствор.
- Вспучивание штукатурки происходит потому, что раствор наносился на чрезмерно сырые поверхности или от постоянного увлажнения поверхностей, оштукатуренных известковым или нзвестково-гипсовым раствором.
Ремонт штукатурки
От времени осадки, неправильной эксплуатации здания и других причин на поверхности штукатурки могут появиться трещины и другие дефекты. При последующем выполнении малярных работ по этой штукатурке, нанесенная краска покрывается трещинами и осыпается, что приводит к необходимости переделки штукатурных и малярных работ. Поэтому приходится отбивать отставшую штукатурку, соскабливать набел, оштукатуривать отбитые места, разрезать щели и трещины с последующей их подмазкой
Прежде всего, ремонтируют потолки, потом стены, но вначале определяют прочность штукатурки, простукивая ее молотком, ручкой лопатки или отрезовки. Если штукатурка держится прочно, - при простукивании она издает глухой звук, если непрочно - звонкий (бухтит),
Отставшую штукатурку отбивают с помощью молотка или другого инструмента. Под отбитой штукатуркой на деревянных поверхностях проверяют прочность набитой драни, пришедшую в негодность дрань заменяют новой. Если штукатурка толще 30 мм, то при подготовке необходимо набить гвозди и оплести их проволокой. Кирпичные, каменные, бетонные поверхности насекают или очищают стальными щетками, а если требуется, то пробивают или просверливают отверстия, забивают в них деревянные пробки, в пробки - гвозди и оплетают их проволокой.
После подготовки поверхности под отбитой штукатуркой, вокруг нее счищают набел, или удаляют старые обои, набел счищают скребками из кровельной стали. Если набел держится слабо, его счищают всухую, если прочно, то поверхности хорошо смачивают (размывают водой) кистью, сильно на нее нажимая, до тех пор, пока набел не будет легко удаляться. Набел необходимо счищать полностью, т.к при перетирке он препятствует сцеплению с ним раствора. Плохо приклеенные обои легко сдираются.
Прочно приклеенные - смачивают водой и снимают с помощью шпателя, отрезовки или скребка. Клейстер под обоями необходимо смыть горячей водой и только после этого приступать к оштукатуриванию отбитых мест и перетирке штукатурки.
Оштукатуривание отбитых мест
Перед оштукатуриванием поверхность и кромки старой штукатурки обильно смачивают водой. При недостаточном смачивании кромок между старой и новой штукатуркой всегда образуются трещины. Отдельные места оштукатуривают так: наносят обрызг, затем грунт, разравнивая его заподлицо со старой штукатуркой. По грунту делают накрывку и производят затирку так же, как затирку при штукатурке - вкруговую или вразгонку. Если этого не сделать, то после окраски на общем фоне штукатурки отремонтированная часть будет выделяться пятном.
При ремонте небольших участков (не шире 3 м) для разравнивания раствора используют длинное правило, на больших участках устраивают маяки на уровне старой штукатурки и по ним разравнивают раствор строго в одной плоскости со старой штукатуркой.
Оштукатурив отбитые места, перетирают старую штукатурку, разрезают и расшивают трещины.
Счистка набела и перетирка штукатурки
Перетирка - это затирка старой штукатурки с предварительным намазыванием на нее тонкого слоя раствора. При перетирке на поверхности остается тонкая, хорошо затертая пленка раствора, закрывающая все дефекты. Перед перетиркой штукатурку смачивают или промывают водой с помощью кисти. Применяют тот же раствор, которым выполнена старая штукатурка. Перетирка выполняется раствором на мелком песке, чистое гипсовое тесто или известково-гипсовый раствор применять не следует, т.к от длительного трения теркой гипсовый раствор теряет прочность. Но следует также вести перетирку чистым известковым или цементным тестом или одним песком. Если набел счищен хорошо, к полотну терки можно прибить плотный войлок или фетр. Такая терка затирает чище, но не сильно втирает раствор в поверхность старой штукатурки.
При производстве перетирки захватку площадью около 0,5 м2 стены или потолка смачивают водой, берут на терку немного раствора и намазывают его отдельными мазками (пятнами), располагая их в шахматном порядке, через 10-15 см друг от друга. После этого перетираемое место еще раз смачивают водой и затирают теркой, тщательно растирая раствор, без пропусков. Перетирку (затирку теркой) выполняют вкруговую или вразгонку, чтобы поверхность была одинаково затертой, без грубых мест, пропуском и натасков раствора.
При перетирке на поверхности штукатурки мо гут обнаружиться трещины. Тонкие трещины разрезают ножом или концом отрезовки на глубину до 5 мм, удаляя кромки старой штукатурки. После этого разрезанные трещины смачивают водой и замазывают раствором (расшивают). Для подмазки широких трещин применяют тот же раствор, которым была наполнена штукатурка, с силой вжимают его в трещину, чтобы заполнить ее. Мелкие трещины можно подмазывать чистым гипсовым тестом, но лучше смещать его с мелом (1 часть гипса, 2-3 части мела). Места, подмазанные чистым гипсом или гипсом, сметанным с мелом, при окрашивании тщательно грунтуют за два раза, чтобы гипс меньше впитывал в себя окрасочный состав, и не образовывал на поверхности выделяющиеся полоски или пятна. Если обнаруживаются неустранимые ржавые пятна, штукатурку в этом месте лучше срубить и оштукатурить поверхности заново. В крайнем случае, ржавые места можно насечь, смочить водой и наложить слой нового раствора, толщиной не менее 1 см.
Щели между стеной и плинтусом тщательно замазывают, предварительно расчищая их отрезовкой, хорошо смачивая водой. Щели плотно заполняют раствором, срезают выступивший раствор, разравнивают и притирают небольшим полутерком или теркой. Затем плинтусы очищают от прилипшего раствора, промывают водой или протирают мокрой тряпкой.
Перетирка и ремонт тяг
Счистка набела с тяг и их перетирка - трудоемкая работа. Счищать с них набел скребками нельзя, иго тщательно смывают горячей водой с помощью жестких кистей. Тяги смачивают водой и по мере размокания набела его смывают, трещины разрезают, смачивают водой, замазывают раствором, притирают маленькими полутерками. Повреждения на тягах исправляют так, чтобы они ничем не выделялись. Большие участки тяг лучше дотянуть специально изготовленным для этого шаблоном.
Ремонт потолков из сборных железобетонных плит
В массовом жилищном строительстве потолки делают из сборных железобетонных плит. Между плитами устраивают русты (углубления), которые должны быть одинаковой ширины и совершенно прямолинейные. В результате осадки здания штукатурка между плитами (в швах) отпадает, и ее необходимо исправить, устроив новые русты. Кромки (шов) между плитами расчищают, хорошо смачивают водой, приготовляют цементный раствор с небольшой добавкой гипса, замазывают шов раствором заподлицо с плитами, хорошо разравнивают, затирают, особенно тщательно притирая кромки. Затем по приложенной рейке, прижимая к ней рустовку, с нажимом трут, ею, срезая раствор на полную глубину. Прорезав руст, смачивают его водой и исправляют - натирают маленьким полутерком.
Ремонт стен, выполненных из панелей и блоков
Если между панелями и блоками имеются швы, их ремонтируют точно так же, как и на потолке. - Сначала удаляют слабо держащийся раствор, хорошо подготовляют освободившиеся швы, плотно заполняют их приготовленным цементным или цементно-известковым раствором, разравнивают его и затирает, особо тщательно притирая края.
Если сквозь швы продувает холодный воздух, то до оштукатуривания их следует оконопатить. Оконопачивание выполняют паклей или пенькой, забивая эти материалы ножом, стамеской или шпателем, ещё лучше изготовить из стали или твердой породы дерева (бука, березы, дуба, клена, граба) конопатку-лопаточку шириной 50-80 мм, толщиной не более 5 мм, с точно срезанным лезвием.
Заготовляют пряди пакли или пеньки, замешивают порцию сметанообразного гипса не более литра, смачивают в нем пряди пакли или пеньки, вставляют их в щель и тщательно уплотняют. По конопатке наносят удары молотком. Оконопатку выполняют так, чтобы она не доходила до уровня стены на 20 мм. Затем шов замазывают раствором и затирают. Смоченная в гипсе пенька или пакля плотно заполняет щель, потому что гипс, твердея, расширяется и еще плотнее прижимает указанные материалы к стенам, предохраняя шов от продувания. Щели между панелями и блоками можно после оконопачивания замазать гипсовым или известково-гипсовым раствором.
В настоящее время промышленностью выпускаются герметики, которые с успехом могут применяться при ремонте. Они используются при герметизации окон, щелей в санитарных помещениях (ванны, туалеты), швов в кирпичной кладке, склеивания панелей, приклеивания подоконников.
Существует несколько видов герметикой: 1. Акриловые.2. Силиконовые.3. Полиуретановые. У каждого из них своя область и специфика применения. Например, акриловые герметики применяются для заделки швов в бетонных плитах, потолках, они подолгу сохраняют свою эластичность, позволяют перекрывать швы различными красящими веществами, подходят для использования в местах с сильной вибрацией.
Герметичные массы на базе акрилата производятся без растворителей. Они эффективно применяются внутри и снаружи строений для герметизации швов и трещин с небольшой деформацией.
Акриловые герметики имеют отличный контакт с бетоном, кирпичом, гипсокартоном, фиброцементом, штукатуркой, алюминием, древесиной и ПВХ, а также легко поддаются покраске и штукатуре. Данные уплотнительные материалы быстро образовывают пленку, имеют достаточно высокую термостойкость: от - 25°С до +80°С хорошую устойчивость к свету и УФ-лучам. Акриловые герметики не несут никакой опасности для здоровья человека, работать с ними можно без специальных перчаток и респиратора. Примерами акриловых герметиков являются: Kleiberitsupracril 580 фирмы KLEBCHEMIE, Асгугub, Kestoakrylи т.д.
Герметики поставляются на рынок в стандартных тубах по 300-500 мл, их необходимо защищать от мороза и хранить при средней температуре +20°С минимум 1 год. Акриловые герметики просты в применении, они наносятся на подготовленную, очищенную поверхность с помощью ручного пистолета или просто из сопла картуши. Пленка образуется уже через 15 минут, а окончательное отверждение происходит через 24 часа.
- Силиконовые герметики. Применяются в качестве изолирующих веществ при изготовлении окон, металлических конструкций, аквариумов, бассейнов, а также при уплотнении окон, швов, отверстий в санитарных помещениях, ванных комнатах, кухнях. Они абсолютно герметичны против проникновения поды, насекомых, запахов, влаги. Силиконовые герметики применяются как внутри помещений, так и снаружи. Силиконовый каучук обладает хорошей адгезией к стеклу, эмали, керамике, дереву, неокисляемым металлам, а также высочайшей термо - и погодостойкостыо. Такие герметики подразделяются на две категории: с уксусным отвердителем и нейтральные. При работе со стеклом и металлом рекомендуется использование нейтрального герметика, так как он не вступает во взаимодействие с металлической поверхностью, не дает никаких окислов. Уксусный герметик применяется в санитарных помещениях, кухнях, ванных, так как обладает более высокой степенью очистки. Силиконовые герметики не покрываются краской и поэтому выпускаются в различной цветовой гамме от бесцветного и белого до темно-коричневого и черного.
Силиконовые герметики безопасны для здоровья, с ними можно работать без специальной защиты и перчаток.
Kleiberitsupracril 580 Е - один из силиконовых герметиков. Такие строительные материалы реализуются в специальных упаковках - по 310 мл. Они наносятся на чистую, обезжиренную, сухую поверхность через шприцевое сопло или ручным пистолетом. Основное время схватывания - около 30 минут, а полное отверждение наступает через 1 сутки.
Силиконовые герметики необходимо хранить а оригинальной упаковке до 9 месяцев, избегая температуры выше +20°С и сильного холода.
-Полиуретановые герметики. Долго-эластичная клеящая и уплотняющая масса на полиуретанов ой основе. Он применяется для склеивания и герметизации различных материалов: металла, лакированной жести, древесины, пластмассы, камня, керамики, кирпича, бетона. Полиуретановые герметики обеспечивают прочное, эластичное вклеивание, не разрушаемое даже при сильных вибрациях, землетрясениях. Они обладают стойкостью против коррозии и отверждаются при реакции с влагой. Такие герметики поддаются окраске, легко покрываются лаком, а также имеют быструю схватываемость. При работе с полиуретановыми герметиками необходимо придерживаться определенных правил: нельзя допускать их попадания на открытые участки кожи. Пример полиуретановых герметиков - Suргакгаf1 566 производства фирмы KLEBCHEMIE,. Они продаются в оригинальной упаковке - 310 мл, упакованные в картонные коробки или в алюминиевом шкотовом мешке 600 мл. Подготовка поверхности перед нанесением герметика: очистка от жира, влаги, мусора, незакрепленных частиц и пыли. Наносится герметик с помощью ручного пистолета или через шприцевое сопло. Первоначальная пленка образуется через 60 мин. - 1,5 ч., а окончательная прочность при толщине 4 мм достигается через 24 часа.
Упаковки с герметичными полиуретановыми массами необходимо защищать от влаги и жары, а также хранить в оригинальной упаковке при температуре +20°С - минимум 9 месяцев.
Все открытые герметики рекомендуется быстро использовать, иначе они потеряют свои качества.
Другие герметики, которые наиболее часто встречаются на российском рынке строительных товаров: герметик-клей «Пуранол», полиуретановый, герметик-клей «Фикс-Ол», «Суперклей-герметик» (от-40°Сдо ИЮ°С) фирмы SOUDAL, и множество других.
Основные поставщики: Германия, Австрия, Финляндия, Италия, Швеция, Дания.
2.2. настилка полов из карт ковровой мозаики
Ковровая мозаика состоит из мелких керамических плиток, набранных в карты размером 398X598 мм, наклеенные на плотную бумагу по определенному рисунку. Настилают ковровую мозаику по прочному жесткому основанию - бетонному подстилающему слою на прослойке из цементно-песчаного раствора марки 100 с подвижностью по стандартному конусу 3-3,5 см.
Подготавливают основание к укладке карт ковровой мозаики так же, как и при настилке обычных керамических плиток. Однако с особой тщательностью производят разбивку пола, размечают его рисунок и устанавливают маячные ряды. Недостаточная точность разбивки расположения карт может привести к тому, что швы между картами будут значительно отличаться от швов между плитками, а это ухудшит внешний вид покрытия.
Для обеспечения горизонтальности покрытия из карт ковровой мозаики определяют уровень пола, а затем устанавливают вдоль стен временные маячные ряды из обычных керамических плиток. Между маячными рядами вбивают штыри и натягивают по ним шнур-причалку, намечая наружную сторону фриза.
После натягивания шнура основание смачивают водой и укладывают на захватке шириной, равной ширине карты (400 мм), вдоль всей стены раствор для прослойки, который сначала разравнивают обычной лопатой, а затем заглаживают плиточной лопаткой точно до заданного уровня. Непосредственно перед укладкой карт прослойку припорашивают тонким слоем сухого цемента, насыпая его через частое сито. Это обеспечивает прочное сцепление керамических плиток с прослойкой, так как насыпаемый цемент, впитывая из раствора воду, образует жидкое тесто, которое прочно схватывается с плиткой и хорошо заполняет швы.
После отбора необходимого числа карт, соответствующих выбранному рисунку для фриза, пристенного ряда и основного фона, их предварительно (до укладки) подготавливают: прокалывают или прорезают бумагу, чтобы во время припрессовки карты к раствору из-под нее мог свободно выйти воздух. При помощи шнура-причалки и угольника укладывают первую угловую карту 1 (рис.2.1) фризового ряда бумагой вверх. Осаживают карту хлопушей или правилом вровень с маячным рядом до тех пор, пока раствор не заполнит швы между плитками, что заметно по намоканию бумаги над швом. В тех местах, где бумага не намокла, необходимо ее дополнительно проколоть, чтобы ликвидировать образовавшиеся воздушные мешки.

Рисунок 2.1. Организация рабочего места и порядок укладки карт ковровой мозаики (/-9 - порядок укладки карт) Примечание. Источник: [11, с.80]
Готовый цементный раствор
Образование угла фриза из фризовых карт с рисунком показано на рис.2.2, где дается линия разреза, по которой часть плиток из карты удаляется.
После настилки первой угловой карты укладывают прямые фризовые карты 2 вдоль первой захватки помещения по шнуру-причалке. По мере укладки карт фризового ряда временный маячный ряд вдоль стены снимают, а пространство между фризом и стеной (пристенный ряд) заполняют полосками плиток, вырезанными из целых рядовых карт.

б) в)
Рис.2.2. Образование угла фриза {б) из фризовых карт (а) и образец пола из карт ковровой мозаики (в): 1 - линия разреза, 2 - линия соединения карт.
Примечание. Источник: [11, с.81]
Первый фризовый ряд заканчивают укладкой второй угловой фризовой карты. В направлении, перпендикулярном фризовому ряду, укладывают смежную с угловой картой фризовую карту, после чего приступают к устройству второй захватки - первого ряда основного фона также по шнуру-причалке. Этот ряд заканчивают картой фризового ряда. Затем укладывают второй ряд карт основного покрытия (третью захватку) и т.д. Таким образом карты ковровой мозаики укладывают продольными рядами слева направо от стены до стены и обратно - справа налево с переходом на следующий ряд.
Между соседними картами при помощи деревянных клиньев-вставок оставляют зазор, равный ширине швов между плитами в каждой карте (обычно 2 мм), благодаря чему в покрытии не видно следов сопряжения отдельных карт и они не выделяются на поверхности пола. Во избежание искривления швов и нарушения правильности рисунка каждый ряд карт выверяют по угольнику, а при осаживании карт поверхность их контролируют уровнем и правилом.
Уровень всего покрытия периодически проверяют контрольной рейкой. Один конец контрольной рейки ставят на фриз, а другой на временный маячный ряд из крупных керамических плиток, располагаемых параллельно фризовому ряду на расстоянии 1,5-2 м от него. Такие же временные маячные ряды укладывают параллельно первому ряду, отступая от него также на 1,5-2 м.
По мере устройства покрытия временные маячные ряды снимают, а контрольную рейку одним концом опирают вместо фриза на уложенные и выверенные ряды карт покрытия. На рис.2, в показан образец пола из карт керамических плиток (ковровой мозаики).
2.3. механизмы и оборудование для приготовления малярных составов
Мелотерки. Мелотерку СО-53А (рис.2.3) используют для помола сухого, мокрого и мерзлого кускового мела. Дробление происходит за счет трения мела о стенки ротора. Измельченный мел высыпается через разгрузочный патрубок. Мелотерка СО-124А (рис.4) предназначена для помола комкового мела влажностью не более 8%, применяемого для приготовления окрасочных составов и меловой пасты. Состоит из электродвигателя, корпуса с крышкой, рабочих органов, пульта управления, воронки и разгрузочного патрубка.
Мелотерки используют также для приготовления шпатлевок (синтетических, масляных и клеевых), загружая кусковой мел транспортной влажности. В этом случае вместо воды к патрубку подводят связующее. Мелотерка выполняет одновременно три операции: дробит мел, смешивает его со связующим и отсеивает случайные включения. Полученный продукт перетирают на краскотерке.

Рис.2.3. Мелотерка СО-53А: 1 - ротор, 2 - статор, 3 - крышка, 4 - воронка, 5-скребок, 6 - корпус, 7 - электродвигатель, 8 - плита
Примечание. Источник: [1, с.158]

Рис.2.4. Мелотерка СО-124А: 1 - патрубки, 2 - корпус, 3 - выключатель, 4 - бункер, 5 - кожух, 6 - ротор, 7 - пульт, 8 - электродвигатель
Примечание. Источник: [1, с.159]
Краскотерки. В крупных краскозаготовительных цехах и мастерских используют одно - и многовальцовые краскотерки, которыс перетирают краску между вальцом и неподвижным притировочным брусом (у одновальцовых) или между вальцами, у которых разная частота вращения. Тонкость помола перерабатываемой массы зависит от зазора между вальцами и состояния их поверхности. Для перетирания масляных клеевых и синтетических окрасочных составов, шпатлевок и меловой пасты применяют жерновые краскотерки, аналогичные по устройству и принципу действия мелотерке СО-53А.
При эксплуатации краскотерок обращают внимание на состояние спиралеобразных канавок на жерновах. По мере работы краскотерки жернова срабатываются, и глубина и длина канавок уменьшаются. При этом увеличивается ширина кольца сплошного соприкосновения жерновов, что ведет к непрерывному снижению производительности. Поэтому периодически регулируют расстояние между жерновами.
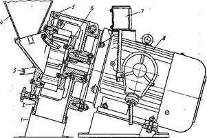
Краскотерки СО-110А (рис.2.5) и СО-116А состоят из электродвигателя, верхнего и нижнего жерновов, чаши с разгрузочным лотком, загрузочной воронки с мешалкой и регулировочного устройства для прижима жернова.

Рис.2.5. Жерновые краскотерки СО-11ОА и СО-116А: 1 - основание, 2 - штурвал, 3 - чаща, 4 - лоток, 5 - корпус, 6 - жернов, 7 - сито, 8 - нож, 9 - питатель, 10 - воронка, 11 - электродвигатель, 12 - шпилька, 13 - плита, 14 - ведущий шкив, 15 - ведомый шкив, 16 - вал
Примечание. Источник: [1, с.160]
Смесители. Для изготовления подмазочных паст, шпатлевок, замазок, а также для предварительного смешивания пастообразных масляных красок используют смеситель СО-8.
Рабочий орган представляет собой два смесительных вала, которые вращаются навстречу друг другу с разной частотой. Это способствует лучшему перемешиванию материала. Опрокидывание корыта и выгрузку материала осуществляют с помощью рукоятки без остановки смесителя. Смеситель не следует перегружать материалом, он должен работать плавно, без рывков и ударов.
Смеситель СО-11 (рис.2.6) предназначен для механизированного перемешивания водных и масляных окрасочных составов, К днищу бака 5 цилиндрической формы прикреплен электродвигатель 1 с пакетным выключателем и двухступенчатым цилиндрическим редуктором 3. Смеситель снабжен съемной крышкой 6 и сливным краном 7.

Рис.2.6. Смеситель СО-11: электродвигатель, 2 - трехполюсный выключатель 3 - тор, 4 - лопасти, 5 - бак, 6 - крышка, 7 - сливной кран
Примечание. Источник: [1, с.161]
Смеситель СО-129 для перемешивания малярных составов состоит из станины с направляющими, каретки, системы блоков, противовеса, рабочего органа с приводом, сменных емкостей, электрооборудования. При вращении рабочего органа в одном направлении производится перемешивание, в обратном направлении - выгрузка готового материала.
Мешалки. Для приготовления малярных составов (шпатлевок, замазок, паст) подвижностью 5...12 см по стандартному конусу применяют мешалку СО-137. Она состоит из приемного бункера с решеткой, двух Z-образных валов для перемешивания, электродвигателя и защитно-отключающего устройства.
Мешалки СО-140 (рис.2.7) и СО-150 для приготовления окрасочных материалов вязкостью 65...80 с (по ВЗ-4) или подвижностью не менее 13 см по стандартному конусу состоят из рамы с бункером, корпуса, электродвигателя, клиноременной передачи, рабочего вала с турбинкой, разгрузочного и защитно-отключающего устройства.

Рис.2.7. Мешалка СО-140: 1 - рама с бункером, 2 - вал с турбиной, 3 - электродвигатель, 4 - защитно-отключающее устройство, 5 - рукав для выгрузки, 6 - разгрузочное устройство
Примечание. Источник: [1, с.162]
Насос-эмульгатор 0-58 производительностью 300...500 кг/ч предназначен для приготовления эмульсий, перемешивания окрасочных составов и их перекачивания. На валу электродвигателя закреплен валик насоса с четырехзахватным винтом. Вместимость бункера 40 кг. Нижний конец валика вращается в шарикоподшипнике, расположенном в нижней части корпуса насоса. Там же находятся три окна, через которые засасываются перекачиваемые составы. В верхней части корпуса патрубок с выходной трубкой снабжен краном. При закрытом кране и совпадении отверстий корпуса и кожуха состав интенсивно перемешивается. Для перекачивания окрасочных составов перекрывают отверстия в корпусе кожуха и открывают кран.
Акустическая установка для приготовления эмульсий (рис.2.8).

Рис.2.8. Акустическая установка для приготовления водомасляной эмульсии: / - манометр, 2 - стойки, 3 - электродвигатель, 4 - опорная рама, 5 - насос, 6 - патрубок всасывания, 7 - напорный трубопровод, 8 - кран для слива готовой эмульсии, 9 - резервуар, 10 - три патрубка (ответвления напорного трубопровода)
Примечание. Источник: [1, с.163]
Компоненты эмульсии (олифа и вода), находясь в акустическом поле, интенсивно дробятся на мельчайшие частицы и смешиваются, в результате получают эмульсию с высокой стойкостью и способностью не расслаиваться при длительном хранении. Приготовление эмульсий на акустических установках упрощает технологию процесса и исключает необходимость применения каких-либо веществ, стабилизирующих эмульсию. Вода, входящая в состав эмульсий, после окраски поверхности постепенно испаряется, образуя сплошную масляную пленку. Эта пленка тоньше, чем пленка из чистой олифы. Водомасляная эмульсия, полученная на акустической установке, позволяет экономить до 50% олифы.
Установка размещена на опорной раме 4. На ней установлены вихревой насос 5 с электродвигателем 3 и резервуар на четырех стойках 2. К днищу резервуара одним концом приварен патрубок 6 всасывания, другой конец патрубка присоединен к всасывающей горловине насоса 5. К нагнетательной горловине насоса прикреплен напорный трубопровод 7, другой конец которого введен в резервуар, где он разветвляется на три патрубка 10. К каждому патрубку присоединен многопластинчатый гидродинамический вибратор-излучатель. На напорном трубопроводе установлен манометр 1.
Гидродинамический вибратор-излучатель, осуществляющий эмульгирование, состоит из стального корпуса, в котором закреплены шесть стальных вибрирующих пластин таким образом, что вылет консоли первой - шестой пластины соответственно 10; 10,2; 10,4; 10,6; 10,8 и 11 мм. Такое размещение пластин обеспечивает работу излучателя при различной вязкости эмульсии (вязкость зависит от соотношения олифы и воды, а также от стадии эмульгирования).
В резервуар 9 при закрытых вентилях загружают компоненты эмульсий и включают насос 5. Состав через излучатель пропускают 4...5 раз, затем, проверив готовность, сливают эмульсию через выпускной кран 8 в тару.
По окончании работы установку промывают керосином, который в течение 10 мин пропускают по замкнутой системе «резервуар - насос - излучатель - резервуар». После промывки снимают излучатель и очищают волосяным ершом, а использованный керосин сливают из резервуара через кран, процеживают через сетку № 0,355 (400 отв/см2) и употребляют для последующих промывок. Излучатели до следующего употребления помещают в тару с керосином.
Вихревые диспергаторы (рис.2.9) для получения масляных и других составов в специальных и передвижных малярных мастерских состоят из каркаса бункера, электропривода и выпускного затвора. В бункер закладывают необходимые компоненты и включают электропривод. Время приготовления состава 5...10 мин, после чего его сливают через выпускное отверстие в бидон.

Рис.2.9. Диспергатор СО-178: / - рабочее колесо с кольцами, 2 - термопара, 3 - вал, 4 - рама, 5 - привод, 6 - корпус с подшипниковыми узлами, 7 - улитка, 8 - всасывающий патрубок
Примечание. Источник: [1, с.164]
Вихревая мельница ВМ-6 производительностью 300...350 кг/ч
окрасочных составов и 50 кг/ч эмульсии состоит из корпуса и электродвигателя мощностью 4,5 кВт, прикрепленного к крышке мельницы. К валу электродвигателя крепится устройство с засасывающей воронкой, лопастями и диспергирующей решеткой.
Перед началом работы в корпус мельницы заливают жидкость, а после включения электродвигателя вводят пастообразные или порошкообразные пигменты. При этом происходит засасывание смеси через решетку и удар массы о поверхность решетки, в результате чего частицы пигментов дробятся и перемешиваются. Перемешанная масса через отверстие стекает в корпус, где вновь засасывается через решетку, и процесс повторяется до получения однообразной массы.
Вибросита
Вибросито СО-3 предназначено для процеживания готовых окрасочных составов перед их употреблением. На конец вала электродвигателя насажена
муфта с эксцентриситетом 0,4 мм, на муфту - шарикоподшипник эксцентрика. Наружное кольцо заключено в головку, которая крепится к шатуну штифтом. Штифт жестко связан с рычагом. Концы рычага эластично соединены с плитой. Рычаг служит для поддержания корпуса сита. В корпусе с помощью специальных колец укреплены две сетки. При включении электродвигателя муфта через шатун сообщает колебательные движения рычагу, от которого через обойму они передаются корпусу сита.
Вибросито СО-34 используют для процеживания густых малярных составов (например, шпатлевок для механизированного нанесения известкового теста), которыми выравнивают поверх под окраску. Производительность установки при процеживании через сито (400 отверстий на 1 см2) 1500... 2000 л шпатлевки. Частота колебаний сита 33,3 с"1, амплитуда 0,8 мм. Мощность электродвигателя 0,27 кВт, напряжение 220/380 В.
Вибросито СО-130А (рис.10) для механического процеживания невзрывоопасных малярных составов, а также для просеивания сыпучих материалов производительностью 700 кг/ч состоит из корпуса вместимостью 3 л, сита, упругой муфты и амортизатора. Вращение от электродвигателя мощностью 0,13 кВт через упругую муфту, эксцентриковый вал и шатун передается на сито. Габаритные размеры сита 405X162X514 мм, масса 10 кг.
Электроклееварка С-409 (рис.11). В бак 4 вставляется сменный бак 3 вместимостью 16 л (ведро) для клея. В нижней части 0ака помещены электронагревательные элементы ЭТ-80 мощностью 3,6 кВт. Между баками заливают воду, включают электронагревательные элементы 6 и нагревают воду до 100 °С. Нагретая вода предохраняет клей при варке от пригорания. Сливают воду из бака через кран в нижней части. Время приготовления клея 1,5...2 ч.

Рис.10. Вибросито СО-130А: / - электрощит, 2 - привод, 3 – корпус с подшипниковыми узлами, 4 – сменная мешалка, 5 - шатун, 6 - держатель, 7 - сито
Рис.11. Электроклееварка С-409: 1,2 - крышки наружного и внутреннего баков, 3,4 - сменный и наружный баки, 5 - теплоизоляция, 6 – электроэлементы.
Примечание. Источник: [1, с.165]
раздел 3. Организация рабочего места и техника безопасности
3.1. организация рабочего места и техники безопасности при выполнении работы с огнеопасными и взрывоопасными материалами
Легковоспламеняющиеся и взрывоопасные материалы поставляют на строительные объекты в таре или упаковке с яркими предупреждающими надписями «Огнеопасно! », и «Взрывоопасно! ».
Разгружают такие материалы не ближе 50 м от источников огня в месте, согласованном с представителями службы техники безопасности. На территории строительной площадки, воспламеняющиеся и горячие жидкости (краски, растворители) допускается хранить не свыше 500 л в отдельно стоящих несгораемых зданиях или землянках на расстоянии не менее 16 м от других зданий. Внутри и снаружи помещений, где хранят легковоспламеняющиеся материалы, делают надписи «Огнеопасно» и «Взрывоопасно».
Помещения для хранения легковоспламеняющихся материалов и прилегающую к ним территорию снабжают средствами тушения огня (песок, лопаты, огнетушители и др.). Оставлять на строительной площадке вне хранилища бачки или тару из-под легковоспламеняющихся материалов категорически запрещается Склады для хранения горючих материалов оборудуют вентиляцией с вытяжным отверстием не выше 20 см от пола, электропроводку в них надежно изолируют.
До начала работы с легковоспламеняющимися и взрывоопасными материалами маляры должны пройти инструктаж по безопасным методам работы и противопожарной безопасности, а также получить наряд-допуск на особо опасную работу. Лицо, ответственное за технику безопасности, должно постоянно осуществлять технический надзор при производстве работ.
В местах, где ведут работу с легковоспламеняющимися и взрывоопасными материалами (например, эмалью КО-174, клеящими мастиками КН-2 или КН-3), а также в смежных помещениях запрещается курить и применять электронагревательные приборы. В коридорах и на участках, где производят работы, должны быть вывешены надписи: «Не курить! », «Огнеопасно! » и «Взрывоопасно! ».
С огнеопасными клеями работают, как правило, в дневное время. При необходимости искусственного освещения помещений применяют переносные электролампы только во взрывоопасном исполнении с прокладкой снаружи здания прожекторами типа «Кососвет». В эти помещения лица, непосредственно не участвующие в работах с клеями, не допускаются. Помещения должны быть оборудованы средствами пожаротушения. На каждые 100 м2 оклеиваемой площади должны быть два огнетушителя ОП-5, войлок или асбестовое полотно, ящик с песком и лопатой или две песочницы.
При вскрытии тары с огнеопасным и взрывоопасным материалом, чтобы не образовались искры, пользуются резиновыми или деревянными инструментами. На объекте должны быть созданы условия, исключающие образование статического электричества. Электросварочные работы, при выполнении которых возможно возникновение пожара, на таких объектах запрещаются.
При работе с огнеопасными и взрывоопасными материалами помещение проветривают непрерывно, а в течение часа по окончании работы - с помощью естественной или искусственной вентиляции. Работать при закрытых окнах, если помещение не имеем вентиляционных устройств, запрещается.
Каждая бригада, производящая работы с использованием огнеопасных и взрывоопасных клеев, должна иметь портативный газоанализатор УГ-2 для отбора проб воздуха и определения в нем концентрации паров легких растворителей. При работе газоанализатора измеряют длину окрашиваемого столбика индикаторной трубки, когда через нее проходит воздух, содержащий пар легкого растворителя. Продолжительность одного замера 7...8 мин. Если концентрация паров легкого растворителя в воздухе превышает допускаемые нормы, немедленно прекращают работу и проветривают помещение.
Запас огнеопасных и взрывоопасных материалов на рабочем месте не должен превышать сменной потребности для данного помещения. Клеи наносят на стены площадью не более 100 м2 только пластмассовым, резиновым или деревянным шпателем, чтобы не могла появиться искра. Если площадь помещения более 100 м2, работу выполняют по частям.
Окраску фасадов материалами, содержащими ксилол, допускается производить только в холодное время года при температуре не выше-4°С. На участках, где производятся работы, должны быть надписи «Не курить! », «Огнеопасно! », «Взрывоопасно! ».
Каждый рабочий должен знать специальные инструкции по технике безопасности, тушению пожаров и предотвращению взрывов; правила личной гигиены; действие на организм вредных веществ, применяемых в производстве, способы оказания первой помощи пострадавшим.
список использованных источников
1. Белоусов Е. Д.О.С. Вершинина. Малярные и штукатурные работы. М.: Высшая школа, 1990.;
2. Белоусов Е.Д. Технология малярных работ. М.: Высшая школа, 1985.;
3. Добровольский Г.Н. малярные растворы. К.: Будивэльнык, 1988.;
4. Завражин Н.М. Малярные работы.;
5. Соколин Г.Л. Отделочные работы в капитальном строительстве. М.: 1971.;
6. Колмыков М.Я. Альфрейно - декоративные работы.М., 1958.;
7. 7) Миткин Б.А. Штукатурные, малярные и плиточные работы. Мн.: Высшая школа, 1966.;
8. Суржаненко А.Е. Малярные и обойные работы. М.: Высшая школа, 1974.;
9. Добров В.В. Правильный ремонт дома. М.: Рипол классик, 2006.;
10. 10) Ивлева В.В. Плиточные работы своими руками. Ростов-на-Дону.:
11. Феникс, 2005.;
12. 11) Горячев В.И. Облицовочные работы, плиточные мозаичные. М.: Высшая школа, 1972.;
13. Теличко А.А. Отделочные работы. М.: Рипол классик, 2004.;
14. Ивлиев А.А. Отделочные строительные работы.М., 1999.;
15. Кондрашова М.В. Мастер-маляр. М.: Цитадель, 2000.
Похожие рефераты:
Технологический процесс оклейки стен структурными обоями
Торговый центр "Вега", город Пермь
Пятиэтажный 35-ти квартирный жилой дом
Конструкция общественного здания
Технологический процесс оклеивания стен стеклообями. Технологический процесс окраски фасадов зданий
Облицовывание кирпичных стен гипсовыми облицовочными листами и оклеивание их флизелиновыми обоями
Помещение гидротехника на Грушевском водохранилище
9-этажный жилой дом со встроенными помещениями
Керамические изделия для строительной промышленности
Строительство жилого 4-х этажного 2-х секционного дома на 16 квартир

