| Похожие рефераты | Скачать .docx |
Курсовая работа: Расчет и конструирование несущих конструкций одноэтажного промышленного здания
Министерство образования Российской Федерации
Ангарская государственная техническая академия
Кафедра промышленного и гражданского строительства
РАСЧЕТНО-ПОЯСНИТЕЛЬНАЯ ЗАПИСКА
к курсовой работе по металлическим конструкциям на тему
Расчет и конструирование несущих конструкций
одноэтажного промышленного здания
Выполнила студентка
Живодерова Ольга Евгеньевна
Группы ПГС-00-1
Руководитель проекта
Савенков Андрей Иванович
Ангарск, 2003
СОДЕРЖАНИЕ
Исходные данные
1. Компоновка конструктивной схемы каркаса здания
1.1 Выбор типа поперечной рамы
1.2 Выбор ограждающих конструкций здания
1.3 Разбивка сетки колонн
1.4 Компоновка поперечной рамы
1.5 Выбор шага рам
2. Расчет поперечной рамы каркаса здания
2.1 Нагрузки, действующие на раму
2.1.1 Постоянная нагрузка
2.1.2 Снеговая нагрузка
2.1.3 Ветровая нагрузка
2.1.4 Нагрузка от мостовых кранов
2.2 Статический расчет поперечной рамы
3. Расчет внецентренно-сжатой колонны рамы
3.1 Выбор невыгоднейших расчетных усилий в колонне рамы
3.2 Определение расчетных длин колонны в плоскости рамы
3.3 Определение расчетных длин колонны из плоскости рамы
3.4 Расчет верхней части колонны
3.5 Расчет нижней части колонны
3.6 Конструкция и расчет сопряжения верхней и нижней частей колонны
3.7 Конструкция и расчет базы колонны
4. Расчет решетчатого ригеля рамы
4.1 Определение усилий в стержнях фермы
4.2 Подбор и проверка сечений стержней фермы
4.3Расчет узлов фермы
Литература
ИСХОДНЫЕ ДАННЫЕ
Вариант 295
-район строительства – г. Красноярск
-характеристика теплового режима в здании – отапливаемое
-назначение здания – цех машиностроительного завода
-пролет здания – 30 м
-длина здания – 144 м
-тип крана – мостовой электрический общего назначения
-количество кранов – 3
-грузоподъемность крана – 80/20 т
-режим работы крана – Т
-отметка головки подкранового рельса + 18,000
-способ соединения элементов конструкций: заводские – сварка, монтажные – сварка и черные болты
-тип покрытия – прогонное
-ограждающие конструкции покрытия – профилированный настил
-марка бетона фундамента – М100
-фонарная надстройка – отсутствует.
1. КОМПОНОВКА КОНСТРУКТИВНОЙ СХЕМЫ КАРКАСА ЗДАНИЯ
1.1 Выбор типа поперечной рамы
Опирание колонн здания на фундаменты и сопряжение ригелей с колоннами принимаем жестким (краны Т режима работы).
1.2 Выбор ограждающих конструкций здания
Тип и размеры ограждающих конструкций стен и покрытий указаны в таблице 1.1.
Таблица 1.1 Весовые характеристики конструкций
| Конструкции | Нормативная нагрузка, кН/м |
Коэффициент надежности по нагрузке | Расчетная нагрузка кН/м |
Керамзитобетонные стеновые панели ПС (5980х1785х300) ПС (11970х1780х300) |
3,84 3,85 |
1,2 1,2 |
4,608 4,62 |
| Гравийная защита | 0,30 | 1,20 | 0,36 |
| Трехслойный рубероидный ковер | 0,10 | 1,30 | 0,13 |
Утеплитель-пенопласт ФРП-1 q=1кН/м 1*0,05 |
0,05 | 1,30 | 0,065 |
| Стальной профилированный настил t=0,001 м | 0,10 | 1,05 | 0,11 |
Собственный вес прогонов q = 0,12кН/м2 |
0,10 | 1,05 | 0,11 |
Собственный вес фермы L*j*k=30*0,009*1,2=0,324 (L=30 м) |
0,324 | 1,05 | 0,34 |
1.3 Разбивка сетки колонн
В соответствии с основными положениями по унификации объемно-планировочных и конструктивных решений пролеты и шаги колонн назначаем кратными 6м, высота помещений кратна 0,6м.
Рассмотрим два варианта: 1 вариант – шаг колонн 6м; 2 вариант – шаг колонн 12м.
1.4 Компоновка поперечной рамы
Вертикальные габариты здания:
Расстояние от головки кранового рельса до низа несущих конструкций покрытия Н2 = (Нк +100) + f= (4000 + 100) + 300 = 4400 мм (кратно 200 мм).
Высота цеха от уровня пола до низа стропильных ферм Н0 = Н2 + Н1 = 4400 + 18000 = 22400 мм. Принимаем ближайший больший размер, кратный 1,8 м, – 23400 мм, при этом корректируем Н1 = Н0 – Н2 = 23400 – 4400 = 19000 мм.
Для шага рам 6 м:
Размер верхней (надкрановой) части колонны Нв = hб + hр + Н2 = 1000 + 4400 = 5400 мм.
Размер нижней (подкрановой) части колонны Нн = Но – Нв + Нзагл , = 23400 – 5400 + 600 = 18600 мм.
Общая высота колонны рамы от базы до низа ригеля Н = Нв + Нн = 5400 + 18600 = 24000 мм.
Для шага рам 12 м:
Нв = hб + hр + Н2 = 1600 + 4400 = 6000 мм.
Нн = Но – Нв + Нзагл , = 23400 – 6000 + 600 = 18000 мм.
Н = Нв + Нн = 6000 + 18000 = 24000 мм.
Высота фермы на опоре Нфер = 3150 мм.
Отметка парапетной стенки +27,000.

Рис.1.1. Схема каркаса поперечной рамы здания
Горизонтальных размеры:
Принимаем привязку наружной грани колонны к оси а = 250 мм.
Высота сечения верхней части колонны hн = 450 мм (не <Нв /12 = 5400/12 = 450 мм).
При устройстве прохода сбоку между колонной и краном
l1 = В1 + (hб – а) +75 + 450 = 400 + (450 – 250) + 75 + 450 = 1125 мм. Назначаем l1 = 1250 мм(кратно 250мм).
Высота сечения нижней части колонны hн = l1 + а= 1250 + 250 = 1500 мм (>Н /20 = 24000/20 = 1200 мм).
Верхнюю часть колонны назначаем сплошной, двутаврового сечения, нижнюю часть – сквозной (1500 мм >1000 мм).
1.5 Выбор шага рам
Вариант 1 (шаг рам 6 м).
Вес всех элементов, входящих в комплекс подкрановой конструкции (подкрановой балки со связями, тормозной конструкции, подкранового рельса с деталями крепления)
G н пб = ( a пб Lпб + gкр )Lпб Кпб = (0,37·6 +0,89)6·1,2 = 22,392 кН
Масса ригелей и связей по покрытию
; М =
(247·6/1000 +1,8)1,4·302
= 4135,32 кг
Масса колонны

Мк = ((565,2·5,4/0,3)1,6 + (1683,69·18,6/0,5))7850·10-3 /240 = 4424,81 кг.
Вариант 2 (шаг рам 12 м).
G н пб = ( a пб Lпб + gкр )Lпб Кпб = (0,37·12 +0,89)12·1,2 = 76,752 кг.
; М =
(247·12/1000 +1,8)1,4·302
= 6002,64 кг.

Мк = ((1164,96·6/0,3)1,6 + (3202,95·18/0,5))7850·10-3 /240 = 8385,12 кг
Таблица 1.2Сравнение вариантов
| Вид конструктивного эл-та | Вариант 1 (шаг рам 6 м) | Вариант 2 (шаг рам 12 м) | ||||||
Вес эл-та, кН |
Кол-во, шт. |
Вес всех эл-тов, кН |
Расход стали, кг/м2 | Вес эл-та, кН |
Кол-во, шт. |
Вес всех эл-тов, кН |
Расход стали, кг/м2 |
|
Подкрановые балки |
22,392 | 48 | 1074,816 | 24,88 | 76,752 | 24 | 1842,048 | 42,6 |
| Фермы | 41,3532 | 25 | 1033,83 | 23,93 | 60,0264 | 13 | 780,3432 | 18,06 |
| Колонны | 44,2481 | 50 | 2212,405 | 51,21 | 83,8512 | 26 | 2180,132 | 50,47 |
| Итого | 123 | 100,02 | 63 | 111,17 | ||||
По экономическим соображениям для дальнейшей разработки принимаем 1-ый вариант.
2. РАСЧЕТ ПОПЕРЕЧНОЙ РАМЫ КАРКАСА ЗДАНИЯ
2.1 Нагрузки, действующие на раму
2.1.1 Постоянная нагрузка
Равномерно-распределенная нагрузка от веса покрытия, приложенная к ригелю рамы,
= 1,1152·6 = 6,69 кН/м

Рис.2.1.Схема постоянной нагрузки
2.1.2 Снеговая нагрузка
Равномерно распределенная расчетная снеговая нагрузка, приложенная к ригелю рамы,
1,5·1·1,6·6 = 14,4 кН/м
2.1.3 Ветровая нагрузка
qeq = w0 k eq ce g f b = 0,38·0,755·0,8·1,4·6 = 1,93 кН/м.
се3 =- 0,58 при b/ℓ =144/30 = 4,8>2, h1 /ℓ = 27/30 = = 0,9
qeq = w0 k eq ce3 g f b = 0,38·0,755·0,58·1,4·6 = 1,4 кН/м.
W = w0 kт D Н0 ce g f b = 0,38 ((0,94 +0,891)/2)·(27 –
-23,4)0,8·1,4·6 = 8,42 кН. W = Wce3 /ce = 8,42·0,58/0,8 = 6,1 кН.

2.1.4 Нагрузка от мостовых кранов
1,1·0,95(400(1 + 0,867 + 0,475 + 0,342) +1,1·22,392 + 1,1·1,5·1,5·6 = 1161,39 кН Рис.2.2. Схема ветровой нагрузки

Рис.2.3. Схема определения вертикальной крановой нагрузки
F ¢ к = (9,8Q +Qк )/n – Fк = (9,8·80 + +1300)/4 – 400 = 121 кН.
Dmin = 1,1·0,95·121(1+0,867 +0,475 + +0,342) + 1,1·22,392 +1,1·1,5·1,5·6 = =378,86 кН.
ек
=1161,39·0,75 = =871,04 кНм.
ек
= 378,86·0,75 = =284,15 кНм.
Расчетная горизонтальная сила

Рис.2.4. Схема нагрузки от мостовых кранов
![]()
·80 +380)/4 = 14,55 кН.
14,55·2,684 = 40,81 кН.
2.2 Статический расчет поперечной рамы
Расчет выполняется на ЭВМ. Результаты расчета сведены в таблицу 2.1.
3. РАСЧЕТ ВНЕЦЕНТРЕННО-СЖАТОЙ КОЛОННЫ РАМЫ
3.1 Выбор невыгоднейших расчетных усилий в колонне рамы
Для верхней части колонны (сечение 1-1): М1 = -392,403 кНм, N1 = -294,75 кН; (сечение 2-2): М2 = -339,242 кНм, N2 = -543,65 кН, М2 = -339,242 кНм.
Для нижней части колонны (сечение 3-3): N1 = -1510,65 кН, М1 = -769,43 кНм; (сечение 4-4): N2 = -2086,61 кН, М2 = 688,1521 кНм.
Соотношение жесткостей верхней и нижней частей колонны
; материал колонны – сталь марки С245. Бетон фундамента марки М100.
3.2 Определение расчетных длин колонны в плоскости рамы
5,4/18,6 = 0,29< 0,6;
-2086,61/ (-294,75) = 7,08 > 3, Þ![]()
![]()
Для нижней части колонны lx1 = 2·1860 = 3720 см.
Для верхней части колонны lx2 = 3·540 = 1620 см.
3.3 Определение расчетных длин колонны из плоскости рамы
1860 см;
540 – 125 = 415 см.
3.4 Расчет верхней части колонны
Сечение верхней части колонны принимаем в виде сварного двутавра высотой hB
= 450 мм. Для симметричного двутавра
;
0,35·45 = =15,75 см;
(1620/18,9) Ö (24/ 20600) = 2,9;
=39240,3/ (294,75·0,35·45) = 8,45. Принимаем
, тогда
4;
1,34·8,45 = 11,34;
0,106, ÞАтр
= 294,75/(0,106·24) = 115,9 см2
Компоновка сечения:
·1,2 = 42,6 см
Из условия местной устойчивости:
68,85 и
42,6/68,85 = 0,62 см.
Принимаем
. Рис.3.1. Сечение верхней части колонны
Требуемая площадь полки
tw
hw
)/2
= (115,9 – 0,8·42,6)/2 = 40,91 см2
.
Из условия устойчивости верхней части колонны из плоскости действия момента ширина полки
415/20 = 20,75 см; из условия местной устойчивости полки:
2,9) Ö (20600 /24) = 19,04
.
Принимаем bf = 36 см; tf =1,2; Аf =36·1,2 = 43,2 см2 > 40,91 см2 .
(36 – 0,8) / (2·1,2) = 14,67 < 19,04.
Геометрические характеристики сечения:
Полная площадь сечения А0 = 2·36·1,2 + 0,8·42,6 = 120,48 см2 ;
Ix
= 0,8·42,63
/12 + 2·36·1,2[(45 – 1,2)/2]2
= 46592,2 см4
;
19,7 см; Iу
= 2·1,2·363
/12 = 9331,2 см4
;
8,8 см;
Wx
= 46592,2/(0,5·45) = 2070,8 см3
;
17,19 см.
Проверка устойчивости верхней части колонны в плоскости действия момента:
l
х
= 1620/19,7 = 82,23;
2,81;
39240,3 /(294,75·17,19) = 7,74;
1,2·36/(0,8·42,6) = 1,27, Þh = 1,4 – 0,02·2,81 = 1,34;
10,4;
7
s = 294,75/(0,107·120,48) = 22,9 кН/см2 < 24 кН/см2
Недонапряжение [(24 – 22,9)/24]100 = 4,6% < 5%.
Проверка устойчивости верхней части колонны из плоскости действия момента.
415/8,8 = 47,2;
,864.
Максимальный момент в средней трети расчетной длинны стержня:
-339,242 + (-392,403 – (-339,242)) /5,4(5,4 – 4,15/3 ) = -378,79 кНм.
По модулю
= 392,403/2 = 196,2 кНм;
37879·120,48/ (294,75·2070,8) = 7,48.
![]()
где ![]()
![]()
l
у
= 47,2 <l
с
=
= 92b
= 1;
= 0,9
+0,9·5) = 0,18
10·0,864/1] = 0,1
с = 0,18(2 – 0,2·7,48) + 0,1(0,2·7,48 –1) = 0,14
294,75/ (0,14·0,864·120,48) = 20,2 < 24 кН/см2
.
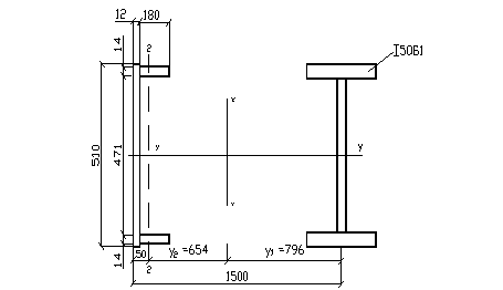
3.5 Расчет нижней части колонны
Высота сечения
1500 мм. Подкрановую ветвь колонны принимаем из широкополочного двутавра, наружную – составного сварного сечения из трех листов.
Определение ориентировочного положения центра тяжести.
Принимаем
;
150 – 5 = 145 см.
у1 = 68815,2/(76943 + 68815,2)145 = 68,46 см
= 145 – 68,46 = 76,54 см
Усилия: в подкрановой ветви Nв1 = 1510,65·76,54/145 + 76943/145 = 1328,1 кН
В наружной ветви Nв2 = 2086,61·68,46/145 + 68815,21/145 = 1459,76 кН
Требуемая площадь ветвей:
Для подкрановой ветви задаемся
,8; (сталь С245 фасонный прокат)
АВ1 = 1328,1/(0,8·24) = 69,2 см2
По сортаменту подбираем I 50Б1(I 45Б1 не удовлетворяет требованию по устойчивости): АВ1 = 91,8 см2 ; iх1 = 4,22 см; iу1 = 20,3 см.
Для наружной ветви
1459,76/(0,8·24) = 76,03 см2
(сталь С245 листовой прокат,
,8).
Для удобства прикрепления элементов решетки просвет между внутренними гранями полок принимаем 471 мм. Толщину стенки швеллера
для удобства ее соединения встык с полкой надкрановой части колонны принимаем равной 12 мм; высота стенки из условия размещения сварных швов
510 мм.
Требуемая площадь полок:
(76,03 – 1,2·51)/2 = 7,4 см2
Из условия местной устойчивости полки швеллера
14. Принимаем
8 см;
= 1,4 см;
25,2 см2
.

Рис.3.2. Сечение нижней части колонны
Геометрические характеристики ветви:
АВ2 = 1,2·51 + 2·25,2 = 111,6 см2
z0 = (1,2·51·0,6 + 25,2·10,2·2)/111,6 = 5 см
Ix2
= 1,2·51·4,42
+ 2·1,4·183
/12 + 25,2·5,22
·2 = 3908,45 см4
;
5,92 см
Iу
= 1,2·513
/12 + 25,2·24,252
·2 = 42903,45 см4
;
19,61 см.
Уточняем положение центра тяжести сечения колонны:
h0
= 150 – 5 = 145 см ;
= 111,6·145/ (91,8 + 111,6) = 79,6 см
у2 = 145 – 79,6 = 65,4 см .
Отличие от первоначальных размеров существенно, поэтому усилия в ветвях:
Nв1 = 1510,65·65,4/145 + 76943/145 = 1212 кН
Nв2 = 2086,61·79,6/145 + 68815,21/145 = 1620 кН
Проверка устойчивости ветвей: из плоскости рамы (относительно оси у-у).
Подкрановая ветвь:
1860/20,3 = 91,63;
0,602
1212/(0,602·91,8) =21,9 кН/см2
< 24 кН/см2
Наружная ветвь:
1860/19,61 = 94,8;
0,6.
= 1620/(0,6·111,6) = 23,9< 24 кН/см2
.
Требуемое расстояние между узлами решетки:
= 91,63,
·91,63 = 91,63·4,22 = 386,68 см.
Принимаем
358 см. Проверим устойчивость ветвей в плоскости рамы. Для подкрановой ветви:
358/4,22 = 84,83;
0,65;
1212/(0,65·91,8) = 20,34< 24 кН/см2
.
Для наружной ветви:
358/5,92 = 60,5;
03;
1620/(0,803·111,6) = 18< 24 кН/см2
.
Расчет решетки подкрановой части колонны. Поперечная сила в сечении колонны
= - 46,3824 кН.
Условная поперечная сила
;
(91,8 + 111,6) = 40,68 < 46,3824 кН.
Расчет производим на QMAX .
Усилие сжатия в раскосе
46,3824/ (2·0,64) = 36,24 кН
150/Ö (1502
+ (358 /2)2
) = 0,64;
10
- угол наклона раскоса.
Задаемся
; ![]()
Требуемая площадь раскоса:
36,24/(0,56·24·0,75) = 3,6 см2
R = 24 кН/см2
(фасонный прокат из стали С245);
(сжатый уголок, прикрепленной одной полкой). Принимаем L 75x6 ( предыдущие сечения не удовлетворяют требованиям по устойчивости):
= 8,78 см2
;
1,48 см;
234,38/1,48 = 158; j
= 0,25.
Напряжения в раскосе:
36,24/(0,25·8,78) = 16,5<R
g
= 24·0,75 = 18 кН/см2
.
Проверка устойчивости колонны в плоскости действия момента как единого стержня.
Геометрические характеристики всего сечения:
91,8 + 111,6 = 203,4 см2
;
91,8·79,62
+111,6·65,42
= 1058990,5 см4
;
Ö (1058990,5/203,4) = 72,15 см;
3720/72,15 = 51,6;
Приведенная гибкость
= Ö (51,62
+ 16·203,4/(2·8,78)) = 53,4;
53,4Ö (24/20600) = 1,82.
Для комбинации усилий, догружающих наружную ветвь (сечение 4-4), N2 = -2086,61 кН; М2 = 688,1521 кНм;
68815,21·203,4(65,4 +5)/ (2086,61·1058990,5) = 0,45;
,57;
2086,61/(0,57·203,4) =18<R
= 24 кН/см2
.
Для комбинации усилий, догружающих подкрановую ветвь (сеч. 3-3),
N1 = -1510,65 кН; М1 = -769,43 кНм
76943·203,4·79,6/(1510,65·1058990,5) = 0,78;
1;
= 1510,65/(0,51·203,4) = 14,6 <R
= 24 кН/см2
.
Устойчивость сквозной колонны как единого стержня из плоскости действия момента проверять не нужно, т.к. она обеспечена проверкой устойчивости отдельных ветвей.
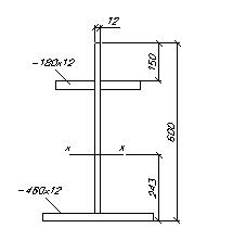
3.6. Конструкция и расчет сопряжения верхней и нижней частей колонны
Расчетные комбинации усилий в сечении над уступом:
1) М = 262,9552 кНм; N = 349,25 кН;
2) М = -339,242 кНм; N = 543,65 кН.
Давление кранов
1161,39 кН.
Прочность стыкового шва проверяем по нормальным напряжениям в крайних точках сечения подкрановой части.
Площадь шва равна площади сечения колонны.
Первая комбинация М и N:
Наружная полка
349,25/120,48 +26295,52/2070,8 = 15,6 <R
СВ
= 24 кН/см2
Внутренняя полка
349,25/120,48 – 26295,52/2070,8 = -9,8<R
СВ
р
= 0,85·24 = 20,4 кН/см2
Вторая комбинация М и N:
Наружная полка
543,65/120,48 – 33924,2/2070,8 = -11,9 <R
СВ
р
= 0,85·24 = 20,4 кН/см2
Внутренняя полка
543,65/120,48 + 33924,2/2070,8 = 20,9 <R
СВ
= 24 кН/см2
.
Толщина стенки траверсы из условия смятия:
1161,39/(34·36) = 0,9 см;
;
;
36 кН/см2
Принимаем
.
Усилие во внутренней полке верхней части колонны (вторая комбинация)
543,65/2 +33924,2/45 = 1025,7 кН
Длина шва крепления вертикального ребра траверсы к стенке траверсы

Принимаем полуавтоматическую сварку проволокой марки Св-08А, d = 2 мм,
;
. Назначаем
;
;
;
;
;
1025,7/(4·0,6·16,2) = 26,4 см; ![]()
В стенке подкрановой ветви делаем прорезь, в которую заводим стенку траверсы.
Для расчета шва крепления траверсы к подкрановой ветви (ш3) составляем комбинацию усилий, дающую наибольшую опорную реакцию траверсы.

Такая комбинация: N = 543,65 кН; М = 6,64 кНм.
543,65·45/(2·150) – 664/150 + 1161,39·0,9 = 1122,37 кН
Коэффициент 0,9 учитывает, что усилия N и М приняты для второго основного сечения нагрузок.
Требуемая длина шва
1122,3/(4·0,6·16,2) = 28,9 см ![]()
Высота траверсы из условия прочности стенки подкрановой ветви в месте крепления траверсы:
1122,37/ (2·0,844·14) = 47,5 см
Принимаем
60 см.
Проверим прочность траверсы как балки, нагруженной усилиями N, М, ДMAX . Нижний пояс траверсы принимаем конструктивно из листа 460х12 мм, верхние горизонтальные ребра – из двух листов 180х12.
Геометрические характеристики траверсы:
Положение центра тяжести траверсы:
ун = (2·18·1,2·44,4 + 1,2·58,8·30,6 + 1,2·46·0,6)/(2·18·1,2 + 1,2·58,8 + 1,2·46) = 24,3 см
I х = 1,2·58,83 /12 +1,2·58,8·6,32 + 1,2·46·23,72 + 2·18·1,2·20,12 = 71588,792 см4
71588,792/35,7 = 2005,29 см3
Максимальный изгибающий момент при второй комбинации усилий:
(33924,2/150+543,65·45/(2·150))(150 – 45) = 46309 кНсм
46309/2005,29 = 23,09 <R
= 24 кН/см2
Максимальная поперечная сила в траверсе:
543,65·45/(2·150) – 6,64/150 +1,2·1161,39·0,9/2 = 708,65 кН
708,65/(1,2·58,8) = 12,05 <R
ср
= 14 кН/см2
.
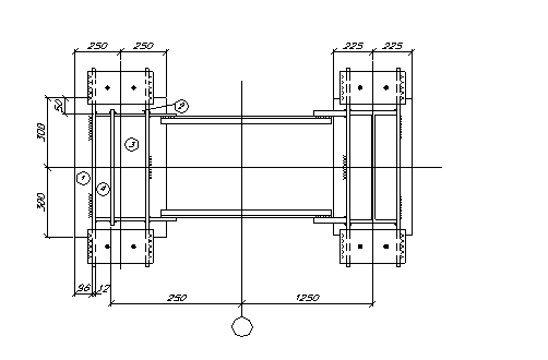
3.7 Конструкция и расчет базы колонны
Ширина нижней части колонны 150 см >100 см, поэтому проектируем базу раздельного типа.
Расчетная комбинация усилий в нижнем сечении колонны (сечение 4-4):
M = 688,1521кНм; N = 1144,86 кН
Усилия в ветвях колонны:
68815,21/145 +2086,61·65,4/145 = 1415,72 Кн;
1620 кН.
База наружной ветви .
Требуемая площадь плиты
1620/0,54 = 3000 см
;
(Бетон М100).
По конструктивным соображениям свес плиты c2 должен быть не менее 4см.
Тогда
9,9 +2·4 = 57,9 см. Принимаем В
= 60 см;
= 3000/60 = 50 см. Принимаем L = 50 см;
50·60 = 3000 см2
.
Среднее напряжение в бетоне под плитой
= 1620/3000 = 0,54 кН/см2
Из условия симметричного расположения траверс относительно центра тяжести ветви расстояние между траверсами в свету равно:
18 +1,2 – 5) = 28,4 см; при толщине траверсы 12 мм с1
= (50 – 28,4 – 2·1,2)/2 = 9,6 см
Определяем изгибающие моменты на отдельных участках плиты:
Участок 1 (консольный свес
9,6 см)
54·9,62
/2 = 24,9 кНсм
Участок 2 (консольный свес
)
М2 = 0,54·52 /2 = 6,75 кНсм
Участок 3 (плита, опертая на четыре стороны; b / a = 47,1/18 = 2,6 >2; a = 0,125);
·0,54·182
= 21,87 кНсм
Участок 4 (плита, опертая на четыре стороны;b / a = 47,1/9,2 = 5,1 >2; a = 0,125);
,54·9,22
= 5,7 кНсм
Принимаем для расчета МMAX = М1 = 24,9 кНсм.
![]() |

Рис.3.4. База колонны
Требуемая толщина плиты
= Ö (6·24,9/22) = 2,6 см
Принимаем
28 мм (2 мм – припуск на фрезеровку).
Высоту траверсы определяем из условия из условия размещения шва крепления траверсы к ветви колонны. В запас прочности все усилия в ветви передаем на траверсы через 4 угловых шва. Сварка полуавтоматическая проволокой марки Св-08А, d = 2 мм; kш = 8 мм. Требуемая длинна шва:
1620/(4·0,8·16,2) = 31,25 см
8 = 61,2 см
Принимаем
.
1620/(4·0,8·(40 – 2)) = 13,3 < 16,2 кН/см2
База подкрановой ветви.
Требуемая площадь плиты
= 1415,72/0,54 = 2621,7 см2
В
³ 49,5 + 2·4 = 57,5 см; принимаем В
= 60 см;
2621,7/60 = 43,7 см;
принимаем L
= 45 см;
45·60 = 2700 см2
.
Напряжение в фундаменте под плитой
1415,72/2700 = 0,52 кН/см2
.
Определим изгибающие моменты на отдельных участках плиты:
Участок 1. (консольный свес с = 5,3 см)
0,52·5,32
/2 = 7,3 кНсм
Участок 2. (плита рассчитывается как консоль).
= 0,52·11,32
/2 = 33,2 кНсм
Участок 3. (плита, опертая на четыре стороны;b
/
a
= 47,1/9,6 = 4,9 >2;;
)
0,52·0,125·9,62
/2 = 6 кНсм
Принимаем для расчета МMAX = M2 = 33,2 кНсм.
Требуемая толщина плиты
= Ö (6·33,2/22) = 3 см.
Принимаем
32 мм
Высоту траверсы определим из условия размещения шва крепления траверсы к ветви колонны. В запас прочности все усилия ветви передаем на траверсы через 4 угловых шва.
Сварка полуавтоматическая проволокой марки Св-08А, d = 2 мм; kш = 6 мм.
= 1415,72/(4·0,6·16,2) = 36,4 см
![]()
Принимаем
.
1415,72/(4·0,6·(40 – 2)) = 15,52 < 16,2 кН/см2
4. РАСЧЕТ РЕШЕТЧАТОГО РИГЕЛЯ РАМЫ
Материал стержней ферм – сталь марки С245.
4.1 Определение усилий в стержнях фермы
Постоянная нагрузка:
Fg = 1,1152·6·3 = 20 кН
Рис. 4.1. Расчетная схема постоянной нагрузки
Снеговая нагрузка:
F сн = 1,5·6·3·1.6 = 43 кН
Рис. 4.2. Расчетная схема снеговой нагрузки
Рис.4.3. Диаграмма усилий от постоянной (или снеговой) нагрузки

Нагрузки от рамных моментов:
1)
-392,403 кНм;
= -161,71 кНм;
2)
-392,403 – (-226,614) = -165,789 кНм;
-161,71 – (-226,614) = 64,904 кНм.
Для построения диаграммы единичный момент заменяем парой сил с плечом, равным расчетной высоте фермы на опоре:
Н = М/( h оп - S z 0 ) =1/(3,15 – 0,1) = 0,328 кН.
Значения вертикальных опорных реакций фермы:
FA = - FB = M /ℓ = 1/29,55 = 0,0338 кН.
В
![]()
![]()
![]()
![]()
![]()
![]()
![]()
![]()
Рис.4.4. Расчетная схема усилий
Рис.4.5. Диаграмма усилий от единичного момента
Расчетные усилия в элементах фермы сведены в таблицу 4.1.
4.2. Подбор и проверка сечений стержней фермы
Результаты расчета сведены в таблицу 4.2.
Таблица 4.1 Расчетные усилия в элементах фермы, кН
| Элемент | № стержня | От постоянной нагрузки |
От снеговой нагрузки | От опорных моментов | Расчетные усилия | |||||
| y = 1 | y = 0,9 | S1 от М1=1 |
S2 от М2=1 |
S1М1 | S2М2 | растяжение | сжатие | |||
| 1 | 2 | 3 | 4 | 5 | 6 | 7 | 8 | 9 | 11 | 12 |
| Верхний пояс | А-1 | 0 | 0 | 0 | -0,328 | 0 | 128,7 | 0 | 128,7 | - |
| Б-3, В-4 | -160 | -344 | -309,6 | -0,267 | -0,064 | 104,8 | 10,3 | - | -504 | |
| Г-6, Д-7 | -240 | -516 | -464,4 | -0,199 | -0,131 | 78,1 | 21,2 | - | -756 | |
| Нижний пояс | Л-2 | 90 | 193,5 | 174,15 | 0,297 | 0,03 | -49,2 | 1,95 | 283,5 | - |
| Л-5 | 210 | 451,5 | 406,35 | 0,233 | 0,098 | -38,6 | 6,4 | 661,5 | - | |
| Л-8 | 250 | 537,5 | 483,75 | 0,166 | 0,166 | -27,5 | 10,8 | 787,5 | - | |
| Раскосы | 1-2 | -126 | -270,9 | -243,81 | 0,044 | -0,044 | -17,3 | 7,1 | - | -396,9 |
| 2-3 | 100 | 215 | 193,5 | -0,047 | 0,047 | 18,4 | -7,6 | 315 | - | |
| 4-5 | -70 | -150,5 | -135,45 | 0,047 | -0,047 | -18,4 | 7,6 | - | -220,5 | |
| 5-6 | 42 | 90,3 | 81,27 | -0,047 | 0,047 | 18,4 | -7,6 | 132,3 | - | |
| 7-8 | -14 | -30,1 | -27,09 | 0,047 | -0,047 | -18,4 | 7,6 | - | -44,1 | |
| Стойки | 3-4 | -20 | -43 | -38,7 | 0 | 0 | - | - | - | -63 |
| 6-7 | -20 | -43 | -38,7 | 0 | 0 | - | - | - | -63 | |
Таблица 4.2. Таблица проверки сечений стержней фермы, кН
| Элемент | № стержня |
Расчетное усилие | Сечение | Площадь А, см2 |
LХ / LУ, см |
iХ / iУ, см |
Х /У | [] | min | g | Проверка сечений | ||
| растяжение | сжатие | прочность N/A£Rg кН/см2 |
устойчивость N/A)£Rg кН/см2 |
||||||||||
| 1 | 2 | 3 | 4 | 5 | 6 | 7 | 8 | 9 | 10 | 11 | 12 | 13 | 14 |
| Верхний пояс | А-1 | 128,7 | - | ┐┌ 110х70х6,5 | 22,9 | 277,5/277,5 | 2/5,44 | - | - | - | - | - |
- |
| Б-3,В-4 | - | -50,4 | ┐┌ 160х110х9 | 45,74 | 300/300 | 2,85/7,75 | 105/39 | 120 | 0,51 | 0,95 |
21,6 <22,8 | ||
| Г-6,Д-7 | - | -756 | ┐┌ 180х110х12 | 67,4 | 300/600 | 3,1/8,75 | 97/69 | 120 | 0,563 | 19,9 < 22,8 | |||
| Нижний пояс | Л-2 | 283,5 | - | ┘└ 80х50х5 | 12,72 | 300/597,75 | 1,41/4,02 | 213/149 | 250 | - | 22,3 < 22,8 | - | |
| Л-5 | 661,5 | - | ┘└160х100х9 | 45,74 | 600/1800 | 2,85/7,67 | 211/235 | 14,5 < 22,8 | |||||
| Л-8 | 787,5 | - | ┘└160х100х9 | 45,74 | 600/1800 | 2,85/7,67 | 211/235 | 17,2 < 22,8 | |||||
| Раскосы | 1-2 | - | -396,9 | ┐┌ 125х80х10 | 30,94 | 197/394 | 2,26/6,19 | 87/64 | 120 | 0,634 | - | 20,2 < 22,8 | |
| 2-3 | 315 | - | ┐┌ 63х 6 | 14,56 | 342/428 | 1,93/2,99 | 177/143 | 300 | - | 21,6 < 22,8 | - | ||
| 4-5 | - | -220,5 | ┐┌ 90х 9 | 31,2 | 342/428 | 2,75/4,11 | 124/104 | 150 | 0,397 | 0,8 | - | 17,8 < 19,2 | |
| 5-6 | 132,3 | - | ┐┌ 40х 4 | 6,16 | 342/428 | 1,22/2,04 | 280/210 | 300 | - | 0,95 | 21,52 < 22,8 | - | |
| 7-8 | - | -44,1 | ┐┌ 75х 7 | 20,3 | 342/428 | 2,29/3,47 | 149/123 | 150 | 0,28 | 0,8 | - | 7,8 < 19,2 | |
| Стойки | 3-4 | - | -63 | ┐┌ 56х 5 | 10,82 | 244/305 | 1,72/2,72 | 142/112 | 150 | 0,311 | 18,7 < 19,2 | ||
| 6-7 | - | -63 | ┐┌ 56х 5 | 10,82 | 244/305 | 1,72/2,72 | 142/112 | ||||||
4.3 Расчет узлов ферм ы
Для сварки узлов фермы применяем полуавтоматическую сварку проволокой Св-08Г2С d=2мм; kш max
=8 мм;
;
;
;
=165·
1,05 = 173.
Несущая способность швов определяется прочностью на границе сплавления (
) =17,3кН/см2
; ![]()
Расчет швов приведен в табл. 4.3.
Таблица 4.3
№ стержня |
Сечение | N, кН |
Шов по обушку | Шов по перу | ||||
| Nоб, кН | kш, см | ℓш, см | Nп, кН | kш, см | ℓш, см | |||
| 1-2 | ┐┌125х80х10 | 396,9 | 0,75N= = 297,7 |
0,8 | 12 | 0,25N = 99,2 | 0,6 | 6 |
| 2-3 | ┐┌ 63х6 | 315 | 0,7N = = 220,5 |
0,6 |
0,3N = 94,5 | 0,4 | 8 | |
| 3-4 | ┐┌ 56х5 | 63 | 44,1 | 5 | 18,9 | 5 | ||
| 4-5 | ┐┌ 90х9 | 220,5 | 154,35 | 0,8 | 7 | 66,2 | 0,6 | |
| 5-6 | ┐┌ 40х4 | 132,3 | 92,61 | 0,6 |
6 | 39,7 | 0,4 | |
| 6-7 | ┐┌ 56х5 | 63 | 44,1 | 5 |
18,9 | |||
| 7-8 | ┐┌ 75х7 | 44,1 | 30,9 | 13,2 | ||||
Толщина фасонок – 6 мм. Очертание фасонок – в форме прямоугольника.
ЛИТЕРАТУРА
1. Беленя Е.И. и др. Металлические конструкции. М.: Стройиздат, 1985.- 560 с.
2. СНиП 2.01.07.-85. Строительные нормы и правила. Нагрузки и воздействия. – М.: Стройиздат, 1988.-34 с.
3. СНиП II-23-81*. Строительные нормы и правила. Стальные конструкции.-М.: Стройиздат, 1990.-96 с.
Похожие рефераты:
Стальной каркас одноэтажного промышленного здания
Конструирование железобетонных колонн
Проектирование сборных железобетонных элементов каркаса одноэтажного промышленного здания
Расчёт металлического каркаса многоэтажного здания
Конструктивная схема одноэтажного промышленного здания
Проект реконструкции цеха первичной переработки нефти и получения битума на ОАО «Сургутнефтегаз»
Детский ясли-сад на 140 мест с бассейном
Проектирование четырехэтажной гостиницы в г. Краснодаре
Расчет поворотного крана на неподвижной колонне

