| Похожие рефераты | Скачать .docx |
Курсовая работа: Проектирование оснований и фундаментов восьмиэтажного жилого дома
Московский Государственный
Строительный Университет
Кафедра: « Механики грунтов, оснований и фундаментов»
Проектирование оснований и фундаментов восьмиэтажного жилого дома
Выполнил: студент группы ПГС – 4 – 8
Крылов А.С.
Принял: Дорошкевич Н.М.
Москва 1999
Вводная часть
В курсовом проекте необходимо запроектировать фундаменты под жилое 8-ти этажное здание с подвалом, несущими конструкциями которого являются колонны сечением 40*40 см.
В проекте необходимо:
- определить физико-механические свойства грунтов строительной площадки и выполнить инженерно-геологический разрез по исходным данным;
- установить нагрузки для расчёта оснований фундаментов по первому и второму предельному состоянию;
- разработать конструктивную схему фундамента мелкого заложения, уточнить величину расчётного сопротивления основания по принятым размерам фундамента, определить предварительные размеры фундамента;
- определить модуль общей деформации по результатам компрессионных и штамповых испытаний;
- выполнить расчет осадок фундаментов и сравнить полученные данные с предельно допустимыми осадками для выбранного варианта фундамента;
- разработать схему свайного фундамента и произвести его расчет;
- произвести технико-экономический расчёт по выбору вариантов фундаментов;
- разработать схемы производства работ по устройству фундаментов.
Оценка инженерно-геологических условий площадки строительства в г. Воронеж
На рисунке показан инженерно-геологический разрез, построенный по данным инженерно-геологических изысканий (по заданию).
1. Определение характеристик грунта
Грунт№1: Скважина 1
(насыпь неслежавшаяся)
![]()
Грунт№2: Скважина 1
(глинистый грунт)
Определяем тип грунта:
грунт: суглинок.
Определяем разновидность грунта:
суглинки полутвердые
Определяем коэффициент пористости:
![]()
По интерполяции определяем
![]()
Грунт№3: Скважина 1 ![]()
Определяем тип грунта:
грунт: суглинок.
Определяем разновидность грунта:
![]()
суглинки текучепластичные
Определяем коэффициент пористости:
![]()
По интерполяции определяем
![]()
Грунт№4: Скважина 2 ![]()
Определяем тип грунта:
Песок мелкий (
); состав:![]()
![]()
Определяем разновидность грунта:
;
вид песчаного грунта: песок плотный
![]()
Определяем разновидность грунта по степени влажности:
![]()
Принимаем
; по влажности песок насыщенный водой ![]()
По СНиП определяем
![]()
Грунт№5: Скважина 2 ![]()
Определяем тип грунта:
грунт: глина.
Определяем разновидность грунта:
глины полутвердые.
Определяем коэффициент пористости:
![]()
По интерполяции определяем
![]()
2. Определение расчетной нагрузки при проектировании столбчатого фундамента 8 - и этажного жилого дома с подвалом
Нормативные нагрузки от веса сооружения:
- постоянная.
- временная.
При наличии подвала постоянная и временная нагрузки увеличиваются. Нормативные нагрузки от веса перекрытия над подвалом:
![]()
![]()
Расчетная нагрузка, действующая по обрезу фундамента для здания с подвалом:
![]()
где
-коэффициенты перегрузок, применяемые для расчета фундаментов по 2 группе предельных состояний по деформациям в соответствии с п.10 СНиПа 2-6-74.
![]()
Для расчета устойчивости по 1 группе предельных состояний в соответствии с пп. 2.2; 3.7; 5.7 СНиПа 2-6-7-74.
![]()
- коэффициент сочетания постоянных и временных нагрузок, применяемых в соответствии с п.1.12 СНиПа 2-6-7-74.
![]()
Колонна А:
Расчетная нагрузка, действующая по обрезу фундамента для расчета по 2 группе предельных состояний, для колонны А равна
![]()
Расчетная нагрузка, действующая по обрезу фундамента для расчета по 1 группе предельных состояний, для колонны А равна
.
Колонна Б:
Расчетная нагрузка, действующая по обрезу фундамента для расчета по 2 группе предельных состояний, для колонны Б равна
![]()
Расчетная нагрузка, действующая по обрезу фундамента для расчета по 1 группе предельных состояний, для колонны Б равна
.
3. Определение глубины заложения столбчатого фундамента под колонну 8-и этажного здания с подвалом
Относительная отметка пола подвала –2.7м. Отметка пола 1-го этажа на 0.80м. выше планировочной отметки, т.е. высота цокольной части здания
Расчетная среднесуточная температура воздуха в помещении, примыкающем к наружным фундаментам +100
С. Место строительства – город Воронеж.
Грунтовые условия строительной площадки: с поверхности до глубины 0,79 м.- растительный слой; ниже – до глубины 2,39 м суглинок полутвердый с показателем текучести
, далее, до глубины 5,19 м. – суглинок текучепластичный с показателем текучести
. Уровень подземных вод WL находится на глубине 2,50 м.
Определяем глубину заложения фундамента исходя из конструктивных особенностей здания. В зданиях с подвалом заглубление подошвы фундаментов:
![]()
,
где
- размер от чистого пола подвала до пола 1-го этажа;
- величина заглубления подошвы фундамента от низа пола подвала;
- высота цокольной части здания;
- высота принятой конструкции пола подвала.
![]()
Определяем расчетную глубину сезонного промерзания для суглинков в районе строительства (г. Воронеж):
,
где
- величина нормативной глубины сезонного промерзания, определяемая по СниПу2.02.01-83 , пп. 2.26 и 2.27;
- коэффициент, учитывающий влияние теплового режима сооружения, принимаемый: для наружных фундаментов отапливаемых сооружений по таблице1 СНиПа 2.02.01-83
Определяем нормативную глубину промерзания:
,
где
- безразмерный коэффициент, численно равный сумме абсолютных значений среднемесячных отрицательных температур за зиму в данном районе (гор. Воронеж).
-величина, зависящая от вида грунта (грунт – суглинок текучепластичный ) в соответствии с п.2.27 СНиПа 2.02.01-83.
Окончательно принимаем глубину заложения фундамента 2,6 м
4. Определение ширины подошвы столбчатого фундамента мелкого заложения на естественном основании для жилого здания с подвалом
Для колонны А:
Запроектируем фундамент под колонну 8-и этажного жилого здания с подвалом. Расчетная нагрузка, действующая на колонну
. Длина здания
, высота
. Отметка пола подвала – 2.7м. Глубина заложения подошвы фундамента
. Отметка пола 1-го этажа на 80 см выше планировочной отметки.
Материал основания: суглинок текучепластичный
,
,
,
, ![]()
Определяем ориентировочную ширину подошвы ленточного фундамента:
,
где
- расчетная нагрузка от массы сооружения на 1 пог.м.
значение расчетного сопротивления грунта песчаной подушки.
осредненный удельный вес стеновых блоков фундамента и грунта.
глубина заложения фундамента.
![]() |
Полученная щирина подошвы столбчатого фундамента
является предварительной, т.к. ширина определена исходя из табличного значения расчетного сопротивления основания. По этому размеру приняв типовую фундаментную подушку ФЛ 32.12 (2 штуки 3,2*2,4), находим уточненное значение расчетного сопротивления грунта основания:

где
- коэффициенты условий работы грунтового основания и здания во взаимодействии с основанием, определяемые по таблице 3 СНиПа 2.02.01-83.
– коэффициент надежности приняый равным 1 т.к. прочностные
характеристики грунта
заданны в проекте, по результатам непосредственных испытаний грунтов на строй. площадке.
![]()
- коэффициенты, принимаемые по таблице 4 СНиПа 2.02.01-83 в зависимости от расчетного значения угла внутреннего трения
грунта, находящегося непосредственно под подошвой фундамента.
- коэффициент, при
.
- глубина заложения фундамента от уровня планировки срезкой или подсыпкой.
![]()
- осредненное расчетное значение удельного веса грунтов, залегающих выше отметки заложения подошвы фундамента (при наличии подземных вод) определяется с учетом взвешивающего действия воды), кН/м3 .
где
,
,
- мощности выше лежащих слоев.
- расчетное значение удельного веса грунта, залегающего непосредственно под подошвой фундамента.
- расчетное значение удельного сцепления грунта, залегающего непосредственно под подошвой фундамента.
, - приведенная глубина заложения наружных и внутренних фундаментов от пола подвала.
где
- толщина слоя грунта от отметки подошвы фундамента до отметки низа пола подвала.
- толщина конструкций пола подвала.
- расчетное значение удельного веса материала конструкций пола подвала.
- расстояние от уровня планировки до пола подвала
Т.к полученное расчетное сопротивление основания не существенно отличается от
, то дальнейшее уточнение принятой ранее ширины фундамента не производим.
Проверяем фактическое среднее давление под подошвой фундамента. Общий объем фундамента, грунта на его уступах и пола подвала:
![]()
объем самого фундамента
![]()
объем грунта на обрезах фундамента
![]()
Удельный вес конструктивных элементов фундамента принимаем равным 24 кН/м3
Вес одного фундамента
![]()
Удельный вес грунта обратной засыпки принимаем равным 10,63 кН/м3
![]()
Проверяем среднее давление, действующее под подошвой фундамента при b=2,4 и заданных нагрузках:
,
![]()
Согласно СНиПу 2.02.01-83 п.2.41 среднее давление на основание под подошвой фундамента P не должно превышать расчетного сопротивления основания R более чем на 20%. Определим разницу между R и P:
<20%
Следовательно, ширина подошвы столбчатого фундамента запроектирована достаточно экономично.
Колонна Б:
Запроектируем фундамент под внутреннюю колонну 8-и этажного жилого здания с подвалом. Расчетная нагрузка, действующая на колонну
. Длина здания
, высота
. Отметка пола подвала – 2.7м. Глубина заложения подошвы фундамента
. Отметка пола 1-го этажа на 80 см выше планировочной отметки.
Материал основания: суглинок текучепластичный
,
,
,
,
.
Определяем ориентировочную ширину подошвы ленточного фундамента:
,
где
- расчетная нагрузка от массы сооружения на 1 пог.м.
значение расчетного сопротивления грунта песчаной подушки.
осредненный удельный вес стеновых блоков фундамента и грунта.
глубина заложения фундамента.
![]() |
Полученная щирина подошвы столбчатого фундамента

где
- коэффициенты условий работы грунтового основания и здания во взаимодействии с основанием, определяемые по таблице 3 СНиПа 2.02.01-83.
– коэффициент надежности приняый равным 1 т.к. прочностные
характеристики грунта
заданны в проекте, по результатам непосредственных испытаний грунтов на строй. площадке.
- коэффициенты, принимаемые по таблице 4 СНиПа 2.02.01-83 в зависимости от расчетного значения угла внутреннего трения
грунта, находящегося непосредственно под подошвой фундамента.
- коэффициент, при
.
- глубина заложения фундамента от уровня планировки срезкой или подсыпкой.
![]()
- осредненное расчетное значение удельного веса грунтов, залегающих выше отметки заложения подошвы фундамента (при наличии подземных вод ) определяется с учетом взвешивающего действия воды), кН/м3 .
где
,
,
- мощности выше лежащих слоев.
- расчетное значение удельного веса грунта, залегающего непосредственно под подошвой фундамента.
- расчетное значение удельного сцепления грунта, залегающего непосредственно под подошвой фундамента.

- приведенная глубина заложения наружных и внутренних фундаментов от пола подвала.
где
- толщина слоя грунта от отметки подошвы фундамента до отметки низа пола подвала.
- толщина конструкций пола подвала.
- расчетное значение удельного веса материала конструкций пола подвала.
- расстояние от уровня планировки до пола подвала
Т.к полученное расчетное сопротивление основания не существенно отличается от
, то дальнейшее уточнение принятой ранее ширины фундамента не производим.
Проверяем фактическое среднее давление под подошвой фундамента. Общий объем фундамента, грунта на его уступах и пола подвала:
![]()
объем самого фундамента
![]()
объем грунта на обрезах фундамента
![]()
Удельный вес конструктивных элементов фундамента принимаем равным 24 кН/м3
Вес одного фундамента
![]()
Удельный вес грунта обратной засыпки принимаем равным 10,63 кН/м3
![]()
Проверяем среднее давление, действующее под подошвой фундамента при
и заданных нагрузках:
,
![]()
Согласно СНиПу 2.02.01-83 п.2.41 среднее давление на основание под подошвой фундамента P не должно превышать расчетного сопротивления основания R более чем на 20%.
Определим разницу между R и P:
<20%
Следовательно, ширина подошвы столбчатого фундамента запроектирована достаточно экономично.
5. Определение модуля общей деформации Eo по результатам компрессионных и штамповых испытаний
Модули деформации E0 определяются для всех слоев в грунте, входящих в сжимаемую толщу Hc . Материалом для определения модулей являются результаты лабораторных либо полевых испытаний каждого слоя, которые приводятся в задании.
По данным строятся графики зависимости:
1) Коэффициента пористости от давления – компрессионная кривая.
2) Осадки от давления – график испытаний пробной статической нагрузкой
Кроме данных об испытаниях грунтов необходима графическая схема с напластованием грунтов и эпюрами
.
Компрессионные свойства грунтов:
Скважина 1
Глубина ![]()
Размер штампа d=27.7
| P, кПа | S |
| 0 | 0 |
| 50 | 0,87 |
| 100 | 1,75 |
| 150 | 2,62 |
| 200 | 3,50 |
| 250 | 5,02 |
| 300 | 8,41 |
| 350 | 14,20 |

По результатам штамповых испытаний строим график зависимости осадки от давления под штампом.
Для слоя V :
![]()
Значения
в соответствии с графиком равны:
![]()
Таким образом,
![]()
Скважина 1
Глубина ![]()
Размер штампа d=27.7
| P, кПа | S |
| 0,0 | 0,00 |
| 50 | 0,51 |
| 100 | 1,00 |
| 150 | 1,53 |
| 200 | 2,02 |
| 250 | 2,51 |
| 300 | 3,06 |
| 350 | 3,62 |
| 400 | 4,40 |
По результатам штамповых испытаний строим график зависимости
![]() |
осадки от давления под штампом
Для слоя IV
![]()
Значения
в соответствии с графиком равны:
![]()
Таким образом,
![]()
Скважина 2
Глубина
;
| P, кПа | e |
| 0,0 | 0,696 |
| 50 | 0,690 |
| 100 | 0,686 |
| 200 | 0,681 |
| 400 | 0,676 |

На рисунке показаны результаты компрессионных испытаний грунта V слоя – глины полутвердой.
Природное напряжение в середине сжимаемой части V слоя, согласно рис равно:
![]()
Напряжение
в соответствии с рис равно:
![]()
На кривой
=241,75 соответствует
=0,679, и
=290,1 соответствует
=0,678
Коэффициент сжимаемости грунта в интервале изменения действующих напряжений равен:

Коэффициент относительной сжимаемости (относительной деформации, приходящейся на единицу напряжения
)
![]()
Модуль линейной деформации E0 определяется по формуле:
![]()
6. Расчет осадок столбчатого фундамента 8-и этажного жилого дома для наружной колонны проходящей по оси А методом послойного суммирования
Ширина фундамента
, длинна фундамента l=3,2, глубина заложения
, η=l/b=3,2/2,4=1,33≈1,4 (рис. 1).
Среднее давление под подошвой
.
Расчетная схема показана на рис.
Расчет осадки фундамента ведется в табличной форме.
Сначала строятся эпюры природного и дополнительного давлений.
Затем определяется величина действующего по подошве фундамента дополнительного давления:
,
где P-среднее фактическое давление по подошве фундамента;
-природное(бытовое) давление на отметке подошвы фундамента
кПа
Тогда: ![]()
Вычисляем ординаты эпюры ![]()
, с помощью, которой можно графическим методом найти положение нижней границы сжимаемой толщи.
На поверхности: ![]()
На контакте I и II слоев ![]()
На контакте II и III слоев
![]()
Ниже уровня грунтовых вод удельный вес грунтов принимаем во взвешенном состоянии.
На контакте III и IV слоя
![]()
На контакте IV и V слоёв
![]()
Т. к V слой – глина полутвердая является водоупором, то на него давит столб воды выше кровли этого слоя. Тогда с учётом этого
![]()
В V слое ( глубина 14,7м )
![]()
Ординаты эпюры дополнительного осадочного напряжения:
![]()
Полученные данные сводим в таблицу:
| № слоя | h, м | Слои основания | Осадка | |||||
| III | 0 | 0 | 1 | 89,743 | 13,065 | Суглинок текучепластичный | 1,130999 | |
| 0,4 | 0,48 | 0,972 | 87,23 | 0,48 | ||||
| 0,8 | 0,96 | 0,848 | 76,102 | 0,48 | ||||
| 1,2 | 1,44 | 0,682 | 61,205 | 0,48 | ||||
| 1,6 | 1,92 | 0,532 | 47,743 | 0,48 | ||||
| 1,91 | 2,29 | 0,441 | 39,577 | 0,37 | ||||
| IV | 2 | 2,4 | 0,414 | 37,154 | 0,11 | 22,39 | Песок мелкий | 0,18381 |
| 2,4 | 2,88 | 0,325 | 29,166 | 0,48 | ||||
| 2,8 | 3,36 | 0,26 | 23,333 | 0,48 | ||||
| 3,2 | 3,84 | 0,21 | 18,846 | 0,48 | ||||
| 3,32 | 3,98 | 0,199 | 17,859 | 0,14 | ||||
| 3,6 | 4,32 | 0,173 | 15,526 | 0,48 |
Полная расчетная осадка фундамента получается суммированием величин осадок каждого слоя. Она должна быть меньше величины предельно допустимой осадки фундамента данного типа.
Осадка III слоя: S3 = 1,130999 см
Осадка IV слоя: S4 = 0,18381 см
Итак, осадка основания фундамента получается суммированием осадок всех слоев:
S3 +S4 =1,130999+0.18381=1,314809≈1,3см
Предельно допустимая осадка для зданий рассматриваемого типа составляет 8см
при принятом размере фундамента требования СНиП выполняются.
7. Расчет осадок столбчатого фундамента 8-и этажного жилого дома для внутренней колонны проходящей по оси Б методом послойного суммирования
Ширина фундамента
, l=5,6м глубина заложения
, η=l/b=5,6/2,4=2,33≈2,4 (рис. 2).
Среднее давление под подошвой
.
Определяется величина действующего по подошве фундамента дополнительного давления:
,
где P-среднее фактическое давление по подошве фундамента;
-природное(бытовое) давление на отметке подошвы фундамента
кПа
Тогда: ![]()
Ординаты эпюры дополнительного осадочного напряжения:
![]()
Полученные данные сводим в таблицу:
| № слоя | h, м | Слои основания | Осадка | |||||
| III | 0 | 0 | 1 | 100,163 | 13,065 | Суглинок текучепластичный |
1,329954 | |
| 0,4 | 0,48 | 0,976 | 97,759 | 0,48 | ||||
| 0,8 | 0,96 | 0,876 | 87,743 | 0,48 | ||||
| 1,2 | 1,44 | 0,739 | 74,02 | 0,48 | ||||
| 1,6 | 1,92 | 0,612 | 61,3 | 0,48 | ||||
| 1,91 | 2,29 | 0,529 | 52,986 | 0,37 | ||||
| IV | 2 | 2,4 | 0,505 | 50,582 | 0,11 | 22,39 | Песок мелкий | 0,459525 |
| 2,4 | 2,88 | 0,419 | 41,968 | 0,48 | ||||
| 2,8 | 3,36 | 0,349 | 34,957 | 0,48 | ||||
| 3,2 | 3,84 | 0,294 | 29,448 | 0,48 | ||||
| 3,6 | 4,32 | 0,25 | 25,041 | 0,48 | ||||
| 4 | 4,8 | 0,214 | 21,435 | 0,96 | ||||
| 4,27 | 5,12 | 0,194 | 19,432 | 0,8 | ||||
| 4,4 | 5,28 | 0,185 | 18,53 | 0,48 |
Полная расчетная осадка фундамента получается суммированием величин осадок каждого слоя. Она должна быть меньше величины предельно допустимой осадки фундамента данного типа.
Осадка III слоя: S3 = 1,329954 см
Осадка IV слоя: S4 = 0,459525 см
Итак, осадка основания фундамента получается суммированием осадок всех слоев:
S3 +S4 =1,329954+0,459525=1,789119≈1,8см
Предельно допустимая осадка для зданий рассматриваемого типа составляет 8см
при принятом размере фундамента требования СНиП выполняются.
8. Определение осадки ленточного фундамента под наружную стену проходящую по оси А методом эквивалентного слоя
Ширина подошвы фундамента
, осадочное давление под подошвой фундамента
В основании преобладает суглинок, поэтому по таблице определим мощность эквивалентного слоя при
и отношении сторон подошвы фундамента ![]()
≈1,4 (рис. 3).
Осадку фундамента методом эквивалентного слоя определяем по формуле:
![]()
где ![]()
- мощность эквивалентного слоя
![]()
.-коэффициент эквивалентного слоя, учитывающий жесткость и форму подошвы фундамента. ![]()
b=2,4м.- ширина подошвы фундамента.
В расчетной схеме сжимаемою толщу грунта, которая оказывает влияние на осадку фундамента , принимают равной двум мощностям эквивалентного слоя:
![]()
Определяем коэффициент относительной сжимаемости каждого слоя:
- для суглинка
:
![]()
- для песка мелкого
:
![]()
- для глины
:
![]()
Определяем средний коэффициент относительной сжимаемости:

Полная осадка фундамента:
![]()
Предельно допустимая осадка для зданий рассматриваемого типа составляет 8см
при принятом размере фундамента требования СНиП выполняются
9. Определение осадки столбчатого фундамента под внутреннюю стену проходящую по оси Б методом эквивалентного слоя
Ширина подошвы фундамента
, осадочное давление под подошвой фундамента
В основании преобладает суглинок, поэтому по таблице определим мощность эквивалентного слоя при
и отношении сторон подошвы фундамента ![]()
≈2,4 (рис. 4).
Осадку фундамента методом эквивалентного слоя определяем по формуле:
![]()
где ![]()
- мощность эквивалентного слоя
![]()
.-коэффициент эквивалентного слоя, учитывающий жесткость и форму подошвы фундамента. ![]()
b=2,4м.- ширина подошвы фундамента.
В расчетной схеме сжимаемою толщу грунта, которая оказывает влияние на осадку фундамента , принимают равной двум мощностям эквивалентного слоя:
![]()
Определяем коэффициент относительной сжимаемости каждого слоя:
- для суглинка
:
![]()
- для песка мелкого
:
![]()
- для глины
:
![]()
Определяем средний коэффициент относительной сжимаемости:

Полная осадка фундамента:
![]()
Предельно допустимая осадка для зданий рассматриваемого типа составляет 8см
при принятом размере фундамента требования СНиП выполняются
10. Расчет свайного фундамента под наружную колонну по оси А 8-и этажного жилого здания
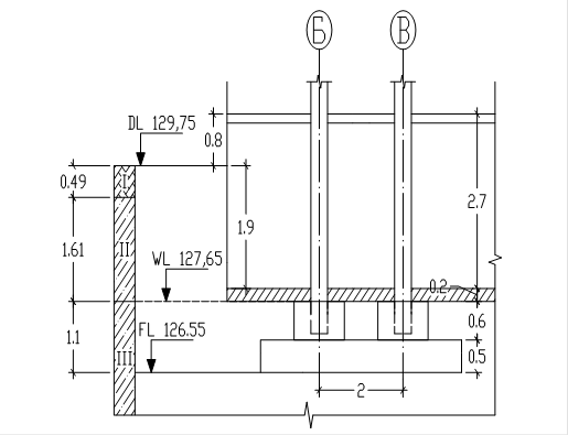
Район строительства г. Воронеж. По обрезу фундамента действует расчетная вертикальная нагрузка, полученная для расчета по II предельному состоянию NII = 925,4 кН/м. Планировочная отметка DL равна 129,75.
Уровень грунтовых вод соответствует отметке WL = 127,65 м, т.е. находится на глубине 2,1 м. от планировочной отметки DL.
Ин женерно-геологические условия.
| № слоя | Глубина от поверхности | Мощность слоя | IL | e | R0 , кПа | CII , кПа | E0 , кПа | грунт | ||
| I | 0,49 | 0,49 | - | - | - | 16,5 | - | - | - | Насыпь неслежавшаяся |
| II | 2,1 | 1,61 | 0,22 | 0,79 | 218 | 18,8 | 170 | 15 | - | Суглинок полутвердый |
| III | 4,89 | 2,79 | 0,74 | 0,8 | 174 | 19,6 | 150 | 14 | 11099 | Суглинок текучепластичный |
| IV | 9,27 | 4,38 | - | 0,55 | 300 | 20,8 | 300 | - | 19770 | Песок мелкий. |
| V | 14,7 | 5,43 | 0,21 | 0,55 | 508 | 21,4 | 170 | 40 | 34959 | Глина полутвердая |
Дом имеет подвал, глубиной 1,9 м., площадка предполагаемого строительства сложена хорошими по прочности грунтами (в основании преобладают суглинки). Поэтому фундамент не глубокого заложения будет иметь явное преимущество перед свайным, т.к. объем земляных работ для обоих вариантов фундаментов будет практически одинаков, а трудоемкость забивки свай будет значительно выше, чем укладка песчаной подушки. Поэтому свайный фундамент проектируем как учебный вариант.
Глубина заложения ростверка:
![]()
Принимаем железобетонную забивную сваю сечением
, стандартной длинны L = 4,5 м., С-4,5-30 (ГОСТ 19804.1-79), длина острия 0.25м. (рис. 5); свая работает на центральное сжатие, поэтому заделку сваи в ростверк принимаем 0,3 м. Нижний конец сваи забивается в песок мелкий на глубину 1,91 м.
Под подошвой ростверка залегает суглинок текучепластичный мощностью 1,69 м. Сопротивление на боковой поверхности сваи в суглинке (IL =0,74):
на глубине z1 = 4,04м
f1 = 7,64кПа
Ниже залегает песок мелкий мощностью 2,51м. Делим его на два слоя 1,26м и 1,06м. Сопротивление на боковой поверхности сваи в песке (e=0,55):
на глубине z2 = 5,52м
f2 = 53,98 кПа,
на глубине z3 = 6,77м
f3 = 55,6 кПа.
Определяем несущую способность сваи:
![]()
Тогда расчетная нагрузка, допускаемая на сваю по грунту, составит:
![]()
где
- коэффицие
нт безопасности по грунту.
Определяем количество свай на 1 пог. м. фундамента:
![]()
где
- расчетная нагрузка на фундамент по 1 предельному состоянию.
- коэффициент, зависящий от вида свайного фундамента; для отдельно стоящего фундамента под колонну ![]()
d = 0,3 м - сторона сваи.
dр =2,5 м - высота ростверка и фундамента, не вошедшая в расчет при определении NI .
- удельный вес бетона.
При проектировании отдельностоящего свайного фундамента количество свай округляется до целого числа в большую сторону, таким образом принимаем свайный фундамент из 4 свай.
Высота ростверка назначается ориентировачно из условия прочности ростверка на продавливание и изгиб:

Принимаем высоту ростверка из конструктивных соображений hр =0,5м.
Чтобы получить минимальные плановые размеры ростверка и тем уменьшить его материалоемкость, назначаем минимально допустимое расстояние между осями свай, равное трем их диаметрам:
, а расстояние от края ростверка до боковой грани сваи – по 0,05 (свесы). Принимаем размеры ростверка в плане 1,3*1,3м.
Расчетную нагрузку на сваю во внецентренно нагруженном фундаменте находят по формуле:
![]()
Определяем дополнительную вертикальную нагрузку, действующую по подошве ростверка, за счет собственного веса ростверка Gр и грунта засыпки Gгр на обрезе ростверка:
кН
где: Vр – обьем занимаемый ростверком, подколонником и полом подвала
м3
γδ =22кН/м3 – удельный вес монолитного железобетонного ростверка, подколонника БК-2 и пола.
Определяем вес грунта засыпки:
кН
где:
м3
γгр =18кН/м3 – удельный вес грунтовой засыпки
кН
кН<354,22кН=Pсв
Далее необходимо провести расчет основания по II предельному состоянию (по деформациям определить осадку). Если условия расчета по II предельному состоянию будут обеспечены, то полученную конструкцию фундамента можно считать окончательно запроектированной.
Средневзвешанное значение угла внутреннего трнения грунтов, прорезаемых сваей, определяют по формуле:
![]()
.
Определяем размеры грунто-свайного массива у подошвы ростверка:
м.
Размеры площади подошвы условного фундамента:
м.
Площадь подошвы:
м2
.
Объем на боковых гранях условного фундамента вместе с пригрузкой грунто-свайного массива и на обрезах ростверка:
м3
.
Объем ростверка, подколонника БК-2 и подземной части колонны:
м3
.
Объем свай:
м3
.
Объем грунта:
м3
.
Средневзвешенное значение удельного веса слоев грунта, залегающих выше подошвы условного фундамента, с учетом взвешивающего действия воды ниже уровня подземных вод:

Вес грунта в объеме условного фундамента:
кН.
Вес свай, ростверка и подземной части колонны
кН.
Суммарная вертикальная нагрузка от всех частей условного фундамента:
кН.
Давление на грунт по подошве условного фундамента:
кН/м3
.
Расчетное давление на грунт основания условного фундамента в уровне его подошвы:
.
Для φII =300 (слой IV, песок мелкий, плотный, насыщенный водой) находим:

так, как L/H=8,8
м.
Где: hs =5,3м – толщина слоя грунта выше подшвы условного фундамента со стороны подвала.
hcf =0,2м – толщина конструкции пола подвала.
γcf =22кН/м3 – расчетное значение удельного веса конструкции пола подвала.
Глубина подвала dв =1,9м, тогда:
![]()
Таким образом улови P<R – 309,38<582,652 выполняется.
11. Расчет свайного фундамента под внутреннюю колонну по оси Б 8-и этажного жилого здания
Район строительства г. Воронеж . По обрезу фундамента действует расчетная вертикальная нагрузка, полученная для расчета по II предельному состоянию NII = 878,3 кН/м. Планировочная отметка DL равна 129,75.
Уровень грунтовых вод соответствует отметке WL = 127,65 м, т.е. находится на глубине 2,1 м. от планировочной отметки DL.
Инженерно-геологические условия
| № слоя | Глубина от поверхности | Мощность слоя | IL | e | R0 , кПа | CII , кПа | E0 , кПа | грунт | ||
| I | 0,49 | 0,49 | - | - | - | 16,5 | - | - | - | Насыпь неслежавшаяся |
| II | 2,1 | 1,61 | 0,22 | 0,79 | 218 | 18,8 | 170 | 15 | - | Суглинок полутвердый |
| III | 4,89 | 2,79 | 0,74 | 0,8 | 174 | 19,6 | 150 | 14 | 11099 | Суглинок текучепластичный |
| IV | 9,27 | 4,38 | - | 0,55 | 300 | 20,8 | 300 | - | 19770 | Песок мелкий. |
| V | 14,7 | 5,43 | 0,21 | 0,55 | 508 | 21,4 | 170 | 40 | 34959 | Глина полутвердая |
Дом имеет подвал, глубиной 1,9 м., площадка предполагаемого строительства сложена хорошими по прочности грунтами (в основании преобладают суглинки). Поэтому фундамент не глубокого заложения будет иметь явное преимущество перед свайным, т.к. объем земляных работ для обоих вариантов фундаментов будет практически одинаков, а трудоемкость забивки свай будет значительно выше, чем укладка песчаной подушки. Поэтому свайный фундамент проектируем как учебный вариант.
Глубина заложения ростверка:
![]()
Принимаем железобетонную забивную сваю сечением
, стандартной длинны L = 4,5 м., С-4,5-30 (ГОСТ 19804.1-79), длина острия 0.25м.; свая работает на центральное сжатие, поэтому заделку сваи в ростверк принимаем 0,3 м. Нижний конец сваи забивается в песок мелкий на глубину 1,91 м.
Под подошвой ростверка залегает суглинок текучепластичный мощностью 1,69 м. Сопротивление на боковой поверхности сваи в суглинке ( IL =0,74):
на глубине z1 = 4,04м
f1 = 7,64кПа
Ниже залегает песок мелкий мощностью 2,51м. Делим его на два слоя 1,26м и 1,06м. Сопротивление на боковой поверхности сваи в песке (e=0,55):
на глубине z2 = 5,52м
f2 = 53,98 кПа,
на глубине z3 = 6,77м
f3 = 55,6 кПа.
Определяем несущую способность сваи:
![]()
Тогда расчетная нагрузка, допускаемая на сваю по грунту, составит:
![]()
где
- коэффициент безопасности по грунту.
Определяем количество свай на 1 пог. м. фундамента:
![]()
где
- расчетная нагрузка на фундамент по 1 предельному состоянию.
- коэффициент, зависящий от вида свайного фундамента; для отдельно стоящего фундамента под колонну ![]()
d = 0,3 м - сторона сваи.
dр =2,5 м - высота ростверка и фундамента, не вошедшая в расчет при определении NI .
- удельный вес бетона
При проектировании отдельностоящего свайного фундамента количество свай округляется до целого числа в большую сторону, таким образом принимаем свайный фундамент из 4 свай.
Высота ростверка назначается ориентировачно из условия прочности ростверка на продавливание и изгиб:

Принимаем высоту ростверка из конструктивных соображений hр =0,5м.
Чтобы получить минимальные плановые размеры ростверка и тем уменьшить его материалоемкость, назначаем минимально допустимое расстояние между осями свай, равное трем их диаметрам:
, а расстояние от края ростверка до боковой грани сваи – по 0,05 (свесы). Принимаем размеры ростверка в плане 1,3*1,3м.
Расчетную нагрузку на сваю во внецентренно нагруженном фундаменте находят по формуле:
![]()
Определяем дополнительную вертикальную нагрузку, действующую по подошве ростверка, за счет собственного веса ростверка Gр и грунта засыпки Gгр на обрезе ростверка:
кН
где: Vр – обьем занимаемый ростверком, подколонником и полом подвала
м3
γδ =22кН/м3 – удельный вес монолитного железобетонного ростверка, подколонника БК-2 и пола.
Определяем вес грунта засыпки:
кН
где:
м3
γгр =18кН/м3 – удельный вес грунтовой засыпки
кН
кН<354,22кН=Pсв
Далее необходимо провести расчет основания по II предельному состоянию (по деформациям определить осадку). Если условия расчета по II предельному состоянию будут обеспечены, то полученную конструкцию фундамента можно считать окончательно запроектированной.
Средневзвешанное значение угла внутреннего трнения грунтов, прорезаемых сваей, определяют по формуле:
![]()
.
Определяем размеры грунто-свайного массива у подошвы ростверка:
м.
Размеры площади подошвы условного фундамента:
м.
Площадь подошвы:
м2
.
Объем на боковых гранях условного фундамента вместе с пригрузкой грунто-свайного массива и на обрезах ростверка:
м3
.
Объем ростверка, подколонника БК-2 и подземной части колонны:
м3
.
Объем свай:
м3
.
Объем грунта:
м3
.
Средневзвешенное значение удельного веса слоев грунта, залегающих выше подошвы условного фундамента, с учетом взвешивающего действия воды ниже уровня подземных вод:

Вес грунта в объеме условного фундамента:
кН.
Вес свай, ростверка и подземной части колонны
кН.
Суммарная вертикальная нагрузка от всех частей условного фундамента:
кН.
Давление на грунт по подошве условного фундамента:
кН/м3
.
Расчетное давление на грунт основания условного фундамента в уровне его подошвы:
.
Для φII =300 (слой IV, песок мелкий, плотный, насыщенный водой) находим:

так, как L/H=8,8
м.
Где: hs =5,3м – толщина слоя грунта выше подшвы условного фундамента со стороны подвала.
hcf =0,2м – толщина конструкции пола подвала.
γcf =22кН/м3 – расчетное значение удельного веса конструкции пола подвала.
Глубина подвала dв =1,9м, тогда:
![]()
Таким образом улови P<R –297,629<582,652 выполняется
12. Расчет осадок по методу элементарного суммирования для свайного фундамента под наружную колонну по оси А
Ширина фундамента bусл =2м., глубина заложения d=7,4 м., среднее давление под подошвой P= 309,38кПа, η=1 (рис. 6).
Расчет ведется в табличной форме. Сначала строятся эпюры природного и дополнительного давления, а затем определяется величина действующего по подошве фундамента дополнительного давления:
![]()
![]()
На контакте IV и V слоёв
![]()
Т. к V слой – глина полутвердая является водоупором, то на него давит столб воды выше кровли этого слоя. Тогда с учётом этого
![]()
В V слое ( глубина 14,7м )
![]()
Все необходимые для построения эпюр природного давления и дополнительного давления, а также для определения нижней границы сжимаемой толщи вычисления сводим в таблицу:
| № слоя | h, м | Слои основания | Осадка, см | |||||
| IV | 0 | 0 | 1 | 154,953 | 34,873 | Песок мелкий, плотный | 1,3918 | |
| 0,4 | 0,4 | 0,96 | 148,755 | 0,4 | ||||
| 0,8 | 0,8 | 0,8 | 123,962 | 0,4 | ||||
| 1,2 | 1,2 | 0,606 | 93,902 | 0,4 | ||||
| 1,6 | 1,6 | 0,449 | 69,574 | 0,4 | ||||
| 1,87 | 1,87 | 0,373 | 57,797 | 0,27 | ||||
| V | 2 | 2 | 0,336 | 52,064 | 0,13 | 72,453 | Глина полутвердая | 0,0119 |
| 2,05 | 2,05 | 0,326 | 50,515 | 0,05 |
Определяем расчетную осадку в пределах сжимаемой толщи, мощностью 4,14 м по формуле:
![]()
S4 = 1,3918 ≈ 1,4см.
S5 =0,0119≈0,01см.
Сумма осадок всех слоев S=1,41см<8см, что удовлетворяет требованиям СНиП.
13. Расчет осадок по методу элементарного суммирования для свайного фундамента под внутреннюю колонну по оси Б (без учета взаимного действия рядом стоящего условного фундамента)
Ширина фундамента bусл =2м., глубина заложения d=7,4 м., среднее давление под подошвой P= 297,629кПа, η=1 (рис. 7).
Расчет ведется в табличной форме. Сначала строятся эпюры природного и дополнительного давления, а затем определяется величина действующего по подошве фундамента дополнительного давления:
![]()
![]()
На контакте IV и V слоёв
![]()
Т. к V слой – глина полутвердая является водоупором, то на него давит столб воды выше кровли этого слоя. Тогда с учётом этого
![]()
В V слое ( глубина 14,7м )
![]()
Все необходимые для построения эпюр природного давления и дополнительного давления, а также для определения нижней границы сжимаемой толщи вычисления сводим в таблицу:
| № слоя | h, м | Слои основания | Осадка, см | |||||
| IV | 0 | 0 | 1 | 143,172 | 32,616 | Песок мелкий, плотный |
1,286 | |
| 0,4 | 0,4 | 0,96 | 137,445 | 0,4 | ||||
| 0,8 | 0,8 | 0,8 | 114,538 | 0,4 | ||||
| 1,2 | 1,2 | 0,606 | 86,762 | 0,4 | ||||
| 1,6 | 1,6 | 0,449 | 64,284 | 0,4 | ||||
| 1,87 | 1,87 | 0,373 | 53,403 | 0,27 | ||||
| V | 2 | 2 | 0,336 | 52,064 | 0,13 | 71,996 | Глина полутвердая |
0 |
| 2,01 | 2,01 | 0,334 | 47,819 | 0,01 |
Определяем расчетную осадку в пределах сжимаемой толщи, мощностью 4,14 м по формуле:
![]()
S4 = 1,286 ≈ 1,3см.
S5 =0см.
Сумма осадок всех слоев S=1,3см<8см, что удовлетворяет требованиям СНиП.
14. Расчет осадок по методу элементарного суммирования для свайного фундамента под внутреннюю колонну по оси Б.(с учетом взаимного действия рядом стоящего уловного фундамента)
Ширина фундамента bусл =2м., длинна фундамента lусл =4м., глубина заложения d=7,4 м., среднее давление под подошвой P= 297,629кПа, η=2, принимаем η=2,4 (рис. 7).
Расчет ведется в табличной форме. Сначала строятся эпюры природного и дополнительного давления, а затем определяется величина действующего по подошве фундамента дополнительного давления:
![]()
![]()
На контакте IV и V слоёв
![]()
Т. к V слой – глина полутвердая является водоупором, то на него давит столб воды выше кровли этого слоя. Тогда с учётом этого
![]()
В V слое ( глубина 14,7м )
![]()
Все необходимые для построения эпюр природного давления и дополнительного давления, а также для определения нижней границы сжимаемой толщи вычисления сводим в таблицу:
| № слоя | h, м | Слои основания | Осадка, см | |||||
| IV | 0 | 0 | 1 | 143,172 | 32,616 | Песок мелкий, плотный | 1,466 | |
| 0,4 | 0,4 | 0,976 | 139,736 | 0,4 | ||||
| 0,8 | 0,8 | 0,876 | 125,419 | 0,4 | ||||
| 1,2 | 1,2 | 0,793 | 113,535 | 0,4 | ||||
| 1,6 | 1,6 | 0,612 | 87,621 | 0,4 | ||||
| 1,87 | 1,87 | 0,54 | 77,313 | 0,27 | ||||
| V | 2 | 2 | 0,505 | 72,302 | 0,13 | 71,996 | Глина полутвердая | 0,0685 |
| 2,4 | 2,4 | 0,419 | 59,989 | 0,4 | ||||
| 2,75 | 2,75 | 0,358 | 51,256 | 0,35 |
Определяем расчетную осадку в пределах сжимаемой толщи, мощностью 4,14 м по формуле:
![]()
S4 = 1,466 ≈ 1,5см.
S5 =0,0685см.
Сумма осадок всех слоев S=1,5685см<8см, что удовлетворяет требованиям СНиП.
15. Определение осадки свайного фундамента под наружную колонну по оси А 8-и этажного жилого здания методом эквивалентного слоя
Ширина подошвы фундамента
, осадочное давление под подошвой фундамента
. В основании преобладают пески, поэтому по таблице определим мощность эквивалентного слоя при
и отношении сторон подошвы фундамента ![]()
(рис. 8).
Осадку фундамента методом эквивалентного слоя определяем по формуле:
![]()
где ![]()
- мощность эквивалентного слоя
м
- коэффициент эквивалентного слоя, учитывающий жесткость и форму подошвы фундамента. ![]()
b=2м - условная ширина подошвы фундамента.
В расчетной схеме сжимаемою толщу грунта, которая оказывает влияние на осадку фундамента , принимают равной двум мощностям эквивалентного слоя:
![]()
Определяем коэффициент относительной сжимаемости каждого слоя:
- для песка мелкого
:
![]()
- для глины
:
![]()
Определяем средний коэффициент относительной сжимаемости:
![]()
Полная осадка фундамента:
.
Предельно допустимая осадка для зданий рассматриваемого типа составляет 8см
при принятом размере фундамента требования СНиП выполняются.
16. Определение осадки свайного фундамента под внутреннюю колонну по оси Б 8-и этажного жилого здания методом эквивалентного слоя
Ширина подошвы фундамента
, осадочное давление под подошвой фундамента
. В основании преобладают пески, поэтому по таблице определим мощность эквивалентного слоя при
и отношении сторон подошвы фундамента ![]()
(рис. 9).
Осадку фундамента методом эквивалентного слоя определяем по формуле:
![]()
где ![]()
- мощность эквивалентного слоя
м
- коэффициент эквивалентного слоя, учитывающий жесткость и форму подошвы фундамента. ![]()
b=2м - условная ширина подошвы фундамента.
В расчетной схеме сжимаемою толщу грунта, которая оказывает влияние на осадку фундамента , принимают равной двум мощностям эквивалентного слоя:
![]()
Определяем коэффициент относительной сжимаемости каждого слоя:
- для песка мелкого
:
![]()
- для глины
:
![]()
Определяем средний коэффициент относительной сжимаемости:
![]()
Полная осадка фундамента:
.
Предельно допустимая осадка для зданий рассматриваемого типа составляет 8см
при принятом размере фундамента требования СНиП выполняются.
19. Расчетный отказ и выбор оборудования для погружения сваи
Расчётный отказ сваи вычисляют по формуле:
,
где: h=1500кН/м2 – коэффициент, принимаемый в зависимости от материала сваи.
А=0,09м2 – площадь, ограниченная наружным контуром сплошного или полого поперечного сечения ствола сваи (независимо от наличия или отсутствия у сваи острия).
М=1,76 – коэффициент, принимаемый при забивке свай молотами ударного действия равным единице.
Ed – расчетная энергия удара:
![]()
а=25 дЖ/кН.
N=P=368,488кН – расчетная нагрузка, допускаемая на сваю и принятая в проекте.
т1 =2,6т – масса молота.
m2 =1,04т – масса сваи и наголовника.
m3 =0,2т – масса подбабка.
- коэффициент восстановления удара; при забивке железобетонных свай молотами ударного действия с применением наголовника с деревянным вкладышем
.
Молот, с расчётной энергией Ed должен удовлетворять условию:
![]()
km = 6 – для железобетонных свай при трубчатом дизель-молоте С-995
![]()
Тогда расчётный отказ будет равен:

18. Технико-экономическое сравнение вариантов фундаментов по укрупненным показателям
Vкотл.МЗ = 18,272 м3
Vкотл.СВ = 16,384 м3
Vсб.ж/б.МЗ =4,704 м3
Vмон.ж/б.МЗ =6,72 м3
Vмон.ж/б.СВ =0,845 м3
| № | Виды работ | Ед. изм. | Стоим., руб | Ф-т мелкого заложения | Свайный фундамент | ||
| Объем | Ст-ть | Объем | Ст-ть | ||||
| 1 | Разработка грунта | м3 | 3,03 | 18,272 | 55,364 | 16,384 | 49,643 |
| 2 | Откачка воды | м3 | 40 | 6,281 | 251,24 | 5,632 | 225,28 |
| 3 | Сборный бетон | м3 | 29,10 | ||||
| 4 | Сборный ж/б | м3 | 33,50 | 10,136 | 339,556 | 3,456 | 115,776 |
| 5 | Монолит. ж/б | м3 | 24 | 6,72 | 161,28 | 3,4 | 20,4 |
| 6 | Бетонная под-готовка под пол | м3 | 16,5 | 0,82 | 13,53 | 0,82 | 13,53 |
| 7 | Сваи | м3 | 63 | 6,48 | 408,24 | ||
| 8 | Общ. стоимость | руб. | 820,97 | 832,869 | |||
Вывод: по результатам технико-экономического сравнения более предпочтительным оказался фундамент мелкого заложения.
Похожие рефераты:
Проектирование 9-этажного дома
Промышленное здание в городе Соликамск
Детский ясли-сад на 140 мест с бассейном
Восстановление гидросистемы "Польского сада" усадьбы Г.Р. Державина
Технология строительного производства
Проектирование фундаментов производственного здания


