| Скачать .docx |
Курсовая работа: Проектирование многоэтажного здания
Район строительства – г. Волгоград.
Размер здания в плане – 36х24 м.
Геологические разрезы площадки строительства приведены в приложении 1.
Таблица 1 – Инженерно-геологические условия
| № образца | Глубина отбора образца, м | Плотность кН/м3 | Влажность | Содержание частиц %, размером, мм | ||||||||
| Скв.1,2 | Скв.1*,1 | ρ | ρs | W | На границе | >2 | 2-0,5 | 0,5-0,25 | 0,25-0,1 | <0,1 | ||
| WL | WP | |||||||||||
1 2 3 4 |
3,0 6,5 11,0 13,9 |
2,7 6,6 11,3 14,2 |
19,2 20,2 19,9 18,7 |
26,9 26,6 27,1 26,7 |
25,8 23,2 26,4 20,0 |
32,0 - 37,0 - |
24,0 - 22,0 - |
- 3,46 - 11,85 |
- 10,38 - 42,24 |
- 48,33 - 30,15 |
- 19,26 - 9,55 |
- 18,21 - 6,21 |
2. Планово-высотная привязка здания на площадке строительства
Абсолютная отметка планировки: 120,50.
Абсолютная отметка пола: 120,15.
Уровень грунтовых вод: абсолютная отметка: 115,50;
относительная отметка: 5,1.

Рисунок 1 – Планово-высотная привязка здания на площадке строительства
3. Определение физико-механических свойств грунта
Суглинок выше уровня грунтовых вод.
Плотность грунта в сухом состоянии:
(1)
![]()
Объем пор грунта в единице объема:
(2)
![]()
Коэффициент пористости грунта:
(3)
![]()
Степень влажности грунта:
(4)
=> грунт насыщен водой.
Число пластичности:
(5)
=> содержание глинистых частиц составляет 10-30%.
Показатель текучести:
(6)
=> суглинок полутвердый
Таким образом, суглинок насыщен водой, полутвердый. Содержание глинистых частиц 10-30%.
Песок выше и ниже уровня грунтовых вод.
Плотность грунта в сухом состоянии:
![]()
Объем пор грунта в единице объема:
![]()
Коэффициент пористости грунта:
![]()
Степень влажности грунта:
=> грунт насыщен водой.
Определим тип песчаного грунта в зависимости от гранулометрического состава:
Процентное содержание частиц крупнее 2,0 мм составляет: 3,46%, что менее 25%.
Процентное содержание частиц крупнее 0,5 мм составляет: 13,84%, что менее 50%.
Процентное содержание частиц крупнее 0,25 мм составляет: 62,17%, что более 50%.
Т.е. песок – средней крупности.
По плотности сложения e=0,62 песок – средней плотности.
Таким образом, песок – средней крупности, средней плотности, насыщен водой.
Т.к. данный слой находится ниже У.Г.В., то учтем взвешивающее действие воды.
Плотность грунта во влажном состоянии:
(7)
![]()
Плотность грунта в сухом состоянии:
(8)
![]()
Объем пор грунта в единице объема:
(9)
![]()
Коэффициент пористости грунта:
![]()
Условная влагоемкость грунта:
(10)
![]()
Степень влажности грунта:
(11)
=> грунт насыщен водой
Определим тип песчаного грунта в зависимости от гранулометрического состава:
Процентное содержание частиц крупнее 2,0 мм составляет: 3,46%, что менее 25%.
Процентное содержание частиц крупнее 0,5 мм составляет: 13,84%, что менее 50%.
Процентное содержание частиц крупнее 0,25 мм составляет: 62,17%, что более 50%.
Т.е. песок – средней крупности.
По плотности сложения e=0,16 песок – плотный.
Таким образом, песок – средней крупности, плотный, насыщен водой.
Суглинок ниже уровня грунтовых вод.
Плотность грунта в сухом состоянии:
![]()
Объем пор грунта в единице объема:
![]()
Коэффициент пористости грунта:
![]()
Степень влажности грунта:
=> грунт насыщен водой
Число пластичности:
=> содержание глинистых частиц составляет 10-30%.
Показатель текучести:
=> суглинок тугопластичный.
Таким образом, суглинок насыщен водой, тугопластичный. Содержание глинистых частиц 10-30%.
Т.к. данный слой находится ниже У.Г.В., то учтем взвешивающее действие воды.
Плотность грунта во влажном состоянии:
![]()
Плотность грунта в сухом состоянии:
![]()
Объем пор грунта в единице объема:
![]()
Коэффициент пористости грунта:
![]()
Условная влагоемкость грунта:
![]()
Степень влажности грунта:
=> грунт насыщен водой
Число пластичности:
=> содержание глинистых частиц 10-30%
Показатель текучести:
(12)
=> суглинок твердый.
Таким образом, суглинок насыщен водой, твердый. Содержание глинистых частиц 10-30%.
Песок ниже уровня грунтовых вод.
Плотность грунта в сухом состоянии:
![]()
Объем пор грунта в единице объема:
![]()
Коэффициент пористости грунта:
![]()
Степень влажности грунта:
=> грунт влажный.
Определим тип песчаного грунта в зависимости от гранулометрического состава:
Процентное содержание частиц крупнее 2,0 мм составляет: 11,85%, что менее 25%.
Процентное содержание частиц крупнее 0,5 мм составляет: 54,09%, что более 50%.
Т.е. песок – крупный.
По плотности сложения e=0,72 песок – рыхлый.
Таким образом, песок – крупный, рыхлый, влажный.
Т.к. данный слой находится ниже У.Г.В., то учтем взвешивающее действие воды.
Плотность грунта во влажном состоянии:
![]()
Плотность грунта в сухом состоянии:
![]()
Объем пор грунта в единице объема:
![]()
Коэффициент пористости грунта:
![]()
Условная влагоемкость грунта:
![]()
Степень влажности грунта:
=> грунт насыщен водой.
Определим тип песчаного грунта в зависимости от гранулометрического состава:
Процентное содержание частиц крупнее 2,0 мм составляет: 11,85%, что менее 25%.
Процентное содержание частиц крупнее 0,5 мм составляет: 54,09%, что более 50%.
Т.е. песок – крупный.
По плотности сложения e=0,21 песок – плотный.
Таким образом, песок – крупный, плотный, насыщен водой.
Таким образом, площадка пригодна для строительства, так как грунты могут служить надежным основанием.
Грунты относятся к слоистым с согласным залеганием слоев.
Грунты прочные (суглинки - твердые и полутвердые, пески - крупные и средней крупности).
Пески (крупные и средней крупности, плотные) являются малосжимаемыми, хорошо сопротивляются сдвигу.
Так как пески крупные, то насыщение их водой не оказывает значительного влияния на их прочность. Так как суглинки насыщены водой, то требуется проведение специальных мероприятий по отводу воды.
Так как первый слой - суглинок, насыщенный водой, обладающий особенностью набухания, то рекомендуется использовать фундаменты глубокого заложения (сваи).
Второй слой (песок) может служить основанием для фундаментов, так как песок плотный, средней крупности, малосжимаем, хорошо сопротивляется сдвигу. В данном слое находится уровень грунтовых вод, поэтому необходимо предусмотреть мероприятия по водопонижению.
Верхний растительный слой может быть использован для благоустройства территории после завершения строительства.
4. Сбор нагрузок на фундаменты
Сбор нагрузок производим на уровне верхнего обреза фундаментов.
Таблица 2 – Сбор нагрузок на фундамент
| Наименование нагрузки | Нормативная нагрузка | Коэффициенты | Расчетная нормативная нагрузка |
| А. Постоянная: | |||
1. Бикрост 2 слоя b=8мм, p=40 кг/м3 |
0,0032 | 1,2 | 0,0038 |
2. Цементно-песчаная стяжка b=20мм, р=1800 кг/м3 |
0,36 | 1,3 | 0,468 |
3. Плиты минераловатные b=60мм, р=300 кг/м3 |
0,18 | 1,2 | 0,216 |
| 4. Железобетонная ребристая плита покрытия b=300мм, p=2500 кг/м2 | 1,67 | 1,1 | 1,84 |
| Итого: | 2,21 | 2,53 | |
| Б. Временная: | |||
| 1. Снеговая | 0,84 | 1,2 | |
| Всего: | 3,05 | 3,73 |

Рисунок 2 – Действие нагрузок на фундамент
Нагрузка от покрытия:
![]()
![]()
(13)
![]()
Нагрузка от балки покрытия:
(14)
mбалки =4500 кг; qбалки =45кН
![]()
Нагрузка от колонны:
(15)
mкол =1100 кг; qкол =11кН
![]()
Нагрузка от панелей:
(16)
![]()
Нагрузка от фундаментной балки:
(17)
mф.б. =800 кг; qф.б. =8кН
![]()
Нагрузка от остекления:
(18)
![]()
Нагрузка от карнизной плиты:
(19)
![]()
Суммарная нагрузка
(20)
![]()
Нагрузки от покрытия, от балок покрытий, от стеновых панелей, от остекления, от фундаментных балок, от карнизных панелей прикладывается с эксцентриситетом.
e1 =e2 =10мм=0,01м.
, (21)
где t – ширина стеновой панели; T – ширина колонны.
.
Суммарный момент:
(22)
5. Расчет фундаментов мелкого заложения
5.1 Определение глубины заложения фундамента
Расчетная глубина сезонного промерзания грунта:
, (23)
где kh – коэффициент, учитывающий влияние теплового режима здания; dfn – нормативная глубина промерзания грунта.
По схематической карте СНиП 2.01.01-82 «Строительная климатология и геофизика» для данного района строительства нормативная глубина промерзания для суглинков dfn =1,1 м.
Определим вылет наружного ребра фундамента от стакана:
.
В соответствии с таблицей 1 СНиП 2.02.01-83 (2000) “Основания зданий и сооружений” для зданий без подвала с полами, устраиваемыми по грунту, при расчетной среднесуточной температуре воздуха в помещении, примыкающем к наружнымфундаментам 20 градусов и более и при вылете наружного ребра менее 0,5м значение коэффициента влияния теплового режима составляет
. При вылете наружного ребра, равным 1,5 м, коэффициент
следует повысить на 0,1, то есть
. Тогда при вылете наружного ребра, равным 0,6 м, коэффициент
находим методом интерполяции:
.
![]()
Так как глубина заложения подошвы фундамента должна назначаться не менее расчетной глубины промерзания, то, округляя в большую сторону, окончательно назначаем глубину заложения фундамента
.
Глубина заложения фундаментов отапливаемых сооружений по условиям недопущения морозного пучения грунтов основания для наружных фундаментов от уровня планировки назначается в соответствии с таблицей 2 СНиП 2.02.01-83 (2000) “Основания зданий и сооружений”.
Найдем величину df +2=0,6+2=2,6 м.
Глубина У.Г.В.
>
м
м.
Для суглинков с показателем текучести JL
<0,25 и
>
глубина заложения подошвы фундамента должна назначаться не менее 0,5df
.
Окончательно примем df =0,5df =0,5·0,6=0,3 м.
Исходя из конструктивных соображений, примем глубину заложения фундамента df .=1,65 м.
5.2 Определение размеров подошвы фундамента
Площадь подошвы фундамента:
, (24)
где
- условное расчетное сопротивление грунта основания, принимаемое в соответствии с таблицей 4 приложения 3 СНиП 2.02.01-83 (2000) “Основания зданий и сооружений”; R0
=180кПа;
- среднее расчетное значение удельного веса фундамента и грунта на его уступах, в первом приближении
kH/м3
;
![]()
Ширина подошвы фундамента:
(25)
м.
Конструктивно примем a=b=1,5м.
Определяем расчетное сопротивление грунта основания:
, (26)
где
,
- коэффициенты условий работы, принимаемы по таблице 3 СНиП 2.02.01-83 (2000) “Основания зданий и сооружений”:
,
;
- коэффициент, принимаемый равным 1,1;
,
,
- коэффициенты, принимаемые по таблице 4 СНиП 2.02.01-83 (2000) “Основания зданий и сооружений”:
,
,
;
- коэффициент, принимаемый при ширине фундамента b <
м, равным 1;
- среднее значение удельного веса грунтов, залегающего ниже подошвы фундамента:
(27)
kH/м3
;
- расчетное значение удельного сцепления грунта, залегающего непосредственно под подошвой фундамента:
МПа;
- глубина заложения фундамента бесподвальных сооружений от уровня планировки:
м;
- глубина подвала:
.
kПа.
Уточняем размеры подошвы фундамента по полученным значениям:
![]()
.
Таким образом, примем ширину подошвы фундамента a=b=1,5м.
Для прямоугольного в плане фундамента краевые давления определим по формуле:
, (28)
где
- суммарная величина действующих вертикальных нагрузок, включающие вес фундамента и вес грунта на его уступах;
(29)
кН
e- эксцентриситет приложения усилия:
(30)
- суммарный момент, действующий на основание:
(31)
кНм
м.
Краевые давления:
kПа
kПа
Среднее давление под подошвой фундамента:
(32)
kПа
.
Условие выполняется. Окончательно принимаем размеры подошвы фундамента a=b=1,5м.
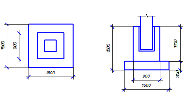
Примем монолитный железобетонный фундамент марки ФА 1-6.

Рисунок 3 – Фундамент ФА 1-6
Характеристики фундамента ФА 1-6:
- размер подошвенной ступени плитной части – 1,5х1,5х0,3 м;
- высота фундамента – 1,5 м;
- площадь сечения подколонника – 0,9х0,9 м;
- объем бетона – 1,43 м3 .
5.3 Расчет основани й по деформациям
Определим осадку внецентренно загруженного фундамента методом послойного элементарного суммирования.
Осадку основания определим по формуле:
,
(33)
где β - коэффициент, равный 0,8;
- среднее значение дополнительного вертикального нормального напряжения в i-том слое грунта;
- модуль деформации i-того слоя грунта;
- толщина элементарного слоя:
(34)
м.
Дополнительное вертикальное напряжение от внешнего давления:
, (35)
где
- коэффициент, принимаемый по таблице 1 приложения 2 СНиП 2.01.01-82 “Основания зданий и сооружений”;
- дополнительное вертикальное давление на основание:
, (36)
где
- вертикальное нормальное напряжение от собственного веса грунта на уровне подошвы фундамента.
(37)
кН/м2
кН/м2
Вертикальное напряжение от собственного веса грунта на границе слоя, расположенного на глубине
от подошвы фундамента:
, (38)
где
- удельный вес грунта, расположенного выше подошвы фундамента;
- глубина заложения фундамента;
- удельный вес i-того слоя грунта, при наличии грунтовых вод – с учетом взвешивающего действия воды.
Расчет по определению осадки основания выполняется в табличной форме до соблюдения условия:
(39).
Таблица 3 - Определение осадки основания
| 0,2 |
|||||||
| 0 | 0 | 1 | 0,01049 | 0,00288 | 0,00058 | 1,7 | 0,14513 |
| 0,3 | 0,4 | 0,96 | 0,01007 | 0,00346 | 0,00069 | 1,7 | 0,40578 |
| 0,6 | 0,8 | 0,8 | 0,00839 | 0,00403 | 0,00081 | 1,7 | 0,71811 |
| 0,9 | 1,2 | 0,606 | 0,00636 | 0,00461 | 0,00092 | 1,7 | 1,03059 |
| 1,2 | 1,6 | 0,449 | 0,00471 | 0,00518 | 0,00104 | 1,7 | 1,12598 |
| 1,35 | 1,8 | 0,393 | 0,00412 | 0,00547 | 0,00109 | 1,7 | 1,21775 |
| 1,5 | 2 | 0,336 | 0,00336 | 0,00576 | 0,00115 | 5 | 1,30732 |
| 1,8 | 2,4 | 0,257 | 0,00257 | 0,00637 | 0,00127 | 5 | 1,38804 |
| 1,46074 |
Осадка составляет 1,46 см. Сравниваем это значение с предельным значением осадки
, определяемым по таблице 4 СНиП 2.01.01-82 “Основания зданий и сооружений”:
см ![]()
см.
Условие соблюдается.

Рисунок 4 - Распределение напряжений в грунте
6. Проектирование свайного фундамента

Рисунок 5 – Схема действующих нагрузок
Рассчитаем фундамент из забивных свай.
Выделим слой грунта для опирания свай. Таким слоем является песок средней крупности, так как первый слой (суглинок) не пригоден для опирания из-за опасности просадки.
Свая работает как висячая.
6.2 Определение глубины заложения ростверка
Глубина заложения ростверка назначается в зависимости от геологических и гидрогеологических условий площадки строительства и глубины сезонного промерзания и должна быть:
, (40)
где
расчетная глубина промерзания грунта.
Таким образом, глубина заложения ростверка:
![]()
м
Конструктивно примем глубину заложения ростверка
м.
Заделка сваи в ростверк осуществляется на глубину
300 мм.

Рисунок 6 - Конструкция ростверка
Длину сваи и размеры поперечного сечения находим, исходя из геологических условий и конструктивных соображений.
Сопряжение сваи с ростверком – жесткое. Заделка сваи в ростверк составляет
300 мм. Учитывая, что минимальное заглубление сваи в несущий слой грунта составляет 1м, то длина сваи:
, (41)
где
- суммарная глубина грунта, залегающего под подошвой ростверка до несущего слоя.
![]()
Примем сваю сплошного квадратного сечения с поперечным армированием ствола с напрягаемой проволочной арматурой марки СНпр 3-20 с характеристиками: длина сваи – 3000 мм; ширина грани – 200 мм; класс бетона - В22,5; расход арматуры на сваю – 8,27 кг; расход бетона на сваю - 0,13 м3 ; масса сваи – 0,32 т.
6.4 Определение несущей способности сваи
Определим несущую способность сваи как минимальное значение из несущей способности сваи по грунту и по материалу.
Определим несущую способность сваи по грунту, так как для данных условий несущая способность короткой висячей сваи по грунту заведомо меньше несущей способности сваи по материалу.
Несущую способность сваи определим по формуле:
, (42)
где
- коэффициент условия работы сваи в грунте;
- коэффициент условия работы грунта под нижним концом сваи;
R – расчетное сопротивление грунта под нижним концом сваи, принимаемое в соответствии с таблицей 1 СНиП 2.02.03-85 (2003) “Свайные фундаменты”; при глубине погружения нижнего конца сваи от уровня природного рельефа на h=4,4м для плотного песка R = 5248 кПа;
A – площадь опирания сваи;
(43)
![]()
u – наружный периметр поперечного сечения сваи; u = 0,8 м;
- коэффициент условия работы грунта на боковой поверхности сваи;
- толщина i-того слоя грунта, соприкасающегося с боковой поверхностью сваи;
- расчетное сопротивление i-того слоя грунта основания по боковой поверхности сваи, принимаемое по таблице 2 СНиП 2.02.03-85 (2003) “Свайные фундаменты”.
Для нахождения расчетных сопротивлений грунта по боковой поверхности сваи пласты грунтов разделяем на слои толщиной 2м и определяем
.

Рисунок 7 – Разделение грунтов на слои


По таблице 2 СНиП 2.02.03-85 (2003) “Свайные фундаменты” находим:

Несущая способность сваи по грунту:
кН
6.5 Расчет свайного фундамента по несущей способности грунтов основания
Определим количество свай в кусте:
, (44)
где
- коэффициент надежности, равный 1,4.
![]()
Примем 2 сваи марки СНпр 3-20.
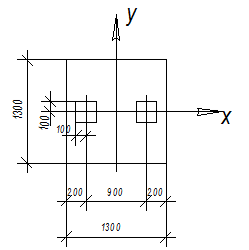
Конструируем ростверк, учитывая, что минимальное расстояние между осями свай должно быть не менее 3d = 600 мм, а расстояние от края ростверка до оси крайней сваи должно быть не менее d = 200 мм, где d – грань сваи.
Примем расстояние от края ростверка до оси крайней свай, равное d=200 мм, а расстояние между осями свай, равное 4,5d=900 мм.

Рисунок 8 - Ростверк
Определим фактическую расчетную нагрузку, передаваемую на сваю:
, (45)
где Nd – расчетная сжимающая сила;
Mx , My – расчетные изгибающие моменты относительно главных центральных осей х и у плана свай в плоскости подошвы ростверка;
n – число свай в фундаменте;
х и у – расстояние от главных осей до оси каждой сваи.
Расчетная сжимающая сила:
, (46)
где N – расчетная нагрузка, действующая по обрезу фундамента;
Nс.в.р. – ориентировочный вес ростверка и грунта.
![]()
Расстояния от главной оси до оси каждой сваи х=0, у=0,45 м.
Изгибающие моменты относительно главных осей плана свай в плоскости подошвы ростверка:
Му =0
(47)
кНм
![]()
![]()
Допускается увеличивать расчетную нагрузку на крайние сваи в ростверке на 20%.
Проверяем условие:
(48)
![]()
Условие выполняется. Принятый свайный фундамент оставляем для дальнейших расчетов.
6.6 Расчет свайного фундамента по деформациям
Расчет оснований свайного фундамента по деформациям выполняется как для условного фундамента на естественном основании.
Определим границы условного фундамента:

Рисунок 9 – Условный фундамент
Угол внутреннего трения:
, (49)
,
- расчетные значения углов внутреннего трения для отдельных слоев грунта, пройденных сваями;
h1 , h2 – высота отдельных пройденных сваями слоев грунта.
![]()
![]()
Сторона подошвы условного фундамента АВ:
м
![]()
Определим среднее давление под подошвой условного фундамента:
, (50)
где
- расчетная нагрузка по обрезу фундамента;
Nу.ф - вес условного фундамента с учетом веса ростверка, свай и грунта в пределах объема условного фундамента:
, (51)
где Nгр - вес грунта в пределах объема;
- среднее значение удельного веса грунта.
(52)
![]()
(53)
![]()
![]()
![]()
![]()
Расчетное сопротивление грунта основания для условного фундамента:
, (54)
где
,
- коэффициенты условий работы:
,
;
- коэффициент, принимаемый равным 1;
,
,
- коэффициенты, принимаемые по таблице 4 СНиП 2.02.01-83 (2000) “Основания зданий и сооружений”:
,
,
;
- среднее значение удельного веса грунтов, залегающего ниже подошвы фундамента:
kH/м3
;
- среднее значение удельного веса грунтов, залегающего выше подошвы фундамента:
kH/м3
;
- расчетное значение удельного сцепления грунта, залегающего непосредственно под подошвой фундамента:
МПа;
- глубина заложения условного фундамента от уровня планировки: ![]()
![]()
Проверим условие:
(55)
![]()
Условие выполняется; несущая способность сваи обеспечена.
6.7 Расчет оснований по деформациям
Определим осадку условного фундамента методом послойного элементарного суммирования.
Осадку основания определим по формуле:
Толщина элементарного слоя:
(56)
м
Дополнительное вертикальное напряжение от внешнего давления:
,
где
- коэффициент, принимаемый по таблице 1 приложения 2 СНиП 2.01.01-82 “Основания зданий и сооружений”;
- дополнительное вертикальное давление на основание:
, (57)
где
- вертикальное нормальное напряжение от собственного веса грунта под нижним концом сваи:
(58)
кН/м2
![]()
Осадка заканчивается в слое, где выполняется условие:
![]()
Таблица 4 - Определение осадки фундамента
| 0,2 |
|||||||
| 0 | 0 | 1 | 0,00921 | 0,00859 | 0,00172 | 2,7 | 0,08023 |
| 0,3 | 0,4 | 0,96 | 0,00884 | 0,00919 | 0,00184 | 2,7 | 0,14409 |
| 0,6 | 0,8 | 0,800 | 0,00737 | 0,00980 | 0,00196 | 2,7 | 0,29232 |
| 0,7 | 0,9 | 0,752 | 0,00693 | 0,01000 | 0,00200 | 5 | 0,38237 |
| 0,9 | 1,2 | 0,606 | 0,00558 | 0,01041 | 0,00208 | 5 | 0,47565 |
| 1,2 | 1,6 | 0,449 | 0,00414 | 0,01101 | 0,00220 | 5 | 0,56550 |
| 1,5 | 1,9 | 0,364 | 0,00335 | 0,01162 | 0,00232 | 5 | 0,65051 |
| 1,8 | 2,3 | 0,277 | 0,00255 | 0,01222 | 0,00244 | 5 |
Осадка составляет 0,65см. Сравниваем это значение с предельным значением осадки
, определяемым по таблице 4 СНиП 2.01.01-82 “Основания зданий и сооружений”:
см ![]()
см.
Условие соблюдается.

Рисунок 10 - Распределение напряжений в грунте
7. Проектирование котлована
7.1 Проектирование котлована для фундаментов мелкого заложения
Площадка имеет ровную поверхность. Планировочная отметка площадки строительства: абсолютная: 120,00; относительная: -0,150. Глубина заложения фундамента составляет 1,65 м.
Котлован прорезает суглинки полутвердые, насыщенные водой. Грунтовые воды находятся ниже подошвы фундамента, поэтому котлован проектируем с откосами.
Разработку котлована предполагается вести экскаватором с обратной лопатой до отметки 118,45, а дополнительное заглубление на 0,1 м до отметки 118,35 - легкими механизмами или вручную непосредственно перед устройством фундамента.
Так как котлован прорезает суглинки и грунтовые воды находятся ниже подошвы фундамента, то котлован разрабатываем с прямыми стенками (
).
Т.к. котлован имеет небольшую глубину и короткий срок выполнения работ, то канавки и приямки, для откачивания воды от атмосферных осадков не предусматриваем.
Определим размеры котлована.
Ширина котлована по низу складывается из расстояния между продольными осями А-В 24 м, внешних вылетов фундаментов с двух сторон, зазоров между фундаментными плитами и краями откосов котлована по 0,2 м с каждой стороны:
![]()
Длина котлована по низу:
![]()
Так как котлован проектируем с прямыми стенками, то ширина котлована по верху равна ширине котлована по низу:
![]()
Длина котлована по верху равна длине котлована по верху: ![]()
7.2 Проектирование котлована для свайного фундамента
Планировочная отметка площадки строительства: абсолютная: 120,00; относительная: -0,150. Глубина заложения ростверка составляет 1,7 м.
Разработку котлована предполагается вести с поверхности экскаватором с обратной лопатой до отметки 118,4, а дополнительное заглубление на 0,1 м до отметки 118,3 - легкими механизмами или вручную непосредственно перед устройством фундамента.
Ширина котлована по низу:
.
Длина котлована по низу:
.
Так как котлован проектируем с прямыми стенками, то ширина котлована по верху равна ширине котлована по низу:
.
Длина котлована по верху равна длине котлована по верху:
.
8. Защита фундаментов от поверхностных и подземных вод
Защитные мероприятия производим для предохранения здания от сырости, коррозии и разрушения материалов.
Защита от грунтовой сырости осуществляется устройством выровненной поверхности всех стен на высоте 10-20 см от верха отмостки водонепроницаемой прослойки из цементного раствора или двух слоев рубероида на битуме.
Для защиты фундаментов от попадания поверхностных и грунтовых вод выполняется горизонтальная гидроизоляция цементным раствором 1:2 на уровне верха фундаментной балки толщиной 30 мм. Защиту подземных конструкций производят обмазкой горячим битумом фундамента за 2 раза, с прокладкой рулонной горизонтальной изоляции в стене.
По периметру всего здания выполняется отмостка. шириной 1 м с уклоном i=1/12.
1. Швецов Г.И., Носков И.В., Слободян А.Д., Госькова Г.С.; под ред. Швецова Г.И. Основания и фундаменты: Справочник. – М.: Высшая школа, 1991. – 383 с.: ил.
2. СНиП 2.01.07-85 (2003) “Нагрузки и воздействия”;
3. СНиП 2.01.01-82 “Основания зданий и сооружений”;
4. СНиП 2.02.03-85 (2003) “Свайные фундаменты”.