| Похожие рефераты | Скачать .docx |
Реферат: Поэтажный расчет статической балки
Министерство образования и науки Российской Федерации
Московский институт коммунального хозяйства и строительства
Контрольная работа
по дисциплине: Строительная механика
Студент:
Специальность: 290700
Шифр: ТВ
Проверил:
Москва 2009
Расчет многопролетной статически определимой балки
Определяем реакции опор и строим эпюры моментов М и поперечных сил Q.
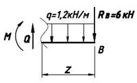
Изображаем расчетную схему

Рис.1 – Расчетная схема.
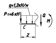
Выделяем главные балки АВ, DEи второстепенную ВС. Строим поэтажную схему.

Рис. 2 – поэтажная схема.
Расчет балки верхнего этажа.

Определим реакции опор.
;
кН;
;
кН;
Проверка:
;
- верно;
Начало координат выбираем в крайней левой точке. Рассмотрим равновесие отсеченной части бруса:

В сечении возникают внутренние усилия:
![]()
;
;
;
0<z<10;
При z=0 получаем:
кН;
;
При z=10 получаем:
кН;
;
кН.
Последовательно рассчитываем балки нижнего этажа.
Балка АВ.

Начало координат выбираем в крайней правой точке. Рассмотрим равновесие отсеченной части бруса:

В сечении возникают внутренние усилия:
![]()
;
;
;
0<z<10;
При z=0 получаем:
кН;
;
При z=10 получаем:
кН;
кН;
Так как на участке действует равномерно распределенная нагрузка моменты вычисляем в трех точках.
При z=5 получаем
кН;
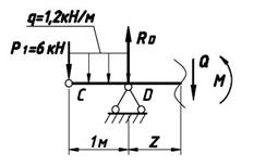
Балка СDE.

Определим реакции опор.
;
кН;
;
кН;
Проверка:
;
- верно;
Расчетная схема имеет четыре силовых участка. Рассмотрим первый участок.
Начало координат расположим в точке С. Рассмотрим равновесие отсеченной части бруса.
В сечении возникают внутренние усилия:

![]()
;
;
;
0<z<1;
При z=0 получаем:
кН;
;
При z=1 получаем:
кН;
кН;
Второй участок.
Начало координат расположим в точке D. Рассмотрим равновесие отсеченной части бруса.
В сечении возникают внутренние усилия:

![]()
;
;
;
0<z<2,2;
При z=0 получаем:
кН;
кН;
При z=2,2 получаем:
кН;
кН;
Третий участок.
Начало координат расположим в крайней правой точке. Рассмотрим равновесие отсеченной части бруса.В сечении возникают внутренние усилия:

![]()
;
;
;
0<z<1,2;
При z=0 получаем:
кН;
кН;
При z=1,2 получаем:
кН;
кН;
Четвертый участок.
Начало координат расположим в точке Е. Рассмотрим равновесие отсеченной части бруса.
В сечении возникают внутренние усилия:

![]()
;
;
;
0<z<7,8;
При z=0 получаем:
кН;
кН;
При z=1,2 получаем:
кН;
кН;
Составляя эпюры, построенные для отдельных элементов, строим окончательные эпюры M и Q.
Ориентируясь на поэтажную схему строим линии влияния для балки CDE, а затем учитываем влияние балки BC.
Вычисление усилий по линиям влияний:
кНм;
кН;
кН.
Расчет плоской статически определимой фермы
При действии узловой внешней нагрузки в стержнях возникают только продольные усилия (растяжение или сжатие). Расчет заключается в определении этих усилий.

Рис . Расчетная схема.
Определение усилий в стержнях фермы.
Определяем опорные реакции.
;
кН;
;
кН;
Так как ферма симметрична опорные реакции равны
кН;
Определяем усилия в стержнях.

Усилие N1-2 и усилие N1-А определим способом вырезания узлов. Рассмотрим узел 1.
![]()
кН (сжат);
![]()
Так как рассматриваемая ферма с параллельными поясами усилие NА-2 определим способом проекций, проектируя все силы на вертикаль. Проводим сечение и рассматриваем равновесие левой части.

;
![]()
кН (сжат);
Усилие NА-3 определим способом моментной точки.

Проводим сечение и рассматриваем равновесие левой части, за моментную точку принимаем точку 2.
;
кН;
кН;
N2-3 определим способом проекций, проектируя все силы на вертикаль. Проводим сечение и рассматриваем равновесие левой части.
;
кН;

Усилие N2-4 определим способом моментной точки. Проводим сечение и рассматриваем равновесие левой части, за моментную точку принимаем точку 3.
;
кН (сжат);
Усилие N3-5 определим способом моментной точки. Проводим сечение и рассматриваем равновесие левой части, за моментную точку принимаем точку 4.
;
кН;
N3-4 определим способом проекций, проектируя все силы на вертикаль. Проводим сечение и рассматриваем равновесие левой части.
;
![]()
кН (сжат);

Усилие N4-6 определим способом моментной точки. Проводим сечение и рассматриваем равновесие левой части, за моментную точку принимаем точку 5.
;
кН (сжат);
N4-5 определим способом проекций, проектируя все силы на вертикаль. Проводим сечение и рассматриваем равновесие левой части.
;
кН;

Усилие N5-7 определим способом моментной точки. Проводим сечение и рассматриваем равновесие левой части, за моментную точку принимаем точку 6.
;
кН;
N5-6 определим способом проекций, проектируя все силы на вертикаль. Проводим сечение и рассматриваем равновесие левой части.
;
![]()
кН (сжат);

Усилие N7-6 определим способом вырезания узлов. Рассмотрим узел 7.
Так как в узле сходятся три стержня, два из которых лежат на одной прямой и узел не нагружен:
;
кН;

Так как рассматриваемая ферма симметрична, то усилия стержней расположенных с правой стороны от стойки 6-7 будут соответственно равны симметричным, расположенным с левой стороны.
Построение линий влияния усилий в стержнях фермы.
Исходными служат линии влияния опорных реакций RА и RB .
Проводим сечение I-I.
Груз Р=1 справа от узла 7. Рассмотрим равновесие левой части фермы.

;
;

;
Груз Р=1 слева от узла 5. Рассмотрим равновесие правой части фермы.
;
;
;
Проводим сечение II-II.
Груз Р=1 справа от узла 5. Рассмотрим равновесие левой части фермы.
![]()
;

Груз Р=1 слева от узла 3. Рассмотрим равновесие правой части фермы.

![]()
Вырезаем узел 7.
а) сила в узле:
;
б) сила вне узла
;
Определение расчетных усилий в элементах фермы.
Определяем усилия от временной нагрузки.
Умножаем узловую временную нагрузку Pврем =1,7кН на положительные ординаты линии влияния для определения Nmax , и отрицательных для Nmin .
кН;
кН;
кН;
кН;
кН;
кН;
кН;
Определение расчетных усилий.
Расчетные усилия определяем по формулам:
;
;
| Номер стержня | Усилия от постоянной нагрузки N | Усиление от временной нагрузки | Расчетное усилие | ||
| N+ | N- | Nmax | Nmin | ||
| N4-5 | 1 | 1,7 | -0,85 | 2,7 | 0,15 |
| N4-6 | -8 | - | -6,8 | -8 | -14,8 |
| N5-7 | 9 | 7,65 | - | 16,65 | 9 |
| N5-6 | -1,41 | 1,2 | -2,399 | -0,21 | -3,809 |
| N6-7 | 0 | 1,7 | - | 1,7 | 0 |
Похожие рефераты:
Конструктивная схема одноэтажного промышленного здания
Основы проектирования и конструирования
Многоэтажное производственное здание
Проектирование сборных железобетонных элементов каркаса одноэтажного промышленного здания
Стальной каркас одноэтажного производственного здания
Проектирование и расчет балочной клетки
Вариантное проектирование балочной клетки рабочей площадки
Проектирование производственного здания с мостовыми кранами
Технология строительства промышленного здания с использованием железобетонных конструкций
Стальной каркас одноэтажного промышленного здания