| Похожие рефераты | Скачать .zip |
Реферат: Проект лабораторного стенда по изучению частотного электропривода на базе автономного инвертора напряжения фирмы OMRON
Министерство образования Российской Федерации
Череповецкий металлургический колледж
ПРОЕКТ ЛАБОРАТОРНОГО СТЕНДА ПО ИЗУЧЕНИЮ ЧАСТОТНОГО ЭЛЕКТРОПРИВОДА НА БАЗЕ АВТОНОМНОГО ИНВЕРТОРА НАПРЯЖЕНИЯ ФИРМЫ “OMRON” ЧМК
Пояснительная записка
ДП.1806.00.00 ПЗ
Руководитель проекта Консультант по
( ) В.О. Тихомиров экономической части
13.06.00 ( ) Е.В. Шумова
13.06.00
Проект разработал Группа: 4 - ТЭ
( ) А.Ф. Дробанов
13.06.00
СОДЕРЖАНИЕ
Введение ………………………………………………..6
1 Общая часть ……………………………………………..7
1.1 Краткая история колледжа……………………………….7
1.2 Современные направления работы……………………...8
1.3 Назначение и применение частотных
преобразователей “Omron”……………………………...10
Принцип работы инвертора……………………………..10
Достоинства и недостатки АИН………………………...20
Обоснование выбора основных составляющих комплексного стенда…………………………………….21
Основные узлы установки………………………………22
Комплексное взаимодействие стендов №6 и №7……...23
2 Специальная часть………………………………………24
2.1 Функциональные возможности стендов………………..24
2.2 Описания лабораторных работ………………………….25
2.3 Выбор кабеля и аппаратуры защиты……………………26
3 Организационная часть…………………………………28
3.1 Монтаж электрооборудования…………………………..28
3.2 Требования к проведению
лабораторно-практических работ………………………30
4 Экономическая часть………………………………….33
4.1 Расчёт капитальных затрат………………………….33
4.2 Расчёт эксплуатационных затрат…………………...34
5 Техника безопасности…………………………………40
5.1 Общие требования……………………………………....40
5.2 Порядок выполнения работы…………………………..40
5.3 Противопожарные мероприятия…………………….…41
5.4 Доврачебная помощь……………………………………41
5.5 Расчёт защитного заземления…………………………..42
6 Заключение……………………………………………..43
Литература………………………………………………44
Приложение А - Методические указания и лабораторная
работа “Ознакомление с
функциональными возможностями
пульта оператора АИН “Omron 3G3EV”…..45
Приложение Б - Методические указания и лабораторная
работа “Исследование внешнего
управления инвертором “Omron 3G3EV””……………………………………..54
Введение
Энергетическую основу производства составляет электрический привод, технический уровень которого определяет эффективность функционирования технологического оборудования. Развитие электрического привода идет по пути повышения экономичности и надежности за счет дельнейшего совершенствования двигателей, аппаратов, преобразователей, аналоговых и цифровых средств управления. Прогрессивным явлением в этом процессе является применение микропроцессора и микроЭВМ, позволяющих существенно расширить функциональные возможности автоматизированного электропривода и улучшить его технические и экономические характеристики.
Успехи в развитии полупроводниковой техники позволили широко использовать в металлургии регулируемые источники питания на базе тиристоров с бесконтактными системами автоматического управления. Мощность отдельных тиристорных преобразователей достигает десятков тысяч киловатт. Большая гибкость управления и широкие возможности в отношении полноты автоматизации обеспечиваются благодаря широкому применению интегральных аналоговых и дискретных устройств, вычислительной техники, унифицированных блочных систем регуляторов.
Электротехнические установки, машины, агрегаты, в частности дуговые, индукционные, плазменные, электронно-лучевые печи, автоматизированный электропривод, непосредственно участвуют в технологических процессах. От технического уровня, режима работы, условий эксплуатации электрооборудования зависит производительность, качество и себестоимость продукции, т.е. все основные показатели, характеризующие эффективность работы, как отдельных цехов, так и всего предприятия в целом. В этих условиях успех производственной деятельности инженера-металлурга существенно зависит от его готовности к выполнению целого ряда функций, касающихся грамотной эксплуатации электрооборудования цехов.
Расширение и усложнение выполняемых электроприводом функций, применение в нем новых средств управления требуют высокого уровня подготовки специалистов, занятых его проектированием, монтажом, наладкой и эксплуатацией. Они должны хорошо знать назначение и элементную базу отдельных узлов электропривода, их свойства и характеристики, уметь разбираться в схемах управления электропривода, определять его экономические показатели и выбирать его элементы.
1 Общая часть
Краткая история колледжа
Череповецкий металлургический колледж был основан в 1953 году сначала как вечерний строительный техникум со специальностью «Промышленное и гражданское строительство» по просьбе руководства «Череповецметаллургстрой» в связи с развернувшимся большим объёмом работ на строительстве Череповецкого металлургического завода и с потребностью в кадрах специалистов. В 1955 году при техникуме открыли дневное отделение по этой же специальности.
В том же году металлургический завод стал действующим предприятием, был получен первый чугун. А за тем ежегодно вводились в строй новые мощности. Росли соответственно и кадры завода. Необходимо отметить, что руководство завода уделяло большое внимание вопросу подготовки кадров. В 1959 году техникум был реорганизован в Череповецкий индустриальный техникум со специальностями: дневное отделение – «Промышленное и гражданское строительство»; вечернее отделение – «Электрооборудование промышленных предприятий и установок», «Производство стали», «Прокатное производство», «Оборудование заводов чёрной металлургии», «Промышленное и гражданское строительство».
В 1961 году в результате объединения индустриального техникума с консультационным пунктом при металлургическом заводе от московского заочного техникума тяжёлого машиностроения появился Череповецкий металлургический техникум с вечерним и заочным обучением. Вечернее отделение: «Электрооборудование промышленных предприятий и установок», «Производство стали», «Прокатное производство», «Оборудование заводов чёрной металлургии», «Промышленное и гражданское строительство». Заочное отделение: «Электрооборудование промышленных предприятий и установок», «Доменное производство», «Производство стали», «Прокатное производство», «Технология коксохимического производства», «Планирование на предприятиях металлургической промышленности».
В 1986 году при техникуме было открыто дневное отделение. Первый набор был 132 человека. Это были четыре группы по трём специальностям: две группы прокатчиков, одна – электриков и одна – механиков. Одновременно обучались работники металлургического и сталепрокатного заводов на вечернем отделении.
1.2 Современные направления работы
Череповецкий металлургический техникум с 1990 года стал именоваться колледжем. В настоящее время был приём на базе 9-ти классов дневного отделения по следующим специальностям:
0601 – «Экономика, бухгалтерский учёт и контроль»;
1105 – «Обработка металлов давлением»;
1701 – «Техническое обслуживание и ремонт промышленного оборудования»;
1806 – «Техническая эксплуатация, обслуживание и ремонт электрического и
электромеханического оборудования»;
2101 – «Автоматизация технологических процессов и производств»;
2201 – «Вычислительные машины, комплексные системы и сети»;
2203 – «Программное обеспечение вычислительной техники и
автоматизированных систем»;
2504 – «Коксохимическое производство».
На базе 11-ти классов дневного отделения учатся студенты по специальностям 0601, 2201, 2203.
На вечернем отделении на базе 11-ти классов учатся студенты по следующим специальностям 0601, 1105, 1701, 1806, 2101, 2202, 2203.
Колледж уделяет большое внимание профильному обучению. По договору с Управлением образования Мэрии г. Череповца в средних школах 13, 20, 19, 30, 32 созданы специализированные классы. В лабораториях и компьютерных классах колледжа ученики 7-х и 8-х классов обучаются основам информатики и вычислительной техники, черчению (компьютерная графика), трудовому обучению (микроэлектроника у мальчиков и изучение языков программирования у девочек). Данная подготовка школьников позволяет колледжу успешно внедрять в учебный процесс новые поколения учебных классов и программ, отражающих современное состояние науки и техники.
При колледже организуются подготовительные семи-, пяти- и трёхмесячные курсы для учащихся 9-ых и 11-ых классов для поступления. Также колледж заключает договоры со школами города о том, что результаты школьных выпускных экзаменов для желающих поступить в колледж засчитываются как вступительные.
Колледж работает и с высшими профессиональными учебными заведениями. При колледже работает учебно-консультационный пункт Вологодского политехнического института. На заочное отделение принимаются выпускники техникумов и колледжей для получения высшего образования. Установочные сессии и экзамены организуются при колледже. Обучение происходит по следующим специальностям: 2101 «Автоматизация и управление технологических процессов и производств», 1201 «Технология машиностроения», 0608 «Экономика и управление в металлургии».
В настоящее время заключён договор с Череповецким государственным университетом о продолжении обучения выпускников колледжа в вузе по специальностям 1806 и 2101.
По договору с Финляндией каждый год колледж отправляет нескольких студентов учиться в средних профессиональных учебных заведениях города Раахе с возможностью продолжить обучение в вузах финского города металлургов, найти там применение полученных знаний и умений.
Колледж очень тесно сотрудничает с базовым предприятием ОАО «Северсталь». Существует целевая подготовка специалистов на основе трёхсторонних договоров «студент – колледж – предприятие» (очно-заочная форма обучения). Дисциплины по выбору, дисциплины из резерва времени, факультативные дисциплины рекомендуются для изучения базовым предприятием, тем самым, отвечая требованиям заказчика, раскрывая специфику учебного заведения и реализуя региональный компонент образования. Профилирующие и специальные дисциплины, включённые в рабочие планы специальностей, предлагаются также ОАО «Северсталь» и ориентируются на практическое обучение студентов. Практика – технологическая, преддипломная и на завершающем этапе перед дипломным проектированием – проходит в цехах предприятия. Базовое предприятие постоянно снабжает колледж программными разработками и необходимыми прикладными программами, вычислительной техникой и другими техническими средствами обучения. Что касается дипломного проектирования, то ОАО «Северсталь» помогает в выборе тем, рецензировании. Необходимо отметить, что в последнее время повысилось качество дипломных проектов и работ в отношении использования вычислительной техники при разработке; достаточно большой их процент рекомендуется и внедряется в производство.
В городе работает отдел платных услуг колледжа, где для учащихся 1-11 классов организованны курсы пользователей персональных компьютеров, информатики и вычислительной техники, изучаются различные прикладные программы и языки программирования.
С каждым годом в колледже обучается всё больше и больше студентов. Первый набор насчитывал всего 98 человек (3 группы). В 1954 году добавились ещё три группы, и число учащихся увеличилось до 190. А в 1956 году в стенах колледжа обучалось уже 400 человек. За время своего существования колледж подготовил более 8 тысяч специалистов.
Таким образом, колледж ориентируется на постоянно растущие потребности города и ОАО «Северсталь» в кадрах, тем самым, развиваясь и становясь крупным учебным заведением города. На сегодняшний день Череповецкий металлургический колледж является единственным средним специальным учебным заведением в Вологодской области по подготовке специалистов со средним профессиональным образованием для металлургической промышленности.
Специалисты, выпускаемые колледжем по всем специальностям, отвечают квалификационным характеристикам и требованиям базового и повышенного уровня подготовки. Выпускники показывают хорошие знания, связанные с применением компьютерной техники, использованием её в производственных целях. Высокий процент трудоустройства говорит о хорошем качестве подготовки и конкурентоспособности выпускников колледжа на рынке труда, а также об удовлетворении колледжем запроса города и области о специалистах.
1.3 Назначение и применение частотных преобразователей “Omron”
Частотные преобразователи “Omron” предназначены для регулирования частоты вращения вала АД в широких пределах. Фирма “Omron” предлагает широкую линейку моделей, способных эффективно работать с двигателями от 100 Вт до 300 кВт.
Частотные преобразователи “Omron”, получившие широкое распространение, являются инверторами напряжения, хотя фирма выпускает ещё также и инверторы тока. Это объясняется тем, что инверторы напряжения могут работать в многодвигательном приводе, и, самое главное, имеют более широкий диапазон изменения выходной частоты. Последнее обстоятельство открывает дорогу данным устройствам не только в производственную, но и в коммунальную сферу, где, например, нагрузка на водопровод крайне неравномерная. Частотные преобразователи помогают эффективно решить проблему необоснованного перерасхода – когда давление в трубах нормализуется, инвертор автоматически снижает момент на валу насоса, экономя при этом до 30 % энергии.
1.4 Принцип работы инвертора
1.4.1 Принцип широтно-импульсного (ШИМ) управления и формирования выходного напряжения в электроприводах асинхронных двигателей

U, f – входные напряжение и частота; OUT A – аналоговый выход; OUT D – цифровой выход; IN A - аналоговый вход; IN D – цифровой вход; УПР – внешнее управление; ПДУ – пульт дистанционного управления; ДУ – дистанционное управление; АД – асинхронный двигатель; ПЧ – преобразователь частоты; СУ – система управления; ПУ – пуль управления; БВ – блок включения управления тиристоров; В (УВ) – выпрямитель (управляемый выпрямитель);
ФИ – усилитель – формирователь; БТ – блок тормозной; Ф1,Ф2,Ф3 – фильтр; ПКА – блок выходных программ; ВБ – блок вентиляторов; ИП – многоканальный источник питания; Д – блок датчиков; ДН, ДТ – блок защит; МК – программный микроконтроллер; ДЧВ – датчик частоты вращения; РА – блок линейной автоматики; ИРПС – каналы интерфейсной связи.
Рисунок 1 – Функциональная схема инвертора с векторным управлением.

В – выпрямитель; Ld – дроссель фильтра Ф (см. рисунок 3); Id – активная составляющая тока фильтра; Cd – ёмкость фильтра; Ud – напряжение фильтра; ω* - задание на входе инвертора; F* , U*- частота и значение выходного напряжения соответственно, согласно V/f – характеристике; САР – система автоматического регулирования; СУИ ШИМ – система управления широтно-импульсной модуляцией; АИН ШИМ – автономный инвертор напряжения с широтно-импульсной модуляцией.
Рисунок 2 – Упрощённая функциональная схема АИН.

Cd – ёмкость входного фильтра;V1- V6 – IGBT – транзисторы; Д1-Д6 – диоды; АД – асинхронный двигатель.
Рисунок 3 – Электрическая схема инвертора на IGBT – транзисторах.

Рисунок 4 – Формы кривых напряжения и тока на выходе АИН.

Рисунок 5 – Базовые коммутационные векторы инвертора.

Ud – напряжение в цепи постоянного тока АИН; A,B,C – сопротивления фаз АД.
Рисунок 6 – Цепи протекания тока в течение периода повторяемости при ШИМ.

Uпр – промежуточный вектор; U1 – проекция промежуточного вектора на основной; i – угол промежуточного вектора.
Рисунок 7 – Промежуточный вектор в системе базовых.
АИН обладает характеристиками источника напряжения, его выходным регулируемым параметром является напряжение на зажимах АД. Современные АИН выполняются на основе полностью управляемых силовых полупроводниковых приборов - запираемых GTO-тиристоров, либо биполярных IGBT-транзисторов с изолированным затвором. Рассмотрим 3-х фазную мостовую схему (смотри рисунок 3). Классификационные признаки схемы – наличие ёмкостного входного фильтра Cd и включенных встречно-параллельно управляемым ключам V1 – V6 диодов обратного тока Д1 – Д6. За счёт поочередного переключения вентилей V1 – V6, постоянное входное напряжение Ud преобразуется в переменное прямоугольно-импульсное выходное напряжение.
Регулирование выходного напряжения АИН можно осуществлять двумя способами: амплитудным (АР) за счёт изменения величин входного напряжения Ud и широтно-импульсным (ШИМ) за счёт изменения программы переключения вентилей V1 – V6 при Ud - const.
Через управляемые ключи V1 – V6 протекает активная составляющая тока АД, через диоды Д1 – Д6 – реактивная составляющая тока АД. Конденсатор фильтра является источником реактивной мощности, потребляемой АД, через него замыкается переменная составляющая входного тока инвертора.
Специальный алгоритм ШИМ управления АИН осуществляет кроме регулирования также улучшение гармонического состава выходного напряжения, что обеспечивает высокую степень синусоидальности тока АД.
ЭП на основе ПЧ на основе АИН ШИМ содержит неуправляемый диодный силовой выпрямитель В и АИН ШИМ (смотри рисунок 2). Регулирование гармоник f1 и величины выходного напряжения U1 осуществляется в АИН за счёт использования алгоритмов высокочастотного ШИМ-управления. Частота ШИМ обычно составляет от 2 до 12 кГц, т.е. на порядок превосходит выходную частоту АИН.
Форма кривой выходного напряжения при этом представляет собой высокочастотную двухполярную последовательность прямоугольных импульсов (смотри рисунок 4). Частота импульсов определяется частотой ШИМ, длительность (ширина) импульсов в течение периода выходной частоты АИН промодулирована по синусоидальному закону. Форма кривой выходного тока – тока АД практически синусоидальна.
К силовым ключам АИН ШИМ предъявляются требования высокого быстродействия и малых динамических потерь.
В тормозном режиме ЭП АИН из режима инвертирования переводится в режим выпрямления (работает мост диодов обратного тока, через управляемые ключи подводится энергия возбуждения АД). Полярность напряжения на входе АИН сохраняется, а ток меняет своё направление. Поэтому для реализации тормозного режима приведенная схема ЭП должна быть дополнена силовыми элементами – либо обратным управляемым выпрямителем (работает в режиме зависимого сетевого инвертора) для регенерации энергии в сеть, либо управляемым ключом (блок БТ на рисунке 1) и тормозным резистором в цепи постоянного напряжения для осуществления электродинамического торможения.
В режиме Ud = const регулирование значения и изменение формы выходного напряжения возможно только путем трансформирования вида коммутационной функции методами широтно-импульсного регулирования (ШИР) и широтно-импульсной модуляции (ШИМ), требующих использования более сложных алгоритмов переключения с многократным переключением вентилей. Многократность предполагает многократный переход из проводящего состояния в закрытое и обратно вентилей, участвующих в протекании тока из цепи постоянного напряжения АИН в фазы АД в течение периода повторяемости (смотри рисунок 6). Для этих целей ШИР, в качестве дополнительного, используется переключение, переводящее АИН в одно из нулевых состояний (1,3,5 или 2,4,6).
Это приводит к появлению нулевых пауз на соответствующих интервалах коммутационной функции и обеспечивает регулирование действующего значения выходного напряжения в диапазоне от “0” до “max”.
Для более сложных алгоритмов управления, основанных на применении широтно-импульсной модуляции ШИМ, применяемых с целью улучшения качества формы выходного напряжения (его гармонического состава) используется метод коммутационного вектора. Целью метода является формирование управляющей последовательности, обеспечивающей более плавное изменение выходных напряжений при смене периодов повторяемости по сравнению со ступенчатой формой напряжения, образуемого в результате работы алгоритма поочередного управления вентилями. Т.к. в рассматриваемых схемах возможны только 6 рабочих (формирующих выходное напряжение) и 2 нулевых состояний вентилей, требуемая форма выходного напряжения может быть получена только в результате комбинационного действия различных состояний в течение периода повторяемости.
Рассмотрим векторную диаграмму, на которой шесть рабочих состояний представляются в виде векторов, смещенных относительно друг друга на π/3 рад (600). Нулевые состояния представляются в виде векторов нулевой длительности, расположенные в начале координат. Эти 8 векторов называются базовыми векторами (смотри рисунок 5). Область, заключенная между двумя соседними осями, определяет соответствующий период повторяемости.
Метод коммутационного вектора предполагает наличие, помимо базовых, некоторого количества промежуточных векторов Uпр, располагающихся внутри сегментов. Положение каждого промежуточного вектора определяется его смещением относительно базового вектора для данного сегмента на угол i (смотри рисунок 7). Промежуточный вектор может быть разложен на составляющие путем проецирования на базовые векторы. Каждый период повторяемости разбивается на определенное число интервалов (векторов) с длительностью Tшим.
В результате действия данного алгоритма форма выходного напряжения сглаживается.
1.4.2 Векторное управление асинхронным ЭД
Для получения высокого качества управления ЭП в статических и динамических (переходных) режимах необходимо иметь возможность быстрого непосредственного управления моментом ЭД.
Момент любого ЭД в каждый отрезок времени определяется величиной (амплитудой) и фазой двух моментообразующих составляющих: тока и магнитного потока. В АД токи и потокосцепления статора и ротора вращаются с одинаковыми скоростями, имеют разные, изменяющиеся во времени фазовые параметры и не подлежат непосредственному измерению и управлению. Доступной управляемой переменной в АД является ток статора, имеющий составляющие, образующие магнитный поток и момент. Фазовая ориентация этих двух составляющих может быть осуществлена только внешним управляющим устройством, чем и обусловлен термин “векторное управление”.
В структуре электропривода ЭД рассматривается как электромеханический преобразователь ЭМП в виде идеализированного двигателя. Его ротор не обладает массой и механической энергией, не имеет механических потерь энергии и жестко связан с реальным физическим ротором, относящимся к механической части ЭП. Такой ЭД может быть представлен электромеханическим многополюсником, содержащим n пар электрических выводов по числу n обмоток, и одну пару механических выводов (смотри рисунок 9). На механических выводах в результате электромеханического преобразования (ЭМТ) энергии при скорости развивается электромагнитный момент M. Момент M является выходной величиной ЭМП и входной для механической части электропривода. Скорость определяется условиями движения механической части, но для ЭМП может рассматриваться как независимая переменная. Механические переменные M и связывают ЭМП с механической частью в единую взаимосвязанную систему. Все процессы в ЭД описываются системой уравнений электрического равновесия (число уравнений равно числу обмоток) и уравнением электромеханического преобразования энергии. Для этого в теории ЭП используют двухфазную модель обобщенного ЭП (смотри рисунок 8), к которой приводятся абсолютно все виды и типы электрических машин:

α,
β – неподвижные
оси статора;
d,
q
– вращающиеся
оси ротора; φ
– угол поворота
ротора;
-
угловая скорость
ротора;
Рисунок 8 – Модель обобщенного ЭМП.
Уравнение электрического равновесия i- обмотки:
![]()
где
- потокосцепление
i-ой
обмотки;
i=1a,…2q; j=1a,…2q, Ri – активное сопротивление обмотки, Li,j – собственные и взаимные индуктивности обмоток. Величина взаимных индуктивностей зависит от угла поворота ротора и от пространственного сдвига обмоток, т.е. является функцией скорости (и времени). Именно поэтому невозможно получить cos φ = 1.
Синтез алгоритмов и систем векторного управления АД базируется на анализе двухфазной d – q модели АД (d и q – ортогональная система координат ротора).

Рисунок 9 – Схема векторного управления
Схема векторного управления состоит из трех основных функциональных частей:
БРП – блок регуляторов переменных;
БВП – блок вычисления переменных;
БЗП – блок задания переменных;
На вход БРП поступают задающие сигналы скорости и потока, и сигналы обратной связи (с выхода БВП) – ориентированные по полю значения составляющих тока статора, потокосцепления ротора, и скорости. БРП содержит набор регуляторов потока, момента, тока, на выходе которых формируются также ориентированные по полю сигналы задания составляющих тока статора.
БЗП осуществляет фазовые и координатные преобразования задающих d – q переменных в систему трехфазных сигналов управления ШИМ АИН. Блок БВП вычисляет текущие значения амплитудных и фазовых параметров d – q переменных АД, осуществляя фазовые и координатные преобразования реальных трёхфазных сигналов токов и напряжений АД, поступающих с выходов соответствующих датчиков.
Координатные преобразования, осуществляемые блоком БВП, заключаются в переходе от реальных координат трёхфазной системы статора АД с осями d,q (преобразование 3 → 2). Блок БЗП осуществляет обратные координатные преобразования (2 → 3), от d-q к a,b,c.
Фазовые преобразования в этих блоках обеспечивают привязку фазовых параметров переменных в двух системах координат.
На надежность, стоимость и качество характеристик ЭП влияют число измеряемых параметров и точность измерений. Для векторного управления АД надо измерять хотя бы две из четырех, доступных к измерению переменных:
Токи статора АД;
Напряжения на зажимах АД;
Угловая скорость ротора АД;
Угловое положение ротора АД;
Векторное управление позволяет практически в любой момент времени, при любом положении ротора относительно статора, при любой угловой скорости и нагрузке на машину, получить максимальный cos φ АД. Это, в свою очередь, ощутимо повышает К.П.Д и момент эл. машины, который, в данном случае, практически не зависит от угловой скорости двигателя.
1.5 Достоинства и недостатки АИН
1.5.1 Достоинства структуры ЭП на основе АИН:
а) Практически неограниченный диапазон регулирования частоты и скорости;
б) Некритичность к мощности (в пределах допустимой) и количеству подключенных АД
в) Возможность работать в режиме холостого хода при отключении АД.
г) Высокое, близкое к “1” значение коэффициента мощности сети (cos φ) во всех режимах работы;
д) Синусоидальность выходного тока, плавное, без скачков, вращение АД на скоростях, близких к нулевым;
ж) Высокие динамические показатели ЭП, обусловленные высоким быстродействием ШИМ управления;
1.5.2 Недостатки структуры ЭП на основе АИН:
а) Достаточно высокий уровень радиопомех, могущих вызвать сбои ЭВМ и контроллеров (силовые кабели необходимо прокладывать в заземленных трубах).
б) Неэкономичность прокладки длинных питающих кабельных линий между АИН и двигателем ввиду значительных токов ВЧ – утечки на ноль (падает момент);
в) Необходимость установки специальных фильтров как на входе, так и на выходе инвертора. Применение обычных фильтров недопустимо.
г) Недопустимость применения любой коммутирующей аппаратуры на выходе АИН.
д) Неустранимый ток высокочастотной утечки на ноль.
1.6 Обоснование выбора основных составляющих комплексного стенда
1.6.1 Основой стенда №6 является частотный преобразователь “Omron 3G3EV”. При выборе данного устройства мы руководствовались, прежде всего, самым широким набором сервисных функций из всех фирм, предлагающих автономные инверторы напряжения. Кроме того, серия 3G3EV рассчитана на работу с двигателями мощностью от 100 Вт до 1,5 кВт, поэтому стоимость входящих в нее инверторов относительно невысока.
Наше внимание привлек инвертор, относящийся к верхнему пределу линейки мощностей данной серии, так как в колледже на момент выбора инвертора уже имелась очень наглядная нагрузка – центробежная воздуходувка. Мощность её двигателя составляла 1,5 кВт, что как раз соответствовало номинальной нагрузке на инвертор. Применение воздуходувки интересно и со стороны будущего совершенствования стенда – для построения замкнутой системы управления необходимо лишь добавить термопару вместе с нагревательным элементом, поместив их в воздушном потоке (контроллер “Ремиконт Р - 122” уже установлен на стенде №7).
Автономные инверторы напряжения фирмы “Omron” позволяют осуществлять дистанционное управление через дискретные и аналоговые входы, что широко используется на современном производстве. Частотный электропривод наиболее эффективно работает в системе “инвертор - контроллер”, что объясняется широкими возможностями управления (задание частоты вращения двигателя как в аналоговом, так и в цифровом виде), возможностью удаленного контроля за режимом работы (ход/останов).
1.6.2 Основой стенда №7 является программируемый регулирующий контроллер “Ремиконт Р - 122”, состоящий из двух полукомплектов, которые дублируют друг друга. В целях снижения эксплуатационных расходов работает только один комплект, остальные модули выключены из работы, но установлены в корзине на случай отказа первого полукомплекта.
При выборе программируемого контроллера “Ремиконт” мы руководствовались невысокой стоимостью данного устройства, эксплуатационной надежностью, подтвержденной производственными условиями, и широкой распространенностью устройств подобного класса на металлургическом комбинате. Последнее обстоятельство позволяет утверждать, что практически любые технические проблемы, возникшие с данным устройством, будут быстро и квалифицированно решены ведущими специалистами, вызванными по договору с ОАО “Северсталь”. В дальнейшем, при наличии выделяемых средств на модернизацию существующей лаборатории электропривода, можно будет произвести замену регулирующего контроллера “Ремиконт” на более совершенную модель – “Ломиконт”, логический программируемый контроллер.
Пока же, на стадии становления лаборатории и учебного процесса на её основе, технических возможностей существующей модели будет вполне достаточно.
1.7 Основные узлы установки
Комплексный лабораторный стенд по изучению частотного электропривода на базе автономного инвертора напряжения фирмы “Omron” состоит из двух лабораторных стендов: №6 и №7. Стенд №6 представлен частотным преобразователем “Omron 3G3EV” и асинхронным электродвигателем, работающим на центробежную воздуходувку. Стенд №7 – это программируемый регулирующий контроллер “Ремиконт Р - 122”, соединенный со стендом №6 посредством гибкого многожильного кабеля.
1.8 Комплексное взаимодействие стендов
Стенд №6 и №7 были задуманы таким образом, чтобы использовать их как один комплексный стенд. Стенд №7 реализует обработку сигналов обратной связи (в проекте), осуществляет управление стендом №6 (запуск, останов, регулировка частоты вращения, выбор его направления). Для реализации замкнутой системы регулирования к стенду №7 могут подключаться различные датчики, но наиболее перспективной, на мой взгляд, является система “термопара – нагревательный элемент”, находящиеся в регулируемом воздушном потоке. Эта система позволит не только осуществлять поддержание заданной температуры, но и осуществлять “аварийное” отключение нагревательного элемента, при его перегреве. Стенд №7 может также обрабатывать сигналы и со всех остальных стендов лаборатории электропривода, что позволит осуществлять демонстрацию всех возможностей систем привода, существующих в колледже. Планируется также завязать, по возможности, все лаборатории, где есть программируемые контроллеры, в сеть. Такая система позволит учащимся на своём опыте ощутить реальное взаимодействие ПК в составе имитаций различных технологических процессов.
Специальная часть
2.1 Функциональные возможности стендов
Лабораторные стенды №6 и №7 предназначены для проведения лабораторных работ, связанных с изучением систем современного привода.
Каждый из стендов, исходя из их технических и функциональных возможностей, способен как принимать аналоговые и дискретные сигналы, так и выдавать их. Комплексное взаимодействие стендов построено на взаимном обмене аналоговыми и дискретными сигналами, в зависимости от цели проводимой лабораторной работы. Современное производство базируется на подобном взаимодействии, что определяет важное значение в лаборатории привода этих стендов.
Лабораторный стенд №6 построен на базе автономного инвертора напряжения фирмы “OMRON”. Данное устройство является лучшим в своём классе. АИН позволяет управлять асинхронным электродвигателем частотным методом, причем задание на частоту подается как с аналогового, так и с дискретного входа. АИН обладает рядом защит, обеспечивающих высокую защищенность как самого инвертора, так и подключенного к нему двигателя.
К числу этих защит относятся: защита от перенапряжения во входной цепи, защита от обрыва одной из выходных фаз, защита от перегрева радиатора выходных транзисторов, защита от перегрузки по току, защита от сбоя в электронной части. Защитной реакцией инвертора является остановка с дисплейной индикацией кода ошибки. Коды ошибок и пути их устранения приведены в инструкции по эксплуатации.
Лабораторный стенд №7 построен на базе регулирующего контроллера “Ремиконт Р-122”, состоящего из двух полукомплектов, которые дублируют друг друга. Контроллер позволяет осуществлять дистанционное управление различными устройствами через дискретные и аналоговые входы. Для расширения функциональных возможностей этот контроллер может быть не только расширен до логического программируемого, но и может быть завязан в сеть с другими контроллерами. В рамках данной лаборатории, кроме стенда №6 он может управлять другими стендами, например, стендами с тиристорным приводом.
2.2 Описания лабораторных работ
2.2.1 Лабораторная работа №1: “Ознакомление с функциональными возможностями пульта оператора АИН “Omron 3G3EV”
Цель работы: изучить пульт оператора АИН “Omron 3G3EV”, ознакомиться с наименованиями и функциями клавиш пульта оператора, установить заданные параметры инвертора в различных режимах.
Оборудование: стенд №6
Данная лабораторная работа предназначена для отработки и закрепления навыков работы с пультом оператора АИН “Omron” в различных режимах.
В начале лабораторной работы учащиеся закрепляют расположение функциональных клавиш и их назначение. Далее следует изменение параметров настройки инвертора в режиме останова. После этого происходит запуск стенда. В ходе работы АИН учащиеся изменяют те параметры, которые можно изменять во время его функционирования, наблюдая при этом реакцию установки.
Методические указания для проведения этой лабораторной работы содержатся в приложении А.
2.2.2 Лабораторная работа №2 “Ознакомление с функциональными возможностями программируемого контроллера “Ремиконт Р-122””
Цель работы: Изучить пульт управления ПК “Ремиконт Р-122”, научиться производить подготовку его к работе, изучить его функциональные возможности.
Оборудование: стенд №7.
Целью данной работы является закрепление теоретических знаний по запуску, конфигурированию и программированию ПК.
2.2.3 Лабораторная работа №3: “Исследование внешнего управления инвертором “Omron 3G3EV”
Цель работы: изучить порядок перехода от управления инвертором со встроенного пульта к внешнему управлению. Проанализировать схему управления, разобраться в схемной реализации этого перехода. Реализовать на практике дистанционное задание выходной частоты инвертора по аналоговому входу.
Оборудование: стенд №6, стенд №7.
Целью данной работы является закрепление знаний по возможностям внешнего управления частотным преобразователем “Omron 3G3EV”. В начале лабораторной работы учащиеся изучают схему стенда №6 и разбираются в том, что происходит в схемном отношении при переходе от управления со встроенного пульта к режиму внешнего управления. Учащиеся выясняют, какой из параметров инвертора необходимо изменить, чтобы заставить его воспринимать внешние сигналы управления.
Для получения первого опыта по управлению АИН “OMRON 3G3EV” учащиеся производят запуск и регулирование скорости автономного инвертора напряжения с внешних его входов, средствами стенда №6.
Далее происходит запуск управляющего стенда №7, с которого производится посылка дискретных команд на запуск и остановку инвертора. Аналоговое задание выходной частоты также осуществляется со стенда №7.
Методические указания для проведения этой лабораторной работы содержатся в приложении Б.
2.3 Выбор кабеля и аппаратуры защиты
2.3.1 Выбор кабеля
В инструкции по эксплуатации указывается, что во входные и выходные цепи нельзя устанавливать реакторы с длительным током менее 10 А. Исходя из этого, выбираем кабель ПВГ(3*1,5) во входные и выходные цепи инвертора,
кабель с медными жилами в поливинилхлоридной изоляции.
2.3.2 Выбор аппаратуры защиты
В инструкции по эксплуатации указывается, что инвертор следует защищать автоматическим выключателем на 10 А. Выбираем автомат “FEDERAL FMB-C10” с током срабатывания 10 А.
3 Организационная часть
3.1 Монтаж электрооборудования
3.1.1 Монтаж АД
Электрические машины, поступающие на монтаж в комплекте с механизмом, монтируют на второй стадии производства электромонтажных работ, когда полностью подготовлены площадки или конструкции для их установки. У электродвигателей с подшипниками скольжения подшипники промывают и заполняют маслом. Заводскую смазку подшипников качения при установке небольших машин обычно не заменяют. Проверяют состояние изоляции обмоток электрических машин и, если возникает необходимость, сушат обмотки. Подготовленные таким образом машины доставляют на монтажную площадку, где их устанавливают, выполняют сопряжение двигателей с рабочими механизмами и генераторов с двигателями и подключают к сети через пускорегулирующие аппараты. Перед установкой электродвигателей по установочным размерам изготавливают и устанавливают крепежные конструкции и детали.
Электродвигатели устанавливают на металлических конструкциях, непосредственно на полу или на фундаменте и крепят с помощью болтов.
3.1.2 Монтаж АИН “OMRON 3G3EV”
а) Инвертор “ OMRON 3G3EV” крепится к вертикальной панели двумя винтами M4.
б) Параметры окружающей среды и места для установки.
температура воздуха - 1050 0С;
влажность не более 90% (без конденсации);
инвертор надо располагать в чистом месте, свободном от масляных брызг и пыли. Или же полностью закрывать его, не допускать попадания пыли и брызг внутрь;
При установке инвертора обратите особое внимание на недопустимость воздействия на прибор металлической пыли, масла, воды и т. д.;
Инвертор нельзя устанавливать на горючих материалах;
в) Пространство для монтажа
Для нормального охлаждения при монтаже необходимо выдерживать минимальные расстояния, как показано на рисунке 10.

Рисунок 10 – Минимально допустимые эксплуатационные расстояния при монтаже инвертора.
г) Для правильной работы инвертора надо избегать установки его в местах, где возможны резкие скачки температуры. Если инвертор установлен в закрытом кожухе, необходимо использовать вентилятор или кондиционер для поддержания температуры внутри кожуха ниже 50 0С. Температура радиатора может быть на 30 0С выше температуры окружающего воздуха.
Следовательно, нельзя, чтобы к радиатору прикасались провода или материалы, которые боятся нагрева.
3.1.3 Монтаж контроллера “Ремиконт Р-122”
а) Контроллер должен монтироваться таким образом, чтобы обеспечивался доступ свежего воздуха к вентиляторам охлаждения, установленным под модульной корзиной.
б) Корпус корзины должен быть обязательно заземлен, т.к. иначе центральный процессор может выйти из строя из–за статического электричества. Температура циркулирующего воздуха не должна превышать 50 0С.
в) Блок питания также должен охлаждаться. В случае, если температура его радиатора превысит 80 0С, он может выйти из строя.
3.2 Требования к проведению лабораторно-практических работ
3.2.1 Техника и методика проведения лабораторных работ
Лабораторные работы помогают учащимся лучше усвоить пройденный теоретический материал, связать теорию с практикой, закрепить полученные знания, получить практические кавыки по постановке и проведению экспериментов, а также по оформлению соответствующих отчетов. Правильная организация лабораторных занятий способствует быстрому и продуктивному проведению лабораторных работ.
Сознательное выполнение учащимися лабораторной работы невозможно без предварительной подготовки. Поэтому до сведения учащихся должен быть доведен график проведения лабораторных работ, который должен неукоснительно выполняться. Исходя из возрастных особенностей учащихся техникумов полезно на занятиях, предшествующих очередной лабораторной работе, выдавать им домашнее задание по подготовке к предстоящему лабораторному занятию.
При подготовке к выполнению лабораторной работы учащиеся повторяют соответствующий теоретический материал, а также подготавливают «скелет» отчета, который должен содержать:
1) титульный лист, заполняемый в соответствии с ГОСТ 2.105-68, разд. 4, ЕСКД - заполняются поля 1, 2, 4, 6 и 7.
2) цель работы;
3) оборудование (заполняется по описанию лабораторной установки или оставляется свободное место для заполнения на рабочем месте в лаборатории);
4) домашние расчеты и соответствующие им графики, например расчет градуировочной характеристики термопары и ее график;
5) принципиальная или функциональная схема лабораторного макета или установки;
6) ход выполнения работы (кратко указывается пункт работы. заготавливаются таблицы, записываются расчетные формулы, оставляется место для расчетов, заготавливаются листы миллиметровой или специальной, например, логарифмической бумаги);
7) выводы (заполняются после обработки результатов эксперимента) ;
8) контрольные вопросы и ответы на них.
Перед допуском учащегося к рабочему месту качество подготовки к предстоящей лабораторной работе должно проверяться преподавателем путем беглого опроса с помощью программированных контрольных заданий. При проведении лабораторных занятий учебная группа обычно разбивается на две подгруппы, каждая из которых делится на бригады. Разбивка на бригады может производиться старостой подгруппы или преподавателем. В каждой бригаде следует назначать старшего (бригадира), под ответственность которого лаборантом выдается необходимая аппаратура, принадлежности, инструкции и т. д. Бригадир несет ответственность за порядок на рабочем месте и по окончании лабораторного занятия сдает рабочее место, а также все оборудование и документацию лаборанту.
На первом лабораторном занятии учащиеся должны быть ознакомлены с правилами поведения учащихся в лаборатории, правилами техники безопасности и спецификой работы на рабочих местах лаборатории, а также с требованиями, предъявляемыми к оформлению отчета о проделанной работе. Инструктаж по технике безопасности необходимо оформить личными подписями учащихся в специальном журнале.
Примерные правила поведения учащихся в лаборатории:
1) учащиеся, не подготовленные к работе, не допускаются к ее выполнению;
2) обязательным условием допуска учащегося к очередной работе является сдача им отчета по предыдущей работе;
3) учащиеся, не прошедшие инструктаж по технике безопасности, к лабораторным занятиям не допускаются;
4) опаздывать на занятия, самовольно занимать и покидать рабочее место, отлучаться из лаборатории без разрешения преподавателя нельзя;
5) включение питания к исследуемой схеме разрешается только после проверки схемы лаборантом или преподавателем;
6) перед включением питания все реостаты в схеме должны быть полностью введены, потенциометры — выведены, а многопредельные измерительные приборы включены на максимальные пределы измерения;
7) включив питание, учащиеся должны удостовериться, что стрелки всех измерительных приборов отклоняются в нужную сторону;
8) все переключения в исследуемой схеме и вспомогательных цепях производятся только после отключения питания;
9) при наличии любых неисправностей в исследуемой схеме или в используемой аппаратуре необходимо отключить питание и доложить лаборанту или преподавателю;
10) учащиеся несут материальную ответственность за происшедшую по их вине порчу лабораторного оборудования;
11) после выполнения каждого пункта задания полученные результаты необходимо показать преподавателю для проверки;
12) разборка лабораторной установки разрешается только по указанию преподавателя или лаборанта;
13) после выполнения лабораторной работы учащиеся оформляют отчет и сдают его для проверки;
14) учащийся, пропустивший плановое лабораторное занятие или не успевший закончить работу в срок, выполняет эту работу во внеурочное время.
После выполнения лабораторной работы учащийся обязан составить отчет с анализом полученных результатов и ответами на контрольные вопросы, приводимые в описании лабораторной работы. Отчет должен содержать название и номер лабораторной работы, цель работы и ее краткое содержание, схему исследуемого устройства, перечень используемой аппаратуры, таблицы с результатами измерений и вычислений, формулы, по которым производились вычисления, и значения отдельных расчетных констант, графики, выводы и ответы на контрольные вопросы. Желательно для оформления отчетов по лабораторным работам иметь специальные бланки, облегчающие учащимся работу и оказывающие на них дисциплинирующее действие. Правильное оформление отчетов по лабораторным работам воспитывает у учащихся аккуратность, четкость мышления, последовательность изложения материала. Записи в отчетах должны выполняться четко и аккуратно чернилами или пастой без помарок. Оформление текста, таблиц, расчетов и графиков должно соответствовать требованиям ГОСТ ЕСКД. Графики вычерчиваются на специальной или миллиметровой бумаге формата 11. На осях координат обязательно надписываются откладываемые величины, указываются единицы их измерения и масштабы, а также наносятся масштабные деления. Кривые графиков следует проводить между экспериментально полученными точками усредненно, учитывая ожидаемые теоретические результаты. Отдельные точки в силу случайных или систематических погрешностей могут оказаться за пределами графика, и их следует отбросить. В тех областях, где ход кривой монотонным, можно ограничиться небольшим количеством измерений, тогда как в областях точек перегиба или экстремумов количество измерении необходимо увеличить так, чтобы получить достоверный ход кривой. Часто для удобства сравнения результатов опыта на одних осях координат строится несколько кривых, которые обязательно должны быть пронумерованы в соответствии с вариантами в таблицах измерения и расшифрованы в примечаниях к графикам. Можно разные кривые выполнять в различных цветах. Для снятия частотных характеристик в достаточно широком диапазоне частот следует пользоваться логарифмическим масштабом частоты.
4 Экономическая часть
4.1 Расчет капитальных затрат
4.1.1 Капитальные затраты – это денежные средства на создание новых и реконструкцию действующих основных фондов. Капитальные затраты складываются из затрат на приобретение оборудования и приборов, транспортных расходов, затрат на монтаж. Основанием для составления сметы является: спецификация на оборудование, прейскуранты цен, ценники на монтаж.
Для изготовления лабораторного стенда необходимо электротехническое оборудование, асинхронный электродвигатель переменного тока, кабельная продукция, автономный инвертор напряжения “OMRON” 3G3EV, программируемый контроллер “Ремиконт Р-122”.
4.1.2 Капитальные затраты на оборудование
Таблица 1 - Смета-спецификация на оборудование.
Наименование оборудования |
Единицы измерения |
Количество |
Стоимость, руб. |
|||
| Единицы | Всего | |||||
| Двигатель переменного тока, 1,5кВт | к-т |
1 |
800 |
800 |
||
| Инвертор “OMRON 3G3EV” | к-т | 1 | 13512 | 13512 | ||
| Контроллер “Ремиконт Р - 122” | к-т | 1 | 26520 | 26520 | ||
| Электротехническое оборудование | к-т | 2 | 400 | 800 | ||
| Кабель силовой | м | 15 | 22 | 330 | ||
| Кабель монтажный | м | 15 | 15 |
225 |
||
Итого стоимость оборудования: 42187 руб. |
||||||
| Транспортные расходы 7,5% от стоимости оборудования | 42187*7,5 / 100= | 3164,025 | ||||
| Строительно-монтажные работы 10% от стоимости оборудования (СМР) | 42187*10 / 100= | 4218,7 | ||||
| Накладные расходы, 21% от СМР (НР) | 4218,7*21 / 100= | 885,927 | ||||
| Плановые накопления 8% от суммы СМР и НР | (4218,7+885,927)*8 / 100= | 408,37 | ||||
| Стоимость капитальных затрат на оборудование |
3164,025+4218,7+885,927+ 408,37 = |
8677,022 | ||||
| Итого стоимость капитальных затрат: 50864,022 руб. | ||||||
4.2 Расчет эксплуатационных затрат
4.2.1 Эксплуатационные затраты рассчитываются по изменяющимся статьям себестоимости, к ним относят: амортизационные отчисления, затраты на содержание технических лабораторий автоматизации, затраты на электроэнергию, затраты на заработную плату.
4.2.2 Амортизационные отчисления
(1)
где К- капитальные затраты;
Н-норма амортизационных отчислений (Н=12%)
![]()
4.2.3 Затраты на эксплуатацию и текущий ремонт
(2)
где Нр- норма отчислений на эксплуатацию и текущий ремонт, Нр составляет 6% от стоимости оборудования (Нр=6%)
![]()
4.2.4 Заработная плата персонала для обслуживания оборудования
Режим работы персонала – односменный.
Заработная плата инженерно-технических работников рассчитывается по системе должностных окладов. Для работы с лабораторным стендом и обслуживания вычислительной техники необходим следующий состав персонала:
Старший лаборант;
Инженер по эксплуатации
Таблица 2 - Штатная ведомость.
| Наименование специальности |
Разряд |
Оклад по ЕТС, руб |
Всего |
| Старший лаборант | 5 | 133.100 | 1 |
| Инженер по эксплуатации | 12 | 460 | 1 |
Годовой фонд оплаты труда – это сумма денежных средств для оплаты труда работников предприятий.
4.2.5 Расчет годового фонда оплаты труда инженерно-технических работников:
Оклад старшего лаборанта составляет 133,1 рублей. Заработная плата за год (двенадцать месяцев):
(3)
![]()
Доплата за вредность:
(4)
где Э – процент доплаты за вредность - 15%.
![]()
4.2.6 Расчет фонда оплаты труда, с учетом районного коэффициента, для инженера по эксплуатации:
(5)
где 1,25 – районный коэффициент
![]()
Оклад инженера по эксплуатации составляет 800 рублей. Заработная плата за год по формуле (3):
![]()
Доплата за вредность по формуле (4)
![]()
![]()
4.2.7 Расчет фонда оплаты труда с учетом районного коэффициента для инженера по эксплуатации, по формуле:
(6)
где 1,25 – районный коэффициент
![]()
Общий фонд оплаты труда работников:
![]()
4.2.8 Расчёт с внебюджетными фондами:
(7)
где ФОТ – Общий фонт оплаты труда;
Т – тариф отчисления в некоторый внебюджетный фонд, %;
Расчёт с фондом Социального страхования:
![]()
Расчёт с Пенсионным фондом:
![]()
Расчёт с Государственным Фондом занятости населения РФ:
![]()
Расчёт с Фондом обязательного медицинского страхования:
![]()
Отчисления во внебюджетные фонды составляют 38,5% от годового фонда оплаты труда:
![]()
4.2.9 Эксплуатационные расходы:
(8)
где А – годовые амортизационные отчисления;
Ф – плата в госбюджет за пользование основными фондами, руб.;
Зтр – затраты на эксплуатацию и текущий ремонт;
(9)
где К – затраты на внедрение оборудования, руб.
![]()
![]()
Вывод:
По производственным расчетам капитальные затраты на разработку и внедрение стендов для лаборатории электропривода составили 50864,022 руб.
Эксплуатационные расходы при работе со стендом составят 9338,63 руб.
5 Техника безопасности
5.1 Общие требования
1. В лаборатории за технику безопасности несет ответственность преподаватель и лаборант.
2. Студенты должны знать и строго соблюдать настоящую инструкцию, выполнять только ту работу, которая поручена ему преподавателем или лаборантом после предварительного объяснения о безопасных приемах работы.
3. В процессе выполнения работ от студентов требуется соблюдать организованность, не отвлекаться посторонними делами, разговорами и не отвлекать других.
4. В случае получения травмы прекратить работу, известить об этом преподавателя и обратиться за оказанием медицинской помощи.
5. Заметив нарушение инструкции другими работающими или опасность для окружающих, не оставаться безучастными, предупредить работающего и преподавателя о необходимости соблюдения требований, обеспечивающих безопасность работы.
5.2 Порядок выполнения работы
5.2.1 Перед работой
1. Ознакомиться с настоящей инструкцией и расписаться в журнале ТБ лаборатории.
2. Приступать к выполнению работы студенты могут только с разрешения преподавателя.
3. Студентам категорически запрещается доступ к распределительным щитам и установкам, не относящимся к выполняемой ими работы.
4. До начала работы все ее участники должны на месте подробно ознакомиться со схемой лабораторной установки, обратив особое внимание на место расположения выключателя со стороны питающей сети.
5. ОСОБОЕ ВНИМАНИЕ обращать на цепи возбуждения двигателей постоянного тока, генераторов и вторичные обмотки трансформаторов тока.
5.2.2 Во время работы
1. Включение напряжения производить только после проверки схемы преподавателем и его разрешения.
2. Если по ходу работы установку требуется неоднократно включать или отключать, то эти операции должны быть поручены только одному лицу. В аварийных случаях отключение установки может быть произведено любым из участников работы.
3. Особая осторожность должна быть при работе с движковыми реостатами открытого типа. При передвижении движка реостата вторая рука не должна касаться заземленных частей или частей, находящихся под напряжением.
4. Во время работы запрещается снимать ограждения с вращающихся частей машины.
5. Запрещается работать в шарфах, косынках (на плечах), с распущенными волосами.
6. Запрещается присоединение и отсоединение переносных приборов, требующих разрыва электрических цепей, находящихся под напряжением.
7. Не оставлять включенной установку без присмотра.
8. В случае аварии, во время работы НЕМЕДЛЕННО отключить питающий автомат.
5.2.3 После работы
Отключить все источники питания.
Прибрать свое рабочее место.
5.3 Противопожарные мероприятия
В случае возникновения пожара:
а) немедленно отключить главный рубильник;
б) вызвать пожарную помощь по телефону 01;
в) принять меры к ликвидации пожара, первичными и подручными средствами.
5.4 Доврачебная помощь
Освободить пострадавшего от действия электрического тока.
2 . Вызвать врача по телефону 03.
3. При необходимости давать нюхать нашатырный спирт, сделать искусственное дыхание и массаж сердца.
4. Создать пострадавшему покой.
5.5 Расчёт защитного заземления
Таблица 3 – Коэффициенты использования трубчатых заземлителей.
| Число трубчатых заземлителей | Коэффициент экранирования n при отношении расстояния между трубами к их длине (a/L) | |||||
| 3 | 2 | 1 | 3 | 2 | 1 | |
| Трубы размещены в ряд | Трубы размещены по контуру | |||||
| 5 | 0,87 | 0,8 | 0,68 | - | - | - |
| 10 | 0,83 | 0,7 | 0,55 | 0,78 | 0,67 | 0,59 |
| 20 | 0,77 | 0,62 | 0,47 | 0,72 | 0,60 | 0,43 |
| 30 | 0,75 | 0,60 | 0,40 | 0,71 | 0,59 | 0,42 |
| 50 | 0,73 | 0,58 | 0,30 | 0,68 | 0,52 | 0,37 |
| 100 | - | - | - | 0,64 | 0,48 | 0,33 |
| 200 | - | - | - | 0,61 | 0,44 | 0,30 |
| 300 | - | - | - | 0,60 | 0,43 | 0,28 |
а) Периметр заземления: 152 м;
б) Расстояние между электродами: 10 м.;
в) Рассчитываем отношение a/l (где a – расстояние между электродами,
l – длина заземляющих электродов.): a/l = 10/5 = 2;
г) Рассчитываем предварительное число электродов n = L/a (где L – длина периметра заземления): L/a = 152/10 =15 шт.;
д) Определяем сопротивление одного прутка rо.пр.: rо.пр. = 0,227* = 0,227*100 =2,27 Ом;
е) По таблице 3 для n = 15 и отношения a/l = 2 находим коэффициент использования прутков nи.в. = 0,63.
ж) Рассчитываем необходимое количество прутков n1 (где rз – максимальное значение сопротивления заземления = 0,5 Ом):
n1= (rо.пр./r3)* nи.в = 2,27/ 0,5*0,63 = 7,2 8.
Так как n1 < n, то заземление выбрано с запасом и его
сопротивление не превышает 0,5 Ом.
6 Заключение
В результате данного дипломного проекта был разработан и изготовлен новый стенд №7 для лаборатории электропривода. Также были разработаны две лабораторные работы для проведения их на стендах №6 и №7. Достаточно большое внимание было уделено и их комплексному взаимодействию и функциональным возможностям. Был глубоко рассмотрен теоретический вопрос частотного регулирования в автономных инверторах.
Реализация лабораторного стенда №7 на базе регулирующего контроллера “Ремиконт Р-122” имеет важное значение для лаборатории электропривода, так как современная формула успешной реализации всех возможностей производства звучит как “контроллер – частотный преобразователь”. С появлением стенда №6 учащиеся смогут в полной мере, на практике, ощутить необходимость и эффективность такого технического взаимодействия, смогут получить необходимые практические навыки уже в стенах учебного заведения.
Затраты на внедрение данного проекта составили 50864 руб. Эксплуатационные расходы при работе со стендом составят 9338 руб.
Литература
1. Техническое описание автономного инвертора напряжения “Omron 3G3EV”. – OMRON Corporation, 1995.
2. “Контроллер регулирующий микропроцессорный Ремиконт Р – 110, Р – 112, Р-120, Р- 122”.- Техническое описание.
3. “Техника чтения схем автоматического управления и технологического контроля”. - Москва, Энергоатомиздат, 1991
4. Н. И. Белорусов, А. Е. Саакян, А. И. Яковлева. "Электрические кабели, провода и шнуры". Москва, "Энергоатомиздат", 1988.
5. Б.Ю. Липкин “Электроснабжение промышленных предприятий и установок ”.- Москва, “Высшая школа”, 1990.
ПРИЛОЖЕНИЕ А
(обязательное)
Методические указания и лабораторная работа “Ознакомление с функциональными возможностями пульта оператора АИН “Omron 3G3EV”
Министерство образования Российской Федерации
Череповецкий металлургический колледж
Специальность 1806
Техническая эксплуатация,
обслуживание и ремонт
электрического и
электромеханического
оборудования в металлургии
Ознакомление с функциональными возможностями пульта оператора
АИН “Omron 3G3EV”
Методические указания и лабораторная работа
по дисциплине “Электрический привод”
для студентов III курса
Разработал Дробанов А.Ф.,
студент IV курса
Череповец
2000
Ознакомление с функциональными возможностями пульта оператора АИН “Omron 3G3EV”
1 Цель работы: изучить пульт оператора АИН “Omron 3G3EV”, ознакомиться с наименованиями и функциями клавиш пульта оператора, установить заданные параметры инвертора в различных режимах.
2 Средства обучения
2.1 Оборудование: лабораторный стенд №6.
2.2 Методические указания к лабораторной работе, задание.
3 Краткие теоретические сведения
Автономный инвертор имеет множество настроек и параметров, которые делают его чрезвычайно гибким в применении. Изменение параметров заключается в изменении цифровых значений соответствующих ячеек. Каждый параметр инвертора имеет кодовое обозначение (смотри таблицу А.1).
Таблица А.1 – Список настроечных параметров инвертора.
| № пара-метра | Индикатор | Описание | Диапазон |
Завод-ская уставка |
|
n01 |
Выбор доступа к параметрам/инициализация параметров | 0,1,8,9 | 1 | |
| n02 | MODE | Выбор метода управления | 0-5 | 0 |
|
n04 |
F/R |
Выбор направления вращения | For/Rev | For |
| n06 | Выбор функции программируемого входа | 0-4 | 1 | |
| n09 | Выбор функции программируемого входа | 0,1,2 | 1 | |
| n11 | FREF | Заданная частота 1, Гц | 0,0-400 | 6,0 |
| n12 | FREF | Заданная частота 2, Гц | 0,0-400 | 0,0 |
| n20 | ACC | Время разгона, с | 0,0-999 | 10 |
| n21 | DEC | Время торможения, с | 0,0-999 | 10 |
| n24 | FMAX | Максимальная частота, Гц | 50,0-400 | 60,0 |
| n25 | VMAX | Максимальное напряжение, В | 1-255 | 200 |
| n26 | FBAS | Частота при максимальном напряжении, Гц | 1,6-400 | 60,0 |
| n31 | THR | Ток, при котором срабатывает электронная термозащита, А | 0,1-8,4 | 6,2 |
| n33 | Предупреждение опрокидывания ротора во время торможения | 0,1 | 0 | |
| n36 | Режим работы после мгновенного пропадания питания | 0,1,2 | 0 | |
| n37 | Несущая частота | 1,2,3,4 | 4 | |
| n39 | Коэффициент передачи по частоте | 0,1-2,00 | 1,00 | |
| n40 | Смещение по частоте, Гц | -99-99 | 0 | |
| n68 | История ошибок |
Параметр n01 является ключевым. Он определяет степень доступа к настройкам инвертора. Ниже следует более подробное описание его значений (смотри таблицу А.2).
Таблица А.2 – Описание значений параметра “n01”.
|
Значение “n01” |
Описание |
| 0 |
Доступ только к ключевому параметру “n01” |
| 1 |
Для установки доступны все параметры до “n68” |
| 8 | Для всех параметров устанавливаются заводские установки |
| 9 | Инвертор включается в 3-х проводную внешнюю схему управления |
Для проведения данной лабораторной работы параметр “n01” должен быть установлен в значение “1”. Данные параметры и их значения вводятся при помощи пульта оператора, передняя панель которого показана на рисунке А.1.

Рисунок А.1 – Пульт управления АИН “Omron 3G3EV”
Ввод наиболее часто используемых параметров в инвертор, которые выведены непосредственно в виде пульта управления, состоит из следующих операций:
Выбор нужного параметра осуществляется клавишей “MODE” (не путать с параметром “mode”, который высвечивается в виде индикатора!).
При этом на дисплее зажигается индикатор, соответствующий выбранному параметру.
Изменение выбранного параметра до нужной величины производится клавишами “INCREMENT” и “DECREMENT”.
Ввод измененного значения достигается путем нажатия клавиши “Enter”
Если изменение происходит в режиме рабочего хода, то при многократном нажатии клавиши “MODE” будут активизироваться только зеленые индикаторы.
Активизированный (подсвеченный) индикатор показывает, какой параметр выбран для контроля и изменения. Параметры, связанные с красными индикаторами, выбираются и изменяются только в режиме останова инвертора.
Режим непосредственного доступа к параметру по его номеру (только в режиме останова):
1) Клавишей “MODE” происходит последовательный перебор до высвечивания индикатора “PRGM”
Первичное показание на дисплее высвечивает номер выбранного параметра “n01” для просмотра и редактирования.
2) Клавишами “INCREMENT” и “DECREMENT” производят выбор параметра настройки инвертора (в режиме PRGM), затем нажимают “ENTER”. Мы вошли в ячейку памяти. На дисплее высвечивается текущее значение ячейки параметра.
3) При необходимости посредством нажатия клавиш “INCREMENT” и “DECREMENT” изменяют цифровое значение параметра.
4) Для сохранения введенного значения нажимают “ENTER”.
Мигание значения прекращается. Оно введено в память.
5) Через 0,5 с. после ввода в память параметра вновь становится возможным выбор другого параметра, его изменение и ввод (это осуществляется как в пунктах 2 - 4).
6) Выход из режима непосредственного изменения параметров производится путем нажатия клавиши “MODE”.
Для запуска инвертора необходимо нажать клавишу “RUN”, для его останова - клавишу “STOP”.
Т.к. в режиме рабочего хода красные индикаторы не могут быть активизированы с пульта, то фирма – производитель “Omron” запрограммировала АИН таким образом, что шесть индикаторов красного цвета посредством последовательной поочередной активизации создают эффект “огонька, бегущего по кольцу”. Если это “движение” происходит по часовой стрелке, то АД движется в прямом направлении, если против часовой стрелки – АД работает в реверсе.
! Для осуществления полноценного управления с пульта необходимо установить параметр “mode” (n02) в значение “0”. (Заводская установка)
! Если при подаче питания на инвертор загорелся индикатор “ALARM” – работу прекратить и сообщить об этом преподавателю!
Контрольные вопросы
1.Какие параметры инвертора могут быть изменены в ходе его работы ?
2. Какой параметр (индикатор) отвечает за направление вращения двигателя?
3. Какие индикаторы служат для наблюдения за работой электродвигателя?
4. Изменением какого параметра можно ограничить разгон электродвигателя до определенной частоты?
5. Как можно посмотреть заданное время торможения или разгона в режиме “СТОП”?
6. В каком порядке происходит изменение и ввод любого из параметров настройки инвертора?
4 Ход работы
4.1 Получить задание у преподавателя
4.2 Прочитать инструкцию по технике безопасности на рабочем месте
4.3 Произвести включение автомата “QF” на стенде.
4.4 Параметры, указанные в задании, записать в память инвертора и в таблицу в отчете, как показано в таблице А.3
Таблица А.3 – Перечень параметров для самостоятельного изменения.
| № пара-метра | Индика-тор | Описание | Диапа-зон |
Предыдущее значение параметра |
Заданное значение для установки |
|
n04 |
F/R | Выбор направления вращения | For/Rev | For | Rev |
|
n11 |
FREF | Заданная частота, Гц | 0,0-400 | 6,0 | 30 |
|
n20 |
ACC | Время разгона, с | 0,0-999 | 10 | 15 |
|
n21 |
DEC | Время торможения, с | 0,0-999 | 10 | 15 |
|
n24 |
FMAX | Максимальная частота, Гц | 50,0-400 | 60,0 | 30 |
4.5 Перевести дисплей в режим контроля выходной частоты.
4.6 Произвести запуск инвертора, наблюдая динамику разгона по цифровому индикатору.
4.7 После выхода на рабочий режим проконтролировать ток, потребляемый двигателем (IOUT). Значение потребляемого тока занести в отчет.
4.8 В ходе работы инвертора изменить значение времени торможения до 5 с.
4.9 Переключиться в режим мониторинга тока.
4.10 Наблюдая за током произвести реверс инвертора.
4.11 Остановить установку.
Все нажатия кнопок, производимые на пульте инвертора в ходе данной работы отразить в отчете. Сделать вывод по работе. В выводе должна быть отражена тема и цель данной лабораторной работы.
Литература
1 Техническое описание автономного инвертора напряжения “Omron 3G3EV”. – OMRON Corporation, 1995.
ПРИЛОЖЕНИЕ Б
(обязательное)
Методические указания и лабораторная работа “Исследование внешнего управления инвертором “Omron 3G3EV””
Министерство образования Российской Федерации
Череповецкий металлургический колледж
Специальность 1806
Техническая эксплуатация,
обслуживание и ремонт
электрического и
электромеханического
оборудования в металлургии
Исследование внешнего управления инвертором “Omron 3G3EV
Методические указания и лабораторная работа
по дисциплине “Электрический привод”
для студентов III курса
Разработал Дробанов А.Ф.,
студент IV курса
Череповец
2000
Исследование внешнего управления инвертором “Omron 3G3EV
1 Цель работы: Изучить порядок перехода от управления инвертором со встроенного пульта к внешнему управлению. Проанализировать схему управления, разобраться в схемной реализации этого перехода. Реализовать на практике дистанционное задание выходной частоты инвертора по аналоговому входу.
2 Средства обучения
2.1 Оборудование: лабораторные стенды №6 и №7;
2.2 Методические указания к лабораторной работе, задание.
3 Краткие теоретические сведения
Частотные преобразователи “Omron” могут управляться не только со встроенной панели оператора, но и при помощи внешних управляющих воздействий, представленных дискретными и аналоговыми сигналами, которые подаются на соответствующие входы. Такой способ управления позволяет осуществлять дистанционный запуск, останов установки, производить установку направления вращения приводного двигателя и его частоты не только оператором, но также и при помощи средств промышленной автоматики. Это широко используется на современном производстве, где зачастую требуется осуществлять централизованное управление множеством электрических приводов.
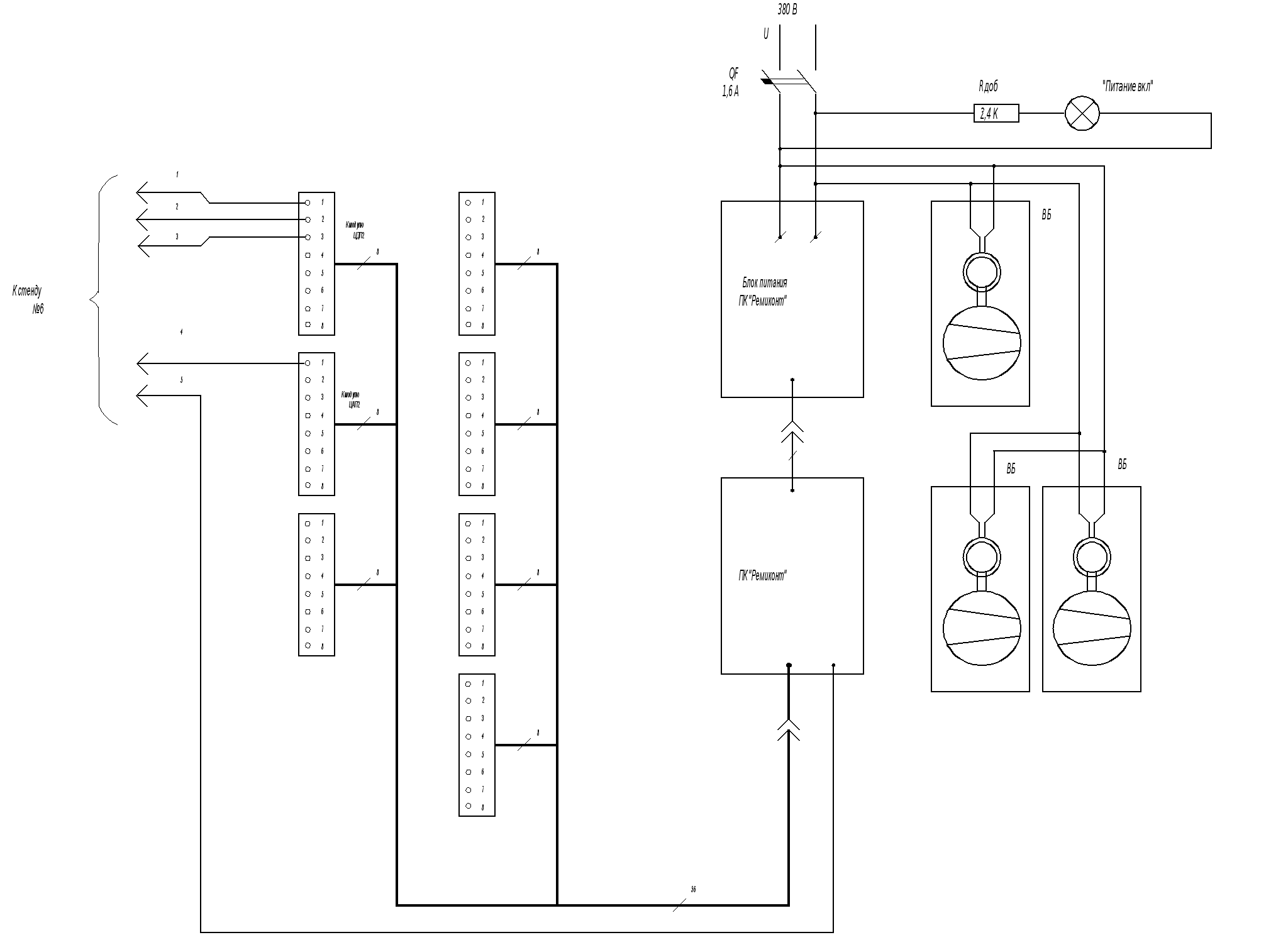
На рисунке Б.1 показана принципиальная электрическая схема (стенд №6) для дистанционного управления инвертором.

1 – дискретный сигнал “Назад” от стенда №7; 2 – дискретный сигнал “Вперед” от стенда №7; 3 – общий дискретный вход; 4 – аналоговый сигнал на задание скорости от стенда №7; 5 – общий аналоговый вход.
Рисунок Б.1 – Электрическая принципиальная схема подключения инвертора для реализации внешнего управления (стенд №6).
Для перехода к режиму внешнего управления необходимо, прежде всего, сообщить инвертору, что сигналы управления (старт/стоп, направление вращения, задание на скорость) следует принимать с внешних входов. Функция выбора режима приемки внешних управляющих сигналов возложена на параметр (индикатор) “mode”. Ниже представлена таблица возможных его значений.
Таблица Б.1 – Режимы внешнего управления, задаваемые параметром “mode”.
|
Значение параметра “n02” |
Команда “Пуск” подается … | Задание частоты подается… |
Установка DIP - ключей |
| 0 | С пульта оператора |
С пульта оператора (n11) |
OFF |
| 1 | С клемм управления |
С пульта оператора (n11) |
OFF |
| 2 | С пульта оператора |
С клемм управления (0-10 V) |
OFF |
| 3 | С клемм управления |
С клемм управления (0-10 V) |
OFF |
| 4 | С пульта оператора |
С клемм управления (4-20 mA) |
ON |
| 5 | С клемм управления |
С клемм управления (4-20 mA) |
ON |
DIP-ключи находятся под передней крышкой инвертора, в положении “OFF”.
В данной лабораторной работе используется режим “3”, т.е. режим внешнего управления, задаваемый параметром “mode”.
Управляющие входы инвертора подразделяются на дискретные и аналоговые. Задание направления вращения и команды “СТОП” и “ПУСК” подаются только с дискретных входов. Задание частоты вращения может происходить как в цифровой форме, так и в аналоговой. В данной схемной реализации применен аналоговый способ задания частоты (потенциальный) как более наглядный и простой. Он реализуется посредством потенциометра, с которого снимается сигнал 0-10 В и подаётся на вход “FR” (“FC” - общий).
Для реализации внешнего управления инвертором средствами стенда №6 необходимо перевести ключ “SA – I” в верхнее положение. На схеме стенда это соответствует замыканию “SA – I “C ” ” контактов. Из схемы на рисунке Б.1 видно, что такое переключение обеспечивает подачу питающего напряжения на катушки управляющих реле “KV1 - I” и “KV2 - I”, контакты которых коммутируют дискретные входы инвертора “SF” и “SR” с общим входом “SC”. Коммутация “SF - SC” обеспечивает прямой ход приводного двигателя, “SR - SC” – обратный ход, т.е. реверс. Так как одновременная подача сигналов на два дискретных входа приводит к ошибке и останову инвертора, то при работе одного из реле, отвечающих за выбор направления вращения, его контакты разрывают цепь питания реле, отвечающего за пуск инвертора в другую сторону.
Для реализации режима внешнего управления на стенде №6 не достаточно соответствующим образом запрограммировать инвертор, необходимо установить ключ “SA – I” на стенде в крайнее нижнее положение. “SA – I” замыкает цепь питания реле “K – I” и коммутирует одну из цепей аналогового входа инвертора. Реле “K – I” срабатывает, обеспечивая отключение ручного задатчика частоты (потенциометра) и подключая дискретные и аналоговые входы. Заметим, что ключ “SA – I” используется для коммутации одного из аналоговых входов из-за того, что у реле “K- I” всего четыре нормально-разомкнутых контакта. А для реализации режима внешнего подключения необходимо раздельно коммутировать пять входов.
Для запуска инвертора и его останова служит кнопочная станция. Задание направления вращения происходит путем подачи управляющего напряжения на вход соответствующего реле. Один из его нормально-разомкнутых контактов обеспечивает самоподхват.
Для отработки управления инвертором с помощью контроллеров используется подключение “Ремиконт Р-122” согласно схеме (смотри рисунок Б.2).

ВБ – блок вентиляторов; 1 – дискретный выход “Назад”; 2 – дискретный выход “Вперед”; 3 – дискретный общий; 4 – аналоговый выход для задания скорости на стенд №6; 5 – общая шина ПК “Ремиконт”.
Рисунок Б.2 – Электрическая принципиальная схема стенда №7.
Контрольные вопросы
1. Какую функцию выполняет ключ “SA – I” на стенде №6?
2. Каким образом осуществляется переход от управления с пульта оператора к внешнему управлению?
3. Какими двумя способами может осуществляться задание частоты?
4. Какими двумя способами может осуществляться аналоговое задание частоты?
5. В чём преимущества аналогового задания частоты от цифрового?
6. К чему приведёт одновременная подача команд “Вперед” и “Назад”?
7. Какова точность аналогового задания?
4 Ход работы
4.1 Получить задание у преподавателя
4.2 Прочитать инструкцию по технике безопасности на рабочем месте
4.3 Произвести включение автомата “QF”на стенде №6.
4.4 Установить ключ “SA - I” в верхнее положение.
4.5 Исходя из знаний, полученных на лабораторных работах “1” и “2” запустить и подготовить к работе стенд №7.
4.6 Запустить АИН с внешних входов средствами стенда №6 (Кнопочная станция, аналоговый задатчик частоты (потенциометр)).
4.7 Когда двигатель, питающийся от инвертора, наберет скорость, нажать кнопку “Стоп” (на стенде), и сразу же за этим – кнопку “Назад”.
Обратить внимание на то, каким образом произойдёт реверс. Во время реверса проконтролировать выходной ток. Зафиксировать тот момент, когда он примет наибольшее значение.
4.8 Остановить инвертор.
4.9 Перевести стенд в режим приемки сигналов от регулирующего контроллера “Ремиконт – Р122” путём перевода ключа “SA - I” в нижнее положение.
При помощи заранее введенной программы в контроллер осуществить запуск и регулирование оборотов АД со стенда №7
4.11Осуществить реверс АД по таймеру.
Произвести остановку АД по поступлении дискретного сигнала на вход регулирующего контроллера.
Все нажатия кнопок, производимые на пульте инвертора и на пульте “Ремиконт Р-122” в ходе данной работы, отразить в отчете. Сделать вывод по работе. В выводе должна быть отражена тема и цель данной лабораторной работы.
Литература
1 Техническое описание автономного инвертора напряжения “Omron 3G3EV”. – OMRON Corporation, 1995.
2 “Контроллер регулирующий микропроцессорный Ремиконт Р – 110, Р – 112, Р-120, Р- 122”.- Техническое описание.
3 “Техника чтения схем автоматического управления и технологического контроля”. – Энергоатомиздат, 1991.
ДОКЛАД
“Проект лабораторного стенда по изучению частотного электропривода на базе автономного инвертора напряжения фирмы OMRON”.
В настоящее время на АО “Северсталь” происходит активное внедрение частотных преобразователей. Это объясняется тем, что частотное управление, реализуемое посредством автономных инверторов напряжения, позволяет решить целый ряд проблем, связанных с несовершенством существующих систем электрического привода.
На сегодняшний день наибольшее распространение получили следующие типы двигателей: АД с короткозамкнутым ротором, АД с фазным ротором, СД, ДПТ. На современном производстве существуют такие технологические процессы, которые требуют глубокого регулирования скорости, её постоянства в течение определенного времени и высокой перегрузочной способности электрической машины. ДПТ наиболее полно отвечает всем этим требованиям, но имеет существенный недостаток – коллектор. Коллекторные машины критичны к большим пусковым токам (круговой огонь) и их коллектор подвержен подгоранию, истиранию и загрязнению, в металлургических же цехах зачастую присутствует и металлическая и угольная пыль, что отрицательно влияет на срок службы двигателей. АД с фазным ротором имеет значительный диапазон регулирования скорости, но реализация её регулирования не отличается экономичностью – на активных сопротивлениях, вводимых в ротор, происходят ненужные потери энергии. Кроме того, контактные кольца и щётки тоже подвержены износу, что приводит к вынужденным материальным затратам и потере рабочего времени на ремонты.
СД отличается достаточно высоким КПД, но запуск его осложнен тем, что прямое включение в сеть СД приводит к резким броскам тока и напряжения, что при большой мощности машины очень отрицательно сказывается на форме сетевого напряжения. Синхронные машины при перевозбуждении компенсируют реактивную мощность индуктивной нагрузки (АД) и имеют очень стабильную скорость, не зависящую от нагрузки, но при превышении критического момента машина выпадает из синхронизма, что приводит к броскам потребляемого тока и напряжения. АД с короткозамкнутым ротором не содержит роторной обмотки, которая была бы сильно подвержена динамическим и температурным воздействиям, что объясняет самую низкую аварийность этих электрических машин. АД могут выполняться даже в герметичном исполнении, что позволяет использовать их во взрывоопасных средах. К недостаткам АД можно отнести то, что при пуске его момент не может составлять 100 % из-за того, что индуктивное сопротивление стержней ротора больше активного (S1).
Если посмотреть на схему замещения АД, то можно сделать вывод, что у асинхронного электродвигателя момент не может являться максимальным в диапазоне скоростей 0 – max, т.к. зависит от соотношения активного и реактивного сопротивлений ротора, которые также зависят от скольжения.
Исходя из этого мы приходим к выводу, что для поддержания момента на постоянном уровне в течение всего разгона необходимо сделать так, что бы соотношение активного и реактивного сопротивлений ротора было постоянным. Соотношение может быть изменено либо увеличением активного (как в АД с фазным ротором) так и уменьшением реактивного сопротивления. Известно, что реактивное сопротивление индуктивности уменьшается со снижением частоты, активное же сопротивление в случае машины с короткозамкнутым ротором не изменяется (очень мал скин-эффект ввиду относительно малой частоты тока в обмотке). Поэтому поддержание максимального момента при разгоне может быть реализовано путем плавного изменения частоты. Такой метод управления асинхронной машиной называется частотным управлением. Он реализуется методом широтно-импульсной модуляции напряжения цепи постоянного тока автономного инвертора.
Одним из важных параметров инвертора является несущая частота ШИМ. От этой частоты зависит качество кривой тока двигателя, и чем выше синусоидальность, тем меньше помех в радиодиапазоне тем меньше потери на гистерезис и вихревые токи в магнитной системе машины.
Для создания синусоидально-подобной кривой тока используется изменение ширины импульсов в сторону увеличения от начала до середины полупериода, затем следует уменьшение ширины каждого импульса, и, наконец, изменение полярности выходного напряжения. Для увеличения величины выходного напряжения происходит лишь пропорциональное увеличение ширины импульсов. Этот метод изменения выходного напряжения называется методом широтно-импульсного регулирования. Метод широтно-импульсной модуляции позволяет получить высокую синусоидальность. В дорогих моделях инверторов, предназначенных для использования с электродвигателями большой мощности используется также метод векторного управления. Суть этого метода состоит в том, что инвертор получает от двигателя четыре параметра:
Напряжение на зажимах
Выходной ток
Угловую частоту
Положение ротора.
На основании этих параметров происходит построение математической модели электрической машины в микропроцессорном блоке инвертора, определяется необходимый сдвиг между током и напряжением, что позволяет работать с cos = 1 во всем диапазоне выходных частот инвертора. Cos =1 позволяет получить максимальный момент даже на низких частотах, а при использовании инвертора для питания двигателя с вентиляторной нагрузкой инвертор выбирает минимально возможный рабочий момент путем снижения выходного напряжения, что позволяет экономить электроэнергию.
В последних моделях инверторов возможен также режим, когда не используется ни тахогенератор, ни сельсин. Построение математической модели происходит по двум параметрам: по току и напряжению на выходных зажимах инвертора. Такой способ векторного управления требует высокого быстродействия процессорного блока инвертора. Серия EF обладает такими возможностями.
Инверторы также имеют преимущество перед тиристорными преобразователями, так как не потребляют реактивную мощность из питающей сети.
Таким образом, асинхронный двигатель, при его использовании с частотным преобразователем, является лучшей системой привода. Лидером в производстве автономных инверторов является фирма “Omron”, т.к. её преобразователи имеют большую гибкость в управлении и надежность.
Именно поэтому АО “Северсталь” в настоящее время активно внедряет эти частотные преобразователи на производство (наряду с инверторами “Siemens”), причем в настоящее время инверторы начинают внедряться даже в коммунальную сферу (насосы).
Из – за широкого распространения инверторов необходимо обучать специалистов, выпускаемых из колледжа и частотному приводу. До настоящего времени выпускники имели только теоретические знания по частотному приводу. С пуском комплексного стенда станет возможным проводить лабораторные работы по дисциплине “Электрический привод” в полном объеме, соответствующем современным требованиям к выпускаемым специалистам. В настоящий момент возможно проведение лабораторных работ на стенде №6. Завязка стендов №6 и №7 по управляющим входам является задачей для дальнейшей работы. Стенды для проведения лабораторных работ в колледже располагаются в лаборатории электропривода. Лабораторные указания для проведения двух лабораторных работ, разработанные в ходе данного дипломного проекта, представлены в приложениях “А” и “Б”.
Комплексный стенд предназначен для получения первичных практических навыков по программированию частотного привода и его управлению перед выходом на практику студентов колледжа. Комплексный стенд состоит из стендов №6 и №7.
Стенд №6, основой которого является автономный инвертор напряжения фирмы “Omron”, позволяет отрабатывать вопросы управления инвертором с его встроенного пульта и с внешних управляющих входов: с двух дискретных входов (для задания направления вращения) и с одного аналогового (для задания скорости).
Стенд №7, базирующийся на программируемом контроллере “Ремиконт Р-122”, позволяет получать практические навыки по программированию ПК “Ремиконт” и по управлению внешними устройствами, например, стендом №6 или любым другим. Планируется также связать все контроллеры, находящиеся в лабораториях колледжа в сеть посредством программного обеспечения “Trace Mode”. Это также является направлением для дальнейшей работы.
В результате дипломного проекта был разработан и внедрен комплексный лабораторный стенд по изучению частотного электропривода на базе автономного инвертора напряжения фирмы “Omron”.
Также в результате дипломного проекта, кроме двух приложений с методическими указаниями для лабораторных работ, был произведен расчёт капитальных затрат на внедрение комплексного стенда. Капитальные затраты составили 50 тыс. рублей, затраты на эксплуатацию – 9 тысяч.
Похожие рефераты:
Техническая диагностика средств вычислительной техники
Инверторные источники питания для электродуговой сварки
Модернизация релейной защиты на тяговой подстанции Улан-Удэ на базе микропроцессорной техники
Стабилизатор тока электродиализатора
Оборудование летательных аппаратов
Разработать лабораторный стенд для испытания устройств защиты судовых генераторов
Схема и конструкция монитора на основе электронно-лучевой трубки VIEWSONIC 17GA/GL
Средства учета количества электричества и электрической энергии
Разработка ветроэнергетической установки
Разработка виртуальной лабораторной работы на базе виртуальной асинхронной машины в среде MATLAB
Управление напряжением рентгеноскопической установки
Техническая эксплуатация и обслуживание электрического и электромеханического оборудования