| Похожие рефераты | Скачать .zip |
Реферат: Компьютерная Томография
ОТЗЫВ
НА ДИПЛОМНУЮ РАБОТУ СТУДЕНТА
ГР. МИД-195 ЕФРЕМОВА М.О.
«ПРОГРАММНО-АППАРАТНЫЙ КОМПЛЕКС
ДЛЯ МОНИТОРИНГА СИМУЛЯТОРА SLS-9»
Компьютерная томография является эффективным и современным средством диагностики. Однако компьютерные томографы являются очень дорогостоящими приборами. Поэтому применение рентгеновского симулятора в качестве компьютерного томографа является актуальной и перспективной задачей.
В дипломной работе Ефремов М. О. разработал программно-аппаратный комплекс для управления записью изображения в компьютер при использовании симулятора в режиме компьютерной томографии.
Ефремовым М. О. осуществлена разработка принципиальной схемы устройства сопряжения рентгеновского симулятора с персональным компьютером и программного обеспечения.
При проектировании принципиальной схемы использована современная элементная база. Разработка программной части осуществлена с помощью новейших программных средств.
Все работы по выполнению задания по теме дипломного проекта Ефремов М. О. выполнил в срок, проявляя при этом достаточную эрудицию и знания, показал умение использовать научно-техническую литературу.
Считаю, что при соответствующей защите дипломного проекта Ефремова заслуживает оценки «отлично», а Ефремов М. О. присвоения ему звания инженера по специальности 1906
Руководитель Семенов С.И.
.
Целесообразность производства проектируемого устройства может быть подтверждена путем расчета экономической эффективности. При расчете экономической эффективности базовым является выражение приведенных затрат П:
![]()
Где Сi - текущие затраты на проведение НИП, ОКР, НИОКР, либо себестоимость продукта внедрения результатов НИР, ОКР, или НИСКР по всему варианту; Кj - единовременные (капитальные) затраты на осуществление НИР, ОКР или НИСКР, либо капитальные затраты на внедрение результатов НИР, СКР или НИСКР по всему варианту; Ен - нормативный коэффициент использования капитальных вложений (Ен 0,33).
К внедрению принимается тот вариант, который имеет минимум приведенных затрат [11].
Экономическая эффективность выражается:
7.1 Расчет капитальных затрат
Расчет капитальных затрат осуществляется путем калькуляции себестоимости с последующим расчетом оптовой цены.
Расчет статей калькуляции приведен в таблицах 7.1, 7.2, 7.3, 7.4.
Табл. 7.1
Затраты на сырье и основной материал.
| Название | Марка | Кол-во | Цена 1ед. руб. | Затраты, руб |
|
1. Припой, кг 2. Провод, м 3. Лак, л 4. Стеклотекс-толит, кг 5. Разъем 7. Провод, м 6. Корпус |
ПОС-61 НВ АК-133 СФ-2-35Г |
0,02 0,2 0,01 0,05 1 0,2 1 |
100,0 5,0 50,0 40,0 2,0 5,0 10,0 |
2,0 1,0 0,5 2,0 2,0 1,0 10,0 |
| Итого | 18,5 |
Табл. 7.2
Затраты на вспомогательные материалы и технологические цели.
| Наименование материала | Количество | Цена, 1 ед. руб | Затраты, руб |
|
1. Флюс ФСК, кг 2. Сплав "Розе", кг 3. Спирт технический, кг 4. Спиртобензиновая смесь, кг 5. Дистиллированная вода, кг 6. Марля, м 7. Тринатрий фосфат, л |
0,005 0,05 0,01 0,01 1 0,04 0,003 |
20,0 15,0 60,0 86,0 1,0 10,0 20,0 |
0,1 0,75 0,6 0,86 1,0 0,4 0,6 |
| Итого | 4,31 |
Табл. 7.3
Затраты на покупные изделия и полуфабрикаты.
| Наименование изделия | Тип или типоразмер | Количество | Цена, ед. руб | Затраты, руб |
|
1. Резисторы 2. Конденсаторы 3. Диоды 4. Микросхемы 5. Светодиоды 6. Переключатель 7. Стабилитроны |
МЛТ-0,125 СП5-2В К10-7В-Н90 Д18 К140УД25А К1113ПВ1А К142ЕН5А КР1533ЛН1 АЛ336В П2К 2С166В |
6 1 1 2 1 1 1 1 1 1 2 |
1,5 6,0 2,0 1,0 10,0 100,0 3,0 2,0 0,5 4,0 5,0 |
9,0 6,0 2,0 2,0 10,0 100,0 3,0 2,0 0,5 4,0 10,0 |
| Итого | 148,5 |
Табл. 7.4
Расчет прямой зарплаты основных рабочих.
| Наименование операции | Разряд | Трудоем-кость, ч | Тарифная ставка, руб | Зарплата, руб. |
|
1. Сборочно-монтажные работы Лужение контактных площадок Рихтовка и формовка выводов ЭРЭ Облуживание выводов ЭРЭ Установка ЭРЭ на плату Нанесение флюса на места паек Пайка ЭРЭ Очистка ПП от остатков флюса Нанесение и сушка лака на ПП Проверочная Контрольная 2. Сборка изделия Пайка соединительных проводов Установка ПП в корпус |
3 3 3 3 3 3 3 3 3 3 3 |
0,01 0,015 0,01 0,04 0,033 0,033 0,012 0,016 0,25 0,4 0,01 0,01 |
1,196 1,196 1,196 1,196 1,196 1,196 1,196 1,196 1,196 1,196 1,196 1,196 |
0,012 0,018 0,012 0,048 0,04 0,04 0,014 0,019 0,299 0,478 0,012 0,012 |
| Итого | 0,574 |
Основная заработная плата рассчитывается по формуле:
ОЗ = Пз + Пр;
где Пр - размер премии, определяющийся в процентном отношении от прямой зарплаты (Пз), руб.
Пр = Пз Р/100;
где Р - Процент премии, который составляет 30 %.
Тогда:
ОЗ = 0,574 + 0,574 0,3 = 0,921 руб.;
6.2 Расчет себестоимости устройства.
Издержки производства, отражаемые в себестоимости изделия, оформляются в виде документа "Калькуляция себестоимости". Калькулирование осуществляется по данным планово-экономического отдела завода .
1. Сырье и основные материалы.
2. Вспомогательные материалы на технологические цели.
3. Покупные изделия и полуфабрикаты.
4. Топливо и энергия на технологические цели.
Прямые материальные затраты (ПМЗ).
5. Транспортно-заготовительные расходы (5% от 1+2 статей).
6. Основная заработная плата, 30% премия.
7. Дополнительная заработная плата (12% от 2 статьи).
8. Отчисления на социальные нужды (38,5% от 6 и 7 статей).
9. Затраты на содержание и эксплуатацию машин и оборудования (3% от 6 статьи).
10. Общезаводские расходы (34,3% от 6 статьи без учета премии).
11. Прочие производственные затраты (26,5% от 6 статьи без учета премий).
12. Все производственные расходы (2% от производственной себестоимости).
Полная себестоимость.
Калькуляция себестоимости устройства приведена в таблице 6.5.
Табл. 6.5
Калькуляция себестоимости устройства.
| № | Наименование статьи | Затраты, руб. |
|
1 2 3 4 |
Сырье и основной материал Вспомогательные материалы на технологические цели Покупные изделия и полуфабрикаты Топливо и энергия на технологические цели |
18,50 4,31 148,50 - |
| Итого ПМЗ: | 171,31 | |
|
5 6 7 8 9 |
Транспортно-заготовительные расходы Основная заработная плата Дополнительная заработная плата Отчисления на социальные нужды Затраты на содержание и эксплуатацию машин и оборудования |
1,14 0,92 0,52 0,55 0,03 |
| Цеховая себестоимость: | 3,16 | |
|
10 11 |
Общезаводские расходы Прочие производственные затраты |
0,20 0,15 |
| Производственная себестоимость | 0,35 | |
| 12 | Все производственные расходы | 0,01 |
| Полная себестоимость | 174,83 |
Плановая оптовая цена производства рассчитывается с учетом чистой продукции:
Цопт = Спол + Пр;
где Спол - полная себестоимость, руб; Пр - прибыль, рассчитываемая по видам продукции уровню рентабельности изделия (Р), руб.
Пр = (СполР)/100;
где Р =18% от Спол.
Пр =174,83 18 / 100 = 31,47 (руб);
Тогда:
Цопт = 174,83 + 31,47 = 206,3 (руб).
6.3 Расчет затрат на эксплуатацию изделия.
Эксплуатационные затраты выражаются следующей формулой:
Еэкс = Еэпо + Еам + Еэл.эн + Еэл.эн + Есод + Епр;
где Еэпо - заработная плата оператора;
Еам - амортизационные отчисле
ния;
Еэл.эн - затраты на электроэнергию;
Еэл.эн - затраты на текущий ремонт;
Есод - затраты на содержание изделия;
Епр - прочие затраты.
Проведем расчет эксплуатационных затрат по каждой из статей:
1. Для данного вида изделия Еэпо=0, т.к. устройство является дополнением к медицинскому прибору, и не требует дополнительного оператора.
2. Амортизационные отчисления капитальных затрат рассчитываются по формуле:
Еам = (NамК)/100;
где Nам - норма амортизационных отчислений, %.
Для РЭА норма амортизационных отчислений рассчитывается исходя из срока службы Тсл:
Nам = (1/Тсл) 100 = (1/5) 100 =20%;
К - капитальные затраты изделия, руб.
Еам= (20174,83)/100 = 8,74 (руб);
3. Затраты на электроэнергию при питании от электросети рассчитываются следующим образом:
Еэл.эн. = РнТрежИт;
где Рн - потребляемая мощность, кВт;
Треж - режимный фонд времени работы в год, ч;
Ит - тариф на электроэнергию за 1 кВт/ч, руб.
Еэл.эн1 = 0,000210000,4 = 0,08 (руб);
4. Затраты на текущий ремонт рассчитываются как:
Етр = Езп.р + Езч + Епр.тр.
Заработная плата персонала (Езп.р) осуществляющего текущие ремонты данного изделия, определяется:
Езп.р = (ТуоИрМn)(1+Кпр)(1+Кдоп)(1+Ксс);
где Туо - средняя трудоемкость отыскания и устранения неисправности, ч;
Ир - человая тарифная ставка ремонтника, руб/ч;
Кпр - коэффициент, учитывающий премию;
Кдоп - коэффициент, учитывающий дополнительную зарплату;
Ксс - коэффициент, учитывающий отчисления на социальное страхование;
Мn - количество отказов изделия, определяемое по формуле:
Мn = Треж Дрэа;
где Дрэа - интенсивность отказов изденлия, 1/ч.
Мn = 100050010-6 = 0,5,
Езп.р1 = (0,53,50,5)(1+0,8)(1+0,4)(1+0,4)=2,23 (руб);
Езп.р2 = (0,53,50,1)(1+0,3)(1+0,4)(1+0,4)=0,45 (руб);
Затраты на запасные части (Езч), как правило это невосстанавливаемые комплектующеи элементы принципиальной схемы РЭА, определить прямым счетом крайне затруднительно, т.к. трудно определить, где произойдет отказ и какие последствия он окажет на изделия.
Езч = Ека Мn;
где Ека - среднеарифметическая стоимость невосстанавливаемых комплектующих элементов принципиальной схемы устройсва.
Езч = 0,90,5 = 0,45 (руб),
Езч = 0,90,1 = 0,09 (руб).
Епр.тр затраты обычно принимаются в процентном отношении (8%) от Езч и Езп.р:
Епр.тр = (Езч +Езп.р)8.100,
Епр.тр = (0,45+2,23)8/100 = 0,21 (руб),
Епр.тр = (0,04+0,45)8/100 = 0,04 (руб).
Тогда
Етр = 2,23 + 0,45 + 0,21 = 2,89 (руб),
Етр = 0,45 + 0,09 + 0,04 = 0,58 (руб).
5. Затраты на содержание изделия в течение года (Есод) - это затраты на проведение работы и трудоемкость которые определяется соответствующими документами: инструкциями по эксплуатации, наставлениями, формулярами и т.п. Затраты на содержание берутся в процентном отношении (5-10%) от предыдущих затрат (Еам, Еэл.эн, Етр):
Есод = (Еам + Еэл.эн + Етр)8/100,
Есод = (500+140+2,89)0,08 = 51,43 (руб),
Есод = (348,44+60+0,58)0,08 =32,72 (руб)
6. Прочие затраты на эксплуатацию РЭА (), как правило, рассчитываются в процентном отношении (6%) от суммы предыдущих затрат без учета запрлаты оператора:
Епр = (Еам + Еэл.эн + Етр + Есод)6/100,
Епр = (500+140+2,84+51,43)0,06 = 41,66 (руб),
Епр = (348,44+60+0,58+32,72)0,06 = 26,50 (руб),
Тогда
Еэк = 735,98 (руб),
Еэк = 468,24 (руб).
Из соотношения затрат лучшим следует признать разрабатываемый вариант, так как при тождестве основного полезного результата он требует меньших затрат на достижения этого результата.
Расчет приведенных затрат.
Согласно формуле 6.1 :
П1 = С1 + ЕН k1 ,
П1 =735,98+0,332500=1560,98 руб.
П2 = С2 + ЕН k2 ;
П2 =468,24+0,331742,18=1043,16 руб.
Тогда, экономическая эффективность равна:
П=1560,98-1043,16=517,82 руб.
Коэффициент эффективности капитальных вложений рассчитывается:
Е=517,82 / 1742,18 = 0,29 руб/руб.
Основные технико-экономические показатели устройства приведены в таблице 7.6.
Табл. 7.6
Основные технико-экономические показатели.
|
№ |
Наименование показателя | Единица измерения | Значение |
| 1 | Технико-эксплуатационные | ||
| 1.1 | Количество разрядов выходного кода | ед. |
10 |
| 1.2 | Входное сопротивление | МОм | 10 |
| 1.3 | Мощность потребления | Вт | 1,5 |
| 1.4 | Наработка на отказ | часов | 10000 |
| 1.5 | Габаритные размеры | мм |
505020 |
| 1.6 | Масса | кг | 0,1 |
| 2 | Экономические | ||
| 2.1 | Капитальные затраты создания устройства | руб. | 1,7 |
| 2.2 | Оптовая цена производства | руб. | 2,0 |
| 2.3 | Текущие затраты потребителей | руб. в год | 468 |
| 2.4 | Приведенные затраты создания устройства | руб. | 1,0 |
| 2.5 | Коэф-т эффект-ти капитальных вложений | руб. на руб. | 0,29 |
Содержание.
Введение
1. Обоснование разработки
2. Анализ технического задания и разработка структурной схемы
3. Выбор способа ввода цифрового сигнала в компьютер
3.1 Особенности параллельного порта
3.2 Программирование порта
4. Разработка принципиальной схемы устройства
4.1. Выбор аналого-цифрового преобразователя
4.2 Ограничение уровня входного аналогового сигнала
4.3 Преобразование аналогового сигнала
4.4 Защита АЦП
4.5 Обеспечение источника питания и устройства индикации
5. Разработка программного обеспечения
5.1 Обмен данными с АЦП
5.2 Преобразование полученных данных
5.3 Запуск и остановка управляемой программы
5.5 Настройка программы
5.6 Использование программы
6. Конструкторский раздел
6.1. Расчет надежности
6.2. Разработка конструкции
7. Рекомендации по организации рабочего места врача топометриста.
8. Экономика.
Заключение.
Приложения.
Литература.
Введение
В настоящее время в медицинских исследованиях широко используются компьютерные томографы. С их помощью можно получить поперечное компьютерно-томографическое изображение. Это изображение имеет целый ряд преимуществ, включая возможность его реконструкции в нужной проекции, а также высокую способность к передаче низкоконтрастных объектов, которая у компьютерных томографов значительно выше , чем у других методов построения рентгеновского изображения. Недостатком компьютерных томографов является их дороговизна. Однако, существует возможность получения реконструируемого изображения аналогичного компьютерно-томографическому с помощью рентгеновского симулятора для планирования лучевой терапии, который имеет некоторые сходства с томографом (вращающиеся вокруг тела пациента источник и приемник рентгеновского излучения). Рентгеновские симуляторы находят применение в лечебных учреждениях, занимающихся лечением онкозаболеваний. Для использования симулятора как томографа необходимо при вращении излучателя и приемника (находящихся на противоположных сторонах гантри) вокруг объекта, непрерывно записывать получаемое изображение память ЭВМ. Далее с ее помощью, путем применения специальных алгоритмов можно получить изображение аналогичное тому, которое получают с помощью компьютерных томографов. Здесь встает задача запуска и остановки программного обеспечения, захватывающего видеопоследовательность при достижении гантри симулятора определенных углов поворота. Решение этой задачи и является целью данной работы.
1. Обоснование разработки
Рентгеновский симулятор - это аппарат для определения величины и положения (ориентации и удаления от излучателя) области облучения, а также маркирования этой области на теле пациента при планировании лучевой терапии, проводимой далее на мощных аппаратах с использованием радиоизотопов и ускорителей частиц. Симулятор также средство контроля изменений очага заболевания в результате облучений. На основании данных этого контроля врач принимает решение об изменении параметров облучения при дальнейшем лечении.
Важность создания и применения симуляторов обусловлена большой мощностью излучения при лучевой терапии и необходимостью весьма точно направлять его поток на очаг заболевания для достижения максимального лечебного эффекта при минимальном воздействии на здоровые ткани и органы.
Симулятор по своим электрическим и радиационным параметрам аналогичен диагностическим аппаратам. Однако по конструкции и параметрам своих штативных устройств он в соответствии с назначением имеет большое сходство с установками для лучевой терапии.
Все симуляторы построены по одной схеме. Мощный рентгеновский излучатель и усилитель рентгеновского изображения закреплены на противоположных концах П-образной дуги, которая может совершать круговое движение относительно горизонтальной оси, закрепленной в напольной станине. [1]
Напротив штатива излучателя и устройства регистрации изображения (УРИ) установлен стол с плавающей декой которая располагается в промежутке между излучателем и УРИ. Благодаря повороту дуги, поступательным движениям деки стола и поворотам станины стола пучок излучения может быть направлен под произвольным углом в любую точку тела пациента, лежащего на столе.
Каретки, несущие на себе излучатель и УРИ, могут совершать независимые поступательные движения в плоскости дуги перпендикулярно оси вращения последней. При подобном поперечном перемещении излучателя изменяется фокусное расстояние. Это перемещение позволяет согласовывать установки симулятора с геометрическими параметрами различных терапевтических аппаратов. В свою очередь, перемещение УРИ приводит к изменению формата изображения рентгеноскопии. Используя это движение УРИ при повороте П-образного плеча, можно поддерживать одно и то же расстояние от УРИ до стола. При совместном движении излучателя и УРИ меняется масштаб изображения.
Излучатель снабжен глубинной диафрагмой, маркером поля облучения и световым дальномером. В состав маркера входят световой проектор и молибденовые нити, образующие координатную сетку, видимую в рентгеновском излучении и проецируемую световым проектором на тело пациента. Рентгеновское и световое изображения сетки совпадают в пространстве. Перемещая шторки диафрагмы при помощи электродвигателей, можно устанавливать величину поля облучения тела пациента по размерам рентгеновского изображения очага заболевания. Угловое положение поля в зависимости от ориентации очага задают поворотом глубинной диафрагмы и маркера относительно центрального луча.
Прямые и обратные повороты несущей дуги и глубинной диафрагмы с маркером, прямые и обратные перемещения излучателя, УРИ и шторок глубинной диафрагмы задаются нажатием соответствующих клавиш на пульте управления. Выбранное движение прекращается при освобождении нажатой клавиши. После прекращения движения на шкалах, расположенных на пульте управления, а также на П-образном плече, корпусе диафрагмы и опоре стола можно прочитать числовые значения угловых и линейных координат, определяющих величину, положение поля облучения и ее удаленность от излучателя.
В составе симуляторов используют мощные автономные рентгеновские питающие устройства. Выбор оптимального положения пациента относительно излучателя, ориентации и размеров области облучения для последующего лечения осуществляют во время рентгеноскопии с использованием УРИ и телевизионного экрана. Соответствующее этим условиям изображение с координатной сеткой фиксируют на крупноформатной рентгеновской пленке, находящейся в автоматической кассете под столом пациента. После выключения рентгеновского излучения включают световой маркер и обводят карандашом спроецированные на тело пациента линии координатной сетки.
Полученные при помощи симулятора числовые данные, рентгенограммы и маркировка на теле пациента служат основой для точного планирования лучевой терапии.
Симулятор SLS фирмы Philips позволяет точно определять место локализации опухоли в теле пациента. Этот симулятор предназначен для проведения радиографии, рентгеноскопии, телетерапии. Симулятор включает в себя: стол для пациента, гантри - П-образную дугу с закрепленными на ее противоположных концах рентгеновском излучателе и приемнике изображения, пульт управления, мониторы для наблюдения за исследованиями. Обобщенная схема основных узлов симулятора SLS показана на рис 1.1. В качестве приемника рентгеновского изображения в симуляторе используется рентгеновский электронно-оптический преобразователь (РЭОП). Он представляет из себя электровакуумный прибор, внутри которого входной экран преобразует рентгеновское изображение в видимое с дальнейшим усилением его яркости электронно-оптической системой. В РЭОПе рентгеновский экран находится в оптическом контакте с фотокатодом внутри вакуумной колбы. В нем происходит тройное преобразование изображения:

Рис. 1.1. Симулятор SLS-9 фирмы PHILIPS Владимирского областного
онкодиспансера.
1. рентгеновское изображение преобразуется в световое входным люминесцентным экраном, размещенным в вакуумной колбе;
2. световое изображение через тонкую прозрачную перегородку переносится на фотокатод, где оно преобразуется в электронное;
3. после ускорения в электрическом поле и электростатической фокусировки электродами 5 электроны образуют сфокусированное уменьшенное изображение в плоскости катодолюминесцентного экрана, где вновь возникает световое изображение. Далее изображение фиксируется видеокамерой и выдается на монитор.
Как известно, с помощью компьютерной томографии (КТ) можно вычленить плоское сечение тела; при этом рентгеновское излучение проходит сквозь это сечение лишь в тех направлениях, которые лежат внутри него и параллельны этому сечению. Никакая часть тела, расположенная вне данного сечения, не взаимодействует с рентгеновским пучком, и тем самым снимается проблема, характерная для обычной рентгенографии, проблема наложения паразитных изображений от различных глубин. [2]
Рентгеновское изображение, получаемое с помощью компьютерной томографии, представляет собой изображение некоторого среза (толщиной обычно в несколько миллиметров).
Компьютерные томографы создают цифровое изображение путем измерения интенсивности рентгеновских лучей, прошедших через тело во время вращения рентгеновской трубки вокруг пациента. Коэффициент поглощения веерного пучка рентгеновских лучей в объекте измеряется с помощью набора из нескольких сот до нескольких тысяч рентгеновских детекторов (обычно твердокристаллических). Детекторы собирают информацию в каждой из проекций, которая затем оцифровывается и анализируется компьютером. На основе полученных данных компьютер реконструирует поперечное компьютерно-томографическое изображение. Это изображение имеет целый ряд преимуществ, включая возможность его реконструкции в нужной проекции, а также высокую способность к передаче низкоконтрастных объектов, которая у компьютерных томографов значительно выше , чем у других методов построения рентгеновского изображения.
Полученные с помощью компьютерной томографии снимки отображают анатомическую структуру объекта в данном сечении с пространственным разрешением около 1 мм и разрешением по плотности лучше 1%.
Задача отыскания распределения физической величины (например, коэффициента линейного ослабления) g(x) была в общем виде решена И. Радоном в 1917 г.

Рис. 1.2 К определению смысла переменных, используемых в формулах (1.1) и (1.2). Пояснения в тексте.
Рис. 1.2 поясняет результаты инверсии Радона в двумерном случае. Пусть L — луч, пересекающий объект, s — измеряемое вдоль него расстояние, О — начало системы координат, — угол между базисной линией ОМ, лежащей в выбранной плоскости, и перпендикуляром, опущенным из О на L, р — кратчайшее расстояние от О до L, n — орт, определяемый тем же углом . В этих обозначениях можно записать
(1.1)
где двумерный вектор r, повернутый относительно ОМ на угол , характеризует положение на плоскости той точки, в которой отыскивается распределение g по проекциям f(p,n). Как показано Радоном ,
(1.2)
В настоящее время разработано большое количество эффективных алгоритмов, позволяющих на быстродействующих компьютерах получать томограммы по проекциям f(p,n) и реализованных на коммерческих компьютерных томографах.
Известны системы томографии четырех конструктивных разновидностей, поколений. Они отличаются друг от друга характером движения устройства «излучатель — детекторы» при сканировании, видом пучка излучения, типом и числом детекторов. Основная цель совершенствования сканирующих систем — уменьшение времени исследования и увеличение информационных параметров. Принципы сканирования в системах четырех поколений показаны на рис. 1.3.
В системах первого поколения (рис. 1.3 а) осуществляется быстрое поступательное движение устройства «излучатель — детекторы» относительно объекта и затем — шаговое вращательное движение на 180° с шагом 1°. Объект сканируется одиночным коллимированным лучом. Полный цикл сканирования двух смежных слоев составляет 3 — 5 мин. Томографы данной разновидности в настоящее время не выпускают.
В системах второго поколения (рис. 1.3 б) устройство «излучатекь — детекторы» совершает те же движения. Однако для ускорения исследования сканирование осуществляется расходящимся пучком, состоящим в среднем из пятнадцати коллимированных лучей. Вращательное движение осуществляется на 180° с шагом 10—15°. Цикл сканирования составляет 20 — 40 с. На этом принципе построено большинство нейродиагностических томографов.

Рис. 1.3. Принципы сканирования в томографических системах четырех
поколений
Недостатки систем первых двух поколений: 1) значительная длительность сканирования, которая служит причиной возникновения динамических искажений при исследовании движущихся органов тела; 2) наличие погрешностей, связанных с двумя видами движения сканирующего устройства и возрастающих при эксплуатации аппаратуры.
В системах третьего поколения (рис. 1.3 в) сканирование объекта осуществляется пучком веерообразной формы, полностью перекрывающим объект, в результате исключается поперечное поступательное движение устройства «излучатель — детекторы», которое совершает только непрерывное вращение вокруг объекта на 180°. Излучатель работает в импульсном режиме, а излучение за объектом измеряется большим числом (250—500) малоинерционных детекторов. Длительность импульсов 1 — 5 мс, цикл сканирования одного слоя не превышает 5 с.
Системы четвертого поколения (рис. 1.3 г) отличаются от систем третьего использованием еще большего числа (500—1000) неподвижных детекторов, расставленных по окружности, и непрерывного излучения, также полностью охватывающего объект. Длительность цикла сканирования уменьшается до 2,5 с.
В системах первых двух поколений большое время сканирования стремятся использовать для машинной обработки информации. С этой целью применяются методы восстановления изображений, позволяющие начинать вычисления сразу же после поступления массива чисел, относящихся к данному положению сканирующего устройства.
В системах третьего и четвертого поколений, имеющих малое время сканирования, на восстановление изображения затрачивается дополнительное время (от нескольких секунд до 1,5— 2 мин).
К основным недостатком компьютерных томографов можно отнести их дороговизну. Однако, существует возможность получения реконструируемого изображения, аналогичного компьютерной томограмме, с помощью рентгеновского симулятора SLS-9, предназначенного для планирования лучевой терапии, который имеет некоторые сходства с томографом (вращающиеся на общем маятнике - гантри вокруг тела пациента источник и приемник рентгеновского излучения). Т.е. в принципе существует возможность использовать например более дешевый и распространенный симулятор в качестве томографа. Необходимо только запомнить ряд изображений, получаемых при сканировании объекта вращающимися вокруг него источником и приемником рентгеновского изображения. Такая возможность действительно существует. Рентгеновское изображение, прошедшее через пациента, преобразуется в видеосигнал и непрерывно отображается на мониторе. Затем с помощью персонального компьютера и установленной на нем видео плате видеосигнал захватывается, и с определенными параметрами (такими как частота кадров) записывается в память.
Рентгеновские симуляторы находят применение в лечебных учреждениях онкологического профиля. Для использования симулятора как томографа необходимо при вращении излучателя и приемника (усилителя рентгеновского изображения) вокруг объекта, непрерывно записывать получаемый видеоряд изображений в ТВ- формате в память ЭВМ. Далее, путем применения специальных алгоритмов можно получить томограммы, аналогичные тем, которое получают с помощью обычных компьютерных томографов.
К недостаткам подобного метода можно отнести следующие:
- низкая скорость движения гантри (время прохода 180 составляет 20 с);
- малая угловая апертура рентгеновского пучка (около 20), что требует применения специально разработанной методики многоцентровой съемки или ограничения области применения патологиями головы и шеи;
- отсутствие программно - аппаратных средств управления запуском и остановкой съемки с помощью платы видеоввода.
Как видно из приведенных данных, реализация режима компьютерной томографии на симуляторе позволяет получить аппарат, аналогичный томографам второго поколения.
Если первые две проблемы невозможно решить простыми средствами, то третью - синхронизацию съемки - можно. Решение этой задачи и является целью данной работы.
Рентгеновский симулятор - это аппарат для определения величины и положения (ориентации и удаления от излучателя) области патологии, а также маркирования этой области на теле пациента при планировании лучевой терапии, проводимой далее на мощных аппаратах с использованием радиоизотопов и ускорителей частиц. Симулятор также является средством контроля изменений очага заболевания в результате облучений. На основании данных этого контроля врач принимает решение об изменении параметров облучения при дальнейшем лечении.
Рентгеновское излучение, прошедшее через пациента, преобразуется с помощью усилителя рентгеновского изображения в видеосигнал и непрерывно отображается на мониторе. Затем с помощью персонального компьютера и установленной на нем платы видеобластера видеосигнал захватывается, и с определенными параметрами (такими как частота и формат кадров) записывается в память. После этого записанное изображение преобразуется по специальным алгоритмам для получения томограмм.
Однако, в этой системе имеется существует недостаток. Симулятор изначально не предназначен для работы в режиме компьютерным томографом, а программное обеспечение видеобластера не предназначено для взаимодействия с симулятором. По этой причине оператору приходится вручную активизировать и останавливать программу захвата видеопоследовательности, когда гантри симулятора достигает определенного угла. Это приводит к заметной погрешности отработки стартового и стопового угла (порядка 10 – 15 ), что негативно сказывается на качестве получаемых томограмм.
Задачей данного дипломного проекта является разработка программно-аппаратного комплекса для отслеживания положения гантри симулятора и активизации и остановки программы, захватывающей видеопоследовательность, при достижении определенных углов. Причем необходимо предусмотреть возможность изменения углов начала и конца захвата видеопоследовательности.
2. Анализ технического задания и разработка структурной схемы.
Существует несколько вариантов реализации требуемого устройства. Например можно задачу отслеживания положения гантрии возложить на аппаратное обеспечение. Но при таком варианте становится затруднительным построение достаточно гибкой системы, допускающей вариации параметров начала и конца записи видеосигнала и других параметров, кроме того эта схема получится слишком сложной и дорогой. Другой путь состоит в возложении обязанностей обработки сигнала на компьютер, а аппаратное обеспечение должно лишь преобразовать сигнал в форму, удобную для использования ЭВМ, т.е. в цифровую форму. Не использовать возможности компьютера в данной ситуации для обработки информации о положении гантри симулятора было бы большой ошибкой. Во-первых компьютер уже используется для захвата видеосигнала, т.е. нет необходимости его покупать. Во-вторых осуществить цифровую обработку с помощью ЭВМ гораздо проще и дешевле (при условии, что ЭВМ есть) чем при использовании схемных решений. В-третьих в любом случае придется производить сопряжение с компьютером т.к. по другому активизировать программу для захвата видеопоследовательности не представляется возможным.
Преобразование аналогового сигнала с датчика положения гантри (переменного резистора) в цифровой будет осуществляться с помощью аналого-цифрового преобразователя (АЦП). Для этого сигнал, поступающий от датчика, сначала необходимо преобразовать в вид пригодный для использования аналого-цифровым преобразователем. После оцифровки сигнала с помощью АЦП, сигнал вводится в компьютер, где происходит его обработка. Управление аналого-цифровым преобразователем осуществляется сигналами от компьютера.
Необходимыми узлами разрабатываемой схемы должны являться преобразователь аналогового сигнала для подгонки его уровня под требования АЦП, а также ограничитель уровня для предотвращения превышения допустимого уровня сигнала на входе АЦП.
Кроме этого необходимо предусмотреть схемы защиты АЦП (как правило микросхемы АЦП требуют определенного порядка подачи сигналов на входы).
Как сказано в техническом задании, питание устройства необходимо осуществлять от источника питания симулятора, используя напряжения 15 В. Как будет показано ниже, не все компоненты могут работать от такого источника, поэтому необходимо получить требуемые питающие напряжения из существующих.
Исходя из вышеизложенного следует следующая структурная схема аппаратной части разрабатываемого устройства, представленная на рис 2.1.
датчик положения
гантри симулятора
Преобразо-
вание
сигнала
АЦП
Персональный компьютер
Ограничи- тель уровня
![]()
![]()
![]()
![]()
![]()
![]()
![]()
Устройства защиты АЦП
Преобразователь питающих напряжений
Рис. 2.1 Структурная схема аппаратной части разрабатываемого устройства.
3. Выбор способа ввода цифрового сигнала в компьютер.
Существует несколько способов передачи цифрового сигнала от внешнего устройства в компьютер: через последовательный порт, через параллельный порт, через слот на материнской плате (ISA или PCI интерфейс), через GAME - порт. [3]
Последовательный порт предназначен для последовательной передачи в компьютер - в каждый момент последовательный порт может принимать один бит информации. Максимальная скорость передачи информации составляет 115 кБод. Доступ к последовательному порту COM1 осуществляется через порты 3F8-3FF. Назначение портов следующее:
3F8 - регистр данных, также управляет скоростью передачи данных.
3F9 - старший байт командного регистра, управляет разрешением аппаратных прерываний
3FA - старший байт командного регистра, управляет аппаратными прерываниями, формируемыми последовательным портом.
3FB - регистр управления линией.
3FC - регистр управления модемом.
3FD - регистр статуса линии.
3FE - регистр статуса модема.
3FF - регистр доступа к "Stretch Pad"
Недостатками последовательного порта являются: необходимость инициализации порта перед его использованием, установка обработчиков аппаратных прерываний для синхронной работы с внешним устройством, сложность организации интерфейса с внешним устройством, связанное с последовательной передачей данных с определенной скоростью.
Ввод данных через слот на материнской плате является наиболее быстрым. Однако применение этого способа целесообразно лишь для устройств предъявляющих повышенные требования к скорости передачи информации. Создание устройства, вставляемого в слот весьма затруднительно, т.к. требует полной поддержки этим устройством интерфейсов ISA и PCI. Кроме того, несмотря на повышенные возможности, возрастает и сложность программного обеспечения.
Работа с портом джойстика является наиболее простым способом, но, естественно обладает и меньшими возможностями. Обмен данными с
GAME - портом осуществляется через порт с адресом 201. Через младшие 4 бита данного порта осуществляется чтение данных с внешнего устройства, 4 старших бита представляют собой триггеры, которые могут быть в одном из двух состояний - "включен/выключен". Видно, что возможностей этого интерфейса явно не хватает для решения поставленной задачи.
Наиболее приемлемым представляется организация обмена данными через параллельный порт (интерфейс Centronics). Этот способ благодаря простоте сопряжения и удобству программирования широко используется для подключения к компьютеру нестандартных внешних устройств. Особенности параллельного порта описаны ниже.
3.1. Особенности параллельного порта.
Основным достоинством интерфейса Centronics является его стандартность - он есть на каждом компьютере и на всех компьютерах работает одинакового (правда с разной скоростью). Для подключения внешнего устройства к параллельному порту не требуется открывать системный блок компьютера, что для многих пользователей может стать проблемой. Надо только подсоединить кабель к разъему на его задней стенке.
Можно также отметить такое достоинство параллельного порта, как
простота его программирования на любом уровне. В большинстве языков программирования имеются процедуры взаимодействия в принтером, которые легко использовать и для программирования нестандартного устройства. А так как с точки зрения программирования параллельный порт представляет собой три программно доступных регистра, не вызывает затруднений и написание программ нижнего уровня. Итак данный интерфейс можно рекомендовать в первую очередь для сопряжения с компьютером относительно несложных устройств без предъявления жестких требований по скорости информационного обмена и длине линии связи.
Однако выбор разработчиком именно этого интерфейса для связи своего устройства с компьютером должен быть осознанным и учитывать ряд ограничений.
Во-первых, возможности реализации различных протоколов информационного обмена с устройством через параллельный порт невелики. Действительно небольшое количество сигнальный линий интерфейса и возможности его программирования не позволяют реализовать обмен по прерываниям или прямой доступ к памяти. Практически приходится ограничиваться программно-управляемым обменом. Кроме того, так как интерфейс параллельного порта является программно-управляемым, скорость информационного обмена не может быть особенно велика и оказывается напрямую связанной с быстродействием компьютера. Поэтому не имеет смысла сопряжение через параллельный порт устройств, требующих обработки или передачи информации в реальном масштабе времени, таких как устройства ввода изображения, звуковые системы и т.д. Кроме того, зависимость скорости информационного обмена от быстродействия компьютера делает практически нереализуемыми без специальных ухищрений быстродействующие протоколы связи. Еще одной особенностью интерфейса является отсутствие на его разъеме шин питания (есть только "земля"). Это означает, что сопрягаемое устройство должно использовать внешний источник питания. Вообще говоря на взгляд авторов, в ряде случаев это не только не является недостатком интерфейса но скорее его достоинством. Нет искушения использовать питание от компьютера, что может привести к выходу его из строя.
В 99% компьютеров имеется только один параллельный порт к которому должен подключаться принтер. Но и это ограничение часто не является существенным. Во-первых, многие компьютеры, ориентированные на работу с внешней аппаратурой прекрасно обходятся без принтера. Во-вторых, имеется масса простых и дешевых устройств (коммутаторов) для подключения к одному параллельному порту двух устройств.
Интерфейс и, соответственно, параллельный порт персонального компьютера ориентированы на подключение принтера. Подтверждением этому является и название сигналов интерфейса - AUTO FD - автоматический перевод бумаги, PE - конец бумаги и т.д. Однако при разработке нестандартных устройств для подключения к параллельному порту его сигналы могут быть использованы произвольно. Все сигналы интерфейса можно разделить на четыре группы:
1 - восьмиразрядная шина данных для чтения и записи (сигналы D0...D7);
2 - четырехразрядная шина управления для записи из компьютера (сигналы -STROBE, -AUTO FD, -INIT, и SLCT IN);
3 - пятиразрядная шина состояния для чтения в компьютер (сигналы -ASC, BUSY, PE, SLCT и -ERROR);
4 - шина "земли".
Все сигналы программно доступны, что позволяет реализовать произвольные протоколы информационного обмена в рамках имеющегося их набора и быстродействия компьютера.
Ранее, на компьютерах моделей до Pentium мог быть установлен однонаправленный параллельный интерфейс. Т.е. шина данных являлась однонаправленной, что позволяло использовать ее только на вывод, для ввода данных необходимо было использовать сигналы из пятиразрядной шины состояния. В этом случае разрядность информационного обмена по чтению ограничена пятью линиями. В современных компьютерах устанавливается универсальный параллельный интерфейс, т.е. в начальных установках системы имеется опция позволяющая использовать параллельный порт как в однонаправленном (режим совместимости), так и в двунаправленном (расширенном) режиме. Это существенно увеличивает возможности параллельного порта. [4]
Параллельный порт имеет три адреса в пространстве устройств ввода-вывода компьютера: BASE - регистр данных BASE+1 - регистр состояния BASE+2 - регистр управления Здесь "BASE"- первый адрес порта. В компьютере может быть до трех параллельных портов - LPT1...LPT3. Таблица базовых адресов портов находится в области данных BIOS, начиная с ячейки 408h: LPT1 - 0:408, LPT2 - 0:40A, LPT3 - 0:40C. Если порт не установлен, то в соответствующей ячейке записан 0.
BIOS поддерживает до 3-х параллельных портов, которые определяются на этапе начального тестирования компьютера программой POST
(Power-ON-Self-Test). Номера портов и шестнадцатеричные адреса регистров приведены в таблице 3.1.
Табл. 3.1.
Адресация регистров параллельных портов.
|
Параллельный порт |
Регистр данных |
Регистр состояния |
Регистр управления |
|
1 |
3BCh |
3BDh |
3BEh |
|
2 |
378h |
379h |
37Ah |
|
3 |
278h |
279h |
27Ah |
При обнаружении соответствующего порта BIOS записывает адрес его регистра данных, начиная с адреса 0:408h, и присваивает ему имя LPTn (n может принимать значения от 1 до 3).
Вообще говоря, BIOS понимает также и имя LPT4, т.е. может работать с 4-мя параллельными портами, однако, для этого программист должен сам позаботиться о том, чтобы соответствующий адрес регистра данных был записан в определенную для LPT4 область - по адресу 0:410h.
Рассмотрим подробнее регистры параллельного порта.
Как было сказано выше, параллельный порт состоит из трех регистров: регистр данных, регистр состояния и регистр управления.
Регистр данных параллельного порта представляет собой 8-ми разрядный регистр, доступный по чтению и записи и предназначен для записи и чтения данных длиной в байт. В режиме совместимости запись данных приводит к их немедленной передаче в линию. Передача данных в двунаправленном режиме несколько сложнее и управляется путем записи бита направления в регистр управления. Только при выполнении записи (бит направления равен 0) байт передается в линию, в противном случае запись значения в регистр производится, но в линию байт не передается. Операция чтения регистра данных приводит к чтению последнего записанного значения в режиме совместимости и при передаче в двунаправленном режиме. При выполнении чтения при приеме (бит направления равен 1) в двунаправленном режиме из регистра считывается значение линии, т. е. принимаемого байта. Формат регистра приведен на рис 3.1.
|
7 |
6 |
5 |
4 |
3 |
2 |
1 |
0 |
|
D7 |
D6 |
D5 |
D4 |
D3 |
D2 |
D1 |
D0 |
Рис. 3.1 Формат регистра данных параллельного порта.
Биты D7-D0 определяют значения передаваемого или считываемого байта информации. Битам регистра назначены соответственно разъемы от 9 до 2 в стандартном 25-ти штырьковом разъеме.
Данный регистр используется как в режиме совместимости, так и в расширенном режиме.
В режиме совместимости запись в регистр некоторого значения приводит к его немедленной передаче в линию. Операция считывания из регистра приводит к считыванию самого последнего записанного значения.
Для двунаправленного параллельного порта в расширенном режиме операция записи в регистр приводит к передаче значения в линию только, если в регистре управления бит DB=0, т.е. установлен режим записи. В противном случае происходит только сохранение записанного байта. Чтение из регистра данных также управляется значением бита DB в регистре управления. Если DB=0 (установлен режим записи), то считывается последнее записанное значение. Если DB=1 (режим чтения),
то считывается значение из линии.
Регистр состояния параллельного порта представляет собой 8-ти разрядный регистр, доступный только по чтению. Он служит для получения информации о работе устройства. Считываемое из регистра значение позволяет определить уровень сигнала на некоторых линиях, управляемых подключенным устройством. На рис.3.2 приведен формат регистра. Состояния и описаны значения битов регистра описаны ниже.
|
7 |
6 |
5 |
4 |
3 |
2 |
1 |
0 |
|
BUSY |
ASC |
PE |
SEL |
ERR |
IRQS |
резерв |
|
Рис. 3.2 Формат регистра состояния параллельного порта.
BUSY определяет инвертированное состояние линии занято: 0 - устройство занято; 1 - устройство свободно;
Сигнал "занято" может формироваться из-за ошибки, а также в том случае, когда принтер отключен или отсутствует.
ASC показывает инвертированное состояние готовности к приему очередного байта: 0 - устройство готово к приему; 1 - устройство не готово к приему;
PE показывает текущий сигнал от принтера о состоянии бумаги. Бит устанавливается в 1, когда принтер вырабатывает сигнал конец бумаги (Paper End).
SEL указывает текущее состояние сигнала выборка (Select) и устанавливается в 1, когда устройство было выбрана.
ERR задает инвертированное состояние ошибки в устройстве. Бит устанавливается в 0 при выработке принтером сигнала ошибки(Error).
IQRS принимает значение 0, когда устройство подтвердило прием предыдущего байта информации сигналом подтверждения (ASCnowlege). Значение данного бита имеет смысл только для двунаправленного параллельного порта. Режим подтверждения устройством приема символа и выработки прерывания управляется битом IRQE управляющего порта. Обычно, прерывание от устройства LPT1 поступает на IRQ5, а от LPT2 - на IRQ7.
Регистр управления параллельного порта представляет собой 8-ми разрядный регистр, доступный по чтению и записи и используется для задания режимов работы контроллера параллельного порта, а также для передачи в линию ряда управляющих сигналов для устройства Контроллер может вырабатывать прерывание для процессора при получении от устройства подтверждения о приеме символа. Такая возможность управляется 4 битом регистра управления. Более подробно регистры контроллера описаны далее Формат регистра управления описывается ниже (рис. 3.3).
|
7 |
6 |
5 |
4 |
3 |
2 |
1 |
0 |
|
резерв |
DIR |
IRQE |
SELIN |
INIT |
AFD |
STRB |
|
Рис. 3.3 Формат регистра управления параллельного порта.
DIR используется для задания типа операции при работе в расширенном режиме (или направления передачи данных): 0 - операция записи; 1 - операция чтения. Этот бит имеет смысл только для двунаправленного параллельного порта.
RQE управляет прерыванием. Когда бит равен 1, параллельный порт посылает прерывание при выработке сигнала ASC со стороны устройства.
SELIN управляет состоянием сигнала выборки устройства (Select In). Когда бит установлен в 1, устройство считается выбранным. Данной линии соответствует разъем 17.
INIT управляет инвертированным состоянием сигнала инициализации устройства (Init). При этом установка нулевого значения бита означает инициализацию принтера.
AFD управляет состоянием сигнала автоматический прогон строки(Automatic Feed XT). Когда бит установлен в 1, принтер после печати каждой строки будет автоматически переходить на новую строку.
STRB управляет синхронной передачей данных в устройство. Когда он принимает значение 1, передаваемые данные могут считываться с линий данных.
3.2 Программирование параллельного порта.
Программирование подключенной к параллельному порту аппаратуры заключается в установке определенных битов в регистрах данных и управления и чтении определенных битов из регистра состояния. При этом если с регистром данных проблем не возникает (это обычный байтовый регистр), то два других регистра имеют некоторые особенности Во-первых, некоторые биты являются инверсными. При записи в регистр управления нуля в этих битах устанавливаются единицы, а если на входах регистра состояния установлены нули, то их этих битов считываются единицы. Во-вторых, если четыре бита регистра управления расположены в младших битах байта (биты 0 - 3), то пять битов регистра состояния - в старших (биты 3 - 7). Полная информация об отображении сигналов шин управления и состояния интерфейса Centronics на регистры параллельного порта компьютера приведена в табл. 3.2.
Табл. 3.2.
Отображение сигналов шин управления и состояния интерфейса Centronics на регистры параллельного порта компьютера.
| Ш И Н А | С И Г Н А Л | Б И Т | И Н В Е Р С И Я |
Управление |
-STROBE |
0 |
инверсный |
|
-AUTO FD |
1 |
инверсный |
|
|
-INIT |
2 |
прямой |
|
|
-SLCT IN |
3 |
инверсный |
|
Состояние |
-ERROR |
3 |
прямой |
|
SLCT |
4 |
прямой |
|
|
PE |
5 |
прямой |
|
|
-ASK |
6 |
прямой |
|
|
-BUSY |
7 |
инверсный |
Программное прерывание 17h предоставляет некоторые возможности по работе с параллельным портом принтера. Однако этих возможностей недостаточно для полноценного программирования подключенных к этому порту внешних устройств. Кроме того использование прерывания существенно замедляет работу программы, поэтому рекомендуется непосредственно считывать данные по соответствующему адресу. Действительно полезной оказывается функция N1 - инициализация порта(вход: AH=1,DX-номер порта(0,1 или 2); выход: AH-статус порта). Дело в том, что эту процедуру необходимо выполнять после окончания работы с принтером. Поэтому рекомендуется вызывать функцию N1 прерывания 17h при выходе из программы.
Следует отметить, что, начиная с BIOS для IBM PC/AT, выпущенного в марте 1986 года, считывание значения из регистра состояния параллельного порта производится дважды, что связано с тем, что изменение состояния BUSY имеет растянутый фронт.
Двунаправленный порт обычно используется в режиме совместимости - именно этот режим устанавливается изначально при выполнении программы POST. Однако, программист может использовать расширенный режим работы порта для подключения нестандартной аппаратуры. В этом случае на компьютерах PS/2 выбор расширенного режима работы параллельного порта производится при конфигурации аппаратуры компьютера путем записи нулевого значения в бит 7 порта 0102h.
В других компьютерах двунаправленный режим контроллера параллельного порта может выть выбран при выполнении программы начальной конфигурации BIOS.
Все сигналы интерфейса Centronics передаются в уровнях ТТЛ и рассчитаны на подключение одного стандартного входа ТТЛ.
4. Разработка принципиальной схемы устройства.
Исходя из разработанной структурной схемы, можно выделить следующие части проектируемой схемы.
Аналого-цифровой преобразователь должен преобразовывать аналоговый сигнал, пропорциональный углу поворота гантрии симулятора в цифровой код для дальнейшей обработки с помощью ЭВМ.
Преобразователь аналогового сигнала подгоняет его уровень под требования АЦП, т.е., как будет показано ниже, осуществляет его ослабление, а также служит буфером.
Двусторонний ограничитель уровня необходим для ограничения уровня входного аналогового сигнала, для предотвращения выхода АЦП из строя при повороте гантри сверх допустимого диапазона.
Необходимо также обеспечить защиту АЦП, для предотвращения подачи на него сигналов при выключенных питающих напряжениях.
Источник питания должен служить для обеспечения функционирования входящих в схему устройств. Для упрощения схем питания предполагается выбирать для использования элементы с одинаковыми требованиями к питающим напряжениям.
С целью информирования о включенном состоянии устройства, необходимо предусмотреть какое-либо устройство индикации.
4.1 Выбор аналого-цифрового преобразователя.
Для преобразования аналогового сигнала от датчика положения гантрии в цифровую форму, для дальнейшей обработки с помощью ЭВМ необходимо использование АЦП.
В АЦП входным сигналом является напряжение, а выходным - соответствующий этому напряжению цифровой код, который образуется в результате квантования входного напряжения по уровням. Принцип работы АЦП зависит от метода преобразования. По алгоритму преобразования основные методы преобразования, используемые в микросхемах АЦП, подразделяются на методы: последовательного счета, поразрядного уравновешивания (последовательного счета) и параллельного действия (считывания). [5]
Критерием выбора АЦП являются его параметры: число разрядов, быстродействие, точность, стоимость.
Число разрядов выходного кода определяет количество возможных уровней квантования входного сигнала. Для n-разрядного двоичного кода это количество равно 2n.
Разрешающая способность определяется минимальным входным напряжением, соответствующим изменению выходного кода на единицу младшего разряда. Она характеризует порог чувствительности при котором происходит смена выходного кода.
Нелинейность
(рис. 4.1) показывает
максимальное
отклонение
реальной передаточной
характеристики
от идеальной;
выражается
в процентах
или долях младшего
разряда (МР).
![]()
![]()
![]()
![]()
![]()
![]()
Рис. 4.1 Нелинейность и абсолютная нелинейность преобразования.
Дифференциальная нелинейность - это отклонение двух входных сигналов, соответствующих соседним выходным кодам от значения МР. Выражается дифференциальная нелинейность также в процентах или долях МР.
Абсолютная
погрешность
преобразования
в конечной
точке шкалы
- это отклонение
напряжения
от номинального
значения,
соответствующего
конечной точке
характеристики
преобразования.
Эта погрешность
зависит от шага
квантования
(методическая
погрешность)
и инструментальных
погрешностей,
вносимых узлами
АЦП.
Наиболее быстродействующими являются АЦП параллельного действия, однако они также самые сложные и самые дорогие. АЦП последовательного счета имеют самое низкое быстродействие. Широко распространенные АЦП последовательного приближения обладают средним быстродействием.
Исходя из специфики задачи, для ее выполнения подойдут функционально завершенные АЦП, пригодные для непосредственного сопряжения с ЭВМ. Такие АЦП требуют минимального количества вспомогательных элементов, имеют встроенные источники опорного напряжения, генераторы тактовых импульсов буферные регистры с тремя состояниями. Важным требованием является работа АЦП с ТТЛ уровнями для непосредственного подсоединения к параллельному порту ЭВМ.
Определим требуемую разрядность АЦП. Для обеспечения точности менее одного градуса число разрядов n должно быть:
n
> log
360
Т.е. n должно быть больше или равно 9.
Указанным требованиям удовлетворяет 10 - разрядный функционально полный АЦП последовательного приближения К1113ПВ1, выполненный по КМДП - технологии.
Функциональная электрическая схема АЦП К1113ПВ1 показана на рис. 4.2.
![]()
16
11
9 (СР)
13



![]()
![]()
![]()
![]()
![]()
![]()
![]()
![]()
![]()
14
![]()
![]()
![]()
![]()

![]()
![]()
![]()
1
18 (МР)

![]()
![]()
![]()
![]()
![]()
![]()
![]()
![]()
17
15

![]()
![]()
![]()
![]()

10
12
![]()
![]()
![]()
Рис.4.2 Функциональная электрическая схема АЦП К1113ПВ1.
Микросхема К1113ПВ1 выполняет функцию 10-разрядного аналого-цифрового преобразования однополярного или биполярного входного сигнала с представлением результатов преобразования в параллельном двоичном коде. Она содержит все функциональные узлы АЦП последовательного приближения, включая КН, ЦАП, РПП, ИОН, ГТИ, выходной буферный регистр с тремя состояниями, схемы управления. [6]
Для ее эксплуатации необходимы только два источника питания и регулировочные резисторы. Выходные каскады с тремя состояниями позволяют считывать результат преобразования непосредственно на шину данных МП. Несколько АЦП могут обслуживать один МП, и наоборот. По уровням входных и выходных логических сигналов АЦП сопрягается с цифровыми ТТЛ ИС. Классификация БИС по группам А, Б, В проводится по значениям параметров нелинейности и дифференциальной нелинейности.
Микросхемы К1113ПВ1 изготавливаются по биполярной технологии, модифицированной для совмещенного формирования на кристалле биполярных транзисторов, а также элементов инжекционной логики и тонкопленочных прецизионных резисторов. Технология позволяет разместить в одной БИС большое число цифровых элементов и выполнить аналоговые узлы с высоким уровнем параметров. В процессе производства осуществляется настройка АЦП до требуемых значений электрических параметров путем подгонки сопротивлений тонкопленочных резисторов лазерным лучом.
Микросхемы К1113ПВ1 выпускаются в 18-выводном герметичном металлокерамическом корпусе типа 238.18-1 с вертикальным расположением выводов.
Нумерация и расположение выводов микросхемы:
1-9 - цифровые выходы 9-1;
10 - напряжение источника питания (+5 В);
11 - гашение и преобразование;
12 - напряжение источника питания (-15 В);
13 - аналоговый вход;
14 - общий (аналоговая земля);
15 - управление сдвигом нуля;
16 - общий (цифровая земля);
17 - готовность данных;
18 - цифровой выход 10 (младший разряд);
Основные электрические параметры микросхемы К1113ПВ1А представлены в табл. 4.1.
Табл. 4.1
Основные электрические параметры АЦП К1113ПВ1
| Параметр | Не менее | Не более |
|
Число разрядов n |
10 | - |
|
Нелинейность
|
- 0,1 | 0,1 |
|
Дифференциальная
нелинейность
|
- 0,1 | 0,1 |
| Абсолютная погрешность преобразования в конечной точке шкалы | - 20 |
20 |
| Напряжение смещения нуля на входе, мВ | - 30 | 30 |
|
Время преобразования t, мкс |
- | 30 |
|
Напряжение питания U1, В |
4,5 | 5,5 |
|
Напряжение питания U2, В |
-16,5 | -13,5 |
|
Ток потребления I1 |
- | 10 |
|
Ток потребления I2 |
- | 20 |
| Входное сопротивление , кОм | 10 | - |
| Диапазон униполярного входного напряжения, В | - | 10,24 |
| Диапазон биполярного входного напряжения, В | -5,12 | 5,12 |
Табл. 4.1 Продолжение.
| Предельно допустимое значение униполярного входного напряжения, В | 0 |
10,5 |
| Предельно допустимые значения биполярного входного напряжения, В | -5,5 |
5,5 |
Номинальные
значения напряжений
источников
питания: U1=5
В
5%
и U2=-15
В
5%.
Диапазоны их
предельных
изменений
составляют
U1=(4,5
- 5,5) В, U2=-(16,5
- 13,5) В.
В БИС К1113ПВ1 выходной ток ЦАП сравнивается с током, протекающим через входной резистор от источника сигнала. Тем самым формируется логический сигнал управления РПП. Стабилизация разрядных токов ЦАП осуществляется встроенным ИОН на основе стабилитрона со скрытой структурой.
Включение АЦП в режиме работы с униполярным входным напряжением предполагает подсоединение вывода 15 к цифровой земле (вывод 16). При этом на выходе встроенного ЦАП задается ток, равный току СР, но противоположной полярности. При работе АЦП с биполярным входным напряжением электрические сигналы на вывод 15 не подаются.
Тактирование РПП обеспечивается импульсами встроенного ГТИ с частотой следования 300-400 кГц. Установка РПП в исходное состояние и запуск его в режим преобразования производятся по внешнему сигналу "Гашение и преобразование". По окончании преобразования АЦП вырабатывает сигнал готовность данных" и информация из РПП поступает на цифровые выходы через каскады с тремя состояниями. Временные диаграммы работы АЦП
приведены на рис. 4.3.

Рис. 4.3 Временные диаграммы работы АЦП К1113ПВ1.
Напряжение от источников питания и входных сигналов подаются на БИС АЦП К1113ПВ1 в следующей последовательности: потенциал земли, напряжения питания, напряжения на входы управления, входное напряжение. Порядок снятия напряжений обратный. Допускается одновременная их подача и снятие.
ИС К1113ПВ1А использует два питающих напряжения +5 В и -15 В. В разрабатываемой схеме используются напряжения, получаемые с источника питания симулятора: +15 и -15 В. Необходимое для питания АЦП напряжение +5 В получается с помощью интегрального стабилизатора напряжения К142ЕН5В.
Известно, что при обработке аналоговых сигналов, изменяющихся с частотой, соизмеримой или большей, чем скорость работы АЦП, из аналогового сигнала приходится делать выборки. [5] Для этого некоторое значение сигнала в определенные моменты запоминается на время, необходимое для того, чтобы АЦП преобразовал его в двоичный код. Эту функцию выполняют устройства выборки и хранения аналогового сигнала (УВХ). Это своего рода аналоговые запоминающие устройства. Обычно схемы УВХ в своей основе имеют интегратор на операционном усилителе (ОУ) с высокоомной нагрузкой и малыми токами утечки, снабженный ключевыми схемами. Также УВХ выпускаются в виде комплексных ИС.
Необходимо определить целесообразность использования УВХ в разрабатываемом устройстве. Очевидно, что потребность в УВХ возникает, когда частота аналогового сигнала больше скорости работы АЦП. Если же за время преобразования t аналогового сигнала в цифровой код, изменение первого будет меньше разрешающей способности АЦП, необходимость в УВХ отпадает. Гантри симулятора проходит полный оборот за 40 с. Разделив 40 на 1024 получим время, соответствующее изменению кода на единицу: 40/1024=0,039 с, т.е. около 40 мс. Время же преобразования выбранного АЦП составляет 30 мкс, что более чем в 1000 раз меньше. Таким образом применение УВХ в данном устройстве не оправдано и аналоговый сигнал предполагается подавать непосредственно на вход АЦП после подгонки его под уровень входного сигнала (динамический диапазон) АЦП.
Определим точность преобразования с помощью 10-ти разрядного АЦП. Изменение выходного кода на единицу младшего разряда произойдет при повороте гантрии на угол равный:
Таким образом, разрешающая способность преобразователя, исходя из разрядности АЦП, составит 0,35.
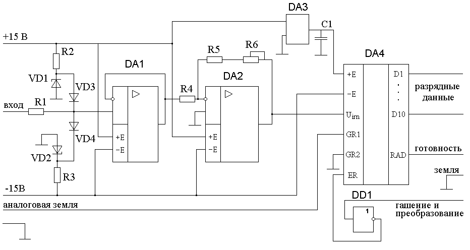
Т.к. датчик положения гантри - потенциометр питается двуполярным напряжением (10В), АЦП будет использоваться в биполярном режиме. Напряжение полной шкалы регулируется резистором, подключенным к аналоговому входу. Схема включения АЦП показана на рис. 4.4.
1
питание +5В 10
питание -15В 12
цифровые
9 выходы
18 1 - 10
К1113ПВ1
сдвиг нуля (не исп,) 15
к ЭВМ
аналоговый вход 13
14
11 готовность готовность
аналоговая
земля
11
16
![]()
![]()
гашение и преобразование
цифровая земля
![]()
Рис. 4.4 Схема включения АЦП К1113ПВ1.
Как видно из описания выбранного АЦП для его связи с компьютером потребуется 13 линий. 10 линий непосредственно должны передавать цифровые данные о положении гантрии. Выход АЦП "Готовность" передает информацию о готовности данных. На вход "Гашение и преобразование" будет передаваться информация о приеме данных программой. Вход АЦП "Цифровая земля" подключается к земле компьютера.
Проблема нехватки разрядов регистра данных параллельного порта (8 разрядов вместо требуемых 10) решается подачей двух младших разрядов в регистр состояния, а 8-ми старших разрядов непосредственно в регистр данных. Порядок подключения разрядов АЦП к регистру данных таков: старший разряд АЦП к старшему биту регистра данных. Девятый и десятый разряды АЦП подключается соответственно к шестому и седьмому битам регистра состояния (считая, что младший бит - первый).
Выходная линия АЦП "Готовность" подключается к пятому биту регистра состояния.
На вход АЦП "Гашение и преобразование" сигнал подается со второго бита регистра управления. Данный бит является инверсным, т.е. при записи в него единицы, на линии появляется ноль.
Земля схемы подсоединяется к земле компьютера также через разъем параллельного порта.
Выбор именно этих битов параллельного порта обусловлен структурой самого порта, а также конструктивным и программным удобством их использования
Цоколевка параллельного порта и использование его контактов показано в приложении 1.
4.2 Ограничение уровня входного аналогового сигнала
Угол поворота гантри можно видеть на ее центральной части. Там находится неподвижная круговая шкала с отсчетами в градусах. Вид шкалы показан на рис. 4.5.

0
30 330
60 300
90 270
120 240
150 210
180
![]()

![]()
















Рис. 4.5 Шкала углов поворота симулятора SLS – 9.
При вращении гантрии, метка перемещаясь вокруг шкалы, дает информацию об угле поворота. Датчик положения гантрии представляет из себя переменный многооборотный резистор, питающийся от двуполярного напряжения (10 В). Средняя точка резистора, при которой напряжение на его выходе равно нулю, соответствует нулю градусов положения гантрии симулятора.
При вращении гантрии в сторону 10 градусов происходит пропорциональное уменьшение напряжения на центральном выводе резистора, и к 180 градусам оно достигает -7,2 В. При вращении в эту сторону, можно достичь предельного для вращения в данную сторону угла 220 градусов при напряжении на резисторе -8,8 В. Если производить вращение от нуля в сторону 350 градусов, то к 180 градусам напряжение на датчике будет равно 7,2 В. Далее при предельном угле 140 градусов напряжение достигает 8,8 В. Т.е. при одинаковых углах поворота гантрии датчик угла может выдавать разные значения в зависимости от того вращением в какую сторону этот угол был достигнут.
Согласно заданию, обработку угла поворота гантрии необходимо проводить при ее вращении от 0 до 180 градусов в ту и другую стороны. Поэтому, с целью предотвращения потери точности, динамический диапазон АЦП будет использоваться в этом диапазоне углов. Т.е. уровень сигнала при повороте гантрии на 360 градусов будет соответствовать изменению выходного кода АЦП от 0 до 1023. Однако, нет гарантий, что не произойдет поворот гантрии на больший угол, следствием чего станет превышение уровня сигнала на входе АЦП с последующей возможностью выхода его из строя. В этом случае необходимо предусмотреть защиту входа АЦП от превышения допустимого уровня сигнала при случайном повороте гантрии более чем на 180 градусов от нулевого положения.
Как было сказано выше, уровень сигнала, соответствующий повороту гантрии от 180 до 180 градусов должен соответствовать полной шкале АЦП. При таком повороте гантрии сигнал изменяется от -7,2 В до 7,2 В. Полная же шкала АЦП соответствует диапазону -5,12 ... +5,12 В. Т.е. необходимо преобразовать сигнал с уменьшением его амплитуды (уменьшение должно быть линейным). Известно, что линейно уменьшить напряжение сигнала можно с помощью обычного резистивного делителя. Зная входное сопротивление АЦП, и задавшись током делителя, определяются номиналы его резисторов. При этом необходимо добавить переменный резистор для настройки делителя, т.к. номиналы резисторов непременно будут отличаться от расчетных. Однако, в данном случае простое применение резистивного делителя будет неоправданным, т.к. необходимо двустороннее ограничение аналогового сигнала по уровню для защиты входа АЦП.
Эффективным способом ограничения уровня входного сигнала является использование диодной защиты. [7] Для этого создаются два источника напряжения с напряжениями чуть меньшими уровней необходимого ограничения (на уровень падения напряжения на диоде). Затем они через диоды подключаются к линии, по которой проходит ограничиваемый сигнал. Источники напряжения можно создать с помощью делителей напряжения. Но здесь существует ограничение: эквивалентное сопротивление источника должно быть мало по сравнению с сопротивлением источника сигнала. Поэтому для эффективной работы такого ограничителя, в качестве источника напряжения требуется применение низкоомного делителя, что приведет к повышенному энергопотреблению. Кроме того обязательно потребуется настройка делителей. Кардинальным решением данной проблемы является использование в качестве источников напряжения параметрических стабилизаторов на стабилитронах. Но обычные стабилитроны общего применения не могут обеспечить необходимой точности: допуск на напряжение стабилизации у большинства из них колеблется в пределах 20 %, а температурный коэффициент стабилизации слишком велик. Тогда как АЦП требует ограничения уровня максимального положительного напряжения на уровне 5,5 В, а рабочий диапазон (полная шкала) кончается на отметке 5,12 В. Поэтому при применении обычных стабилитронов возможно или превышение допустимого напряжения на его входе, или обрезка рабочего сигнала. Выходом является применение специальных прецизионных стабилитронов. Но прецизионные стабилитроны на напряжения стабилизации менее 6 В не выпускаются.
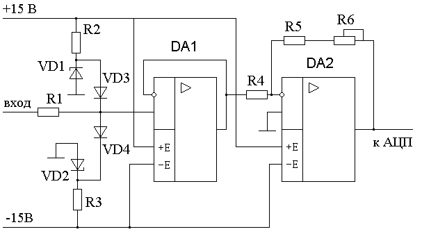
Желательно конечно осуществлять ограничение входного сигнала непосредственно у входа АЦП, но так как требуемые стабилитроны отсутствуют , можно ограничить входной сигнал еще до уменьшения его уровня, т.е. ограничение произвести на уровне 7,2 В (прецизионные стабилитроны с близкими напряжениями стабилизации существуют). Затем, сигнал, уровень которого не может превышать 7,2 В уменьшается по амплитуде, и подается на вход АЦП. При необходимом заданном коэффициенте передачи, уровень сигнала на входе АЦП не превысит предельного значения. Правда у данного метода есть недостатки: при настройке коэффициента передачи, а также при выходе из строя узла, отвечающего за уменьшение уровня сигнала, напряжение на входе АЦП может превысить допустимое значение. Но построение защиты от всех возможных неисправностей приведет к чрезмерному усложнению схемы, кроме того нет гарантий, что не откажут сами устройства защиты. При выбранном способе защиты вход АЦП защищен от превышения уровня сигнала за счет поворота гантрии сверх допустимого диапазона, а также от любых неисправностей, включая неправильную коммутацию проводов, которые могут произойти вне схемы разрабатываемого устройства сопряжения. Принципиальная схема устройства защиты от превышения уровня аналогового сигнала представлена на рис. 4.6.

Рис.4.6 Двусторонний ограничитель уровня для защиты АЦП от
превышения уровня входного аналогового сигнала.
Стабилитроны VD1 и VD2 совместно с резисторами R1 и R2 для задания тока стабилизации образуют источники опорного напряжения. Диоды VD3 и VD4 используются для ограничения уровня аналогового сигнала.
В источниках напряжения, используемых для цепей защиты, будут используются два прецизионных стабилитрона марки 2С166В, с номинальным напряжением стабилизации 6,6 В. Этот кремниевый стабилитрон малой мощности предназначен для применения в качестве источника номинального опорного напряжения 6,6 В в цепях постоянного тока в диапазоне токов стабилизации 3...10 мА. Выпускается в стеклянном корпусе с гибкими выводами. Тип стабилитрона приводится на корпусе. Со стороны вывода, положительного для рабочего режима (анода) на корпусе наносится белая полоса. Масса стабилитрона не более 5 г. [8] Основные электрические параметры стабилитрона 2С166В приведены в табл. 4.2.
Табл. 4.2.
Основные электрические параметры стабилитронов 2С166В.
|
Номинальное напряжение стабилизации*, В |
6,6 |
|
Разброс напряжения стабилизации*, % |
-5...0...5 |
|
Температурный коэффициент напряжения стабилизации*, % на С |
0,0005% |
|
Уход напряжения стабилизации*, мВ |
-2...-0.5...+1,5 |
|
Временная нестабильность*, мВ |
1,4 |
|
Дифференциальное сопротивление при Т=25С*, Ом |
8...11...20 |
|
Минимальный ток стабилизации, мА |
7,5 |
|
Максимальный ток стабилизации, мА |
10 |
|
Рассеиваемая мощность, мВт |
70 |
|
Температура окружающей среды, С |
-60...+125 |
* При токе стабилизации равном 7,5 мА.
Для обеспечения нормальной работы ограничителей напряжения, необходимо сигнал от датчика подавать через резистор. Номинал резистора должен быть таким, чтобы при срабатывании одного из ограничителей, ток через соответствующий стабилитрон не превышал установленного предела. Максимально возможный уровень сигнала, поступающий на схему при предельном повороте гантрии симулятора не превышает 9 В. Ограничение сигнала проводится на уровне 7,3 В. Значит падение напряжения на входном резисторе R3 не превысит 1,7 В. Выбрав номинал резистора R1 равным 5,1 кОм, максимальный ток ограничителя устанавливается на уровне 0,3 мА. Т.е. при срабатывании ограничителей, приращение тока через любой из стабилитронов не превысит 0,3 мА, что не выведет его из рабочего режима.
Определим номиналы резисторов R1 и R2, задающих ток через стабилитроны VD1, VD2. Т.к. стабилизированное напряжение 6,6 В будет получаться из 15 В, а номинальный ток стабилизации равный 7,5 мА, можно определить номиналы резисторов:
Ом;
Выбрав ближайшее стандартное значение 1,1 кОм, и взяв резистор с допуском 5% ток стабилизации ограничиться в пределах 7,2...8,0 мА, что допустимо для выбранных стабилитронов.
Ограничение сигнала на уровне 7,3 В обеспечивается подключением сигнальной линии к источникам опорного напряжения через диоды VD3,VD4. Для этого используются германиевые диоды Д18, имеющие номинальное прямое падение напряжения 0,7 В. Выбор данных приборов обусловлен подходящим прямым падением напряжения, а также дешевизной и их малыми размерами. Максимальный постоянный прямой ток через диод равен 16 мА.
4.3 Преобразование аналогового сигнала
После устройств ограничения уровня входного сигнала необходимо этот сигнал уменьшить для того, чтобы он подходил под параметры АЦП. Это можно сделать несколькими способами. Самый простой и дешевый способ - использование резистивного делителя. Но это не очень хорошее решение: потребуется учитывать входное сопротивление АЦП, сопротивление, стоящее на входе (необходимое для ограничителей), а также параметры самого датчика. При этом схема потребует сложной настройки, и при изменении какого-либо параметра, произойдут нарушения в ее работе - изменения напряжений срабатывания ограничителей, уровня сигнала на входе АЦП. Приемлемым решением является использование операционного усилителя (ОУ) в качестве устройства преобразования напряжения сигнала для подачи на вход АЦП, а также в качестве буфера. Входные токи ОУ ничтожно малы, и поэтому ограничивающий резистор, стоящий на входе, не окажет влияния на уровень (напряжение) сигнала. Кроме того напряжение входного сигнала не будет зависеть от входного сопротивления АЦП. ОУ необходимо использовать в неинвертирующем режиме, для обеспечения максимального входного сопротивления. Но при таком включении нельзя добиться требуемого коэффициента усиления (<1). Поэтому после буферного неинвертирующего ОУ будет использоваться еще один ОУ, работающий в инвертирующем режиме с коэффициентом усиления <1. Применение для этой цели делителя вряд ли является приемлемым, т.к. при расчете делителя потребуется учитывать входное сопротивление АЦП. А это может привести к погрешности при изменении этого параметра.
Коэффициент усиления первого ОУ, работающего в неинвертирующем режиме и используемого в качестве буфера равен 1. Рассчитаем необходимый коэффициент усиления второго ОУ, работающего в инвертирующем режиме и используемого для уменьшения уровня сигнала. Т.к. сигнал, поступающий от датчика симметричен относительно земли, можно производить расчет, например, только для положительного его значения. Для этого разделим уровень, соответствующий полной шкале АЦП на максимальный уровень входного сигнала:
;
где K - необходимый коэффициент усиления; Uвх.АЦП - уровень сигнала, соответствующий полной шкале АЦП; Uвх.макс - максимальный уровень входного сигнала (соответствует 180 градусов поворота гантрии).
Таким образом необходимо уменьшить сигнал в 1,71 раза или, что эквивалентно, увеличить в 0,71 раза. Рассчитаем номиналы резисторов цепи обратной связи. Задавшись номиналом резистора R4=10 кОм (5 %) (см рис.4.6) и зная что коэффициент усиления должен быть равен -0,71 определим номинал резистора R5:
Ом;
Но из-за неточности номиналов, а также отсутствия резисторов номиналом 7,1 кОм, необходимо предусмотреть возможность регулировки в некоторых пределах коэффициента усиления. Для этого номиналом R5 выбирается меньшее стандартное значение 6,2 кОм (5 %) , а последовательно с ним включается переменный резистор R6 сопротивлением 2 кОм. При этом обеспечивается необходимая регулировка коэффициента усиления для компенсации неточности номиналов резисторов R4 и R5. Так при их погрешностях изготовления резисторов, приводящих к максимальному коэффициенту усиления (R4 = 9500 Ом, R5 = 6510 Ом), с помощью уменьшения сопротивления R6 до 0, коэффициент усиления можно понизить до:
![]()
А при погрешностях, приводящих к минимальному усилению (R4 = 10500 Ом, R5 = 5890 Ом , коэффициент усиления можно повысить до:
![]()
Т.о. при любых допустимых отклонениях (5%), сопротивлений резисторов задающих коэффициент усиления, от номинальных значений, коэффициент усиления можно отрегулировать, и установить равным номинальному: -0,71.
Схема преобразования входного сигнала, с цепями защиты представлена на рис. 4.7.

Рис. 4.7 Схема преобразования входного сигнала.
Как было сказано выше, резисторы задающие коэффициент усиления, а также входной резистор имеют допуски 5%, что вполне достаточно для обеспечения нормальной работы устройства.
Операционные усилители для устройства необходимо выбирать из соображений получения погрешностей, не выходящих за рамки допустимых. При использовании ОУ необходимо учитывать ряд ограничений и отличий идеального ОУ от реального которые могут в некоторых случаях привести к ощутимым погрешностям. [7] Определи предельные значения некоторых параметров ОУ, для использования в данном устройстве.
Напряжение
сдвига. Благодаря
входному напряжению
сдвига, при
нулевом напряжении
на входе напряжение
на выходе равно
.
Максимальный
коэффициент
усиления, равный
1, имеет первый
ОУ. Второй ОУ
имеет коэффициент
усиления 0,71. Если
задаться максимальной
погрешностью
из-за напряжения
сдвига равной
0,1 младшего разряда
АЦП (т.е. 1 мВ), то
очевидно требуется
ОУ с максимальным
напряжением
сдвига не превышающем
1 мВ. Можно конечно
применить ОУ
и с большим
напряжением
сдвига, но тогда
придется использовать
схему регулировки
смещения нуля,
которая потребует
настройки.
Проще и эффективнее
использовать
ОУ с подходящим
напряжением
сдвига. В этом
случае отпадает
необходимость
в настройке
нуля. Кроме
того, ОУ с низкими
напряжениями
сдвига как
правило имеют
и более низкий
дрейф этого
параметра.
Входной ток смещения. Если в инвертирующем усилителе один из входов заземлен, то даже при условии идеальной настройки (т.е. напряжение сдвига равно нулю), на выходе усилителя будет присутствовать отличное от нуля выходное напряжение. Это происходит из-за тока смещения, который создает падение напряжения на резисторах. Он порождает смещение выхода, определяемое как:
![]()
Для обеспечения погрешности за счет тока смещения, меньшей 1мВ необходим ОУ с током смещения:
![]()
![]()
Входной ток сдвига. Этот параметр обусловлен асимметрией входных токов ОУ. Но входной ток сдвига как правило меньше входного тока смещения в 10 - 20 раз, и в данном случае им можно пренебречь.
Скорость нарастания ОУ. Т.к. ОУ будут работать с низкочастотными сигналами, этот параметр не имеет в данном случае определяющего значения.
Выходной ток. В связи с тем, что выходной ток операционного усилителя ограничен, размах выходного напряжения на низкоомных нагрузках также ограничен, но это не приведет к появлению погрешностей, т.к. нагрузкой первого ОУ является второй ОУ с входным сопротивлением порядка 10 кОм, а нагрузкой второго ОУ является АЦП, входное сопротивление которого также составляет 10 кОм.
Коэффициент усиления при разомкнутой цепи обратной связи. Значение этого параметра нет необходимости учитывать, т.к. коэффициенты усиления
первого и второго ОУ равны соответственно 1 и 0,71, а частота обрабатываемого сигнала очень мала.
Исходя из вышеизложенных требований, следует вывод о необходимости применения прецизионного ОУ, т.к. только они могут обеспечить необходимые параметры (в основном - малое напряжение смещения). Существует довольно много ОУ, подходящих установленным критериям - отечественных и импортных. Но надо отметить, что нецелесообразно применять микросхемы с параметрами, намного превосходящие требуемые, т.к. это приведет лишь к неоправданным расходам.
Наиболее подходящим представляется ОУ К140УД25А. Это прецизионный усилитель со низким входным напряжением шума, внутренней частотной коррекцией и высоким коэффициентом усиления напряжения. [9] Особенностями данного ОУ являются: малое напряжение смещения, широкий диапазон напряжения питания, высокий коэффициент усиления (1млн.). Электрические параметры ОУ и предельные режимы эксплуатации приведены соответственно в таблицах 4.3 и 4.4.
Табл. 4.3
Электрические параметры ОУ К140УД25А.
(при Uп= 15 В, Rн = 2 кОм, Т = +25С)
|
Параметр |
не менее |
не более |
|
Максимальное выходное напряжение, В |
12 |
- |
|
Напряжение смещения, мкВ |
- |
30 |
|
Ток смещения (входной ток), нА |
- |
40 |
|
Ток сдвига (разность входных токов), нА |
- |
25 |
|
Ток потребления, мА |
- |
4,7 |
|
Коэффициент усиления напряжения, тыс. |
1000 |
- |
|
Макс. синфазное входное напряжение, В |
11 |
- |
|
Частота единичного усиления, МГц |
3 |
- |
|
Коэффициент ослабления синфазного сигнала, дБ |
- |
114 |
Табл. 4.4.
Предельно допустимые значения параметров и режимов К140УД25А.
|
Параметр |
не менее |
не более |
|
Напряжение питания, В |
13,5 |
16,5 |
|
Сопротивление нагрузки, кОм |
2 |
- |
|
Синфазное входное напряжение, В |
- |
10 |
|
Температура окружающей среды, С |
-10 |
+70 |
4.4 Защита АЦП
Использование микросхемы АЦП имеет некоторые особенности. Так сигналы на ее входы рекомендуется подавать в следующей последовательности: напряжения питания, сигналы на управляющие входы, входной аналоговый сигнал. Можно подавать вышеуказанные сигналы одновременно. [6] Т.к. во входной цепи используются ОУ, через которые проходит входной аналоговый сигнал, то проблема уже частично решена. Т.е. входной сигнал на АЦП поступит лишь после появления питания, т.к. для питания АЦП и ОУ используются одни и те же источники питания. Однако, необходимо еще защитить АЦП по входу "Гашение и преобразование". Для этого можно конечно использовать выключатель питания, с дополнительной группой контактов для разрыва этой линии цифрового входа управления. Но это не решает проблему, т.к. возможен выход АЦП из строя при отключении питающих напряжений, т.к. подача на его вход управляющего цифрового сигнала при этом не прекращается. Такая ситуация может возникнуть, например, если при работающем устройстве, происходит отключение питания симулятора, а на цифровой вход АЦП "Гашение и преобразование" поступает сигнал с ПК. Проблема решается подачей сигнала с ПК на вход АЦП "Гашение и преобразование" через логический вентиль НЕ (микросхема К1533ЛН1). [10] Выбор данной серии обусловлен ее пониженным энергопотреблением, что является существенным, т.к. при больших токах потребления на стабилизаторе напряжения К142ЕН5А будет выделяться большая мощность. Благодаря тому, что микросхема К1533ЛН1 питается от того же источника что и АЦП, при отключении этого источника произойдет и прекращение подачи цифрового сигнала на вход АЦП.
В результате, можно производить включение и выключение разработанного устройства независимо от включения симулятора и ПК.
4.5. Проектирование источника питания и устройства индикации
Согласно техническому заданию, питание проектируемого устройства необходимо осуществлять от источников питания симулятора напряжением 15 В. Для микросхем АЦП К1113ПВ1 и К1533ЛН1 требуется источник питания напряжением +5 В. Получение данного напряжения будет производится из напряжения +15 В. Для этого используется микросхема стабилизатора напряжения КР142ЕН5А, обеспечивающая выходное напряжение +50,1 В. Максимальное входное напряжение микросхемы составляет 15 В, максимальный выходной ток равен 2 А. [11]
На стабилизаторе напряжения КР142ЕН5А будет падать значительное напряжение равное 10 В. Поэтому необходимо проверить, не превышает ли рассеиваемая данной микросхемой мощность допустимую. Зная, что суммарный ток потребления АЦП и инвертора равен 10+4=14 мА, определим рассеиваемую мощность:
Вт;
Это гораздо ниже максимально допустимой рассеиваемой мощности стабилизатора. С целью улучшения переходных процессов на выходе стабилизатора используется конденсатор емкостью 0,1 мкФ.
Для индикации включения питания в устройстве предусмотрен индикатор на светодиоде. В качестве светодиода используется прибор зеленого свечения АЛ336В. Определим номинал токозадающего резистора для светодиода. Можно было бы питать индикатор от +5В, но при этом возрастет рассеиваемая мощность на стабилизаторе напряжения. Поэтому питаться индикатор будет непосредственно от -15 В (выбор положительного источника обусловлен стремлением обеспечить равенство потребления тока от обоих источников питания. Т.к. падение напряжения на используемом светодиоде составляет 2,8 В, а номинальный ток потребления равен 10 мА, номинал резистора определяется как:
Ом;
Выберем ближайшее значение равное 1200 Ом.
Мощность, выделяющаяся на данном резисторе определяется как:
Вт.
Таким образом мощность резистора должна быть не менее 0,125 Вт. Однако, для обеспечения большей надежности, будет применяться резистор с рассеиваемой мощностью 0,25 Вт.
Окончательная электрическая принципиальная схема разработанного устройства сопряжения приведена на рис. 4.8. Перечень элементов к принципиальной схеме приведен в приложении 2.
Схема электрическая принципиальная представлена согласно
ВЛГУ. 466400.001.Э3.

Рис. 4.8. Принципиальная схема устройства сопряжения.
5. Разработка программного обеспечения
После преобразования аналогового сигнала в цифровую форму с помощью
АЦП возникает необходимость в программной обработке полученного цифрового сигнала.
Разрабатываемая программа служит для запуска и остановки программы захвата видеопоследовательности, которую та в свою очередь получает из изображения полученного симулятором. Далее, полученные видеоданные могут быть преобразованы в сведения о внутренней структуре сканируемого объекта (тела человека) с возможностью реконструкции в различных сечениях. Для получения этой возможности необходимо запустить и остановить программу захвата видеопоследовательности при достижении вращающейся гантрией симулятора определенных углов поворота. Это и должна осуществить разрабатываемая программа.
Исходя из этого можно сформулировать требования к программе. Программное обеспечение должно решать несколько задач:
1. Через определенные моменты времени производить считывание данных, выдаваемых аналого-цифровым преобразователем.
2. Преобразовывать эти данные (10 - разрядное двоичное число) в значение угла поворота гантрии симулятора.
4. В зависимости от угла поворота запускать, а затем останавливать программу, отвечающую за захват видеопоследовательности.
5. Допускать изменение углов начала и конца захвата.
6. Иметь возможность настройки под АЦП.
7. Допускать возможность начальной настройки схемы для полного использования динамического диапазона АЦП.
Обобщенная схема алгоритма программы представлена в приложении 1.
Главным требованием к программе является возможность работы в операционной системе Windows, т.к. именно под ней работает программа захвата видеопоследовательности. Кроме того, как будет показано ниже, только с помощью возможностей этой операционной системы можно достаточно просто осуществить запуск вышеуказанной программы.
Средой программирования была выбрана система Delphi3. Эта среда
использует язык Object Pascal. Достоинствами Delphi3, повлиявшими на выбор ее как среды программирования являются: тесная интеграция с программированием в среде Windows 95, подход, ориентированный на формы и объекты, сверхбыстрый компилятор и, собственно, сам язык программирования Object Pascal. [12]
5.1 Обмен данными с АЦП
Программа должна считывать данные, выработанные АЦП через определенные промежутки времени. Приемлемым способом обеспечения этого является опрос АЦП по таймеру. Взаимодействие с АЦП реализуется следующим образом. После приема программой сообщения от таймера, производится проверка готовности данных, получаемых от АЦП, путем проверки его сигнала "Готовность". Он поступает на пятый бит регистра состояния. Поэтому после считывания его значения происходит дальнейшая работа с АЦП лишь при равенстве этого бита единице. Необходимо отметить, что время преобразования АЦП намного меньше частоты его опроса, поэтому, при корректной работе АЦП, когда приходит сообщение от таймера, цикл преобразования АЦП должен быть закончен в любом случае. Поэтому, при обнаружении неготовности данных АЦП, выдается соответствующее диагностическое сообщение сигнализирующее о неисправности. При наличии готовности АЦП, программа производит считывание 8-ми старших разрядов кода из регистра данных и двух младших разрядов из регистра состояния параллельного порта.
Далее необходимо запустить АЦП на следующий цикл преобразования. Для этого программа устанавливает на втором бите регистра управления (он подключен ко входу АЦП "Гашение и преобразование") значение логической единицы путем записи во второй бит регистра управления нуля (т.к. этот бит является инверсным). Это действие вызывает гашение информации, содержащейся в регистре последовательного приближения АЦП, т.е. он становится готовым к приему и обработке данных. После необходимой задержки программа устанавливает этот бит в единицу, что приводит к появлению на линии "Гашение и преобразование" нуля, - АЦП начинает новый цикл преобразования.
Рассчитаем интервал опроса АЦП необходимый для обеспечения заданной точности. Так как гантри совершает полный оборот (360) градусов за 40 секунд, то время t необходимое для прохода 0,5 градуса вычисляется по формуле:
.
Из этого следует вывод о необходимости опроса АЦП через каждые 0,05с т.е. интервал таймера устанавливается равным 50 мс. Вообще, как было показано выше, выбранный 10-разрядный АЦП допускает точность до 0,35 градуса. Но, программно этой, и более высокой точности (при установленной скорости вращения гантрии) добиться не удастся, в связи с системным ограничением минимального интервала таймера, а также из-за задержек прибытия сообщений от таймера.
5.2 Преобразование полученных данных
После обмена данными с АЦП происходит преобразование считанных данных в одно целое число, характеризующее уровень сигнала на входе АЦП. Т.к. АЦП имеет 10 разрядов это число принимает значения от 0 до 1023. Вычисление его происходит по формуле:
![]()
![]()
где N - искомое число; data - двоичное 8-ми разрядное значение, полученное путем считывания 8-ми старших разрядов кода; data9 - значение девятого разряда кода; data10 - значение десятого разряда кода.
С целью максимальной гибкости программы, существует возможность ее настройки для возможности инверсной подачи сигнала на вход АЦП. При этом все в программе остается без изменений, кроме формулы вычисления N, которая изменяется следующим образом:
.
Фактически, в данном случае, инверсия подаваемого сигнала как бы компенсируется операцией инверсии выходного кода, а все остальное в программе работает так же, как если бы входной сигнал не инвертировался.
Затем
необходимо
преобразовать
полученное
число в значение
угла поворота
гантрии
.
Этот угол
преобразуется
в угол
,
удобный для
сравнения с
углами запуска
и остановки
программы
захвата
видеопоследовательности,
которые также
после их ввода
преобразуются
в удобный формат.
Это действия
осуществляются
по следующим
формулам.
1.
Если
:
![]()
![]()
2.
Если
:
![]()
![]()
где:
- определенное
при настройке
программы
значение выходного
кода, вырабатываемого
АЦП, когда гантрия
симулятора
находится в
положении 0
градусов;
- количество
градусов в
одном отсчете
АЦП (этот параметр
также определяется
при настройке
программы).
5.3 Запуск и остановка управляемой программы
Полученное
по вышеприведенным
формулам значение
угла
сравнивается
с заданными
величинами
запуска и остановки.
Программа
обеспечивает
запуск сканирования
при проходе
установленного
значения запуска
в направлении
установленного
значения остановки.
Например, если
угол запуска
равен 270 градусам,
а угол остановки
- 90 градусам, то
стартовое
сообщение
управляемая
программа
примет при
проходе гантрией
угла 270 градусов
в направлении
260 градусов; а
сообщение об
остановке будет
сгенерировано
при проходе
угла 90 градусов
в направлении
к 80 градусам.
В других случаях
(другое направление
вращения гантрии)
ничего не произойдет.
Для осуществления
этих действий
необходимо
применение
эффективного
алгоритма,
позволяющего
производить
все необходимые
действия за
кратчайшее
время. Это нужно
для сведения
к минимуму
времени захвата
системных
ресурсов
разрабатываемой
программой,
с целью минимальных
помех программе
захватывающей
видеопоследовательность.
Другая проблема заключалась в активизации и остановке программы захвата видеопоследовательности. Данная программа поставляется как программное обеспечение видеобластера, и, соответственно нет никакой возможности подогнать ее под разрабатываемую программу. Следовательно, необходимо подстраивать под нее разрабатываемую программу.
Программа захвата видеопоследовательности для запуска и остановки захвата выводит окно (см. рис. 5.1).
Рис.5.1. Диалоговое окно программы видеобластера.
В окне присутствуют две кнопки: "Ok" и "Cancel". При щелчке мышью на кнопке "Ok" происходит начало захвата видеопоследовательности, остановка захвата происходит при щелчке на кнопке "Cancel". Кроме того щелчок по кнопке "Ok" эквивалентен нажатию клавиши "Enter", а результат щелчка по кнопке "Cancel" соответствует результату при нажатии клавиши "Escape". Из этого следует вывод о единственно возможном решении поставленной задачи: необходимо каким-либо программным способом сэмулировать нажатие кнопок в окне или клавиш на клавиатуре. Кнопки в диалоговом окне возможно нажать лишь путем посылки им сообщений с помощью функции API Windows SendMessage. Эта функция имеет несколько следующие параметры: hWnd - дескриптор окна которому посылается сообщение; Msg - вид посылаемого сообщения, в данном случае он равен wm_KeyDown. [13] Однако применение этой функции представляет затруднения: необходимо определять дескриптор окна, которому посылается сообщение. Более простым и эффективным способом является эмуляция нажатия клавиш на клавиатуре. Единственным способом это сделать является использование слабо документированной функции Windows - keybd_event. Функция имеет четыре параметра: bVk - виртуальный код клавиши, bscan - скан код клавиши, dwFlags - значения, определяющие варианты использования функции, dwExtraInfo - дополнительные данные, ассоциированные с функцией. Эта функция непосредственно вызывается клавиатурным драйвером после нажатия на клавишу, при этом, а также при попытке применить данную функцию без параметров, она считывает необходимые ей данные из стека. При использовании функции в разрабатываемой программе ей передается единственный параметр - виртуальный код клавиши, а остальные параметры обнуляются. Виртуальный код клавиши устанавливается в значение vk_Return, при эмуляции нажатия на Enter, и vk_Escape, при эмуляции нажатия на Escape.
4.5 Настройка программы.
Известно, что любые элементы имеют разброс параметров. Поэтому, использование динамического диапазона АЦП может быть неполным или наоборот, может возникнуть перегрузка его аналогового входа. Для регулировки использования динамического диапазона АЦП служит резистор R6 (см. рис. 4.7). Меняя его сопротивление, можно менять максимальное напряжение на входе АЦП, и тем самым изменять коэффициент использования динамического диапазона преобразователя. Необходимость этого возникает при настройке изготовленной схемы. Обычным решением является установка гантрии симулятора в крайнее положение, (соответствующее максимально возможному входному аналоговому сигналу) и достижение напряжения полной шкалы на входе АЦП, путем изменения сопротивления регулировочного резистора с одновременным замером напряжения на входе АЦП. Однако зачем измерять напряжение, когда АЦП по сути уже сам его измерил. Поэтому настройка используемого динамического диапазона АЦП осуществляется анализом его выходного кода. Для этого запустив программу на выполнение необходимо выбрать в странице "Настройки" пункт "Диапазон АЦП" (см. рис. 5.2) и нажать кнопку настроить.

Рис. 5.2 Страница "Настройка" диалогового окна программы.
После этого гантри устанавливается в положение 190 градусов (действительно, нет никакой необходимости устанавливать ее в крайнее положение). На экране в это время отобразится коэффициент использования динамического диапазона АЦП в процентах AcpUsed, вычисление которого производится по формуле:

Далее, уменьшая сопротивление регулировочного резистора (изначально он должен находится в положении максимального сопротивления) надо добиться использования примерно 99 % диапазона АЦП. При уменьшении коэффициента использования возможностей АЦП, будет возрастать погрешность определения угла поворота гантрии. Однако, этот коэффициент, хоть он и запоминается программой (исключительно для информации), на процесс определения угла поворота гантрии не влияет, т.к. после настройки использования динамического диапазона, проводится настройка программы.
Для правильного функционирования программы необходимо настроить ее. Настройка осуществляется путем установки гантрии симулятора последовательно в два заданных положения, с считыванием и запоминанием кода, выдаваемого АЦП в этих положениях. Необходимость данной настройки определяется наличием напряжений сдвига у элементов схемы (операционных усилителей и аналого-цифрового преобразователя). Для уменьшения погрешностей, в качестве положений гантрии выбраны два угла: 170 и 190 градусов, хотя, в принципе это могли быть любые углы. Напрашивающиеся крайние положения в 180 градусов (при повороте гантрии в одну и затем в другую сторону) небыли выбраны исключительно для удобства настройки и исключения неоднозначности, которая могла бы привести к неправильной настройке. Настройка осуществляется следующим образом. Запустив программу, надо выбрать страницу блокнота "Настройки", затем опцию "170 градусов", и нажать кнопку "Настроить" (рис. 5.2). В это время программа начинает опрос АЦП по таймеру и постоянно отображает на экране код, вырабатываемый АЦП. Теперь необходимо установить гантрию симулятора в положение 170 градусов и нажать кнопку "Готово". Перед тем как сохранить настройку, программа попросит пользователя подтвердить выбор настройки. Выход из процесса настройки без сохранения настроек возможен и при нажатии на кнопку "Отмена". После подтверждения осуществленной настройки, программа сохраняет ее, в виде глобальной переменной. Аналогичным образом происходит процесс настройки в положении гантрии в 190 градусах.
Как
было сказано,
произведенные
настройки
сохраняются,
в переменных
программы.
Собственно
в переменных
сохраняются
значения кода,
вырабатываемого
АЦП, при углах
поворота гантрии
170 и 190 градусов.
Эти значения
используются
для вычисления
действительного
положения
гантрии, выраженного
непосредственно
в градусах.
Выше был показан
способ определения
положения
гантрии, и в
формулах фигурировали
переменные
и
.
Их значения
определяются
исходя из настроек
следующим
образом:
![]()
![]()
где:
- значение выходного
кода, вырабатываемого
АЦП, когда гантрия
симулятора
находится в
положении 0
градусов;
- количество
градусов в
одном отсчете
АЦП;
- код, выработанный
АЦП, при положении
гантрии 190 градусов.
- код, выработанный
АЦП, при положении
гантрии 170 градусов.
На странице "Дополнительно" окна программы, есть возможность дополнительных настроек (см. рис.5.3). Так программа допускает изменение интервала таймера и выбор адреса используемого параллельного порта. Возможность изменения интервала таймера позволяет, при необходимости, производить корректировку частоты опроса АЦП, для обеспечения нормального совместного функционирования данной программы и программного обеспечения видеобластера. Изменение адреса используемого параллельного порта позволяет подключать аппаратную часть устройства к любому параллельному порту (если на компьютере их несколько).

Рис. 5.3 Страница "Дополнительно" диалогового окна программы.
Необходимо отметить, что производить настройку программы необходимо после изменения настройки схемы на динамический диапазон АЦП. Данные о настройке программы, о использовании динамического диапазона АЦП, а также углы запуска и остановки программы захвата видеопоследовательности сохраняются в ini - файле.
5.6 Использование программы.
Программу обработки данных можно запускать как до, так и после включения устройства сопряжения. Перед первым использованием, а также после изменения используемого динамического диапазона АЦП (путем настройки аппаратной части) программа нуждается в настройке. Настройка производится при положениях гантрии 170 и 190 градусов (см. пункт "Настройка программы"). Необходимость в настройке может возникнуть и при утере файла настроек, хранящегося в каталоге Windows. Если файл с настройками отсутствует в данном каталоге, а также если настройки неверны (при загрузке файла происходит проверка их корректности) выдается предупреждающее сообщение, в котором оператору предлагается произвести настройку программы. Диалоговое окно программы на странице "Слежение" показано на рис. 5.3.

Рис. 5.3. Диалоговое окно программы на странице "Слежение".
После запуска страница блокнота Слежение является активной (см. рис. 5.3.). Она содержит два поля редактирования и две кнопки - "Старт " и "Стоп". Если программа настроена, то можно производить исследования. Моменты запуска и остановки программы захвата видеопоследовательности вводятся непосредственно в градусах в двух полях редактирования. После потери фокуса полем редактирования происходит проверка корректности введенного значения, в случае некорректного его ввода (например углы запуска и остановки равны) отображается соответствующее сообщение, и восстанавливается предыдущее значение. Запуск и остановка слежения за углом поворота гантрии производятся соответственно кнопками "Старт" и "Стоп". При активизации слежения (нажатие на кнопку "Старт"), происходит блокировка страницы настроек, для устранения возможности их изменения. Аналогично, и в процессе настройки невозможно выполнять слежение. В процессе слежения происходит непрерывное (по таймеру) считывание данных о положении гантрии симулятора и сравнение их с углами запуска и остановки захвата видеопоследовательности. При обнаружении превышения углом поворота гантри заданного угла начала захвата эмулируется нажатие на клавишу "Enter", а после прохода заданного угла конца захвата эмулируется нажатие на "Escape". В режиме сканирования в правой нижней части окна непрерывно отображается угол поворота гантри симулятора.
Необходимым условием правильного функционирования системы является наличие активного (!) диалогового окна программы захвата видеопоследовательности. Причем в фокусе должна находится кнопка, отвечающая за старт этой программы (это происходит автоматически при выводе окна). При выполнении данных условий сэмулированные нажатия на клавиши "Enter" и "Escape" приведут к запуску и остановке захвата видеопоследовательности при достижении гантри симулятора определенных (заданных) углов. Для обеспечения вышеуказанных событий необходимо после запуска слежения за углом поворота гантрии (нажатия на кнопку "Старт") произвести активизацию окна запуска и остановки программы захвата видеопоследовательности. Затем можно осуществлять рентгеноскопию объекта вращающимися источником и приемником рентгеновского излучения расположенными на противоположных концах гантри. Запись получаемого изображения начнется и закончится в заданные моменты, т.е. при заданных углах поворота гантри.
После окончания работы с программой, ее необходимо закрыть, при этом произойдет сохранение настроек, а также углов начала и конца записи изображения.
Как будет показано ниже, программу можно запускать и закрывать как до, так и после включения или выключения устройства. Однако можно порекомендовать сначала запускать программу, и лишь затем включать устройство, т.к. при запуске происходит инициализация порта с установкой в требуемые значения используемых разрядов.
Необходимо отметить, что разработанная программа имеет возможность правильно функционировать на компьютерах, параллельный порт которых может работать в двунаправленном режиме. Используя компьютер, у которого есть возможность работы параллельного порта в разных режимах, необходимо установить режим работы порта как EPP.
6. Конструкторский раздел
6.1. Расчет надежности
В общем случае при конструировании надежность оценивается показателями безотказности и долговечности. Нормируемыми показателями безотказности изделия являются вероятность безотказной работы, средняя наработка до первого отказа или наработка на отказ, параметр потока отказов или интенсивность отказов. Основные показатели долговечности - средний
(гамма - процентный) срок службы и средний (гамма - процентный) ресурс. При прогнозировании надежности изделия радиоэлектронных систем используют расчетные и экспериментально-статические методы. [14] Аналитические методы оценки надежности имеют ограниченные области применения в отношении различных групп изделий, компонентов, видов отказов.
Методы оценки показателей безотказности радиоэлектронных систем при внезапных отказах базируются на упрощенной логико-вероятностной модели независимых отказов компонентов и на наличии исходной справочной информации о - характеристиках комплектующих элементов. Такие методы наиболее применимы для оценки надежности изделий с типовой (унифицированной) базой.
При расчете показателей надежности принимаются следующие допущения : - элементы могут находиться в двух состояниях - работоспособности и неработоспособности;
- функция вероятности безотказной работы элементов подчиняется экспоненциальному закону.
Интенсивность отказов определяется по формуле :
,
где рэа - суммарная интенсивность отказов РЭА;
Кам - коэффициент, учитывающий наличие амортизации аппаратуры ( Кам = 0,85 при наличии амортизации, Кам = 1 без амортизации) ;
Кк обсл - коэффициент качества обслуживания аппаратуры ( Кк обсл = 1 для бытовой РЭА, Кк обсл = 0,5 для РЭА производственно-технического назначения );
эi - эксплуатационная интенсивность отказов i - го типа изделий ;
n - количество типов изделий в РЭА.
Расчетная модель эксплуатационной интенсивности отказов интегральных микросхем имеет вид :
= о Кэ Кпопр ,
Коэффициент, учитывающий условия эксплуатации для стационарной аппаратуры в лабораторных условиях равен 1, переносной аппаратуры - 1,7, подвижной - 1,5, применяемой на судах - 2. При эксплуатации интегральных микросхем в облегченных режимах, а также при условии проведения специальных мероприятий по облегчению надежности аппаратуры (проведения входного контроля, дополнительных отбраковочных испытаний плат, узлов, блоков и т. д.) рекомендуется для определения эксплуатационной интенсивности отказов дополнительно использовать поправочный коэффициент Кпопр, равный :
0,2 ... 0,4 - при эксплуатации микросхем в облегченных режимах ;
0,4 ... 0,7 - при проведении комплекса дополнительных мероприятий ;
0,1 ... 0,3 - при эксплуатации в облегченном режиме и проведении комплекса дополнительных мероприятий.
В случае отсутствия статических данных по о для ориентировочной оценки эксплуатационной интенсивности интегральных микросхем можно воспользоваться расчетной моделью :
э = осг Ксл Кэ ,
где осг - интенсивность отказов интегральных микросхем данной группы при нормальных условиях эксплуатации и номинальной электрической нагрузке; для аналоговых и цифровых полупроводниковых интегральных микросхем осг = 42 10-8 1/ч. Коэффициент учитывает степень интеграции и температуру кристалла (корпуса).
В проектируемом приборе используются компоненты со следующими интенсивностями отказов.
Микросхемы К140УД25, К1113ПВ1А имеют интенсивность отказов э = 0,00000042 1/ч
Значение интенсивности отказов полупроводниковых приборов в условиях эксплуатации расчитываются по следующим математическим моделям :
для диодов выпрямительных и импульсных
э = осг Кр Кф Кдн Кэ1 Кэ,
где Кф - коэффициент, учитывающий функциональное назначение прибора и зависит от группы изделия (диоды) и функционального режима работы
(линейный Кф = 1, выпрямительный Кф = 1,5 );
Кдн - коэффициент, зависящий от величины максимально допустимой по техническим условиям нагрузке по мощности рассеивания или среднему прямому току (для диодов выпрямительных и импульсных Кдн = 1);
Кэ1 - коэффициент, зависящий от величины отношения рабочего напряжения к напряжению максимально допустимому по техническим условиям ( Кэ1 = 0,75 ).
Математическая модель для расчета интенсивности отказов кнопок :
э = осг Кр Ккк Кэ,
где осг = 7 10-8 1/ч.
Коэффициент режима для коммутационных изделий зависит от температуры окружающей среды и от отношения рабочего тока к минимально допустимому току по техническим условиям ( Кр = 0,85 ).
Математическая модель для расчета значений эксплуатационной интенсивности отказов керамических конденсаторов следующая :
э = осг Кр Кс Кэ,
где Кр - для каждой группы конденсаторов зависит от температуры окружающей среды и отношения рабочего напряжения к номинальному напряжению;
коэффициент Кс определяется для соответствующей группы конденсаторов и зависит от величины номинальной емкости.
Математические модели для расчета значений эксплуатационной интенсивности отказов резисторов следующие :
для углеродистых интенсивность отказов
э = о Кр Кг Кэ,
где о - интенсивность отказов типа резистора, соответствующая номинальной электрической нагрузке и максимально допустимой по техническим условиям температуре окружающей среды.
Величина коэффициента Кэ зависит от группы аппаратуры. Величина коэффициента режима Кр определяется группой, к которой принадлежит данный резистор. температурой окружающей среды, отношением рабочей мощности к номинальной мощности Рн.
Коэффициент Кг зависит от группы резистора и величины номинального сопротивления :
при R 100 кОм , Кг = 0,5
при 1000 кОм R 1 МОм Кг = 2,7
при R 1 МОм Кг = 0,7
Для резисторов переменных непроволочных интенсивность отказов :
э = о Кр Кэ1 Кг Кэ.
Для оценки эксплуатационной интенсивности отказов трансформаторов применяется модель вида :
э = эсг Кт Кэ ,
где эсг - среднегрупповая интенсивность отказов трансформаторов в бытовой наземной стационарной аппаратуре в лабораторных условиях при температуре эксплуатации 20 градусов ( эсг = 0,0000017 1/ч ), Кт - коэффициент режима, являющийся функцией температуры окружающей среды ( при 20 градусах Кт = 11 ), Кэ - коэффициент, зависящий от условий эксплуатации.
Кроме этого, в расчетах необходимо учитывать интенсивность отказов проводов и паянных соединений :
для проводов соединительных э = 1,510-9 28 = 42 10-9 1/ч
для пайки печатного монтажа э = 110-8 80 = 80 10-8 1/ч
для пайки навесного монтажа э = 310-8 32 = 168 10-8 1/ч
Значение коэффициентов и интенсивности отказов радиоэлементов приведены в табл. 6.1.
Табл. 6.1.
Интенсивность отказа радиоэлементов.
| Наименование | Марка | Кол-во |
Э10-6 1/ч |
Эi10-6 1/ч |
|
1. Микросхемы |
К140УД25А | 2 | 4,2 | 8,4 |
| К142ЕН5А | 1 | 4,2 | 4,2 | |
| К1113ПВ1А | 1 | 4,2 | 4,2 | |
| КР1533ЛН1 | 1 | 4,2 | 4,2 | |
| 2. Резисторы | МЛТ | 5 | 0,01 | 0,05 |
| СП-5 | 1 | 0,01 | 0,01 | |
| 3. Диоды | АЛ336В | 1 | 0,5 | 0,5 |
| Д18 | 1 | 0,5 | 0,5 | |
| 2С166В | 2 |
0,5 |
1 | |
| 4. Конденсаторы | КМ-5 | 1 | 0,8 | 0,8 |
| 5. Переключатель | П2К | 1 | 5,2 | 5,2 |
| 6. Пайка | 80 | 0,01 | 0,8 | |
| 7. Провода | ||||
Полная интенсивность определяется по формуле :
где Кам = 1, Кк.обсл = 1. Исходя из этого:
29,8610-6
1/ч
Средняя наработка до отказа :
Т = 1/ рэа 33489 ч.
6.2. Разработка конструкции
Конструкция разработанного устройства сопряжения, а также выбор используемых элементов и материалов обусловлен функциональными особенностями схемы и условиям эксплуатации устройства. Группа эксплуатации первая. Для данной группы диапазон рабочих температур находится в пределах от +5 до +40 градусов, влажность 80 %. Все используемые радиоэлементы имеют эксплутационные характеристики соответствующие указанному диапазону.
С экономической точки зрения целесообразно применять серию резисторов МЛТ, которые соответствуют условиям эксплуатации: предельное рабочее напряжение 250 В, температура окружающей среды от – 60 до +70 градусов Цельсия. В схеме используются резисторы МЛТ-0,125 и МЛТ-0,25.
В устройстве использован керамический конденсатор. Обусловлено это небольшими размерами и высокой надежностью керамических конденсаторов.
Для индикации работы устройства применяется арсенид – галлиевый светодиод зеленого свечения. Светодиоды данного типа имеют высокую яркость свечения, низкое рабочее напряжение, малую инерционность, большой срок службы, обладают высокой устойчивостью к механическим воздействиям.
В качестве включателя питания используется кнопочный переключатель П2К.
Устройство сопряжения выполняется на печатной плате, которая выполнена на основе стеклотекстолита. Стеклотекстолит по сравнению с также применяемым для этой цели гетинаксом обладает более высокой прочностью
при сжатии, а также теплостойкостью и минимальным водопоглощением. Несмотря на то, что гетинакс более дешев, целесообразнее использовать материл негигроскопичный и механически прочный. Поэтому печатную плату устройства предполагается выполнять на стеклотекстолите марки СФ-2-35-1,5.
Плата изготовляется фотохимическим методом. На первом этапе, после сверления отверстий, осуществляется их металлизация химико-гальваническим способом. Далее создается защитный рельеф с помощью трафаретной или фотопечати. И, после гальванического осаждения металлического слоя, устойчивого при травлении, осуществляется непосредственно травление. Метод обладает наивысшей точностью и разрешающей способностью, не требует сложного оборудования, позволяет осуществлять легкий переход от одной схемы к другой. Метод используется в серийном и опытном производстве двусторонних печатных плат. [15]
Пример разработки платы печатной представлен согласно ВлГУ.466400.001.
Корпус для устройства, состоящий из верхней и нижней крышек, предполагается выполнить литьем из пластмассы. Выбор данного материала обусловлен дешевизной пластмассовых корпусов, технологичностью изготовления, малым весом. А т.к. устройство отличается малыми размерами, применение пластмассы, позволяет достичь необходимой механической прочности. Для соединения двух крышек корпуса используются 4 винта М3, которые также осуществляют крепление платы в корпусе. Такое решение повышает технологичность производства и удешевляет конструкцию.
В верхней крышке корпуса находится отверстие для светодиода. На боковой поверхности крышки корпуса находится кнопка включения питания.
Внешний вид прибора представлен согласно ВлГУ.466400.001.ГЧ
7. Рекомендации по организации рабочего места врача топометриста
Разработанное устройство предполагается эксплуатировать совместно с рентгеновским симулятором SLS-9. При проведении исследований, врач будет работать с рентгеновским симулятором и персональным компьютером. Исходя из этого можно выделит следующие вредные факторы, возникающие при использовании устройства: воздействие ионизирующего излучения и факторы, обусловленные работой с персональным компьютером. Уровни воздействия рентгеновского излучения регламентируются документом НРБ - 96. [16] А при работе с персональным компьютером должны выполняться требования указанные в нормативном документе "Санитарные правила и нормы 2.2.2.542 - 96 Гигиенические требования к видеодисплейным терминалам, персональным электронно-вычислительным машинам и организации работы". [17]
Наиболее значимой опасностью является воздействие ионизирующего излучения. В соответствии с нормами НРБ-96 [13] , персонал, работающий с симулятором можно отнести к категории Б. К категории Б принадлежит персонал, т.е. лица, которые постоянно или временно работают с источниками ионизирующих излучений. В качестве основных дозовых пределов в зависимости от группы критических органов для категории А установлена предельно допустимая доза за год. Для групп критических органов 1,2 и 3 она составляет соответственно 5, 15 и 30 бэр за год.
Для защиты персонала от ионизирующих излучений предусмотрены специальные меры безопасности. Так, помещение для проведения исследований - процедурная сконструирована и оборудовано специальным образом. Пол в помещении покрыт специальным линолеумом, края которого подняты на высоту 20 см и тщательно заделаны. Стены для защиты от ионизирующих излучений покрыты барритом, специальным материалом в виде штукатурки. Двери в процедурную проложены листовым свинцом толщиной 1,5 мм. Смотровое окно из пультовой в процедурную сделано из просвинцованного стекла, толщиной 20 мм. Для контроля поглощенной дозы, каждый исследователь, работающей с рентгеновской аппаратурой имеет индивидуальный дозиметр. Вышеописанные, а также ряд других технических, санитарно-гигиенических и лечебно-профилактических мероприятий обеспечивают выполнение требований НРБ-96.
При проведении исследований взаимодействие врача топометриста с аппаратной частью комплекса будет заключаться лишь во включении устройства перед началом работы и в выключении его после ее окончания. Поэтому в основном врач работает с программной частью, используя персональный компьютер. В вышеуказанном нормативном документе определены следующие требования при работе с персональным компьютером. Требования к видеодисплейным терминалам и персональным электронно-вычислительным машинам, требования к помещениям, требования к микроклимату, содержанию аэроионов и вредных химических веществ в воздухе помещений, требования к шуму и вибрации, требования к освещению, требования к организации и оборудованию рабочих мест.
Используемый компьютер (включая ВДТ) имеет гигиенический сертификат, поэтому все требования и вредные факторы (напряженность электромагнитных и электростатических полей, поверхностный электростатический потенциал, визуальные параметры ВДТ) соответствуют нормативным документам.
Нормативные документы требуют чтобы в помещениях, в которых работа на ВДТ и ПЭВМ является вспомогательной (а именно такая работа и будет проводится врачом топометристом), уровни шума на рабочих местах не превышли значений, установленных для данных видов работ "Санитарными нормами допустимых уровней шума на рабочих местах" № 3223-85. Уровень вибрации не должен превышать допустимых значений согласно "Санитарным нормам вибрации рабочих мест" №3044-84.
Температура, относительная влажность и скорость движения воздуха на рабочем месте не должны соответствовать действующим санитарным нормам микроклимата производственных помещений № 4088-86.
Содержание вредных химических веществ в воздухе помещения не должно превышать "Предельно допустимых концентраций вредных веществ в воздухе рабочей зоны" № 4617-88.
Уровни положительных и отрицательных аэроионов в воздухе помещения с ВДТ и ПЭВМ должны соответствовать "Санитарно гигиеническим нормам допустимых уровней ионизации воздуха производственных и общественных помещений" № 2152-80.
ПЭВМ с которой предстоит работать врачу топометристу установлена в больничном помещении. Поэтому вышеперечисленные нормативные требования к микроклимату, содержанию аэроионов и вредных химических веществ, к шуму и вибрации, выполняются, т.к. требования к данной категории помещений гораздо выше.
Помещение, где предполагается работа врача топометриста с ПЭВМ имеет естественное и искусственное освещение, что соответствует требованиям СанПиН 2.2.2.542-96. Также выполнено требование и по площади и объему, приходящемуся на одно рабочее место - 6,0 кв.м. и 24,0 куб.м. соответственно (в помещении площадью размером 463 установлена одна ПЭВМ).
Искусственное освещение помещения осуществляется системой общего равномерного освещения с помощью люминесцентных ламп типа ЛБ. Нормы по освещению рабочего места выполнены при конструировании системы освещения Однако, для обеспечения нормируемых значений освещенности в помещении, следует проводить чистку стекол оконных рам и светильников не реже двух раз в год и проводить своевременную замену перегоревших ламп.
Согласно нормам, рабочие места с ВДТ и ПЭВМ по отношению к световым проемам должны располагаться так, чтобы естественный свет падал сбоку. Исходя из этого предлагается следующая схема расположения ПЭВМ в помещении представленная на рис.7.1.

Рис.7.1 Рекомендуемая схема установки ПЭВМ в помещении для
проведения исследований.
1 – симуляторная, 2 – лаборатория, 3 – оборудование, 4 – симулятор,
5 – пульт управления, 6 – рабочий стол, 7 – рабочий стул, 8 – монитор, 9 –
клавиатура.
Оконные проемы помещения необходимо снабдить устройствами регулирования света, типа жалюзи или занавеси.
Оборудование и организация рабочего места должно обеспечить соответствие конструкции всех элементов рабочего места и их взаимного расположения эргономическим требованиям с учетом характера выполняемой деятельности, комплексности технических средств, форм организации труда и основного рабочего положения пользователя. Конструкция рабочего стола должна обеспечивать оптимальное размещение на рабочей поверхности используемого оборудования с учетом его количества и конструктивных особенностей, характера выполняемой работы. При этом допускается использование рабочих столов различных конструкций отвечающих современным требованиям эргономики. Согласно нормативным требованиям, высоту рабочего стола предполагается установить равной 285 мм. Рабочий стол будет иметь пространство для ног высотой не менее 600 мм, шириной не менее 500 мм, глубиной на уровне колен - не менее 450 мм, и на уровне вытянутых ног не менее 650 мм.
Конструкция рабочего стула (кресла) должна обеспечивать поддержание рациональной рабочей позы при работе с ПЭВМ, позволять изменять позу с целью снижения статического напряжения мышц шейно-плечевой области и спины для предупреждения развития утомления. Рабочий стул (кресло) должен быть подъемно-поворотным и регулируемым по высоте и углам наклона спинки и сидения, а также расстоянию спинки от переднего края сиденья, при этом регулировка каждого параметра должна быть независимой, легко осуществляемой и иметь надежную фиксацию. Поверхность сиденья, спинки и других элементов стула (кресла) должна быть полумягкой, с нескользящим, неэлектризующимся и воздухопроницаемым покрытием, обеспечивающим легкую очистку от загрязнений. Конструкция его должна обеспечивать:
- поверхность сидения с закругленным передним краем;
- ширину и глубину поверхности сидения не менее 400 мм;
- регулировку высоты поверхности сидения в пределах 400-550 мм и углам наклона вперед до 15 град. и назад до 5 град.
- высоту опорной поверхности спинки 300 мм, ширину - не менее 380 мм и радиус кривизны горизонтальной плоскости в пределах 400 мм;
- угол наклона спинки в вертикальной плоскости в пределах 0 03 градусов;
- регулировку расстояния спинки от переднего края сиденья в пределах 260 -400 мм;
- стационарные или съемные подлокотники длиной не менее 250 мм и шириной - 50 -70 мм;
- регулировку подлокотников по высоте над сиденьем в пределах 230 30 мм и внутреннего расстояния между подлокотниками в пределах 350 - 500 мм.
Экран видеомонитора должен находится от глаз пользователя на оптимальном расстоянии 600-700 мм, но не ближе 500 мм с учетом размеров алфавитно-цифровых знаков и символов.
В помещении ежедневно должна проводится влажная уборка . Желательно также производить его проветривание, что обеспечивает улучшение качественного состава воздуха, в том числе и аэроионный режим. Помещение должно быть оснащено аптечкой первой помощи и углекислотными огнетушителями.
Продолжительность работы с ПЭВМ не должна превышать 6 часов в день. Для обеспечения оптимальной работоспособности и сохранения здоровья исследователя, на протяжении рабочей смены должны устанавливаться регламентированные перерывы, суммарное время которых для данной работы должно быть не менее 30 минут. Перерывы следует установить через 2 часа от начала рабочей смены и через 2 часа после обеденного перерыва продолжительностью 15 минут каждый. Во время регламентированных перерывов с целью снижения нервно-эмоционального напряжения, утомления зрительного анализатора, устранения влияния гиподинамии и гипокинезии, предотвращения развития утомления целесообразно выполнять комплексы специальных упражнений.
Согласно нормативным требованиям, к непосредственной работе с ВДТ и ПЭВМ допускаются лица, не имеющие противопоказаний. Они должны проходить периодические осмотры в порядке и в сроки, установленные Минздравмедпромом России и Госкомсанэпиднадзором России. Необходимо отметить что к выполнению любых видов работ с ВДТ и ПЭВМ не допускаются беременные и кормящие женщины.
Заключение.
В рамках данной дипломной работы была произведена разработка программно-аппаратного комплекса для мониторинга рентгеновского симулятора SLS-9. Это позволило осуществлять работу данного симулятора в режиме компьютерной томографии. С помощью программно-аппаратного комплекса, включающего в себя устройство сопряжения симулятора с персональным компьютером и программу, обслуживающую это устройство было осуществлено получение реконструируемого изображения, аналогичного компьютерной томограмме. Это позволяет использовать рентгеновский симулятор SLS-9 в качестве компьютерного томографа (томографы являются очень дорогостоящими приборами). Принцип работы системы следующий. Рентгеновское изображение, прошедшее через пациента, преобразуется в видеосигнал и непрерывно отображается на мониторе. Затем с помощью персонального компьютера и установленной на нем видео плате видеосигнал захватывается, и с определенными параметрами (такими как частота кадров) записывается в память. Благодаря непрерывному вращению источника и приемника излучения создается видеоряд изображений (рентгенограмм). Далее, путем применения специальных алгоритмов, происходит получение томограмм, аналогичные тем, которое получают с помощью обычных компьютерных томографов.
Разработанный комплекс отслеживает положение гантри симулятора, чтобы в определенный момент (по достижении гантри определенного угла) запустить и затем остановить запись видеоряда в память ЭВМ.
Устройство сопряжения построено на современной элементной базе. Оно осуществляет преобразование аналогового сигнала (от датчика поворота гантри) в цифровой, который затем через параллельный порт вводиться в ЭВМ. Оцифровка сигнала осуществляется с помощью функционально-завершенного аналого-цифрового преобразователя К1113ПВ1А. Подгонку аналогового сигнала под параметры аналого-цифрового преобразователя осуществляется с помощью двух прецизионных операционных усилителей К140УД25. Предусмотрены меры по защите дорогостоящей микросхемы аналого-цифрового преобразователя от превышения уровня входного аналогового сигнала, и от неодновременной подачи на нее входных сигналов. Питание устройства осуществляется от блока питания симулятора (используются напряжения 15 В).
Программная часть комплекса представляет собой программу, написанную в среде Delphi, и работающую под управлением операционной системы Windows-95. Программа получает данные от аналого-цифрового преобразователя и осуществляет управление его работой. Далее считанные данные преобразуются в значение угла поворота гантри. Программа опрашивает аналого-цифровой преобразователь примерно через каждые 50 мс. Одновременно через такой же интервал она сравнивает угол поворота гантри с заданными углами начала и конца записи видеосигнала. По достижении заданных углов происходит эмуляция нажатия на клавиши Enter или Escape, что соответственно запускает или останавливает программу захвата видеопоследовательности. Программа допускает настройку под аппаратную часть, а также задание произвольных углов начала и конца сканирования.
Похожие рефераты:
Охранная система с дистанционным управлением
Организация погрузочно-разгрузочных работ в порту
Техническая диагностика средств вычислительной техники
Методы позиционирования и сжатия звука
Модернизация релейной защиты на тяговой подстанции Улан-Удэ на базе микропроцессорной техники
Ответы к Экзамену по Микропроцессорным Системам (микроконтроллеры микрокопроцессоры)
Приемник цифровой системы передачи информации ВЧ-каналом связи по ВЛ