| Похожие рефераты | Скачать .docx |
Дипломная работа: Объемная штамповка и обработка металлов резанием
Содержание
1. Объёмная штамповка
1.1 Введение
1.2 Объемная штамповка
1.3 Штампы
1.4 Технологический процесс изготовления
1.5 Нагрев металлов перед обработкой давлением
1.6 Нагревательное устройство
1.7 Оборудование для горячей объемной штамповки
1.8 Отделочные операции
1.8.1 Обрезка заусенца и пробивка пленок
1.8.2 Правка штамповочных поковок
1.8.3 Очистка поковок от окалины
1.8.4 Калибровка поковок
1.8.5 Контроль качества
1.9 Расчетная часть
2. Обработка металлов резанием
2.1 Введение
2.2 Основные типы токарных станков
2.3 Классификация токарно-винторезных станков
2.4 Элементы резцов
2.5.1 Основные положения
2.5.2 Геометрические параметры режущей части резцов
2.5.3 Типы токарных резцов
2.6 Приспособления
2.6.1 Назначение приспособлений
2.6.2 Основные конструктивные элементы приспособлений
2.6.3 Кулачковые патроны
2.6.4 Центры
2.6.5 Хомутики
2.6.6 Цанговые патроны
2.6.7 Способы закрепления заготовок на станке
2.6.8 Вспомогательный инструмент
2.7 Обработка заготовок на токарно-винторезных станках
Список использованной литературы
1. Объёмная штамповка
1.1 Введение
Штамповка - способ обработки металлов давлением, при котором течение металла ограничено поверхностями полостей и выступов штампа. Верхняя и нижняя части штампа образуют замкнутую полость по форме изготовляемой детали – штамповки. В зависимости от формы заготовки (лист, прокат и т. д.), оборудования и технологических приемов различают объемную штамповку и листовую штамповку. Кроме того, штамповку можно осуществлять с нагревом и без нагрева. Прообразом штамповки можно считать чеканку монет. Широкое применение процесса штамповки началось в конце XVIII – начале XIX вв. в связи с переходом на промышленный выпуск изделий, в частности первый патент на изготовление штампованием латунных гильз был выдан в 1796 (Германия). С появлением паровых машин на штамповочных прессах стали осуществлять различные пробивные и вырубные операции, например пробивку отверстий под заклепки. Наибольшее развитие штамповка получила в середине ХХ в. с ростом серийного и массового производства в приборо- и машиностроении, радиоэлектронной промышленности и других отраслях, так как является в десятки раз производительнее ковки. Штампованные детали имеют в 2-3 раза меньшие припуски на обработку, чем кованные, то есть выше процент использования металла. Штамповку осуществляют на молотах с массой падающих частей 0,5-30 т, кривошипных горячештамповочных прессах с усилием от 6 до 100 Мн (600-10 000 тс), гидравлических прессах с усилием до 750 Мн (75 000 тс), горизонтально-ковочных машинах, кузнечно-штамповочных автоматах, гидровинтовых пресс-молотах. Чтобы сократить отход металла, уменьшить последующую обработку применяют безоблойное штампование. При горячей штамповке на молотах окалина удаляется в промежутках между первыми ударами. На прессах штамповку выполняют за один ход. В связи с этим применяют так называемую безокислительный нагрев заготовок (обычно прокат), например в индукционных печах. Это обеспечивает получение изделий почти без окалины. Труднодеформируемые материалы штампуют, как правило, на гидравлических прессах в штампах, нагретых до температуры обрабатываемого материала (например, для титановых сплавов до 800
С), - так называемая изотермическая штамповка.
Для обеспечения более высокой чистоты поверхности, большей точности размеров изделия применяют холодную штамповку, процесс которой аналогичен горячей штамповке, но исключает нагрев.
Листовая штамповка – способ получения тонкостенных изделий плоской или пространственной формы. Тонколистовой материал (до 4 мм) штампуют без нагрева, толстолистовой (свыше 4 мм) – с нагревом. Получаемые этим способом детали имеют точные размеры и обычно не нуждаются в дальнейшей обработке резанием. В мелкосерийном и серийном производствах применяют универсальные машины и оснастку; в крупносерийном и массовом производствах используют многооперационные штампы. Штамповку выполняют на кривошипных прессах с усилием 63-50 000 кн (6,3-5000 тс), с числом ходов от 5 до 15 в мин, на листоштамповочных автоматах с усилием 50-40 000 кн (5-4000 тс), с числом ходов до 120 в мин, на гидравлических вытяжных прессах с усилием от 8 до 200 Мн (800 – 20 000 тс). В массовом производстве особое значение при листовой штамповке приобретают использование комбинированных штампов, механизация и автоматизация целых участков, автоматические линии.
При производстве однотипных деталей из листа (толщина алюминиевого листа 1,5-2 мм, стального – 0,5-0,6 мм), в частности в авиационной промышленности, большое распространение получила так называемая штамповка резиной, позволяющая удешевить инструмент, упростить конструкцию пресса. На гидравлическом прессе простого действия укрепляется подушка из резины или другого упругого материала в металлическом коробе, установленном на подвижных частях пресса. Нижний боек штампа имеет форму штампуемой детали. Пока штампуются одни детали, подготавливают новые заготовки.
При гидравлической вытяжке, являющейся также разновидностью листовой штамповки, деформирование заготовки осуществляется непосредственно жидкостью.
В 50-х годах ХХ века разработаны и начали успешно внедряться принципиально новые технологические процессы, позволяющие обрабатывать труднодеформируемые материалы (жаропрочные стали, титановые, молибденовые, вольфрамовые и другие сплавы).
При взрывном штамповании ударная волна, возникающая при сгорании заряда взрывчатого вещества, деформирует заготовку, придавая ей нужную форму. Вследствие кратковременности процесса (мсек – мксек) штампы можно изготовлять не только из дешевых малоуглеродистых сталей, но и из таких материалов, как бетон, дерево, пластмасса и так далее.
Высокоскоростная штамповка – способ обработки труднодеформируемых материалов с высокой точностью на молотах, скорость падающей части (бабы) которых при ударе достигает 40-60 м/сек. У обычных молотов не выше 8 м/сек. Масса соударяющихся частей у высокоскоростных молотов при одинаковой энергии удара во много раз меньше, чем у обычных молотов.
1.2 Объемная штамповка
Объемная штамповка, технологический процесс, заключающийся в изменении простейших объемных заготовок (цилиндрической, призматической и другой формы) в более сложные изделия, форма которых соответствует полости специализированных инструментов – штампов. Объемная штамповка как процесс перераспределения металла заготовки происходит в результате пластической деформации.
Основные операции объемной штамповки – осадка, высадка, протяжка, выдавливание, гибка, плющение, калибровка, образование выступов, утолщений, углублений, осуществляемые на кузнечно-прессовых машинах – молотах, прессах и машинах специального назначения. Из штампованных поковок после обработки резанием и термической обработки получают различные детали: шатуны, коленчатые валы, рычаги, зубчатые колеса, лопатки турбин, крепежные детали, шары, ролики и кольца подшипников и др.
Различают холодную и горячую объемные штамповки.
Холодная штамповка осуществляется без нагрева. Исходный материал – калиброванные прутки, нарезаемые на мерные (штучные) заготовки, или проволока в бунтах. Масса получаемых изделий от нескольких г до нескольких кг; точность по 3-2-му классам; шероховатость поверхности соответствует 7-10-му классам чистоты. Холодной объемной штамповкой получают ответственные детали с высокими и стабильными механическими свойствами, что объясняется отсутствием рекристаллизации в металле и упрочнением. Так как заготовки не нагреваются, на поверхности поковок не происходит образование окалины, обезуглероживания, обесцинкования и тому подобного, что улучшает качество поковок в целом и сохраняет припуски на дальнейшую обработку. В ряде случаев поковки не требуют дополнительной обработки, являясь готовыми деталями (коэффициент использования металла составляет 1). Однако для осуществления холодной объемной штамповки требуются значительные усилия – до 2500 Мн/м2 (1 Мн=100 тс) и более, что отрицательно влияет на стойкость штампов. Существенно снизить усилия (в 10-15 раз) позволяет нагрев заготовок, то есть горячая объемная штамповка.
Горячая объемная штамповка осуществляется с нагревом до температуры 200-1300
С в зависимости от состава сплава и условий обработки. Исходный материал – прокатные прутки, разделенные на мерные заготовки, равные по объему будущей поковке (с учетом неизбежных отходов). Масса получаемых изделий от нескольких г до 6-8 т; точность размеров поковок зависит от их массы и конфигурации и может быть повышена последующей холодной калибровкой; шероховатость поверхности соответствует 3-7-му классам чистоты. Процесс горячей объемной штамповки аналогичен по физической сущности свободной ковке, но осуществляется в штампах. Горячей объемной штамповкой получают поковки, однородные по структуре, сравнительно высокой точности, сложной конфигурации, которой невозможно добиться при свободной ковке. Однако средний коэффициент использования металла при горячей объемной штамповке 0,5-0,6 (то есть до 50-40 % металла идет в отход), при холодной штамповке этот коэффициент значительно выше.
Штампы для объемной штамповки чаще всего состоят из 2 половин – верхней и нижней или из пуансона и матрицы. Обычно при штамповке на молотах и вертикальных прессах нижняя часть штампа неподвижна, а верхняя подвижна. Объемную штамповку выполняют в открытых штампах – с плоскостью разъема, перпендикулярной направлению штамповки, или в закрытых штампах- с плоскостью разъема по периметру поковки. Открытый штамп отличается простотой устройства и универсальностью применения, но горячая штамповка в нем связана с образованием заусенца, который обеспечивает заполнение сложного рельефа полости штампа. Для размещения заусенца в штампе предусматривается специальная канавка. После штамповки заусенец обрезают в штампе на обрезном прессе. Отход металла при этом составляет 5-20%, иногда достигает 50-80%. В закрытых штампах, применяемых при горячей и холодной объемных штамповках, заусенец либо весьма невелик (не более 1%), либо совсем отсутствует, так как поковка формируется из всего объема металла. Однако эти штампы менее универсальны, например в них нельзя получать поковки в форме шара. В тех случаях, когда нужно получить исходные заготовки достаточно высокой точности по объему, применяют закрытые штампы с компенсаторами – дополнительными полостями, в которые вытекает избыточный металл заготовки. Компенсаторы располагаются в таком месте штампа, в которое металл поступает в последнюю очередь, чтобы предотвратить преждевременное и чрезмерное попадание металла в компенсатор. Однако этот способ неэкономичен, так как металл, поступающий в компенсатор, идет в отход. Другим технологическим приемом при горячей объемной штамповке является применение штамповочных уклонов, которые делают в полости штампов с целью облегчения выталкивания готовых изделий. Поковка получается искаженной формы, например вместо цилиндра – усеченный конус. Обычно в молотовых штампах уклоны 5-7
. Излишек металла на поковке (напуск) также является отходом. Для осуществления объемной штамповки с меньшим уклоном (1-2
) в штампах применяют выталкиватели: при штамповке на молотах – только нижние, на прессах – верхние и нижние.
Одним из рациональных решений является горячая объемная штамповка в разъемных матрицах, то есть в штампах с 2 или несколькими плоскостями разъема, чаще всего на горизонтально-ковочных машинах. Матрицы этих штампов не имеют уклонов, в них можно штамповать даже поковки, расширяющиеся ко дну матрицы. В разъемных матрицах можно также вести штамповку на гидровинтовых и кривошипных прессах. Поковки для одной и той же детали можно получить методами горячей объемной штамповки как на молоте, так и на прессе. В этих двух случаях заготовки будут внешне отличаться, иметь разные припуски.
Объемная штамповка применяется как однопереходный процесс для получения простейших поковок и многопереходный – для деталей сложных форм. При многопереходной объемной штамповке производят подготовительные операции (так называемое фасонирование заготовок), а затем осуществляют окончательную штамповку. Многопереходную объемную штамповку производят с использованием средств механизации или на автоматах, на гидравлических прессах с усилием 750 Мн, молотах с массой падающих частей до 20-25 тс, кривошипных горячештамповочных прессах с усилием до 80 Мн, на автоматах для одно- и многопозиционной штамповки, на прессах холодного выдавливания, машинах для раскатки, ковочных вальцах и другом специализированном оборудовании. При штамповке на гидровинтовых прессах и высокоскоростных молотах можно получать поковки с тонкими сечениями. На многопозиционных холодно- и горячештамповочных автоматах осуществляется объемная штамповка изделий с наибольшими диаметрами: при холодной штамповке до 50 мм с производительностью до 500 шт/мин, при горячей – до 120 мм с производительностью до 70 шт/мин.
Штампы – точный, сложный и дорогой инструмент, поэтому применение объемной штамповки целесообразно главным образом в крупносерийном и массовом производствах.
Перспективы дальнейшего развития объемной штамповки определяются расширением применения штампов для горячей малоотходной штамповки и конструированием мощного оборудования для холодной штамповки, а также внедрением новых процессов деформации металлов с использованием явлений сверхпластичности, применением гидростатических методов и др.
1.3 Штампы
Штамп – инструмент, предназначенный для придания детали заданной конфигурации посредством пластической деформации заготовки или разделением ее на части (штамповкой). Для каждой детали требуется свой штамп. Конструкция его зависит от типа заготовки (сортовой или листовой прокат), типа машин, используемых для штамповки (молот, пресс), характера выполняемых операций, серийности производства и т. д. При штамповке из сортового проката на молотах штамп имеет полости, которые в процессе деформирования заполняются металлом заготовки, причем она приобретает размеры и конфигурацию, соответствующие полости штампа. Деформирование метала осуществляется путем относительного смещения отдельных рабочих элементов штампа. При штамповке на молотах таких рабочих элементов обычно два: верхняя половина штампа, прикрепляемая к бабе молота, и нижняя половина, прикрепляемая к шаботу молота. Различают открытые штампы, у которых зазор между рабочими элементами уменьшается в процессе деформирования заготовки, и закрытые, у которых этот зазор не изменяется. В открытых штампах металл при деформировании частично вытесняется в зазор, образуя облой (заусенец), удаляемый в последствии в специальных обрезных штампах. С целью постепенного приближения формы заготовки к форме детали в открытых штампах делают несколько полостей (ручьев), в которых последовательно деформируется заготовка (многоручьевые штампы). Иногда эти ручьи изготавливают в отдельных штампах (одноручьевые штампы), и тогда заготовка последовательно передается от одного штампа к другому. Различают заготовительные ручьи (в них заготовке придается предварительная форма, облегчающая получение требуемой конфигурации детали) и окончательные (черновой и чистовой). Чтобы деталь легче извлекалась из полости штампа, образующие боковых поверхностей полости делают наклонными (штамповочные уклоны). Уклоны могут быть уменьшены, если в штампе предусмотрены выталкиватели, принудительно удаляющие поковку из полости штампа. При штамповке деталей сложной конфигурации в закрытых штампах для обеспечения возможности извлечения поковки из полости штампа число рабочих элементов увеличивают и штампы получает несколько плоскостей разъема. Пример закрытых штампов с двумя полостями разъема – штампы, применяемые на горизонтально-ковочных машинах. Штампы для листовой штамповки, а также для штамповки сортового металла на кривошипных горячештамповочных прессах представляет собой приспособление, состоящее из многих деталей, монтируемых на верхней и нижней плитах (рабочие элементы штампа – пуансон и матрица при листовой штамповке, элементы направления верхней плиты относительно нижней, элементы направления и фиксирования положения заготовки в штампе, элементы крепления и т. д.). штампы для холодной штамповки бывают простого действия (выполняющие одну операцию) и многооперационные. Последние подразделяются на штампы последовательного действия (заготовка подвергается различным операциям в разных позициях в направлении подачи) и штампы совмещенного действия (различные операции выполняются в одной позиции). При мелкосерийном производстве применяют упрощенные штампы с меньшим числом вспомогательных элементов, а также подкладные штампы, которые не крепятся к элементам машины.
1.4 Технологический процесс изготовления
Общий технологический процесс изготовления поковок горячей объемной штамповкой состоит обычно из следующих этапов:
отрезки проката на мерные заготовки;
нагрева;
штамповки;
обрезки заусенца и пробивки пленок;
правки;
термической обработки;
очистки поковок от окалины;
калибровки;
контроля готовых поковок.
Операции, которые производят с поковкой после ее штамповки, называют отделочными.
1.5 Нагрев металлов перед обработкой давлением
При нагреве металла с повышением температуры уменьшается его временное сопротивление, а относительное удлинение увеличивается. Таким образом, при деформировании стали, нагретой, например, до температуры 1200
С, можно достичь большего формоизменения при меньшем приложенном усилии, чем при деформировании ненагретой стали. Все металлы и сплавы имеют тенденцию к увеличению пластичности и уменьшению сопротивления деформированию при повышении температуры в случае выполнения ряда требований, предъявляемых к процессу нагрева. Так, каждый металл должен быть нагрет до вполне определенной максимальной температуры. Если нагреть, например, сталь до температуры, близкой к температуре плавления, наступает пережог, выражающийся в появлении хрупкой пленки между зернами металла вследствие окисления их границ. При этом происходит полная потеря пластичности. Пережог исправить нельзя, пережженный металл может быть отправлен только на переплавку.
Ниже температуры пережога находится зона перегрева. Явление перегрева заключается в резком росте размеров зерен. Вследствие того, что крупнозернистой первичной кристаллизации (аустенит), как правило, соответствует крупнозернистая вторичная кристаллизация (феррит + перлит или перлит + цементит), механические свойства изделия, полученного обработкой давлением из перегретой заготовки, оказываются низкими. Брак по перегреву в большинстве случаев можно исправить отжигом. Однако для некоторых сталей (например, хромоникелевых) исправление перегретого металла сопряжено со значительными трудностями, и простой отжиг оказывается недостаточным.
Максимальную температуру нагрева, то есть температуру начала горячей обработки металлов давлением, следует назначить такой, чтобы не было пережога и перегрева. В процессе обработки нагретый металл обычно остывает, соприкасаясь с более холодным инструментом и окружающей средой. Заканчивать горячую обработку давлением следует также при вполне определенной температуре, ниже которой пластичность вследствие упрочнения (рекристаллизация не успевает произойти) падает и в изделии возможно образование трещин. Но при высоких температурах заканчивать деформирование нецелесообразно (особенно для сплавов, не имеющих фазовых превращений). В этом случае после деформирования зерна успевают вырасти и получается крупнозернистая структура, характеризующаяся низкими механическими свойствами.
Каждый металл и сплав имеет строго определенный температурный интервал горячей обработки давлением. Например, алюминиевый сплав АК4 470-350
С; медный сплав Бр.АЖМц 900-750
С; титановый сплав ВТ8 1100-900
С. Для углеродистых сталей температурный интервал нагрева можно определить по диаграмме состояния в зависимости от содержания углерода. Например, для стали 45 температурный интервал 1200-750
С, а для стали У10 1100-850
С.
Заготовка должна быть равномерно нагрета по всему объему до требуемой температуры. Разность температур по сечению заготовки приводит к тому, что вследствие теплового расширения между более нагретыми поверхностными слоями металла и менее нагретыми внутренними слоями возникают напряжения. Последние тем больше, чем больше разность температур по сечению заготовки, и могут возрасти настолько, что в центральной зоне с растягивающими напряжениями при низкой пластичности металла образуются трещины. Разность температур по сечению увеличивается с повышением скорости нагрева, поэтому существует допустимая скорость нагрева. Наибольшее время требуется для нагрева крупных заготовок из высоколегированных сталей из-за их низкой теплопроводности. Например, время нагрева слитка массой
из легированной стали составляет 24 ч.
Однако с увеличением времени нагрева увеличивается окисление поверхности металла, та как при высоких температурах металл активнее химически взаимодействует с кислородом воздуха. В результате на поверхности, например, стальной заготовки образуется окалина – слой, состоящий из оксидов железа:
Кроме потерь металла с окалиной, последняя, вдавливаясь в поверхность заготовки при деформировании, вызывает необходимость увеличения припусков на механическую обработку. Окалина увеличивает износ деформирующего инструмента, так как ее твердость значительно больше твердости горячего металла.
При высоких температурах на поверхности стальной заготовки интенсивно окисляется не только железо, но и углерод: происходит так называемое обезуглероживание. Толщина обезуглероженного слоя в отдельных случаях достигает 1,5-2 мм.
Для уменьшения окисления заготовки нагревают в нейтральной или восстановительной атмосфере.
Материал из которого изготовлена деталь № 40 – Сталь 25
Назначение – оси валы, соединительные муфты, собачки, рычаги, вилки, шайбы, валики, болты, фланцы, тройники, крепежные детали, другие неответственные детали; после ХТО – винты, втулки, собачки и другие детали, к которым предъявляют требования высокой поверхностной твердости и износостойкости при невысокой прочности сердцевины.
Заменитель стали 20, 30.
| Массовая доля элементов в % по ГОСТ 1050 - 88 | |||||||||
| C | Si | Mn | S | P | Cr | Ni | As | N | Cu |
| 0,22-0,3 | 0,17-0,37 | 0,50-0,80 | ≤0,040 | ≤ 0,035 | ≤ 0,25 | ≤ 0,30 | ≤ 0,08 | ≤ 0,008 | ≤ 0,3 |
| Температура критических точек, ºС | |||
| Ac1 | Ac3 | Ar1 | Ar3 |
| 735 | 835 | 680 | 825 |
Плотность – 7820 кг/м3.
Технологические свойства:
Температура ковки,
: начала 1280, конца 700. Охлаждение на воздухе.
Обрабатываемость резанием:
,
в горячекатаном состоянии при
.
Свариваемость: сваривается без ограничений, кроме деталей после ХТО. Способы сварки – РДС, АДС под флюсом и газовой защитой, КТС.
Флокеночувствительность – не чувствительна.
Склонность к отпускной хрупкости – не склонна.
| Механические свойства в зависимости от ковочных температур | |||||
| Температура, ºС | Состояние материала и условия испытаний | ||||
| 20 | 310 | 490 | 28 | 58 | после прокатки; образец диаметром 6 мм, длиной 30 мм, скорость деформирования 16 мм/мин, скорость деформации 0,009 1/с |
| 200 | 320 | 560 | 13 | 44 | |
| 300 | 200 | 540 | 22 | 57 | |
| 400 | 165 | 465 | 25 | 66 | |
| 500 | 150 | 330 | 28 | 70 | |
| 700 | 130 | 145 | 41,5 | 76,5 | после прокатки; скорость деформирования 0,009 мм/мин |
| 800 | 69 | 96 | 56,7 | 78,4 | |
| 900 | 47 | 79 | 52,9 | 95,3 | |
| 1000 | 40 | 54 | 59,7 | 100 | |
| 1100 | 24 | 38 | 66,2 | 100 | |
| 1200 | 14 | 23 | 101 | 100 | |
| 1300 | 20 | 25 | 66,6 | 100 | |
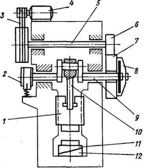
1.6 Нагревательное устройство
Одним из наиболее распространенных нагревательных устройств является камерная печь.
В камерной печи заготовки 2 укладывают на под 1 печи через окно 4 и после прогрева до заданной температуры извлекают через то же окно. Рабочее пространство печи нагревают сжиганием газа с помощью горелок 3, служащих для смешения газа с воздухом и подачи смеси в печь. Продукты сгорания отводят через дымоход 5 в рекуператор – теплообменник, в котором поступающий к горелкам воздух нагревается теплотой горячих уходящих газов. Подогрев воздуха до температуры 350-500
С позволяет экономить до 25 % топлива. Камерные печи периодического действия применяют на производств, где часто меняется типоразмер нагреваемых заготовок. Для нагрева очень крупных заготовок используют камерные печи с выдвижным подом. Наиболее распространены камерные печи с неподвижным подом, применяемые в кузнечных цехах. Рабочее пространство этих печей выполняют в форме параллелепипеда длиной 0,6-2 м, шириной 0,6-1,5 м и высотой до 1 м. производительности печей – 70-600 кг/ч, расход тепла – 5000-7000 кДж/кг.

Камерная нагревательная печь.
1.7 Оборудование для горячей объемной штамповки
Для горячей объемной штамповки применяют молоты, кривошипные горячештамповочные прессы, горизонтально-ковочные машины, гидравлические прессы, винтовые прессы и машины для специализированных процессов штамповки.
Кривошипный горячештамповочный пресс
Кинематическая схема приведена на рисунке.

Кинематическая схема кривошипного горячештамповочного пресса
Электродвигатель 4 передает движение клиновыми ремнями на шкив 3, сидящий на приемном (промежуточном) валу 5, на другом конце которого закреплено малое зубчатое колесо 6. это колесо находится в зацеплении с большим зубчатым колесом 7, свободно вращающимся на кривошипном валу 9. С помощью пневматической фрикционной дисковой муфты 8 зубчатое колесо 7 может быть сцеплено с кривошипным валом 9; тогда последний придет во вращение. Посредством шатуна 10 вращение кривошипного вала преобразуется в возвратно-поступательное движение ползуна 1.
Для остановки вращения кривошипного вала после выключения муфты служит тормоз 2. Стол пресса 11, установленный на наклонной поверхности, может перемещаться клином 12 и тем самым в незначительных пределах регулировать высоту штампового пространства. Для облегчения удаления поковки из штампа прессы имеют выталкиватели в столе и ползуне. Выталкиватели срабатывают при ходе ползуна вверх.
Кривошипные прессы имеют постоянный ход, равный удвоенному радиусу кривошипа. Поэтому в каждом ручье штампуют за один ход пресса, и производительность штамповки на прессах выше, чем на молотах. Наличие постоянного хода приводит к большей точности поковок по высоте, а высокая жесткость конструкции пресса, отсутствие ударов и сотрясений делают возможным применение направляющих колонок у штампов, что практически исключает сдвиг. Штамповочные уклоны у поковок также меньше, так как на прессах предусмотрены выталкиватели. При штамповке на кривошипных прессах имеются большие возможности для механизации и автоматизации процесса, чем при штамповке на молотах.
Наряду с перечисленными преимуществами штамповка на кривошипных прессах имеет и недостатки. Ввиду жесткого хода ползуна на прессах при многоручьевой штамповке нельзя применять такие ручьи, как протяжной, подкатной и отрезной.
Заготовка перед штамповкой на прессе должна быть полностью очищена от окалины, так как деформация происходит за один ход пресса; при наличии окалины она заштамповывается в поверхность поковки. Стоимость кривошипного горячештамповочного пресса в 3-4 раза выше стоимости эквивалентного по мощности молота.
На кривошипных прессах возможна штамповка всех видов поковок, штампуемых на молотах. Однако при штамповке поковок с удлиненной осью и большой разностью площадей поперечных сечений по длине требуется применение предварительно профилированных заготовок.
Ввиду худшего заполнения полостей при штамповке сложных поковок на прессах применяют большее число ручьев, чем в молотовых штампах. Штампы на прессах не должны смыкаться на величину, равную толщине заусенца, поэтому полость для него делается открытой, в отличии от молотовых штампов.
Благодаря наличию выталкивателей на прессах удобно штамповать в закрытых штампах выдавливанием и пришивкой. Кривошипные горячештамповочные прессы строят усилием 6,3-100 Мн; такие прессы успешно заменяют штамповочные молоты с массой падающих частей 0,63-10 т.
1.8 Отделочные операции горячей объемной штамповки
1.8.1 Обрезка заусенца и пробивка пленок
Все поковки, штампуемые в открытых штампах, имеют заусенец в плоскости разъема, а в поковках с внутренними отверстиями остаются пленки между наметками (исключая поковки, штампуемые на горизонтально-ковочных машинах).
Обрезку заусенца и пробивку пленок выполняют с помощью штампов, устанавливаемых на кривошипных прессах, по принципу действия аналогичных кривошипным штамповочным прессам.
При обрезке заусенца (рисунок а) поковку 3 укладывают в матрицу 4 так, что она своим заусенцем ложится на режущие кромки матрицы. При нажатии пуансоном 1 на поковку 3 режущие кромки матрицы срезают заусенец по всему периметру поковки, которая после этого проваливается вниз. Заусенец остается на матрице, а чтобы он не застревал на пуансоне, применяют съемник 2.
При пробивке пленки (рисунок б) поковку 3 укладывают в матрицу 4 и с помощью пуансона 1 пробивают; отход проваливается через отверстие матрицы в тару, установленную под столом пресса.
Существуют штампы совмещенного действия, в которых обрезают заусенец и пробивают пленки за один ход пресса.
Обрезку и пробивку поковок можно выполнять в холодном и горячем состояниях: для мелких поковок из низкоуглеродистой и низколегированной сталей – в холодном состоянии. В остальных случаях обрезают заусенец и пробивают пленку сразу же после штамповки на обрезном прессе, установленном непосредственно около штамповочной машины.

Схемы обрезки заусенца (а) и пробивки пленки (б)
1.8.2 Правка штампованных поковок
Правку штампованных поковок выполняют для устранения искривлений осей и искажения поперечных сечений, возникающих при затрудненном извлечении поковок из штампа, после обрезки заусенца, а также после термической обработки. Крупные поковки и поковки из высокоуглеродистых и высоколегированных сталей правят в горячем состоянии, либо на обрезном прессе (обрезной штамп совмещается с правочным), либо на отдельной машине (установленной рядом со штамповочным оборудованием).
Мелкие поковки можно править в холодном состоянии после термической обработки.
1.8.3 Очистка поковок от окалины
Очистка поковок от окалины облегчает условия работы режущего инструмента при последующей обработке резанием, а также контроль поверхности поковок. Очистку осуществляют в барабанах, дробью, травлением.
В барабанах поковки очищают следующим образом. Поковки загружают в барабан с наклонной осью вращения, в котором находятся стальные звездочки. При вращении барабана поковки трутся и ударяются друг о друга и о звездочки, благодаря чему окалина сбивается. При очистке тяжелых поковок на их поверхности образуются забоины, поэтому таким способом их не очищают.
Дробеструйная очистка заключается в том, что металлическая дробь размером 1-3 мм с большой скоростью ударяет о поверхность поковки и сбивает с нее окалину. Скорость дроби сообщает сжатый воздух в специальных аппаратах. Этим способом очищают мелко- и среднегабаритные поковки.
Травлением в водных растворах кислот, нагретых до 40-60
С, очищают крупногабаритные поковки сложных конфигураций.
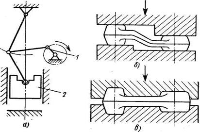
1.8.4 Калибровка поковок
Калибровка поковок повышает точность размеров всей поковки или отдельных ее участков. Таким образом, последующая механическая обработка устраняется полностью или ограничивается только шлифованием. Различают плоскостную и объемную калибровку.
Плоскостная калибровка служит для получения точных вертикальных размеров на одном или нескольких участках поковки, ограниченных горизонтальными плоскостями (рисунок б). При плоскостной калибровке поковку правят в холодном состоянии на кривошипно-коленных прессах (рисунок а). Механизм кривошипно-коленного пресса обеспечивает получение больших усилий на ползуне 2 при сравнительно малом крутящем моменте на валу 1.
Поскольку калибруют с небольшой степенью деформации (менее 5-10%), необходимо заранее при штамповке предусматривать припуск на калибровку. Причем с увеличением припуска точность размеров после калибровки уменьшается, а качество поверхности улучшается. Обычная точность после калибровки составляет
, а допуск при калибровке с повышенной точностью в 2 раза меньше.
Объемной калибровкой (рисунок в) повышают точность размеров поковки в разных направлениях и улучшают качество ее поверхности. Калибруют в штампах с ручьями, соответствующими конфигурации поковки.

Кинематическая схема кривошипно-коленного пресса (а) и схемы плоскостной (б) и объемной (в) калибровок.
1.8.5 Контроль качества
Контроль качества необходим не только для готовых поковок, но и для условий их изготовления на всех этапах, начиная от получения исходных заготовок.
При контроле готовых поковок их осматривают, выборочно измеряют геометрические размеры, твердость. Несколько поковок из партии иногда подвергают металлографическому анализу и механическим испытаниям. Внутренние дефекты в поковках определяют ультразвуковым методом контроля и рентгеновским просвечиванием.
1.9 Расчётная часть
Деталь, подлежащая изготовлению, представляет собой зубчатое колесо.
Материал детали – сталь 40 ГОСТ 1050-88.
Производство серийное.
В качестве заготовки используем поковку, штампуемую на паровоздушном молоте двойного действия в открытом штампе.
Нагрев заготовок – индукционный.
Определение массы детали.
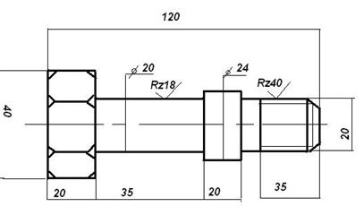
Для определения массы детали найдём объём поковки. Для этого разбиваем деталь на геометрически простые части (рис.1).

Рис.1.Расчётный эскиз детали.
V1= 20*40=800 мм3
V2= 20*35=700 мм3
V3= 20*24=480 мм3
V4= 20*35=700 мм3
V5= (120-20-20-35-35)*20=300 мм3
Объём детали
Vд=V1+V2+V3+V4+V5=800+700+480+700+300=2980мм3=3 см3
Масса детали
Mд=ρVд, где ρ=7,85г/см3 – плотность стали,
Mд=7,85*3=23,55 г = 0.024 кг.
Конструирование поковки.
Определяем расчётную массу поковки
Mпр=Mд*Kр,
Для поковки зубчатого колеса принимаем Kр=1,7, тогда Mпр=0,024*1,7=0,04 кг
Основные припуски на обработку цилиндрических поверхностей колеса:
1) Ø40 – 2,7 мм
2)120 – 2,3 мм.
Основные припуски на обработку торцов поковки в размер:
1)60(Ra2,5)
Торец А детали находится на расстоянии 25 мм от её базовой поверхности. Поэтому припуск на обработку этого торца равен 2,0 мм.
Торец Б удален от базовой плоскости на 28 мм. Припуск на обработку торца Б-2,3 мм
Расстояние между плоскостью С зубчатого колеса и базовой плоскостью – 6 мм. Припуск на подрезку торца С равен 2,0 мм. Аналогично припуск на подрезку торца D равен 2,0 мм.
Дополнительный припуск на обработку поковки зубчатого колеса, учитывающий:
1)Смещение плоскости разъёма штампа-0,3 мм.
2)Отклонение от плоскостности – 0,5 мм.
Величина штамповочного уклона для поковки, штампованной на молоте
-на наружной поверхности-70
-на внутренней поверхности - 100
Определение номинальных размеров поковки.
Диаметральные размеры поковки:
1) 40+(2,7+0,3)*2=46 мм;
2) 120-(2,3+0,3)*2=114,8 мм. Принимаем 115 мм.
3) расстояние от базовой плоскости до торца А заготовки
25+2+0,5=27,5 мм
расстояние от базовой плоскости до торца Б заготовки
25+2+0,5=27,5 мм.
Соответственно расстояние от базовой плоскости до торцов С и D поковки
6+2+0,5=8,5 мм.
14+2+0,5=16,5 мм.
Для определения наружного диаметра поковки Dп в плоскости разъёма штампа используем расчётную схему на рисунке 2.

Рис.2. Расчётный эскиз поковки.
Dп=Dз+2*0,5tg70=232+2*12,5*tg70=235 мм.
Толщина перемычки, образующейся при прошивке полости под отверстие, определяется по формуле
S=0,45√D4-0,25h-5+0,6√h
S=0,45√45-0,25*30-5+0,6√30=5,8 мм
Диаметр пробиваемого отверстия
dв=D4-2(h-0,5S)*tg100=45-2(30-0,5*5,8)*0,17=35,78 мм.
Принимаем dв=35,8 мм.
Назначение радиусов наружных углов производится по ГОСТ 7505-89.
Для поковки массой 15 кг при глубине полости ручья штампа h=30 мм минимальная величина радиуса закругления - 2,5 мм. Rн примем равным 3,6 мм. Величина радиуса Rв закругления внутренних углов устанавливается примерно1..6 мм., примем Rв равным 6 мм.
Расчёт исходной заготовки под штамповку.
В качестве исходной заготовки предусматривается использование штучной заготовки из проката обычной точности
В общем случае исходной заготовки
Vз=K(Vп+Vпер+Vо), где K-коэффициент, учитывающий угар металла.
Vп – объём поковки, Vпер – объём перемычки, Vо – объём облоя.
При индукционном нагреве К=1,01
Vз= 1,01(Vп+Vпер+Vо)
Определение объёма поковки.
С учётом размеров поковки и их предельных отклонений, имеем:
1)D1=236,35 мм;
2)D2=198,65 мм;
3)d3=86,4 мм;
4) d4=39,8 мм;
5) h1=30,9 мм;
6)h2=18,9 мм;
7)h3=65,9 мм;
Объём венца поковки
V1=π(D12-D22)*h1/4=397996 мм3
Объём полотна
V2=π(D22-d32)*h2/4=474962 мм3
Объём ступицы
V3=π(d32-d42)*h3/4=304383 мм3
Общий объём поковки
Vп=V1+V2+V3=1177341 мм3=1177,3 см3
Масса поковки
Mп=ρVп=9241,8 г=9,2 кг.
Определение объёма перемычки.
Объём перемычки определяется по эскизу поковки.
Vпер = πdB2S/4=5838 мм3
Масса перемычки Mпер=0,04 кг.
Определение массы облоя.
Vo=K1PпS3, где
К1=0,55-коэффициент заполнения металлом облойной канавки;
Pп- периметр поковки по линии обреза облоя;
S3 – площадь поперечного сечения облойной канавки.
Для заготовки поковки колеса
Pп=πDп=738,2 мм
Тогда Vo=81608 мм3
Масса облоя Мо=0,635 кг.
Объём исходной заготовки под штамповку
Vз=1277,4 см3
Масса исходной заготовки
Мз = 10 кг.
Расчёт размеров исходной заготовки.
Диаметр исходной заготовки
Dзаг=1,083√Vз/2,3=88,7 мм.
По сортаменту выбираем заготовку ближайшего большего диаметра
Dзаг=90 мм.
Длина исходной заготовки
L=V3/F3, где F3 – площадь поперечного сечения заготовки
L=4V3/πDзаг2=200,8 мм.
Допуск на длину 0,8 мм.
Переходы штамповки.
Для рассматриваемого случая h4/h5>1,3 штамповку заготовки зубчатого колеса проводят за два перехода – осадку и окончательную штамповку.
На рисунке 3 изображены: а) исходная заготовка; б) заготовка после осадки; в) отштампованная заготовка.
Осадку заготовки рекомендуется производить до диаметра Do немного меньшего диаметра поковки D3=232 мм, поэтому диаметр заготовки после осадки примем Do=230 мм.

Рис.3. Переходы при штамповке поковки зубчатого колеса
Исходя из условия равенства объема металла исходной заготовки и её объёма после осадки
πDзаг2L/4=πD02h0/4
Определим высоту заготовки после осадки:
h0=4πDзаг2L/4πD02=30,6 мм.
Второй переход - окончательная штамповка – выполняется в чистовом ручье штампа.
Обрезку облоя и пробивку отверстия производят на прессе, используя для этой цели штамп последовательного или совмещённого действия.
Определение массы падающих частей молота.
Выбор оборудования.
Масса падающих частей молота при штамповке заготовки круглой в плане
Mм=10(1-0,005Dп)(1,1+2/Dп)2(0,75+0,001Dп2)Dпσв,
где Dп – диаметр поковки в см; σв=6 кг/мм2 – предел прочности деформируемого материала при температуре окончания штамповки.
Мм=1781,9 кг=1,8 т.
В соответствии с расчетом для штамповки заготовки зубчатого колеса по ОСТ 2КП12 – 1 – 87 выбираем паровоздушный молот с массой падающих частей 2 тонны.
2. Обработка металлов резанием
2.1 Введение
Обработка металлов резанием – технологические процессы обработки металлов путем снятия стружки, осуществляемые режущими инструментами на металлорежущих станках с целью придания деталям заданных форм, размеров и качества поверхностных слоев. Основные виды обработки металлов резанием: точение, строгание, сверление, развертывание, протягивание, фрезерование и зубофрезерование, шлифование, хонингование и др.. Закономерности обработки металлов резанием рассматриваются как результат взаимодействия системы станок – приспособление – инструмент – деталь. Любой вид обработки металлов резанием характеризуется режимом резания, представляющим собой совокупность следующих основных элементов: скорость резания u, глубина резания t и подача s. Скорость резания – скорость инструмента или заготовки в направлении главного движения, в результате которого происходит отделение стружки от заготовки, подача – скорость в направлении движении подачи. Например, при точении скоростью резания называется скорость перемещения обрабатываемой заготовки относительно режущей кромки резца (окружная скорость) в м/мин, подачей – перемещение режущей кромки резца за один оборот заготовки в мм/об. Глубина резания – толщина (в мм) снимаемого слоя металла за один проход (расстояние между обрабатываемой и обработанной поверхностями, измеренное по нормали).
В разработку основ механики процесса резания большой вклад внесли русские ученые: И. А. Тиме, К. А. Зворыкин, А. А. Брикс, А. В. Гадолин, Я. Г. Усачев, А. Н. Челюсткин, И. М. Беспозванный, Г. И. Грановский, А. М. Даниелян, Н. Н. Зорев, А. И. Исаев, М. В. Касьян, А. И Каширин, В. А. Кривоухов, В. Д. Кузнецов, М. Н. Ларин, Т. Н. Лоладзе, А. Я. Малкин, А. В. Панкин, Н. И. Резников, А. М. Розенберг и другие.
В зависимости от условий резания стружка, снимаемая режущим инструментом (резцом, сверлом, протяжкой, фрезой и др.) в процессе обработки металлов резанием, может быть элементной, скалывания, сливной, надлома. Характер стружкообразования и деформации металла рассматривается обычно для конкретных случаев, в зависимости от условий резания; от химического состава и физико-механических свойств обрабатываемого металла, режима резания, геометрии режущей части инструмента, ориентации его режущей части инструмента, ориентации его режущих кромок относительно вектора скорости резания, смазывающе-охлаждающей жидкости и др.. Деформация металла в разных зонах стружкообразования различна, причем она охватывает также и поверхностный слой обработанной детали, в результате чего он приобретает наклеп и возникают внутренние (остаточные) напряжения, что оказывает влияние на качество деталей в целом.
В результате превращения механической энергии, расходуемой при обработке металлов резанием, в тепловую возникают тепловые источники (в зонах деформации срезаемого слоя, а также в зонах трения контактов инструмент – стружка и инструмент – деталь), влияющие на стойкость режущего инструмента (время работы между переточками до установленного критерия затупления) и качество поверхностного слоя обработанной детали. Тепловые явления при обработке металлов резанием вызывают изменение структуры и физико-механических свойств, как срезаемого слоя металла, так и поверхностного слоя детали, а также структуры и твердости поверхностных слоев режущего инструмента. Скорость резания свойства обрабатываемого металла существенно влияют на температуру резания в зоне контакта стружки с передней поверхностью резца. Тепловые и температурные факторы процессов обработки металлов резанием выявляются следующими экспериментальными методами: калориметрическим, при помощи термопар по изменению микроструктуры, при помощи термокрасок, оптическим, радиационным и др. Трение стружки и обрабатываемой детали о поверхности режущего инструмента, тепловые и электрические явления при обработке металлов резанием вызывают его изнашивание. Различают следующие виды износа: адгезионный, абразивно-механический, электродиффузионный. Характер изнашивания металлорежущего инструмента является одним из основных факторов, предопределяющих выбор оптимальной геометрии его режущей части.
Значительное влияние на обработку металлов резанием оказывают активные смазочно-охлаждающие жидкости, при правильном подборе, а также при оптимальном способе подачи которых увеличивается стойкость режущего инструмента, повышается допускаемая скорость резания, улучшается качество поверхностного слоя и снижается шероховатость обработанных поверхностей, в особенности деталей из вязких жаропрочных и тугоплавких труднообрабатываемых сталей и сплавов. Вынужденные колебания (вибрации) системы станок – приспособление – инструмент – деталь, а также автоколебания элементов этой системы ухудшают результаты обработки металлов резанием. Колебания обоих видов можно снизить, воздействуя на вызывающие их факторы – прерывистость процесса резания, дисбаланс вращающихся частей, дефекты в передачах станка, недостаточную жесткость и деформации заготовок и др.
Повышение производительности труда и уменьшение потерь металла (стружки) при обработке металлов резанием связано с расширением применения методов получения заготовок, форма и размеры которых максимально приближаются к готовым деталям. Это обеспечивает резкое сокращение (или исключает полностью) обдирочных (черновых) операций и приводит к преобладанию доли чистовых и отделочных операций в общем объеме обработки металлов резанием.
Дальнейшее направление развития обработки металлов резанием: интенсификация процессов резания, освоение обработки новых материалов, повышение точности и качества обработки, применение упрочняющих процессов, автоматизации и механизации обработки.
2.2 Основные типы токарных станков
Станки токарной группы наиболее распространены в машиностроении и металлообработке по сравнению с металлорежущими станками других групп. В состав этой группы входят токарно-винторезные, токарно-револьверные, токарно-карусельные, токарные автоматы и полуавтоматы и другие станки.
Токарно-винторезные станки предназначены для наружной и внутренней обработки, включая нарезание резьбы, единичных и малых групп деталей.
Токарно-револьверные станки предназначены для обработки малых и больших групп деталей сложной формы из прутка или штучных заготовок, требующих применения большого числа наименований инструмента.
Токарно-карусельные станки предназначены для обработки разнообразных по форме деталей, у которых диаметр намного больше длины. Эти станки отличаются от других токарных станков вертикальным расположением оси вращения планшайбы, к которой крепится обрабатываемая деталь.
Токарные автоматы предназначены для обработки деталей из прутка, а токарные полуавтоматы – для обработки деталей из прутка и штучных заготовок.
Металлорежущие станки отечественного производства имеют цифровое обозначение моделей. Первая цифра в обозначении модели показывает к какой технологической группе относится станок: 1 – токарные станки, 2 – сверлильные и расточные станки; 3 – шлифовальные станки и т. д. две последние цифры определяют технические параметры станка: высоту центров над станиной для токарного станка, наибольший диаметр обрабатываемого прутка для токарно-револьверного станка и т. д. Наличие буквы между цифрами указывает на произведенную модификацию станка. Буква (Н, П, В, А, С) в конце цифрового обозначения модели определяет точность станка. Различают станки нормальной точности — класс Н (в большинстве случаев не указывается) ; повышенной точности — класс П; высокой точности (прецизионные) — класс В; особо высокой точности — класс А и особо точные (мастер-станки) — класс С. Например, в обозначении токарно-винторезного станка модели 16К.20П цифра 1 обозначает группу токарных станков, цифра 6 — тип станка (токарно-винторезный), цифра 20 — высоту центров в см, буква К — модернизацию станка, буква П — станок повышенной точности.
2.3 Классификация токарно-винторезных станков
Техническими параметрами, по которым классифицируют токарно-винторезные станки (смотри рисунок), являются наибольший диаметр D обрабатываемой детали или высота центров над станиной (равная 0,5D), наибольшая длина L обрабатываемой детали и масса станка.

Устройство токарно-винторезного станка: 1 – передняя бабка, 2 – суппорт, 3 – задняя бабка, 4 – станина, 5 и 9 – тумбы, 6 – фартук, 7 – ходовой винт, 8 – ходовой валик, 10 – коробка подач, 11 – гитары сменных шестерен
Ряд наибольших диаметров обрабатываемой детали имеет вид: D = 100, 125, 160, 200, 250, 320, 400, 500, 630, 800, 1000, 1250, 1600, 2000 и далее до 4000 мм. Наибольшая длина L обрабатываемой детали определяется расстоянием между центра ми станка. При одном и том же D изготавливают станки для обработки коротких и длинных деталей.
По массе токарные станки делят на легкие — до 500 кг (D = 100-200 мм), средние — до 4 т (D = 250-500 мм), крупные — до 15 т (D = 630-1250 мм), тяжелые — 400 т (D = 1600-4000 мм).
Легкие токарные станки применяют в инструментальном производстве, приборостроении, часовой промышленности, в экспериментальных и опытных цехах. Эти станки выпускаются с механической подачей и без нее.
На средних токарных станках выполняют 70—80 % общего объема токарных работ. Станки этой группы предназначены для выполнения чистовой и получистовой обработки, нарезания резьб. Станки имеют высокую жесткость, достаточную мощность и широкий диапазон частот вращения шпинделя и подач инструмента, что позволяет обрабатывать детали с применением современных прогрессивных инструментов из твердых и сверхтвердых материалов. Предусмотрено также оснащение станков различными приспособлениями для расширения их технологических возможностей, облегчающих труд рабочего и повышающих качество обработки. Станки имеют достаточно высокий уровень автоматизации.
Крупные и тяжелые токарные станки предназначены в основном для тяжелого и энергетического машиностроения и других отраслей. Станки этого типа менее универсальны, чем станки среднего типа, и приспособлены в основном для обработки определенных типов деталей (валков прокатных станов, железнодорожных колесных пар, роторов турбин и др.).
2.4 Элементы резцов
2.4.1 Основные положения
Среди многих способов обработки металлов резанием важное место занимает обработка резцом. Резцы делят на три основные группы: токарные, строгальные и долбежные.
Токарные резцы используют на токарных (или подобных им) станках для получения из заготовок деталей с цилиндрическими, коническими, фасонными и торцовыми поверхностями, образующимися в результате вращения заготовки и перемещения резца; подобный процесс принято называть точением. В общем парке металлорежущих станков токарные станки (включая токарные полуавтоматы и револьверные станки) составляют около 35%, поэтому токарные резцы являются наиболее распространенными и к тому же наиболее простым видом режущего инструмента.
Резец состоит из головки, т. е. рабочей части, и тела, или стержня (рисунок 1),-служащего для закрепления резца в резцедержателе. Головка резца образуется при специальной заточке (на заточных станках) и имеет следующие элементы: переднюю поверхность, задние поверхности, режущие кромки и вершину.

Рисунок 1. Элементы резца
Передней поверхностью называются поверхность резца, по которой сходит стружка. Задними поверхностями называются поверхности резца, обращенные к обрабатываемой заготовке (главная и вспомогательная).
Режущие кромки образуются при пересечении' передней и задних поверхностей.
Главная режущая кромка (лезвие) выполняет основную работу резания. Она образуется от пересечения передней и главной задней поверхностей.
Вспомогательная режущая кромка (лезвие) образуется от пересечения передней и вспомогательной задней поверхностей. Вспомогательных режущих кромок может быть две (например, у отрезного резца).
Вершина резца — это место сопряжения главной и вспомогательной режущих кромок; при криволинейном сопряжении режущих кромок вершина имеет округленную форму с радиусом r.
По направлению подачи резцы разделяются на правые и левые. Правыми резцами называются такие, у которых при наложении на них сверху ладони правой руки (так, чтобы четыре пальца были направлены к вершине) главная режущая кромка оказывается расположенной на стороне большого пальца. При работе такими резцами, на токарном станке они перемещаются справа налево (от задней бабки к передней). Левыми резцами называются такие резцы у которых при наложении ладони левой руки (как указано выше) главная режущая кромка оказывается расположенной на стороне большого пальца.
По форме и расположению головки относительно стержня резцы разделяются на прямые, отогнутые изогнутые и с оттянутой головкой.
У прямых резцов ось прямая; у отогнутых резцов головка резца в плане отогнута в сторону; у изогнутых резцов ось резца изогнута уже в боковой проекции; у резцов с оттянутой головкой головка уже тела резца; она может быть расположена как симметрично относительно оси тела резца, так и смещена относительно ее; головка может быть прямой, отогнутой, и изогнутой.
Высотой головки резца h называется расстояние между вершиной резца и опорной поверхностью, измеренное перпендикулярно к ней. Высота головки считается положительной, когда вершина резца выше опорной поверхности, и отрицательной, когда вершина резца ниже опорной поверхности.
Длиной головки резца l называется наибольшее расстояние от вершины резца до линии выхода поверхности заточки, измеренное параллельно боковой стороне тела резца.
На обрабатываемой заготовке различают обработанную поверхность и поверхность резания. Обработанной поверхностью называется поверхность, полученная после снятия стружки. Поверхностью резания называется поверхность, образуемая на обрабатываемой заготовке непосредственно главной режущей кромкой.
2.4.2 Геометрические параметры режущей части резцов
Режущая часть резца имеет форму клина, заточенного под определенным углом. Для определения углов резца устанавливаются исходные плоскости: плоскость резания и основная плоскость.
Плоскостью резания называется плоскость, касательная к поверхности резания и проходящая через главную режущую кромку; на рисунке 3 показан след этой плоскости.
Основной плоскостью называется плоскость, параллельная продольному (параллельно оси заготовки) и поперечному (перпендикулярно к оси заготовки) перемещению. У токарных резцов с призматическим телом за эту плоскость может быть принята нижняя (опорная) поверхность резца.
Главные углы резца измеряются в главной секущей плоскости, т. е. в плоскости, перпендикулярной проекции главной режущей кромки на основную плоскость. К главным углам резца относятся задний угол, угол заострения, передний угол и угол резания (см. рис. 3).

Рисунок 3. Поверхности заготовки и углы резца.
Главным задним углом
называется угол между касательной к главной задней поверхности резца в рассматриваемой точке режущей кромки и плоскостью резания. При плоской задней поверхности резца можно сказать, что
— угол между главной задней поверхностью резца и плоскостью резания. Задние углы уменьшают трение задних поверхностей инструмента о поверхность резания и обработанную поверхность.
Углом заострения
называется угол между передней и главной задней поверхностями резца.
Главным передним углом
называется угол между передней поверхностью резца и плоскостью, перпендикулярной плоскости резания проходящей через главную режущую кромку. Он может быть положительным (+
), когда передняя поверхность направлена от плоскости, перпендикулярной плоскости резания (см. рис. 3, I); равным нулю, когда передняя поверхность перпендикулярна к скости резания (см. рис. 3,II), и отрицательным (-
), когда передняя поверхность направлена вверх от плоскости, перпендикуляной плоскости резания (см. рис. 3,III). Положительный перед-угол делается для облегчения процесса резания (стружкообразования) и более свободного схода стружки по передней поверхно-1. Однако на практике угол +
не всегда оказывается лучшим, и приходится уменьшать (до 0, а иногда делать и отрицательным).
Углом резания
называется угол между передней поверхностью резца и плоскостью резания.
Кроме рассмотренных главных углов, резец характеризуется углами: вспомогательными задним и передним в плане и наклона главной режущей кромки (рис. 3 и 4).

Рисунок 4. Углы наклона главной режущей кромки резца.
Вспомогательным задним углом
называется угол между вспомогательной задней поверхностью и плоскостью, проходящей через вспомогательную режущую кромку перпендикулярно к основной скости. Вспомогательный задний угол измеряется во вспомогательной секущей плоскости, перпендикулярной проекции вспомогательной режущей кромки на основную плоскость. В этой же плоскости рассматривается и вспомогательный передний угол
.
Главным углом в плане
называется угол между проекцией главной режущей кромки на основную плоскость и направлением подачи. Угол
делается дли того, чтобы главная режущая кромка могла воздействовать на глубину срезаемого слоя; он влияет на износостойкость резца.
Вспомогательным углом в плане
называется угол между проекцией вспомогательной режущей кромки на основную плоскость направлением подачи; он делается для исключения трения на большей части вспомогательной режущей кромки.
Углом при вершине в плане
называется угол между проекциями режущих кромок на основную плоскость; в сумме
.
Углом наклона главной режущей кромки
называется угол, заключенный между режущей кромкой и линией, проведенной через вершину резца параллельно основной плоскости. Этот угол измеряется в плоскости, проходящей через главную режущую кромку перпендикулярно к основной плоскости (см. рис. 3 и 4). Угол наклона главной режущей кромки считается отрицательным, когда вершина резца является наивысшей точкой режущей кромки (рис. 4, а); равным нулю — при главной режущей кромке, параллельной основной плоскости (рис. 4, б), и положительным, когда вершина резца является наинизшей точкой режущей кромки (рис. 4, в). Угол
делается для изменения направления стружки; он влияет на прочность головки резца и режущей кромки.
Указанные углы резца, а также форма передней поверхности и форма режущих кромок относятся к геометрическим элементам режущей части инструмента, которые влияют на процесс резания металлов и его производительность.
2.4.3 Типы токарных резцов
По виду обработки токарные резцы делятся на проходные, подрезные, расточные, отрезные, прорезные, галтельные, резьбовые и фасонные.
Правый токарный проходной прямой резец с
=45° показан на рис. 5, а, а правый токарный проходной отогнутый резец с
=45° — на рис. 5, б. Проходные резцы применяют для обработки заготовки вдоль оси (рис. 5, а и б, поз. I) и для подрезки торца (рис. 5, б, поз. II). К проходным резцам относится и резец, показанный на рис. 6, а, называемый проходным упорным. Его используют при продольном точении с одновременной обработкой торцовой поверхности, составляющей с цилиндрической поверхностью прямой угол.

Рисунок 5. Токарные проходные резцы, оснащенные пластинками твердого сплава: а – прямой; б – отогнутый
Подрезные резцы (рис. 6, б) применяют для обработки поверхностей заготовки в направлении, перпендикулярном или наклонном к оси вращения. Для подрезания торца (с поперечной подачей) может быть использован и проходной упорный резец (рис. 6, а), для чего его необходимо повернуть на некоторый угол с целью образования вспомогательного угла в плане
.
Токарный расточной резец для обработки сквозных отверстий (угол
=60°, угол
=30°) приведен на рис. 7, а, а для обработки глухих отверстий (в упор) — на рис. 7, б. Отрезной резец, применяемый для отрезки (разрезки) заготовки, изображен на рис. 8. Прорезные резцы аналогичны отрезным, но имеют длину режущей кромки b, соответствующую ширине прорезаемого паза (канавки). Галтельные резцы применяют для протачивания закругленных канавок (рис. 9, I) и переходных поверхностей.

Рисунок 6. Токарные резцы а – проходной упорный; б – подрезной (торцовый)

Рисунок 7 Токарные расточные резцы, оснащенные пластинками твердого сплава: а – для обработки сквозных отверстий; б – для обработки глухих отверстий
Резьбовыми резцами нарезают наружную (рис. 9, II) и внутреннюю резьбу.Фасонные резцы используют для обработки фасонных поверхностей (рис. 9, III).

Рисунок 8 Токарный отрезной резец, оснащенный пластинкой твердого сплава

Рисунок 9 Токарные резцы: I – галтельный; II – резьбовой; III - фасонный
2.5 Приспособления
2.5.1 Назначение приспособлений
Приспособления предназначены для расширения технологических возможностей станков, повышения их производительности и точности при обработке заготовок и облегчения условий работы на станке. По назначению приспособления для токарных станков можно разделить на три группы:
1) для закрепления обрабатываемых заготовок;
2) для закрепления режущего инструмента (вспомогательный инструмент);
3) специальные приспособления, расширяющие технологические возможности станков, т. е. позволяющие производить не свойственные им работы (фрезерование, сверление нескольких отверстий и т. д.).
Приспособления для закрепления режущего инструмента и заготовок должны обеспечивать быструю установку, надежность и правильность закрепления. Эти устройства должны быть удобны и безопасны в работе.
Приспособления, вспомогательный и режущий инструменты составляют технологическую оснастку станка.
2.5.2 Основные конструктивные элементы приспособлений
Деталь, закрепленная в приспособлении, должна быть лишена подвижности от начала до конца обработки. Требуемое неподвижное положение обеспечивается установочными и зажимными элементами, между которыми деталь устанавливается и закрепляется. Установочные элементы называют опорами, которые делят на основные и вспомогательные.
Основными называют неподвижные опоры (постоянные, регулируемые и плавающие), координирующие обрабатываемую деталь в приспособлении в трех взаимно перпендикулярных плоскостях.
В качестве постоянных опор при установке заготовок применяют опорные штыри. Регулируемые и плавающие опоры используют при установке заготовок на необработанные или грубо-обработанные поверхности, чтобы уменьшить деформацию нежестких заготовок.
Когда деталь устанавливают в приспособлении по необработанным и неточным поверхностям и если она может принять неправильное или неустойчивое положение, в местах приложения сил резания и сил зажима применяют вспомогательные (подвижные) опоры, которые подводят к детали после того, как деталь займет определенное положение на основных опорах. Число вспомогательных опор определяется конфигурацией и жесткостью обрабатываемой детали, направлением приложения сил резания и зажима.
Зажимные устройства, закрепляя заготовку в приспособлении, обеспечивают прилегание ее базовых поверхностей к основным и вспомогательным опорам приспособления с силой, способной противодействовать силам резания.
Заготовки с наружной цилиндрической поверхностью могут закрепляться в призмах, втулках и кольцах, а с внутренней цилиндрической поверхностью - на оправках и установочных пальцах. Наиболее часто применяют в приспособлениях винтовые зажимные устройства, которые отличаются простотой конструкции, надежностью, универсальностью и самоторможением.
2.5.3 Кулачковые патроны
На токарных станках применяют двух-, трех- и четырехкулачковые патроны. В двухкулачковых самоцентрирующих патронах закрепляют различные фасонные отливки и поковки, причем кулачки таких патронов часто предназначены для закрепления только одной детали. В трех-кулачковых самоцентрирующих патронах закрепляют детали круглой и шестигранной формы или круглые прутки большего диаметра. В четырехкулачковых самоцентрирующих патронах закрепляются прутки квадратного сечения, а в патронах с индивидуальной регулировкой кулачков — детали прямоугольной или несимметричной формы. Кулачковые патроны выполняются с ручным и механизированным приводом зажимов.
Наиболее распространен самоцентрирующий трехкулачковый патрон (рис. 1, а, б). Кулачки 1, 2, 3 перемещаются одновременно по спирали на диске 4, в витки которой заходят кулачки нижними выступами. На обратной стороне диска нарезано коническое колесо, сопряженное с тремя коническими зубчатыми колесами 5. При повороте ключом одного из колес 5 поворачивается диск 4, который с помощью спирали перемещает одновременно и равномерно все три кулачка по пазам корпуса 6 патрона. В зависимости от направления вращения колес 5 кулачки приближаются или удаляются от центра, соответственно зажимая или освобождая деталь. Кулачки изготовляют обычно трехступенчатыми, для повышения износостойкости их закаливают. Различают кулачки для закрепления заготовок по внутренней и наружной поверхностям. При закреплении заготовки по внутренней поверхности заготовка должна иметь отверстие, в котором могут разместиться кулачки.

Рисунок 1. Трехкулачковый самоцентрирующийся патрон
2.5.4 Центры
В зависимости от формы и размеров обрабатываемых деталей применяют центры различных типов (рис. 2, а—е). Угол при вершине рабочей части центра (рис. 2, а) обычно равен 60°. Конические поверхности рабочей и хвостовой части центра не должны иметь забоин, так как это приводит к погрешностям при обработке деталей. Диаметр опорной части 3 меньше меньшего диаметра хвостовой части конуса. Это позволяет выбирать центр из гнезда без повреждения конической поверхности хвостовой части.
Центр, показанный на рис. 2, б, служит для установки заготовок диаметром до 4 мм. У таких заготовок вместо центровых отверстий имеются наружные конические поверхности с углом при вершине 60°, который входит во внутренний конус центра, названный обратным. Если необходимо подрезать торец заготовки, применяют срезанный центр (рис. 2, в), который устанавливают только в пиноль задней бабки.
Центр со сферической рабочей частью (рис. 2, г) применяют в тех случаях, когда требуется обработать заготовку, ось которой не совпадает с осью вращения шпинделя станка.
Центр с рифленой рабочей поверхностью рабочей части (рис. 2, д) используют при обработке заготовок с большим центровым отверстием без поводкового "патрона.
В процессе обработки детали в центрах передний центр вращается вместе с ней и служит только опорой, а задний центр при этом неподвижен. Вследствие нагрева при вращении он теряет твердость и интенсивно изнашивается. Поэтому задний центр изготовляют из углеродистой стали с твердосплавной рабочей частью (рис. 2, г). При обработке с большими скоростями и нагрузками применяют задние вращающиеся центры (рис. 3). В хвостовой части 4 центра на опорах качения 2, 3, 5 вращается ось, на конце которой выполнена рабочая часть 1 центра.
2.5.5 Хомутики
Они предназначены для передачи вращения обрабатываемой детали, установленной в центрах станка. Хомутик надевают на обрабатываемую деталь и закрепляют винтом 1. Хвостовиком 2 хомутик упирается в палец поводкового патрона (рис. 4, а).
Более удобны в работе самозатягивающиеся хомутики. В таком хомутике хвостовик 2 закреплен в корпусе 5 подвижно на оси 4. Нижняя часть хвостовика 2, обращенная к детали, выполнена эксцентрично по отношению к оси 4 и имеет насечку (рис. 4, б). Для установки хомутика на деталь хвостовик 2 наклоняют в сторону пружины 3, которая создает предварительную затяжку детали хвостовиком. Окончательную затяжку в процессе обработки обеспечивает палец-поводок 1 патрона.

2.5.6 Цанговые патроны
Их применяют главным образом для закрепления материала в виде прутков или для повторного зажима заготовок деталей по предварительно обработанной поверхности. По конструкции различают цанговые патроны с втягиваемой выдвижной и неподвижной (рис. 5, а—в) цангами. По назначению цанги делят на подающие и зажимные.

Рисунок 5. Устройство цанговых патронов

Рисунок 6. Основные типы цанг для токарных станков: а – подающая, б – зажим со сменными вкладышами, в – зажимная цельная, г – зажимная разъемная, д – сменные вкладыши цанг, е – формы отверстий подающих и зажимных цанг.
Подающая цанга (рис. 6, а) представляет собой стальную закаленную втулку, имеющую три неполных разреза, образующих пружинящие лепестки, концы которых поджаты друг к другу. Форма и размеры отверстия подающей цанги должны соответствовать профилю прутка. Подающая цанга навинчивается на подающую трубу, которая получает осевое перемещение для подачи расположенного в ней прутка от привода. При загрузке станка пруток проталкивается между лепестками подающей цанги и раздвигает их. Лепестки прижимаются силой своей упругости к поверхности прутка. При перемещении подающей трубы лепестки подающей цанги под действием сил трения сжимаются и увеличивают силу сцепления при подаче прутка.
Зажимная цельная цанга может быть выполнена в виде втулки с 3 — 6 пружинящими лепестками (рис. 6, в). Цанга с тремя лепестками применяется при обработке заготовок до 3 мм, с четырьмя — до 80 мм и с шестью — свыше 80 мм. Угол при вершине конуса цанги обычно 30°.
На рис. 6, б показана зажимная цанга со сменными вкладышами. Перед обработкой прутка другого сечения ослабляют винты 3, устанавливают вкладыши 1 нужного профиля и размера, ориентируя их по штифтам 2.
Для обработки заготовок малого диаметра применяют зажимные разъемные цанги (рис. 6, г), у которых разведение кулачков обеспечивается пружинами. В некоторых случаях применяют разъемные цанги со сменными вкладышами (рис. 6, д), форма и размеры которых зависят от обрабатываемого прутка (рис. 6, е).
2.5.7 Способы закрепления заготовок на станке
Способ установки и закрепления заготовок на станке выбирают в зависимости от размеров, жесткости и требуемой точности обработки. Заготовки при l/d<4 (где l — длина обрабатываемой детали, d — ее диаметр) закрепляют в патроне, при 4 < l/d — в центрах или в патроне с поджимом задним центром, при l/d > 10 в центрах станка или в патроне и центре задней бабки с поддержкой люнетом.
Заготовку на токарном станке обрабатывают в центрах, если необходимо обеспечить концентричность обрабатываемых поверхностей при переустановке заготовки для последующей обработки в центрах на шлифовальном станке.
Заготовки закрепляют в центрах с применением токарных оправок 2 (рис. 7), которые устанавливают в предварительно обработанное отверстие заготовки. На среднюю часть оправки 2 (рис. 7, а), выполненную с малой конусностью (обычно 1:2000) и предварительно смазанную, устанавливают с натягом заготовку 1. Для создания натяга наносят легкие удары по торцу оправки молотком с медным наконечником или деревянной киянкой с тем, чтобы не повредить торцы оправки и центровые отверстия. Лыска 3 оправки служит опорой для болта, которым закрепляют хомутик. При базировании по этому способу положение всех обрабатываемых заготовок 4 вдоль оси оправки 1 не одинаково и зависит от отклонений размеров отверстия.

Рисунок 7 Токарные оправки (а, б, в, г, д)
Заготовку 1 можно закрепить на цилиндрической оправке 2 с помощью гайки 4 и быстросменной шайбы (рис. 7, б). Наружный диаметр гайки 4 обычно меньше посадочного диаметра оправки, что позволяет значительно сократить время на смену заготовки. При этом способе базирования точность обработки снижается, так как деталь устанавливается на оправку с зазором.
Когда отверстия заготовки имеют значительно большие отклонения диаметру, применяют разжимные (цанговые) оправки (рис. 7, в). Цанга 5 представляет собой втулку, внутренняя поверхность которой коническая, а наружная, предназначенная для базирования закрепляемой заготовки 1,— цилиндрическая.
Цангу 5 с заготовкой 1 перемещают и закрепляют на оправке 2 c гайкой 4, а освобождают противолежащей гайкой 6, предварительно ослабив гайку 4. Пружинящие свойства цанги 5 обеспечиваются наличием продольных прорезей с обоих торцов.
Шпиндельнуюоправку 2 (рис. 7, г) конусной поверхностью устанавливают в шпиндель станка. Заготовку 1 устанавливают на посадочную с прорезями цилиндрическую поверхность 7. Натяг между цилиндрической частью 7 оправки 2 и обрабатываемой заготовкой 1 создают болтом 8 с конической головкой.
Для закрепления деталей могут быть применены оправки с упругой оболочкой (рис. 7, д). Корпус оправки 2 крепится к фланцу шпинделя станка. На корпусе закрепляется втулка 9, канавки которой вместе с канавками корпуса образуют полости А, В, С, заполняемые гидропластом. При вращении винта 10 плунжер 11 перемещается, выдавливая гидропласт из полости С в полость А. Тонкая стенка втулки 9 под давлением гидропласта деформируется, увеличивая посадочный диаметр втулки и создавая натяг при закреплении заготовки 1. Упор 12 ограничивает перемещение плунжера 11, а пробка 13 закрывает отверстие, через которое выходит воздух при заполнении полостей оправки гидропластом.
Для заготовок при длине выступающей части из кулачков патрона более 2— 3 диаметров в качестве второй опоры используют задний центр (рис. 8). Предварительно закрепленную в патроне заготовку поджимают задним центром и окончательно зажимают кулачками патрона. Такой способ установки обеспечивает повышенную жесткость крепления заготовки и применяется преимущественно при черновой обработке.
При установке заготовок, у которых длина выступающей части из патрона составляет 12—15 диаметров и более, в качестве дополнительной опоры применяют неподвижные и подвижные люнеты.
Неподвижныйлюнет (рис. 9) устанавливают на направляющих станины станка и крепят планкой 5 с помощью болта и гайки 6. Верхняя часть 1 неподвижного люнета откидная, что позволяет снимать и устанавливать заготовки на кулачки или ролики 4 люнета, которые служат опорой для обрабатываемой заготовки и поджимаются к детали винтами 2, после установки заготовки винты 2 фиксируют болтами 3. На заготовке, в местах установки роликов люнета, протачивают канавку. Проточку обычно выполняют посередине заготовки.
Подвижный люнет (рис. 10) крепится на каретке суппорта и перемещается при обработке вдоль детали. Подвижный люнет имеет два кулачка, которые служат опорами для заготовки. Третьей опорой является резец.

Для обработки заготовок часто применяют планшайбы. Планшайба 2 представляет собой плоский диск, который крепится к фланцу 1, устанавливаемому на шпинделе станка (рис. 11, а). Рабочая поверхность планшайбы может быть выполнена с радиальными или концентрическими пазами. Обрабатываемые заготовки центрируют и закрепляют на планшайбах с помощью сменных наладок и прихватов.
Заготовку 4 типа кольца устанавливают на опорную втулку 3 и закрепляют шайбами 5 и 6 и винтом 8 с гайкой 7 при обработке наружных поверхностей, а при обработке внутренних поверхностей — прихватами 9.
На рис. 11, б показано закрепление заготовки 4 типа кронштейна. Ее устанавливают на угольнике 10 по центрирующим пальцам 11 и закрепляют откидным зажимом 12. Возникающий при этом дисбаланс устраняют противовесом 13. На рис. 11, в, г показано закрепление заготовок 4 (типа колец, крышек, фланцев и т.п.), которые крепятся к планшайбе 2 прихватами 9.

Рисунок 11 Примеры применения планшайб
2.5.8 Вспомогательный инструмент
Вспомогательный инструмент обеспечивает правильную установку и закрепление на станке режущего инструмента и во многом определяет точность и производительность токарной обработки.
На токарных станках резцы могут устанавливаться и закрепляться в специальных оправках, а сверла, развертки, метчики и плашки — в патронах, предохраняющих инструмент от поломок и обеспечивающих самоустановку инструмента по оси обрабатываемой детали и т. д.
Цилиндрические державки (рис. 12, а, б), устанавливаемые в отверстия револьверной головки, применяют при относительно тяжелых режимах резания. Они служат для крепления различных резцов прямоугольного и круглого сечений.
Хвостовая регулируемая державка с косым креплением резца (рис. 13) предназначена для станков с вертикальной осью вращения револьвер ной головки. Корпус 5 державки имеет направляющие пазы типа «ласточкин хвост», в которых перемещается каретка 1 с помощью регулировочного винта 3 со шкалой 4, каретка фиксируется зажимным винтом 2.

Байонетныедержавки состоят из байонетных патронов и оправок; применяют их главным образом для крепления разверток, которые получают возможность самоустанавливаться в процессе резания. Они позволяют быстро удалять и вставлять режущий инструмент с большим вылетом.
Упоры для ограничения подачи прутка или поворота револьверной головки бывают жесткие, регулируемые и откидные. Регулируемый упор состоит из втулки, в которую на нужную величину L завинчивают упор-винт и фиксируют его гайкой. Жесткие упоры отличаются тем, что величина L у них не регулируется. Откидные упоры обычно применяют в тех случаях, когда все гнезда револьверной головки заняты и крепятся к передней стенке станка.
2.6 Обработка заготовок на токарно-винторезных станках
Токарно-винторезный станок состоит из следующих узлов (рис. 1). Станина 2 с призматическими направляющими служит для монтажа узлов станка и закреплена на тумбах. В передней тумбе 1 смонтирован электродвигатель главного привода станка, в задней тумбе 12 — бак для смазочно-охлаждающей жидкости и насосная станция.

Рисунок 1. Схема токарно-винторезного станка.
В передней бабке 6 смонтированы коробка скоростей станка и шпиндель. Механизмы и передачи коробки скоростей позволяют получать разные частоты вращения шпинделя. На шпинделе закрепляют зажимные приспособления для передачи крутящего момента обрабатываемой заготовке. На лицевой стороне передней бабки установлена панель управления 5 механизмами коробки скоростей.
Коробку подач 3 крепят к лицевой стороне станины. В коробке смонтированы механизмы и передачи, позволяющие получать разные скорости движения суппортов. С левой торцовой стороны станины установлена коробка 4 сменных зубчатых колес, необходимых для наладки станка на нарезание резьбы.
Продольный суппорт 7 перемещается по направляющим станины и обеспечивает продольную подачу резцу. По направляющим продольного суппорта перпендикулярно к оси вращения заготовки перемещается поперечная каретка, на которой смонтирован верхний суппорт 9. Поперечная каретка обеспечивает поперечную подачу резцу. Верхний поворотный суппорт можно устанавливать под любым углом к оси вращения заготовки, что необходимо при обработке конических поверхностей заготовок.На верхнем суппорте смонтирован четырехпозиционный поворотный резцедержатель 8, в котором можно одновременно закреплять четыре резца. К продольному суппорту крепят фартук 10. В фартуке смонтированы механизмы и передачи, преобразующие вращательное движение ходового валика или ходового винта в поступательные движения суппортов. Задняя бабка 11 установлена с правой стороны станины и перемещается по ее направляющим. В пиноли задней бабки устанавливают задний центр или инструмент для обработки отверстий (сверла, зенкеры, развертки).
Корпус задней бабки смещается относительно основания в поперечном направлении, что необходимо при обтачивании наружных конических поверхностей. Для предохранения работающего от травм сходящей стружкой на станке устанавливают специальный защитный экран.
Обтачивание наружных цилиндрических поверхностей выполняют прямыми, отогнутыми или упорными проходными резцами с продольной подачей (рис. 2, а); гладкие валы, — при установке заготовки на центрах. Вначале обтачивают один конец заготовки, я затем ее поворачивают на 180° и обтачивают остальную часть
Ступенчатые валы обтачивают по схемам деления припуска на части (рис. 2, б) или деления длины заготовки на части (рис. 2,в).
Нежесткие валы рекомендуется обрабатывать упорными, проходными резцами, с главным углом в плане
= 90°. При обработке заготовок валов такими резцами радиальная составляющая силы резания Рy = 0, что снижает деформацию заготовок.

Рисунок 2. Схемы обработки заготовок на токарно-винторезном станке
Подрезание торцов заготовки выполняют перед обтачиванием наружных поверхностей. Торцы подрезают подрезными резцами c поперечной подачей к центру (рис. 2, г) или от центра заготовки. При подрезании от центра к периферии поверхность торца получается менее шероховатой.
Обтачивание скруглений между ступенями валов (рис. 2, д) выполняют проходными резцами с закруглением между режущими кромками по соответствующему радиусу с продольной подачей или специальными резцами с поперечной подачей.
Протачивание канавок (рис. 2, е) выполняют с поперечной подачей прорезными резцами, у которых длина главной режущей кромки равна ширине протачиваемой канавки. Широкие канавки протачивают теми же резцами сначала с поперечной, а затем с продольной подачей.
Сверление, зенкерование и развертывание отверстий выполняют соответствующими инструментами, закрепляемыми в пиноли задней бабки. На рис. 2, m показана схема сверления в заготовке цилиндрического отверстия.
Растачивание внутренних цилиндрических поверхностей выполняют расточными резцами, закрепленными в резцедержателе станка, с продольной подачей. Гладкие сквозные отверстия растачивают проходными резцами (рис. 2, з); ступенчатые и глухие — упорными расточными резцами (рис. 2, и).
Отрезку обработанных деталей выполняют отрезными резцами с поперечной подачей. При отрезке детали резцом с прямой главной режущей кромкой (рис. 2, к) разрушается образующаяся шейка и приходится дополнительно подрезать торец готовой детали. При отрезке детали резцом с наклонной режущей кромкой (рис. 2, л) торец получается чистым.
Обтачивание наружных конических поверхностей заготовок осуществляют на токарно-винторезных станках одним из следующих способов.
1. Широкими токарными резцами (рис. 3, а). Обтачивают короткие конические поверхности с длиной образующей до 30 мм токарными проходными резцами, у которых главный угол в плане равен половине угла при вершине обтачиваемой конической поверхности. Обтачивают с поперечной или продольной подачей. Способ используют при снятии фасок с обработанных цилиндрических поверхностей.
Поворотом каретки верхнего суппорта (рис. 3,б). При обработке конических поверхностей каретку верхнего суппорта повертывают на угол, равный половине угла при вершине обрабатываемого конуса. Обрабатывают с ручной подачей верхнего суппорта под углом к линии центров станка (sH). Обтачивают конические поверхности, длина образующей которых не превышает величины хода каретки верхнего суппорта. Угол конуса обтачиваемой поверхности любой.

Рисунок 3. Схемы обтачивания наружных конических поверхностей на токарно-винторезном станке
Смещением корпуса задней бабки в поперечном направлении (рис. 3, в). При обтачивании конических поверхностей этим способом корпус задней бабки смещают относительно ее основания в направлении, перпендикулярном к линии центров станка. Обрабатываемую заготовку устанавливают на шариковые центры. При этом ось вращения заготовки располагается под углом к линии центров станка, а образующая конической поверхности — параллельно линии центров станка. Обтачивают с продольной подачей резца длинные конические поверхности с небольшим углом конуса при вершине (2
< 8°).
С помощью конусной линейки (рис. 3, г). Корпус 3 конусной линейки закрепляют на кронштейнах на станине станка. На корпусе 3 имеется призматическая направляющая линейка 2, которую по шкале устанавливают под углом к линии центров станка. По направляющей перемещается ползун 1, связанный через рычаг с кареткой поперечного суппорта 4. Гайку ходового винта поперечной подачи отсоединяют от каретки суппорта. Коническую поверхность обтачивают с продольной подачей. Скорость продольной подачи складывается со скоростью поперечной подачи, получаемой кареткой поперечного суппорта от ползуна, скользящего по направляющей линейке. Сложение двух движений обеспечивает перемещение резца под углом к линии центров станка. Обтачивают длинные конические поверхности с углом при вершине конуса до 30—40°.
Обтачивание внутренних конических поверхностей выполняют широким резцом, поворотом каретки верхнего суппорта, с конусной линейкой. Часто внутренние конические поверхности обрабатывают специальными коническими зенкерами.
Обтачивание фасонных поверхностей заготовок с длиной образующей до 40 мм выполняют токарными фасонными резцами. По конструкции фасонные резцы делят на стержневые, круглые, призматические и тангенциальные. Фасонные поверхности этими резцами обтачивают только с поперечной подачей sП.
Фасонные поверхности на токарно-винторезных станках, как правило, обтачивают стержневыми резцами; резцами остальных видов обтачивают фасонные поверхности на токарных полуавтоматах и автоматах.
Стержневые резцы закрепляют в резцедержателе токарного станка (рис. 4, а), а круглые (рис. 4, б), призматические (рис. 4, в) и тангенциальные (рис. 4, г), — в специальных державках. В отличие от стержневых, круглых и призматических тангенциальные резцы устанавливают ниже линии центров станка так, чтобы каждая точка режущей кромки резца при поперечной подаче проходила касательно к соответствующей точке фасонной поверхности обрабатываемой заготовки. Резец, проходя под заготовкой, обрабатывает фасонную поверхность до требуемого размера, т. е. напроход.
Круглые, призматические и тангенциальные резцы выдерживают значительно большее число переточек, чем стержневые, при сохранении формы и размеров режущей кромки.
Длинные фасонные поверхности обрабатывают проходными резцами с продольной подачей с помощью фасонного копира, устанавливаемого вместо конусной линейки (рис. 4, д).
В серийном производстве для обработки фасонных поверхностей на токарных станках используют специальный гидрокопировальный суппорт вместо поперечного суппорта. Проходной резец имеет snp от продольного суппорта станка и srс от подвижной каретки гидросуппорта. Наклонную подачу суппорт получает от копира и следящего устройства гидросуппорта. Сумма sp движений обеспечивает движение резца по сложной траектории (рис. 4, е).

Рисунок 4. Схемы обтачивания фасонных поверхностей: 1 – продольный суппорт; 2 – поперечный суппорт; 3 - копир
Нарезание резьбы на токарно-винторезных станках выполняют резцами, метчиками и плашками. Форма режущих кромок резцов определяется профилем и размерами поперечного сечения нарезаемых резьб. Резец устанавливают на станке по шаблону. Резьбу (рис. 5, а) нарезают с продольной подачей резца sпp. При нарезании резьбы продольный суппорт получает поступательное движение от ходового винта и раздвижной маточной гайки, смонтированной в фартуке станка. Это необходимо для того, чтобы резец получал равномерное поступательное движение, что обеспечивает постоянство шага нарезаемой резьбы.
На токарно-винторезных станках нарезают метрические, дюймовые, модульные и специальные резьбы. Нарезание многозаходных резьб на токарно-винторезном станке требует точного углового деления обрабатываемой заготовки при переходе от одной нитки нарезаемой резьбы к другой.

Рисунок 5. Схемы нарезания однозаходной и многозаходной резьбы на токарно-винторезном станке.
Многозаходные резьбы нарезают следующими способами: поворотом заготовки на угол при использовании поводкового патрона с прорезями, в которые входит отогнутый конец хомутика, при повороте заготовки на угол винторезную цепь разрывают (выключают Маточную гайку); с использованием градуированного патрона, который позволяет одну часть патрона вместе с заготовкой повернуть относительно другой части на требуемый угол (рис. 5, б); смещением резца на шаг резьбы с помощью ходового винта верхнего суппорта; с использованием нескольких резцов со смещением их относительно друг друга в осевом направлении на величину шага нарезаемой резьбы.

Рисунок. Токарно-винторезный станок 16К20. Общий вид и размещение органов управления: 1 – станина, рукоятки: 2 – сблокированная управления, 3, 5, 6 – установка подачи или шага нарезаемой резьбы, 7 , 12 – управления частотой вращения шпинделя, 10 – установки нормального и увеличенного шага резьбы и для нарезания многозаходных резьб, 11 – изменения направления нарезания резьбы (лево- и правозаходной), 17 – перемещения верхних салазок, 18 – фиксации пиноли, 20 – фиксации задней бабки, 23 - включения ускоренных перемещений суппорта, 24 – включения и выключения гайки ходового винта, 25 – управления изменением направления вращения шпинделя и его остановкой, 26 – включения и выключения подачи, 28 – поперечного перемещения салазок, 29 – включения продольной автоматической подачи, 31 – продольного перемещения салазок; 4 – коробка подач, 8 – кожух ременной передачи главного привода, 9 – передняя бабка с главным приводом, 13 – электрошкаф, 14 – экран, 15 – защитный щиток, 16 – верхние салазки, 19 – задняя бабка, 21 – штурвал перемещения пиноли, 22 – суппорт продольного перемещения, 27 – кнопка включения и выключения главного электродвигателя, 30 – фартук, 32 – ходовой винт, 33 – направляющие станины.
| Техническая характеристика | |
| Наибольший диаметр обработки, мм: | |
| под станиной | 400 |
| над поперечным суппортом | 200 |
| Наибольший диаметр обрабатываемого прутка, мм | 50 |
| Расстояние между центрами, мм | 710, 1000, 1400, 2000 |
| Частота вращения шпинделя, об/мин | 12,5-1600 |
| Подача, мм/об: | |
| продольная | 0,05-2,8 |
| поперечная | 0,025-1,4 |
| Шаг нарезаемой резьбы: | |
| метрической, мм | 0,5-112 |
| дюймовой (число ниток на 1 '') | 56-0,5 |
| питчевой, питчей | 56-0,5 |
| модульной, (модуль, мм) | 0,5-112 |
| Мощность главного электродвигателя, кВт | 10 |
Список использованной литературы
1) Большая Советская Энциклопедия (в 30 томах). Том 11. Италия - Кваркуш /Глав. Ред. А. М. Прохоров. Изд. 3-е. – М.: «Советская Энциклопедия», 197 3. – 608 с.с илл.
2) Большая Советская Энциклопедия (в 30 томах). Том 13. Конда - Кун/Глав. Ред. А. М. Прохоров. Изд. 3-е. – М.: «Советская Энциклопедия», 1973. – 608 с.с илл.
3) Большая Советская Энциклопедия (в 30 томах). Том 18. Никко - Отолиты /Глав. Ред. А. М. Прохоров. Изд. 3-е. – М.: «Советская Энциклопедия», 1974. – 632 с.с илл.
4) Большая Советская Энциклопедия (в 30 томах). Том 29. Чаган – Экс-ле-бен /Глав. Ред. А. М. Прохоров. Изд. 3-е. – М.: «Советская Энциклопедия», 1978. – 640 с.с илл.
5) Марочник сталей и сплавов/ М. М. Колосков, Е. Т. Долбенко, Ю. В. Каширский и др.; Под общей ред. А. С. Зубченко – м.: Машиностроение, 2001. 672 с.: илл.
6) Стали и сплавы. Марочник: Справ. изд./ В. Г. Сорокин и др.; Науч. ред. В. Г. Сорокин, М. А. Гервасьев – М.: «Инструмент Инжиниринг», 2001 – 608 с., ил.
7) Технология конструкционных материалов: Учебник для машиностроительных специальностей вузов/ А. М. Дальский, И. А. Арутюнова, Т. М. Барсукова и др.; Под общ. Ред. А. М. Дальского. – 2-е изд., перераб. и доп. – М.:Машиностроение, 1985. - 448 с., ил.
8) ГОСТ 7505 – 89. поковки стальные штампованные. Допуски, припуски и кузнечные напуски – М.: Из-во стандартов, 1990. – 52 с.
9) А. А. Станкеев, М. Н. Бобков. Проектирование заготовок. Методические указания. – Тула, 1999. – 23 с., ил.
10) Аршинов В. А., Алексеев Г. А. Резание металлов и режущий инструмент. Изд. 3-е, перераб. и доп. Учебник для машиностроительных техникумов. М., «Машиностроение», 1975. – 440 с.: ил.
11) Большая Советская Энциклопедия (в 30 томах). Том 18. Никко - Отолиты /Глав. Ред. А. М. Прохоров. Изд. 3-е. – М.: «Советская Энциклопедия», 1974. – 632 с.с илл.
12) Технология конструкционных материалов: Учебник для машиностроительных специальностей вузов/ А. М. Дальский, И. А. Арутюнова, Т. М. Барсукова и др.; Под общ. Ред. А. М. Дальского. – 2-е изд., перераб. И доп. – М.:Машиностроение, 1985. - 448 с., ил.
13) Фещенко В. Н., Махмутов Р. Х. Токарная обработка: Учеб. для ПТУ. – 2-ое изд., перераб. и доп. – М.: Высш. шк., 1990. – 303с.: ил.
Похожие рефераты:
Технологический процесс изготовления вала насоса
Разработать технологический процесс обработки детали "Вал" в условиях среднесерийного производства
Устранение слабых сторон заводского технологического процесса
Расчет и проектирование дискового долбяка и участка инструментального цеха
Нарезание крепежной резьбы резцом
Разработка технологического процесса механической обработки заготовки "Ролик"
Анализ технологической операции изготовления гильзы цилиндра
Разработка маршрутной технологии изготовления вала-шестерни
Изготовление типовой детали "фланец"
Технология производства полумуфты - детали компрессора 16ГЦ2-340/25-56