| Похожие рефераты | Скачать .docx |
Реферат: Технология машиностроения
1. План изготовления детали. Назначения технологических допусков при выполнении операции
План изготовления детали разрабатывается на базе маршрутной технологии и служит основой для проектирования технологических операций.
План — это графически иллюстративный документ учебного характера, содержащий следующую информацию:
1. номера и названия всех технологических процессов, имеющих место при изготовлении детали в соответствии с принятым технологическим маршрутом ее изготовления.
2. наименование и предполагаемую модель оборудования, на котором выполняется конкретная технологическая операция
3. эскиз обработки заготовки
4. технические требования на выполнение операции
На эскизе заготовка должна быть изображена в рабочем положении обработки на станке, ее конфигурация должна соответствовать форме, которая получается после обработки на операции или ее отдельном этапе. Обработанные поверхности выделяются двойной контурной линией красного цвета.
На эскизах должны быть выполнены теоретические схемы базирования при выполнении технологических операций. При необходимости указываются номера поверхностей или осей, являющихся технологическими базами, с индексами операций на которых эти базы сформировались.
Указываются операционные размеры, предписанные к выполнению данной операции, установу, позиции. Операционные размеры обозначаются буквенными или буквенно-цифровыми символами с индексами операций.
Символы размеров берутся из схемы кодирования поверхностей. При необходимости используется латинский и греческий алфавит.
Технические требования на выполнение технологических операций включает в себя требования к шероховатости, технологические допуски на размер форму и взаимное расположение поверхностей.
При назначении технологических допусков на размеры на настроенном станке необходимо придерживаться следующих правил:
1. допуск на размер между измерительной базой и обработанной поверхностью ТАоп
складывается из статической погрешности получения размераωст
Аоп
, пространственных отклонений измерительной базы Δ
и погрешности базирования ε
от несовпадения технологической и измерительной баз:
ТАоп
=
ωст
Аоп
+
Δ
+ ε![]()
2. Допуск на размер Б между поверхностями, обработанными с одного установа включает в себя только величину статической погрешности
ТБоп = ωст Боп
3. операционные допуски на размеры 2Воп и 2Гоп замкнутых поверхностей складывается из статических погрешностей обработки этих поверхностей:
Т2Воп = ωст 2Воп , Т2Гоп = ωст 2Гоп
При обеспечении точности методом последовательных ходов и промеров операционные допуски равны или больше статистических погрешностей выполняемых размеров.
2. Служебное назначение деталей машин. Нормируемые показатели качества деталей машин. Классификация деталей машин но функциональному назначению
Машина - механизм или сочетание механизмов, осуществляющих определенные целесообразные движения для преобразования материалов, энергии, выполнения работ или же сбора, хранения или предачи информации.
Под служебным назначением машины понимают четко сформулированную задачу, для решения которой машина предназначена.
Служебное назначение машины обеспечивается ее качеством - совокупностью свойств определяющих соответствие ее служебному назначению и отличающее от других машин.
Показатели качества можно разделить на 3 группы :
1.Технический уровень, определяющий степень совершенства машины: мощность, КПД, производительность, точность, экономичность;
2.Технологичность конструкции, обеспечивающая оптимальные затраты труда и средств за весь период существования машины, начиная с ее изготовления.
3.Эксплутационные показатели: надежность долговечность, транспортабельность, экономическая характеристика, безопасность в работе, экологическое воздействие, эстетическая оценка.
Одним из важнейших показателей качества является точность, которая формируется на этапе производства.
В свою очередь точность машины определяется точностью изготовления и сборки узлов и деталей из которых состоит машина. Показатели точности этих элементов назначаются исходя из анализа их служебного назначения.
По функциональному назначению поверхности деталей подразделяются на:
1. Исполнительные - с помощью которых деталь выполняет свое служебное назначение
2.Основные конструкторские базы, которые определяют положение детали относительно других деталей, на которые она монтируется:
3.Вспомогательные конструкторские базы, определяющие положение деталей, присоединяемых к данной;
4.Свободные поверхности- все остальные, завершающие конструктивные формы детали.
3 Структура технологических операций. Дифференциация и концентрация операций. Последовательная и параллельная концентрация
Структура операции определяет содержание технологической операции и последовательность ее выполнения. В конечном итоге от структуры зависит время выполнения операции. Время выполнения операции определяется штучным временем, затрачиваемым на производство одной единицы продукции:
Тшт= То+Тв+Тп;
Где То - основное технологическое время затрачиваемое непосредственно на изменение состояния заготовки- время воздействия инструмента на заготовку;
Тв - вспомогательное время, затрачиваемое на выполнение вспомогательных переходов; ходов, управление оборудованием, контроль, смену инструмента.
Тп- потери на подготовку оборудования к работе, организованные перерывы.
Сумма основного и вспомогательного времени составляет оперативное время Топ:
Топ= То + Тв
Структура оерации определяется следующими признаками:
•Количеством заготовок одновременно устанавливаемых в приспособлении или на станке ( одно и многоместная)я;
•Количеством инструментов, используемых при выполнении операции (одно или многоинструментальная);
• Последовательностью работы инструментов при выполнении операции Выбор структуры зависит от серийности производства и принятого принципа
формирования технологического процесса и технологических операций.
После уточнения структуры технологической операции определяют ее составляющие элементы: установы, позиции, вспомогательные и технологические переходы, количество инструментов и последовательность выполнения.
Одну и ту же заготовку можно обработать разными способами. Технологический прцесс обработки заготовки может содержать небольшое количество операций с применением небольшого количества оборудования, однако эта же заготовка может быть обработана на большем числе станков с большим количеством операций. В первом случае количество переходов в операциях характеризует их сложность, насыщенность, т.е. степень концентрации.
Если количество переходов, выполняемых последовательно на станке, значительно, такую организацию работы называют последовательной концентрацией технологического процесса.
Если одновременно параллельно выполняют значительное число переходов в одной операции, то такую организацию работы называют параллельной концентрацией технологического процесса. Параллельная концентрация связана с использованием многоинструментальных станков ( многорезцовых, многошпиндельных.), что обеспечивает высокую производительность, применение таких станков экономично при большом выпуске изделий.
Если технологический процесс раздроблен на простейшие операции с небольшим числом переходов в каждой, то он называется дифференцированным технологическим процессом. Дифференциация применяется на отдельных этапах при недостаточном оснащении специальным оборудованием, отсутствии квалифицированных рабочих. В этом случае технологический процесс расчленен на простейшие операции, преимущественно однопереходные или двухпереходные.
4. Припуски и напуски на обработку. Методы определения припусков - табличный, расчетно-аналитический, с помощью операционных размерных цепей
Припуск - это слой металла, подлежащий удалению с поверхности заготовки в процессе обработки для получения готовой детали. Размер припуска определяют разностью между размером заготовки и размером детали по рабочему чертежу, припуск задается на сторону.
Припуски подразделяют на общие, удаляемые в течении всего процесса обработки данной поверхности, и межоперационные, удаляемые при выполнении отдельных операций. Величина межоперационного припуска определяется разностью размеров, полученных на предыдущей и последующих операциях.
К снимаемым в процессе обработки заготовки слоям материала относятся и напуски. Однако, причиной их появления является упрощение технологического процесса получения исходной заготовки за счет упрощения ее формы и создания специальных технологических элементов- уклонов и радиусов.
Установление оптимальных величин припусков имеет существенное технико-экономическое значение при разработке технологических процессов изготовления деталей машин.
В машиностроении широко применяют несколько методов определения припусков.
1. Табличный метод.
Позволяет получить значения операционных припусков по таблицам, составленных на основе обобщения и систематизации данных передовых предприятий.
Значения общих припусков приведены в стандартах на исходные заготовки - поковки, отливки.
Недостатком этого метода является то, что припуски назначают без учета конкретных условий построения технологических процессов: структур операций, особенностей работы оборудования, схем установки заготовки и размерных взаимосвязей в технологическом процессе. Опытно - статистические величины завышены, так как ориентированы на условия, где увеличенный припуск дает возможность избежать брака за счет удлинения технологического маршрута. Этот метод применим в условиях единичного и мелкосерийного производства, где не требуется углубленного анализа выполнения операций.
2. Расчетно-аналитический метод
Данный метод разработан В.М. Кованом. Согласно этому методу величина минимального припуска должна быть такой, чтобы при его снятии устранялись погрешности обработки и дефекты поверхностного слоя, полученные на предыдущих технологических переходах, а также погрешность установки заготовки, возникающая на выполняемом переходе.
Общая величина минимального промежуточного припуска Zmin равна:
![]()
Где i — индекс выполняемого технологического перехода;
- средняя высота неровностей поверхности после предшествующего перехода;
- глубина дефектного поверхностного слоя после предшествующего перехода;
- величина пространственных отклонений обрабатываемой поверхности относительно технологической базы, полученная на предыдущем переходе;
- погрешность установки заготовки;
Расчетно - аналитический метод следует применять в случаях, когда соблюдается принцип единства баз на всех операциях обработки поверхности.
3. Метод размерных цепей
Данный метод позволяет установить взаимосвязи операционных размеров, припусков, размеров детали и иных ее размерных параметров на всех стадиях обработки заготовки.
Технологический процесс обработки заготовки с размерами в продольном направлении А i -1 и Б i -1 включает операцию подрезки торцев 2 и 3 с выдерживанием операционных размеров Вi и Аi от технологической базы - торца 1 и операцию подрезки торца 1 с выдерживанием размера А i +1 от базы торца 3.На этих операциях снимаются припуски. Индексы 1,2,3 соответствуют номерам обрабатываемых поверхностей.
Величины припусков и размер Б являются замыкающими звеньями размерных цепей с уравнениями:
Задаваясь минимальными значениями припусков из условия устранения следов предыдущей обработки:
![]()
И используя уравнения погрешностей размерных цепей можно найти максимальное значение припусков:
,
Где ωZi – погрешность припуска.
,
Где ωАi – погрешности составляющих звеньев в правой части уравнений,
n – количество звеньев.

5. Типы машиностроительных производств, их сравнительная характеристика
В машиностроении в зависимости от программы выпуска изделий и характера изготовляемой продукции различают три основных типа производства:
• Единичное производство характеризуется широкой номенклатурой изготовляемых изделий и малым объемом их выпуска. На предприятиях с единичным типом производства применяют преимущественно универсальное оборудование с расположением его в цехах по групповому признаку (т.е. разбивкой на участки токарных, фрезерных, строгальных и т.д.) Технология производства характеризуется применением стандартного режущего инструмента и универсального измерительного инструмента.
• Серийное производство характеризуется ограниченной номенклатурой изделий, изготовляемых или ремонтируемых периодически повторяющимися партиями, и сравнительно большим объемом выпуска. В зависимости от количества изделий в партии или серии и значения коэффициента закрепления операции различают мелкосерийное, среднесерийное и крупносерийное производство.
Значение коэффициента закрепления операции - отношение числа всех различных технологических операций к числу рабочих мест. Для мелкосерийного производства принимают коэффициент 20-40, для среднесерийного 10-20, для крупносерийного 1-10.
На предприятиях серийного типа производства большая часть оборудования состоит из универсальных станков, оснащенных как специальным так и универсально-наладочными и универсально-сборными приспособлениями, что позволяет снизить трудоемкость и удешевить производство.
В условиях серийного производства оборудование располагается в последовательности технологического процесса для одной или нескольких деталей, требующих одинакового порядка обработки, со строгим соблюдением принципа взаимозаменяемости.
В серийном производстве применяют также переменно- поточную форму организации работ. Оборудование располагают по ходу технологического процесса. Обработку производят партиями, причем заготовки каждой партии могут несколько отличаться размерами или конфигурацией, но допускают обработку на одном и том же оборудовании.
• Массовое производство характеризуется узкой номенклатурой и большим объемом выпуска изделий, непрерывно изготовляемых или ремонтируемых в течении продолжительного времени. Коэффициент закрепления операций в этом типе производства равен 1. Оборудование располагается по ходу технологического процесса с широким применением специализированного и специального оборудования, механизацией и автоматизацией производственных процессов при строгом соблюдении принципа взаимозаменяемости. Высшей формой массового типа производства является производство непрерывным потоком.
При непрерывном потоке передача с позиции на позицию осуществляется непрерывно в принудительном порядке, что обеспечивает параллельное одновременное выполнение операций на всех операций на технологической линии. Квалификация рабочих низкая.
6. Определение припусков и операционных размеров расчетно-аналитическим методом при обработке вала на настроенном оборудовании. Структура минимального припуска на обработку
В условиях крупносерийного и массового производства используется этот метод. Настройка производится на минимальный диаметр для валов или на максимальный диаметр для отверстий.


7. Технологичность конструкций изделий. Качественные и количественные характеристики. ТКИ, приемы повышения ТКИ
Под технологичностью конструкции изделия (ТКИ) понимается совокупность свойств конструкции, которые обеспечивают изготовление, ремонт, техническое обслуживание изделия с наименьшими затратами при заданном качестве и принятых условиях изготовления, техобслуживания и ремонта.
Отработка изделия на ТКИ представляет собой одну из наиболее сложных функций технологической подготовки производства. Обязательность отработки на ТКИ на всех стадиях устанавливается гос. стандартами.
Различают технологичность:
• Производственную;
• Эксплутационную;
• При техническом обслуживании;
• Ремонтную;
• Заготовки;
• Детали;
• Сборочной единицы;
• По процессу изготовления;
• По форме поверхности;
• По размерам;
• По материалам;
ТКИ - комплекс требований, содержащий показатели, характеризующие технологическую рациональность конструктивных решений. Их можно разделить на две группы: качественные и количественные характеристики. К качественным показателям относятся:
• Взаимозаменяемость узлов и деталей;
• Регулируемость конструкции;
• Контролепригодность;
• Инструментальная доступность;
К количественным показателям относятся:
• Основные - трудоемкость изделия, технологическая себестоимость, уровень технологичности по трудоемкости, уровень по себестоимости;
• Дополнительные - относительные трудоемкости видов работ, коэффициент взаимозаменяемости, материалоемкость, энергоемкость, коэффициенты унификации, стандартизации, точности, шероховатости, и т.д.
Приемы повышения ТКН:
• Максимальная унификация и стандартизация конструктивных элементов детали;
• Возможность применения методов получения заготовок с наименьшими затратами;
• Конструкция детали должна обеспечивать возможность применения типовых технологических процессов ее изготовления;
• Наличие конструктивных элементов, обеспечивающих нормальную работу режущего инструмента ( вход и выход);
• Конструкция должна обеспечивать повышенную жесткость детали, чтообеспечивает ее обработку на повышенных режимах;
• Удобство установки заготовки при обработке ее поверхностей;
• Наличие конструктивных элементов, обеспечивающих автоматизацию заготовок на станках;
• Максимальное сокращение размеров обрабатываемых поверхностей;
• Возможность обработки наибольшего количества поверхностей с одного установа;
• Возможность одновременной обработки сразу нескольких поверхностей
• Возможность обработки на проход;
• Технические требования на чертеже не должны предусматривать, по возможности, особых методов и средств контроля.
8. Понятие производственного и технологического процессов (ТП). Виды ТП. Особенности проектирования группового ТП
Производственный процесс (ПП) - совокупность всех действий людей и орудий производства, необходимые на данном предприятии для изготовления или ремонта ваыпускаемых изделий.
Изделие - это любой предмет, подлежащий изготовлению на предприятии.
В зависимости от назначения изделия делят на изделия основного и вспомогательного производства.
Основное производство - выпускает изделия, предназначенные для реализации.
Вспомогательное производство - выпускает изделия, предназначенные для нужд основного производства.
Деталь- изделие, изготовленное из однородного по наименованию и марке материала, без применения сборочных операций.
Технологический процесс - часть производственного процесса б содержащая действия по изменению и последующему определению состояния предмета производства.
Технологические процессы изготовления изделий могут содержать составные части, различающиеся по методу исполнения:
• Формообразование;
• Обработка резанием;
• Термическая обработка;
• Сборка;
• Сварка;
• Электрохимическая и электрофизическая обработка;
• Окраска;
• Контроль качества продукции;
• Ремонт;
По целевому назначению разделяют на проектные, рабочие, перспективные и временные.
По степени универсальности бывают:
• Единичный технологический процесс - разрабатывается для изготовления или ремонта изделия конкретного наименования и типоразмера в определенных производственных условиях.
• Типовой технологический процесс — проектируют для изготовления в конкретных производственных условиях типового представителя группы изделий, обладающих общими конструктивно - технологическими признаками.
• Групповой технологический процесс - предназначен для изготовления или ремонта группы изделий с общими технологическими признаками на специализированных рабочих местах.
Классификационными признаками группы являются общность технологического оборудования и обрабатываемых поверхностей. По подробности описания ТП могут быть:
• Маршрутные - содержат перечень операций с указанием средств технологического оснащения и технико-экономических показателей.
• Маршрутно-операционные — то же что маршрутные, но с подробной разработкой документов на отдельные технологические операции;
• Операционные - то же что маршрутные, но с подробной разработкой технологических документов на все операции технологического процесса.
9. Схемы расположения припусков и операционных размеров при использовании метода последовательных ходов и метода обработки на настроенном оборудовании
В условиях крупносерийного и массового производства используется метод обработки на настроенном оборудовании. Настройка производится на минимальный диаметр для валов или на максимальный диаметр для отверстий.


При обработке в единичном и мелкосерийном производстве методом пробных ходов стремятся получить наибольшие предельные размеры, что обеспечивает отсутствие неисправимого брака, а также дает максимальный запас поля допуска детали на ее износ при эксплуатации.


10. Технологическая операция, установка, позиция, переход, ход. Вспомогательный переход, ход
Технологическая операция - это законченная часть технологического процесса, выполняемая на одном рабочем месте.
Технологическая операция является основной единицей производственного планирования и учета. На основе операций определяется трудоемкость изготовления изделий и устанавливаются нормы времени и расценок, определяется потребное количество рабочих, средств технологического оснащения.
Установ - часть технологической операции, выполняемая при неизменном закреплении заготовок или собираемых сборочных единиц. Обозначение установа А, Б, В, Г и т.д.
Позиция - фиксированное положение приспособления с неизменно закрепленной в нем заготовкой относительно рабочих органов оборудования для выполнения части технологической операции.
Технологический переход - законченная часть технологической операции, характеризуемая постоянством применяемого инструмента и поверхностей, образуемых при обработке или соединяемых при сборке. Сопровождается изменением состояния объекта производства.
Рабочий ход - законченная часть технологического перехода, состоящая из однократного перемещения инструмента относительно объекта производства, сопровождаемая изменением состояния объекта.
Вспомогательный переход - законченная часть технологической операции, состоящая из действий работника и оборудования. Не сопровождается изменением состояния объекта производства, но необходима для выполнения технологического перехода.
Вспомогательный ход- законченная часть технологического перехода, состоящая из однократного перемещения инструмента относительно объекта производства, и несопровождаемая изменением его состояния.
11. Алгоритм проектирования ТП изготовления деталей машин
1) анализ исходных данных; 2) поиск аналогов техпроцесса; 3) выбор исходной заготовки; 4) выбор технологических баз; 5) составление технологического маршрута обработки; 6) разработка технологических операций; 7) нормирование технологического процесса; 8) определение требований техники безопасности; 9) выбор оптимального варианта; 10) оформление техпроцесса.
12. Определение режимов резания при обработке (одно- и многоинструментальной)
Одноинструментная обработка .
1 ) Определяем глубину резания t по результатам расчета операционных припусков. При однопроходной обработке берем среднее значение припуска. Если два прохода, то за первый проход снимают 70% припуска, за второй – 30%.
2 ) Назначаем подачу s . Для обработки точением, сверлением, шлифованием определяют подачу на оборот заготовки So или инструмента, для фрезерования – подачу на зуб инструмента Sz .Sz = So / z , где z – число зубьев фрезы. При черновой обработке выбирают максимально допустимую подачу; при чистовой – в зависимости от требуемой точности и шероховатости обработки с учетом геометрических параметров режущей части инструмента. Определенную по нормативам или с помощью других методов (линейное программирование, симплекс-метод и т.д.) величину подачи необходимо согласовать с паспортными данными станка.
3 ) Определяем величину скорости резания v :
,
где значения коэффициентов определяем по справочникам.
4 ) Рассчитываем частоту n вращения заготовки или инструмента:
![]()
,
где v – скорость резания, м/мин; D – диаметр заготовки (инструмента) в мм.
5 ) Рассчитываем координатные составляющие усилия резания по формулам вида:
,
значения кроме t и S выбираем из справочных таблиц.
6) Проводим проверку режима резания по силовым и мощностным характеристикам станка. Для этого сравниваем полученное значение координатной составляющей Рx усилия резания, действующей в направлении подачи, с допустимым усилием воздействия на механизм подачи Рx доп .
Мощность резания:
Ne
=
, кВт или по иным зависимостям с проверкой
Ne ≤ Nдв η,
где Nдв – мощность двигателя привода главного движения станка, η – КПД привода.
В случае, если приведенные соотношения не выдерживаются, необходимо скорректировать выбранные значения подачи и скорости резания или произвести замену технологического оборудования.
Многоинструментная обработка.
В случае параллельной обработки глубину резания и подачу для каждого из инструментов выбирают из условия их независимой работы, т.е. по методике одноинструментной обработки. Затем определяют подачу блока инструментов – наименьшую технологически допустимую подачу из выбранных значений. Скорость резания определяется по предположительно лимитирующему инструменту. Ими могут быть инструменты, обрабатывающие участки наибольшего диаметра и наибольшей длины. Для нескольких предположительно лимитирующих инструментов находят коэффициенты времени резания:
λ=Lр/Lрх,
где Lр – длина резания отдельного инструмента, Lрх – длина рабочего хода всего инструментального блока.
Т=Тм/ λ,
где Тм – нормированная стойкость инструмента.
По найденным значениям стойкости Т находят скорости резания для каждого из предположительно лимитирующих инструментов. Фактически лимитирующим будет инструмент с наименьшей определенной скоростью резания. Это значение принимается для работы всего блока инструментов. Далее определяется частота вращения n и проводится ее корректировка по паспорту станка. Далее рассчитываем суммарные усилия резания и мощность.
13. Технически обоснованная норма времени на выполнение операции
Технологический процесс изготовления изделия должен выполняться с наиболее полным использованием технических возможностей средств производства при наименьших затратах времени и наименьшей себестоимости изделий. Для того чтобы оценить затраты времени необходимо вести нормирование техпроцесса, т.е. иметь данные по нормам времени. Такими нормами могут быть только технически обоснованные нормы времени – установленные для определенных организационно-технических условий на выполнение части технологического процесса, исходя из полного и рационального использования технических возможностей средств технологического оснащения и с учетом передового производственного опыта.
Аналитически-расчетный метод менее трудоемок по сравнению с аналитически-исследовательским , но менее точен, так как используются нормативы для типовых организационно-технических условий, которые не идентичны конкретным рассматриваемым.
При суммарном методе нормирования труда норма времени определяется на всю операцию без расчленения ее на элементы (как это было при аналитическом методе). Опытный метод основан на использовании опыта нормировщика или мастера. Статистический метод: статистические данные о выполнении норм на аналогичные работы в прошлом и расчет по укрупненным нормативам. Сравнительный метод: сравнение с выполнявшейся ранее аналогичной операцией.
На стадии проектирования следует применять расчетно-аналитический метод с последующей корректировкой норм времени при внедрении технологического процесса в производство.
Структура штучного времени . Технически обоснованную норму времени устанавливают на каждую операцию. В крупносерийном и массовом производствах рассчитывают норму штучного времени для производства одной детали:
Тшт =То+Тв+Тоб+Тпер,
где То – основное технологическое время (непосредственное воздействие инструмента на заготовку и изменение ее состояния), Тв – вспомогательное время, Тоб – время обслуживания, Тпер – время перерывов в работе.
То=
,
где Lрх – длина рабочего хода, i – число рабочих ходов, Sмин- минутная подача инстр.
Тв : установка и снятие заготовки, управление механизмами технологического оборудования, вспомогательные перемещения инструмента (подвод и отвод), измерение размеров заготовки.
Сумма основного и вспомогательного времени составляет оперативное время
Топ=То+Тв
Тоб =Ттех+Торг,
где Ттех – время технического обслуживания (смена инструмента, подналадка оборудования, правка инструм., до 6% от Топ), Торг – вр.организованного обслуж. (подготовка рабочего места к началу работы, уборка стружки, чистка, смазка, 0,6…8% от То).
Тпер : регламентируемый отдых и естественные потребности, до 2,5% от Топ.
Штучно-калькуляционное время. Применяется в мелко- и среднесерийном производствах, когда обработка заготовки идет периодически повторяющимися партиями:
Тш.к
=Тшт+
,
где Тпз – подготовительно-заключительное время (ознакомление с чертежом, получение и сдача средств тех. оснащения, сдача выполненной работы, пробная обработка).
На основе норм времени производится расчет загрузки рабочих мест, планирование подготовки производства, принимаются решения по организации производства. В частности в поточном производстве необходимо выдержать условие синхронизации операций: Тшт=кτв
Если после расчета норм времени выявлено невыполнение этого условия, то необходимо провести корректировку технологического процесса: применить оборудование, обеспечивающее прогрессивные структуры технологических операций, изменить режимы обработки.
14. Методы и способы получения исходных заготовок деталей. Выбор оптимального варианта получения заготовок
Рациональный выбор исходной заготовки имеет большое значение для улучшения технико-экономических показателей процесса изготовления детали. При выборе З необходимо решить следующие задачи: 1) установить метод и способ получения З; 2) определить припуски на обработку каждой поверхности; 3) рассчитать размеры З; 4) разработать чертеж З.
На выбор метода изготовления исходной З оказывают влияние: физические и технологические свойства материала детали (штампуемость, литейные качества, свариваемость, способность к полимеризации), конфигурация и размеры детали.
МЕТОДЫ: 1) литье (в песчано-глинистые формы; по выплавляемым моделям; в оболочковые формы; в кокиль; под давлением; центробежное литье); 2) обработка давлением (свободная ковка на молотах и прессах; в подкладных штампах; на радиально-ковочных машинах; штамповка на молотах; на мех. прессах; на гидро прессах; с последующей чеканкой; 3) резка из сортового и профильного проката; 4) комбинированные; 5) получение металлокерамических заготовок; 6) формообразование З из неметаллических материалов.
СПОСОБ получения З определяется технологическими особенностями процесса изготовления З (режим, оборудование) и его выбор зависит от типа производства, экономичности изготовления З. Окончательное решение по выбору способа изготовления З принимают на основании экономического расчета. Критерием оптимальности должна быть минимальная величина стоимости изготовления детали:
Сд=Сз+Смо-Сотх,
Где Сз – стоимость исходной заготовки; Смо – стоимость последующей мех. обработки; Сотх – стоимость отходов при мех. обработке.
Упрощенное сравнение альтернативных вариантов на начальном этапе технологического проектирования, когда неизвестна технология изготовления детали, основывается на укрупненном расчете затрат по справочникам. Допуски размеров, массы и припуски на мех. обработку назначаются по соответствующим ГОСТам. Припуски на мех. обработку могут быть рассчитаны аналитическим способом (более точно).
15. Установка заготовок на станке, ее этапы. Понятие измерительной, технологической, настроечной баз. Правило 6 точек, теоретическая схема базирования. Классификация технологических баз
Установка заготовки состоит из 3-х этапов: 1) базирование – ориентация заготовки в системе координат станочного приспособления или непосредственно на станке; 2) закрепление заг с целью сохранения положения, достигнутого при базировании; 3) установка приспособления (ориентация + фиксация) вместе с закрепленной в нем заготовкой относительно рабочих органов станка, несущих инструмент.
Измерительная база служит для определения положения элементов конструкций заготовок и деталей. ИБ могут быть поверхности, оси, точки от которых производится отсчет и контроль координирующих размеров и величин пространственных отклонений конструктивных элементов.
Технологические базы – поверхности, их сочетания, оси симметрии элементов, точки, принадлежащие заготовке и служащие для ее базирования при выполнении технологической операции.
Настроечная база служит для определения положения режущего инструмента ( для настроенного оборудования).
Правило шести точек. Для полного базирования заготовки, рассматриваемой как твердое тело, в приспособлении или непосредственно на столе станка необходимо и достаточно шести опорных точек, расположенных определенным образом на технологических базах заготовки.
Теоретическая схема базирования - схема расположения опорных точек на базовых поверхностях детали при совмещении заготовки с координатными плоскостями приспособления.


Классификация технологических баз

16. Правило единства баз. Погрешность базирования, характер ее проявления
Правило единства баз . При назначении технологических баз заготовки следует принимать в качестве технологических баз элементы детали, являющиеся измерительными базами.
В противном случае возникает εб - погрешность базирования по заданному размеру (это правило - для настроенного оборудования). εб численно равна погрешности размера, связывающего измерительную и технологическую базы при их несовпадении.
Рассмотрим операцию обработки паза на горизонтально-фрезерном станке. Цель операции – обработка паза с обеспечением точности размеров паза и точности размеров, определяющих его положение на заготовке. В частности, положение дна паза может быть задано как от пов-ти 1 размером Б, так и от пов-ти 2 размером С. Настройку положения фрезы целесообразно вести от настроечной базы приспособления, совпадающей с плоскостью, в которой расположены опорные точки 1, 2, 3, реализуемые опорными элементами приспособления. Настроечным является размер Сн.

Вариант 1 . Положение дна паза определяется размером Б. Измерительная база 1 не совпадает с технологической базой 2. Размер Б =А-С, а его погрешность
ωБ = ωА + ωСн
Вариант 2 . Положение дна паза задано размером С. Измерительная база 1 совпадает с технологической базой 1. Размер С формируется копированием размера Сн. В этом случае:
ωС = ωСн .
В варианте 1 погрешность ωБ размера Б увеличивается на величину погрешности ωА , связывающего базы. Возникает погрешность базирования εб = ωА
Для того чтобы заготовка сохраняла определенность базирования, необходимо силовое замыкание между базами заготовки и элементами станочного приспособления, т.е. закрепление заготовки. Однако при этом возникает некоторое смещение баз заготовки относительно положения, достигнутого при базировании, т.е. погрешность закрепления εз ; она определяется как колебание положения измерительной базы относительно настроенного на размер инструмента, возникающее вследствие смещения техн. баз заготовок при их закреплении.

Смещение происходит в рез-те деформаций З, установочных элементов и корпуса приспособления. Наибольшую величину составляют контактные упругопластические деформации «у» в стыке «база З – установочный элемент приспособления»:
εз =у=С. Qn . cosα ,
где С – коэф, характ. вид контакта, состояние материала и микрогеометрию (шерохов., волнистость) базовых пов-тей З и приспособления. Q – усилие, приходящееся на один опорный элемент; n – показатель степени, зависящий от характера деформаций.
εз носит случайный характер из-за колебаний усилия закрепления, твердости, шероховатости, волнистости базовых пов-тей З, состояния базовых пов-тей установочных элм приспособлений в процессе обработки партии З.
При установке приспособления с заготовкой относительно инструмента необходимо учитывать погрешность приспособления :
εпр = f( εизг ; εизн ; εус ) ,
где εус – погр. установки присп. на станке. При использовании одного ПР погрешность установки и изготовления – постоянные систематические величины, а погр. износа – сист. переменная величина. Эти погрешности устраняются настройкой станка. Если много ПР, то погр. приспособления – случайная величина:
εпр
=
;
Δεу
=
.
Погрешность установки – случайная величина.
17. Основные принципы формирования технологического маршрута изготовления деталей. Определение оптимальных маршрутов обработки отдельных поверхностей деталей
1) В начале маршрута выполняется подготовка чистовых технологических баз (ТБ).
2) Маршрут делится на две части: до и после упрочняющей термообработки
3) Черновая обработка разделяется с чистовой обработкой в пространстве (разные станки) и во времени. Причина: повышенный износ оборудования и снижение внутренних напряжений между черновой и чистовой операцией.
4) В особых случаях (нежесткие детали) между черновыми и чистовыми операциями следует вводить отжиг и нормализацию для снижения уровня внутренних напряжений, появившихся после черновой операции.
5) Чем точнее поверхность или легкоповреждаемая поверхность (резьба, зуб), тем позднее они должны быть обработаны окончательно. После операции абразивной обработки в тех. маршрут необходимо заложить операцию «мойка».
6) После операции, где возможно появление заусенцев необходимо ввести операцию «зачистка заусенцев».
В маршруте должны быть предусмотрены контрольные операции: промежуточная контрольная операция вводится после тех операций, где возможно появление брака.
На каждом из этапов присутствует несколько технологических операций. Содержание операций зависит от типа производства и использования принципа формирования маршрута: концентрации и дифференциации.
Выбор маршрутов обработки отдельных поверхностей. Задачей этапа является выбор последовательности методов обработки и числа технологических переходов, необходимых для экономичного превращения поверхностей заготовки в поверхности готовой детали. Исходными данными являются: материал детали и его состояние, требование точности, предъявляемые к поверхности, способ получения и точностные характеристики заготовки. Порядок выбора следующий: 1) для каждой из пов-тей необходимо определить метод (точение, фрезерование и т.д.) и вид (черновая, чистовая и т.д.) окончательной обработки. Это обусловит назначение окончательного технологического перехода, который обеспечит характеристики пов-ти, заданные конструктором; 2) назначить промежуточные методы и виды (технологические переходы) обработки каждой поверхности. Выбор промежуточных и окончательного способов обработки целесообразно осуществлять на основе таблиц статистических данных среднеэкономических показателей точности для различных способов обработки. Для получения требуемых показателей точности поверхности детали могут быть определены несколько вариантов тех. маршрута. Окончательное решение принимается с учетом следующих факторов:
1. конфигурации детали, которой принадлежит поверхность (тело вращения, корпусная, рычаг и др.)
2. габаритов детали, ее жесткости:
3. наличия технологического оборудования (для действующего производства);
4. необходимости обработки с одного установа технологических комплексов поверхностей – поверхностей, связанных друг с другом требованиями пространственного расположения ( как правило, основные и вспомогательные конструкторские базы);
5. экономических показателей вариантов – трудоемкости, себестоимости;
6. типа производства.
При назначении промежуточных способов обработки исходят из того, что каждый последующий способ должен повышать точность в среднем на один квалитет (степень). На черновых техн. переходах возможно повышение точности на 2-3 квалитета (степени).
18. Рациональная настройка на размер при выполнении обработки детали. Методы размерной настройки. Порядок настройки по эталону, по контрольным калибрам, по пробным деталям, взаимозаменяемые настройки
Размерная настройка заключается в согласованной установке РИ, рабочих органов станка, станочного приспособления с установленной в нем заготовкой в положение, которое с учетом явлений, происходящих при обработке, обеспечивает получение заданного размера или иного геометрического параметра в установленных пределах. Рациональная настройка должна обеспечивать требуемую точность обработки так, чтобы изменения и рассеяния размеров при обработке укладывались в технологический допуск.
Методы Р/настройки. В настоящее время применяются: статическая настройка; настройка по пробным заготовкам с помощью рабочего калибра и настройка с помощью универсального мерительного инструмента по пробным заготовкам.
Порядок настройки по эталону (статический метод настройки): 1)необходимое положение инструмента достигается доведением его режущих кромок до соприкосновения с соответствующими поверхностями эталона, установленного в приспособлении на месте заготовки.2) контроль положения инструмента относительно эталона производят с помощью металлических щупов, индикаторов.3) конечное положение суппорта с установленным инструментом фиксируется с помощью упора. 4) после закрепления инструмента суппорт отводят в исходное положение, эталон снимают и на его место устанавливают обрабатываемую заготовку. Многоинструментная технологическая наладка в крупносерийном и массовом производстве.
Порядок настройки по контрольным калибрам (динамический метод настройки): 1) методом пробных ходов и замеров максимально приблизить размер детали к калибру, 2)контрольная обработка 1-2 заготовок, 3) если размер находится в пределах поля допуска, то настройка считается верной. Массовое и крупносерийное производство.
Порядок настройки по пробным деталям (динамический метод настройки): 1) методом пробных ходов и замеров максимально приближают положение инструмента к настроечному, 2) обрабатывают партию заготовок с последующим измерением размеров деталей, 3) определяют фактический уровень настройки (среднее арифметическое), 4) определяют погрешность настройки как смещение центра группирования мгновенного поля рассеяния относительно размера настройки. 5) сравнивают величину погрешности настройки с заданным допуском. Допуск настройки – погрешность измерения и погрешность регулирования. 6) если погрешность находится в пределах допуска настройки, то настройка считается верной.
Взаимозаменяемые настройки.
При взаимозаменяемых настройках изношенные или вышедшие из строя по причине поломки режущие инструменты заменяют такими же без дополнительной поднастройки. Этот прием обеспечивает сокращение вспомогательного времени на замену инструмента и подналадку оборудования.
Постоянство настроечного размера достигается при неизменном координатном размере А с постоянными размерами инструмента L Р .
Базовый размер L Р после переточки в таком инструменте восстанавливается регулированием по концевым мерам или в специальном индикаторном приспособлении. Настройка инструмента на заданный размер осуществляется заблаговременно до установки его на станок, и поэтому она не снижает существенно производительности процесса обработки деталей.

19. Погрешности от износа инструмента и от упругих деформаций заготовки

Износ РИ происходит в результате высокого давления, температуры в зоне резания и скорости относительного перемещения контактных поверхностей инструмента и заготовки. Независимо от типа и назначения все инструменты изнашиваются по задней поверхности.
Площадка износа по задней поверхности, определяемая ее шириной h3 обусловливает появление размерного износа И в направлении, нормальном к обрабатываемой поверхности. Следствием этого является изменение настроечной глубины t Н и появление погрешности обработки ∆И из-за износа режущего инструмента. В рассматриваемом случае она составляет на диаметр величину ∆И = 2И.

Характерная кривая износа инструмента по задней поверхности в условиях работы, исключающих хрупкое разрушение инструмента, показывает, что в период начального износа (участок / ) происходит наиболее интенсивный износ. В это время происходит приработка режущего лезвия. Начальный износ ИН и продолжительность работы LН зависят от материалов инструмента и заготовки, режима резания и качества заточки инструмента. На участке // нормального износа, величина износа И// пропорционально пути резания L// . Интенсивность износа на этом участке принято оценивать относительным износом ИО :
ИО
=
=tgα.
Величина относительного износа зависит от условий выполнения процесса резания. В справочной литературе приведены данные по ИО (мкм/км) для различных видов и условий обработки. Установлено, что существует оптимальное значение скорости резания, при которой величина ИО минимальна. Увеличение подачи приводит к существенному росту ИО , увеличение глубины незначительно увеличивает ИО . При повышении жесткости станка износ РИ заметно снижается. Участок /// катастрофического износа инструмента сопровождается выкрашиванием режущего лезвия и поломками инструмента вследствие ослабления режущего клина и роста усилий и температуры резания, действующих на инструмент. Величина
∆ИН
=
,
где L – длина пути резания в прогнозируемый момент. Для точения
L=
,
где dи l- диаметр и длина обрабатываемой заготовки. So – подача на оборот. Погрешность износа ∆И является систематической закономерно изменяющейся в период стойкости РИ. Уменьшить величину погрешности износа можно путем повышения износостойкости инструментов: 1) оптимизацией геометрии РИ. 2) Применением спец. методов повышения износостойкости РИ (покрытия, ионная имплантация, лазерное и электроискровое легирование и т.д.). 3) Воздействием на зону резания с целью снижения ее физико-механических характеристик и, следовательно, уменьшением силовых и тепловых нагрузок на РИ.

Упругие деформации элементов замкнутой технологической системы СПИД возникают под действием усилия резания. В первую очередь будут иметь влияние деформации под действием радиальной составляющей РУ усилия резания (это при обтачивании диаметра). Ожидаемый (настроечный) диаметр детали: dН = dЗАГ -2tН , где tН – настроечная глубина резания. В процессе резания возникает радиальное усилие РУ , под действием которого и его реакции в радиальном направлении упруго деформируются элементы технологической системы на величины: УСУП – деформация суппорта; УЗАГ – деформация заготовки; УПБ – деформация шпиндельного узла (передней бабки). Эти деформации ведут к изменению глубины по сравнению с настроечной на величину
∆t= УСУП + УПБ + УЗАГ .
Фактическое значение диаметра детали dФ составит:
dФ = dЗАГ -2(tН – ∆ tН )= dЗАГ -2 tН +2∆ tН .
Возникает погрешность упругих деформаций элементов технологической системы ∆У, численно равная:
∆У = 2∆ tН =2(УПБ +УЗАГ +УСУП ). ∆У – случайная величина.
20. Погрешность от неточности оборудования. Суммарная погрешность обработки
Геометрические неточности станка вызывают отклонения размеров, формы и расположения обрабатываемых поверхностей. Эти погрешности полностью или частично переносятся на обрабатываемые заготовки в виде постоянных систематических погрешностей геометрических неточностей станка Δст . Например, в случае непараллельности «а» оси вращения заготовки траектории продольного перемещения суппорта с резцом (рис. 2.5, а) в горизонтальной плоскости возникает погрешность диаметра обтачиваемого цилиндра
Δ d = d + 2а.
![]()
Обработанная поверхность получает погрешность формы в продольном сечении в виде конусности.
При непараллельности оси вращения относительно направляющих в вертикальной плоскости обрабатываемая поверхность приобретает форму гиперболоида вращения, приращение радиуса Δ r которого составляет
Δ
r
=
![]() |
Передний центр «бьет», т. е. расположен эксцентрично относительно оси вращения шпинделя, ось заднего центра совпадает с осью вращения; ось обточенной поверхности не совпадает при этом с линией центров заготовки.

Рис. 2.6. Влияние биения переднего центра на точность обработки
Если заготовка обтачивается за две установки (с перевертыванием ее и перестановкой поводкового хомутика), то деталь получается двухосная. Так как угловое положение хомутика ничем не лимитировано, то в общем случае эти оси перекрещиваются, а в частном случае могут пересекаться под углом а = 180 - 2β , где угол β определяется из равенства sin β=а/ L .
Здесь а — смещение центра передней бабки; L - расстояние между центрами.
Износ рабочих поверхностей станков увеличивает первоначальную величину Δст вследствие изменения взаимного расположения отдельных узлов станков. Одной из важных причин является износ направляющих поверхностей.
Таким образом, суммарную погрешность Δст можно считать систематически изменяющейся величиной. Уменьшить ее влияние можно за счет повышения точности оборудования, изменения конструкции направляющих.
Суммарная погрешность механической обработки является следствием действия первичных элементарных погрешностей, рассмотренных ранее. Определение суммарных погрешностей отдельных операций технологического процесса механической обработки необходимо для правильного назначения технологических допусков при проектировании технологических процессов и анализа точности окончательных операций.
Суммарную погрешность ΔΣ или поле рассеяния выполняемого размера, можно выразить в общем виде функциональной зависимостью
ΔΣ =f(Δεу , ΔН , ΔСТ , ΔУ , ΔТ , ΔИ )
Если Δεу , ΔН , ΔСТ , ΔУ , ΔТ , ΔИ →min и независимы, то погрешности можно Σ по методу максимума-минимума.
ΔΣ =Δεу +ΔН +ΔСТ +ΔУ +ΔТ +ΔИ
- не учитывает реальных комбинаций и взаимосвязей элементарных погрешностей,
- дает завышенные значения погрешности.
- увеличение припусков.
При вероятностном методе суммирования первичные погрешности рассматриваются как случайные величины с определенными законами вероятностного распределения.

где ki – коэф относительного рассеяния первичных погрешностей.
Суммарная погрешность механической обработки будет равна
![]()
Часто при расчетах суммарной погрешности вместо коэффициентов ki используют величины λ i – относительные средние квадратичные отклонения i - тых погрешностей.
В этом случае суммарная погрешность
![]()
Δεу
, ΔН
, ΔУ
– распределение этих величин близко к нормальному ![]()
![]()
ΔСТ
, ΔТ
, ΔИ
– распределение подчиняется закону равной вероятности ![]()
.
21. Область применения станков с ЧПУ. Системы управления станками. Системы координат на станках с ЧПУ. Требования, предъявляемые к заготовкам, обрабатываемым на станках ЧПУ. Особенности проектирования
Область применения станков, технологические возможности. Станки с ЧПУ представляют собой автоматы или полуавтоматы, подвижные органы которых совершают рабочие и вспомогательные движения автоматически по заранее установленной управляющей программе (УП), записанной на программоносителе в цифровой форме. Основная область применения станков с ЧПУ — среднесерийное производство. Наибольший эффект применение станков с ЧПУ дает при обработке деталей со сложной конфигурацией при партии запуска более 15—20 штук.
Основные преимущества использования станков с ЧПУ:
1.повышение производительности труда за счет увеличения концентрации операций, сокращения временных затрат на переустановку, транспортировку заготовок;
2.обеспечение высокой точности обработки, т. к. процесс обработки автоматизирован и не зависит от квалификации станочника;
3.гибкость производства за счет быстрой переналадки оборудования;
4.уменьшение потребного количества оборудования;
5.снижение квалификации станочников;
6.возможность многостаночной работы.
К негативным явлениям, имеющим место при использовании станков с ЧПУ, можно отнести следующие:
1.высокая стоимость оборудования;
2.затраты на подготовку управляющих программ;
3.повышение затрат на эксплуатацию и ремонт оборудования;
4.высокая стоимость режущих инструментов.
Системы управления .
Современные станки с ЧПУ в зависимости от вида обработки могут иметь различные системы управления, реализующие движения рабочих органов.
Позиционные с цифровой индексацией (Ф1) обеспечивают перемещение рабочих органов в заданные точки без задания траектории перемещения. Перемещение происходит по двум или трем взаимноперпендикулярным направлениямпоследовательно. На световом табло такой системы непрерывно указываются численные значения координат подвижных органов станка. Часто система оборудуется пультом с панелью набора координат.
Позиционные системы без индикации (Ф2) или контурные прямоугольные представляют то же самое, что и вышеприведенные, однако не имеют устройств цифровой индексации и ввода данных.
Контурные системы (ФЗ) с линейными или круговыми интерполяторами обеспечивают движение рабочих органов станка одновременно по двум или трем координатам по заданной траектории.
Комбинированные системы (Ф4) сочетают в себе качества позиционных и контурных систем.
Кроме того, в обозначения моделей станков вводятся индексы, отражающие конструктивные особенности станка, связанные со сменой инструментов: Р - смена инструмента поворотом револьверной головки; М — автоматическая смена инструмента из магазина.
По числу управляемых движений (координат) системы ЧПУ могут быть двух-, трех-, четырех-, пяти- и многокоординатными. Количество управляемых координат является важной технологической характеристикой станка. Так, для токарных и шлифовальных достаточно двух; для сверлильных и расточных — трех, фрезерных - пяти управляемых координат.
Системы координат
Для программирования перемещений применяются два способа отсчета перемещений: абсолютный и относительный (в приращениях).
При абсолютном способе отсчета положение начала координат остается постоянным для всей траектории перемещений инструмента. На программоносителе записываются абсолютные значения координат опорных точек траектории. Для удобства программирования и настройки положение начала координат может быть выбрано в любом месте в пределах рабочих ходов подвижных органов («плавающий нуль»). При таком способе отсчета целесообразно применять координатный способ простановки размеров у обрабатываемых деталей, тогда операционные размеры совпадут с заданными чертежом.
В относительном способе отсчета координат за нулевое каждый раз принимается положение рабочего органа, которое он занимал перед началом очередного перемещения к новой опорной точке. В программу вводятся приращения координат при переходе от предыдущей к последующей опорной точке. Лучшим вариантом простановки размеров и детали в этом случае является цепочный. При этом накапливаются погрешности перемещений.
Точность обработки в значительной мере определяется тем, с какой точностью обеспечивается выход рабочих органов на заданные координаты — точностью позиционирования.
Режимы обработки могут изменяться при выполнении переходов или внутри отдельных переходов, что позволяет оптимизировать процесс обработки сложных поверхностей.
Разработка технологических операций
При проектировании технологической операции на станке ЧПУ особое внимание уделяют технологическим переходам. Для них разрабатывают траектории относительных рабочих и вспомогательных перемещений инструмента и заготовки, после чего приступают к программированию.
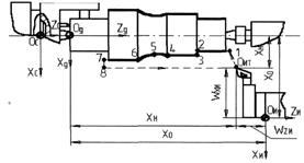
Основной системой координат, в которой осуществляются перемещения рабочих органов станка, является система координат станка (СКС). Расположение и обозначения осей координат, отвечающие направлениям независимых управляемых движений принимается в соответствии со стандартом ISO - R841. В основу положена ортогональная правая система координат с осями X, Y, Z. За положительные направления принимают такие, при которых инструмент и заготовка удаляются друг от друга. При этом ось Z совмещена с осью вращения инструмента или заготовки, а ось X всегда горизонтальна (рис. 5.2).

Рис. 5.2. Взаимосвязь систем координат токарного станка с ЧПУ
Положение нулевой точки станка («нуль станка») стандартами не установлено. Обычно нулевая точка совмещается с базовой точкой узла, несущего заготовку, зафиксированного в таком положении, чтобы все перемещения рабочих органов станка в СКС описывались положительными координатами. Базовыми точками служат: для шпинделя - точка пересечения торца шпинделя с осью вращения; для крестового стола — точка пересечения его диагоналей; для поворотного' стола - точка пересечения плоскости с осью вращения стола и т.д.
Система координат детали (СКД) служит для задания координат опорных точек траектории относительного движения инструмента. Опорными точками называют точки начала, конца, пересечения или касания геометрических элементов, из которых образованы линии контура детали и траектории движения инструментов. СКД выбирает технолог по следующим рекомендациям:
— начало СКД - «нуль детали» следует располагать так, чтобы большинство опорных точек имели положительные координаты;
—координатные плоскости должны быть совмещены или параллельны технологическим базам заготовки;
—направление осей должно быть таким же, как и в СКС;
—координатные оси СКД необходимо совмещать с осями симметрии заготовки или с возможно большим числом размерных линий.
Система координат инструмента (СКИ) предназначена для задания положения режущего лезвия инструмента относительно устройства, в которое он установлен. Оси СКИ параллельны и направлены в туже сторону, что и оси СКС. Начало СКИ («нуль инструмента») выбирают с учетом особенности установки и настройки инструмента на станке: в базовой точке инструментального блока, суппорта, шпинделя.
Вершина инструмента, точка на оси инструмента, являющиеся настроечными точками, используются в качестве расчетных при вычислении траектории инструмента.
Положение исходной точки траектории выбирается с учетом удобства установки заготовки и смены инструмента.
Положение нуля детали может быть перенесено в любую точку («плавающий нуль»), в том числе и за пределы контура детали, если это облегчит процесс программирования или повысит точность получения размеров.
Координаты вершины инструмента Wz и Wx при наладке могут не выдерживаться, если возможно «обнуление», т.е. фиксация вершины инструмента в СКС с помощью специальных датчиков фиксации.
При определении состава токарной операции по числу и последовательности переходов контур детали делят на зоны. Можно выделить два вида зон: выборки массивов материала и контурные. Для удаления напусков из зон массивов следует применять типовые схемы траекторий обработки и постоянные типовые циклы, имеющиеся в программном обеспечении станков с ЧПУ.
На станках с ЧПУ выгодно обрабатывать детали сложной конфигурации, которая требует большого количества технологических переходов и переходов с контурной обработкой. К основным требованиям технологичности конструкции заготовки относ:
- стандартизация и унификация элементов конструкции;
- упрощение геометрических форм;
- максимальная инструментальная доступность;
22. Технологическое обеспечение качества изделий машиностроения
Качество продукции — совокупность свойств продукции, обуславливающих ее пригодность удовлетворять определенные потребности в соответствии с ее назначением.
Свойства, составляющие качество продукции, характеризуются непрерывными или дискретными величинами, называемыми показателями качества продукции. Они могут быть абсолютными, относительными, удельными.
Показатель качества продукции, характеризующей одно ее свойство, называется единичным, два свойства и более - комплексным. Относительная характеристика качества продукции, основанная на сравнении ее с соответствующей совокупностью базовых показателей, называется уровнем качества продукции. При оценке уровня используются как технические так и экономические данные.
Важный элемент в управлении качеством продукции - установление обоснованных заданий на выпуск продукции с определенными значениями показателей, которые должны быть достигнуты за определенный период времени.
Задания и мероприятия по повышению качества продукции разрабатываются с учетом результатов анализа выпускаемой продукции, исходя из основных направлений развития отраслей, прогнозов технического прогресса, требований прогрессивных стандартов.
Качество машин характеризуется рядом показателей:
1)технический уровень (мощность, кпд, производительность)
2)производственно - технологические показатели (затраты и средства на изготовление, эксплуатацию, тех. обслуживание и ремонт)
3)эксплуатационные показатели (надежность изделия, эргономическая характеристика, эстетическая оценка)
При оценке качества изделия следует учитывать степень его патентной чистоты.
23. Методы достижения точности при сборке
При выполнении сборочных работ возможны ошибки во взаимном расположении деталей и узлов, их повышенные деформации, несоблюдение в сопряжениях необходимых зазоров или натягов.
Погрешности сборки вызываются рядом причин: отклонением размеров, формы и расположения поверхностей сопрягаемых деталей; несоблюдения требований к качеству поверхностей деталей; неточной установкой и фиксацией элементов машины в процессе ее сборки; низким качеством пригонки и регулирования сопрягаемых деталей; несоблюдение режима сборочной oпeрации; геометрическими неточностями сборочного оборудования и тех. оснастки; неправильной настройкой оборудования. Точность сборки можно решить с использованием анализа размерных цепей собираемого изделия. Достичь необходимой точности сборки — значит получить размер замыкающего звена размерной цепи, не выходящей за пределы допускаемых отклонений. Также точность сборки может быть обеспечена методами полной взаимозаменяемости , неполной (частичной) взаимозаменяемости, групповой взаимозаменяемости, регулирования и пригонки.
Сборка методом полной взаимозаменяемости может быть осуществлена, если допуск замыкающего звена рассчитывают по предельным значениям допуска на размеры составляющих звеньев. Метод целесообразен в серийном и массовом производстве при коротких размерных цепях и отсутствии жестких допусков на размер замыкающего звена.
Сборка методом неполной (частичной) взаимозаменяемости заключается в том, что допуски на размеры деталей, составляющие размерную цепь, преднамеренно расширяют для удешевления производства. Метод целесообразен в серийном и массовом производствах для многозвенных цепей.
Сборка методом групповой взаимозаменяемости заключается в том, что детали изготавливают с расширенными полями допусков, а перед сборкой сопрягаемые детали сортируют на размерные группы для обеспечения допуска посадки.
Сборка методом регулирования заключается в том, что необходимая точность размера замыкающего звена достигается путем изменения размера заранее выбранного компенсирующего звена. Метод целесообразен в мелкосерийном производстве.
Сборка методом пригонки заключается в достижении заданной точности сопряжения путем снятия с одной из сопрягаемых деталей необходимого слоя материала шабрением, притиркой или другим способом. Метод трудоемок и целесообразен в единичном и мелкосерийном производстве.
24. Статистическая оценка точности с помощью построения кривых распределения размеров
Основным требованием, предъявляемым к техпроцессам, является обеспечение заданной точности изготовления деталей. Поэтому при проектировании техпроцесса необходимо знать, какую точность обеспечивают те или иные методы обработки. Существуют два метода расчета точности :
Аналитический метод требует исследования всех первичных погрешностей обработки. В силу своей сложности его применяют в отдельных случаях.
Статистический метод основан на теории вероятности и математической статистике, позволяющих установить закономерность погрешностей.
Все погрешности, возникающие при мех. обработке, делят на две группы: Систематические , возникающие от действия определенных факторов и имеющие закономерный характер (ошибки шага винта, наладка и т. д.) Случайные , возникающие по многим причинам и не имеющие определенной закономерности (неточности закрепления, твердость заготовок и т. д.) Пользуясь методами математической статистики, можно установить закономерность как случайных, так и систематических погрешностей, возникающих при обработке. Производят измерение фактических размеров деталей всей партии. По полученным данным строят кривую распределения. При небольшом числе деталей в партии построение кривой ведут по полученным размерам деталей. Для крупной партии разность между наибольшим и наименьшим фактическими размерами измерений деталей разбивают на равные интервалы и определяют число деталей, размеры которых находятся в пределах данного интервала.
Построение кривой распределения проводят: по оси абсцисс откладывают в выбранном масштабе поле рассеивания размеров или поле допуска, разделенное на принятое число интервалов, а по оси ординат — абсолютную чистоту. Поскольку в пределах каждого интервала находятся детали с разными размерами, то для построения точек кривой определяют среднее арифметическое значение данного интервала и из найденной таким образом точки восстанавливают перпендикуляр. После соединения точек получают ломаную линию. При увеличении числа деталей в партии ломаная линия приближается к плавной кривой, которая называется кривой распределения.
Исследования с помощью математической статистики позволяют:
-определить точность техпроцессов
-определить вероятность получения деталей с размерами в интервалах для допуска.
25. Статистическая оценка точности обработки с помощью точечных диаграмм
Метод основан на построении точечных диаграмм, характеризующих изменение контролируемого параметра точности в процессе обработки партии заготовок. По оси абсцисс откладывают номера i обработанных деталей в той последовательности, как они сходят со станка. По оси ординат в виде точек откладывают измеренные значения параметра Li Второй разновидностью точечных диаграмм являются диаграммы, где по оси абсцисс откладывают номера N мгновенных выработок деталей. Мгновенная выработка имеет объем m =5...20 деталей. По оси ординат на каждой вертикали откладывают значения параметра Li для деталей, входящих в мгновенную выработку. По точечным диаграммам можно определить момент времени, когда параметр L будет выходить за заданные пределы и вовремя провести переналадку станка на настроечный размер.
Точностная диаграмма , представляющая несколько измененную точечную диаграмму, позволяет провести количественную оценку точности технологической операции. Для этого определяют и наносят на диаграмму величины мгновенных полей рассеяния отдельных выборок, средние значения Lcp в выборках, границы допустимых значений Lср параметра L, значение настроечного размера Lh. Анализ точностной диаграммы позволяет выявить изменение во времени случайных и систематических факторов.
Управление по входным факторам:
-повышение точности геометрических параметров заготовок
-стабилизацию физико - механических характеристик и химического состава материала заготовок
-повышение геометрической точности и жесткости технологического оборудования и оснастки
-повышение точности размерной настройки
-применение износостойких инструментальных материалов
-оптимизацию условий выполнения операции
Управление по выходным параметрам основано на контроле этих параметров, создании управляющего воздействия на величины входных факторов и подналадки станка. Подналадкой станка называется процесс восстановления первоначальной точности взаимного расположения инструмента и обрабатываемой заготовки, нарушенного в процессе обработки заготовок. Управление по возмущающим воздействиям основано на контроле таких величин, как упругие деформации элементов технологической системы, температура в зоне обработки, мощность резания или одновременно комплекса параметров и использовании обратной связи с входными факторами. Наиболее часто возмущающим воздействием, используемым для регулирования, являются упругие деформации элементов технологической системы. Адаптивные системы, разработанные профессором Балакшин Б.С. уменьшают влияние упругих деформации в направлении выполняемого размера на суммарную погрешность обработки за счет стабилизации соответствующей координатной составляющей усилия резания.
26. Размерный анализ
Размерный анализ технологических процессов изготовления деталей машин включает специальные способы выявления и фиксации связей размерных параметров детали при ее изготовлении, а также методы расчета этих параметров путем решения размерных цепей.
Размерная схема представляет собой специальный технологический документ, в котором графически представляются параметры и иллюстрируются изменения размерных параметров по мере выполнения тех. процесса. Размерные схемы подразделяют:
-схема линейных размеров
-схема диаметральных размеров
-комбинированные (для расчета корпусных деталей)
-схемы отклонений расположения (для расчета пространственных отклонений).
Используя размерную схему выявляют размерные цепи.
Размерные цепи - последовательный ряд взаимосвязанных линейных и угловых размеров, образующих замкнутый контур и отнесенных к одной детали или группе деталей. В размерных цепях один из размеров называется замыкающим, а остальные - составляющими.Различают линейные, угловые, плоскостные, пространственные размерные цепи.
Размерный анализ, выполняемый с помощью технологических операционных размерных цепей, позволяет решить задачи:
-обеспечить проектирование оптимального тех. процесса и минимально необходимое число тех. операций.
-установить научно обоснованные операционные размеры и тех. требования на всех операциях, что позволит спроектировать тех. процесс с минимальны ми корректировками.
-установить минимально необходимые припуски, размеры заготовки, повысить коэффициент использования материала заготовки.
Графическое изображение размерных цепей в виде замкнутого контура, образуемого последовательно примыкающими друг к другу размерами, называется схемой размерных цепей .
Уравнение размерной цепи - математическое выражение, устанавливающее взаимосвязь между замыкающим и составляющими звеньями отдельной размерной цепи, входящей в размерную схему
Проектная (прямая) задача позволяет определить при ее решении промежуточные операционные размеры исходной заготовки исходя из размеров детали и проектного тех. процесса.
Проверочная (обратная) задача позволяет провести размерный анализ действующего или спроектированного процесса
27.Типовой технологический процесс изготовления вала-шестерни для различных типов производства
К валам относят детали, образованные наружными и внутренними поверхностями вращения; имеющими одну общую прямолинейную ось при отношении длины цилиндрической части к наибольшему наружному диаметру более двух. Соответственно при 2 > L/D > 0,5-детали относят к втулкам, при L/D< 0.5 - к дискам. Валы предназначены для передачи крутящих моментов и монтажа на них различных деталей и механизмов. Если отношение длины вала к среднему диаметру L/D < 12, вал считают жестким, при L/D > 12 вал является нежестким.
План обработки детали типа вал
Заготовительная.
Для заготовок из проката: рубка прутка на прессе или резка прутка на фрезерно-отрезном или другом станке. Для заготовок, получаемых методом пластического деформирования, штамповать или ковать заготовку.
Правильная (применяется для проката).
Правка заготовки на прессе или другом оборудовании, В массовом производстве может производиться до отрезки заготовки. В этом случае правится весь пруток на правильно-калибровочном станке.
Термическая.
Улучшение, нормализация.
Подготовка технологических баз.
Обработка торцов и сверление центровых отверстий. В зависимости от типа производства операцию производят:
• в единичном производстве подрезку торцев и центрование на универсальных токарных станках последовательно за два установа с установкой заготовки по наружному диаметру в патроне;
• в серийном производстве подрезку торцев выполняют раздельно от центрования на продольно-фрезерных или горизонтально-фрезерных станках, а центрование - на одностороннем или двустороннем центровальном станке. Применяются фрезерно-центровальные полуавтоматы последовательного действия с установкой заготовки по наружному диаметру в призмы и базированием в осевом направлении по упору.
В крупносерийном и массовом производствах для обработки базовых поверхностей применяют фрезерно-центровальные полуавтоматы МР-71,..., МР-74, автоматы А981 и А982. Для обработки заготовку устанавливают в призмы, в осевом положении базируют по торцевой поверхности, расположенной предпочтительно по середине вала с целью равномерного распределения припуска по торцам
Токарная (черновая).
Производится точение наружных поверхностей (с припуском под чистовое точение) и канавок. Это обеспечивает получение точности 1Т12, шероховатости Ra=6.3. В зависимости от типа производства операцию выполняют:
•в единичном производстве на токарно-винторезных станках;
•в мелкосерийном - на универсальных токарных станках с гидросуппор тами и станках с ЧПУ;
•в серийном - на копировальных станках, горизонтальных многорезцовых, вертикальных одношпиндельных полуавтоматах и станках с ЧПУ моделей 16К20ФЗ, 16К20Т1.02, 1716ПФЗО и других, работающих по полуавтоматическому циклу. Оснащенные 6- и 8-позиционными инструментальными головками с горизонтальной осью поворота или с магазином эти станки применяют для обработки заготовок со сложным ступенчатым и криволинейным профилем, включая нарезание резьб;
•в крупносерийном и массовом - на многошпиндельных многорезцовых полуавтоматах; мелкие валы могут обрабатываться на токарных автоматах.
Токарная (чистовая).
Аналогична приведенной выше. Производится чистовое точение шеек (с припуском под шлифование). Обеспечивается точность 1Т9...10, шероховатость Ra =3.2.
Фрезерная.
Фрезерование шпоночных канавок, шлицев, зубьев, всевозможных лысок.
Шпоночные пазы в зависимости от конструкции обрабатывают дисковой фрезой (если паз сквозной) на горизонтально-фрезерных станках, пальцевой шпоночной фрезой (если паз глухой) на вертикально-фрезерных станках. Технологическая база - поверхности центровых отверстий или наружные цилиндрические поверхности вала. Шлицевые поверхности на валах чаще всего получают обкатыванием червячной фрезой на шлицефрезерных или зубофрезерных станках с установкой вала в центрах.
Шевинговальная. Шевинговать зубья. Операцию применяют для термообрабатываемых колес с целью уменьшения коробления зубьев, т.к. снимается поверхностный наклепанный слой после фрезерования. Повышает на единицу степень точности колеса.
Сверлильная . Сверление всевозможных отверстий.
Резьбонарезная.
На закаливаемых шейках резьбу изготавливают до термообработки. Если вал не подвергается закалке, то резьбу нарезают после окончательного шлифования шеек (для предохранения резьбы от повреждений). Мелкие резьбы у термообрабатываемых валов получают сразу на резьбошлифовальных станках.
Внутренние резьбы нарезают машинными метчиками на сверлильных, револьверных и резьбонарезных станках в зависимости от типа производства.
Наружные резьбы нарезают:
• в единичном и мелкосерийном производствах на токарно-винторезных
станках плашками, резьбовыми резцами или гребенками;
•в мелкосерийном и серийном производствах резьбы не выше 7-ой степени точности нарезают резьбовыми резцами, а резьбы 6-ой степени точности - резь бонарезными головками на револьверных и болторезных станках;
•в крупносерийном и массовом производствах - гребенчатой фрезой на резьбофрезерных станках или накатыванием.
Термическая.
Закалка объемная или местная согласно чертежу детали.
Исправление центровых отверстий (центрошлифовальная).
Перед шлифованием шеек вала центровые отверстия, которые являются технологической базой, подвергают исправлению путем шлифования конусным кругом на центрошлифовальном станке за два установа или притираются.
Шлифовальная.
Шейки вала шлифуют на круглошлифовальных или бесцентрово-шлифо-вальных станках.
Зубошлифовальная.
Моечная.
Контрольная
Нанесение антикоррозионного покрытия.
28. Технология изготовления корпусных деталей
К корпусным относят детали, содержащие систему отверстий и плоскостей, координированных друг относительно друга. К корпусным деталям относят корпуса редукторов, коробок передач, насосов, электродвигателей и т.п.
Основные технологические задачи при изготовлении корпусов заключаются в обеспечении в установленных пределах:
• параллельности и перпендикулярности осей основных отверстий друг другу и базовым поверхностям;
•соосности основных отверстий;
•заданные межосевые расстояния;
•точности диаметров и правильности формы отверстий,
•перпендикулярности торцевых поверхностей осям отверстий;
•прямолинейности плоскостей. Основные схемы базирования:
Схемы базирования корпусных деталей зависят от выбранной последовательности обработки. При обработке корпусов используются следующие последовательности:
а) обработка от плоскости, т.е. сначала обрабатывают окончательно установочную плоскость, затем ее принимают за установочную технологическую базу и относительно нее обрабатывают основные отверстия;
б) обработка от отверстия, т.е. сначала обрабатывают окончательно основное отверстие, оно принимается за технологическую базу, а затем от него обрабатывают плоскость.
Последовательность механической обработки корпуса
призматического типа с плоским основанием и основным отверстием с осью, параллельной основанию:
Заготовительная.
Заготовки корпусов из серого чугуна отливают в песчано-глинистые, металлические (кокиль) или оболочковые формы, из стали - в песчано-глинистые формы, кокиль или по выплавляемым моделям. Заготовки из алюминиевых сплавов отливают в кокиль или литьем под давлением. В единичном и мелкосерийном производствах применяют сварные корпуса из стали. Корпуса могут быть сборными.
Заготовки корпусных деталей перед механической обработкой проходят ряд подготовительных операций.
Подготовительные операции:
Термическая. Отжиг (низкотемпературный) для уменьшения внутренних напряжений.
Обрубка и очистка заготовки.
У отливок удаляют литники и прибыли на прессах, ножницах, ленточными пилами, газовой резкой и т.д. Очистка отливок от остатков формовочных смесей и зачистка сварных швов у сварных заготовок производится дробеструйной или пескоструйной обработкой.
Малярная.
Грунтовка и окраска необрабатываемых поверхностей (для деталей не подвергаемых в дальнейшем термообработке). Операция производится с целью предохранения попадания в работающий механизм корпуса чугунной пыли, обладающей свойством «въедаться» в неокрашенные поверхности при механической обработке.
Контрольная,
Проверка корпуса на герметичность. Применяется для корпусов, заполняемых при работе маслом. Проверка производится ультразвуковой или рентгеновской дефектоскопией. В единичном производстве или при отсутствии дефектоскопии проверка может производиться при помощи керосина и мела.
Для деталей, работающих под давлением, применяется проверка корпуса под давлением.
Разметочная.
Применяется в единичном и мелкосерийном производствах. В остальных типах производств может применяться для сложных и уникальных заготовок с целью проверки «выкраиваемости» детали.
Основные операции механической обработки:
Фрезерная (протяжная).
Фрезеровать или протянуть плоскость основание предварительно и окончательно или с припуском под плоское шлифование (при необходимости).
Технологическая база - необработанная плоскость параллельная обрабатываемой поверхности. Оборудование:
•в единичном и мелкосерийном производствах - вертикально-фрезерный или строгальный станки;
•в серийном - продольно-фрезерный или продольно-строгальный станки;
• в крупносерийном и массовом - барабанно- и карусельно-фрезерные, плоскопротяжные, агрегатно-фрезерные станки
Сверлильная.
Сверлить и зенковать (при необходимости) отверстия в плоскости основания. Развернуть два отверстия, используемых при базировании.
Технологическая база - обработанная плоскость основания. Оборудование -радиально-сверлильный станок или сверлильный с ЧПУ, в массовом и крупносерийном производствах - многошпиндельный сверлильный станок или aгpeгатный станок.
Фрезерная.
Обработка плоскостей, параллельных базовой (при их наличии).
Технологическая база - плоскость основания. Оборудование- аналогичное первой фрезерной операции.
Фрезерная.
Обработка плоскостей, перпендикулярных базовой (торцы основных отверстий).
Технологическая база - плоскость основания и два точных отверстия. Оборудование - горизонтально-фрезерный или горизонтально-расточной станок.
Расточная.
Растачивание основных отверстий (предварительное и окончательное или с припуском под тонкое растачивание).
Технологическая база - та же. Оборудование: - единичное производство -универсальный горизонтально-расточной станок;
• мелкосерийное и среднесерийное - станки с ЧПУ расточно-фрезерной группы и многоопераиионные станки;
• крупносерийное и массовое - агрегатные многошпиндельные станки. Сверлильная.
Сверлить, зенковать (при необходимости), нарезать резьбу в крепежных отверстиях,
Технологическая база - та же. Оборудование: радиально-сверлильный, сверлильный с ЧПУ, многооперационный, сверлильный многошпиндельный или агрегатный станки (в зависимости от типа производства)
Плоскошлифовальная.
Шлифовать (при необходимости) плоскость основания,
Технологическая база - поверхность основного отверстия или обработанная плоскость, параллельная базовой (в зависимости от требуемой точности расстояния от базовой плоскости до оси основного отверстия). Оборудование - плоскошлифовальный станок с прямоугольным или круглым столом.
Алмазно-расточная.
Тонкое растачивание основного отверстия,
Технологическая база - базовая плоскость и два отверстия. Оборудование -алмазно-расточной станок.
Моечная.
Контрольная.
Нанесение антикоррозионного покрытия.
Особенности обработки разъемных корпусов:
В маршрут обработки разъемных корпусов дополнительно к вышеприведенным операциям включают:
•обработку поверхности разъема у основания (фрезерная);
•обработку поверхности разъема у крышки (фрезерная);
• обработку крепежных отверстий на поверхности разъема основания (сверлильная);
• обработку крепежных отверстий на поверхности разъема крышки (сверлильная);
•сборку корпуса промежуточную (слесарно-сборочная операция);
•обработку двух точных отверстий (обычно сверлением и развертыванием) под цилиндрические или конические штифты в плоскости разъема собранного корпуса. Дальнейшая обработка корпуса производится в сборе.
29. Алгоритм проектирования техпроцессов сборки изделий. Организационные формы сборочных техпроцессов
Алгоритм:
1. анализ исходных данных.
2. разработка технологической схемы сборки.
3. определение типа производства. Выбор организационной формы сборки.
4. выбор технологических баз.
5. составление технологического маршрута сборки.
6. разработка технологических операций.
7. определение требований техники безопасности.
8. выбор оптимального варианта.
9. оформление техпроцесса.
Организационные формы сборки:
· перемещение объекта сборки а) стационарная
б) подвижная -свободное перемещение
-принудительное перемещение
· производственная организация сборки а) поточная
б) непоточная
в) групповая
· формирование операций а) дифференциация
б) концентрация – последовательная
- параллельная.
30. Сборка неподвижных неразъемных соединений
Большинство неподвижных неразъемных соединений относятся к одной из трех групп:
-соединения с силовым замыканием, относительная неподвижность деталей в которых обеспечивается механическими силами, возникающими в результате пластических деформаций
-соединения с геометрическим замыканием, осуществляемым благодаря форме сопрягаемых деталей
-соединения, в основе которых лежат молекулярные силы: сцепление или адгезия
Сборку с нагревом (тепловой метод) охватывающей детали осуществляют в тех случаях, когда в соединении предусмотрены конструкцией значительные натяги. Нагрев применяют при сборке тяжело нагруженных соединений, требующих высокой прочности, а также когда деталь выполнена из материала, имеющего высокий коэффициент линейного расширения, а соединение подвергается воздействию повышенных температур. В зависимости от конструкции и назначения охватываемой детали ее нагревают в газовых или электрических цепях в воздушной или жидкой среде. Применяют также индукционные печи в виде стального корпуса с обмоткой. Крупные охватывающие детали нагревают переносными электроспиралями.
Силы, необходимые при сборке прессовых соединений , создают посредством прессов универсальных или специальных. Кроме силы запрессовки, при выборе пресса учитывается также возможность использования его исходя из габаритных размеров сборочной единицы и экономичность, широко распространены прессы, действующие от сжатого воздуха, прессы прямого действия, прессы со сдвоенными цилиндрами. Прессы специального назначения — пресс — скобы, в массовом производстве - многоместные запрессовочные автоматы, мелкосерийное производство - ручные прессы.
Сборка заклепочных соединений вытесняется сварными, клеевыми, резьбовыми соединениями. Сборочные единицы, подверженные большим нагрузкам, имеют заклепочные соединения. Заклепки используют также, где сопрягаются плохо свариваемые друг с другом материалы и стоимость крепления заклепками меньше стоимости резьбовых деталей. В зависимости от объема клепальных работ применяют электромеханические, пневматические, пневмогидравлические пресса и механические клепальные машины.
Сборка неподвижных разъемных соединений .
Распространенность резьбовых соединений объясняется их простотой и надежностью, удобством регулирования затяжки, возможностью разборки и повторной сборки соединения без замены детали. Применяются разновидности резьбовых соединений: для обеспечения неподвижности и прочности сопрягаемых деталей; для обеспечения прочности и герметичности; для правильности установки сопрягаемых деталей; для регулирования взаимного положения деталей.
Точность сборки соединения с одной или несколькими шпонками обеспечивается изготовлением его элементов по размерам с допусками. Размеры шпонок выполняют по системе вала, так как посадки в пазах вала и ступицы различны. При неподвижных соединениях шпонку устанавливают в паз вала плотно или с натягом, а в пазу ступицы посадка более свободная. Большое значение при сборке имеет строгое соблюдение посадок в сопряжениях шпонки с валом и охватывающей деталью. Увеличенные зазоры - одна из основных причин нарушения распределения нагрузок, смятия и разрушения шпонки. Смещение осей шпоночных пазов в валу и втулке также приводит к неправильному положению шпонки. Разборку соединения со шпонками производят сдвиганием охватывающей детали с посадочного места, а при креплении детали на конце вала - удалением шпонки из паза. В качестве инструмента употребляют мягкие выколотки.
Соединение деталей по шлицам обеспечивает более точное центрирование, а также повышенную точность. Распространены прямобочные, эвольвентные треугольные шлицевые цилиндрические соединения. В зависимости от применяемой посадки центрирующих поверхностей шлицевые соединения бывают: тугоразъемные, легкоразъемные, подвижные. При сборке шлицевых соединений полная взаимозаменяемость даже в условиях массового производства обычно не достигается из - за весьма малых зазоров, выдерживаемых в центрирующих сопряжениях.
Сборку подшипников скольжения начинают с подгонки их по валу. Перед сборкой подшипника необходимо проверять, чтобы регулировочные прокладки были чистыми, ровными и гладкими. Крепежные болты должны входить в отверстия подшипника плотно, без качки. Производят пригонку подшипника, Затем проверяют на параллельность осей.
Сборка подшипников качения . Их монтируют в сборочной единице по двум неподвижным посадкам - внутреннего кольца с валом и наружного кольца с корпусом - обычно без специальных креплений, препятствующих проворачиванию. Напрессовка подшипника качения на вал или установка его с натягом в отверстие корпуса вызывают деформацию колец, поэтому необходимо выбрать правильную посадку с учетом конкретных условий работы подшипниковых узлов в машине. Соединения подшипников качения с валом и корпусом бывают за счет натяга; посредством резьбы и т. д.
Сборка червячных передач , применяют с цилиндрическими и глобоидными червяками. При сборке выполняют работы: установку зубчатого или червячного колеса на валу; установку валов с колесами в корпусе; сборку сборочной единицы червяка и установку его в корпусе; регулирование зацепления. Установлены 12 степеней точности зубчатых передач государственным стандартом, предусматривают нормы: кинематической точности колеса, плавности работы колеса и контакта зубьев. Боковой зазор между зубьями колес является фактором, определяющим эксплуатационное качество зубчатой передачи. Зазор в зацеплении необходим для компенсации ошибок в размерах зубьев, неточности расстояния между осями зубчатых колес, изменения размеров и формы зубьев при нагреве в процессе работы передачи.
Похожие рефераты:
Разработка технологических процессов на механическую обработку вала первичного
Технологический процесс изготовления корпуса цилиндра типа Г29-3
Разработка технологического процесса обработки вала-шестерни
Разработка технологического процесса детали "Шатун"
Проектирование технологии процесса мехобработки корпуса (WinWord, AutoCAD 14)
Организация серийного производства конвейеров с подвесной лентой
Станки с числовым программным управлением (ЧПУ)
Проектирование технологического процесса изготовления детали "Ось"
