| Похожие рефераты | Скачать .docx |
Курсовая работа: Разработка технологического процесса обработки вала-шестерни
МИНИСТЕРСТВО ОБРАЗОВАНИЯ РФ
НОВОСИБИРСКИЙ ГОСУДАРСТВЕННЫЙ
ТЕХНИЧЕСКИЙ УНИВЕРСИИТЕТ
КАФЕДРА ТМС
ПОЯСНИТЕЛЬНАЯ ЗАПИСКА
к выпускной квалификационной работе по технологии машиностроения на тему:
«Разработка технологического процесса обработки вала-шестерни»
Автор проекта Васильев С.В.
Специальность 1201 (технология машиностроения)
Обозначение проекта ВКР 2068956-1201-12-02
Группа ТМ-83
Руководитель проекта Гилета В.П.
Новосибирскк 2002г.
Содержание
Раздел 1. Разработка технологического процесса изготовления детали вал-шестерня
1.1 Введение
1.2 Анализ служебного назначения и технологичности конструкции детали
1.2.1 Описание изделия
1.2.2 Материал детали и его свойства
1.2.3 Анализ технологичности детали
1.3 Определение типа производства и формы его организации
1.4 Выбор исходной заготовки и метода ее изготовления
1.5 Разработка маршрута обработки
1.5.1 Маршрут
1.5.2 Сравнение вариантов обработки
1.6 Расчет припусков и технологических размерных цепей
1.6.1 Расчет припусков и предельных размеров по технологическим переходам на обработку поверхности Æ60к6
1.6.2 Размерные цепи
1.7 Выбор режущего инструмента
1.8 Выбор средств измерения
1.9 Выбор оборудования, приспособлений, мерительного инструмента
1.10 Расчет режимов резания и норм времени
1.11 Расчет технической нормы времени
Раздел 2. Проектирование приспособления для фрезерования шпоночных пазов
2.1 Виды и назначения станочных приспособлений
2.2 Выбор оборудования
2.3 Выбор режущего инструмента
2.4 Расчет режимов и сил резания
2.5 Описание конструкции приспособления
2.6 Описание работы приспособления
2.7 Расчёт силового замыкания
2.8 Расчёт коэффициента запаса
2.9 Расчет пневмокамеры
2.10 Расчет погрешности установки детали в приспособлении
2.11 Расчет растяжения и изгиба прихвата
Раздел 3 Разработка мерительного приспособления для контроля отклонения соосности шеек под подшипники
3.1 Назначение мерительных приспособлений
3.2 Описание конструкции приспособления
3.3 Описание работы приспособления
3.4 Расчет погрешности установки детали в приспособлении
Список использованной литературы
Раздел 1: Разработка технологического процесса изготовления детали вал-шестерня
1.1 Введение
Отличительной особенностью современного этапа развития машиностроения является широкое использование достижений фундаментальных и общеинженерных наук для решения теоретических проблем и практических задач технологии машиностроения. Различные разделы математических наук, теоретической механики, физики, химии, материаловедения и многих других наук принимаются в качестве теоретической основы новых направлений технологии машиностроения или используются в качестве аппарата для решения практических технологических вопросов, существенно повышая общий теоретический уровень технологии машиностроения и ее практические возможности. Распространяются применение вычислительной техники при проектировании технологических процессов и математическое моделирование процессов механической обработки. Осуществляется автоматизация программирования процессов обработки на станках с ЧПУ. Создаются системы автоматизированного проектирования технологических процессов - САПР ТП.
Углубляется разработка проблемы влияния технологии на физико-химическое состояние металла поверхностного слоя обрабатываемых заготовок, его дислокационное строение, размеры кристаллических блоков и на эксплуатационные свойства и надежность деталей машин. Продолжается разработка проблемы технологической наследственности и упрочняющей технологии.
Разрабатываются методы оптимизации технологических процессов по достигаемой точности, производительности и экономичности изготовления при обеспечении высоких эксплуатационных качеств и надежности работы машины. Создаются системы автоматизированного управления ходом технологического процесса с его оптимизацией по всем основным параметрам изготовления и требуемым эксплуатационным качествам.
Развертываются работы по созданию гибких автоматизированных производственных систем на основе использования ЭВМ, автоматизации межоперационного транспорта, робототехники и контроля.
Продолжается совершенствование технологических процессов изготовления деталей машин и сборки (в особенности в направлениях создания малоотходной технологии, чистовой сборки и автоматизации сборочных работ). Развитие технологии машиностроения на данном этапе должно осуществлять переход к массовому применению высокоэффективных систем машин и технологических процессов, обеспечивающих комплексную механизацию и автоматизацию производства, техническое перевооружение его основных отраслей.
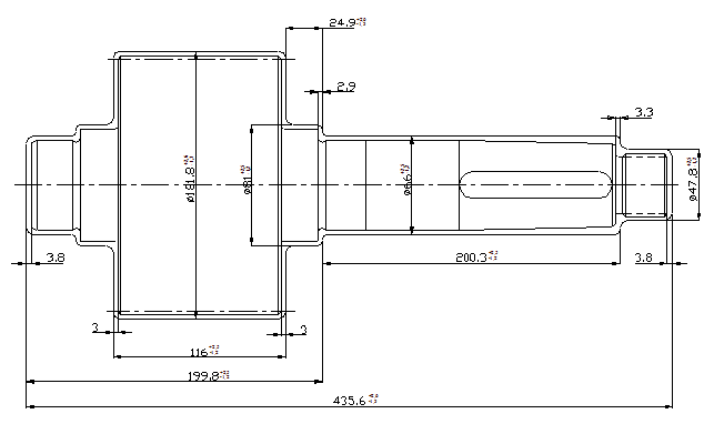
В данном проекте требуется спроектировать технологический процесс изготовления детали – вал-шестерня, представленного на чертеже.
Основная цель работы – приобретение практических навыков в разработке технологических процессов и в выполнении технологических расчетов.
Исходные данные:
Чертеж вала-шестерни;
Годовая программа выпуска 3700 шт.
1.2 Анализ служебного назначения и технологичности конструкции детали.
1.2.1 Описание изделия
Исходные данные: объектом проектирования технологического процесса является деталь вал – шестерня. (см. рабочий чертеж) с годовой программой 3700 шт. Детали типа тел вращения широко распространены в машиностроении.
Валы используют для передачи крутящего момента. Обычно валы установлены в корпусе редукторов, в качестве опор используются шейки валов, на которые устанавливаются подшипники. Шейки валов имеют высокую точность. Крутящий момент передаётся посредством зубчатых колёс закрепленных на валу с помощью шпоночных пазов и шпонок либо выполненных заодно с валом.
Функциональным назначением данной детали является передача крутящего момента от шпоночного паза на конусе 1:10 зубчатому венцу Ø 173,72 мм.
Таким образом, исполнительными (рабочими) поверхностями данной детали являются шпоночный паз R9 и зубчатый венец m = 3.5, z = 47. Основными конструкторскими базами являются шейки Ø 60k6; геометрическая ось которых является основной конструкторской базой, и торцы этих шеек, определяющих положение вала в механизме вдоль оси.
Для выхода резца в местах перепада диаметров выполнены проточки или канавки.
Остальные поверхности, в том числе и торцы вала, являются свободными поверхностями. Все поверхности данной детали являются обрабатываемыми.
Основной технологической базой для деталей типа валы является поверхность центровых отверстий, получаемых на одной из первых операциях .
1.2.2 Материал детали и его свойства
Деталь изготавливается из легированной стали 45Х ГОСТ 4543-81. Это конструкционная сталь, цементируемая, с повышенной прочностью по сравнению с обычной конструкционной сталью.
Эта сталь содержит около 0.45 % углерода, примерно 0.8-1.0 % хрома. А также 0,17-0,37 % кремния и 0,45-0,75% марганца.
Применяется для изготовления деталей, к которым предъявляются требования повышенной поверхностной твердости и повышенной износоустойчивости: втулки, пальцы, зубчатые колеса, толкатели, валики и т.п.
Таким образом, материал детали вал-шестерня полностью отвечает своему назначению: это крупная деталь с зубчатым венцом, работающим на износ при трении.
Указанный материал предполагает включение в технологический маршрут соответствующих операций химико-термической обработки: улучшение после черновой обработки для снятия возникших остаточных напряжениях, что бы в дальнейшем деталь не повело.
1.2.3 Анализ технологичности детали
С точки зрения механической обработки детали типа вал-шестерня вообще не технологичны, так как операция нарезания зубьев со снятием стружки производится в основном малопроизводительными методами.
В остальном деталь достаточно технологична, допускает применение высокопроизводительных режимов обработки, имеет хорошие базовые поверхности для первоначальных операций и довольно проста по конструкции
Конструкция детали представляет собой ступенчатый вал практически с двухсторонним расположением ступеней. Допускаемое наличие центровых отверстий обеспечивает создание основных технологических баз и выполнение почти всей обработки с соблюдением принципа постоянства баз. Зубчатый венец открытый, допускает обработку на проход.
Требования к точности расположения основных поверхностей заданы относительно оси подшипниковых шеек Ø 60 и не представляют сложности при выполнении.
С точки зрения унификации конструкционных элементов можно отличить, что почти все размеры детали (диаметральные) принадлежат нормальному ряду размеров, почти все фаски имеют унифицированный размер 2x45°. Зубчатый венец имеет стандартный модуль.
1.3 Определение типа производства и формы его организации
вал шестерня обработка фрезерование паз
Тип производства по ГОСТ 3.1108-74 характеризуется коэффициентом закрепления операций К з.о., который показывает отношение всех различных технологических операций, выполняемых или подлежащих выполнению подразделением в течение месяца, к числу рабочих мест.
На данном этапе проектирования нормирование переходов и операций выполняем приближенно.
Основное время:
1. Фрезерно-центровачная:
1.1.Фрезерование торцов:
То = 6l = 6×(50+68)×10-3 = 0,71 мин.
1.2. Сверление центров:
То = 0,52dl = 0,52×2×4×6 = 0,1 мин.
2. Черновое точение за один проход:
То = 0,17dl = 0,17×(42×30 + 39×5 + 60×233 + 75×50 + 173,72×110)×10-3 = 6,51 мин.
3. Чистовое точение по 8-му квалитету: То= 0,17dl =6,51 мин.
4. Тонкое точение по 6-му квалитету:
То = 0,1dl = 0,1×60×61×10-3 = 0,37 мин.
5. Фрезерование шпоночного паза цилиндрической фрезой:
То = 7ln = 7×103×17×10-3 = 5,77 мин., где n = 17 – число проходов
6. Фрезерование зубьев червячной фрезой:
То = 2,2Dl = 2,2×(173,72×110)×10-3 = 42,04 мин.
7. Зубошлифование:
То = 0,1dl = 0,1×173,72×110×10-3 = 1,92 мин.
8. Шлифование конуса:
То = 0,15dl = 0,15×60×103×10-3 = 0,93 мин.
9. Нарезания наружной резьбы:
То = 19dl = 19×(42×30)×10-3 = 23,94 мин.
Порядок расчета коэффициента закрепления операций заключается в следующем:
1. Штучно-калькуляционное время
![]()
где То - основное время, мин; jк - коэффициент, зависящий от типа оборудования и производства.
2. Расчетное количество станков
![]()
где N = 3700 - годовая программа, шт.; Тшт-к - штучно-калькуляционьое время, мин; Fд = 4029 - действительный годовой фонд времени, часах; hз.к. - нормативный коэффициент загрузки оборудования (для серийного производства - 0,8).
3. Устанавливаем принятое число рабочих мест Р, округляя до ближайшего большего целого числа полученное значение mр.
4. По каждой операции вычисляем значение фактического коэффициента загрузки рабочего места:
![]()
5. Количества операций, выполняемых на рабочем месте:
![]()
6. Подсчитаем суммарное значение для О и Р, определяем коэффициент закрепления операций и тип производства:

Согласно ГОСТ 14.004-74 при данном коэффициенте закрепления операций тип производства мелкосерийное.
Результаты расчета сведены в таблицу 3.1.
Таблица 3.1
| вид операции | To | jк | Tшт-к | mp | P | hз.н. | O |
| Фрезерование торцев | 0,71 | 1,84 | 1,30 | 0,025 | 1 | 0,025 | 32,10 |
| Сверление центров | 0,10 | 1,75 | 0,17 | 0,003 | 1 | 0,003 | 239,32 |
| Черновое точение | 6,51 | 2,14 | 13,93 | 0,27 | 1 | 0,267 | 3,00 |
| Чистовое точение | 6,51 | 2,14 | 13,93 | 0,27 | 1 | 0,267 | 3,00 |
| Тонкое точение | 1,01 | 2,14 | 2,16 | 0,04 | 1 | 0,041 | 19,38 |
| Фрезерование шпоночного паза | 12,26 | 1,84 | 22,55 | 0,43 | 1 | 0,431 | 1,85 |
| Зубофрезерование | 42,04 | 1,66 | 69,79 | 1,34 | 2 | 0,668 | 1,20 |
| Зубошлифование | 1,91 | 2,1 | 4,02 | 0,08 | 1 | 0,077 | 10,40 |
| Шлифование конуса | 0,93 | 2,1 | 1,95 | 0,04 | 1 | 0,019 | 42,96 |
| Нарезание резьбы | 23,94 | 1,98 | 47,40 | 0,91 | 1 | 0,907 | 0,88 |
При групповой форме организации производства запуск изделий производится партиями с определенной периодичностью, что является признаком серийного производства.
Количество деталей в партии для одновременного запуска определяем упрощенным способом:
![]()
где а — периодичность запуска в днях (по рекомендациям — 6).
Корректировка размера партии, определение расчетного числа смен на обработку сей партии деталей на основных рабочих местах:
![]()
где Тшт-кср - среднее штучно-калькуляционное время по основным операциям, мин.
Расчетное число смен округляем до принятого целого числа спр=7. Определяем число деталей в партии, необходимых для загрузки оборудования на основных операциях в течение целого числа смен:
![]()
где 476 - действительный фонд времени работы оборудования в смену, мин; 0,8 - нормативный коэффициент загрузки станков в серийном производстве.
Определения такта выпуска:
мин.
1.4 Выбор исходной заготовки и метода ее изготовления
Выбор вида и метода получения заготовки
Заготовками для деталей типа вал наиболее часто служит либо сортовой прокат, либо штамповка. Так как данный вал относится к средним и крупным валам сложной конфигурации, с большим перепадом диаметров, а так же производство вала мелкосерийное, то целесообразнее использовать способ штамповки.
Рассчитаем стоимость заготовительной операции для двух способов получения заготовки.
Общие исходные данные:
Материал детали: Сталь 45Х.
Масса детали: q = 27,8 кг.
Годовая программа: N =3700 шт.
Производство: мелкосерийное
Таблица 4.2
| Наименование показателей | Вариант 1 | Вариант 2 |
Вид заготовкиКласс точности Группа сложности Масса заготовки Q, кг Стоимость 1 т заготовок, принятых за базу Si, руб. Стоимость 1т стружки Sотх, руб. |
Пруток Æ180 мм Нормальный - 86,85 164 28 |
Штамповка на молотахНормальный 2 32,6 254 28 |
Стоимость заготовки по первому варианту:
Коэффициент использования материала:
![]()
Себестоимость заготовок из проката:
Sзаг1 = Q×S/1000 – (Q - q)×Sотх/1000 + åCо.з., руб.,
где åCо.з. – суммарная технологическая себестоимость операции правки и отрезки прутка:
Cо.з. = Сп.з.×Тшт(ш-к)/(60×100), руб.,
где Сп.з. – приведённые затраты на рабочем месте, коп/ч;
Тшт(ш-к) – штучно-калькуляционное время выполнения заготовительной операции:
Тшт(ш-к) = jк×То ,
где jк – коэффициент; То – основное технологическое время, мин
Определяем технологическую себестоимость операции резки и правки.
Из [11, стр.30 и 146] для резки определяем:
Сп.з. резки = 121 коп/ч; Сп.з. правки = 250 коп/ч;
Т0 = 0,19×D2×10-3 = 0,19×1802×10-3 =6,16 мин.
Тшт(ш-к) = 2,14×6,16 = 13,17 мин., где jк= 2,14;
Cо.з. = (121+250)×13,17/(60×100) =0,81 руб.;
Отсюда находим общую себестоимость заготовки из проката:
Sзаг1= (86,85×164/1000 – (86,8 – 27,8)×28/1000 + 0,81) = 1340,4 руб
Стоимость заготовки по второму варианту:
Коэффициент использования материала:
![]()
Себестоимость заготовок из штамповки:
Sзаг2=(Сi×Q×kтkсkвkмkп)/1000 – (Q - q)×Sотх/1000, руб.,
где kт, kс, kв, kм, kп – коэффициенты зависящие от класса точности, группы сложности, массы, марки материала и объема производства заготовок.
Из [11, табл. 2.12–2.13, стр.37-38] находим: kт = 1; kc = 0,87; kв = 0,73; kм = 1.3; kп = 1;
Отсюда находим стоимость заготовок получаемых таким методом:
Sзаг2 = ((254×32,6×1×0,87×0,73×1,3×1)/1000 – (32,6 –27,8)×28/1000)×100 = 581,5 руб.
Экономическое обоснование выбора заготовок:
Определяем экономический эффект для сопоставления способов получения заготовок:
Эз = ( Sзаг1 - Sзаг2)×N = (1340,4 - 581,5)×3700/1000 =2808,17 тыс. руб.
Таким образом, использование штамповки на молотах в качестве заготовки является более экономичным.
1.5 Разработка маршрута обработки.
Технология изготовления вала.
Технологические базы: центровые отверстия и торец.
Конструкторская база: ось подшипниковых шеек вала и торец.
1.5.1 Маршрут
1. Фрезерование торцов, зацентровка вала на двухсторонних фрезерно-центровальных полуавтоматах с базированием по черным шейкам и торцу вала.
2. Черновая токарная обработка на токарно-гидрокопировальных станке с базированием по центровым отверстиям, с одной и другой стороны.
3. Улучшение.
4. Чистовая токарная обработка на токарно-гидрокопировальных станке с базированием на центровые отверстия в 2 операции – с одной и другой стороны.
5. Тонкое токарная обработка на токарно-винторезном станке с базированием по центровым отверстиям, с одной и другой стороны.
6. Фрезерование зубьев на зубофрезерном станке с базированием на центровые отверстия.
7. Шлифование зубьев на зубошлифовальном станке.
8. Фрезерование шпоночного паза на шпоночно-фрезерном станке с базированием по шейкам вала.
9. Шлифовальная обработка на круглошлифовальном станке с базированием по центровым отверстиям.
10. Резьбонарезная обработка на токарно-винторезном станке станках с базированием по центровым отверстиям.
1.5.2 Сравнение вариантов обработки.
Соответственно чертежу детали, каждая поверхность имеет свои требования по шероховатости, точности. Нередко случается так, что деталь можно обработать несколькими методами, которые дадут одинаковую точность на выходе. В качестве примера сравним два варианта обработки по технологической себестоимости:
1) В первом варианте шлифование ведется на круглошлифовальном станке 3Б153Т.
2) Во втором варианте обработка ведется на токарно-винторезном станке 16К20П.
Первый вариант:
Обработка на круглошлифовальном станке 3Б153Т: Ц = 1276000 руб.; площадь станка в плане - f = 2,26×1,92×0,97 = 4,2 м2; 2-й разряд работы; режим работы - односменный при 41-часовой рабочей неделе; действительный годовой фонд работы оборудования Fд = 4029 ч.; Ен = 0,15;hз = 0,6 – коэффициент загрузки станка. [11, табл. 4.16, стр.173-174]
Часовые приведенные затраты определим по формуле:
Сп.з. = Сз + Сч.з.+ Ен(Кс + Кз),
где Сз – основная и дополнительная зарплата с начислениями, коп/ч.; Сч.з. – часовые затраты по эксплуатации рабочего места, коп/ч.; Ен – нормативный коэффициент экономической эффективности капитальных вложений; Кс , Кз – удельные часовые капитальные вложения соответственно в станок и здание, коп/ч.
Основная и дополнительная зарплата с начислениями и учётом многостаночного обслуживания рассчитывается по формуле:
Сз = Стф×e×k×y,
где e = 1,53 – коэффициент, учитывающий дополнительную зарплату; Стф – часовая тарифная ставка станочника сдельщика соответствующего разряда, для 2-го разряда из [11, табл. 2.14] Стф = 54,8 коп/ч.; k – коэффициент, учитывающий зарплату наладчика, для среднесерийного производства k = 1; y – коэффициент, учитывающий оплату рабочего при многостаночном обслуживании, при обслуживании 1-го станка y = 1.
Сз = 54,8×1,53×1×1 = 83,8 коп/ч.
Определяем часовые затраты по эксплуатации рабочего места
Сч.з. = Сб.п.ч.з.×kм ,
где Сб.п.ч.з – практические часовые затраты на базовом рабочем месте, для крупносерийного производства Сб.п.ч.з =36,3 коп/ч.
Сч.з. = 36,3×1,8 = 65,34 коп/ч.
Определяем скорректированные затраты по эксплуатации рабочего места:
Скч.з .= Сч.з.×j/1,14 коп/ч.,
где j - поправочный коэффициент
j = 1 + [a×(1 - hз)/hз] = 1 + [0,36×(1 - 0,8)/0,8] = 1,09
Скч.з =65,34×1,09/1,14 = 62,5 коп/ч.
Кс = Ц×100/(Fд×hз) = 1276000×100/(4029×0,8) = 39588 коп/ч.
Производственная площадь, занимаемая станком с учётом проходов, м2:
F = f×kf = 4,2×3 = 12,6 коп/ч.
Кз = F×7840×100/(Fд×hз) = 12,6×7840×100/(4029×0,8) = 10,2 коп/ч.
Определяем часовые приведенные затраты:
Сп.з. = 83,8+65,34+0,15×(39588+10,2) = 6086,1 коп/ч.
Технологическая себестоимость операции механической обработки (коп/ч.)
С‘о = Сп.з.×Тшт/(60×kв),
где kв = 1,3 – коэффициент выполнения норм
Тшт =0,00017×d×l×jк =0,00017×60×61×2,1 = 1,15 мин
С‘о = 6086,1×1,15/(60×1,3) = 89,7 коп/ч.
Аналогично просчитываем и второй вариант.
Второй вариант:
Обработка на токарно-винторезном станке 16К20П: Ц = 599500 руб.; f = 2,505×1,19×0,97 = 2.9 м2; 2-й разряд работы; режим работы - односменный при 41-часовой рабочей неделе; действительный годовой фонд работы оборудования Fд = 4029 ч.; Ен = 0,15. [11, табл. 4.7, стр.163]
Сп.з .= Сз + Сч.з.+ Ен×(Кс + Кз);
Сз = Стф×e×k×y = 54,8×1,53×1×1 = 83,8 коп/ч.
Сч.з.= Сб.п.ч.з.×kм = 36,3×1,6 = 58,08 коп/ч.
j = 1+[a(1 - hз)/hз] = 1 + [0,3×(1 - 0,81)/0,81] = 1,07
Скч.з .= Сч.з.×j/1,14 = 58,08×1,07/1,14 = 54,5 коп/ч.
Кс = Ц×100/(Fд×hз) = 599500×100/(4029×0,81) = 18370 коп/ч.
F = f×kf=2,9×3,5 =10,1 коп/ч.
Кз = F×7840×100/(Fд×hз) = 10,1×7840×100/(4029×0,81) = 24,3 коп/ч.
Сп.з. =83,8 + 58,08 + 0,15×(18370 +24,3) = 2897,5 коп/ч.
Тшт =0,00015×d×l×jк = 0,00015×60×61×2,14 = 1,33 мин
С‘’о = Сп.з.×Тшт/(60×kв) =297,5×1,33/(60×1,3) =49,4 коп/ч.
Определение приведённой годовой экономии
Эг = (C” o – C’o)×N = (89,7 – 49,4)×3700/100 = 1492 руб.
Таким образом, тонкое точение является экономически целесообразным способом обработки по сравнению с шлифованием.
1.6 Расчет припусков и технологических размерных цепей
Расчет припусков на механическую обработку производим расчетно-аналитическим методом и по таблицам. Расчет ведется для одного диаметрального и одного линейного размера. На остальные обрабатываемые поверхности припуски и допуски назначаем по таблицам ГОСТ 7505-89 (чертеж заготовки).
Заносим в таблицу 6.1 этапы технологического процесса обработки размера Æ60к6, а также соответствующие заготовке и каждому технологическому проходу значения элементов припуска. Так как в данном случае обработка ведется в центрах, погрешность установки в радиальном направлении равна нулю, что имеет значение для рассчитываемого размера. В этом случае эта величена исключается из основной формулы для расчета минимального припуска.
1.6.1 Расчет припусков и предельных размеров по технологическим переходам на обработку поверхности Æ60к6.
Таблица 6.1
| Технологические переходы обработки поверхности Æ60к6 | Элементы припуска, мкм | Расчет- ный припуск 2zmin, мкм |
Расчетный размер dp, мм | Допуск d, мкм |
Предельный размер, мм | Предельные значения припуска, мкм | ||||
| Rz | T | r | dmin | dmax | 2zпр.min | 2z пр max | ||||
| Заготовка | 200 | 300 | 1830 | 65,348 | 2000 | 65,35 | 67,35 | |||
| Черновое точение 10-му | 50 | 50 | 110 | 4660 | 60,688 | 300 | 60,69 | 60,99 | 4660 | 6360 |
| Чистовое точение 8-му | 30 | 30 | 73 | 420 | 60,268 | 74 | 60,27 | 60,34 | 420 | 646 |
| Тонкое точение 6-му | 5 | 15 | 36 | 266 | 60,002 | 30 | 60,002 | 60,03 | 266 | 310 |
Суммарная пространственная погрешность:
![]()
где Dкор - вектор коробления; Dсм - вектор смещения; Dц - погрешность зацентровки.
Dкор = Dк×L = 1×203/1000 = 0,2 мм; Dсм = 1;
![]()
![]()
Остаточные пространственные отклонения:
- Под предварительное обтачивание: D1 = 0,06×183 = 110 мкм;
- Под окончательное обтачивание: D2 = 0,04×1830 = 73 мкм;
- Под тонкое точение: D3 = 0,02×1830 = 36 мкм.
Минимально необходимый припуск на переход определяется по формуле:
2Zmin = 2×(Ti-1+Ri-1+Di-1)
2Zmin1 = 2×(200+300+1830)=2×2330 мкм
2Zmin2 = 2×(50+50+110)=2×210 мкм
2Zmin3 = 2×(30+30+73)=2×133 мкм
Графа «Расчетный размер» заполняется, начиная с конечного размера путем прибавления расчетного припуска каждого технологического перехода.
dp2 = 60,002+0,266 = 60,268 мм
dp1 = 60,268+0,420 = 60,688 мм
dpзаг = 60,688+4,66 = 65,348 мм
Наибольшие предельные размеры вычисляем прибавлением допуска к округленному наименьшему предельному размеру
dmax3 = 60,002+0,03 = 60,03 мм
dmax2 = 60,268+0,074 = 60,34 мм
dmax1 = 60,69+0,3 = 60,99 мм
dmaxзаг = 65,35+2 = 67,35 мм
Предельные значения припусков Zmaxпр определяем как разность наибольших предельных размеров и Zminпр – как разность наименьших предельных размеров предшествующего и выполняемого переходов
2Zmix3пр = 60,27-60,002 = 0,266 мм 2Zmax3пр = 60,34-60,03 = 0,31 мм
2Zmix2пр = 60,69-60,27 = 0,42 мм 2Zmax2пр = 60,99-60,34 = 0,65 мм
2Zmix1пр = 65,35-60,69 = 4,66 мм 2Zmax1пр = 67,35-60,99 = 6,36 мм
Проверка:
Zmax - Zmin = Ta - Tb Û 2000 - 30 = 7316 - 5346 = 1970 мкм ( Верно! )
Для определения припусков на линейный размер 428 составляем размерную цепь:
zmin = 3,8 A1 = 428-0,3
![]()
A2
A2 min = A1 min + 2×zmin
A2 min = 427,7 + 2×3,8 = 435,3 мм
A2 max = A2 min + Td2 = 435,3 + 3,9 =439,2 мм
Где А2 min, A2 max – соответственно min и max размер заготовки, мм; A1 min – min размер детали, мм; zmin – припуск на обработку, мм; Td2 – допуск на размер, мм.
На остальные обрабатываемые поверхности детали припуски и допуски принимаем по ГОСТ 7505-89 и записываем их значение в таблицу 6.2.
1.6.2 Размерные цепи.
Так как на некоторых операциях обработки технологическая и конструкторская базы не совпадают, следует пересчитать размерные цепи и найти линейный размер А1.
1) Рассчитаем размерную цепь при точении Æ60 мм:
А1 АD = 235±0,23
А2 = 428-1,5
![]() |
А1 = А2 - АD = 193 мм.
ТD = Т1 + Т2;
Т1 = ТD - Т2 = 0,46 – 1,5 = -1,04 мм
Допуск на размер 428 является не технологичным и поэтому его необходимо ужесточить до 428-0,3.
Т1 = ТD - Т2 = 0,46 – 0,3 = 0,16 мм
![]()
![]()
В итоге имеем: ![]()
Проверка на max—min:

2) Рассчитаем размерную цепь при точении конуса 1:10:
А1 АD = 140±0,2
А2 = 428-0,3
А1 = А2 - АD = 288 мм
ТD = Т1 + Т2;
Т1 = ТD - Т2 = 0,4 – 0,3 = 0,1мм
![]()
![]()
В итоге имеем: ![]()
Проверка на max—min:

Остальные размерные цепи рассчитываются точно также с проверкой на min-max, а полученные размеры проставляются на маршрутной карте на окончательных операциях.
1.6.3 Припуски и допуски на обрабатываемые поверхности вал-шестерня (размеры в мм).
Припуски и допуски на линейные, и диаметральные размеры выбираем по ГОСТ 7505-74 в зависимости от веса заготовки и метода ее получения.
Таблица 6.2
| Размеры | Припуски | Допуски | |
| Табличные | Расчетные | ||
| М42x2 6h | 2×2,9 | ||
| Æ60 |
2×2,23 | ||
| Æ75 | 2×3 | ||
| Æ173,72 h10 | 2×3,5 | ||
| 35 | 2,9 | ||
| 200 | 3,3 | ||
| 25 | 2,9 | ||
| 110 | 2×3 | ||
| 33 | 2,9 | ||
| 428 -0,3 | 2×3,8 | ||
Рис. 6.1 Заготовка вал-шестерня полученная штамповкой на молотах с начисленными припусками и допусками по ГОСТ 7505-74.
1.7 Выбор режущего инструмента
Выбор режущего инструмента, его конструкции и размеров определяется видом технологической операции (точение, фрезерование, развертывание), размерами обрабатываемой поверхности, свойствами обрабатываемого материала, требуемой точностью обработки и величиной шероховатости поверхности. Основную массу режущих инструментов составляют конструкции нормализованного и стандартизованного инструмента, для подбора которого существуют многочисленные справочники и каталоги. В крупносерийном производстве могут применяться специальные и комбинированные режущие инструменты, проектируемые в индивидуальном порядке.
![]() |
Рис. 6.2 Схема графического расположения припусков и допусков на обработку диаметра Æ60k6 вала-шестерни.
- Для фрезерования торцев используется торцевая фреза Æ110 мм с вставными ножами из Т15К6 по ГОСТ 9473-80, число зубьев z=8.
- Сверление центровых отверстий осуществляется центровочным комбинированным сверлом по ГОСТ 14034-74, диметр сверла 4 мм.
- Продольное точение проходными отогнутым резцами с пластинами из твердого сплава Т15К6 ГОСТ 18879-73.
- Точение канавок токарные отрезными резцами с пластинами из твердого сплава Т15К6 ГОСТ 18874-73.
- Подрезание торцев подрезными отогнутыми резцами, материал режущей части Т15К6, ГОСТ 18880-73.
- Фрезерование шпоночного паза маятниковой подачей – шпоночными фрезами, материал режущей части Р6М5, ГОСТ 6396-78; число зубьев шпоночной фрезы z = 2, Æ18 мм.
Выбор абразивного круга:
Абразивный материал электрокорунд белый ЭБ;
Абразивный инструмент на керамической связке: 25А;
Зернистость 50, 40, 25;
Твердость среднемягкая СМ2;
Структура 6;
Связка керамическая К5;
Форма прямоугольного профиля ПП;
Класс точности АА или А;
Класс неуравновешенности 2 или 1;
Скорость резания 35 м/с.;
Наружный диаметр D=100 мм;
Ширина 20 мм, внутренний диаметр 30 мм.
- Обозначение круга: ЭБ 25А 40 СМ2 6 К5/ ПП 100´20´32 А2 кл. 35 м/с – для шлифования.
- Фрезерование зубьев осуществляется червячной фрезой Æ190 мм, z = 10, ГОСТ 9324-80.
- Абразивный круг для шлифования зубьев: 2П 250´16´76 Э5 - СМ1 - 25 - 4 - К.
- Токарный резьбовой резец с пластинами из твердого сплава Т15К6, ГОСТ 18885-73.
1.8 Выбор средств измерения
Измерение линейных продольных размеров и неточных диаметральных осуществляется штангенциркулями ШЦ-III ГОСТ 166-73 с пределами измерений 0-500 и ценой деления 0,05.
Измерение глубины центровочных отверстий используем штангенглубиномер ШГ 160 ГОСТ 162-80 с пределами измерений 160 и ценой деления 0,05.
Для уменьшения вспомогательного времени на измерение применяются калибры:
- для наружных диаметров и канавок – калибры-скобы: для размеров 10,5-100 ГОСТ 24833-81;
- для ограничения размеров шпоночных пазов – калибр-призма шпоночная для валов с шириной паза 8-24 мм по ГОСТ 14282-77;
- для контроля резьбы М42x2 6h применяют калибр-кольцо ГОСТ 5682-76;
- для контроля конуса 1:10 применяют калибр-конус ГОСТ 26348-76.
Контроль зубьев — прибор БВ5061 цехового типа для контроля зубчатых колес.
Измерение размеров фасок осуществляем при помощи шаблона фасонного простого профиля.
Для определения шероховатости применяют образцы шероховатости поверхности ГОСТ 9378-84.
1.9 Выбор оборудования, приспособлений, мерительного инструмента
1) Фрезерование торцов и зацентровка:
Выберем фрезерно—центровальный полуавтомат: МР—76М
| Основные характеристики | |
| Цена, руб. | 990000 |
| Наибольшая длина обработки заготовки, мм | 500…1000 |
| Подача суппортов, мм/мин: | |
| фрезерного (бесступенчатое регулирование) | 20….400 |
| сверлильной головки | 20….300 |
| Мощность электродвигателя, кВт | 10.6 |
| Габариты станка, мм | 3300´1575 |
| Категория ремонтной сложности | 7 |
Мерительный инструмент:
- Штангенциркуль - ШЦ-III 0-500 ГОСТ 166-73;
- Штангенглубиномер - ШГ 160ГОСТ 162-80.
Приспособление: призмы подвижные ГОСТ 12193-66.
2) Черновое и чистовое точение:
Выберем токарно-гидрокопировальный полуавтомат: 1722.
| Основные характеристики | |
| Цена, руб. | 645000 |
| Наибольшая длина обработки заготовки, мм | 400 |
| Подача суппортов, мм/мин: | |
| Продольного | 0,05….2,8 |
| Поперечного | 0,025….1,4 |
| Мощность электродвигателя, кВт | 10 |
| Габариты станка, мм | 2505´1190 |
| Категория ремонтной сложности | 19 |
Мерительный инструмент:
- Для контроля диаметров - микрометр МК-75 ГОСТ 6507-73;
- Для контроля длинны - штангенциркуль - ШЦ-III 0-500 ГОСТ 166-73;
- Для контроля ШП - образцы шероховатости поверхности ГОСТ 9678-84;
- Для контроля наружных диаметров и канавок – калибры-скобы: для размеров 10,5-100 ГОСТ 24833-81;
Приспособление: центр плавающий ГОСТ 13214-79; центр вращающийся ГОСТ 8742-75, паводковый патрон ГОСТ 2571-71.
3) Тонкое точение и резьбонарезание:
Выберем токарно-винторезнвй станок: 16К20П.
| Основные характеристики | |
| Цена, руб. | 545000 |
| Наибольшая длина обработки заготовки, мм | 750 |
| Подача суппортов, мм/мин: | |
| Продольного | 5….12500 |
| Поперечного | 10….600 |
| Мощность электродвигателя, кВт | 10 |
| Габариты станка, мм | 2435´1250 |
| Категория ремонтной сложности | 31 |
Мерительный инструмент:
- Для контроля диаметров - микрометр МК-75 ГОСТ 6507-73;
- Для контроля длинны - штангенциркуль - ШЦ-III 0-500 ГОСТ 166-73.
- Для контроля резьбы - калибр-кольцо ГОСТ 5682-76.
- Для контроля ШП - образцы шероховатости поверхности ГОСТ 9678-84
Приспособление: центр плавающий ГОСТ 13214-79; центр вращающийся ГОСТ 8742-75; паводковый патрон ГОСТ 2571-71.
3)Фрезерование зубьев:
Выберем зубофрезерный полуавтомат 5М310:
| Основные характеристики | |
| Цена, руб. | 890000 |
| Диаметр обрабатываемого вала, мм | 200 |
| Наибольший модуль, мм | 4 |
| Наибольший диаметр фрезы, мм | 125 |
| Частота вращения шпинделя, мин/1 | 50…400 |
| Мощность главного привода, кВт | 4 |
| Габариты станка, мм | 1340´810 |
| Категория ремонтной сложности | 7 |
Мерительный инструмент:
- Контроль зубьев — прибор БВ5061 цехового типа для контроля зубчатых колес;
- Для контроля ШП— образцы шероховатости поверхности ГОСТ 9678-84
Приспособление: центр упорный ГОСТ 12614-79; центр вращающийся ГОСТ 8742-75; паводковый патрон ГОСТ 2571-71.
4)Шлифование конуса:
Выберем круглошлифовальный станок: 3Б153Т
| Основные характеристики | |
| Цена, руб | 1160000 |
| Наибольший длина шлифования, мм | 500 |
| Частота вращения шпинделя заготовки, об/мин | 78…780 |
| Частота вращения шпинделя шлифовального круга, об/мин | 1320 |
| Мощность электродвигателя, кВт | 7,5 |
| Габариты станка, мм | 2260´1920 |
| Категория ремонтной сложности | 25 |
Мерительный инструмент:
- Для контроля ШП - образцы шероховатости поверхности ГОСТ 9678-84;
- Для наружных диаметров – калибры-скобы для размеров 10,5-100 ГОСТ 24833-81;
- Для контроля угла конуса применяем угломер универсальный с точностью измерений 5’.
Приспособление: центр гладкий ГОСТ 9561-79; паводковый патрон ГОСТ 2571-71.
5) Фрезерование шпоночного паза:
Выберем шпоночно-фрезерный станок: 692М
| Основные характеристики | |
| Цена, руб. | 473000 |
| Диаметр обрабатываемого вала, мм | 200 |
| Наибольший диаметр фрезы, мм | 125 |
| Мощность главного привода, кВт | 4 |
| Мощность привода подач, кВт | 1,8 |
| Габариты станка, мм | 1320´1380 |
| Категория ремонтной сложности | 7 |
Мерительный инструмент:
- Контроль размера шпонки - калибр-призма шпоночная ГОСТ 14282-77;
- Для контроля ШП - образцы шероховатости поверхности ГОСТ 9678-84;
- Для контроля длины - штангенциркуль - ШЦ-III 0-500 ГОСТ 166-73.
6) Шлифование зубьев:
Выберем зубошлифовальный полуавтомат высокой точности: 5В833.
| Основные характеристики | |
| Цена, руб. | 1050000 |
| Диаметр обрабатываемого вала, мм | 500 |
| Наибольший модуль, мм | 4 |
| Наибольший диаметр круга, мм | 400 |
| Частота вращения круга, мин-1 | 25…1500 |
| Мощность главного привода, кВт | 4 |
| Габариты станка, мм | 2400´2500 |
| Категория ремонтной сложности | 14 |
Мерительный инструмент:
- Контроль зубьев - прибор БВ5061 цехового типа для контроля зубчатых колес;
- Для контроля ШП - образцы шероховатости поверхности ГОСТ 9678-84
Приспособление: центр гладкий ГОСТ 9561-79; паводковый патрон ГОСТ 2571-71.
1.10 Расчет режимов резания и норм времени.
Фрезерно-центровочная:
Фрезерование торцев:
Инструмент: торцовая насадная фреза со вставными ножами из твердого сплава Т15К6 (по ГОСТ 9473—80). (Все коэффициенты взяты из [2]. т.2 стр.265—292).
По таблицам: t = 3,8 мм
S =0,5 мм/об.
Расчет подачи на зуб фрезы:
Sz = S/z = 0,5/8=0,0625 мм/зубфр.
Расчет поправочного коэффициента:
KV = KMV×KПV×KИV = 0,97×1×1 =0,97

Расчет скорости резания:
м/мин.
Расчет частоты вращения:
об./мин, принимаем n = 354 об./мин.
Сила резания:
Н
![]()
Крутящий момент:
Н×м
Эффективная мощность резания:
кВт
Расчет основного времени:
мин
Сверление центровых отверстий:
Инструмент-сверло центровочное комбинированное типа В Æ4 мм (по ГОСТ 14952–75). (Все коэффициенты взяты из [2]. т.2 стр.265—292).
Расчет скорости резания:
м/мин
Расчет поправочного коэффициента:
KV = KMV×KИV×KlV = 0,97×1×1 =0,97

Расчет частоты вращения:
об./мин, принимаем n = 1125 об./мин.
Крутящий момент:
Н×м
Осевое усилие:
Н
Эффективная мощность резания:
кВт
Расчет основного времени:
мин
Общее время на фрезерно-центровачную операцию: t = t1 + t2 = 0,68 + 0,23 = 0,91 мин.
Токарная черновая:
Продольное точение проходными отогнутым резцами с пластинами из твердого сплава Т15К6 ГОСТ 18879-73. (Все коэффициенты взяты из [2]. т.2 стр.265—292).
По таблицам: t = 2,5 мм
S =0,9 мм/об.
Расчет поправочного коэффициента:
KV = KMV×KПV×KИV = 0,97×1×1 =0,97

Расчет скорости резания:
м/мин.
Расчет частоты вращения:
об./мин
об./мин
об./мин
об./мин
об./мин
Сила резания:
Н
Эффективная мощность резания:
кВт
Расчет основного времени:
мин
мин
Токарная чистовая:
Продольное точение проходными отогнутым резцами с пластинами из твердого сплава Т15К6 ГОСТ 18879-73. (Все коэффициенты взяты из [2]. т.2 стр.265—292).
По таблицам: t = 0,5 мм
S =0,42 мм/об.
Расчет поправочного коэффициента:
KV = KMV×KПV×KИV = 0,97×1×1 =0,97

Расчет скорости резания:
м/мин.
Расчет частоты вращения:
об./мин
об./мин
об./мин
об./мин
об./мин
Сила резания:
Н
Эффективная мощность резания:
кВт
Расчет основного времени:
мин
мин
Тонкое точение:
Продольное точение проходными отогнутым резцами с пластинами из твердого сплава Т15К6 ГОСТ 18879-73. (Все коэффициенты взяты из [2]. т.2 стр.265—292).
По таблицам: t = 0,1 мм
S =0,1 мм/об.
Расчет поправочного коэффициента:
KV = KMV×KПV×KИV = 0,97×1×1 =0,97

Расчет скорости резания:
м/мин.
Расчет частоты вращения:
об./мин, принимаем n = 1250 об./мин.
Сила резания:
Н
Эффективная мощность резания:
кВт
Расчет основного времени:
мин
мин
Шлифование:
Шлифование конуса абразивным кругом: ЭБ 25А 40 СМ2 6 К5/ ПП 100´20´32 А2 кл. (Все коэффициенты взяты из [2]. т.2 стр.265—292).
По таблицам: t = 0,133 мм
Vк = 35 м/с.
Vз = 25 м/мин.
SПР = 0,025 мм/дв.х.
Ширина круга В = 20 мм.
Расчет минутной подачи фрезы:
S = (0,3…0,7)В = 0,3×20 = 6 мм/об.
Sм = S×n = 6×110 = 660 мм/мин.
Расчет частоты вращения:
об./мин, принимаем n = 110 об./мин.
Эффективная мощность резания:
кВт
Расчет основного времени:
мин
Фрезерование шпоночных пазов:
Фрезерование шпоночного паза маятниковой подачей – шпоночными фрезами, материал режущей части Р6М5, ГОСТ 6396-78; число зубьев шпоночной фрезы z = 2, Æ18 мм. (Все коэффициенты взяты из [2]. т.2 стр.265—292).
По таблицам: t = 7 мм, за 17 проходов.
SZ =0,28 мм/зуб фр.
Расчет минутной подачи фрезы:
Sм = Sz×z×n = 0,28×2×250 = 140 мм/мин.
Расчет поправочного коэффициента:
KV = KMV×KПV×KИV = 0,98×1×1 =0,98

Расчет скорости резания:
м/мин.
Расчет частоты вращения:
об./мин, принимаем n = 250 об./мин.
Сила резания:
Н
![]()
Крутящий момент:
Н×м
Эффективная мощность резания:
кВт
Расчет основного времени:
мин
Фрезерование зубьев:
Фрезерование зубьев осуществляется червячной фрезой Æ190 мм, z = 10, ГОСТ 9324-80. (Все коэффициенты взяты из [2]. т.2 стр.265—292).
[Параметры взяты из [3], ст.148]
S0 = 1,8 мм/об.
V = 44 м/мин.
Dфр. = 190 мм.
Расчет частоты вращения:
об./мин
Расчет основного времени:
t0 = Lр.х.× zД /(S0×n×e×q) = 47×114/(1,8×74×2×1) = 20,45 мин
Шлифование зубьев:
Абразивный круг для шлифования зубьев: 2П 250´16´75 Э5 - СМ1 - 25 - 4 - К. (Все коэффициенты взяты из [2]. т.2 стр.265—292).
t = 0,16 мм.
SПР = 0,08 мм/дв.х.
Vк = 30 м/с.
Vз = 4 м/мин.
Расчет частоты вращения круга:
об./мин
Расчет основного времени:
мин
Нарезание резьбы:
Токарный резьбовой резец с пластинами из твердого сплава Т15К6, ГОСТ 18885-73. (Все коэффициенты взяты из [2]. т.2 стр.265—292).
По таблицам: t = 0,23 мм
S =2 мм/об.
Расчет скорости резания:
м/мин.
Расчет частоты вращения:
об./мин, принимаем n = 800 об./мин.
Сила резания:
Н
Эффективная мощность резания:
кВт
Расчет основного времени:
мин
1.11 Расчет технической нормы времени
Tв = (Ту.с.+Тз.о.+ Туп + Тиз)×1,85
Tв - вспомогательное время, мин.
Ту.с - время на установку и снятие детали, мин.
Тз.о - время на закрепление и открепление детали, мин.
Туп - время на прием управления, мин.
Тиз - время на измерение, мин.
Тоб = Ттех + Торг
Тоб - время на обслуживание рабочего места, мин.
Ттех - время на техническое обслуживание рабочего места, мин.
Торг - время на организационное обслуживание рабочего места, мин.
Топ = То + Тв
Топ - оперативное время, мин.
То - основное время, мин.
Тшт = То + Тв + Тоб + Тот
Тшт - штучное время
Тот - время на отдых, мин.
Тш-к = Тп.з./n + Тшт
Тш-к – штучно-калькуляционное время, мин.
Тп.з - подготовительно-заключительное время, мин.
В серийном производстве для всех операций кроме шлифования время на обслуживание рабочего места и время на отдых по отдельности не определяются. В нормативах дается сумма двух составляющих в процентах от оперативного времени.
Все расчеты по определению штучно-калькуляционного времяни приведены в таблице 10.1.
Таблица 10.1 Технические нормы времени по операциям
| номер операции | То | Ту.с. | Тз.о. | Туп. | Тиз | Тв | Топ | Тоб | Тшт | Тп-з | Тшт-к |
| 005 Фрезерно-центровальная | 0,91 | 0,15 | 0,024 | 0,14 | 0,23 | 1,006 | 1,9 | 0,13 | 2,06 | 26 | 2,34 |
| 010 Токарная черновая | 0,60 | 0,25 | 0,071 | 0,045 | 0,21 | 1,066 | 1,7 | 0,11 | 1,78 | 7 | 1,85 |
| 015 Токарная черновая | 0,98 | 0,25 | 0,071 | 0,045 | 0,21 | 1,066 | 2,0 | 0,13 | 2,18 | 7 | 2,25 |
| 020 Улучшение | |||||||||||
| 025 Токарная чистовая. | 0,65 | 0,25 | 0,071 | 0,045 | 0,21 | 1,066 | 1,7 | 0,11 | 1,82 | 7 | 1,90 |
| 030 Токарная чистовая | 1,05 | 0,25 | 0,071 | 0,045 | 0,21 | 1,066 | 2,1 | 0,14 | 2,25 | 7 | 2,33 |
| 035 Тонкое точение | 0,20 | 0,25 | 0,071 | 0,045 | 0,16 | 0,973 | 1,2 | 0,08 | 1,25 | 7 | 1,33 |
| 040 Тонкое точение | 0,21 | 0,25 | 0,071 | 0,045 | 0,16 | 0,973 | 1,2 | 0,08 | 1,26 | 7 | 1,33 |
| 045 Зубофрезерная | 20,45 | 0,08 | 0,071 | 0,34 | 0,02 | 0,945 | 21,4 | 1,71 | 23,1 | 21 | 23,33 |
| 050 Зубошлифовальная | 5,64 | 0,08 | 0,071 | 0,615 | 0,02 | 1,454 | 7,1 | 0,28 | 7,38 | 120 | 8,7 |
| 055 Фрезерование шпоночного паза | 12,51 | 0,162 | 0,024 | 0,19 | 0,28 | 1,214 | 13,7 | 0,89 | 14,6 | 24 | 14,88 |
| 060 Шлифование конуса | 1,80 | 0,25 | 0,071 | 0,045 | 0,22 | 1,084 | 2,9 | 0,19 | 3,07 | 9 | 3,17 |
| 065 Резьбонарезная | 0,22 | 0,25 | 0,071 | 0,045 | 0,59 | 1,769 | 2,0 | 0,13 | 2,12 | 7 | 2,19 |
Раздел 2. Проектирование приспособления для фрезерования шпоночных пазов
2.1 Виды и назначения станочных приспособлений
Станочные приспособления применяют для установки заготовок на металлорежущие станки. Различают три вида станочные приспособления:
- специальные (одно-целевые, не переналаживаемые);
- специализированные (узкоцелевые, ограниченно переналаживаемые);
- универсальные (многоцелевые, широко переналаживаемые).
Обоснованное применение станочного приспособления позволяет получать высокие технико-экономические показатели. Трудоемкость и длительность цикла технологической подготовки производства, себестоимость продукции можно уменьшить за счет применения стандартных систем станочных приспособлений, сократив трудоемкость, сроки и затраты на проектирование. Производительность труда значительно возрастает (на десятки - сотни процентов) за счет применения станочные приспособления: быстродействующих с механизированным приводом, многоместных, автоматизированных, предназначенных для работы в сочетании с автооператором или технологическим роботом.
Точность обработки деталей по параметрам отклонений размеров, формы и расположения поверхностей увеличивается (в среднем 20 - 40 %) за счет применения станочные приспособления точных, надежных, обладающих достаточной собственной и контактной жесткостью, с уменьшенными деформациями заготовок и стабильными силами их закрепления. Применение станочные приспособления позволяет обоснованно снизить требования к квалификации станочников основного производства (в среднем на разряд), объективно регламентировать длительность выполняемых операций и расценки, расширить технологические возможности оборудования.
Станочные приспособления состоят из корпуса, опор, установочных устройств, зажимных механизмов (зажимов), привода вспомогательных механизмов, деталей для установки, направления и контроля положения режущего инструмента. Графические обозначения опор и зажимных механизмов регламентированы ГОСТ 3.1107-81.
2.2 Выбор оборудования
Фрезерование шпоночного паза вала-шестерни проводится на шпоночно-фрезерном станке модели 692М.
Этот станок предназначен для фрезерования шпоночных пазов на валах методом маятниковой подачи.
Размеры стола 8000´500 мм
Расстояние от торца шпинделя до стола 500 мм.
2.3 Выбор режущего инструмента.
Фрезерование методом маятниковой подачи проводится специальными шпоночными фрезами с двумя зубьями.
Материал режущей части быстрорежущий сплав Р6М5.
Фреза шпоночная Æ18, число зубьев z=2, оснащенная твердосплавными пластинами, ГОСТ 6396-78.
2.4 Расчет режимов и сил резания
Расчет режимов и сил резания, выбор элементов для расчета проводим по [2, т.2].
Глубина резания: t = 0,4 мм,
Диаметр фрезы: D = 18 мм
Подача на зуб: Sz = 0,28 мм/зуб
Число зубьев фрезы: z =2
Стойкость фрезы: T = 80 мин
По таблице выбираем значения коэффициентов и показателей степени в формуле скорости резания для шпоночной фрезы с материалом режущей части Р6М5. (Все коэффициенты взяты из [2]. т.2 стр.265—292).
По таблицам: tобщ. = 7 мм, маятниковой подачей за 17 проходов.
SZ = 0,28 мм/зуб фр.
Расчет минутной подачи фрезы:
Sм = Sz×z×n = 0,28×2×250 = 140 мм/мин.
Расчет поправочного коэффициента:
KV = KMV×KПV×KИV = 0,98×1×1 =0,98

Расчет скорости резания:
м/мин.
Расчет частоты вращения:
об./мин, принимаем n = 250 об./мин.
Сила резания:
Н
![]()
Крутящий момент:
Н×м
Эффективная мощность резания:
кВт
Из расчета на износ фрезы до допустимых пределов:
Н
кВт
Составляющие силы резания:

2.5 Описание конструкции приспособления
На корпус 2 крепятся призмы 5 посредством винтов 11. Призмы центрируются штифтами 19. В упор 6 ввинчивается установочный винт 12. Пневмокамеры 1 и стакан 3 крепятся к корпус с помощью болтов 9 и гаек 11, и шайб 15. А сама пневмокамеры скрепятся с помощью болтов 7 и гаек 11, и шайб 15
На резьбовой конец штока пневмокамеры наворачивается прихват 4. В стакан 3 ввинчивается установочный винт 10, и шайба 14.
2.6 Описание работы приспособления
Приспособление устанавливается на стол станка корпус 2 и закрепляется на нем посредством болтового соединения.
Обрабатываемая деталь – вал-шестерня устанавливается на призмы 5 с упором в установочный винт 12, зажимается сверху закаленной прижимной плоскостью прихвата 4. Далее можно проводить процесс обработки.
Привод зажима осуществляется следующим образом: воздух подаётся в верхнюю полость пневмокамеры 1, усилие мембраны передаётся на шток пневмокамеры, от штока на прихват 4, зажимающий деталь.
После процесса обработки воздух подается в нижнюю полость пневмокамеры. Шток с закрепленным на нем прихватом движется вверх и по винтовой канавке с помощью установочного винта 10 отводится в сторону.
2.7 Расчёт силового замыкания
Установку детали осуществляем на 2 узкие призмы. Зажим осуществляем по центру.
Усилие зажима будем рассчитывать по опоре, ближайшей к месту приложения сил резания, для обеспечения наименьших деформаций скручивания, т.к. при разнесении рассчитанной по условиям статики силы зажима касательные напряжения будут действовать по длине установленной детали до крайней опоры и будет наблюдаться скручивание по длине детали до крайней от места приложения силы резания поры. При приложении такой же силы к крайней опоре исключаются до минимума деформация скручивания и колебания установленной детали.
![]()
Опору детали (призму) располагаем так, чтобы над ней располагалась как обрабатываемая, так и зажимаемая поверхности.
y
x
Рис. 2.1 Схема установки детали и силы, действующие на неё.
Расчет необходимой силы зажима.
Сначала найдем силу зажима W из условия отсутствия продольного перемещения детали при установке (рис. 2.2.).
fN1+fN2- Py=0
N1cos45°+N2×cos45°+fN1×cos45°-fN2×cos45°-Px-W-G=0
где: f=0,12 - коэффициент трения
Приближенно принимаем: 0,707×(N1+N2)=W+PX+G
f×(W+ PX+G ) =0,707×Py
W= (0,707×Py/f)- PX-G=(0,707×79,6/0,12)-109,45-278=81,6 H
Далее находим силу зажима W из условия отсутствия прокручивания детали вокруг оси. Силы резания прикладываем к наружной поверхности детали, соответствующей началу фрезерования, т.к. при том действуют максимальные моменты.
SFx =0
SFy =0
SM0 =0
Pz –fW+fN2×cos45°+fN1×cos45°+ N2×cos45°- N1×cos45°=0
N2×sin45°+N1× sin45°+fN1×sin45°-fN2×sin45°-W-Px-G=0
PzR –fWR-fN2R-fN1R=0
Pz-0,12×W-0.62×N2+0,79×N1=0
- Px-G-W+0,62×N2+0,79×N1=0
Pz-0,12×W-0,12×N2-0,12×N1=0
-0,5N1+0,9N2=0
N1=1,82×N2
- PX-G-W+2,06×N2=0
Pz-0,12×W-0,34×N2=0
- 0,12×PX-0,12×G- Pz +0,59×N1=0
N2=(0,12×PX +0,12×G+ Pz)/0,59=(0,12×109,45+0,12×278+199)/0,59=419,4 H
N1=1,82×419,4=763,3 H
W = 2,06×N2- PX -G=2,06×416,1-109,45-278 = 476,5 H
Сила зажима, требуемая по условию проворачивания меньше силы, требуемой по условию продольного перемещения, следовательно, принимаем эту силу в качестве требуемой силы зажима.
W = 476,5 H – усилие зажима без учета коэффициента запаса.
2.8 Расчёт коэффициента запаса
В расчёт сил закрепления вводят коэффициент запаса k. Он необходим для обеспечения сил надёжности зажимающих устройств, т.к. вырыв или смещение заготовки при обработке недопустимы. К учитывает неточность расчётов, непостоянство условий обработки и установки заготовки.
k=k0×k1×k2×k3×k4×k5×k6
k0=k0’×k0’’×k0’’’ - учитывает неточность расчётов
где: k0’=1,1 - учитывает неточность расчета силы резания.
k0’’=1,2 - учитывает несовершенство расчетной схемы (в нашем случае многозвенная система зажима).
k0’’’=1,1 - учитывает внезапные факторы (твердые включения в обрабатываемом материале, выкрашивание режущей кромки и др.).
k0=1,1×1,2×1,1=1,452
k1=1,1 - учитывает наличие случайных неровностей на поверхности заготовки, что вызывает увеличение силы резания.
k2=1,4 - учитывает увеличение силы резания от прогрессирующего затупления инструмента [ . табл. 12]
k3=1,2- учитывает увеличение силы резания при прерывистом резании.
k4=1,2 - учитывает непостоянство развиваемых сил (при использовании пневморычажных систем).
k5=1 - характеризует удобство расположения рукояток в ручных зажимных устройствах.
k6=1 - характеризует неопределенность мест контакта относительно центра возможного поворота заготовки.
k=1.452×1,1×1,4×1,2×1,2×,1×1=3,22
Сила зажима с учетом коэффициента запаса:
W = 476,5×3,22 = 1,534 кН
2.9 Расчет пневмокамеры
Диаметр пневмокамеры определяется по формуле:
![]()
где: Q – необходимое усилие на штоке
p – рабочее давление
D –диаметр диафрагмы
d –диаметр шайбы, d=0,7D
Принимаем p=0,4 МПа
мм
Выбор пневмокамеры с ее параметрами и размерами: [3, стр.233-235].
Принимаем диаметр пневмокамеры: D=125 мм;
Диаметр шайбы пневмокамеры: d=88 мм;
Толщина резинотканевой диафрагмы: t=4 мм.
Ход штока: l=0,35×D=43мм
2.10 Расчет погрешности установки детали в приспособлении.
Погрешность базирования:
![]()
где TD - допуск на диаметр который используется в качестве установочного, в
нашем случае TD = 0,058 мм , а - угол призмы (примем а = 90е)
Определяем допустимую погрешность базирования:
![]()
где Т- допуск на глубину паза (т.к. глубина паза задана размером 21,5h12, то допуск Т = 0,21 мм)
- погрешность установки, зависящая от установочной поверхности, детали для нашего случая
= 0, т.к. установочная поверхность достаточно точная.
- погрешность закрепления детали в приспособлении,
Определяем погрешность закрепления детали в приспособлении из [2, стр 52]

подставляем все коэффициенты и находим:

- погрешность обработки детали, принимаем
= 0,02 мм,
- составляющая, учитывающая систематические погрешности
Определяем значение систематической погрешности:
=
cm +
н +
up +
n
где
cm - погрешность станка;
н -погрешность настройки режущего инструмента;
Из [1, стр 70] находим погрешность наладки:
![]()
где
р = 0,005 мм - погрешность регулирования, установки фрезы на размер;
изм = 0,005 мм - погрешность измерения;
Следовательно:
=0,0075мм
up - погрешность, возникающая в результате износа режущего инструмента, по рекомендации из [1, стр 74]
up = 0,005 мм.
n - погрешность приспособления, принимаем 0,01 мм . Определяем из [1,стр 59] погрешность станка 0,01 мм
= 0,01+0,0075+0,005+0,01 = 0,032
Окончательно имеем:
= 0,176 мм
т.к. 0,176 > 0,12 , следовательно, при такой схеме базирования возможна качественная обработка шпоночного паза
2.11 Расчет растяжения и изгиба прихвата
Растяжение:
- условие прочности при растяжении, где ![]()
![]()
где А площадь поперечного сечения прихвата в месте где наварачивается шток пневмокамеры:
см2
N – воздействующая сила, равна силе зажима:
N = W = 1534 Н
МПа
- условия выполняются
Изгиб:
- условие прочности при изгибе, где
МПа
где ![]()
МПа
- условия прочности выполняются
Раздел 3. Разработка мерительного приспособления для контроля отклонения соосности шеек под подшипники
3.1 Назначение мерительных приспособлений
Мерительные приспособления преднозначены для измерения и контроля отклонения от формы, располофения поверхностей, ра диального и торцевого биения. Это необходимо для того , что бы когда эта деталь будет работать в узле не возникали различные усилия которые мегут привести к нежилательным последствиям снижающии срок эксплуатации всего узла. Для этого необходимо производить измерение и контроль хотябы 20% деталий от всего годового выпуска, что может позволить снизить брак из-за износа инструмента при обработки детали и другое.
3.2 Описание конструкции приспособления
На плиту 1 крепятся призма 2 посредством болтов 5. Призмы выполнены в единой детали поэтому центрирование штифтами не надо. Стойки 3 также крепится на плиту 1 болтами 5 с выдерживанием размеров между стойками и удаления их от призмы для обеспечения снятия и установки детали. На стойку 3 надевается держатель 4 который фиксируется посредством винта 6. В держатель вставляется измерительная головка (ИГ) 8, которая фиксируется винтом 6, что обеспечивает необходимый зажим ИГ.
3.3 Описание работы приспособления
Приспособление устанавливается на стол плитой 1. Обрабатываемая деталь – вал-шестерня устанавливается на призмы 2, держатели с ИГ необходимо повернуть в стороны для удобной установки детали. При полной установки детали в приспособление держатели поворачиваем в положение для измерения. После чего ИГ надо выставить в одинаковое положение для снятия показаний. Показания снимаются через каждые 30° при помощи диска с проградуированой градусной шкалой – это связано с тем, что мы не сможем зафиксировать измерения за маленький угол.
Схема 3.1 Контроль отклонения соосности шеек под подшипники
3.4 Расчет погрешности установки детали в приспособлении.
Погрешность базирования детали в мерительное приспособление:
![]()
где TD - допуск на диаметр (d=60+0,021+0,002) который используется в качестве установочного, в нашем случае TD = 0,019 мм , а - угол призмы (примем а = 90е).
Необходимо чтобы погрешность базирования была меньше допуска на отклонение. В нашем случаи допуска на отклонение равен 0,03 мм, а погрешность базирования равна 0,004 мм, что в 7,5 раз меньше допуска на отклонение.
Список использованной литературы
1. Технология машиностроения. Беспалов Б.Л. и др., М.: Машиностроение, - 1973 г.
2. Справочник технолога-машиностроителя. В 2-х т. под ред. Косиловой и Мещерякова Р.К. – М.: Машиностроение, 1985.
3. Курсовое проектирование по технологии машиностроения: Учебное пособие для машиностроительных специальностей ВУЗов. – Мн: Выш. школа, 1983.
4. Допуски и посадки. Справочник. В 2-х ч./ В.Д. Мягков, М.А. Палей и др. – Л.: Машиностроение, 1983.
5. Справочник конструктора-машиностроителя. В 3-х т. В.И. Анурьев, – М.: Машиностроение, 1982.
6. Обработка металлов резанием. Справочник технолога. Под ред. Г.А. Монахова. – М.: Машиностроение, 1974.
7. Технология машиностроения. Под ред. М.Е. Егорова, - М.: Высшая школа, 1976.
8. Технология машиностроения. Методические указания к курсовой работе для студентов специальности 1201 и 1202 ФАМ. В.И. Комиссаров, Н.Г. Нестеренко, А.И. Безнедельный, - Н-ск.: НГТУ, 1997.
9. Приспособление для металлорежущих станков. Справочник. А.К. Горошкин, М.: Машиностроение, - 1971г.
10. Режимы резания металлов. Справочник. Ред. Ю.В. Барановский. М.: Машиностроение, - 1972г.
11. Курсовое проектирование по технологии машиностроения. А.Ф. Горбацевич, В.А. Шкред, Минск, Высшая школа, - 1982г.
12. Справочник технолога-машиностроителя. В 2-х т. под ред. Косиловой и Мещерякова Р.К. – М.: Машиностроение, 1985.
13. Приспособление для металлорежущих станков. Справочник. А.К. Горошкин, М.:Машиностроение, - 1971г.
14. Горошкин А.К. Приспособления для металлорежущих станков: Справочник. – 7-е изд., перераб. и доп. – М.: Машиностроение, 1979.
15. Корсаков В.С. Основы конструирования приспособлений: Учебник для вузов. – 2-е изд., перераб. и доп. – М.: Машиностроение, 1983.
16. Станочные приспособления: Справочник. В 2-х т. Под ред. Б.Н. Вардашкин и др. – М.: Машиностроение, 1984 – т.2
17. М.А. Ансеров Приспособления для металлорежущих станков: Расчеты и конструкции. – 3-е изд., стереот. – М.: Машиностроение, 1966.
Похожие рефераты:
Разработка технологических процессов на механическую обработку вала первичного
Теоретические методы технологии машиностроения
Разработка технологического процесса изготовления "Вала"
Разработка технологического процесса детали "Шатун"
Разработка приспособления для фрезерования и сверления отверстий в держателе манометра МПЗ-У
Разработка оптимального технологического процесса производства детали "Вал"
Проектирование цеха ремонта поршневых компрессоров
Разработка автоматизированного участка изготовления детали "Фланец"
Технологический процесс изготовления вала насоса
Разработать технологический процесс обработки детали "Вал" в условиях среднесерийного производства
Исследование и проектирование червячной фрезы с комбинированной передней поверхностью

