| Похожие рефераты | Скачать .docx |
Курсовая работа: Инженерный расчёт активных фильтров
Министерство образования и науки Украины
Приазовский государственный технический Университет
Кафедра АЭС и ЭП
Пояснительная записка к курсовой работе
«Инженерный расчёт активных фильтров»
по курсу «Элементы автоматических устройств»
Выполнил
Принял
Мариуполь 2003
Содержание
Задание
Краткие теоретические положения
Расчёт фильтра Баттерворта нижних частот четвёртого порядка
Расчёт фильтра Чебышева высоких частот четвёртого порядка
с неравномерностью 0,5dB
Расчёт полосового фильтра первого порядка
Заграждающий фильтр первого порядка
Выводы
Задание к курсовой работе
Необходимо выполнить расчёт и моделирование четырёх активных фильтров.
1. Определить необходимый порядок фильтра.
2. Выполнить расчёт основных параметров фильтра, получить выражение для коэффициента передачи в функции частоты.
3. Используя MathCad построить желаемую ЛАЧХ
4. Составить принципиальную схему и рассчитать.
5. Выбрать активные и пассивные элементы фильтра.
6. Произвести моделирование.
7. Сделать выводы сравнив аналитически рассчитанные и полученные путём моделирования данные.
| АЧХ | Крутизна спада | Частота среза | Ширина ПП | ||
| k | 9 | ФНЧ | -80 | 915 | - |
| n | 13 | ФВЧ | -80 | 8750 | - |
| m | 3 | ПФ | -20 | 4090 | 130 |
| ЗФ | -20 | 915 | 390 |
Краткие теоретические положения
Фильтры это устройства которые необходимы для выделения из всего спектра частот, какой то одной частоты (либо спектра частот) и её передачу в отдельности от других, либо наоборот её подавление.
Простые фильтры первого порядка могут выполняться на простых RCL-цепочках, при этом спад АЧХ такого фильтра будет 20дБ/дек, если же необходимо добиться более крутого спада АЧХ то необходимо применять фильтры более высокого порядка, такие фильтры можно сделать только с использованием активных элементов.
Пассивные RLC-цепи
Фильтр нижних частот
Такой фильтр обеспечивает передачу сигнала на нижних частотах и затухание на частоте превышающей частоту среза фильтра.
![]() |
Описание в частотной области
Передаточная функция звена ![]()
Учитывая,что
получим
.
Положив что
получим выражение для частоты среза ![]()
Фазовый сдвиг на этой частоте составляет -45Как видно из диаграммы Боде, АЧХ ![]()
просто представить из двух асимптот:
1) [A]=0 Дб на нижних частотах f<<fg
2) На высоких частотах fg <<f [A]=1/RC
-коэффициент усиления пропорционален частоте. При увеличении частоты в 10 раз коэффициент уменьшается в 10 раз, т.е -20 Дб на декаду.
3) ![]()
Фильтр верхних частот
Фильтр верхних частот -это схема, которая передает без изменений сигналы высоких частот, а на низких частотах обеспечивает затухание сигналов и опережение их по фазе относительно входных сигналов.
![]() |
![]()
Из формулы следует, что модуль комплексного коеф. усиления и угол сдвига определяются как ![]()
Выражение для частоты среза совпадает с соответствующим выражением для фильтра нижних частот. Фазовый сдвиг на этой частоте составляет + 45. Как и для фильтра нижних частот, наиболее просто составить АЧХ в двойном логарифмическом масштабе с помощью асимптот:
![]() |
1)|A|=1=`0 дБ, на высоких частотах f>>fg.
2) На низких частотах f<<fg |A|=RCкоэффициент усиления пропорционален частоте. Наклон асимптоты равняется + 20 дБ на декаду.
3) ![]()
Активные фильтры
Как и в пассивных фильтрах, RC-элементы являются неотъемлемой частью и в активных цепях. Меняя их параметры можно добиться нужного вида АЧХ. Если необходимо получить более быстрое уменьшение коэффициента передачи, можно включить nфильтров нижних частот последовательно.
Передаточная функция фильтра нижних частот в общем виде выглядит так:
, порядок фильтра определяется максимальной степенью P.
Передаточная функция фильтра верхних частот в общем виде выглядит так:
, порядок фильтра определяется максимальной степенью P.
Заграждающий либо полосовой фильтр можно получить путём соединения ФВЧ и ФНЧ, при этом передаточная характеристика результирующего фильтра будет произведением передаточных функций полюсов.
Расчёт фильтра Баттерворта нижних частот четвёртого порядка



Результаты моделирования в пакете Multisim 2001
Исследуемая схема

Диаграмма Боде исследуемого фильтра


Реакция фильтра на сигнал прямоугольной формы
1. ![]()

2. 

3. 

4.![]()

5. ![]()

Расчёт фильтра Чебышева высоких частот четвёртого порядка с неравномерностью 0,5dB .


Моделирование работы схемы в пакете Multisim 2001
Исследуемая схема

Диаграмма Боде исследуемого фильтра


Реакция фильтра на сигнал прямоугольной формы
1. ![]()

2.

3.

4.![]()

5.![]()

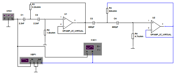
Расчёт полосового фильтра первого порядка


Моделирование работы схемы в пакете Multisim 2001
Исследуемая схема.

Диаграмма Боде исследуемого фильтра


Данный фильтр отвечает поставленными нами требованиям
Импульсный режим работы фильтра
1.![]()

2.

3.

4.![]()

5.![]()

Полосовые фильтры с успехом могут применяться в активных акустических системах Hi-End класса, в средствах связи. Причём если это радиосвязь, то фильтр будет работать на относительно высоких частотах, если же связь осуществляется по каким либо коммутируемым линиям, например телефонная связь, то частота сигнала не будет превышать 10кГц и, следовательно, не потребуется особый подбор элементов по каким то частотным критериям.
Заграждающий фильтр первого порядка


Моделирование работы схемы в пакете Multisim 2001
Исследуемая схема

Диаграмма Боде исследуемого фильтра



1.![]()

2.

3.

4.![]()

5. ![]()

Полученная модель заграждающего фильтра на основе аналитического расчёта вполне соответствует заданным характеристикам.
Выводы по курсовому проекту
В данной работе были спроектированы четыре типа активных фильтров, а так же составлены модели и проверены на работоспособность и соответствие поставленным требованиям.
Проектирование активных аналоговых фильтров является довольно полезным опытом, так как фильтры находят применения во многих электронных устройствах, будь то средства связи, акустические системы или источники питания.
Курсовой проект позволил не только получить опыт аналитического расчёта, но и научиться выбирать активные и пассивные элементы схем в соответствии с поставленными техническими требованиями и характеристиками.
Похожие рефераты:
Методы позиционирования и сжатия звука
Машины, которые говорят и слушают
Приемник цифровой системы передачи информации ВЧ-каналом связи по ВЛ
Расчет линии связи для системы телевидения
Разработка систем передачи информации нового поколения
Модель тракта прослушивания гидроакустических сигналов


