| Похожие рефераты | Скачать .docx |
Курсовая работа: Гидравлика
1 Жидкость и ее основные физические свойства
1.1 Определение жидкости
Жидкость - физическое тело, обладающее свойством текучести, т.е. способностью неограниченно изменять свою форму под действием даже весьма малых сил, но в отличие от газов практически не изменяющее свой объем при изменении давления.
В обычном состоянии жидкость оказывает малое сопротивление разрыву и большое сопротивление сжатию (имеет малую сжимаемость). Вместе с тем жидкость оказывает значительное сопротивление относительному движению соседних слоев (обладает вязкостью) . В понятие «жидкость» включают как жидкости обычные, называемые капельными, так и газы, когда их можно считать как сплошную малосжимаемую легкоподвижную среду.
В гидравлике рассматривают только капельные жидкости. К ним относятся вода, нефть, керосин, бензин, ртуть и др. Газообразные жидкости - воздух и другие газы - в обычном состоянии капель не образуют. Основной особенностью капельных жидкостей является то, что в большинстве случаев их рассматривают как несжимаемые.
1.2 Основные свойства жидкости
Рассмотрим основные физические свойства жидкости: плотность, удельный вес, температурное расширение и вязкость.
1 Плотность
- отношение массы жидкости mк занимаемому объему V :
.(1.1)
Единица плотности в системе СИ-
.Плотность воды при температуре ![]()
.
2 Удельный вес
(
)- это вес единицы объема, т.е.
, (1.2)
где
-вес жидкости в объеме V.
Для воды при
имеем
.
Между удельным весом
и плотностью
можно найти связь, если учесть что G=mg:
. (1.3)
3 Температурное расширение. Характеризируется температурным коэффициентом
объемного расширения, представляющим собой относительное изменение объема жидкости при изменении температуры на
:
(1.4)
где ![]()
![]()
изменение температуры,
.
4 Вязкость-свойство жидкости оказывать сопротивление относительному движению (сдвигу) ее слоев. Это свойство проявляется в том, что в жидкости при ее движении между слоями возникают касательные напряжения. При течении вязкой жидкости вдоль твердой стенки происходит торможение потока, обусловленное вязкостью (рис. 1.1). Скорость U уменьшается по мере уменьшения расстояния y от стенки.
![]() |
Согласно гипотезе И.Ньютона касательные напряжения , возникающие в движущейся жидкости, зависят от ее рода и характера и прямо пропор-циональны градиенту скорости |
| Рисунок 1.1 – Профиль скоростей при течении вязкой жидкости |
, (1.5)
где
коэффициент динамической вязкости жидкости;
-приращение скорости, соответствующее приращению координаты dy.
Градиент скорости
характеризует интенсивность сдвига жидкости в данной точке, коэффициент
- вязкость капельных жидкостей и имеет размерность Нс/м2
(Па∙с).
На практике наиболее часто используется коэффициент кинематической вязкости
. (1.6)
Он измеряется в
. Для воды при ![]()
.
2 Гидростатика
2.1 Гидростатическое давление
Гидростатика — это раздел гидравлики, в котором изучаются законы равновесия жидкости и применение этих законов для решения практических задач.
На жидкость, находящуюся в состоянии равновесия (покоя), действуют две категории сил: поверхностные и массовые.
Поверхностные силы - это силы, действующие на поверхности объемов жидкости, например, сила давления поршня, сила атмосферного давления. Массовыми являются силы, пропорциональные массе жидкости: силы тяжести, инерции. В результате действия внешних сил внутри жидкости возникает напряжение сжатия или гидростатическое давление. Итак, гидростатическим давлением р называется сжимающее напряжение, возникающее внутри покоящейся жидкости. Средним гидростатическим давлением называется отношение
(2.1)
где F- сжимающая сила, Н; S- площадь площадки,
.
Гидростатическое давление, как и напряжение, измеряется в
или в паскалях (Па):1
=1Па= =
Кроме того, гидростатическое давление измеряется в
, высотой столба жидкости, мм вод.ст. и мм рт. ст., в атмосферах физических ,а, и технических ,ат. На практике давление часто имеряют в технических атмосферах. Между единицами существует следующая связь:
.
Гидростатическое давление имеет такие свойства:
а) гидростатическое давление направлено всегда по внутренней нормали (перпендикуляру) к площадке, на которую оно действует (рис 2.1);

Рисунок 2.1 - Направление давления
б) гидростатическое давление в любой точке жидкости по всем направлениям одинаково.
2.2 Основное уравнение гидростатики
Возьмем в жидкости произвольную точку с координатой Z и глубиной погружения h(рис 2.2).
|
Уравнение, выражающее гидростатическое давление р в любой точке неподвижной жидкости в том случае, когда из массовых сил на нее действует только одна сила тяжести, называется основным уравнением гидростатики |
| Рисунок 2.2 – Давление в точке |
(2.2)
где
- давление на свободной поверхности жидкости;
h- глубина расположения рассматриваемой точки.
Другая форма записи уравнения (2.2) имеет вид
(2.3)
где z и
-вертикальные координаты произвольной точки и свободной поверхности жидкости, отсчитываемые от горизонтальной плоскости.
При известной величине удельного веса
уравнение (2.2) можно записать в виде
. (2.4)
Из выражения (2.4) следует, что гидростатическое давление р в данной точке равно сумме давлений на свободной поверхности жидкости
и давления, производимого столбом жидкости высотой, равной глубине погружения точки.
2.3 Понятие о пьезометрической высоте и вакууме
Различают давление, которое соответствует абсолютному нулю, и давление атмосферное (рис.2.3). Относительно абсолютного нуля давление в любой точки жидкости называется абсолютным
.
![]() |
Разность между абсолютным давлением |
| Рисунок 2.3 – Виды давления |
(2.5)
Избыточным (манометрическим) называется давление, превышающее атмосферное (см.рис.2.3). Давление, недостающее до атмосферного, или разность между атмосферным
и абсолютным давлением
, называется вакуумметрическим давлением или вакуумом
. (2.6)
Рассмотрим закрытый сосуд1, заполненный жидкостью, на поверхности которой действует давление
, превышающее атмосферное давление
. К сосуду присоединена трубка 2, открытая сверху, т.е. сообщающаяся с атмосферой (рис 2.4). Так как давление на поверхности жидкости
больше атмосферного, то жидкость в трубке 2 поднимается на некоторую высоту
, которая в гидравлике называется пьезометрической высотой, а сама трубка- пьезометром.
![]() |
| Рисунок 2.4- Пьезометрическая плоскость |
Пьезометрическая высота
определяется из зависимостей (2.2) и (2.5):
. (2.7)
Аналогично определяется вакуумметрическая высота с учетом уравнения (2.6):
. (2.8)
Плоскость П-П, давление во всех точках которой равно атмосферному, называется пьезометрической. Если сосуд открыт, то пьезометрическая плоскость совпадает со свободной поверхностью жидкости.
2.4 Приборы для измерения давления
Для измерения давления используют жидкостные (барометр, пьезометр, вакуумметр, дифманометр), механические (манометр, вакуумметр) и электрические приборы. Рассмотрим принцип действия основных из них.
Барометр состоит из открытой чашки, заполненной ртутью, и стеклянной трубки, верхний конец которой запаян,
![]() |
а нижний опущен в чашку под уровень ртути (рис.2.5). В верхней части трубки воздуха нет, поэтому в ней действует давление насыщенных паров ртути |
| Рисунок 2.5 – Ртутный барометр |
(2.9)
где
- плотность ртути; h- высота подъема жидкости в трубке.
Пьезометр - это прибор для измерения небольших давлений в жидкости при помощи высоты столба этой жидкости (рис.2.6).
![]() |
Он состоит из вертикальной стеклянной трубки, верхний конец которой открыт и сообщается с атмосферой, а нижний присоединен к сосуду, в котором измеряют давление р. |
| Рисунок 2.6 – Пьезометр |
По основному уравнению гидростатики
. (2.10)
Вакуумметр - это U-образная стеклянная трубка, в колене которой имеется жидкость, тяжелее от той, которая
![]() |
находится в сосуде. Один конец трубки соединен с сосудом, а второй открыт (рис.2.7). Давление |
| Рисунок 2.7 – Жидкостной вакууметр |
. (2.11)
Пружинный манометр (рис.2.8) состоит из корпуса 5, штуцера 6, манометрической (пружинной) трубки 4, передающе-
![]() |
го механизма 3, стрелки 2 и шкалы 1. Жидкость под давлением попадает в штуцер, а затем в трубку. Под действием давления трубка разгибается и перемещается ее свободный конец, связанный со стрелкой прибора. |
| Рисунок 2.8 – Пружинный манометр |
2.5 Сила давления жидкости на плоские поверхности
Сила давления жидкости на погруженную в нее плоскую поверхность (рис.2.9) равна
(2.12)
![]() |
где |
| Рисунок 2.9 – Схема для определения силы давления жидкости |
- гидростатическое давление в центре тяжести поверхности.
Таким образом, полная сила давления на плоскую стенку равна произведению площади этой стенки на величину гидростатичес- кого давления
в ее центре тяжести.
Выражение (2.11) можно представить в виде
(2.13)
где
(2.14)
(2.15)
Сила
представляет собой силу поверхностного давления
. Поскольку давление
распределено равномерно по всей площади смоченной части поверхности, его равнодействующая приложена в центре тяжести этой поверхности.
Сила
обусловлена давлением самой жидкости. Сила
приложена в центре давления Д, координату которого определяют по формуле
, (2.16)
где
- момент инерции плоской фигуры относительно оси ОХ.
Для прямоугольника
(b-ширина, h-высота фигуры), для круга диаметром d
.
2.6 Сила давления жидкости на криволинейные цилиндрические поверхности
Сила давления жидкости на криволинейную цилиндрическую поверхность (рис.2.10) складывается из горизонтальной
и вертикальной
составляющих
. (2.17)
![]() |
Рисунок 2.10 - Сила давления жидкости на криволинейную цилиндрическую поверхность |
Горизонтальная составляющая
равна силе давления жидкости на вертикальную проекцию данной стенки
(2.18)
где
- расстояние от свободной поверхности жидкости до центра тяжести ее вертикальной проекции;
-площадь вертикальной проекции.
Вертикальная составляющая
равна весу жидкости в объеме тела давления
, т.е.
. (2.19)
Объем тела давления - объем, заключенный между данной стенкой, свободной поверхностью жидкости и вертикальными плоскостями, проходящими по контуру стенки.
3 Основы гидродинамики
3.1 Основные понятия о движении жидкости. Уравнение расхода (неразрывности)
Основной задачей гидродинамики является изучение законов движения жидкости.
Движение жидкости может быть установившимся и неустановившимся.
При установившемся движении жидкости скорость и давление во всех ее точках не изменяется с течением времени . При неустановившемся движении скорость и давление жидкости изменяются во времени.
При движении частиц жидкости различают линию тока, элементарную струйку, живое сечение.
Линией тока называется линия, касательная к каждой точке которой в данный момент времени совпадает с вектором скорости (рис.3.1).
![]() |
![]() |
| Рисунок 3.1 – Линия тока | Рисунок 3.2 – Элементарная струйка |
Бесконечно малый объем, ограниченный линиями тока, называется элементарной струйкой. Предполагается, что поток движущейся жидкости состоит из отдельных элементарных струек.
Живое сечение потока - это поверхность в пределах потока жидкости , перпендикулярная в каждой своей точке к вектору соответствующей местной скорости в этой точке.
Расходом называется количество жидкости, протекающее через живое сечение в единицу времени. В гидравлике применяют объемный расход Q,![]()
:
(3.1)
где V-средняя скорость; S- площадь живого сечения.
При установившемся движении расход через все живые сечения потока одинаков:
. (3.2)
Выражение (3.2) называется уравнением расхода или уравнением неразрывности потока.
3.2 Уравнение Бернулли
Уравнение Бернулли является основным уравнением гидродинамики. Для двух сечений потока 1-1 и 2-2 реальной жидкости при установившемся движении уравнение Бернулли имеет вид
, (3.3)
где
и
- геометрический напор(удельная потенциальная энергия положения) в сечениях 1-1 и 2-2,м;
и
- пьезометрический напор (удельная потенциальная энергия давления ) в сечениях, м;
– скоростной напор (удельная кинетическая энергия ) в сечениях, м;
,
- избыточное давление в сечениях, Па;
,
- средние по живому сечению трубы скорости потока в сечениях,
;
![]()
- коэффициенты кинетической энергии(коэффициенты Кориолиса) в сечениях;
- плотность жидкости,
;
-потери напора в трубе между сечениями, м.
![]() |
| Рисунок 3.3 – Графическая иллюстрация уравнения Бернулли |
Коэффициент кинетической энергии
учитывает неравномерность поля скоростей в рассматриваемом живом сечении. Величина этого коэффициента зависит от режима течения жидкости: для ламинарного течения
=2, для турбулентного
=1,05-1,15(
).
Все члены уравнения Бернулли в формуле (3.3) имеют линейную размерность и в энергетическом смысле представляют удельную энергию жидкости, т.е. энергию, отнесенную к единице веса жидкости.
Сумма всех трех членов
+
=Hпредставляет собой полный напор в сечениях.
Графическая иллюстрация уравнения Бернулли показана на рис.3.3. Линия
показывает изменение полных напоров в сечениях 1-1 и 2-2 и называется напорной линией или линией полного напора, линия
- изменение пьезометрических напоров и называется пьезометрической линией.
3.3 Режимы движения жидкости
Силы вязкости в жидкости существенно влияют на величину и распределение скоростей движения жидкости, т.е. на характер ее движения.
Различают два режима движения: ламинарный и турбулентный. При ламинарном режиме жидкость движется отдельными слоями, пульсаций скоростей и давлений не наблюдается. Турбулентный режим характеризуется неупорядоченным, хаотичным движением частиц и интенсивным перемешиванием жидкости.
Критерием для определения режима движения является безразмерное число Рейнольдса. Для труб круглого сечения число Рейнольдса определяется по формуле
, (3.4)
где V – средняя скорость жидкости;
- диаметр трубы;
- кинематический коэффициент вязкости жидкости.
Экспериментально определено, что режим будет ламинарным, если
.
- критическое число Рейнольдса, при котором происходит переход ламинарного режима в турбулентный. Для круглых труб принимают
. Если число Рейнольдса находится в области
, то режим считается переходным, а при
- турбулентным.
Ламинарный режим возникает в тонких капиллярных трубках, во время движения очень вязких жидкостей, при фильтрации воды в слоях грунта и др. Движение маловязких жидкостей (вода, бензин, спирт) почти всегда происходит в турбулентном режиме.
4 Гидравлические сопротивления
4.1 Общие сведения о гидравлических потерях
Движение вязкой жидкости сопровождается потерями энергии.
Потери удельной энергии (напора), или гидравлические потери, зависят от формы, размеров русла, скорости течения и вязкости жидкости.
В большинстве случаев гидравлические потери
пропорциональны скорости течения жидкости во второй степени или динамическому напору
и определяются из выражения
(4.1)
где
- коэффициент потерь; V-средняя скорость в сечении.
Потери в единицах давления
. (4.2)
Гидравлические потери энергии обычно разделяют на местные потери и потери на трение по длине
. (4.3)
Местные потери энергии обусловлены так называемыми местными гидравлическими сопротивлениями, т.е. местными изменениями формы и размеров русла, вызывающими деформацию потока. При протекании жидкости через местные сопротивления изменяется ее скорость и возникают вихри.
Примером местных сопротивлений может служить задвижка (рис.4.1).
![]() |
Рисунок 4.1 – Местное гидравлическое сопротивление: а) задвижка |
Местные потери напора определяются по формуле Вейсбаха
, (4.4)
где V-средняя скорость в трубе;
-коэффициент местного сопротивления.
Потери на трение по длине
-это потери энергии, которые возникают в прямых трубах постоянного сечения и возрастают прямо пропорционально длине трубы (рис.4.2).
Рассматриваемые потери обусловлены внутренним трением жидкости в трубах. Потери напора при трении определяются по формуле Дарси-Вейсбаха
, (4.5)
где λ – коэффициент гидравлического трения по длине или коэффициент Дарси; l – длина трубопровода; d –его диаметр; V – средняя скорость течения жидкости.
![]() |
| Рисунок 4.2 – Потери напора по длине трубы |
Для ламинарного режима движения жидкости в круглой трубе коэффициент
определяется по теоретической формуле
, (4.6)
где
число Рейнольдса.
При турбулентном режиме коэффициент
зависит от числа Рейнольдса Reи относительной шероховатости
(
-эквивалентная шероховатость) и определяется по эмпирическим формулам.
В области гидравлически гладких труб 4000<Re<
, т.е. при малых скоростях и числах Рейнольдса, коэффициент Дарси зависит только от числа Рейнольдса, и его определяют по формуле Блазиуса
. (4.7)
В переходной области (
) на коэффициент Дарси влияют шереховатость и число Рейнольдса. В этой области для вычислений используют формулу Альтшуля
. (4.8)
В квадратичной области сопротивления (области гидравлически шероховатых труб) коэффициент
может быть найден по формуле Шифринсона
. (4.9)
4.2 Местные сопротивления
В местных гидравлических сопротивлениях, вследствие изменения конфигурации потока на коротких участках, изменяются скорости движения жидкости по величине и направлению, а также образуются вихри. Это и есть причиной местных потерь напора. Местными сопротивлениями являются расширения и сужения русла, поворот, диафрагма, вентиль, кран и т.п. (рис.4.3).
Потери напора в местных сопротивлениях определяются по формуле (4.4).
При турбулентном режиме коэффициент
зависит в основном от вида местного сопротивления, а при ламинарном- от числа Рейнольдса. Для всех местных сопротивлений этот коэффициент определяется экспериментально .
![]() |
Рисунок 4.3 – Местные гидравлические сопротивления: а – задвижка; б – диафрагма; в – поворот; г – вентиль |
Рассмотрим некоторые местные сопротивления.
Внезапное (резкое) расширение трубы (рис.4.4).
![]() |
При внезапном расширении трубы поток срывается с угла и постепенно расширяется. Между потоком и стенкой трубы образуются вихри, которые и являются причиной потерь энергии. Потери напора в этом случае определяют по теореме Борда |
| Рисунок 4.4 – Внезапное расширение трубы |
(4.10)
где
и
- скорость жидкости впереди и после внезапного сужения.
Формулу (4.9) можно записать в виде:
. (4.11)
При этом для скорости ![]()
![]()
. (4.13)
При выходе жидкости из трубы в резервуар возникает резкое расширение потока. В этом случае
>>
(площадь резервуара значительно больше площади трубы).Коэффициент потерь на выходе из трубы будет:
=1.
Внезапное сужение трубы (рис 4.5) вызывает меньшие потери энергии, чем внезапное расширение. В этом случае потери обусловлены трением потока при входе в узкую трубу и потерями на вихреобразование. Потери напора при внезапном сужении трубы определяют по формуле
(4.13)
где
определяется по формуле Идельчика
![]()
![]()
|
| Рисунок 4.5 – Внезапное сужение трубы |
При входе жидкости из резервуара в трубу можно считать
, а коэффициент сопротивления равным
Поворот трубы (рис 4.6) или колено без закругления вызывает
|
значительные потери энергии, так как в нем происходят отрыв и вихреобразование, причем тем больше ,чем больше
|
| Рисунок 4.6 – Поворот трубы |
где
- коэффициент сопротивления колена, который определяется по справочным данным.
4.3 Гидравлический расчет простых трубопроводов
Трубопроводы разделяют на простые и сложные, длинные и короткие. При расчете коротких трубопроводов учитываются потери энергии в местных сопротивлениях, которые составляют более 8%, а при расчете длинных трубопроводов эти потери не учитываются.
Рассмотрим простой трубопровод постоянного сечения длинной l, диаметром d, содержащий ряд местных сопротивлений,
![]() |
Например, вентиль, фильтр, обратный клапан(рис.4.7). Основным расчетным уравнением является уравнение Бернулли для начального 1 и конечного 2 сечений трубопровода, которое при |
| Рисунок 4.7 – Схема простого трубопровода |
. (4.15)
Введем понятие потребного напора
.
Потребным напором
для простого трубопровода называется пьезометрический напор
в начальном сечении, обеспечивающий заданный расход жидкости в трубопроводе:
, (4.16)
где
-статический напор, величина которого не зависит от расхода жидкости;
- потери напора в трубопроводе, которые зависят от расхода жидкости.
Потери напора в трубопроводе состоят из потерь на трение по длине
и потерь в местных сопротивления
. С учетом формул (4.4) и (4.5) можно записать
. (4.17)
Исходным для гидравлического расчета трубопровода является уравнение неразрывности (3.2).
Используя выражение (4.15), можно построить характеристику потребного напора
(рис. 4.8), которая позволяет определить при любом значении расхода определить одну из неизвестных величин: расход Q, начальное давление
или диаметр трубопровода d.
![]() |
жидкости потребный напор или, наоборот, для заданного значения потребного напора найти расход жидкости. Приведенные выше зависимости (3.2), (4.16), (4.17) для гидравлического расчета простого трубопровода позволяют |
| Рисунок 4.8 – Характеристика потребного напора |
Гидропневмоприводы
5 Гидропривод
5.1 Принцип действия гидропривода
Гидроприводом называется совокупность гидромашин, гидроаппаратуры, гидролиний (трубопроводов) и вспомогательных устройств, предназначенных для передачи энергии и преобразования движения посредством жидкости. Гидропривод, содержащий объемные гидромашины, называется объемным.
Принцип действия объемного гидропривода основан на практической несжимаемости жидкости и передаче давления по закону Паскаля. Рассмотрим простейший гидропривод (рис.5.1).
![]() |
| Рисунок 5.1 – Схема гидропривода |
Два цилиндра 1 и 2 заполнены жидкостью и соединены между собой трубопроводом. Поршень цилиндра 1 под действием силы
перемещается вниз, вытесняя жидкость в цилиндр 2. Поршень цилиндра 2 при этом перемещается вверх и преодолевает силу
. Если пренебречь потерями давления в системе, то по закону Паскаля давление в цилиндрах 1 и 2 будет одинаковым и равным
, (5.1)
где
и
- площади поршней цилиндров 1 и 2. Учитывая практическую несжимаемость жидкости, можно записать:
или
.
Так как величина
является расходом жидкости Q, то условие передачи энергии можно представить в виде
, где pQ – мощность потока жидкости;
мощность, развиваемая поршнем цилиндра 2.
5.2 Основные элементы объемного гидропривода
Основными элементами объемного гидропривода являются:
1 Гидромашины – насосы и гидродвигатели. Насосы служат для подачи (перемещения) жидкости, гидродвигатели – для преобразования энергии подаваемой жидкости в механическую энергию рабочего органа.
2 Гидроаппаратура – это устройства управления гидроприводом, при помощи которых он регулируется, а также средства защиты от чрезмерно высоких давлений жидкости (дроссели, клапаны разного назначения и гидрораспределители).
3 Вспомогательные устройства: фильтры, теплообменники, (нагреватели и охладители жидкости), гидробаки и гидроаккумуляторы.
4 Гидролинии (трубопроводы): всасывающие, напорные, сливные, дренажные.
5 Контрольно-измерительные приборы: манометры, расходомеры, термометры и др.
Каждый объемный гидропривод содержит источник энергии. По виду источника энергии гидроприводы разделяют на три типа:
а) насосный гидропривод – гидропривод, в котором рабочая жидкость подается в гидродвигатель объемным насосом, входящим в состав этого гидропривода;
б) аккумуляторный гидропривод – рабочая жидкость подается в гидродвигатель от предварительно заряженного гидроаккумулятора;
в) магистральный гидропривод - в котором рабочая жидкость поступает в гидродвигатель из гидромагистрали.
По характеру движения выходного звена различают объемные гидроприводы:
а) поступательного движения – с поступательным движением выходного звена гидродвигателя;
б) поворотного движения – с поворотным движением выходного звена гидродвигателя на угол меньше
;
в) вращательного движения – с вращательным движением выходного звена гидродвигателя.
Гидропривод, в котором скорость выходного звена гидродвигателя может изменяться по заданному закону, называется регулируемым. В случае отсутствия устройств для изменения скорости – нерегулируемым.
5.3 Область применения и рабочие жидкости гидропривода
Гидравлические приводы нашли широкое применение для осуществления движения рабочих органов различных машин. В машиностроении гидравлические приводы применяют в системах автоматического управления металлорежущих станков и автоматических линий, роботов-манипуляторов, прессов, технологических машин в металлургической, пищевой, химической, легкой и других отраслях промышленности.
Кроме этого, объемный гидропривод используют в сельскохозяйственных, строительных, транспортных машинах, угольных комбайнах, буровых установках, самолетах, военной технике и др.
Широкое использование гидропривода обусловлено его существенными преимуществами, к которым можно отнести безступенчатое регулирование скорости вращения или перемещения рабочего органа машины, возможность дистанционного регулирования, реверс исполнительного органа, надежность работы и др.
К основным недостаткам объемного гидропривода следует отнести утечки и нагрев жидкости, необходимость применения специальных устройств для поддержания постоянной температуры рабочей среды, более низкий к.п.д., чем у механических передач.
Рабочая жидкость в гидроприводе является одновременно носителем энергии и смазкой. При этом она подвергается воздействию высоких давлений, скоростей и температур. Кроме этого, жидкость должна быть нейтральной к материалам, быть пожаробезопасной и нетоксичной. В значительной степени этим требованиям удовлетворяют минеральные масла и синтетические жидкости на кремнийорганической основе. В настоящее время в качестве рабочих жидкостей объемных гидроприводов, используемых в общем машиностроении, применяются минеральные масла: индустриальные
; турбинное; веретенное; АМГ – 10 и др.
Тип рабочей жидкости, применяемой в гидроприводе, определяется условиями его эксплуатации.
6 Насосы объемного гидропривода
6.1 Общая характеристика насосов и их классификация
Насосы – это гидравлические машины, в которых происходит преобразование механической энергии привода в гидравлическую энергию перекачиваемой жидкости.
Насосы подразделяются на два основных класса: динамические и объемные (рис.6.1).

Рисунок 6.1 – Классификация насосов
К динамическим насосам относятся центробежные, осевые, вихревые и др. Рабочим органом этих насосов, как правило, является вращающееся рабочее колесо (рис.6.2).

Рисунок 6.2 – Схема центробежного насоса:
1 – подвод; 2 – р.к; 3 – отвод; 4 – диффузор
Энергия от рабочего колеса передается жидкости путем динамического взаимодействия лопастей колеса с обтекающей их жидкостью.
В объемных насосах рабочий процесс основан на попеременном заполнении рабочей камеры жидкостью и вытеснении ее при помощи вытеснителя. Вытеснителями могут быть поршни, плунжеры, шестерни, винты, пластины и т.п.
Остановимся более подробно на характеристике объемных насосов, которые применяются в объемном гидроприводе. По характеру процесса вытеснения жидкости объемные насосы разделяются на поршневые и роторные.
В поршневом насосе жидкость вытесняется из неподвижных камер в результате возвратно-поступательного движения поршней.
В роторном насосе жидкость вытесняется из перемещаемых рабочих камер в результате вращательного или вращательно-поступательного движения вытеснителей (поршней, винтов, пластин).
К общим свойствам объемных насосов, которые отличают их от динамических (лопастных), относятся цикличность рабочего процесса, самовсасывание, малая зависимость подачи насоса от развиваемого ими давления.
6.2 Основные параметры объемных насосов
Для характеристики насосов объемного гидропривода используют следующие параметры:
1 Рабочий объем
- разность наибольшего и наименьшего значений объема рабочей камеры за один оборот вала или за двойной ход рабочего органа насоса.
2 Подача насоса
- объем жидкости, подаваемой насосом за единицу времени.
3 Давление насоса
- разность между давлением
на выходе из насоса и давлением
на входе в него
. (6.1)
4 Мощность N ,кВт, потребляемая вращательным насосом (подводимая от двигателя):
, (6.2)
где M – крутящий момент на валу насоса;
- частота вращения вала.
5 Полезная мощность насоса
- мощность, сообщаемая насосом перекачиваемой жидкости:
. (6.3)
6 К.п.д. насоса
- отношение полезной мощности к мощности насоса
. (6.4)
6.3 Поршневые насосы
Поршневые насосы представляют собой простейшие объемные машины с возвратно-поступательным движением поршня в цилиндре. Схема однопоршневого насоса одностороннего действия показана на рис.6.3.

Рисунок 6.3 – Схема поршневого насоса:
1 – рабочая камера; 2 – поршень; 3, 4 – клапаны; 5, 6 – напорный и всасывающий трубопроводы; 7 – резервуар; 8 – кривошипно-шатунный механизм
Во время работы двигателя вращательное движение его вала при помощи кривошипно – шатунного механизма преобразуется в возвратно-поступательное движение поршня. Если поршень движется вправо, то объем рабочей камеры увеличивается, а давление в ней уменьшается. Всасывающий клапан открывается, и жидкость из резервуара по всасывающему трубопроводу поступает в насос. Если поршень движется влево, то объем рабочей камеры уменьшается, а давление в ней увеличивается, всасывающий клапан закрывается, напорный открывается, и жидкость поступает в напорный трубопровод. За один двойной ход поршня насос производит одно всасывание и одно нагнетание, поэтому он называется насосом одностороннего действия.
Подача насоса одностороннего действия определяется по формуле
![]()
, (6.5)
где
- рабочий объем; h – ход поршня, h=2r; n – число двойных ходов поршня в единицу времени;
- объемный к.п.д. (
).
Поршневые насосы применяют для перекачивания воды, вязких и загрязненных жидкостей. Достоинством этих насосов является их способность к самовсасыванию. При запуске поршневой насос не нуждается в предварительном заливе.
6.4 Пластинчатые насосы
В пластинчатых насосах вытеснителем являются пластины. Рабочие камеры образованы двумя соседними пластинами и поверхностями ротора и статора. Схема пластинчатого насоса показана на рис. 6.4.

Рисунок 6.4 – Схема пластинчатого насоса:
1 – ротор; 2 – статор; 3 – пластина; 4 – камера всасывания; 5– камера нагнетания
Насос состоит из статора (корпуса) и ротора, в радиальных пазах которого установлены пластины. Пластины при вращении ротора совершают относительно него возвратно-поступательное движение. Ротор расположен в статоре с эксцентриситетом е. Статор имеет камеры всасывания и нагнетания. При вращении ротора пластины под действием центробежных сил прижимаются к внутренней поверхности статора. Жидкость из камеры всасывания переносится в камеру нагнетания.
Подачу пластинчатого насоса можно определить по формуле
, (6.6)
где в - ширина пластины; е-эксцентриситет; D- диаметр статора;
z- число пластин;
- толщина пластины; n - частота вращения ротора;
-объемный к.п.д. (
).
Пластинчатые насосы применяются в основном для подачи масла в системы гидропривода станков, прессов, транспортных машин, а также для перекачивания других смазочных материалов и вязких продуктов.
6.5 Шестеренные насосы
Шестеренные насосы получили широкое распространение для подачи масел в системы гидропривода, а также для перекачивания смазочных материалов. Наиболее широко применяются насосы с шестернями внешнего зацепления. На рис. 6.5 приведена схема такого насоса. Он состоит из двух одинаковых шестерен ведущей и ведомой, установленных в корпусе с минимальными зазорами. Шестерни вращаются навстречу другу. При вращении шестерен жидкость заполняет впадины и переносится из полости всасывания в полость нагнетания и далее, при вступлении зубьев в зацепление, вытесняется в напорное окно.

Рисунок 6.5 - Схема шестеренного насоса
Подача шестеренного насоса определяется по формуле
, (6.7)
где m-модуль зацепления; z-число зубьев; n - частота вращения ротора;
-объемный к.п.д. (
).
7 Объемные гидродвигатели и гидроаппаратура
7.1 Объемные гидродвигатели
Объемным гидродвигателем называется объемная гидромашина для преобразования энергии потока жидкости в энергию движения выходного звена (вала, штока). В зависимости от характера движения выходного звена гидродвигатели подразделяются на три класса:
а) гидроцилиндры – объемные гидродвигатели с поступательным движением выходного звена;
б) поворотные гидродвигатели - объемные гидродвигатели с углом поворота меньше 360°;
в) гидромоторы - объемные гидродвигатели с вращательным движением выходного звена.
1 Гидроцилиндры. Гидроцилиндры являются простейшими гидродвигателями, которые применяются в качестве исполнительных механизмов гидроприводов различных машин и механизмов с поступательным движением выходного звена.
В гидроцилиндрах одностороннего действия движение выходного звена под действием потока рабочей жидкости осуществляется только в одном направлении, в гидроцилиндрах двустороннего действия – в обоих направлениях. Кроме этого, гидроцилиндры выполняются с односторонним или двусторонним штоком. Преимущественно применяют гидроцилиндры двустороннего действия с односторонним штоком. Схема такого гидроцилиндра показана на рис. 7.1.
Расход гидроцилиндра определяется из соотношения
, (7.1)
где Sэ – эффективная площадь поршня гидродвигателя;
Vn
– скорость движения поршня;
- объемный к. п. д.

Рисунок 7.1 – Схема гидроцилиндра с односторонним штоком двустороннего действия
Площадь Sэ зависит от направления движения поршня. При движении поршня вправо Sэ пр = pD2 /4, при движении влево – Sэ лев = p(D2 – d2 )/4. При изменении площади соответственно изменяются расход и скорость движения жидкости при ходе влево или вправо.
Усилие на штоке F определяется из уравнения равновесия поршня и для хода вправо будет равно:
F = (F1
-F1
)∙
(7.2)
или
∙
, (7.3)
где р1
и р2
– давления жидкости в рабочей и сливной полостях гидроцилиндра; D – диаметр поршня; d – диаметр штока;
- механический к. п. д. гидроцилиндра, учитывающий потерю энергии в гидроцилиндре на преодоление сил трения при движении поршня и штока (
= 0,85-0,95).
Выходная (полезная) мощность гидроцилиндра Nвых определяется из соотношения
Nвых = F×Vn , (7.4)
гдеF – усилие на штоке; Vn – скорость передвижения поршня.
Входная мощность N определяется параметрами на входе в цилиндр:
Nвх = PQ, (7.5)
где р – давление на входе в цилиндр; Q – расход гидроцилиндра. К. п. д. цилиндра – это отношение выходной мощности к входной
, (7.6)
2 Поворотные гидродвигатели. По конструкции поворотные гидродвигатели бывают поршневые, лопастные и мембранные. Наиболее распространены поршневые поворотные гилродвигатели (рис. 7.2).
![]() |
Для обеспечения поворотного движения рабочую жидкость подают в рабочие камеры гидродвигателя. Поворотное движение осуществляется за счет применения реечно-зубчатой передачи. Угол поворота вала рабочей машины ограничивается ходом поршня двигателя. |
| Рисунок 7.2 – Поршневой поворотный гидродвигатель |
3 Гидромоторы. Это объемные гидродвигатели вращательного движения. В машиностроении в качестве гидромоторов используют объемные роторные гидромашины. Благодаря свойству обратимости роторных насосов, любой из них может быть использован в качестве гидромотора. Гидромоторы, как и насосы, классифицируют на шестеренные, винтовые, пластинчатые и поршневые.
В зависимости от возможности регулирования рабочего объема гидромоторы делятся на регулируемые и нерегулируемые. Если выходное звено гидромотора может вращаться в обе стороны, то он называется реверсивным. Условное обозначение реверсивного регулируемого гидромотора показано на рис. 7.3.
![]() |
Гидромотор, как и роторный насос, харак-теризуется рабочим объе-мом V0 , который зависит от его вида. Расход гидромотора определяется по формуле |
| Рисунок 7.3 – Условное обозначение гидромотора |
![]()
(7.7)
где n – частота вращения вала гидромотора;
объемный к. п. д.
Перепад давления на гидромоторе определяется разностью между давлением на входе и на выходе, т. е.
Dр = р1 -р2 . (7.8)
Полезная мощность гидромотора равна
Nn = М×w, (7.9)
где М – крутящий момент на валу гидромотора; w - угловая скорость вала, w = pn/30.
Мощность, потребляемая гидромотором:
N =DpQ. (7.10)
Отношение Nп /N определяет общий к. п. д. гидромотора
. (7.11)
7.2 Гидроаппаратура
Гидроаппаратом называется устройство, предназначенное для изменения параметров потока рабочей жидкости (давления, расхода, направления движения) или для поддержания их заданного значения. Основным элементом всех гидроаппаратов является запорно-регулирующий орган – подвижный элемент, при перемещении которого частично или полностью перекрывается проходное сечение гидроаппарата. В зависимости от конструкции запорно-регулирующие элементы бывают золотниковые, клапанные, крановые.
Если гидроаппарат изменяет параметры потока рабочей жидкости, то он является регулирующим.
Гидроаппараты можно разделить на три основных типа:
а) гидрораспределители; б) гидроклапаны; в) гидродроссели.
Рассмотрим кратко каждый тип гидроаппарата.
1 Гидрораспределители. Гидрораспределитель – это гидроаппарат, предназначенный для изменения направления потока рабочей жидкости в двух или более гидролиниях. В зависимости от числа внешних гидролиний, подводимых к распределителю, гидрораспределители бывают двухлинейные, трехлинейные и т. д.; в зависимости от числа позиций запорно-регулирующего органа - двухпозиционные, трехпозиционные
![]() |
и т. д. Условное обозначение 4-линейного 3- позиционного распреде-лителя с электрическим управлением показано на рис.7.4. |
| Рисунок 7.4 – Условное обозначение распределителя |
Наиболее распространенным является золотниковый распределитель.
Потери давления Dрр в гидрораспределителе определяют по формуле
(7.12)
где Qном и рном – номинальная подача и потери напора на номинальной подаче (паспортные данные);
Qф - фактическая подача жидкости в гидроаппарате.
2 Гидроклапаны. Гидроклапаном называется гидроаппарат, в котором степень открытия проходного сечения изменяется под воздействием напора проходящей через него жидкости. Гидроклапаны бывают регулирующие и направляющие. К регулирующим относятся клапаны давления, предназначенные для регулирования давления в потоке рабочей жидкости. Из них наиболее широко применяются напорные и редукционные клапаны.
Напорные гидроклапаны делятся на предохранительные, которые предохраняют систему от давления, превышающего допустимое, и переливные, предназначенные для поддержания заданного уровня давления путём непрерывного слива рабочей жидкости во время работы.
Основные элементы шарикового напорного клапана показаны на рис. 7.5 .
![]() |
Принцип действия всех напорных клапанов одинаков и основан на уравновешивании силы давления рабочей жидкости, действующей на клапан, усилием пружины (рис. 7.6). |
| Рисунок 7.5 – Схема предохра-нительного клапана |
![]() |
Сила давления пружины Fпр уравновешивается силой давления жидкости Fдавл, действующей на запорный элемент. При условии Fпр = Fдавл – клапан закрыт. Сила давления Fдавл определяется из условия: |
| Рисунок 7.6 – Принцип действия напорного клапана |
Fдавл = р ×
, (7.13)
где р- давление жидкости в системе; dy – диаметр седла клапана (условного прохода жидкости).
Когда давление жидкости в системе превысит заданное, то Fпр< Fдавл, запорно-регулирующий орган клапана смещается и открывает проход рабочей жидкости на слив.
Редукционные клапаны предназначены для поддерживания в отводимом потоке стабильного давления р2 , более низкого, чем давление р1 в подводимом потоке. Их применяют при питании от одного насоса нескольких потребителей, требующих разных давлений.
Направляющие (обратные) клапаны пропускают жидкость только в одном заданном направлении.
2 Гидравлические дроссели. Гидродроссель – это регулирующий гидроаппарат, представляющий собой специальное местное сопротивление, предназначенное для изменения давления в потоке рабочей жидкости. Основное назначение его – установить связь между пропускаемым расходом и перепадом давления до и после дросселя. Дроссели разделяют на регулируемые и нерегулируемые. Регулируемые дроссели (условное обозначение показано на рис 7.7) широко применяют в гидроприводе для регулирования скорости движения выходного звена гидродвигателя.
![]() |
![]() |
| Рисунок 7.7 – Условное обозна-чение регулируемого дросселя | Рисунок 7.8 – Схема игольча-того дросселя |
В системах гидроавтоматики распространены игольчатые, щелевые и винтовые дроссели. Схема игольчатого дросселя показана на рис. 7.8. Изменение площади проходного сечения дросселя достигается за счет осевого перемещения иглы.
Расход жидкости через дроссель любой конструкции определяется по формуле
Qдр =
S др
, (7.14)
где
– коэффициент расхода дросселя, для игольчатых дросселей μ = 0,75 – 0,8; S др – площадь проходного сечения дросселя; △р = р1
– р2
- перепад давления на дросселе; ρ – плотность жидкости.
8 Принципиальная схема гидропривода. Пневматический привод
8.1 Принципиальная схема гидропривода
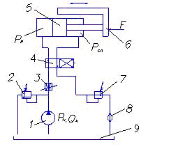
Принципиальная схема гидропривода возвратно-поступательного движения показана на рис. 8.1.
![]() |
Насос забирает жидкость из бака 9 и через дроссель 3 и распределитель 4 подает ее в рабочую полость гидроцилиндра 5. Под действием давления рр поршень перемещается вправо и преодолевает нагрузку F, сдвигая стол рабочей машины 6. Из гидроцилинд-ра жидкость сливается через другой канал распределителя 4, подпорный клапан 7 и фильтр 8 в бак 9. |
Рисунок 8.1 – Принципиальная схема гидропривода: 1 – насос; 2 – клапан напорный; 3 – дроссель; 4 – распределитель; 5 – гидроцилиндр; 6 – стол рабочей машины; 7 – клапан подпорный; 8 – фильтр; 9 - бак |
Изменение направления движения поршня гидроцилиндра 5 производится изменением позиции распределителя 4. Дроссель 3- регулируемый и позволяет изменять площадь проходного сечения, тем самым изменяя расход жидкости, поступающей в гидроцилиндр Qц
. При этом изменяется скорость Vn передвижения поршня гидроцилиндра и соответственно стола рабочей машины : (
). Клапан подпорный 7 обеспечивает плавность хода поршня гидроцилиндра.
8.2 Общие сведения о пневмоприводе
Пневмоприводом называется совокупность устройств, предназначенных для приведения в действие машин и механизмов посредством сжатого газа. Обычно в пневмоприводах рабочей средой является сжатый воздух.
Пневмопривод используется в станках, тормозных системах, полиграфических машинах, пневмороботах, пневматическом инструменте и др. В сравнении с гидроприводом пневмопривод имеет как преимущества, так и недостатки.
Преимущества пневмопривода следующие: а) небольшие потери давления в пневмолиниях; б) возможность использования в пожароопасных помещениях; в) экологичность.
Недостатками пневмопривода являются большой шум, необходимость устройства смазывающих систем и меньшая мощность в сравнении с гидроприводом.
Функциональная схема пневмопривода (рис. 8.2) аналогична схеме гидропривода, только вместо энергии жидкости используется пневмоэнергия, а вместо гидродвигателя и насоса используются пневмодвигатель и компрессор.

Рисунок 8.2 – Схема пневмопривода:
1 – компрессор; 2- фильтр-влагоотделитель; 3 – редукционный клапан; 4 – манометр; 5 – маслораспылитель; 6 – распределитель; 7 – пневмоцилиндр;8 – выход в атмосферу
Рассмотрим принцип работы пневмопривода.
Сжатый воздух от компрессора 1 подводится на вход пневмораспределителя 6. Поток воздуха перед этим проходит через фильтр – влагоочиститель 2, очищается от механических частиц ( пыли, продуктов износа, корозии) и водяного пара. Далее при помощи редукционного клапана 3 регулируется и поддерживается на установленном уровне давление воздуха, которое контролируется манометром 4.
Маслораспылитель 5 насыщает воздух мелкими капельками масла и обеспечивает смазку двигающихся элементов пневмопривода. Двухпозиционный пневмораспределитель 6 в каждой из позиций устанавливает направление движения поршня пневмоцилиндра 7. Отработанный воздух выходит в атмосферу 8.
Похожие рефераты:
Гидропневматические машины и приводы
Автоматизация процесса поперечной резки электротехнической стали
Судовые вспомогательные механизмы
Проект реконструкции отделения "белой фильтрации" для ЗАО "Крымский Титан"
Расчет гидросистемы с параллельно включенным дросселем
Гидроцилиндр с односторонним штоком
Пуск в работу питательного электронасоса после ремонта
Ремонт и обслуживание скважин и оборудования для бурения
Проект реконструкции цеха первичной переработки нефти и получения битума на ОАО «Сургутнефтегаз»
Бурение и оборудование скважин при подземном выщелачивании полезных ископаемых





























