| Похожие рефераты | Скачать .docx |
Реферат: Классификация дробилок
Министерство образования и науки мурманской области
Государственное областное образовательное учреждение среднего профессионального образования
«Оленегорский горнопромышленный колледж»
Отделение: заочное
Специальность:130405
Группа: 3ОПИз
Вариант 5
Реферат
«Дробление»
Выполнил: Лукичева Д.А.
Проверил: Михайлова Н.Б.
2011
Содержание
1. Процесс дробления
2. Степень дробления
3. Стадии дробления
4. Классификация дробилок
4.1 Щековые дробилки
4.2 Конусные дробилки
4.3 Валковые дробилки
4.4 Молотковые дробилки и дезинтеграторы
Использованная литература
1. Процесс дробления
Процесс дробления применяется для доведения минерального сырья (и других материалов) до необходимой крупности, требуемого гранулометрического состава или заданной степени раскрытия зерна. Применяются следующие способы разрушения:
· раздавливание, наступающее после перехода напряжений за предел прочности на сжатие (рис 1, а)
· раскалывание в результате расклинивания последующего разрыва кусков (рис 1, б)
· излом в результате изгиба (рис 1, в)
· срезывание, в котором материал подвергается деформации сдвига (рис 1, г)
· истирание кусков скользящей рабочей поверхностью. (рис 1, д)
· Удар (рис 1, е)

Рис 1
Перечисленные способы дробления являются общими для дробления и измельчения, однако эти процессы отличаются по своему технологическому назначению и месту в цепи последовательных операций обогатительных фабрик (далее ОФ). Условно считают, что при дроблении получают продукты крупнее 5 мм, а при измельчении – мельче 5 мм. Для дробления применяют дробилки, для измельчения – мельницы.
Дробление на ОФ является подготовительной операцией перед обогащением м служит для разъединения тесно сросшихся между собой зерен различных минералов, содержащихся в полезном ископаемом. Чем полнее раскрывается зерно, тем успешнее протекает последующее обогащение полезных ископаемых (далее ПИ).
Полного раскрытия минералов достичь не удается, т.к. для этого пришлось бы очень тонко измельчать руду перед обогащением. Крупность зерен, до которой необходимо дробить исходный материал перед обогащением, определяется размером вкрапленности полезных минералов и процессом, принятым для обогащения данного ископаемого. Переизмельчать минералы не следует, т.к. это удорожает процесс и ухудшает результаты обогащения. Эта крупность устанавливается опытным путем при исследованиях обогатимости ПИ.
2. Степень дробления
Степень дробления – это отношение размеров максимальных кусков или зерен исходного материала к размеру максимальных куском продукта.
Степень дробления показывает, во сколько раз уменьшился размер кусок при дроблении.
i=Dmax/ dmax
Таким образом, степень дробления вычисляется при отношении размеров предельных отверстий сит, через которые проходят куски дробимого материала и дробленого продукта.
3. Стадии дробления
В зависимости от крупности исходного материала и дробленого продукта, стадии дробления имеют названия:
· 1 стадия – крупное дробление
· 2 стадия – среднее дробления
· 3 стадия – мелкое дробление
В зависимости от требуемой крупности материала перед обогащением, его можно измельчать в одну, две или даже три последовательные стадии.

Рис.2. Схемы дробления.
4. Классификация дробилок
4.1 Щековые дробилки

Рис.3.
Щековые дробилки разделяются на два основных класса: с простым и сложным движением подвижной щеки. Дробилки с простым движением подвижной щеки различаются между собой способом ее крепления и приводным механизмом. Различают дробилки с верхним подвесом щеки, с нижней шарнирной опорой, с кулачковым приводным механизмом, с кривошипно-шарнирным приводным механизмом. В дробилках со сложным движением подвижной щеки, последняя шарнирно подвешена на эксцентриковом приводном валу. Значительное вертикальное перемещение щек, обусловливающее их истирающее действие на куски материала, приводят к повышенному износу дробящих плит. Поэтому дробилки со сложным движением применяют преимущественно для малоабразивных материалов. Достоинства: их простота конструкции, компактность и небольшая масса.
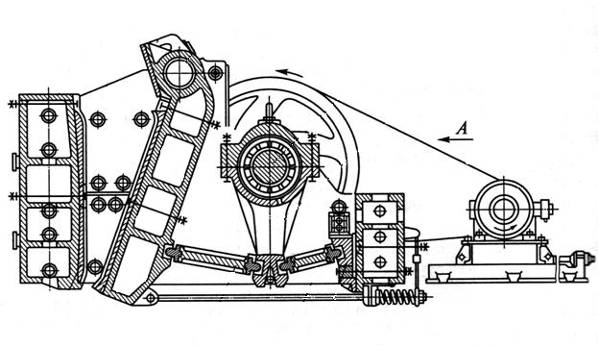
На рис.4 изображена схема щековой дробилки со сложным движением щеки ЩДС. Станина дробилки сварная. Ее боковые стенки выполнены из стальных листов и соединены между собой передней стенкой 1 коробчатого сечения и задней балкой 2, являющейся одновременного корпусом регулировочного устройства 7. Над приемным отверстием укреплен защитный кожух 3. Подвижная щека 4 закреплена на эксцентриковой части приводного вала 5, в нижней части щеки имеется паз, куда вставляется вкладыш для упора распорной плиты 6. Другим концом распорная плита упирается во вкладыш регулировочного устройства, состоящего из ползуна 13 и двух винтов 14. Замыкающее устройство состоит их тяги 8 и цилиндрической пружины 9. Подвижная щека имеет в нижней части косой выступ, на который устанавливают дробящую футеровочную плиту 10. Неподвижная дробящая плита 11 опирается внизу на выступ передней стенки станины 1, а с боковых сторон зажата футеровочными плитами 12.

Рис.4.
4.2 Конусные дробилки
Конусные дробилки разделяются на дробилки для крупного, среднего и мелкого дробления. Принцип действия всех конусных дробилок одинаков. Дробящий конус жестко крепится на валу, подвешенном к точке О, а нижним концом свободно вставлен в эксцентриковый стакан. Стакан устанавливается концентрично со станиной дробилки. Ось вала несколько наклонена к вертикальной оси корпуса дробилки. Эксцентриковый стакан получает вращение от электродвигателя. Жестко закрепленный на валу дробящий конус совершает круговые качания, последовательно приближаясь к стенкам конической чаши и удаляясь. Приближение дробящего конуса к чаше сопровождается дроблением кусков материала, поступающих в пространство между ними, а удаление – разгрузкой дробленого продукта. Дробление материала в конусных дробилках происходит непрерывно. При отсутствии холостого хода время дробления, а, следовательно, и производительность у конусных дробилок выше, чем у щековых.

Рис.5. Схема конусных дробилок. А – с неподвижной осью, б – с подвесным валом (ККД гирационная), в – с валом, имеющим опору (ГРЩ), г – с консольным валом, опирающимся на шаровой подпятник (КСД и КМД), д – инерционная дробилка (вибрационная безэксцентриковая КИД).
Рабочие пространства конусных дробилок для крупного, среднего и мелкого дробления различается между собой конфигурацией. У дробилок для крупного дробления конус крутой (угол при вершине около 20о), а у дробилок для среднего и мелкого дробления – пологий (угол при вершине около 100о).
Конусные дробилки для крупного дробления отличаются от дробилок для мелкого и среднего дробления величиной эксцентриситета стакана, определяющего амплитуду качания дробящего конуса. У дробилок для крупного дробления эксцентриситет стакана составляет не больше 25 мм, а у дробилок для среднего и мелкого дробления – больше 100 мм.
4.3 Валковые дробилки
молотковый дробилка обогатительный
Валковые дробилки с гладкими валками применяются для среднего и мелкого дробления твердых пород. Материал питателем подается в дробилку через загрузочную воронку, захватывается валками, вращающимися с одинаковой скоростью навстречу друг другу, дробятся и разгружаются вниз под дробилку.

Рис.6.
Валки изготовляются из чугуна и футеруются по внешней поверхности бандажами из марганцовистой или углеродистой стали. Длина валков всегда в два-три раза меньше их диаметра. Валковые дробилки бывают одно- двух- и четырехвалковые с гладкими либо зубчатыми валками.
Расход стали при дроблении на валковых дробилках составляет от 0,016 до 0,06 кг на 1 т. дробленой руды и при бандажах из высокоуглеродистой стали.
На дробилках с гладкими валками, работающих в открытом цикле, достигается степень дробления от 3 до 4, а на дробилках с зубчатыми валками – от 4 до 6.
4.4 Молотковые дробилки и дезинтеграторы
Принято разделение ударных дробилок на две подгруппы: с ударным ротором и с безударным разгонным ротором (центробежным). К машинам с ударным ротором относятся:
· Молотковые, с шарнирно подвешенными молотками
· Роторные, с жестко закрепленными лопатками
· Стержневые дробилки (дезинтеграторы)
Дробилки ударного действия применяют для дробления мягких си средней крепости неабразивных материалов.

Рис.7. Роторная дробилка ДРК (СМД). 1 – рама, 2 – ротор, 3 – била, 4 – верхняя часть корпуса для загрузки исходного материала, 5 – футеровка корпуса, 6 и 8 – соответственно верхняя и нижняя отражательные плиты, 7 и 9 – футеровка плит, 10 – механизм для регулирования зазора отражательных плит.
Использованная литература
1. Справочник по обогащению руд: Подготовительные процессы / Под ред. О.С. Богданова. – Изд. 2-е, перераб. И доп. – М.: Недра, 1982. – 366с.
2. Зверевич В.В. Основы обогащения полезных ископаемых: Учеб. пособие для студентов вузов / В.В. Зверевич, В.А. Перов. – М.: Недра, 1971. – 216 с.
Похожие рефераты:
Машины и оборудование для измельчения материалов
Машины для дробления, сортировки и мойки каменных материалов
Разработка технического предложения на модернизацию конусной дробилки ККД-1200
Отчёт по практике на Минском фарфоровом заводе и в НИИСМе
Характеристика сырья для производства керамических строительных изделий
АСУ двухстадийного дробления замкнутого цикла
Модернизация дробилки однороторной крупного дробления
Система добычи, подготовки и обогащения сырья черной и цветной металлургии
Исследование процесса измельчения в бегунах мокрого помола СМ–365
Щековая дробилка с простым движением щеки
Производство щебня на Дробильно-сортировочной фабрике ОАО "Стойленский ГОК"
Основы проектирования и конструирования
Транспортирование глины и добавок. Оборудование для подготовки добавок