| Похожие рефераты | Скачать .docx |
Дипломная работа: Повышение производительности автогрейдера, выполняющего планировочные работы, совершенствование системы управления
Введение
Одной из самых массовых землеройно-транспортных машин, применяемых в дорожном строительстве является автогрейдер. На долю автогрейдера отводятся планировочные и профилировочные работы по возведению земляного полотна. Существующий СНиП предъявляет высокие требования к точности соблюдения геометрических параметров земляных сооружений, в то время, как серийно выпускаемые автогрейдеры у нас в стране и за рубежом, даже оснащенные системами стабилизации рабочего органа не содержат устройств индикации предоставляющих объективную информацию о точности соблюдения геометрических параметров дорожного полотна. Возникло серьезное противоречие между непрерывно возрастающими требованиями к производительности планировочных работ при высокой точности геометрических параметров земляного полотна и отсутствием систем индикации на серийно выпускаемых машинах. В результате этого даже автоматизированный автогрейдер вынужден совершать лишние проходы по обрабатываемому участку.
Решить возникшие противоречия позволяет система управления рабочим органом автогрейдера, оснащенная устройствами индикации, которые предоставляют механику-водителю количественную информацию о геометрических параметрах земляного полотна или отклонениях от заданных параметров. Сокращение числа проходов по обрабатываемому участку повышает производительность землеройно-транспортной машины, а обеспечение требуемой геометрической точности существенно сокращает расход дорогостоящих строительных материалов. Появляется возможность проведения планировочных работ без привлечения нивелировщиков.
На основании вышеизложенного тема работы, направлена на дальнейшее совершенствование систем управления рабочим органом автогрейдера путем оснащения их устройствами индикации, является актуальной.
1. Состояние вопроса. Цель и задачи исследования
1.1 Критерии эффективности планировочных работ автогрейдера
Обоснованный анализ эффективности землеройно-транспортных машин не может быть осуществлен без выявления взаимосвязи системы показателей машины с показателями эффективности их функционирования.
При формировании показателей эффективности необходимо принимать во внимание, что показатели должны обеспечивать
выявления влияния на эффективность машины всего многообразия определяющих факторов технических параметров, условий производства, эксплуатации и др.;
получения обоснованных рекомендаций для выбора рациональных технических параметров машины, совокупность которых определяет ее технико-экономическую эффективность.
Кроме того, показатели должны удовлетворять следующим требованиям:
иметь технико-экономическую основу;
соответствовать цели, достигаемой в результате применения оборудования;
иметь иерархическую структуру, т.е. включать частные показатели в более общие.
Установление связей между отдельными критериями эффективности осуществляются на основании анализа интегральных показателей. В качестве обобщенного интегрального показателя используют зависимость для расчета приведенных удельных затрат на единицу продукции.
,
где Z – приведенные затраты;
П – эксплуатационная производительность.
Величину Z определяют в соответствии с отраслевой инструкцией:
,
где U – текущие затраты потребителя, связанные с выполнением технологического процесса без учета отчислений на реновацию техники;
ЗК – капитальные затраты, связанные с созданием, производством, доставкой и монтажом техники;
P – отчисления на реновацию от капитальных затрат;
EН – нормативный коэффициент эффективности;
КЭ – сопутствующие капитальные вложения потребителя на эксплуатацию техники.
Для показателей эффективности характерна иерархическая структура построения, с точки зрения полноты охвата параметров, определяющих протекание процесса с включением частных показателей более низкого уровня в общие.
Показатель 1‑го уровня целесообразен для оценки комплексов систем и машин, если известно, что коэффициенты удельных приведенных затрат для сравниваемых объектов существенно изменяются.
Показатель 2‑го уровня имеет то же назначение, что показатель интегральный 1‑й, но при условии, что для нового объекта коэффициенты приведенных удельных затрат на эксплуатацию и основные фонды значительно не изменяются по сравнению с эталоном. Он дает возможность оценить экономию энергетических и материальных затрат.
Показатели 3‑го и 4‑го уровня оценивают основные группы подсистем машин или комплексов энергетического и технического назначения. Показатель 5‑го уровня – один из важнейших, так как все показатели более высокого уровня могут быть установлены только при известном значении производительности. Показатели более низкого уровня позволяют определить качество машины при неизменных параметрах, входящих в показатели более высокого уровня.
Так как часть показателей, входящих в состав такого обобщенного критерия, как удельные приведенные затраты, может быть установлена весьма приблизительно, целесообразней применять более низкие по иерархическому уровню показатели.
Показатель производительности для автогрейдера имеет вид
м2 85с.
Сравнительная оценка только по показателю производительности, без учета показателей, характеризующих планирующие свойства автогрейдера, не позволяют объективно и всесторонне оценить эффективность машины. В качестве критериев, характеризующих точность обработки грунта автогрейдером, могут быть выбраны различные ограничивающие и экстремальные условия, но общим для них является то, что они являются вероятностными характеристиками случайных функций, описывающих рабочий процесс автогрейдера.
Одним из наиболее жестких условий является равенство нулю математического ожидания погрешности и минимум ее дисперсии:

или эквивалентное условие – равенство математического ожидания величины параметра точности по номинальному значению и минимум дисперсии:

В ряде случаев достаточно задать ограничения по дисперсии:

где -допустимое значение дисперсии.
Выполнение условия при незначительном проигрыше в точности землеройной машины, по сравнению с условиями и, может дать значительный выигрыш в других ее показателях, например, уменьшить массу, габариты, стоимость, трудозатраты в эксплуатации и др.
Однако в ряде случаев нецелесообразно, а иногда и невозможно использовать абсолютные величины дисперсий для проведения сравнительных оценок точностных параметров машин. В этом случае в качестве критерия точности в работе предлагается использовать, так называемый, коэффициент сглаживания, равный отношению среднеквадратических отклонений параметра, определяемых до и после реализации рабочего процесса. В работе предложено производить оценку планирующей способности автогрейдера двумя коэффициентами сглаживания – в продольном и поперечном направлениях. Недостатком коэффициента сглаживания в поперечном направлении является не совсем корректный выбор параметра, определяемого до реализации рабочего процесса, т.е. определяется отношение среднеквадратических отклонений угла поперечного профиля до и после обработки. Тогда как на формируемый угол поперечного профиля в силу конструктивных особенностей подавляющего большинства конструкций существующих автогрейдеров, основное влияние оказывают вертикальные премещения средней точки переднего моста автогрейдера.
Исходя из этого, в данной работе вводится коэффициент передачи возмущающих воздействий от вертикальных перемещений переднего моста автогрейдера в продольном КY и поперечном Кg направлениях.
Коэффициент КY равен отношению среднеквадратических отклонений вертикальной координаты, определяемых после и до реализации рабочего процесса.
Коэффициент Кg равен отношению среднеквадратических отклонений угла поперечного профиля после обработки и среднеквадратических отклонений вертикальной координаты до обработки.
Комплексный показатель достаточно объективно характеризует эффективность рабочего процесса, но определение весовых коэффициентов вызывает существенные трудности и связанно с субъективными оценками. Поэтому более целесообразно использовать векторный критерий эффективности, представляющий собой набор единичных показателей, характеризующих автогрейдер с различных сторон.
Таким образом, векторный критерий эффективности автогрейдера при выполнении планировочных работ имеет вид:
,
где Р1 – единичный показатель, характеризующий планирующую способность автогрейдера в продольном направлений КY ; Р2 - единичный показатель, характеризующий планирующую способность автогрейдера в поперечном направлении Кg ; Р3 – единичный показатель, характеризующий рабочую скорость автогрейдера V.
Таким образом, задача оценки эффективности того или иного усовершенствования автогрейдера или оценки влияния на качество работ того или иного параметра автогрейдера и его системы управления трансформируется в задачу определения векторного критерия при условии, что требуемые тенденции изменения единичных показателей имеют вид
Р1 ® max,Р2 ® max,Р3 ® max.
Кроме рассмотренных, могут быть и другие критерии эффективности при решении задач обеспечения точности автогрейдера. Их выбор зависит от типа решаемых задач, вида и объема исходной информации и др.
На основе вышеприведенного обзора критериев эффективности можно сделать вывод, что для оценки эффективности целесообразно применять более низкие по иерархическому уровню показатели, в частности производительность. На показатель производительности большое влияние оказывает количество проходов автогрейдера по обрабатываемому участку до достижения точности, установленной СНиПом. Особенности рабочего процесса автогрейдера, при проведении планировочных работ, позволяют при сокращении лишних проходов снизить затраты расходного материала. Таким образом перспективным направлением повышения эффективности автогрейдера, при проведении планировочных работ, является разработка новых систем управления рабочим органом, позволяющих добиться заданной точности геометрических параметров земляного полотна за минимальное число проходов по обрабатываемому участку.
1.2 Анализ предшествующих исследований
1.2.1 Анализ математических моделей автогрейдеров
Автогрейдерам и системам управления рабочим оборудованием автогрейдеров посвящено значительное число исследований. Был разработан ряд математических моделей автогрейдеров, снабженных автоматической системой стабилизации положения рабочего органа. Так как эти математические модели разработаны в разное время, для различных конкретных задач, они отличаются степенью детализации.
В работах В.С. Дектярева и А.М. Васьковского рассматривается автогрейдер, снабженный электрогидравлической системой стабилизации угла наклона отвала в поперечной плоскости. Расчетная схема автогрейдера выполнена в виде одномассовой системы на упругих опорах, математическое описание представлено дифференциальным уравнением второго порядка.
Для математического описания автогрейдер может быть представлен механической системой в виде шарнирно сочлененного многозвенника с голономными связями. В работах В.А. Палеева, В.А. Байкалова, В.Е. Калугина и А.Ф. Бакалова предложены обобщенные расчетные схемы автогрейдера, представленные пятизвенной системой с 13-ю степенями свободы и наложенными на нее упруговязкими связями. В зависимости от конкретных задач исследований математические модели различаются наличием дополнительных элементов и связей. В качестве элементов расчетной схемы выбраны: подмоторная рама, хребтовая балка, левый и правый балансиры, передняя ось и тяговая рама с рабочим органом. Математическая модель автогрейдера описывается системой уравнений Лагранжа второго рода. Для решения задач исследования пространственных кинематических цепей, которыми представлен автогрейдер, используется метод переходных матриц. Суть метода состоит в том, что задаются неподвижная система координат, связанная с неподвижным звеном или звеном, движущимся равномерно и прямолинейно, и локальные системы координат, жестко связанные с подвижными звеньями. В работах получены уравнения геометрической связи, определяющие положение произвольной точки локальной системы отсчета относительно однородной, связи между контролируемыми параметрами земляного полотна и значениями обобщенных координат автогрейдера, колебаний автогрейдера и др.
В работах В.В. Беляева, В.В. Привалова для описания перемещений элементов расчетной схемы была принята правая ортогональная система координат. Пространственное положение отвала характеризуют вертикальная координата его центральной точки и угол перекоса. Выведены уравнения кинематических связей, определяющих положение произвольных точек звеньев расчетной схемы в неподвижной системе координат в любой момент времени от начала отсчета и устанавливающих связь между положением рабочего органа и параметрами сформированной поверхности.
В работе В.А. Калякина предложена математическая модель планировочной машины на базе промышленных тракторов. Проведен анализ конструкций планировочных машин на базе различных промышленных тракторов.
В работе Б.Д. Каноныхина в соответствии с методом структурно-кинематического объединения типовых агрегатных подсистем были получены динамические модели колеса, балансирной тележки, остова, структурно-кинематические связи продольного и поперечного движений. На основании динамических моделей агрегатных подсистем синтезируется динамическая модель всей системы в целом: продольного и поперечного движения.
1 .2.2 Анализ математических моделей гидроприводов
Решение задач анализа и синтеза гидроприводов невозможно осуществлять без их математических моделей, которые необходимо составлять для каждой новой гидравлической схемы. Разнообразные схемы гидроприводов представляют совокупность соединенных между собой гидроэлементов, причем количество функциональных элементов гидросистем невелико: насос, гидромотор, гидроцилиндр, гидролиния, дроссель, редукционный, предохранительный и обратный клапаны и др. Указанные гидроэлементы достаточно глубоко изучены и в зависимости от принятых допущений и поставленных задач исследования описаны с той или иной степенью детализации.
В работе Бирюкова С.Т. предлагается методика составления математических моделей гидроприводов, базирующаяся на представлении гидроэлементов в виде многомерных динамических объектов и использующая векторно-матричную форму записи уравнений.
Динамические свойства многомерных объектов полностью характеризуются их уравнениями движения, связывающими выходные и входные величины объектов, которые составляются на основе законов физики при рассмотрении процессов преобразования и передачи информации. Линеаризованная математическая модель гидравлического многомерного объекта может рассматриваться как гидравлический многополюсник. Гидропривод в целом можно рассматривать как сложный ГМП, состоящий из соединенных между собой различными способами простых ГМП.
Представление математических моделей гидроприводов в виде ГМП позволяет формализовать процесс составления математических моделей и возложить его на ЭВМ. При этом, в зависимости от целей и задач исследования, могут быть сформированы математические модели двух типов: модели, которые устанавливают аналитическую взаимосвязь между внешними воздействиями и выходными величинами без рассмотрения величин векторов, связывающих ГМП между собой, и модели, устанавливающие аналитическую взаимосвязь между векторами гидросистемы.
В работе Бакалова А.Ф. отмечается, что для решения задач динамики гидрофицированной машины в целом, когда наибольший интерес представляет движение выходного звена исполнительного электрогидропривода при подаче на вход управляющего воздействия, то есть «макродинамика» гидропривода, его математическое описание может быть значительно упрощено. При этом не будут рассматриваться процессы, связанные с работой отдельных гидроэлементов.
При описании электрогидропривода в качестве входного воздействия принята выходная координата порогового элемента, в качестве выходной координаты – перемещение штока гидроцилиндра.
В своей работе Беляев В.В. предложил общую передаточную функцию гидропривода. Так как объемный гидропривод обладает такими общими свойствами, как время запаздывания и постоянная скорость перемещения штоков исполнительных гидроцилиндров в установившемся режиме, переходные процессы разгона и торможения штока гидроцилиндра, то можно выделить следующие характерные стадии переходного процесса:
1) чистое запаздывание tгид , в течение которого шток находится в покое после включения распределителя;
2) стадию разгона, в течение которой шток разгоняется до номинальной скорости;
3) стадию установившегося движения.
Выделенным стадиям можно поставить в соответствие три последовательно соединенных звена – звено чистого запаздывания, апериодическое звено первого порядка и интегрирующее звено.
Математическое описание звена чистого запаздывания имеет вид:
Qг = Rг ,
где Rг , Qг – входной и выходной сигналы звена чистого запаздывания.
Передаточная функция такого звена определяется по преобразованию Лапласа, и имеет вид:
.
Свойства апериодического звена первого порядка определяются постоянной времени tр , характеризующей его инерционность, и коэффициентом передачи Kи .
С учетом того, что Kи =1, передаточная функция имеет вид:
.
Передаточная функция интегрирующего звена
,
где K – коэффициент, определяющий скорость штока гидроцилиндра в установившемся режиме.
Общую передаточную функцию гидропривода можно записать:
.
Анализ предшествующих исследований, посвященный математическому описанию гидропривода, позволяет сделать вывод, что элементы гидропривода достаточно хорошо изучены и для достижения поставленной в работе цели могут быть представлены в виде передаточных функций.
1 .2.3 Анализ математических моделей микрорельефа грунта
Известно, что на точность планировочных работ существенно влияют параметры поверхностей грунта, по которому автогрейдер движется в процессе работы. Для отражения влияния микрорельефа на ЗТМ используются его математические модели. Модели могут быть представлены детерминированными и стохастическо-детерминированными функциями, а также записью реального случайного профиля.
Детерминированные модели представляют собой математическое описание неровностей рельефа в виде детерминированных функциональных зависимостей вертикальных координат поверхности от горизонтальных координат. Они менее достоверны по сравнению со стохастическими и имеют ограниченные возможности. Их в основном используют при подтверждении адекватности создаваемых математических моделей, анализе частотных характеристик исследуемых машин и качественных показателей систем управления рабочим органом.
Реальный случайный профиль представляет собой замеренные с определенным шагом вертикальные координаты поверхности относительно принятой системы координат. Он имеет ограниченное применение и используется в основном при создании наземных транспортных средств.
Для изучения ЗТМ наиболее удобно пользоваться стохастическо-детерминированной моделью земляного полотна. При этом корреляционная функция профиля задается детерминированной моделью, а по ней с использованием рекуррентных соотношений строится на ЭВМ псевдослучайный профиль.
Профиль местности может быть условно разделен на макропрофиль, микрорельеф и шероховатость. К макропрофилю относят неровности значительной протяженности и сравнительно большой амплитуды. Шероховатость – это неровности длиной до 0,5 м и малой амплитуды. Макрорельеф и шероховатость не представляет интереса с точки зрения влияния на планировочные свойства автогрейдера. Макрорельеф оказывает очень медленное влияние во времени на положение РО, а шероховатость компенсируется сглаживающей способностью шин.
Для оценки влияния микрорельефа на изменения положения РО с достаточной точностью микрорельеф можно описывать двумя функциями микропрофиля по левой и правой колее автогрейдера, а поперечный уклон в произвольном сечении оценивать по вертикальным координатам левой и правой колеи.
В настоящее время накоплен обширный материал, описывающий статистические свойства различных типов грунтовых поверхностей. Математическому описанию микрорельефа посвящено много работ как у нас в стране так и за рубежом.
Анализ предшествующей литературы показал, что микропрофиль грунтовой поверхности можно представить случайной нормально распределенной функцией, основной характеристикой которой является корреляционная функция R.
Большинство грунтовых поверхностей, обрабатываемых автогрейдером, имеет корреляционные функции, которые описываются выражениями:
;
,
где aк ,bк – коэффициенты, зависящие от типа профиля;
t= l.V, где V – скорость движения;
l – расстояние, пройденное от начала отсчета;
sк 2 – дисперсия статистики микропрофиля поверхности.
Для моделирования на ЭВМ данных случайных процессов использованы рекурентные уравнения:
для ,
где ;
;
;
,
где hд – шаг дискретности времени;
x – реализация независимых нормально распределенных чисел с параметрами матожидание m=0, среднеквадратичное отклонение s =1.
Для
,
где ;
;
;
;
;
;
;
;
.
Возмущения, воздействующие на ходовое оборудование автогрейдера, зависят не только от параметров обрабатываемой поверхности и рабочей скорости машины, но и от физико-механических свойств опорной поверхности. На автогрейдер действует «сглаженное» возмущение за счёт нивелирующей способности шин и податливости грунта. Согласно работ для грунтов, обрабатываемых автогрейдером, профиль можно считать неизменным и учитывать только приведенную сглаживающую способность шин, за счёт которой опорные элементы ходового оборудования взаимодействуют с микрорельефом по площадке контакта длиной 2 Х0 .
Это ведет к тому, что на автогрейдер воздействует сглаженный микропрофиль. В работе предлагается в расчетах рабочего процесса автогрейдера использовать схему точечного контакта шин с грунтом, но в качестве микропрофиля необходимо применять сглаженный микропрофиль. Поэтому полученные случайные процессы необходимо подвергнуть «сглаживанию»:
,
где k = 0,5; MC – интервал усреднения;
n=,…,; Nсг – число точек сглаженного профиля; y – ординаты несглаженного профиля.
Анализ работ по математическому описанию микрорельефа различных грунтовых поверхностей показал, что статистические свойства микрорельефа достаточно хорошо изучены. Разработанный математический аппарат позволяет моделировать микрорельеф с необходимыми статистическими свойствами, необходимыми для решения задач, поставленных в данной работе.
1 .2.4 Анализ математических моделей систем управления
При проведении планировочных работ оператор автогрейдера осуществляет управление положением РО, контроль параметров формируемого земляного полотна, управление направлением движения и режимами работы силовой установки. Многообразие функций оператора и высокие требования к точности земляного сооружения являются одной из причин, не позволяющих оператору обеспечивать геометрические параметры формируемой поверхности, требуемые СНиПом. В связи с этим появился целый ряд систем автоматического управления, частично или полностью исключающих оператора из контура управления положением РО.
Эффективность автогрейдеров на планировочных и профилировочных работах в значительной степени определяется совершенством систем управления РО.
Общим вопросам исследования систем управления землеройных машин и их математическому моделированию посвящены работы Т.В. Алексеевой, В.Ф. Амельченко, В.И. Баловнева, Д.П. Волкова, Б.Д. Кононыхина, Ю.М. Княжева, Э.Н. Кузина, Е.Ф. Малиновского, В.Н. Тарасова, В.С. Щербакова и др.
При всем многообразии системы управления могут быть охарактеризованы общими свойствами:
– информационными параметрами систем являются вертикальные координаты какой-либо точки отвала и угловое положение отвала относительно гравитационной вертикали;
– параметрами управления в большинстве систем управления являются вертикальное и угловое положение РО, обеспечиваемое исполнительными гидроцилиндрами подъема-опускания;
– все системы управления созданы как дополнительные устройства к существующим автогрейдерам;
– основной принцип действия систем управления заключается в компенсации отклонений отвала от заданного положения под действием внешних возмущающих воздействий.
Были проведены работы по повышению точности планировочных работ, направленные на разработку и исследование алгоритмов управления; гидропривода; копирных и бескопирных систем управления; гидромеханических и электрогидравлических систем управления.
Анализ предшествующих исследований показал, что, в зависимости от решаемых задач и принятых допущений, системы управления были описаны с различной степенью детализации.
Так, в большинстве работ использовался хорошо изученный датчик гравитационного типа, с допущением о том, что основным возмущающим воздействием является момент вязкого трения, возникающий при повороте корпуса датчика.
Математическая модель датчика может быть описана дифференциальным уравнением
,
где Iм – момент инерции маятника датчика;
q– угол отклонения маятника от гравитационной вертикали;
g – угол поворота корпуса маятника;
mm – масса маятника;
lm – расстояние от точки подвеса до центра масс маятника;
Dm – коэффициент вязкого трения.
Маятник в датчике можно описать следующей передаточной функцией
,
где
и
.
Это выражение описывает отклонение маятника от гравитационной вертикали q, что является динамической ошибкой датчика. При математическом описании необходимо учитывать эту ошибку. Таким образом при математическом описании с датчика поступает сигнал gдат равный: gдат = g-q.
Сигнал датчика, поступая на вход элемента сравнения, сравнивается с сигналом задатчика, а выделенный сигнал рассогласования подается на блок управления гидравлическим исполнительным элементом, который является релейным пороговым элементом. Он описывается как безинерционное реле системой неравенств:


где I и R – входные выходные сигналы порогового элемента соответственно; Ro – фиксированное значение выходного сигнала, I1 и I2 – пороги срабатывания релейного элемента.
Пороговый элемент представляет собой звено для которого линеаризация недопустима, статическая характеристика такого звена имеет вид

Недостатком существующих систем автоматического управления является невозможность визуального контроля точности обработанной поверхности во время производства планировочных работ. Для устранения этого недостатка необходимо в систему автоматического управления ввести устройство индикации, учитывающее динамические свойства человека-оператора, который должен отслеживать по устройству индикации точность обрабатываемой поверхности. Система управления, оснащенная устройством индикации позволит в ряде случаев сократить число проходов автогрейдера по одному и тому же обрабатываемому участку.
Таким образом, целесообразно систему управления РО разбить на два контура: автоматического и полуавтоматического управления. Система будет работать в автоматическом режиме до принятия решения человеком-оператором на основе информации от устройства индикации.
Система автоматического управления положением РО в поперечной плоскости состоит из последовательно соединенных элементов:
– датчика угла наклона РО;
– элемента сравнения;
– порогового элемента;
– исполнительного гидропривода.
В полуавтоматическом режиме в систему управления добавляется человек-оператор. Наличие человека-оператора приводит к двум противоречивым результатам. С одной стороны, человек-оператор является наиболее универсальным и гибким звеном: человек способен переработать значительно большую и поступающую по многим каналам информацию, чем машинное звено. С другой стороны, человек уступает машине в скорости, точности выполняемых операций и в возможности длительное время сохранять заданную работоспособность.
Как видно из работ, в системе ручного управления оператор формирует управляющий сигнал на основе анализа и обобщения информации от нескольких источников. Управляющий сигнал получается в результате проведения определенных математических операций над координатами, определяющими положение элементов рабочего оборудования. После того, как сформирован управляющий сигнал, оператор вырабатывает решение на отклонение управляющего элемента и осуществляет это отклонение с помощью нервно-мускульного воздействия.
Человека-оператора, как элемент в замкнутом контуре ручного управления, можно рассматривать в виде последовательно соединенных трех функциональных звеньев: суммирующего, вычислительного и усилительного.
Суммирующее звено по динамическим свойствам представляет собой усилительный элемент с запаздыванием. Второе звено является специфическим вычислительным элементом с самонастройкой. С точки зрения динамики этот элемент обладает свойствами усилительного, инерционного и форсирующего звеньев. Инерционность обусловлена необходимостью выработки решения и зависит от объема информации. Чем меньше параметров обрабатываемой информации, тем меньше инерционность.
Форсирующее звено возникает в результате создания оператором форсирующих управляющих сигналов, с помощью которых он стремится компенсировать свою инерционность.
Усилительное звено оператора отражает нервно-мускульное воздействие на органы управления. По динамическим свойствам это инерционное звено.
Анализ предшествующих работ, посвященных математическому описанию систем управления, показал, что для элементов систем управления РО целесообразно применить формальное математическое описание, аппарат которого разработан в теории автоматического управления и успешно применяется для решения различных задач.
Для достижения поставленной в работе цели в систему управления РО автогрейдера необходимо ввести устройство индикации.
1 .2.5 Анализ предшествующих исследований проблемы повышения точности планировочных работ, выполняемых автогрейдером
В дорожном строительстве огромное значение имеет качество возводимого земляного полотна. Его точностные характеристики такие как уклоны, высотные отметки, линейные размеры, ровность поверхности и др. строго регламентированы СНиПом.
Вопросу повышения точности обработки грунта посвящено ряд работ, авторы которых с разной степенью детализации рассматривали процесс планировки земляного полотна и давали рекомендации по повышению точности.
В работе Э.А. Степанова исследована зависимость качества планировки от конструктивных параметров автогрейдера.
В работах В.С. Дектярева, А.М. Васьковского, А.Н. Пиковской, в трудах ВНИИстройдормаша подробно рассмотрены различные варианты математических описаний и приведены конкретные статические и динамические характеристики элементов систем автоматической стабилизации – гироскопических и гравитационных датчиков угла наклона, релейных элементов, усилителей, электрозолотников, гидроцилиндров.
В.С. Дектярев в своей работе, проанализировав причины отклонения от заданных параметров земляного полотна, пришел к выводу, что необходимо сократить зазоры в соединениях деталей рабочего оборудования и механизмов управления и применять автоматические системы управления автогрейдером. В результате экспериментальных и теоретических исследований были созданы два варианта трехпозиционных автоматических регулятора: с контактным измерением величины рассогласования и с потенциометрическим изменением величины рассогласования.
А.М. Васьковский в работе, используя опыт по автоматизации землеройно-планировочных машин в отделе автоматики ВНИИСтройдормаша, исследовал рабочий процесс этих машин. Это позволило ему определить важнейшие элементы, подлежащие автоматизации.
Стала очевидна необходимость автоматического контроля угла поперечного наклона рабочего органа автогрейдера и автоматическая стабилизация продольного угла наклона рамы бульдозера, способная придать ему высокие сглаживающие свойства, подобные свойствам длиннобазового планировщика. Была предложена методика проектирования систем автоматического управления с целью определения параметров, относящихся к задаче автоматизации.
В.А. Палеев в работе предложил применить для повышения точности планировочных работ гидромеханическую систему стабилизации отвала автогрейдера в поперечной плоскости. Рассмотрел изменение угла наклона отвала в поперечной плоскости при изменении угла захвата. Проанализировал влияние координат точки крепления системы стабилизации на качество планирования. Определил параметры гидромеханической системы стабилизации.
В.А. Байкалов в работе предложил двухскоростную систему стабилизации рабочего органа автогрейдера. Исследуя систему стабилизации, определил ее основные параметры.
А.Ф. Бакалов в работе, исследуя системы стабилизации рабочего органа автогрейдера, предложил повысить быстродействие системы применением корректирующего звена, которое устраняет влияние демпфирования маятника датчика относительно корпуса.
В.В. Беляев в работе, проанализировав модель рабочего процесса автогрейдера при выполнении планировочных работ, пришел к выводу, что наиболее существенное влияние на точность обработки грунта оказывают отношения геометрических параметров автогрейдера к параметрам обрабатываемой поверхности. Было предложено с целью повышения планирующей способности автогрейдера исключить жесткие связи между базовой машиной и рабочим органом в поперечной вертикальной плоскости. Был предложен «инвариантный» рабочий орган с опорой на обработанную поверхность.
В.Е. Калугин в работе на основе морфологического анализа устройств подвеса тяговой рамы автогрейдеров предложил ряд новых схем подвеса. Как наиболее эффективная была выбрана схема на неповоротных кронштейнах. Рассматривался планировочный процесс при возведении откосов. Проведен анализ влияния зазоров в рабочем оборудовании автогрейдеров на точность планировочных работ.
В.В. Привалов в работе, исследуя влияние обрабатываемой поверхности на точность планировочных работ, предложил уменьшить возмущающее воздействие грунта путем применения дополнительных рабочих органов, установленных перед колесами автогрейдера.
В.И. Калякин в работе рассмотрел планировочные машины на базе промышленных тракторов. Был предложен ряд инженерных решений совершенствования планировочных машин. Указано на перспективность схем многоскоростных гидроприводов и приводов с переменной скоростью перемещения рабочего органа. Определено условие зоны устойчивой работы систем управления планировочных машин. С наилучшими точностными показателями была признана конструкция полуприцепной машины с шарнирным креплением задней оси к хребтовой балке и дополнительными рабочими органами перед задними колесами тягача.
Б.Д. Каноныхин в работе рассмотрел проблемы идентификации, автокоординирования и управления ЗТМ. Была синтезирована динамика координирования рабочих органов управляемых ЗТМ, теория лазерных координаторов и динамика систем управления рабочими органами ЗТМ с лазерными координаторами. В работах рассматривается новое направление в области строительного и дорожного машиностроения – адаптивное машиностроение. В статье проводится анализ инвариантных систем управления процессами грунт-машина-рабочий орган, рассматриваются оптимальные структуры управления повышающие эффективность использования машин при производстве земляных работ.
Рассмотренные работы в соответствии с поставленными в них целями и задачами в той или иной степени решали проблему повышения точности земляных работ выполняемых автогрейдером. Однако до настоящего времени отсутствуют работы, направленные на создание устройств индикации систем управления, что не позволяет решить поставленные в данной работе цели. В связи с этим необходимо провести исследование рабочих процессов автогрейдера при выполнении планировочных работ и решить научные и практические задачи, направленные на дальнейшее совершенствование систем управления РО автогрейдера.
1 .2.6 Обзор существующих теорий копания грунта
В настоящее время существует ряд работ, описывающих различные методы теоретического определения усилий, возникающих при копании грунта землеройно-транспортными машинами, включающих резание грунта и перемещение грунта по отвалу и впереди его. Огромный вклад в создание основ теории резания грунтов принадлежит В.П. Горячкину, Н.Г. Домбровскому, А.Н. Зеленину, Ю.А. Ветрову, К.А. Артемьеву, В.И. Баловневу и др.
Существующие теории копания грунта можно условно разделить на две группы, которые отличаются подходами к построению теории:
1) теории, основанные преимущественно на обобщении результатов экспериментальных исследований. Эти полуэмпирические теории более просты, но не ставят целью объяснение или полное описание явлений, возникающих в грунте при копании, и могут оказаться непригодными за пределами области, в которой лежат исходные экспериментальные данные;
2) теории, базирующиеся на основных положениях механики сплошной среды и теории прочности.
Данные теории позволяют определить сопротивление резанию и копанию при условии, что известны параметры РО, режим работы и параметры грунта.
Однако в реальных условиях большинство этих параметров носят случайный характер. Поэтому для создания математических моделей рабочих процессов ЗТМ, при проведении планировочных работ, силовое воздействие со стороны грунта при копании должно оцениваться как случайная функция.
В работе случайный процесс, изменения реакции Е грунта на отвале автогрейдера, предлагается представить в виде:
Е = Ет + Еф ,
где Ет – низкочастотный тренд; Еф – высокочастотная составляющая, которая изменяется по случайному закону нормального распределения.
Корреляционные функции случайных флюктуаций можно представить в виде:
,
где sф 2 – дисперсия флюктуаций; aф и bф – параметры корреляционной функции.
Значения aф и bф приведены в табл. 1.2.
Таблица 1.2. Значения параметров корреляционной функции для определения флюктуаций Еф
| Предел прочности | Параметр | |
| грунта, МПа | aф | bф |
| 0 – 0,2 | 0,8 – 1,5 | 2,5 – 8 |
| 0,2 – 0,4 | 1,2 – 1,8 | 4 – 10 |
| 0,4 – 0,6 | 1,5 – 2,0 | 6 – 12 |
| 0,6 – 0,8 | 1,8 – 3,0 | 8 – 16 |
Коэффициенты вариации флюктуации yф составляющих сопротивления копанию приведены в табл. 1.3.
Для определения низкочастотного тренда Ет реакции грунта можно использовать различные теории копания. В работах для этой цели предложено использовать теорию копания, предложенную К.А. Артемьевым и его учениками.
Таблица 1.3. Коэффициенты вариации составляющих сопротивления копанию
| Предел | Составляющие сопротивления копанию | ||
| прочности грунта, МПа | касательная | нормальная | боковая |
| 0 – 0,2 | 0,08 – 0,1 | 0,1 – 0,12 | 0,08 – 0,09 |
| 0,2 – 0,4 | 0,11 – 0,14 | 0,14 – 0,16 | 0,08 – 0,1 |
| 0,4 – 0,6 | 0,14 – 0,17 | 0,17 – 0,2 | 0,09 – 0,1 |
| 0,6 – 0,8 | 0,19 – 0,22 | 0,22 – 0,24 | 0,09 – 0,1 |
Горизонтальная составляющая вектора силы сопротивления копанию грунта ножом криволинейного профиля постоянного радиуса кривизны с острой режущей кромкой применительно к отвалу автогрейдера выражается в виде:
Wx = .sin2 j + Wпр . sinj,
где Ех, Еу – соответственно горизонтальная и вертикальная составляющая силы сопротивления резанию грунта при лобовом копании; Wпр – сопротивление перемещению призмы волочения; m1 – коэффициент трения грунта по металлу; j – угол захвата отвала.
При косом копании вертикальная Еу j и поперечная Еz j составляющие силы резания определяются
Еу j = Еу .sin j; Ez j = Ex . cos j.
,
где gр – объемная масса грунта в призме волочения;
g – ускорение свободного падения;
b – длина отвала;
Hг – высота отвала по хорде без участка, погруженного в грунт;
rо – угол внешнего трения;
e– угол, составленный вертикалью и линией, соединяющей верхнюю точку отвала с точкой его контакта с поверхностью разрабатываемого грунта, равен

где aр – угол резания; h – толщина срезаемой стружки; Rг – радиус кривизны отвала; Ho – высота отвала по хорде.
Величина Hг определяется по формуле
.
Значения Ех и Еу записываются в виде

где gг – объемная масса грунта.
М1R = 1+tg ro . tg;
M2R = tg - tg ro;

где b1 – угол, образуемый подпорной стенкой с вертикалью; wг – центральный угол дуги ножа криволинейного профиля, погруженного в грунт.
wг = arccos-aр ;
.
Автогрейдер является универсальной машиной и при выполнении планировочных работ ему приходится работать с грунтами различных категорий. Однако финишные, отделочные планировочные операции автогрейдер проводит на разрыхленных грунтах, при этом толщина снимаемого слоя не превышает 0,07 м, то есть процесс планировки земляного полотна несколько отличается от процесса копания грунта толщиной срезаемой стружки и прочностью грунта, а следовательно, и диапазоном изменения реакции грунта копанию, действующей на отвал.
Таким образом, анализ показал, что проблеме определения сопротивления копанию грунта посвящено достаточно много работ, математический аппарат определения сопротивления копанию хорошо проработан и отражает детерминированными выражениями зависимость сил реакции грунта на РО от физико-механических свойств грунта, толщины стружки и параметров РО, а так же флюктуации реакций, носящих случайный характер, и позволяет использовать их для достижения поставленных в работе целей.
1.3 Цели и задачи исследования
Анализ литературы, посвященной проблемам повышения эффективности автогрейдеров при проведении планировочных работ, позволил сделать вывод, что в соответствии с поставленными в различных работах задачами автогрейдер, как объект управления, математически описан достаточно часто. Коренного изменения конструкции автогрейдеров в ближайшее время не ожидается. Наиболее перспективной является схема автогрейдера с шарнирно сочлененной рамой. Эффективность систем автоматического управления рабочим органом путем улучшения элементной базы существенно повысить не возможно. Необходима разработка новых алгоритмов функционирования систем автоматического управления. На наш взгляд, повышение эффективности систем автоматического управления автогрейдера, при производстве планировочных работ, может быть повышена путем применения такого алгоритма работы системы, который позволяет повысить производительность планировочных работ в целом, но требует применения запоминающих устройств и устройств индикации.
Цель данной работы – повышение производительности автогрейдера, выполняющего планировочные работы. Поставленная цель достигается путем применения системы стабилизации отвала, включающей запоминающее устройство и устройство индикации, позволяющей в процессе производства планировочных работ человеку-оператору визуально по устройству индикации следить за геометрическими параметрами формируемого земляного полотна и при достижении заданной точности, требуемой СНиПом, предотвратить лишние проходы по обработанному участку.
Для достижения поставленной цели необходимо провести исследования, в процессе которых решить следующие задачи:
– обосновать основные пути совершенствования системы управления рабочим органом автогрейдера, выполняющего планировочные работы;
– разработать математическое описание автогрейдера, выполняющего планировочные работы;
– выявить основные закономерности рабочего процесса и обосновать технические решения, позволяющие повысить производительность планировочных работ;
– разработать и внедрить систему стабилизации отвала с устройством индикации.
2. Методика исследований
2.1 Общая методика исследований
Системный подход является общепринятым направлением методологии, определяющим ориентацию научных исследований и занимает ведущее место в научном познании. В связи с этим в данной работе системный подход использовался в качестве общей методики исследований.
Системный подход характеризуется следующими основными признаками: целостностью, иерархаичностью, структурностью, множественностью описаний, взаимозависимостью системы и среды.
Суть системного подхода состоит в том, что автогрейдер рассматривается как система, состоящая из ограниченного множества элементов, объединенных в единое целое связями. Группы элементов, объединенных одним функционально завершенным преобразованием, будут являться подсистемами. Целостность автогрейдера, как системы, заключается в том, что его свойства не могут быть поняты и оценены без знания свойств его подсистем. Иерархаичность и структурность автогрейдера, как системы, характеризуется тем, что каждая его подсистема может рассматриваться в свою очередь как система с возможностью ее описания с помощью сети связей. Множество моделей, которыми может быть описан автогрейдер по различным аспектам, является одним из основных принципов системного подхода. Принцип взаимозависимости определяет рассмотрение свойств автогрейдера во взаимосвязи с окружающей средой.
Выделенные подсистемы автогрейдера целесообразно формализовать, то есть абстрактно представить некоторой математической моделью их функционирования. При этом под математической моделью понимается совокупность математических объектов и связей между ними, отражающих важнейшие свойства изучаемого объекта и позволяющих получить новую, ранее неизвестную информацию об объекте.
Используя метод математического моделирования, который является важной методологической основой, можно решать поставленные задачи и обеспечить повышение темпов поиска новых решений при минимуме материальных затрат. Математическое моделирование целесообразно использовать на всех этапах системного анализа путем моделирования всей системы автогрейдера и отдельных его частей, таких, как система управления, гидропривод, микрорельеф и др.
Так как системный анализ предусматривает комплексный подход в решении задач, важной частью работы, наряду с разработкой математической модели и проведением на основе ее теоретических исследований, является натурный эксперимент на реальном объекте, основными задачами которого являются подтверждение адекватности математической модели объекту, а следовательно, и правомерности полученных теоретических выводов, и проверка правильности предлагаемых технических решений в производственных условиях.
В решении поставленных в работе задач методом системного анализа можно выделить следующие основные этапы:
1) синтез структурной схемы рабочего процесса автоматизированного автогрейдера на планировочных работах;
2) теоретические исследования элементов структурной схемы с целью выявления закономерностей их влияния на процесс планировки и связей между ними;
3) введение при необходимости новых элементов или устранение «вредных» элементов и связей, отрицательно влияющих на качество планировочных работ. Формирование технических решений, позволяющих реализовать новую схему рабочего процесса автогрейдера;
4) теоретическое и экспериментальное изучение и оценка функционирования новой системы, корректировка при необходимости разработанных технических решений;
5) оценка результатов исследований.
2.2 Методика теоретических исследований
Математическое моделирование составляет основу теоретических исследований работы, при этом исследуемый объект заменяется его математической моделью, которая отражает с достаточной степенью точности исследуемые свойства объекта. Наиболее распространенным способом представления математической модели является система каких-либо уравнений, выбор которых соответствует уровню принятой математической модели с необходимыми для ее решения данными – начальными, граничными условиями, численными значениями коэффициентов. Наиболее рациональный, а часто и единственный реальный путь решения системы уравнений – это расчеты на ЭВМ численным методом.
Такое исследование называется вычислительным экспериментом. Вычислительный эксперимент обладает рядом преимуществ по сравнению с натуральным: вычислительный эксперимент, как правило, намного дешевле, легче и быстрее реализуем; допускает вмешательство извне на любой стадии; позволяет моделировать условия эксперимента, которые зачастую вообще невозможно воспроизвести в реальных условиях, и выполнять эксперименты на критических режимах, воспроизведение которых в условиях натурного эксперимента затруднительно, дорого, а порой и небезопасно.
2.4 Структура работы
В соответствии с целью для решения поставленных задач была сформирована структура работы, включающая выполнение следующих основных этапов:
1.1. Анализ критериев эффективности автогрейдера при производстве планировочных работ.
1.2. Анализ предшествующих исследований проблемы повышения точности планировочных работ, выполняемых автогрейдером.
1.3. Анализ математических моделей автогрейдеров.
1.4. Анализ математических моделей гидропривода.
1.5. Анализ математических моделей грунта.
1.6. Анализ математических моделей системы управления.
1.7. Формирование требований к системе управления.
2.1. Обоснование расчетных схем и составление математических моделей подсистем автогрейдера, микрорельефа грунта, человека-оператора.
2.2. Обоснование методов исследования на математических моделях.
2.3. Формирование обобщенной структурной схемы автоматизированного автогрейдера.
2.4. Составление алгоритмов и программ расчета на ЭВМ.
2.5. Оценка адекватности математических моделей.
2.6. Обоснование и выбор численных значений коэффициентов математических моделей и граничных значений диапазонов варьируемых параметров.
3.1. Выбор и обоснование критериев оценки эффективности технологического процесса планировочных работ.
3.2. Выбор и обоснование информационных параметров.
3.3. Анализ значимости параметров на эффективность технологического процесса планировочных работ.
3.4. Анализ параметров на ЭВМ.
3.5. Синтез алгоритмов работы перспективных систем управления.
3.6. Формирование структурной схемы системы управления.
3.7. Разработка инженерных решений.

Рис. 2.1. Структура работы
4.1. Экспериментальное исследование автогрейдера в производственных условиях.
4.2. Внедрение инженерных решений.
3. Математическое описание автогрейдера
3.1 Математическая модель микрорельефа грунтовой поверхности
Анализ рабочего процесса автогрейдера при планировочных работах показал, что одним из факторов, определяющих точность обработки грунта, является микрорельеф обрабатываемой грунтовой поверхности, неровности которой являются одним из источников вертикальных и угловых перемещений автогрейдера при движении и связанного с ними РО. Таким образом, составление математической модели микрорельефа является важным этапом в разработке обобщенной математической модели рабочего процесса автогрейдера. Это позволит установить основные закономерности движения автогрейдера по опорной поверхности, соответствующей реальной, выявить характер влияния на точность обработки грунта параметров обрабатываемого микрорельефа.
В работе использовались для моделирования микрорельефа левой и правой колеи корреляционные функции двух типов, определяемые выражениями и.
Для реализации моделей микрорельефа обрабатываемой грунтовой поверхности на ЭВМ использовались моделирующие алгоритмы, которые определяются выражениями.
На основании указанных выражений составлена программа SOIL реализации микрорельефа на ЭВМ. Блок-схема программы приведена на рис. 3.1. В программе используется стандартная функция RANDOM языка программирования Turbo Pascal 6.0, позволяющая вычислять псевдослучайные числа, нормально распределенные в интервале.
Рис. 3.1. Блок-схема программы SOIL, реализующей микропрофиль
На рис. 3. 2,3. 3,3.5 в качестве примера приведены фрагменты реализации микрорельефа с корреляционными функциями для левой колеи R = 29,16. 10-4 . e-0,77I t I , дляправойколеиR = 29,16. 10-4 . e-0,77I t I cos 1,35 t.
Реализованный микрорельеф сглажен по пятну контакта равному 0,15 м.
На рис. 3.4 представлена реализация колебаний условной средней точки переднего моста при движении автогрейдера по данным микрорельефам.
На основе приведенной выше математической модели можно смоделировать микрорельеф грунта с заданными характеристиками.

Рис. 3.2. Фрагмент реализации микрорельефа по левой колее

Рис. 3.3. Фрагмент реализации микрорельефа по правой колее

Рис. 3.4. Координата условной средней точки переднего моста автогрейдера

Рис. 3.5. Фрагмент реализации микрорельефа грунта
3.2 Математическая модель автогрейдера
Автогрейдер, оснащенный системой автоматического управления рабочим органом, грунт и микрорельеф обрабатываемой поверхности представляют в совокупности сложную динамическую систему. Оптимизацию параметров этой системы удобней вести на математических моделях.
Решение поставленных в работе задач требует составления уравнений геометрических связей автогрейдера, рассмотрения перемещения РО в пространстве под действием различных факторов, определения динамических характеристик объекта при различных возмущающих и управляющих воздействиях.
Анализ конструкций автогрейдеров и математических моделей предшествующих исследований позволил составить расчетную схему.
При составлении расчетной схемы были приняты следующие допущения:
– автогрейдер является пространственным шарнирно сочлененным многозвенником;
– конструктивные элементы автогрейдера абсолютно жесткие;
– элементы ходового оборудования имеют постоянный контакт с грунтом при длине пятна контакта вдоль направления движения 0,15 м;
– люфты в шарнирных сочленениях автогрейдера отсутствуют;
– отвал постоянно заглублен в обрабатываемый грунт;
– рассматриваются малые перемещения элементов расчетной схемы;
– в процессе копания перестановка элементов рабочего оборудования не производится, углы перелома основной рамы, выноса тяговой рамы и поворота отвала не меняются;
– углы перелома основной рамы и выноса тяговой рамы изменяются от 0 до 20 градусов;

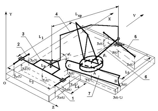
Рис. 3.6. Расчетная схема автогрейдера
– уплотнение грунта колесами пренебрежимо мало;
– динамическими колебаниями рабочего оборудования пренебрегаем;
– автогрейдер движется прямолинейно с постоянной скоростью.
Элементами расчетной схемы выбраны основные узлы автогрейдера: хребтовая балка, подмоторная рама, левый балансир, правый балансир, передняя ось, тяговая рама и поворотный круг с РО.
Элементы расчетной схемы выбраны в соответствии с наметившимися тенденциями дальнейшего совершенствования конструкций автогрейдеров. Это относится, в частности, к основной раме, которая представлена в виде шарнирно сочлененных подмоторной рамы и хребтовой балки. Благодаря этому, обобщенная расчетная схема отражает наиболее существенные признаки реальных и перспективных конструкций автогрейдеров.
Для описания положения элементов расчетной схемы в пространстве принята правая ортогональная система координат OXYZ. Ось OX совпадает с направлением движения автогрейдера, ось OY направлена вертикально вверх.
На элементы расчетной схемы наложены ограничивающие связи.
При движении автогрейдера, при выполнении планировочных работ элементы расчетной схемы имеют следующие степени свободы.
Таблица 3.1. Степени свободы элементов расчетной схемы автогрейдера при выполнении планировочных работ
| № п/п | Название элемента расчетной схемы | Степени свободы элемента |
| 1 | Балансир правый | Y, поворот вокруг оси OZ |
| 2 | Балансир левый | Y, поворот вокруг оси OZ |
| 3 | Рама подмоторная | Y, поворот вокруг осей OX, OZ |
| 4 | Хребтовая балка | Y, поворот вокруг осей OX, OZ |
| 5 | Передняя ось | Y, поворот вокруг оси OX |
| 6 | Тяговая рама | Y, поворот вокруг осей OX, OZ |
| 7 | Поворотный круг с РО | Y, поворот вокруг осей OX, OZ |
Положение хребтовой балки определяется координатами по OX, ОY и углом a1 , образованным в плоскости, OXZ осью OX и осью хребтовой балки, положение тяговой рамы определяется углом b1 , образованным в плоскости OXZ осью OX и осью тяговой рамы, угол j характеризует положение РО и образуется в плоскости OXZ осью OX и режущей кромкой РО.
Для определения положения произвольных точек звеньев расчетной схемы в любой момент времени от начала отсчета и установления связи между положением РО и параметрами сформированной поверхности были получены уравнения.
Положение в пространстве РО целесообразно определять по координате его центральной точки y и углу перекоса g' в момент времени t:
,
где yП , yЛ – вертикальные координаты правой и левой крайних точек режущей кромки отвала в момент времени t; LОТ – ширина отвала автогрейдера.
Для положения отвала, изображенного на рис. 3.6, поперечный профиль обрабатываемого земляного полотна, соответствующий центральной точке отвала, сформирован лишь на половине пройденного пути, расположенной справа от точки А. С другой стороны отвала профиль в момент времени t пока не сформирован, так как отвал еще не дошел до этого места. Таким образом, в момент времени t угол поперечного профиля верен для точки отвала С, максимально приближенной к задним колесам.
Тогда yпр = y;
при j£ 90О
при j> 90О,
где yпр – вертикальная координата профиля под центром отвала в момент времени.
,
где V – рабочая скорость автогрейдера. Из расчетной схемы видно, что
;
;
;
,
где y1П , y2П , y3П , y1Л , y2Л , y3Л – соответственно вертикальные координаты грунта в условных точках контакта первых, вторых и третьих правых и левых колес автогрейдера;
yПБ , yЛБ – условные вертикальные координаты правого и левого балансиров; y1 и y2 – условные вертикальные координаты центра передней и задней осей.
Так как оси балансиров жестко связаны с подмоторной рамой автогрейдера, то угол поворота автогрейдера вокруг оси OX можно выразить:
,
где L2 – ширина колеи автогрейдера.
А угол поворота вокруг оси OZ:
,
где L1 – проекция на ось OX расстояния между y1 и y2 .
Из рис. 3.7 видно, что
y = y' – Dy',
где y' – условная вертикальная координата точки пересечения прямой DE и плоскости, перпендикулярной оси OX и проходящей через точку А; Dy' – приращение вертикальной координаты точки y', обусловленное перекосом автогрейдера вокруг оси OX на угол :
,
где
;
;
;
,
где L3 = LT cos ;
LT – длина тяговой рамы;
LХР – длина хребтовой балки.
Вертикальные координаты правой и левой крайних точек режущей кромки отвала yП , yЛ будут равны:
yП = y + Dy1 + Dy2 = y + Dy;

Рис. 3.7. Расчетная схема автогрейдера
yЛ = y – Dy1 – Dy2 = y-Dy,
где Dy1 – приращение вертикальной координаты точки y, обусловленное перекосом автогрейдера вокруг оси OX на угол ;
Dy2 – приращение вертикальной координаты точки y, обусловленное перекосом автогрейдера вокруг оси OZ на угол b;
Dy = Dy1 + Dy2 .
.
Подставив в, получим:
;
.
Подставив в, получим:
.
При движении автогрейдер колесами балансирной тележки обычно движется по обработанному грунту. Поэтому определим вертикальные координаты задних колес.

;
;
;
tП = 93838383.
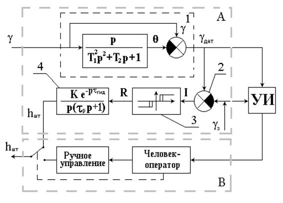
В работе использовалась двухконтурная ССО. Структурная схема двухконтурной ССО представлена на рис. 3.13. Схема состоит из контура автоматического А и полуавтоматического В управления. В отличие от большинства серийных систем в схему введено устройство индикации УИ, позволяющее человеку-оператору в процессе работы контролировать геометрические параметры обработанного грунта и в случае достижения достаточной точности отключать автоматический контур.
На рис. 3.13 показаны: 1 – датчик угла; 2 – элемент сравнения; 3 – пороговый элемент; 4 – электрогидравлический привод.

Рис. 3.13. Структурная схема ССО
На схеме человек-оператор представлен в виде блока, выполняющего функции, близкие к безинерционному реле, так как в задачи данной работы не входит исследование особенностей человека как звена систем управления, этой проблеме посвящен ряд работ представленных в разд. 1.2.
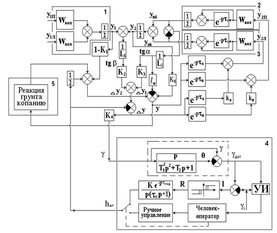
3.5 Обобщенная математическая модель автоматизированного автогрейдера
Поставленные в работе задачи требуют разработки обобщенной динамической структурной схемы автоматизированного автогрейдера. Разработанная структурная схема представлена на рис. 3.14, где 1 – блок, имитирующий передний мост автогрейдера; 2 и 3 – блоки, имитирующие соответственно правый и левый балансир; 4 – блок системы ССО; 5 – блок, имитирующий реакцию грунта при копании.
Особенности обобщенной динамической структурной схемы автоматизированного автогрейдера состоят в следующем. В процессе проведения планировочных работ автогрейдер производит копание и перемещение грунта. При этом на автогрейдер действует реакция грунта копанию и перемещению, которая имеет случайный характер, а также зависит от величины срезаемой стружки. Таким образом в обобщенной структурной схеме необходима связь блоков, формирующих реакцию грунта и вертикальную координату средней точки отвала у. Используя характерный для систем типа «Профиль» способ управляющего воздействия на РО при изменении угла перекоса РО g, структурная схема изменяет вертикальную координату средней точки отвала у.
Обозначения на схеме соответствуют принятым в разд. 3.3–3.5.

Рис. 3.14. Обобщенная динамическая структурная схема автоматизированного автогрейдера
В работе использовалась статистическая модель микрорельефа грунта по которому движется автогрейдер. Эта модель позволила разработать алгоритм и программу цифровой реализации на ЭВМ с использованием рекурентных уравнений псевдослучайного профиля.
На основе предложенной расчетной схемы и принятых допущений разработана математическая модель автогрейдера, позволившая выявить функциональные зависимости его основных параметров.
Принятая в работе математическая модель реакции грунта на РО включает в себя компоненты вектора реакции грунта и стохастические составляющие, представленные корреляционными функциями.
Математическая модель системы управления автогрейдера отражает динамические свойства маятникового датчика, блока управления и исполнительного гидропривода.
Разработанная обобщенная структурная схема автоматизированного автогрейдера отражает наиболее общие свойства существующих и перспективных конструкций автогрейдеров и их систем управления. Она позволяет на ее основе решать задачи анализа и синтеза систем управления автогрейдером.
4. Выявление основных закономерностей системы управления РО автогрейдера
Исследования проводились на математических моделях микрорельефа грунта, автогрейдера, системы управления рабочим органом. Для реализации численных значений вертикальных координат анализируемого микрорельефа с заданными параметрами корреляционной функции использовалась программа SOIL, блок-схема которой представлена на рис. 3.1. Входными параметрами этой программы являются коэффициенты затухания a к и периодичности b к корреляционной функции, среднеквадратичное отклонение s микрорельефа моделируемого грунта, шаг h дискретности времени, интервал усреднения МС и число точек N сглаженного профиля, а выходными параметрами вертикальные координаты микрорельефа грунта по правой и левой колее движения автогрейдера. Для описания автогрейдера использовалась программа GRADER реализующая обобщенную динамическую модель автоматизированного автогрейдера структурная схема которой, представлена на рис. 3.14. Она включает в себя уравнения геометрической связи автогрейдера с учетом динамических колебаний, сопротивление копанию и модель системы стабилизации РО. Выходными параметрами являются вертикальные координаты центральной точки режущей кромки РО y, крайних точек режущей кромки РО yП и yЛ , что фактически является вертикальными координатами формируемого микрорельефа. Статистическая обработка данных проводилась с помощью подпрограммы SKO, вычисляющей среднеквадратичное отклонение данных от заданного значения.
Размеры автогрейдера принимались фиксированными и соответствующими табл. 4.1.
Таблица 4.1. Численные значения параметров автогрейдера при экспериментах
| № п/п | Параметр | Численные значения | Единицы измерения |
| 1 | L2 | 2.45 | м |
| 2 | Lxp | 4.95 | м |
| 3 | Lp | 1.85 | м |
| 4 | L4 | 1.85 | м |
| 5 | Lт | 3.34 | м |
| 6 | Lот | 4.80 | м |
4.1 Погрешности показаний датчика системы стабилизации отвала автогрейдера в поперечной плоскости от места установки датчика и угла захвата рабочего органа
Основным источником информации ССО автогрейдера в поперечной плоскости является маятниковый датчик, установленный на автогрейдере. В большинстве серийно выпускаемых ССО маятниковый датчик устанавливается на тяговой раме или отвале автогрейдера. Известны исследования, в которых с различных позиций, в зависимости от поставленных в работе задач, проанализированы места установки маятниковых датчиков, их статические и динамические погрешности, доказана необходимость коррекции показаний датчика, установленного на отвале, в зависимости от положения тяговой рамы и угла захвата РО. Однако, в предшествующих исследованиях отсутствует анализ величины погрешности маятникового датчика в зависимости от места его установки и не показаны пути достижения более достоверной оперативной информации о фактическом поперечном уклоне формируемого земляного полотна.
Для решения поставленных в работе задач на основе предложенной математической модели автогрейдера были проведены исследования погрешности показаний маятникового датчика, зависящие от места установки датчика и угла захвата РО. Исследования проводились на математической модели автогрейдера, в которой была отключена ССО. Под правое переднее колесо автогрейдера с вертикальной координатой Y1п подавалось единичное ступенчатое воздействие, равное 0,1 м. РО не вынесен в сторону. РО формирует профиль по всей колее. «Реальным профилем» в момент времени t считался уклон gреал поперечного сечения сформированного полотна, проходящего через точку, максимально приближенную к задним колесам автогрейдера.

Рис. 4.1. Поперечный угол наклона gреал «реального» профиля
На рис. 4.2–4.16 в качестве примера приведены переходные процессы перемещения характерных точек автогрейдера таких, как средняя точка отвала Yи крайние точки отвала Yл и Yп , а также угол поперечного уклона сформированного земляного полотна и показания «идеального» датчика при различных углах захвата РО j, в различных местах установки датчика. При этом скорость автогрейдера была фиксирована и составляла V=1 м 53,691818 с.
На рис. 4. 18,4.19 в качестве примера приведены функциональные зависимости, построенные для численных значений корреляционных функций, приведенных в табл. 4.2.
Таблица 4.2. Численные значения параметров корреляционных функций микрорельефа
| № | Анализируемый | Численные значения | ||
| п/п | параметр | aк , с-1 | bк , с-1 | sк , 10-2 м |
| 1 | aк | 0,05–1,00 | 1,35 | 5,0 |
| 2 | bк | 0,77 | 0,1–2,0 | 5,0 |
| 3 | sк | 0,77 | 1,35 | 1–20 |
Из рис. 4.18 видно, что для принятых интервалов параметров коэффициент KY практически не зависит от численных значений параметров апроксимирующей корреляционной функции микропрофиля.

Рис. 4.18. Зависимости KY от параметров корреляционных функций микропрофиля sк , aк и bк .

Рис. 4.19. Зависимости Kg от параметров корреляционных функций микропрофиля: 1 – то sк ; 2 – от aк ; 3 – от bк .
Коэффициент Kg также практически не зависит от численных значений sк . На рис. 4. 19,2 в качестве примера представлена зависимость Kg от aк . Функциональная зависимость Kg от коэффициента bк представлена на рис. 4. 19,3, она имеет вид линии близкой к прямой и отражает прямопропорциональную зависимость.
Исходя из выше сказанного можно сделать вывод, что планирующие свойства автогрейдера в продольной плоскости не зависят от параметров корреляционных функций, описывающих микрорельеф обрабатываемой поверхности. В поперечной плоскости планирующие свойства автогрейдера при j¹ 90° существенно зависят от коэффициентов aк и bк . Причем, с их увеличением Kg увеличивается при прочих равных условиях. Это объясняется тем, что при j¹ 90° вертикальное перемещение режущей кромки отвала формирует «косую ступень» в обрабатываемом грунте, которая в свою очередь при наезде на нее задних колес приводит к перекосу автогрейдера.
4.3 Влияние угла захвата РО автогрейдера на планировочные свойства
Планировочные свойства автогрейдера в данной работе оценивались коэффициентами передачи в поперечной Кg и продольной КY плоскостях.
Был проведен машинный эксперимент для определения зависимости коэффициента Kg от угла захвата j. Был смоделирован процесс наезда передних колес автогрейдера на ступень различной высоты, при этом sY соответственно равен высоте ступени. Анализ результатов машинного эксперимента показал, что коэффициент передачи Кg при детерминированном воздействии не зависит от величины единичной ступени и определяется только углом захвата j.

Рис. 4.20 Зависимость Kg от угла захвата j.
На рис. 4.20 в качестве примера представлен график зависимости Kg от угла захвата j, при наезде на ступень высотой 0.1 м.
Анализ полученной зависимости показал, что при увеличении угла захвата j величина влияния перемещений передних колес на поперечный угол сформированного грунта уменьшается и при значениях угла близких к 90o стремится к нулю. Таким образом при j=90o автогрейдер в поперечной плоскости является устойчивой системой.
В работе было также проанализировано влияние угла захвата j на коэффициент KY . На рис. 4.21 представлена зависимость коэффициента KY от угла захвата j.

Рис. 4.21. Зависимость планирующих свойств автогрейдера, определяемых коэффициентом KY , от угла захвата j
Как видно из функциональной зависимости, угол захвата jпрактически не влияет на планировочные свойства автогрейдера в продольной плоскости.
4.4 Анализ влияния основных параметров ССО и гидропривода на планировочные свойства автогрейдера
Анализ влияния параметров ССО и гидропривода на планировочные свойства автогрейдера в продольной плоскости достаточно подробно рассмотрен в работе. В данной работе целесообразно провести исследования влияния параметров ССО и гидропривода на планировочные свойства автогрейдера в поперечной плоскости. В качестве основных параметров ССО и гидропривода принимались tгид – запаздывание в гидросистеме, сек; A2 - ширина зоны нечувствительности системы, рад; w – скорость изменения угла перекоса отвала, сек-1 .
При анализе использовалась математическая модель автогрейдера, которая приведена в гл. 3. При решении задач анализа варьируемые параметры исследовались в широком диапазоне, соответствующем существующим и перспективным моделям машин. В качестве примера представлены графические зависимости для численных значений параметров, приведенных в табл. 4.3.
Таблица 4.3. Значения варьируемых параметров
| Варьируемые параметры | |||
| tгид , сек | А2 рад | w, сек-1 | |
| Значения параметров | 0,1; 0,2; 0,3 |
0,0005; 0,003; 0,007 |
0…0,1 |
В качестве исходного принимался профиль, описываемый по правой и левой колее движения корреляционными функциями:

Критерием качества планировочной характеристики автогрейдера принимался коэффициент передачи вертикальных возмущений обрабатываемого грунта на поперечный уклон формируемого профиля Кg .
Используя этот коэффициент, было установлено, что наилучшие планировочные свойства автогрейдера при Кg ®0.
Блок-схема алгоритма анализа влияния скорости изменения угла перекоса отвала w на планировочные свойства автогрейдера представлена на рис. 4.22, где GRADE – программа реализующая обобщенную динамическую структурную схему автогрейдера, представленную на рис. 3.14.

Рис. 4.22. Блок-схема алгоритма анализа влияния скорости w на Кg .
Графики зависимости Кg
от w для различных значений запаздывания и ширины зоны нечувствительности приведены на рис. 4.23–4.25. Анализ графиков показал, что между исследуемыми параметрами ССО существует взаимозависимость. При выполнении неравенства
наблюдается возрастание значений коэффициента передачи Кg
,характеризующее неустойчивый режим работы ССО. В этом случае наблюдается, так называемое, «перерегулирование» системы. Анализ графиков на рис. 4.23–4.25 показывает, что минимальные значения коэффициента передачи Кg
получается на границе ширины зоны нечувствительности для малых значений tгид
, то есть, при
и смещаются к равенству
для больших величин запаздывания tгид
, то есть, стремятся к середине ширины зоны нечувствительности.

Рис. 4.23. Зависимость Кg от w при t гид = 0,1 сек: 1 – при А2 = 0,007 рад; 2 – при А2 = 0,003 рад; 3 – при А2 = 0,0005 рад.

Рис. 4.24. Зависимость Кg от w при t гид = 0,2 сек: 1 – при А2 = 0,007 рад; 2 – при А2 = 0,003 рад; 3 – при А2 = 0,0005 рад.

Рис. 4.25. Зависимость Кg от w при t гид = 0,3 сек: 1 – при А2 = 0,007 рад; 2 – при А2 = 0,003 рад; 3 – при А2 = 0,0005 рад.
Таким образом,
,
где k1 » 2 при t гид = 0,1 сек; k1 » 1 при t гид ³ 0,2 сек.
Величина запаздывания tгид обусловлена характеристиками гидропривода и поэтому является определяющей величиной для выбора остальных параметров ССО и гидропривода. Ширина зоны нечувствительности А2 накладывает ограничения на рабочие скорости изменения угла перекоса отвала.
Повышение скорости изменения угла перекоса отвала ведет к улучшению планировочных характеристик, однако увеличение А2 уменьшает точность обработанного грунта. Поэтому нахождение рациональной величины ширины зоны нечувствительности А2 , связанной с максимальной скоростью изменения угла перекоса отвала, представляет практический интерес.
Был проведен машинный эксперимент для нахождения минимальных значений коэффициента передачи Кg при варьировании скорости изменения угла перекоса отвала и ширины зоны нечувствительности. В качестве примера на рис. 4.27–4.29 представлены графические зависимости для варьируемых параметров, численные значения которых приведены в табл. 4.4. Блок-схема алгоритма анализа влияния ширины зоны нечувствительности А2 на коэффициент Kg и w представлена на рис. 4.26.
Таблица 4.4. Значения варьируемых параметров
| Варьируемые параметры | ||||
| А2, рад | DА2, рад | w, сек-1 | t гид , сек | |
| Значения параметров | 0…0,01 | 0,0001 | 0…0,1 | 0,1; 0,2; 0,3 |
Для каждого значения ширины зоны нечувствительности А2 при различном времени запаздывания t гид находилось минимальное значение коэффициента передачи Кg min и определялось рациональное значение скорости изменения угла перекоса отвала w. Анализ графиков на рис. 4.27–4.29 показывает, что для ширины зоны нечувствительности имеет место определенное максимальное значение , выше которого применение системы автоматического управления нецелесообразно.

Рис. 4.26. Блок-схема алгоритма анализа влияния ширины зоны нечувствительности А2 на коэффициент Kg и w

Рис. 4.27. Зависимости коэффициента Кg min и скорости изменения угла перекоса отвала w от ширины зоны нечувствительности А2 при запаздывании гидропривода tгид = 0,1 сек: 1 – скорость w; 2 – коэффициент Кg min
Анализ рис. 4.27–4.29 показал, что существуют интервалы рациональных значений скорости изменения угла перекоса отвала w. Этот анализ подтверждает выражение.
Для определения при различных значениях среднеквадратичного отклонения вертикальных координат исходного микрорельефа был проведен машинный эксперимент. В качестве примера на рис. 4. 31,4.32 представлены графические зависимости для варьируемых параметров, численные значения которых представлены в табл. 4.5.
Блок-схема алгоритма анализа зависимости коэффициента Kg и ширины зоны нечувствительности А2 отsисх представлена на рис. 4.30.
Таблица 4.5. Значения варьируемых параметров
| Варьируемые параметры | |||||
| sисх, м | А2 рад | DА2 рад | w, сек-1 | tгид , сек | |
| Значения параметров | 0,0324; 0,0463; 0,0602 |
0…0,013 |
0,0001 |
0…0,1 |
0,1 |
Для каждого значения sисх и А2 было проварьировано значениеw и определены минимальные значения Кg .
Результаты эксперимента представлены на рис. 4. 31,4.32. Анализ графиков подтверждает правомерность выражения.

Рис. 4.30. Блок-схема алгоритма анализа зависимости коэффициента Kg и ширины зоны нечувствительности А2 отsисх
Анализ графиков позволил сделать вывод, что рациональное значение ширины зоны нечувствительности зависит от sисх . Эта зависимость имеет линейный характер и может быть представлена в виде:
,
где k2 – коэффициент, зависящий от геометрических размеров автогрейдера.
На основании вышеизложенного можно сделать следующие выводы:
1. Для ССО в поперечной плоскости зона устойчивой работы определяется выражением , где k1 = – коэффициент, зависящий от tгид .
2. Для ССО в поперечной плоскости для получения наименьшего значения коэффициента передачи в поперечной плоскости Кg выявлены зависимости между запаздыванием в гидросистеме tгид , шириной зоны нечувствительности системы А2 , скоростью изменения угла перекоса отвала w и величиной среднеквадратичного отклонения исходного профиля sисх .

Рис. 4.31. Зависимости коэффициента Кg от ширины зоны нечувствительности А2 : 1 – при sисх1 = 0,0324 м; 2 – при sисх2 = 0,0463 м; 3 – при sисх3 = 0,0602 м.

Рис. 4.32. Зависимость ширины зоны нечувствительности А2 от sисх .
4 .5 Обоснование структуры и алгоритмов функционирования перспективной ССО
Полную информацию о положении РО в пространстве можно получить, зная шесть параметров:
x – координату точки РО по оси OX;
y – координату точки РО по оси OY;
z – координату точки РО по оси OZ;
j – угол захвата РО;
g– угол поперечного наклона РО;
ap - угол резания.
Проанализировав процесс работы автогрейдера для ССО, можно выделить группу параметров, в наибольшей степени влияющих на точность формируемой поверхности грунта.
При формировании земляного полотна точность стабилизации РО является, по сути дела, точностью геометрических параметров формируемого земляного полотна. Учитывая СНиП, становится ясно, что важнейшими параметрами, определяющими точность земляного полотна, являются вертикальная координата y и поперечный уклон g, однако, возможно контролировать точность также по вертикальным координатам двух точек РО. ССО необходимо контролировать или вертикальную координату какой либо точки РО и поперечный уклон РО или вертикальные координаты двух точек РО.
Учитывая, что ССО в основном используются при планировочных и профилировочных работах, когда силы резания грунта не оказывают существенного влияния на точность обработки, углом резания можно в данном случае пренебречь.
В зависимости от угла выноса тяговой рамы b1 и угла перелома основной рамы a1 , меняется координата РО по оси ОZ, а также угол захвата РО j. Если не предстоит использование ССО при формировании и обработки откосов, значения a1 и b1 можно принять фиксированными, а изменение угла захвата РО j и координаты РО по оси OZ от этих углов не учитывать.
Для определения места на обрабатываемом участке, на котором произошло отклонение положения РО от заданного значения, необходимо также располагать координатой какой-либо точки отвала на плоскости, то есть координатой z и х. При формировании земляного полотна дороги, когда не ставится задача обеспечения ведения машины по заданному курсу и автогрейдер двигается по сформированному земляному полотну, достаточно располагать координатой по оси ОХ, или, иными словами, определять пройденный путь.
Учитывая выводы, сделанные в п. 4.3, для эффективной работы ССО необходимо знание угла захвата РО j.
Исходя из вышесказанного, можно выделить следующую группу параметров, характеризующих положение РО для ССО:
y – вертикальная координата центра режущей кромки РО;
g– поперечный угол наклона режущей кромки РО;
x – координата по оси ОХ от точки отсчета до центра режущей кромки РО;
j– угол захвата РО.
В разделе 4.4. было показано, что динамические свойства гидропривода оказывают существенное влияние на качество обработки грунта. Важнейшими параметрами, которые необходимо учитывать при синтезе ССО, являются: время запаздывания гидропривода tгид и скорость перемещения штока гидроцилиндра w. Оба эти параметра оказывают значительное влияние на выбор ширины зоны нечувствительности ССО.
Параметры гидропривода могут изменяться в зависимости от температуры окружающей среды, температуры и кавитации рабочей жидкости, износа элементов гидропривода и др. Учитывая это обстоятельство, в перспективных ССО целесообразно предусмотреть возможность периодического измерения параметров гидропривода и корректировки параметров ССО.
Особенность конструкции автогрейдера состоит в том, что колеса заднего моста воспринимают все неровности, сформированные отвалом, что в свою очередь приводит к перемещению автогрейдера, а вместе с ним и к изменению пространственного положения РО.
Существующие ССО не обеспечивают своевременного формирования управляющих воздействий, направленных на стабилизацию пространственного положения отвала. В перспективных ССО это можно обеспечить за счет формирования упреждающего управляющего воздействия. Для этого целесообразно обеспечить «запоминание» вертикальных координат неровностей микрорельефа, сформированного отвалом, и с учетом времени транспортного запаздывания наезда задними колесами на эти неровности, динамических характеристик гидропривода, угла захвата РО, создающего «косую» ступень, формировать упреждающие воздействия на гидропривод. При первом проходе по обрабатываемому участку перспективная ССО, обладающая памятью, может обеспечить компенсацию возмущающего воздействия со стороны микрорельефа на задние колеса автогрейдера.
При последующих проходах автогрейдера по обрабатываемому участку информация о микрорельефе, заложенная в память перспективной ССО, может быть использована и для компенсации возмущающих воздействий со стороны микрорельефа на передние колеса автогрейдера.
Перспективная ССО должна предоставлять механику-водителю не только оперативную информацию о геометрических параметрах формируемого земляного полотна в конкретный момент времени в конкретной точке трассы, но и статистическую оценку всего обрабатываемого участка, а также определять участки, на которых необходимо провести дополнительную обработку.
Это возможно реализовать в перспективных ССО за счет создания блоков индикации оперативной информации, а также обеспечения вывода на индикацию статистических характеристик микрорельефа как на всем обрабатываемом участке, так и на отдельных участках трассы.
Располагая такой ССО, автогрейдер может выполнять функции профилирографа, автоматического нивелира или, иными словами, автоматического устройства, обеспечивающего измерение и регистрацию геометрических параметров дорожного полотна.
4 .6 Варианты перспективных ССО
Общими требованиями к перспективным ССО является: необходимость предоставления механику-водителю как оперативной, так и статистической информации об обрабатываемом участке, а также формирование упреждающих воздействий на РО на основе накопленной информации о геометрических параметрах земляного полотна.
Технически это может быть реализовано в настоящее время за счет введения в ССО блоков индикации, блоков оперативной памяти и специальных алгоритмов обработки информации.
Одним из вариантов перспективных ССО может служить система, обеспечивающая стабилизацию продольного и поперечного профиля формируемого грунта.
Такая ССО должна располагать, как минимум, четырьмя информационными параметрами: двумя вертикальными координатами разных точек РО yл и уп или вертикальной координатой точки РО у и поперечным углом наклона режущей кромки РО g; углом захвата РО j; пройденным путем от точки отсчета x.
Для расчетной схемы, представленной на рис. 4.33, одним из алгоритмов функционирования такой системы может служить алгоритм, представленный на рис. 4.34, где для формирования управляющего воздействия, необходимо произвести ряд вычислений:
определить расстояние между точками РО по оси ОХ
хро = L2 ctg j;
вычислить расстояние по левой колее от РО до передних колес балансирной тележки:
хл = L1 - Lт -- хро 2;
определить путь, который проходит автогрейдер за время задержки гидропривода:
хгид = tгид V;
Динамические характеристики машин для использования в математических моделях определялись путем обработки осциллограмм переходных процессов, полученных при подаче единичных ступенчатых воздействий на элементы ходового оборудования.
Таблица 5.1. Численные значения параметров автогрейдера при экспериментах
| № п/п | Параметр | Численные значения | Единицы измерения |
| 1 | L2 | 2.45 | м |
| 2 | Lxp | 4.95 | м |
| 3 | Lp | 1.85 | м |
| 4 | L4 | 1.85 | м |
| 5 | Lт | 3.34 | м |
| 6 | Lот | 4.80 | м |
На рис. 5.2 в качестве примера приведены переходные процессы, записанные на автогрейдере ДЗ‑122А при сбрасывании правого переднего колеса балансирной тележки, предварительно поднятого на 0,04 м, что находится в пределах упругости пневматиков.
Полученные из осциллограмм переходного процесса периоды и параметры затухания подставлялись в математическую модель. Величины коэффициентов Т3 и Т4 передаточных функций автогрейдера составляют Т3 = 0,063 и Т4 =0,16.
5 .3 Оценка адекватности математических моделей
Важнейшим условием правомерности выводов, полученных при исследовании на математической модели, является ее способность отображать с необходимой точностью характеристики исследуемого процесса или объекта при изменении его параметров и внешних воздействий, то есть адекватность математической модели исследуемому объекту или явлению.
Адекватность подтверждается сравнением результатов, полученных расчетным путем с помощью математической модели, с экспериментальными данными, расхождение между которыми для решения поставленных в работе задач не должно превышать 10–18.
Желательна поэлементная проверка адекватности отдельных элементов и подсистем, на которые может быть разбита сложная динамическая система.
5 .3.1 Оценка адекватности математической модели микрорельефа
Как было указано в п. 1.2.3. в настоящее время накоплен обширный материал, описывающий статистические свойства различных типов грунтовых поверхностей. При оценке адекватности математической модели микрорельефа целесообразно произвести выбор корреляционной функции, описывающей микрорельеф, а затем провести сравнение параметров aк ,bк ,sк корреляционной функции полученной математической реализации с соответствующими параметрами реального микрорельефа.
На рис. 5.3 представлен алгоритм подтверждения адекватности математической модели микрорельефа грунта, а в табл. 5.2 – результаты сравнения статистических параметров реального и смоделированного микрорельефа.
Таблица 5.2. Статистические параметры микрорельефа
| Параметр | Реальный микрорельеф | Смоделированный микрорельеф | расхождения |
| aк , с‑1 | 0,77 | 0,836 | 8,6 |
| bк , с‑1 | 1,35 | 1,477 | 9,4 |
| sк , м | 0,022 | 0,024 | 8,8 |
Из табл. 5.2 видно, что расхождения по коэффициенту затухания aк , коэффициенту периодичности bк и среднеквадратическому отклонению sк не превышает 10.
5 .3.2 Оценка адекватности математической модели автогрейдера
Адекватность статической модели автогрейдера, реализуемой на ЭВМ по программе GRADER в соответствии с алгоритмом, структурная схема которого приведена на рис. 3.9, оценивалась по вертикальному перемещению правой крайней точки режущей кромки отвала yп при подаче детерминированного воздействия под элементы ходового оборудования.

Рис. 5.4. Вертикальное перемещение крайней правой точки режущей кромки отвала при подъеме правого переднего колеса балансирной тележки: 1 – теоретическая; 2 – экспериментальная зависимость
На рис. 5.4 в качестве примера приведен график вертикального перемещения правой крайней точки режущей кромки отвала yп при подъеме правого переднего колеса балансирной тележки автогрейдера. При расчете геометрические параметры автогрейдера принимались соответствующими автогрейдеру ДЗ‑122А. Угол захвата отвала j=60o . Высота подъема изменялась от 0 до 0.1 м. Анализ расчетной зависимости показал, что она достаточно близко совпадает с экспериментальной, полученной в результате натурных испытаний. Относительная ошибка соответствия математической модели ее оригиналу не превышает 4.
Адекватность динамического математического описания автогрейдера была оценена сравнительным анализом поперечных угловых колебаний тяговой рамы. Угол наклона тяговой рамы является важной координатой, определяющей поперечный уклон дорожного полотна. На риc.5.5 приведены переходные процессы угла поперечного наклона тяговой рамы, где 1 – расчетный переходный процесс, полученный при решении численным методом системы уравнений указанной в разд. 3, для исходных данных соответствующих автогрейдеру ДЗ‑122А при j=60o ; 2 – переходный процесс, полученный экспериментальным путем при освобождении правого переднего колеса балансирной тележки, предварительно приподнятого на 0.04 м. Анализ переходных процессов показал, что они имеют сложную динамическую природу и, как указано в работе, могут быть аппроксимированны выражением
,
где gо – начальная ордината; To – период колебаний; – коэффициент затухания аппроксимирующей кривой.
Достигнутая сходимость теоретических и экспериментальных переходных процессов достаточна для решения поставленных в работе задач.

Рис. 5.5. Фрагмент переходного процесса колебаний тяговой рамы автогрейдера: 1 – теоретическая; 2 – экспериментальная зависимость
5.4 Описание ССО в поперечной плоскости с устройством индикации
При проведении планировочных работ человек, работающий даже на автоматизированном автогрейдере с использованием серийных систем управления, руководствуется своим глазомером для контроля достижения заданных геометрических параметров земляного сооружения. Для более точного контроля необходима работа нивелировщиков. Таким образом количество проходов автогрейдера по обрабатываемому участку даже автоматизированного автогрейдера определяется квалификацией обслуживающего персонала и является субъективной оценкой. Возникла необходимость разработки системы управления РО автогрейдера, дающей оперативную информацию о качестве планировочных работ, в процессе их проведения. Это позволит исключить необоснованные повторные проходы автогрейдера по обрабатываемому участку, что повысит производительность планировочных работ.
На основе изложенных в п.п. 4.1–4.4 исследований и предложенных алгоритмов работы ССО разработана система предназначенная для стабилизации РО автогрейдера в поперечной плоскости с использованием устройства индикации. Разработаны системы с различными типами УИ, в виде стрелочных и шкальных индикаторов. УИ представляет человеку-оператору оперативную информацию о величине отклонения поперечного уклона РО от заданного значения.
Система включает в себя блок управления, датчик поперечного уклона, вспомогательное гидрооборудование.
Система использует датчик поперечного уклона и вспомогательное гидрооборудование, устанавливаемые на серийных автогрейдерах.
Блок управления представлен на рис. 4.37 и устанавливается в кабине автогрейдера. Он может иметь УИ двух типов. Значение заданного уклона устанавливается задающим потенциометром, выведенным на лицевую панель, и при выполнении планировочных работ его можно регулировать.
Разработанные системы были испытаны и получили внедрение в производственных условиях. Система со стрелочной индикацией внедрена в ТОО «Касли-дорремстрой» г. Касли Челябинской области, а система со шкальной индикацией в АО «Омскагропромдорстрой» г. Омск. При испытаниях было достигнуто повышение производительности на 15–20% за счет исключения ненужных повторных проходов по обрабатываемому участку.
5.5 Описание ССО в поперечной плоскости и с устройством индикации
При проведении планировочных работ человек, работающий даже на автоматизированном автогрейдере с использованием серийных систем управления, руководствуется своим глазомером для контроля достижения заданных геометрических параметров земляного сооружения. Для более точного контроля необходима работа нивелировщиков. Таким образом количество проходов автогрейдера по обрабатываемому участку даже автоматизированного автогрейдера определяется квалификацией обслуживающего персонала и является субъективной оценкой. Возникла необходимость разработки системы управления РО автогрейдера, дающей оперативную информацию о качестве планировочных работ, в процессе их проведения. Это позволит исключить необоснованные повторные проходы автогрейдера по обрабатываемому участку, что повысит производительность планировочных работ.
На основе изложенных в п.п. 4.1–4.4 исследований и предложенных алгоритмов работы ССО разработана система предназначенная для стабилизации РО автогрейдера в поперечной плоскости с использованием устройства индикации. Разработаны системы с различными типами УИ, в виде стрелочных и шкальных индикаторов. УИ представляет человеку-оператору оперативную информацию о величине отклонения поперечного уклона РО от заданного значения.
Система включает в себя блок управления, датчик поперечного уклона, вспомогательное гидрооборудование.
Система использует датчик поперечного уклона и вспомогательное гидрооборудование, устанавливаемые на серийных автогрейдерах.
Блок управления представлен на рис. 4.37 и устанавливается в кабине автогрейдера. Он может иметь УИ двух типов. Значение заданного уклона устанавливается задающим потенциометром, выведенным на лицевую панель, и при выполнении планировочных работ его можно регулировать.
Повышение производительности планировочных работ при применении предложенной ССО и УИ ожидается около 15–20%.
Похожие рефераты:
Земляные работы в строительстве
Технология и техника разработки карьера
Укладка грунта при вертикальной планировке площадки
Проектирование 9-этажного дома
Технология строительного производства
Автогрейдер ДЗ-122 с дополнительным оборудованием для профилировки откосов
Основные технологические процессы на разрезе "Томусинский"
Проект бульдозера ДЗ-24А на базе тягача Т-180
Резервуар объемом 50000 м3 для нефти в г. Новороссийске
Технология возведения подземной части здания
Проектирование дренажей на базе чертежей базы ГП
Земляные работы по устройству котлована