| Похожие рефераты | Скачать .docx |
Курсовая работа: Технология возведения подземной части здания
МИНИСТЕРСТВО ОБРАЗОВАНИЯ РОССИЙСКОЙ ФЕДЕРАЦИИ
МОСКОВСКИЙ ГОСУДАРСТВЕННЫЙ СТРОИТЕЛЬНЫЙ
УНИВЕРСИТЕТ
Кафедра СТАЭ
Расчетно-пояснительная записка к курсовому проекту:
«Технология возведения подземной части здания»
Выполнил: студент ТЭС-III-1
Барский С.Е.
Руководитель: Ли А.И.
Москва 2009.
Содержание
1. Введение
1.1 Исходные данные
2. Вертикальная планировка строительной площадки
2.1 Определение линии нулевых работ
2.2 Расчет объемов работ по вертикальной планировке площадки
2.3 Определение средней дальности перемещения грунта и выбор технических средств
2.4 Определение состава и объема работ и выбор технологии их выполнения
3. Отрывка котлована под здание
3.1 Планировочное и конструктивное решение подземной части здания
3.2 Определение размеров котлована и расчет объемов его разработки
3.3 Выбор технических средств для разработки котлована по техническим параметрам
3.4 Расчет потребности в автосамосвалах для вывозки лишнего грунта
3.5 Определение состава, технологии и объемов работ по отрывке котлована
4. Устройство строительных конструкций подземной части здания
4.1 Устройство щебеночной подготовки (приемка щебня, его разравнивание и уплотнение)
4.2.Устройство бетонной подготовки
4.2.1 Ведомость объемов опалубочных работ
4.2.2 Ведомость объемов бетонных работ
4.2.3 Работы по выдерживанию бетона и уходу за ним
4.2.4 Расчет объемов работ по распалубке конструкции
4.3 Устройство ленточного фундамента
4.3.1 Установка опалубки
4.3.2 Армирование ленточного фундамента
4.3.3 Укладка и уплотнение бетонной смеси
4.3.4 Выдерживание уплотненного бетона и уход за ним
4.3.5 Распалубливание конструкции фундамента
4.4 Устройство столбчатого фундамента стаканного типа
4.4.1 Устройство опалубки
4.4.2 Армирование столбчатого фундамента
4.4.3 Укладка и уплотнение бетонной смеси
4.4.4 Выдерживание уплотненного бетона и уход за ним
4.4.5 Распалубливание конструкции столбчатого фундамента
4.5 Устройство колонн здания
4.5.1 Устройство опалубки
4.5.2 Армирование колонн
4.5.3 Укладка и уплотнение бетонной смеси.
4.5.4 Выдерживание уплотненного бетона и уход за ним
4.5.5 Распалубливание конструкции колонны
4.6 Утройство наружных стен здания
4.6.1 Установка опалубки
4.6.2 Армирование наружных стен здания
4.6.3 Укладка и уплотнение бетонной смеси
4.6.4 Выдерживание уплотненного бетона и уход за ним
4.6.5 Распалубливание конструкции стены
4.7 Устройство перекрытия здания
4.7.1 Установка опалубки
4.7.2 Армирование перекрытия здания
4.7.3 Укладка и уплотнение бетонной смеси
4.7.4 Выдерживание уплотненного бетона и уход за ним
4.7.5 Распалубливание конструкции перекрытия
5. Сводная ведомость объемов земляных и строительно-монтажных работ
6. Калькуляция трудозатрат и затрат машинного времени, стоимости работ
7. Расчет технико-экономических показателей
1. Введение
В данном курсовом проекте по теме: «Технология возведения подземной части здания» разработаны основы проектирования технологии строительных процессов при планировке строительной площадки и возведении подземной части здания из монолитного железобетона, а также принятие экономически обоснованных технических решений по механизации работ и организации выполнения строительных процессов.
В процессе курсовой работы последовательно решались такие задачи, как изучение особенностей заданной строительной площадки: планировочные отметки и уклоны, грунтовые условия; подсчет объемов земляных работ по вертикальной планировке, составление сводного баланса земляных работ на площадке масс; определение оптимального расстояния перемещения грунта по вертикальной планировке, разработка схемы перемещения масс; подбор технических средств для отрывки траншеи под сооружение; составление ведомостей объемов работ, затрат труда и стоимости трудозатрат; календарное планирование производства работ.
1.1 Исходные данные
Здание возводится на строительной площадке I, имеющей размеры 500*300м, выданной в виде строительной сетки с шагом 100м. Рабочие отметки в вершинах квадратов, конфигурация подземной части здания в плане, размеры по осям заданы по варианту 1 (рис. 1.1.1.).
Характеристика строительной площадки и основные конструктивные параметры строительных конструкций здания:
преобладающий грунт: супесь
средняя дальность транспортировки излишнего (привозного) грунта: 3км
толщина наружной стены: 500мм,
толщина внутренней стены: 350мм,
сечение колонн: 400*400мм,
сечение балки: 800*400мм,
степень армирования: сеткой – 15кг/м3; каркасом – 60кг/м3,
высота цоколя: 0,8м.
Объект размещается в 1-м квадрате. Привязка здания к строительной площадке показана на рис. 1.1.1.

Рис. 1.1.1. Строительная площадка
возведение подземный здание строительный конструкция
2. Вертикальная планировка строительной площадки
Вертикальная планировка строительной площадки производится для выравнивания территории по заданным проектной отметке и уклону после производства подготовительных работ (расчистки территории, срезки растительного слоя). Трудоемкость выполнения основных планировочных процессов зависит от объемов земляных масс, а также от средней дальности перемещения грунта. Для определения объемов земляных масс нужно определить положение нулевой линии.
2.1 Определение линии нулевых работ
Линия нулевых работ является границей между зонами выемки и насыпи. Рабочие отметки на этой линии равны нулю. (В точках линии не требуется никаких земляных работ). Линия нулевых работ проходит между теми смежными вершинами квадратов, рабочие отметки которых имеют противоположные знаки. Знак «+» рабочей отметки указывает на необходимость подсыпки грунта (планировочная насыпь), а знак «–» – на необходимость снятия лишнего грунта (планировочная выемка).
Определение линии нулевых работ производится графически. Перпендикулярно к той стороне квадрата строительной площадки, где смежные вершины имеют рабочие отметки противоположных знаков, откладываются значения этих отметок (из данных вершин с учетом знака). Затем концы полученных отрезков, не принадлежащие стороне квадрата, в свою очередь соединяются отрезком. На пересечении последнего отрезка с данной стороной квадрата расположена точка линии нулевых работ. Расстояние от этой точки до вершин, имеющих соответственно рабочие отметки ha и hb, находятся как соотношение сторон подобных треугольников:
где,
Х- расстояние от нулевой точки до вершины, имеющей отметку ha; С – длина стороны квадрата. (рис. 2.1.1.)

Рис. 2.1.1. Определение точки нулевых работ
Рассмотрев все стороны квадратов, где смежные вершины имеют рабочие отметки противоположных знаков, получим серию точек, при последовательном соединении которых отобразится линия нулевых работ, отделяющая зону планировочной насыпи от зоны планировочной выемки (рис. 2.1.2.).
2.2 Расчет объемов работ по вертикальной планировке площадки
В расчете используем метод четырехгранных призм , при котором объем насыпей и выемок, заключенный в отдельные квадраты или их части, отсекаемые линией нулевых работ, определяются по формуле:
где
– средняя рабочая отметка участка;
h– рабочие отметки вершин участка;
n– количество вершин на рассматриваемом участке;
F– площадь этого участка.

Рис. 2.1.2. Определение линии нулевых работ.
Получаем значения объемов насыпи (выемки) для каждого участка и заносим в ведомость (табл. 2.2.1.). При подсчете потребности грунта для насыпи необходимо помнить, что укладываться будет разрыхленный грунт, который при уплотнении не достигнет состояния естественной плотности, сохраняя остаточное разрыхление. Следовательно, его понадобится меньше рассчитанного количества на величину Ко.р. – коэффициента остаточного разрыхления грунта:
где По.р. – показатель остаточного разрыхления грунта, %.
Согласно ЕНиР (Е2-1, приложение 2), показатель остаточного разрыхления супеси принимаем 4% (как среднее между 3 и 5%).
Таблица 2.2.1. Ведомость вычислений объемов земляных работ
| Планировочная выемка (-) | Планировочная насыпь (+) | |||||||
| № кв. | F, м2 | h ср , м | V i , м3 | № кв. | F, м2 | h ср , м | V i , м3 | V гр. i , м3 |
| - | - | - | - | 1 | 10000 | 0,285 | 285 | 261 |
| - | - | - | - | 2 | 10000 | 0,350 | 350 | 321 |
| 3б | 458 | 0,009 | 4 | 3а | 9542 | 0,276 | 2634 | 2417 |
| 4б | 3386 | 0,125 | 423 | 4а | 6614 | 0,238 | 1574 | 1444 |
| 5б | 2823 | 0,105 | 296 | 5а | 7187 | 0,240 | 1725 | 1583 |
| 6б | 5386 | 0,158 | 849 | 6а | 4624 | 0,135 | 624 | 2305 |
| 7б | 5948 | 0,22 | 1306 | 7а | 4062 | 0,158 | 642 | 526 |
| 8б | 8106 | 0,113 | 916 | 8а1 | 1598 | 0,140 | 224 | - |
| - | - | - | - | 8а2 | 296 | 0,033 | 10 | - |
| 9б | 6022 | 0,125 | 753 | 9а | 3978 | 0,088 | 350 | 1379 |
| 10б | 3849 | 0,105 | 404 | 10а | 6121 | 0,158 | 967 | 593 |
| Итого: | 35978 | - | 31799,6 | - | 64022 | 9385 | 26541,4 | |
Vгр.i=Vi∙Ко.р.
Проверка: 35978+64022=100000(м2) – площадь строительной площадки.
∑Vпв.>∑(Vгр.)пн. Требуется вывоз излишнего грунта.
∑Vпн. - ∑(Vгр.)пв.=31799,6 - 26541,4=5258,2 (м3).
Объем излишнего грунта: Vпр.гр.= (∑Vпв. - ∑Vпн..)∙Кпр.=5258,2∙1,15=6046,9 (м3), где Кпр.– коэффициент первоначального разрыхления
; Ппр.=15% – показатель первоначального разрыхления (ЕНиР Е2-1, приложение 2).
Чтобы уменьшить затраты на перемещение грунта из зоны выемки в зону насыпи, выбираем относительно удаленный от линии нулевых работ квадрат планировочной выемки (11), откуда будем вывозить излишний грунт. ∑V11=7850 м3. Излишний грунт будем вывозить из 11-го квадрата.
2.3 Определение средней дальности перемещения грунта и выбор технических средств
Основной работой по вертикальной планировке строительной площадки является перемещение грунта из зоны планировочной выемки в зону планировочной насыпи. Критерием выбора землеройно-транспортной машины служит средняя дальность перемещения грунта.
Для определения средней дальности перемещения грунта применяем метод статических моментов – необходимо вычислить координаты геометрических центров (центров тяжести) выемки и насыпи относительно прямоугольной системы координат. Оси направляем по сторонам планируемой строительной площадки. Координаты геометрических центров фигур определяем графически. (рис.2.3.1.)

Рис. 2.3.1. Определение координат геометрических центров фигур
Суммарные статические моменты относительно той или иной оси получаем как сумму статических моментов, найденных путем умножения объемов работ в каждом из элементарных участков на расстояние от геометрического центра этого участка до соответствующей оси координат.
Xi, Yi – координаты центра тяжести фигуры;
XB, YB – абсцисса и ордината геометрического центра выемки;
XН, YН – абсцисса и ордината геометрического центра насыпи;
Vi – объем работ в каждом из элементарных участков, м3;
L – средняя дальность перемещения грунта, м.
Таблица 2.3.2. Определение средней дальности перемещения грунта (методом статических моментов)
| Планировочная выемка (-) | Планировочная насыпь (+) | ||||||||||
| № кв. | V i , м3 | X i , м | Y i ,м | V i∙ X i , м4 | V i∙ Y i , м4 | № кв . | V i гр ., м 3 | X i, м | Y i, м | V i гр. ∙ X i, м 4 | V i гр. ∙ Y i, м 4 |
| 1 | 5700 | 50 | 250 | 285000 | 1425000 | - | - | - | - | - | - |
| 2а | 3109,8 | 144,89 | 253,33 | 450579 | 787806 | 2б | 147,7 | 184 | 213,33 | 27177 | 31509 |
| 3а | 602,9 | 227,91 | 280 | 137407 | 168812 | 3б | 1454,4 | 263,05 | 242,22 | 382580 | 352285 |
| - | - | - | - | - | - | 4 | 3682,6 | 350 | 250 | 1288910 | 920650 |
| - | - | - | - | - | - | 5 | 4644,1 | 450 | 250 | 2089845 | 1161025 |
| 6 | 6080 | 50 | 150 | 304000 | 912000 | - | - | - | - | - | - |
| 7а | 1606,3 | 132,73 | 144,44 | 213204 | 232014 | 7б | 681,6 | 182,5 | 150 | 124392 | 102240 |
| - | - | - | - | - | - | 8 | 3105,7 | 250 | 150 | 776425 | 465855 |
| - | - | - | - | - | - | 9 | 3826,8 | 350 | 150 | 1339380 | 574020 |
| - | - | - | - | - | - | 10 | 4163,3 | 450 | 150 | 1873485 | 624495 |
| 11 | 2590,5 | 50 | 83,5 | 129525 | 216307 | - | - | - | - | - | - |
| 12а | 5320,8 | 148,72 | 51,88 | 791309 | 276043 | 12б | 19,6 | 189,74 | 94,48 | 3719 | 1852 |
| 13а | 1529,8 | 230,33 | 27,82 | 352359 | 42559 | 13б | 536,9 | 264,66 | 62,99 | 142096 | 33819 |
| - | - | - | - | - | - | 14 | 2115,3 | 350 | 50 | 740355 | 105765 |
| - | - | - | - | - | - | 15 | 2163,4 | 450 | 50 | 973530 | 108170 |
| ∑ | 26540,1 | 2663383 | 4060541 | ∑ | 26541,4 | 9761894 | 4481685 | ||||
| Координаты геометрических центров выемки и насыпи, м | Хв= | 100,35 | Хн= | 367,8 | |||||||
| Yв= | 153,0 | Yн= | 168,9 | ||||||||
| Средняя дальность перемещения грунта L, м | 267,92 | ||||||||||




![]()
Итак, средняя дальность перемещения грунта L=267,92 м. (рис.2.3.3.). В качестве землеройно-транспортной машины выбираем скрепер прицепной с объемом ковша V ковша=6м3 . Разрабатываемый грунт – супесь, которая для скреперов относится ко II группе в зависимости от трудности разработки. (ЕНиР Е2-1, таблица 1).

Рис. 2.3.3. Средняя дальность перемещения грунта.
2.4 Определение состава и объема работ и выбор технологии их выполнения
Планировочные работы производятся в несколько этапов:
1). Срезка растительного (плодородного) слоя грунта, его перемещение и хранение.
Плодородный слой почвы, подлежащий снятию с застраиваемых площадей, срезают и перемещают бульдозерами в специально выделенные места, где складируют для последующего использования. Иногда его отвозят на другие площадки для озеленения. При работе с растительным слоем следует предохранять его от смешивания с нижележащим слоем от загрязнения, размыва и выветривания.
Состав работы:
- приведение агрегата в рабочее положение
- срезка грунта
- подъем и опускание отвала
- возвращение порожняком
При планировке площадки используем послойный способ работ, т.к. он применим при небольших глубинах срезки. Выемки разрабатываем слоями на толщину снимаемой стружки за один проход бульдозера последовательно по всей площади выемки.
Если дальность перемещения грунта превышает 40м, применяют разработку с промежуточными валами, используя спаренную работу двух бульдозеров или работу бульдозера с окрылками. При этом промежуточные валики необходимо образовывать через 20…30м.
Для срезки растительного слоя выбираем бульдозер ДЗ-18 на базе трактора Т-100 . (ЕНиР Е2-1-5).
2). Перемещение грунта из планировочной выемки в планировочную насыпь.
Для выполнения данного вида планировочных работиспользуем скрепер прицепной с объемом ковша V ковша≥6м3 (см. пункт 2.3.).Принимаем скрепер прицепной ДЗ-20 с объемом ковша 7м3 на базе трактора Т-100. (ЕНиР Е2-1-21).
Состав работы:
- приведение агрегата в рабочее положение
- набор грунта скрепером
- перемещение скрепера с грунтом
- разгрузка грунта с разравниванием и частичным уплотнением
- возвращение скрепера в забой порожняком
Перемещение грунта производим скрепером по эллиптической рабочей схеме . Она используется при нашем случае взаимного расположения выемки и насыпи, наиболее эффективна при разработке выемок и возведении невысоких насыпей на линейно-протяженных участках 50…100м.
3). Скучивание ,погрузка и вывоз лишнего грунта.
Данный вид планировочных работ состоит в скучивании грунта бульдозером, его погрузки и вывоза за пределы строительной площадки. Для скучивания лишнего грунта выбираем бульдозер ДЗ-53 на базе трактора Т-100.( ЕНиР Е2-1-28). Для погрузки грунта используется экскаватор “прямая лопата” ЭО-7111 с объёмом ковша 2,5 м3 .( ЕНиР Е2-1-7). Вывоз грунта осуществляется автомобилями-самосвалами.
4). Уплотнение грунта в планировочной насыпи.
Для создания устойчивых, надежных и прочных земляных сооружений укладываемый грунт необходимо уплотнять. Насыпи возводят горизонтальными слоями с последующим уплотнением. Для уплотнения супеси применяем способ укатки . Наибольшее распространение получило уплотнение грунта катками статического действия. Это обусловлено простотой и надежностью механизмов, высокой производительностью и сравнительно низкой стоимостью.
Грунт уплотняют путем последовательных круговых проходок катка по всей площади насыпи, причем каждая последующая проходка должна перекрывать предыдущую на 0,2…0,3м. После завершения цикла укатки грунта на всей насыпи в такой же последовательности выполняют укатку в последующих циклах. Окончательное уплотнение насыпей выполняют при 6…8 проходках по одному месту самоходными и прицепными катками.
Состав работы:
- приведение агрегата в рабочее положение
- уплотнение грунта катком
- повороты катка и переходы на соседнюю полосу укатки
Для уплотнения грунта в планировочной насыпи принимаем прицепной решетчатый каток ЗУР-25 на базе трактора Т-100 . (ЕНиР Е2-1-30).
Таблица 2.4.1. Ведомость объемов планировочных работ
| № | Наименование этапа планировочной работы | Единица измерения по ЕНиРу | Количество работ | Примечание |
| 1 | Срезка растительного слоя грунта | м2 | 150000 | Площадка 500*300 м2 |
| 2 | Перемещение грунта из ПВ в ПН | м3 | 26541,4 | Таблица 2.2.1. |
| 3 | Скучивание, погрузка и вывоз лишнего грунта | м3 | 6046,9 | Пункт 2.2. |
| 4 | Уплотнение грунта в ПН | м2 | 76306,5 | Vгр.∙Кпр./0,4 |
3. Отрывка котлована под здание
3.1 Планировочное и конструктивное решение подземной части здания
Возводится подземная часть одноэтажного промышленного многопролетного здания. Конструктивная система – железобетонный каркас. Применяются комбинированные шаг и пролет колонн ( 6-метровый и 12-метровый ).
Толщина наружной стены – 500мм;
толщина внутренней стены – 350мм;
сечение колонн – 400*400мм;
высота цоколя – 0,8м.
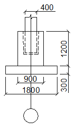
Под колонны промышленного здания предусматривается столбчатый монолитный железобетонный фундамент. Наружные стены здания устанавливаются на монолитном ленточном фундаменте (рис. 3.1.3. и 3.1.4.).
Процесс возведения фундаментов из монолитного железобетона включает разбивку осей фундаментов, устройство опалубки, сборку и установку арматуры и бетонирование. Перед укладкой бетонной смеси необходимо тщательно подготовить грунтовое основание. Рыхлые и органические грунты должны быть удалены, места перекопки грунта следует заполнить уплотненным песком или щебнем. Для достижения монолитности железобетонных фундаментов бетонирование необходимо вести непрерывно, не допуская образования швов. Бетонную смесь укладывают слоями толщиной 20…50см, каждый последующий слой укладывают после уплотнения предыдущего и, как правило, до начала его схватывания.

Рис. 3.1.1. Планировочное и конструктивное решение подземной части здания
Разрез 1-1.

Рис.3.1.2. Разрез подземной части здания


Рис. 3.1.3. Фундамент под колонны. Рис. 3.1.4. Фундамент под наружные стены
3.2 Определение размеров котлована и расчет объемов его разработки
Размеры котлована зависят от габаритов возводимого здания и от технологии производства монтажно-укладочных работ (технологии возведения строительных конструкций). Для монтажа одноэтажных промышленных зданий будем использовать стреловой кран . Его подбирают для монтажа наиболее тяжелых элементов каркаса (колонна, подкрановая балка, подстропильная или стропильная ферма), которые могут монтироваться при минимальном вылете стрелы, и проверяют на возможность укладки относительно легких элементов (плиты перекрытий и покрытий), которые необходимо поднимать над фермами и укладывать на них, т.е. на значительно большем вылете стрелы.
Проектирование котлована.
При проектировании котлована предусматривается наличие двух съездов (их количество выбирается в зависимости от формы и размеров возводимого здания) шириной b=4м, крутизной съезда m’=10 - принимается в пределах 8…15 (чем меньше величина m’, тем меньше габариты съезда в плане).
Расстояние в плане от наружного края фундамента здания до подошвы котлована:
· при отсутствии съезда принимается 0,5м;
· со стороны съезда вычисляется по формуле с=1+2r+1(м) – монтажный пролет,
где r– радиус поворотной платформы крана, принимаемый по каталогам на краны.
Принимая r=2,5м, получим с=1+2∙2,5+1=7м.
Определение основных размеров котлована:
Глубина котлована равна высоте здания за вычетом цоколя:
Hк.=h+hщеб.+hбет.–hцок.=3,6+0,2+0,2–0,8=3,2м, где
h – высота подземной части здания по заданию + высота цоколя;
hщеб. – толщина слоя щебеночной подготовки;
hбет. – толщина слоя бетонной подготовки;
hцок. – высота цоколя.
Крутизна откоса котлована определяется отношением его глубины к заложению:
m=0,85 (согласно СНиП 12-04-2002 часть 2 для супеси при глубине котлована 3,2 м).
Размер заложения откоса котлована: а=m∙Hк.=0,85∙3,2=2,72 м.
где
и
- соответственно длина и ширина котлована по верху,
и
- соответственно длина и ширина котлована по низу.
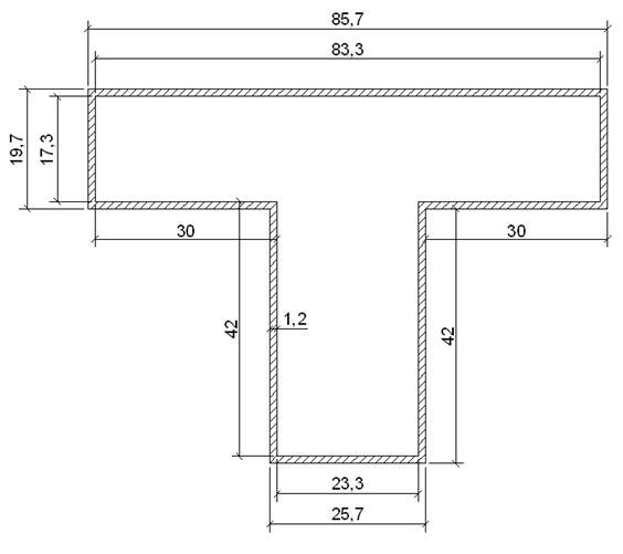
Размеры котлована в плане показаны на рис. 3.2.1. (размеры в мм).

Рис. 3.2.1. Размеры котлована в плане
Определение объема котлована:
Разобьем котлован на 2 части прямоугольной формы. Последовательно найдем объем каждой части котлована по формуле для усеченной пирамиды:
![]()
![]()
![]()
Объем котлована равен: ![]()
Определение объема разработки грунта съезда:
Объем разработки грунта одного съезда вычисляется по формуле:
где m=0,85 – крутизна откоса котлована,
m’=10 – крутизна съезда, b=4 м – ширина котлована.
![]()
Объем разработки грунта двух съездов равен: ![]()
Определение объема грунта обратной засыпки пазух:
Объем грунта обратной засыпки пазух находится как разность объемов котлована и подземной части здания по наружным размерам:
![]()
При отрывке котлована объем грунта, необходимый для последующей засыпки пазух, поступает в отвалы, остальная часть разработанного грунта вывозится.
Таблица 3.2.2. Баланс земляных масс
| Выемка | Насыпь | ||||||
| № п/п | Место разработки грунта | Объем разработки грунта, м3 |
Место укладки грунта и его объем, м3 | № п/п | Место устройства насыпи | Геом. объем насыпи, м3 |
Потребность в грунте Vгр, м3 |
| 1 | Котлован | 11324,1 | Отвал
3678,045 |
1 | Обратная засыпка пазух | 2796,1 |
2688,5 |
| 2 | 2 съезда | 530,2 | Транспортное средство
9954,4 |
2 | Обратная засыпка съездов | 530,2 |
509,8 |
| ∑Vв = | 11854,3 | ∑Vгр= | 3198,3 | ||||
Ко.р.=0,9615 – коэффициент остаточного разрыхления грунта;
Кпр.=1,15 – коэффициент первоначального разрыхления грунта (пункт 2.2.).
3.3 Выбор технических средств для разработки котлована по техническим параметрам
Основным способом выполнения земляных работ является механизированная переработка грунта. Грунт разрабатывается, перемещается, укладывается, разравнивается, уплотняется с помощью землеройных и землеройно-транспортных машин, оснащенных соответствующим рабочим оборудованием. Для отрывки котлована под здание используем экскаватор . Главное назначение экскаваторов – разработка выемок, резервов, карьеров, траншей, котлованов с разгрузкой грунта в отвал или погрузкой в транспортные средства, располагаемые в непосредственной близости от землеройной машины (экскаватора).
Выбор экскаватора по техническим показателям.
Рабочими (техническими) параметрами одноковшовых экскаваторов при разработке выемок являются:
- вместимость ковша Vковша;
- глубина копания (резания) Нк., равная глубине котлована;
- радиус резания Rр;
- радиус выгрузки Rв.
Учитывая большие размеры котлована, выбираем экскаватор – драглайн . В зависимости от общего объема разработки грунта при отрывке котлована (∑Vв=11854,3 м3) принимаем оптимальную емкость ковша экскаватора V ковша =1,0 м3 .
Радиус резания Rр и радиус выгрузки Rв зависят от схемы работы экскаватора, от взаимного расположения экскаватора и отвалов грунта.

Рис. 3.3.1. Схема расположения отвалов

Рис. 3.3.2. Схема работы экскаватора-драглайн по отрывке котлована
Глубина копания (резания) котлована Нк.=3,2м;
где
- средняя длина отвала;
![]()
![]()
![]()
![]()
Радиус резания Rр=0,7В=0,7∙17,23=12,1м,
радиус выгрузки Rв=0,57В=0,57∙17,23=9,8м.
Принимаем экскаватор-драглайн (ЕНиР Е2-1-10):
марки ЭО-6111 (Э-1251), ЭО-6112Б (Э-1252Б);
вместимость ковша с зубьями Vковша=1,0м3;
управление механическое;
длина стрелы 12,5м;
наибольший радиус копания 12,9м;
наибольшая глубина копания: при боковом проходе 5,1м,
при концевом проходе 7,5м;
наибольший радиус выгрузки 10,4м;
наибольшая высота выгрузки 6,5м;
мощность 85кВт (116 л.с.);
масса экскаватора 39,75т.
Количество проходок n=1.
3.4 Расчет потребности в автосамосвалах для вывозки излишнего грунта
Для транспортировки излишнего грунта из выемки при отрывке котлована применяем автосамосвалы в количестве, необходимом для обеспечения бесперебойной работы ведущей машины – экскаватора.
Т.к. вместимость ковша экскаватора Vковша=1,0м3, средняя дальность транспортировки излишнего грунта Lтр.=3 км, выбираем автосамосвал грузоподъемностью Qавт.=12т.
Число ковшей с грунтом, выгружаемых экскаватором в один автосамосвал, определяется по формуле:
где γ=1650 кг/м3 – средняя плотность в естественном залегании для супеси без примесей, а также с примесью гравия, гальки, щебня или строительного мусора до 10% по объему
(ЕНиР Е2-1, таблица 1);
(Кн =1,1…1,4 – коэффициент действительного наполнения ковша экскаватора грунтом).
Получаем: ![]()
Принимаем количество ковшей с грунтом, выгружаемых в один автосамосвал n’=7. Требуемый объем кузова автосамосвала (объем грунта в кузове) находим по формуле: ![]()
Число автосамосвалов, обеспечивающее бесперебойную работу экскаватора, определяется исходя из их технологического цикла работы.
Технологический цикл работы автосамосвала:
![]()
- время установки автосамосвала под погрузку;
- время установки автосамосвала под разгрузку;
- время разгрузки;
- время маневрирования;
- время пробега, где Lтр.=3км (средняя дальность транспортировки грунта), Vср. авт.=35км/ч – средняя скорость автосамосвала.
- продолжительность погрузки, где Vавт.=7,3м3 – рассчитанный объем грунта в кузове автосамосвала,
- норма машинного времени работы экскаватора-драглайн с ковшом с зубьями Vковша=1,0м3 на 100 м3 грунта с погрузкой в транспортные средства. (ЕНиР Е2-1-10).
(Разрабатываемый грунт – супесь, которая для одноковшовых экскаваторов относится к I группе в зависимости от трудности разработки, ЕНиР Е2-1, таблица 1).
Тц=0,4+6,6+10,3+0,8+2+2=22,1 (мин).
Находим необходимое количество автосамосвалов: ![]()
Окончательно принимаем число автосамосвалов для транспортировки излишнего грунта: ![]()
3.5 Определение состава, технологии и объемов работ по отрывке котлована
При отрывке котлована под здание выделяется несколько этапов:
1). Разработка грунта экскаватором-драглайн с погрузкой в транспортные средства и навымет.
Состав работы:
- установка экскаватора в забое
- разработка грунта с очисткой ковша
- передвижка экскаватора в процессе работы
- переходы экскаватора в пределах разработки
- очистка мест погрузки грунта
Ковш экскаватора навешивается на канатах на удлиненную стрелу кранового типа. Забрасывая ковш в выемку на расстояние, несколько превышающее длину стрелы, ковш заполняют грунтом путем подтягивания по поверхности земли к стреле. Затем ковш поднимают в горизонтальное положение и поворотом машины перемещают к месту разгрузки. Опорожняется ковш при ослаблении натяжения тягового каната.
Драглайн обычно передвигается между очередными стоянками на 1/5 длины стрелы. В зависимости от ширины выемки, способа разгрузки грунта (в отвал или в транспортные средства) и особенностей земляного сооружения, в практике нашли применение челночные способы разработки грунта, т.к. конструктивное решение экскаватора позволяет применять такие схемы.
Поперечно-челночная схема дает возможность набирать грунт поочередно с каждой боковой стороны самосвала, подаваемого под погрузку по дну выемки, не прекращая поворота стрелы в момент выгрузки грунта. При продольно-челночной схеме грунт набирают перед задней стенкой кузова и, подняв ковш, разгружают его над кузовом. В цикле работы экскаватора повороты занимают основное время, в этом плане челночные схемы с минимальным углом поворота для погрузки и выгрузки являются оптимальными. Благодаря уменьшению высоты подъема ковша и сокращению угла поворота экскаватора (при продольно-челночной схеме около 0º, а при поперечно-челночной схеме 9…20º) производительность экскаватора увеличивается в 1,5-2 раза.
Для разработки грунта при отрывке котлована применяем экскаватор-драглайн марки ЭО-6111 . (ЕНиР Е2-1-10).
2). Зачистка дна котлована бульдозером и вручную.
При отрывке котлована экскаватор не доходит до проектной отметки на 0,2м, требуется зачистка дна котлована. Разработка недоборов грунта производится в два этапа:
· зачистка дна котлована бульдозером на глубину 0,15м;
· зачистка дна котлована вручную на глубину 0,05м.
Площадь дна котлована находим как:
(рис.3.2.1.),
![]()
1. Объем работ по зачистке дна котлована бульдозером: ![]()
выбираем бульдозер ДЗ-18 на базе трактора Т-100 . (ЕНиР Е2-1-22).
2. Объем работ по зачистке дна котлована вручную: ![]()
(ЕНиР Е2-1-47).
Состав работы:
- приведение агрегата в рабочее положение
- разработка грунта с перемещением его и выгрузкой
- возвращение бульдозера в забой порожняком
- зачистка дна котлована вручную.
3).Обратная засыпка пазух и съездов .
Обратная засыпка съездов и пазух между стенами подвала (фундаментом) и откосами котлована выполняется после устройства перекрытия над подвалом и
гидроизоляции стен. Перемещение грунта производится бульдозером косым срезом.
При обратной засыпке пазух бульдозерами используют две основные схемы. При схеме прямой разработки бульдозер, двигаясь параллельно котловану, производит постоянно набор грунта и сдвигает его в сторону, осуществляя засыпку котлована небольшими порциями грунта. Возвращение в исходное положение осуществляется задним ходом. Следующая проходка параллельна предыдущей, но со смещением в сторону котлована на 0,3…0,5м. Схема боковой разработки подразумевает движение бульдозера перпендикулярно или под углом к котловану. Набирается грунт, осуществляется движение вперед, перемещение грунта в котлован, разгрузка, движение назад в исходное положение задним ходом, смещение в сторону на ширину отвала, снова движение вперед с перемещением новой порции грунта.
Состав работы:
- приведение агрегата в рабочее положение
- перемещение грунта с засыпкой котлована
- возвращение порожняком
Для обратной засыпки пазух и съездов используем бульдозер ДЗ-18 на базе трактора Т-100 . (ЕНиР Е2-1-34).
Таблица 3.5.1. Ведомость объемов работ по разработке котлована
| № | Наименование этапа работы по отрывке котлована | Единица измерения по ЕНиРу | Количество работ | Примечание |
| 1 | Разработка грунта экскаватором-драглайн с погрузкой в транспортные средства | м3 | 8656 | ∑Vв-∑Vгр, таблица 3.2.2. |
| 2 | Разработка грунта экскаватором-драглайн навымет | м3 | 3198,3 | ∑Vгр, таблица 3.2.2. |
| 3 | Зачистка дна котлована бульдозером | м3 | 480,3 | Пункт 3.5. |
| 4 | Зачистка дна котлована вручную | м3 | 160,1 | Пункт 3.5. |
| 5 | Обратная засыпка пазух и съездов | м3 | 3678,045 |
таблица 3.2.2. |
4. Устройство строительных конструкций подземной части здания
4.1 Устройство щебеночной подготовки
Данный вид работ состоит в приемке щебня, доставленного автосамосвалами, его разравнивании по дну котлована, которое осуществляют бульдозером, и уплотнении щебня катком.
Для устройства щебеночной подготовки принимаем бульдозер ДЗ-53 на базе трактора Т-100 (ЕНиР Е2-1-28), прицепной решетчатый каток ЗУР-25 на базе трактора Т-100 (ЕНиР Е2-1-30).
Объем работ по разравниванию щебня:
где 0,2м – толщина слоя щебеночной подготовки.
Объем работ по уплотнению щебня: ![]()
Таблица 4.1.1. Ведомость объемов работ по устройству щебеночной подготовки
| № | Наименование этапа работы по устройству щебеночной подготовки | Единица измерения по ЕНиРу | Количество работ | Примечание |
| 1 | Приемка и разравнивание щебня | м3 | 640,4 | Пункт 4.1. |
| 2 | Уплотнение щебня | м2 | 3202 | Пункт 4.1. |
4.2 Устройство бетонной подготовки
При устройстве бетонной подготовки используем мелкощитовую разборно-переставную опалубку (из мелких щитов, площадью до 2м2, массой до 50кг), основными элементами которой являются деревянные плоские щиты на сшивных планках из обрезных или шпунтованных досок толщиной не менее 25мм, скрепленные с тыльной стороны планками на гвоздях в двух или более уровнях. (ЕНиР Е4-1-34).
Бетонную смесь изготовляют на механизированном или автоматизированном бетонном заводе и в готовом виде доставляют на строительство (на объект бетонирования) в автомобилях-самосвалах, автобетоновозах, автобетоносмесителях.
Укладку смеси осуществляют в опалубочные формы таким образом, чтобы были обеспечены монолитность уложенного бетона, проектные физико-механические показатели, однородность бетона и полное заполнение бетоном заопалубленного пространства возводимой конструкции.
Бетонную смесь укладываем в бетонируемую конструкцию горизонтальными полосами приблизительно одинаковой ширины (≈3м), параллельными осям съездов. Начинаем бетонирование с нечетных полос. По достижении бетонной смесью в нечетных полосах прочности 40-50% от проектной марки снимаем опалубку и приступаем к бетонированию четных полос. Для них устанавливается только торцевая опалубка (роль продольной опалубки выполняют грани смежных полос).
Определим количество бетонируемых полос шириной 3м: ![]()
Принимаем число полос
в том числе бетонируемые полосы 1-10, 19-28 шириной 3м, а полосы 11-18 имеют ширину 3,25м. (рис.4.2.1.).
Найдем общую площадь опалубливаемой поверхности (согласно ЕНиР Е4-1, единицей измерения опалубочных работ является площадь поверхности опалубки, соприкасающейся с бетоном):
Для нечетных полос: Sопал. пов.=Рполосы∙hбет. подг.; где Рполосы – периметр одной бетонируемой полосы, hбет. подг.=0,2м – толщина слоя бетонной подготовки.
Для полос 1,3,5,7,9,19,21,23,25,27 Sопал. пов.=59∙0,2=11,8 (м2);
для полос 11,13,15,17 Sопал. пов.=130,5∙0,2=26,1 (м2).
Для четных полос (кроме 18,28): Sопал. пов.=2∙bп∙ hбет. подг.; где bп – ширина одной бетонируемой полосы.
Для полос 2,4,6,8,10,20,22,24,26 Sопал. пов.=2∙3∙0,2=1,2 (м2);
для полос 12,14,16 Sопал. пов.=2∙3,25∙0,2=1,3 (м2);
для полосы 18 Sопал. пов.= 2∙3,25∙0,2+ 35,5∙0,2=8,4 (м2);
для полосы 28 Sопал. пов.= 2∙3∙0,2+26,5∙0,2=6,5 (м2).
Подсчитываем объем опалубочных работ:
∑ Sопал. пов.=11,8∙10+26,1∙4+1,2∙9+1,3∙3+8,4∙1+6,5∙1= 252 (м2).

Рис.4.2.1. Схема бетонирования
Для получения качественного бетона важен не только состав смеси, но и выбранный способ уплотнения. Основной и наиболее распространенный и эффективный способ уплотнения монолитного бетона – вибрирование .
Бетонная смесь относится к классу тиксотропных систем, на чем и основано вибрационное уплотнение. Вибрирование уменьшает силу сцепления между зернами бетонной смеси. При этом она теряет структурную прочность и приобретает свойства вязкой тяжелой жидкости. Процесс разжижения является обратимым. По окончании вибрирования прочность структуры бетонной смеси восстанавливается. Под действием вибрирования частицы заполнителя приходят в колебательное движение, бетонная смесь как бы разжижается, приобретает повышенную текучесть и подвижность. В результате она лучше распределяется в опалубке и заполняет ее.
Уплотнение бетонной смеси осуществляем поверхностным вибратором (вибробрусом) до опускания вибробруса на маячные доски или ранее забетонированные смежные полосы.
Нормой времени работ по укладке (методом «кран-бадья») и уплотнению бетонной смеси (согласно ЕНиР Е4-1-49) является объем уложенного бетона (бетона в деле).
Определим объем бетонных работ, равный объему укладываемой бетонной смеси:
где
- площадь дна котлована (пункт 3.5.),
- толщина слоя бетонной подготовки.
4.2.1 Ведомость объемов опалубочных работ.
Таблица 4.2.1.1. Ведомость объемов опалубочных работ
| № | Наименование опалубочных работ | Единица измерения по ЕНиРу | Количество работ | Примечание |
| 1 | Устройство опалубки | м2 | 252 | Пункт 4.2. |
4.2.2 Ведомость объемов бетонных работ
Таблица 4.2.2.1. Ведомость объемов работ по укладке и уплотнению бетонной смеси
| № | Наименование бетонных работ | Единица измерения по ЕНиРу | Количество работ | Примечание |
| 1 | Укладка и уплотнение бетонной смеси | м3 | 640,4 | Пункт 4.2. |
4.2.3 Работы по выдерживанию бетона и уходу за ним
Свежеуложенный бетон требует ухода в первые дни твердения, контроля над ходом набора им прочности. В начальный период твердения бетон необходимо защищать от попадания атмосферных осадков или потерь влаги, в последующем поддерживать температурно-влажностный режим с созданием условий, обеспечивающих нарастание прочности. Условия выдерживания бетона должны обеспечить:
- поддержание температурно-влажностного режима, необходимого для нарастания прочности бетона;
- предотвращение значительных температурно-усадочных деформаций и образования трещин;
- предохранение от ударов, сотрясений и других воздействий, включая механические повреждения;
- защиту от солнца, ветра, быстрого высыхания и резких изменений температуры;
- защиту от других воздействий, ухудшающих качество бетона в конструкции.
Незащищенные поверхности свежеуложенного бетона не позднее чем через 2…3ч после укладки укрываем опилками. Объем работ по покрытию бетонной поверхности опилками (ЕНиР Е4-1-54) равен:
где
- площадь дна котлована, равная площади бетонируемой поверхности; 0,05м – толщина слоя опилок.
При температуре окружающего воздуха выше 15ºС первые трое суток, когда активно идет процесс гидратации цемента, необходимо смачивать бетон в дневное время через каждые 3ч и один раз ночью, в последующие дни – не реже трех раз в сутки. Количество работ по смачиванию бетонной поверхности водой равно площади бетонируемой поверхности:
(согласно ЕНиР Е4-1-54). Свежеуложенный бетон можно не смачивать при температуре +3ºС.
Таблица 4.2.3.1. Ведомость объемов работ по выдерживанию бетона и уходу за ним (продолжительность работ 3-е суток)
| № | Наименование работы по выдерживанию бетона и уходу за ним | Единица измерения по ЕНиРу | Количество работ | Примечание |
| 1 | Покрытие бетонной поверхности опилками | м3 | 160,1 | Пункт 4.2.3. |
| 2 | Смачивание бетонной поверхности водой из брандспойта | м2 | 3202 | Пункт 4.2.3. |
| 3 | Снятие опилок с бетонной поверхности | м3 | 160,1 | Пункт 4.2.3. |
Объем работ по снятию опилок с бетонной поверхности равен объему работ по покрытию ими этой бетонной поверхности.
4.2.4 Расчет объемов работ по распалубке конструкции
В комплексном технологическом процессе по возведению монолитных конструкций распалубливание (снятие опалубки) является одной из важных и трудоемких операций. Распалубливание конструкции должно выполняться осторожно, чтобы избежать повреждения бетона и обеспечить сохранность опалубки для последующего использования. Разборка опалубки производится после достижения бетоном необходимой прочности (40-50% от проектной марки; 3 – 4 дня).
Объем работ по распалубке полос бетонирования равен объему работ по устройству опалубки (пункт 4.2.1.).
Таблица 4.2.4.1. Ведомость объемов работ по распалубке конструкции
| № | Наименование работ по распалубке конструкции | Единица измерения по ЕНиРу | Количество работ | Примечание |
| 1 | Разборка опалубки | м2 | 252 | Пункт 4.2.4. |
4.3 Устройство ленточного фундамента
Комплексный процесс производства строительных конструкций из монолитного бетона включает в себя:
· установку опалубки
· армирование конструкции
· бетонирование (укладку и уплотнение бетонной смеси)
· выдерживание уплотненного бетона и уход за ним
· распалубливание конструкции
Монолитный ленточный фундамент устанавливается под наружные стены (его габариты показаны на (рис.3.1.4.)). На рис. 4.3.1. представлено устройство монолитного ленточного фундамента под наружные стены здания.
4.3.1 Установка опалубки
При устройстве ленточных фундаментов (применяем деревянную торцевую мелкощитовую опалубку )опалубку формируют из инвентарных щитов, которые соединяют между собой с помощью замков разной конструкции. В случае вставок между щитами доборных элементов шириной до 15 см могут быть использованы удлиненные замки. Поперечный размер конструкции фиксируют временными распорками на подкосах и торцевыми щитами опалубки. Для восприятия бокового давления бетонной смеси противолежащие панели соединяют винтовыми стяжками (тяжами).
Определим объем опалубочных работ как площадь поверхности опалубки, соприкасающейся с бетоном (согласно ЕНиР Е4-1-34):
∑ Sопал. пов.=
=((17,3∙2+83,3+30∙2+42∙2+23,3)+(19,7∙2+85,7+30∙2+42∙2+25,7))∙0,3=174 (м2).

Рис. 4.3.1. Устройство монолитного ленточного фундамента под наружные стены здания
4.3.2 Армирование ленточного фундамента
Арматура – стальные стержни, прокатные профили и проволока, расположенные в бетоне для совместной с ним работы.
Сборно-монолитные и монолитные ненапрягаемые конструкции армируют укрупненными монтажными элементами в виде сварных сеток, плоских и пространственных каркасов, которые изготовляют вне возводимого сооружения и затем устанавливают монтажными кранами.
Арматуру подразделяют по назначению в конструкции на рабочую , распределительную и монтажную .
Рабочая арматура воспринимает растягивающие усилия, возникающие в железобетонных конструкциях от собственной массы и внешних нагрузок.
Распределительная арматура служит:
· для равномерного распределения нагрузок между рабочими стержнями;
· для обеспечения их совместной работы;
· для связи рабочих стержней между собой, препятствуя смещению рабочей арматуры при бетонировании.
Монтажная арматура обычно не воспринимает усилий, а обеспечивает точное положение в опалубке рабочих стержней и плоских арматурных сеток и элементов.
В промышленном строительстве применяют арматурные стержни диаметром до 40мм.
Армирование конструкции производится после установки опалубки перед процессом бетонирования.
Армирование ленточного фундамента совершается сварными арматурными сетками . Они состоят из взаимно перекрещивающихся стержней, соединенных в местах пересечения сваркой. Их выпускают с продольной, поперечной и взаимно-перпендикулярной рабочей арматурой. В общем виде сетки объединяют рабочую и распределительную арматуру и состоят из отдельных проволок диаметром от 3 до 9мм включительно и стержней из арматурной стали диаметром 10мм, расположенных в двух взаимно перпендикулярных направлениях и соединенных в местах пересечения контактной точечной сваркой. Эти сетки применяют при необходимости обеспечить конструкцию минимальным нерасчетным армированием. Расстояние между отдельными стержнями – в пределах от 50 до 250мм, образующиеся между стержнями и проволоками ячейки обычно имеют размер от 50*100 до 150*250мм. Общая ширина сеток по осям крайних стержней установлена от 900 до 3500мм (сетка при транспортировании должна укладываться между продольными бортами грузового автомобиля). Длина арматурной сетки не должна превышать 7м.
Объемом арматурных работ (согласно ЕНиР Е4-1-44; установка сеток и каркасов вручную) является общее число арматурных сеток (известной массы,кг),устраиваемое в конструкции.
Найдем общую массу арматуры, устанавливаемой в ленточном фундаменте: масса арматуры равна произведению всего объема конструкции Vфундамента, м3, и степени армирования сеткой, принимаемой по заданию 15 кг/м3.
Марм.сет.= Vфундамента∙15=(19,7∙85,7 – 17,3∙83,3 – 23,3∙1,2+43,2∙25,7 – 40,8∙23,3 – 25,7∙ ∙1,2)∙0,3∙15= 348∙0,3∙15=1566(кг).
Определим количество сеток n длиной, не превышающей 7м:
при средней длине одной арматурной сетки 6,6м n=88.
Найдем среднюю массу одной арматурной сетки: ![]()
4.3.3 Укладка и уплотнение бетонной смеси
В ленточные фундаменты бетонную смесь укладываем по способу непрерывного бетонирования методом «кран-бадья» .
Ее уплотнение осуществляем внутренним (глубинным) вибратором .
Нормой времени работ по укладке и уплотнению бетонной смеси (согласно ЕНиР Е4-1-49) является объем уложенного бетона (бетона в деле).
Определим объем бетонных работ, равный объему укладываемой бетонной смеси: ![]()
4.3.4 Выдерживание уплотненного бетона и уход за ним
Объем работ по покрытию бетонной поверхности опилками (ЕНиР Е4-1-54) равен произведению площади бетонируемой поверхности
и толщины слоя опилок – ![]()
![]()
Количество работ по смачиванию бетонной поверхности водой равно площади бетонируемой поверхности:
(согласно ЕНиР Е4-1-54).
Объем работ по снятию опилок с бетонной поверхности равен объему работ по покрытию ими этой бетонной поверхности: ![]()
4.3.5. Распалубливание конструкции фундамента
Распалубливание конструкции фундамента производим при достижении бетоном 50% – й проектной прочности (3 суток).
Объем работ по распалубке ленточного фундамента равен объему работ по устройству опалубки (пункт 4.3.1.).
Таблица 4.3.2. Ведомость объемов работ по устройству ленточного фундамента под наружные стены здания
| № | Наименование работы по устройству ленточного фундамента | Единица измерения по ЕНиРу | Количество работ | Примечание |
| 1 | Установка опалубки | м2 | 174 | Пункт 4.3.1. |
| 2 | Армирование | Число сеток,
|
88 | Пункт 4.3.2. |
| 3 | Бетонирование | м3 | 104,4 | Пункт 4.3.3. |
| 4 | Выдерживание уплотненного бетона и уход за ним: - покрытие поверхности опилками - смачивание водой - снятие опилок |
м3 м2 м3 |
17,4 348 17,4 |
Пункт 4.3.4. |
| 5 | Разборка опалубки | м2 | 174 | Пункт 4.3.5. |
4.4 Устройство столбчатого фундамента стаканного типа
Столбчатый фундамент стаканного типа устанавливается под железобетонные колонны (его габариты показаны на (рис.3.1.3.)).
4.4.1 Устройство опалубки
При установке столбчатого фундамента стаканного типа применяем блочную щитовую опалубку из отдельных щитов, объединенных в пространственные конструкции с помощью крепежных элементов.
Определим объем опалубочных работ как площадь поверхности опалубки, соприкасающейся с бетоном (согласно ЕНиР Е4-1-34):
∑ Sопал. пов.=(1,8∙0,3∙4+0,9∙1,2∙4+Sбок.пов.стакана)∙nколонн=
=(6,48+0,5∙(0,55∙4+0,5∙4)∙0,8)∙21=171,36 (м2).
4.4.2 Армирование столбчатого фундамента
Арматуру фундаментов под колонны промышленных зданий укладывают на бетонную подготовку между щитами опалубки фундаментов (армирование сеткой ). Для армирования подколонника стаканного типа применяется пространственный арматурный каркас, состоящий из 4- х плоских каркасов , соединенных между собой отдельными стержнями или хомутами.
Объемом арматурных работ (согласно ЕНиР Е4-1-44; установка сеток и каркасов вручную) является общее число арматурных сеток и каркасов (известной массы, кг), устраиваемое в конструкции.
Армирование ступени фундамента (сеткой).
Найдем массу одной арматурной сетки:
где 15 кг/м3 – степень армирования сеткой, принимаемая по заданию. Общее число арматурных сеток равно числу колонн, запроектированных в здании nколонн= nсеток =21.
Армирование подколонника стаканного типа (арматурным каркасом).
Определим массу одного пространственного арматурного каркаса:
![]()
где 60кг/м3 – степень армирования каркасом, принимаемая по заданию. Общее число арматурных каркасов равно числу колонн, запроектированных в здании nколонн= nкаркасов =21.
4.4.3 Укладка и уплотнение бетонной смеси
В ступенчатые фундаменты с общей высотой до 3м и площадью ступени до 6м2 смесь подают через верхний край опалубки, предусматривая меры против смещения анкерных болтов и закладных деталей. При виброуплотнении внутренние вибраторы погружают в смесь через открытые грани ступени и переставляют их по периметру ступени по направлению к центру фундамента. В подколонники бетонную смесь можно укладывать сразу же после окончания уплотнения в ступенях. Смесь в подколонник подают через верх опалубки, уплотняют ее внутренними вибраторами , опуская их сверху.
Бетонирование производится методом «кран-бадья» .
Нормой времени работ по укладке и уплотнению бетонной смеси (согласно ЕНиР Е4-1-49) является объем уложенного бетона (бетона в деле).
Определим объем бетонных работ, равный объему укладываемой бетонной смеси: ![]()
4.4.4 Выдерживание уплотненного бетона и уход за ним
Объем работ по покрытию бетонной поверхности опилками (ЕНиР Е4-1-54) равен произведению площади бетонируемой поверхности
и толщины слоя опилок – ![]()
![]()
Количество работ по смачиванию бетонной поверхности водой равно площади бетонируемой поверхности:
(согласно ЕНиР Е4-1-54).
Объем работ по снятию опилок с бетонной поверхности равен объему работ по покрытию ими этой бетонной поверхности: ![]()
4.4.5 Распалубливание конструкции столбчатого фундамента
Распалубливание конструкции фундамента производим при достижении бетоном 50% – й проектной прочности (3 суток).
Объем работ по распалубке столбчатого фундамента равен объему работ по устройству опалубки (пункт 4.4.1.).
Таблица 4.4.1*. Ведомость объемов работ по устройству столбчатого фундамента стаканного типа под железобетонные колонны
| № | Наименование работы по устройству столбчатого фундамента | Единица измерения по ЕНиРу | Количество работ | Примечание |
| 1 | Установка опалубки | м2 | 171,36 | Пункт 4.4.1. |
| 2 | Армирование | Число сеток,
число каркасов,
|
21 21 |
Пункт 4.4.2. |
| 3 | Бетонирование | м3 | 36,2 | Пункт 4.4.3. |
| 4 | Выдерживание уплотненного бетона и уход за ним: - покрытие поверхности опилками - смачивание водой - снятие опилок |
м3 м2 м3 |
3,4 68,04 3,4 |
Пункт 4.4.4. |
| 5 | Разборка опалубки | м2 | 171,36 | Пункт 4.4.5. |
4.5 Устройство колонн здания
Колонны в большей степени предназначены для восприятия вертикальных нагрузок. В процессе возведения подземной части промышленного здания требуется установить 21 железобетонных колонн сечением 0,4*0,4м, высота колонн – 2,85м.
4.5.1 Устройство опалубки
Крупнощитовую разборно-переставную опалубку колонн размером граней в плане от 0,2 до 0,6 м выполняют из щитов 0,8*3,0м с отверстиями под тяжи, что позволяет устанавливать необходимый размер колонн в плане. Опалубка колонн оборудована подкосами для установки, выверки и распалубливания, а также навесными подмостями с ограждениями.
При установке опалубки колонн первоначально на бетонном основании размечают место ее расположения (риски геометрических осей, грани положения колонн).
Определим объем опалубочных работ как площадь поверхности опалубки, соприкасающейся с бетоном (согласно ЕНиР Е4-1-34):
∑ Sопал. пов.=4∙0,4∙ hколонны∙ nколонн=4∙0,4∙2,85∙21=95,76 (м2).
4.5.2 Армирование колонн
При небольшой высоте колонн арматурный каркас устанавливают путем его опускания с помощью крана в готовую опалубку. Установленный арматурный каркас через нижнее окно короба опалубки колонны приваривают или привязывают к выпускам арматуры, забетонированным в фундаменте.
Объемом арматурных работ (согласно ЕНиР Е4-1-44) является общее число арматурных каркасов (известной массы, кг), устраиваемое в конструкции.
Определим массу одного арматурного каркаса:
где 60кг/м3 – степень армирования каркасом, принимаемая по заданию.
Общее число арматурных каркасов равно числу колонн, запроектированных в здании nколонн= nкаркасов =21.
4.5.3 Укладка и уплотнение бетонной смеси
В колонны высотой до 5м со сторонами сечения до 0,8м, не имеющие перекрещивающихся хомутов, бетонную смесь укладывают сразу на всю высоту. Смесь осторожно загружают сверху и уплотняют внутренними вибраторами .
Нижняя часть опалубки колонн и стен при бетонировании их сверху опалубки, во избежание образования раковин в бетоне, сначала заполняется на высоту 100…200мм цементным раствором состава 1:2 или 1:3.
Бетонирование производится методом «кран-бадья» .
Нормой времени работ по укладке и уплотнению бетонной смеси (согласно ЕНиР Е4-1-49) является объем уложенного бетона (бетона в деле).
Определим объем бетонных работ, равный объему укладываемой бетонной смеси: ![]()
4.5.4 Выдерживание уплотненного бетона и уход за ним
Объем работ по покрытию бетонной поверхности опилками (ЕНиР Е4-1-54) равен произведению площади бетонируемой поверхности
и толщины слоя опилок – ![]()
![]()
Количество работ по смачиванию бетонной поверхности водой равно площади бетонируемой поверхности:
(согласно ЕНиР Е4-1-54).
Объем работ по снятию опилок с бетонной поверхности равен объему работ по покрытию ими этой бетонной поверхности: ![]()
4.5.5 Распалубливание конструкции колонны
Распалубливание конструкции колонны производим при достижении бетоном
40-60% – й проектной прочности (3 суток).
Объем работ по распалубке колонны равен объему работ по устройству опалубки (пункт 4.5.1.).
Таблица 4.5.1*. Ведомость объемов работ по устройству колонн здания
| № | Наименование работы по устройству колонн здания | Единица измерения по ЕНиРу | Количество работ | Примечание |
| 1 | Установка опалубки | м2 | 95,76 | Пункт 4.5.1. |
| 2 | Армирование | Число каркасов,
|
21 | Пункт 4.5.2. |
| 3 | Бетонирование | м3 | 9,6 | Пункт 4.5.3. |
| 4 | Выдерживание уплотненного бетона и уход за ним: - покрытие поверхности опилками - смачивание водой - снятие опилок |
м3 м2 м3 |
0,168 3,36 0,168 |
Пункт 4.5.4. |
| 5 | Разборка опалубки | м2 | 95,76 | Пункт 4.5.5. |
4.6 Устройство наружных стен здания.
Технологический процесс возведения подземной части здания обязательно включает в себя устройство стен . Высота стен – 3,3м, толщина наружных стен – 0,5м.
4.6.1 Установка опалубки
Крупнощитовая разборно-переставная опалубка стен состоит из модульных щитов, которые могут собираться в опалубочные панели практически любых размеров и конфигураций. Каркас опалубочных щитов изготовлен из высокоточного профиля алюминиевых сплавов, поперечное сечение которых обеспечивает установку палубы из ламинированной фанеры толщиной 18 и 21 мм, торцы которой конструктивно защищены самим алюминиевым профилем и герметиком.
Крупнощитовая опалубка стен состоит из щитов опалубки, подмостей, навешиваемых на эти щиты, раскрепляющих подкосов и элементов раскрепления. Щиты в опалубочные панели собирают посредством центрирующих замков. Для выверки панели опалубки в проектном положении опалубка снабжена подкосами, винтовые стяжки муфты которых позволяют регулировать установку панели в вертикальной плоскости.
Комплект опалубки позволяет выполнять угловые соединения щитов, стыки примыкания стен, устройство примыканий-компенсаторов и других возможных примыканий щитов опалубки друг к другу.
Для возведения наружных стен здания предусмотрены специальные подмости, представляющие собой цельнометаллические кронштейны с щитами настила и ограждениями.
В первую очередь монтируют щиты (панели) наружной опалубки, их устанавливают на рабочие подмости, выверяют и закрепляют с помощью подкосов. Далее внутренние щиты (панели) опалубки в процессе установки последовательно прикрепляют к наружным щитам с помощью винтовых стяжек.
Длина панелей, собранных из щитов, не должна превышать 8 м.
Поскольку бетонирование наружных стен здания совершается участками (см.пункт 4.6.3.), принимаем 48 участков , ограниченных щитами (панелями) опалубки (средняя длина участка равна 6м ).

Рис. 4.6.1.1. Устройство опалубки. Участки бетонирования
Определим объем опалубочных работ как площадь поверхности опалубки, соприкасающейся с бетоном (согласно ЕНиР Е4-1-34):
∑ Sопал. пов.=((6+0,5+6)∙44+(6,5+0,5+6,5)∙4)∙3,3=1993,2 (м2).
4.6.2 Армирование наружных стен здания
Армирование стен осуществляется сетками .
Объемом арматурных работ (согласно ЕНиР Е4-1-44; установка сеток и каркасов вручную) является общее число арматурных сеток (известной массы,кг),устраиваемое в конструкции.
Найдем общую массу арматуры, устанавливаемой в наружных стенах здания: масса арматуры равна произведению всего объема конструкции Vнар.стен, м3, и степени армирования сеткой, принимаемой по заданию 15 кг/м3.
Марм.сет.= Vнар.стен∙15=(84+18,5∙2+30,5∙2+42∙2+24)∙0,5∙3,3∙15=7177,5 (кг).
Принимая, что размеры сеток не должны превышать 3*7м, получаем количество сеток n=48∙2∙2=192 (1,65*6м ), устраиваемых между разделительными щитами опалубки стен.
Найдем среднюю массу одной арматурной сетки: ![]()
4.6.3 Укладка и уплотнение бетонной смеси
При возведении стен в разборно-переставной опалубке смесь укладывают ярусами высотой не более 3м. При длине стены более 20 м ее делят на участки по 6…10м и на границе участков устанавливают разделительную опалубку (рис.4.6.1.1.). Бетонную смесь подают непосредственно в опалубку в нескольких точках по длине участка методом «кран-бадья». При высоте стен более 3м используют звеньевые хоботы, при этом смесь укладывают горизонтальными слоями толщиной 0,3…0,4м с обязательным вибрированием.
Подавать смесь в одно и то же место не рекомендуется, так как при этом образуются наклонные рыхлые слои, снижающие качество поверхности и однородность бетона.
Уплотнение осуществляют внутренним (глубинным) вибратором .
Нормой времени работ по укладке и уплотнению бетонной смеси (согласно ЕНиР Е4-1-49) является объем уложенного бетона (бетона в деле).
Определим объем бетонных работ, равный объему укладываемой бетонной смеси: ![]()
4.6.4 Выдерживание уплотненного бетона и уход за ним
Объем работ по покрытию бетонной поверхности опилками (ЕНиР Е4-1-54) равен произведению площади бетонируемой поверхности
и толщины слоя опилок – ![]()
![]()
Количество работ по смачиванию бетонной поверхности водой равно площади бетонируемой поверхности:
(согласно ЕНиР Е4-1-54).
Объем работ по снятию опилок с бетонной поверхности равен объему работ по покрытию ими этой бетонной поверхности: ![]()
4.6.5 Распалубливание конструкции стены
Распалубливание конструкции наружной стены производим при достижении бетоном 80% – й проектной прочности.
Объем работ по распалубке стены равен объему работ по устройству опалубки (пункт 4.6.1.).
Таблица 4.6.1*. Ведомость объемов работ по устройству наружных стен здания
| № | Наименование работы по устройству наружных стен здания | Единица измерения по ЕНиРу | Количество работ | Примечание |
| 1 | Установка опалубки | м2 | 1993,2 | Пункт 4.6.1. |
| 2 | Армирование | Число сеток,
|
192 | Пункт 4.6.2. |
| 3 | Бетонирование | м3 | 478,5 | Пункт 4.6.3. |
| 4 | Выдерживание уплотненного бетона и уход за ним: - покрытие поверхности опилками - смачивание водой - снятие опилок |
м3 м2 м3 |
7,25 145 7,25 |
Пункт 4.6.4. |
| 5 | Разборка опалубки | м2 | 1993,2 | Пункт 4.6.5. |
4.7 Устройство перекрытия здания
4.7.1 Установка опалубки
Опалубка перекрытий может быть решена в двух вариантах: 1) опалубка, включающая палубу из листов ламинированной фанеры, закреплённых на продольных и поперечных несущих балках, смонтированных на рамах с выдвижными домкратами; 2) столовая сборно-разборная опалубка, состоящая из стола в виде набора рам с опорными домкратами, соединёнными между собой продольными связями с катковыми опорами.
Опалубка перекрытий предусматривает использование в качестве палубы листов фанеры и рядовых стандартных щитов, которые применяют для опалубливания стен, устанавливаемых на поддерживающие рамы.
Определим объем опалубочных работ как площадь поверхности опалубки, соприкасающейся с бетоном (согласно ЕНиР Е4-1-34):
∑ Sопал. пов. =Sзд.+Рзд.∙hперекрытия =(85∙19+25∙42)+292∙0,2=2723,4 м2; где Рзд и Sзд - соответственно периметр и площадь подземной части здания в плане, h перекрытия – толщина перекрытия.
4.7.2 Армирование перекрытия здания
Армирование плит перекрытия производят путём укладки в пространственные конструкции готовых сварных сеток, стыкование которых осуществляют внахлестку электродуговой сваркой.
Объемом арматурных работ (согласно ЕНиР Е4-1-44; установка сеток и каркасов вручную) является общее число арматурных сеток (известной массы, кг), устраиваемое в конструкции.
Найдем общую массу арматуры, устанавливаемой в перекрытии здания: масса арматуры равна произведению всего объема конструкции Vперекрытия, м3, и степени армирования сеткой, принимаемой по заданию 15 кг/м3.
Марм.сет.= Vперекрытия∙15=(85∙19+25∙42)∙0,2∙15=7995 (кг).
Принимая, что размеры сеток не должны превышать 3*7м, получаем количество сеток n=127∙2=254 .
Найдем среднюю массу одной арматурной сетки: ![]()
4.7.3 Укладка и уплотнение бетонной смеси
Бетонирование плит перекрытия, монолитно связанных с колоннами и стенами, осуществляют через 1….2 ч. После бетонирования колонн и стен. Бетонную смесь начинают укладывать после устройства последнего слоя (порции) в вертикальные конструкции ввиду необходимости первоначальной осадки уложенной в них смеси. Балки и примыкающие к ним плиты бетонируют одновременно. Бетонную смесь укладывают в балки и прогоны горизонтальными слоями высотой 300….500 мм. С обязательным уплотнением.
В плиты перекрытия бетонная смесь подается сразу на всю ширину с уплотнением поверхностными вибраторами при их толщине до 0,25 м. и внутренними – при большей толщине.
Нормой времени работ по укладке и уплотнению бетонной смеси (согласно ЕНиР Е4-1-49) является объем уложенного бетона (бетона в деле).
Определим объем бетонных работ, равный объему укладываемой бетонной смеси: ![]()
4.7.4 Выдерживание уплотненного бетона и уход за ним
Объем работ по покрытию бетонной поверхности опилками (ЕНиР Е4-1-54) равен произведению площади бетонируемой поверхности
и толщины слоя опилок – ![]()
![]()
Количество работ по смачиванию бетонной поверхности водой равно площади бетонируемой поверхности:
(согласно ЕНиР Е4-1-54).
Объем работ по снятию опилок с бетонной поверхности равен объему работ по покрытию ими этой бетонной поверхности: ![]()
4.7.5 Распалубливание конструкции перекрытия
Распалубливание конструкции перекрытия производим при достижении бетоном 70-80% – проектной прочности.
Объем работ по распалубке перекрытия равен объему работ по устройству опалубки (пункт 4.7.1.).
Таблица 4.7.1*. Ведомость объемов работ по устройству перекрытия здания
| № | Наименование работы по устройству перекрытия здания | Единица измерения по ЕНиРу | Количество работ | Примечание |
| 1 | Установка опалубки | м2 | 2723,4 | Пункт 4.7.1. |
| 2 | Армирование | Число сеток,
|
254 | Пункт 4.7.2. |
| 3 | Бетонирование | м3 | 533 | Пункт 4.7.3. |
| 4 | Выдерживание уплотненного бетона и уход за ним: - покрытие поверхности опилками - смачивание водой - снятие опилок |
м3 м2 м3 |
133,25 2665 133,25 |
Пункт 4.7.4. |
| 5 | Разборка опалубки | м2 | 2723,4 | Пункт 4.7.5. |
5. Сводная ведомость объемов земляных и строительно - монтажных работ
Основные виды земляных и строительно-монтажных работ, средства механизации, необходимые для их выполнения, а также объемы этих работ приведены в таблице 5.1.
Таблица 5.1. Ведомость объемов работ
| Наименование процесса | Ед. изм. по ЕНиРу | Количество работ | Примечание |
| 1 | 2 | 3 | 4 |
| Снятие растительного слоя бульдозером | м2 | 150000 | 500×300м2 |
| Разработка и перемещение грунта из ПВ в ПН скрепером | м3 | 26541,4 | Табл.2.2.1. |
| Скучивание, погрузка и вывоз лишнего грунта | м3 | 6046,9 | См.п. 2.2. |
| Уплотнение насыпи прицепным решетчатым катком | м2 | 76306,5 | Vгр∙Кпр/0,4 |
Отрывка котлована экскаватором-драглайн (в транспортное средство) Отрывка котлована экскаватором-драглайн (навымет) |
м3 |
8656 3198,3 |
См.табл.3.2.2. |
Зачистка дна котлована: а) бульдозером б) вручную |
м3 м3 |
480,3 160,1 |
См.п.3.5. |
Устройство щебеночной подготовки: а) привоз автосамосвалом и разравнивание щебня бульдозером; б) уплотнение прицепным решетчатым катком |
м3 м2 |
640,4 3202 |
См. п. 4.1. |
Устройство бетонной подготовки: а) устройство опалубки б) бетонирование в) уход за бетоном: 1)покрытие опилками; 2) смачивание опилок; 3)снятие опилок. г) распалубка |
м2 м3 м3 м2 м3 м2 |
252 640,4 160,1 3202 160,1 252 |
См.п.4.2. См.п.4.2. См.п.4.2.3. См.п.4.2.3. См.п.4.2.3. См.п.4.2.4. |
Устройство ленточного фундамента: а) устройство опалубки б) армирование в) бетонирование г) уход за бетоном: 1)покрытие опилками; 2) смачивание опилок; 3)снятие опилок. д) распалубка |
м2 сетка м3 м3 м2 м3 м2 |
174 88 104,4 17,4 348 17,4 174 |
См.п.4.3.1. См.п.4.3.2. См.п.4.3.3. См.п.4.3.4. См.п.4.3.4. См.п.4.3.4. См.п.4.3.5. |
Устройство фундамента стаканного типа: а) устройство опалубки б) армирование армирование в) бетонирование г) уход за бетоном: 1)покрытие опилками; 2) смачивание опилок; 3)снятие опилок. д) распалубка |
м2 сетка каркас м3 м3 м2 м3 м2 |
171,36 21 21 36,2 3,4 68,04 3,4 171,36 |
См.п.4.4.1. См.п.4.4.2. См.п.4.4.2. См.п.4.4.3. См.п.4.4.4. См.п.4.4.4. См.п.4.4.4. См.п.4.4.5. |
Устройство колонн: а) устройство опалубки б) армирование в) бетонирование г) уход за бетоном: 1)покрытие опилками; 2) смачивание опилок; 3)снятие опилок. д) распалубка |
м2 сетка м3 м3 м2 м3 м2 |
95,76 21 9,6 0,168 3,36 0,168 95,76 |
См.п.4.5.1. См.п.4.5.2. См.п.4.5.3. См.п.4.5.4. См.п.4.5.4. См.п.4.5.4. См.п.4.5.5. |
Устройство стен: а) устройство опалубки б) армирование в) бетонирование г) уход за бетоном: 1)покрытие опилками; 2) смачивание опилок; 3)снятие опилок. д) распалубка |
м2 сетка м3 м3 м2 м3 м2 |
1993,2 192 478,5 7,25 145 7,25 1993,2 |
См.п.4.6.1. См.п.4.6.2. См.п.4.6.3. См.п.4.6.4. См.п.4.6.4. См.п.4.6.4. См.п.4.6.5. |
Устройство перекрытия: а) устройство опалубки б) армирование в) бетонирование г) уход за бетоном: 1)покрытие опилками; 2) смачивание опилок; 3)снятие опилок. д) распалубка |
м2 сетка м3 м3 м2 м3 м2 |
2723,4 254 533 133,25 2665 133,25 2723,4 |
См.п.4.7.1. См.п.4.7.2. См.п.4.7.3. См.п.4.7.4. См.п.4.7.4. См.п.4.7.4. См.п.4.7.5. |
| Засыпка пазух | м3 | 3678,045 | См.табл.3.2.2. |
6. Калькуляция трудозатрат и затрат машинного времени
Таблица 6.1. Калькуляция трудозатрат и затрат машинного времени
| № | Наименование процессов |
Объем работ | ЕНиР | Норм. маш/ врем., маш-ч | Затраты маш. труда | Состав звена | Норм. рабоч. врем., чел-ч | Затраты чел. труда | |||
| маш-ч | маш-см | чел-ч | чел-ден | ||||||||
| Ед.изм | Объем работ | ||||||||||
| 1 | 2 | 3 | 4 | 5 | 6 | 7 | 8 | 9 | 10 | 11 | 12 |
| 1 | Срезка и перемещение растительного слоя бульдозером | 1000 м2 | 150 | Е2-1-5 | 1,5 | 225 | 28,12 | 1машинист 6 разр. |
1,5 | 225 | 28,12 |
| 2 | Разработка и перемещение грунта из ПВ в ПН | 100 м3 | 265,414 | Е2-1-21(2) | 3,38 | 897,1 | 112,1 | 1машинист 6 разр. | 3,38 | 897,1 | 112,1 |
| 3 | Скучивание, погрузка и вывоз лишнего грунта | 100 м3 | 60,469 | Е2-1-22(2) | 2,13 | 128,8 | 16,1 | 1машинист 6 разр. | 2,13 | 128,8 | 16,1 |
| 4 | Уплотнение грунта насыпи | 1000 м2 | 76,3065 | Е2-1-30(2) | 0,98 | 74,78 | 9,35 | 1машинист 6 разр. | 0,98 | 74,78 | 9,35 |
5 5 |
Отрывка котлована (в транспортное средство) Отрывка котлована (навымет) |
100 м3 |
86,56 | Е2-1-10(3) | 1,5 | 129,84 | 16,23 | 1маш-ст 6 разр., пом-к маш. 5 разр. | 3 | 259,68 | 32,46 |
| 31,983 | Е2-1-10(3) | 1,2 | 38,38 | 4,8 | 1маш-ст 6 разр., пом-к маш. 5 разр. | 2,4 | 76,76 | 9,6 | |||
| 6 | Зачистка дна котлована: | ||||||||||
| а) бульдозером | 100 м3 | 4,803 | Е2-1-22(2) | 2,33 | 11,18 | 1,39 | 1машинист 6 разр. | 2,33 | 11,18 | 1,39 | |
| б) вручную | 1 м3 | 160,1 | Е2-1-47(1) | - | - | - | 1землекоп 2 разр. | 0,85 | 136,1 | 17,01 | |
| 7 | Щебеночная подготовка: а) приемка и разравнивание щебня |
100 м3 |
6,404 |
Е2-1-28 |
0,75 |
4,803 |
0,60 |
1машинист 6 разр. | 0,75 | 4,803 | 0,60 |
| б) уплотнение | 1000 м2 | 3,202 | Е2-1-30(2) | 1,2 | 3,84 | 0,48 | 1машинист 6 разр. | 1,2 | 3,84 | 0,48 | |
| 8 | Бетонная подготовка: | ||||||||||
| а) устройство опалубки | 1м2 | 252 | Е4-1-34(2) | - | - | - | 1 плотник 4р и1–2р | 0,4 | 100,8 | 12,6 | |
| б) бетонирование | 1 м3 | 640,4 | Е4-1-49(1) | - | - | - | 1 бетонщик 4р и 1–2р | 0,22 | 140,88 | 17,6 | |
| в) уход за бетоном | |||||||||||
| 1) покрытие опилками | 1 м3 | 160,1 | Е4-1-54 | - | - | - | 1 бетонщик 2р | 0,27 | 43,23 | 5,4 | |
| 2) смачивание опилок | 100 м2 | 3,202 | Е4-1-54 | - | - | - | 1 бетонщик 2р | 0,14*9 | 4,032 | 0,504 | |
| 3) снятие опилок | 1 м3 | 160,1 | Е4-1-54 | - | - | - | 1 бетонщик 2р | 0,27 | 43,22 | 5,4 | |
| г) распалубка | 1 м2 | 252 | Е4-1-34(2) | - | - | - | 1 плотник 3р и 1–2р | 0,1 | 25,2 | 3,15 | |
| 9 | Устройство лент. фундамента | ||||||||||
| а) устройство опалубки | 1м2 | 174 | Е4-1-34(2) | - | - | - | 1 плотник 4р и 1–2р | 0,4 | 69,6 | 8,7 | |
| б) армирование | 1 сетки. | 88 | Е4-1-44 | - | - | - | 1 арматурщ. 3р,2–2р. | 0,17 | 14,96 | 1,87 | |
| в) бетонирование | 1 м3 | 104,4 | Е4-1-49(1) | - | - | - | 1бетонщик 4р и 1–2р | 0,22 | 22,96 | 2,87 | |
| г) уход за бетоном | |||||||||||
| 1) покрытие опилками | 1 м3 | 17,4 | Е4-1-54 | - | - | - | 1 бетонщик 2р | 0,27 | 4,69 | 0,58 | |
| 2) смачивание опилок | 100 м2 | 3,48 | Е4-1-54 | - | - | - | 1 бетонщик 2р | 0,14*9 | 4,38 | 0,54 | |
| 3) снятие опилок | 1 м3 | 17,4 | Е4-1-54 | - | - | - | 1 бетонщик 2р | 0,27 | 4,69 | 0,58 | |
| д) распалубка | 1 м2 | 174 | Е4-1-34(2) | - | - | - | 1 плотник 3р,и 1–2р | 0,1 | 17,4 | 2,17 | |
| 10 | Устр-во столбчатого фундамента | ||||||||||
| а) устройство опалубки | 1м2 | 171,36 | Е4-1-34(2) | - | - | - | 1 плотник 4р,и 1–2р | 0,4 | 68,54 | 8,57 | |
| б) армирование | 1 секц. | 21 | Е4-1-44 | - | - | - | 1 арматурщ. 3р, 2–2р. |
0,17 | 3,57 | 0,45 | |
| армирование | 1карк. | 21 | Е4-1-44 | - | - | - | 1 арматурщ. 3р, 2–2р. |
0,24 | 5,04 | 0,63 | |
| в) бетонирование | 1 м3 | 36,2 | Е4-1-49(1) | - | - | - | 1 бетонщик 4р и 1–2р | 0,22 | 7,97 | 0,99 | |
| г) уход за бетоном | |||||||||||
| 1) покрытие опилками | 1 м3 | 3,4 | Е4-1-54 | - | - | - | 1 бетонщик 2р | 0,27 | 0,918 | 0,12 | |
| 2) смачивание опилок | 100 м2 | 0,6804 | Е4-1-54 | - | - | - | 1 бетонщик 2р | 0,14*9 | 0,86 | 0,11 | |
| 3) снятие опилок | 1 м3 | 3,4 | Е4-1-54 | - | - | - | 1 бетонщик 2р | 0,34 | 11,46 | 1,43 | |
| д) распалубка | 1 м2 | 171,36 | Е4-1-34(2) | - | - | - | 1 плотник 3р и 1–2р | 0,1 | 17,136 | 2,142 | |
| 11 | Устр-во колонн | ||||||||||
| а) устройство опалубки | 1м2 | 95,76 | Е4-1-34(2) | - | - | - | 1 плотник 4р и 1–2р | 0,4 | 38,3 | 4,79 | |
| б) армирование | 1 сет | 21 | Е4-1-44 | - | - | - | 1арматурщ. 3р, 2–2р. | 0,24 | 5,04 | 0,63 | |
| в) бетонирование | 1 м3 | 9,6 | Е4-1-49(1) | - | - | - | 1 бетонщик 4р и 1– 2р | 1,5 | 14,4 | 1,8 | |
| г) уход за бетоном | |||||||||||
| 1) покрытие опилками | 1 м3 | 0,168 | Е4-1-54 | - | - | - | 1 бетонщик 2р | 0,27 | 0,045 | 0,006 | |
| 2) смачивание опилок | 100 м2 | 0,0336 | Е4-1-54 | - | - | - | 1 бетонщик 2р | 0,14*9 | 0,042 | 0,005 | |
| 3) снятие опилок | 1 м3 | 0,168 | Е4-1-54 | - | - | - | 1 бетонщик 2р | 0,34 | 0,057 | 0,007 | |
| д) распалубка | 1 м2 | 95,76 | Е4-1-34(2) | - | - | - | 1 плотник 3р и 1– 2р | 0,1 | 9,576 | 1,197 | |
| 12 | Устр-во стен | ||||||||||
| а) устройство опалубки | 1м2 | 1993,2 | Е4-1-34(2) | - | - | - | 1 плотник 4р и 1–2р | 0,4 | 797,28 | 99,66 | |
| б) армирование | 1 сет | 192 | Е4-1-44 | - | - | - | 1 арматурщ. 4р, 2–3р. | 0,17 | 32,64 | 4,08 | |
| в) бетонирование | 1 м3 | 478,5 | Е4-1-49(1) | - | - | - | 1 бетонщик 4р и 1–2р | 0,22 | 105,27 | 13,15 | |
| г) уход за бетоном | |||||||||||
| 1) покрытие опилками | 1 м3 | 7,25 | Е4-1-54 | - | - | - | 1 бетонщик 2р | 0,27 | 1,95 | 0,24 | |
| 2) смачивание опилок | 100 м2 | 1,45 | Е4-1-54 | - | - | - | 1 бетонщик 2р | 0,14*9 | 1,827 | 0,22 | |
| 3) снятие опилок | 1 м3 | 7,25 | Е4-1-54 | - | - | - | 1 бетонщик 2р | 0,27 | 1,95 | 0,24 | |
| д) распалубка | 1 м2 | 1993,2 | Е4-1-34(2) | - | - | - | 1 плотник 3р и 2р | 0,1 | 199,32 | 24,91 | |
| 13 | Устр-во перекрытия | ||||||||||
| а) устройство опалубки | 1м2 | 2723,4 | Е4-1-34(2) | - | - | - | 1 плотник 4р и 1–2р | 0,4 | 1089,36 | 136,2 | |
| б) армирование | 1 сет | 254 | Е4-1-44 | - | - | - | 1 арматурщ. 4р, 2–3р. | 0,24 | 60,96 | 7,62 | |
| в) бетонирование | 1 м3 | 533 | Е4-1-49(1) | - | - | - | 1 бетонщик 4р и 1–2р | 0,57 | 303,81 | 37,98 | |
| г) уход за бетоном | |||||||||||
| 1) покрытие опилками | 1 м3 | 133,25 | Е4-1-54 | - | - | - | 1 бетонщик 2р | 0,27 | 35,98 | 4,49 | |
| 2) смачивание опилок | 100 м2 | 26,65 | Е4-1-54 | - | - | - | 1 бетонщик 2р | 0,14*9 | 33,58 | 4,19 | |
| 3) снятие опилок | 1 м3 | 133,25 | Е4-1-54 | - | - | - | 1 бетонщик 2р | 0,34 | 45,31 | 5,66 | |
| д) распалубка | 1 м2 | 2723,4 | Е4-1-34(2) | - | - | - | 1 плотник 3р и 2р | 0,1 | 272,34 | 34,04 | |
| 14 | Засыпка пазух и съездов | 100 м3 | 36,78045 | Е2-1-34 | 0,41 | 15,07 | 1,88 | 1машинист 6 разр. | 0,41 | 15,07 | 1,88 |
7. Расчет технико-экономических показателей
1. Продолжительность возведения подземной части здания:
τ =157 дней.
2. Трудоемкость на единицу строительного объема
ΣТпл./Vсоор.=691/8528 =0,08 чел-ден/м3.
3. Средняя производительность труда:
ΣТр=736,6 чел-ден– расчетная трудоемкость работы;
ΣТпл.=691 чел-ден– планируемая трудоемкость работы;
ΣТр/ΣТпл.´100%=736,6/691*100=106,6 %.
4. Коэффициент неравномерности использования рабочей силы:
nmax=9 чел. – максимальное число рабочих в день;
τ=157 дн. - полное число дней (продолжительность строительства);
nср= ΣТпл /nдней=691/157=4,4;
Кн=nmax/nср=9/4,4=2,04 .
Похожие рефераты:
Проектирование четырехэтажной гостиницы в г. Краснодаре
Резервуар объемом 50000 м3 для нефти в г. Новороссийске
Расчет и проектирование здания Дома быта на 15 человек
11-этажный жилой дом с мансардой
16-этажный жилой дом с монолитным каркасом в г. Краснодаре
Разработка 4-этажного оздоровительного комплекса "Звезда" в п. Новомихайловке
9-этажный жилой дом со встроенными помещениями
Проектирование 9-этажного дома
Разработка технологической карты на возведение кирпичного здания
Водоотведение поселка Песочное с доочисткой сточных вод
Восстановление гидросистемы "Польского сада" усадьбы Г.Р. Державина