| Похожие рефераты | Скачать .docx |
Курсовая работа: Расчет привода с трехступенчатым редуктором
МИНИСТЕРСТВО ОБРАЗОВАНИЯ И НАУКИ УКРАИНЫ
ДОНЕЦКИЙ НАЦИОНАЛЬНЫЙ ТЕХНИЧЕСКИЙ УНИВЕРСИТЕТ
Кафедра «Детали машин »
КУРСОВОЙ ПРОЕКТ
По дисциплине: «Детали машин »
На тему: «Расчет привода с трехступенчатым редуктором»
Разработал
студент гр. КПМОпр-08
Котлярова О
Руководитель
Нечепаев В.А.
Донецк 2010
РЕФЕРАТ
Курсовой проект содержит: 24 страницы, 4 рисунка, 5 использованных источников.
В курсовом проекте рассмотрена работа основных узлов привода произведены расчеты основных деталей механизма, расчет быстроходной ступени трехступенчатого цилиндрического редуктора, выбор полумуфты, расчет шпоночного соединения и выбор подшипников качения.
расчет на прочность, ПЕРЕДАТОЧНОЕ ОТНОШЕНИЕ, КИНЕМАТИЧЕСКИЙ РАСЧЕТ, ЗУБЧАТОЕ зацепление, контактные напряжения, ОПОРНЫЕ РЕАКЦИИ, шпоночное соединение, подшипник качения.
Содержание
Введение
1.Схема привода и его описание
2. Определение мощности электродвигателя и его выбор
3. Кинематический расчет привода
4. Определение нагрузок по ступеням
5. Выбор материала зубчатых колёс и определение допустимых напряжений
6. Расчет зубчатых передач
7. Расчет геометрических параметров валов редуктора
8 Проверочный расчет шпонки
9 Выбор муфт
10 Выбор подшипников на выходном вал
11. Определение размеров корпуса редуктора и необходимых конструктивных размеров шестерни выходного вала
12 Выбор смазки редуктора
Выводы
Список используемой литературы
Введение
Технический уровень всех отраслей народного хозяйства в значительной мере определяется уровнем развития машиностроения. На основе развития машиностроения осуществляется комплексная механизация и автоматизация производственных процессов в промышленности, строительстве, сельском хозяйстве, на транспорте.
Государством перед машиностроением поставлена задача значительного повышения эксплуатационных и качественных показателей при непрерывном росте объема ее выпуска.
Одним из направлений решения этой задачи является совершенствование конструкторской подготовки студентов высших учебных заведений.
Выполнением курсового проекта по «Деталям машин» завершается общетехнический цикл подготовки студентов. При выполнении моей работы активно используется знания из ряда пройденных предметов: механики, сопротивления материалов, технологий металлов и др.
Объектом курсового проекта является привод с цилиндрическим трёхступенчатым редуктором с раздвоенной быстроходной ступенью, использующие большинство деталей и узлов общего назначения.
1.Схема привода и его описание
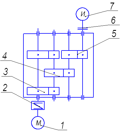
В данном курсовом проекте рассмотрен привод представленный на рисунке1.1.

Рис. 1.1. Схема привода.
Данный привод состоит из:
1- двигатель
2- муфта МУВП
3- шевронная цилиндрическая передача
4- косозубая цилиндрическая передача
5- прямозубая цилиндрическая передача
6- зубчатая муфта
7- рабочий орган
Технические характеристики привода:
- мощность на рабочем органе привода Pвых =13кВт
- частота вращения вала двигателя nдв =1000об/мин
- передаточное число редуктора i=46
2. Определение мощности электродвигателя и его выбор
В данном разделе производится выбор эл/двигателя.
Мощность привода определяется по формуле:
![]()
где, ηпривода - КПД привода.
КПД привода определяется из соотношения:
![]()
где, η1 - КПД зубчатой передачи (0.97)
η2 - КПД одной пары подшипников (0.99);
η3 - КПД муфты (0.98).
В результате получаем:
![]()
![]()
В итоге можно выбрать эл/двигатель [2] – АИР 200L12/6 (n=1000об/мин, P=17кВт).
3. Кинематический расчет привода
В данном разделе производится разбивка общего передаточного числа по ступеням.
Для быстроходной ступени передаточное число вычисляем из соотношения:
u1
=(1,1…1,5)
;
u1
=1,1
=7.46
По ГОСТ 21426-75 выбираем стандартное значение передаточного числа – 7.1.
Вычислим передаточное число промежуточной ступени редуктора, для этого определим общее передаточное число для промежуточной и тихоходной ступени
uобщ =uр /u1 ;
uобщ =46/7.1=6,48
Определим передаточное число промежуточной ступени редуктора:
u2
=(1,1…1,5)
;
u2
=1,1
=2.8
По ГОСТ 21426-75 выбираем стандартное значение передаточного числа – 2.8.
Определим значение передаточного числа тихоходной ступени редуктора:
![]()
![]()
По ГОСТ 21426-75 выбираем стандартное значение передаточного числа – 2.24.
Уточняем передаточное число редуктора:
uр =u1 u2 u3
uр =7.1ּ 2.8ּ2.24=44.5
4. Определение нагрузок по ступеням
4.1 Определение мощностей на каждом валу
Мощность на приводном валу:
Pпр =Рвх ּ η3 ּ η2
Pпр =17ּ0.98ּ0.99=16.5кВт
Мощность на первом промежуточном валу
Pпп =Рпр ּ η2 1 η2
Pпп =16.5ּ0.972 0.99=15.4кВт
Мощность на втором промежуточном валу
Pвп =Рпп ּ η 1 η2
Pвп =15.4ּ0.97ּ0.99=14.8кВт
Мощность на выходном валу:
Pв =Рвп ּ η 1 η2
Pв =14.8ּ0.97ּ0.99=14.2кВт
Мощность на рабочем органе:
Pвых =Рвп ּ η3
Pвых =14.2ּ0.98=13.9кВт
4.2 Определение крутящих моментов на валах привода
Крутящий момент на валу двигателя:
Тдв =Рдв /ω;
где ω – частота вращения двигателя определяемая из соотношения:
.;
Т.е. вращающий момент на валу двигателя получаем:
Тдв =17∙103 /105=162Н∙м
Крутящий момент на приводном валу:
Твх =Тдв ∙η3 ;
Твх =162∙0.98=159Нм
Крутящий момент на первом промежуточном валу
Тпп =Твх u1 η2 1 η2
Tпп =159ּ7.1ּ0.972 0.99=1052Нм
Крутящий момент на втором промежуточном валу
Твп =Тпп uּ2 η 1 η2
Pвп =1052ּ2.8ּ0.97ּ0.99=2827Нм
Крутящий момент на выходном валу:
Тв =Твп uּ3 η 1 η2
Тв =2827ּ2.24ּ0.97ּ0.99=6081Нм
Крутящий момент на рабочем органе:
Твых =Рв ּ η3
Твых =6081ּ0.98=5959Нм
4.2 Определение скоростей на валах привода
Скорость на приводном валу:
ωвх = ωдв =105с-1 ;
Скорость на первом промежуточном валу
ωпп =ωвх u1
ωпп =105/7.1ּ=14.8с-1
Скорость на втором промежуточном валу
ωвп =ωпп /u2
Pвп =14.8/2.8=5.3c-1
Скорость на выходном валу:
ωв =ωвп /u3
ωв =5.3/2.24=2.4c-1
Скорость на рабочем органе:
ωвых =ωв =2.4 c-1
Полученные данные сведем в таблицу 4.1:
Вал двигателя |
Приводной вал |
Первый промежуточный вал |
Второй промежуточный вал |
Выходной вал |
Рабочий орган |
|
| Мощность, P, кВТ | 17 | 16.5 | 15.4 | 14.8 | 14.2 | 13.9 |
| Крутящий момент, Т, Нм | 162 | 159 | 1052 | 2827 | 6081 | 5959 |
| Скорость вращения, ω, с-1 | 105 | 105 | 14.8 | 5.3 | 2.4 | 2.4 |
5. Выбор материала зубчатых колёс и определение допустимых напряжений
5.1 Выбор материала зубчатых колес
Поскольку зубчатому зацеплению приходится передавать большие крутящие моменты то необходимо выбирать материал с твердостью поверхности ≥350НВ. Т.е. выбираем для шестерни материал сталь 45 с объёмной закалкой и твёрдостью поверхности зубьев 37HRC, для колеса выбираем сталь 40 с поверхностной закалкой и твёрдостью зубьев 38HRC.
5.2 Определяем контактное напряжение:
Допускаемые контактные напряжения при расчетах па прочность определяются отдельно для зубьев шестерни [σ]Н1 и колеса [σ]Н2 в следующем порядке.
а) Определить коэффициент долговечности KHL :
![]()
где NHO - число циклов перемены напряжений, соответствующее пределу выносливости (в данном случае 36.4);
N - число циклов перемены напряжений за весь срок службы (наработка).
N=573ωLh
Здесь ω — угловая скорость соответствующего вала, с-1 ;
Lh —срок службы привода (ресурс), ч (5000).
В результате получаем:
Для зубчатых колес на входном валу:
N=573∙105∙5000=3.01∙108
Для зубчатых колес на первом промежуточном валу:
N=573∙14.8∙5000=4.24∙107
Для зубчатых колес на втором промежуточном валу:
N=573∙5,3∙5000=1,5∙107
Для зубчатых колес на выходном валу:
N=573∙2.4∙5000=6.9∙106
Поскольку во всех случаях N≥Nно то принимаем KHL =1.
б) Определяем допускаемые контактные напряжения по формуле
[σ]н =(14∙HRC+170)kHL ;
-для шестерни
[σ]н =(14∙37+170)1 =688МПа
-для зубчатого колеса
[σ]н =(14∙38+170)1 =702МПа
5.3 Определение допускаемых напряжений изгиба
Проверочный расчет зубчатых колес определяется по допускаемым предельным напряжениям, которые определяются в следующем порядке:
а) Определить коэффициент долговечности KHL :
![]()
где NFO - число циклов перемены напряжений, для всех сталей равен 4∙106 .
Поскольку во всех случаях N≥NHL то принимаем KHL =1.
б) определяем допустимые напряжения изгиба:
[σ]f =[σ]f0 KHL
В данном случае выбираем[σ]f0 =310, т.е.
[σ]f =310∙1=310МПа
6. Расчет зубчатых передач
6.1 Определение межосевого расстояния
Межосевое расстояние определяется по формуле:

где а) Ка -вспомогательный коэффициент. Для косозубых передач Ка = 43. для прямозубых- Ка = 49.5;
б) ψа =b2 /aw - коэффициент ширины венца колеса, равный 0,28...0,36 -для шестерни, расположенной симметрично относительно опор в проектируемых нестандартных одноступенчатых цилиндрических редукторах; ψа = 0,2...0,25 - для шестерни, консольно расположенной относительно опор в открытых передачах;
в) u - передаточное число редуктора или открытой передачи
г) Т2
- вращающий момент на тихоходом валу редуктора
д) [σ]н
- допускаемое контактное напряжение колеса с менее прочным зубом или среднее допускаемое контактное напряжение. Н/мм2
;
е) Кнв - коэффициент неравномерности нагрузки по длине зуба. Для прирабатывающихся зубьев Кнв .
Полученное значение межосевого расстояния aw для нестандартных передач округлить до ближайшего значения из ряда нормальных линейных размеров.
Определим значение межосевого расстояния первой ступени.
Поскольку первая передача шевронная раздвоенная то в данном случае Т2 =Твх /2=1052/2=526Нм

Определим значение межосевого расстояния второй ступени

Определим значение межосевого расстояния третей ступени

6.2 Определение модуля зацепления
Модуль зацепления определяется по формуле:
, мм
где Кт – вспомогательный коэффициент, для прямозубых передач Кт =6,8, для косозубых Кт =5,3;
d2 =2aw u/(u+1) – делительный диаметр колеса, мм;
b2 =ψ∙aw – ширина венца. мм;
[σ]f - допускаемое напряжение изгиба материала колеса с менее прочным зубом.
В итоге получаем:
- первая ступень:
d2 =2∙155∙7,1/(7,1+1)=272мм
b2 =0,25∙155=39мм
![]()
Выбираем значения модуля из стандартного ряда m=1.75мм
-вторая ступень:
d2 =2∙237∙2.8/(2.8+1)=350мм
b2 =0,28∙237=66.4мм
![]()
Выбираем значения модуля из стандартного ряда m=4.5мм
-третья ступень:
d2 =2∙348∙2.24/(2.24+1)=401мм
b2 =0,28∙348=97.4мм
![]()
Выбираем значения модуля из стандартного ряда m=7мм
6.3 Определение угла наклона зубьев
Угол наклона зубьев определяется по формуле:
![]()
Определим угол наклона зубьев первой ступени:
![]()
Определим угол наклона зубьев второй ступени:
![]()
6.4 Определение числа зубьев
Определение суммарного числа зубьев
- для прямозубых колес (третья ступень):
zΣ = z1 +z2 =2aw /m
zΣ =2∙348/7=99.4
Выбираем количество зубьев 99.
-для косозубых колес (первая и вторая ступень)
zΣ = z1 +z2 =2aw соsβ/m
zΣ1 = z1 +z2 =2∙155соs9/1.75=175
zΣ2 = z1 +z2 =2∙237соs14/4.5=102
Определяем число зубьев шестерни и колеса:
![]()
z2 = zΣ -z1
Для первой ступени:
![]()
Принимаем 22 зуба
z2 = 175-22=153
Для второй ступени:
![]()
Принимаем 27 зубьев.
z2 = 102-27=75
Для третьей ступени:
![]()
Принимаем 31 зуб.
z2 = 99-31=68
6.5 Определение фактического передаточного числа
Определим фактическое передаточное число uф и проверим его отклонение Δu по формулам:
uф =z2 /z1
![]()
Для первой ступени:
uф =153/22=6.95
![]()
Для второй ступени:
uф =75/27=2.78
![]()
Для третьей ступени:
uф =68/31=2,19
![]()
6.5 Определение основных геометрических параметров передач
Геометрические параметры передач определяются по формулам.
| Параметр | Шестерня | Колесо | |||
| прямозубая | косозубая | прямозубая | косозубая | ||
| Диаметр | делительный | d1 =m∙z1 | d1 =m∙z1 ∙cosβ | d1 =m∙z2 | D2 =m∙z2 ∙cosβ |
| Вершин зубьев | dв1 =d1 +2∙m | dв2 =d2 +2∙m | |||
| Впадин зубьев | df1 =d1 -2.4∙m | df2 =d2 -2.4∙m | |||
| Ширина венца | b1 =b2 +(2..4)мм | b2 =ψ∙aw | |||
Рассчитаем геометрические параметры первой передачи
| Параметр | Шестерня | Колесо | |
| Диаметр | делительный | d1 =1.75∙22cos9=40мм | d2 =1.75∙153∙cos9=265мм |
| Вершин зубьев | dв1 =40+2∙1,75=43.5 | dв2 =265+2∙1.75=268.5мм | |
| Впадин зубьев | df1 =40-2.4∙1.75=35.8 | df2 =265-2.4∙1.75=260.8мм | |
| Ширина венца | b1 =40+(2..4)=42мм | b2 =0.25∙155≈40мм | |
Рассчитаем геометрические параметры второй передачи
| Параметр | Шестерня | Колесо | |
| Диаметр | делительный | d1 =4.5∙27∙cos14=118мм | D2 =4.5∙75∙cos14=327мм |
| Вершин зубьев | dв1 =118+2∙4.5=127 | dв2 =327+2∙4.5=336 | |
| Впадин зубьев | df1 =118-2.4∙4.5=107 | df2 =327-2.4∙4.5=316мм | |
| Ширина венца | b1 =65+(2..4)=67мм | b2 =0.28∙237≈65мм | |
Рассчитаем геометрические параметры третьей передачи
| Параметр | Шестерня | Колесо | |
| Диаметр | делительный | d1 =7∙31=214мм | d1 =7∙68=476мм |
| Вершин зубьев | dв1 =214+2∙7=218мм | dв2 =476+2∙7=490мм | |
| Впадин зубьев | df1 =214-2.4∙7=197мм | df2 =490-2.4∙7=473.2мм | |
| Ширина венца | b1 =97+(2..4)=100мм | b2 =0,28∙348≈97мм | |
6.6 Проверочный расчет тихоходной ступени редуктора
Проверим зубчатое зацепление на контактные напряжения по формуле:
;
где К- вспомогательный. Для прямозубых передач К=436;
Ft =2T2 ∙103 /d2 – окружная сила в зацеплении, Н
KHα – коэффициент, учитывающий распределение нагрузки между зубьями. Для прямозубых колёс KHα =1,
KHv – коэффициент динамической нагрузки, зависящий от окружной скорости колес и степени точности передачи.
Окружная скорость определяется по формуле:
υ=ω2 d2 /(2∙103 )м/с
υ=2.4∙476/(2∙103 )=0,57м/с
Исходя из этого KHv =1,23
Вычисляем окружную силу в зацеплении, после чего проверяем контактные напряжения:
Ft =2∙2827∙103 /476=11900Н,
, т,е, условие прочности выполнено.
Проверим напряжения изгиба зубьев шестерни σf1 и колеса σf2 , Н/мм2
σf2 =YF2 Yβ (Ft /b2 m)KFα Kfβ KFv <[σ]f2 [3,1]
σf1 = σf2 YF1 / YF2 <[σ]f1 [3,1]
где KFα – коэффициент, учитывающий распределение нагрузки между зубьями. Для прямозубых колес KFα =1;
Kfβ – коэффициент неравномерности нагрузки по длине зуба. Для прирабатывающихся зубьев колес Kfβ =1;
KFv – коэффициент динамической нагрузки, зависящий от окружной скорости колес и степени точности передачи, в данном случае KFv =1,23.
YF1 и YF2 – коэффициенты формы зуба шестерни и колеса, в данном случае YF1 =4,27, YF2 =3,6,
Yβ – коэффициент учитывающий форму зуба, для прямозубой передачи Yβ =1,
В итоге получаем:
σf2 =3,6∙1∙(11900/97∙2.24)∙1∙1∙1,23=242мПа,
σf1 =242∙4,27/3,6=287МПа.
Поскольку [σ]f1 = [σ]f2 =310МПа то условие прочности выполнено.
7. Расчет геометрических параметров валов редуктора
7.1 Ориентировочный расчет геометрических параметров валов редуктора
Ориентировочные диаметры валов определяем по формуле:
;
где Твх – крутящий момент на быстроходном валу редуктора;
[τ]к – допускаемое напряжение на кручение, принимаемое для среднеуглеродистой стали 25-30Н/мм.
В результате получаем:
- диаметр входного вала под полумуфту
;
Принимаем диаметр вала 32мм.
- диаметр первого промежуточного вала под подшипник:
;
Принимаем диаметр вала 60мм.
- диаметр второго промежуточного вала под подшипник:

Принимаем диаметр вала 85мм
- диаметр выходного вала под муфту:

Принимаем диаметр вала 105мм
7.2 Проверочный расчет выходного вала вала
Проверочный расчет вала проводится в виде определения запаса прочности опасного сечения.
Для определения запаса прочности необходимо определить геометрические параметры вала:
а) длина участка под полумуфту:
l1 =(1,0…1,5)105=1.5∙105=165мм,
б) определяем диаметр вала и его длину под уплотнение крышки с отверстием и подшипник:
d2 =d1 +2t;
где t –высота буртика принимаемая для полученного d1 2,8 мм, т.е. получаем:
d2 =105+2∙2,8=110мм, округляем до ближайшего значения диаметра внутреннего кольца подшипника, т.е d2 =105мм,
l2 =1,5d2 =1.1∙105=116мм.
г) определяем диаметр и длину вала под шестерню:
d3 =d2 +3,2r,
где r – координата фаски подшипника, для вала диаметром 55мм равна 3мм,
d3 =105+3,2∙3=115мм.
l3 определяем из соотношения
l3 =4a+2b4 +b3 ,
где а=0,003awt +3=0,003∙348+3=4мм
откуда получаем:
l3 =3∙4+2∙100+67=279≈300мм,
Действительный коэффициент запаса прочности n должен быть не менее допускаемого т.е.
n≥[n];
С точки зрения обеспечения прочности вала достаточно принять [n]=1,5-1,7. Коэффициент запаса прочности определяется из равенства:

где nσ – коэффициент запаса прочности по нормальным напряжениям;
nτ – коэффициент запаса прочности по касательным напряжениям .
Указанные коэффициенты определяются по формулам:
![]()
![]()
где σ-1 – предел выносливости для материала вала при симметричном цикле изгиба;
τ-1 – предел выносливости при симметричном цикле кручения; можно принимать: τ-1 ≈0,58 σ-1 ;
kσ , kτ – эффективные коэффициенты концентрации напряжений при изгибе и при кручении;
εσ , ετ – масштабные факторы для нормальных и касательных напряжений;
σv , σт , τv , τт – амплитуда и среднее напряжение цикла соответственно нормальных и касательных напряжений;
ψσ , ψτ – коэффициенты, отражающие соотношения пределов выносливости при симметричном и пульсирующем циклах соответственно изгиба и кручения.
Можно считать, что амплитуда цикла нормальных напряжений равна наибольшему номинальному напряжению изгиба (σи =Ми /W, где Ми – суммарный изгибающий момент) в рассматриваемом сечении
σv = σт
Т.к. вал не испытывает осевой нагрузки, можно считать, что нормальные напряжения, возникающие в поперечном сечении вала, изменяются по симметричному циклу, т.е. σт =0
В данном случае принимают, что напряжения кручения изменяются по пульсирующему циклу; тогда
![]()
где Мк – крутящий момент;
Wk - момент сопротивления кручению.
Определяем величины необходимые для расчета коэффициента запаса прочности по сечению 1-1(рис7.1):
σ-1 =0,43∙590=254 Н/мм2
τ-1 ≈0,58∙254=147 Н/мм2
kσ =1,6, kτ =1,5
εσ = ετ =0,73
ψσ =0,20, ψτ =0,1
Моменты сопротивления рассчитываются по формулам:
м3
м3
В результате получаем:
![]()
![]()
Для определения максимального изгибающего момента строим эпюры изгибающих и крутящих моментов:
1. Вертикальная плоскость
а) определяем опорные реакции, Н:
ΣМ3 =0: Rby ∙l-Fr1 l1 =0 т.е Ray = Ft1 ∙l1 /l;
где Fr1 =2М/d=6081∙2/0,214=56800Н
Rby = 56800∙0,3/0,425=40100Н
ΣМ1 =0: Ray ∙l-Fr1 l2 =0 т.е Ray = Ft1 ∙l2 /l=56800∙0.125/0.425=16700H
Проверка:
ΣУ=0; Ray - Fr1 + Rby =40100-56800+16700=0
б)строим эпюру изгибающих моментов в характерных сечениях:
Мх1 =0; Мх2 = Rby l2 =40100∙0.125=5011 Нм;
Мх2 = Ray l1 =16700∙0.3=5011 Нм
2 Горизонтальная плоскость
а) определяем опорные реакции, Н:
ΣМ3 =0: Rbх ∙l-Fr1 l1 =0 т.е Raх = Ft1 ∙l1 /l;
Rbх = 56800∙0,3/0,425=40100Н
ΣМ1 =0: Raх ∙l-Fr1 l2 =0 т.е Raх = Ft1 ∙l2 /l=56800∙0.125/0.425=16700H
Проверка:
ΣУ=0; Raх - Fr1 + Rbх =40100-56800+16700=0
б)строим эпюру изгибающих моментов в характерных сечениях:
Му1 =0; Му2 = Rbх l2 =40100∙0.125=5011 Нм;
Му2 = Raх l1 =16700∙0.3=5011 Нм; Му3 =0
3. Строим эпюру крутящих моментов:
Мк =Твых =6081Н∙м
4. Определяем суммарные радиальные реакции:
;
.
В результате получаем:
![]()
![]()
5.Определяем суммарные изгибающие моменты в наиболее нагруженном сечении:
![]()
Получаем
![]()
По полученным результатам строим эпюры изгибающих моментов (рис.7.2)
В результате можно определить σи и τm :
σи =5011/1.3∙10-4 =38.5∙106 Н/м2 ;
τm =6081/2.61∙10-4 =23.3∙106 Н/м2
В итоге подставляя в формулы полученные значения получаем значения коэффициентов запаса прочности:
![]()
![]()
Определяем общий коэффициент запаса прочности:
, т,е, получаем что действительный коэффициент
прочности больше чем допускаемый т.е. прочность обеспечена.
8 Проверочный расчет шпонки
Призматические шпонки, применяемые в проектируемых редукторах, проверяют на смятие.
Условие прочности
где Ft – окружная сила на шестерне,
Асм =(0,94h-t1 )lp – площадь смятия, мм2 . Здесь lp =l-b – рабочая длина шпонки со скругленными торцами, мм (l – полная длина шпонки, определяемая конструктивно); b, h, t1 – стандартные размеры шпонки.
[σ]см – допускаемое напряжение на смятие. Принимаем [σ]см =160Н/мм2 .
По ГОСТ 23360 – 78 определяем размеры шпонки:
l=100мм.
b=18мм
h=11мм
t1 =7мм
пределяем напряжение на смятие:
![]()
т.е условии прочности выполнено.
9 Выбор муфт
9.1 Выберем муфту на тихоходном валу редуктора
Поскольку Мкр на тихоходном валу составляет 6081Нм, то целесообразно в данном случае выбрать муфту зубчатую. В соответствии с данным крутящим моментом и диаметром выходного вала 110мм выбираем муфту с крутящим моментом 8000Нм, условное обозначение которой:
Муфта 1-8000-105-1-У2 ГОСТ 5006-94
Прочность муфты проверяют по формуле:
К1 К2 К3 <Мкр /Мраб
где К1 - коэффициент учитывающий степень ответственности механизма, К1 =1;
К2 - коэффициент учитывающий условия работыК2 =1,0
К3 – коэффициент углового смещения К3 =1,0
Мкр – наибольший крутящий момент передаваемый муфтой (8000Нм)
Мраб – наибольший длительно действующий на соединяемых валах крутящий момент (6081Нм)
В итоге получаем:
1,0<1,3
Условие прочности выполнено.
9.2 Выберем муфту на тихоходном валу редуктора
Поскольку Мкр на тихоходном валу составляет 162Нм, то целесообразно в данном случае выбрать муфту МУВП. В соответствии с данным крутящим моментом и диаметром выходного вала 32мм выбираем муфту с крутящим моментом 8000Нм, условное обозначение которой:
Муфта 250-32-1- У2 ГОСТ 21424-93
Прочность муфты проверяют по формуле:
К1 К2 К3 <Мкр /Мраб.
где К1 - коэффициент учитывающий степень ответственности механизма, К1 =1;
К2 - коэффициент учитывающий условия работыК2 =1,0
К3 – коэффициент углового смещения К3 =1,0
Мкр – наибольший крутящий момент передаваемый муфтой (250Нм)
Мраб – наибольший длительно действующий на соединяемых валах крутящий момент (162Нм)
В итоге получаем:
1,0<1,5
Условие прочности выполнено.
10 Выбор подшипников на выходном вал
10.1 Предварительный выбор подшипников качения
Т.к передача является цилиндрической прямозубой то вследствие незначительных осевых нагрузок выбираем радиальные роликовые подшипники с короткими цилиндрическими роликами.
Типоразмер подшипников выбираем по диаметру вала под подшипники.
В данном случае подходит подшипник 12211 ГОСТ28428-90, со следующим основными параметрами:
- размеры (см, рис 10.1)
d=105мм, D=160мм, В=36мм,
- грузоподъёмность:
Cr =468кН,
Сор =310кН,
10.1 Проверочный расчет подшипников
Пригодность подшипников определяется сопоставлением расчетной динамической Сrp , с базовой Cr , или базовой долговечности L10h , с требуемой Lh .
Сrp < Cr ; L10h ≥ Lh
Расчетная динамическая грузоподъёмность и базовая долговечность определяются по формулам:
, Н
,ч
где Re – эквивалентная динамическая нагрузка, Н
ω – угловая скорость соответствующего вала;
m –показатель степень: для роликовых подшипников m=3.33.
Определяем эквивалентную динамическую нагрузку:
Re =VRr Kб Кт ;
где V – коэффициент вращения, при вращающемся внутреннем кольце V=1;
Кб – коэффициент безопасности, Кб =1,7;
Кт – температурный коэффициент, Кт =1;
Rr – суммарная реакция подшипника ( выбираем более нагруженный)
Re =1∙56700∙1.7∙1=96390Н
В результате подставляя полученные данные в формулы получим:
![]()

В итоге получается, что предварительно выбранные подшипники пригодны для конструирования подшипниковых узлов.
11. Определение размеров корпуса редуктора и необходимых конструктивных размеров шестерни выходного вала
11.1 Определение размеров корпуса редуктора
Корпус редуктора служит для размещения и координации деталей передачи, защиты их от загрязнения, организации системы смазки, и также воспринятая сил, возникающих в зацеплении редукторной пары, подшипниках, открытой передачи. Наиболее распостранёный способ изготовления корпусов - литьё из серого чугуна (например СЧ 15).
- толщина стенки корпуса:
![]()
![]()
-конструктивные элементы фланца
В корпусах проектируемых редукторов проектируют 5 фланцев:
1-фундаментный
2 -подшипниковой бобышки
3- соединительный
4- крышки подшипникового узла
5-крышки смотрового люка
Конструктивные элементы фланца определяются в зависимости от диаметра соответствующего крепежного винта (болта), который выбирается в зависимости от главного геометрического параметра редуктора (аw (dв2 )), в данном случае:
-d1 =M16
-d2 =M14
-d3 =M12
-d4 =M12
-d5 =M6
Отсюда определяем такие параметры фланцев, как ширина К, координата отверстии под болт С, диаметр и высота опорной поверхности под болт D0 , b0 , диаметр отверстия под винт d0 . Полученные данные сведём в таблицу.
| d1 | d2 | d3 | d4 | d5 | |
| Ширина, К | 35 | 31 | 26 | 26 | 13 |
Координата оси отверстия под винт, С |
18 | 16 | 13 | 13 | 16 |
Диаметр опорной поверхности под головку винта, D0 |
26 | 24 | 20 | 20 | 11 |
Высота опорной поверхности под головку винта, bc |
21 | 18 | 16 | 16 | 8 |
Диаметр отверстия под винт, d0 |
18 | 16 | 14 | 14 | 7 |
а) Фундаментный фланец основания корпуса.
Предназначен для крепления редуктора к фундаментной раме (плите). Опорная поверхность фланца выполняется в виде двух длинных параллельно расположенных или четырех небольших платиков. Места крепления располагают на возможно большем (но в пределах корпуса) расстоянии друг от друга L1 . Длина опорной поверхности платиков L=L1 +b1 ; ширина b1 =2.4d01 +1.5δ; высота h1 =(2.3...2,4)δ. Проектируемые редукторы кренятся к раме (плите) четырьмя болтами (шпильками), расположенными в нишах корпуса. Размеры ниш высота ниш h01 =(2.0...2,5)d1 при креплении шпильками.
h01 =2,5(d1 +δ) - болтами. Форма ниши (угловая или боковая) определяется размерами, формой корпуса и расположением мест крепления.
В результате получаем:
L1 =920мм
L=920+35=955
b1 =2.4∙18+1.5∙10=58.2мм
h1 =(2.3...2,4)10=24мм
h01 =2,5(16+10)=65мм
б) Фланец подшипниковой бобышки крышки и основания корпуса. Предназначен для соединения крышкии основания разъемных корпусов. Фланец расположен в месте установки стяжных подшипниковых болтов (винтов) на продольных длинных сторонах корпуса.
Подшипниковые стяжные винты ставят ближе к отверстию под подшипник на расстоянии L2 друг от друга так чтобы расстояние между стенками отверстий диаметром d02 и d4 (при установке горновой крышки подшипникового узла было не менее 3...5 мм, при установке врезной крышки это расстояние выдерживается между стенками отверстия диаметром d02 и отверстия диаметром D0 под выступ крышки. Высота фланца h2 определяется графически исходя из условий размещения головки винта на плоской опорной поверхности подшипниковой бобышки. В цилиндрическом горизонтальном редукторе винт расположенный между отверстиями под подшипники, помещают посередине между этими отверстиями. При этом наружные торцы подшипниковых бобышек, расположенные на внешних боковых стенках редуктора, для удобства обработки выполняют в одной плоскости.
в) Соединительный фланец крышки и основания корпуса.
Для соединения крышки корпуса с основанием по всему контуру разъема выполняют соединительный фланец. На коротких боковых сторонах крышки и основания корпуса, не соединенных винтами, фланец расположен внутрь корпуса и его ширина К3 определяется от наружной стенки; на продольных длинных сторонах, соединенных винтами d3 фланец располагается: в крышке корпуса наружу от стенки, в основании - внутрь.
Количество соединительных винтов n3 и расстояние между ними L3 принимают по конструктивным соображениям в зависимости от размеров продольной стороны редуктора и размещения подшипниковых стяжных винтов. При сравнительно небольшой длине продольной стороны можно принять d3 =d2 и h3 = h2 и поставить один-два соединительных вита. При длинных продольных сторонах принимают h3 = 1.5δ=1.5∙10=15мм для болтов. А количество болтов n и расстояние между ними L3 определяют конструктивно.
г) Фланец для крышки подшипникового узла. Отверстие подшипникового узла неразъёмной подшипниковой бобышки закрывается торцовой крышкой на винтах. Параметры присоединительного фланца крышки подшипникового узла
d4 =M12
n4 =8
д) Размеры фланца смотрового люка определяются конструктивно.
11.2 Конструктивные размеры шестерни выходного вала
Определим геометрические параметры шестерни
Диаметр обода dа =218мм
Толщина обода S=2.2m+0.05b2 =2.2∙7+0.05∙100=20.4
Ширина обода b2 =100мм
Внутренний диаметр ступицы d=115мм
Диаметр наружный ступицы dcт =1.3d=1.3∙115=150мм
Длина ступицы lcт =1.2d=1.2∙115=140мм
Толщина диска С=0.5(S+δcт )= 0.5(20.4+17.5)=20мм
Радиусы скруглений R≥6мм
12 Выбор смазки редуктора
Для уменьшения потерь мощности на трение и снижения интенсивности износа трущихся поверхностей, а также для предохранения их от заедания, задиров, коррозии и лучшего отвода теплоты трущиеся поверхности деталей должны иметь надежную смазку.
В настоящее время в машиностроении для смазывания передач широко применяют картерную систему. В корпус редуктора или коробки передач заливают масло так, чтобы венцы колес были в него погружены. При их вращении масло увлекается зубьями, разбрызгивается, попадает на внутренние стенки корпуса, откуда стекает в нижнюю его часть. Внутри корпуса образуется взвесь частиц масла в воздухе, которая покрывает поверхность расположенных внутри корпуса деталей.
Картерную смазку применяют при окружной скорости зубчатых колес и червяков от 0,3 до 12,5 м/с. При более высоких скоростях масло сбрасывается с зубьев центробежной силой и зацепление работает при недостаточной смазке. Кроме того, заметно увеличиваются потери мощности на перемешивание масла, и повышается его температура.
Выбор смазочного материала основан на опыте эксплуатации машин. Принцип назначения сорта масла следующий: чем выше окружная скорость колеса, тем меньше должна быть вязкость масла, чем выше контактные давления в зубьях, тем большей вязкостью должно обладать масло. Поэтому требуемую вязкость масла определяют в зависимости от контактного напряжения и окружной скорости колес. Предварительно определяют окружную скорость, затем по скорости и контактным напряжениям находят требуемую кинематическую вязкость и марку масла.
Т.к. контактные напряжения в зубчатых передачах редуктора состовляют до 659МПа, а окружные скорости зубчатых колес до 4.5м/с то целесообразно выбирать смазку Ц-Г-С-68
Предельно допустимые уровни погружения колес цилиндрического редуктора в масляную ванну
, наименьшую глубину принято считать равной модулю зацепления. Наибольшая допустимая глубина погружения зависит от окружной скорости вращения колеса. Чем медленнее вращается колесо, тем на большую глубину оно может быть погружено.
В соосных редукторах при расположении валов в горизонтальной плоскости в масло погружают колеса быстроходной и тихоходной ступеней. При расположении валов в вертикальной плоскости погружают в масло шестерню и колесо, расположенные в нижней части корпуса. Если глубина погружения колеса окажется чрезмерной, то снижают уровень масла и устанавливают специальное смазочное колесо.
В результате получаем , что редуктор можно заполнить смазкой Ц-Г-С 68, на уровень:
![]()
Выводы
В курсовой работе были рассмотрены принцип действия и конструкция трёхступенчатого редуктора. Были расчитаны: тихоходнапя ступень редуктора в т.ч. зубчатое зацепление и тихоходный вал. Был произведен выбор зубчатой и втулочно- пальцевой муфт, подшипников и шпонки.
СПИСОК ИСПОЛЬЗОВАННОЙ ЛИТЕРАТУРЫ.
1. Шейнблит А.Е. Курсовое проектирование деталей машин. - М: Высшая шк В.И. Анурьев – Справочник конструктора–машиностроителя, т.1. М.: «Машиностроение», 1980.
2. В.И. Анурьев – Справочник конструктора–машиностроителя, т.2. М.: «Машиностроение», 1980.
3. В.И. Анурьев – Справочник конструктора–машиностроителя, т.3. М.: «Машиностроение», 1980.
4. С.А. Чернавский и др. Курсовое проектирование деталей машин. М.: «Машиностроение», 1987.
5. Д.Н. Решетов – Детали машин. Атлас конструкций. М.: «Машиностроение», 1970.
6. М.И. Анфимов – Редукторы. Конструкции и расчет. М.: «Машиностроение», 1972.
Похожие рефераты:
Методические указания по технической механике
Расчет двухступенчатого редуктора
Расчет и проектирование коническо-цилиндрического редуктора
Расчет одноступенчатого цилиндрического редуктора в приводе к мешалке
Проектирование электродвигателя
Размерный анализ сборочной единицы (тихоходного вала редуктора)
Привод ленточного транспортера
Проектирование привода цепного конвейера