| Похожие рефераты | Скачать .docx |
Курсовая работа: Проектирование механической системы промышленного робота манипулятора
Факультет экономики и управления в машиностроении.
Кафедра инженерных наук и технологий.
Курсовая работа.
Тема: Проектирование механической системы промышленного робота манипулятора
Санкт - Петербург
2007 год.
Содержание
Введение
1) Часть №1: Проектный расчет вала редуктора
2) Часть №2: Конструирование вала
3) Часть №3: Приложения
Приложение №1
Приложение №2
Приложение №3
Приложение №4
Список литературы
Введение
Редуктором называют механизм, состоящий из зубчатых или червячных передач, выполненный в виде отдельного агрегата, и служащий для передачи вращения от вала двигателя к валу рабочей машины. Кинематическая схема привода может включать, помимо редуктора, открытые зубчатые передачи, цепные или ременные передачи.
Назначение редуктора - понижение угловой скорости и соответствен но повышение вращающего момента ведомого вала по сравнению с ведущим. Механизмы для повышения угловой скорости, выполненные в виде отдельных агрегатов, называют ускорителями или мультипликаторами. Редуктор проектируют либо для привода определенной машины, либо по заданной нагрузке и передаточному числу без указания конкретного назначения.
Редукторы классифицируют по следующим признакам: типу передачи, (зубчатые, червячные или зубчато-червячные), числу ступеней (одноступенчатые, двухступенчатые), типу зубчатых колес (цилиндрические, конические, коническо-цилиндрические), относительному расположению валов редуктора в пространстве (горизонтальные, вертикальные), особенностями кинематической схемы (развернутая, соосная, с раздвоенной ступенью).
Возможности получения больших передаточных чисел при малых габаритах обеспечивают планетарные и волновые редукторы.
Сборку редуктора производят в соответствии со сборочным чертежом редуктора, начиная с узлов валов: на ведущий вал насаживают шпонку и напрессовывают зубчатое колесо до упора в бурт вала; затем надевают удерживающие кольца и устанавливают шарикоподшипники, предварительно нагретые в масле.
Собранные валы укладывают в основание корпуса редуктора и надевают крышку корпуса, покрывая предварительно поверхности стыка крышки и корпуса спиртовым лаком. Для центровки устанавливают крышку на корпус с помощью двух конических штифтоф; затягивают болты, крепящие крышку корпуса.
Таким образом мы видим, что одной из важнейших составляющих редуктора является вал. В этой курсовой работе нам как раз предстоит спроектировать и сконструировать вал редуктора.
Предварительная конструктивная проработка вала и подшипниковых узлов выполняется на стадии эскизного проекта редуктора. Окончательное конструктивное исполнение этих узлов определяется по результатам расчета вала и подшипников по критериям их работоспособности. При известных нагрузках на вал эти расчеты можно произвести, составив расчетную схему вала.
Рассчитаем необходимый нам вал в соответствии с требованиями, изложенными в задании к курсовой работе.
Часть №1: Проектный расчет вала редуктора
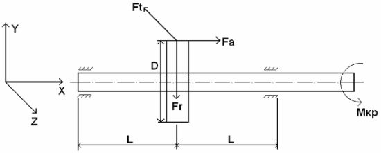
Ft = 2200 H Ft – окружная сила
Fa = 770 H Fa – осевая сила
Fr = 836 H Fr – радиальное усилие
l = 0,16 м
D = 0,11 м
I . Силу Fa и Ft переносим к центру тяжести вала


Момент Ма вызывает изгиб в вертикальной плоскости XOY.
Сила Fa вызывает растяжение, и в расчетах мы ее учитывать не будем.

Момент Mt вызывает кручение вала относительно оси OX.
II . Изобразим пространственную схему вала
Схема представляет собой балку, лежащую на двух опорах.

Внешние силы лежат в двух взаимно перпендикулярных плоскостях, поэтому составляющие реакции определим в тех же плоскостях, а затем подсчитаем результирующие реакции.
А) Чертим расчетную схему в вертикальной плоскости XOY и определяем составляющие реакции.

Ray → ∑ M в = 0
– Ray ∙ 2 l + Fr ∙ l – Ma =0


R ву → ∑M а = 0
R в y ∙ 2l – Fr ∙ l – Ma =0


Проверка: ∑ Y = 0
Ray – Fr + R ву = 0
285,66 H – 836 H + 550,34 H = 0 H =>Решение верно!
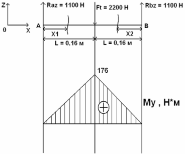
Б) Чертим схему вала в горизонтальной плоскости XOZ и определим составляющие реакции в этой плоскости.

![]()
– Raz ∙2l + Ft ∙l = 0
R в z → ∑M а = 0
R в z ∙2l – Ft ∙l = 0
Проверка: ∑ Z = 0
Raz – Ft + R в z = 0
1100 H – 2200 H + 1100 H = 0 H =>Решение верно!
В) Определим суммарную радиальную реакцию в опорах.

![]()
III . Строим эпюру изгибающих моментов
А) В вертикальной плоскости XOY.
1-й участок 0 ≤ X1 ≤ 0,16 м
Mz = Ray ∙ X 1
При X 1 = 0 м Mz 1 = 0 H ∙м
При X 1 = 0,16 м Mz 1 = 45,71 H ∙м
2-й участок 0 ≤ X2 ≤ 0,16 м
Mz = R в y ∙ X 2
При X 2 = 0 м Mz 2 = 0 H ∙м
При X 2 = 0,16 м Mz 2 = 88,06 H ∙м
Б) В горизонтальной плоскости XOZ.
1-й участок 0 ≤ X1 ≤ 0,16 м
My = Raz ∙ X 1
При X 1 = 0 м My 1 = 0 H ∙м
При X 1 = 0,16 м My 1 = 176 H ∙м
2-й участок 0 ≤ X2 ≤ 0,16 м
My = R в z ∙ X 2
При X 2 = 0 м My 2 = 0 H ∙м
При X 2 = 0,16 м My 2 = 176 H ∙м
A )
Б)
IV . Определение суммарных изгибающих моментов в сечении С
- Слева:
![]()
- Справа:
![]()

V . Строим эпюру Мкр . Мкр = -121 Н*м
VI. Используя III и IV теории прочности, определяем эквивалентные (приведенные) моменты характерных сечений
![]()
![]()
VII. Определим опасное сечение и выпишем величину моментов в этом сечении
Опасное сечение в точке С.
Мизг = 196,8 Н ∙м
Мкр = 121 Н ∙м
VIII. Вычисляем диаметр вала d
[σ] = 70 МПа
σmax
=
≤ [σ]




28 мм округляем до 30 мм.
Из таблицы нормальных линейных размеров выбираем d = 30 мм.
Ориентировочное значение диаметра вала редуктора определено из полного проектного расчета вала на статическую прочность с учетом работы вала на изгиб и кручение. d = 30 мм принимаем в качестве выходного диаметра вала.
Часть №2: Конструирование вала
При конструировании вала необходимо выполнять следующие основные требования:
Конструкция вала должна обеспечивать его легкое изготовление.
Необходимо обеспечить простоту сборки и разборки деталей, сидящих на валу. Необходимо помнить, что многие элементы и размеры являются стандартными и по возможности должны быть выбраны из ряда нормальных линейных размеров ГОСТ 6636-69 (Приложение 1).
I. Подбор подшипника для вала
В качестве опор валов используют подшипники – устройства, предназначенные для направления относительного движения вала, а так же для передачи нагрузок на корпус машины.
В современном машиностроении подшипники качения являются основными видами опор валов. Подшипники качения представляют собой наружные и внутренние кольца, с расположенными между ними телами качения (шарики и ролики).
Для предотвращения соприкосновения тел качения их отделяют друг от друга сепаратором.
Самый распространенный в машиностроении подшипник – шариковый радиальный однорядный подшипник ГОСТ 8338 – 78 (Приложение 2).
Диаметр вала под подшипник качения применяется на 5 - 8 мм больше чем d вала .
d вала под подшипник = 30 мм + 5 мм = 35 мм
d вала под подшипник должен заканчиваться на 0 или 5 и должен быть целым числом.
По ГОСТ 8338-78 выбираем подшипник №207:
d = 35 мм
D = 72 мм
B = 17 мм
r = 2 мм
II. Определение d вала под колесо
d вала под колесо = d подшип +3 r = 35 мм + 2 мм ∙3 = 41 мм
r – радиус фаски, применяемый при выборе подшипника.
Полученное значение округляем до ближайшего стандартного нормального значения.
d вала под колесо = 42 мм
D колеса ≥ d вала под колесо
(110 мм ≥ 42 мм + 9 мм) => колесо надевается на вал и изготовляется отдельно.
III. Определение диаметра буртика вала
Буртик – участок вала (утолщение), который служит для ограничений перемещений колеса вдоль оси вала.
d буртика ≥ d вала под колесо + 8мм => d буртика ≥ 50мм.
Полученное значение округляем до ближайшего стандартного нормального значения. => d буртика = 50мм.
IV. Подбор шпонки
Для передачи крутящего момента от вала до ступицы колеса и фиксации детали на валу используется шпоночное соединение. Основная деталь соединения – шпонка, устанавливается в паз вала и соединяемой детали.
Размеры шпонок стандартизованы. Наиболее часто применяемые шпонки – призматические шпонки ГОСТ 22360-78 (Приложение №3). Размеры стандартной призматической шпонки (в, h, l) выбирают в зависимости от диаметра вала под колесо и длины ступицы под колесо.
l ступицы = (0,8мм…1,5мм) от диаметра вала под колесо
l шпонки = l ступицы – (5мм…10мм)
в = 12мм
h = 8 мм
t 1 = 5мм (паз вала)
l ступицы = 0,8 ∙ d вала под колесо = 0,8 ∙ 42мм = 33,6мм ≈ 34мм
l шпонки = 34мм ∙ (5мм…10мм)= от 24мм до 29мм
Выбираем l шпонки =28мм
l шпонки рабочая = l шпонки – в = 28мм – 12мм = 16мм
При действии на вал крутящего момента на шпонку действует напряжение смятия. После выбора размеров шпонки необходим проверочный расчет шпоночного соединения на прочность по напряжению смятия (сжатие в зоне контакта).


![]()

![]()
σ смятия ≤ [σ ]
[σ ] = (110 Мпа … 190 МПа )
120,04МПа ≤ 190МПа => Условия прочности на смятие шпонки выполняются.
V . Определение длины концевого участка вала
d = 30мм (из первой части расчета).
В соответствии с ГОСТ 12080 – 66 выбираем d = 30мм, l = 80 мм.
I . Приложение №1
Нормальные линейные размеры, мм (ГОСТ 6636-69)
| 3,2 |
5,6 |
10 |
18 |
32 |
56 |
100 |
180 |
320 |
560 |
| 3,4 |
6,0 |
10,5 |
19 |
34/35 |
60/62 |
105 |
190 |
190 |
600 |
| 3,6 |
6,3 |
11 |
20 |
36 |
63/65 |
110 |
200 |
360 |
630 |
| 3,8 |
6,7 |
11,5 |
21 |
38 |
67/70 |
120 |
210 |
380 |
670 |
| 4,0 |
7,1 |
12 |
22 |
40 |
71/72 |
125 |
220 |
400 |
710 |
| 4,2 |
7,5 |
13 |
24 |
42 |
75 |
130 |
240 |
420 |
750 |
| 4,5 |
8,0 |
14 |
25 |
45/47 |
80 |
140 |
250 |
450 |
800 |
| 4,8 |
8,5 |
15 |
26 |
48 |
85 |
150 |
260 |
480 |
850 |
| 5,0 |
9,0 |
16 |
28 |
50/52 |
90 |
160 |
280 |
500 |
900 |
| 5,3 |
9,5 |
17 |
30 |
53/55 |
95 |
170 |
300 |
530 |
950 |
II . Приложение №2
Шариковые радиальные однорядные подшипники (ГОСТ 8338 – 75) Размеры, мм
| Обозначение подшипников |
d |
D |
В |
r |
Шарики |
Масса, кг |
С , кН |
С0 , кН |
n пред ××10-3 , мин‑1 |
|||||||||
| Dw |
z |
|||||||||||||||||
| Легкая серия диаметров 2, узкая серия ширин 0 |
||||||||||||||||||
| 205 |
25 |
52 |
15 |
1,5 |
7,94 |
9 |
0,12 |
14,0 |
6,95 |
12,0 |
||||||||
| 206 |
30 |
62 |
16 |
1,5 |
9,53 |
9 |
0,20 |
19,5 |
10,0 |
10,0 |
||||||||
| 207 |
35 |
72 |
17 |
2,0 |
11,11 |
9 |
0,29 |
25,5 |
13,7 |
9,0 |
||||||||
| 208 |
40 |
80 |
18 |
2,0 |
12,7 |
9 |
0,36 |
32,0 |
17,8 |
8,0 |
||||||||
| 209 |
45 |
85 |
19 |
2,0 |
12,7 |
9 |
0,41 |
33,2 |
18,6 |
7,5 |
||||||||
| 210 |
50 |
90 |
20 |
2,0 |
12,7 |
10 |
0,47 |
35,1 |
19,8 |
7,0 |
||||||||
| 211 |
55 |
100 |
21 |
2,5 |
14,29 |
10 |
0,60 |
43,6 |
25,0 |
6,5 |
||||||||
| 212 |
60 |
110 |
22 |
2,5 |
15,88 |
10 |
0,80 |
52,0 |
31,0 |
6,0 |
||||||||
| 213 |
65 |
120 |
23 |
2,5 |
16,67 |
10 |
0,98 |
56,0 |
34,0 |
5,5 |
||||||||
| 214 |
70 |
125 |
24 |
2,5 |
17,46 |
10 |
1,08 |
61,8 |
37,5 |
5,0 |
||||||||
| 215 |
75 |
130 |
25 |
2,5 |
17,46 |
11 |
1,18 |
66,3 |
41,0 |
4,8 |
||||||||
| 216 |
80 |
140 |
26 |
3,0 |
19,05 |
10 |
1,40 |
70,2 |
45,0 |
4,5 |
||||||||
| 217 |
85 |
150 |
28 |
3,0 |
19,84 |
11 |
1,80 |
83,2 |
53,0 |
4,3 |
||||||||
| 218 |
90 |
160 |
30 |
3,0 |
22,23 |
10 |
2,2 |
95,6 |
62,0 |
3,8 |
||||||||
| 220 |
100 |
180 |
34 |
3,5 |
25,4 |
10 |
3,2 |
124,0 |
79,0 |
3,4 |
||||||||
| Средняя серия диаметров 3, узкая серия ширин 0 |
||||||||||||||||||
| 304 |
20 |
52 |
15 |
2,0 |
9,53 |
7 |
0,14 |
15,9 |
7,8 |
13 |
||||||||
| 305 |
25 |
62 |
17 |
2,0 |
11,51 |
7 |
0,23 |
22,5 |
11,4 |
11 |
||||||||
| 306 |
30 |
72 |
19 |
2,0 |
12,3 |
8 |
0,34 |
28,1 |
14,6 |
9 |
||||||||
| 307 |
35 |
80 |
21 |
2,5 |
14,29 |
7 |
0,44 |
33,2 |
18,0 |
8,5 |
||||||||
| 308 |
40 |
90 |
23 |
2,5 |
15,08 |
8 |
0,63 |
41,0 |
22,4 |
7,5 |
||||||||
| 309 |
45 |
100 |
25 |
2,5 |
17,46 |
8 |
0,83 |
52,7 |
30,0 |
6,7 |
||||||||
| 310 |
50 |
110 |
27 |
3,0 |
19,05 |
8 |
1,08 |
61,8 |
36,0 |
6,3 |
||||||||
| 311 |
55 |
120 |
29 |
3,0 |
20,64 |
8 |
1,35 |
71,5 |
41,5 |
5,6 |
||||||||
| 312 |
60 |
130 |
31 |
3,5 |
22,23 |
8 |
1,70 |
81,9 |
48,0 |
5,0 |
||||||||
| 313 |
65 |
140 |
33 |
3,5 |
23,81 |
8 |
2,11 |
92,3 |
56,0 |
4,8 |
||||||||
| 314 |
70 |
150 |
35 |
3,5 |
25,4 |
8 |
2,60 |
104,0 |
63,0 |
4,5 |
||||||||
| 315 |
75 |
160 |
37 |
3,5 |
26,99 |
8 |
3,10 |
112,0 |
72,5 |
4,3 |
||||||||
| 316 |
80 |
170 |
39 |
3,5 |
28,58 |
8 |
3,60 |
124,0 |
80,0 |
3,8 |
||||||||
| 317 |
85 |
180 |
41 |
4,0 |
30,16 |
8 |
4,30 |
133,0 |
90,0 |
3,6 |
||||||||
| 318 |
90 |
190 |
43 |
4,0 |
31,75 |
8 |
5,10 |
143,0 |
99,0 |
3,4 |
||||||||
| 320 |
100 |
215 |
47 |
4,0 |
36,51 |
8 |
7,00 |
174,0 |
132,0 |
3,0 |
||||||||
| Тяжелая серия диаметров 4, узкая серия ширин 0 |
||||||||||||||||||
| 403 |
17 |
62 |
17 |
2,0 |
12,7 |
6 |
0,27 |
22,9 |
11,8 |
12 |
||||||||
| 405 |
25 |
80 |
21 |
2,5 |
16,67 |
6 |
0,5 |
36,4 |
20,4 |
9 |
||||||||
| 406 |
30 |
90 |
23 |
2,5 |
19,05 |
6 |
0,72 |
47,0 |
26,7 |
8,5 |
||||||||
| 407 |
35 |
100 |
25 |
2,5 |
20,64 |
6 |
0,93 |
55,3 |
31,0 |
7,0 |
||||||||
| 408 |
40 |
110 |
27 |
3,0 |
22,23 |
6 |
1,20 |
63,7 |
36,5 |
6,7 |
||||||||
| 409 |
45 |
120 |
29 |
3,0 |
23,02 |
7 |
1,52 |
76,1 |
45,5 |
6,0 |
||||||||
| 410 |
50 |
130 |
31 |
3,5 |
25,4 |
7 |
1,91 |
87,1 |
52,0 |
5,3 |
||||||||
| 411 |
55 |
140 |
33 |
3,5 |
26,99 |
7 |
2,3 |
100,0 |
63,0 |
5,0 |
||||||||
| 412 |
60 |
150 |
35 |
3,5 |
28,58 |
7 |
2,8 |
108,0 |
70,0 |
4,8 |
||||||||
| 413 |
65 |
160 |
37 |
3,5 |
30,16 |
7 |
3,4 |
119,0 |
78,0 |
4,5 |
||||||||
| 414 |
70 |
180 |
42 |
4,0 |
34,93 |
7 |
5,3 |
143,0 |
105,0 |
3,8 |
||||||||
| 416 |
80 |
200 |
48 |
4,0 |
38,1 |
7 |
7,0 |
163,0 |
125,0 |
3,4 |
||||||||
| 417 |
85 |
210 |
52 |
5,0 |
39,69 |
7 |
8,0 |
174,0 |
135,0 |
3,2 |
||||||||
| 418 |
90 |
225 |
54 |
5,0 |
- |
- |
11,4 |
186,0 |
146,0 |
- |
||||||||
Пример обозначения шарикового радиального подшипника легкой серии с d =50 мм, D = 80 мм, 5=16 мм: Подшипник 210 ГОСТ 8338-75
III . Приложение №3
Призматические шпонки (ГОСТ 22360 – 78)
Размеры шпоночных пазов.

IV . Приложение №4
Концы валов цилиндрические (ГОСТ 12080 – 66).
Цилиндрические концы валов предусматриваются в двух исполнениях:
1 – длинные, 2 – короткие.

Список литературы
1. С.А. Чернавский «Курсовое проектирование деталей машин». М.: «Машиностроение» 1987 г.
2. С.А. Чернавский «Проектирование механических передач». М.: «Машиностроение» 1984 г.
3. Дунаев П.Ф. Леликов О.П. . «Курсовое проектирование детали машин». Высшая школа 1990 год.
4. Иванов В.Н. «Детали машин». Высшая школа 1991 год.
5. Федоренко В.А., Шошин А.И. «Справочник по машиностроительному черчению». Л.: Машиностроение, 1988 г.- 446с
6. Акушина А.И. «Техническая механика: теоретическая механика и сопротивление материалов». М.; Высшая школа, 2003.- 352с
7. Ицкович Г.М. «Сопротивление материалов». М.; Высшая школа, 2001.- 256с
Похожие рефераты:
Расчет двухступенчатого редуктора
Проектирование привода цепного конвейера
Энергетический и кинематический расчет привода
Основы проектирования и конструирования
Разработка и конструирование редуктора
Реконструкция горизонтально-расточного станка повышенной жесткости
Совершенствование технологического процесса изготовления фрез
Определение положений, скоростей и ускорений звеньев механизма методом планов
Проектирование привода технологического оборудования
Структура и принцип работы механизма
Привод с цилиндрическим одноступенчатым вертикальным косозубым редуктором