| Похожие рефераты | Скачать .docx |
Дипломная работа: Конструкция поршневого насоса УНБ-600
Содержание
Введение
Раздел 1
1.1 Классификация поршневых насосов
1.2 Устройство поршневых насосов и принцип их действия
1.3 Преимущества и недостатки поршневых насосов
Раздел 2
2.1 Общие сведения
2.2 Технические данные УНБ-600
2.3 Конструкция УНБ-600
2.3.1 Гидравлическая часть насоса УНБ-600
2.3.2 Приводная часть насоса УНБ-600
Раздел 3
3.1 Расчет высоты подъема клапана при различных углах поворота кривошипа
Раздел 4
4.1 Эксплуатация поршневых насосов
4.1.1 Подготовка к пуску
4.1.2 Пуск насоса
4.1.3 Остановка насоса
4.1.4Уход за работающим насосом
4.2 Техника безопасности при эксплуатации поршневых насосов
4.2.1 Общие положения
4.2.2 Техника безопасности
4.3 Влияние внедрения разработки на окружающую среду
Список использованной литературы
Введение
Благодаря простоте и надежности работы поршневые насосы нашли широкое применение в нефтяной, газовой и нефтехимической отраслях промышленности, все основные технологические процессы которых связаны с перекачкой по трубопроводам различных жидкостей — нефтей, нефтепродуктов, сжиженных газов, воды, глинистых растворов, химических реагентов и др.
В бурении нефтяных и газовых скважин поршневые насосы нашли исключительное применение. Они используются для создания циркуляции глинистого раствора или воды в скважине.
В добыче нефти поршневые (плунжерные) насосы используются главным образом для извлечения нефти из скважины, перекачки воды и высоковязкой нефти по трубопроводам, гидравлического разрыва пластов, нагнетания воды в пласт.
Поскольку в нефтяной промышленности нет ни одного участка, где не использовались бы насосы, дальнейшее улучшение их технико-экономических показателей остается основной проблемой нефтяной промышленности. Сохранение при работе высокого коэффициента полезного действия или полное использование установленной мощности рассматриваемых гидравлических машин является одной из важнейших задач обслуживающего персонала. Она может быть выполнена только при хорошем знании теории и правил эксплуатации насосов.
Цель проекта:
решить поставленные задачи и полностью раскрыть тему проекта.
Основные задачи проекта:
-дать общую характеристику поршневых насосов
-привести подробное описание конструкции, устройство основных узлов и агрегатов на примере одного насоса
-описать принцип действия
-провести инженерный расчет насоса
-подготовить графический материал
Раздел 1.
1.1 Классификация поршневых насосов
Поршневые насосы служат для преобразования механической энергии двигателя в механическую энергию перекачиваемой жидкости. Они сообщают жидкости, проходящей через них, энергию, необходимую для преодоления сил сопротивлений, возникающих в самом насосе, по длине трубопровода, в местах изменения сечения потока и направления движения жидкости, а также для преодоления силы инерции и статической высоты, на которую требуется поднять жидкость.
Поршневые насосы можно классифицировать следующим образом.
1. По способу приведения в действие:
а) приводные, в которых поршень приводится в движение шатунно-кривошипным механизмом от отдельно расположенного двигателя, присоединенного к насосу при помощи той или иной передачи;
б) прямого действия, в которых поршень насоса получает возвратно-поступательное движение при помощи штока непосредственно от поршня бескривошипной паровой машины, составляющей вместе с насосом один общий агрегат;
в) ручные.
2. По роду органа, вытесняющего жидкость:
а) поршневые, поршень которых имеет форму диска;
б) плунжерные, поршень которых исполнен в виде длинного цилиндра;
в) диафрагмовые, в которых перекачиваемая жидкость отделена от плунжера или поршня диафрагмой, а цилиндр заполнен рабочей жидкостью — маслом или эмульсией (рис. 1.3, б). Эти насосы предназначены для перекачивания жидкостей, содержащих твердые частицы.
3. По способу действия:
а) одинарного действия (рис. 1.2);
б) двойного действия (рис. 1.3, а);
в) дифференциальные (рис. 1.1);
![]() |
| Рис 1.1 Дифференциалный насос |
4. По расположению цилиндра:
а) горизонтальные;
б) вертикальные.
5. По числу цилиндров:
а) одноцилиндровые;
б) двухцилиндровые;
в) трехцилиндровые;
г) многоцилиндровые.
6. По роду перекачиваемой жидкости:
а) обыкновенные (для перекачки холодной воды);
б) горячие (для горячих жидкостей);
в) кислотные;
г) буровые (для перекачки глинистых растворов) и др.
7. По быстроходности рабочего органа:
а) тихоходные, с числом двойных ходов поршня (плунжера) в минуту 40 - 80;
б) средней быстроходности, скорость вращения коренного вала которых составляет 80 - 50 об/мин;
в) быстроходные, с числом двойных ходов поршня в минуту 150 - 350.
Помимо этого насосы по величине подачи делятся на малые (диаметр поршня D ≤ 50 мм), средний (D = 50 ÷150 мм) и большие (D > 150 мм).
По величине развиваемого давления различают насосы малого, среднего и высокого давлений.
1.2 Устройство поршневых насосов и принцип их действия
![]() |
![]() |
|
| Рис 1.2 Схема поршневого насоса одинарного действия | Рис 1.3 Схемы гидравлической части насосов. а - одноцилиндровый поршневой насос двойного действия; б - плунжерный диафрагменный насос одинарного действия. |
|
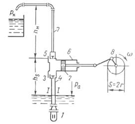
На рис. 1.2 представлена схема горизонтального поршневого насоса одинарного действия. Он состоит из цилиндра 6, поршня 2 плотно пригнанного к стенкам цилиндра и движущегося возвратно-поступательно, и двух регулирующих клапанов — всасывающего 3 и нагнетательного 5. Снизу к корпусу присоединен всасывающий трубопровод 4 с приемной сеткой 1, предохраняющей насос от попадания в него посторонних предметов.
При повороте кривошипа 8 по стрелке со от 0° до 180° поршень 2 перемещается в сторону увеличения объема цилиндра и образует разреженное пространство. Всасывающий клапан 3 открывается и жидкость по всасывающей трубе 4, под действием атмосферного давления, устремляется из бассейна в цилиндр насоса. При обратном ходе поршня из правого крайнего положения влево, что соответствует повороту кривошипа от 180° до 360°, всасывающий клапан закрывается, а нагнетательный клапан 5 открывается и жидкость выталкивается в нагнетательный трубопровод 7.
Действие поршневого насоса за один оборот коренного вала можно расчленить на его составляющие: процесс всасывания, при котором происходит подъем жидкости из нижнего резервуара в цилиндр насоса, и процесс нагнетания, при котором жидкость вытесняется из цилиндра с энергией, достаточной для преодоления всех видов сопротивлений на напорной стороне насоса.
В насосах двойного действия обе стороны поршня являются рабочими. Цилиндры таких насосов имеют четыре клапана (см. рис. 1.3, а). При ходе поршня влево всасывающий 1 и нагнетательный 2 клапаны открыты. Через клапан 1 происходит всасывание, а через клапан 2 — вытеснение жидкости в нагнетательный трубопровод. В это время клапаны 3 и 4 закрыты. При обратном ходе поршня через клапан 3 жидкость поступает в цилиндр, а через клапан 4 производится подача жидкости в нагнетательный трубопровод. В рассматриваемых насосах всасывание и нагнетание жидкости происходит при каждом ходе поршня.
Трехцилиндровый насос одинарного действия составляет агрегат из трех соединенных вместе насосов одинарного действия. Поршни трехцилиндровых насосов одинарного действия получают движение от кривошипов, установленных под углом 120°. Данные насосы имеют общую всасывающую и нагнетательную линии.
Двухцилиндровые насосы двойного действия составляются из двух одноцилиндровых насосов двойного действия, включенных в общую всасывающую и нагнетательную линии.
В диафрагменном насосе, схема гидравлической части которого представлена на рис. 1.3, б, всасывание и нагнетание осуществляется изменением формы диафрагмы. Он представляет собой обычный насос одинарного действия, в котором перекачиваемая абразивная жидкость 1 отделена гибкой диафрагмой 2 (прорезиненная нейлоновая ткань) от рабочей жидкости 3.
1.3 Преимущества и недостатки поршневых насосов
Поршневые насосы применимы для перекачивания только чистых жидкостей, это объясняется наличием клапанов в конструкции поршневого насоса. Наличие примесей в перекачиваемой жидкости может привести к выходу из строя клапанов насоса. При возвратно-поступательном движении возникают большие силы инерции, поэтому средняя скорость движения поршня ограничивается значениями 0,5-1 м/с. Поршневые насосы обеспечивают прерывистую подачу жидкости. Имеют большие габариты по сравнению с центробежными, это объясняется сложностью их конструкции, при этом поршневые насосы способны обеспечивать большие напоры. Их подача не зависит от напора, что позволяет применять их в качестве насосов дозаторов. КПД поршневых насосов выше чем у центробежных.
Итак, к преимуществам поршневых насосов можно отнести
- независимость подачи от напора
- высокий КПД
- тихоходность
К недостаткам
- высокая стоимость
- сложность конструкции
- сложность регулирования подачи
- чувствительность к механическим примесям
- прерывистая подача рабочей жидкости
Раздел 2
2.1 Общие сведения
Буровые поршневые насосы применяются для промывки при бурении структурно-поисковых, нефтяных и газовых скважин. Буровые насосы подают промывочный раствор через колонну бурильных труб к забою скважины для выноса разрушенной долотом породы. В случае турбинного бурения, кроме очистки забоя, движущийся промывочный раствор передает энергию турбобуру, вращая долото.
Наиболее широко в бурении применяются двухцилиндровые поршневые насосы двойного действия. Однако все возрастающее использование находят трехцилиндровые поршневые насосы.
Буровые поршневые насосы по сравнению с поршневыми насосами, работающими на определенных режимах и перекачивающими ньютоновские жидкости с конкретными физико-механическими свойствами (вода, масло и т. п.), находятся в более тяжелых условиях.
С увеличением глубины скважины давление в напорном трубопроводе насоса увеличивается. Буровым насосом приходится перекачивать вязко-пластичные жидкости - глинистые растворы с плотностью от 1 до 2,2 г/см3 , текучие и нетекучие и с различной степенью газонасыщенности.
Знание степени влияния перечисленных факторов на гидравлические показатели буровых поршневых насосов важно как с научной, так и с практической точек зрения.
В настоящее время в числе важнейших научно-технических тем в области нефтяной промышленности предусматривается разработка вопросов технологии проводки скважин на глубину 7 - 10 тыс. м. Известно, что с увеличением глубины бурящейся скважины растет давление на выкиде насоса. В связи с этим создаются буровые поршневые насосы, способные развивать высокие давления.
Рассмотрим подробно конструкцию поршневого насоса на примере поршневого бурового насоса УНБ-600 (У8-6М).
Общий вид насоса

Рис 2.1 Общий вид насоса УНБ-600 (1)
1 – станина; 2 – вал трансмиссионный; 3 – кривошипно-шатунный механизм; 4 – система смазки штоков

Рис 2.2 Общий вид насоса УНБ-600 (2)
1 – пневмокомпенсатор; 2 – клапан предохранительный; 3 – блок гидравлический; 4 – рама; 5 - подогреватель
2.2 Технические данные УНБ-600
| Ход поршня, мм | 400 |
| Диаметр поршня, мм | 170 |
| Максимальное число двойных ходов в минуту | 66 |
| Давление на выкиде, МН/м² | 13,9 |
| Теоретическая подача, дм³/с | 35,5 |
| Мощность приводная, кВт | 585 |
| Мощность гидравлическая, кВт | 497 |
| Масса, кг | 27020 со шкивом |
| Масса на единицу приводной мощности, кг/кВт | 46 |
| Диаметр всасывающего отверстия, мм | 275 |
| Диаметр нагнетательного отверстия, мм | 109 |
| Число цилиндров | 2 |
| Тип поршня | Дисковый гуммированный |
| Клапаны | Тарельчатые конические |
| Число клапанов | 8 |
| Диаметр проходного отверстия седла клапана, мм | 145 |
| Диаметр штока, мм | 80 |
| Тип передачи от приводного вала | Зубчатая с косым зубом (φ = 9°22´) |
| Передаточное число зубчатой передачи | 4,92 |
| Расчетный диаметр приводного шкива, мм | 1400 |
| Число клиновых приводных ремней типа Д | 18 |
| Скорость вращения приводного вала, об/мин | 325 |
| Габариты, мм: | |
| - длина | 5000 |
| - ширина | 2770 |
| - высота | 3235 |
2.3 Конструкция УНБ-600
Буровой насос УНБ-600 горизонтальный, поршневой, двухцилиндровый, двойного действия, состоит из гидравлической и приводной части, смонтированных на общей раме.
2.3.1 Гидравлическая часть насоса УНБ-600
Гидравлическая часть насоса УНБ-600 состоит из следующих основных узлов: двух литых стальных гидравлических коробок, соединенных между собой снизу приемной коробкой, а сверху корпусом блока пневмокомпенсаторов.
На приемной коробке установлен всасывающий воздушный колпак. Приемная коробка насоса соединяет всасывающую трубу со всасывающими клапанами (рис. 2.3, 2.4 и 2.5 ).

Рис. 2.3 Клапан насоса УНБ-600 в сборе:
1 - втулка; 2 – пружина; 3 – тарелка клапана; 4 – седло в сборе

Рис 2.4 Седло насоса УНБ-600 в сборе:
1 – уплотнение клапана; 2 – кольцо пружинное; 3 – кольцо; 4 – кольцо наружное; 5 – седло; 6 – направляющая; 7 – втулка

Рис 2.5 Тарелка клапана насоса УНБ-600
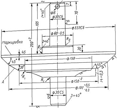
Внутри гидравлических коробок устанавливаются сменные цилиндрические втулки (рис. 2.6, 2.7), внутренний диаметр которых выбирается в зависимости от требуемого давления и подачи насоса. Наружные размеры всех втулок одинаковы. С целью повышения сроков службы втулок внутренняя поверхность их подвергается термической обработке. Уплотнение цилиндровых втулок насоса УНБ-600 (рис. 2.6) производится путем установки между буртиком цилиндровой втулки 1 и стаканом 4 двух комбинированных уплотнений 2, разделенных стальным кольцом 3. Кольцо имеет по наружному и внутреннему диаметрам проточки с отверстиями. В случае износа уплотнения через специальное отверстие А в гидравлической коробке раствор должен вытекать наружу, что и явится сигналом о неисправности уплотнения цилиндровой втулки.
Закрепление цилиндровых втулок производится с помощью стакана 5 и крышки 7 подтягиванием гаек 8 .

Рис 2.6 Уплотнение цилиндровых втулок насоса УНБ-600
Цилиндровая крышка 7 уплотняется при помощи самоуплотняющихся манжет 6 и 9. Подтяжка уплотнения 2 цилиндровой втулки производится с помощью болта 10.

Рис 2.7 Цилиндровая втулка насоса УНБ-600
В цилиндровых втулках перемещаются поршни (рис. 2.8). Поршень 13 (см. рис. 2.6) состоит из сердечника с конической расточкой и привулканизированных к нему двух резиновых манжет. Поршень насажен на конический хвостовик штока 14 и крепится к нему с помощью гайки 12 и контргайки 11.

Рис 2.8 Поршень П 170-7 (ГОСТ 11267-65) насоса УНБ-600
1 – сердечник; 2 – уплотнение
Шток (рис. 2.9) соединен с надставкой штока (рис. 2.10), резьбовый конец которого ввернут в корпус ползуна. При вращении эксцентрикового вала насоса УНБ-600 через шатуны, ползуны и штоки поршни получают возвратно-поступательное движение.
Для увеличения износостойкости штоков их рабочая поверхность закаливается на высокую твердость.

Рис 2.9 Шток поршня насоса УНБ-600

Рис 2.10 Шток ползуна насоса УНБ-600
Уплотнение (рис. 2.11, 2.12) состоит из корпуса 4, направляющей втулки 6, упорного резинового кольца 5, четырех уплотнительных резиновых колец 5, упорного кольца 11 и второй направляющей втулки.

Рис 2.11 Уплотнение штока насоса УНБ-600
Направляющие втулки и опорное кольцо изготавливаются из капролита. Упорное кольцо 11 поджимается при помощи втулки 7 через фланец 9.

Рис 2.12 Комплект уплотнителей штока насоса УНБ-600
1 – втулка; 2 – упорное кольцо; 3 – манжета уплотнения штока; 4- опорное кольцо
Подтяжка уплотнения производится при неработающем насосе с помощью гаек 10 и шпилек 8.
Для увеличения долговечности уплотнения штока осуществляется смазка и охлаждение штоков жидким маслом. Масло подается на штоки насосом Г11-22. Привод насоса осуществляется от трансмиссионного вала.

Рис 2.13 Уплотнение штока ползуна
Герметизация соединения гидравлической коробки с корпусом 4 осуществляется самоуплотняющейся манжетой 1 и резиновым кольцом 2.
Для того чтобы предотвратить попадание глинистого раствора в приводную часть насоса, создано специальное уплотнительное устройство (рис. 2.13). Глинистый раствор может быть внесен в приводную часть надставкой штока, поэтому отмеченное уплотнение сальникового типа. Манжеты 1, расположенные в корпусе сальника 2, поджимаются фланцем 3. Манжеты обжимают надставку штока и не дают возможность вносить глинистый раствор в приводную часть. Фланец 3 поджимается при остановке насоса. Поджатие осуществляется с тем, чтобы устранить попадание глинистого раствора, чрезмерная затяжка не требуется, так как при этом преждевременно выходят из строя манжеты.
2.3.2 Приводная часть насоса УНБ-600
Приводная часть насоса УНБ-600 состоит из узлов коренного вала (рис. 2.14.), трансмиссионного вала (рис. 2.15. ) и шатунного механизма (рис. 2.16.), установленных в литой чугунной станине.
Коренной вал (см. рис. 2.14.) выполнен в виде сварнолитной конструкции. Он состоит из двух эксцентриков 2, зубчатого венца 1 и вала 3. Зубчатый венец 1 напрессован на эксцентрики 2. Вал установлен на четырех конических подшипниках 4. Подшипники помещены в станках 6. Регулировка подшипников производится при помощи прокладок 5. Смазка подшипников осуществляется пружинными тавотницами.

Рис 2.14. Узел коренного вала
Эксцентрики коренного вала смещены относительно друг друга на угол 90° и имеют эксцентриситет 200 мм. На эксцентрики 2 посажены по два конических рукоподшипника 7. Эксцентриситет обеспечивает ход поршня в 400 мм. Подшипники вала смазываются тем же маслом масляной ванны, находящейся в картере корпуса, что и зубчатое зацепление, разбрызгиванием от зубчатой пары. Трансмиссионный вал приводит во вращение коренной вал при помощи косозубой шестерни 5 (см. рис. 2.15). Шестерня выполнена заодно с валом, который установлен на двухрядных сферических роликовых подшипниках 4 , помещенных в стакан 3. С помощью резинового кольца 2 уплотняется крышка стакана подшипников. Специальное уплотнение 6 предотвращает вытекание смазки из подшипников.

Рис 2.15 Трансмиссионный вал
Консистентная смазка подается в подшипники пружинными тавотницами 1. Плавающий подшипник А, имеет тепловой зазор для расширения. Оба конца трансмиссионного вала сделаны одинаковыми, что позволяет монтировать насос с правым и левым расположением привода. Свободный конец вала защищается кожухом. Шкив крепится на конце вала шпонками и двумя стяжными болтами.
Места смазки обозначены на рис. 2.14 и 2.15 римскими цифрами.

Рис 2.16. Ползун
На рис. 2.16 показан поперечный разрез ползуна по кольцу шатуна. Ведущие головки шатунов установлены на конических роликоподшипниках, которые в свою очередь насажены на эксцентрики. Малые головки шатунов 3 (рис. 2.16) соединены с ползуном 1 при помощи цилиндрических пальцев 2 и подшипников скольжения 5.
Смазка подшипников 5 производится через отверстие в малой головке шатуна. К этим отверстиям масло подводится из масляной камеры, которая крепится к корпусу станины над. ползуном. Корпус ползуна 1 изготовляется из стали (ст. 35Л). Сменной деталью ползуна является накладка 4, изготовляемая из чугуна.
Направляющие накладки корпуса ползуна смазываются маслом, которое подается самотеком из камеры. Масло в эту камеру попадает путем разбрызгивания от зубчатой передачи. Осмотр зубчатого зацепления и заливка масла в ванну производятся через специальный лоток. Для контроля уровня масла имеется маслоуказатель, для слива масла — специальные резьбовые отверстия диаметром 75 мм. Для подогрева масла в зимнее время в ванну станины может быть вмонтирован подогреватель. Станина насоса крепится к его раме восемью болтами. Для удобства транспортировки рама насоса выполнена в виде салазок.
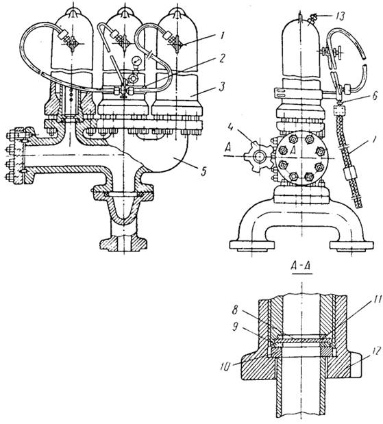
Блок пневмокомпенсатора насоса УНБ-600 (рис. 2.17) тупикового типа предназначен для снижения величины колебаний давления в напорном трубопроводе. Он состоит из корпуса 5, на котором: установлены три воздушных колпака 3 с разделителем. Объем воздушной части каждого колпака 17 дм3 . Воздушные колпаки имеют приспособление 2 для контроля давления газа в колпаках и предохранительный клапан 4.
Рис 2.17 Блок пневмокомпенсатора насоса УНБ-600
Воздушный колпак (рис. 2.18) состоит из перфорированной трубы и резинового баллона. Корпус колпака, опираясь на фланец перфорированной трубы, крепится шпильками к фланцу корпуса блока пневмокомпенсатора. В результате затяжки гаек обжимается фланец резинового баллона и тем самым герметизируется полость между баллоном и колпаком. Для выпуска сжатого воздуха или газа в верхней части колпаков имеются пробки 13.
Рис. 2.18 Пневмокомпенсатор (воздушный колпак) с разделителем 1 - гайка; 2 – фланец корпуса блока воздушных колпаков; 3 - шпилька; 4 – перфорированная труба; 5 – резиновый баллон; 6 – корпус колпака; 7 - пробка; 8 - вентиль; 9 - уплотнение |
Каждый корпус колпака имеет вентиль 1, к которому подсоединяется приспособление для контроля давления газа в газовой полости колпаков. При помощи этого же приспособления происходит заполнение колпаков газом. Снимается колпачок 6, и на резьбовой конец патрубка наворачивается накидная гайка шланга высокого давления 7, второй конец которого присоединяется к баллону со сжатым газом. До заполнения газом пневмокомпенсатора отвинчивают пробку 13 и заливают в газовую полость колпаков по 100 - 150 см³ воды. Наличие воды обеспечивает более надежную герметизацию в газовой полости колпаков.
К корпусу блока пневмокомпенсатора крепится предохранительный клапан, проходное отверстие в котором закрыто мембраной изготавливается из латуни марки-Л62М. Толщина ее равна
мм. На мембрану 8
опирается сменное кольцо 9
и прижимается к ней при помощи трубы 10
и гайки 12.
Герметичность соединения мембраны с фланцем осуществляется за счет резинового кольца 11. Завод-изготовитель поставляет комплект сменных колец 9, которые отличаются размерами внутреннего диаметра. Каждой сменной цилиндровой втулке, а значит и рабочему давлению, соответствует определенное сменное кольцо 9. Кольца маркированы. Маркировка указывает рабочее давление. С повышением давления глинистого раствора сверх допустимого мембрана 8 срезается по контуру внутреннего диаметра кольца. При этом глинистый раствор сливается при помощи трубы 10 в емкость.
Буровой насос УНБ-600, по сравнению с ранее выпускаемым насосом У8-4, имеет ряд оригинальных усовершенствований. В опоры коренного вала и большой головки шатуна введены регулируемые подшипники, что обеспечивает бесшумную работу механизмов.
Упорная резьба перенесена на съемный фланец гидрокоробки, что позволяет успешно ремонтировать насос в промысловых условиях. Более рациональная конструкция уплотнения колпаков способствует удлинению срока их службы. Конструктивные улучшения внесены также в предохранительный клапан и пневмокомпенсатор. Все эти усовершенствования повысили надежность и долговечность насоса УНБ-600. Высокое рабочее давление и широкий диапазон сменных цилиндровых втулок позволяют использовать насос УНБ-600 на режимах, обеспечивающих большую скорость бурения.
Раздел 3.
3.1 Расчет высоты подъема клапана при различных углах поворота кривошипа
Исходные данные для расчета:
длина хода поршня насоса S=0,45 м, диаметр поршня
=0,2 м, число двойных ходов поршня n=55 в мин, диаметр тарелки клапана
=0,202 м, диаметр отверстия в седле клапана
=0,150 м, угол конуса
=45°, вес клапана
=7,33 кгс, средний диаметр пружины
=0,074 м, диаметр пружинной проволоки
=0,007 м, число рабочих витков z=9, высота пружины в свободном состояния 0,195 м, начальное сжатие
=0,091 м, усилие пружины при закрытом клапане 46,6 кгс, при открытом 55 кгс.
Площадь седла клапана
. (3.1)
Площадь клапана
(3.2)
=1200 кгс/м³
Высоту подъема клапана определяем по следующей формуле
. (3.3)
Для удобства вычислений вводим следующие обозначения:
;
(3.4)
. (3.5)
Подставляя известные числовые значения, получим
(3.6)
r = s:2 = 0,450:2 = 0,225 м (3.7)
(3.8)
(3.9)
Среднее усилие пружины
.
. (3.10)
Коэффициент расхода
определяем по рис. 3.1

Рис. 3.1 График зависимости коэффициента расхода от безразмерной характеристики клапанной щели.
При
(3.11)
.
Тогда


Расчет значений
при различных углах поворота кривошипа сведен в таблице
| 0° | 30° | 60° | 90° | 120° | 150° | 180° | |
| -0,000765 | 0,00583 | 0,01087 | 0,01299 | 0,01163 | 0,0072 | 0,000765 |
Раздел 4.
4.1 Эксплуатация поршневых насосов
4.1.1 Подготовка к пуску
Все работы по подготовке к пуску, пуск и остановку насоса выполняют по распоряжению начальника смены или старшего по смене.
Получив распоряжение о подготовке насоса к пуску, машинист должен по записи в сменном журнале убедиться, что причина, по которой насос был остановлен, устранена. Затем необходимо проверить: соединение двигателя с редуктором и редуктора с насосом; техническое состояние сальников; присоединение к насосу всасывающего и нагнетательного трубопроводов; наличие масла в маслобаке, масленках, подшипниках и редукторе; поступление воды на охлаждение сальников; наличие, исправность и подключение контрольно-измерительных приборов и средств автоматики; наличие и исправность ограждения; отсутствие посторонних предметов вблизи движущихся частей насоса.
Перед пуском насоса буферный сосуд или всасывающий колпак заполняют до необходимого уровня перекачиваемой жидкостью и открывают задвижку на всасывающем трубопроводе.
Одновременно с подготовкой насоса к пуску подготавливают электродвигатель или паровую машину. В подготовку электродвигателя к пуску, которую выполняет дежурный электрик, входит проверка (прозвонка) кабеля и обмоток, заземления двигателя и пускателя, смазки в подшипниках электродвигателя.
Если на приводе насоса стоит паровая машина, то ее необходимо осмотреть, проверить привод золотников, выполнить все работы, предусмотренные инструкцией.
О готовности насосной установки к пуску докладывают начальнику смены или старшему по смене.
4.1.2 Пуск насоса
Пуск насоса с байпасной линией проводят при закрытой задвижке на напорном трубопроводе и открытой задвижке на байпасной линии. Нажатием кнопки «Пуск» включают электродвигатель, и насос начинает работать.
При пуске насоса без байпасной линии открывают задвижку на напорной линии. Пуск поршневого насоса при закрытой нагнетательной линии совершенно недопустим, так как может произойти поломка насоса или привода.При пуске парового насоса сначала открывают задвижку на напорном и всасывающем трубопроводах, затем открывают у паровых цилиндров краны для продувки и только после этого открывают паровпускной клапан. Краны для продувки необходимо держать открытыми до тех пор, пока не прогреются паровые цилиндры (200—250°С), т. е. не прекратится выброс из них воды, образовавшейся вследствие конденсации пара. После прогрева цилиндров, когда из кранов для продувки начнет поступать пар, их необходимо закрыть и одновременно открыть краны у манометра и вакуумметра, установленных на насосе. Одновременно большим или меньшим открытием паровпускного клапана регулируют подачу пара в машину и этим доводят число ходов поршня до рабочих.
После пуска проверяют техническое состояние ходовой части насоса, двигателя, цилиндров, поступление смазки во все точки, прослушивают работу насоса. Если все параметры в норме, то насос пускают в работу под нагрузкой.
Время пуска насосной установки записывают в сменный журнал.
4.1.3 Остановка насоса
Останавливать насос следует по указанию начальника смены или старшего по смене. Только в аварийных случаях машинист останавливает насос сам и затем уже сообщает руководителю смены о причине остановки.
При наличии байпасной линии насос нужно останавливать в следующем порядке: открыть задвижку (клапан) на байпасной линии; закрыть задвижку (клапан) на линии нагнетания; выключить электродвигатель или прекратить подачу пара в паровую машину; закрыть задвижки (клапаны) на линиях всасывания и нагнетания.
При отсутствии байпасной линии насос останавливают таким образом: закрывают задвижку (клапан) на всасывающей линии; останавливают двигатель; закрывают задвижку (клапан) на нагнетательной линии. В обоих случаях для продолжения циркуляции смазки используют ручные насосы до полной остановки агрегата. Затем прекращают подачу воды на охлаждение сальников. Если насос останавливают на длительное время и температура в рабочем помещении ниже температуры замерзания перекачиваемой жидкости, то ее сливают из всех полостей насоса. При остановке на ремонт все коммуникации насоса освобождают от перекачиваемой жидкости, воды и смазки. Время и причину остановки насоса записывают в сменный журнал.
4.1.4Уход за работающим насосом
Во время работы насоса машинист должен следить за показаниями контрольно-измерительных приборов, за исправностью и работой смазочной системы, контролировать наличие масла и по мере расходования добавлять его. Нормальная работа смазочной системы предотвращает нагревание подшипников, крейцкопфа. Масло в системе не должно нагреваться выше 70° С. При обнаружении посторонних шумов и стуков в процессе работы насоса следует установить их причины и устранить.
Необходимо следить за количеством газа в колпаках. При недостатке газа в нагнетательном колпаке или избытке газа во всасывающем колпаке нужно принять меры к восстановлению требуемого уровня жидкости в них. Во всех случаях следует руководствоваться показаниями уровнемеров.
Машинист обязан следить за работой сальниковых уплотнений, своевременно подтягивая их или заменяя набивку после остановки
насоса.
При работе насоса машинист регулирует подачу и напор в соответствии с установленными нормами технологического режима. Машинист ведет сменный журнал (рапорт), в который через определенные промежутки времени, обычно в конце каждого часа работы, записывает показания приборов: температуру, давление, напор и т. д.
В процессе работы поршневых насосов возможны различные неисправности. Неправильную работу клапанов, рабочей камеры или цилиндра и колпаков определяют путем анализа снятых индикаторных диаграмм. Нагрев подшипников выше допустимой температуры происходит из-за недостаточного количества смазки, чрезмерной затяжки подшипников, наличия воды и механических примесей в масле. Чрезмерный нагрев сальника бывает при сильной затяжке набивки или перекосе нажимной втулки.
В каждом отдельном случае машинист выясняет причины возникновения неполадок и принимает меры для их устранения.
4.2 Техника безопасности при эксплуатации поршневых насосов
4.2.1 Общие положения
В соответствии с инструкцией завода-изготовителя и другими действующими нормативными документами, относящимися к технике безопасности, предприятием-потребителем должны быть разработаны инструкции по безопасной эксплуатации и обслуживанию каждой насосной и компрессорной установки. Инструкции должны быть утверждены главным инженером предприятия. Рабочие, занятые эксплуатацией установок, должны быть (под расписку) ознакомлены с указанной инструкцией. Инструкция должна висеть на видном месте. Строгое выполнение всех пунктов инструкции является гарантией безопасной эксплуатации оборудования.
К самостоятельной работе на насосных и компрессорных установках допускаются лица не моложе 18 лет, обученные по соответствующей программе и имеющие удостоверение квалификационной комиссии на право самостоятельной работы.
Знания рабочих по вопросам техники безопасности и пожарной безопасности проверяет комиссия не реже одного раза в год. Лица, не сдавшие экзаменов по правилам техники безопасности и пожарной безопасности, отстраняются от выполняемой работы.
На рабочих местах персонал должен находиться в спецодежде с длинными рукавами (засучивать рукава запрещается). Голову необходимо закрыть головным убором. Промывку узлов и деталей нужно производить в резиновых перчатках и фартуке.
В помещении машинного зала должна находиться аптечка с перевязочным материалом и медикаментами. Весь персонал обязан знать приемы оказания первой медицинской помощи при поражении электрическим током и других несчастных случаях.
Без согласования с инспекцией Госгортехнадзора запрещается производить какие-либо изменения при усовершенствовании, модернизации, а также при производстве ремонтных и монтажных работ.
Пуск в эксплуатацию оборудования должен производиться только с разрешения местной инспекции Госгортехнадзора.
Ответственным за работу оборудования после пуска является дежурный машинист. При работе установки дежурному машинисту следует помнить, что причинами аварийных ситуаций могут быть повышение температуры и давления перекачиваемого газа или жидкости выше допустимых значений; искрообразование в среде взрывоопасных смесей; недоброкачественность материала; изношенность или недостаточная прочность оборудования и аппаратуры; применение не по назначению арматуры, сосудов и деталей оборудования при работе под давлением; отсутствие или выход из строя приборов и средств контроля и автоматической блокировки; воздушные и гидравлические удары; неисправности в работе смазочной системы и системы охлаждения.
Аварийные ситуации могут возникнуть при следующих обстоятельствах:
- низкое качество монтажа и нарушение правил эксплуатации (например нарушение порядка и очередности операций при пуске и остановке);
- небрежность при контроле технического состояния и низкое качество ремонтных работ;
- наличие неустраненных неисправностей оборудования установки;
- длительная вибрация оборудования.
Кроме действий, направленных на предотвращение указанных выше причин, способных повлечь за собой аварийную ситуацию при работе компрессорных и насосных установок, необходимо выполнять следующие правила.
Перед каждым пуском машинист обязан осмотреть установку, убедиться в ее исправности, проверить смазочную систему и систему охлаждения, произвести пуск в соответствии с инструкцией.
Запрещается оставлять компрессорные установки (кроме полностью автоматизированных) без надзора со стороны обслуживающего персонала.
Каждую смену необходимо контролировать лубрикатором расход масла, регулярно производить наружный осмотр оборудования установки, обтирку и очистку наружных поверхностей от пыли и грязи. Утечки масла и воды, особенно попадания масла на фундамент, недопустимы. Причина утечек должна быть немедленно устранена.
В качестве обтирочных материалов разрешается применять только хлопчатобумажные или льняные тряпки.
Ремонт и очистка оборудования и трубопроводов, находящихся под давлением, воспрещается.
При температуре в помещениях станции +2°С из охлаждающих систем неработающего оборудования должна быть спущена охлаждающая вода, а воздушные или газовые полости тщательно продуты.
В помещении машинного зала компрессорной установки запрещается хранение бензина, керосина и других легковоспламеняющихся жидкостей.
На всей территории компрессорной установки курить запрещается.
На полу всех помещений установки не должно быть луж масла и прочих жидкостей. Все проходы и запасные выходы не должны загромождаться. Противопожарные средства должны содержаться в исправности и быть расположены на видных местах.
Перед разборкой компрессора и вскрытием междуступенчатой аппаратуры должны быть обеспечены следующие меры безопасности:
- отключение компрессора от действующих коллекторов;
- полное отсутствие избыточного давления в компрессоре и межступенчатой аппаратуре;
- отсутствие напряжения в электрооборудовании и полное отключение от системы энергоснабжения (на пусковом устройстве должен быть вывешен плакат: «Не включать! Работают люди»);
- установка заглушек на всасывающей и нагнетательной линиях, отключение продувочных и пробоотборочных линий у компрессоров, работающих на опасных и токсичных газах;
- подтверждение анализом качества продувки компрессора и межступенчатой аппаратуры;
- ограждение участка работы и всех проемов;
- установление необходимых лесов и помостов.
Отключение всех сосудов и другого оборудования, находящегося под давлением, необходимо производить двумя последовательно установленными задвижками при наличии между ними дренажного устройства (диаметром не менее 20 мм, имеющего прямое соединение с атмосферой).
При разборке и ремонте оборудования необходимо, чтобы инструмент был исправным: гаечные ключи должны соответствовать размеру гаек и не иметь сработанных краев; поверхность бойков, кувалд и молотков должна быть гладкой, слегка выпуклой, без косины, сколов, выбоин и трещин. Запрещается наращивание ключа трубой или другим ключом, а также работа замасленными ключами.
При проведении работ во взрывоопасном помещении следует пользоваться только неискрящим инструментом. При обслуживании оборудования на высоте более 1,8 м от уровня пола следует пользоваться стационарными, съемными, откидными площадками или лестницами.
Запрещается класть тяжелые детали на край верстака, применять непрочные подставки и ящики, класть инструмент на компрессорный агрегат.
Детали массой более 50 кг нужно переносить двум рабочим, наиболее безопасна переноска на носилках или в подвешенном на ломике состоянии. При переноске длинных труб на плечах рабочие должны располагаться с одной стороны переносимого груза. Поднимать и опускать груз нужно по команде ответственного за проведение работ. Узлы и детали массой более 80 кг или поднимаемые на высоту более 3 м, должны перемещаться только механизированным способом.
При ремонте оборудования необходимо иметь в виду, что наиболее опасными операциями являются: рубка и опиловка металла, работы на точильных станках, работы с электрическим и пневматическим инструментом. Указанные работы выполняются только рабочими, имеющими соответствующую подготовку с соблюдением необходимых правил техники безопасности.
При выполнении ремонтных работ запрещается:
- становиться на барьеры, предохранительные ограждения, а также на трубопроводы и другие конструкции, не предназначенные для прохода по ним;
- вести работы на неостановленном оборудовании и механизмах, осуществлять чистку, обтирку, смазку и т. п. вращающихся или движущихся частей машин и инструмента;
- вести ремонтные работы без принятия мер против ошибочного включения оборудования в работу;
- допускать загромождение проходов, проездов и ремонтных площадок.
Перед внутренним осмотром, чисткой или ремонтом аппаратов они должны быть надежно отключены от коммуникаций, полностью освобождены от рабочего продукта.
Во время работ внутри аппарата все люки должны быть открыты и весь аппарат должен непрерывно вентилироваться.
Снаружи аппарата обязательно должен находиться напарник, который обязан постоянно следить за состоянием работающего внутри аппарата.
Работы внутри аппаратов могут производиться только по разрешению лица, ответственного за безопасную эксплуатацию, который должен выдавать специальный наряд, как на особо опасные работы. На аппарате, находящемся в ремонте или чистке, должен быть вывешен предупредительный плакат.
Очистку аппаратов выжиганием производить запрещается.
Работы с кислотами, щелочами, едкими и ядовитыми веществами и работы по снятию теплоизоляционных покрытий также относятся к опасным. Их могут проводить только рабочие, которые прошли соответствующий инструктаж.
4.2.2 Техника безопасности
Техническая эксплуатация электрооборудования насосных и компрессорных станций должна производиться в соответствии с действующими «Правилами технической эксплуатации электроустановок потребителей» (ПТЭ) и «Правилами техники безопасности при эксплуатации электроустановок потребителей» (ПТБ). Эти нормативные документы отражают вопросы организации эксплуатации электрооборудования (сроки, объемы и нормы его испытаний, а также основные правила техники безопасности при обслуживании электроустановок).
К оперативному обслуживанию электрооборудования допускаются лишь лица, знающие схемы, эксплуатационные инструкции, особенности оборудования и прошедшие обучение и проверку знаний в соответствии с ПТЭ и ПТБ.
При обслуживании электрооборудования наиболее частой причиной несчастных случаев является прикосновение к неизолированным токоведущим частям оборудования, попавшим под напряжение при отсутствии их заземления, кроме того, причиной поражения током является отсутствие или плохое качество защитных средств и заземляющих устройств.
Для обеспечения безопасности при обслуживании электрооборудования требуется надлежащая изоляция проводов, применение блокирующих устройств и элементов, применение защитных средств и заземления.
Перед включением напряжения после монтажа или ремонта необходимо убедиться в исправности заземления — устройства, к которому надежно должны быть подключены металлические части электрооборудования и корпуса насосов и компрессоров. Назначением заземляющих устройств является обеспечение безопасности персонала при нарушении изоляции электрооборудования. Заземлению подлежат корпуса электрических машин, трансформаторов, светильников, каркасы электрошкафов и щитов управления.
В установках с заземленной нейтралью защитное заземление осуществляется через специально выполненное соединение стальным, медным или алюминиевым проводником металлических частей установки. При этом обеспечивается автоматическое отключение (срабатывание плавких предохранителей) того оборудования, в котором произошло замыкание на корпус. Важным средством защиты от появления опасного напряжения на металлических частях технологического оборудования является защитное отключение. Это отключение осуществляется с помощью автоматических выключателей, контакторов и магнитных пускателей.
Защита от междуфазных замыканий осуществляется плавкими предохранителями или автоматическими выключателями.
Изолирующие средства -средства, изоляция которых может надежно выдерживать рабочее напряжение установки и при помощи которых допускается прикосновение к токоведущим частям, находящимся под напряжением. К числу этих средств относятся диэлектрические перчатки, инструмент с изолированными ручками и указатели напряжения.
Дополнительные защитные средства служат для усиления действия основных средств. К ним относятся диэлектрические сапоги, коврики и подставки.
Работы по ремонту электрооборудования в отношении мер безопасности подразделяются на три категории: работы при полном снятии напряжения, работы при частичном снятии напряжения и работы без снятия напряжения. Особую опасность представляет наладка электрооборудования, так как для испытания различных узлов приходится работать без снятия напряжения. При проведении таких работ необходимо исключить случайное приближение работающих людей к токоведущим частям. При этом обязательно должны быть поставлены ограждения и вывешены плакаты «Стой! Опасно для жизни».
К работам, которые могут проводиться без снятия напряжения, относятся смена плавких предохранителей, доливка масла в подшипники электродвигателей, смена ламп накаливания. При проведении этих работ надо пользоваться защитными средствами.
При открывании дверей электрошкафов устройствами блокировки должно сниматься напряжение питания.
Включение сработавших аппаратов защиты (автоматов, тепловых реле), а также любой ремонт или замену элементов электрооборудования допускается производить только при отключенном вводном автомате.
Следует помнить, что при отключенном вводном автомате на его верхних контактах, к которым подключены провода питающей сети, остается напряжение. Поэтому доступ к этим контактам разрешается только после отключения напряжения на цеховой сборке, от которой питается станция.
В тех случаях, когда имеются открытые электрические контакты (выводы электрических машин, клеммные коробки, выключатели и другие части электрооборудования), они обязательно должны быть закрыты изолирующими крышками.
Электрооборудование, применяемое в насосных и компрессорных станциях, может являться одной из причин возникновения пожара, особенно в помещениях повышенной пожароопасности. К основным причинам относятся токи коротких замыкании и перегрузка электрических аппаратов, вызывающие перегрев до температур воспламенения изоляции, искрение в электрических двигателях, плохое качество контактов в местах электрических соединений; электрическая дуга между контактами коммутационных аппаратов; перегрузка и неисправность обмоток трансформаторов при отсутствии соответствующей защиты, выбросы продуктов разложения масел при сильных перегревах малонаполняемых электрических аппаратов (трансформаторов, выключателей).
4.3 Влияние внедрения разработки на окружающую среду
Основны ми ис точниками загрязнения почв в нефтегазовом стро ительстве являются не фтепродукты (ГСМ), проливае мые на землю при заправках или р ем онте техники , пром ышленны е и бытовы е стоки , еще нередко сбрасываемые на ст ройплощадк ах и б аз ах на рельеф , а также отходы стройматериало в и твердые бытовые отходы.
Ос новными источн иками з агрязнения атмосферы в строитель ном компле ксе являются автотранс порт и предприятия стройиндустрии (зав оды железобетонных издели й, кирпичны е и механ ические заводы, деревообрабатывающие предприятия, котель ные на жидком, тве рдом и газообразном топли ве).
Загрязняющ ими веществами являются производственная пыль, углеводороды , аэрозоли, окислы азота, серы, углерода и д р.
В сточных водах указ анных предприятий загряз няющими вещес твами являются взвешенные вещества, нефтепродукты.
Экологический ущ ерб, наносимы й окружающ ей среде в проц ессе строительства, не ограни чивается загрязнением возд уха, воды , почв, уничтож ением флоры и фауны. В ряде с лучаев рос т нагрузок на гру нты (статических, динами че ских, термодинамич еских) приводит к нежелательным явле ни ям и процессам - п росадк ам, оползням, заводнению, что у грож ает уст ой чивости возводимого объ екта и нарушает равновесие в геотех нической системе. Особе нн о опасны эти нарушения п ри строи тель стве на многолетнемёрзлых грунтах, где с амы е незн ачительные нарушения пов ерхностного термоизолирующего слоя почвы приводят к образов анию карстовых воронок, овражно й эро зии и другим не менее опасны м д ля природ ы и объекта последст виям.
Пр и потреблении природных ре сурс ов — сырья для стройматериалов, нарушаются сложившиеся фор мы релье фа пов ерхн ости, почве нный покров и структура почв. Следствием таких нарушений является изме не ние ги дрологического и геокриологического режимов.
Список использованной литературы
1. Николич А.С. Поршневые буровые насосы, -М.: Недра, 1973.
2. Верзилин О.И. Современные буровые насосы, -М.: Машиностроение, 1971.
3. Караев М.А. Гидравлика буровых насосов, - М.: Недра, 1975.
4. Ведерников М.И. Компрессорные и насосные установки химической, нефтехимической и нефтеперерабатывающей промышленности: Учебное пособие для сред. ПТУ. – М.: Высш.шк., 1987.
5. Скворцов Л.С.. Рачицкий В.А.. Ровенский В.Б. Компрессорные и насосные установки. М.: Машиностроение. 1988.
6. Абдурашитов С.А. Насосы и компрессоры. — М.: Недра, 1974.
Похожие рефераты:
Отчет о практике специальности Разработка и эксплуатация нефтегазовых месторождений
Устройство и принцип работы автомобиля ЗиЛ-130
Устройство наддувного дизельного двигателя КамАЗ-7403.10
Система смазки двигателя КамаЗ
Пуск в работу питательного электронасоса после ремонта
Установки погружных центробежных насосов (УЭЦН)
Ремонт и обслуживание скважин и оборудования для бурения
Организация поста технического обслуживания и ремонта карбюраторов двигателей легковых автомобилей
Модернизация двигателя мощностью 440 квт с целью повышения их технико-экономических показателей
Установки погружных центробежных насосов для добычи нефти из скважин
Тормозные механизмы автомобиля КамАЗ: ремонт и техническое обслуживание
Гидропневматические машины и приводы



