| Похожие рефераты | Скачать .docx |
Курсовая работа: Составление схем расположения полей допусков стандартных сопряжений. Расчёт соединения подшипника качения с валом и корпусом. Расчет размерных цепей
Расчётно-графическая работа
«Составление схем расположения полей допусков стандартных сопряжений. Расчёт соединения подшипника качения с валом и корпусом. Расчет размерных цепей»
Содержание
1. Схемы расположения полей допусков стандартных сопряжений.
2. Соединение подшипника качения с валом и корпусом.
3.Расчет размерных цепей:
а) Решение задачи методом максимума – минимума (способ равных квалитетов);
б) Решение задачи теоретико-вероятностным методом (способ равных квалитетов).
Схемы расположения полей допусков стандартных сопряжений
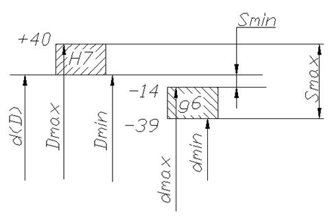
1 Гладкое цилиндрическое соединение
а) Ø178 H7/g6

| Параметр | Значение |
| d(D) = | |
| es = | -14 мкм |
| ei = | -39 мкм |
| ES = | 40 мкм |
| EI = | 0 мкм |
| dmax = d + es= | 177,986 мм |
| dmin = d + ei = | 177,961 мм |
| Dmax = D + ES = | 178,04 мм |
| Dmin = D + EI = | 178 мм |
| Td = dmax - dmin = es – ei = | |
| TD = Dmax – Dmin = ES - EI = | |
| Smax = Dmax - dmin = | 79 мкм |
| Smin= Dmin – d max = | 14 мкм |
| Scp = (Smax + Smin) / 2 = | |
| TS= Smax – Smin = | |
| Характер сопряжения | Зазор |
| Система задания посадки | Основное отверстие |
б) Ø70 S7/h7

| Параметр | Значение |
| d(D) = | |
| es = | 0 |
| ei = | -30 мкм |
| ES = | -48 мкм |
| EI = | -78 мкм |
| dmax = d + es= | 70 мм |
| dmin = d + ei = | 69,97 мм |
| Dmax = D + ES = | 69,952 мм |
| Dmin = D + EI = | 69,922 мм |
| Td = dmax - dmin = es – ei = | |
| TD = Dmax – Dmin = ES - EI = | |
| Nmin = dmin - Dmax | 18 мкм |
| Nmax = dmax - Dmin | |
| Ncp =(Nmax + Nmin) / 2 = | |
| TN = Nmax – Nmin = | |
| Характер сопряжения | Натяг |
| Система задания посадки | Основной вал |
в) Ø 178H7/m6

| Параметр | Значение |
| d(D) = | |
| es = | |
| ei = | 15 мкм |
| ES = | 40 мкм |
| EI = | 0 |
| dmax = d + es= | 178,04 мм |
| dmin = d + ei = | 178,015 мм |
| Dmax = D + ES = | 178,04 мм |
| Dmin = D + EI = | 178 мм |
| Td = dmax - dmin = es – ei = | |
| TD = Dmax – Dmin = ES - EI = | |
| Smax = Dmax - dmin = | 25 мкм |
| Nmax = dmax - Dmin = | |
| Scp = (Smax + Smin) / 2 = | |
| TS= Smax – Smin = | |
| Характер сопряжения | Переходная |
| Система задания посадки | Основное отверстие |
Для комбинированной посадки определим вероятность образования посадок с натягом и посадок с зазором. Расчет выполним в следующей последовательности.
- рассчитаем среднее квадратическое отклонение зазора (натяга), мкм
![]()
-
определим предел интегрирования
![]()
![]()
-
табличное значение функции Ф(z)= 0,32894
- вероятность натяга в относительных единицах
PN ' = 0,5 + Ф(z) = 0,5 + 0,32894 = 0,82894
- вероятность натяга в процентах
PN = PN ' x 100% = 0,82894*100%= 82,894%
- вероятность зазора в относительных единицах
PЗ ' = 1 – PN = 1 - 0,82894 = 0,17106
- вероятность зазора в процентах
PЗ = PЗ ' x 100% = 0,17103*100% = 17,103%

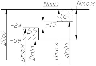
2 Соединение подшипника качения с валом и корпусом
Условное обозначение подшипника 0 - 213
Радиальная нагрузка 10300 Н
Характер нагружения – сильные удары и вибрация. Кратковременные перегрузки до 300% номинальной нагрузки.
Рабочая температура подшипника - до 120о С
Соединение жесткое (вал сплошной, корпус толстостенный)
Решение
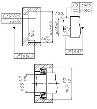
- определяем размеры подшипника:
| Номинальный диаметр отверстия | Номинальный диаметр наружной цилиндрической поверхности наружного кольца | Номинальная ширина подшипника | Номинальная координата монтажной фаски |
| 65 мм | 120 мм | 23 мм | 2,5 мм |
- рассчитываем интенсивность нагрузки
Pr = Kd * Kt * Kj * Fr / b
где Kd - динамический коэффициент посадки, зависящий от характера нагрузки Kd = 2;
Kt - температурный коэффициент Kt = 1,05
Kj - коэффициент ослабления натяга в нежестких сопряжениях Kj = 2,3,
Fr = 6000 Н b = B - 2 *r =23 - 2 * 2,5 = 22,2 мм
Отсюда
Pr = 2 х 1,05 х 2,3 х 10300 / 0,022 = 2261 кН/м
- определяем посадки для внутреннего и наружного колец подшипника
Сопоставляя расчетную интенсивность нагрузки с допустимой и уточняя посадку для подшипника 0 класса точности назначаем посадки
| Внутреннее кольцо | Наружное кольцо | |
| Поле допуска, определяемое по допустимой интенсивности нагрузки | n5, n6 | P7 |
| Уточненное поле допуска (по классу точности подшипника) | n6 | P7 |
| Принятые посадки | L0 / n6 | P7 / l0 |
- рассчитываем сопряжения внутреннего и наружного колец подшипника
| Параметр | Внутреннее кольцо - вал | Наружное кольцо - корпус |
| Значение | Значение | |
| d(D) = | 65 мм | 120 мм |
| es = | 0 мкм | |
| ei = | -15 мкм | |
| ES = | 0 мкм | -24 мкм |
| EI = | -15 мкм | -59 мкм |
| dmax = d + es= | 65,039 мм | 120 мм |
| dmin = d + ei = | 65,020 мм | 119,985 мм |
| Dmax = D + ES = | 65 мм | 119,976 мм |
| Dmin = D + EI = | 64,985 мм | 119,941 мм |
| Td = dmax - dmin = es – ei = | 15 мкм | |
| TD = Dmax – Dmin = ES - EI = | ||
| Smax(Nmin) = Dmax - dmin = | - 20 мкм | - 9 мкм |
| Smin(Nmax) = Dmin – d max = | ||
| Scp = (Smax + Smin) / 2 = - Ncp = - (Nmax + Nmin) / 2 = | ||
| TS(TN) = Smax – Smin = Nmax – Nmin= | ||
| Характер сопряжения | Натяг | Натяг |
| Система задания посадки | Основное отверстие | Основной вал |
Проверить условие прочности колец подшипника на разрыв, для чего рассчитать максимально допустимый натяг по формуле

где [] - допустимое напряжение на разрыв. [] = 400 МПа;
kN - коэффициент. kN = 2,8
d - 65 мм.
![]()
0,231 > 0,054 - условие прочности выполняется.
- изображаем схему расположения полей допусков (внутреннее кольцо подшипника - вал)

- изображаем схему расположения полей допусков (наружное кольцо подшипника - корпус)

определяем шероховатость
| Посадочная поверхность вала | 1,25 мкм |
| Посадочная поверхность отверстия корпуса | 1,25 мкм |
| Поверхность опорных торцев заплечиков вала и корпуса | 2,5 мкм |
- определяем допуски формы посадочных поверхностей
| Вал | Отверстие | |
| Допуск круглости | 5 | 6 |
| Допуск профиля продольного сечения | 5 | 6 |
| Допуск непостоянства диаметра в поперечном сечении | 10 | 12 |
| Допуск непостоянства диаметра в продольном сечении | 10 | 12 |
- определяем допуски расположения посадочных поверхностей
| Допуски торцового биения заплечиков вала | 30 мкм |
| Допуск торцового биения заплечиков отверстия корпуса | 63 мкм |
- изображаем эскиз подшипникового узла

3. Расчет размерных цепей
Решение задачи методом максимума – минимума (способ равных квалитетов)
Схема размерной цепи

| Уменьшающее звено | А4, мм | 14 |
| Увеличивающие звенья | А1, мм |
34 |
А2, мм |
20 | |
А3, мм |
21 | |
А5, мм |
12 | |
А6, мм |
21 | |
| Замыкающее звено | допуск A0, мм | 0,21 |
| Номинальный размерA0 = ((А3+А2)-А4)+((А6+А5)-А4)-А1 (мм) | 12 |
Т.к. звенья размерной цепи являются размерами, величина которых не входит в один диапазон, то задачу решаем по способу равных квалитетов: - для каждого составляющего звена рассчитываем величину единицы допуска
![]()
- рассчитываем сумму единиц допуска всех составляющих размеров
![]()
- определяем расчетное значение числа единиц допуска
![]()
- определяем квалитет с числом единиц допуска ближайшим к расчетному числу единиц допуска – 8 квалитет;
- для выбранного квалитета назначаем, в соответствии со стандартом СТ СЭВ 144-75, допуски на размеры А2, А3,А4,А5,А6
-рассчитываем допуск размера А1
![]()
- из условия
подбираем квалитет для размера А1 – 7 квалитет;
- для размеров А1, А2, А3,А5,А6 которые являются увеличивающими звеньями размерной цепи назначаем предельные отклонения как для основного отверстия;
- для размера А4, который является уменьшающим звеном размерной цепи назначаем предельные отклонения как для основного вала;
- результаты расчетов сводим в таблицу
| Размер, мм | i | Результаты промежу-точных расчетов | IT8, мкм | TАi, расчет, мкм | Принято | Верхнее откл-е | Нижнее откл-е | ||
| Обозна-чение | Номин. вел-на | Квалитет | TАi,мкм | ES (es),мкм | EI (ei),мкм | ||||
| A1 | 34 | 1,492 | Сумма i = | 39 | 57 | 7 | 25 | +25 | 0 |
| A2 | 20 | 1,241 | = 7,4 | 33 | 33 | 8 | 33 | +33 | 0 |
| A3 | 21 | 1,263 | acp = | 33 | 33 | 8 | 33 | +33 | 0 |
| А4 | 14 | 1,099 | = 28,378 | 27 | 27 | 8 | 27 | 0 | -27 |
| А5 | 12 | 1,042 | 27 | 27 | 8 | 27 | +27 | 0 | |
| А6 | 21 | 1,263 | 33 | 33 | 8 | 33 | +33 | 0 | |
В соответствии с расчетами устанавливаем для размеров А2, А3,А4,А5,А6 – 8 квалитет точности и основные отклонения ei1 = ei2 = ei3 = ei5 = ei6 = 0, es1 = +0,025 мм, es2 = +0,033 мм, es3 = +0,033 мм, es5 = +0,027 мм, es6 = +0,033 мм. Для размера А1 – 7 квалитет. Основные отклонения для размера А4 - ES4 = 0 мм, EI4 = -0,027 мм
Проверка.
- максимальные значения составляющих размеров Amaxi = Ai + ESi (esi ) :
A1max = 34 + 0,025 = 34,025 мм ;
A2max = 20+ 0,033 = 20,033 мм ;
A3max = 21 + 0,033 = 21,033 мм ;
A4max = 14 + 0,027 = 14,027мм ;
A5max = 12 + 0 = 12 мм ;
A6max = 21 + 0,033 = 21,033 мм ;
- минимальные значения составляющих размеров Amini = Ai + EIi (eii ) :
A1min = 34 + 0 = 34 мм ;
A2min = 20 + 0 = 20 мм ;
A3min = 21 + 0 = 21 мм ;
A4min = 14 + (-0,027) = 13,973 мм ;
A5min = 12 + 0 = 12 мм ;
A6min = 21 + 0 = 21 мм - допускисоставляющихразмеров TAi = Amaxi - Amini : TA1 = 34,025 – 34= 0,025 мм ; TA2 = 20,033 – 20 = 0,033 мм ; TA3 = 21,033 – 21 = 0,033 мм ; TA4 = 14,027 – 13,973 = 0,054 мм ;
TA5 =12 – 12= 0 мм ;
TA6 =21,033 – 21 = 0,033 мм ; - допуск замыкающего размера TAо = 0,21 мм ; - проверка условия
: 0,025 + 0,033 + 0,033 + 0,054 + 0 + 0,033 = 0,178 < 0,21 - условие выполняется.
Решение задачи теоретико-вероятностным методом (способ равных квалитетов)
Схема размерной цепи

| Уменьшающее звено | А4, мм | 14 |
| Увеличивающие звенья | А1, мм |
34 |
А2, мм |
20 | |
А3, мм |
21 | |
А5, мм |
12 | |
А6, мм |
21 | |
| Замыкающее звено | допуск A0, мм | 0,21 |
| Номинальный размерA0 = ((А3+А2)-А4)+((А6+А5)-А4)-А1 (мм) | 12 |
Т.к. звенья размерной цепи являются размерами, величина которых не входит в один диапазон, то задачу решаем по способу равных квалитетов: - для каждого составляющего звена рассчитываем величину единицы допуска
![]()
- рассчитываем сумму квадратов единиц допуска всех составляющих размеров
![]()
- определяем расчетное значение числа единиц допуска

где ko , ki - коэффициенты рассеивания (для нормального закона распределения ko =1, ki =1);- определяем квалитет с числом единиц допуска ближайшим к расчетному числу единиц допуска – 10 квалитет; - для выбранного квалитета назначаем, в соответствии со стандартом СТ СЭВ 144-75, допуски на размеры А2, А3,А4,А5,А6;- рассчитываем допуск размера А4

- из условия
подбираем квалитет для размера А1 – 10 квалитет; - для размеров А1, А2, А3,А5,А6 которые являются увеличивающими звеньями размерной цепи назначаем предельные отклонения как для основного отв.; - для размера А4, который является уменьшающим звеном размерной цепи назначаем предельные отклонения как для основного вала; - результаты расчетов сводим в таблицу
| Размер, мм | i | i2 | К | Результаты промежу-точных расчетов | IT10, мкм | TАi, расчет, мкм | Принято | Верхнее откл-е | Нижнее откл-е | ||
| Обозна-чение | Номин. вел-на | Квалитет | TАi,мкм | ES (es),мкм | EI (ei),мкм | ||||||
| A1 | 34 | 1,492 | 2,226 | ki = | Сумма i2 = | 100 | 115 | 10 | 100 | +100 | 0 |
| A2 | 20 | 1,241 | 1,540 | 1 | 9,25 | 84 | 84 | 10 | 84 | +84 | 0 |
| A3 | 21 | 1,263 | 1,595 | ko = | acp = | 84 | 84 | 10 | 84 | +84 | 0 |
| А4 | 14 | 1,099 | 1,208 | 1 | 69,056 | 70 | 70 | 10 | 70 | 0 | -70 |
| А5 | 12 | 1,042 | 1,086 | 70 | 70 | 10 | 70 | +70 | 0 | ||
| А6 | 21 | 1,263 | 1,595 | 84 | 84 | 10 | 84 | +84 | 0 | ||
В соответствии с расчетами устанавливаем для размеров А2, А3,А5,А6 – 10 квалитет точности и основные отклонения ei1 = ei2 = ei3 = ei5 = ei6 = 0, es1 = 0,100 мм, es2 = +0,084 мм, ei3 = +0,084 мм, es5 =+0,070 мм, es6 =+0,084мм. Для размера А1 – 10 квалитет. Основные отклонения А4 - ES4 = 0 мм, EI4 = -70.
Проверка.- максимальные значения составляющих размеров Amaxi = Ai + ESi (esi )
A1max = 34 + 0,100 = 34,100мм ;
A2max = 20 + 0,084= 20,084мм
A3max = 21 + 0,084 = 21,084мм ;
A4max = 14 + 0 = 14мм ;
A5max = 12 + 0,070 = 12,070 мм ;
A6max = 21 + 0,070 = 21,070 мм
минимальные значения составляющих размеров Amini = Ai + EIi (eii ) : A1min = 34 + 0 = 34мм ;
A2min = 20 + 0 = 20 мм ;
A3min = 21 + 0 = 21 мм ;
A4min = 14 + (-0,070) = 13,93 мм ;
A5min = 12 + 0 = 12 мм ;
A6min = 21 + 0 = 21 мм ; - допуски составляющих размеров TAi = Amaxi - Amini
TA1 = 34,100 – 34 = 0, 100 мм ;
TA2 = 20,084 – 20 = 0,084 мм ; TA3 = 21,084 – 21 = 0,043 мм ;
TA4 = 14 – 13,93 = 0,070 мм ; TA5 = 12,070 – 12 = 0,070 мм ; TA6 = 21,070 – 21 = 0,070 мм ;
- допуск замыкающего размера TAо = 0,21 мм ;
- проверка условия
:
- условие выполняется.
Похожие рефераты:
Гладкое цилиндрическое соединение. Определение элементов соединений, подвергаемых селективной сборке
Практические расчёты посадок, размерных цепей, калибров в машиностроении
Технологический процесс изготовления детали вала
Метрология и нормирование точности, шпиндельная головка + контрольная по нормирование точности
Взаємозамінність, стандартизація та технічні вимірювання
Размерный анализ сборочной единицы (тихоходного вала редуктора)
Расчет и выбор посадок для различных соединений
Расчет редуктора привода стружкоуборочного конвейера
Проектування та аналіз роботи вузла редуктора
Расчет элементов механизма подачи металлорежущего станка
Технология изготовления детали типа "Вал"