| Похожие рефераты | Скачать .docx |
Курсовая работа: Устройство для измерения температуры в удаленных точках
МИНИСТЕРСТВО ОБРАЗОВАНИЯ УКРАИНЫ
НАЦИОНАЛЬНЫЙ ТЕХНИЧЕСКИЙ УНИВЕРСИТЕТ УКРАИНЫ
“КИЕВСКИЙ ПОЛИТЕХНИЧЕСКИЙ ИНСТИТУТ”
Факультет электроники
Кафедра звукотехники и регистрации информации
КУРСОВОЙ ПРОЕКТ
на тему
“Устройство для измерения температуры в удаленных точках”
по курсу
“Проектирование устройств регистрации
и сохранения информации”
2009
РЕФЕРАТ
Курсовой проект содержит основную часть на листах, таблиц , рисунков .
Объектом исследования является устройство для измерения температуры в удаленных точках.
Методом исследования является теоретическое исследование. В результате выполнения курсового проекта разработана функциональная схема устройства для измерения температуры в удаленных точках.
Использование такого устройства позволяет измерять температуру объекта в диапазоне от 0 до 300 °С с точностью 1% при расположении датчика устройства на расстоянии нескольких метров от объекта.
Область применения: устройство может быть использовано в системах автоматического контроля и других системах которые нуждаются в бесконтактном измерении температуры.
ПИРОЭЛЕКТРИЧЕСКИЙ ДАТЧИК, МИКРОПРОЦЕСОР, АНАЛОГОВОЦИФРОВОЙ ПРЕОБРАЗОВАТЕЛЬ, ЖИДКОКРИСТАЛИЧЕСКИЙ ИНДИКАТОР, ФИЛЬТР.
СОДЕРЖАНИЕ
Перечень условных обозначений и сокращений
Введение
1 Анализ существующих решений
1.1 Способы измерения температуры
1.1.1 Понятие о температуре и температурных шкалах
1.1.2 Классификация термометрических свойств
1.1.3 Термометры расширения
1.1.4 Манометрические термометры
1.1.5 Термоэлектрические термометры
1.1.6 Электрические термометры сопротивления
1.1.7 Бесконтактное измерение температуры
1.1.7.1 Основные понятия и законы излучения
1.1.7.2 Датчики частичного излучения
1.1.7.3 Датчики спектрального отношения
1.1.7.4 Датчики суммарного излучения
1.2 Выпускаемые пирометрические датчики
1.3 Промышленные устройства для дистанционного измерения температуры
2 Обоснование способа построения функциональной схемы устройства
3 Расчеты, подтверждающие работоспособность устройства
3.1 Расчет ФНЧ
3.2 Выбор номинала резисторов ограничивающих ток
3.3 Расчет элементов схемы управления ЗУ
3.4 Расчет аттенюатора и согласующего устройства
Литература
Приложение А. Техническое задание
Приложение Б. Устройство для измерения температуры в удаленных точках.
Схема электрическая функциональная
Приложение В. Устройство для измерения температуры в удаленных точках. Перечень элементов
Приложение Г. Устройство для измерения температуры в удаленных точках. Схема электрическая принципиалная
ПЕРЕЧЕНЬ УСЛОВНЫХ ОБОЗНАЧЕНИЙ И СОКРАЩЕНИЙ
| EEPROM | – | Electrically Erasable Programmable Read-Only Memory (электрически стираемое перепрограммируемое постоянное запоминающее устройство); |
| USB | – | Universal Serial Bus (последовательный интерфейс передачи данных); |
| АЦП | – | Аналого-цифровой преобразователь; |
| АЧТ | – | Абсолютно черное тело; |
| АЧХ | – | Амплитудно-частотная характеристика; |
| ЖКИ | – | Жидкокристаллический индикатор: |
| ЗУ | – | Заряджное устройство; |
| МК | – | Микроконтроллер; |
| МТШ | – | Международная температурная шкала; |
| ОУ | – | Операционный усилитель; |
| СИ | – | Суммарное излучение; |
| СО | – | Спектральное отношение; |
| СУ | – | Согласующее устройство; |
| ТС | – | Термометры сопротивления; |
| ТСПП | – | Термометры сопротивления полупроводниковые; |
| ФНЧ | – | Фильтр нижних частот; |
| ЧИ | – | Частичное излучение; |
| ЭДС | – | Электродвижущая сила. |
ВВЕДЕНИЕ
Температура как физическая величина является одним из определяющих параметров состояния, позволяющих контролировать протекание самых различных производственных процессов. Измерение температуры – важнейший источник информации о ходе физических явлений и об изменении состояния вещества. Поскольку из всех термодинамических функций состояния вещества температура наиболее изучена в метрологическом отношении, ее практически оказывается полезным измерять взамен прямого измерения ряда характеристик объекта, зависящих от его состояния и непосредственно интересующих технолога. К таким характеристикам относятся энергия вещества, его химическая активность, вязкость, твердость, изменение его химического или фазового равновесия, скорость изменения структуры, тепловое расширение, изменение электрических и магнитных свойств и т.д.
В то же время измерению температуры контактными методами с помощью термометров, приводимых в тепловой контакт с объектом измерения, присущи специфические трудности, резко возрастающие по мере повышения температуры. Эти трудности связаны с выбором материала для чувствительного элемента, которые бы обеспечивали стабильность показаний и минимальное воздействие на объект измерений, с выбором изоляционных материалов для электрических термометров. Погрешности, связанные при контактных измерениях с несовершенством теплового равновесия между термометром и объектом, с плохим тепловым контактом и посторонними тепловыми влияниями могут быть значительными.
Измерение температуры по тепловому излучению создает возможность обойти все эти трудности, так как отсутствует прямое воздействие температуры на конструкционные материалы измерительного прибора, а само измерение осуществляется бесконтактно.
1 АНАЛИЗ СУЩЕСТВУЮЩИХ РЕШЕНИЙ
1.1 Способы измерения температуры
1.1.1 Понятие о температуре и температурных шкалах
Температурой называют величину, характеризующую тепловое состояние тела. Согласно кинетической теории температуру определяют как меру кинетикой энергии поступательного движения молекул. Отсюда температурой называют уловную статистическую величину, прямо пропорциональную средней кинетической энергии молекул тела.
Все предлагаемы температурные шкалы строились (за редким исключением) одинаковым путем: двум (по меньшей мере) постоянным точкам присваивались определенные числовые значения и предполагалось, что видимое термометрическое свойство используемого в термометре вещества линейно связанно с температурой t
![]()
где k – коэффициент пропорциональности;
E – термометрическое свойство;
D – постоянная, определяющая начало отсчета шкалы.
Принимая для двух постоянных точек определенные значения температур, можно вычислить постоянные k , D и на этой основе построить температурную шкалу. При изменении температуры коэффициент k меняется, при чем различно для разных термометрических веществ. Поэтому термометры, построенные на базе различных термометрических веществ с равномерной градусной шкалой, давали при температурах, отличающихся от температур постоянных точек, различные показания. Последние становились особенно заметными при высоких (много больших температуры кипения воды) и очень низких температурах.
Термодинамическая шкала тождественна шкале идеального газа, построенной на зависимости давления идеального газа от температуры. Законы изменения давления от температуры для реальных газов отклоняются от идеальных, но поправки на отклонения реальных газов невелики и могут быть установлены с высокой степенью точности. Поэтому, наблюдая за расширением реальных газов и вводя поправки, можно оценить температуру по термодинамической шкале.
В начале XX века широко применялись шкалы Цельсия и Реомюра, а в научных работах – также шкалы Кельвина и водородная. Пересчеты с одной шкалы на другую создавали большие трудности и приводили к ряду недоразумений. Потому в 1933 году было принято решение о введении Международной температурной шкалы (МТШ).
Опыт применения МТШ показал необходимость внесения в нее ряда уточнений и дополнений, чтобы по возможности максимально приблизить ее к термодинамической шкале. Поэтому МТШ была пересмотрена и приведена в соответствие с состоянием знаний того времени. В 1960 году было утверждено новое “Положение о международной практической температурной шкале” 1948 года.
1.1.2 Классификация термометрических свойств
Температуру измеряют с помощью датчиков, использующих различные термометрические свойства жидкостей, газов и твердых тел. Существуют десятки различных датчиков применяемых в промышленности, при научных исследованиях, для специальных целей.
Перечислим наиболее распространенные термометрические свойства на основе которых функционируют датчики температуры:
– тепловое расширение;
– изменение давления;
– изменение электрического сопротивления;
– термоэлектрические эффекты;
– тепловое излучение.
Примеры устройств для измерения температуры в зависимости от используемого термоэлектрического свойства приведены в табл. 1.1.
Таблица 1.1 – Устройства для измерения температуры
| Термометрическое свойство | Наименование устройства |
| Тепловое расширение | Жидкостные стеклянные термометры |
| Изменение давления | Манометрические термометры |
| Изменение электрического сопротивления | Электрические термометры сопротивления. |
| Полупроводниковые термометры сопротивления | |
| Термоэлектрические эффекты | Термоэлектрические термометры (термопары) стандартизованные |
| Термоэлектрические термометры (термопары) специальные | |
| Тепловое излучение | Оптические пирометры. |
| Радиационные пирометры. | |
| Фотоэлектрические пирометры. | |
| Цветовые пирометры |
1.1.3 Термометры расширения
Самые старые устройства для измерения температуры – жидкостные стеклянные термометры – используют термометрическое свойство теплового расширения тел. Действие термометров основано на различии коэффициентов теплового расширения термометрического вещества и оболочки, в которой она находится (термометрического стекла или реже кварца).

Рисунок 1.1 – Стеклянный термометр
Жидкостный термометр состоит из стеклянных баллона 1, капиллярной трубки 3 и запасного резервуара 4 (рис. 1.1). Термометрическое вещество 2 заполняет баллонmи частично капиллярную трубку. Свободное пространство в капиллярной трубке и в запасном резервуаре заполняется инертным газом или может находиться под вакуумом. Запасной резервуар или выступающая за верхним делением шкалы часть капиллярной трубки служит для предохранения термометра от повреждения при чрезмерном перегреве.
В качестве термометрического вещества чаще всего применяют химически чистую ртуть. Она не смачивает стекла и остается жидкой в широком интервале температур. Кроме ртути в качестве термометрического вещества в стеклянных термометрах применяются и другие жидкости, преимущественно органического происхождения. Например: метиловый и этиловый спирт, керосин, пентан, толуол, галлий, амальгама таллия.
Основные достоинства стеклянных жидкостных термометров – простота употребления и достаточно высокая точность измерения даже для термометров серийного изготовления. К недостаткам стеклянных термометров можно отнести: плохую видимость шкалы (если не применять специальной увеличительной оптики) и невозможность автоматической записи показаний, передачи показаний на расстояние и ремонта.
У лабораторных и других термометров, градуируемых и предназначенных для измерения при погружении в измеряемую среду до отсчитываемого деления, могут возникать систематические погрешности за счет выступающего столика термометра. Если капиллярная трубка будет погружена в измеряемую среду не полностью, то температура выступающей части капиллярной трубки будет отличаться от температуры измеряемой среды, в результате возникнет погрешность измерения. Поправку в градусах на выступающий столбик в показания термометра можно внести по уравнению
![]()
![]()
где
– коэффициент видимого объемного теплового расширения термометрической жидкости в стекле,
t – действительная температура измеряемой среды,
t в.с. – температура выступающего столбика, измеренная с помощью вспомогательного термометра,
n – число градусов в выступающем столбике.
У термометров, предназначенных для работы с неполным погружением, может возникнуть аналогичная систематическая погрешность, если температура окружающей среды, а следовательно, и выступающего столбика будут отличаться от его температуры при градуировке.
Поправка, в этом случае
где
– температура выступающего столбика при градуировке (в первом приближении допустимо считать
),
– средняя температура выступающего столбика.
Поправки могут иметь большие значения у термометров с органическими термометрическими жидкостями, для которых коэффициент примерно на порядок выше, чем у ртутных термометров.
1.1.4 Манометрические термометры
Действие манометрических термометров основано на использовании зависимости давления вещества при постоянном объеме от температуры. Замкнутая измерительная система манометрического термометра состоит из (рис. 1.2) из чувствительного элемента, воспринимающего температуру измеряемой среды, – металлического термобаллона 1, рабочего элемента манометра 2, измеряющего давление в системе, длинного соединительного металлического капилляра 3. При изменении температуры измеряемой среды давление в системе изменяется, в результате чего чувствительный элемент перемещает стрелку или перо по шкале манометра, отградуированного в градусах температуры.

Рисунок 1.2 – Манометрический термометр
Достоинствами манометрических термометров являются сравнительная простота конструкции и применения, возможность дистанционного измерения температуры и возможность автоматической записи показаний. К недостаткам манометрических термометров относятся: относительно невысокая точность измерения (класс точности 1.6; 2.5; 4.0 и реже 1.0); небольшое расстояние дистанционной передачи показаний и трудность ремонта при разгерметизации измерительной системы.
Поверка показаний манометрических термометров производится теми же методами и средствами, что и стеклянных жидкостных.
1.1.5 Термоэлектрические термометры
Данный тип устройств характеризует высокая точность и надежность, возможность использования в системах автоматического контроля и регулирования параметра, в значительной мере определяющего ход технологического процесса в металлургических агрегатах.
Сущность термоэлектрического метода заключается в возникновении ЭДС в проводнике, концы которого имеют различную температуру. Для того, чтобы измерить возникшую ЭДС, ее сравнивают с ЭДС другого проводника, образующего с первым термоэлектрическую пару AB (рис. 1.3), в цепи которой потечет ток.
Рисунок 1.3 – Термоэлектрисеский термометр
Результирующая термо-ЭДС цепи, состоящей из двух разных проводников A и B равна
![]()
где
и
– разность потенциалов между проводниками A и B при температурах t
2
и t
1
,
соответственно.
Термо-ЭДС данной пары зависит только от температуры t 1 и t 2 и не зависит от размеров термоэлектродов (длины, диаметра), величин теплопроводности и удельного электросопротивления.
Для увеличения чувствительности термоэлектрического метода измерения температуры в ряде случаев применяют термобатарею: несколько последовательно включенных термопар, рабочие концы которых находятся при температуре t 2 , свободные при известной и постоянной температуре t 1 .
1.1.6 Электрические термометры сопротивления
Принцип действия данных термометров основан на использовании зависимости электрического сопротивления вещества от температуры. Зная данную зависимость, по изменению величины сопротивления термометра судят о температуре среды, в которую он погружен. Выходным параметром устройства является электрическая величина, которая может быть измерена с весьма высокой точностью, передана на большие расстояния и непосредственно использована в системах автоматического контроля и регулирования.
В качестве материалов для изготовления чувствительных элементов ТС используются чистые металлы: платина, медь, никель, железо и полупроводники. Изменение электросопротивления данного материала при изменении температуры характеризуется температурным коэффициентом сопротивления
, который вычисляется по формуле
![]()
где t – температура материала;
R 0 и R t – электросопротивление соответственно при 0 ºС и температуре t .
Сопротивление полупроводников с увеличением температуры резко уменьшается, т. е. они имеют отрицательный температурный коэффициент сопротивления практически на порядок больше, чем у металлов. Полупроводниковые термометры сопротивления (ТСПП) в основном применяются для измерения низких температур.
Достоинствами ТСПП являются небольшие габариты, малая инерционность, высокий коэффициент
.
Однако они имеют и существенные недостатки:
– нелинейный характер зависимости сопротивления от температуры;
– отсутствие воспроизводимости состава и градуировочной характеристики, что исключает взаимозаменяемость отдельных ТС данного типа. Это приводит к выпуску ТСПП с индивидуальной градуировкой.
1.1.7 Бесконтактное измерение температуры
1.1.7.1 Основные понятия и законы излучения
О температуре нагретого тела можно судить на основании измерения параметров его теплового излучения, представляющего собой электромагнитные волны различной длины. Чем выше температура тела, тем больше энергии оно излучает. Датчики, действие которых основано на измерении теплового излучения, называют пирометрическими сенсорами. Одним из главных достоинств данных устройств является отсутствие влияния измерителя на температурное поле нагретого тела, так как в процесс се измерения они не вступают в непосредственный контакт друг с другом. Потому данные методы получили название бесконтактных.
На основании законов излучения разработаны датчики следующих типов:
– датчик суммарного излучения (СИ) – измеряется полная энергия излучения;
– датчик частичного излучения (ЧИ) – измеряется энергия в ограниченном фильтром (или приемником) участки спектра;
– датчики спектрального отношения (СО) – измеряется отношение энергии фиксированных участков спектра.
В зависимости от типа датчика различаются радиационная, яркостная, цветовая температуры.
Радиационной температурой реального тела Т р называют температуру, при которой полная мощность АЧТ равна полной энергии излучения данного тела при
действительной температуре Т
д
. Яркостной температурой реального тела Т
я
называют температуру, при которой плотность потока спектрального излучения АЧТ равна плотности потока спектрального излучения реального тела для той же длины волны (или узкого интервала спектра) при действительной температуре Т
д
. Цветовой температурой реального тела Т
ц
называют температуру, при которой отношения плотностей потоков излучения АЧТ для двух длин волн
и
равно отношению плотностей потоков излучений реального тела для тех же длин волн при действительной температуре Т
д
.
1.1.7.2 Датчики частичного излучения
К данному типу датчиков, измеряющих яркостную температуру объекта, относятся монохроматические оптические пирометры и фотоэлектрические пирометры, измеряющие энергию потока в узком диапазоне длин волн.
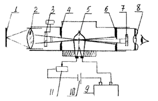
Принцип действия оптических датчиков основан на использовании зависимости плотности потока монохроматического излучения от температуры. На рис. 1.4 представлена схема оптического пирометра с "исчезающей" нитью, принцип действия которого основан на сравнении яркости объекта измерения и градуированного источника излучения в определенной длине волны.
Изображения излучателя 1 линзой 2 и диафрагмой 4 объектива пирометра фокусируется в плоскости нити накаливания лампы 5. Оператор через диафрагму 6 линзу 8 окуляра и красный светофильтр 7 на фоне раскаленного тела видит нить
лампы. Перемещая движок реостата 11, оператор изменяет силу тока, проходящего через лампу, и добивается уравнивания яркости нити и яркости излучателя. Если яркость нити меньше яркости тела, то она на его фоне выглядит черной полоской, при большей температуре нити она будет выглядеть, как светлая дуга на более темном фоне.
Рисунок 1.4 – Оптический датчик теплового излучения
При равенстве яркости излучателя и нити последняя "исчезает" из поя зрения оператора. Этот момент свидетельствует о равенстве яркостных температур объекта измерения и нити лампы. Питание лампы осуществляется с помощью батареи 10. Прибор 9, фиксирующий силу тока, протекающего в измерительной цепи, заранее проградуирован в значениях зависимости между силой тока и яркостной температурой АЧТ, что позволяет производить считывание результата в ºС.
Фотоэлектрические датчики частичного излучение обеспечивают непрерывное автоматическое измерения и регистрацию температуры. Их принцип действия основано на использовании зависимости интенсивности излучения от температуры в узком интервале длин волн спектра. В качестве приемников в данных устройствах используются фотодиоды, фотосопротивления, фотоэлементы и фотоумножители.
Фотоэлектрические датчики частичного излучения делятся на две группы:
– в которых мерой температуры объекта является непосредственно величина потока приемника излучения;
– которые содержат стабильный источник излучения, при чем фотоприемник служит лишь индикатором равенства яркостей данного источника и объекта.

Рисунок 1.5 – Фотоэлектрический датчик теплового излучения
На рис. 1.5 приведена схема фотоэлектрического датчика, относящегося ко второй группе. В нем в качестве приемника излучения применяется фотоэлемент. Поток от излучателя 1 линзой 2 и диафрагмой 3 объектива фокусируется на отверстии 7 в держателе светофильтра 5 таким образом, чтобы изображение визируемого участка поверхности излучателя перекрывало данное отверстие. В этом случае величина светового потока, падающего на катод фотоэлемента 6, расположенного за светофильтром, определяется яркостью излучателя, т. е. его температурой. В держателе светофильтра расположено еще одно отверстие 8, через которое на фотоэлемент попадает поток от лампы обратной связи 17. Световые потоки от излучателя 1 и лампы 17 подаются на катод попеременно с частотой 50 Гц, что обеспечивается с помощью вибрирующей заслонки 9. Возвратно-поступательное движение заслонки обеспечивается с помощью катушки возбуждения 10 и постоянного магнита 12. В вибраторе происходит перемагничивание стального якоря 11, который с частотой 50 Гц поочередно притягивается полюсами магнита 12 и перемещает заслонку 9. При различии световых потоков излучателя 1 и лампы 17 в токе фотоэлемента появится переменная составляющая, имеющая частоту 50 Гц и амплитуду, пропорциональную разности данных потоков. Усилитель 13 обеспечивает усиление переменной составляющей, а фазовый детектор 14 последующее ее выпрямление. Полученный выходной сигнал подается на лампу, что вызывает изменение силы тока накаливания. Это будет происходить до тех пор, пока на катоде фотоэлемента световые потоки от двух источников не уравняются. Следовательно, ток лампы обратной связи однозначно связан с яркостной температурой объекта измерения.
В цепь лампы 17 включено калиброванное сопротивление 16, падение напряжения на котором пропорционально силе тока и измеряется быстродействующим потенциометром 15, снабженным температурной шкалой. Окуляр 4 обеспечивает наводку устройства на объект измерения.
1.1.7.3 Датчики спектрального отношения
Датчики данного типа измеряют цветовую температуру объекта по отношению интенсивностей излучения в двух определенных участках спектра, каждая из которых характеризуется эффективной длиной волны
и
.
На рис. 1.6 приведена схема двухканального датчика спектрального отношения (СО), в котором преобразование энергии получения в электрические сигналы производится с помощью двух кремниевых фотодиодов. Поток излучения от объекта измерения 1 с помощью оптической системы, состоящей из линз 2, апертурной и полевой диафрагмы 3, передается на интерференционный светофильтр 4. Последний обеспечивает выделение двух потоков, каждый из которых характеризуется собственным спектром. Данные потоки попадают на кремниевые фотодиоды 7, которые преобразуют излучение в фототок, протекающий через сопротивление R 1 и R 2 , включенные в измерительную схему вторичного регистрирующего прибора – логометра. Разность падений напряжений на сопротивлениях подается на вход усилителя 5, выходной сигнал которого поступает на реверсивный двигатель 6, перемещающий движок реохорда R 2 и стрелку относительно шкалы наступления баланса, соответствующего измеряемой температуре.

Рисунок 1.6 – Датчик спектрального отношения теплового излучения
Интерференционный фильтр 4 является полупрозрачным зеркалом, имеющим высокий коэффициент пропускания в одной и высокий коэффициент отражения в другой области спектра. Зеркало 8 и окуляр 9 обеспечивают визуальную наводку объектива пирометра на объект измерения. Для уменьшения погрешности от влияния окружающей температуры фильтр 4 и приемники излучения 7 помещены в термостат.
1.1.7.4 Датчики суммарного излучения
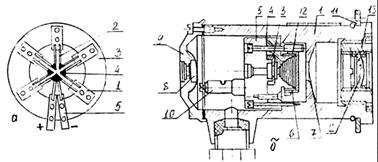
Датчики суммарного излучения измеряют радиационную температуру тела, поэтому их часто называют радиационными. Принцип действия данных измерителей температуры основан на использовании закона Стефана-Больцмана. Однако в случае применения оптических систем в СИ определение температуры ведется по плотности интегрального излучения не во всем интервале длин волн, а значительно меньшем: для стекла рабочий спектральный диапазон составляет 0.4 – 2.5, а для плавленого кварца 0.4 – 4 мкм.
Рисунок 1.7 – Датчик суммарного теплового излучения
Датчик выполняется в виде телескопа, линза объектива которого фокусируется на термочувствительном приемнике излучения нагретого тела. В качестве термочувствительного элемента используются термопары, термобатареи, болометры (металлические и полупроводниковые), биметаллические спирали и т.п. Наиболее широко применяются термобатареи (рис. 1.7,а), в которых используется 6-10 миниатюрных термопар (например, хромель-копелевые), соединенных последовательно. Поток излучения попадает на расклепанные в виде тонких зачерненных лепестков рабочие концы 4 термопар 2. Свободные концы термопар привариваются к тонким пластинкам 1, закрепленным на слюдяном кольце 3. Металлические выводы 5 служат для присоединения к измерительному прибору, в качестве которого обычно используются потенциометры или милливольтметры. Рабочие концы термопар поглощают падающую энергию и нагреваются. Свободные концы находятся вне зоны потока излучения и имеют температуру корпуса телескопа. В результате возникновения перепада температур термобатарея развивает термо-ЭДС, пропорциональную температуре рабочих спаев, а следовательно, и температуре объекта измерения.
На рис. 1.7,б показано устройство телескопа СИ. Он включает: корпус 1 с диафрагмой 7; объектив, имеющий стеклянную или кварцевую линзу 2, устанавливаемую во втулке 13, ввинчиваемой в корпус; блок термобатареи, состоящей из самой термобатареи 3, корпуса 5, отростка, на который навинчивается подвижная диафрагма 6, и контактных винтов 10; компенсационное медное сопротивление 4, шунтирующее термобатарею и обеспечивающее уменьшение влияния измерений температуры телескопа на показания пирометра; окуляр, включающий линзу 8 и защитное стекло 9. Фланец 11 служит для крепления корпуса к защитной арматуре, обеспечивающей работу пирометра в тяжелых условиях металлургического производства.
Получение стандартной градуировки обеспечивается перемещением диафрагмы 6, зубчатый венец которой сочленен с зубьями трубки 12. Диафрагма, устанавливаемая в телескопе, ограничивает телесный угол визирования, что исключает влияние на показания размеров излучателя и его расстояния от датчика. При этом на термобатарею попадает излучение только с определенного небольшого участка объекта измерения. Размеры этого участка определяются по показателю визирования, который является отношением наименьшего диаметра излучателя к расстоянию от объекта измерения до объектива телескопа. При этом изображение круга, вписанного в излучатель, полностью перекрывает отверстие диафрагмы 6, находящейся перед термобатареей.
Телескопы с показателем визирования более 1/16 являются широкоугольными, а с показателем, равным или меньшим 1/16, - узкоугольными. При измерении температуры в схему пирометра между телескопом и вторичным прибором (милливольтметром или потенциометром) включается панель уравнительных и эквивалентных сопротивлений. Она обеспечивает постоянную нагрузку телескопа при работе с одним или двумя вторичными приборами, а также замену телескопа одной градуировки на телескоп другой градуировки.
1.2 Выпускаемые пирометрические датчики
На данный момент выпускается множество различных пирометрических датчиков. Рассмотрим некоторые из них.
Датчики фирмы Murata.
Пироэлектрические инфракрасные чувствительные элементы фирмы Murata, имеют высокую чувствительность и надежное исполнение, возможные благодаря керамической и упаковочной технологии Murata, которая развивалась многие годы.
Особенности датчиков:
– высокая чувствительность и превосходное соотношение С/Ш;
– высокая стабильность к температурным изменениям;
– высокая невосприимчивость к внешней помехе;
– высокое отношение качество-цена.
Инфракрасный пироэлектрический SMD датчик Murata IRS-A200ST01
Схема подключения и габаритные характеристики SMD датчика IRS-A200ST01 приведены на рис. 1.8.

Рисунок 1.8 – Габаритные размеры и электрическая схема сенсора
Основные характеристики датчика IRS-A200ST01:
Типовая чувствительность 3.8 мВ (размах напряжения на выходе сенсора при прерывании излучения абсолютно черного тела с температурой 227 °С, находящегося от него на расстоянии 140 мм);
- угол обзора 50°;
- напряжение питания от 2 до 15 В;
- размеры фоточувствительных элементов 2.5×0.55 мм;
- диапазон рабочих температур от -40 до 70 °С;
- температура хранения от -40 до 85 °С;
- возможна пайка оплавлением при температурах до 240°C;
- оптический фильтр 5 мкм;
- габаритные размеры 6.7×5.7×2.6 мм.
Инфракрасные пироэлектрические датчики Murata серии IRA-E7
Схема подключения и габаритные характеристики датчиков Murata IRА-E700ST0 и IRА-E710ST0 приведены на рис. 1.9.

Рисунок 1.9 – Габаритные размеры и электрические схема сенсоров
Основные характеристики датчиков серии IRA-E7:
- типовая чувствительность 4.3 мВ;
- угол обзора 45°;
- напряжение питания от 2 до 15 В;
- размеры фоточувствительных элементов 2×1 мм;
- диапазон рабочих температур от -40 до 70 °С;
- оптический фильтр 5 мкм;
- температура хранения от -40 до 85 °С;
- габаритные размеры 9.2×9.2×4.7 мм.
Температурно компенсированные инфракрасные пироэлектрические датчики Murata серии IRA-E420
Схема подключения и габаритные характеристики датчиков Murata IRА-E420S1, IRА-E420QW1 и IRА-E420SW1 приведены на рис. 1.10.

Рисунок 1.10 – Габаритные размеры и электрические схема сенсоров
Основные характеристики датчиков серии IRA-E420 приведены в табл. 1.2.
Таблица 1.2 – Основные характеристики датчиков серии IRA-E420
| Характеристика | IRА-E420S1 | IRА-E420QW1 | IRА-E420SW1 |
| Типовая чувствительность | 3.4 мВ | 1.3 мВ | 0.45 мВ |
| Угол обзора | 17° | 50° | |
| Напряжение питания | 3…15 В | ||
| Диапазон рабочих температур | -25…70 °С | -25…55 °С | -25…70 °С |
| Температура хранения | -30…100 °С | ||
| Габаритные размеры | 9.2×9.2×4.9 мм | 9.2×9.2×4.5 мм | |
| Оптический фильтр | 1…15 мкм | 4.3 мкм | 4.45 мкм |
Пироэлектрические датчики фирмы Banner Engineerihg cерии М18
Основные характеристики датчиков Banner Engineerihg cерии М18 приведены в табл.1.3 и 1.4.
Таблица 1.3 – Основные характеристики датчиков cерии М18
| Модель | Соединение | Отношение расстояние/размер окна | Чувствительная поверхность |
| M18TUP8 | Кабель | 8:1 | Встроенные линзы |
| M18TUP6E | Кабель | 6:1 | Закрытая пластиковая поверхность |
| M18TUP14 | Кабель | 14:1 | Германиевые линзы |
| M18TUP8Q | Разъем | 8:1 | Встроенные линзы |
| M18TUP6EQ | Разъем | 6:1 | Закрытая пластиковая поверхность |
| M18TUP14Q | Разъем | 14:1 | Германиевые линзы |
Таблица 1.4 – Характеристики датчиков cерии М18 с аналоговым выходом
| Диапазон измеряемых температур, ºC | 0…300 |
| Длина волны, нм | 8…14 |
| Программируемые функции | обучение |
| Выход, В | 0..10 DC |
| Линейность, ºC | ± 2 (0…50 ºC) ±1 (50…300 ºC) |
| Повторяемость, | ± 1% |
| Напряжение питания, В | 12…30 DC |
| Потребляемый ток, мА | < 35 |
| Минимальное сопротивление на выходе, кОм | 2,5 |
| Защита от короткого замыкания | есть |
| Ток утечки, мкА | < 10 |
| Время отклика, мс | 75 |
| Готовность к работе после включения, с | 1,5 |
| Минимальное сопротивление входа обучения, кОм | 3 |
| Время прогрева, мин | 5 |
| Температура окружающей среды, ºC | -20…70 |
| Материал корпуса | Нерж. сталь, пластик, акрил. |
| Соединение | Разъем M12×1 5pin Кабель 2м 5-ти ж. |
Схема подключения и габаритные характеристики датчиков Banner Engineerihg cерии М18 приведены на рис. 1.11.

Рисунок 1.11 – Габаритные размеры и схема подключения сенсоров
1.3 Промышленные устройства для дистанционного измерения температуры
На данный момент выпускается множество различных устройств для бесконтактного измерения температуры. Рассмотрим некторые из них:
- устройство для бесконтактного измерения температуры фирмы CHY Firemate Co CHY 610L изображено на рис. 1.12. Характеристики устройства CHY 610L приведены в табл. 1.5.

Рисунок 1.12 – Внешний вид CHY 610L
Таблица 1.5 – Технические характеристики CHY 610L
| Параметр | Значение |
| Диапазон температур | -20 °С … 260 °С (0 °F … 500 °F) |
| Разрешение | 1 °С; 1 °F |
| Погрешность измерения | ± 3 % от показания или ± 3 °С (6 °F) |
| Тип индикатора | Жидкокристаллический (3 ½) |
| Подсветка дисплея | Есть |
| Формат индикации | 4 разряда (максим. значение 1999) |
| Оптическое разрешение (D : S) | 10 : 1 |
| Коэффициент излучения | Фиксированный 0,95 |
| Удержание показаний | 15 с |
| Время установления | 1 с |
| Скорость измерения | 2,5 раза в секунду |
| Лазерный указатель | Активируется или отключается оператором |
| Условия эксплуатации | 0 °С … 50 °С, отн. влажность не более 80 % |
- устройство для бесконтактного измерения температуры фирмы CEM DT-8866 изображено на рис. 1.13. Характеристики устройства DT-8866 приведены в табл. 1.6.

Рисунок 1.13 – Внешний вид DT-8866
Таблица 1.6 – Технические характеристики DT-8866
| Параметр | Значение |
| Диапазон температур | -35 °С … 550 °С |
| Разрешающая способность | 0.1 °С |
| Оптическое разрешение | 10:1 |
| Изменение коэффициента излучения измеряемых поверхностей | Регулируемый 0.10 … 1.0 |
| Погрешность | ± 1% |
| Время отклика | не более 300 мс |
| Спектральная чувствительность | 8-14 мкм |
- устройство для бесконтактного измерения температуры фирмы АКИП АКИП-9301 изображено на рис. 1.14. Характеристики устройства АКИП-9301 приведены в табл. 1.7.

Рисунок 1.14 – Внешний вид АКИП-9301
Таблица 1.7 – Технические характеристики АКИП-9301
| Параметр | Значение |
| Диапазон температур | -20 °С … 500 °С |
| Разрешение | 0,2 °С; |
| Погрешность измерения | ± 3 % (100…500°С), ± 2 °С (-20…100°С) |
| Диапазон ИК волн | 5 ... 14 мкм |
| Тип индикатора | Жидкокристаллический (3 ½) |
| Подсветка дисплея | Светодиодная |
| Формат индикации | 4 разряда |
| Оптическое разрешение | 8:1 |
| Коэффициент излучения | 0,95 (фиксированный) |
| Время установления | 500 мс |
| Воспроизводимость | ±1% от показания |
| Источник питания | 9 В типа "Крона", срок службы 15 ч |
| Условия эксплуатации | 0 °С... 50 °С, относительная влажность не более 95 % |
- устройство для бесконтактного измерения температуры фирмы АКТАКОМ АТТ-2520 изображено на рис. 1.15.

Рисунок 1.15 – Внешний вид АТТ-2520
Технические характеристики пирометра АТТ-2520:
· диапазон измерений -50 … +500 °С;
· отключаемый лазерный маркер;
· оптическое разрешение 8:1;
· постоянная интенсивность излучения 0,95;
· разрешающая способность 0,2 °C;
· погрешность измерения ±5 °C (-50 ... -20 °C), ±1,5% (-20 ... +500 °C);
· индикация 2-х температур на дисплее;
· удержания текущего значения;
· максимальное, минимальное, среднее значение сохраняется в памяти;
· индикация температуры окружающей среды;
· расчет разности температур;
· автоотключение;
· индикатор разряда батареи;
· подсветка дисплея;
· питание 9 В («Крона»).
2 ОБОСНОВАНИЕ СПОСОБА ПОСТРОЕНИЯ ФУНКЦИОНАЛЬНОЙ СХЕМЫ УСТРОЙСТВА
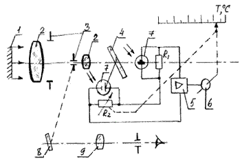
Функциональная схема устройства для измерения температуры в удаленных точках приведена на рис. 2.1.
Устройство для измерения температуры в удаленных точках предназначенное для бесконтактного измерения температуры объектов, находящихся на расстоянии нескольких метров от датчика. В основе данного устройства лежит пирометрический датчик, который преобразует тепловое излучение объекта, представляющего собой электромагнитные волны различной длины, в электрическое напряжение. Таким образом рассматриваемое устройство должно обеспечить преобразования напряжения с выхода датчика в соответствующее значение температуры и отображение его на индикаторе. Используем датчик фирмы Banner Engineerihg M18TUP14Q, характеристики которого приведены в пункте 1.2. Зависимость выходного напряжения от датчика M18TUP14Q от температуры объекта приведено на рис. 2.2. Данный датчик имеет линейность 2 в диапазоне 0…50 ºC и 1 в диапазоне 50…300 ºC.

Рисунок 2.2 – Зависимость напряжения на выходе датчика от температуры объекта

Рассмотрим функционирование схемы устройства.
С выхода пироэлектрического датчика напряжение соответствующее температуре объекта поступает на ФНЧ, который предназначен для фильтрации помех. С выхода ФНЧ сигнал поступает на аттенюатор, с помощью которого выполняется калибровка устройства путем изменения коэфициента передачи. Далее сигнал поступает на согласующее устройство (СУ) предназначенное для подключения датчика к АЦП. С выхода АЦП сигнал поступает на вход микроконтроллера (CPU1). Микроконтроллер осуществляет пересчет кода соответствующего выходному напряжению датчика в температуру объекта.
Рассмотрим алгоритм работы микроконтроллера (CPU1). Блок-схема алгоритма работы микроконтроллера (МК) приведена на рис. 2.3. При нажатии кнопки ”Замер” на клавиатуре подключенной к порту Р1, МК через P0 проверяет наличие сигнала готовности АЦП. При поступлении сигнала готовность, в аккумулятор А МК записывается код с порта Р0. Далее МК производит процедуру сравнения содержимого аккумулятора А с кодом соответствующим напряжению на выходе датчика, при температуре объекта 50 ºC. В зависимости от результата сравнения в регистр МК Rn записываются соответствующие значения T
1
, T
2
,
и
. Где значения T
1
и T
2
соответствуют крайним значениям температуры линейного участка характеристики датчика, а
и
– значение кода, соответствующего темпере объекта T
1
и T
2
. В случае, положительного результата сравнения T
1
=0 °C и T
2
=50 °C. В случае, отрицательного результата сравнения T
1
=50 °C и T
2
=300 °C. Далее МК пересчитывает значение кода полученного с АЦП в значение температуры объекта по формуле
![]()
где
– значение кода полученного с АЦП;
– температура объекта.
Далее код соответствующий значению температуры объекта через порты Р2 и Р3 поступает на схему управления ЖКИ и интерфейс USB. Таким образом информация о температуре объекта поступает на отображение.

Рисунок 2.3 – Блок-схема алгоритма работы МК
Далее в аккумулятор А МК записывается значение кода с Р1. В случае нажатой кнопки ”Cтоп” на порты МК Р2 и Р3 продолжает поступать значение подсчитанной температуру объекта. В ином случае через порот Р2 на АЦП поступает сигнал сброса и цикл измерения повторяется.
Питание элементов схемы осуществляется от акумулятора напряжением 4,5 В с помощью DC – DC преобразователя. В качестве зарядного устройства (ЗУ) используется готовый нестабилизированный сетевой адаптер БПН 12-03 с выходным напряжением 12 вольт и током нагрузки 300 мА. С помощью супервизора контролируется заряд акумулятора.
Рассмотрим схему управления ЗУ. В основе схемы лежит микроконтроллер (CPU2). Вывод AIN контроллера является входом аналогового компаратора, с помощью которого контролируется состояние источника питания (ЗУ). Вывод ADC это вход АЦП, с помощью которого измеряется напряжение на аккумуляторе. Высокий уровень на выходе P0 включает цепь зарядки акумулятора. Высокий уровень на выходе P1 включает цепь разряда аккумулятора. Вывод P2 служит для индикации окончания заряда аккумулятора. Диод используется для защиты от неправильного подключения источника питания.
Рассмотрим алгоритм работы микроконтроллера (CPU2). Блок-схема алгоритма работы микроконтроллера (МК) приведена на рис. 2.4. После подачи питания на микроконтроллер, происходит частичная инициализация внутренних устройств микроконтроллера (порт ввода/вывода, таймер, АЦП, компаратор и т.п.). Так же начинает светится светодиод VD5. Затем проверяется, в норме ли напряжение питания. Если напряжение в норме, то завершается инициализация и считывается значение статуса из энергонезависимой памяти (EEPROM) МК, чтобы узнать статус МК до отключения питания. Далее, проверяется, установлена ли аккумуляторная батарея в зарядное устройство. Для этого измеряется напряжение на аккумуляторной батарее. Если оно больше, чем 0,5 вольта, то считается, что батарея установлена. Если в момент включения питания батарея находилась в зарядном устройстве, то работа продолжится в соответствии с тем состоянием, которое было записано в энергонезависимую память.

Рисунок 2.4 – Блок-схема алгоритма работы МК
Если раньше шёл разряд, то продолжится разряд, а затем начнётся заряд. Если шёл заряд, то продолжится заряд, пока аккумулятор не будет заряжен, после чего ЗУ будет отключено. Если же в момент включения питания батарея не была установлена, то будет начат новый цикл разряд/заряд по установке аккумулятора. Как только батарея будет установлена, будет включена цепь разряда аккумулятора. При этом начинает светиться светодиод VD3. Разряд будет продолжаться до тех пор, пока напряжение на аккумуляторе не уменьшится до 1 В. После этого, разрядная цепь отключается и включается ЗУ. Светодиод VD3 гаснет и начинает светиться VD2. Если во время заряда аккумуляторы были извлечены из зарядного устройства до окончания процесса заряда, то из-за работающего ЗУ, напряжение на контактах держателя резко возрастёт. По этому признаку микроконтроллер узнаёт, что аккумуляторы были извлечены, и выключает режим заряда. В данном случае после установки аккумуляторов будет начат новый цикл разряд/заряд. По окончанию процесса заряда аккумулятора ЗУ отключается и начинает светиться VD4. За состоянием питающего напряжения следит аналоговый компаратор (вход AIN микроконтроллера). Если напряжение на входе аналогового компаратора становится меньше необходимого значения, то происходит прерывание выполняемой программы, выходы контроллера переключаются на низкий уровень, состояние контроллера записывается в энергонезависимую память, и микроконтроллер переходит в режим ожидания.
3 РАССЧЕТЫ, ПОДТВЕРЖДАЮЩИЕ РАБОТОСПОСОБНОСТЬ УСТРОЙСТВА
3.1 Расчет ФНЧ
В данном устройстве ФНЧ выполняет функцию фильтрации помех. Поскольку в качестве пироэлектрического датчика используется датчик фирмы Banner Engineerihg M18TUP14Q, время отклика которого составляет 75 мс, то частота среза ФНЧ будет

Значение частоты гарантированного затухания
ФНЧ примем равным 1 кГц. В качестве аппроксимирующей передаточной функции примем аппроксимацию Чебышева. Тогда порядок фильтра определяется

где
– гарантированное затухание,
=40 дБ;
– неравномерность АЧХ фильтра в полосе пропускания,
=1 дБ.
Округляем полученный при расчете порядок фильтра в сторону ближайшего большего целого числа. По таблице полюсов равноволновой функции, аппроксимирующей частотную характеристику находим координаты полюсов, для значения неравномерности АЧХ в полосе пропускания 1 дБ
![]()
Определяем нормированные собственные частоты полюсов и их добротности
![]()

Осуществляем переход к физически реализуемому фильтру
.
Исходя из значения добротности и порядка фильтра, рассчитываем активное звено с Т-мостом приведенное на рис. 3.1.

Рисунок 3.1 – ФНЧ второго порядка
Пусть С1 =С2 = 3300 пФ и R1 =R2 тогда


Значение сопротивлений R1 и R2 округляем до ближайшего значения из ряда Е24 равное 3 кОм.
Примем R3 равным 10кОм, тогда значение R4 определяется

Значение сопротивления R4 округляем до ближайшего значения из ряда Е24 равное 10 кОм.
3.2 Выбор номинала резисторов ограничивающих ток
Светодиоды общего назначения VD3…VD6, VD9 удовлетворительно работают при токах от 3 мА до 20 мА. Без ограничивающих резисторов, токи протекающие через диоды могут достигать значений, при которых диод может выйти из строя. В связи c этим используются резисторы ограничивающие ток, расчет которых ведется следующим образом. Выходное напряжение на элементах DD1, DA2, DA5 равно 5 В. Примем, что падение напряжения на светодиоде равно 2 В. Тогда через ограничивающий резистор должен протекать минимальный ток 5 мА, и при этом падение напряжения на нем составляет 3 В. Таким образом, номинал резистора определяется по закону Ома
600 Ом.
Ближайший номинал из стандартного ряда – Е24, 620 Ом.
Диод VD4 подключен к напряжению 12 В. Соответственно падение напряжения на ограничивающем резисторе R14 состовляет 10 В. Тогда по закону Ома
![]()
Номинал из стандартного ряда – Е24, 2 кОм.
3.3 Расчет элементов схемы управления ЗУ
В устройстве используется микроконтроллер фирмы Atmel AVR ATiny13 (DD1) с встроенным компаратором и АЦП. В качестве опорного напряжения используется внутренний источник напряжения с номинальным значением
= 1,1 В. Порог срабатывания аналогового компаратора залдется делителем напряжения на резисторах R4, R5. Напряжения питания считается нормальным, если напряжение на входе стабилизатора MC78L05 (DA1) составляет не менее
= 7,5 В. Таким образом коэффициент передачи делитеня напряжения R4- R5 состовляет
.
Примем сопротивление R5 равным 10 кОм. Тогда сопротивление R4 определяется

Ближайший номинал из стандартного ряда – Е24, 56 кОм.
Поскольку в качестве источника питания используется акумулятор с номинальным значением напряжения
= 4,5 В, а опорное напряжение АЦП
= 1,1 В, то коэффициент передачи делитеня напряжения R9-R12 состовляет

Примем сопротивление R9 равным 10 кОм. Тогда сопротивление R4 определяется

Номинал из стандартного ряда – Е24, 30 кОм.
Непосредственным источником напряжения для зарядки акумулятора является стабилизатор тока на микросхеме LM317T (DA5). Ток заряда аккумулятора согласно рекомендациям изготовителей примем равным 200 мА. Резистор R16 определяет ток заряда и рассчитывается по формуле

Номинал из стандартного ряда – Е24, 7,5 Ом.
Для включения/выключения зарядки используется каскад на транзисторах VT2, VT3. Когда на выходе 2 микроконтроллера DD1 низкий уровень, транзистор VT2 закрыт, а транзистор VT3 открыт и соединят вход ADJ микросхемы DA2 с общим проводом. При этом напряжение на выходе микросхемы DA2 уменьшается до 1,25 вольта. Если на выходе 2 микроконтроллера DD1 появляется высокий уровень, то транзистор VT2 открывается, а транзистор VT3 закрывается, и микросхема DA2 начинает работать как стабилизатор тока. Диод VD8 не даёт аккумуляторам разряжаться при выключенном стабилизаторе тока. Диод VD7 и резистор R17 создают небольшой сдвиг уровня выходного напряжения, чтобы уменьшить выходное напряжение микросхемы DA2 в выключенном состоянии. Примем сопротивление R23 равным 1 кОм.
3.4 Расчет аттенюатора и согласующего устройства
С выхода пироэлектрического датчика через ФНЧ, аттенюатор и СУ напряжение поступает на АЦП. В качестве пироэлектрического датчика используется датчик фирмы Banner Engineerihg M18TUP14Q. Максимальное выходное напряжение датчика
= 10 В. В качестве DD3 используется 8 битный АЦП AD7478. Микросхема работает от униполярного питания +5 В. В качестве источника опорного напряжения АЦП используют внутреннее напряжение питания, что позволяет достичь широчайший динамический диапазон входных напряжений, так как этот диапазон лежит в пределах от 0 В до Uпит.
Таким образом, максимальное входное напряжение АЦП состовляет
= 5 В. Тогда коэфициент ослабления аттенюатора определяется
![]()
Примем сопротивление R11 равным 10 кОм. Тогда сопротивление R10 определяется

Номинал из стандартного ряда – Е24, 10 кОм.
Поскольку минимально выходное сопротивление датчика M18TUP14Q состовляет 2,5 кОм для согласования выходного сопротивления датчика и входного сопротивления АЦП используется повторитель напряжения. АЦП имеет широкую полосу пропускания – 100 кГц при отношения сигнал/ шум = 70 дБ. Для избежания дополнительной погрешности в качестве DA3 использован прецызионный ОУ AD8628 со следующими хорактеристиками:
– коэффициент усиления без цепи обратной связи 1,7 В/мкВ;
– коэффициент ослабления синфазного сигнала 120 дБ;
– начальное смещение 5 мВ;
– начальный ток смещения 100 пА;
– спектральная плотность шума
;
– скорость наростания напряжения 1 В/мкс;
– частота единичного усиления 2,5 МГц;
– напряжение питания +5 В.
ЛИТЕРАТУРА
1. Преображенский В. П. Теплотехнические измерения и приборы: Учебник для вузов по специальности «Автоматизация теплоэнергетических процессов». – 3-е изд., перераб. – Москва: «Энергия», 1978. – 704 с.
2. Чистяков С. Ф., Радун Д. В. Теплотехнические измерения и приборы. М.: Высшая школа, 1972, - 392 с.
3. http://detect-ufo.narod.ru/pribor/detect_ir/index.html
4. http://www.murata.com/
5. http://www.newic.ru/catalog/sensors/temperature/
Приложение А
ТЕХНИЧЕСКОЕ ЗАДАНИЕ
на курсовой проект
“ Устройство для измерения температуры в удаленных точках ”
1 Наименование работы
Устройство для измерения температуры в удаленных точках.
2 Основания для выполнения
Работа проводится на основании задания на курсовой проект в соответствии с вариантом 32.
3 Цель и актуальность работы
Целью работы является разработка устройства для измерения температуры в удаленных точках, функциональной и принципиальной схемы, расчет его основных узлов, овладение методикой проектирования электронной аппаратуры и правилами оформления технической документации на проектируемое устройство.
4. Основные технические характеристики устройства для измерения температуры в удаленных точках
4.2.1 Диапазон измеряемых температур 0…300 °С.
4.2.2 Разрешающая способность – 2 °С.
4.2.3 Погрешность измерения – 1 %.
4.2.4 Оптическое разрешение – 14:1.
4.2.5 Время установления – не более 500 мс.
4.2.6 Диапазон ИК волн – 8…14 нм.
4.2.7 Источник питания – 4,5 В.
4.2.8 Зарядное устройство – 12 В, 300 мА.
4.2.9 Тип индикатора – жидкокристаллический.
5 Требования к технологичности
Устройство должно быть выполнено на элементной базе широкого применения и содержать минимум специализированных элементов.
6 Требования к безопасности
В отношении безопасности работающее устройство должно отвечать требованиям ГОСТ 12.2.006 и обеспечивать электробезопасность, пожаробезопасность, механическую прочность и другие требования при монтаже, эксплуатации, обслуживании и ремонте.
7 Экономические показатели
Разрабатываемое устройство должно быть эффективно в отношении его производства с экономической точки зрения. Схемные решения должны иметь минимальную стоимость реализации.
8 Требования к уровню унификации
В разрабатываемой конструкции необходимо стремится к максимальному использованию стандартных компонентов и унифицированных изделий, а также заимствованных сборочных единиц и деталей.
Приложение Б
Устройство для измерения температуры в удаленных точках
Схема электрическая функциональная
Приложение В
Устройство для измерения температуры в удаленных точках
Перечень элементов
| Зона | Поз. обозначение |
Наименование | Кол. | Примечание |
| Конденсатори К10-17 ОЖ0.460.107ТУ | ||||
| Конденсатори К50-35 ОЖ0.464.214ТУ | ||||
| C1, C2 | К10-17-П33- 3,3 нФ±10%-25-В | 2 | ||
| С3 | К10-17-П33- 220 нФ±10%-25-В | 1 | ||
| С4 | К10-17-П33- 10 нФ±10%-25-В | 1 | ||
| С5 | К10-17-П33- 220 нФ±10%-25-В | 1 | ||
| С6 | К10-17-П33- 100 нФ±10%-25-В | 1 | ||
| С7 | К10-17-П33- 10 нФ±10%-25-В | 1 | ||
| С8 | К50-35-16В- 220 мкФ-И-В-А | 1 | ||
| С9 | К10-17-П33- 220 нФ±10%-25-В | 1 | ||
| С10, С11 | К10-17-П33- 30 пФ±10%-25-В | 2 | ||
| С12 | К50-35-16В- 220 мкФ-И-В-А | 1 | ||
| С13, С14 | К10-17-П33- 30 пФ±10%-25-В | 2 | ||
| С15…С17 | К50-35-16В- 47 мкФ-И-В-А | 3 | ||
| С18…С23 | К10-17-П33- 220 нФ±10%-25-В | 6 | ||
| Микросхемы | ||||
| DA1 | M18TUP14Q | 1 | ||
| DA2 | MC78L05 | 1 | ||
| DA3 | OP262 | 1 | ||
| DA4 | AD8628 | 1 | ||
| DA5 | LM317T | 1 | ||
| DA6 | B44940G | 1 | ||
| DA7 | RW05033S | 1 | ||
| DA8 | RW0505S | 1 | ||
| DA9 | RW0512S | 1 | ||
| DD1 | ATiny13 | 1 | ||
| DD2 | MAX3421E | 1 | ||
| DD3 | AD7478 | 1 |
| VD7, VD8 | 1N4007 | 2 |
| VD9 | АЛС307 | 1 |
| Транзисторы | ||
| VT1 | KT829 | 1 |
| VT2, VT3 | KT503 | 2 |
| Резонаторы | ||
| Q1, Q2 | KXO-85 | 2 |
Приложение Г
Устройство для измерения температуры в удаленных точках
Схема электрическая принципиальная
Похожие рефераты:
Автоматизация известково-обжиговой печи
Основы стандартизации, метрологии и сертификации
Оборудование летательных аппаратов
Модернизация релейной защиты на тяговой подстанции Улан-Удэ на базе микропроцессорной техники
Совершенствование метрологического обеспечения измерений в турбокомпрессорном цехе Узюм-Юганской ГКС
Разработка анализатора газов на базе газового сенсора RS 286-620
Ответы к Экзамену по Микропроцессорным Системам (микроконтроллеры микрокопроцессоры)
Теория безопасности жизнедеятельности
Разработка устройства автоматического регулирования света на микроконтроллере