| Похожие рефераты | Скачать .docx | Скачать .pdf |
Реферат: Холодильное оборудование предприятий торговли и общественного питания
План контрольной работы
1. Принципы сохранения пищевых продуктов
2. Охлаждение продуктов животного происхождения
3. Пароэжекторные и абсорбционные холодильные машины. Схема и принцип действия
4. Холодильные шкафы
Использованная литература
1. Принципы сохранения пищевых продуктов
Основными пищевыми продуктами, хранящимися в холодильниках, являются: мясо и мясные продукты, птица, рыба и рыбные продукты, масло животное и пищевые жиры, некоторые молочные продукты (сыр, творог, сметана, сливки, молочные консервы), плоды и частично ягоды и овощи. Эти продукты скоропортящиеся, так как наличие в них большого количества воды, а также органических соединений создает благоприятные условия для развития и жизнедеятельности различных микроорганизмов.
Одновременно с микроорганизмами в процессах разложения пищевых скоропортящихся продуктов активно участвуют и ферменты самих продуктов. Следовательно, причиной порчи пищевых продуктов являются микробиальные и биохимические факторы.
При благоприятных для микрофлоры и ферментов условиях (повышенная температура и повышенная влажность воздуха) биохимические процессы приводят к глубоким изменениям органических соединений пищевых продуктов.
В гнилостном разложении продуктов принимают участие некоторые микрококки, бактерии из группы протея и кишечной палочки, а также другие формы аэробных и анаэробных микроорганизмов. Одни микроорганизмы в условиях повышенной температуры вырабатывают ферменты типа трипсина и расщепляют белковую молекулу, другие могут расщеплять лишь продукты гидролиза белков—пептоны и аминокислоты.
Процесс гидролиза жиров, в котором также активно участвуют ферменты, вырабатываемые растительными, животными и бактериальными клетками, обычно сопровождается выделением свободных жирных кислот. Окисление жиров является следствием физико-химических факторов и приводит к их осаливанию и прогорканию; окислению жиров предшествует их гидролитическое расщепление.
Разложение углеводов происходит при участии ферментов, вырабатываемых различными микроорганизмами. Этот процесс может протекать как в аэробных, так и в анаэробных условиях. При разложении углеводов в аэробных условиях происходят энергичные окислительные процессы, которые приводят к образованию углекислоты и воды. В анаэробных условиях разложение углеводов идет значительно медленнее, причем в органических веществах протекают различные виды брожения, сопровождающиеся возникновением разнообразных продуктов. В обоих случаях процессы протекают экзотермически, т. е. с выделением тепла, являющегося источником энергии для жизнедеятельности микроорганизмов.
В связи с тем, что для развития микробиальных и ферментативных процессов необходимы благоприятные физические условия, порча пищевых продуктов будет начинаться и протекать лишь при положительных температурах и повышенной влажности. Для предупреждения этих процессов необходимо снизить до определенного предела температуру и влажность воздуха. Это снижение температуры не оказывает отрицательного влияния на витаминный состав продуктов и не вызывает изменений в составе белков, жиров и углеводов.
Физиологические процессы в живых организмах протекают в условиях внешней среды. Путем воздействия на внешние факторы можно в определенном направлении регулировать жизнедеятельность этих организмов.
Проф. Я. Я. Никитинский все существующие способы сохранения и консервирования пищевых средств, предложил свести к четырем принципам: биозу, анабиозу, ценоанабиозу и абиозу.
Холодильное консервирование согласно классификации проф. Я. Я. Никитинского основано на анабиозе с включением в подгруппы способов консервирования по принципу психроанабиоза и криоанабиоза.
Пониженные и низкие температуры не вызывают гибели микроорганизмов, а переводят их в неактивное состояние, в котором они лишаются способности проявлять жизнедеятельность.
Таким образом, низкие температуры помогают сохранить продукты длительное время без значительных изменений их первоначального качества.
Любой метод консервирования в сочетании с пониженными или низкими температурами дает больший эффект. Понижение температуры вызывает не только резкое торможение биохимических процессов, но и изменение физического состояния протомы бактериальной клетки. Благодаря частичному превращение воды в лед происходит переход протоплазмы в более контрированное коллоидное состояние, при этом, если протоплазма бактериальной клетки в результате замораживания находится в обратимой фазе, то и сама клетка останется жизнеспособной. Если же при замораживании происходит значительное изменение свойств протоплазмы, в результате которого теряется обратимость ее физического состояния, то наступает гиль клетки.
При охлаждении пищевых продуктов до температуры, близкой к криоскопической, создаются условия, при которых прекращается жизнедеятельность некоторых бактерий. Если понизить температуру значительно ниже криоскопической, т. е. подвергать продукт замораживанию, то для жизнедеятельности большинства микроорганизмов создаются весьма неблагоприятные условия, причем явления гидролиза и оксидации сводятся к мишуму.
В настоящее время все пищевые скоропортящиеся продукты подвергают консервированию холодом. Поэтому в различных отраслях пищевой промышленности и торговле низкие температуры нашли особенно широкое применение. Этот метод консервирования экономически более выгодный по сравнению с другими: повышается транспортабельность продуктов (например, замороженном состоянии), значительно удлиняются сроки их хранения.
Действие низких температур на живую и мертвую клетки
Жизненные процессы в растительном и животном организмах протекают в определенных температурных границах внутренней среды — в интервале от 0 до 45°. Длительное пребывание за линией верхней или нижней температурной границы сопровождается смертельным исходом.
Процесс замерзания в живой растительной ткани протекает следующим образом. По достижении криоскопической температуры начинается кристаллообразование, которое протекает в межклеточных пространствах. Кристаллизационные центры сначала возникают на наружных стенках клеток и затем разрастаются в довольно крупные кристаллические накопления. Рост кристаллов льда происходит за счет воды, диффундирующей из клеток в межклетники; внутри клеток кристаллизации жидкости при медленном проведении процесса почти не наблюдается. Увеличивающиеся в размерах кристаллы льда и клеточный сок все время остаются отгороженными друг от друга полупроницаемой протоплазматической перепонкой, которая препятствует
возникновению кристаллизационных центров внутри. В связи с этим рост кристаллов неизбежно сопровождается миграцией воды в межклеточное пространство. По мере понижения температуры этот процесс уменьшается вследствие возрастания сопротивления плазматической перепонки, что и следует считать одной из причин понижения точки замерзания живой ткани.
Всякий растительный организм может выдержать первое образование льда в ткани и погибает только лишь при дальнейшем понижении температуры. Следовательно, не степень охлаждения, а количество образовавшегося льда, вызывающее обезвоживание протоплазмы, является решающим фактором при отмирании растительного организма в процессе замораживания.
Совершенно иная картина наблюдается при замораживании мертвой ткани. Криоскопическая температура соков мертвой ткани лежит значительно выше криоскопической температуры ткани живого организма.
В мертвой ткани оболочка клеток утрачивает свойство полупроницаемости, что приводит к устранению:
сопротивления фильтрационной способности плазматической перепонки;
влияния гидростатического давления, уравновешиваемого в прижизненном состояния организма осмотическим давлением клеточного сока;
влияния капиллярного распределения жидкости в ткани, которое сводится к минимуму.
По этим причинам точка замерзания соков мертвой ткани бывает наполовину выше точки замерзания соков ткани живой клетки. При этом в результате утраты клетками непроницаемости клеточный сок, представляющий собой качественно одинаковую массу жидкости, будет замерзать как однородный раствор.
Следовательно, основное различие влияния низких температур на живую и мертвую клетки заключается в том, что в мертвой ткани максимальное накопление льда происходит при более высокой температуре, чем в ткани живого организма, в которой кристаллообразование протекает с некоторым запаздыванием.
В жизни животного и растительного организмов различают три температурные области: за верхней температурной границей, оптимальной температуры и за нижней температурной границей.
Для живых организмов верхняя температурная граница характеризуется инактивированием ферментов и коагуляцией белков, что вызывает гибель организма. Температура инактивации ферментов приблизительно 70°. Температура коагуляции разных белков различна. В начале свертывания белка большую роль играет содержание в нем солей и воды. При недостаточном содержании солей или их отсутствии, а также при значительном содержании воды температура коагуляции белка резко понижается. Таким образом, за областью оптимальной температуры организме происходит нарушение ритмичности в обмене веществ и при достаточно продолжительном и интенсивном нарушении равновесия живое существо может погибнуть. У теплокровных животных нередко повышение температуры на несколько градусов против нормальной заканчивается смертельным исходом. Однако сравнительно непродолжительное воздействие повышенной на несколько градусов температуры против нормальной может для них пройти и бесследно.
Иная картина наблюдается при переходе за нижнюю температурную границу. Низкие температуры не инактивируют ферменты и не переводят белки в коагулированное состояние. Однако при понижении температуры наблюдается замедление каталитической активности ферментов. Степень изменения активности по мере падения температуры бывает различной у разных ферментов; это объясняется нарушением равновесия в цепях и циклах взаимосвязанных реакций.
Так, фермент липаза при температуре —30° способен распределять жиры; фермент инвертаза при температуре —18° гидролизирует сахарозу и только при —40° парализуется его активность.
Доказано, что гидролитическая способность этих ферментов. Не проявляется в период длительного хранения при температуре —70°.
2. Охлаждение продуктов животного происхождения
В послеубойный период в мясе происходят автолитические изменения, обусловленные действием ферментов. Сразу после убоя преобладающим становится процесс созревания, который протекает под влиянием содержащихся в мясе биологических соединений.
Условия холодильной обработки и сроки созревания мяса.
Установлены оптимальные сроки созревания, гарантирующие максимальную нежность мяса и его наилучшие вкусовые и ароматические свойства, но каждое из этих свойств достигает оптимума в разные сроки хранения.
Для мяса крупного рогатого скота могут быть рекомендованы следующие условия и сроки созревания, при которых оно приобретает необходимые потребительские свойства(нежность, вкус, аромат) : при 0ºС- 12 – 14 сут, при 8ºС -6 сут, при 16 -18 ºС – 4 сут. Баранина и свинина созревают в более короткие сроки: при 0ºС –через 1 – 2 сут, для консервного и полуфабрикатов 5 – 7 сут.
При несвоевременном охлаждении туш послеубойное выделение теплоты приводит к возникновению загара мяса – пороку, в результате которого мышечная ткань в глубинах слоя приобретает сероватый оттенок и неприятный запах. При этом начинается денатурация термолабильных белков, происходят процессы распада отдельных полипептидов с выделением свободных, серосодержащих аминокислот. Мышечная ткань характеризуется слабой связью волокон и низким сопротивлением на разрыв, тестообразной консистенцией. Такое мясо легко плесневеет и подвергается гнилостному разложению. Опасность появления загара особенно велико у мяса упитанных животных, в мышцах которых содержится больше гликогена. Для предупреждения загара туши и полутуши необходимо своевременно охлаждать и делать надрезы на их толстых частях, что улучшает газо – и теплообмен по всему объему продукта.
На качество мяса влияет также быстрота холодильной обработки в начальный период созревания. Если парное мясо с высоким значением рН быстро охлаждать или замораживать до наступления стадии окоченения, то при температуре мышц около 10ºС возникает так называемое «холодовое сжатие», или уплотнение, которое не полностью обратимо и приводит к повышению жесткости мяса. Холодовое сжатие имеет ту же природу, что и послеубойное окоченение, только развивается оно на фоне быстрого температурного перепада охлаждаемых мышц. Для быстрого охлаждения характерен высокий темп понижения температуры (до 4ºС/ч и более), что и является решающим фактором развития холодового сжатия. Так как охлаждение мяса мелких животных и птиц происходит быстрее, чем у крупного скота, то и опасность жесткости возрастает.
На эффект холодового сжатия влияют упитанность животного, состояние мышц и другие факторы. Так, свинина с толстым слоем шпика из-за пониженного теплообмена охлаждается так медленно, что сжатия мышечной ткани под действием холода практически не происходит; если полутуши находятся в подвешенном состоянии и мышцы прикреплены к скелету, сжатие мышц уменьшается.
Холодовое сжатие можно рассматривать как результат повреждающего действия, приводящего к нарушению структуры и функций биологических мембран, которые весьма чувствительны к энергетической недостаточности и физико-химическим воздействиям.
Установлено, что в мышцах быстро охлажденных после убоя животных до температуры ниже 15ºС кальциевый насос перестает нормально функционировать. В соответствии с концентрационным градиентом ионы кальция выходят из цистерн и трубочек саркоплазматического ретикулума, вызывая сокращение мышц. Существенно, что концентрация АТФ в мышцах быстро охлажденного мяса (вследствие замедления распада АТФ при понижении температуры) выше, чем в мышцах постепенно охлаждаемого, поэтому жесткость мяса при холодовом сжатии более высокая, чем при послеубойном.
Наиболее эффективны методы борьбы с Холодовым сжатием, связанные с принудительным уменьшением содержания АТФ в мышцах мяса до момента его быстрого охлаждения. Один из них- метод электростимуляции, позволяющий предотвратить холодовое сжатие мяса путем пропускания Эл. Тока через парные туши, полутуши и отрубы. Электростимуляцию проводят на любом этапе тех. обработки скота (после обескровливания, съема шкуры или распиловки туш на полутуши) импульсным или переменным током (240-250В, продолжительность 1-3 мин).
При пропускании тока сразу после убоя рН уменьшается с 7,0 – 7,3 до 5,7 через 2 ч. У туш, не подвергнутых электростимуляции, это происходит через 7 – 9 сут и более. Электростимуляция ускоряет биохимические изменения: в течение 2 мин в мышцах происходят такие изменения, которые в обычных условиях продолжаются 7 ч.
Подвергнутое электростимуляции мясо имеет нежную консистенцию, хорошие естественные окраску и вкус. Такая обработка рекомендуется для мяса, предназначенного для использования в колбасном производстве или в охлажденном после 7-8 суточного хранения для выработки натуральных полуфабрикатов.
Изменения в мясе при холодильной обработке.
При холодильной обработке в продуктах происходят физические, биохимические и микробиологические изменения.
Физические изменения характеризуются главным образом потерями массы продуктов, уплотнением поверхностного слоя (образование корочки подсыхания).
Изменения, происходящие при холодильной обработке продуктов животного происхождения, тесно связаны с содержанием в них влаги. С понижением температуры молекулы воды благодаря дипольному характеру образуют комплексы. Вокруг ионов или гидрофильных коллоидных частиц создается гидратная оболочка, водосвязывающие силы внутри которой увеличиваются по направлению снаружи внутрь. Диполи воды, сгруппировавшиеся на молекуле-носителе, тесно связаны с ней, и вода в таком состоянии называется связанной. Она имеет повышенную плотность и пониженную растворяющую способность, которая является одной из причин сохранения качества продукта при холодильном хранении, так как неактивная гидратная оболочка препятствует обмену между продуктами реакции. С понижением температуры количество связанной воды увеличивается и тормозит химические и биохимические реакции.
Ввиду большого содержания влаги в мясе животных и птицы над поверхностью свежего мяса устанавливается высокая относительная влажность воздуха (98 – 99%), которая всегда превышает среднюю влажность воздуха в камерах для холодильной обработки и хранения продуктов.
Относительная влажность воздуха в холодильной камере при температуре от -1 до 0ºС может составлять максимум 90 – 95%. Из-за разницы в давлении пара поверхность охлаждаемого мяса быстро подсыхает, пока равновесная влажность над ней не приблизится к относительной влажности воздуха в холодильной камере. Чем больше поверхность продукта по отношению к его объему, тем быстрее он высыхает. С ростом скорости движения воздуха увеличиваются также потери от испарения. Концентрация раствора в поверхностном слое возрастает, что приводит к необратимым процессам (денатурация, усадка и образование корочки). Корочка подсыхания не только препятствует развитию микроорганизмов на поверхности мяса, но и значительно снижает потери массы при хранении охлажденного мяса.
При прочих равных условиях наибольшими будут потери массы в продуктах со значительным количеством воды или без упаковки. Кроме того, потери зависят от вида продукта, способа охлаждения и изменяются от 0,4 до 2% и более.
В результате частичного испарения влаги с поверхности рыбы при охлаждении в воздушной среде уменьшается ее масса, увеличиваются плотность тканей и вязкость тканевых соков в крови. Величина усушки зависит от свойств рыбы, охлаждающей среды, условий охлаждения, размера, плотности и жирности. Чем больше в рыбе воды, тем больше влаги из нее испаряется в процессе охлаждения, поэтому у тощих рыб усушка больше, чем у жирных. Применение газо-, водонепроницаемых упаковочных материалов может практически полностью предохранить продукты от усушки.
Биохимические изменения в продуктах связаны с активностью содержащихся в них ферментов. С момента прекращения жизни животных резко нарушается равновесие обменных процессов – на смену процессам синтеза приходят процессы распада, связанные с необратимыми изменениями в составе этих продуктов.
Микробиологические изменения обусловлены тем, что в процессе охлаждения создаются условия, тормозящие развитие микроорганизмов, а уменьшение увлажненности поверхности продуктов значительно задерживает их рост и размножение. На мясе до и после охлаждения преобладают мезофильные формы микроорганизмов; психрофильных бактерий сравнительно немного; часть микроорганизмов в процессе охлаждения погибает или переходит в состояние анабиоза. Быстрое охлаждение продуктов тормозит развитие микроорганизмов.
3. Пароэжекторные и абсорбционные холодильные машины. Схема и принцип действия
Абсорбционные и пароэжекторные холодильные машины представляют собой систему, в которой обратный и прямой циклы совмещены и осуществляются в одном агрегате. Циклы этих машин в отличие от цикла компрессорной холодильной машины сопровождаются затратой
теплоты при сравнительно высокой температуре. Эта затрата теплоты, как и затрата механической энергии в компрессорных машинах, необходима для осуществления обратного кругового процесса.
АБСОРБЦИОННЫЕ ХОЛОДИЛЬНЫЕ МАШИНЫ
В качестве рабочего тела в абсорбционных машинах используют так называемые бинарные растворы, т. е. растворы, состоящие из двух компонентов: холодильного агента и поглотителя (абсорбента).
Холодильные агенты, применяемые в абсорбционных машинах, должны отвечать общим требованиям. Абсорбенты должны хорошо поглощать холодильный агент, но не вступать с ним в химическую реакцию. Температура кипения абсорбента должна быть значительно выше температуры кипения холодильного агента при одинаковом давлении. Это позволяет при выпаривании раствора получить более чистый холодильный агент. В отличие от кипения однородных жидкостей, для которых каждому значению давления соответствует определенная температура кипения (и конденсации), бинарные растворы при заданном давлении кипят с переменной температурой. Она зависит от массовой концентрации рабочих веществ. Растворы, более концентрированные по холодильному агенту, кипят при более низких температурах.
Концентрация холодильного агента в кипящем растворе уменьшается, так как в пар превращается в первую очередь легкокипящий компонент, т. е. компонент с более низкой температурой кипения (холодильный агент). С понижением концентрации температура кипения раствора при постоянном давлении повышается. Температура пара, образующегося при кипении бинарного раствора, равна температуре этого раствора, но концентрация холодильного агента в паре значительно больше, чем в кипящей жидкости.
При кипении растворов в абсорбционных машинах необходимо получить пар с возможно меньшим содержанием поглотителя, т. е. более чистый холодильный агент. Этого легче достичь, если температура кипения абсорбента в чистом виде больше отличается от температуры кипения холодильного агента при одинаковом давлении.
Если при выпаривании раствора не удается получить
чистый холодильный агент, то пар подвергают ректификации. Ректификацией называют отделение очищения паров холодильного агента от поглотителя.
Процессы абсорбции (поглощения) холодильном агента сопровождаются выделением теплоты. Эту тепло ту надо отводить, чтобы процессы абсорбции не затормаживались, так как они протекают активнее при пониженных температурах. Поглотители используют пре имущественно жидкие, но они могут быть и твердые.
Водоаммиачные растворы, в которых холодильным агентом является аммиак, а поглотителем — вода, применяют для получения низких температур, раствор бромистого лития в воде, где вода является холодильным агентом, а бромистый литий — поглотителем, — в установках кондиционирования воздуха. Применяют также растворы хладона-22 в дибутилфталате или в диметилэфиртетра-этиленгликоле. По принципу действия абсорбционные машины разделяют на машины непрерывного и периодического действия. Машины непрерывного действия бывают насосные и безнасосные.
Водоаммиачные абсорбционные машины непрерывного действия с насосами имеют большую холодопроизводительность (35—1000 кВт). Их используют на предприятиях химической промышленности, крупных мясокомбинатах и других предприятиях, потребляющих значительное количество холода. Водоаммиачные машины периодического действия средней холодопроизводительности (до 12 кВт) применяют в сельском хозяйстве для охлаждения продуктов. Малые водоаммиачные машины безнасосные (абсорбционно-диффузионные) холодопроизводительностью 20—55 Вт предназначены для охлаждения домашних холодильников и торгового оборудования. Бромистолитиевые насосные абсорбционные машины непрерывного действия холодопроизводительностыо 450—3000 кВт применяют в установках кондиционирования воздуха.
В абсорбционной машине совершаются круговой процесс аммиака и круговой процесс раствора. Прямой круговой процесс раствора реализуется в системе абсорбер — насос — кипятильник — регулирующий вентиль.Обратный круговой процесс аммиака осуществляется в системе конденсатор — регулирующий вентиль — испаритель — система (абсорбер — генератор) . В этом холодильном цикле компенсирующим является прямой круговой процесс раствора, совершаемый при затрате теплоты в кипятильнике-генераторе и затрате работы в насосе.
В процессе работы абсорбционной холодильной машины к рабочему телу теплота подводится в кипятильнике и испарителе, а также теплота, эквивалентная работе, затраченной в насосе, отводится теплота в конденсаторе и абсорбере. При установившемся режиме работы машины количество подведенной теплоты должно быть равно количеству отведенной, т. е. выполняется условие теплового баланса.
Эффективность цикла абсорбционной машины характеризуется тепловым коэффициентом £, который равен отношению количества полученного холода к количеству теплоты, затраченной в кипятильнике, и работы затраченной в насосе. Относительно малой величиной можно пренебречь.
Тепловой коэффициент абсорбционной машины зависит от температур кипения (в испарителе) и конденсации, а также от температуры греющего кипятильник источника. При понижении температуры кипения холодильного агента в испарителе тепловой коэффициент машины уменьшается, хотя и незначительно. Например, для абсорбционной машины непрерывного действия холодопроизводительностью 35 кВт при температуре кипения аммиака —10°С тепловой коэффициент равен 0,4 - а при температуре кипения —20° С — 0,37.
Абсорбционные машины можно сравнивать с компрессорными по тепловым коэффициентам формулы.
Тепловой коэффициент абсорбционных машин меньше, чем компрессорных. Кроме того, низкотемпературные абсорбционные машины работают не на совершенном рабочем теле — водоаммиачном растворе, недостатки которого обусловлены сравнительно небольшой разностью между температурами кипения компонентов в чистом виде, что затрудняет получение чистого холодильного агента при выпаривании в кипятильнике. Но абсорбционные машины могут работать на дешевых источниках тепла (отходящие газы, отработавший пар, горячая вода), и в этом случае они значительно экономичнее компрессорных.
Абсорбционные машины просты в обслуживании, но более тяжелые и громоздкие.
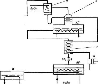
Полная схема абсорбционной холодильной машины.

Рис. 1. Схема абсорбционной холодильной машины с теплообменником и ректификатором:1— теплообменник; 2 — ректификационная колонка; 3 — дефлегматор.
Для повышения экономичности и надежности работы абсорбционной машины в схему дополнительно включают вспомогательные аппараты (теплообменник раствора и рек Теплообменник устанавливают между абсорбером и кипятильником. Через кожух теплообменника проходит горячий раствор из кипятильника, а по расположенным в кожухе трубкам — холодный раствор из абсорбера. Между ними происходит теплообмен, в результате чего ректификатор).
Для беспрепятственного стока обедненного раствор из кипятильника в абсорбер уровень жидкости в кипятильнике должен быть выше уровня жидкости в абсорбере на величину. Крепкому раствору, направляющемуся из абсорбера в верхнюю часть кипятильника необходимо преодолеть разницу в уровнях жидкости и кипятильнике и сборнике абсорбера. Для подъем крепкого раствора используют термосифон. Он представляет собой трубку малого диаметра (4—5 мм), обогреваемую нагревателем кипятильника (2—3 витка вокруг внутренней трубы кипятильника). Когда раствор закипает в термосифоне, пузырьки пара как поршень проталкивают жидкость в верхнюю зону кипятильника
В абсорбционно-диффузионной машине имеются три кольца циркуляции: циркуляция холодильного агента циркуляция раствора и циркуляция водорода. Аммиак проходит все элементы машины, раствор циркулирует между кипятильником и абсорбером, а водород — между испарителем и абсорбером. Сборник водорода предназначен для регулирования давления в агрегате при изменении температуры окружающего воздуха. При ее повышении аммиак вытесняет водород из сборника в испаритель и абсорбер, в результате чего в этих аппаратах повышается общее давление.
Преимущества абсорбционно-диффузионных машин — отсутствие движущихся частей, простота изготовления и полная бесшумность работы. Но машины с инертным газом менее экономичны по сравнению с абсорбционными машинами с насосом. Особенно неэкономичны такие машины на электрическом подогреве. В этом случае они потребляют энергии в 2 раза больше, чем компрессорные. Однако, используя для обогрева вместо электрического тока бытовой газ или керосин, стоимость эксплуатации абсорбционно-диффузионных машин можно сократить в 4—5 раз.
ПАРОЭЖЕКТОРНЫЕ ХОЛОДИЛЬНЫЕ МАШИНЫ
В пароэжекторных холодильных машинах энергия, необходимая для осуществления холодильного (обратного) цикла, вводится в виде теплоты, превращающейся затем в кинетическую энергию струи рабочего пара. Такие машины иногда называют пароструйными.
В пароэжекторной машине в качестве рабочих тел Можно использовать те же холодильные агенты, что и в паровых компрессорных машинах. Однако преимущественно применяют пароводяные эжекторные машины, В которых холодильным агентом является вода.
Принципиальная схема пароэжекторной холодильной Машины. Такая схема показана на рис.

Рис. 2. Принципиальная схема пароэжекторной холодильной машины.
В котле при затрате теплоты образуется рабочий пар высокого давления, который поступает в пароструйный эжектор, состоящий из сопла, камеры смешения и диффузора. При истечении пара через сопло в камеру смешения давление понижается до давления в испарителе но, а скорость значительно возрастает. При этом потенциальная энергия пара превращается в кинетическую энергию струи, которая вытекает с большой скоростью, и под действием энергии струи пар низкого давления отсасывается из испарителя в камеру смешения. Парообразование в испарителе происходит за счет теплоты, взятой от охлаждаемой среды.
После смешения пары поступают в диффузор, где кинетическая энергия снова преобразуется в потенциальную, рабочий пар и холодный пар из испарителя сжимаются до давления конденсации. Таким образом, в пароэжекторной машине при истечении рабочего пара тепловая энергия переходит в кинетическую (механическую), которая расходуется на отсос пара из испарите ля и сжатие смеси пара в диффузоре от р0 до рк. Из диффузора смесь рабочего и холодного паров поступает в конденсатор, охлаждаемый водой. Образовавшаяся в конденсаторе жидкость поступает по двум линиям: одна часть ее через регулирующий вентиль направляется и испаритель, а другая часть, соответствующая количеству рабочего пара, вновь подается питательным насосом в котел. В пароэжекторных машинах холодильный агент можно использовать как и хладоноситель (рабочая вода). В таких случаях холодная рабочая вода из испарителя насосом подается к потребителю холода (батарея ), а отепленная возвращается в испаритель через дроссель (на схеме циркуляция хладоносителя показана пунктиром).
В эжекторных машинах большой расход греющего пара и охлаждающей воды. Расход воды в конденсаторе пароэжекторной машины в 3—4 раза больше, чем в компрессорной. Это объясняется тем, что в пароэжекторной машине конденсируется не только пар из испарителя, но и рабочий пар, расход которого в эжекторе довольно высокий.
Преимущество пароэжекторных машин — простота устройства, компактность, невысокая стоимость, возможность использования воды в качестве рабочего тела, а энергии — в виде теплоты. Обслуживание эжекторных машин проще и дешевле, чем компрессорных. Однако вода имеет высокую нормальную температуру кипения,
Что вызывает необходимость создавать глубокий вакуум в системе пароэжекторной машины. Так, при температуре кипения 0°С давление в испарителе составляет 62,2 Па6,22-10 -4 кгс/см2, удельный объем насыщенного пара — 206,3 м3/кг. При создании такого вакуума требуется большой расход рабочего пара и неизбежен подсос воздуха в систему, который нарушает работу машины. При вакууме большой удельный объем пара приводит к большим сечениям трубопроводов. I Пароводяные эжекторные машины, работающие лишь при сравнительно высоких температурах кипения (4— 5° С), применяют в установках кондиционирования воздуха или на предприятиях, где требуется в больших количествах холодная вода для технологических нужд. Холодопроизводительность пароэжекторных машин 350— 2400 кВт (300—2000 тыс. ккал/ч).

Рис. 2. Рабочая схема пароводяной эжекторной холодильной машины: 1 – колено; 2,4 – коллектор; 3,5 – стояк; 6 испаритель; 7 – главный эжектор; 8 – главный конденсатор; 9 – уравнительный клапан; 10 – U-образная трубка; 11 – вспомогательный эжектор 1-ступени; 12 – вспомогательный конденсатор 1-ступени; 13 – вспомогательный конденсатор 2-ступени; 14,15 – патрубок; 16 – конденсатный эжектор; 17 – вспомогательный эжектор 2-ступени; 18,19 – трубы
Полная рабочая схема пароводяной эжекторной холодильной машины. Полная рабочая схема этой машины представлена на рис.2. Кроме основных элементов, необходимых для осуществления цикла, в машину включены устройства для непрерывного удаления воздуха, который попадает в систему через неплотности, а также с водой и паром.
Охлажденная в испарителе 6 вода через стояк коллектор 4 насосом подается к потребителю холода. Рабочая вода является одновременно холодильным агатом и хладоносителем. Она воспринимает теплоту от ох- лаждаемой среды, нагревается (на 3—5° С) и через контролирующий канал, который устанавливают перед коллектором (на схеме не показан), по стоякам и коленам подсасывается в испаритель, разделенный на три секции вертикальными перегородками. В секциях имеете устройство для раздробления потока воды, и она в вид дождя сливается на дно испарителя. Увеличенная поверхность дождя способствует частичному испарение воды, вследствие чего основная ее масса охлаждается и насосом подается к потребителю холода.
В секциях испарителя вода испаряется при вакууме который поддерживается главными эжекторами , отсасывающими образовавшийся при испарении холодный пар.
На каждую секцию испарителя предусмотрен отдельный эжектор. В диффузорах главных эжекторов пар, сжимаясь, поступает в главный конденсатор , охлаждаемый водой. Степень сжатия в диффузоре не превышает 7—8, поэтому пар конденсируется также при вакууме. В главном конденсаторе вакуум поддерживается вспомогательными эжекторами, предназначенными для непрерывного удаления воздуха из системы.
Вспомогательный эжектор первой ступени отсасывает паровоздушную смесь из главного конденсатора, сжимает ее в диффузоре и направляет во вспомогательный конденсатор первой ступени. Водяной пар сжижается в нем, а воздух с меньшим содержанием пара отсасывается вспомогательным эжектором второй ступени, где паровоздушная смесь сжимается до атмосферного давления и направляется во вспомогательный конденсатор второй ступени. В этом конденсаторе пар полностью конденсируется, а воздух выпускается в атмосферу через патрубок.
Из вспомогательного конденсатора первой ступени конденсат перепускается в главный конденсатор по U-об разной трубке через уравнительный клапан. Из главного конденсатора жидкость отсасывается конденсатным эжектором, и одна часть ее направляется в испарительную систему (через дроссель к коллектору), а другая — в котел (посредством насоса) для получения рабочего пара, необходимого для действия главных и вспомогательных эжекторов.
Из конденсатора второй ступени конденсат, находящийся под атмосферным давлением, свободно сливается срез патрубок. Охлаждающая конденсаторы вода проходит по трубам.
Используя несколько эжекторов, число которых соответствует числу отдельных секций испарителя, можно автоматически регулировать холодопроизводительность машины путем отключения отдельных секций испарителя вместе с подсоединенным к ним эжектором. На работу Включенных секций это не влияет, так как образуются водяные затворы в стояках и коленах испарителя. В стояках выключенной секции уровень рабочей воды понижается, но не доходит до нижнего левого коллектора. Этим и обеспечивается водяной затвор, препятствующий выравниванию давлений в работающей и выключенной секциях.
Холодопроизводительность пароэжекторной машины 350 кВт при температуре воды, выходящей из испарителя, 4° С.
4 Холодильные шкафы
Важнейшим видом торгового холодильного оборудования являются торговые холодильные шкафы, предназначенные для хранения, демонстрации и продажи скоропортящихся товаров. Так же, как и все остальные виды оборудования, они имеют три вида режима хранения:
♦ плюсовой;
♦ среднетемпературныи (от 0°С до 8°С);
♦ низкотемпературный (от -12°С до -22°С).
В зависимости от этого они могут предназначаться для хранения напитков, охлажденных продуктов и замороженных продуктов.
Предлагаемые на российском рынке холодильные шкафы можно классифицировать по разным признакам.
По месту применения:
♦ в зоне доступности покупателей (торговый зал, бар, кафе);
♦ в зоне хранения запаса товаров (подсобные и складские помещения, рабочее место продавца).
По способу охлаждения:
♦ с естественной циркуляцией охлажденного воздуха,
♦ с принудительной циркуляцией охлажденного вол духа (для уравнивания температуры по всему объему шкафа применяют вентилятор. Разброс температуры в этом случае снижается до 1—2°С).
По количеству полок и расстоянию между ними.
По наличию подсветки.
По месту расположения компрессорно - конденсаторного агрегата:
♦ с верхним агрегатом;
♦ с нижним агрегатом.
По виду дверей:
♦ с глухими (непрозрачными) металлическими дверями (удобны к применению вне зоны видимости покупателей);
♦ со стеклянными (прозрачными) дверями (в зоне видимости покупателей);
♦ шкафы-витрины, которые позволяют осуществлять только хранение, но и демонстрацию товаров.
По конструктивным особенностям дверей:
♦ распашные;
♦ раздвижные;
♦ самозакрывающиеся скользящие стеклянные. По месту установки холодильного агрегата:
♦ со встроенным агрегатом;
♦ с отдельно установленным агрегатом. По количеству камер:
♦ однокамерные;
♦ двух- и более камерные.
Все панели имеют теплоизолирующий полиуретановый наполнитель, сделанный из материалов, не содержащих хлор органических компонентов. Имеются рейки с крюками для мяса, стеклянные двери и окна. Панели можно легко и очень быстро собрать из отдельных универсальных модулей
На рынке холодильных шкафов предлагается более торговых марок. В основном представлены модели следующих фирм: "Марихолодмаш", "Торгмаш", MAVI, DERBY, РARAVELL, KOXKA, LIBNERR.
При характеристике отдельных модификаций шкафов равными признаками являются их полезный объем, температурный режим, материал и конструкция дверей, количество полок и наличие подсветки и вентиляторов в охлждаемом объеме.
Большинство предлагаемых зарубежными производителями шкафов со встроенными холодильными агрегатами имеют объем 160—1400 л.
На мировом рынке в основном предлагаются два вида охлаждаемых шкафов: средне- и низкотемпературные.
И те и другие шкафы представлены модификациями с сухими и стеклянными дверями, причем в комбинированных моделях (только отечественного производства) объемы среднетемпературной и низкотемпературной секций практически равные. Эти шкафы конструктивно имеют две или четыре дверцы.
Предлагаемые модели могут быть с глухими металлическими и стеклянными дверями. Шкафы с глухими металлическими дверями используют обычно вне зоны видимости покупателей. Прозрачные двери в охлаждаемых шкафах требуют применения герметичных стеклопакетов, состоящих из двух или даже трех слоев стекла с вакуум-прослойкой, окантованных специальными герметичнымыми профилями.
От степени герметизации соединенных в пакет стекол, плотности прилегания двери к корпусу шкафа зависит запотевание стекол при эксплуатации. Запотевание стекла является раздражающим фактором как для продавцов, так и для покупателей, так как ухудшает обзор демонстрируемых продуктов и, следовательно, снижает эффективность сбыта. Запотевание свидетельствует о некачественном изготовлении стеклопакета производителем либо о повреждении двери при транспортировке и монтаже.
Как правило, обзорное стекло используется только конструкции самой двери. Но есть модели шкафов с прозрачной задней стенкой (в этом случае шкаф можно использовать в первом ряду торгового оборудования в магазине) а также и с прозрачными боковыми стенками (в этом случае появляется возможность кругового обзора хранящихся и демонстрируемых продуктов — островной вариант).
На рис. 3 представлен холодильный шкаф MOD-80f фирмы Caravell (Дания).

Рис. 3 Холодильный шкаф MOD-801

Рис. 4.Виды холодильных шкафов.
На рынке появились шкафы с выпуклой стеклянной дверью, что увеличивает охлаждаемый объем; их отличает оригинальный дизайн. Естественно, эти модели дороже своих аналогов, имеющих такие же температурные и габаритные характеристики.
По конструкции двери могут быть распашными и раздвижными. Распашные двери для шкафов объемом до 500 л могут быть приспособлены для сравнительно простой перенавески, что позволяет открывать их влево или вправо, что создает дополнительные удобства для продавцов в процессе работы, так как допускает наиболее приемлемую расстановку торговой мебели в зале и упрощает доступ к товарам.
Распашной вариант дешевле раздвижного, но не всегда удобен в эксплуатации в условиях небольших торговых площадей и узких проходов. Поэтому для экономии места некоторые фирмы вынуждены идти на дополнительные затраты и приобретать шкафы с раздвижными дверями. Наиболее миниатюрные конструкции шкафов имеют специальное приспособление для самозакрывания раздвижных створок.
В большинстве шкафов испаритель конструктивно расположен под потолком шкафа. Холодный воздух, имея большую плотность, опускается к нижней полке шкафа, охлаждая на своем пути хранящиеся в шкафу продукты. При такой естественной циркуляции воздуха в отдельных моделях шкафов перепад температур по высоте может доходить до нескольких градусов. В маркировке этих моделей шкафов иногда используются буквы St, что означает "естественное охлаждение".
Для выравнивания температур по всему объему шкафа применяют принудительную циркуляцию воздуха при помощи вентилятора. Разброс температур в этом случай снижается до 1—2С. Эффективность использования того или иного вида циркуляции воздуха зависит от хранящихся в нем продуктов. Для продуктов в герметичной упаковку целесообразнее использовать шкафы с маркировкой V в названии, что означает "принудительная вентиляция".
Равномерности охлаждения по всему объему шкафу можно также достичь, применяя особую конструкцию полок, ребрами жесткости которых являются трубки испари теля. Недостатки этой конструкции — жесткость креплена полок и невозможность изменения расстояния между ними. Большинство конструкций шкафов имеют определенное количество полок. Расстояние между ними, как правило, можно регулировать в определенных для каждой моде ли пределах. Некоторые фирмы предоставляют возможность дополнительной комплектации полок.
Подсветка, как правило, используется в шкафах-витринах и располагается либо горизонтально под потолком шкафа, либо вертикально с одной или двух сторон. В последнем случае товар освещается равномерно по всей плоскости выкладки. В качестве светильников используют люминесцентные лампы или гибкие нитевидные световые элементы.
По месту расположения компрессорно-конденсаторного агрегата различают два варианта: верхнее и нижнее. Не оказывая какого-либо влияния на температурный режим месторасположение агрегата предопределяет удобств обслуживания и ремонта, а также в некоторой степени долговечность и надежность.
Монтажные и ремонтные организации отдают предпочтение верхнему расположению агрегата, так как при этом улучшен доступ к нему во время технического обслуживания и ремонта. Кроме того, в этом случае машинное отделение меньше забивается грязью и пылью, поднимаемой потоками покупателей с пола магазина.
Сочетание всех указанных различий и дает то многообразие модификаций, которым характеризуется рынок охлаждаемых шкафов. На российском рынке, кроме отечественных производителей, доминируют фирмы Польши, Дании, Финляндии. Объем продаж: их моделей составляет 50% общего оборота холодильных шкафов.
Список литературы
1. Бабин Ф.П. «Основы холодильной техники и холодильная технология» Москва: Госторгиздат, 1961
2. Большаков С.А. « Холодильная техника и технология продуктов питания» Москва: Академия,2003
3. Дашков Л.П., В.К. Памбхучиянц «Коммерция и технология торговли» Москва: Дашков и Ко, 2005
4. Руцкий А.В. «Холодильная техника и технология» Москва: Академия,1998
5. Малыгина Е.В., Малыгин Ю.В. «Холодильные машины и установки» Москва: Пищевая промышленность, 1980
6. Стрельцов А,Н., Шишков В.В. «Холодильное оборудование предприятий торговли и общественного питания » Москва:ИРПО,2003.
Похожие рефераты:
Расчет камеры для холодильной обработки мяса
Технология производства запеченных блюд из мяса
Проектирование адиабатной выпарной установки термического обессоливания воды
Современные технологии приготовления блюд из тушеного мяса
Организация предприятия общественного питания
Ассортимент и особенности технологии блюд из жареного и тушёного мяса
Расчёт многокорпусной выпарной установки
Снижение вязкости растворов мелассы с помощью моноглицеридов дистиллированных
П. Я Григорьев Холодные блюда и закуски
Получение гидроксида натрия каустификацией содового раствора
Разработка технологии фирменного блюда из мяса дикой птицы, обогащенного растительными добавками
Реконструкция теплообменника в цехе N2 ЗАО "Каустик" с целью повышения эффективности