| Похожие рефераты | Скачать .zip |
Реферат: Железобетонные конструкции
Расчёт железобетонной фермы с параллельными поясами
Рассчитываем предварительно напряжённую ферму с параллельными поясами для плоской кровли одноэтажного промышленного здания пролётом 24(м) при шаге ферм 6(м).
Предварительно напряжённый пояс армируется канатами К-7 диаметром 15(мм) с натяжением на упоры Rs=1080(Мпа), Rs,ser=1295(Мпа), Es=1.8(100000)(Мпа). Остальные элементы фермы армируются ненапрягаемой арматурой класса A-III, Rs=Rsc=365(Мпа), d>10(мм), Es=2(100000)(Мпа); хомуты из арматуры класса A-I, Rsw=175(Мпа). Бетон класса В40, Rb=22(Мпа); Rbt,ser=2.1(Мпа). Прочность бетона к моменту обжатия Rbp=0.7B= =0.7·40=28(Мпа); Rbt=1.4(Мпа); γb2=0.9; Eb=32.5·10і(Мпа).
Назначаем геометрические размеры: ширину панели принимаем 3(м) с расчётом опирания рёбер плит покрытия в узлы верхнего пояса. Решётка треугольная, угол наклона раскоса 45°.
Высоту фермы принимаем 3(м), что составляет h/l=3/240=1/8. Сечения ВП и НП 240Ч240(мм); сечение раскосов h2Чb2=180Ч180(мм), стоек 120Ч120(мм). Решётка фермы выполняется из готовых элементов с выпусками арматуры, которые заделывают в узлах при бетонировании поясов.
Сбор нагрузок на ферму
Вид нагрузки |
Нормативная нагрузка кн./мІ |
Коэфф. надёжности по нагрузке |
Расчётная нагрузка кн./мІ |
|
Постоянная: -от Ж/Б ребристых плит покрытия 3Ч6(м) с учётом заливки швов -от пароизоляции -от трёхслойного рубероидного ковра -от асфальтобетонной стяжки 20(мм) -от утеплителя |
1.75 0.1 0.15 0.35 0.4 |
1.1 1.3 1.3 1.3 1.2 |
1.925 0.13 0.195 0.455 0.48 |
|
Итого: |
2.75 |
- |
3.185 |
|
Временная(снеговая): -длительная -кратковременная |
2000 600 1400 |
1.4 1.4 1.4 |
2800 840 1960 |
|
Полная: -постоянная и длительная -кратковременная |
4750 3350 1400 |
- - - |
5985 4025 1960 |
Узловые расчётные нагрузки по верхнему поясу(ВП) фермы
постоянные: P1=g·a·b·γn =3.185·6·3·0.95=54.46(кн)
длительные: P2=0.84·6·3·0.95=14.36(кн)
кратковременные: P3=1.96·6·3·0.95=33.516(кн)
Нормативные узловые нагрузки будут ровны:
Постоянные: P1=g·a·b·γn =2.75·6·3·0.95=47(кн)
длительные: P2=0.6·6·3·0.95=10.26(кн)
кратковременные: P3=1.4·6·3·0.95=23.94(кн)
Усилия в элементах фермы получаем из расчёта на компьютере. Фактичекие усилия в элементах фермы получаем умножением единичных усилий на действительные значения узловых нагрузок P.

Р![]()
асчёт
верхнего пояса
фермы:
![]()
![]()
![]()
![]()
П![]()
![]()
![]()
![]()
![]()
![]()
![]()
![]()
![]()
редварительно
принимаем
сечение верхнего
пояса h1Чb1=24Ч24(см),
A=576(смІ).
Требуемую
минимальную
площадь сечения
сжатого пояса
фермы можно
определить
по формуле:
Ч
то
меньше принятого
сечения. Свободную
длину пояса
для учёта продольного
изгиба в плоскости
фермы принимаем
равной ширине
одной панели
3(м), так как в узлах
ферма раскреплена
панелями покрытия.
П
редварительно
вычисляем
площадь сечения
арматуры, полагая
As=As’,
ξ=x/h0=1
и
η=1
П
ринимаем
из конструктивных
соображений
4Ш12 А-III,
Аs=4.52(смІ);
процент армирования
μ=4.52/(24·24)·100=0.79%>0.2%.
У
точняем
расчёт. Определяем
условную критическую
силу:

Здесь As=2.26(смІ) для 2Ш12 А-III принято конструктивно.
С
ледовательно
армирование
по расчёту не
требуется;
армирование
назначаем
конструктивно,
как принято
ранее, - 4Ш12 А-III,
Аs=4.52(смІ).
Расчёт сечёния
пояса из плоскости
фермы не выполняем,
так как сечение
квадратное
и все узлы фермы
раскреплены
плитами покрытия.
Расчёт нижнего пояса на прочность
Максимальное расчётное усилие растяжения N=711.6(кн)
Определяем площадь сечения растянутой напрягаемой арматуры:
П![]()
ринимаем
с учётом симметричного
расположения
5 канатов К-7
диаметром
15(мм), Аsp=7.08(смІ).
Напрягаемая
арматура окаймляется
хомутами. Продольная
арматура каркасов
из стали класса
А-III(4Ш10
с Аs=3.14(смІ))
назначается
конструктивно.
Суммарный
процент армирования:
П![]()
риведённая
площадь сечения
Аred=A+αAsp+αAs=24·24+5.55·7.08+6.15+3.14=635(смІ),
где α=Es/Eb=180·10і/325·10І=5.55
– для
напрягаемой
арматуры класса
К-7
α=200·10і/325·10І=6.15 – для арматуры класса А-III
Расчёт нижнего пояса на трещиностойкость
Элемент относится к третьей категории трещиностойкости. Максимальное предварительное напряжение арматуры принимаем σsp=0.7Rs,ser=0.7·1295=906(Мпа)
Проверяем условия: σsp+p=906+45.3=951.3<Rs,ser=1295(Мпа)
σsp-p=906-45.3=855.7>0.3·Rs,ser=387(Мпа), где p=0.05·σsp=0.5·906=45.3(Мпа)
Определяем потери предварительного напряжения арматуры.
Первые потери:
П
ервые
потери составляют
σlos,1=σ1+σ2+σ3+σ6=48.8+81.2+14.5+10.2=154.7(Мпа)
В
торые
потери:

Расчёт по раскрытию трещин:
Вычисляем ширину раскрытия трещин с учётом коэффициента γi=1.15 и суммарного действия постоянной нагрузки и полной снеговой нагрузки. Приращение напряжений в растянутой арматуре от полной нагрузки:
П

роверим
прочность
нижнего пояса
в процессе
натяжения:
Контролируемое усилие при натяжении канатов:
![]()
Расчёт наиболее сжатого раскоса:
Р
асчётное
сжимающее
усилие с учётом
γn=0.95
от
постоянной
и длительной
нагрузок
N·γn=361.4·0.95=343.3(кн),
от кратковременной
462·0.95=439(кн).
Бетон класса
В40, Rb=22·0.9=19.8(Мпа).
Назначаем
сечение раскоса
15Ч18(см), А=270(смІ).
Случайный
эксцентриситет:
ea=414/600=0.69(см),
ea=15/30=0.5(см),
ea=1(см).
Принимаем
e0=ea=1(см).
Так как
e0=1(см)<(1/8)/h=15/8=1.88(см),
то расчётная
длина раскоса
будет l0=0.9·l=0.9·414=373(см).
При l0=373(см)>20·h=20·15=300(см)
расчёт ведём
как внецентренно
сжатого элемента.
При симметричном
армировании,
когда As=As′
и Rsc=Rs,
площадь сечения
арматуры можно
вычислить по
формуле:
Назначаем из конструктивных соображений симметрично по контуру 4Ш12 А-III, As=4.52(смІ); μ=4.52/(15·18)·100%=1.67%>0.25%
Расчёт наиболее растянутого раскоса:
Расчётное усилие растяжения при γn=0.95 N=345·0.95=327.75(кн). Назначаем сечение hЧb=18Ч18(см). Площадь сечения арматуры из условия прочности: As=N/Rs= =327.75/365·10і=9(смІ); предварительно принимаем 4Ш18 А-III, As=10.18(смІ)
Расчёт по раскрытию трещин:
С![]()
ледовательно,
трещины образуются,
требуется
проверка условий
расчёта по их
ширине раскрытия.
Определяем
ширину раскрытия
трещин при
длительном
действии постоянной
и длительной
нагрузок при
φl=1.5:
С
ечение
подобрано
удовлетворительно.
Аналогично
вышеизложенному
рассчитываются
и другие элементы
фермы на внецентренное
сжатие и центральное
растяжение.
Малонагруженные
элементы, например
стойки, проектируют
конструктивно;
их сечение
принято минимальным
12Ч14(см) с армированием
4Ш12 A-III.
Сбор нагрузок
I. Постоянные нагрузки:
Нагрузка от веса покрытия:
Собственный вес |
Нормативная нагрузка кн./мІ |
Коэффициент надёжности по нагрузке |
Расчётная нагрузка кн./мІ |
| Ж/Б ребристых плит покрытия 3x6м - 25 |
135 |
11 |
1485 |
| Пароизоляции - 10 |
01 |
12 |
012 |
| Утеплителя - 120 |
03 |
12 |
036 |
| Цементной стяжки - 20 |
04 |
13 |
052 |
| Рулонного ковра - 6 |
01 |
12 |
012 |
| ИТОГО: |
225 |
- | 2.61 |
Расчётная нагрузка от собственного веса подкрановой балки и кранового пути:
{(06·012+025·088)·25+070}∙6∙11=528(кн)
Расчётная нагрузка от веса колонн
надкрановая часть: (06·04·38)·25·11=251(кн)
подкрановая часть: {08·04·715+(09·06+06І/2)∙04∙2}·25·11=79(кн)
Расчётное опорное давление фермы на стойку (включая постоянную нагрузку от покрытия): (112/2·11+261·6·24/2)∙095=23712(кн)
Расчётное опорное давление балки на стойку (включая постоянную нагрузку от покрытия): (91/2+261∙6∙18/2)∙095=1772(кн)
II.Временные нагрузки:
Для расчёта стоек распределение снеговой нагрузки по покрытию во всех пролётах здания принимается равномерным.
г.Пермь – V снеговой район
вес снегового покрова земли 2(кн/мІ)
Расчётная
нагрузка на
стойку будет:
=2∙6·24/2·14·095=19152(кн)
III.Крановые нагрузки:
Вертикальные нагрузки от кранов:

![]()
Горизонтальные нагрузки от кранов:
![]()
![]()
IV.Ветровая нагрузка:
1.Участок
- от 0.00(м) до низа
стропильных
конструкций:
![]()
2.Участок
- высота стропильной
конструкции:
![]()
Находим
средний коэффициент
:
=
+(
/2)·
=
=05
=
+(5/2)·003=0575
=
+(08/2)·003=0587
=(05∙5+0575∙5+0587∙08)/108=0541
=
+(33/2)∙003=0636
Расчётное значение ветровой нагрузки на первом участке:
![]()
![]()
Расчётное значение ветровой нагрузки на втором участке:
![]()
![]()
Ветровая нагрузка, действующая на шатёр, приводится к узловой нагрузке, приложенной на уровне низа ригеля рамы.
Интенсивность нагрузки:
![]()
![]()
Грузовая
площадь шатра:
![]()
![]()
![]()
Статический расчёт рамы
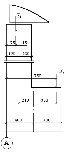
Определение геометрических характеристик стойки по оси А:
Моменты инерции сечений колонн составляют:
надкрановой части

подкрановой части

Отношение высоты надкрановой части колонны к её полной высоте:
![]()
Смещение
осей надкрановой
и подкрановой
частей стойки:
![]()
Определение усилий в стойках от отдельных видов загружений:

Загружение 1(снеговая нагрузка):
С
неговая
нагрузка на
покрытии пролёта
АБ.
![]()
Для
по интерполяции
находим
.
Коэффициент
не определяем,
тк
эксцентриситет
e=0.
Находим величину горизонтальной реакции по формуле:
![]()
Определяем усилия в сечениях стойки.
изгибающие моменты:
![]()
![]()
![]()
продольные
силы:
![]()
поперечная
сила:
![]()
При
действии силы
со стороны
пролёта БВ
усилия
и
изменяют только
знак, усилия
остаются без
изменения.
Загружение 2(постоянная нагрузка):
Благодаря симметрии точек приложения сил относительно оси стойки, усилия
и
возникают
только от разности
сил
и
.
Усилия
и
от
-
=1772-23712=-60(кн)
получаем умножением
усилий от
на коэффициент
.Определяем
усилия в сечениях
стойки.
изгибающие моменты:
;
![]()
![]()
продольные силы:
;
;
![]()
![]()
поперечная
сила:
![]()
Загружение 3(крановая нагрузка действует со стороны пролёта АБ):
Для
по интерполяции
находим
.
Находим величину горизонтальной реакции по формуле:
![]()
Определяем усилия в сечениях стойки.
изгибающие моменты:
;
;
![]()
![]()
продольные силы:
;
![]()
поперечная
сила:
![]()
При
действии крановой
нагрузки
со стороны
пролёта БВ
усилия
и
изменяют только
знак, усилия
остаются без
изменения.
Загружение 4(крановая нагрузка Т действует слева на право):
Для
по интерполяции
находим
.
Находим величину горизонтальной реакции по формуле:
![]()
Определяем усилия в сечениях стойки.
изгибающие моменты:
;
;
![]()
изгибающий
момент в точке
приложения
силы H:
![]()
продольные
силы:
![]()
поперечная
сила:
![]()
При
действии силы
справа на лево
усилия
и
изменяют только
знак, усилия
остаются без
изменения.
Загружение 5(ветровая нагрузка действует слева на право):
Определяем
горизонтальные
реакции
в загруженных
(крайних) стойках.
Для
по интерполяции
находим
.
Горизонтальная
реакция
в стойке по оси
:
.
Горизонтальная
реакция
в стойке по оси
:
.
Усилие
в дополнительной
связи:
.
Распределяем усилие в дополнительной связи между стойками поперечника.
Для
по интерполяции
находим
(стойки
по осям
и
).
Горизонтальные
силы, приходящиеся
на стойки по
осям
и
:

Определяем усилия в сечениях стойки.
изгибающие моменты:
;
;
![]()
продольные
силы:
![]()
поперечная
сила:
![]()
При направлении ветра справа на лево усилия в стойках не изменяются.
Составляем таблицу расчётных усилий.
Усилия в элементах фермы
|
Элемент |
Стержень |
От загружения силами F=1 всего пролёта |
От постоянной нагрузки |
От кратковременного действия полной снеговой нагрузки |
От длительной снеговой нагрузки |
От постоянной и полной снеговой нагрузки |
От постоянной и длительной нагрузок |
|||||
|
нормативной |
расчётной |
нормативной |
расчётной |
нормативной |
расчётной |
нормативной |
расчётной |
нормативной |
расчётной |
|||
|
Верхний Пояс |
III-1 |
0 |
0 |
0 |
0 |
0 |
0 |
0 |
0 |
0 |
0 |
0 |
|
IV-3 |
-695 |
-32665 |
-3785 |
-1664 |
-23293 |
-7131 |
-998 |
-49305 |
-61143 |
-39796 |
-4783 |
|
|
V-4 |
-695 |
-32665 |
-3785 |
-1664 |
-23293 |
-7131 |
-998 |
-49305 |
-61143 |
-39796 |
-4783 |
|
|
VI-6 |
-94 |
-4418 |
-5120 |
-2250 |
-3151 |
-9644 |
-1350 |
-6668 |
-8271 |
-53824 |
-6470 |
|
|
Нижний Пояс |
I-2 |
392 |
18424 |
2135 |
9384 |
1314 |
4022 |
563 |
27808 |
3450 |
22446 |
2698 |
|
I-5 |
877 |
41219 |
4776 |
2100 |
2340 |
900 |
12594 |
62219 |
7116 |
50219 |
60354 |
|
|
Раскосы |
1-2 |
-525 |
-24675 |
-2860 |
-12568 |
-1760 |
-5386 |
-754 |
-37243 |
-4620 |
-30061 |
-3614 |
|
2-3 |
392 |
18424 |
2135 |
9384 |
1314 |
4022 |
563 |
2781 |
3450 |
22446 |
2698 |
|
|
4-5 |
-237 |
-1114 |
-1291 |
-5674 |
-794 |
-2432 |
-340 |
-16814 |
-2085 |
-13572 |
-1631 |
|
|
5-6 |
083 |
390 |
452 |
1987 |
2782 |
852 |
1192 |
5887 |
7302 |
4752 |
5712 |
|
|
Стойки |
1-II |
-05 |
-235 |
-2723 |
-1197 |
-1676 |
-513 |
-718 |
-3547 |
-440 |
-2863 |
-3441 |
|
3-4 |
-10 |
-470 |
-5446 |
-2394 |
-3352 |
-1026 |
-1436 |
-7094 |
-880 |
-5726 |
-6882 |
|
|
6-6 |
-10 |
-470 |
-5446 |
-2394 |
-3352 |
-1026 |
-1436 |
-7094 |
-880 |
-5726 |
-6882 |
|
Расчёт колонны.
Бетон
тяжёлый:
,
подвергнутый
тепловой обработке
при атмосферном
давлении;
;
;
;
;
арматура
.
I.Надкрановая часть стойки.
Размеры
сечения:
;
;
;
.
Расчётная
длина надкрановой
части:
.
Комбинации расчётных усилий:
|
Комбинации |
Первая |
Вторая |
Третья |
|
Усилия |
Мmax, Nсоотв |
Mmin, Nсоотв |
Nmax, Mсоотв |
|
М,Кн·м |
100 |
-9942 |
-485 |
|
N,Кн |
612 |
612 |
78415 |
Для первой комбинации:
;
;
.
Принимаем
случайный
эксцентриситет
.
Расчётный -
.
;
;
;
>
.
Для
тяжёлого бетона
.
Предварительно
принимаем
,
тогда при
:
![]()
![]()
;
.
.
.
![]()

Площадь
арматуры
назначаем
по конструктивным
соображениям:
.
Принимаем
3Ш14
c
.
Для второй комбинации:
Так
как значения
внутренних
усилий
и
для второй
комбинации
нагрузок, почти
совпадают со
значениями
внутренних
усилий для
первой комбинации,
то конструктивно
принимаем
3Ш14
с
.
Для третьей комбинации:
;
случайный
эксцентриситет
.
Расчётный
эксцентриситет
-
.
![]()
принимаем
![]()
Для
тяжёлого бетона
.
Предварительно
принимаем
,
тогда при
:
![]()
;
.
.
.

Площадь
арматуры
назначаем
по конструктивным
соображениям:
.
Принимаем
3Ш14
с
.
Окончательно
принимаем
3Ш14
с
.
Горизонтальная
арматура
устанавливается
конструктивно:
шаг 300, Ш6
.
II.Подкрановая часть стойки.
Размеры
сечения:
;
;
;
.
Расчётная
длина подкрановой
части:
.
Комбинации расчётных усилий:
|
Комбинации |
Первая |
Вторая |
Третья |
|
Усилия |
Мmax, Nсоотв |
Mmin, Nсоотв |
Nmax, Mсоотв |
|
М,Кн·м |
11984 |
-1193 |
-10965 |
|
N,Кн |
94237 |
94237 |
795 |
Для первой комбинации:
;
;
.
Принимаем
случайный
эксцентриситет
.
Расчётный -
.
;
;
;
![]()
.
принимаем
![]()
Для
тяжёлого бетона
.
Предварительно
принимаем
,
тогда при
:
![]()
![]()
;
.
.
.
![]()

Площадь
арматуры
назначаем
по конструктивным
соображениям:
.
Принимаем
3Ш16
c
.
Для второй комбинации:
Так
как значения
внутренних
усилий
и
для второй
комбинации
нагрузок, почти
совпадают со
значениями
внутренних
усилий для
первой комбинации,
то конструктивно
принимаем
3Ш16
с
.
Для третьей комбинации:
;
случайный
эксцентриситет
.
Расчётный
эксцентриситет
-
.
![]()
принимаем
![]()
Для
тяжёлого бетона
.
Предварительно
принимаем
,
тогда при
:
![]()
;
.
.
.

Площадь
арматуры
назначаем
по конструктивным
соображениям:
.
Принимаем
3Ш16
c
.
Окончательно
принимаем
3Ш16
с
.
Проверим необходимость расчёта подкрановой части колонны в плоскости, перпендикулярной к плоскости изгиба.
;
.
.
В расчёте нет необходимости.
Сбор нагрузок
I.Постоянные нагрузки:
Нагрузка от веса покрытия:
Собственный вес |
Нормативная нагрузка кн./мІ |
Коэфф. надёжности по нагрузке |
Расчётная нагрузка кн./мІ |
|
Ж/Б ребристых плит покрытия 36м с учётом заливки швов. |
175 |
11 |
1925 |
|
Пароизоляции |
01 |
13 |
013 |
|
Утеплителя (готовые плиты) |
04 |
12 |
048 |
|
Асфальтовой стяжки t=2см |
035 |
13 |
0455 |
|
Рулонного ковра |
015 |
13 |
0195 |
|
ИТОГО: |
275 |
- |
3185 |
Расчётная нагрузка от веса подкрановой балки:
(06·012+02·088)·595·25·11=40579кн
Расчётная нагрузка от веса колонн
- надкрановая часть: (038·04·38)·25·11=15884кн
- подкрановая часть: (04·08·59+04·09·105)·25·11=62315кн
Расчётное опорное давление фермы
- от покрытия: 3185·6·24/2=22932кн
- от фермы: (120/2)·11=66кн
Расчётная нагрузка от веса покрытия с учётом коэффициента надёжности по назначению здания <095 на колонну F=(22932+66)·095=2895кн
II.Временные нагрузки:
г.Пермь – V снеговой район
вес снегового покрова земли 2кн/мІ
Расчётная нагрузка на стойку будет: Рсн=26·24/2·14·095=19152кн
III.Крановые нагрузки:
1
)
Вертикальные
нагрузки от
кранов:
Pmax=220кн,Pmin=58кн,Gтел=52кн
Dmax=Pmax·f·i·yi=220·11·085·(027+1+068)=401115кн
Dmin=58·11·085·(027+1+068)=10575кн
2) Горизонтальные нагрузки от кранов:
Hmax=(Q+Gn)·05·f·n/20=(200+52)·05·11·095/20=658кн
H=Hmax·i·yi=658·085·195=1091кн
IV.Ветровая нагрузка:
1.Участок - от 0.00м до низа стропильных конструкций 9.60м: Н1=9600м
2.Участок - высота стропильной конструкции: H2=2950м
Находим средний коэффициент Kсрij:
Kср11=Кн11+(Н11/2)·tg1=K5=05
Kср12=K5+(46/2)·003=0569
Kср21=064+(295/2)·002=067
Kср1=(05·5+0569·46)/96=053
Kср2=067
Расчётное значение ветровой нагрузки на первом участке:
Wнав1=f·ce·Kср1·W0=14·08·053·03=018кн/мІ
Wпод1=f·ce·Kср1·W0=14·06·053·03=013кн/мІ
Расчётное значение ветровой нагрузки на втором участке:
Wнав2=f·ce·Kср2·W0=14·08·067·03=022кн/мІ
Wпод2=f·ce·Kср2·W0=14·06·067·03=017кн/мІ
Ветровая нагрузка, действующая на шатёр, приводится к узловой нагрузке, приложенной на уровне низа ригеля рамы.
Интенсивность нагрузки:
Wнав=Wнав1·Bk=018·6=108кн/мп
Wпод=Wпод1·Bk=013·6=078кн/мп
Грузовая площадь шатра: A1=Bk·h2=6·295=177мІ
Pнав=Wнав2·A1=022·177=39кн
Pпод=Wпод2·A1=017·177=30кн
Статический расчёт рамы
Определение геометрических характеристик стойки по оси А:
Моменты инерции сечений колонн составляют:
надкрановой части I1=bhіверх/12=04·038і/12=00018м
подкрановой части I2=04·08і/12=0017м
Отношение высоты надкрановой части колонны к её полной высоте: =Нв/Н=38/106=036
Определение усилий в стойках от отдельных видов загружений:
1)Постоянная нагрузка.
Продольная сила F1=2805кн действует на колонну с эксцентриситетом e0=0015м
В подкрановой части колонны действуют: расчётная нагрузка от подкрановых балок F=40579кн c e=035м; расчётная нагрузка от надкрановой части колонны F=15884кн e0=021м.

|
С |
Усилие |
Постоянная нагрузка |
Временные нагрузки |
I сочетание |
II сочетание |
||||||||
|
Снеговая |
Dmax |
H |
Ветер слева |
Ветер справа |
Mmax Nсоотв |
Mmin Nсоотв |
Nmax Mсоотв |
Mmax Nсоотв |
Mmin Nсоотв |
Nmax Mсоотв |
|||
|
1 |
2 |
3 |
4 |
5 |
6 |
7 |
8 |
9 |
10 |
11 |
12 |
13 |
14 |
|
1-1 |
M |
-376 |
-287 |
0 |
0 |
0 |
0 |
||||||
|
N |
25046 |
19152 |
0 |
0 |
0 |
0 |
|||||||
|
2-2 |
M |
1645 |
1575 |
-4347 |
874 |
1919 |
2045 |
3-8 |
3-5-6 |
3-4 |
3-4-8 |
3-5-6 |
3-4 |
|
369 |
-3576 |
322 |
5265 |
-3576 |
322 |
||||||||
|
N |
26634 |
19152 |
0 |
0 |
0 |
0 |
26634 |
26634 |
45786 |
45786 |
26634 |
45786 |
|
|
3-3 |
M |
-2528 |
-2447 |
9691 |
874 |
1919 |
2045 |
3-4 |
3-5-6 |
3-5-6 |
3-4 |
3-5-6 |
3-4-5-6 |
|
4975 |
837 |
8037 |
4975 |
8037 |
559 |
||||||||
|
N |
30692 |
19152 |
4011 |
0 |
0 |
0 |
49844 |
708 |
708 |
49844 |
708 |
708 |
|
|
4-4 |
M |
636 |
492 |
2827 |
2552 |
8126 |
7567 |
3-7 |
3-4 |
3-5-6 |
3-4-5-6-7 |
3-5-6 |
3-4-5-6 |
|
8762 |
1128 |
6015 |
14633 |
911 |
6507 |
||||||||
|
N |
36923 |
19152 |
4011 |
0 |
0 |
0 |
36923 |
56075 |
77033 |
96185 |
770 |
96185 |
|
|
Q |
532 |
49 |
-1144 |
571 |
1154 |
1154 |
1686 |
1022 |
-1183 |
461 |
1183 |
-693 |
|

З![]()
![]()
![]()
![]()
![]()
![]()

агружение
1(снеговая
нагрузка):
Загружение 2(постоянная нагрузка):


![]()

![]()
![]()
![]()
![]()
Загружение 3(ветровая нагрузка):

![]()
![]()

![]()
![]()
![]()

Загружение 4(вертикальная нагрузка от мостовых кранов):

![]()
![]()
![]()

![]()
![]()
![]()
Загружение 5(горизонтальная крановая нагрузка):
![]()

![]()
![]()

![]()
Расчёт колонны
Бетон тяжёлый: B15, подвергнутый тепловой обработке при атмосферном давлении
Rb=85(Мпа); Rbt=075(Мпа); Eb=205·10і(Мпа); арматура А-,d>10(мм)
Rs=Rsc=365(Мпа); Es=200·10і(Мпа)
I.Надкрановая часть:
B·h=40·38(см) (а=а=4см)
h0=h-a=38-4=34(см)
расчётная длина над крановой части: l0=2·Hверх=2·38=76(м)
Комбинации расчётных усилий:
|
Комбинации |
Первая |
Вторая |
Третья |
|
Усилия |
Мmax, Nсоотв |
Mmin, Nсоотв |
Nmax, Mсоотв |
|
М,Кн·м |
5265 |
-3576 |
322 |
|
N,Кн |
45786 |
26634 |
45786 |
Д

ля
первой комбинации:
Так как 0>14, то необходимо учесть влияние прогиба элемента на его прочность.
еа – случайный эксцентриситет. Принимаем еа=13(см)
Р
асчётный
эксцентриситет
e=e0+ea=11+13=123(см)
Принимаем е=032(см)
Для тяжёлого бетона =1
Предварительно принимаем =0005, тогда при =Es/Eb=200·10і/205·10і=98


Площадь арматуры As=As назначаем по сортаменту:
Принимаем 2Ш14 A- c As=308(смІ)
Для второй комбинации:

![]()
П
лощадь
арматуры As=As
назначаем
по сортаменту:
Принимаем 2Ш8 A- c As=101(смІ)
Для третьей комбинации:
![]()


Площадь арматуры As=As назначаем по конструктивным соображениям:
As=0002·b·h0=0002·40·34=272(смІ)
Принимаем 2Ш14 A- c As=308(смІ)
Окончательно принимаем 2Ш14 A- c As=308(смІ)
Горизонтальная арматура устанавливается конструктивно: шаг 300, Ш6 А-I
II Подкрановая часть:
bЧh=40Ч80(см) (a=a’=4см)
h0=80-4=76(см)
Расчётная длина подкрановой части колонны: l0=15·H1=15·6=9(м)
Комбинации расчётных усилий:
|
Комбинации |
Первая |
Вторая |
Третья |
|
Усилия |
Мmax, Nсоотв |
Mmin, Nсоотв |
Nmax, Mсоотв |
|
М,Кн·м |
14633 |
911 |
6507 |
|
N,Кн |
96185 |
770 |
96185 |
|
Q,Кн |
461 |
1183 |
-693 |
Д

ля
первой комбинации:
Так как 0>14, то необходимо учесть влияние прогиба элемента на его прочность.
еа – случайный эксцентриситет. Принимаем еа=267(см)
Р
асчётный
эксцентриситет
e=e0+ea=152+267=179(см)
Принимаем е=0294(см)
Для тяжёлого бетона =1
Предварительно принимаем =0005, тогда при =Es/Eb=200·10і/205·10і=98

Площадь арматуры As=As назначаем по конструктивным соображениям:
A
s=0002·b·h0=0002·40·76=61(смІ)
Принимаем 2Ш20 A- c As=628(смІ)

Для второй комбинации:

Площадь арматуры As=As назначаем по конструктивным соображениям:
As=0002·b·h0=0002·40·76=61(смІ)
Принимаем 2Ш20 A- c As=628(смІ)
Для третьей комбинации:

П
лощадь
арматуры As=As
назначаем
по конструктивным
соображениям:
As=0002·b·h0=0002·40·76=61(смІ)
Принимаем 2Ш20 A- c As=628(смІ)
Проверим необходимость расчёта подкрановой части колонны в плоскости, перпендикулярной к плоскости изгиба:
Р![]()
![]()

асчёт
необходим
Так как l0/i=4174>14,
необходимо
учесть влияние
прогиба элемента
на его прочность

Следовательно принятого количества арматуры достаточно
Окончательно принимаем 2Ш20 A- c As=628(смІ)
Р
асчёт
колонны на
транспортные
нагрузки.
![]()
![]()

![]()
![]()
![]()
![]()
Расчёт арматуры верхней части колонны:

Р
асчёт
арматуры нижней
части колонны:
Расчёт трещиностойкости:

Принятого количества арматуры достаточно.
|
Сечение |
Усилие |
Постоянная нагрузка |
Временные нагрузки |
I сочетание |
II сочетание |
||||||||||||
|
Снеговая |
Dmax по оси А |
Dmax по оси Б в пролёте АБ |
Dmax по оси Б в пролёте БВ |
H по оси А |
H по оси Б |
Ветер слева |
Ветер справа |
Mmax Nсоотв |
Mmin Nсоотв |
Nmax Mсоотв |
Mmax Nсоотв |
Mmin Nсоотв |
Nmax Mсоотв |
||||
|
слева |
справа |
||||||||||||||||
|
1 |
2 |
3 |
4 |
5 |
6 |
7 |
8 |
9 |
10 |
11 |
12 |
13 |
14 |
15 |
16 |
17 |
18 |
|
0 |
M |
||||||||||||||||
|
N |
|||||||||||||||||
|
Q |
|||||||||||||||||
|
1 |
M |
||||||||||||||||
|
N |
|||||||||||||||||
|
Q |
|||||||||||||||||
|
2 |
M |
||||||||||||||||
|
N |
|||||||||||||||||
|
Q |
|||||||||||||||||
|
3 |
M |
||||||||||||||||
|
N |
|||||||||||||||||
|
Q |
|||||||||||||||||
|
4 |
M |
||||||||||||||||
|
N |
|||||||||||||||||
|
Q |
|||||||||||||||||
Расчёт ребристой плиты покрытия
Нормативные и расчётные нагрузки на 1мІ перекрытия
Вид нагрузки |
Нормативная нагрузка кн./мІ |
Коэфф. надёжности по нагрузке |
Расчётная нагрузка кн./мІ |
|
Постоянная от веса: - рулонного покрытия(6мм) - ц/п стяжки(20мм; =2000) - от утеплителя(базальтоволокнистые плиты 120мм; =250) - от пароизоляции(2 слоя пергамина на мастике 10мм) - от ребристых панелей(25мм) |
100 400 300 100 1350 |
1.2 1.3 1.2 1.2 1.1 |
120 520 360 120 1485 |
|
Всего от постоянной нагрузки: |
2250 |
- |
2605 |
|
Временная от снега: - длительная - кратковременная |
2000 1540 660 |
1.4 1.4 1.4 |
2800 2156 924 |
|
Полная: - постоянная и длительная - кратковременная |
4250 3790 660 |
- - - |
5405 4761 924 |
Расчёт плиты по прочности.
Расчёт полки:
Плиту рассматриваем как многопролётную неразрезную балку.
Изгибающий момент в сечении:
![]()
где
![]()
а
общая нагрузка
на плиту:
![]()
+
=(120+520+360+120+687)+2800=4.61(кн/мІ)
Полезная
толщина плиты
![]()
Определяем
коэффициент
при
=1(м):

Принимаем сварную сетку С-2 с продольной арматурой Ш3 класса Вр-I, шаг 100(мм), As=0.71(смІ) и поперечной Ш3 класса Вр-I, шаг 200(мм), As=0.35(смІ).
Процент
армирования
![]()
Расчёт поперечных рёбер по прочности:
Поперечные
рёбра запроектированы
с шагом
.
Поперечное
ребро рассчитываем
как балку таврового
сечения с защемлённой
опорой.
Постоянная
расчётная
нагрузка
с учетом собственного
веса ребра:
![]()
Временная(снеговая)
нагрузка:
![]()
Общая
нагрузка:
![]()
![]()
![]()
![]()
Принимаем
полезную высоту
сечения ребра
.
Расчётное
сечение ребра
в пролёте является
тавровым с
полкой в сжатой
зоне:
![]()
Находим
коэффициент
по пролётному
моменту:

Находим
коэффициент
по опорному
моменту:

Учитывая
на опоре работу
поперечных
стержней сетки
плиты, у которой
на 1(м) имеется
5Ш3
,
на продольный
стержень плоского
каркаса требуется
.
Из
конструктивных
соображений
принимаем
верхний стержень
таким же, как
нижний, т.е.
![]()
Проверим необходимость постановки хомутов:
![]()
Следовательно
требуется
расчёт поперечной
арматуры. Зададимся
шагом хомутов
и диаметром
стержней:
;
Ш5 Вр-I.

где
![]()
;

Принимаем
.
![]()
Условие
прочности
обеспечивается.
Расчёт продольных рёбер по прочности
1. Предельные состояния первой группы
Плиту рассматриваем как свободно лежащую на двух опорах балку П-образного поперечного сечения, которое приводится к тавровому сечению с полкой в сжатой зоне. Находим расчётный пролёт плиты, принимая ширину опоры 10см:
![]()
Максимальный
изгибающий
момент:
![]()
где
-
номинальная
ширина панели(расстояние
в осях) 3(м),
(сбор
нагрузок).
Ширина
свеса полки
в каждую сторону
от ребра не
должна превышать
половины расстояния
в свету между
соседними
рёбрами и 1/6
пролёта рассчитываемого
элемента. При
расчётная
ширина полки
в сжатой зоне:
.
Рабочая
высота ребра:
.
Для
установления
расчётного
случая таврового
сечения проверим
условие, считая
![]()
![]()
Условие
соблюдается,
следовательно,
нейтральная
ось проходит
в пределах
сжатой полки
т.е.
.
Определим
положение
границы сжатой
зоны:
![]()

Предварительные
напряжения
следует назначать
с учётом допустимых
отклонений
значения
предварительного
напряжения
таким образом,
чтобы выполнялось
условие:
,
где
(т.к.
механический
способ натяжения
арматуры).


Т.к.
то
должно быть
умножено на
коэффициент
![]()
►
![]()
Вычисляем площадь сечения растянутой арматуры:
![]()
Принимаем
![]()
Расчёт по наклонному сечению
Расчёт на действие поперечной силы:
![]()
Проверим
необходимость
постановки
хомутов:
![]()
![]()
![]()
Определим длину проекции наиболее опасного наклонного сечения:

Условие выполняется.
Расчёт
на действие
изгибающего
момента:
![]()

Т.к.
у продольной
арматуры отсутствует
анкеровка, то
принимают
сниженным.

Условие выполняется. Прочность по наклонной трещине обеспечена.
2. Предельные состояния второй группы
Определение геометрических характеристик приведённого сечения.

Статический момент площади приведённого сечения относительно нижней грани:
![]()
Расстояние от нижней грани до центра тяжести приведённого сечения:
,
то же до верхней
,
где
.
Момент
инерции приведённого
сечения:
![]()
.
Момент сопротивления приведённого сечения относительно нижней грани:
,
то
же по верхней
зоне
.
;
,
где
-
для тавровых
сечений с полкой
в сжатой зоне.
Расстояния
от верхней и
нижней ядровой
точек до центра
тяжести приведённого
сечения, где
![]()
.
Определим потери предварительного напряжения арматуры.
Первые потери:
от релаксации напряжений а арматуре

от температурного перепада(при
)

от деформации анкеров, расположенных у натяжных устройств
,где
![]()
-
длина натягиваемого
стержня.
Потери
от быстронатекающей
ползучести
бетона, подвергнутого
тепловой обработке,
при
![]()
,
где
Первые
потери напряжений:
.
Вторые потери:
от усадки бетона

от ползучести бетона при
,
для бетона
подвергнутого
тепловой обработке при атмосферном давлении
,
где
.
Вторые
потери напряжений:
.
Общие потери предварительного напряжения арматуры:
.
Равнодействующая
сил обжатия
с учётом всех
потерь и точности
натяжения
,
где
.
Расчёт по деформациям (определение прогибов).
Вычисляем
момент, воспринимаемый
сечением нормальным
к продольной
оси элемента,
при образовании
трещин:

Следовательно трещины в растянутой зоне образуются. Необходим расчёт по раскрытию трещин.
Расчёт по раскрытию трещин, нормальных к продольной оси элемента.
Предельная ширина раскрытия трещин:
непродолжительная

продолжительная

Изгибающий момент от нормативных нагрузок: постоянной и длительной
;
суммарной
.
Приращения
напряжений
в растянутой
арматуре от
действия постоянной
и длительной
нагрузок:
,
где
т.к. усилие обжатия
Р
приложено в
центре тяжести
площади нижней
напрягаемой
арматуры;
;
.
Приращения напряжений в растянутой арматуре от действия полной нагрузки:
.
Ширину раскрытия трещин от непродолжительного действия всей нагрузки:
,
где
![]()
Ширину
раскрытия
трещин от
непродолжительного
действия постоянной
и длительной
нагрузки:
![]()
Ширину раскрытия трещин от действия постоянной и длительной нагрузок:
![]()
Непродолжительная ширина раскрытия трещин:
![]()
Продолжительная
ширина раскрытия
трещин:
![]()
Расчёт прогиба плиты:
Прогиб
определяем
от нормативного
значения постоянной
и длительных
нагрузок; предельный
прогиб составляет
=
587/200
=
2.94(см).
Вычисляем
параметры,
необходимые
для определения
прогиба плиты
с учётом трещин
в растянутой
зоне. Заменяющий
момент равен
изгибающему
моменту от
постоянной
и длительной
нагрузок
;
суммарная
продольная
сила равна
усилию предварительного
обжатия с учётом
всех потерь
и при
;
;
эксцентриситет
;
коэффициент
-
при
длительном
действии нагрузки.

Вычислим кривизну оси при изгибе:

Вычислим прогиб плиты:
3. Расчёт плиты в стадии изготовления.

![]()
Проверка прочности:
,
где![]()

![]()
Нагрузка
от собственного
веса плиты
шириной 3(м):
.
![]()
,
где
взято для В21.

,
принято конструктивно.
Проверка трещиностойкости:
Следовательно трещины образуются.
Т а б л и ц а р а с ч ё т н ы х у с и л и й .
-
Сечение
Усилие
Постоянная нагрузка
Временные нагрузки
I сочетание
II сочетание
Снеговая на покрытии пролёта
Dmax по оси Б в пролёте АБ
Dmax по оси Б в пролёте БВ
H по оси Б
Ветер слева
Ветер справа
Mmax Nсоотв
Mmin Nсоотв
Nmax Mсоотв
Mmax Nсоотв
Mmin Nсоотв
Nmax Mсоотв
АБ
БВ
1
2
3
4
5
6
7
8
9
10
11
12
13
14
15
16
1
M
-12
-383
383
0
0
0
0
0
3-5
3-4
3-4
3-5
3-4
3-4
263
-503
-503
2247
-4647
-4647
N
41432
19152
19152
0
0
0
0
0
60584
60584
60584
587
587
587
2
M
-485
-155
155
8273
-8273
685
114
114
3-6-8
3-7-8
3-4
3-5-6-8-9
3-4-7-8
3-4-5
8473
-9443
-2035
100
-9942
-485
N
43942
19152
19152
0
0
0
0
0
43942
43942
631
612
612
78415
3
M
-485
-155
155
-1048
1048
685
114
114
3-7-8
3-6-8
3-6
3-5-7-8-9
3-4-6-8
3-4-5-6
1068
-1165
-10965
11984
-1193
-9917
N
545
19152
19152
250
250
0
0
0
795
795
795
94237
94237
111474
4
M
792
253
-253
4326
-4326
11
318
318
3-6-8
3-7-8
3-7-8
3-4-6-8-9
3-5-7-8
3-4-5-6
6218
-4634
-4634
10814
-637
4685
N
624
19152
19152
250
250
0
0
0
874
874
874
102137
102137
1194
Q
188
6
-6
188
-188
233
3
3
61
233
233
1377
-731
357
Исходные данные для проектирования.
Ширина пролёта – 24(м)
Шаг рам – 6(м)
Грузоподъёмность крана – 20(т)
Режим работы крана – лёгкий
Длина здания – 192(м)
Место строительства – город Пермь
Расчётная колонна - по оси А
Агрессивность среды – неагрессивная
Т а б л и ц а р а с ч ё т н ы х у с и л и й .
-
Сечение
Усилие
Постоянная нагрузка
Временные нагрузки
I сочетание
II сочетание
Снеговая на покрытии пролёта
Dmax по оси Б в пролёте АБ
Dmax по оси Б в пролёте БВ
H по оси Б
Ветер слева
Ветер справа
Mmax Nсоотв
Mmin Nсоотв
Nmax Mсоотв
Mmax Nсоотв
Mmin Nсоотв
Nmax Mсоотв
АБ
БВ
1
2
3
4
5
6
7
8
9
10
11
12
13
14
15
16
1
M
-12
-383
383
0
0
0
0
0
3-5
3-4
3-4
3-5
3-4
3-4
263
-503
-503
2247
-4647
-4647
N
41432
19152
19152
0
0
0
0
0
60584
60584
60584
587
587
587
2
M
-485
-155
155
8273
-8273
685
11324
11324
3-9
3-7-8
3-4
3-5-6-8-9
3-4-7-8
3-4-5
112755
-9443
-2035
1109
-9942
-485
N
43942
19152
19152
0
0
0
0
0
43942
43942
631
612
612
78415
3
M
-485
-155
155
-1048
1048
685
11324
11324
3-9
3-6-8
3-6
3-5-7-8-9
3-4-6-8
3-4-5-6
112755
-1165
-10965
1129
-1193
-9917
N
545
19152
19152
250
250
0
0
0
545
795
795
94237
94237
111474
4
M
792
253
-253
4326
-4326
11
3159
3159
3-9
3-7-8
3-7-8
3-4-6-8-9
3-5-7-8
3-4-5-6
3167
-4634
-4634
292262
-637
4685
N
624
19152
19152
250
250
0
0
0
624
874
874
102137
102137
1194
Q
188
6
-6
188
-188
233
298
298
300
233
233
27927
-731
357
Похожие рефераты:
Детский ясли-сад на 140 мест с бассейном
Проектирование 9-этажного дома
Проектирование сборных железобетонных элементов каркаса одноэтажного промышленного здания
Конструирование железобетонных колонн
Конструктивная схема одноэтажного промышленного здания
Многоэтажное производственное здание
Одноэтажное промышленное здание
Проектирование четырехэтажной гостиницы в г. Краснодаре
Стальной каркас одноэтажного производственного здания
Технология строительства промышленного здания с использованием железобетонных конструкций



