| Похожие рефераты | Скачать .docx |
Курсовая работа: Расчет преобразователя частоты
Курсовая работа
«Расчет преобразователя частоты»
Содержание
Введение
1. Преобразователи частоты
1.1 Назначение
1.2 Структурная схема и принцип работы
1.3 Основные показатели преобразователей частоты
1.4 Классификация преобразователей частоты
2. Виды схем преобразователей частоты
3. Расчёт преобразователей частоты
Заключение
Список литературы
ВВЕДЕНИЕ
Подавляющее большинство радиовещательных и профессиональных приемников относится к классу супергетеродинов. Характерная особенность этих приемников состоит в преобразовании частоты.
Супергетеродинный радиоприёмник это радиоприёмник, в котором до детектирования принимаемого радиосигнала производится преобразование (понижение) его несущей частоты, не изменяющее закона модуляции. Способ супергетеродинного радиоприёма предложен в 1918 одновременно Э. Армстронгом (США) и Л. Леви (Франция).
Независимо от того, ведется ли прием длинноволновой, средневолновой или коротковолновой радиостанции, их частоты преобразуются всегда в одну и ту же промежуточную частоту, которая определяется постоянной настройкой дальнейших усилительных каскадов. Именно благодаря этому свойству можно создать высококачественный приемник с широким диапазоном волн — от длинных до коротких.
Процесс образования промежуточной частоты осуществляется в результате взаимодействия колебаний сигнала с «местным» колебанием, которое создается маломощным генератором (гетеродином), входящим в состав приемника. Взаимодействие обоих колебаний происходит в приборе с переменным параметром (например, в электронной лампе или полупроводниковом приборе с изменяемой крутизной). Образование промежуточной частоты в этом приборе с одновременным подавлением колебаний других частот, но с сохранением передаваемого сообщения представляет собой довольно сложный физический процесс.
Преимущества супергетеродинного метода:
1.Усиление в трех областях частот и, в особенности, возможность значительного усиления при добротных контурах на промежуточной частоте позволяет добиться высокой чувствительности.
2.Постоянная настройка каскадов промежуточной частоты допускает применение в них различных видов полосовых фильтров (электрических и даже электромеханических) и позволяет добиться высокой относительной избирательности.
3.На промежуточной частоте происходит основное усиление сигнала, а потому при перестройках и при смене поддиапазонов чувствительность приемника остается почти постоянной.
4.Наконец, после большого усиления на промежуточной частоте амплитуды сигнала на входе детектора оказываются достаточными для приведения в действие автоматических устройств, вроде регулятора усиления, электронно-светового индикатора настройки, устройства автоподстройки и др.
Недостатки супергетеродинного метода:
1. Усложнение схемы приёмника;
2. Возможность утечки сигнала fг в антенно-фидерное устройство;
3. Образование побочных каналов приема.
1. Преобразователи частоты
1.1 Назначение
Преобразователи частоты (ПЧ) служат для переноса спектра частот из одной области в другую без изменения характера модуляции. Они являются частью супергетеродинного приемника. В результате преобразования получается новое значение несущей частоты fпр , называемой промежуточной. Частота fпр может быть как выше, так и ниже fс . Если fпр > fс преобразование частоты вверх; fс < fпр преобразование частоты вниз.

Рисунок 1
1.2 Структурная схема и принцип работы
ПЧ (рис.2) содержит нелинейный элемент (НЕ) и источник вспомогательного колебания, называемый гетеродином (Г). В качестве нелинейного элемента используются различные электронные приборы, нелинейные активные или реактивные сопротивления. Нелинейный элемент, преобразующий колебания сигнала с помощью гетеродина, называют смесителем.
В состав ПЧ входит также фильтр (Ф) с нагрузкойRн , необходимый для выделения напряжения промежуточной частоты.
Рисунок 2
В общем случае преобразование частоты можно рассматривать как результат перемножения двух высокочастотных напряжений: напряжения сигнала
uc = Uс cos(ωc t+φc )
и напряжение гетеродина
uг = Uг cos(ωг t+φг )
В результате такого перемножения на выходе преобразователя получается напряжение преобразованной частоты
uпч = kсх Uс Uг cos(ωпр t+φпр )
где kсх - постоянный коэффициент, зависящий от параметров преобразователя.
Амплитуда, частота или фаза преобразованного напряжения имеют тот же закон, что и напряжение сигнала. Это означает, что при преобразовании модулированных сигналов вид и параметры модуляции не нарушаются. Перемножить напряжения можно двумя способами: с помощью нелинейных элементов или с помощью линейных цепей с переменными параметрами (параметрических цепей). В общем случае в результате нелинейного или параметрического преобразования двух напряжений на выходе смесительного элемента появляется множество комбинационных составляющих напряжений с частотами ![]()
ωк
=
|±
kωг
± nφг
|
где k и n - целые положительные числа.
На избирательной нагрузке выделяется напряжение одной из
комбинационных частот, которая и принимается за промежуточную частоту приемника.
1.3 Основные показатели преобразователей частоты
ПЧ характеризуется следующими основными показателями: коэффициентом усиления, уровнем линейных искажений, нелинейными эффектами, избирательностью, устойчивостью эксплуатационно-технических характеристик и перекрытием заданного диапазона частот.
1) Коэффициент усиления преобразователя равен отношению комплексной амплитуды выходного напряжения преобразованной частоты к комплексной амплитуде напряжения сигнала, действующего на входе преобразователя, т.е.
Kпч = Um пр /Um c
Коэффициент усиления ПЧ зависит от частоты входного сигнала. Эта зависимость определяется как характеристикой избирательности системы, включённой на входе преобразующего прибора, так и характеристикой нелинейности последнего. Для оценки усилительных свойств ПЧ при точной настройке используют резонансный коэффициент усиления преобразователь при точной настройке к комплексной амплитуде входного напряжения сигнала:
Kпч0 = Um пр0 /Um c 0
2) Линейные искажения сигнала характеризуется неравномерностью коэффициента усиления в необходимой полосе спектра сигнала и нелинейностью фазовой характеристики.
Определение этих показателей не отличается от определения аналогичных показателей избирательных усилителей. Следует отметить, что в ПЧ эти искажения даёт фильтр, настроенный на промежуточную частоту.
3) Нелинейные эффекты в ПЧ характеризуют величинами, используемыми для аналогичных оценок в избирательных усилителях, а именно: нелинейность амплитудной характеристики, коэффициентом блокирования сигнала, коэффициентом перекрёстных искажений, коэффициентом взаимной модуляции и коэффициентом вторичной модуляции.
В ПЧ возникают специфические нелинейные эффекты, определяемые наличием сильных колебаний с частотой гетеродина. К этим Эффектам относятся побочные каналы приёма и свисты, сопровождающие приём полезного сигнала. Побочные каналы приёма характеризуются значениями их частот и уровнем выходного напряжения, создаваемого соответствующим каналом приёма.
4) Избирательность преобразователя зависит от вида АЧХ его нагрузки. Однако при настройке гетеродина соответствующей приему полезного сигнала, существует ряд частот, которые в результате преобразования также образуют промежуточную частоту (например, ω= ωг −ωпр илиω= ωг +ωпр ).
Следовательно, в преобразователе частоты имеют место побочные каналы приема, которые ухудшают его избирательные свойства.
5) Устойчивость работы ПЧ в смысле постоянства характеристик определяется не только свойствами преобразующего прибора и избирательной цепи, но и свойствами гетеродина. Что касается удалённости от самовозбуждения, то ПЧ представляет собой устройство, выходные входные цепи которого настроены на значительно отличающиеся частоты
(fпр и fс ), и поэтому непосредственно емкостная или индуктивная связь этих цепей обычно не опасна. Существенное снижение стабильности показателей характерно для регенеративного режима, который используется в ПЧ на туннельном диоде и емкостном ПЧ, работающем с инверсией спектра.
6) Перекрытие заданного диапазона частот определяется возможностью перестройки гетеродина в пределах заданного диапазона и постоянством его характеристик в этих условиях.
1.4 Классификация ПЧ
По способу получения fпр :
- ПЧ с верхней настройкой гетеродина
fпр = fг − fс , т.е. fг > fс
В данном случае после преобразования положение боковых полос сигнала меняется, т.е. нижняя становится верхней и наоборот (инвертирующее преобразование частоты).
- ПЧ с нижней настройкой гетеродина.
fпр = fс − fг , т.е.fг < fс
В данном случае положение боковых полос сигнала относительно несущей частоты после преобразования не меняется (неинвертирующее преобразование частоты).
По виду нелинейного элемента:
- диодные ПЧ;
- транзисторные ПЧ;
- интегральные ПЧ.
По числу нелинейных элементов в ПЧ:
- простые (один НЭ);
- балансные (два НЭ);
2. ВИДЫ СХЕМ ПРЕОБРАЗОВАТЕЛЕЙ ЧАСТОТЫ1
Известно большое количество различных схем преобразователей частоты, каждая из которых может выбираться в зависимости от требований к проектируемому радиоприемнику.
Общими требованиями к преобразователям частоты являются: возможно, больший коэффициент передачи при преобразовании; минимальный уровень шумов, вносимых преобразователем в тракт приемника; высокая стабильность работы гетеродина; минимальное просачивание энергии гетеродина в антенну.
В качестве смесительных элементов преобразователей частоты в современных приемниках километровых, гектометровых, дециметровых и метровых (КГД и М) волн применяются электронные приборы с резистивной и реактивной нелинейными проводимостями. К первой группе приборов относятся транзисторы (биполярные и полевые) и различные высокочастотные диоды, работающие на прямой ветви вольт-амперной характеристики, а ко второй — параметрические диоды. В последних используется вольт-фарадная характеристика.
Преобразователи частоты на биполярных транзисторах могут выполняться на одном триоде, т. е. с совмещенным гетеродином, и на двух триодах, в которых один выполняет функции смесителя, а другой — гетеродина. В случае использования автономного гетеродина легче подобрать оптимальные режимы работы смесителя и гетеродина, что определяет использование преобразователей с отдельным гетеродином в приемниках повышенного класса.
Наиболее распространенными схемами преобразователей частоты на биполярных транзисторах являются схемы, в которых принимаемый сигнал подается в цепь базы, т. е. когда для напряжения сигнала схема смесителя является схемой с общим эмиттером.
В этом случае, так же как и вусилительных схемах, получается больший коэффициент передачи преобразователя.
Напряжение гетеродина может подаваться как в цепь базы (смеситель по отношению к этому напряжению работает по схеме с общим эмиттером), так и в цепь эмиттера, что соответствует схеме с общей базой. При подаче напряжения гетеродина в цепь базы требуется при прочих равных условиях меньшая мощность, так как входное сопротивление схемы с общим эмиттером больше, чем схемы с общей базой. Однако в первом случае увеличивается взаимосвязь между входным контуром преобразователя (сигнальным) и контуром гетеродина. Известно, что такая взаимосвязь ухудшает стабильность работы гетеродина, затрудняет настройку контуров при их сопряжении, увеличивает просачивание энергии гетеродина в антенну. Когда напряжение гетеродина подается в цепь базы, то связь между гетеродином и смесителем приходится осуществлять через конденсатор с весьма небольшой емкостью.
При подаче напряжения гетеродина в цепь эмиттера не требуется непосредственно связывать между собой контуры гетеродина и сигнала. Однако между этими контурами существует паразитная связь за счет емкости Сэ .в смесительного транзистора. Другим недостатком схемы является влияние внутреннего сопротивления транзистора смесителя на частоту гетеродина. Последнее особенно нежелательно при регулировании усиления смесителя с помощью системы АРУ. Помимо этого, в такой схеме с повышением рабочей частоты увеличивается отрицательная обратная связь по току сигнала, снижающая коэффициент передачи преобразовательного каскада. Перечисленные, недостатки схемы возрастают с увеличением рабочей частоты.
При использовании любой схемы преобразователя частоты уменьшение взаимного влияния настроек гетеродинного и сигнального контуров может быть достигнуто: увеличением промежуточной частоты, т. е. увеличением разности частот гетеродина и сигнала; переходом к использованию высших гармоник частоты гетеродина; введением буферного каскада между гетеродином исмесителем. Последнее особенно удобно при работе на гармониках, когда буферный каскад используется врежиме умножения.
Следует заметить, что на первом этапе развития транзисторной техники биполярные транзисторы широко использовались как смесители. Однако они имеют вольт-амперную характеристику, далекую от идеальной (квадратичной), и в настоящее время вытесняются полевыми транзисторами.
Полевые транзисторы имеют вольт-амперную характеристику, близкую к квадратичной кривой, поэтому крутизна характеристики их изменяется в зависимости от напряжения на затворе по закону, близкому к линейному. Линейная зависимость крутизны полевого транзистора позволяет уменьшить нелинейные искажения принимаемого сигнала. Как показывают исследования, полевые транзисторы обеспечивают коэффициент перекрестной модуляции на 50 дБ ниже, чем при использовании биполярных транзисторов. Кроме того, полевые транзисторы позволяют обеспечить более низкий коэффициент, шума. Их входное сопротивление значительно выше, чем у биполярных.
Если используют полевые транзисторы в качестве смесителей, то они работают обычно с отдельным гетеродином. Напряжение сигнала подается, как правило, на затвор, а напряжение гетеродина может быть подано как на затвор, так и на исток. Влияние способов подачи напряжения гетеродина здесь такое же, как и в преобразователях на биполярных транзисторах.

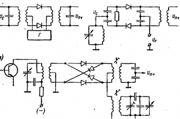
Рисунок 3. Схемы преобразователя: а — со смесителем на полевом МОП-транзисторе; б — с двухзатворным смесителем; в — со смесителем на двух полевых транзисторах; г—на двух транзисторах в другом варианте
На рисунке 3, а показана схема преобразователя со смесителем на полевом МОП-транзисторе. Напряжение гетеродина подается в цепь истока транзисторного смесителя. Другая схема (рисунок 3, б)с двухзатворным смесителем. Здесь напряжение гетеродина и сигнала подаются на разные затворы. Этим достигается хорошая развязка контуров гетеродина и сигнала, а также требуется меньшая амплитуда гетеродина, чем в схеме с обычным МОП-транзистором. Еще большое ослабление связи между упомянутыми контурами обеспечивают схемы рисунок 3, в и г. Как видно из приведенных схем, полевые транзисторы соединены в них последовательно. Изменение крутизны по напряжению на затворе входного транзистора получается за счет изменения проводимости цепи сток—исток дополнительного транзистора при подаче на него напряжения гетеродина.
Для повышения эффективности подавления побочных каналов приема, а также для уменьшения излучения гетеродина через цепь антенны в рассматриваемом диапазоне волн могут применяться смесители на диодах с резистивной проводимостыю — балансные, мостовые и кольцевые.

Рисунок 4. Схемы преобразователя на диодах: а — балансного; б — балансного в другом варианте; в — кольцевого
На рисунке 4, а приведена упрощенная схема балансного диодного преобразователя частоты. В хорошо отсимметрированной схеме балансного преобразователя на его выходе и входе образуются составляющие частотного спектра ωс , ωг ± ωс , 3ωг ± ωс , 5ωг ± ωс ,…,в то время как в простом преобразователе, кроме того, 0, ωг , 2ωг , 4ωг , 6ωг … .Отсутствие составляющей ωг в спектре балансного преобразователя частоты уменьшает излучение гетеродина через антенну и шумы в тракте приемника. Другая схема балансного преобразователя частоты показана на рисунке 4, б. По своим электрическим свойствам она не отличается от предыдущей.
Схема кольцевого преобразователя иа диодах дана на рисунке 4, в . В спектре кольцевого преобразователя отсутствуют те же составляющие, что и в балансном, и, кроме того, составляющая с частотой ωс .
В качестве диодов в сложных диодных преобразователях частоты могут применяться точечные, микросплавные, туннельные диоды с резистивной проводимостью, а также более современные диоды, называемые диодами Шоттки.
Последние обеспечивают более низкий коэффициент шума преобразователя, чем точечные, и больший динамический диапазон смесителя.
На рисунке 5 представлена схема смесителя на диодах Шоттки.
![]() |
Рисунок 5. Схема преобразователя на диодах Шоттки с двумя мостами
Наряду с электронными приборами, работающими на резистивной ветви вольтамперной характеристики, в преобразователях частоты в диапазонах КГД- и М-волн могут применяться нелинейные реактивные приборы. К таким приборам относятся параметрические диоды — варакторы. Это диоды с р—n-переходом, в которых используется зависимость емкости запирающего слоя от напряжения. Такие диоды обычно работают без захода в область прямого тока.
Варакторы обладают сравнительно большой нелинейной емкостью и малыми потерями.
Поскольку в рассматриваемом преобразователе частоты переменным параметром, изменяющимся от напряжения гетеродина, является емкость, такой преобразователь называется емкостным.
Принцип действия преобразователя частоты такой же, как и резистивного. Напряжение гетеродина, действуя на нелинейную емкость параметрического диода изменяет крутизну вольт-фарадной характеристики его, в результате чего на выходе преобразователя образуется широкий спектр частот.
Рассматриваемый преобразователь частоты обладает тем замечательным свойством, что в случае неинвертирующего преобразования, т. е. при кfпр = fс + fг коэффициент передачи по мощности преобразователя имеет значение
Kпч м = fпр /fc
т. е. он тем больше, чем больше превышение промежуточной частоты над частотой сигнала.
Так как коэффициент шума преобразователя на параметрических диодах очень мал и его коэффициент усиления по мощности можно сделать достаточно большим, емкостные преобразователи частоты применяются в приемниках с высокой чувствительностью.
Практически для получения большого усиления в емкостном преобразователе производится преобразование «вверх», т. е. по закону
fпр = fс + fг , а затем «вниз» т. е. по закону fпр fг −fс для получения нужной избирательности и усиления в обычном усилителе промежуточной частоты. В емкостных преобразователях частоты могут использоваться параметрические диоды, выпускаемые промышленностью, а также диоды Шоттки. Преобразование «вверх» может применяться также с целью увеличения ослабления зеркальной помехи.
Существующие принципы построения функциональных схем супергетеродинных приемников предусматривают понижение частоты принимаемого сигнала до промежуточной (часто до 455— 465 кГц).
Такое понижение предпринимается с целью обеспечения высокой селективности сигнала. Однако при этом крайне затрудняется ослабление помехи по зеркальному каналу на высших частотах рабочего диапазона.
Вот некоторые особенности построения функциональной схемы супергетеродинного приемника при преобразовании «вверх».
В тракте промежуточной частоты в качестве селективных систем используются стандартные высокоселективные кварцевые фильтры диапазона метровых волн (30—120 МГц). Выбрав промежуточную частоту, например, 40 МГц в приемнике с диапазоном 2—30 МГц и используя до преобразователя эллиптический фильтр нижних частот с частотой среза, например, 31 МГц, можно получить на всех частотах рабочего диапазона ослабление зеркальной помехи, не зависящее от частоты сигнала, 80 дБ. Этот же фильтр нижних частот уменьшает излучение гетеродина в антенну. Кроме того, в рассматриваемом случае упрощается конструкция гетеродина.
Естественно, что при работе УПЧна частотах, выше чем верхняя частота диапазона приемника, требуется соответствующая оценка его коэффициента шума.
3. РАСЧЁТ ПРЕОБРАЗОВАТЕЛЯ ЧАСТОТЫ
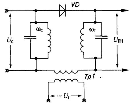
Рассматриваемая мною схема представляет собой простейшую схему смесителя на одном диоде ( рисунок 6 ).

Рисунок 6
Смесители на полупроводниковых диодах характеризуются невысоким уровнем шумов, высокой надежностью, невысоким входным сопротивлением для напряжения гетеродина, низким коэффициентом передачи напряжения (0,3...0,5) и мощности (0,1...0,3). Могут работать на более высоких частотах, чем смесители на транзисторах. В диодных смесителях желательно использовать высокочастотные кремниевые диоды, обладающие большим отношением обратного и прямого сопротивлений и малой емкостью перехода (например, КД503).
А еще лучше диоды с барьером Шоттки, характеризующиеся малым уровнем шумов (например, типа КД419 или КД514А). Могут также применяться и обращенные диоды.
Для данной схемы я выбрал диод с барьером Шоттки КД514А. Этот диод является малошумящим, характеризуется высоким быстродействием и малым падением напряжения (Uпp < 0,6 В).
Конструктивно схема состоит из диода и двух колебательных контуров, один из которых настроен на частоту сигнала, а второй на частоту гетеродина.
Исходные данные:
- fс = 10 МГц;
- fг = 8 МГц.
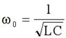
Для расчёта параметров контуров воспользуемся формулой для определения резонансной частоты:

В результате математических расчётов получили:
С1=20 нФ
L1=502,5125 нГн
С2=31,08999 нФ
L2=502,57 нГн
Реализация схемы в программе NI Multisim 10.0.1 показана на рисунке 7.

Рисунок 7
На рисунке 8 показана схема в режиме моделирования.

Рисунок 8
ЗАКЛЮЧЕНИЕ
В супергетеродинном приёмнике преобразователь частоты оказывает, решающее влияние на чувствительность, избирательность, стабильность и уровень собственных шумов приемника. Выбор приборов и схем для преобразователей частоты определяется в соответствии с тем, что дает наиболее благоприятное сочетание этих основных показателей приемника. Именно таким благоприятным решением для длинных, коротких и даже метровых волн оказывается выбор усилительного прибора для роли смесителя, тогда как на более коротких волнах в качестве смесителя выгодно применять тот или иной тип диода.
1. М. Изюмов Преобразование частоты - Массовая радиобиблиотека, выпуск 585
2. Н. Бобров Расчёт радиоприёмников- Массовая радиобиблиотека, выпуск 1027
3. А. Ровдо Полупроводниковые диоды и схемы с диодами- М., Лайт Лтд., 2000
4. В. Горшелев Основы проектирования приёмников- Л., Энергия, 1977
5. В. Палшков Радиоприёмные устройства- М., Радио и связь, 1984
6. А. Сиверс Проектирование радиоприемных устройств- М., "Высшая школа" 1976
Похожие рефераты:
Разработка радиоприемного устройства импульсных сигналов
Разработка интегральной микросхемы АМ-ЧМ приёмника по типу TA2003
Высокочастотный приемный тракт
Дистанционный комплекс контроля функционального состояния
Приёмник радиолокационной станции диапазона 800 МГц
Разработка схемы радиоприемника
Проектирование и расчет структурной схемы радиоприемника
Приемник аналоговых сигналов с амплитудной модуляцией
Приемник цифровой системы передачи информации ВЧ-каналом связи по ВЛ
