| Похожие рефераты | Скачать .docx |
Реферат: Електровимірювальна апаратура
Міністерство освіти та науки України
Державний вищий навчальний заклад
„Лисичанський нафтохімічний технікум”
ЖУРНАЛ
Лабораторні роботи
( звіти )
5.0 5130103 .ЕОЕ. 096 .00.00.ЛР
Перевірив викладач
_______ З. І. Вахрамєєва
Виконав студент
_________ Д. I. Левченко
Лисичанськ
2009
ЗМІСТ
Лабораторна робота № 1„Ознайомлення з правилами техніки безпеки, правилами збіркисхем і правилами користування електровимірювальною апаратурою”
Лабораторна робота № 2„Дослідження схем з’єднання резисторів”
Лабораторна робота № 3„Перевірка амперметра і вольтметра”
Лабораторна робота № 4„ Паралельне з’єднання індуктивної котушки і конденсатора.Компенсація потужності”
Лабораторна робота № 5„Дослідження трифазного кола при з’єднанні споживача зіркою”
Лабораторна робота № 6„Дослідження режимів однофазного трансформатора”
Лабораторна робота № 7„Зняття робочих характеристик трифазного асинхронного двигуназ короткозамкненим ротором”
Лабораторна робота № 8„Збірка і перевірка роботи схем релейно-контакторного управліннятрифазним асинхронним двигуном з короткозамкненим ротором”
Лабораторна робота №9„Визначення втрат напруги і потужності у проводах ЛЕП”
Лабораторна робота № 10„Дослідження роботи однонапівперіодного і двохнапівперіодногооднофазного випрямлячів”
Лабораторна робота № 1
„Ознайомлення з правилами техніки безпеки, правилами збірки схем і правилами користування електровимірювальною апаратурою”
Мета роботи: ознайомитися з правилами техніки безпеки, правилами збіркисхем і правилами користування електровимірювальноюапаратурою
ВИКОНАННЯ РОБОТИ
Ознайомитися з правилами техніки безпеки
Ознайомитися з правилами збірки схем
Ознайомитися з правилами користування вимірювальної апаратури:
Оглянути зовнішній вигляд пристрою
Визначити призначення пристрою
Ознайомитися з інструкцією; технічною характеристикою пристрою; правилами користування;
Визначити діапазон вимірювання, ціну поділки
4. Здати усний залік по правилам ТБ
Лабораторна робота № 2
„Дослідження схем з’єднання резисторів ”
Мета роботи: 1) навчитися складати послідовне, паралельне та мішане кола;
2) вивчити співвідношення між струмами і напругами при послі-
довному, паралельному і мішаному зєднаннях резисторів;
3)визначити опір електричного кола
Прилади і обладнання: міліамперметр А (- 50 мА), міліамперметр А (- 300 мА),амперметр А (- 1 А), вольтметр V1 (-50 В), вольтметр V2 (-15 В),резистори R2 , R3 , R4 , R5 , з’єднувальні проводи
Таблиця 2.1 Технічні характеристики приладів
| Найменування приладу, його шифр | Система приладу | Клас точності | Діапазон вимірювання | Рід струму |
І. Дослідження послідовного з’єднання резисторів
![]() |
Рис.2.1 – Схема послідовного з’єднання резисторів
Таблиця 2.2 Результати дослідження послідовного з’єднання резисторів
№ досліду |
Експериментальні дані | Результати обчислень | |||||||||||
Uзаг , В |
U2 , В |
U3 , В |
U4 , В |
U5 , В |
Iзаг , А |
U/ заг , В |
R2 , Ом |
R3 , Ом |
R4 , Ом |
R5 , Ом |
Rзаг , Ом |
R/ заг , Ом |
|
| 1 | 10 | ||||||||||||
| 2 | 20 | ||||||||||||
| 3 | 30 | ||||||||||||
Перевіряємо виконання другого закону Кірхгофа :
![]()
Обчислюємо значення опорів:






ІІ. Дослідження паралельного з’єднання резисторів
![]() |
Рис. 2.2 – Схема паралельного з’єднання резисторів
Таблиця 2.3 Результати дослідження паралельного з’єднання резисторів
№ досліду |
Експериментальні дані | Результати обчислень | |||||||
Uзаг , В |
Iзаг , А |
I2 , А |
I3 , А |
I/ заг , А |
R2 , Ом |
R3 , Ом |
Rзаг , Ом |
R/ заг , Ом |
|
| 1 | 10 | ||||||||
| 2 | 15 | ||||||||
| 3 | 20 | ||||||||
Перевіряємо виконання першого закону Кірхгофа :
![]()
Обчислюємо значення опорів за формулами:
![]()




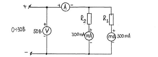
Лабораторна робота № 3
„Перевірка амперметра і вольтметра”
Мета роботи: навчитися перевіряти амперметри і вольтметри; виявляти відповідністьперевіряємих приладів класу точності, позначеному на них
Прилади і обладнання: міліамперметр mA (~ 300 мА), зразковий міліамперметр mA (~300 мА з класом точності 0.5), вольтметр V1 ( - 15 В), зразковий вольтметр V (-15 В з класом точності 0.5), резистори R/ 1 , R/ 2 , з’єднувальні проводи
ВИКОНАННЯ РОБОТИ
Таблиця 3.1 Технічні характеристики приладів
| Найменування приладу, його шифр | Система приладу | Клас точності | Діапазон вимірювання | Рід струму |
ДОСЛІД І
mA mA1
~ 0÷ 6.3 В
грубо точно
R/ 1 R/ 2
Рис 3.1 – Схема перевірки амперметра
Таблиця 3.2 Результати перевірки міліамперметра
| Покази перевіряємого міліамперметра І, mA |
| Покази зразкового міліамперметра Iзр , mA |
| Абсолютна похибка ∆І, mA |
| Зведена похибка, γзв , % |
Лабораторна робота № 6
„Дослідження режимів однофазного трансформатора”
Мета роботи: визначити коефіцієнт трансформації і ККД трансформатора в різних режимах; побудувати зовнішню характеристику трансформатора і залежність його ККД від коефіцієнта завантаження
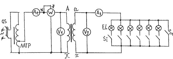
Прилади і матеріали: джерело живлення (мережа змінного струму), однофазнийтрансформатор ( 220/42 В), лабораторний автотрансформаторЛАТР, два вольтметри V1 (~250 В), V2 (~50 В), два амперметри А1 (~5 А) і А2 (~5 А) електромагнітної системи, ватметр Р1 (~1500 Вт),ламповий реостат на 6 ламп розжарювання, однополюсний вимикачS1 , автоматичний вимикач QF, з’єднувальні проводи
ВИКОНАННЯ РОБОТИ
Таблиця 6.1 Технічні характеристики приладів
| Найменування приладу, його шифр | Система приладу | Клас точності | Діапазон вимірювання | Рід струму |

Рис. 6.1 - Схема для дослідження режимів однофазного трансформатора
Таблиця 6.2 Результати дослідження режимів однофазного трансформатора
| № п/п | Режим роботи трансформатора | Дані досліджень | Результати обчислень | ||||||
U1 , В |
I1 , А |
P1 , Вт |
U2 , В |
I2 , А |
P2 , Вт |
k3 | η, % |
||
| 1 | Холостий хід | ||||||||
| 2 | Увімкнуто 1 лампу | ||||||||
| 3 | Увімкнуто 2 лампи | ||||||||
| 4 | Увімкнуто 3 лампи | ||||||||
| 5 | Увімкнуто 4 лампи | ||||||||
| 6 | Увімкнуто 5 ламп | ||||||||
| 7 | Коротке замикання | ||||||||
Обчислюємо коефіцієнт трансформації К (тільки для холостого ходу), корисну потужність P2 , коефіцієнт завантаження k3 , , ККД трансформатора η за формулами:
;
; ![]()
де ![]()
![]()
де
= Р1
в першому досліді ( досліді холостого ходу),
= Р1
в сьомому досліді ( в досліді короткого замикання)
Лабораторна робота № 7
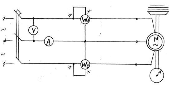
„Зняття робочих характеристик трифазного асинхронного двигуна з короткозамкненим ротором”
Мета роботи: виявити залежність параметрів двигуна від навантаження на його валу
Прилади і матеріали: джерело живлення (трифазна мережа змінного струму), трифазний асинхронний двигун з короткозамкненим ротором, вольтметр V (~250 В), амперметр А (~5 А) електромагнітної системи, два однофазних ватметри феродинамічної системи W1 i W2 (~1500 Вт), тахометр, механічне гальмо, автоматичний вимикач QF, з’єднувальні проводи
ВИКОНАННЯ РОБОТИ
Таблиця 7.1 Технічні характеристики приладів
| Найменування приладу, його шифр | Система приладу | Клас точності | Діапазон вимірювання | Рід струму |
QF C1 Гальмо
С2
С3
Рис. 7.1 - Схема для дослідження трифазного двигуна
Розрахунки:
![]()
![]()
![]()
![]()
![]()
![]()
Таблиця 7.2 Результати зняття робочих характеристик трифазного двигуна
№ п/ п |
Режим роботи | Дані спостереження | Результати обчислення | ||||||||||
U, В |
I, А |
P, Вт |
n, об/хв |
l, м |
m, кг |
n0 -n, об/хв |
s, % |
cosφ | M, Нм |
P2 , Вт |
η , % |
||
| 1 | Холостий хід | ||||||||||||
| 2 | Під навантаженням | ||||||||||||
| 3 | Під навантаженням | ||||||||||||
| 4 | Під навантаженням | ||||||||||||

Рис. 7.2 Робо чі характеристики n=f(P2 ), I=f(P2 ), M=f(P2 ), s=f(P2 ), cosφ=f(P2 ), η=f(P2 )
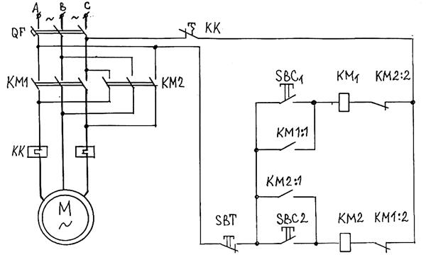
Лабораторна робота № 8
„Збірка і перевірка роботи схем релейно-контакторного управління трифазним асинхронним двигуном з короткозамкненим ротором”
Мета роботи: вивчити ДЕСТи на графічні і буквенні позначення на електричних схемах; вивчити будову і принцип дії пускової низьковольтової апаратури; здобути навички в збірці схем пуску двигунів; зібрати і перевірити схеми пуску нереверсивного і реверсивного трифазногоасинхронного двигунів з короткозамкненими роторами
Обладнання: трифазний автоматичний вимикач, трьох кнопкова станція, дваконтактори, теплове реле, трифазний двигун з короткозамкненимротором, з’єднувальніпроводи
ВИКОНАННЯ РОБОТИ

Рис. 8.1 – Схема пуску нереверсивного трифазногоасинхронного двигуна з короткозамкненим ротором
Рис.8.2 – Схема пуску реверсивного трифазного асинхронного двигуна з короткозамкненим ротором
Лабораторна робота № 9
„Визначення втрат напруги і потужності у проводах ЛЕП”
Мета роботи: вияснити, який вплив надає навантаження лінії і опір її проводів нанапругу приймача; визначити потужність втрат в проводах іККД лінії електропередач
Прилади і матеріали: двохпровідна лінія з мідними і сталевими проводами,лабораторний автотрансформатор ЛАТР, два вольтметри іамперметр електромагнітної системи, ламповий реостат на 3 лампи,з’єднувальні проводи
ВИКОНАННЯ РОБОТИ
Таблиця 9.1 Технічні характеристики приладів
| Найменування приладу, його шифр | Система приладу | Клас точності | Діапазон вимірювання | Рід струму |
Рис. 9.1 – Двох провідна лінія електропередач
Таблиця 9.2 Результати дослідження проводів ЛЕП
№ п /п |
проводи | Опір проводу R, Ом |
Дані спостережень | Результати обчислень | |||||
U1 , В |
U2 , В |
I, A |
∆U' , В |
∆U" , В |
∆P, Вт |
η, % |
|||
| 1 | 2 | 3 | 4 | 5 | 6 | 7 | 8 | 9 | 10 |
| 1 | Мідні |
||||||||
| 2 | |||||||||
| 3 | |||||||||
| 4 | сталеві |
||||||||
| 5 | |||||||||
| 6 | |||||||||
Обчислюємо втрати напруги ∆U' , ∆U" , втрати потужності ∆P, ККД η за формулами
![]()
![]()
![]()
![]()
Лабораторна робота № 10
«Дослідження роботи однонапівперіодного і двохнапівперіодного однофазного випрямлячів»
Мета роботи : вивчити роботу випрямлячів; виявити вплив згладжу вальногофільтру на випрямлену напругу
Прилади і матеріали: генератор низької частоти ГНЧШ, осцилограф ОМШ-2-76, лабораторний макет випрямлячів, вольтметр і амперметр магнітоелектричної системи, з’єднувальні проводи
ВИКОНАННЯ РОБОТИ
Таблиця 10.1 Технічні характеристики приладів
| Найменування приладу, його шифр | Система приладу | Клас точності | Діапазон вимірювання | Рід струму |
![]() |
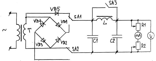
Рис. 10.1 – Схема лабораторної установки для дослідження випрямлячів
Таблиця 10.2 Результати дослідження випрямлячів без фільтру
Тип випрямляча |
Параметр випрямляча |
Дані спостереження | |||||
Однонапівперіодний без фільтру |
Напруга U, В | ||||||
| Струм І, mA | |||||||
Двохнапівперіодний без фільтру |
Напруга U, В | ||||||
| Струм І, mA | |||||||
Таблиця 10.3 Результати дослідження випрямлячів з фільтром
Тип випрямляча |
Параметр випрямляча |
Дані спостереження | |||||
Однонапівперіодний з фільтром |
Напруга U, В | ||||||
| Струм І, mA | |||||||
Двохнапівперіодний з фільтром |
Напруга U, В | ||||||
| Струм І, mA | |||||||
Похожие рефераты:
Електропоїзди постійного струму
Розробка інвертора напруги для апаратури зв'язку
Автомобілі з гібридною трансміссією і комбінованою енергетичною установкою
Розвиток і вдосконалення льотної промисловості України
Діагностика системи запалення ДВЗ
Теорія електричних і електронних кіл
Ремонт и регулировка мониторов для компьютеров
Детонометр разработка конструкции
Система моделювання Electronics Workbench
Система автоматичного регулювання (САР) турбіни атомної електростанції
Розробка, дослідження системи керування на основі нейронної мережі
Трифазний асинхронний двигун типу 4А112М4У3 з коротко замкнутим ротором
Технологія монтажу, ремонту та правила технічного обслуговування синхронних двигунів
Характеристика підприємства ВАТ Уманський завод "Мегомметр"
Впровадження міжпредметних зв’язків при підготовці трактористів-машиністів
Проект дільниці по технічному огляду та ремонту для двигуна автомобіля Chery Elara


