| Похожие рефераты | Скачать .docx |
Реферат: Генератор гармонических колебаний на операционных усилителях
Содержание
§1. Техническое задание
§2. Теоретические соображения
§3. Выбор RC-цепочки
§4. Расчёт элементов схемы генератора
§5. Требования к источнику питания
§6. Заключение
§7. Список литературы
§1. Техническое задание
Выполнить электрический проект генератора гармонических колебаний на операционном усилителе, удовлетворяющего следующим условиям:
1. Частота генерируемых колебаний fг = 8 кГц;
2. Амплитуда выходного напряжения: Uм.вых.
5 В;
3. Сопротивление нагрузки Rн = 75 Ом (кабель);
4. Сформулировать требования к источнику питания;
§2. Теоретические соображения
Генератором гармонических колебаний называют устройство, без постороннего возбуждения преобразующее энергию источника питания в энергию гармонических колебаний. Схемотехнически генератор – это усилитель с глубокой положительной обратной связью. Глубина ПОС подбирается такой, при которой усилитель самовозбуждается и генерирует незатухающие колебания.
Различают генераторы с внешней и внутренней ПОС. Однако, исходя из условий технического задания к курсовому проекту, генераторы с внутренней ПОС не рассматриваются.

Генераторы с внешней ПОС реализуются на усилителе, с выхода которого часть энергии колебания возвращается на вход. Такой генератор представим структурной схемой, показанной на рис. 1. Он состоит из усилителя К и цепи ПОС g. Частотная избирательность, цепи ПОС может обеспечиваться при помощи LC-контуров, пьезоэлектрических и электромеханических резонаторов, а также RC-цепей. Наиболее распространены LC- и RC-генераторы.
Частота колебаний в LC-генераторе fг близка к резонансной частоте контура: f0 .
![]()
Отсюда видно, что для генерирования колебаний с низкими частотами требуются большие индуктивности и емкости, применение которых ни технологически, ни конструктивно не оправдано.
Частота колебаний RC-генераторов пропорциональна частоте среза RC-цепочек
fг
![]()
Малогабаритные резисторы и конденсаторы могут иметь большие номинальные значения параметров, поэтому RC-генераторы предпочтительны в низкочастотной части диапазона. Верхний частотный предел RC-генераторов ограничивается значениями паразитных емкостей и минимальными сопротивлениями R, при которых допустимые силы токов усилителей еще обеспечивают напряжение требуемой амплитуды. Практически такие генераторы используются для генерирования колебаний, частоты которых достигают сотен килогерц.
Учитывая все выше написанное и то, что необходимо выполнить генератор гармонических колебаний с частотой fг = 8 кГц. в качестве частотно избирательной цепочки ПОС выбираю RC-цепь, а усилительным элементом по заданию является операционный усилитель (ОУ).
§3. Выбор RC-цепочки
RC-цепочка может быть подключена как к инвертирующему, так и к неинвертирующему входу ОУ. При подключении RC-цепочки к инвертирующему входу ОУ она должна вносить фазовый сдвиг, равный
. Пример такого генератора показан на рис. 2. Недостаток RC-генератора на инвертирующем усилителе – большое число (не менее 6) элементов в цепи отрицательной обратной связи (ООС), поэтому чаще применяются RC-генераторы с неинвертирующим усилителем. Т.е. RC-цепочка подключается к неинвертирующему входу ОУ.
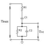
На низких и средних частотах хорошим источником синусоидальных колебаний с малым уровнем искажений служит генератор с мостом Вина (рис. 2). Идея его состоит в том, чтобы создать усилитель с обратной связью, имеющий сдвиг фазы 0° на нужной частоте, а затем отрегулировать петлевое усиление таким образом, чтобы возникли автоколебания. Для гарантированного возбуждения автогенератора при любых колебаниях параметров усилителя и цепи ПОС петлевое усиление должно быть несколько большим, чем единица. После возникновения автоколебаний их амплитуда стабилизируется, в конечном счете, на таком уровне, при котором за счет нелинейного элемента в петле коэффициент усиления снижается до единицы. Упомянутая нелинейность проявляется в амплитудной характеристике ОУ.

Рис. 2
Коэффициент передачи моста Вина
g=Z2/(Z1+Z2) где Z1=R1+1/(j×w×C1), Z2=R2/(1+j×w×C2×R2)
Если R1=R2=R и C1=C2=C то
g=1/(3+j(w×C×R-1/( w×C×R)))
Коэффициент будет вещественным на частоте w0, определяемой из уравнения
w0×C×R-1/(w0×C×R)=0
откуда частота автоколебаний
w0=1/(R×C)
Так как на этой частоте g = 1/3, то для выполнения условия Кg = 1 усилитель при замкнутой цепи ООС должен иметь коэффициент усиления немного больше трех. При меньшем усилении колебания затухают.
§4. Расчет элементов схемы генератора

Рис. 3
Рассмотрим схему, изображенную на рис. 3. В этой схеме усилительный элемент (ОУ) охвачен положительной и отрицательной ОС.
ОУ в совокупности с ООС, которая представляет собой делитель, составленный из резисторов R3 и R4, является неинвертирующим усилителем. Коэффициент усиления усилителя, при котором возбуждаются колебания, должен быть не меньше трех. Аналитическое выражение для рассчета коэффициента усиления имеет следующий вид: Ku = R3/R4 + 1. Таким образом, для устойчивой генерации, сопротивление резистора R3 должно быть больше сопротивления R4 как минимум в два раза.
ПОС является уже рассмотренный мост Вина (R1, R2, C1, C2).
После возбуждения, за счет нелинейности амплитудной характеристики ОУ коэффициент усиления усилителя будет равен трем, а петлевое усиление единице, что обеспечит генерацию сигнала заданной частота с амплитудой, которая будет равна выходному напряжению в режиме насыщения ОУ.
Рассчитаем элементы схемы:
fг
= 8кГц тогда RC = 1/(2*Pi*f)
, где R=R1=R2, а C=C1=C2.
R выбираем так, чтобы не перегрузить ОУ по входному току, а ОУ, в свою очередь, должен обладать большим входным и малым выходным сопротивлениями, а также достаточно большим значением входного тока. В качестве операционного усилителя выбираю К153УД1Б.
Его электрические параметры:
Коэффициент усиления: К > 10000
Входной ток: Iвх < 2000 нА
Сопротивление нагрузки: Rн > 2 кОм
Входное сопротивление: Rвх > 0,2 мОм
Выходное сопротивление: Rвых < 200 Ом
Выходное напряжение: Uвых
9 В
Задаемся сопротивлением R:
R = 47 кОм, тогда С = 1/(2*Pi*8000*47000) =
пФ.
Таким образом:
R1 = R2 = 47 кОм
С1 = C2 = 430 пФ
Сопротивления R3 и R4 выбираем таким образом, чтобы
R3/R4 > 2 и R3+R4 >> Rвых ОУ
тогда получим:
R3 = 150 кОм,
R4 = 70 кОм
Схема (рис. 3.) с рассчитанными выше номинальными параметрами элементов, будет генерировать синусоидальные колебания с частотой 8 кГц и выходным напряжением порядка 9 В.
Для согласования с нагрузкой Rн = 75Ом на выходе необходимо поставить эмиттерный повторитель, который должен удовлетворять следующим требованиям: обладать входным сопротивлением намного большим выходного сопротивления генератора, и малым, намного меньшим сопротивления нагрузки, выходным сопротивлением.

Рис. 4
Выходное сопротивление генератора – это сопротивление неинвертирующего усилителя (ОУ, R3, R4, где R3 и R4 - ООС), которое приближенно находится по формуле:
,
Рис. 5

Рис. 6
Где Rвых – выходное сопротивление ОУ,
Кu – коэффициент усиления усилителя,
g - глубина ООС.
= 200 Ом.
В качестве повторителя, который соответствует всем перечисленным требованиям, подходит ОУ К153УД1Б включенный по схеме рис. 4.
Коэффициент передачи повторителя К = 1.
Входное сопротивление
,
Где К – коэффициент усиления ОУ,
Rвх – входное сопротивление ОУ,
Rсф – входное сопротивление ОУ по синфазному сигналу, измеренное на входе (+) относительно земли или общей точки. На низких частотах это сопротивление составляет примерно 100 МОм.
вх.п.=
Ом = 100 МОм.
Выходное сопротивление
,
Где Rвых – выходное сопротивление ОУ.
Ом.
Таким образом:
вх.п. = 100 МОм >>
= 200 Ом, и
= 0.02 Ом << Rн = 75 Ом,
эмиттерный повторитель на ОУ К153УД1Б полностью соответствует предъявляемым ему требованиям, а окончательная схема генератора приведена на рис. 5.
Разделительные емкости С3, С4 выбираются таким образом, чтобы их коэффициенты передачи Кп.р. были не меньше
. Это означает, что на каждом из разделительных конденсаторов должно выделяться не больше чем
полезной мощности, поступившей от источника.
Кп.р.=
,
Где fг – частота генерируемых колебаний,
Ср – емкость разделительного конденсатора. В нашем случае – это С3 и С4,
R – полезное сопротивление, на котором должна выделяться основная часть поступившего напряжения. В нашем случае R - это
вх.п. и Rн.
Приняв Кп.р. = 0.99, определим значение емкостей:
C3 =
= 0,04 пФ,
С4 =
= 5,4 нФ.
Итак, окончательные значения элементов схемы (рис. 5.):
DA1, DA2 – операционные усилители серии К153УД1Б,
R1 = R2 = 47 кОм,
R3 = 150 кОм,
R4 = 70 кОм,
С1 = C2 = 430 пФ,
C3 = 0,04 пФ,
С4 = 5,4 нФ.
§5. Требования к источнику питания
Для питания ОУ требуется два источника питания: положительное +Uп и отрицательное –Uп относительно земли. Обычно на схемах условно источник питания не показывают.
Для ОУ К153УД1Б напряжение питания равно
В.

Рис.6. Зависимость минимального значения коэффициента усиления и максимальных выходных напряжений ОУ К153УД1Б от напряжений источника питания.
Ряд параметров ОУ зависит от стабильности источников питания. Поэтому последние должны быть хорошо отфильтрованы и стабилизированы. Допускается разброс значений напряжения питания в пределах
% и пульсации не более 5 мВ эффективного значения. Допускается использование ОУ в диапазоне питающих напряжений от
до
В. Однако, это влияет на коэффициент усиления и максимальное выходное напряжение (рис. 6.), что в свою очередь приводит к некоторому изменению и соответствующему перерасчету параметров генератора.
Для предотвращения паразитной генерации по цепям питания около каждого ОУ рекомендуется заблокировать цепи питания +Uп и –Uп конденсаторами емкостью 0,01 – 0,05 мкФ.
§6. Заключение
В заключении хочется отметить, что схема выполненного генератора в некоторой степени идеализирована. Я абстрагировался от некоторых физиологических свойств ОУ. Таких, как искажение сигнала при насыщении усилителя.
На практике форма автоколебаний такого генератора может отличаться от синусоиды. Это объясняется тем, что необходимый для устойчивой генерации петлевой коэффициент усиления Кg достигается за счет нелинейности амплитудной характеристики ОУ, для чего ОУ входит в режим насыщения, и генерируемые колебания могут искажаться.
Для получения гармонических колебаний с малыми искажения, обратная отрицательная связь ОУ (делитель, состоящий из резисторов R3 и R4) должна быть инерционно-нелинейной цепью. Такие инерционно-нелинейные цепи на практике называются цепями автоматической регулировки усиления (АРУ). Принципиально расчет такого генератора не отличается от расчета, выполненного в данном проекте, за исключением дополнительной сложности в расчете цепей АРУ.
§7. Список литературы
1. Гутников В.С. Применение операционных усилителей в измерительной технике. Л., “Энергия”, 1975.
2. Гутников В.С. Интегральная электроника в измерительных устройствах. – Л.: Энергия. Ленингр. отд-ние, 1980. – 248 с., ил.
3. Гутников В.С. Интегральная электроника в измерительных устройствах. – 2-е изд., переб. И доп. – Л.: Энергоатомиздат. Ленингр. отд-ние, 1988. – 304 с., ил.
4. Проектирование и применение операционных усилителей / Под ред. Дж. Грэма, Дж. Тоби, Л. Хьюлсмана. – М.: Мир,1974. – 510 с.
5. Алексеенко А.Г., Коломбет Е.А., Стародуб Г.И. Применение прецизионных аналоговых микросхем. 2-е изд., перераб. И доп. – М.; Радио и связь, 1985, - 256 с., ил.
6. Вениаминов В.Н., Лебедь О.Н., Мирошниченко А.И. Микросхемы и их применение: Справ. пособие. – 3-е изд., перераб. И доп. – М.; Радио и связь, 1989. 240 с., ил. – (Массовая радио библиотека; Вып. 1143).
7. Кауфман М., Сидман А.Г. Практическое руководство по расчетам схем в электронике: Справочник. В 2-х т. Т. 1: Пер с англ./ Под ред. Ф.Н. Покровского. – М.: Энергоатомиздат, 1991. – 368 с.:ил.
Похожие рефераты:
Разработать лабораторный стенд для испытания устройств защиты судовых генераторов
Приемник цифровой системы передачи информации ВЧ-каналом связи по ВЛ
Усилитель мощности миллиметрового диапазона длин волн
Усилитель мощности на дискретных элементах
Электронные схемы для дома и быта
Характеристика усилителя низкой частоты
Измеритель отношения сигнал/шум ТВ канала
Лекции - преподаватель Григорьев Владимир Калистратович
Кинематика и динамика поступательного движения