| Похожие рефераты | Скачать .docx |
Реферат: Выпрямители с умножением напряжения. Многофазные схемы выпрямителей
“Белорусский государственный университет информатики и радиоэлектроники”
Кафедра защиты информации
РЕФЕРАТ
на тему:
«Выпрямители с умножением напряжения. Многофазные схемы выпрямителей»
МИНСК, 2009
Схема выпрямителей с умножением напряжения
Простейшей схемой является схема удвоения напряжения.

Рисунок 1
Можно построить схему с многократным умножением напряжения.

Рисунок 2
Качественное выпрямление при небольших пульсациях возможно лишь при слабых потреблениях тока нагрузки.
Для активно-емкостной нагрузки (RC) имеем:
(1)
(2)
(3)
(4)
(5)
(6)
(7)
(8)
(9)
(0)
(10)
(11)
Существует значительное разнообразие схем выпрямителей с умножением напряжения.
Достоинства:
- сравнительная простота, с увеличением умножения по напряжению;
- заменяет исключительно сложный и малонадёжный высоковольтный трансформатор;
- есть возможность получить сетку питания напряжений постоянного тока;
Недостаток:
- невозможность питаниями нагрузок с большими токами: при больших токах емкости существенно разряжаются, следовательно, пульсация на выходе по напряжению растёт и, следовательно, падает значение этого напряжения. Резкая зависимость от потребляемого нагрузкой тока соответствует большему (100-ни Ом) сопротивлению выпрямителя с умножением частоты.
Все схемы для однофазной сети переменного тока имеют общие недостатки:
- с их помощью затруднительно реализовать питание мощных потребителей (более 1 кВт);
- значительная величина коэффициента пульсации (1,57 - в 1п/п, 0,67 – в 2п/п сх.);
- сравнительно меньшей является частота пульсаций 1-й гармоники;
От указанных недостатков свободны многофазные схемы выпрямителей.
Многофазные схемы выпрямителей
Источником питания в многофазном выпрямителе является электроэнергетическая сеть трёхфазного переменного тока промышленной частоты 50 Гц с напряжением U=220(фазное)/380(линейное) В.
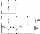
Схема Миткевича.

Рисунок 3
Достоинства:
- является простейшей схемой среди многофазных схем;
- вентили могут быть размещены на одном радиаторе;
- минимальное количество вентилей для трехфазной схемы, т.к. в каждый момент времени работы только 1 вентиль;
- существенно меньше Кп в однофазных схемах и существенно выше fп.
Недостатки:
- сравнительно высокое обратное напряжение на вентилях;
Это устройство целесообразно использовать для работы на R,L нагрузки.
Таблица 1.
Параметры работы схемы Миткевича на активную (Rн) и активно-индуктивную (LRн) нагрузку
| Rн | LRн |
![]() |
![]() |
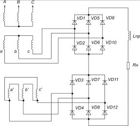
Схема Ларионова.

Рисунок 4
Её целесообразно использовать на активную и индуктивную нагрузку. В схеме в каждый момент времени работает пара вентилей: один из группы {1,3,5} и один из {2,4,6}.
В группе {1,3,5} открыт тот вентиль, напряжение на катоде которого отрицательно по отношению к аноду и имеет наименьшую величину в группе. Ток через нагрузку протекает импульсами 6 раз за период, поэтому:
(12)
(13)
Обратное напряжение на вентилях при одинаковых выходных напряжениях на нагрузках в схеме Ларионова оказывается в 2 раза меньше, чем в схеме Миткевича.
Таблица 2.
Параметры работы схемы Миткевича на активную (Rн) и активно-индуктивную (LRн) нагрузку
| Rн | LRн |
![]() |
![]() |
Выпрямление в этой схеме лучше и имеет пульсацию в 6 раз меньшую и постоянная составляющая почти одинакова с выпрямленным напряжением.
Достоинства:
- схема Ларионова наиболее совершенная схема для трёхфазной сети, определяет её широкое распространение, обеспечивает малую величину коэффициента пульсации; высокая частота пульсации по 1-й гармонике; низкое обратное напряжение в вентиле;
- низкие требования к пропускной способности в вентиле по току;
- хорошее использование габаритной мощности трансформатора, отсутствует подмагничивание сердечника.
Недостатки:
- значительное количество вентилей;
- невозможность размещения вентилей на одном радиаторе;
- недостатки из-за повышенной сложности схемы: увеличенная масса, габариты, стоимости, уменьшение надёжности.
Ещё более высокое качество выпрямленного напряжения и лучших электрических показателей трёхфазного выпрямления обеспечивает схема выпрямителя с расщепленной фазой.
Выпрямитель с расщепленной фазой(Для трёхфазной сети).
В схеме имеется 2 системы вторичных обмоток, одна включена звездой, др.- треугольником. В схеме действует 12 импульсов тока за период.
(14)

Рисунок 5
Достоинства:
- повышенное качество напряжения;
- низкий Кп;
Недостатки:
- высокая сложность, большие габариты, большое кол-во вентилей, пониженная надежность;
В технике электропитания используют сглаживающие фильтры, исключающие остаточную пульсацию, или сглаживающие её.
ЛИТЕРАТУРА
1. Иванов-Цыганов А.И. Электротехнические устройства радиосистем: Учебник. - Изд. 3-е, перераб. и доп.-Мн: Высшая школа, 200
2. Алексеев О.В., Китаев В.Е., Шихин А.Я. Электрические устройства/Под ред. А.Я.Шихина: Учебник. – М.: Энергоиздат, 200– 336 с.
3. Березин О.К., Костиков В.Г., Шахнов В.А. Источники электропитания радиоэлектронной аппаратуры. – М.: Три Л, 2000. – 400 с.
4. Шустов М.А. Практическая схемотехника. Источники питания и стабилизаторы. Кн. 2. – М.: Альтекс а, 2002. –191 с.
Похожие рефераты:
Синхронные машины. Машины постоянного тока
Компенсация реактивной мощности в системах электроснабжения с преобразовательными установками
Проект новой подстанции для обеспечения электроэнергией нефтеперерабатывающего завода
Электроснабжение текстильного комбината
Лекции по твердотельной электронике
Модернизация релейной защиты на тяговой подстанции Улан-Удэ на базе микропроцессорной техники
Пассивные линейные измерительные преобразователи синусоидальных напряжений и токов
Разработка вопросов энергосбережения за счет использования ветроэнергетической установки
Тиристорные устройства для питания автоматических телефонных станций
Проектирование электрической тяговой подстанции постоянного тока
Инверторные источники питания для электродуговой сварки
Электронные схемы для дома и быта



